Linear Ak 31 Interior Digital Keypad Quick Start Guide 228037A
AK-31 AK-31
2014-07-19
: Linear Linear-Ak-31-Interior-Digital-Keypad-Quick-Start-Guide linear-ak-31-interior-digital-keypad-quick-start-guide linear pdf
Open the PDF directly: View PDF
.
Page Count: 8

1
2
3
456
789
0
AK-31
Digital Keyless
Entry System
(760) 438-7000
USA & Canada (800) 421-1587 & (800) 392-0123
Toll Free FAX (800) 468-1340
www.linearcorp.com
228037 A IMAGE 1
PRINTER’S INSTRUCTIONS:
INSTR,INSTL,AK-31 - LINEAR P/N: 228037 A - INK: BLACK - MATERIAL: 20 LB. MEAD BOND - SIZE: 8.500” X 11.000” - SCALE: 1-1 - FOLDING: ALBUM-FOLD - BINDING: SADDLE-STITCH
Installation and Programming Instructions

CONTENTS
INTRODUCTION
Linear’s AK-31 is a digital keyless entry system designed for access control
applications. The keypad is housed in a rugged, plastic enclosure and is designed
to be mounted in a standard single-gang electrical box. The die-cast keys have
bright, easy-to-read yellow graphics.
Up to 480 entry codes, from 1 to 6 digits in length, can be programmed. They can
activate either, or both, of the relay outputs. The “anti-passback” feature prevents
using the same code again before the programmed time elapses.
All system indicators are long-lasting, solid-state LEDs. Two indicators show the
status of the entry system. The left indicator lights red to indicate power, then
turns green when access is granted. The right indicator lights yellow when the
keypad is in “lockout” condition (from too many incorrect code entries). An internal
sounder beeps when each key is pressed. An internal jumper sets the sounder
volume high or low.
The SENSE input can be used two ways. If programmed for “door sense” the
input is wired to a normally closed switch on the door to detect when the door is
open or closed. Forced entry or door ajar situations can then be detected. Using
door sense, the “Auto-relock” feature will prevent “tailgating” by turning off the
Main Relay output immediately when the door is closed after access has been
granted. If the SENSE input is programmed for “inhibit”, the input can be wired
to a “service” switch or automatic timer that will disable the Main Relay when
required.
The REQUEST-TO-EXIT input can be wired to a pushbutton to provide
codeless activation of Main Relay, Auxiliary Relay, Output #3, or Output #4
(programmable).
The ALARM SHUNT output activates when access is granted. This output can
be wired to shunt alarm contacts on the access door/gate to prevent triggering of
an alarm when authorized access occurs.
The AK-31 is powered from a 12-24 Volt AC or DC source. Power can be obtained
from the access device or a separate power supply. The EEPROM memory
retains all entry codes and programming, even without power. An internal jumper
is provided to reset the master code. The Main Relay has a 5 Amp capacity.
The Auxiliary Relay has a 1 Amp capacity. Two solid state outputs, capable of
switching 100 mA to common, are programmable to signal forced entry, door ajar,
lockout, alarm circuit shunting, request-to-exit, and keypad active conditions.
FEATURES
✓ KEYPAD PROGRAMMABLE
No programmer required
✓ 480 ENTRY CODE CAPACITY
Ideal for small & medium traffi c installations
✓ 1-6 DIGIT ENTRY CODE LENGTH
Flexible code length for different applications
✓ 4 INDEPENDENT OUTPUTS (TIMED/TOGGLED)
Each output’s action is programmable
✓ 4 INDEPENDENT TIMERS
Each output’s activation time is programmable
✓ TWO FORM “C” (N.O. & N.C) RELAY CONTACTS
Main Relay 5-Amp @ 28 VDC capacity,
Auxiliary Relay 1-Amp @ 28 VDC capacity
✓ EACH ENTRY CODE CAN ACTIVATE EITHER OR BOTH RELAYS
Specifi c entry codes can grant access to different doors
✓ TWO SOLID STATE OUTPUTS
Auxiliary outputs can indicate access status on external devices
✓ TWO STATUS INDICATORS (2-COLOR RED/GREEN & YELLOW)
Displays access, lockout, and programming information
✓ PIEZO SOUNDER (TWO SELECTABLE VOLUME LEVELS)
Programmable for beeps during key presses and output activations
✓ TIMED ANTI-PASSBACK
Disables entry code for a programmed time after use
✓ AUTO-RELOCK
Releases the main relay as soon as the door shuts
✓ KEYPAD LOCKOUT
Locks the keypad after too many incorrect entries
✓ TACTILE KEY FEEL
Assures complete key presses
✓ DOOR SENSE INPUT
For sensing door position to control auto-relock and door-ajar features
✓ INHIBIT INPUT
For temporarily disabling access with a timer or switch
✓ REQUEST-TO-EXIT INPUT
For codeless activation with a pushbutton
✓ KEYPAD CAN BE POWERED FROM 12-24 VOLTS AC OR DC
Power can be supplied from a transformer, battery, or power supply
228037 A IMAGE 2
COMPONENT LOCATIONS . . . . . . . . . . . . . . . . . . . . . . . . . . . . . . . . . . . . . . . 1
WIRING DIAGRAM. . . . . . . . . . . . . . . . . . . . . . . . . . . . . . . . . . . . . . . . . . . . 1
INSTALLATION . . . . . . . . . . . . . . . . . . . . . . . . . . . . . . . . . . . . . . . . . . . . . . . 2
Opening the Keypad . . . . . . . . . . . . . . . . . . . . . . . . . . . . . . . . . . . . . . . 2
Install the Electrical Box and Mounting Plate . . . . . . . . . . . . . . . . . . . . . . 2
Final Keypad Installation . . . . . . . . . . . . . . . . . . . . . . . . . . . . . . . . . . . . 2
Keypad Wiring . . . . . . . . . . . . . . . . . . . . . . . . . . . . . . . . . . . . . . . . . . . 3
Solid State Outputs . . . . . . . . . . . . . . . . . . . . . . . . . . . . . . . . . . . . . . . . 3
FACTORY DEFAULTS . . . . . . . . . . . . . . . . . . . . . . . . . . . . . . . . . . . . . . . . . . . 4
BASIC PROGRAMMING . . . . . . . . . . . . . . . . . . . . . . . . . . . . . . . . . . . . . . . . 4
PROGRAMMING OPTIONS . . . . . . . . . . . . . . . . . . . . . . . . . . . . . . . . . . . . . . 5
RESETTING KEYPAD . . . . . . . . . . . . . . . . . . . . . . . . . . . . . . . . . . . . . . . . . . . 6
Master Reset . . . . . . . . . . . . . . . . . . . . . . . . . . . . . . . . . . . . . . . . . . . . 6
Resetting the Master Code . . . . . . . . . . . . . . . . . . . . . . . . . . . . . . . . . . . 6
AK-31 OPERATION . . . . . . . . . . . . . . . . . . . . . . . . . . . . . . . . . . . . . . . . . . . 6
SPECIFICATIONS . . . . . . . . . . . . . . . . . . . . . . . . . . . . . . . . . . . . . . . . . . . . . . 6
LINEAR LIMITED WARRANTY . . . . . . . . . . . . . . . . . . . . . . . . . . . . . . . . . . . . 6
IMPORTANT !!! . . . . . . . . . . . . . . . . . . . . . . . . . . . . . . . . . . . . . . . . . . . . . . 6
FCC NOTICE . . . . . . . . . . . . . . . . . . . . . . . . . . . . . . . . . . . . . . . . . . . . . . . . . 6

1
COMPONENT LOCATIONS
WIRING DIAGRAM
228037 A IMAGE 3
1
2
3
456
789
0
RED/GREEN
POWER/ACCESS
INDICATOR
YELLOW
"LOCKOUT"
INDICATOR
KEYPAD
MASTER CODE
RESET JUMPER
(P5)
TERMINAL
BLOCK #1
(TB1)
BEEPER
LEVEL
JUMPER (P4)
MOUNTING
PLATE
1 - AC OR DC
2 - AC OR DC
3 - N.O.
4 - COM
5 - N.C.
6 - N.O.
7 - COM
8 - N.C.
SENSE - 8
GROUND - 7
REQUEST-TO-EXIT - 6
GROUND - 5
GROUND - 4
OUTPUT #3 - 3
OUTPUT #4 - 2
GROUND - 1
12-24 VOLT
AC OR DC
POWER
MAIN RELAY
5 AMPS @
28 VDC MAX.
AUXILIARY
RELAY 1 AMP
@ 28 VDC MAX.
TERMINAL
BLOCK 1
WIRES
AK-31 TERMINALS
CAUTION
IF THE UNIT IS AC POWERED,
MAKE SURE THE SECONDARY OF THE
SYSTEM TRANSFORMER IS ISOLATED
FROM EARTH GROUND
OPTIONAL WIRING
REQUIRED WIRING
OTHER WIRING
NOTES:
1. ALARM SHUNT SET FOR AUXILIARY RELAY
2. GRAY WIRE SET FOR DOOR SENSE
GROUND
STAKE
N.C. DOOR
SWITCH
ALARM
CONTACT
TO ALARM
SYSTEM
POWER
SUPPLY
ELECTRIC
DOOR
STRIKE AUXILIARY
OUTPUTS
100 mA MAX.
TO COMMON
REQUEST
TO EXIT
BUTTON
GRAY
BLACK
VIOLET
BLACK
BLACK
BLUE
GREEN
BLACK
TYPICAL DOOR INSTALLATION WIRING
Figure 1. Component Locations
Figure 2. Wiring Diagram

2
INSTALLATION
Before installing the keypad, the unit must be partially disassembled
to access the mounting plate.
Opening the Keypad
The keypad assembly is secured with two screws that are hidden
behind the keypad’s nameplate. Refer to Figure 3 for disassembly
details.
❑ Use a small fl at blade screwdriver to pry off the keypad’s
nameplate.
❑ Use a philips head screwdriver to remove the two screws.
❑ Separate the mounting plate from the keypad assembly.
Install the Electrical Box and Mounting Plate
The keypad is designed to fi t into a standard single-gang electrical
box. Select a location near the controlled door and choose a
convenient height for the keypad. Be sure there is good wiring
accessibility for the unit’s power and the output to the door strike
or access device.
❑ Install the electrical box in the wall.
❑ Screw the mounting plate onto the electrical box (see
Figure 4).
Final Keypad Installation
After wiring the keypad (see next page), complete the installation
by securing the keypad to the mounting plate.
❑ If a lower beeper sound level is required, before installing
the keypad, remove Jumper at P4 (place the jumper block
on one pin to save the jumper).
❑ Hook the keypad assembly onto the mounting plate tab (see
Figure 5).
❑ Secure with two philips screws.
❑ Snap nameplate into position over screws.
HOOK THE KEYPAD ASSEMBLY
ONTO THE MOUNTING PLATE
12
3
INSTALL THE
TWO SCREWS
SNAP THE NAMEPLATE
INTO PLACE
Figure 5. Connecting the Keypad to the Mounting Plate
228037 A IMAGE 4
1PRY UP ON THE
NAMEPLATE
HERE
3SEPARATE THE
MOUNTING PLATE
FROM THE KEYPAD
MOUNTING
PLATE
REMOVE THE
TWO SCREWS
2
Figure 3. Opening the Keypad
INSTALL A SINGLE-GANG
ELECTRICAL BOX AT THE
PROPER LOCATION
FOR THE KEYPAD
ATTACH THE MOUNTING
PLATE TO THE
ELECTRICAL BOX
MAKE SURE THE
TAB IS UP
MOUNTING
PLATE
Figure 4. Installing the Mounting Plate

3
Keypad Wiring
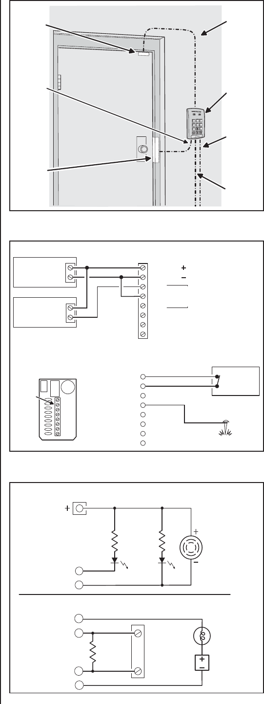
See Figure 6 for an example of a basic door installation. The
keypad is mounted adjacent to the door. An electric door strike
is mounted in the door jamb to release the door lock. A magnetic
switch is mounted on the top of the door jamb for detecting when
the door is open.
Use the following steps to wire the keypad. Refer to the wiring
diagram shown in Figure 7 to assist in the wiring.
☞ NOTE: Up to 500 feet of 18 AWG wire can be run for power,
use larger wire for longer runs. Use 22 AWG or larger
(depending on the load) for other connections.
OUTPUT
❑ Install a low voltage electric door strike for unlocking the
door.
❑ Route two wires between the door strike and the keypad
box. Connect one of the door strike wires to the keypad’s
MAIN RELAY N.O. terminal (TB1 #3). Connect the other
door strike wire to the keypad’s AC/DC + terminal (TB1 #1).
Connect a wire between the keypad’s AC/DC - terminal
(TB1 #2) and the MAIN RELAY COM terminal (TB1 #4).
POWER
❑ Choose a location for the power supply or transformer.
❑ Route two wires between the power supply and the keypad
box. Connect the power supply’s output terminals to the
keypad’s AC/DC input terminals (TB1 #1 & #2). Observe
wiring polarity if using DC.
✦ CAUTION: If the unit is AC powered, make sure the
secondary of the system transformer is isolated from
earth ground.
EARTH GROUND
❑ To avoid damage to the unit from static discharges, connect
the EARTH GROUND black wires E1, 4, 5 or 7 to a good earth
grounding point. Suggested wiring size is 18 AWG for earth
ground.
SENSE INPUT
☞ NOTE: SENSE terminal (gray wire) can be programmed for
either a door sense or inhibit input. Both features cannot be
used at the same time.
❑ To use the door sense feature to detect forced entry or door
ajar conditions, install a normally closed door switch on the
door and route two wires from the switch to the keypad box.
Connect the door switch to the keypad’s SENSE input (gray
wire, E8) and COM (any black wire).
❑ If an inhibit switch or timer is going to be used for
temporarily disabling the keypad, route two wires from the
switch or timer to the keypad box. Connect the inhibit switch/
timer normally open terminals to the keypad’s SENSE input
(gray wire E8) and COM (any black wire).
REQUEST-TO-EXIT INPUT (wiring shown on Page 1, Figure 2)
❑ If a request-to-exit pushbutton is going to be used, route two
wires from the keypad box to a normally open pushbutton
mounted on the secure side of the door. Connect the wires
to the pushbutton and to the keypad’s EXIT input (violet wire,
E6) and COM (any black wire).
Solid State Outputs
The two solid state outputs (Output #3 & Output #4) can be
programmed to activate during various conditions. These outputs
can be used to activate indicators or sounders. See Figure 8 for
wiring examples using the solid state outputs.
228037 A IMAGE 5
Figure 6. Basic Door Installation
1
2
3
4
5
6
7
9
1 WIRE
TO EARTH
GROUND
DOOR
SENSE
SWITCH
ELECTRIC
DOOR
STRIKE
AK-31
KEYPAD
2 WIRES
FOR DOOR
STRIKE
2 WIRES
FOR DOOR
SENSE
SWITCH
2 WIRES
FROM
POWER
SUPPLY
Figure 7. Basic Door Installation Wiring
1 - AC OR DC
2 - AC OR DC
3 - N.O.
4 - COM
5 - N.C.
6
7
8
MAIN
RELAY
5 AMPS MAX.
TERMINAL
BLOCK 1
12-24 VOLT
AC OR DC
POWER
SUPPLY
ELECTRIC
DOOR
STRIKE
SENSE - 8
COM - 7
6
EARTH GROUND - 5
4
3
2
1
GROUND
STAKE
N.C. DOOR
SENSE
SWITCH
TERMINAL
BLOCK 1
(TB1)
AK-31 REAR VIEW
BLACK
WIRES
GRAY
BLACK
1
4
OUTPUT #3
OUTPUT #4
DC
POWER
SOURCE
LED LED
ELECTRONIC
BEEPER
OUTPUT #3 LIGHTS A LAMP POWERED FROM AN EXTERNAL SOURCE
OUTPUT #4 TRIGGERS A NORMALLY OPEN ALARM PANEL ZONE
OUTPUT #3
OUTPUT #4
EACH
OUTPUT
100 mA
MAXIMUM
ALARM PANEL
N.O. ZONE
COMMON
END-OF-LINE
RESISTOR
POWER
SOURCE
LOW VOLTAGE
LAMP
1
3
2
TERMINAL
BLOCK #1
OUTPUT #3 LIGHTS AN LED
OUTPUT #4 LIGHTS AN LED AND SOUNDS A BEEPER
OUTPUT #4 COM
OUTPUT #3 COM
EXAMPLE #2
EXAMPLE #1
BLUE
GREEN
3
2
BLUE
GREEN
BLACK
BLACK
1K
Ω
@ 12 volts
2K
Ω
@ 24 volts
Figure 8. Using Solid State Outputs

4
FACTORY DEFAULTS
MASTER PROGRAMMING CODE . . . . . . . . . . . . . . . . . . . . . . . . . . . . . . . . . . . . . . .123456
ENTRY CODE LENGTH . . . . . . . . . . . . . . . . . . . . . . . . . . . . . . . . . . . . . . . . . . . . . 4 DIGITS
REQUEST-TO-EXIT OUTPUT RELAY . . . . . . . . . . . . . . . . . . . . . . . . . . . . . . . . . .MAIN RELAY
ALARM SHUNT OUTPUT . . . . . . . . . . . . . . . . . . . . . . . . . . . . . . . . . . . . . . . . . . DISABLED
FORCED ENTRY OUTPUT . . . . . . . . . . . . . . . . . . . . . . . . . . . . . . . . . . . . . . . . . OUTPUT #3
DOOR AJAR OUTPUT . . . . . . . . . . . . . . . . . . . . . . . . . . . . . . . . . . . . . . . . . . . OUTPUT #4
MAIN RELAY ON TIME . . . . . . . . . . . . . . . . . . . . . . . . . . . . . . . . . . . . . . . . . . . 2 SECONDS
AUXILIARY RELAY ON TIME . . . . . . . . . . . . . . . . . . . . . . . . . . . . . . . . . . . . . . . 2 SECONDS
SOLID STATE OUTPUT #3 ON TIME . . . . . . . . . . . . . . . . . . . . . . . . . . . . . . . . . . 2 SECONDS
SOLID STATE OUTPUT #4 ON TIME . . . . . . . . . . . . . . . . . . . . . . . . . . . . . . . . . . 2 SECONDS
DOOR SENSE/INHIBIT INPUT . . . . . . . . . . . . . . . . . . . . . . . . . . . . . . . . . . . . DOOR SENSE
KEYPAD LOCKOUT OUTPUT . . . . . . . . . . . . . . . . . . . . . . . . . . . . . . . . . . . . . . . . DISABLED
KEYPAD ACTIVE OUTPUT . . . . . . . . . . . . . . . . . . . . . . . . . . . . . . . . . . . . . . . . . . DISABLED
BEEPER SOUNDS WHEN KEY PRESSED . . . . . . . . . . . . . . . . . . . . . . . . . . . . . . . . . . . . . YES
BEEPER SOUNDS DURING RELAY #1 . . . . . . . . . . . . . . . . . . . . . . . . . . . . . . . . . . . . . . NO
BEEPER SOUNDS DURING RELAY #2 . . . . . . . . . . . . . . . . . . . . . . . . . . . . . . . . . . . . . . NO
BEEPER SOUNDS DURING OUTPUT #3 . . . . . . . . . . . . . . . . . . . . . . . . . . . . . . . . . . . . . NO
BEEPER SOUNDS DURING OUTPUT #4 . . . . . . . . . . . . . . . . . . . . . . . . . . . . . . . . . . . . . NO
KEYPAD LOCKOUT COUNT . . . . . . . . . . . . . . . . . . . . . . . . . . . . . 3 TRIES BEFORE LOCKOUT
ANTI-PASSBACK TIME . . . . . . . . . . . . . . . . . . . . . . . . . . . . . . . . . . . . . NO ANTI-PASSBACK
AUTO-RELOCK . . . . . . . . . . . . . . . . . . . . . . . . . . . . . . . . . . . . . . . . . . . . . . . . . . . . . . ON
BASIC PROGRAMMING
When the AK-31 is in Programming Mode, both indicators will turn
off until programming begins. After a programming option number
is entered the yellow indicator will blink. This shows that the AK-31
is ready to accept the new programming data. After the new data
entry is complete, the yellow indicator will fl ash while the data is
being stored. The green indicator will light if the data is accepted.
The red indicator will light if any programming data is entered
incorrectly, and the command will have to be fully re-entered.
Entering Programming Mode
The 6-digit Master Programming Code (default = 123456) is used to enter
Programming Mode.
Press: # 9 # Master Code
Master Code = the current 6-digit Master Programming Code
Exiting Programming Mode
Press: * * #
The red indicator will light after exiting Programming Mode.
☞ NOTE: The AK-31 will automatically exit Programming Mode after two
minutes of inactivity.
Re-entering a Command After a Mistake
If the red indicator lights, signaling an incorrect entry, or an incorrect key is
pressed during programming, to clear the keypad and re-enter the command:
Press: * 9 #
Setting Entry Code Length Default: 4 digits
Press: 0 3 # Length #
Length = 1 - 6 for entry code length
☞ NOTE: If the Entry Code Length is going to be changed from the factory
default of four digits, make this change fi rst, before programming any
entry codes.
Adding a New Entry Code
Press: 01 # Code # Code # Action #
Code = The new entry code: 1-999999, depending on code length
Action = Relay output entry code will activate as follows:
1 = Relay #1, timed open
2 = Relay #2, timed open
3 = Both Relays, timed open
10 = Relay #1, toggled
20 = Relay #2, toggled
30 = Both Relays, toggled
12 = Relay #1 toggled; Relay #2, timed open
21 = Relay #1 timed open; Relay #2 toggled
The yellow LED will fl ash quickly while the AK-31 searches its
memory for available space and duplicate entries. The green LED
will light when the new code is stored.
If the new entry code chosen is already being used for another
entry code, the red LED will light. A new unique code needs to be
entered.
☞ NOTE: Leading zeros (zeros before the code number, i.e. 0001) do not need
to be entered when programming a new entry code. The AK-31 will internally
add any zeros to fi ll all digits determined by the entry code length setting.
Leading zeros will have to be entered by the user when entering their code
to gain access.
Erasing a Single Entry Code
Press: 0 2 # Code # Code #
Code = The entry code to delete.
The yellow indicator will fl ash quickly while the AK-31 searches its
memory for the code to erase. The green indicator will light when
the code is erased.
Erasing All Entry Codes
★ WARNING: PERFORMING THIS COMMAND WILL
REMOVE ALL ENTRY CODES FROM THE MEMORY.
Press: 9 7 # 0 0 0 0 0 0 # 0 0 0 0 0 0 #
☞ NOTE: The green indicator will light while the memory is being erased. This
may take up to 15 seconds.
Changing the 6-Digit Master Programming Code
Press: 9 8 # Master Code # Master Code #
Master Code = The new 6-digit Master Programming Code
New master code: _____________________
228037 A IMAGE 6

5
PROGRAMMING OPTIONS
There are several AK-31 programming options. For most
installations, the factory set default options are suffi cient. The
keypad must be in Programming Mode to make these changes.
Select Door Sense or Inhibit Input Default: Door Sense
The input (gray wire) can be programmed for DOOR SENSE or INHIBIT.
Press: 1 0 # Input #
Input = 0 for Door Sense, = 1 for Inhibit
When programmed for DOOR SENSE, if an open condition on the input occurs
before access is granted (with an entry code or with the request-to-enter input) a
FORCED ENTRY output will occur. If an open condition remains 60 seconds after
a relay activation for access, a DOOR AJAR output will occur.
When programmed for INHIBIT, a closed condition on the input will prevent
Relay #1 from activating when access is requested with an entry code. This mode
is typically used with an external timer to disable the access device at certain
times.
Select Forced Entry Output Default: Output #3
Sets which output activates if the DOOR SENSE input opens before access is
granted. This output is not timed.
Press: 1 1 # Output #
Output = Output to Activate (0-4)
1 = Main Relay 2 = Auxiliary Relay 3 = Output #3 4 = Output #4 0 = No Output
Select Door Ajar Output Default: Output #4
Sets which output activates if the DOOR SENSE input stays open 60 seconds
after access is granted. This output is not timed.
Press: 1 2 # Output #
Output = Output to Activate (0-4)
1 = Main Relay, 2 = Auxiliary Relay, 3 = Output #3, 4 = Output #4, 0 = No Output
Select Keypad Lockout Output Default: No Output
Sets which output activates when the keypad is “locked out” after too many
incorrect entry code attempts. The lockout time is 60 seconds.
Press: 1 3 # Output #
Output = Output to Activate (0-4)
1 = Main Relay, 2 = Auxiliary Relay, 3 = Output #3, 4 = Output #4, 0 = No Output
Select Keypad Active Output Default: No Output
Sets which output activates when any keys are pressed. This output is timed. If
toggle mode is selected for the output, the timer value defaults to 2 seconds.
Press: 1 4 # Output #
Output = Output to Activate (0-4)
1 = Main Relay, 2 = Auxiliary Relay, 3 = Output #3, 4 = Output #4, 0 = No Output
Select Alarm Shunt Output Default: No Output
Sets which output activates during the time access is granted. (Use this output
to shunt alarm contacts attached to the access door.) This output may be timed
or toggled.
Press: 1 5 # Output #
Output = Output to Activate (0-4)
1 = Main Relay, 2 = Auxiliary Relay, 3 = Output #3, 4 = Output #4, 0 = No Output
Select Request-to-Exit Output Default: Main Relay
Sets which output activates when the Request-to-Exit input is grounded. This
output may be timed or toggled.
Press: 1 6 # Output #
Output = Output to Activate (0-4)
1 = Main Relay, 2 = Auxiliary Relay, 3 = Output #3, 4 = Output #4, 0 = No Output
Main Relay On-time Default: 2 Seconds
Sets the length of time the Main Relay activates when triggered.
Press: 2 1 # Seconds #
Seconds = Output time in seconds (0-60)
Auxiliary Relay On-time Default: 2 Seconds
Sets the length of time Auxiliary Relay activates when triggered.
Press: 2 2 # Seconds #
Seconds = Output time in seconds (0-60)
Solid-state Output #3 On-time Default: 2 Seconds
Sets the length of time Output #3 activates when triggered.
Press: 2 3 # Seconds #
Seconds = Output time in seconds (0-60), 99 = Toggle Mode
Solid-state Output #4 On-time Default: 2 Seconds
Sets the length of time Output #4 activates when triggered.
Press: 2 4 # Seconds #
Seconds = Output time in seconds (0-60), 99 = Toggle Mode
Beep Sounds on Keystrokes Default: Yes
Selects whether or not the keypad beeps as each key is pressed.
Press: 4 0 # Sound #
Sound = 1 for Yes, = 0 for No
Beep Sounds During Main Relay Default: No
Selects whether or not the keypad beeps during Main Relay activation.
Press: 4 1 # Sound #
Sound = 1 for Yes, = 0 for No
Beep Sounds During Auxiliary Relay Default: No
Selects whether or not the keypad beeps during Auxiliary Relay activation.
Press: 4 2 # Sound #
Sound = 1 for Yes, = 0 for No
Beep Sounds During Output #3 Default: No
Selects whether or not the keypad beeps during Output #3 activation.
Press: 4 3 # Sound #
Sound = 1 for Yes, = 0 for No
Beep Sounds During Output #4 Default: No
Selects whether or not the keypad beeps during Output #4 activation.
Press: 4 4 # Sound #
Sound = 1 for Yes, = 0 for No
228037 A IMAGE 7

6
Keypad Lockout Count Default: 3 Tries
Sets the number of incorrect entry code attempts allowed before the keypad
“locks out”.
Press: 5 0 # Attempts #
Attempts = Number of attempts before lockout (2-7)
Anti-passback Time Default: No Anti-passback
Sets the length of time an entry code will not function after it is used.
Press: 5 1 # Minutes #
Minutes = Time in Minutes (1-4), 0 = No Anti-passback
RESETTING KEYPAD
Master Reset
✦ CAUTION: Performing a master reset will clear
the entire memory of the AK-31 and return all
programmable options to the factory default values.
ALL ENTRY CODES WILL BE ERASED.
STEP 1 Disconnect power from the keypad.
STEP 2 Press and hold down the * and # keys.
STEP 3 Apply power to the keypad, continue holding the keys
down until the red indicator starts fl ashing.
STEP 4 Release the keys. The red and yellow indicators will
remain lit until the process is complete, then the yellow
indicator will go out.
Resetting the Master Code
STEP 1 Open the AK-31 case.
STEP 2 Locate jumper at P5. This jumper is used to reset the
master code.
STEP 3 With power applied to the keypad, remove the jumper
at P5. The keypad will begin to beep, signaling that the
code has been reset.
STEP 4 Replace jumper on P5.
THE MASTER PROGRAMMING CODE IS NOW 123456.
AK-31 OPERATION
Keypad users request access by entering their code.
❑ Users of the AK-31 have up to 40 seconds to key in their
entry code.
❑ Up to eight seconds are allowed between each keystroke.
❑ All digits of the entry code must be entered. Example: If the
code is 0042, the user must enter
“0 0 4 2”.
❑ If the wrong key is pressed, pressing the * key will reset the
keypad. The correct code can then be re-entered.
❑ After a correct code is entered, the red indicator will turn
green and the programmed relay will activate for the
programmed time.
❑ If the number of incorrect codes entered exceeds the
keypad lockout count, the yellow indicator will light,
indicating that the keypad is locked out. The lockout will
remain for one minute.
❑ After a valid code has been entered, it will be unusable until
the anti-passback time expires.
SPECIFICATIONS
MECHANICAL
Dimensions: 3.00” W x 5.00” H x 3.00” D
ELECTRICAL
Voltage: 12-24 Volts AC or DC
Current: 30 mA typical, 150 mA maximum
Outputs: Main Relay:
Form “C” 5 Amps @ 28 Volts maximum
Auxiliary Relay:
Form “C” 1 Amp @ 28 Volts maximum
Solid state outputs (Outputs #3 & #4):
Short-to-common 100 mA @ 24 VDC maximum
ENVIRONMENTAL
Temperature: -22°F to 149°F (-30°C to 65°C)
Humidity: 5% to 95% non-condensing
LINEAR LIMITED WARRANTY
This Linear product is warranted against defects in material and workmanship for twenty-
four (24) months. The Warranty Expiration Date is labeled on the product. This warranty
extends only to wholesale customers who buy direct from Linear or through Linear’s normal
distribution channels. Linear does not warrant this product to consumers. Consumers
should inquire from their selling dealer as to the nature of the dealer’s warranty, if any.
There are no obligations or liabilities on the part of Linear LLC for consequential
damages arising out of or in connection with use or performance of this product
or other indirect damages with respect to loss of property, revenue, or profi t, or
cost of removal, installation, or reinstallation. All implied warranties, including implied
warranties for merchantability and implied warranties for fi tness, are valid only until Warranty
Expiration Date as labeled on the product. This Linear LLC Warranty is in lieu of all
other warranties express or implied.
All products returned for warranty service require a Return Product Authorization Number
(RPA#). Contact Linear Technical Services at 1-800-421-1587 for an RPA# and other
important details.
FCC NOTICE
Changes or modifi cations not expressly described in this manual or approved by the
manufacturer could void the user’s authority to operate the equipment.
This equipment has been tested and found to comply with the limits for a Class B digital
device, pursuant to Part 15 of the FCC Rules. These limits are designed to provide
reasonable protection against harmful interference in a residential installation. This
equipment generates, uses and can radiate radio frequency energy and, if not installed
and used in accordance with the instructions, may cause harmful interference to radio
communications. However, there is no guarantee that interference will not occur in a
particular installation. If this equipment does cause harmful interference to radio or
television reception, which can be determined by turning the equipment off and on, the user
is encouraged to try to correct the interference by one or more of the following measures:
• Reorient or relocate the receiving antenna.
• Increase the separation between the equipment and receiver.
• Connect the equipment into an outlet on a circuit different from that to
which the receiver is connected.
• Consult the dealer or an experienced radio/TV technician for help.
228037 A IMAGE 8
Copyright © 2007 Linear LLC 228037 A