Linear Mvp50 1Z2 Hp Chain Drive Residential Garage Door Operator Quick Start Guide 190 111069FX1 MVP Manual Aug 2007
2014-07-19
: Linear Linear-Mvp50-1Z2-Hp-Chain-Drive-Residential-Garage-Door-Operator-Quick-Start-Guide linear-mvp50-1z2-hp-chain-drive-residential-garage-door-operator-quick-start-guide linear pdf
Open the PDF directly: View PDF
.
Page Count: 20

INSTALLATION AND OWNER’S MANUAL
As of date of manufacture,
meets all ANSI/UL 325 Safety
Requirements for Vehicular
Garage Door Openers
READ THIS MANUAL CAREFULLY BEFORE INSTALLATION OR USE
107063
INSTALLER: Place this manual in the plastic envelope provided and
permanently attach to the wall near the pushbutton.
Product Features....................................................2
Tools Required/Component Identification ..... 2 & 3
Assembly Instructions ........................................... 3
Identify Your Door Type.........................................4
Important Installation Instructions........................5
Installing the Opener..............................................6
Mounting the Front Bracket ............................6
Mounting the Power Head...............................7
Using the Manual Release Mechanism...........7
Door Arm Installation ......................................8
Power Requirements/Permanent Wiring ........9
Control and Auxiliary Equipment ........................ 10
Standard Wall Push Button Installation ....... 10
Installation of the Super Station ................... 10
Remote Control Radio System ..................... 11
TABLE OF CONTENTS
WARNING
Indicates a
MECHANICAL
hazard of INJURY
OR DEATH. Gives
instructions to avoid
the hazard.
FCC and IC Radio Operation Statement ......12
Installation of Safe Finish Photosystem.......13
Installation Checklist.....................................14
Operation and Adjustment Instructions............15
Important Safety Instructions .......................15
Basic Operating Parameters.........................15
Testing the Limit Settings .............................16
Testing the Sensitivity...................................16
Testing the Reversing System......................16
Testing the Safe Finish Photosystem...........17
Operating the Super Station Wall Station .... 17
Wiring Diagram.....................................................18
Auxiliary Equipment Wiring Diagram..................19
Troubleshooting Guide ........................................19
Warranty Statement..............................................20
CAUTION
READ THESE STATEMENTS CAREFULLY AND FOLLOW THE INSTRUCTIONS CLOSELY
The Warning and Caution boxes throughout this manual are there to protect you and your equipment.
Pay close attention to these boxes as you follow the manual.
WARNING CAUTION
Indicates an ELECTRICAL
hazard of DAMAGE to the
door, door opener, or
equipment. Gives
instructions to avoid the
hazard.
Indicates an
ELECTRICAL hazard
of INJURY OR
DEATH. Gives
instructions to avoid
the hazard.
Indicates a MECHANICAL
hazard of DAMAGE to the
door, door opener, or
equipment. Gives
instructions to avoid the
hazard.
Residential Vehicular Garage Door Operator
MODELS: MVP and MVP-SQ
By

The purpose of this booklet is to provide assembly,
installation and operation information concerning the
herein described Residential Garage Door Opener and
related Accessory Products.
NOTICE
IT IS IMPORTANT THAT THIS INSTRUCTION
MANUAL BE READ AND UNDERSTOOD
COMPLETELY BEFORE INSTALLATION OR
OPERATION IS ATTEMPTED.
NOTICE
THE IMPORTANT SAFEGUARDS AND
INSTRUCTIONS IN THIS MANUAL CANNOT
COVER ALL POSSIBLE CONDITIONS AND
SITUATIONS WHICH MAY OCCUR DURING
ITS USE. IT MUST BE UNDERSTOOD THAT
COMMON SENSE AND CAUTION MUST BE
EXERCISED BY THE PERSON(S) INSTALLING,
MAINTAINING AND OPERATING THE
EQUIPMENT DESCRIBED HEREIN. DO NOT
USE THIS EQUIPMENT FOR ANY OTHER
THAN ITS INTENDED PURPOSE - OPERATING
OVERHEAD GARAGE DOORS.
STANDARD FEATURES:
Digital Radio Controls: This opener is equipped with
a transmitter pre-programmed to one of over nineteen
thousand private codes. The transmitter can be re-
programmed without difficulty using the external
operation buttons. The power head is easily
programmed to accept the transmitter signal.
(PageZ11)
Safe Finish™ Photosystem: An invisible infrared
beam of light guards the door opening and reverses a
downward moving door if the beam is broken by a
stationary or moving object. The opener’s motor
control circuitry constantly monitors the Safe Finish
Photosystem for proper operation.
Super Station (Deluxe Wall Push Button): A
feature-packed accessory unit, the Super Station allows
access to all of the opener's functions. Independent
Open, Close, and Stop buttons permits full control of
the door’s operation. The opener's built-in light can be
turned on or off independent of door operation. A
Learn Enable button allows programming of the radio
controls at floor level. A Security Switch allows the
opener to be deactivated for extended periods of time.
A Security Disable switch is provided if the garage
door is the only entryway into the garage. Lighted
Push Buttons enhance nighttime use. (Page 17)
Manual Release: A pull cord allows separation of
the drive mechanism and manual operation of the
door when desired, as in the event of a power failure.
(Page 7)
Automatic Reconnection: Once power is restored,
or automatic operation of the door is again desired,
initiating operation in the normal manner (Push
Button, Radio Control, etc.) will effect automatic
reconnection of the Manual Release Mechanism.
(Page 7)
Alternating Action Operation: The mechanical
wall pushbutton functions in an Open/Stop/Close/
Stop & Reverse mode in normal operation. (Page 15)
Sensing System: A built-in sensing system detects
obstructions during door operation. If in the
downward (close) travel mode, the opener will sense
an obstruction and reverse the direction of the door.
In the open mode, the opener will stop. Since all
doors are different, the Sensing System has
independent adjustments for customizing the level of
force required for the normal opening and closing of
specified doors. ( Page 16)
Close Limit Switch: In winter months it's common
for small pieces of ice or packed snow to be trapped
under the door. Ground swelling can also effect the
close limit setting of the opener. The opener’s Close
Limit Switch overrides the Sensing System during
the last one inch of closing travel and prevents the
door from reversing if it encounters an obstruction at
this point.
Constant Contact To Close Operation: For utmost
safety and security, the operation mode allows
constant contact on the mechanical Push Button to
close the door if the Safe Finish™ Photosystem
beam becomes misaligned or if there is an
irregularity in the wiring to the device. In this mode
of operation, a Radio Transmitter cannot be used to
close the door.
OPTIONAL FEATURES:
Wireless Keyless Entry System: A tamper resistant
outdoor keypad, the optional Wireless Keyless Entry
System permits entry to the garage without use of
key or radio transmitter. Easily programmable, it
accommodates a 4 digit PIN code (10,000 possible
combinations). Lighted Buttons enhance nighttime
use. The opener has the ability to learn the PIN
codes from two separate Wireless Keyless Entry
Systems.
STEPLADDER
TAPE
MEASURE
WOOD BLOCK
HAMMER
HACKSAW
TOOLS REQUIRED FOR INSTALLATION
1/2” OPEN END
WRENCH
SOCKET WRENCH
3/8” SOCKET
7/16” SOCKET
LEVEL
DRILL BITS
SCREW DRIVER
SMALL SCREW
DRIVER (1/8” HEAD)
DRILL
PRODUCT FEATURES 2

NOTE: The Tee
Rail/Chain Assembly is
packaged separately
from the Power Unit.
The Inner Trolley half,
Front Idler Sprocket,
Chain, and Limit Cams
are assembled on the
Tee Rail at the factory.
Follow the steps outlined below to complete assembly
prior to installation. Refer to the component
identification illustrations on the previous page.
STEP 1: Protect the Power Unit cover from
scratching during assembly by placing it on cardboard.
Remove the two 5/16"-18 washered nuts and save
them for later use.
STEP 2: Position the Tee Rail/Chain Assembly box
near the Power Unit. Open the box and locate the
Installation Hardware Packet.
STEP 3: Locate the Outer Trolley half (packaged
with the Power Unit) and slide it onto the Tee Rail/
Chain Assembly with the arrow on the Trolley
pointing toward the door (Front Idler).
STEP 4: Using a 1/2" wrench, loosen the outer nut
on the Chain Tension Bracket until it is at the end of
the threaded rod. Remove and discard the small
"S" hook used to keep the chain tight during
shipping.
STEP 5: Loop the chain around the Idler and Drive
Sprocket on top of the Power Unit and then position
the Tee Rail on the studs. Secure with the two nuts
removed in Step 1.
Slightly tension the Chain by tightening the outer nut
on the Chain Tension Bracket. Remove and discard
the tape at each end of the Tee Rail Assembly. After
double-checking the Chain's alignment with the Drive
Sprocket and Front Idler Wheel, use the inner and
outer adjusting nuts on the Chain Tension Bracket to
adjust the chain to the proper tension, making sure the
chain does not twist. When correctly adjusted, the
Chain should show no droop and
be approximately 1/2" above the
base of the Tee Rail.
104363
ASSEMBLY INSTRUCTIONS
104365
NOTE: If the chain is too loose or too tight, improper operation
and/or excessive sprocket noise may result.
DOOR MOUNTING
BRACKET
FRONT
IDLER
TROLLEY
OUTER
HALF
CHAIN
GUARD
WALL
MOUNTING
BRACKET
RELEASE
ROPE
AND KNOB
OPENER
HARDWARE
BAG
DRIVE
CHAIN
MASTER
LINKS
TEE RAIL
RUBBER BUMPER
SUPER STATION
DELUXE WALL
PUSH BUTTON
!
Child can be pinned under auto matic garage
door. Deat h or serious inj ury can resu lt.
•
Never let child walk o r run under moving door.
•
Never let child use door opener contr ols.
•
A
lways keep moving doo r in sight.
•
If person is pinned, push control button or use
emergency releas e.
•
Test door opene r monthly:
Refer t o
y
our owner’s manual
Place one-inch ob
j
ect
(
or 2x4 laid flat
)
on floor .
If door fails to reverse on contact, ad
j
ust opener.
If opener still fails to reverse door , r epair or r eplace opener.
WARNING
PUSHBUTTON
“WARNING”
LABEL
OPENER HEAD UNIT
PHOTOSYSTEM
HARDWARE
SAFE FINISH
PHOTOSYSTEM
DOOR ARM
TUBE ASSEMBLY
DOOR ARM ROD
RADIO
TRANSMITTER
CONTROL WIRE
SPOOL
COMPONENT IDENTIFICATION
3

WARNING
SPRINGS, PULLEYS, CABLES AND MOUNTING
HARDWARE USED TO BALANCE YOUR GARAGE DOOR
ARE UNDER EXTREME TENSION AT ALL TIMES AND CAN
CAUSE SEVERE INJURY OR DEATH IF DISTURBED.
DO NOT ATTEMPT ADJUSTMENT.
IMPORTANT!
IDENTIFY YOUR DOOR TYPE FROM THOSE ILLUSTRATED BELOW AND
FOLLOW INSTRUCTIONS FOR THAT TYPE OF DOOR
FOR THESE TYPES OF DOORS USE
MODEL MVP OR MODEL MVP-SB.
USE 7 FT, 8 FT OR 10 FT RAIL
(MATCH DOOR HEIGHT)
THE MODEL MVP SERIES IN NOT
DESIGNED TO OPERATE THESE
TYPES OF DOORS
STEP 6: Position the open and close Limit Switch
Actuators to accept the Limit Cams on the chain, as
shown. Install the Chain Guard by sliding the
key-shaped hole onto the groove on the Idler Sprocket
Shaft and fully seating the rear hole over the Drive
Sprocket Shaft. The Limit Cams are installed at the
factory. Their settings should be considered
temporary and may be changed as required during
installation.
STEP 7: Install the Rubber Bumper into its
mounting hole on the Tee Rail (see illustration above
for location). Secure the Bumper to the bottom of the
Tee Rail using one 5/16"-18 X 1" hex head bolt and
one 5/16"-18 washered nut (supplied) Tighten the bolt
a MAXIMUM of 1.5 turns after the bolt and nut are
snug.
STEP 8: Recheck the nuts used to secure the Tee
Rail to the Power Unit, making sure they are tight.
Recheck the Chain tension, Chain twist, Chain Guard
and the position of both the Close Limit Switch and
Open Limit Switch Actuators.
CHAIN
GUARD
CLOSE LIMIT
SWITCH
ACTUATOR
DOWN LIMIT
CAM
IDLER
SPROCKET
DRIVE
SPROCKET
104366
Assembly is now complete and you are ready to begin installation of the opener.
CHAIN
MASTER
LINK
OUTER
NUT INNER
NUT MASTER
LINK
CHAIN
104364
DOOR TYPE IDENTIFICATION
ASSEMBLY INSTRUCTIONS 4
ONE PIECE DOOR
NO TRACK
JAMB HARDWARE
ONE PIECE DOOR
NO TRACK
PIVOT HARDWARE
HIGH ARC OF
DOOR TRAVEL
HIGH ARC OF
DOOR TRAVEL
DOOR
JAMB
HARD-
WARE
DOOR
PIVOT 104368
TRACK
TRACK
DOOR
DOOR
104367
SECTIONAL DOOR
CURVED TRACK
ONE PIECE DOOR
HORIZONTAL TRACK
JAMB HARDWARE
HIGH ARC OF
DOOR TRAVEL HIGH ARC OF
DOOR TRAVEL

WARNING! TO REDUCE THE
RISK OF SEVERE INJURY OR DEATH
READ AND FOLLOW ALL INSTALLATION INSTRUCTIONS!
AN UNBALANCED DOOR OR ONE THAT
STICKS OR BINDS MAY PREVENT THE
SENSING SYSTEM FROM WORKING
PROPERLY, CAUSING INJURY OR DEATH.
ENSURE DOOR IS PROPERLY BALANCED
AND ELIMINATE ANY STICKING OR BINDING
PRIOR TO INSTALLATION OF OPENER. A
properly balanced door will open slowly from
a 3/4 open position, close slowly from a 3/4
closed position, and remain still at a 1/2 open
position. If the door is not properly balanced,
HAVE A QUALIFIED SERVICE PERSON
MAKE REPAIRS TO CABLES, SPRING
ASSEMBLIES AND OTHER DOOR
HARDWARE BEFORE INSTALLING THE
OPENER
YOUR GARAGE DOOR IS THE LARGEST
MOVING OBJECT IN YOUR HOUSE, THE
SPRINGS, PULLEYS, CABLES AND
MOUNTING HARDWARE UTILIZED TO
BALANCE ITS OPERATION ARE UNDER
EXTREME TENSION AT ALL TIMES AND CAN
CAUSE SERIOUS PERSONAL INJURY, EVEN
DEATH, IF DISTURBED. DO NOT ATTEMPT
ADJUSTMENT. CALL A QUALIFIED SERVICE
PERSON TO MOVE, LOOSEN OR ADJUST
DOOR SPRINGS OR HARDWARE.
REMOVE ALL ROPES AND REMOVE OR
MAKE INOPERATIVE ALL LOCKS
CONNECTED TO THE GARAGE DOOR
BEFORE INSTALLING THE OPENER.
DO NOT WEAR RINGS, WATCHES OR
LOOSE CLOTHING WHILE INSTALLING OR
SERVICING GARAGE DOOR OPENERS.
WEAR SAFETY GOGGLES OR OTHER
PROTECTIVE EYEWEAR.
IF POSSIBLE, INSTALL THE DOOR OPENER
7zFT OR MORE ABOVE THE FLOOR. MOUNT
THE EMERGENCY RELEASE 6 FT ABOVE
THE FLOOR.
REINFORCE LIGHTWEIGHT FIBERGLASS,
ALUMINUM AND STEEL DOOR TOP
SECTIONS TO AVOID DAMAGE AND TO
INSURE PROPER OPERATION OF THE
SAFETY REVERSE SYSTEM. CONTACT
YOUR DOOR MANUFACTURER FOR A
REINFORCEMENT KIT.
DO NOT CONNECT THE OPENER TO A
POWER SOURCE UNTIL INSTRUCTED TO
DO SO.
CHECK LOCAL BUILDING AND ELECTRICAL
CODES FOR MANDATORY INSTALLATION
AND WIRING REQUIREMENTS.
CONNECT POWER CORD ONLY TO A
PROPERLY GROUNDED OUTLET. IF
PERMANENT WIRING IS REQUIRED BY
CODES, DISCONNECT POWER AT FUSE
BOX OR CIRCUIT BREAKER BEFORE
ATTEMPTING ANY WIRING CONNECTIONS.
LOCATE THE CONTROL PUSH BUTTON:
• WITHIN SIGHT OF THE DOOR, AND,
• AT A MINIMUM HEIGHT OF 5 FT SO SMALL
CHILDREN CAN'T REACH IT, AND,
• AWAY FROM MOVING PARTS OF THE
DOOR.
INSTALL THE ENTRAPMENT WARNING
LABEL NEXT TO THE CONTROL PUSH
BUTTON IN A PROMINENT LOCATION.
INSTALL THE EMERGENCY RELEASE
INSTRUCTION CARD, ATTACHING IT ON OR
NEXT TO THE EMERGENCY RELEASE.
ADJUST THE SENSITIVITY ADJUSTMENTS
ENOUGH TO ALLOW THE DOOR TO
OPERATE, BUT NOT SO FIRMLY AS TO
EXERT EXCESSIVE PRESSURE ON AN
OBSTRUCTION BEFORE REVERSING.
AFTER INSTALLING THE OPENER, THE
DOOR SHOULD REVERSE WHEN IT
CONTACTS A 1-1/2" HIGH OBJECT (A PIECE
OF STANDARD 2 X 4 BOARD LAID FLAT)
ON THE FLOOR.
IMPORTANT INSTALLATION
INSTRUCTIONS
5

FRONT MOUNTING BRACKET MUST BE INSTALLED TO A
STRUCTURAL SUPPORT (STUD) ON THE HEADER WALL.
FAILURE TO DO SO COULD CAUSE SENSING SYSTEM TO
MALFUNCTION, RESULTING IN ENTRAPMENT, INJURY
OR DEATH. REINFORCE HEADER IF NECESSARY USING
A 2 x 6 AND LAG SCREWS (NOT PROVIDED).
WARNING
STEP 1: Mounting the Front
Bracket — Mark a vertical centerline
on the header above the door. By
manually raising the door, determine
the high arc of the door’s travel (see
illustrations on page 4) and using a
level, transfer this measurement to
the header (see illustration at left).
Draw a horizontal line, crossing the
previously drawn centerline, at this
point. Install the Front Mounting
Bracket securely with the lag screws
as illustrated below. If necessary,
reinforce the header with steel angle
iron or wood to ensure a secure
mount.
STEP 2: Raise the Tee Rail so that the
Front Idler Bracket and Front Mounting
Bracket align. Insert bolt and tighten nut
loosely for now. Later in the installation, this
nut must be tightened securely.
104372
INSTALLING THE OPENER 6
HORIZONTAL
LINE
VERTICAL
CENTERLINE
104369
STEP 3: Raise the Opener and rest the
Power Unit on a ladder or other sturdy support.
Open the door to the full open position. Allow
2" of space between the Tee Rail and the top
section of the door (as shown in the illustration
on the top of page 7, left).
VERTICAL
CENTERLINE
104371
HIGH ARC (RISE)
HORIZONTAL LINE
LAG SCREWS
5/16” X 1-7/8”

STEP 4: Mount Power Head to Ceiling: Since there is such variety in ceiling structures, all the mounting
possibilities for the Power Unit cannot be illustrated here. The main concern is mounting the Power Unit securely
to the ceiling joists for operational strength, rigidity and safety. Although there are a series of mounting slots
provided on the power unit, try to secure the mounting
straps in the slots closest to the front. Mounting may
usually be accomplished using standard
1-1/4“ perforated steel angle available at most hardware
stores. If in doubt about location of, and attachment to,
ceiling joists, a carpenter should be contacted to provide
assistance. A cross brace will be necessary if power head
is mounted 8” or more from the ceiling.
STEP 5: Return to the Tee Rail/Front Mounting
Bracket and securely tighten the bolt and nut that
connect the Tee Rail Front Idler bracket and the Front
Mounting Bracket. (See Step 2, previous).
STEP 6: Tie a double overhand knot in one end of the Manual Release Rope and slip the other end through
the red Release Handle, the Release Instruction Card, and the hole at the end of the Release Lever on the Trolley.
Tie a second double overhand knot in the free end, adjusting the Rope so that the Red Handle is 6 FT above
the floor. If the Rope must be cut, flame seal the cut end with a match or lighter.
NOTE: The MANUAL RELEASE MECHANISM is engaged by pulling the Release Handle down and
away from the door. This allows the Trolley Mechanism to separate, freeing the door from the Opener's
transport mechanism.
To re-engage, simply
move the MANUAL
RELEASE
MECHANISM Lever
forward and then
operate normally
using the Push
Button or Radio
Control. The two
parts of the Trolley
Mechanism will
automatically
reconnect.
DOUBLE
OVERHAND
KNOT
RELEASE
INSTRUCTION
CARD
DOUBLE
OVERHAND
KNOT
FLOOR
104378
WARNING
KEEP PEOPLE AND OBJECTS
OUT OF DOOR OPENING WHEN
USING MANUAL DISCONNECT.
AN OPEN OR PARTIALLY OPEN
DOOR MAY FALL
UNCONTROLLABLY IF
DISCONNECTED FROM
OPENER. CONTACT A
SERVICE PROFESSIONAL TO
CORRECT ANY DOOR
PROBLEMS.
DOOR
FULLY
OPEN
ALLOW 2” BETWEEN TOP
OF DOOR AND RAIL
104373
NOTE: The Model MVP-SQ is provided with vibration isolator
mounts. Position as shown above.
DOOR
111205
MVP-SQ
104374
INSTALLING THE OPENER
7
Secure Head Unit to
ceiling framing using angle
iron (not provided).

FIBERGLASS, ALUMINUM OR LIGHTWEIGHT STEEL GARAGE
DOORS WILL REQUIRE REINFORCEMENT BEFORE
INSTALLATION OF DOOR MOUNTING BRACKET. CONTACT
YOUR DOOR MANUFACTURER FOR A REINFORCEMENT KIT
OR INSTRUCTIONS.
CAUTION!
DOOR ARM CONNECTION AND
INSTALLATION
NOTE: If the door is of light construction it is
necessary to reinforce the center stile with steel
angle or wood to prevent damage to the door if it
encounters an obstruction on closing.
Step 7: Connecting Door Arm to Trolley
Release the outer trolley slide such as to effect manual
operation, see Page 7.
The door arm assembly consists of the door arm tube
section and door arm rod which are packaged
separately. To assemble, screw the door arm rod into
the the door arm tube in a clockwise direction
approximately ten turns. Connect the door arm rod to
the trolley ensuring the hook end goes through both
holes on the front end of the outer trolley.
Step 8: Connecting the Door Arm to the Door
Type 1: Door Mounted Bracket
Visually align the door arm connecting hole with the
middle hole of the door bracket by rotating the tube
section in the appropriate direction.
Release the trolley (leave door arm attached) with the
manual release cord and pull trolley toward the power
head unit. Now rotate the door arm tube section two
turns counterclockwise (increasing the exposed length
of the door rod) to provide a cushion when the door is
closed or encounters an obstruction. Align connecting
hole in the door arm to middle hole in the door
bracket; insert 3/8” diameter bolt and tighten locking
nut, allowing for free pivot of the arm.
Note: Do not overtighten locking nut as this will
cause binding between the door arm and door
bracket.
Type 2: Strut Mounted Bracket
Visually align the door arm connecting hole with the
connecting pin of the strut by rotating the tube section
in the appropriate direction.
Release the trolley (leave door arm attached) with the
manual release cord and pull trolley toward the power
head unit. Now rotate the door arm tube section two
turns counter-clockwise (increasing the exposed length
of the door rod) to provide a cushion when the door is
closed or encounters an obstruction. Align connecting
hole in the door arm with the strut mounted connecting
bracket. Insert connecting pin through the hole in the
door arm. Secure the connecting pin to the strut
bracket according to the manufacturer’s instructions.
Note: Door Bracket Mount or Strut Mount -
If rod bottoms in cushion tube, cut rod to
allow for proper function of this assembly.
Set the outer trolley to re-engage, see page 7.
Alternate Strut
Connecting Bracket
Cut to Fit
110054-2
INSTALLING THE OPERATOR 8

STEP 9: Consult the label on the rear panel of the
Opener to determine its proper working voltage.
Normally it will be marked for 115V, 60 cycle
operation. (If it is an export model designed for 220V,
50 cycle operation, the label will clearly indicate this.)
The Opener must be plugged into a properly grounded
receptacle within 3 FT of the Power Unit. A GFI
Type receptacle is recommended. Do not use 2-prong
adapters and do not use extension cords for anything
more than temporary hook-up and testing purposes.
Receptacle wiring should be No. 14 or heavier, and
must be in compliance with local building and
electrical codes.
If local codes require permanent wiring, a GFI type
circuit breaker is recommended to protect the line.
Remove the Strain Relief Bushing and withdraw the
Line Cord from the rear of the Power Unit to expose the
three insulated connectors. Cut the wire at the rubber
jacket of the Line Cord and wire in permanently,
employing proper wiring practices. Discard Strain
Relief. It is not used with permanent wiring.
Step 10: Install
a Rough Service
lamp bulb (75
Watt maximum)
firmly in the light
socket. Light
bulbs in Door
Openers are subject to
vibration during normal
operation which may
shorten their life spans.
Rough Service bulbs, available at most hardware stores,
are recommended. Fit Light Diffuser tabs into the
panel slots as shown.
STEP 11: On most models, the
Limit Cams are installed at the
factory. If the Limit Cams have not
been installed, or it is necessary to
move a Limit Cam to a different link,
fasten them to the chain as shown at
right in the approximate positions as
illustrated below. Position the
Switch Actuators as shown below.
104380
DISCONNECT POWER
AT FUSE BOX AND
OPENER BEFORE
WIRING PERMANENTLY
TO PREVENT
ELECTROCUTION.
WARNING
104381
DOWN
LIMIT CAM
UP LIMIT
CAM
IMPROPER WIRING
COULD CAUSE
ELECTROCUTION OR
DAMAGE TO
CIRCUITRY. FOLLOW
LOCAL BUILDING AND
ELECTRICAL CODES.
WARNING
106428
FASTENING
LIMIT CAM TO
CHAIN
INSTALLING THE OPENER
9

INSTALLATION OF A STANDARD WALL
PUSH BUTTON
If desired, a standard wall push button may be installed
and connected to your operator. A standard wall push
button is not included in your hardware package, it can
be purchased from your professional installing dealer or
a door bell button [without light] can be substituted.
The operating parameters for the standard wall push
button are outlined on a page that follows to see if that
mode of operation is right for you. The Super Station is
included with this operator and the manufacturer rec-
ommends its installation as the Super Station will pro-
vide full control over the garage door at all times.
STEP 1: After determining a suitable location,
usually near the access door and at least 5 feet above
the floor to prevent use by children, use the standard
wall push button as a guide to mark the mounting holes.
Drill holes for drywall anchors or screws. NOTE: Do
not mount directly to masonry walls. Use backer board.
STEP 2: A length of 2-conductor, #22 gauge wire (or
heavier) is required to connect the standard wall push
button to the garage door operator. Strip approximately
2” of the wire jacket from one end and 1/2” of
insulation from each wire. Carefully connect one wire
to each of the two terminals. Carefully tuck the loose
wires into the case and mount the unit using appropriate
screws.
STEP 3: Run the wire from the standard wall
pushbutton to the operator, supporting it at 18” intervals
with suitable staples. Leave a sufficient length to make
the necessary connections to the operator terminal strip.
WARNING: SOME LOCAL BUILDING CODES
DO NOT ALLOW SURFACE WIRING. BE SAFE
AND CHECK WITH YOUR LOCAL BUILDING
INSPECTOR FIRST.
STEP 4: Ensure power is OFF to the operator or
disconnect the power from the operator. Strip
approximately 4” of jacket from the end of the wire and
1/2” insulation from each wire. Connect to terminals 0
and 1 as shown in the illustration below. Support the
wire near the operator with wire ties.
Step 5: Install the Control Button Warning Label
supplied with your opener near the standard wall push
button (see illustration next page).
WARNING
A CHILD OPERATING THE DOOR
CONTROLS RISKS INJURY — OR DEATH
— TO HIMSELF (HERSELF) AND OTHERS.
DO NOT ALLOW CHILDREN TO OPERATE
ANY DOOR CONTROLS.
MOUNT THE PUSHBUTTON AT LEAST 5
FEET FROM THE FLOOR, OUT OF REACH
OF CHILDREN.
INSTALLATION OF THE SUPER STATION
The Super Station (Deluxe Wall Pushbutton Station) is
a 7 function station designed to work with and
maximize the functionality of your garage door opener.
Connection to any other opener may damage the opener
and/or the Super Station. Only connect one Super
Station to each opener. Do not connect more than one
Super Station to an Opener.
STEP 1: After determining a suitable location,
usually near the access door and at least 5 feet above
the floor to prevent use by children, use the Super
Station as a guide to mark the mounting holes. Drill
holes for drywall anchors or screws. NOTE: Do not
mount directly to masonry walls. Use backer board.
The Super Station is also designed to be mounted
directly to a standard single electrical box.
STEP 2: A length of 2-conductor, #22 gauge wire (or
heavier) is required to connect the Super Station to the
garage door opener. Strip approximately 6” of the wire
jacket from one end and 1/2” of insulation from each
wire. Carefully connect one wire to each of the two
terminals indicated, noting which color is connected to
which terminal. Tighten screws, being careful that no
wires are allowed to touch any other terminal or any
other conductive part of the circuit board. Do not
overtighten the terminal screws.
STEP 3: Push the wire jacket into one of the two
notches provided at the ends of the housing, allowing a
maximum of 1/8” inch of the jacket inside the case (too
much will make mounting difficult). Carefully tuck the
loose wires into the case and mount the unit using the
screws provided.
BACK
STANDARD WALL
PUSH BUTTON
108387
SUPER STATION
DELUXE WALL PUSH
BUTTON
MOUNTING
HOLES
CONTROL AND AUXILIARY EQUIPMENT 10

STEP 4: Run the wire from the Super Station to the
opener, supporting it at 18” intervals with suitable
staples. Leave a sufficient length to make the necessary
connections to the opener terminal strip.
WARNING: SOME LOCAL BUILDING
CODES DO NOT ALLOW SURFACE WIRING.
BE SAFE AND CHECK WITH THE LOCAL
BUILDING INSPECTOR FIRST.
STEP 5: Ensure
power is OFF to the
opener or disconnect
the power from the
opener. Strip
approximately 4” of
jacket from the end of
the wire and 1/2”
insulation from each
wire. Connect to
terminals 0 and 1 as
shown in the
illustration above.
Support the wire near
the opener with wire
ties.
STEP 6: Install the Control Button Warning Label
supplied with your opener near the Super Station or
wall push button (see illustration at right).
!
Child can be pinned under automatic garage
door. Death or serious injury can result.
•
Never let child walk or run under moving door.
•
Never let child use door opener controls.
•
A
lways keep moving door in sight.
•
If person is pinned, pus h control button or use
emergency release.
•
Test door opener monthly:
Refer to
y
our owner’s manual
Place one-inch ob
j
ect
(
or 2x4 laid flat
)
on floor.
If door fails to reverse on contact, ad
j
ust o
p
ener.
If o
p
ener still fails to reverse door, re
p
air or re
p
lace o
p
ener.
WARNING
104350
CONTROL BUTTON
WARNING LABEL
WARNING
IMPROPER DOOR OPERATION
COULD CAUSE INJURY OR DEATH.
WARNING LABEL MUST BE
MOUNTED ON WALL NEAR THE
PUSHBUTTON. ALL WARNINGS AND
INSTRUCTIONS ON THE LABEL
SHOULD BE STRICTLY ADHERED TO.
Remote Control Radio System
Your transmitter is pre-coded at the factory with one of
over 19,000 unique codes, and as such it is possible to
control a single opener or a group of openers at one
location or at multiple locations. Your transmitter may
be mounted on a visor using the metal visor clip
(included) or attached to a key-chain with the built-in
attachment. Your remote control radio system is
compatible with the HomeLink® systems.
Resetting the Transmitter Code
Each button of the transmitter is pre-coded at the
factory to one of over 19,000 unique codes. Follow the
instructions below to set your own code or to code
multiple buttons or transmitters to the same code. You
can record your code(s) on the back page of the manual.
If recoding is not desired, skip to “Programming the
Radio Receiver in the Power Head Unit” on the next
page.
The transmitter codes are set using the three operation
buttons (+, O, and -) on the front of the transmitter.
There are three steps to set the code: 1- The transmitter
is placed in program mode; 2- the desired button is
selected; and 3- the code is entered. Any one of the
buttons or all three buttons may be coded by the
sequence outlined below. Also see Express Coding
under “Special Notes” at the
end of this section.
STEP 1: First, press and
hold the “+” button. The
RED LED will turn on.
Next, while continuing to
hole the “+” button, press and hold the “-” button.
Continue to hold both the “+” and “-” buttons until the
LED starts to blink (approximately 5 seconds). When
the LED starts to blink IMMEDIATELY release
both the “+” and “-” buttons. The LED will blink two
times and then remain on to confirm programming
mode.
STEP 2: While the LED is
on, press and release the
button you wish to code. The
LED will blink once and then
remain on.
STEP 3: Using the
operation buttons on the
front of the transmitter,
enter a 9-digit random code.
Every time a button is pressed
the LED will turn off and on.
After the 9-digit code is
entered, the LED will blink twice to confirm a valid code and
remain off.
Special Notes - Express Coding
Repeat the steps listed above as needed or desired for each
button. Each button can be programmed to a unique code,
however all three buttons may be programmed at one time
(Express Coding). To Express Code, select the “+” button
in Step 2, then end the code entry in Step 3 with the “+”
button (the first 8 entries can be any random code). The
code for each button may be changed at any time.
However, if the plus button is programmed as described
above, it will replace the existing code settings of the zero
and minus buttons.
Step 1
Step 2
Step 3
CONTROL AND AUXILIARY EQUIPMENT
11

Programming the MVP Radio Receiver in
the Power Head Unit
Your opener will “learn” up to eight code transmissions
from preprogrammed transmitters. Locate the “Learn
Enable” Button on the Super Station (Deluxe Wall
Pushbutton Station). The button is located inside a
small hole on the front of the super station. You will
need a pointed object to activate the button (such as a
paper clip straightened out). Locate the red LED
indicator on the rear panel of the operator power head
unit (see illustration). The red LED light on the rear
panel of the power head unit and the operator work
light will serve as a status indicator during the
programming sequence.
STEP 1: Press and hold the Learn
Enable button on the Super Station
for approximately five seconds. The
red LED light on the rear
panel of the power head
unit (and the work light)
will illuminate and then
turn off. IMMEDIATELY release
the button when the red LED light
(and the work light) turn off. This
action will erase any previous signal
that was learned by the control board and prepare it to
learn your transmitter signal. At this time have your
transmitter ready to transmit.
STEP 2: Press and quickly release the Learn Enable
button on the Super Station. The red LED light on the
rear panel of the power
head unit (and the work
light) will illuminate and
remain on, the control
board is now ready to learn
the signal from your
transmitter. Within a
twenty second time frame,
press the button on your
transmitter while pointing the transmitter at the power
head unit. The red LED light on the rear panel of the
power head unit (and the work light) will then turn off.
This is your indicator the control board has received
and accepted the signal from the transmitter. If the red
LED light on the rear panel of the power head unit (and
the work light) remain on for more than 5 seconds this
indicates a code is already stored in the receiver.
Repeat Step 1 above to erase the code in the receiver.
Recheck the antenna wire on the power head unit, for
proper operation the antenna wire should be POINTED
STRAIGHT DOWN toward the floor (see illustration)
for most situations.
Adding
Transmitters
If additional
transmitters are
desired just match
the code in the
new transmitter to
the code in the
existing
transmitter. If
you forget the
existing code just
recode new and
existing products
to a new code and
erase and reprogram your door operator. Any number
of transmitters may be used to operate your door
operator as long as one button of each transmitter is
programmed with the same code learned by the door
operator.
Installing the Transmitter
The transmitter is supplied with a metal clip which may
be used to attach the unit to a sun visor. If the clip is
used, slide it into the recess provided on
the back of the transmitter case
until the snaps on the case
fit around the clip. If
the transmitter is
installed in a pocket in
your car, follow all the
manufacturer’s
instructions. Improper
installation may cause
intermittent transmitter operation which can result in
unexpected door operations.
Battery Replacement
The MVP Quik-Code transmitter is provided with two
factory installed 3-volt batteries which should be replaced
after two years of normal use. The transmitter code is
retained in permanent memory and will not be lost during
battery replacement. To replace the batteries, remove the
back of the case using quarter or your thumb. Carefully slip
the batteries out of the holders and replace with fresh
CR2032 3-volt batteries. The “+” on the batteries must
point away from the circuit board. Replace the back of the
cover and resume normal use.
Radio Operational Check - Note: Before performing the
radio operational check complete installation of the
Safe Finish™ Photosystem on page 13 and review the
Installation Check List and Important Safety
Instructions on pages 14 and 15.
After programming your transmitter and the MVP receiver
power head unit, check the operation of your radio controls
HomeLink® is a registered trade
mark of Johnson Controls, Inc.
This device complies with Part 15 of the FCC Rules and with RSS-210 of
Industry Canada. Operation is subject to the following two conditions: (1) This
device may not cause harmful interference, and (2) this device must accept any
interference received, including interference that may cause undesired operation.
WARNING
TO PREVENT THE RISK
OF PERSONAL INJURY,
DAMAGE TO DOOR OR
PROPERTY, ONLY
OPERATE DOOR
CONTROLS WHEN DOOR
IS IN CLEAR VIEW. KEEP
REMOTE CONTROL AWAY
FROM CHILDREN IN A
SECURE AREA.
POINT ANTENNA
STRAIGHT DOWN
RED LED
LIGHT
GREEN LED
LIGHT
SUPER STATION
Learn
Enable
Button
CONTROL AND AUXILIARY EQUIPMENT 12

INSTALLATION OF 2 WIRE SAFE FINISH
PHOTOSYSTEM
STEP 1: Mark the position of the SAFE
FINISH™ Photosystem as follows: Mark a line on
the left and right door jamb (close to the door track)
FOUR (4) inches AND SIX (6) inches above the
floor. The top mark is the maximum height and the
bottom line is the minimum height that the
photosystem
accessory can
be placed.
STEP 2:
Mount the
Photosystem
"L"
Brackets as
follows:
A. Remove
the four mounting brackets from the package.
Temporarily place the "U" shaped brackets, one
around the receiver (unit with window and red LED)
and one around the transmitter. NOTE: It is easier to
slip the photosystem units in from the side of the
bracket than forcing them in from the front of the
bracket.
B.Your photosystem assembly is provided with a
universal bracket set. Using either the transmitter or
receiver (window up towards the ceiling), hold the "L"
bracket and the "U" bracket set together while moving
them in between the limit marks on the door jamb.
Continue to move the photosystem assembly within
the limit marks until it clears the door hardware. See
Illustration, left. Check to ensure the window on the
front of the photosystem unit is within the limit marks
on the door jamb.
C.Place a mark in the center of the lag screw elongated
mounting hole. Measure its position and place a
similar mark on the opposite door jamb. The brackets
may be temporarily mounted to the jamb with a 1" flat
head nail (provided) using the small hole above the
slot. Using two 5/16" X 1-1/2” lag screws (provided),
permanently mount the "L" bracket to both door
jambs.
STEP 3: Connect the Photosystem as follows:
A.Remove the transmitter and receiver from their "U"
mounting brackets.
Refer to Page 22 for various wiring options for the
Safe Finish™ Photosystem. Steps B and C, below,
describe the wiring for Series Connection with
Receiver First, as illustrated on Page 19.
B.Run a wire pair (not supplied) around the garage
door jamb between the transmitter and receiver "L"
mounting brackets. NOTE: Leave about 12” of extra
wire at each end. Use a minimum 22 gauge solid
"trace" wire for interconnect.
C.Run a wire pair (20 or 22 gage solid wire) from the
receiver position (unit with "LED" light in the front,
may be either side of the door) back to the rear
bulkhead of the garage door opener. NOTE: Leave
about 12” of extra wire at the receiver end and about
24” of extra wire at the opener end.
D.Strip approximately 5/16” from each wire end at the
photosystem units and at the opener.
E.Using two (2) wire nuts (supplied), connect the wire
ends at the SAFE FINISH™ Photosystem transmitter
to the pigtail wire ends coming out of the transmitter
unit. Although not required, it is recommended to
connect the trace wire ends together and the unmarked
wire ends together.
104382
by moving approximately 45 feet back from the garage
door, then press the appropriate transmitter button that has
been programmed for that door. The red LED light will
illuminate on the front face of the transmitter. This is your
indication that a signal has been generated and sent out by
the transmitter (provided a valid programming sequence
has been done with the transmitter). Operation at this
distance should be reliable. However, environmental
conditions and the location of the transmitter and receiver
antenna will affect distance.
•If the opener doesn’t activate check if the power head unit
has been programmed to accept the transmitter signal. The
red LED on the rear panel of the power head unit will blink
two times rapidly if it has accepted a valid transmitter
signal. If the LED light does not blink reprogram the MVP
power head unit to accept the transmitter signal by
following the previous instructions “Programming the
MVP Receiver Power Head Unit” making sure you
erase any previously learned signal (Step 1).
•If the distance is inadequate check the battery and
replace if necessary.
•If the distance is inadequate check the position of the
power head unit antenna (see above).
•To maximize the operating distance move the
transmitter to different locations in the car until a
satisfactory distance is achieved. Vanity mirrors on
sun visors will affect performance.
If the HomeLink® transmitter does not activate the
operator or distance is inadequate, verify proper
operation using the transmitter packed with your
opener. Contact your HomeLink® system provider
for help with configuring the HomeLink® transmitter
and to resolve distance problems when using the
HomeLink® system.
CONTROL AND AUXILIARY EQUIPMENT
13

F. Using two (2) wire nuts (supplied), connect the
wire ends at the SAFE FINISH™ Photosystem
receiver to the pigtail wire ends coming out of the
receiver unit. Although not required, it is
recommended to connect the trace wire ends together
and the unmarked wire ends together.
STEP 4 : Final Installation
A. Attach the"U" brackets to the "L" brackets with a
1/4-20 carriage bolt, washer and hex nut (provided).
Insert the bolt from the inside of the "U" bracket and
hand tighten only at this time.
B. Place the
transmitter and
receiver units
into their
respective "U"
brackets. See
Illustration, at
right.
C. Connect the
interconnect wire
pair to the garage
door opener
terminals marked
"1" & "4". Although not required, it is suggested
that the "trace" be connected to Terminal 4. See
Wiring Diagram, Page 19.
Tighten all mounting screws and bolts. Final
alignment and the system test is covered on Page 17,
Step 5 “E: Operation and Adjustment Instructions.
AN AUTOMATIC GARAGE
DOOR SYSTEM POSES A
THREAT OF INJURY OR
EVEN DEATH. INSTALL
THE SAFE FINISH
PHOTOSYSTEM NO
HIGHER THAN 6” ABOVE
THE GARAGE FLOOR TO
REDUCE THE RISK TO
SMALL CHILDREN.
WARNING
PRE-POWER ON-
INSTALLATION CHECKLIST
Before continuing with the operation and
adjustment section, make sure that:
1. The front and rear mounts for the opener are
sound and secure and the rail is positioned
correctly above the high arc of the door, and that
the opener is positioned over the door action
centerline.
2. For sectional door and one piece door with
tracks, the position of the door arm (with the
door closed), is such that it’s connecting point on
the trolley is 5” to 8” behind it’s connecting
point on the door bracket. The door arm should
never be perfectly vertical when the door in in
the closed position.
3. The Manual Release Label and cord are secure
to the Manual Release Lever. The handle is
located 6 FT above floor level and requires no
more than a 50 pound pull to activate. The
trolley and the release mechanism are properly
lubricated.
4. The standard wall push button or the Super
Station (deluxe wall push button station) is in
such a position and of such a height that it can
only be actuated by an adult of average height.
The Control Button Warning label is
prominently displayed next to the push button or
wall station.
5. All wiring is correct to codes or better. There is
ground continuity form the supply. The ground
prong on the power cord is intact.
6. All ropes have been removed from the door.
The door moves freely without binding when
raised or lowered manually. The door is
correctly balanced and lubricated. All door
hardware is secure and sound. The sensitivity
has been adjusted to minimum force for the
application.
7. The door reverses on obstructions to within 1.5"
of the floor. The concrete or other surface
beneath the closed door provided uniform
contact.
8. The plastic envelope for this manual is attached
to the wall near the push button or wall station
and this manual is placed there for owner use
and reference.
9. On door with extension type counterbalance
springs, restraint cables have been placed
through the springs.
10. There is Ground Fault Interruption (GFI)
protection of the power line to the opener or in
the receptacle.
11. On doors with adjustable bottom edges, edges
have been locked after adjustment.
104383
CONTROL AND AUXILIARY EQUIPMENT 14

• NEVER LET CHILDREN OPERATE OR
PLAY WITH DOOR CONTROLS. KEEP THE
REMOTE CONTROL AWAY FROM
CHILDREN.
• ALWAYS KEEP A MOVING DOOR IN SIGHT
AND KEEP PEOPLE AND OBJECTS AWAY
FROM THE DOOR AREA UNTIL THE DOOR
IS COMPLETELY CLOSED. NO ONE
SHOULD CROSS THE PATH OF A MOVING
DOOR.
• NEVER GO UNDER A STOPPED,
PARTIALLY OPEN DOOR.
• TEST THE DOOR OPENER MONTHLY. THE
DOOR MUST REVERSE UPON CONTACT
WITH A 1-1/2” HIGH OBJECT (OR A 2 X 4
BOARD LAID FLAT) ON THE FLOOR.
AFTER ADJUSTING THE SENSITIVITY OR
THE LIMIT OF TRAVEL, ALWAYS RETEST
THE OPENER. FAILURE TO ADJUST THE
OPENER PROPERLY MAY RESULT IN
SERIOUS INJURY OR DEATH.
• IF POSSIBLE, USE THE EMERGENCY
RELEASE ONLY WHEN THE DOOR IS
CLOSED. USE CAUTION WHEN USING
THE RELEASE WITH THE DOOR OPEN.
WEAK OR BROKEN SPRINGS MAY ALLOW
THE DOOR TO CLOSE RAPIDLY, CAUSING
SEVERE INJURY OR DEATH.
• KEEP THE GARAGE DOOR PROPERLY
BALANCED. SEE THE DOOR OWNER'S
MANUAL. AN IMPROPERLY BALANCED
DOOR MAY CAUSE SEVERE INJURY OR
DEATH. HAVE A QUALIFIED SERVICE
PERSON MAKE REPAIRS TO CABLES,
SPRING ASSEMBLIES AND OTHER
HARDWARE.
• SAVE THESE INSTRUCTIONS!
WARNING! TO REDUCE THE
RISK OF SEVERE INJURY OR DEATH
READ AND FOLLOW ALL INSTRUCTIONS!
IMPORTANT SAFETY INSTRUCTIONS
TURNING ON POWER TO THE
OPENER
NOTE: It is now necessary to turn on the
power in order to run the opener to test the
operation and check the limit settings. Before
doing so, ensure that all mounting hardware is
installed and has been properly tightened, that
all electrical connections are per local code
requirements, and that proper wiring practices
have been followed. Also, double-check that
all ropes have been removed from the door
and that the doorway is clear.
BASIC OPERATING PARAMETERS
Please note the following Operating Parameters which
apply to Openers with Auxiliary Entrapment
Protection System (Safe Finish™ Photosystem,
Installation Instructions on Page 15) and a standard
wall push button connected. Please see page 17 for
instructions concerning the Super Station Deluxe Wall
Push Button operating parameters.
IF THE DOOR IS…
...FULLY OPEN, then pushing the standard wall Push
Button or the radio control will cause the door to begin
MOVING DOWNWARD.
...FULLY CLOSED, then pushing the wall Push
Button or the radio control will cause the door to begin
MOVING UPWARD.
...MOVING UPWARD, then pushing the wall Push
Button will cause the door to STOP. The next push
of the wall button will cause the door to begin
MOVING DOWNWARD (Alternate Action
Operation).
...MOVING UPWARD, then pushing the radio
control will cause the door to STOP. The next push
of the wall button will cause the door to RESUME
UPWARD MOVEMENT (Radio Operation).
...MOVING DOWNWARD, then pushing the wall
Push Button or the radio control will cause the door to
STOP, PAUSE FOR APPROXIMATELY ONE
SECOND, AND THEN BEGIN MOVING
UPWARD.
...MOVING DOWNWARD then reaches the down
limit, the lamp will blink off for a 1/2 second then turn
back on again, remaining on for 4 minutes 30 seconds
and will then automatically turn off.
...MOVING UPWARD then reaches the open limit,
the lamp will remain on for 4 minutes 30 seconds and
will then automatically turn off.
OPERATION AND ADJUSTMENT INSTRUCTIONS
15

STEP 1: Testing the Limit Settings: To check the Limit Settings, start
the Opener by pushing the standard wall Push Button or Super Station. Be
prepared to activate the button again quickly - per the Operating
Parameters outlined above - or if you see that the door is going to over
travel. As illustrated above, move the Cams toward the Power Unit to
DECREASE door travel and toward the Front Idler to INCREASE door
travel. Adjust the Up Limit Cam so that the door comes to rest where it
normally would without an electric Opener. Adjust the Down Limit Cam
so that the door closes firmly without putting undue stress on the Door
Arm. At full closed position, the door arm assembly should compress
approximately one inch.
STEP 2: Adjusting the Sensitivity Force —
Sensitivity System force adjustment screws are located
on the side rails of the Power Unit and can easily be
adjusted with a screwdriver. Turn the screws
CLOCKWISE for more force and
COUNTERCLOCKWISE for less force.
STEP 3: Testing the Sensitivity Force — To test the
Sensitivity System, start the Opener and grasp the
bottom door handle halfway through the door's travel
(opening or closing). When testing in the CLOSE
direction, a second person will be needed to maintain
pressure on the Push Button IF an Auxiliary Entrapment
Protection Device has not yet been fitted. If a second
person is
unavailable, use a
stiff cardboard
carton placed in the
door's downward
path to indicate the
force the Opener is
exerting. If the force adjustment screws are properly set,
the door should stop if opening, and reverse if closing
without exerting undue pressure.
STEP 4: Testing the Opener’s Reversing System —
To test the Opener's Reversing Feature at floor level,
place a solid object at least 1-1/2" thick (such as a
standard 2 X 4 board laid flat) on the ground where the
center of the door will contact it. Close the door. If the
OPEN
FORCE
ADJUSTMENT
CLOSE FORCE
ADJUSTMENT
104391
108407
IF LIMITS ARE NOT
ADJUSTED
PROPERLY, THE
EMERGENCY RELEASE
MECHANISM MAY NOT
WORK PROPERLY AND
DOOR OPERATION
COULD
RESULT IN DOOR
DAMAGE, SERIOUS
PERSONAL INJURY OR
DEATH!
WARNING
WARNING
IMPROPER ADJUSTMENT OF
SENSITIVITY SYSTEM FORCE COULD
CAUSE ENTRAPMENT, INJURY OR
DEATH. SET ADJUSTMENTS FOR JUST
ENOUGH FORCE TO OPERATE THE
DOOR RELIABLY, BUT NO STRONGER.
Contact a service professional to
correct any binding, sticking or other
door problems. DO NOT OVER-ADJUST
SENSITIVITY SYSTEM TO
COMPENSATE FOR A POORLY
WORKING DOOR.
OPERATION AND ADJUSTMENT INSTRUCTIONS 16
THE SENSITIVITY SYSTEM REVERSING TEST
SHOULD BE PERFORMED MONTHLY TO
ENSURE THAT THIS IMPORTANT SYSTEM
REMAINS IN PROPER ADJUSTMENT.
WARNING

Down force
adjustments are
correct, the door will
reverse within two
seconds of contacting
the object and travel
to the Full Open
position. If this does
not occur, recheck the
Limit Adjustments
(Step 1, previous) and
Sensitivity
Adjustments (Step 2
& 3, previous.
NOTE: Any time adjustments are made to Limits
or Sensitivity, YOU MUST RETEST THE OPENER
FOR THE REVERSING FEATURE AT FLOOR
LEVEL AS OUTLINED ABOVE.
WARNING
FAILURE TO TEST
REVERSING SYSTEM
COULD RESULT IN DEATH
OR SERIOUS INJURY.
TEST THIS SYSTEM ONCE
A MONTH BY FOLLOWING
PROCEDURES OUTLINED
IN STEP 4 ON PAGE 16.
WARNING
A DAMAGED OR MALFUNCTIONING PHOTOELECTRIC
ACCESSORY SYSTEM COULD ENABLE A GARAGE DOOR
TO CLOSE ON PEOPLE OR PROPERTY, CAUSING
SERIOUS INJURY OR DEATH.
PERFORM THIS TEST MONTHLY TO INSURE YOUR SAFE
FINISH™ PHOTOSYSTEM IS WORKING PROPERLY.
STEP 6: Operating the Super Station (Deluxe
Wall Pushbutton Station) Controls — The Super
Station replaces standard a doorbell-type push button
to allow you to integrate fully with all the
convenience and security features built into your
garage door opener.
1. Open Pushbutton — Green-backlighting, arrow
pointing up. Used to start the door upward. This
button will also stop and reverse a door that is
closing. The button has no effect on a door that is
opening. The function of this pushbutton is
automatically disabled when the Security slide
switch is set to the “ON” position and the door is
fully closed.
STEP 5: Testing the Safe Finish™ Photosystem —
Start the door in the close travel direction and then
place an
obstacle
approximately
6" high by 12"
wide in the
path of the
beam. The
Red Pilot
Light on the
Safe Finish™
Photosystem
should go out.
The door
should stop and reverse to the full open position.
With the door fully open and at rest, place the obstacle
in the path of the beam once again. Activate the
Standard Wall Push Button. The opener should revert
to and remain in the PUSH AND HOLD mode of
operation for close travel. A radio control will not start
the door downward with the beam blocked.
IF THE GARAGE DOOR TRAVELS MORE THAN
ONE INCH IN A DOWNWARD PATH AFTER
RELEASING THE BUTTON (WITH THE
PHOTOBEAM BLOCKED), THE SAFE FINISH™
SYSTEM IS MALFUNCTIONING. CHECK THE
ELECTRICAL CONNECTIONS AND ALIGNMENT
OF THE PHOTOCELL MODULES.
104393
104392
1 1/2” BLOCK OF
WOOD LAID FLAT
(2”X4”)
104394
Security
Switch
Learn
Enable
Button
STOP
Button
OPEN
Button
CLOSE
Button
Security
Disable
Switch
Light
Button
OPERATION AND ADJUSTMENT INSTRUCTIONS
17

Wiring Diagram
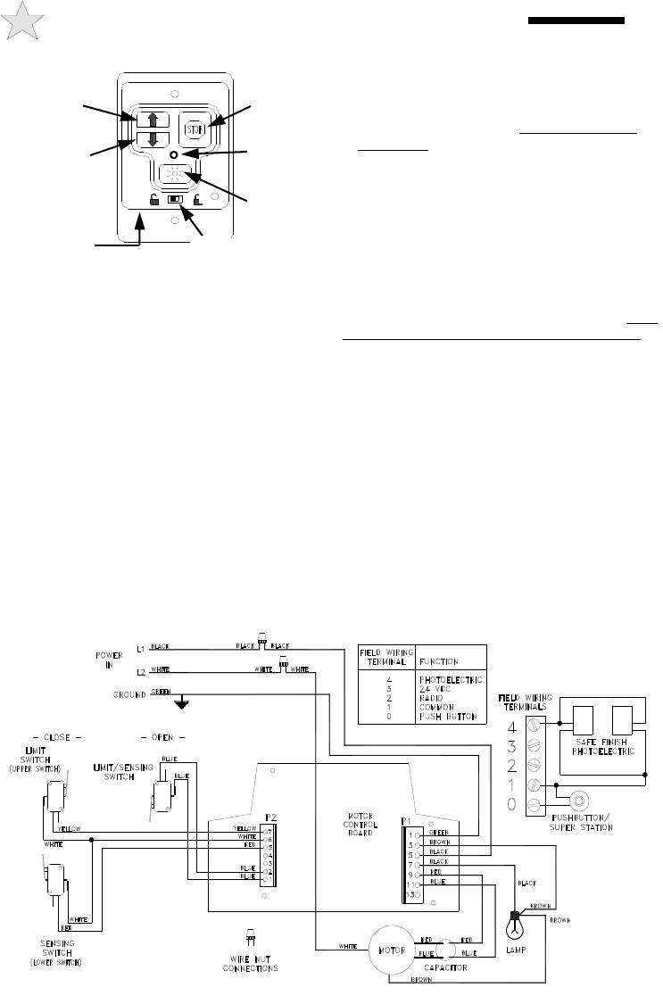
110796
2. Close Pushbutton — Green-backlighting, arrow
pointing down. Used to start the door downward.
This button has no effect on a door in motion. Will
allow constant pressure close operation if the
photocell is misaligned.
3. Stop Button - Red-backlighting, universal “STOP”
within an octogon. Used to stop a door in motion.
This button has no effect on a door that is stopped.
4. Light Pushbutton —Yellow-backlighting, “Sun”
symbol. Turns the opener light on and off, but does
not activate the door operator. The opener light will
stay on until turned off using this pushbutton, or
until door operation is initiated, which overrides the
function of this pushbutton and automatically turns
the light off after 4-1/2 minutes.
5. Security Switch — Prevents unwanted door
operation from pushbutton, key switches, keyless
entry systems, radio controls, etc. When the
Security Switch is moved to the ON position
(towards “locked” symbol), with the garage door
fully closed, signals from all of these devices are
locked out by the opener. Such devices will
continue to work until the door is fully closed,
allowing you to set the switch (when leaving on
vacation, for example), leave the garage and close
the door remotely.
(NOTE: YOU WILL NOT BE ABLE TO OPEN
YOUR GARAGE DOOR USING RADIO
CONTROLS OR EXTERIOR ACCESS CONTROLS
UNTIL THE SECURITY SWITCH IS RETURNED
TO THE OFF POSITION (“unlocked” symbol). THIS
MUST BE DONE FROM INSIDE THE GARAGE.)
When the Security Switch is engaged, the green
lighting behind the Open/Close Pushbuttons is
extinguished as an indication.
6. Security Disable Switch - located under and to the
left of the Security Switch. Disables the Security
Switch feature. Use if the garage door is the only
entryway to the garage.
Learn Enable Button - Located inside a small hole
on the front face of the Security Switch. Allows
programming of a radio transmitter. See
“Programming the Radio System” on page 11 for
button features and restrictions. Use a pin or pointed
object to activate (such as a paper clip straightened
out)..
OPERATION AND ADJUSTMENT INSTRUCTIONS 18
104394
OPEN
Button
CLOSE
Button
Security
Disable
Switch
STOP
Button
Security
Switch
Learn
Enable
Button
Light
Button

Your Residential Garage Door Opener is
furnished with an enhanced 2 Wire Safe
Finish™ Photosystem. The features include:
Time-Saving Electrical Connections. No
screw terminals! Just strip the ends of the
wires back 5/16 inch and use the supplied
wire nut connectors for a quick hook-up to
pre-wired garages or to the wires you run on
site. See the figure above applicable to your
installation.
Universal Wiring Capabilities. The Safe
Finish™ Photosystem can be wired in series
or parallel combinations. Virtually any
existing wiring can be used. See the figures above.
Improved Sunlight Immunity. Under certain conditions, direct sunlight can overpower photobeam
systems. We have provided an extra internal circuitry to reduce sunlight problems. When required,
the position of the transmitter and receiver may be interchanged with out rewiring.
TROUBLESHOOTING GUIDE
USE EXTREME CAUTION AT ALL TIMES WHEN ATTEMPTING TO DIAGNOSE AND RECTIFY
PROBLEMS WITH YOUR GARAGE DOOR OPENER. BEFORE ATTEMPTING ANY SERVICE ON
UNIT, DISCONNECT OPENER FROM POWER SUPPLY. YOUR GARAGE DOOR IS THE
LARGEST MOVING OBJECT IN YOUR HOUSE, AND THE SPRINGS, PULLEYS, CABLES AND
MOUNTING HARDWARE UTILIZED TO BALANCE ITS OPERATION ARE UNDER EXTREME
TENSION AT ALL TIMES AND CAN CAUSE SERIOUS PERSONAL INJURY, EVEN DEATH, IF
DISTURBED. CALL AN EXPERIENCED SERVICE PERSON TO MOVE, LOOSEN OR ADJUST
DOOR SPRINGS OR HARDWARE.
WARNING
With the appropriate cau-
tions in place, use the fast
find LED diagnostic chart
(at right) or the Sympton/
Probable Cause/Solution
matrix to diagnose the
problem. The LEDs are
located on the power head
unit rear panel, see page 12
for picture diagram. Con-
tact the factory if your
problem persists or is not
listed.
DIAGNOSTIC CONDITION RED LED GREEN LED
Normal Operation OFF OFF
Learn Mode ON OFF
Memory Full ON FOR 25 SEC,
AUTO OFF
OFF
Decode RF Signal SHORT FAST BLINK OFF
Shorted Push Button or Wire to Button OFF ON
Photobeam Obstruction OFF FAST BLINK
Contact Reverse FAST BLINK OFF
Stuck Relay SLOW BLINK OFF
Stuck Open Limit OFF SLOW BLINK
108971
WIRING AUXILIARY EQUIPMENT
19

1 2 3 4 5 6 7 8 9
Plus Button
Zero Button
Minus
Button
IF DESIRED, RECORD YOUR RADIO TRANSMITTER CODE POSITION
SETTINGS HERE
See Page 11 for
Radio System
programming
instructions and
FCC/RSS-210
Industry Canada
statement. The
opener radio
system is
HomeLink®
compatible.
Serial #:
Date Installed:
Your Dealer:
This garage door operator
complies with all requirements of
ANSI/UL Standard 325.
P/N 190-111069 Rev. FX1 August 2007
Manufacturer’s Limited Warranty
Linear LLC warrants its Allstar brand MVP Series residential vehicular garage door operators as follows:
A. The drive train to be free from defects in materials and workmanship for:
Model MVP-SQ: The entire period of ownership by the original purchaser
Models MVP: for 20 years from the date of purchase by the original purchaser.
The drive train includes the motor, drive pulleys, drive shaft and sprocket, T-rail, frame and chain.
B. The controller circuit board, capacitor, photobeams and all other parts in all models will be free from defects in
materials and workmanship for a period of two (2) years from the date of purchase by the original purchaser.
Contact your dealer to obtain service for your operator .
To obtain service under this warranty the buyer must obtain authorization instructions for the return of any goods
from Linear before returning the goods. The goods must be returned with complete identification, with copy of
proof-of-purchase, freight prepaid and in accordance with Linear’s instructions or they will not be accepted. In no
event will Linear be responsible for goods returned without proper authorization or identification.
Goods returned to Linear for warranty repair within the warranty period, which upon receipt by Linear are confirmed
to be defective and covered by this limited warranty, will be repaired or replaced at Linear’s sole option, at no cost
and returned pre-paid. Defective parts will be repaired or replaced with new or factory rebuilt parts at Linear’s sole
option.
This limited warranty does not cover non-defect damage, damage caused by unreasonable use, damage caused by
improper installation or care, vandalism or lightning, fire or excessive heat, flood or other acts of God (including, but
not limited to misuse, abuse or alterations, failure to provide reasonable and necessary maintenance), labor charges
for dismantling or reinstalling a repaired or replaced unit, or replacement batteries.
These warranties are in lieu of all other warranties, either expressed or implied. All implied warranties of
merchantability and/or fitness for a particular purpose are hereby disclaimed and excluded. Under no circumstances
shall Linear be liable for consequential, incidental or special damages arising in connection with the use or inability
to use this product. In no event shall Linear’s liability for breach of warranty, breach of contract, negligence or strict
liability exceed the cost of the product covered hereby. No person is authorized to assume for Linear any other
liability in connection with the sale of this product.
This warranty gives you specific legal rights. You may also have other rights which vary from state to state.
Warranty effective after October 1st, 2007.
For Information:
877-441-9300 800-421-1587 www.allstarcorp.com
Copyright © 2007 Linear LLC