Locks 52413 G Fire Lite MS9050 UD User Manual MS 9050UD
User Manual: Locks Fire Lite MS9050-UD User Manual Security Product Manuals - Northeast Security SolutionsNortheast Security Solutions
Open the PDF directly: View PDF
.
Page Count: 192 [warning: Documents this large are best viewed by clicking the View PDF Link!]
- Table of Contents
- Section 1: Product Description
- Section 2: Installation
- 2.1 Mounting the Backbox
- 2.2 Mounting the Chassis/Transformer/Main Circuit Board
- 2.3 Power
- 2.4 Relays
- 2.5 Notification Appliance Circuits
- 2.6 UL Power-limited Wiring Requirements
- 2.7 Digital Communicator
- 2.8 Optional Modules/Accessories Installation
- 2.9 ANN-BUS Devices
- Section 3: Programming
- 3.1 Programming Data Entry
- 3.2 User Programming
- 3.3 Initial Power-up
- 3.4 Programming Screens Description
- 3.5 Programming and Passwords
- 3.6 Master Programming Level
- 3.7 Maintenance Programming Level
- Section 4: Operating Instructions
- 4.1 Panel Control Buttons
- 4.2 Status Indicators and LEDs
- 4.3 Normal Operation
- 4.4 Trouble Operation
- 4.5 Alarm Operation
- 4.6 Supervisory Operation
- 4.7 Process Monitor Operation
- 4.8 Hazard/Tornado Condition Operation
- 4.9 Medical Alert Condition Operation
- 4.10 NAC Operation
- 4.11 Programmed Zone Operation
- 4.12 Disable/Enable Operation
- 4.13 Waterflow Circuits Operation
- 4.14 Detector Functions
- 4.15 Time Functions: Real-Time Clock
- 4.16 Synchronized NAC Operation
- 4.17 Coded Operation
- 4.18 Presignal
- 4.19 Positive Alarm Sequence
- 4.20 Special System Timers
- 4.21 Walktest
- 4.22 Read Status
- Section 5: Central Station Communications
- Section 6: Local/Remote Site Upload/Download
- Section 7: Power Supply Calculations
- Appendix A: Software Zones
- Appendix B: Default Programming
- Appendix C: NFPA Standard-Specific Requirements
- Appendix D: FACP with Keltron
- Appendix E: Wire Requirements
- Appendix F: HVAC Control
- Appendix G: Ademco Contact ID Format Event Code Descriptions
- Appendix H: Canadian Application
- Index

G
P/N 52413:G ECN 14-226
Document 52413
4/14/2014 Rev:
Addressable Fire Alarm Control Panel
MS-9050UD
MS-9050UDC
MS-9050UDE
Manual
2MS-9050 Series Manual — P/N 52413:G 4/14/2014
Fire Alarm & Emergency Communication System Limitations
While a life safety system may lower insurance rates, it is not a substitute for life and property insurance!
An automatic fire alarm system—typically made up of smoke
detectors, heat detectors, manual pull stations, audible warning
devices, and a fire alarm control panel (FACP) with remote notifi-
cation capability—can provide early warning of a developing fire.
Such a system, however, does not assure protection against
property damage or loss of life resulting from a fire.
An emergency communication system—typically made up of
an automatic fire alarm system (as described above) and a life
safety communication system that may include an autonomous
control unit (ACU), local operating console (LOC), voice commu-
nication, and other various interoperable communication meth-
ods—can broadcast a mass notification message. Such a
system, however, does not assure protection against property
damage or loss of life resulting from a fire or life safety event.
The Manufacturer recommends that smoke and/or heat
detectors be located throughout a protected premises following
the recommendations of the current edition of the National Fire
Protection Association Standard 72 (NFPA 72), manufacturer's
recommendations, State and local codes, and the
recommendations contained in the Guide for Proper Use of
System Smoke Detectors, which is made available at no charge
to all installing dealers. This document can be found at http://
www.systemsensor.com/appguides/. A study by the Federal
Emergency Management Agency (an agency of the United
States government) indicated that smoke detectors may not go
off in as many as 35% of all fires. While fire alarm systems are
designed to provide early warning against fire, they do not
guarantee warning or protection against fire. A fire alarm system
may not provide timely or adequate warning, or simply may not
function, for a variety of reasons:
Smoke detectors may not sense fire where smoke cannot
reach the detectors such as in chimneys, in or behind walls, on
roofs, or on the other side of closed doors. Smoke detectors
also may not sense a fire on another level or floor of a building.
A second-floor detector, for example, may not sense a first-floor
or basement fire.
Particles of combustion or “smoke” from a developing fire
may not reach the sensing chambers of smoke detectors
because:
• Barriers such as closed or partially closed doors, walls, chim-
neys, even wet or humid areas may inhibit particle or smoke
flow.
• Smoke particles may become “cold,” stratify, and not reach
the ceiling or upper walls where detectors are located.
• Smoke particles may be blown away from detectors by air
outlets, such as air conditioning vents.
• Smoke particles may be drawn into air returns before reach-
ing the detector.
The amount of “smoke” present may be insufficient to alarm
smoke detectors. Smoke detectors are designed to alarm at var-
ious levels of smoke density. If such density levels are not cre-
ated by a developing fire at the location of detectors, the
detectors will not go into alarm.
Smoke detectors, even when working properly, have sensing
limitations. Detectors that have photoelectronic sensing cham-
bers tend to detect smoldering fires better than flaming fires,
which have little visible smoke. Detectors that have ionizing-type
sensing chambers tend to detect fast-flaming fires better than
smoldering fires. Because fires develop in different ways and
are often unpredictable in their growth, neither type of detector is
necessarily best and a given type of detector may not provide
adequate warning of a fire.
Smoke detectors cannot be expected to provide adequate warn-
ing of fires caused by arson, children playing with matches
(especially in bedrooms), smoking in bed, and violent explosions
(caused by escaping gas, improper storage of flammable materi-
als, etc.).
Heat detectors do not sense particles of combustion and alarm
only when heat on their sensors increases at a predetermined
rate or reaches a predetermined level. Rate-of-rise heat detec-
tors may be subject to reduced sensitivity over time. For this
reason, the rate-of-rise feature of each detector should be tested
at least once per year by a qualified fire protection specialist.
Heat detectors are designed to protect property, not life.
IMPORTANT! Smoke detectors must be installed in the same
room as the control panel and in rooms used by the system for
the connection of alarm transmission wiring, communications,
signaling, and/or power. If detectors are not so located, a devel-
oping fire may damage the alarm system, compromising its abil-
ity to report a fire.
Audible warning devices such as bells, horns, strobes,
speakers and displays may not alert people if these devices
are located on the other side of closed or partly open doors or
are located on another floor of a building. Any warning device
may fail to alert people with a disability or those who have
recently consumed drugs, alcohol, or medication. Please note
that:
• An emergency communication system may take priority over
a fire alarm system in the event of a life safety emergency.
• Voice messaging systems must be designed to meet intelligi-
bility requirements as defined by NFPA, local codes, and
Authorities Having Jurisdiction (AHJ).
• Language and instructional requirements must be clearly dis-
seminated on any local displays.
• Strobes can, under certain circumstances, cause seizures in
people with conditions such as epilepsy.
• Studies have shown that certain people, even when they hear
a fire alarm signal, do not respond to or comprehend the
meaning of the signal. Audible devices, such as horns and
bells, can have different tonal patterns and frequencies. It is
the property owner's responsibility to conduct fire drills and
other training exercises to make people aware of fire alarm
signals and instruct them on the proper reaction to alarm sig-
nals.
• In rare instances, the sounding of a warning device can cause
temporary or permanent hearing loss.
A life safety system will not operate without any electrical
power. If AC power fails, the system will operate from standby
batteries only for a specified time and only if the batteries have
been properly maintained and replaced regularly.
Equipment used in the system may not be technically compat-
ible with the control panel. It is essential to use only equipment
listed for service with your control panel.
Telephone lines needed to transmit alarm signals from a prem-
ises to a central monitoring station may be out of service or tem-
porarily disabled. For added protection against telephone line
failure, backup radio transmission systems are recommended.
The most common cause of life safety system malfunction is
inadequate maintenance. To keep the entire life safety system in
excellent working order, ongoing maintenance is required per the
manufacturer's recommendations, and UL and NFPA stan-
dards. At a minimum, the requirements of NFPA 72 shall be fol-
lowed. Environments with large amounts of dust, dirt, or high air
velocity require more frequent maintenance. A maintenance
agreement should be arranged through the local manufacturer's
representative. Maintenance should be scheduled monthly or as
required by National and/or local fire codes and should be per-
formed by authorized professional life safety system installers
only. Adequate written records of all inspections should be kept.
Limit-D-1-2013

MS-9050 Series Manual — P/N 52413:G 4/14/2014 3
Installation Precautions
Adherence to the following will aid in problem-free installation with long-term reliability:
WARNING - Several different sources of power can be
connected to the fire alarm control panel. Disconnect all
sources of power before servicing. Control unit and associ-
ated equipment may be damaged by removing and/or insert-
ing cards, modules, or interconnecting cables while the unit is
energized. Do not attempt to install, service, or operate this
unit until manuals are read and understood.
CAUTION - System Re-acceptance Test after Software
Changes: To ensure proper system operation, this product
must be tested in accordance with NFPA 72 after any pro-
gramming operation or change in site-specific software. Re-
acceptance testing is required after any change, addition or
deletion of system components, or after any modification,
repair or adjustment to system hardware or wiring. All compo-
nents, circuits, system operations, or software functions known
to be affected by a change must be 100% tested. In addition,
to ensure that other operations are not inadvertently affected,
at least 10% of initiating devices that are not directly affected
by the change, up to a maximum of 50 devices, must also be
tested and proper system operation verified.
This system meets NFPA requirements for operation at 0-49º
C/32-120º F and at a relative humidity 93% ± 2% RH (non-
condensing) at 32°C ± 2°C (90°F ± 3°F). However, the useful
life of the system's standby batteries and the electronic com-
ponents may be adversely affected by extreme temperature
ranges and humidity. Therefore, it is recommended that this
system and its peripherals be installed in an environment with
a normal room temperature of 15-27º C/60-80º F.
Verify that wire sizes are adequate for all initiating and indi-
cating device loops. Most devices cannot tolerate more than a
10% I.R. drop from the specified device voltage.
Like all solid state electronic devices, this system may
operate erratically or can be damaged when subjected to light-
ning induced transients. Although no system is completely
immune from lightning transients and interference, proper
grounding will reduce susceptibility. Overhead or outside aerial
wiring is not recommended, due to an increased susceptibility
to nearby lightning strikes. Consult with the Technical Ser-
vices Department if any problems are anticipated or encoun-
tered.
Disconnect AC power and batteries prior to removing or
inserting circuit boards. Failure to do so can damage circuits.
Remove all electronic assemblies prior to any drilling, filing,
reaming, or punching of the enclosure. When possible, make
all cable entries from the sides or rear. Before making modifi-
cations, verify that they will not interfere with battery, trans-
former, or printed circuit board location.
Do not tighten screw terminals more than 9 in-lbs. Over-
tightening may damage threads, resulting in reduced terminal
contact pressure and difficulty with screw terminal removal.
This system contains static-sensitive components.
Always ground yourself with a proper wrist strap before han-
dling any circuits so that static charges are removed from the
body. Use static suppressive packaging to protect electronic
assemblies removed from the unit.
Follow the instructions in the installation, operating, and pro-
gramming manuals. These instructions must be followed to
avoid damage to the control panel and associated equipment.
FACP operation and reliability depend upon proper installation.
Precau-D1-9-2005
FCC Warning
WARNING: This equipment generates, uses, and can
radiate radio frequency energy and if not installed and
used in accordance with the instruction manual may
cause interference to radio communications. It has been
tested and found to comply with the limits for class A
computing devices pursuant to Subpart B of Part 15 of
FCC Rules, which is designed to provide reasonable
protection against such interference when devices are
operated in a commercial environment. Operation of this
equipment in a residential area is likely to cause interfer-
ence, in which case the user will be required to correct
the interference at his or her own expense.
Canadian Requirements
This digital apparatus does not exceed the Class A limits
for radiation noise emissions from digital apparatus set
out in the Radio Interference Regulations of the Cana-
dian Department of Communications.
Le present appareil numerique n'emet pas de bruits radi-
oelectriques depassant les limites applicables aux appa-
reils numeriques de la classe A prescrites dans le
Reglement sur le brouillage radioelectrique edicte par le
ministere des Communications du Canada.
LiteSpeed™, Lite-Connect™, and SWIFT™ are trademarks; and Fire-Lite® Alarms is a registered trademark of Honeywell International Inc. Microsoft®
and Windows® are registered trademarks of the Microsoft Corporation.
©2014 by Honeywell International Inc. All rights reserved. Unauthorized use of this document is strictly prohibited.
4MS-9050 Series Manual — P/N 52413:G 4/14/2014
Software Downloads
In order to supply the latest features and functionality in fire alarm and life safety technology to our customers, we make
frequent upgrades to the embedded software in our products. To ensure that you are installing and programming the latest
features, we strongly recommend that you download the most current version of software for each product prior to
commissioning any system. Contact Technical Support with any questions about software and the appropriate version for a
specific application.
Documentation Feedback
Your feedback helps us keep our documentation up-to-date and accurate. If you have any comments or suggestions about our
online Help or printed manuals, you can email us.
Please include the following information:
•Product name and version number (if applicable)
•Printed manual or online Help
•Topic Title (for online Help)
•Page number (for printed manual)
•Brief description of content you think should be improved or corrected
•Your suggestion for how to correct/improve documentation
Send email messages to:
FireSystems.TechPubs@honeywell.com
Please note this email address is for documentation feedback only. If you have any technical issues, please contact Technical
Services.
MS-9050 Series Manual — P/N 52413:G 4/14/2014 5
Table of Contents
Section 1: Product Description .............................................................................................12
1.1: Features and Options ...................................................................................................................................12
1.2: Specifications...............................................................................................................................................14
1.3: Controls and Indicators................................................................................................................................15
1.4: Circuits.........................................................................................................................................................16
1.5: Digital Alarm Communicator/Transmitter ..................................................................................................17
1.6: Components .................................................................................................................................................17
1.6.1: Intelligent Addressable Detectors: Newer Series..............................................................................18
1.6.2: Intelligent Addressable Modules: Newer Series ...............................................................................18
1.6.3: 300 Series Intelligent Addressable Devices ......................................................................................18
1.6.4: Device Accessories............................................................................................................................18
1.7: Optional Modules and Accessories .............................................................................................................19
1.8: Getting Started.............................................................................................................................................21
1.9: Telephone Requirements and Warnings.......................................................................................................21
1.9.1: Telephone Circuitry...........................................................................................................................21
1.9.2: Digital Communicator.......................................................................................................................21
1.9.3: Telephone Company Rights and Warnings.......................................................................................22
1.9.4: For Canadian Applications................................................................................................................22
Section 2: Installation.............................................................................................................24
2.1: Mounting the Backbox ................................................................................................................................24
2.2: Mounting the Chassis/Transformer/Main Circuit Board.............................................................................25
2.3: Power ...........................................................................................................................................................28
2.3.1: AC Power and Earth Ground Connection .........................................................................................28
2.3.2: Battery Power ....................................................................................................................................28
2.4: Relays ..........................................................................................................................................................29
2.5: Notification Appliance Circuits...................................................................................................................30
2.5.1: Configuring NACs.............................................................................................................................30
2.6: UL Power-limited Wiring Requirements.....................................................................................................31
2.7: Digital Communicator .................................................................................................................................32
2.8: Optional Modules/Accessories Installation .................................................................................................33
2.8.1: 4XTMF Transmitter Module Installation..........................................................................................33
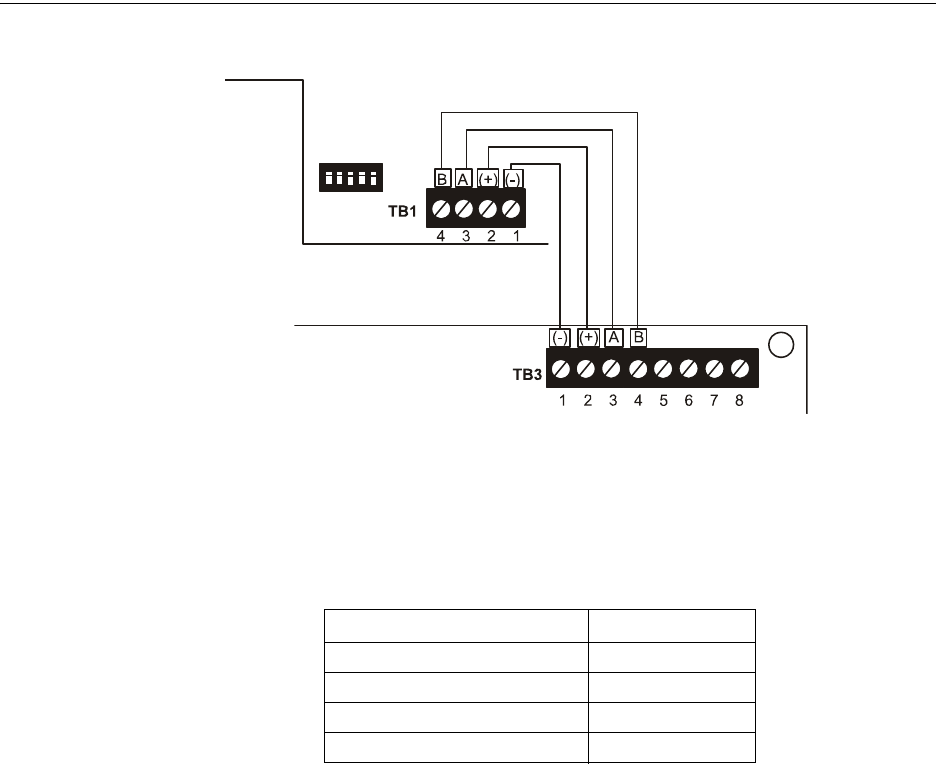
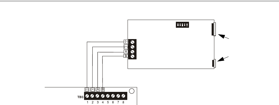
2.8.2: ANN-SEC Option Card.....................................................................................................................35
2.9: ANN-BUS Devices......................................................................................................................................36
Guidelines.............................................................................................................................................36
2.9.1: ANN-BUS Wiring.............................................................................................................................36
Calculating Wiring Distance for ANN-BUS Modules.........................................................................37
Wiring Configuration ...........................................................................................................................39
Powering ANN-BUS Devices from Auxiliary Power Supply .............................................................39
2.9.2: ANN-BUS Device Addressing..........................................................................................................40
2.9.3: ANN-80(C) Remote Fire Annunciator/Indicator ..............................................................................40
Specifications .......................................................................................................................................40
Installation............................................................................................................................................41
Opening/Closing Annunciator..............................................................................................................41
Mounting ..............................................................................................................................................41
Wiring ANN-80 to FACP.....................................................................................................................42
2.9.4: ANN-S/PG Serial/Parallel Interface Module ....................................................................................43
Specifications .......................................................................................................................................44
PRN-6F Printer Installation..................................................................................................................44
2.9.5: ANN-I/O LED Driver Module..........................................................................................................45
ANN-I/O Board Layout........................................................................................................................46
Specifications .......................................................................................................................................46
ANN-I/O Connection to FACP ............................................................................................................47
ANN-I/O Module LED Wiring ............................................................................................................47

Table of Contents
6MS-9050 Series Manual — P/N 52413:G 4/14/2014
2.9.6: ANN-LED Annunciator Module .......................................................................................................49
Specifications........................................................................................................................................49
Mounting and Installation.....................................................................................................................49
ANN-LED Board Layout and Connection to FACP............................................................................50
2.9.7: ANN-RLY Relay Module..................................................................................................................50
Specifications........................................................................................................................................50
Mounting and Installation.....................................................................................................................51
ANN-RLY Board Layout and Connection to FACP............................................................................52
2.9.8: ANN-LC Lite-Connect Module.........................................................................................................52
Specifications........................................................................................................................................52
Installation ............................................................................................................................................52
Mounting ..............................................................................................................................................52
Wiring the ANN-LC to the MS-9050UD.............................................................................................53
Section 3: Programming ........................................................................................................55
3.1: Programming Data Entry.............................................................................................................................55
3.2: User Programming.......................................................................................................................................56
3.3: Initial Power-up............................................................................................................................................57
3.4: Programming Screens Description ..............................................................................................................57
3.5: Programming and Passwords.......................................................................................................................57
3.6: Master Programming Level .........................................................................................................................58
3.6.1: Autoprogram......................................................................................................................................58
3.6.2: Point Program....................................................................................................................................59
Detector Programming..........................................................................................................................59
Module Programming...........................................................................................................................66
3.6.3: Zone Setup.........................................................................................................................................78
Enable ...................................................................................................................................................78
Disable..................................................................................................................................................78
Zone 17, 18, and 19 ..............................................................................................................................78
Zones Installed......................................................................................................................................79
Zones Enabled ......................................................................................................................................79
Zones Disabled .....................................................................................................................................79
Zone Type.............................................................................................................................................79
Zones Available....................................................................................................................................80
3.6.4: Loop Setup.........................................................................................................................................81
Style......................................................................................................................................................81
Loop Protocol .......................................................................................................................................81
3.6.5: System Setup .....................................................................................................................................81
Trouble Reminder.................................................................................................................................82
Banner...................................................................................................................................................82
Time-Date.............................................................................................................................................83
Timers...................................................................................................................................................84
NAC (Notification Appliance Circuit) .................................................................................................86
Relays ...................................................................................................................................................90
Canadian Option...................................................................................................................................91
Waterflow Silenceable..........................................................................................................................91
Lite-Connect .........................................................................................................................................91
3.6.6: Verify Loop .......................................................................................................................................93
3.6.7: History ...............................................................................................................................................93
View Events..........................................................................................................................................94
Erase History ........................................................................................................................................94
3.6.8: Walktest.............................................................................................................................................94
3.6.9: Option Modules ................................................................................................................................95
ANN-BUS.............................................................................................................................................96
Onboard DACT ..................................................................................................................................106
3.6.10: Password Change...........................................................................................................................118
3.6.11: Clear Program................................................................................................................................118

Table of Contents
MS-9050 Series Manual — P/N 52413:G 4/14/2014 7
3.6.12: Program Check ..............................................................................................................................119
3.7: Maintenance Programming Level..............................................................................................................119
3.7.1: Disable Point ...................................................................................................................................120
3.7.2: History .............................................................................................................................................120
3.7.3: Program Check................................................................................................................................121
3.7.4: Walktest...........................................................................................................................................122
3.7.5: System .............................................................................................................................................123
3.7.6: Zone Setup.......................................................................................................................................124
Section 4: Operating Instructions .......................................................................................126
4.1: Panel Control Buttons................................................................................................................................126
4.1.1: Acknowledge/Step...........................................................................................................................126
4.1.2: Alarm Silence..................................................................................................................................126
4.1.3: Drill/Hold 2 Sec...............................................................................................................................126
4.1.4: Reset ................................................................................................................................................126
4.2: Status Indicators and LEDs........................................................................................................................126
4.3: Normal Operation ......................................................................................................................................127
4.4: Trouble Operation......................................................................................................................................128
4.5: Alarm Operation........................................................................................................................................129
4.6: Supervisory Operation...............................................................................................................................130
4.7: Process Monitor Operation........................................................................................................................130
4.8: Hazard/Tornado Condition Operation .......................................................................................................131
4.9: Medical Alert Condition Operation...........................................................................................................131
4.10: NAC Operation........................................................................................................................................132
4.11: Programmed Zone Operation...................................................................................................................132
4.12: Disable/Enable Operation........................................................................................................................132
4.13: Waterflow Circuits Operation..................................................................................................................132
4.14: Detector Functions...................................................................................................................................132
4.15: Time Functions: Real-Time Clock...........................................................................................................133
4.16: Synchronized NAC Operation.................................................................................................................133
4.17: Coded Operation......................................................................................................................................133
4.18: Presignal ..................................................................................................................................................134
4.19: Positive Alarm Sequence.........................................................................................................................134
4.20: Special System Timers.............................................................................................................................135
4.20.1: Silence Inhibit Timer.....................................................................................................................135
4.20.2: Autosilence Timer .........................................................................................................................135
4.20.3: Trouble Reminder..........................................................................................................................135
4.20.4: Waterflow Retard Timer................................................................................................................135
4.20.5: Alarm Verification (None or One Minute)....................................................................................135
4.21: Walktest ...................................................................................................................................................136
4.22: Read Status ..............................................................................................................................................136
4.22.1: System Point..................................................................................................................................137
4.22.2: Zones .............................................................................................................................................138
4.22.3: Power.............................................................................................................................................138
4.22.4: Trouble Reminder..........................................................................................................................139
4.22.5: Timers............................................................................................................................................139
4.22.6: NAC...............................................................................................................................................139
4.22.7: Relays ............................................................................................................................................139
4.22.8: Program Check ..............................................................................................................................140
4.22.9: History ...........................................................................................................................................140
4.22.10: ANN-BUS ...................................................................................................................................140
4.22.11: Phone Line...................................................................................................................................141
4.22.12: Central Station.............................................................................................................................141
4.22.13: Service Terminal..........................................................................................................................141
4.22.14: Print .............................................................................................................................................142
4.22.15: Time-Date....................................................................................................................................143

Table of Contents
8MS-9050 Series Manual — P/N 52413:G 4/14/2014
Section 5: Central Station Communications......................................................................145
5.1: Transmittal Priorities..................................................................................................................................148
Section 6: Local/Remote Site Upload/Download...............................................................150
6.1: Remote Download .....................................................................................................................................150
6.2: Transferring a Program..............................................................................................................................151
6.3: Security Features........................................................................................................................................151
Section 7: Power Supply Calculations ...............................................................................153
7.1: Overview....................................................................................................................................................153
7.2: Calculating the AC Branch Circuit............................................................................................................153
7.3: Calculating the System Current Draw .......................................................................................................154
7.3.1: Overview..........................................................................................................................................154
7.3.2: How to Use Table 7.3 to Calculate System Current Draw..............................................................154
7.4: Calculating the Battery Size.......................................................................................................................156
7.4.1: NFPA Battery Requirements ...........................................................................................................156
7.4.2: Selecting and Locating Batteries .....................................................................................................156
Appendix A: Software Zones...............................................................................................157
A.1: Correlations...............................................................................................................................................157
Appendix B: Default Programming.....................................................................................162
Appendix C: NFPA Standard-Specific Requirements .......................................................164
C.1: Central Station/Remote Station Transmitter: Connection to FACP Dry Contacts....................................168
C.2: MBT-1 Municipal Box Trip - Silenceable.................................................................................................169
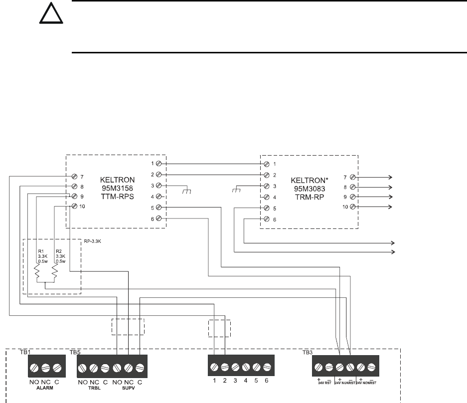
Appendix D: FACP with Keltron..........................................................................................170
Appendix E: Wire Requirements.........................................................................................171
E.1: NAC Wiring...............................................................................................................................................172
Appendix F: HVAC Control..................................................................................................173
F.1: Control Module Operation.........................................................................................................................173
F.1.1: HVAC SHUTDN.............................................................................................................................173
F.2: Monitor Module Operation ........................................................................................................................173
F.2.1: HVAC RESTART...........................................................................................................................173
F.2.2: HVAC OVRRIDE...........................................................................................................................174
Appendix G: Ademco Contact ID Format Event Code Descriptions ...............................175
G.1: Transmission Format Between DACT and Receiver ................................................................................175
G.2: Ademco Contact ID Typical Printout........................................................................................................175
Appendix H: Canadian Application.....................................................................................181
H.1: ANN-LED Annunciator Installation for Canadian Applications..............................................................181
H.2: AC Power Connections for Canadian Applications..................................................................................184
Index ......................................................................................................................................185

MS-9050 Series Manual — P/N 52413:G 4/14/2014 9
It is imperative that the installer understand the requirements of the Authority Having Jurisdiction
(AHJ) and be familiar with the standards set forth by the following regulatory agencies:
• Underwriters Laboratories/Underwriters Laboratories Canada
• National Fire Protection Association
NFPA Standards
NFPA 72 National Fire Alarm Code
NFPA 70 National Electrical Code
Underwriters Laboratories Documents:
UL 38 Manually Actuated Signaling Boxes
UL 217 Smoke Detectors, Single and Multiple Station
UL 228 Door Closers–Holders for Fire Protective Signaling Systems
UL 268 Smoke Detectors for Fire Protective Signaling Systems
UL 268A Smoke Detectors for Duct Applications
UL 346 Waterflow Indicators for Fire Protective Signaling Systems
UL 464 Audible Signaling Appliances
UL 521 Heat Detectors for Fire Protective Signaling Systems
UL 864 Standard for Control Units for Fire Protective Signaling Systems
UL 1481 Power Supplies for Fire Protective Signaling Systems
UL 1610 Central Station Burglar Alarm Units
UL 1638 Visual Signaling Appliances
UL 1971 Signaling Devices for Hearing Impaired
UL 2017 General-Purpose Signaling Devices and System
CAN/ULC - S524-01 Standard for Installation of Fire Alarm System
CAN/ULC - S561-03 Installation and Services for Fire Signal Receiving Centers and
Systems
CAN/ULC - S527-99 Standard for Control Units for Fire Alarm Systems
CAN/ULC - S559-04 Equipment for Fire Signal Receiving Centers and Systems
This Class (A) digital apparatus complies with Canadian ICES-003.
Cet appareil numérique de la classe (A) est conforme à la norme NMB-003 du Canada.
Other:
Canadian Electrical Code, Part I
EIA-232E Serial Interface Standard
EIA-485 Serial Interface Standard
NEC Article 250 Grounding
NEC Article 300 Wiring Methods
NEC Article 760 Fire Protective Signaling Systems
Applicable Local and State Building Codes
Requirements of the Local Authority Having Jurisdiction (LAHJ)
Fire-Lite Documents:
Fire-Lite Device Compatibility Document #15384
SLC Wiring Manual Document #51309
CHG-120F Battery Charger Document #50888
CHG-75 Battery Charger Document #51315
ANN-80(C) Product Installation Doc. Document #52749
ANN-(R)LED Product Installation Doc. Document #53032
ANN-I/O Product Installation Doc. Document #151416
ANN-RLY Product Installation Doc. Document #53033
ANN-S/PG Product Installation Doc. Document #151417
ANN-LC Product Installation Doc. Document #LS10158-000FL-E
This product has been certified to comply with the requirements in the Standard for Control Units and Accessories for Fire Alarm
Systems, UL 864, 9th Edition. Operation of this product with products not tested for UL 864, 9th Edition has not been evaluated.
Such operation requires the approval of the local Authority Having Jurisdiction (AHJ).
Before proceeding, the installer should be familiar with the following documents.

10 MS-9050 Series Manual — P/N 52413:G 4/14/2014
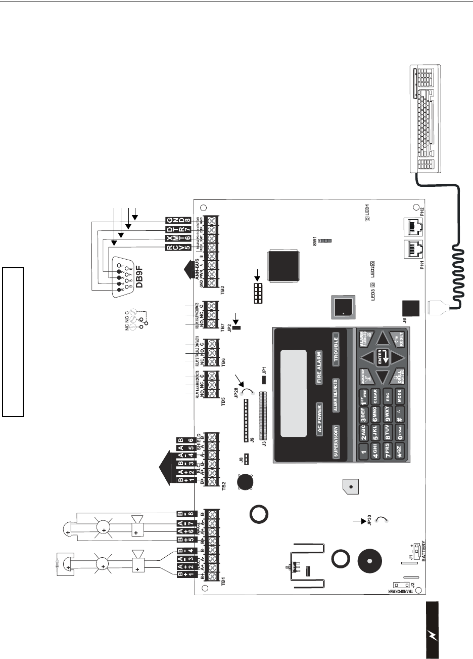
J13
CAUTION! HIGH VOLTAGE
9050udlayout.wmf
For specific UL wiring
information, refer to
“UL Power-limited
Wiring Requirements”
on page 31.
EIA-232 to
personal computer
personal computer with
FACP Upload/Download
utility, 50 foot maximum
within same room,
(Nonsupervised, Power-
limited, Class 2 Circuit)
ANN-BUS (EIA-485)
for Annunciator
Connection
(Power-limited,
Class 2,
Supervised)
Alarm*
NO NC CTrouble
NO NC CSupervisory*
NO NC C
2 Programmable Relays & 1
Fixed Trouble Relay
Nonsupervised Contact Ratings:
2.0 amps @ 30 VDC (resistive)
0.5 amp @ 30 VAC (resistive)
Contacts shown below in normal
condition (AC power with no alarm,
trouble, or supervisory activity).
A Fail Safe Trouble
relay switches to the
NO position during
trouble conditions and
under loss of all power.
(*Factory default relay programming)
SLC Loop
Refer to the SLC Wiring
Manual for detailed
information on wiring
addressable devices for
Style 4, 6, and 7.
(Power-limited, Class 2,
Supervised Circuit)
Notification Appliance Circuits
Special Application Power
NAC #1 shown Style Y (Class B) (Power-limited, Class 2, Supervised)
NAC #2 shown Style Z (Class A) (Power-limited, Class 2, Supervised)
2.5 amps max. per circuit. Total available current is 2.5 amps.
NAC #1
NAC #2
ELR-4.7, ½W
Transformer
Connector
Nonpower-limited
Supervised
Battery
24 VDC, nonpower-limited,
supervised, 18 Amp Hour max.
PS2 Keyboard Interface DACT Phone Line Jacks
(nonpower-limited, supervised)
KISSOFF
PRIMARY
ACTIVE
SECONDARY
ACTIVE
PHONE LINE
SECONDARY
PRIMARY
PHONE LINE
FLASH
MEMORY
LOAD ENABLE
SWITCH
Remove this jumper to enable supervisory
relay when 4XTMF is installed.
LCD DISPLAY
4XTMF
Cut JP28 to
Supervise
4XTMF
To disable ground fault
detection, remove
jumper/shunt from JP1
ANN-SEC Option
Card connector
Charger
Disable Jumper
(cut to disable
FACP onboard
battery charger)
BASIC SYSTEM CONNECTIONS
white
red
green
black

MS-9050 Series Manual — P/N 52413:G 4/14/2014 11
Peripheral Devices
-
+
-
+
JP1
JP3
SW1
JP4
TB3
TB4
TB2
ENABLE
AC DELAY
16 HR
DELAY
TENS
ONES
CUT FOR
240VAC
GND FLT
DISABLE
AM-1 ENABLE
ADDRESS
ON OFF
AM-1
JP5
JP2
F1 F2
J4
J1 J2 J3
F3
TB1
HOT
OUT
+
BAT
+ OUT
-
BAT
-
EARTH
NEUT
1
5
1
5
A- B- A+ B+
NC NO C
0
4
3
9
2
6
1
5
7
8
12
13
15
14
10
11
0
4
3
9
2
6
1
5
7
8
12
13
15
14
10
11
T
B
1
TBL
J1
J2
7 6 5 1
POWER LIMITED
Sw1
P1 P2 P3 P4
110
11 20 21 30 31 40
1
2
3
4
5
TB1
J1
SW1
JP2
ANN-BUS
1 2 3 4 5 6 7 8
TB6
TB3
TB5
TB4
TB2
Alarm
Silenced
Earth
Fault
ZONE 1
ALM
TBL
SUP
1
ZONE 6
ALM
TBL
SUP
6
NAC 1
Fault
Battery
Fault
ZONE 2
ALM
TBL
SUP
2
ZONE 7
ALM
TBL
SUP
7
NAC2
Fault
Charger
Fault
ZONE 3
ALM
TBL
SUP
3
ZONE 8
ALM
TBL
SUP
8
FIRE ALARM ANNUNCIATOR
NAC 4
Fault
ZONE 5
ALM
TBL
SUP
5
ALM
TBL
SUP
NAC 3
Fault
Disabled
ZONE 4
ALM
TBL
SUP
4
ZONE 9
ALM
TBL
SUP
9
T11
T10
T9
T8
T7
T6
T1
T2
T3
T4
T5
F
R
O
M
A
P
P
H
O
N
E
P
S
T
N
T
O
A
P
O
U
T
N
C
O
U
T
N
O
I
N
P
U
T
T
A
M
P
E
R
G
N
D
+
1
2
/
2
4
V
P
4
C
N
2
P
5
P
6
P
7
P
8
P
9
P
1
0
P
1
1
P
1
2
CHG-120F Charger
Doc. #50888
CHG-75 Charger
Doc. #51315
Addressable Devices and SLC Wiring
Doc. #51309
SLC Loop
Battery Connector
ANN-BUS
ANN-80(C)
LCD Text
Annunciator/
Indicator
Doc. #52749
ANN-I/O
LED Driver
Doc. #151416
ANN-S/PG
Printer Driver
Doc. #151417
9050UDper2i.wmf
ANN-RLY
10 Form-C
Relay Card
Doc. #53033 ANN-(R)LED
LED Display
Doc. #53032
4XTMF
Municipal Box Transmitter
RS-232
Local PC
IPDACT
Internet Protocol Communicator
Doc. #53109
PH1 & PH2
Telephone
ANN-LC
Lite-Connect Module
Doc. #LS10158-000FL-E

12 MS-9050 Series Manual — P/N 52413:G 4/14/2014
Section 1: Product Description
The MS-9050UD is a combination FACP (Fire Alarm Control Panel) and DACT (Digital Alarm
Communicator/Transmitter) all on one circuit board. This compact, cost effective, intelligent
addressable control panel has an extensive list of powerful features. The combination of Fire-Lite’s
newer series devices and legacy 300 Series devices, along with the MS-9050UD FACP, offer the
latest in fire protection technology. The power supply and all electronics are contained on a single
circuit board housed in a metal cabinet, providing a complete fire control system for most applica-
tions. Available accessories include local and remote upload/download software, remote annuncia-
tors and reverse polarity/city box transmitter.
The integral DACT transmits system status (alarms, troubles, AC loss, etc.) to a Central Station via
the public switched telephone network. It also allows remote programming or interrogation of the
control panel using the PS-Tools Upload/Download utility via the public switched telephone net-
work. Any personal computer with Windows® XP or newer, and compatible modem with a speed
of 2400 baud or faster and Upload/Download software kit PK-CD, containing PS-Tools, may serve
as a Service Terminal. This allows download of the entire program or upload of the entire program,
history file, walktest data and current status.
The MS-9050UDC is a ULC-approved Canadian version of the FACP which offers the same fea-
tures as the MS-9050UD, but is supplied standard with a dress panel and one built-in ANN-LED
annunciator. Refer to“Canadian Option” on page 91 for a full description.
The MS-9050UDE offers the same features as the MS-9050UD but allows connection to 220/240
VAC power.
Inventory
When the MS-9050UD shipment is received, check to make certain that all parts have been
included in the shipment. The MS-9050UD shipment should consist of one of each of the follow-
ing:
main circuit board with display
chassis with transformer
backbox with door
plastic bag containing screws, cables, key, etc.
manual
1.1 Features and Options
• Built-in DACT (Digital Alarm Communicator/Transmitter) with remote upload/download
• Single addressable SLC loop which meets NFPA Style 4, 6 and 7 requirements
• 50 addressable device capacity (any combination of addressable detectors and addressable
control/relay/monitor modules totaling 50)
• 20 software zones
• Two onboard NACs (Notification Appliance Circuits) which can be configured as Style Y
(Class B) or Style Z (Class A) circuits
• 2.5 amps total output power
• Two programmable relays and one fixed trouble relay
• Built-in Programmer
• Telephone Line Active LEDs
NOTE: Unless otherwise specified, the terms FACP and MS-9050UD are used in this manual to
refer to all versions of the FACPs.

MS-9050 Series Manual — P/N 52413:G 4/14/2014 13
Features and Options Product Description
• Communication Confirmation (Kissoff) LED
• Touchtone/Rotary dialing
• EIA-232 PC interface for local upload/download
• 80-character LCD display (backlit)
• Real-time clock/calendar with daylight savings time control
• History file with 500 event capacity
• Advanced fire technology features:
Automatic drift compensation
Maintenance alert
Detector sensitivity test capability (NFPA 72 compliant)
Automatic device type-code verification
Point trouble identification
• Waterflow selection per module point
• Alarm verification selection per detector point
• Walktest, silent or audible
• PAS (Positive Alarm Sequence) per addressable detector and Pre-signal per point (NFPA 72
compliant)
• Silence inhibit timer option per NAC
• Autosilence timer option per NAC
• Continuous, March Time, Temporal or California code for main circuit board NACs with two-
stage capability
• Selectable strobe synchronization per NAC
• Remote Acknowledge, Alarm Silence, Reset and Drill via addressable modules or remote
annunciator
• Auto-program (learn mode) reduces installation time. Reports two devices set to the same
address
• Password and key-protected nonvolatile memory
• User programmable password
• Fully programmable from local keypad or optional keyboard
• SLC operates up to 10,000 ft. (3,000 m) with twisted, unshielded fire wire
• Compatible with Fire-Lite addressable devices (refer to the SLC Wiring Manual)
• Compatible with legacy Fire-Lite 300 Series addressable devices (refer to the SLC Wiring
Manual)
• Optional 4XTMF module (conventional reverse polarity/city box transmitter)
• Optional ANN-I/O LED Driver module
• Optional ANN-S/PG printer interface module
• Optional ANN-80 remote LCD annunciator
• Optional ANN-80C remote LCD indicator (for Canadian applications)
• Optional ANN-LED Annunciator Module annunciates alarm, trouble and supervisory
• Optional ANN-RLED Annunciator Module annunciates alarms only
• Optional ANN-RLY Form-C Relay Module
• Optional ANN-LC Lite-Connect Module
• Optional Dress Panel DP-51050 (a modified dress panel with the ANN-LED is included
standard with the MS-9050UDC)
• Optional PRN-6F Serial Printer (requires ANN-S/PG module)
• Optional PK-CD (contains PS-Tools) for local/remote upload/download of programming and
data

14 MS-9050 Series Manual — P/N 52413:G 4/14/2014
Product Description Specifications
1.2 Specifications
Refer to Illustration on page 10 for terminal locations and connections. For wire specifications,
refer to “Wire Requirements” on page 171.
AC Power - Transformer Connection
MS-9050UD: 120 VAC, 60 Hz, 3.0 amps
MS-9050UDE: 240 VAC, 50 Hz, 1.5 amps
Wire size: minimum 14 AWG (2.00 mm2) with 600 V insulation
Nonpower-limited, supervised
Battery (Lead Acid Only) - J1
Maximum Charging Circuit: Normal Flat Charge - 27.4 VDC @ 4.3 amps peak inrush current
tapering to a maximum of 2.8 amps of continuous charging current.
Maximum Battery Charger Capacity: 18 Amp Hour, (FACP cabinet holds maximum of two 18
Amp Hour batteries)
For greater than 18 Amp Hour up to 120 Amp Hour batteries, use the CHG-75 or CHG-120F Bat-
tery Charger and BB-26 or BB-55F Battery Box, respectively.
Jumper JP30 on the FACP main circuit board, must be removed to disable the FACP battery char-
ger when using an external battery charger.
Minimum Battery: 7 Amp Hour
Nonpower-limited, supervised
SLC Communication Loop - TB2
24 VDC nominal, 27.6 VDC maximum
Maximum length is 10,000 ft. (3,000 m) total twisted, unshielded fire wire
Maximum loop current is 400 mA (short circuit) or 100 mA (normal)
Maximum loop resistance is 40 ohms
Supervised and power-limited circuit
Refer to SLC Loop manual for wiring information
Notification Appliance Circuits/Special Application (Auxiliary) Power - TB1
Terminal Block provides connections for up to two NACs, Style Y (Class B) or Style Z (Class A)
Special Application power
Power-limited, supervised circuitry
For wire specifications, refer to “NAC Wiring” on page 172.
Nominal operating voltage: 24 VDC
Current-limit: fuseless, electronic, power-limited circuitry
Maximum signaling current per circuit: 2.5 amps for NACs, 1.0 amp for auxiliary power and door
holders
End-of-Line Resistor: 4.7 K, ½ watt (P/N 71252 UL listed) for Style Y (Class B) NAC
Refer to the Fire-Lite Device Compatibility Document for listed compatible devices
A circuit programmed for door holders or auxiliary power does not support notification appli-
ances.
Two Programmable Relays and One Fixed Trouble Relay - TB5, TB6 & TB7
Contact rating: 2.0 amps @ 30 VDC (resistive), 0.5 amps @ 30 VAC (resistive)
Form-C relays, nonpower-limited, nonsupervised
Refer to Figure 2.5 on page 29 for information on power-limited relay circuit wiring
EIA-232 - TB3
EIA-232 PC applications connections: Terminal 5 (Receive), 6 (Transmit), 7 (DTR), 8 (Ground)
Power-limited, supervised

MS-9050 Series Manual — P/N 52413:G 4/14/2014 15
Controls and Indicators Product Description
Special Application Primary ANN-BUS Power - TB3
Nominal Operating Voltage: 24 VDC
Maximum Current (Terminals 1 & 2): 500 mA
Power-limited, supervised
Special Application Secondary ANN-BUS Power - ANN-SEC - TB1
Nominal Operating Voltage: 24 VDC
Maximum Current (Terminals 1 & 2): 500 mA
Power-limited, supervised
The following figure illustrates the maximum current that is possible for each major panel output
circuit and the total current available from the FACP.
1.3 Controls and Indicators
LCD Display
The FACP uses an 80-character (4 lines X 20 characters) high
viewing angle LCD display. The display includes a long life
LED backlight that remains illuminated. If AC power is lost
and the system is not in alarm, the LED backlight will turn off
to conserve batteries.
LED Indicators
LED indicators are provided to annunciate the following conditions:
TB3
TB1 TB1
TB1
55
66
77
88
NAC #1
NAC #2
2.5 amps max
per circuit
2.5 amps max
per circuit
Alarm
2.5 amps max
per panel
Primary
ANN-BUS
Standby
1.0 amp max
per panel
0.5 amp max
per circuit
ANN-SEC
Option Card 0.5 amp max
per circuit
Figure 1.1 Current Availability
powerdis9050.wmf
Refer to the battery calculations section for additional information.
Nonresettable/
Resettable Power
#1
#2
1.0 amp max
per circuit
1.0 amp max
per circuit
OR
SYSTEM ALL NORMAL
10:00A 092105

16 MS-9050 Series Manual — P/N 52413:G 4/14/2014
Product Description Circuits
• AC Power (green)
• Fire Alarm (red)
• Supervisory (yellow)
• Trouble (yellow)
• Alarm Silenced signals (yellow)
Key Panel
Mounted on the main circuit board, the key panel includes a window for the LCD display and LED
indicators as listed above. The key panel, which is visible with the cabinet door closed, has 25
keys, including a 16 key alpha-numeric pad similar to a telephone keypad.
Function keys:
• Acknowledge/Step
• Alarm Silenced
• Drill (Manual Evacuate)
• Reset (lamp test)
Service/program keys:
• Keys labeled 1 to 9
• * key
• # key
• 0 (recall) key
• 1st Event key
• Clear key
• Escape key
• Mode key
• Four cursor keys (up, down, left and right)
• Enter key
Local Piezo Sounder
A piezo sounder provides separate and distinct pulse rates for alarm, trouble and supervisory condi-
tions.
1.4 Circuits
SLC Communication Loop
One SLC loop is provided on the FACP main circuit board. The SLC loop, configurable for NFPA
Style 4, 6 or 7, provides communication to addressable detectors, monitor (initiating device) and
control (output device) modules. Refer to the SLC Wiring manual for information on wiring
devices.
Output Circuits
The following output circuits are available on the FACP:
• Charger - 24 VDC Battery Charger (up to 18 AH batteries)
• NAC (Notification Appliance Circuits) - Two NACs configurable for Style Y (Class B) or
Style Z (Class A), are provided with various programmable features.
Figure 1.2 Membrane/Display Panel
9050udkypd.cdr

MS-9050 Series Manual — P/N 52413:G 4/14/2014 17
Digital Alarm Communicator/Transmitter Product Description
Relays
One fixed and two fully programmable Form-C dry contact relays are provided. The fixed fail-safe
relay monitors system trouble and the two programmable relays are factory default programmed for
system alarm and system supervisory. Contacts are rated 2.0 amps @ 30 VDC (resistive) and 0.5
amps @ 30 VAC (resistive). The programmable relays can be programmed for the following oper-
ations:
• fire alarm
• silenceable alarm
• trouble
• supervisory
• supervisory auto-resettable
• DACT communication failure
• process monitor
• process monitor auto-resettable
• hazard alert
• medical alert
•AC loss
1.5 Digital Alarm Communicator/Transmitter
Two modular phone jacks allow easy connection to telephone lines. Modular jacks are labeled PH1
for Primary Phone Line and PH2 for Secondary Phone Line. Two telephone line active red LEDs
are provided as well as a green Kissoff LED. The integral digital communicator provides the fol-
lowing functions:
• Line Seizure: takes control of the phone lines disconnecting any premises phones
• Off/On Hook: performs on and off-hook status to the phone lines
• Dialing the Central Station(s) number: default is Touch-Tone®, programmable to rotary
• For tone burst or touchtone type formats: discern proper Ack and Kissoff tone(s). The
frequency and time duration of the tone(s) varies with the transmission format. The control
panel will adjust accordingly.
• Communicate in the following formats:
12 Tone Burst types: 20 pps
(3+1, 4+1, 4+2, 3+1 Exp., 4+1 Exp., 4+2 Exp.)
3 Touchtone Types
4+1 Ademco Express
4+2 Ademco Express
Ademco Contact ID
1.6 Components
Main Circuit Board
The main circuit board contains the system’s CPU, power supply, other primary components and
wiring interface connectors. The 4XTMF option module plugs in and is mounted to the main cir-
cuit board. The circuit board is delivered mounted to a chassis in the MS-9050UD backbox (refer
to circuit board illustration on page 10).

18 MS-9050 Series Manual — P/N 52413:G 4/14/2014
Product Description Components
Cabinet
The MS-9050UD backbox provides space for two batteries (up to 18 Amp
Hour). Ample knockouts are provided for system wiring. Also available is
an optional dress panel, which mounts to the inside of the cabinet (required
by ULC for Canadian installations).
Batteries
The MS-9050UD cabinet provides space for two bat-
teries (up to 18 Amp Hour). Batteries larger than 18
Amp Hour require an external charger such as the
CHG-75 or CHG-120F and a UL listed battery box
such as the BB-55F. Batteries must be ordered sepa-
rately.
1.6.1 Intelligent Addressable Detectors: Newer Series
Intelligent, addressable detectors provide information to the control panel on an SLC Signaling
Line Circuit (refer to the SLC Wiring Manual for detailed information on addressable devices,
device installation, wiring and operation). This allows the control panel to continually process the
information to determine the status (alarm, trouble, maintenance or normal) of each detector. Each
detector responds to an SLC address that is set in the detector head using built-in rotary decimal
switches. Note that a blinking LED on an intelligent detector indicates communication between the
detector and the control panel. Refer to the Fire-Lite Device Compatibility Document for a list of
approved conventional detectors.
1.6.2 Intelligent Addressable Modules: Newer Series
The newer series of Control Modules and Monitor Modules provide an interface between the con-
trol panel and conventional notification and initiating devices. Each module can be set to respond
to an address with built-in rotary switches. A blinking LED on a monitor module indicates com-
munication between the module and the control panel. These devices can also be used when
installed on older systems. Refer to the SLC Wiring Manual for information on addressable
devices. Refer to the Fire-Lite Device Compatibility Document for a list of approved conventional
notification and initiating devices.
1.6.3 300 Series Intelligent Addressable Devices
Fire-Lite’s 300 Series Intelligent Addressable Devices are fully compatible with the MS-9050UD
FACP. Refer to the SLC Wiring Manual for device information.
1.6.4 Device Accessories
End-of-Line Resistor Assembly
Refer to the SLC Wiring Manual for device information. The 47 K End-of-Line Resistor assem-
bly (P/N: R-47K) is used to supervise the MMF-300, MDF-300, MMF-301 and CMF-300 module
circuits. The 3.9 K End-of-Line Resistor assembly is used to supervise the MMF-302 module
circuit. The End-of-Line resistors are included with each module.
Power Supervision Relay
The UL-listed End-of-Line power supervision relay is used to supervise the power to 4-wire smoke
detectors and notification appliances.
MS_9050UD.wmf
Battery Cable P/N 75203
9200batt.cdr

MS-9050 Series Manual — P/N 52413:G 4/14/2014 19
Optional Modules and Accessories Product Description
EOL-C(R/W) Mounting Plate
The EOL-CR (red) and EOL-CW (white) are single End-of-Line resistor plates which are required
for use in Canada. An ELR, which is supplied with each module and fire alarm control panel, is
mounted to the EOL-C(R/W) plate. Resistors mounted to the plate can be used for the supervision
of a monitor and control module circuit.
1.7 Optional Modules and Accessories
The MS-9050UD main circuit board includes option module connectors for the following module:
4XTMF Transmitter Module
The 4XTMF provides a supervised output for local energy municipal box transmitter, alarm and
trouble reverse polarity. It includes a disable switch and disable trouble LED. A jumper on the
module is used to select an option which allows the reverse polarity circuit to open with a system
trouble condition if no alarm condition exists. The module plugs into connectors J8 and J9 which
are located near the top center of the main circuit board. When the 4XTMF module is installed,
Jumper JP28, on the main circuit board, must be cut to allow supervision of the module.
ANN-80 LCD Annunciator
The ANN-80 is a remote LCD annunciator which mimics the information displayed on the FACP
LCD display and provides remote RESET, SILENCE, ACKNOWLEDGE, and DRILL.
ANN-80C LCD Indicator (Canadian applications)
The ANN-80C is a remote LCD indicator which mimics the information displayed on the FACP
LCD display but does not allow remote control of the FACP.
ANN-LED Annunciator Module
The ANN-LED Annunciator Module provides three LEDs for each zone: Alarm, Trouble and
Supervisory. An ANN-LED module is installed in the dress panel for the Canadian version.
ANN-RLY Relay Module
The ANN-RLY Module, which can be mounted inside the cabinet, provides 10 Form-C relays.
ANN-S/PG Serial/Parallel Printer Gateway
The ANN-S/PG module provides a connection for a serial or parallel printer.
ANN-I/O LED Driver Module
The ANN-I/O module provides connections to a user supplied graphic annunciator.
ANN-SEC Secondary ANN-BUS Module
The ANN-SEC module provides another ANN-BUS port for more wiring flexibility and for Cana-
dian applications requiring remote annunciation.
ANN-LC Lite-Connect Module
The ANN-LC provides a multi-FACP system where a single communicator and phone line for
Alarm, Trouble, and Supervisory reporting to a central station is shared using fiber-optic cables.
DP-51050 Dress Panel
A dress panel DP-51050 is available as an option. The dress panel restricts access to the system
wiring while allowing access to the membrane switch panel. The Canadian version is supplied
standard with a modified dress panel.
TR-CE Trim-ring
A trim-ring TR-CE is available as an option. The trim-ring allows semi-flush mounting of the cab-
inet.

20 MS-9050 Series Manual — P/N 52413:G 4/14/2014
Product Description Optional Modules and Accessories
Battery Boxes
BB-26
The BB-26 battery box may be used to house up to two 26 AH batteries and the CHG-75 Battery
Charger. The battery box, which is red and is provided with knockouts, was designed specifically
to compliment mounting below the FACP.
BB-55F
The BB-55F battery box may be used to house two 26 AH batteries, two 60 AH batteries or one
100 AH battery. When the CHG-120F is mounted in the BB-55F, two 26 AH or one 60 AH battery
may also be housed in the battery box.
PS-Tools Programming Utility
The PS-Tools Programming Utility can be used to locally or remotely program an MS-9050UD
directly from most IBM compatible personal computers (PC), running Windows® XP (or newer).
MS-9050UD program files can also be created and stored on the PC and then downloaded to the
control panel. The part number PK-CD Kit includes the Windows-based Programming Utility soft-
ware on CD-ROM with online help file. A serial cable (P/N: PRT/PK-CABLE), which must be
purchased separately, is required for local connection of the PC to the RS-232 (PC/Printer) termi-
nals at TB3 of the MS-9050UD main circuit board. Remote programming requires that the PC
have a 2400 baud (or faster) modem.
Important: Remote modification of FACP programming requires that the panel be enabled for
remote download (refer to “Remote Download” on page 150). Remote interrogation of panel pro-
gramming, history logs, detector status, etc., is possible without enabling the remote download
option.
Battery Chargers
CHG-75 Battery Charger
The CHG-75 is capable of charging up to 75 AH lead-acid batteries with the FACP. The FACP bat-
tery charger must be disabled, by removing jumper JP30, when using the CHG-75. The charger
and up to 26 AH batteries can be housed in the BB-26 battery box. Larger batteries and the charger
can be housed in the BB-55F battery box which can be mounted up to 20 feet away from the control
panel. Refer to the CHG-75 Manual for additional information.
CHG-120F Battery Charger
The CHG-120F is capable of charging up to 120 AH lead-acid batteries with the FACP. The FACP
battery charger must be disabled, by removing jumper JP30, when using the CHG-120F. The bat-
teries and charger can be housed in the BB-55F battery box which can be mounted up to 20 feet
away from the control panel. Note that when using the BB-55F for housing the charger and batter-
ies greater than 26AH, multiple BB-55Fs are required. Refer to the CHG-120F Manual for addi-
tional information.
IPDACT, IPDACT-2, IPDACT-2UD - IP Communicator
The IPDACT, IPDACT-2, and IPDACT-2UD are a compact, Internet Protocol Communicators
designed to allow FACP status communication to a Central Station via the internet. No telephone
lines are required when using any IPDACT. Using Contact ID protocol from the FACP, any
IPDACT converts the standard DACT phone communication to a protocol that can be transmitted
and received via the internet. It also checks connectivity between the FACP and Central Station.
Refer to the IPDACT Series Product Installation Document P/N 53109 for additional information.

MS-9050 Series Manual — P/N 52413:G 4/14/2014 21
Getting Started Product Description
1.8 Getting Started
The following is a brief summary of the minimal steps involved in bringing an MS-9050UD on-
line:
• Install Backbox and Main Circuit Board (refer to “Mounting the Backbox” on page 24).
• Address and Install Intelligent Devices (refer to the SLC Wiring Manual).
• Enter Autoprogramming (refer to“Autoprogram” on page 58).
• Resolve Programming Conflicts.
• Go to Point Program to Enter Specific Data (refer to“Point Program” on page 59). Use the
right and left arrow keys to navigate between devices.
1.9 Telephone Requirements and Warnings
1.9.1 Telephone Circuitry
AC Ringer Equivalence Number (REN) = 03B
DC Ringer Equivalence Number (REN) = 0.0B
AC Impedance: 10.0 Mega Ohm
Complies with FCC Part 68
Mates with RJ31X Male Connector
Supervision Threshold: loss of phone line voltage for 2 minutes
The REN is used to determine the quantity of devices which may be connected to the telephone
line. Excessive RENs on the telephone line may result in the devices not ringing in response to an
incoming call. In most, but not all areas, the sum of the RENs should not exceed five (5.0). To be
certain of the number of devices that may be connected to the line as determined by the total RENs,
contact the telephone company to determine the maximum REN for the calling area.
1.9.2 Digital Communicator
Before connecting the control panel to the public switched telephone network, the installation of
two RJ31X jacks is necessary. If trouble is experienced with this equipment, for repair or warranty
information, please contact:
Manufacturer: Fire•Lite Alarms, Inc.
One Fire-Lite Place
Northford, CT 06472
(203) 484-7161
Product Model Number: MS-9050UD
FCC Registration Number: US:1W6AL03B9050UD
AC Ringer Equivalence: 0.3B
DC Ringer Equivalence: 0.0B
This equipment complies with Part 68 of the FCC rules and the requirements adopted by the ACTA.
On the inside of the FACP door is a label that contains, among other information, a product identi-
fier in the format US:AAAEQ##TXXXX. If requested, this number must be provided to the tele-
phone company.
Alarm dialing equipment must be able to seize the telephone line and place a call in an emergency
situation. It must be able to do this even if other equipment (telephone, answering system, com-
puter modem, etc.) already has the telephone line in use. To do so, alarm dialing equipment must
be connected to a properly installed RJ31X jack that is electrically in series with and ahead of all
other equipment attached to the same telephone line. If there are any questions concerning these

22 MS-9050 Series Manual — P/N 52413:G 4/14/2014
Product Description Telephone Requirements and Warnings
instructions, consult the telephone company or a qualified installer about installing the RJ31X jack
and alarm dialing equipment. Refer to“Digital Communicator” on page 32 for an illustration of
the proper installation of this equipment.
Important! The DACT must not be used to dial a phone number that is call-forwarded.
1.9.3 Telephone Company Rights and Warnings
The telephone company, under certain circumstances, may temporarily discontinue services and/or
make changes in its facilities, services, equipment or procedures which may affect the operation of
this control panel. However, the telephone company is required to give advance notice of such
changes or interruptions.
If the control panel causes harm to the telephone network, the telephone company reserves the right
to temporarily discontinue service. Advance notification will be provided except in cases when
advance notice is not practical. In such cases, notification will be provided as soon as possible.
The opportunity will be given to correct any problems and to file a complaint with the FCC if you
believe it is necessary.
DO NOT CONNECT THIS PRODUCT TO COIN TELEPHONE, GROUND START, OR PARTY
LINE SERVICES.
When the control panel activates, premise phones will be disconnected.
Two separate phone lines are required. Do not connect both telephone interfaces to the same tele-
phone line.
The control panel must be connected to the public switched telephone network upstream (as first
device) of any private telephone system at the protected premises.
A plug and jack used to connect this equipment to the premises wiring and telephone network must
comply with the applicable FCC Part 68 rules and requirements adopted by ACTA. This equip-
ment is designed to be connected to the telephone network or premises wiring using a compliant
RJ31X male modular plug and compatible modular jack that is also compliant.
1.9.4 For Canadian Applications
The following is excerpted from CP-01 Issue 5:
NOTICE: The Industry Canada (IC) label identifies certified equipment. This certification means
that the equipment meets certain telecommunications network protective, operational and safety
requirements as prescribed in the appropriate Terminal Equipment Technical Requirements docu-
ment(s). The Department does not guarantee the equipment will operate to the users’s satisfaction.
Before installing this equipment, users should ensure that it is permissible to be connected to the
facilities of the local telecommunications company. The equipment must also be installed using an
acceptable method of connection. The customer should be aware that compliance with the above
conditions may not prevent degradation of service in some situations.
Repairs to certified equipment should be made by an authorized Canadian maintenance facility des-
ignated by the supplier. Any repairs or alterations made by the user to this equipment, or equip-
ment malfunctions, may give the telecommunications company cause to request the user to
disconnect the equipment.
Users should ensure, for their own protection, that the electrical ground connections of the power
utility, telephone lines and internal metallic water pipe system, if present, are connected together.
This precaution may be particularly important in rural areas.
CAUTION
Users should not attempt to make such connections themselves, but should contact the appropriate
electric inspections authority, or electrician.

MS-9050 Series Manual — P/N 52413:G 4/14/2014 23
Telephone Requirements and Warnings Product Description
“The Ringer Equivalence Number (REN) assigned to each terminal device provides an indication
of the maximum number of terminals allowed to be connected to a telephone interface. the termi-
nation of an interface may consist of any combination of devices subject only to the requirement
that the sum of the REN of all devices does not exceed 5.”
DOC Compliance - “This digital apparatus does not exceed the Class A limits for radio noise emis-
sions from digital apparatus set out in the Radio Interference Regulations of the Canadian Depart-
ment of Communications.”
Representative: NOTIFIER/FIRE•LITE, CANADA
10 Whitmore Road
Woodbridge, Ontario L4L 7Z4
Phone: (905) 856-8733
FAX: (905) 856-9687
IC Certificate Number: 2132A-9050UD
Ringer Equivalence Number (REN): 0.3B

24 MS-9050 Series Manual — P/N 52413:G 4/14/2014
Section 2: Installation
The cabinet may be either semi-flush or surface mounted. The cabinet mounts using two key slots
and two 0.250” (6.35 mm) diameter holes located in the backbox. The key slots are located at the
top of the backbox and the two securing holes at the bottom.
Carefully unpack the system and check for shipping damage. Mount the cabinet in a clean, dry,
vibration-free area where extreme temperatures are not encountered. The area should be readily
accessible with sufficient room to easily install and maintain the panel. Locate the top of the cabi-
net approximately 5 feet (1.5 m) above the floor with the hinge mounting on the left. Determine the
number of conductors required for the devices to be installed. Sufficient knockouts are provided
for wiring convenience. Select the appropriate knockout(s) and pull the conductors into the box.
All wiring should be in accordance with the National and/or Local codes for fire alarm systems.
2.1 Mounting the Backbox
The circuit board contains static-sensitive components. Always ground yourself with a proper
wrist strap before handling any boards so that static charges are removed from the body. Use static
suppressive packaging to protect electronic assemblies.
To prevent damage to the circuit board and to facilitate backbox mounting, the chassis with main
circuit board and transformer can be easily removed. Loosen the two 3/8” nuts securing the top
flanges of the chassis, then slide the chassis up to free it from the lower tabs. Place the chassis
assembly in a safe location until it can be reinstalled in the backbox.
Mark and predrill hole in the wall for the center top keyhole mounting bolt using the
dimensions illustrated in Figure 2.3 on page 26.
Install center top fastener in the wall with the screw head protruding.
Place backbox over the top screw, level, and secure.
Mark and drill the left and right upper and lower mounting holes.
Note: outer holes (closest to sidewall) are used for 16” O.C. stud mounting.
Install remaining fasteners and tighten.
Figure 2.1 Chassis Removal
Backbox
FACP Main Circuit Board on Chassis
mounting studs
9050udbdUnmn.cdr
mounting slots
mounting tabs
mounting tab holes
Ground Stud
backbox stud
mounting hole backbox stud
mounting hole
backbox stud mounting holes

MS-9050 Series Manual — P/N 52413:G 4/14/2014 25
Mounting the Chassis/Transformer/Main Circuit Board Installation
2.2 Mounting the Chassis/Transformer/Main Circuit Board
One transformer is supplied standard with the control panel. Install the transformer and chassis in
the location indicated in the following illustration.
1. When the location is dry and free of construction dust, install the chassis/transformer/circuit
board assembly.
2. Mount the chassis to the backbox by aligning the two mounting tabs with the slots in the
backbox, then position the two mounting hole tabs over the studs with nuts located in the upper
portion of the backbox.
3. Slide the tabs located on the bottom of the chassis into the mounting slots in the backbox by
pressing the chassis down.
4. Secure the chassis to the backbox by tightening the two mounting nuts (#10-32) at the top, and
to ensure proper grounding, use a 3/8” nut driver or socket.
5. If the main circuit board is not already attached to the chassis, install it by positioning the ten
mounting holes over the studs on the chassis and secure with the supplied screws.
6. Ensure the transformer plug is connected to Connector J2 on the FACP main circuit board
7. Complete the installation as detailed in the following sections.
Figure 2.2 Main Circuit Board/Chassis Installation
Backbox
FACP Main Circuit Board on Chassis
mounting studs
9050udbdmn.cdr
mounting slots
mounting tabs
mounting tab holes
Ground Stud
Transformer is mounted to the back
of the chassis in the lower left corner.

26 MS-9050 Series Manual — P/N 52413:G 4/14/2014
Installation Mounting the Chassis/Transformer/Main Circuit Board
Figure 2.3 FACP Cabinet Mounting
9050udencl.wmf
Semi-Flush Mounting
Do not recess box more
than 3.875” into wall to
avoid covering venting
holes on top of box.
Hinge Slot for
optional Dress Panel
Hinge Slot for
optional Dress Panel
Mounting
slots for
optional
Trim Ring
Semi-Flush
mounting hole

MS-9050 Series Manual — P/N 52413:G 4/14/2014 27
Mounting the Chassis/Transformer/Main Circuit Board Installation
Figure 2.4 FACP Cabinet Dimensions
9050udcab2.wmf
Left Side Right Side
Bottom
Door
Door
Backbox
Backbox
Depth =
Depth
Top

28 MS-9050 Series Manual — P/N 52413:G 4/14/2014
Installation Power
2.3 Power
2.3.1 AC Power and Earth Ground Connection
Primary power required for the MS-9050UD/C FACP is 120 VAC, 60 Hz, 3.0 amps or 240 VAC, 50
Hz, 1.5 amps for the MS-9050UDE. Overcurrent protection for this circuit must comply with Arti-
cle 760 of the National Electrical Code (NEC) and/or local codes. Use 14 AWG (2.00 mm2) or
larger wire with 600 volt insulation rating. Make certain that the AC main circuit breaker is off
before wiring any connections between the mains and the control panel. Connect wiring from the
AC mains to the Transformer on the FACP, being careful to observe proper connections.
Connect the AC ground wire to the Ground Stud located in the left side of the backbox. Refer to
Figure 2.2 on page 25 and the illustration below for location of the stud. If installing an optional
ANN-LC, ensure that the ground for the AC mains cable is installed first, closest to the backbox.
This connection is vital for maintaining the control panel’s immunity to unwanted transients gener-
ated by lightning and electrostatic discharge. Apply AC power to the panel only after the system is
completely installed and visually checked. Note that AC power must be applied to the panel before
installing the battery interconnect cable (refer to the following section).
For AC connections to the MS-9050UDC, refer to“AC Power Connections for Canadian Applica-
tions” on page 184.
2.3.2 Battery Power
Before connecting the batteries to the FACP, make certain that
the interconnect cable between the batteries is not connected.
Do not connect the interconnect cable until the system is com-
pletely installed. Observe polarity when connecting the batter-
ies. Connect the battery cable to J1 on the main circuit board.
Refer to“Power Supply Calculations” on page 153, for calcula-
tion of the correct battery rating.
!
WARNING: RISK OF DAMAGE AND ELECTRICAL SHOCK
SEVERAL DIFFERENT SOURCES OF POWER CAN BE CONNECTED TO THIS PANEL.
DISCONNECT ALL SOURCES OF POWER BEFORE SERVICING. THE PANEL AND
ASSOCIATED EQUIPMENT MAY BE DAMAGED BY REMOVING AND/OR INSERTING CARDS,
MODULES OR INTERCONNECTING CABLES WHILE THIS UNIT IS ENERGIZED.
Interconnect
Cable
!
WARNING: BATTERIES CONTAIN SULFURIC ACID
BATTERIES CONTAIN SULFURIC ACID WHICH CAN CAUSE SEVERE BURNS TO THE SKIN
AND EYES AND CAN DESTROY FABRICS. IF CONTACT IS MADE WITH SULFURIC ACID,
IMMEDIATELY FLUSH THE SKIN OR EYES WITH WATER FOR 15 MINUTES AND SEEK
IMMEDIATE MEDICAL ATTENTION.

MS-9050 Series Manual — P/N 52413:G 4/14/2014 29
Relays Installation
2.4 Relays
The FACP provides two programmable Form-C relays and one fixed fail-safe Form-C trouble
relay, all with contacts rated for 2.0 amps @ 30 VDC (resistive) or 0.5 amps @ 30 VAC (resistive).
Note that relay connections must be nonpower-limited. Refer to UL Power-limited wiring require-
ments.
AC Connection to
Transformer leads:
HOT
NEUTRAL
Battery Connection
to J1 on FACP
Ground Stud
9050udpowr.cdr
Figure 2.5 Relay Terminals
Relay contacts shown with power applied to panel
and no active troubles, alarms or supervisories
Note that the programmable relay
labeled as Relay 1 is factory default
programmed as Alarm and
programmable Relay 3 is factory default
programmed as Supervisory. The relay
labeled Relay 2 is fixed as a Trouble
relay and cannot be changed. It is a fail-
safe relay which will transfer on any
trouble or total power failure.
9050udrely.wmf

30 MS-9050 Series Manual — P/N 52413:G 4/14/2014
Installation Notification Appliance Circuits
2.5 Notification Appliance Circuits
The control panel provides two NACs (Notification Appliance Circuits) Style Y (Class B) or Style
Z (Class A). Each circuit is capable of 2.5 amps of current. Total current in alarm for all external
devices cannot exceed 2.5 amps (refer to “Calculating the System Current Draw” on page 154).
Use UL listed 24 VDC notification appliances only. Circuits are supervised and power-limited.
Refer to the Fire-Lite Device Compatibility Document for a listing of compatible notification appli-
ances. The NACs, which are located on the main circuit board, may be expanded via the Fire-Lite
FCPS Series field charger/power supplies.
NACs can also be configured for auxiliary power. If set for auxiliary power (door holder, resettable
power, non-resettable power) do not connect notification appliances. Refer to Section 1.2, “Speci-
fications” for power capability.
The following sections describe the configuration and wiring of Style Y and Style Z Notification
Appliance Circuits on the FACP main circuit board.
2.5.1 Configuring NACs
The Notification Appliance Circuits are configured for Style Y (Class B) or Style Z (Class A) by
properly wiring the NAC devices to TB1 on the main circuit board as illustrated below.
TB1
B+ B- B-B+
A+ A- A+ A-
NAC1
NAC2
-
+
B
+B
-
14
A
+A
-
23
+
+
B
+B
-
A
+A
-
+
+
+
5
67
8
Figure 2.6 NAC Wiring
Style Y (Class B) Notification Appliance
Circuits, supervised and power-limited -
4.7 K, ½ watt P/N:71252 UL listed
Polarized Bells
Polarized HornsPolarized Horns
Polarized Strobes
Notification Appliance Circuit
polarity shown in alarm state
Dummy Load all unused
circuits with a 4.7 K, ½ watt
resistor across the B+ & B-
terminals or wire jumpers
between A+ & B+ and A- & B-.
9050udnac.wmf
Polarized Strobes
terminal number
NAC 1
NAC 2
Style Z (Class A) Notification Appliance
Circuits, supervised and power-limited
Polarized Bells

MS-9050 Series Manual — P/N 52413:G 4/14/2014 31
UL Power-limited Wiring Requirements Installation
2.6 UL Power-limited Wiring Requirements
Power-limited and nonpower-limited circuit wiring must remain separated in the cabinet. All
power-limited circuit wiring must remain at least 0.25” (6.35 mm) away from any nonpower-lim-
ited circuit wiring and nonpower-limited circuit wiring must enter and exit the cabinet through dif-
ferent knockouts and/or conduits. If installing an optional ANN-LC, ensure that the ground for the
AC mains is installed first, closest to the backbox. A typical wiring diagram for the FACP is shown
below.
T
B
1
J
1
Figure 2.7 Typical UL Power-limited Wiring Requirements
Power-limited Circuits (Class 2) Power-limited
Circuits (Class 2)
Nonpower-limited Circuits (Class 1)
Nonpower-
limited, (Class 1)
supervised
Telephone
Circuit
AC Power
Hot
Neutral
Ground
9050udulpwr3.wmf
To Batteries
(nonpower-limited,
Class 1, supervised)
maintain minimum 0.25” between power-
limited and nonpower-limited circuits wiring
Ground Stud
Transformer
Wires
(nonpower-
limited,
supervised)
4XTMF ANN-SEC
Power-limited
Circuits
(Class 2)
dashed lines
represent wiring
behind PCB
Power-limited
Circuits
(Class 2)
Nonpower-
limited,
supervised
Fiber Circuit

32 MS-9050 Series Manual — P/N 52413:G 4/14/2014
Installation Digital Communicator
2.7 Digital Communicator
Two independent telephone lines can be connected to the control panel. Telephone line con-
trol/command is made possible via double line seizure as well as usage of an RJ31X style intercon-
nection. Note that it is critical that the panel's digital communicator be located as the first device
on the incoming telephone circuit to properly function.
Important! The DACT must not be used to dial a phone number that is call-forwarded per require-
ments of UL 864 9th Edition.
Figure 2.8 DACT Installation
Customer Premises Equipment and Wiring
Telephone
Line
MS-9050UD
Network
Service
Provider’s
Facilities
Network
Demarcation
Point
RJ31X
Jack
Unused
RJ-11 Jack
Unused
RJ-11 Jack
Telephone
Telephone
Telephone
Answering
System
Fax Machine
Computer
9050ACTAdact.wmf

MS-9050 Series Manual — P/N 52413:G 4/14/2014 33
Optional Modules/Accessories Installation Installation
The control panel's digital communicator is built into the main circuit board. Connection and wir-
ing of two phone lines is required as shown below.
2.8 Optional Modules/Accessories Installation
2.8.1 4XTMF Transmitter Module Installation
The 4XTMF provides a supervised output for a local energy municipal box transmitter in addition
to alarm and trouble reverse polarity. A jumper option allows the reverse polarity circuit to open
with a system trouble condition if no alarm condition exists. A disable switch allows disabling of
the transmitter output during testing to prevent accidental calling of the monitoring service.
Local Energy Municipal Box Service (NFPA 72 Auxiliary Fire Alarm Systems):
Supervisory Current: 5.0 mA
Trip Current: 350 mA (subtracted from notification appliance power)
Coil Voltage: 3.65 VDC
Maximum Coil Resistance: 14.6 ohms
Maximum allowable wire resistance between panel and trip coil: 3 ohms
Municipal Box wiring can leave the building
Remote Station Service (NFPA 72 Remote Station Fire Alarm Systems) - Intended for connec-
tion to a polarity reversal circuit or a Remote Station receiving unit having compatible rat-
ings:
!
WARNING: RISK OF ELECTRIC SHOCK
DISCONNECT ALL SOURCES OF POWER (AC AND DC) BEFORE INSTALLING OR REMOVING
ANY MODULES OR WIRING.
Figure 2.9 Wiring Phone Jacks
9050udjack2.wmf
KISSOFF
PRIMARY
ACTIVE SECONDARY
ACTIVE
PHONE LINEPHONE LINE
PRIMARY
SECONDARY
Modular Female
Connectors
Male Plug
Connectors
Secondary
Phone Line
PH-2
Primary
Phone Line
PH-1
7 foot cable
MCBL-7
(ordered
separately)
Note: Shorting bars
inside RJ31X Jack
removed during male
plug insertion.
RJ31X Jack RJ31X Jack
Ring
Ring
Tip Tip
Tip
Ring
Tip
Ring
Green Wire
Red Wire To premise phones
Green Wire
Red Wire
To premise phones
(Primary Lines)
Incoming Telco
Phone Lines
(Secondary Lines)
Incoming Telco
Phone Lines

34 MS-9050 Series Manual — P/N 52413:G 4/14/2014
Installation Optional Modules/Accessories Installation
Maximum load for each circuit: 10 mA
Reverse polarity output voltage: 24 VDC
Remote Alarm and Remote Trouble wiring can leave the building
Before installing the module, place the disconnect switch to the right (disconnect) position to pre-
vent accidental activation of the municipal box. Note that a Disconnect LED will illuminate after
the module is installed in the MS-9050UD. In addition, the System Trouble LED will turn on to
indicate the Disconnect condition.
The following steps must be followed when installing the 4XTMF module:
1. Remove all power (Primary and Secondary) from the FACP before installing 4XTMF.
2. Cut jumper JP28 on the main circuit board to allow the control panel to supervise the 4XTMF
module.
3. Remove two screws securing main circuit board to mounting plate and install two standoffs for
securing 4XTMF module to main circuit board. Refer to Figure 2.11 for standoff locations on
main circuit board.
4. Carefully plug the connectors on the 4XTMF module into connectors J8 and J9 on the MS-
9050UD main circuit board, being careful not to bend any pins.
5. Secure 4XTMF module to standoffs with supplied screws removed in step 3.
6. Reapply power to the FACP.
7. For proper 4XTMF operation, the main circuit board output relays must be programmed for
the factory default settings: Alarm Relay 1, Trouble Relay 2, and Supervisory Relay 3.
Figure 2.10 4XTMF Transmitter Module
Connect to FACP at J8 & J9
Disconnect Switch
shown in disconnect
position
TBL Jumper
}Remote Alarm (power-limited)*
}Remote Trouble (power-limited)*
No connection
}Municipal Box (nonpower-limited)*
1 2 3 4 5 6 7
+ - + - + - Polarities are shown for module activation
Note: 4XTMF Module is not directly suitable for transmitting reverse polarity supervisory signal. For an
application using reverse polarity of a supervisory signal, refer to “FACP with Keltron” on page 170.
* Wiring from these
terminals can exit the
protected premises.
Dummy load terminals 6
and 7 (4.7K, ¼ watt
resistor) if Municipal Box
is not connected.
Disconnect LED
4xtmfl.wmf

MS-9050 Series Manual — P/N 52413:G 4/14/2014 35
Optional Modules/Accessories Installation Installation
8. When the installation has been completed, enable the 4XTMF module by sliding the
disconnect switch to the left.
9. Test system for proper operation.
2.8.2 ANN-SEC Option Card
The ANN-SEC option card allows for a secondary ANN-BUS. Install the ANN-SEC as follows.
1. Remove the chassis mounting screw to the right of TB7 and replace it with the supplied 0.5” x
4-40 male-female standoff.
2. Install the header into J13 on the main circuit board.
Figure 2.11 4XTMF Connectors to MS-9050UD Connectors
J8 & J9 Connectors
Jumper JP2
Standoff Standoff
4XTMF
MS-9050UD
9050ud4xtm.wmf
Jumper JP28
NOTE: Jumper JP2 on the FACP main circuit board can be used to configure the FACP
supervisory relay for operation with the 4XTMF module. Relay 3 at TB3 must be programmed as
a supervisory relay.
Removing the jumper from JP2 will allow the 4XTMF to generate a trouble if the supervisory
contact opens
Leaving the jumper on JP2 will prevent generation of a trouble if the supervisory contact opens

36 MS-9050 Series Manual — P/N 52413:G 4/14/2014
Installation ANN-BUS Devices
3. Secure the ANN-SEC to the circuit board with the supplied screw.
2.9 ANN-BUS Devices
Guidelines
• A variety of optional annunciation devices can be connected to an ANN-BUS communication
circuit. ANN Series devices can be connected to the primary communication circuit (EIA-485)
terminals on TB3. A secondary communication circuit (EIA-485) for these devices is available
at TB1 on the ANN-SEC card.
• When using one ANN-BUS circuit, up to eight (8) annunciators can be supported.
• When using both ANN-BUS communication circuits, the primary circuit supports up to three
(3) annunciators and the secondary circuit supports up to (5) annunciators.
Compatible devices include:
– ANN-80 LCD Annunciator
– ANN-80C LCD Indicator (Canadian Applications)
– ANN-S/PG Serial/Parallel Printer Interface Module
– ANN-I/O LED Driver Module
– ANN-LED Annunciator Module
– ANN-RLED Annunciator Module (red alarm LEDs only)
– ANN-RLY Relay Module
– ANN-LC Lite-Connect Module
• When operating two ANN-BUS circuits, only one ANN-S/PG Printer module can be used in
the system.
• The panel is capable of operating a primary ANN-BUS (TB3) and a secondary ANN-BUS
(TB1 on ANN-SEC card) simultaneously.
2.9.1 ANN-BUS Wiring
This section contains information on calculating ANN-BUS wire distances and the types of wiring
configurations (Class B).
J13
TB1
J1
ANN-SEC
FACP Circuit Board
connector to J13 on
main circuit board
standoff and screw
Figure 2.12 Installing the ANN-SEC Option Card
9050annsec.wmf
!
r
WARNING: RISK OF ELECTRICAL SHOCK
DISCONNECT ALL SOURCES OF POWER (AC AND DC) BEFORE INSTALLING OR REMOVING
ANY MODULES OR WIRING.

MS-9050 Series Manual — P/N 52413:G 4/14/2014 37
ANN-BUS Devices Installation
Calculating Wiring Distance for ANN-BUS Modules
The following instructions will guide the installer in determining the type of wire and the maximum
wiring distance that can be used with FACP ANN-BUS accessory modules.
To calculate the wire gauge that must be used to connect ANN-BUS modules to the FACP, it is nec-
essary to calculate the total worst case current draw for all modules on a single 4-conductor bus.
The total worst case current draw is calculated by adding the individual worst case currents for each
module. The individual worst case values are shown in the following table:
After calculating the total worst case current draw, Table 2.1 specifies the maximum distance the
modules can be located from the FACP on a single wire run. The table ensures 6.0 volts of line
drop maximum. In general, the wire length is limited by resistance, but for heavier wire gauges,
capacitance is the limiting factor. These cases are marked in the chart with an asterisk (*). Maxi-
mum length can never be more than 6,000 feet (1,800 m), regardless of gauge used. The formula
used to generate this chart is shown in the note below.
The following formulas were used to generate the wire distance chart:
Model Number Worst Case Current Draw1
1 Total worst case current draw on a single ANN-BUS cannot exceed 0.5 amp.
If current draw exceeds 0.5 amps, refer to “Powering ANN-BUS Devices from
Auxiliary Power Supply” on page 39.
ANN-80(C) LCD Annunciator/Indicator 0.040 amps
ANN-S/PG Serial/Parallel Printer Interface Module 0.040 amps
ANN-I/O LED Driver Module 0.200 amps
ANN-RLY Relay Module 0.075 amps
ANN-(R)LED Annunciator Module 0.068 amps
ANN-LC Lite-Connect Module 0.150 amps
Wiring Distance: ANN-BUS Modules to FACP
Total Worst Case Current
Draw (amps) 22 Gauge 18 Gauge 16 Gauge 14 Gauge
0.100 1,852 ft. 4,688 ft. * 6,000 ft. *6,000 ft.
0.200 926 ft. 2,344 ft. 3,731 ft. 5,906 ft.
0.300 617 ft. 1,563 ft. 2,488 ft. 3,937 ft.
0.400 463 ft. 1,172 ft. 1,866 ft. 2,953 ft.
0.500 370 ft. 938 ft. 1,493 ft. 2,362 ft.
Table 2.1 Wiring Distances
Maximum Resistance (Ohms) = 6.0 Volts
Total Worst Case Current Draw (amps)
Maximum Wire Length (feet)
(6,000 feet maximum) =Maximum Resistance (Ohms) *500
Rpu
where: Rpu = Ohms per 1,000 feet for various Wire Gauges (see table below)

38 MS-9050 Series Manual — P/N 52413:G 4/14/2014
Installation ANN-BUS Devices
Exception: When using the ANN-RLY module, the installer must ensure that the maximum
24VDC power line drop does not exceed 0.3 volts. This results in the following wiring limitations:
Wiring Distance Calculation Example:
Suppose a system is configured with the following ANN-BUS modules:
• 3 ANN-80 Remote Fire Annunciators
• 1 ANN-S/PG Serial/Parallel Printer Interface Module
• 1 ANN-I/O LED Driver Module
The total worst case current is calculated as follows:
Using this value and referring to the Wiring Distance Table 2.1 on page 37, it can be found that the
available options are:
463 feet maximum using 22 Gauge wire
1,172 feet maximum using 18 Gauge wire
1,866 feet maximum using 16 Gauge wire
2,953 feet maximum using 14 Gauge wire
Wire Gauge Ohms per 1,000 feet (Rpu)
22 16.2
18 6.4
16 4.02
14 2.54
Wire Gauge Maximum Wire Length
18 312 feet
16 497 feet
14 787 feet
12 1,250 feet
ANN-80 Current Draw = 3 X 0.040 amps = 0.120 amps
ANN-S/PG Current Draw = 1 X.0.040 amps = 0.040 amps
ANN-I/O Current Draw = 1 X.0.200 amps = 0.200 amps
Total Worst Case Current Draw = 0.360 amps

MS-9050 Series Manual — P/N 52413:G 4/14/2014 39
ANN-BUS Devices Installation
Wiring Configuration
Figure 2.13 illustrates the wiring between the FACP and ANN-BUS devices.
Powering ANN-BUS Devices from Auxiliary Power Supply
Figure 2.14 illustrates the powering of ANN-BUS devices from an auxiliary power supply such as
the FCPS-24FS6/8, when the maximum number of ANN-BUS devices exceeds the ANN-BUS
power requirements.
Figure 2.13 FACP wiring to ANN-BUS Device
ANN-BUS Device
MS-9050UD
ANN-BUS and power wiring are
supervised and power-limited
Primary ANN-BUS
Figure 2.14 Powering ANN-BUS Devices from FCPS-24FS6/8
ANN-80
MS-9050UD
FCPS-24FS6/8
-24 VDC
+24 VDC ANN-BUS
Cut Ground Fault Detection jumper JP1 (FACP monitors for ground faults)
ANN-BUS and power wiring are
supervised and power-limited
ann80tofcps.wmf

40 MS-9050 Series Manual — P/N 52413:G 4/14/2014
Installation ANN-BUS Devices
2.9.2 ANN-BUS Device Addressing
Each ANN-BUS device requires a unique address (ID Number) in order to communicate with the
FACP. A 5-position DIP switch on each device is used to set this address. The address set for these
devices must also be programmed at the FACP for the specific device (refer to the programming
section titled “ANN-BUS” on page 96).
A maximum of 8 devices can be connected to the FACP ANN-BUS communication circuit. Device
addresses do not need to be sequential and can be set to any number between 01 and 08. Note that
00 is not a valid address. The following table shows the DIP switch setting for each address.
When installed and enabled through FACP programming, the ANN-LC will always be set to
address 08. No dip switch settings are used to set the address on the ANN-LC.
2.9.3 ANN-80(C) Remote Fire Annunciator/Indicator
The ANN-80(C) Annunciator/Indicator is a compact, 80 character, backlit LCD remote fire annun-
ciator which mimics the FACP display. It also provides system status indicators for AC Power,
Alarm, Trouble, Supervisory and Alarm Silenced conditions. The ANN-80 Annunciator provides a
button for Reset, Silence, Acknowledge, and Drill. The ANN-80C does not provide these buttons.
Communication between the ANN-80(C) and FACP is accomplished over a two wire serial inter-
face employing the ANN-BUS communication format. The devices are powered, via two addi-
tional wires, from either the host FACP or remote UL-listed, filtered, power supply.
Specifications
• Operating Voltage Range: 18 VDC to 28 VDC
• Current Consumption @ 24 VDC nominal (filtered and nonresettable):
Normal/Standby (no activity): 37.0 mA
Trouble: 39.0 mA
Alarm: 40.0 mA
AC Fail ( not backlit): 15.0 mA
• For use indoors in a dry location
NOTE: Address (ID Number) DIP switches on some devices may have more than 5 switch
positions. Unless otherwise specified in the documentation supplied with each device, switch
positions 6 and above must be set to OFF.
Address Switch 51
1 Switch 5 must be set to OFF for ANN-BUS devices to be recognized.
Switch 4 Switch 3 Switch 2 Switch 1
not valid OFF OFF OFF OFF OFF
01 OFF OFF OFF OFF ON
02 OFF OFF OFF ON OFF
03 OFF OFF OFF ON ON
04 OFF OFF ON OFF OFF
05 OFF OFF ON OFF ON
06 OFF OFF ON ON OFF
07 OFF OFF ON ON ON
08 OFF ON OFF OFF OFF

MS-9050 Series Manual — P/N 52413:G 4/14/2014 41
ANN-BUS Devices Installation
Installation
Ensure that all power (AC and DC) has been removed from the FACP before installing the annunci-
ator.
Opening/Closing Annunciator
The following procedure details the steps used to open the annunciator in order to access the termi-
nal block and DIP switches (refer to figure below):
1. Turn the key switch to the ON (Unlocked) position by turning the key counter-clockwise
2. Push in the snap latch located on the right side of the unit while pulling the cover open
3. To close the cover, make certain the key switch is in the ON (Unlocked) position. Swing the
cover closed, snapping it shut
4. Turn the key switch to the OFF (Locked) position by turning clockwise and remove the key
Mounting
The ANN-80 can be surface or semi-flush mounted to a single, double or 4” square electrical box.
Select and remove the appropriate knockout(s), pull the necessary wires through the knockouts and
mount the annunciator in or on the wall depending on the type of installation desired.
The ANN-SB80KIT(-R/-W) is an available mounting kit for the ANN-80 annunciator. The kit
comes with a surface backbox and surface wedge for angled viewing. The two pieces can be used
separately or can be stacked together.
The ANN-80 cover must be attached to the annunciator backplate before mounting the annunciator
to the electrical box/wall. The cover cannot be reattached or removed after the annunciator has been
mounted.
Key switch shown in
OFF/Locked position
Press in latch
and
Pull annunciator
cover open
Annunciator cover
with LCD display
Annunciator backplate
ann-80_iso.wmf
aann80kitmount.wmf
Annunciator mounted on
surface wedge from the
ANN-SB80KIT
Annunciator mounted on stacked
surface wedge and backbox from
the ANN-SB80KIT
Annunciator mounted on
surface backbox from the
ANN-SB80KIT

42 MS-9050 Series Manual — P/N 52413:G 4/14/2014
Installation ANN-BUS Devices
Wiring ANN-80 to FACP
The following steps can be used as a guide to wire the annunciator. Make certain all power has
been removed from the FACP prior to annunciator installation.
1. Route wires from hole in backplate, through wiring channel and then to ANN-80 terminal
block TB1.
2. Remove appropriate amount of wire insulation.
3. Connect the wiring from the FACP ANN-BUS to annunciator TB1 terminals 3 (A) & 4 (B).
Make certain to connect A to A and B to B.
4. If appropriate, connect the wiring going to the next device on the ANN-BUS to TB1 terminals
3 & 4. Make certain to connect A to A and B to B.
5. Connect the wiring from the 24 VDC power source to annunciator TB1 terminals 1 (-) & 2 (+).
Make certain to observe proper polarity.
6. If appropriate, connect the power wiring going to the next device to terminals
1 (-) & 2 (+). Make certain to observe proper polarity.
7. After all connections are made, remove extra wire from inside of annunciator by dressing it
neatly through wire channel, with any excess wire pushed back through hole into electrical
box.
wiring channel
wires
TB1

MS-9050 Series Manual — P/N 52413:G 4/14/2014 43
ANN-BUS Devices Installation
The following table shows the ANN-80 connections to the MS-9050UD.
Programming
Following installation and wiring of the ANN-80 LCD annunciator to the FACP, the annunciator
must be added to the system via FACP programming. Refer to the programming section titled
“ANN-BUS” on page 96 in this manual for detailed programming information. Select the LCD
option for programming.
Trouble Response
If the ANN-80 is installed but the ANN-BUS is not enabled at the FACP, the ANN-80 will indicate
a trouble condition by NOT turning on its AC Power indicator. The LCD will also display Key Bus
Trouble and the piezo will sound approximately once every 10 seconds. Note that the FACP will
provide no indication of an ANN-80 trouble.
To clear the ANN-80 trouble condition, enable the ANN-BUS and program the address correspond-
ing to the address set on the ANN-80 at the FACP.
2.9.4 ANN-S/PG Serial/Parallel Interface Module
The ANN-S/PG Serial/Parallel Interface module allows the connection of a serial or parallel printer
to the FACP for a real-time log of system events, detector status reports and event history. The
module is provided with a plastic enclosure for surface mounting. Proceed with the installation as
described in the following:
1. Ensure that all power (AC and DC) has been removed from the FACP.
MS-9050UD (TB3) ANN-80 (TB1)
Terminal 1 GND (-) Terminal 1 (-)
Terminal 2 PWR (+) Terminal 2 (+)
Terminal 3 A (ANN-BUS) Terminal 3 (A)
Terminal 4 B (ANN-BUS) Terminal 4 (B)
Figure 2.15 ANN-80 Wiring to FACP
FACP
ANN-80
ANN-BUS and power wiring are
supervised and power-limited
Primary ANN-BUS

44 MS-9050 Series Manual — P/N 52413:G 4/14/2014
Installation ANN-BUS Devices
2. Connect the ANN-S/PG to the FACP as illustrated in Figure 2.16.
3. Using the DIP switches on the back of the ANN-S/PG module, assign an ID number (address)
to the module.
4. Select the address and configuration options for the ANN-S/PG module as described in the
Programming section of this manual (refer to “ANN-BUS” on page 96).
Note that the Auto-configure feature allows the programmer to quickly bring all installed
ANN-BUS modules online (refer to “Auto-Configure” on page 104).
5. Connect a printer to the ANN-S/PG Parallel or Serial connectors (refer to Figure 2.16). Only
one printer can be connected.
Specifications
• Operating Voltage: 24 VDC
• Current (Alarm and Standby): 45 mA
• Ambient Temperature: 32oF to 120oF (0oC to 49oC)
• Max. Wiring Distance from FACP: 6,000 ft. (1,800 m)
• Mounting: Surface
• Dimensions: 6”W x 7-3/4”H x 1-7/16”D (15.2 cm W x 19.7 cm H x 3.7 cm D)
• For indoor use in a dry location only
PRN-6F Printer Installation
When connected to the FACP via the ANN-S/PG module, the PRN prints the status changes within
the control panel and time-stamps the printout with the time of day and date that the event occurred.
It provides 80 columns of data on standard 9” x 11” tractor-feed paper. This section contains infor-
mation on connecting a printer to the control panel and setting the printer options.
Connecting PRN-6F Printer
Remote printers require a primary AC power source. If required for the fire alarm system configu-
ration (for example, a Proprietary Fire Alarm System), a remote printer requires a secondary power
source (battery backup). Since a secondary power source is not provided as a standard feature, a
separate UL-listed Uninterruptible Power Supply (UPS) should be used. The building emergency
power supply may be used, as long as it meets the power continuity requirements of NFPA 72.
Refer to NFPA 72 for further details.
Connect the remote printer to the FACP via the ANN-S/PG module using a standard DB-25 cable.
One end of the cable will plug into the DB-25 connector on the PRN printer and the other end plugs
into the parallel connector on the ANN-S/PG module. Note that the 9-pin DB-9 port on the ANN-
S/PG is used to connect a serial printer. The 25-pin port is used for a Centronics parallel printer
cable. Connect either a serial or parallel printer, but not both at the same time.
Figure 2.16 ANN-S/PG Connection to FACP
ANN-S/PG Module
MS-9050UD
Cable
Connectors
for connection
to printer
Parallel
Serial
ANN-BUS and power wiring are
supervised and power-limited
annspgto9050ud.wmf
Primary
ANN-BUS

MS-9050 Series Manual — P/N 52413:G 4/14/2014 45
ANN-BUS Devices Installation
Setting Printer Options
Refer to the documentation supplied with the PRN-6F printer for instructions on using the printer
menu controls. Set the printer options (under the menu area) as shown in the following table:
2.9.5 ANN-I/O LED Driver Module
The ANN-I/O is an LED driver module that can be used in a wide variety of applications, including
as an interface with most customized graphic annunciators. The ANN-I/O can drive up to 40
LEDs. The module is provided with a plastic enclosure for mounting inside the annunciator or
accessory box. The following sections describe hardware installation. Refer to the section
titled“ANN-BUS” on page 96 for programming information.
Option Setting Option Setting
Font HS Draft CPI 10CPI
LPI 6 LPI Skip 0.5
ESC Character ESC Emulate Epson FX-850
Bidirectional Copy ON I/O
CG-TAB Graphic Buffer 40K
Country E-US ASCII Serial
Auto CR OFF Baud 9600 or 2400
Color Option Not Installed Format 7 Bit, Even, 1 Stop
Formien Protocol XON/XOFF
Lines 6LPI=60 Character Set Standard
Standard Exec 10.5 SI.Zero On
Auto LF On
PAPER
BIN 1 12/72”
BIN 2 12/72”
SINGLE 12/72”
PUSH TRA 12/72”
PULL TRA 12/72”
PAP ROLL 12/72”
Table 2.2 PRN Setup Options

46 MS-9050 Series Manual — P/N 52413:G 4/14/2014
Installation ANN-BUS Devices
ANN-I/O Board Layout
Figure 2.17 illustrates the ANN-I/O board showing locations of screw terminals for connection to
the FACP, pin connectors for connecting LEDs and the DIP switch for selecting the ANN-BUS ID
number.
Specifications
• Max. ANN-BUS Voltage: 28 VDC
• Max. Current:
Alarm: 200 mA
Standby: 35 mA
Each LED: 10 mA
• Operating Temperature: 32oF to 120oF (0oC to 49oC)
• For indoor use in a dry location only
Figure 2.17 ANN-I/O Board Layout
ANN-BUS (ID#)
Address DIP
switch
ANN-BUS Connector
Terminals not used (future)
ann-IObrd.cdr

MS-9050 Series Manual — P/N 52413:G 4/14/2014 47
ANN-BUS Devices Installation
ANN-I/O Connection to FACP
The ANN-I/O connects to the FACP via the ANN-BUS as illustrated in Figure 2.18. After the
ANN-I/O is connected to the panel, it must be added to the system via FACP programming. Refer
to the section titled “Modules Installed” on page 96.
ANN-I/O Module LED Wiring
There are four 12-pin connectors on the ANN-I/O module for connecting LEDs. Each set of 10
LEDs get their power from Pin 11 of the corresponding connector. Internal resistors are sized so
that there is approximately 10 mA of current for each LED. No series resistors are required. LED
outputs can be mapped to output circuits. Refer to the programming section titled “Modules
Installed” on page 96 of this manual.
Figure 2.18 ANN-I/O Connection to FACP
ANN-I/O Module
MS-9050UD
ANN-BUS and power wiring are
supervised and power-limited
ann-IOtoFACP.wmf
Primary ANN-BUS

MS-9050 Series Manual — P/N 52413:G 4/14/2014 49
ANN-BUS Devices Installation
2.9.6 ANN-LED Annunciator Module
The ANN-LED and ANN-RLED annunciator modules provide LED annunciation of general sys-
tem faults and input zones/points when used with a compatible FACP. The ANN-LED module pro-
vides alarm (red), trouble (yellow) and supervisory (yellow) indication for up to ten input zones or
addressable points. The ANN-RLED provides alarm (red) indication for up to 30 input zones or
addressable points. Multiple ANN-(R)LED modules may be used for full system coverage.
Specifications
• Max. ANN-BUS Voltage: 24 VDC
• Max. Current:
Alarm: 68 mA
Standby: 28 mA
• Operating Temperature: 32o F to 120o F (0o C to 49o C)
• For indoor use in a dry location only
Mounting and Installation
The ANN-LED Module is supplied with a metal backbox, mounting bracket, and cover. Refer to
the ANN-LED Installation Document #53032 for more information.
Figure 2.20 ANN-LEDs (shown in possible stacked configuration)
ann-ledstacked.wmf
Figure 2.21 Exploded View of ANN-LED
ann-led.wmf

50 MS-9050 Series Manual — P/N 52413:G 4/14/2014
Installation ANN-BUS Devices
ANN-LED Board Layout and Connection to FACP
Figure 2.22 illustrates the ANN-LED board showing locations of screw terminals for connection to
the FACP and the DIP switches for selecting the ANN-BUS ID number.
2.9.7 ANN-RLY Relay Module
The ANN-RLY relay module provides 10 programmable Form-C relays when used with a compat-
ible FACP.
Specifications
• Operating Voltage: 24 VDC
• Max. Current:
Alarm: 75 mA
Standby: 15 mA
• Operating Temperature: 32o F to 120o F (0o C to 49o C)
• For indoor use in a dry location only
Figure 2.22 ANN-LED Connection to FACP
ANN-LED
+24 VDC
-24 VDC
ANN-BUS and power wiring are
supervised and power-limited
MS-9050UD
Primary ANN-BUS
Ground wire from mounting screw to
FACP Earth Ground stud is required
for some Canadian applications.
(Refer to “ANN-LED Annunciator
Installation for Canadian
Applications” on page 181).
ANN-BUS (ID#)
Address DIP switch
annledto9050ud.wmf

MS-9050 Series Manual — P/N 52413:G 4/14/2014 51
ANN-BUS Devices Installation
Mounting and Installation
The ANN-RLY relay module can be mounted inside the FACP main circuit board chassis or inside
the ROME Series enclosure. Refer to the ANN-RLY Installation Document #53033 for instructions
on chassis mounting or to the ROME Series Installation Document #53530 for mounting in the sep-
arate backbox.
mounting holes
mounting hooks through
mounting slots
grounding wire
ANN-RLY
ANN-MBRLY
mounting bracket
mounting holes
mounting holes
FACP Backbox Installation
using ANN-MBRLY mounting bracket
FACP Chassis Installation
mounting holes
mounting holes
ANN-RLY on ANN-
MBRLY mounting
bracket
ROME Series Installation
using ANN-MBRLY mounting bracket
Figure 2.23 ANN-RLY Mounting Options
ann-rlyinchassis.wmf
ann_mbriyincab3.wmf
rome-relay-plate3.wmf

52 MS-9050 Series Manual — P/N 52413:G 4/14/2014
Installation ANN-BUS Devices
ANN-RLY Board Layout and Connection to FACP
Figure 2.24 illustrates the ANN-RLY board showing locations of screw terminals for connection to
the FACP and the DIP switches for selecting the ANN-BUS ID number.
2.9.8 ANN-LC Lite-Connect Module
Specifications
• Operating Voltage: 24 VDC
• Max. Current: 150 mA
• Operating Temperature: 32°F to 120°F (0°C to 49°C)
• For indoor use in a dry location only
Installation
Ensure that all power (AC and DC) has been removed from the FACP before installing the
ANN-LC.
Mounting
The ANN-LC mounts inside the FACP cabinet. Slide the two tabs of the bracket into the backbox
protrusions on the lower right side. Secure with the included self-tapping screw. Refer to the
ANN-LC Product Installation Document for more information.
Figure 2.24 ANN-RLY Connection to FACP
FACP
ANN-RLY
Primary ANN-BUS
+24 VDC
-24 VDC
ANN-BUS and power wiring are
supervised and power-limited
ANN-BUS (ID#)
Address DIP switch

MS-9050 Series Manual — P/N 52413:G 4/14/2014 53
ANN-BUS Devices Installation
Wiring the ANN-LC to the MS-9050UD
Without an ANN-SEC Card
The ANN-LC connects from the MS-9050UD via ribbon cable. Using the 21” ribbon cable,
connect the MS-9050UD at J13 to J3 on the ANN-LC. Run the ribbon cable up behind the
MS-9050UD board.
ANN-LC
backbox
protrusions
Figure 2.25 Mounting the ANN-LC into the Backbox
FLLCmnttabs.wmf
!
WARNING: OBSERVE PROPER ALIGNMENT (RED STRIPE ON CABLE)
CONNECTING MISMATCHED PINS WILL CAUSE PERMANENT DAMAGE TO THE BOARD.
WHEN ATTACHING THE RIBBON CABLE, BE SURE IT DOES NOT GET OVERLY TWISTED.
J13
J13
J3
MS-9050UD
ANN-LC
Figure 2.26 Wiring the ANN-LC Directly to the MS-9050UD
9050toFLLC.wmf
Do not
Use
Observe proper alignment!
(Red stripe on cable)
!
CAUTION: DO NOT CONNECT DOWNSTREAM DEVICES
WHEN USING THE RIBBON CABLE TO DIRECTLY CONNECT THE ANN-LC TO THE MS-9050UD,
DO NOT CONNECT ANY ANN-BUS DEVICES DOWNSTREAM FROM THE ANN-LC.

54 MS-9050 Series Manual — P/N 52413:G 4/14/2014
Installation ANN-BUS Devices
With an ANN-SEC Card
Connect the ANN-SEC as shown in Section 2.8.2. Connect TB1 on the ANN-SEC to TB1 on the
ANN-LC as shown below. Additional secondary ANN-BUS devices can be connected to TB2 on
the ANN-LC.
Programming
Following installation and wiring of the ANN-LC module to the FACP, the module must be added
to the system via FACP programming. Select the LCD option for system programming. Refer to the
programming section titled “Lite-Connect” on page 91 in this manual for detailed programming
information.
J13
TB1
J1
ANN-SEC
B A+ -
+ - B A
to ANN-BUS
devices
downstream
MS-9050UD
ANN-LC
TB1 TB2
TB1
Figure 2.27 Wiring the ANN-LC to the MS-9050UD Via the ANN-SEC Card
9050sectoFLLC.wmf
power-
limited,
supervised
power-
limited,
supervised
Note: Figure 2.27 is just a
graphical representation for
terminal wiring purposes only.
Actual wiring from the ANN-SEC
to the ANN-LC should be run
behind the board, between the
board and chassis. Maintain at
least 0.25” (6.35 mm) spacing
between power-limited and
nonpower-limited circuit wiring.

MS-9050 Series Manual — P/N 52413:G 4/14/2014 55
Section 3: Programming
3.1 Programming Data Entry
Programming can be accomplished using the MS-9050UD keypad or by connecting an optional
standard computer keyboard. The keyboard can be connected to the PS-2 connector J6 on the con-
trol panel main circuit board.
The information presented in this section refers to programming the MS-9050UD via the onboard
keypad. If an optional computer keyboard is connected to the MS-9050UD main circuit board, the
following table describes the keyboard keys which correspond to the onboard keypad keys.
NOTICE TO USERS, INSTALLERS, AUTHORITIES HAVING JURISDICTION AND OTHER INVOLVED PARTIES
This product incorporates field-programmable software. In order for the product to comply with the requirements in the Standard for
Control Units and Accessories for Fire Alarm Systems, UL 864, certain programming features or options must be limited to specific
values or not used at all as indicated below:
Program feature
or option Permitted in
UL 864? (Y/N) Possible settings Settings permitted in UL
864
Trouble Call Limit N
Refer to “Trouble Call Limit (Dialer Runaway Prevention)” on
page 107.
Trouble Call Limit = 0 (factory default): unlimited calling to
Central Station for any trouble condition
Trouble Call Limit = 1 - 99: limits call for each unique trouble
to from 1 to 99 within a 24 hour period
Trouble Call Limit = 0
for unlimited Central Station
trouble calls
Remote Download Y
Refer to “Remote Download” on page 150.
Remote Download - Proprietary No
Remote Download - Proprietary Yes
Remote Download
Proprietary Yes for
Proprietary Installations Only
Keypad Keys Computer Keyboard Keys
1st Event Home
CLR Delete
ESC Esc
RECALL Insert
**
##
A - Z A - Z
0 - 9 0 - 9
(on QZ key) Space bar
——
//
••
ENTER Enter
ACK/STEP F1
SILENCE F2
DRILL F3
RESET F4

56 MS-9050 Series Manual — P/N 52413:G 4/14/2014
Programming User Programming
3.2 User Programming
The MS-9050UD is completely field programmable and requires no special software skills. While
programming the MS-9050UD, the fire protection capabilities of the control panel are enabled.
Site-specific programming may be accomplished in three ways:
•Autoprogramming Feature - This is a convenient method for quickly bringing the FACP
addressable SLC devices on-line without the necessity of programming each device
individually. Refer to “Autoprogram” on page 58 for a detailed description of
Autoprogramming
• Manual programming or editing, using the FACP keypad or a PC keyboard
• Off-line Programming and Editing Feature - allows creation and editing of site-specific custom
programs using a Windows-based computer. For programs requiring a large amount of data
entry, this method may be preferred. A PK-CD programming kit can be ordered for this
purpose
The System All Normal screen will be displayed in a programmed system with no active alarms,
troubles or supervisories, as illustrated below:
Read Status and Manual Dial mode can be entered while the panel is in any mode of operation.
Manual Dial mode, however, cannot be entered while the panel is communicating with the Central
Station. If an alarm or supervisory event exists at the panel, the event must be cleared before enter-
ing Programming mode. To access any of the programming or read status features, the Enter or
Mode key must be pressed, which will cause the LCD to display the following:
Pressing 1, while this screen is being displayed, will cause the control panel to enter the Read Sta-
tus Mode which allows the user to view the programmed features and status of the control panel
The Read Status feature is not password protected. Refer to“Read Status” on page 136 for a
detailed description of this feature.
Pressing 2 will select user Programming Mode which may only be accomplished by an authorized
person. After pressing 2, a screen will prompt for a password. After entering the correct password,
the user may select from a list of programming options.
Pressing 3 will select the Manual Dial Mode which allows the user to enter a troubleshoot mode of
operation.
Pressing 4 will select Remote Download which allows the user to enable the remote programming
option. Refer to“Remote Download” on page 150.
Exit Programming, Read Status, and Manual Dial Mode
The programmer can exit any mode by repeatedly pressing the keypad ESC (Escape) key until the
display reads System All Normal. Note that the data which is entered during Programming mode
is not saved until the programmer exits this mode by repeatedly pressing the ‘ESC’ key. If the Reset
key is pressed or power is lost before exiting Programming mode, all data just entered will be lost.
User Programming Levels
There are two user programming levels:
• User Master Program Level 1 is used for programming panel specific data relating to device
types, zoning, messages, control panel functions, etc.
SYSTEM ALL NORMAL
10:00A 012110
1=READ STATUS MODE
2=PROGRAMMING MODE
3=MANUAL DIAL MODE
4=REMOTE DOWNLOAD

MS-9050 Series Manual — P/N 52413:G 4/14/2014 57
Initial Power-up Programming
• User Maintenance Program Level 2 is used by a qualified operator to access features such as
Disable/Enable, View and Clear History, Walktest and System Time Change.
3.3 Initial Power-up
The following sections describe the initial programming procedures for a new system. The same
procedures are used to modify programming in an existing system.
After completing the wiring of addressable devices to the SLC, apply power to the control panel. If
the addressable devices have not yet been programmed into the FACP, their LEDs will not flash and
the following trouble message will be displayed.
3.4 Programming Screens Description
Four options are available when the Enter key is pressed: Read Status, Programming, Manual Dial
Mode and Remote Download. The Read Status and Programming options have multiple functions
or features which may be chosen. To view all of the choices, it is necessary that the programmer
scroll through a number of additional subscreens. These selections are displayed on multiple
screens to make them more readable for the programmer. Refer to “Master Programming Level”
on page 58, for additional information on the various screens.
The title of the main option screen will always be displayed at the top of the subscreens for the pro-
grammer’s convenience. If additional subscreens exist, an Up or Down arrow will be displayed in
the upper right corner of the screen being viewed. The programmer can then press the keypad Up
or Down arrow key to view the new subscreen. To select one of the choices in a screen, the pro-
grammer presses the keypad numerical key corresponding to the desired choice.
Note that subscreens may also have multiple options which require viewing more than one screen.
The same process, as detailed in the previous paragraphs, is followed to view all option choices.
3.5 Programming and Passwords
There are two factory set programming passwords which will access the Programming screens as
indicated in the following examples. From either of the screens, access to specific system and
device features or programming may be obtained. All user programming entries are stored in non-
volatile memory. The factory set passwords can be changed by the user as described in “Password
Change” on page 118. If an invalid password is entered, the blinking cursor will return to the first
password character position. To exit Programming, Read Status, Manual Dial mode or Remote
Download at any time, press the ESC (Escape) key repeatedly. Note that Programming mode must
be exited using the ESC key in order to store the program data entered during this mode. If the
Reset key is pressed or power is lost before exiting Programming mode, the data just entered will
not be saved.
To access user Programming mode, press the Enter or Mode key. The LCD will display the follow-
ing:
TROUBL IN SYSTEM
NO DEVICES INSTALLED
09:03A 012110
1=READ STATUS MODE
2=PROGRAMMING MODE
3=MANUAL DIAL MODE
4=REMOTE DOWNLOAD

58 MS-9050 Series Manual — P/N 52413:G 4/14/2014
Programming Master Programming Level
To enter the user Programming mode, press 2. The display will read as follows:
Entering the Master level password (default 00000) will cause the following screen to appear:
If the Maintenance level password (default 11111) is entered, the following screen will appear:
Note that in the two preceding screens, an arrow appears to inform the programmer that additional
options can be viewed by pressing the keypad down arrow key.
3.6 Master Programming Level
When the Master Program Level password is entered, the control panel will enter user Program-
ming mode. In this mode, the piezo sounder remains off, the trouble relay is activated and the sys-
tem Trouble LED flashes until Programming mode is exited. The following display will appear:
The down arrow which appears in the display indicates that additional programming choices can be
viewed by pressing the down arrow key on the keypad. If a down and up arrow appear in the dis-
play, pressing the ‘down’ arrow key will display the subsequent Programming Screens as illustrated
below while pressing the ‘up’ arrow key will display the previous screen.
3.6.1 Autoprogram
Pressing 1 while viewing Programming Screen #1, will select the Autoprogram option, which
prompts the control panel to poll all devices installed on the SLC loop. The primary purpose of
autoprogramming is to allow the installer a fast and easy way to bring the system on-line as quickly
as possible. The first time the system is powered-up, it should be autoprogrammed.
If the system is already programmed and Autoprogram is initiated, the system will only add default
values for newly installed devices.
PROGRAMMING
ENTER PASSWORD
QQQQQ
PROGRAMMING
1=AUTOPROGRAM
2=POINT PROGRAM
3=ZONE SETUP
PROGRAMMING
1=POINT PROGRAM
2=HISTORY
3=PROGRAM CHECK
PROGRAMMING
1=AUTOPROGRAM
2=POINT PROGRAM
3=ZONE SETUP
Programming Screen #1
PROGRAMMING
1=LOOP SETUP
2=SYSTEM SETUP
3=VERIFY LOOP
PROGRAMMING
1=HISTORY
2=WALKTEST
3=OPTION MODULES
PROGRAMMING
1=PASSWORD CHANGE
2=CLEAR PROGRAM
3=PROGRAM CHECK
Programming Screen #2 Programming Screen #3 Programming Screen #4
PROGRAMMING
1=AUTOPROGRAM
2=POINT PROGRAM
3=ZONE SETUP
Programming Screen #1

MS-9050 Series Manual — P/N 52413:G 4/14/2014 59
Master Programming Level Programming
When Autoprogram is selected, the control panel will begin autoprogramming the system by com-
municating with each addressable device installed on the SLC loop. While autoprogramming, the
panel will display the following:
When Autoprogramming is completed, the control panel will display the type and quantity of each
device installed on the SLC loop similar to the following display:
In the preceding example, the display indicates that the SLC Loop has 22 addressable detectors, 15
monitor modules and 10 control modules installed.
Pressing the ESC key will return the display to Programming Screen #1.
3.6.2 Point Program
The Point Program option allows the programmer to add a new addressable device to an SLC loop,
delete an existing device from a loop or change the programming for an existing device. Pressing
2, while viewing Programming Screen #1, will select the Point Program option and display the fol-
lowing screen:
Detector Programming
Pressing 1, while viewing the Point Program Screen, will allow the programmer to add, delete or
change the programming of an addressable detector. The following screen will be displayed by the
control panel:
Add Detector
Pressing 1 while viewing the Detector Screen will display the following screen which allows the
programmer to add a new detector address to programming:
A flashing cursor will appear in the position of the first asterisk to the left. The programmer keys in
the three digit detector address, such as 005.
AUTOPROGRAM
AUTOPROGRAMMING!
PLEASE WAIT
Autoprogram Progress Screen
# OF DET LOOP1 022
# OF MON LOOP1 015
# OF CON LOOP1 010
Autoprogram Result Screen #1
PROGRAMMING
1=AUTOPROGRAM
2=POINT PROGRAM
3=ZONE SETUP
Programming Screen #1
POINT PROGRAM
SELECT TYPE
1=DETECTOR
2=MODULE
Point Program Screen
DETECTOR
1=ADD
2=DELETE
3=EDIT
Detector Screen
ADD DETECTOR
ENTER DETECTOR#
QQQ
Add Detector Screen

60 MS-9050 Series Manual — P/N 52413:G 4/14/2014
Programming Master Programming Level
When the last digit is keyed-in, the following screen will be displayed:
Press the down arrow key to view additional choices. Press the number corresponding to the
desired selection to program that type to the newly added detector.
When the type has been selected, the following screen will be displayed:
The programmer can continue adding detectors by pressing the ESC key which will return the dis-
play to the Add Detector Screen.
Delete Detector
Pressing 2 in the Detector Screen will display the Delete Detector Screen which allows the pro-
grammer to delete a specific detector:
A flashing cursor will appear in the position of the first asterisk to the left. The programmer keys in
the three digit detector address, such as 005. When the last digit is keyed-in, the following screen
will be displayed:
The programmer can continue deleting detectors by pressing the ESC key which will return the dis-
play to the Delete Detector Screen.
Edit Detector
The programmer can change a detector’s existing or factory default programming by pressing 3 in
the Detector Screen. The following screen will be displayed:
A flashing cursor will appear in the position of the first asterisk to the left. The programmer keys in
the three digit detector address, such as 017.
When the last digit is keyed-in, if the selected address has not been added to programming, a screen
showing information about a device that is installed with a lower address, closest to the selected
address, will be displayed.
If no detectors have been installed on the loop, the following will be displayed:
DETECTOR TYPE
1=SMOKE(PHOTO)
2=USER-DEFINED-1
3=SMOKE(ION)
ADD DETECTOR
DETECTOR# 005
IS ADDED
DETECTOR
1=ADD
2=DELETE
3=EDIT
Detector Screen
DELETE DETECTOR
ENTER DETECTOR#
QQQ
Delete Detector Screen
DELETE DETECTOR
DETECTOR# 005
IS DELETED
EDIT DETECTOR
ENTER POINT ADDRESS
QQQ
Edit Detector Screen
NO DETECTOR
INSTALLED
Edit Detector Screen #1

MS-9050 Series Manual — P/N 52413:G 4/14/2014 61
Master Programming Level Programming
If the selected address has been added to programming, device summary screens will be displayed.
These screens allow the programmer to view all device settings at a single glance. Pressing the left
or right arrow keys will allow the programmer to rapidly view the devices at the previous or next
address (if installed).
If a detector (such as a photoelectric detector) with the selected address is not physically installed
on the SLC or has a communication fault but the address is programmed in the system, the follow-
ing screen will be displayed:
If the selected address has been added to programming and a detector (such as a photoelectric
detector) with the selected address is physically installed on the SLC and is communicating with
the control panel, the following will be displayed:
To change the programming for the displayed detector, press the keyboard ‘down’ arrow key to
view the Edit Detector screens.
In the preceding example:
Normal - indicates that the detector with the selected address is physically installed on the
SLC and communicating with the control panel (enabled)
<ADJ><NOUN> - represents the adjective and noun, which have been programmed,
describing the location of the displayed device
ZNNN - represents the first of five possible software zones that the detector is assigned to
(NNN = the three digit zone number from 000 - 019)
V or * - indicates whether or not alarm verification is enabled (V = alarm verification
enabled and * = alarm verification disabled)
1D017 - represents the Loop, Device type and Device address (1 = SLC Loop, D=Detector
and 017 = Detector Address 017)
The following examples show the editing of a photoelectric smoke detector with address 017,
located on the SLC loop:
Enable/Disable Detector
To Enable or Disable the detector, press the 1 key while viewing the Edit Detector Screen #2. Each
press of the key will toggle the screen between Enabled Yes and Enabled No. If Enabled No is
selected, the detector will not be polled by the control panel, preventing the detector from reporting
alarms and troubles to the panel. The control panel will display the device type and address which
has been disabled and will turn on the Trouble LED.
TROUBL SMOKE(PHOTO)
<ADJ><NOUN>
ZNNN
Q 1D017
Edit Detector Screen #1
NORMAL SMOKE (PHOTO)
<ADJ><NOUN>
ZNNN
V 1D017
Edit Detector Screen #1
EDIT DETECTOR 1D017
1=ENABLED YES
2=TYPE SMOKE(PHOTO)
3=VERIFICATION OFF
Edit Detector Screen #2
EDIT DETECTOR 1D017
1=WALKTEST NO
2=PAS NO
3=PRE-SIGNAL NO
Edit Detector Screen #3
EDIT DETECTOR 1D017
1=ZONE ASSIGNMENT
00 QQ QQ QQ QQ
Edit Detector Screen #4 Edit Detector Screen #5
EDIT DETECTOR 1D017
1=ADJECTIVE/NOUN
2=DESCRIPTION
QQQQQQQQQQQQQQQQQQQQ
EDIT DETECTOR
1=ENABLED
2=TYPE
3=VERIFICATION
Edit Detector Screen #2

62 MS-9050 Series Manual — P/N 52413:G 4/14/2014
Programming Master Programming Level
Type
To select the type of detector being programmed, press the 2 key while viewing the Edit Detector
Screen #2. This will cause the control panel to display the following Detector Type Screen:
Pressing the down arrow key will display additional detector types as indicated in the following
table.
While viewing any Detector Type screen, select the type of detector being programmed by pressing
the corresponding keyboard number key. The display will return to Edit Detector Screen #2 and
indicate the selection next to the Type option.
Verification
Alarm verification is used to confirm that a smoke detector activation is a true alarm condition and
not a false alarm. This feature is selected by pressing 3 while viewing the Edit Detector Screen #2
so that the display reads Verification On. Each time the 3 key is pressed, the display will toggle
between Verification On and Verification Off. For a detailed description, refer to “Alarm Verifica-
tion (None or One Minute)” on page 135.
Walktest
The Walktest feature allows one person to test the system devices without the necessity of manually
resetting the control panel after each device activation. To enable a device for the Walktest feature,
press 1 while viewing the Edit Detector Screen #3 until the display reads Walktest Yes. Each press
of the 1 key will cause the display to toggle between Walktest Yes and Walktest No. Refer to “Walk-
test” on page 136.
Detector Type Action When Activated
Smoke Photo Fire Alarm
User-Defined-1 same as previous (Smoke Photo)
Smoke Ion Fire Alarm
User-Defined-2 same as previous (Smoke Ion)
Heat Detect Fire Alarm
User-Defined-3 same as previous (Heat Detect)
Smoke DuctP Fire Alarm
User-Defined-4 same as previous (Smoke DuctP)
Photo w/Heat Fire Alarm
User-Defined-5 same as previous (Photo w/Heat)
Duct Superv Supervisory, latching
User-Defined-6 same as previous (Duct Superv)
Photo Superv Supervisory, latching
User-Defined-7 same as previous (Photo Super)
future not used
EDIT DETECTOR
1=ENABLED
2=TYPE
3=VERIFICATION
Edit Detector Screen #2
DETECTOR TYPE
1=SMOKE(PHOTO)
2=USER-DEFINED-1
3=SMOKE (ION)
Detector Type Screen #1
NOTE: If a detector is selected to be a SUPERV DUCTP type, it will function like a
supervisory point not a fire alarm point. The supervisory LED and supervisory relay will
activate, not the fire alarm LED or alarm relay, if the detector senses smoke.
EDIT DETECTOR
1=WALKTEST
2=PAS
3=PRE-SIGNAL
Edit Detector Screen #3

MS-9050 Series Manual — P/N 52413:G 4/14/2014 63
Master Programming Level Programming
PAS
The PAS (Positive Alarm Sequence) option will program the detector to delay panel activation
(including alarm relay and communicator) for a period of 15 seconds plus a programmable time of
up to 3 minutes. Zone 17, however, will activate immediately and may be used to connect a signal-
ing device to indicate PAS activation (do not use a Notification Appliance Circuit for this purpose).
To enable the PAS feature, press 2 while viewing the Edit Detector Screen #3 until the display reads
PAS Yes. Each press of the 2 key will cause the display to toggle between PAS Yes and PAS No.
Refer to “Positive Alarm Sequence” on page 134.
For example, if a detector with address 005 is to be configured for PAS operation:
Select PAS Yes when editing the detector set to address 005
Program the desired zone or zones to be activated by this detector, in this example Z001
Program an output, such as a control module that is to be activated by detector 005 by
assigning the same zone to it; in this example Z001
Program an output, such as a control module, for PAS activation by assigning zone Z17 to it.
This control module may be connected to a signaling device used to indicate a PAS
condition (do not use a Notification Appliance Circuit for this purpose)
Enable zones Z001 and Special Purpose Zone PAS 17 and set the PAS delay timer to some
value
With the preceding program settings, when the detector with address 005 is activated, zone Z17
will cause its associated control module to activate immediately, sounding the connected PAS sig-
naling device. Following the PAS delay time, zone Z001 will cause its associated control module
to activate and the control panel will initiate an alarm condition.
Note that a detector can be enabled for either PAS or Pre-signal but not both.
Pre-signal
The Pre-signal option programs the detector to delay panel activation for a preprogrammed time
delay of up to three minutes while allowing for visual verification by a person. Note that the alarm
relay and communicator will respond to the initial alarm immediately. In addition, Zone 18 will
activate. This zone can be programmed to a control module which may be used to activate a
sounder or indicator which the installer designates as a Presignal indication (do not use a Notifica-
tion Appliance Circuit for this purpose). To enable the Pre-signal feature, press 3 while viewing
Edit Detector Screen #3 until the display reads Pre-signal Yes. Each press of the 3 key will cause
the display to toggle between Pre-signal Yes and Pre-signal No. Refer to “Presignal” on page 134.
For example, if a detector with address 005 is to be configured for Pre-Signal operation:
Select Pre-signal Yes when editing the detector set to address 005
Program the desired zone or zones to be activated by this detector, in this example Z001
Program an output, such as a control module that is to be activated by detector 005 by
assigning the same zone to it; in this example Z001
Program an output, such as a control module, for Pre-signal activation by assigning zone
Z18 to it. This control module may be connected to a signaling device used to indicate a
Pre-signal condition (do not use a Notification Appliance Circuit for this purpose)
Enable zones Z001 and Special Purpose Zone Pre-signal 18 and set the Pre-signal delay
timer to some value
With the preceding program settings, when the detector with address 005 is activated, zone Z18
will cause its associated control module to activate immediately, sounding the connected signaling
device to indicate the Pre-signal condition. Following the Pre-signal delay time, zone Z001 will
cause its associated control module to activate and the control panel will initiate an alarm condition.
Note that a detector can be enabled for either PAS or Pre-signal but not both.
EDIT DETECTOR
1=WALKTEST
2=PAS
3=PRE-SIGNAL
Edit Detector Screen #3

64 MS-9050 Series Manual — P/N 52413:G 4/14/2014
Programming Master Programming Level
Zone Assignment
A maximum of five zones can be programmed to each addressable detector. Pressing 1 while view-
ing Edit Detector Screen #4 displays the following screen:
Note that Z** represents the Zone Number(s) corresponding to this device. The factory default for
an unprogrammed device is Z00 for general alarm zone. A flashing cursor will appear on the first 0
to the left. Enter the two digit number corresponding to the zone that is to be assigned to this
device. The cursor moves to the next Z** designation. Continue entering zone assignments or the
remaining zones can be left blank or programmed as general alarm zone Z00. When all desired
changes have been made, press the Enter key to store the zone assignments. The display will return
to the Edit Detector Screen #4. Note that the left and right arrow keys can be used to navigate
through the zones and the CLEAR key can be used to quickly clear a zone.
Adjective/Noun
The Adjective/Noun selection allows the programmer to enter specific descriptors about the detec-
tor currently being programmed. Pressing 1 while viewing Edit Detector Screen #5 will cause the
following screen to be displayed:
Pressing 1 while viewing the Adjective/Noun Screen will cause the following screen(s) to be dis-
played. Note that the keyboard down arrow key must be pressed to see all the Adjective screens.
Press the number corresponding to the adjective that is to be used as a descriptor for the location of
the detector currently being programmed. When an adjective has been selected, it will appear at the
top of the display as indicated by the asterisks.
EDIT DETECTOR
1=ZONE ASSIGNMENT
00 QQ QQ QQ QQ
Edit Detector Screen #4
ZONE ASSIGNMENT
Z00 ZQQ ZQQ ZQQ ZQQ
Zone Assignment Screen
EDIT DETECTOR
1=ADJECTIVE/NOUN
2=DESCRIPTION
QQQQQQQQQQQQQQQQQQQ
Edit Detector Screen #5
1=STANDARD ADJECTIVE
2=STANDARD NOUN
3=CUSTOM ADJECTIVE
4=CUSTOM NOUN
Adjective/Noun Screen
1=STANDARD ADJECTIVE
2=STANDARD NOUN
3=CUSTOM ADJECTIVE
4=CUSTOM NOUN
Adjective/Noun Screen
QQQQQQQQQQQQQQQQQQQQ
1=NORTH
2=SOUTH
3=EAST
Adjective Screen #1
QQQQQQQQQQQQQQQQQQQQ
1=WEST
2=FRONT
3=CENTER
Adjective Screen #3
QQQQQQQQQQQQQQQQQQQQ
1=REAR
2=UPPER
3=LOWER
Adjective Screen #5
QQQQQQQQQQQQQQQQQQQQ
1=MAIN
2=FIRST
3=2ND
Adjective Screen #7
QQQQQQQQQQQQQQQQQQQQ
1=3RD
2=4TH
3=5TH
Adjective Screen #2
QQQQQQQQQQQQQQQQQQQQ
1=FLOOR4
2=FLOOR5
3=ROOM
Adjective Screen #6
QQQQQQQQQQQQQQQQQQQQ
1=FLOOR1
2=FLOOR2
3=FLOOR3
Adjective Screen #4

MS-9050 Series Manual — P/N 52413:G 4/14/2014 65
Master Programming Level Programming
Pressing 2 while viewing the Adjective/Noun Screen will cause the following screen(s) to be dis-
played. Note that the keyboard down arrow key must be pressed to see all the Noun screens. Press
the number corresponding to the noun that is to be used as a descriptor for the location of the detec-
tor currently being programmed. When a noun has been selected, it will appear at the top of the
display as indicated by the asterisks.
Pressing 3 or 4 while viewing the Adjective/Noun Screen will display screens similar to the previ-
ous Adjective and Noun Screens. The new screens will list custom Adjectives and Nouns which
have been programmed into the control panel by the user utilizing the PK-CD programming kit.
These descriptors are selected as described in the previous sections.
Description
The Description selection allows the programmer to enter additional information about the detector
currently being programmed. This information will be displayed as part of the device label on the
display. Pressing 2 while viewing Edit Detector Screen #5 will cause the following screen to be
displayed:
A flashing cursor will appear at the first asterisk to the left. The programmer can enter additional
descriptive information about the device being programmed. This information will appear on the
display along with the standard device label information.
A maximum of 20 characters (including spaces) can be entered. To enter alphanumeric characters
from the keypad, repeatedly press the appropriate key until the desired character is displayed in the
first position. For example, to enter the letter B, press the 2 (ABC) key three times to toggle
through the characters 1, A, and B. Press the right arrow key to move the cursor one position to the
right and repeat the process to enter the next character. To enter a space, press the * (QZ) key four
times until a blank appears in the desired position. When all characters have been entered, press the
Enter key to store the information. The display will return to the Edit Detector Screen #5, display-
ing the new information at the bottom of the screen.
1=STANDARD ADJECTIVE
2=STANDARD NOUN
3=CUSTOM ADJECTIVE
4=CUSTOM NOUN
Adjective/Noun Screen
QQQQQQQQQQQQQQQQQQQQ
1=BASEMENT
2=BOILER RM
3=CLASSROOM
Noun Screen #1
QQQQQQQQQQQQQQQQQQQQ
1=CLOSET
2=CORRIDOR
3=ELECTRIC RM
Noun Screen #3
QQQQQQQQQQQQQQQQQQQQ
1=ELEVATOR
2=ENTRANCE
3=FLOOR
Noun Screen #5
QQQQQQQQQQQQQQQQQQQQ
1=GARAGE
2=HALLWAY
3=HVAC RM
Noun Screen #7
QQQQQQQQQQQQQQQQQQQQ
1=KITCHEN
2=LOBBY
3=OFFICE
Noun Screen #2
QQQQQQQQQQQQQQQQQQQQ
1=STAIRWAY
2=STOREROOM
3=WING
Noun Screen #6
QQQQQQQQQQQQQQQQQQQQ
1=PATIENT
2=RESTROOM
3=ROOM
Noun Screen #4
QQQQQQQQQQQQQQQQQQQQ
1=ZONE
Noun Screen #8
1=STANDARD ADJECTIVE
2=STANDARD NOUN
3=CUSTOM ADJECTIVE
4=CUSTOM NOUN
Adjective/Noun Screen
EDIT DETECTOR
1=ADJECTIVE/NOUN
2=DESCRIPTION
Edit Detector Screen #5
DESCRIPTION 1D002
QQQQQQQQQQQQQQQQQQQQ
Adjective/Noun Screen

66 MS-9050 Series Manual — P/N 52413:G 4/14/2014
Programming Master Programming Level
Recall/Increment Function
In addition, the user may use the Recall/Increment function at any time when the cursor is on the
first letter of the Description, Adjective or Noun field as follows:
• If the zero key is pressed, a 0 is placed in the first letter position.
• If the zero key is then pressed a second time with no intervening key actions, the entire field is
replaced with the field entered for the previous device programmed, and the cursor moves to
the last character of the field (Recall function). The Recalled Adjective or Noun field may
now be changed letter-by-letter.
• If the zero key is pressed again with no other intervening key actions and the last character in
the field is a number 0-9, the number is incremented by one (9 will change to 0). If the last
character is a letter, it changes to a 0.
• The above increment function may be repeated with each press of the zero key.
As an example, the user could quickly enter ‘FLR_3_ROOM_305’ as follows:
1. The cursor is on the first letter of the Adjective field. Press the zero key twice to display
FLR_3.
2. With the cursor on the first letter of the Noun field, press the zero key twice to recall the dis-
play ROOM_304. The cursor automatically jumps from the first to the last letter of the Noun
field.
3. With the cursor on the last letter of the Noun field, press the zero key again to increment the
room number to 305.
4. Press the Enter key to store the information.
Module Programming
Pressing 2, while viewing Point Program Screen #2, will allow the programmer to add, delete or
change the programming of an addressable module. The following screen will be displayed by the
control panel:
Add Module
Pressing 1 while viewing the Modules Screen will display the following screen which allows the
programmer to add a new module address to programming:
A flashing cursor will appear in the position of the first asterisk to the left. The programmer keys in
the three digit module address, such as 006.
When the last digit is keyed-in, the following screen will be displayed:
POINT PROGRAM
SELECT TYPE
1=DETECTOR
2=MODULE
Point Program Screen #2
MODULES
1=ADD
2=DELETE
3=EDIT
Modules Screen
ADD MODULE
ENTER MODULE#
QQQ
Add Module Screen #1
ADD MODULE
1=CONTROL
2=MONITOR
Add Module Screen #2

MS-9050 Series Manual — P/N 52413:G 4/14/2014 67
Master Programming Level Programming
Pressing 1 for Control Module or 2 for Monitor Module will cause the following screen to be dis-
played:
The programmer can continue adding modules by pressing the ESC or left arrow key which will
return the display to the Add Module Screen #1.
Delete Module
Pressing 2 in the Modules Screen will display the Delete Module Screen which allows the pro-
grammer to delete a specific module:
A flashing cursor will appear in the position of the first asterisk to the left. Using the panel keypad,
key in the module address such as 006. When the last digit is keyed in, the following confirmation
that the module has been deleted will be displayed:
Edit Module Screen for Monitor Module
The programmer can change a modules existing or factory default programming by pressing 3 in
the Modules Screen. The following screen will be displayed:
A flashing cursor will appear in the position of the first asterisk to the left. The programmer keys in
the three digit module address, such as 012.
When the last digit is keyed-in, if the selected address has not been added to programming, a screen
showing information about a device that is installed with a lower address, closest to the selected
address, will be displayed. If no modules are installed on the loop, the following screen will be dis-
played:
If the selected address has been added to programming but a module (such as a monitor module)
with the selected address is not physically installed on the SLC or has a communication fault, the
following screen will be displayed:
ADD MODULE
MODULE# 006
IS ADDED
Add Module Screen #3
MODULES
1=ADD
2=DELETE
3=EDIT
Modules Screen
DELETE MODULE
ENTER MODULE#
QQQ
Delete Module Screen
DELETE MODULE
MODULE# 006
IS DELETED
EDIT MODULE
ENTER MODULE ADDRESS
QQQ
Edit Module Screen
NO MODULE
INSTALLED
Edit Module Screen
TROUBL MONITOR
<ADJ><NOUN>
ZNNN
Q 1M012

68 MS-9050 Series Manual — P/N 52413:G 4/14/2014
Programming Master Programming Level
If the selected address has been added to programming and a module (such as a monitor module)
with the selected address is physically installed on the SLC and is communicating with the control
panel, the following screen will be displayed:
To change the programming for the displayed module, press the keyboard down arrow key to view
the following Edit Monitor screens.
In the preceding example:
Normal - indicates that the module with the selected address is physically installed on the
SLC and communicating with the control panel (enabled)
<ADJ><NOUN> - represents the adjective and noun, which have been programmed,
describing the location of the displayed device
ZNNN - represents the first of five possible software zones that the module is assigned to
(NNN = the two digit zone number from 000 - 019)
1M012 - represents the Loop, Device type and Device address (1 = SLC Loop 1, M=Module
and 012 = Module Address 012)
W or * - indicates whether or not the device is programmed for Walktest (W = programmed
for walktest, * = not programmed for walktest).
If the selected address corresponds to a control module, a screen displaying information about the
control module with the selected address will be displayed as shown in “Edit Module Screen for
Control Modules” on page 73.
If the selected address corresponds to a monitor module, a screen displaying information about the
module with the selected address will be displayed as illustrated in the following:
Enable/Disable Module
To Enable or Disable the monitor module, press the 1 key while viewing the Edit Module Screen
#2. Each press of the key will toggle the screen between Enabled Yes and Enabled No. If Enabled
No is selected, the module will not be polled by the control panel, preventing the module from
reporting alarms and troubles to the panel. The control panel will indicate a system trouble condi-
tion if any devices are disabled.
Type Monitor
Using the PK-CD Upload/Download utility program, unique user-defined monitor types can be cre-
ated and loaded into the FACP for later use. The FACP response to the activation of a user-defined
type is the same as most previous standard types in the list, thus allowing a variety of user-defined
NORMAL MONITOR
<ADJ><NOUN>
ZNNN
W 1M012
NORMAL MONITOR
<ADJ><NOUN>
ZNNN
1M012
EDIT MONITOR 1M012
1=ENABLED YES
2=TYPE MONITOR
Edit Monitor Screen #2
EDIT MONITOR 1M012
1=PRE-SIGNAL NO
Edit Monitor Screen #3
EDIT MONITOR 1M012
1=WALKTEST YES
2=ZONE ASSIGNMENT
00 QQ QQ QQ QQ
Edit Monitor Screen #4
EDIT MONITOR 1M012
1=ADJECTIVE/NOUN
2=DESCRIPTION
QQQQQQQQQQQQQQQQQQQQ
Edit Monitor Screen #5
EDIT MONITOR
1=ENABLED
2=TYPE MONITOR
Edit Monitor Screen #2

MS-9050 Series Manual — P/N 52413:G 4/14/2014 69
Master Programming Level Programming
types and responses. To select the type of monitor module being programmed, press the 2 key
while viewing the Edit Monitor Screen #2. This will cause the control panel to display the first
Monitor Type Screen as illustrated below
To view additional Monitor Type Screens, press the down arrow key. While viewing one of the
Monitor Type screens, select the type of monitor module being programmed by pressing the corre-
sponding keypad number key. The display will return to the Edit Monitor Screen #2 which will
show the new type selection. The following table lists all of the Monitor Types available for pro-
gramming and their respective functions.
Monitor module type selection will affect the function of the point as follows:
Monitor Type Action When Activated
Pull-Station Fire Alarm
User-Defined-1 Fire Alarm
Waterflow Fire Alarm Delayed (uses waterflow delay)
User-Defined-2 Fire Alarm Delayed (uses waterflow delay)
Monitor Fire Alarm
User-Defined-3 Fire Alarm
Future Use Future Use
Future Use Future Use
Smoke-Conventional1, 2 Fire Alarm
User-Defined-5 2Fire Alarm
Heat-Conventional 2Fire Alarm
User-Defined-6 2 Fire Alarm
Medic-Alert 3 Piezo, latching
User-Defined-7 Piezo, latching
Hazard-Alert 3 Piezo, latching
User-Defined-8 Piezo, latching
Tornado-Alert 3 Piezo, latching
User-Defined-9 Piezo, latching
Future Use Future Use
Future Use Future Use
Tamper Supervisory, nonlatching (tracking)
User-Defined-11 Supervisory, nonlatching (tracking)
Supervisory Supervisory, latching
User-Defined-12 Supervisory, latching
Supervisory-AR 4 Supervisory, nonlatching (tracking)
User-Defined-13 Supervisory, nonlatching (tracking)
HVAC OVRRIDE 5Switch Supervisory, nonlatching (tracking)
Power-Monitor AC Fault
User-Defined-14 AC Fault
Trouble-Monitor Trouble
User-Defined-15 Trouble
Proc-Mon 3 Piezo
User-Defined-16 Piezo
Procmon-AR 3, 4 Piezo, nonlatching (tracking)
User-Defined-17 Piezo, nonlatching (tracking)
Future Use Future Use
Future Use Future Use
Ack-Switch Acts like panel Acknowledge Key
Sil-Switch Acts like panel Alarm Silence Key
Reset-Switch Acts like panel Reset Key
Table 3.1 Monitor Types
MONITOR TYPE
1=PULL-STATION
2=USER-DEFINED-1
3=WATERFLOW
Monitor Type Screen #1

70 MS-9050 Series Manual — P/N 52413:G 4/14/2014
Programming Master Programming Level
Pre-signal
To enable the Pre-signal feature, press 1 while viewing Edit Monitor Screen #3 until the display
reads Pre-signal Yes. Each press of the 1 key will cause the display to toggle between Pre-signal
Yes and Pre-signal No. Refer to“Presignal” on page 134 for additional information.
Walktest
The Walktest feature allows one person to test the system devices without the necessity of manually
resetting the control panel after each device activation. To enable devices, which are connected to
a monitor module, for the Walktest feature, press 1 while viewing the Edit Monitor Screen #4 until
the display reads Walktest Yes. Each press of the 1 key will cause the display to toggle between
Walktest Yes and Walktest No. Refer to“Walktest” on page 136 for additional information.
Zone Assignment
A maximum of five zones can be programmed to each addressable monitor module. Pressing 2
while viewing Edit Monitor Screen #4 displays the following screen:
Note that Z** represents the Zone Number(s) corresponding to this device. The factory default for
an unprogrammed device is Z00 for general alarm zone. A flashing cursor will appear on the first 0
to the left. Enter the two digit number corresponding to the zone that is to be assigned to this
device. The cursor moves to the next Z** designation. Continue entering zone assignments or the
remaining zones can be left blank or programmed as general alarm zones Z00. When all desired
changes have been made, press the Enter key to store the zone assignments. The display will return
to the Edit Monitor Screen #4.
Drill-Switch Acts like panel Drill Key
PAS-Bypass PAS Disable
HVAC RESTART 5Switch
Drill-Switch AR 4 Acts like panel Drill Key, nonlatching (tracking) 6
1 Conventional 2-wire smoke detectors may be powered using an external power supply
with an SLC Control Relay Module programmed for Resettable Power operation. A
Control Relay Module set to the Resettable Power type will follow the main circuit
board 24 VDC resettable power unless the control module is disabled.
2 Use only these Monitor Type IDs for the Zone Modules (MMF-302). The Zone
Modules will not function correctly if any other Type ID is used.
3 Combination systems employing these non-fire monitor types require the SLC loop to
be programmed by the installer for Style 4 operation and isolator modules must be
employed on each non-fire branch of the SLC as per Figure 13 in the Fire-Lite SLC
Wiring Manual (document number 51309). Fire and non-fire devices must not be used
on the same SLC branch.
4 For entries ending in AR, AR refers to AutoResettable.
5 For HVAC RESTART AND HVAC OVRRIDE descriptions, refer to“HVAC Control” on
page 173.
6 Drill Switch Auto-Resettable turns on the NACs and any control module mapped to the
Drill Switch zone.
Table 3.1 Monitor Types
EDIT MONITOR
1=PRE-SIGNAL
Edit Monitor Screen #3
EDIT MONITOR
1=WALKTEST
2=ZONE ASSIGNMENT
00 QQ QQ QQ QQ
Edit Monitor Screen #4
MON ZONE ASSIGN
Z00 ZQQ ZQQ ZQQ ZQQ
Zone Assignment Screen

MS-9050 Series Manual — P/N 52413:G 4/14/2014 71
Master Programming Level Programming
Adjective/Noun
The Adjective/Noun selection allows the programmer to enter specific descriptors about the moni-
tor module currently being programmed. Pressing 1 while viewing Edit Monitor Screen #5 will
cause the following screen to be displayed:
Pressing 1 while viewing the Adjective/Noun Screen will cause the following screen(s) to be dis-
played. Note that the keyboard down arrow key must be pressed to see all the Adjective screens.
Press the number corresponding to the adjective that is to be used as a descriptor for the location of
the monitor module currently being programmed.
EDIT MONITOR
1=ADJECTIVE/NOUN
2=DESCRIPTION
QQQQQQQQQQQQQQQQQQQ
Edit Monitor Screen #5
1=STANDARD ADJECTIVE
2=STANDARD NOUN
3=CUSTOM ADJECTIVE
4=CUSTOM NOUN
Adjective/Noun Screen
1=STANDARD ADJECTIVE
2=STANDARD NOUN
3=CUSTOM ADJECTIVE
4=CUSTOM NOUN
Adjective/Noun Screen
QQQQQQQQQQQQQQQQQQQQ
1=NORTH
2=SOUTH
3=EAST
Adjective Screen #1
QQQQQQQQQQQQQQQQQQQQ
1=WEST
2=FRONT
3=CENTER
Adjective Screen #3
QQQQQQQQQQQQQQQQQQQQ
1=REAR
2=UPPER
3=LOWER
Adjective Screen #5
QQQQQQQQQQQQQQQQQQQQ
1=MAIN
2=FIRST
3=2ND
Adjective Screen #7
QQQQQQQQQQQQQQQQQQQQ
1=3RD
2=4TH
3=5TH
Adjective Screen #2
QQQQQQQQQQQQQQQQQQQQ
1=FLOOR 4
2=FLOOR 5
3=ROOM
Adjective Screen #6
QQQQQQQQQQQQQQQQQQQQ
1=FLOOR 1
2=FLOOR 2
3=FLOOR 3
Adjective Screen #4

72 MS-9050 Series Manual — P/N 52413:G 4/14/2014
Programming Master Programming Level
Pressing 2 while viewing the Adjective/Noun Screen will cause the following screen(s) to be dis-
played. Note that the keyboard down arrow key must be pressed to see all the Noun screens. Press
the number corresponding to the noun that is to be used as a descriptor for the location of the mon-
itor module currently being programmed.
Pressing 3 or 4 while viewing the Adjective/Noun Screen will display screens similar to the previ-
ous Adjective and Noun Screens. The new screens will list Custom Adjectives and Nouns which
have been programmed into the control panel using the PK-CD. These descriptors are selected as
described in the previous sections.
Description
The Description selection allows the programmer to enter additional information about the monitor
module currently being programmed. This information will be displayed as part of the device label
on the LCD display. Pressing 2 while viewing Edit Monitor Screen #5 will cause the following
screen to be displayed:
A flashing cursor will appear at the first asterisk to the left. The programmer can enter additional
descriptive information about the device being programmed. This information will appear on the
LCD display along with the standard device label information.
A maximum of 20 characters (including spaces) can be entered. To enter alphanumeric characters
from the keypad, repeatedly press the appropriate key until the desired character is displayed in the
first position. For example, to enter the letter B, press the 2 (ABC) key three times to toggle
through the characters 2, A and B. Press the right arrow key to move the cursor one position to the
right and repeat the process to enter the next character. To enter a space, press the * (QZ) key four
times until a blank appears in the desired position. When all characters have been entered, press the
Enter key to store the information. The display will return to the Edit Monitor Screen #4, display-
ing the new information at the bottom of the screen.
1=STANDARD ADJECTIVE
2=STANDARD NOUN
3=CUSTOM ADJECTIVE
4=CUSTOM NOUN
Adjective/Noun Screen
QQQQQQQQQQQQQQQQQQQQ
1=BASEMENT
2=BOILER RM
3=CLASSROOM
Noun Screen #1
QQQQQQQQQQQQQQQQQQQQ
1=CLOSET
2=CORRIDOR
3=ELECTRIC RM
Noun Screen #3
QQQQQQQQQQQQQQQQQQQQ
1=ELEVATOR
2=ENTRANCE
3=FLOOR
Noun Screen #5
QQQQQQQQQQQQQQQQQQQQ
1=GARAGE
2=HALLWAY
3=HVAC RM
Noun Screen #7
QQQQQQQQQQQQQQQQQQQQ
1=KITCHEN
2=LOBBY
3=OFFICE
Noun Screen #2
QQQQQQQQQQQQQQQQQQQQ
1=STAIRWAY
2=STOREROOM
3=WING
Noun Screen #6
QQQQQQQQQQQQQQQQQQQQ
1=PATIENT
2=RESTROOM
3=ROOM
Noun Screen #4
QQQQQQQQQQQQQQQQQQQQ
1=ZONE
Noun Screen #8
EDIT MONITOR
1=ADJECTIVE/NOUN
2=DESCRIPTION
QQQQQQQQQQQQQQQQQQQQ
Edit Monitor Screen #5
DESCRIPTION 1M012
QQQQQQQQQQQQQQQQQQQQ
Adjective/Noun Screen

MS-9050 Series Manual — P/N 52413:G 4/14/2014 73
Master Programming Level Programming
Recall/Increment Function
In addition, the user may use the Recall/Increment function at any time when the cursor is on the
first letter of the Adjective or Noun field as follows:
• If the zero key is pressed, a 0 is placed in the first letter position.
• If the zero key is then pressed a second time with no intervening key actions, the entire
Adjective field is replaced with the field entered for the previous device programmed, and the
cursor moves to the last character of the field (Recall function). The Recalled Adjective or
Noun field may now be changed letter-by-letter.
• If the zero key is pressed again with no other intervening key actions and the last character in
the field is a number 0-9, the number is incremented by one (9 will change to 0). If the last
character is a letter, it changes to a 0.
• The above increment function may be repeated with each press of the zero key.
As an example, the user could quickly enter ‘FLR_3_ROOM 305’ as follows:
1. The cursor is on the first letter of the Adjective field. Press the zero key twice to display
FLR_3.
2. With the cursor on the first letter of the Noun field, press the zero key twice to recall the dis-
play ROOM_304. The cursor automatically jumps from the first to the last letter of the Noun
field.
3. With the cursor on the last letter of the Noun field, press the zero key again to increment the
room number to 305.
4. Press the Enter key to store the information.
Edit Module Screen for Control Modules
The programmer can change a module’s existing or factory default programming by pressing 3 in
the Modules Screen. The following screen will be displayed:
A flashing cursor will appear in the position of the first asterisk to the left.
The programmer keys in the three digit module address, such as 002. When the last digit is keyed-
in, if the selected address corresponds to a control module, a screen displaying information about
the control module with the selected address will be displayed as illustrated in the following:
In the preceding example:
Normal - indicates that the module with the selected address is physically installed on the
SLC and communicating with the control panel (enabled).
<ADJ><NOUN> - represents the adjective and noun, which have been programmed,
describing the location of the displayed device.
Control - indicates that the selected module is a control module.
S or * - represents Silenceable (S) or Nonsilenceable (*).
W or * - represents Waterflow Timer Delay (W = Waterflow Timer Delay enabled, * =
Waterflow Timer Delay disabled).
ZNNN - represents the first of five possible software zones that the module is assigned to
(NNN = the three digit zone number from 000 - 019).
MODULES
1=ADD
2=DELETE
3=EDIT
Modules Screen
EDIT MODULE
ENTER MODULE ADDRESS
QQQ
Edit Module Screen
NORMAL CONTROL
<ADJ><NOUN>
ZNNN
SW 1M002
Edit Control Screen #1

74 MS-9050 Series Manual — P/N 52413:G 4/14/2014
Programming Master Programming Level
1M002 - represents the Loop, Device type and Device address (1 = SLC Loop, M=Module,
and 002 = Module Address 02).
To change the programming for the displayed module, press the keyboard down arrow key to view
the following Edit Control screens:
Enable/Disable Module
To Enable or Disable the control module, press the 1 key while viewing the Edit Control Screen #2.
Each press of the key will toggle the screen between Enabled Yes and Enabled No. If Enabled No
is selected, the module will not be polled by the control panel, preventing the module from activat-
ing its output devices. The control panel will indicate a system trouble condition and the Disable
LED will turn on if any devices are disabled.
Type
To select the type of control module being programmed, press the 2 key while viewing the Edit
Control Screen #2. This will cause the control panel to display the following Control Type Screens:
While viewing one of the Control Type screens, select the type of control module being pro-
grammed by pressing the corresponding keypad number key. The display will return to the Edit
Control Screen #2 and indicate the new type selection.
The following table contains control module type codes and their functions which are displayed in
the Control Type screens:
EDIT CONTROL
1=ENABLED YES
2=TYPE CONTROL
3=SILENCEABLE YES
Edit Control Screen #2
EDIT CONTROL
1=WALKTEST YES
2=ZONE ASSIGNMENT
00 QQ QQ QQ QQ
Edit Control Screen #3
EDIT CONTROL
1=ADJECTIVE/NOUN
2=DESCRIPTION
QQQQQQQQQQQQQQQQQQQQ
Edit Control Screen #4
EDIT CONTROL
1=ENABLED
2=TYPE
3=SILENCEABLE
Edit Control Screen #2
EDIT CONTROL
1=ENABLED
2=TYPE
3=SILENCEABLE
Edit Control Screen #2
CONTROL TYPE
1=BLANK
2=BELL-CIRCUIT
3=HORN-CIRCUIT
Control Type Screen #1
NOTE: A control relay module set to the Resettable Power type will follow the main circuit board
24 VDC resettable power unless the control relay module is disabled.
Control Type Special Function
Blank NAC Type - Supervised
Bell Circuit NAC Type - Supervised
Horn Circuit NAC Type - Supervised
Sounders NAC Type - Supervised
Relay Relay Type - Ignore Open Circuit
Strobe Circuit NAC Type - Supervised
Control NAC Type - Supervised
Resettable Power1
1 When using a control relay module to supply resettable power to
conventional 2-wire smoke detectors, the addressable monitor module
must be programmed for “Smoke Conventional” operation.
Relay Type - Ignore Open Circuit
HVAC SHUTDN 2
2 For the HVAC SHUTDN description, refer to Section F.1, “Control
Module Operation”, on page 173.
Relay Type - Ignore Open Circuit

MS-9050 Series Manual — P/N 52413:G 4/14/2014 75
Master Programming Level Programming
Silenceable
The Silenceable selection allows the programmer to select whether output devices connected to the
control module can be silenced, either by pressing the Alarm Silence key or by enabling Autosi-
lence. Pressing the 3 key while viewing Edit Control Screen #2 will enable the Silenceable feature
causing the display to read Silenceable Yes. Repeated presses of the 3 key will cause the display to
toggle between Silenceable Yes and Silenceable No.
Note that nonsilenceable outputs will not be activated for Fire Drill.
Walktest
The Walktest feature allows one person to test the system devices without the necessity of manually
resetting the control panel after each device activation. To enable devices, which are connected to
a control module, for the Walktest feature, press 1 while viewing the Edit Control Screen #3 until
the display reads Walktest Yes. Each press of the 1 key will cause the display to toggle between
Walktest Yes and Walktest No. Refer to“Walktest” on page 136 for additional information.
Zone Assignment
A maximum of five zones can be programmed to each addressable control module. Pressing 2
while viewing Edit Control Screen #3 displays the following screen:
Note that Z** represents the Zone Number(s) corresponding to this device. The factory default for
an unprogrammed device is Z00 for general alarm zone. A flashing cursor will appear on the first 0
to the left. Enter the two digit number corresponding to the zone that is to be assigned to this
device. The cursor moves to the next Z** designation. Continue entering zone assignments or the
remaining zones can be left blank or programmed as general alarm zones Z00. When all desired
changes have been made, press the Enter key to store the zone assignments. The display will return
to the Edit Control Screen #3.
Adjective/Noun
The Adjective/Noun selection allows the programmer to enter specific descriptors about the control
module currently being programmed. Pressing 1 while viewing Edit Control Screen #4 will cause
the following screen to be displayed:
EDIT CONTROL
1=ENABLED
2=TYPE
3=SILENCEABLE
Edit Control Screen #2
EDIT CONTROL
1=WALKTEST
2=ZONE ASSIGNMENT
00 QQ QQ QQ QQ
Edit Control Screen #3
ZONE ASSIGNMENT
Z00 ZQQ ZQQ ZQQ ZQQ
Zone Assignment Screen
EDIT CONTROL
1=ADJECTIVE/NOUN
2=DESCRIPTION
Edit Control Screen #4
1=STANDARD ADJECTIVE
2=STANDARD NOUN
3=CUSTOM ADJECTIVE
4=CUSTOM NOUN
Adjective/Noun Screen

76 MS-9050 Series Manual — P/N 52413:G 4/14/2014
Programming Master Programming Level
Pressing 1 while viewing the Adjective/Noun Screen will cause the following screen(s) to be dis-
played. Note that the keyboard down arrow key must be pressed to see all the Adjective screens.
Press the number corresponding to the adjective that is to be used as a descriptor for the location of
the control module currently being programmed.
Pressing 2 while viewing the Adjective/Noun Screen will cause the following screen(s) to be dis-
played. Note that the keyboard down arrow key must be pressed to see all the Noun screens. Press
the number corresponding to the noun that is to be used as a descriptor for the location of the con-
trol module currently being programmed.
1=STANDARD ADJECTIVE
2=STANDARD NOUN
3=CUSTOM ADJECTIVE
4=CUSTOM NOUN
Adjective/Noun Screen
QQQQQQQQQQQQQQQQQQQQ
1=NORTH
2=SOUTH
3=EAST
Adjective Screen #1
QQQQQQQQQQQQQQQQQQQQ
1=WEST
2=FRONT
3=CENTER
Adjective Screen #3
QQQQQQQQQQQQQQQQQQQQ
1=REAR
2=UPPER
3=LOWER
Adjective Screen #5
QQQQQQQQQQQQQQQQQQQQ
1=MAIN
2=FIRST
3=2ND
Adjective Screen #7
QQQQQQQQQQQQQQQQQQQQ
1=3RD
2=4TH
3=5TH
Adjective Screen #2
QQQQQQQQQQQQQQQQQQQQ
1=FLOOR 4
2=FLOOR 5
3=ROOM
Adjective Screen #6
QQQQQQQQQQQQQQQQQQQQ
1=FLOOR 1
2=FLOOR 2
3=FLOOR 3
Adjective Screen #4
1=STANDARD ADJECTIVE
2=STANDARD NOUN
3=CUSTOM ADJECTIVE
4=CUSTOM NOUN
Adjective/Noun Screen
QQQQQQQQQQQQQQQQQQQQ
1=BASEMENT
2=BOILER RM
3=CLASSROOM
Noun Screen #1
QQQQQQQQQQQQQQQQQQQQ
1=CLOSET
2=CORRIDOR
3=ELECTRIC RM
Noun Screen #3
QQQQQQQQQQQQQQQQQQQQ
1=ELEVATOR
2=ENTRANCE
3=FLOOR
Noun Screen #5
QQQQQQQQQQQQQQQQQQQQ
1=GARAGE
2=HALLWAY
3=HVAC RM
Noun Screen #7
QQQQQQQQQQQQQQQQQQQQ
1=KITCHEN
2=LOBBY
3=OFFICE
Noun Screen #2
QQQQQQQQQQQQQQQQQQQQ
1=STAIRWAY
2=STOREROOM
3=WING
Noun Screen #6
QQQQQQQQQQQQQQQQQQQQ
1=PATIENT
2=RESTROOM
3=ROOM
Noun Screen #4
QQQQQQQQQQQQQQQQQQQQ
1=ZONE
Noun Screen #8

MS-9050 Series Manual — P/N 52413:G 4/14/2014 77
Master Programming Level Programming
Pressing 3 or 4 while viewing the Adjective/Noun Screen will display screens similar to the previ-
ous Adjective and Noun Screens. The new screens will list Custom Adjectives and Nouns which
have been programmed into the control panel using the PK-CD programming kit. These descrip-
tors are selected as described in the previous sections.
Description
The Description selection allows the programmer to enter additional information about the control
module currently being programmed. This information will be displayed as part of the device label
on the display. Pressing 2 while viewing Edit Control Screen #4 will cause the following screen to
be displayed:
A flashing cursor will appear at the first asterisk to the left. The programmer can enter additional
descriptive information about the device being programmed. This information will appear on the
display along with the standard device label information.
A maximum of 20 characters (including spaces) can be entered. To enter alphanumeric characters
from the keypad, repeatedly press the appropriate key until the desired character is displayed in the
first position. For example, to enter the letter B, press the 2 (ABC) key three times to toggle
through the characters 1, A, and B. Press the right arrow key to move the cursor one position to the
right and repeat the process to enter the next character. To enter a space, press the * (QZ) key four
times until a blank appears in the desired position. When all characters have been entered, press the
Enter key to store the information. The display will return to the Edit Control Screen #4, displaying
the new information at the bottom of the screen.
Recall/Increment Function
In addition, the user may use the Recall/Increment function at any time when the cursor is on the
first letter of the Adjective or Noun field as follows:
• If the zero key is pressed, a 0 is placed in the first letter position.
• If the zero key is then pressed a second time with no intervening key actions, the entire
Adjective field is replaced with the field entered for the previous device programmed, and the
cursor moves to the last character of the field (Recall function). The Recalled Adjective or
Noun field may now be changed letter-by-letter.
• If the zero key is pressed again with no other intervening key actions and the last character in
the field is a number 0-9, the number is incremented by one (9 will change to 0). If the last
character is a letter, it changes to a 0.
• The above increment function may be repeated with each press of the zero key.
As an example, the user could quickly enter ‘FLR_3_ROOM 305’ as follows:
1. The cursor is on the first letter of the Adjective field. Press the zero key twice to display
FLR_3.
2. With the cursor on the first letter of the Noun field, press the zero key twice to recall the dis-
play ROOM_304. The cursor automatically jumps from the first to the last letter of the Noun
field.
3. With the cursor on the last letter of the Noun field, press the zero key again to increment the
room number to 305.
4. Press the Enter key to store the information.
EDIT CONTROL
1=ADJECTIVE/NOUN
2=DESCRIPTION
Edit Control Screen #4
DESCRIPTION 1M002
1=ADJECTIVE/NOUN
QQQQQQQQQQQQQQQQQQQQ
Adjective/Noun Screen

78 MS-9050 Series Manual — P/N 52413:G 4/14/2014
Programming Master Programming Level
3.6.3 Zone Setup
Pressing 3 while viewing Programming Screen #2 will access the Zone Setup screens as illustrated
below:
Enable
Pressing 1 for Enable, while viewing Zone Setup Screen #1, will display the following screen:
This screens allows the programmer to enable zones, one at a time. A flashing cursor appears next
to the Z, prompting the programmer to enter a two digit zone number (01 - 19). When the second
digit is entered, the zone will be enabled and the cursor returns to the original position next to the Z.
Another zone can then be enabled.
Disable
Pressing 2 for Disable, while viewing Zone Setup Screen #1, displays the following:
This screen allows the programmer to disable zones, one at a time. A flashing cursor appears next
to the Z, prompting the programmer to enter a two digit zone number (01 - 19). When the second
digit is entered, the zone will be disabled and the cursor will return to the original position next to
the Z. Another zone can then be disabled.
Zone 17, 18, and 19
Pressing 3 for Zone 17, 18, and 19, while viewing Zone Setup Screen #1, will display the following
screen:
Zones 17, 18, and 19 can be programmed for normal zone operation or for special purpose applica-
tions. In the above illustration, the three zones are shown Off, which means they can be pro-
grammed to function in the same manner as all other zones, by assigning them to input and output
devices in the Programming Zone Assignment Screen.
Pressing 1 will cause the display to change to PAS 17 On. Each press of the 1 key will cause the
display to toggle between PAS 17 On and PAS 17 Off. When Zone 17 is programmed On, a PAS
(Positive Alarm Sequence) activation of any smoke detector will cause Zone 17 to activate. By
assigning Zone 17 to a control module in the Programming Zone Assignment Screen, an output
device connected to the control module can be used to indicate a PAS condition in the control
panel. Do not assign Zone 17 to a Notification Appliance Circuit when using this zone to indicate a
PAS condition. Attempting to do so will generate an error message and will be prevented by soft-
ware checks.
PROGRAMMING
1=AUTOPROGRAM
2=POINT PROGRAM
3=ZONE SETUP
Programming Screen #2
ZONE SETUP
1=ENABLE
2=DISABLE
3=ZONE 17 18 19
Zone Setup Screen #1
ZONE SETUP
1=ZONES INSTALLED
2=ZONES ENABLED
3=ZONES DISABLED
Zone Setup Screen #2
ZONE SETUP
1=ZONE TYPES
2=ZONES AVAILABLE
3=FUTURE USE
Zone Setup Screen #3
ZONE SETUP
1=ENABLE
2=DISABLE
3=ZONE 17 18 19
Zone Setup Screen #1
ZONE TO ENABLE
Z
Enable Screen
ZONE SETUP
1=ENABLE
2=DISABLE
3=ZONE 17 18 19
Zone Setup Screen #1
ZONE TO DISABLE
Z
Disable Screen
SPEC PURPOSE ZONE
1=PAS 17 OFF
2=PRE-SIGNAL 18 OFF
3=TWO STAGE 19 OFF
Zone 17, 18, and 19 Screen

MS-9050 Series Manual — P/N 52413:G 4/14/2014 79
Master Programming Level Programming
Pressing 2 will cause the display to change to Pre-signal 18 On. Each press of the 2 key will cause
the display to toggle between Pre-signal 18 On and Pre-signal 18 Off. When Zone 18 is pro-
grammed On, a Pre-signal activation of any device will cause Zone 18 to activate. By assigning
Zone 18 to a control module in the Programming Zone Assignment Screen, an output device con-
nected to the control module can be used to indicate a Pre-signal condition in the control panel. Do
not assign Zone 18 to a Notification Appliance Circuit when using this zone to indicate a Pre-signal
condition. Attempting to do so will generate an error message and will be prevented by software
checks.
Pressing 3 will cause the display to change to Two Stage 19 On. Each press of the 3 key will cause
the display to toggle between Two Stage 19 On and Two Stage 19 Off. Refer to “Two Stage Opera-
tion” on page 88 for a description of this feature.
Zones Installed
Pressing 1 for Zones Installed, while viewing Zone Setup Screen #2, will display a screen similar to
the following:
This display will show all of the zones that have been programmed into the control panel.
Zones Enabled
Pressing 2 for Zones Enabled, while viewing Zone Setup Screen #2, will display a screen similar to
the following:
This display will show all of the zones that are enabled in the control panel.
Zones Disabled
Pressing 3 for Zones Disabled, while viewing Zone Setup Screen #2, will display a screen similar
to the following:
This display will show all of the zones that are disabled in the control panel.
Zone Type
Zone Types must be programmed only if a DACT, programmed for zone reporting, is installed on
the control panel. Pressing 1 for Zone Types, while viewing Zone Setup Screen #3, will display a
screen similar to the following:
ZONE SETUP
1=ZONES INSTALLED
2=ZONES ENABLED
3=ZONES DISABLED
Zone Setup Screen #2
ZONES INSTALLED
00 01 02 03 04 05
Zones Installed Screen
ZONES ENABLED
00 01 02 04 05 06 07
08 09 10 11 12 13 14
15 16 17 18 19
Zones Enabled Screen
ZONES DISABLED
03
Zones Disabled Screen
ZONE SETUP
1=ZONE TYPES
2=ZONES AVAILABLE
3=FUTURE
Zone Setup Screen #3
ZONE TYPE PROG
1=Z00 MONITOR
2=Z01 MONITOR
3=Z02 MONITOR
Zones Installed Screen

80 MS-9050 Series Manual — P/N 52413:G 4/14/2014
Programming Master Programming Level
The Zones Installed screen will show the system zones (default and user programmed) and their
associated types. Note that an up and/or down arrow will appear in the upper right corner of the
display, indicating that additional screens of zone information exists. Press the up or down arrow
keys to view zones Z00 through Z19.
Zone types can be changed by pressing the keypad number key corresponding to the zone in each
Zones Installed Screen. Available zone types will be displayed in the resultant screens. For exam-
ple, to change the zone type for zone Z02 in the screen illustrated above, press 3. The following
screens will be displayed:
To change the zone type for Z02 to Pull Station, scroll the display until Zone Type Program Screen
#2 is displayed. Press 2 to program zone Z02 as a Pull Station zone. The display will return to the
Zones Installed Screen showing zone Z02 and the Pull Station program type. Repeat the procedure
for each zone to be changed.
IMPORTANT! In Zone Type Program Screen #1, selecting WATERFLOW will assign a Waterflow
silenceable zone type to the selected zone. Any signaling devices programmed to the same zone can
be silenced by pressing the Alarm Silence key or by using the auto-silence feature.
To program a waterflow circuit as nonsilenceable, refer to “System Setup” on page 81 and “Water-
flow Silenceable” on page 91.
Zones Available
Pressing 2 while viewing Zone Setup Screen #3 will display the following screen:
The display will show all of the zones that are still available for programming.
ZONE TYPE PROG
1=MONITOR
2=SMOKE PHOTO
3=WATERFLOW
Zone Type Program Screen #1
ZONE TYPE PROG
1=MEDICAL
2=HAZARD
3=TAMPER
Zone Type Program Screen #5
ZONE TYPE PROG
1=NONE
Zone Type Program Screen #4
ZONE TYPE PROG
1=HEAT
2=PULL STATION
3=DUCT
Zone Type Program Screen #3
ZONE TYPE PROG
1=SUPERVISORY
2=PROC. MON
3=SMOKE ION
Zone Type Program Screen #2
NOTE: Zone Types are only relevant for Central Station reporting. Changing a zone type will
only change how it is reported to the Central Station.
NOTE: If a tornado zone is required, choose Zone Type “Hazard”.
ZONE SETUP
1=ZONE TYPES
2=ZONES AVAILABLE
3=FUTURE
Zone Setup Screen #3
ZONES AVAILABLE
01 02 03 04 05 06 07
08 09 10 11 12 13 14
15 16 17 18 19

MS-9050 Series Manual — P/N 52413:G 4/14/2014 81
Master Programming Level Programming
3.6.4 Loop Setup
Loop Setup allows the programmer to configure the SLC Loop for NFPA Style 4, 6 or 7 wiring and
to select the loop protocol. Pressing 1 while viewing Programming Screen #2 will cause the fol-
lowing screen to be displayed:
Style
To program the SLC Style for the loop, press 1 for Style, while viewing Loop Setup Screen. In the
preceding example, the control panel is programmed for Style 4 SLC wiring as indicated by the 4 to
the right of Style in the display. To change the style, press 1 to toggle the display to read Style 6.
Each press of the 1 key will cause the display to toggle between Style 4 and Style 6. Note that, when
programming the Loop Style, the programmer can only select between Style 4 and Style 6. To pro-
gram a system for Style 7 wiring, the programmer must select the Loop Setup for Style 6. Style 7
wiring is the same as Style 6 with the added requirement that each device on the loop must have a
pair of isolator modules, one on each side. The factory default setting is Style 4.
Note on SLC Troubles: If the FACP reports an open fault on an SLC Loop programmed for Style
6, the trouble condition will latch at the FACP. When the SLC Loop has been repaired, the Reset
button must be pressed at the FACP (at least 2 minutes after the trouble has been repaired) to clear
the SLC trouble.
Loop Protocol
Loop Protocol refers to the SLC loop mode of operation. The only mode available is CLIP (Classic
Loop Interface Protocol) which is used for the older legacy addressable devices such as the M300
Series modules and detectors as well as the newer devices. Pressing 2 while viewing the Loop
Setup Screen will have no effect on programming.
Device Addressing
It is important to note that the MS-9050UD addressable device capacity is 50 detectors and con-
trol/monitor modules. Addressable devices must not be set to addresses higher than 50. Program-
ming will not allow addresses higher than 50.
Important: Detectors and Modules cannot have the same address. For example, if a detector is
installed at address 04, you cannot also have a module at address 04.
Note that It is permissible to mix old and new addressable devices on the same loop.
3.6.5 System Setup
System Setup allows the programmer to configure the following control panel features:
•Trouble Reminder: This feature, when enabled, provides an audible reminder that an alarm or
trouble still exists on the FACP after the control panel has been silenced. The control panel
piezo sounder will pulse once every 15 seconds during an alarm and every two minutes during
a trouble condition, after the Alarm Silence or Acknowledge key is pressed. The piezo will
continue to sound at these rates until the alarm or trouble condition is cleared. Trouble
Resound is independent of Trouble Reminder. If a silenced trouble condition is not cleared by
midnight, the panel will reactivate the trouble sounder.
•Banner: This option allows the user to change the top two lines of the LCD display from the
factory default readout to a user defined readout when the control panel is in Normal condition.
•Time-Date: This feature allows the programmer to set the time, display format (24 hr or 12 hr),
date and daylight savings time feature into the FACP memory
PROGRAMMING
1=LOOP SETUP
2=SYSTEM SETUP
3=VERIFY LOOP
Programming Screen #2
LOOP SETUP
1=STYLE 4
2=PROTOCOL CLIP
Loop Setup Screen

82 MS-9050 Series Manual — P/N 52413:G 4/14/2014
Programming Master Programming Level
•Timers: This option allows the programmer to set the PAS (Positive Alarm Sequence) time
delay, Pre-Signal time delay and Waterflow time delay.
•NACs: This feature allows the programmer to configure the control panel Notification
Appliance Circuits for a variety of options, such as circuit type, silenceable/nonsilenceable,
autosilence, coding, silence inhibit, zone assignment and enable/disable.
•Relays: This option allows programming of two onboard relays for activation by various
control panel events, such as alarm, trouble, supervisory, etc.
•Canadian Option: This option allows the automatic programming of the FACP to Canadian
specifications (refer to “Canadian Option” on page 91).
Important! For Canadian Applications, this option must be set to ON prior to any other panel
programming.
•Waterflow Silenceable: This option provides the ability to silence any output circuit activated
by a monitor module programmed as a waterflow type.
•Lite-Connect: This options allows the programmer to enable the ANN-LC module and
configure the Lite-Connect circuit.
Pressing 2 for System Setup, while viewing Programming Screen #2, will cause the following
screens to be displayed:
Trouble Reminder
The Trouble Reminder features causes the control panel piezo to sound a reminder ‘beep’ for
alarms and troubles, after the panel has been silenced. Refer to “System Setup” on page 81, for a
detailed description of this feature. Pressing 1 while viewing System Setup Screen #1 will cause
the display to toggle to Trouble Rem On, which enables this feature. Each press of the 1 key will
cause the display to toggle between Trouble Rem On and Trouble Rem Off.
Banner
The top line of the display, which appears when the control panel is in normal mode, can be
changed by using the Banner option. Pressing 2 while viewing System Setup Screen #1 will cause
the following to be displayed:
Pressing 1 while viewing the Banner Screen will select the factory default banner setting and dis-
play the following screen:
The Factory Banner has now been selected and is stored in nonvolatile memory. Pressing the ESC
key will return the display to the Banner Screen.
PROGRAMMING
1=LOOP SETUP
2=SYSTEM SETUP
3=VERIFY LOOP
Programming Screen #2
SYSTEM SETUP
1=TROUBLE REM OFF
2=BANNER
3=TIME-DATE
System Setup Screen #1
SYSTEM SETUP
1=TIMERS
2=NAC
3=RELAYS
System Setup Screen #2
SYSTEM SETUP
1=CANADIAN OPT. OFF
2=WATERFLOW SIL. NO
3=LITE-CONNECT
System Setup Screen #3
BANNER
1=FACTORY
2=USER DEFINED
Banner Screen
BANNER
1=FACTORY
2=USER DEFINED
Banner Screen
FACTORY BANNER
Factory Banner Screen

MS-9050 Series Manual — P/N 52413:G 4/14/2014 83
Master Programming Level Programming
Pressing 2 while viewing the Banner Screen will cause the following screens to be displayed:
These screens allow the programmer to enter a two line custom banner. A flashing cursor will
appear in the bottom left corner of each display. A maximum of 20 characters (including spaces)
can be entered into each screen for a total of two lines with 40 characters. After entering up to 20
characters in the first screen, press Enter to view the second screen. Enter up to 20 characters in the
second screen in the same manner or just press Enter if a second banner line is not being entered.
To quickly clear the current banner, press the CLR key.
To enter alphanumeric characters from the keypad, repeatedly press the appropriate key until the
desired character is displayed in the first position. For example, to enter the letter B, press the 2
(ABC) key three times to toggle through the characters 1, A, and B. Press the right arrow key to
move the cursor one position to the right and repeat the process to enter the next character. To enter
a space, press the * (QZ) key four times to place a blank in the desired position. When all charac-
ters have been entered, press the Enter key to store the information. The display will return to the
Banner Screen.
Time-Date
The control panel time and date can be changed by pressing 3 while viewing the System Setup
Screen #1. The following screen will be displayed:
Time
To change the time, press 1 while viewing the Time-Date Screen. The following screen will be dis-
played:
A flashing cursor is located toward the top left of the display. Below the cursor is the current time.
To change the time, enter the two-digit hours followed by the two-digit minutes. The cursor will
move one position to the right each time a digit is entered. After the last minutes digit is entered,
the cursor will again move one position to the right. At this point enter 1 for AM or 2 for PM. The
display will then return to the Time-Date Screen which will show the new time entry. If an error is
made while entering a digit, press the CLR key to delete the entire entry and begin again.
Date
To change the date, press 2 while viewing the Time-Date Screen. The following screen will be dis-
played:
USER DEFINED BANNER
PRESS ENTER IF OK
User Defined Banner Screen #1
USER BANNER - LINE 2
PRESS ENTER IF OK
QQQQQQQQQQQQ
User Defined Banner Screen #2
SYSTEM SETUP
1=TROUBLE REM
2=BANNER
3=TIME-DATE
System Setup Screen #1
TIME AND DATE
1=TIME 10:00 AM
2=DATE 01-21-2010
3=CLOCK FORMAT 12HR
Time-Date Screen #1
TIME AND DATE
1=DAYLIGHT SAVINGS
Time-Date Screen #2
ENTER TIME
10:00 AM
1=AM 2=PM
Time Screen
ENTER DATE
MONTH DAY YEAR
01-21-2010
Date Screen

84 MS-9050 Series Manual — P/N 52413:G 4/14/2014
Programming Master Programming Level
A flashing cursor is located toward the top left of the display. Below the cursor is the current date.
To change the date, enter the two-digit month followed by the two-digit day and then the two-digit
year (01 for 2001, 02 for 2002, etc.). The cursor will move one position to the right each time a
digit is entered. After the last year digit is entered, the display will return to the Time-Date Screen
which will show the new date entry. If an error is made while entering a digit, press the CLR key to
delete the entire entry and begin again.
Clock Format
The clock can be configured to display 12 hour (AM & PM) or 24 hour (military) time. Pressing 3
while viewing the Time-Date screen will cause the display to toggle between 12HR and 24HR.
Select 12HR for 12 hour display or 24HR for 24 hour display.
If the clock is changed to 24 hour (military) format, the date will change to the European standard
of Day-Month-Year (for display purposes only).
Daylight Savings Time
Pressing 1 while viewing Time-Date Screen #2 will cause the following screens to be displayed:
Pressing 1 while viewing Daylight Savings Screen #1 will cause the display to toggle between
Enabled Yes and Enabled No. The control panel will automatically update the time for daylight
savings time when Enabled Yes is selected.
Pressing 2 while viewing Daylight Savings Screen #1 will display another screen which allows the
programmer to select the month that daylight savings time will begin. In this sub-screen, pressing
1 will select March, 2 will select April, and 3 will select May.
Pressing 3 while viewing Daylight Savings Screen #1 will display two sub-screens which allow the
programmer to select the week of the month that daylight savings time will begin. In the first sub-
screen, pressing 1 will select the first week, 2 will select the second week, and 3 will select the third
week, while in the second sub-screen, pressing 1 will select the fourth week and 2 will select the
last week of the selected month.
Pressing 1 while viewing Daylight Savings Screen #2 will display another screen which allows the
programmer to select the month that daylight savings time will end. In this sub-screen, pressing 1
will select September, 2 will select October, and 3 will select November.
Pressing 2 while viewing Daylight Savings Screen #2 will display two sub-screens which allow the
programmer to select the week of the month that daylight savings time will end. In the first sub-
screen, pressing 1 will select the first week, 2 will select the second week, and 3 will select the third
week, while in the second sub-screen, pressing 4 will select the fourth week and 5 will select the
last week of the selected month.
Timers
Timer delays for PAS, Pre-signal and waterflow activation can be programmed by pressing 1 while
viewing System Setup Screen #2. The following screen will be displayed:
TIME AND DATE
1=DAYLIGHT SAVINGS
Time & Date Screen #2
DAYLIGHT SAVINGS
1=ENABLED YES
2=START MONTH MAR
3=START WEEK WEEK-2
Daylight Savings Screen #1 Daylight Savings Screen #2
DAYLIGHT SAVINGS
1=END MONTH NOV
2=END WEEK WEEK 1
SYSTEM SETUP
1=TIMERS
2=NAC
3=RELAYS
System Setup Screen #2
TIMERS
1=PAS DELAY 000
2=PRE SIGNAL 000
3=WATERFLOW 000
Timer Screen #1
TIMERS
1=AC LOSS DELAY 000
Timer Screen #2

MS-9050 Series Manual — P/N 52413:G 4/14/2014 85
Master Programming Level Programming
PAS (Positive Alarm Sequence) Delay
The factory default setting for PAS is 000 for no delay. To select a PAS delay of 001 to 180 seconds
for all devices programmed for PAS, press 1 while viewing Timer Screen #1. The following dis-
play will appear:
A flashing cursor is positioned in the lower left corner of the display. Enter a delay time consisting
of three digits, such as 005 for five seconds. Upon entering the third digit, the time delay will be
stored in the control panel memory and the display will return to the Delay Screen which will indi-
cate the new delay time.
Pre-signal Delay
The factory default setting for Pre-signal delay is 000 for no delay. To select a Pre-signal delay of
001 to 180 seconds for all devices programmed for Pre-signal, press 2 while viewing Timer Screen
#1. The following screen will be displayed:
A flashing cursor is positioned in the lower left corner of the display. Enter a delay time consisting
of three digits, such as 009 for nine seconds. Upon entering the third digit, the time delay will be
stored in the control panel memory and the display will return to the Delay Screen which will indi-
cate the new delay time.
Note that detectors can be programmed for either PAS or Pre-signal operation, not both. Refer to
“Edit Detector” on page 60 for programming details.
Waterflow Delay
A delay can be added prior to declaring a waterflow type of alarm. Be careful to include any built-
in delays of the waterflow device. The factory default setting for Waterflow delay is 000 for no
delay. To select a Waterflow delay of 01 to 90 seconds for all devices programmed for Waterflow
delay, press 3 while viewing Timer Screen #1. The following screen will be displayed:
A flashing cursor is positioned in the lower left corner of the display. Enter a delay time consisting
of two digits, such as 25 for twenty-five seconds. Upon entering the second digit, the time delay
will be stored in the control panel memory and the display will return to the Delay Screen which
will indicate the new delay time.
TIMERS
1=PAS DELAY 000
2=PRE SIGNAL 000
3=WATERFLOW 000
Timer Screen #1
PAS DELAY
RANGE 0-180 SECONDS
PAS Delay Screen
PRESIGNAL DELAY
RANGE 0-180 SECONDS
Pre-signal Delay Screen
TIMER
1=PAS DELAY 000
2=PRE SIGNAL 000
3=WATERFLOW 000
Timer Screen #1
WATERFLOW DELAY
RANGE 0-90 SECONDS
Waterflow Delay Screen

86 MS-9050 Series Manual — P/N 52413:G 4/14/2014
Programming Master Programming Level
AC Loss Delay
The reporting of a loss of AC power to a central station can be delayed by programming the length
of the desired delay. The factory default setting is 2 hours. Press 1 while viewing Timer Screen #2
to display the following:
Pressing 1 while viewing AC Loss Delay Screen #1 will program the FACP to transmit an AC Loss
report immediately to the central station.
Pressing 2 while viewing AC Loss Delay Screen #1 will display the following:
A flashing cursor will appear in the lower left corner of the display. The factory default setting is
02 hours. Type the two digit AC loss reporting delay in hours (00 to 23 hour delay). When the sec-
ond digit is entered, the display will return to AC Loss Delay Screen #1.
NAC (Notification Appliance Circuit)
The options for the NACs on the control panel main circuit board can be configure by pressing 2
while viewing System Setup Screen #2. The following screens will be displayed:
The Notification Appliance Circuits can be configured independently by pressing 1 for NAC 1 or 2
for NAC 2.
The following screens will be displayed for each selection:
TIMER
1=AC LOSS DELAY
Timer Screen #2
AC LOSS DELAY
1=NO DELAY
2=ENTER DELAY
AC Loss Delay Screen #1
AC LOSS DELAY
RANGE 00-23
AC Loss Delay Screen #2
NOTE: Upon the loss of AC power at the control panel, relays programmed for ‘AC Loss’ will
transfer immediately, regardless of the AC Loss Delay setting. If no troubles exist at the panel
other than AC Loss, the System Trouble relay will delay its activation for the duration of the AC
Loss Delay setting.
SYSTEM SETUP
1=TIMERS
2=NAC
3=RELAYS
System Setup Screen #2
NACS
1=NAC 1
2=NAC 2
NAC Selection Screen
NAC #
1=ENABLED YES
2=TYPE BELL
3=SILENCEABLE YES
NAC Screen #1
NAC #
1=ZONE
00 QQ QQ QQ QQ
2=SIL INHIBITED NO
NAC Screen #2
NAC #
1=AUTO SILENCE 00
2=CODING
STEADY
NAC Screen #3
NAC #
1=SYNC TYPE S
NAC Screen #4

MS-9050 Series Manual — P/N 52413:G 4/14/2014 87
Master Programming Level Programming
Enabled
Pressing 1 while viewing NAC Screen #1 will cause the display to change to Enabled No. This will
prevent the selected main circuit board NAC from activating its devices. Each press of the 1 key
will cause the display to toggle between Enabled Yes and Enabled No.
Type
The main circuit board NAC type can be programmed by pressing 2 while viewing NAC Screen #1.
The following screen will be displayed. Press the down arrow key to view additional screens:
Select the NAC device type by pressing the number corresponding to the type in the appropriate
screen. When the selection is made, the display will return to NAC Screen #1.
The following table contains NAC type codes and their functions:
Silenceable
Pressing 3 while viewing NAC Screen #1 will cause the display to change to Silenceable No. This
will prevent the selected main circuit board NAC from being silenced by pressing the Alarm
Silence key or by the Auto Silence feature. Each press of the 3 key will cause the display to toggle
between Silenceable Yes and Silenceable No.
Important: When a Notification Appliance Circuit with a mix of audible and visual devices is pro-
grammed for silenceable and the synchronization feature is selected, only the audible devices will
be turned off if the Silence key is pressed or if the Autosilence feature is enabled. The visual devices
(strobes, etc.) will continue to operate.
Auto Silence
The Auto Silence feature, when enabled, automatically silences all main circuit board silenceable
notification appliances after a programmed length of time. To enable this feature and program the
time delay before Auto Silence activation, press 1 while viewing NAC Screen #2. The following
screens will be displayed:
NAC Type Code Special Function
Bell None
Horn None
Strobe None
Synced Strobe Synchronized to manufacturer
Strobe Sil Sync Same as Synced Strobe but Silence turns off audible & visual devices
Door Holder NAC normally active1
1Important: User should be aware that selecting Door Holder, Reset Power or
Non-Reset Power types for an NAC will immediately activate (turn on) the NAC
circuit and any devices connected to it, and therefore should not be used for
notification appliances.
Reset Power NAC normally active1
Non-Reset Power NAC normally active1
NAC #
1=ENABLED
2=TYPE
3=SILENCEABLE
NAC Screen #1
NAC TYPE
1=BELL
2=HORN
3=STROBE
Type Screen #1
NAC #
1=AUTO SILENCE
2=CODING
TEMPORAL
NAC Screen #2
AUTO SILENCE
1=NO
2=5 MINUTES
3=10 MINUTES
Auto Silence Screen #1
AUTO SILENCE
1=30 MINUTES
Auto Silence Screen #2
AUTO SILENCE
1=15 MINUTES
2=20 MINUTES
3=25 MINUTES
Auto Silence Screen #3

88 MS-9050 Series Manual — P/N 52413:G 4/14/2014
Programming Master Programming Level
To disable the Auto Silence feature, press 1 for No while viewing Auto Silence Screen #1. To
enable the Auto Silence feature, press the number corresponding to the time delay which will
elapse before Auto Silence activates. This information will be stored in memory and the display
will return to NAC Screen #2.
Coding (only for NACs not programmed as Sync Strobe Type)
The Coding feature allows the programmer to select the type of output that the main circuit board
notification appliances will generate when activated. Pressing 2 while viewing NAC Screen #2
will cause the following displays to appear:
The programmer can select the notification appliance output by pressing the number corresponding
to the desired output. The coding selections are:
• Steady - a continuous output with no coding
• March Time - 120 ppm (pulse-per-minute) output
• California - 10 seconds on and 5 seconds off
• Temporal - ½ second on, ½ second off, ½ second on, ½ second off, ½ second on, 1½ second off
• Two Stage 3 Minutes or 5 Minutes - Refer to “Two Stage Operation” on page 88. for a
description of this feature
Selection of one of the above options will cause the control panel to store the information in mem-
ory and return the display to NAC Screen #2, which will display the new coding choice.
Two Stage Operation
Two Stage operation consists of the following:
• 1st stage output - 20 ppm (pulse-per-minute) coding
• 2nd stage output - Temporal coding as described above
• Acknowledge button functions as the automatic alarm signal cancel button
If Two Stage operation is programmed as the Coding option, the following sequence of events will
occur during an alarm.
1. The on-board NACs which are programmed to General Alarm Zone 0 will activate with a 1st
stage output upon activation of any alarm point.
2. If the activated alarm point is directly mapped to a zone which is programmed to an on-board
NAC, that NAC will go directly to 2nd stage coding output. All other NACs not directly
mapped to the activated alarm point’s zone but assigned to Zone 0 will activate with a 1st stage
output.
3. If, after the programmed time of 3 or 5 minutes, the Acknowledge switch has not been pressed,
all NACs presently in 1st stage activation will go to 2nd stage activation.
4. If an Acknowledge switch has been pressed, the Alarm LED will turn from flashing to steady.
Any NACs currently in 1st stage activation will remain in 1st stage. Pressing the Acknowl-
edge switch does not affect NACs already in 2nd stage activation.
5. If another alarm point is activated and the countdown timer is counting, the alarm point will
have no effect on the NACs unless the alarm point’s zones are directly mapped to one of the
NACs, in which case it will follow the procedure outlined in step 2.
NOTE: All silenceable control modules will be controlled by the Autosilence timer for NAC 1.
CODING
1=STEADY
2=MARCH TIME
3=CALIFORNIA
Coding Screen #1
CODING
1=TEMPORAL
2=TWO STAGE 3 MIN
3=TWO STAGE 5 MIN
Coding Screen #2

MS-9050 Series Manual — P/N 52413:G 4/14/2014 89
Master Programming Level Programming
6. If another alarm point is activated and the countdown timer has stopped counting due to the
Acknowledge switch being pressed, the countdown timer will restart and the NACs will
respond as outlined in step 2. NACs already in 2nd stage activation will not be affected.
7. Any control modules assigned to special Zone 19 will be activated either by direct mapping of
an input device programmed to Zone 19 or if an NAC enters 2nd stage operation.
8. Control modules that are programmed to the same zone as the activated input device will not
be delayed for activation.
Zone
A maximum of five zones can be programmed to each main circuit board NAC. Pressing 1 while
viewing NAC Screen #3 displays the following screen:
Note that Z** represents the Zone Number(s) corresponding to the selected NAC. The factory
default for an unprogrammed device is Z00 for general alarm zone. A flashing cursor will appear
on the first 0 to the left. Enter the two digit number corresponding to the zone that is to be assigned
to this NAC. The cursor moves to the next Z** designation. Continue entering zone assignments
or the remaining zones can be left blank or programmed as general alarm zone Z00. When all
desired changes have been made, press the Enter key to store the zone assignments. The display
will return to the NAC Screen #3 which will show the zone assignments just entered.
Silence Inhibited
The Silence Inhibit feature, when enabled, prevents the silencing of the selected main circuit board
NAC for a period of one minute. Resetting the FACP will also be prevented for one minute while
the NAC programmed for silence inhibit is activated. Pressing 2 while viewing NAC Screen #3
will cause the display to change from the factory default of Silence Inhibit No to Silence Inhibit Yes.
Each press of the 2 key will cause the display to toggle between the two options.
Sync Type
If synchronized strobes were selected as the Type of device installed, the type of synchronization
must be selected in this option. Pressing 1 while viewing NAC Screen #4 will cause the following
screen to be displayed:
Pressing 1 while viewing this screen will select System Sensor synchronization, 2 will select Whee-
lock and 3 will select Gentex.
Maximum Number of Strobes for Synchronization
The total current draw for each Notification Appliance Circuit cannot exceed 2.5 amps. Refer to
the manufacturer’s documentation supplied with the Strobes to determine the maximum current
draw for each strobe and ensure that the circuit maximum is not exceeded.
NAC #
1=ZONE
00 00 00 00 00
2=SIL INHIBITED NO
NAC Screen #3
ZONE ASSIGNMENT
Z00 ZQQ ZQQ ZQQ ZQQ
Zone Screen
NOTE: Zones do no apply to NACs programmed as Door Holder, Reser Power, or Non-Reset
Power.
NAC #
1=SYNC TYPE
NAC Screen #4
NAC SYNC TYPE
1=SYSTEM SENSOR
2=WHEELOCK
3=GENTEX

90 MS-9050 Series Manual — P/N 52413:G 4/14/2014
Programming Master Programming Level
To ensure proper strobe and circuit operation, there is also a limit to the number of strobes that can
be attached to each circuit. Following is a list of the strobes that have been tested with this FACP
and the maximum number that can be connected to each NAC. Make sure that the NAC maximum
current is not exceeded:
System Sensor: 40 Strobes
Wheelock: 25 Strobes
Gentex: 23 Strobes
Relays
Pressing 3 while viewing System Setup Screen #2 will allow the programmer to configure two
main circuit board Form-C relays from the following screen:
To program Relay 1 or Relay 3, press the number corresponding to the selected relay. Note that
Relay 2 is fixed as a Trouble relay. Selecting Relay 2 will have no effect on its programming. The
following screen will appear for each relay to be programmed:
Pressing 1 for Type while viewing the Relay Screen will cause the following screens to be dis-
played:
While viewing the selected screen, press the number corresponding to the desired relay type to pro-
gram the main circuit board relay. The choice will be stored in memory and the display will return
to the Relay Type Screen which will show the programmed type choice. Press the Escape key to
return to the Relays Selection Screen and repeat the preceding procedure for the remaining relays.
Notes:
1. AR (AutoResettable) in SUPERVISORY AR and PROCMON AR means that a relay with the
Supervisory and/or Process Monitor type code, when activated, will automatically reset when
the corresponding condition is cleared.
2. A relay programmed with the Silenceable Alarm type will activate upon any alarm and reset
when the alarm is cleared and/or when the Alarm Silence button is pressed.
SYSTEM SETUP
1=TIMERS
2=NAC
3=RELAYS
System Setup Screen #2
RELAYS
1=RELAY 1
2=RELAY 2
3=RELAY 3
Relays Selection Screen
RELAY #
1=TYPE
ALARM
Relay Type Screen
RELAY
1=ALARM
2=SUPERVISORY
3=SUPERVISORY AR
Relay Screen #1
RELAY
1=PROCESS MON AR
2=AC LOSS
3=HAZARD
Relay Screen #3
RELAY
1=MEDICAL
2=SILENCEABLE ALARM
Relay Screen #4
RELAY
1=TROUBLE
2=COMM FAIL
3=PROCESS MON
Relay Screen #2

MS-9050 Series Manual — P/N 52413:G 4/14/2014 91
Master Programming Level Programming
Canadian Option
Pressing 1 while viewing System Setup Screen #3 will configure the FACP to comply with Cana-
dian requirements. The display will change to Canadian Opt. On. Each press of the 1 key will
cause the display to toggle between Canadian Opt. On and Canadian Opt. Off. The factory default
setting is Canadian Opt. Off.
For Canadian applications, remote annunciation must be done using the secondary ANN-BUS.
The Canadian Options configures the FACP with the following as required by Canada:
• The following monitor module type codes are not available:
non-latching supervisory
non-latching process monitor
non-latching drill
process monitor
hazard
tornado
medical alert
• The auto-silence timer can only be set to 0 or 20 minutes.
• Addressable ionization smoke detector sensitivity is automatically monitored using Canadian
specifications.
• Positive Alarm Sequence, the Pre-Signal option, and their corresponding timers are not
available for Canadian applications.
• The installer must write in the Date of Final Assembly on the Master Marking and Warranty
label located on the FACP backbox door.
Waterflow Silenceable
Pressing 2 while viewing System Setup Screen #3 will allow the programmer to configure the sys-
tem for silenceable on nonsilenceable waterflow circuits. Each press of the 2 key will toggle the
display between Waterflow Sil. No and Yes. When Waterflow Sil. No is selected, all output devices
associated with a waterflow type input device, will be nonsilenceable. When Waterflow Sil. Yes is
selected, all output devices associated with waterflow type input devices, will be silenceable. The
factory default setting is Waterflow Sil. No.
Lite-Connect
Pressing 3 while viewing System Setup Screen #3 will allow the programmer to configure the
system for the Lite-Connect circuit.
Pressing 1 while viewing the Lite-Connect Setup Screen will allow the programmer to enable the
Lite-Connect circuit. Select Enabled Yes if an ANN-LC has been installed and wired to the
secondary ANN-BUS. Each press of the 1 key will toggle the display between Enabled No and
Enabled Yes.
SYSTEM SETUP
1=CANADIAN OPT. OFF
2=WATERFLOW SIL. NO
3=LITE-CONNECT
System Setup Screen #3
SYSTEM SETUP
1=CANADIAN OPT. OFF
2=WATERFLOW SIL. NO
System Setup Screen #3
LITE-CONNECT
1=ENABLED YES
2=HUB MODE SETUP
3=NODE MODE SETUP
Lite-Connect Setup Screen

92 MS-9050 Series Manual — P/N 52413:G 4/14/2014
Programming Master Programming Level
Hub Mode Setup
Pressing 2 while viewing the Lite-Connect Setup Screen will allow the programmer to configure
the MS-9050UD as the Lite-Connect hub FACP. The following screen is displayed.
Pressing 1 while viewing the Hub Mode Setup Screen will allow the programmer to enable the
MS-9050UD as the hub of the Lite-Connect circuit. One MS-9050UD FACP must act as a hub in
every Lite-Connect circuit. Select Enabled Yes if the current MS-9050UD will serve as the hub.
Each press of the 1 key will toggle the display between Enabled No and Enabled Yes.
Pressing 2 while viewing the Hub Mode Setup Screen will allow the programmer to edit the nodes
on the Lite-Connect circuit. The following screen is displayed. There is an edit node screen for
every available node on the Lite-Connect circuit (02-17). Scroll left or right to view the appropriate
node number.
Pressing 1 while viewing the Edit Node ## Screen will allow the programmer to enable an FACP as
a specific node on the Lite-Connect circuit. Each press of the 1 key will toggle the display between
Enabled No and Enabled Yes.
Pressing 2 while viewing the Edit Node ## Screen will allow the programmer to specify which type
of FACP will participate as a specific node on the Lite-Connect circuit. The following screen is
displayed.
Press 1 if the selected node is an MS-9050UD FACP.
Press 2 if the selected node is an MS-9200UDLS FACP.
Pressing 3 while viewing the Edit Node ## Screen will allow the programmer to specify alternate
account codes to be used to communicate that node’s events to the Central Stations. If these values
are left blank/zero the hub’s account codes will be used to report the event. The following screen is
displayed.
Press 1 or 2 to edit the central station account codes. The following screen displays for both
selections.
HUB MODE SETUP
1=ENABLED NO
2=EDIT NODES
Hub Mode Setup Screen
EDIT NODES ##
1=ENABLED YES
2=TYPE 50PT
3=ACCOUNT CODES
Edit Node ## Screen
NODE TYPE
1=50 POINTS
2=198 POINTS
Node Type Screen
EDIT NODES ##
1=ENABLED YES
2=TYPE 50PT
3=ACCOUNT CODES
Edit Nodes ## Screen
ACCOUNT CODES
1=CENTRAL STATION 1
2=CENTRAL STATION 2
CS1= CS2=
Node Type Screen
CENTRAL STATION X
ACCOUNT CODE
4 CHAR RANGE 0-F
Node Type Screen

MS-9050 Series Manual — P/N 52413:G 4/14/2014 93
Master Programming Level Programming
A flashing cursor will appear in the lower left corner of the display. Enter the four-digit account
code for each central station. After the last digit is entered, the display will return to the Account
Code screen.
Node Mode Setup
Pressing 3 while viewing the Lite-Connect Setup Screen will allow the programmer to configure
the MS-9050UD as a node on the Lite-Connect circuit.
Pressing 1 while viewing the Node Mode Setup Screen will allow the programmer to enable the
MS-9050UD as a node on the Lite-Connect circuit. Select Enabled Yes if an ANN-LC has been
installed and wired to the secondary ANN-BUS port. Each press of the 1 key will toggle the
display between Enabled No and Enabled Yes.
Pressing 2 while viewing the Node Mode Setup Screen will allow the programmer to enter the
address of the node on the Lite-Connect circuit.
A flashing cursor will appear in the lower left corner of the display. Enter the two-digit address
which can be a value between 02 and 17. Address 01 is reserved for the hub. After the second digit
is entered, the display will return to the Node Mode Setup screen.
3.6.6 Verify Loop
Pressing 3 while viewing Programming Screen #2, will select the Verify Loop option. During loop
verification, the FACP polls each device on the SLC to determine if the device is communicating
and whether or not it responds with the proper type identification. The following screen will be dis-
played while verification is in progress:
When Loop verification has been completed, the display will indicate that the system is OK or, if
problems have been detected, any device type programming errors. Use the up and down arrow
keys to view all detected errors.
3.6.7 History
The History option allows an authorized user to view or erase events which have occurred in the
control panel. Pressing 1 while viewing Programming Screen #3 will display the History options
as shown in the following display:
LITE-CONNECT
1=ENABLED YES
2=HUB MODE SETUP
3=NODE MODE SETUP
Lite-Connect Setup Screen
NODE MODE SETUP
1=ENABLED YES
2=ADDRESS ##
Node Mode Setup Screen
NODE ADDRESS
ENTER NODE ADDRESS
RANGE 02-17
Node Mode Setup Screen
PROGRAMMING
1=LOOP SETUP
2=SYSTEM SETUP
3=VERIFY LOOP
Programming Screen #2
VERIFYING LOOPS
PLEASE WAIT
Verification Progress Screen
PROGRAMMING
1=HISTORY
2=WALKTEST
3=OPTION MODULES
Programming Screen #3
HISTORY
1=VIEW EVENTS
2=ERASE HISTORY
History Screen

94 MS-9050 Series Manual — P/N 52413:G 4/14/2014
Programming Master Programming Level
View Events
Pressing 1 while viewing the History Screen will allow the user to select the events to be viewed as
illustrated in the following:
While displaying the View Events screen, press 1 to view all events, 2 to view only alarms, or 3 to
view other events. Use the up and down arrow keys to scroll through all of the displayed events.
Erase History
The Erase History option allows a user to erase all events from the history file. This will provide a
clean slate in order to use the history file to track future events. Pressing 2 while viewing the His-
tory Screen will display the following screen:
Pressing 1 while viewing the Erase History Screen will erase all events from the History file.
During this process, the display will read as follows:
After the History file has been erased, the display will return to the History Screen.
3.6.8 Walktest
Walktest allows an individual to test the fire alarm system without the necessity to reset the control
panel after each device activation. Pressing 2 while viewing the Programming Screen #3 will cause
the following Walktest options to be displayed:
To perform a silent walktest which will not sound the NACs, press 1 while viewing the Walktest
Screen. To perform an audible walktest, which will sound the NACs, press 2 while viewing the
Walktest Screen. When either option is chosen, the panel will enter Walktest Mode and the follow-
ing screen will be displayed:
From this screen, it is possible to view the walktest log, untested system points or a summary of the
addressable devices tested during the current walktest. The user can select between any of these
screens without interrupting the current walktest session. The walktest session will not end until
the Unit In Walktest screen is exited by pressing the Escape key.
HISTORY
1=VIEW EVENTS
2=ERASE HISTORY
History Screen
HISTORY
1=VIEW ALL
2=VIEW ALARMS
3=VIEW OTHER EVENTS
View Events Screen
ERASE HISTORY
PROCEED?
1=YES 2=NO
Erase History Screen
ERASING HISTORY
PLEASE WAIT
Erase History Wait Screen
PROGRAMMING
1=HISTORY
2=WALKTEST
3=OPTION MODULES
Programming Screen #3
WALKTEST
1=SILENT
2=AUDIBLE
3=VIEW RESULT
Walktest Screen
UNIT IN WALKTEST
1=VIEW WALKTEST LOG
2=VIEW POINTS
3=VIEW SUMMARY
Unit In Walktest Screen

MS-9050 Series Manual — P/N 52413:G 4/14/2014 95
Master Programming Level Programming
Pressing 1 for View Walktest Log while viewing the Unit In Walktest screen will cause a screen sim-
ilar to one of the following two screens to be displayed:
If there are no events in the current walktest session, the first screen will be displayed, indicating no
events have been stored in the walktest log. If any events have been stored, a screen similar to the
second will be displayed indicating the latest event. As walktest events occur, the display will
change to indicate the latest event. All stored events can be scrolled on the screen by pressing the
up or down arrow keys. To return to the first event, press the 1st Event key.
Pressing 2 for View Points while viewing the Unit In Walktest screen will display a new screen
which will show only the points that have not yet been walk tested. The up and down arrow keys
will allow viewing of all untested points. If a point is tested while it is being displayed, the screen
will update and display the next untested point. A description on the bottom of the screen will indi-
cate if the displayed point has been disabled, if the Walktest option has been disabled for that point
or if the point is not yet tested. The total number of untested points can be seen in the upper right
corner of the screen.
Pressing 3 for View Summary while viewing the Unit In Walktest screen will display a new screen
which will show a total of the tested detectors, tested modules, untested detectors and untested
modules for the current walktest session.
The user can perform a one-person walktest by activating devices throughout the system. As each
device is activated, the information about the activated device is store in the Walktest Log. The
information can be viewed by choosing one of the options from the Unit In Walktest screen.
After completion of the Walktest, press the Esc (Escape) key to exit Walktest Mode and return to
the Walktest Screen. The results of the Walktest can now be viewed by pressing 3 while viewing
the Walktest Screen. The following screen will be displayed:
Use the up and down arrow keys to view all of the walktest results which will be displayed as illus-
trated in the preceding screen. Note that the Walktest log is stored in RAM. If all power (AC and
DC) is removed from the FACP, the Walktest log information will be lost. This information is also
overwritten when subsequent walktests are performed.
3.6.9 Option Modules
Options available for the MS-9050UD include annunciators, printer connection for acquiring hard-
copy printouts of panel data and onboard DACT.
Pressing 3 while viewing Programming Screen #3 will display the following screen:
NO EVENTS IN
WALKTEST LOG
ALARM: MONITOR
NORTH CLASSROOM
Z001
10Q15A 012310 1M006
OR
WALKTEST RESULTS
View Result Screen
PROGRAMMING
1=HISTORY
2=WALKTEST
3=OPTION MODULES
Programming Screen #3
OPTION MODULES
1=ANN-BUS
2=ONBOARD DACT
Options Screen

96 MS-9050 Series Manual — P/N 52413:G 4/14/2014
Programming Master Programming Level
ANN-BUS
Pressing 1 while viewing the Option Modules screen will cause the control panel to display the fol-
lowing screens.
A printer module and LCD annunciator module can be programmed into the MS-9050UD system.
These devices communicate with the FACP over the ANN-BUS terminals on the control panel.
ANN-BUS Enabled
The ANN-BUS must be enabled if any modules are connected to the ANN-BUS terminals. To
enable the ANN-BUS, press 1 while viewing ANN-BUS screen #1 so that the display reads ANN-
BUS Enabled Yes. Each press of the 1 key will cause the display to toggle between ANN-BUS
Enabled Yes and ANN-BUS Enabled No. The factory default setting is ANN-BUS Enabled No.
Modules Installed
If an ANN-BUS module is installed, press 2 while viewing ANN-BUS screen #1 to select ANN-
BUS addresses for the module(s). The following screen will be displayed.
Pressing the down arrow key will allow the programmer to view additional screens displaying
Addresses 1-8. To select one or more addresses for the installed module(s), press the number key
corresponding to the module address in each screen. The following screens will be displayed for
each address:
Pressing 1 for Type will display the following screens:
Press the number corresponding to the module type that is installed with the selected address.
ANN-BUS
1=ENABLED NO
2=MODULES INSTALLED
3=AUTO-CONFIGURE
ANN-BUS Screen #1
ANN-BUS
1=ANN-S/PG OPTIONS
2=ANN-80 OPTIONS
3=ANN-SECONDARY
ANN-BUS Screen #2
ANN-BUS MODULES
1=ADDR. 1 NONE
2=ADDR. 2 NONE
3=ADDR. 3 NONE
ANN-BUS Modules Screen #1
ANN-BUS MODULE
ANN-BUS ADDRESS #
1=TYPE NONE
ANN-BUS MODULE TYPE
1=NOT INSTALLED
2=ANN-80 MODULE
3=ANN-I/O MODULE
Module Type Screen #1
ANN-BUS MODULE TYPE
1=ANN-S/PG MODULE
2=ANN-LED MODULE
3=ANN-RLY MODULE
Module Type Screen #2
NOTE: If the module type selected is the ANN-80 or ANN-S/PG or if Not Installed is selected,
the ANN-BUS Address Screen shown on the previous page will be displayed following the module
selection. The options selected for each of these modules will be the same for all modules of the
same type (refer to “ANN-S/PG (Print) Options Screen” on page 104 and “ANN-80 Options
Screen” on page 105).

MS-9050 Series Manual — P/N 52413:G 4/14/2014 97
Master Programming Level Programming
If ANN-I/O, ANN-LED, or ANN-RLY is the selected module type, the following ANN-BUS Address
Screen will be displayed:
Since the options for each of these module types can be individually set, pressing 2 for Module
Options, while viewing the ANN-BUS Address Screen will display the available options as
described below.
ANN-I/O Options Screen
Pressing 1 while viewing the ANN-I/O Address Screen will program the annunciator module to
annunciate either Point (addressable device address) information or Zone information. Each press
of the 1 key will toggle the display between Zone and Point.
Pressing 2 while viewing the ANN-I/O Address Screen will select the Point range to be annunci-
ated (refer to the tables in “ANN-I/O Zone Option” on page 98 and “ANN-I/O Point Option” on
page 98). If Point has been selected, each press of the 2 key for Range will change the points to be
annunciated with the options being 01 - 30 and 31 - 50.
Note that if Zone has been selected, the 2 key will have no effect since the only zones that can be
annunciated are 00 - 19. The range cannot be changed.
ANN-BUS MODULES
ANN-BUS ADDRESS #
1=TYPE ANN-I/O
2=MODULE OPTIONS
ANN-BUS Address Screen
ANN-I/O ADDR #
1=POINT/ZONE ZONE
2=RANGE 00-19
ACTIVE LEDS ONLY
ANN-I/O Address Screen

98 MS-9050 Series Manual — P/N 52413:G 4/14/2014
Programming Master Programming Level
ANN-I/O Zone Option
If Zone is selected as the module option, the first ten LED driver outputs on the ANN-I/O module
will display the system status information. The remaining 20 LED driver outputs on the module
will display the active/alarm status of each zone. The LED assignments for the ANN-I/O module
will be as follows.
ANN-I/O Point Option
If Point is selected as the module option, the first ten LED driver outputs on the first ANN-I/O
module will display the system status information. The remaining 30 LED driver outputs on the
first module and 20 LED driver outputs on the second module will be used to display the
active/alarm status of each point in the Point Range programmed for that particular module. The
Module LED Function
1AC Fault
2 Fire Alarm
3 Supervisory
4 Trouble
5 Alarm Silenced
6 Not Used
7 Not Used
8 Not Used
9 Not Used
10 Not Used
11 Zone 00 - Active/Alarm
12 Zone 01 - Active/Alarm
13 Zone 02 - Active/Alarm
14 Zone 03 - Active/Alarm
15 Zone 04 - Active/Alarm
16 Zone 05 - Active/Alarm
17 Zone 06 - Active/Alarm
18 Zone 07 - Active/Alarm
19 Zone 08 - Active/Alarm
20 Zone 09 - Active/Alarm
21 Zone 10 - Active/Alarm
22 Zone 11 - Active/Alarm
23 Zone 12 - Active/Alarm
24 Zone 13 - Active/Alarm
25 Zone 14 - Active/Alarm
26 Zone 15 - Active/Alarm
27 Zone 16 - Active/Alarm
28 Zone 17 - Active/Alarm
29 Zone 18 - Active/Alarm
30 Zone 19 - Active/Alarm
31 Not Used
32 Not Used
33 Not Used
34 Not Used
35 Not Used
36 Not Used
37 Not Used
38 Not Used
39 Not Used
40 Not Used

MS-9050 Series Manual — P/N 52413:G 4/14/2014 99
Master Programming Level Programming
points that will be annunciated on a particular ANN-I/O module depend on the programming
options selected as far as the device type (detector or module) to be annunciated. The LED assign-
ments for each ANN-I/O module will be as follows.
ANN-I/O Module #1 ANN-I/O Module #2
Module LED Function Function
1 AC Fault Not Used
2 Fire Alarm Not Used
3 Supervisory Not Used
4 Trouble Not Used
5 Alarm Silenced Not Used
6 Not Used Not Used
7 Not Used Not Used
8 Not Used Not Used
9 Not Used Not Used
10 Not Used Not Used
11 Point 01 - Active/Alarm Point 31 - Active/Alarm
12 Point 02 - Active/Alarm Point 32 - Active/Alarm
13 Point 03 - Active/Alarm Point 33 - Active/Alarm
14 Point 04 - Active/Alarm Point 34 - Active/Alarm
15 Point 05 - Active/Alarm Point 35 - Active/Alarm
16 Point 06 - Active/Alarm Point 36 - Active/Alarm
17 Point 07 - Active/Alarm Point 37 - Active/Alarm
18 Point 08 - Active/Alarm Point 38 - Active/Alarm
19 Point 09 - Active/Alarm Point 39 - Active/Alarm
20 Point 10 - Active/Alarm Point 40 - Active/Alarm
21 Point 11 - Active/Alarm Point 41 - Active/Alarm
22 Point 12 - Active/Alarm Point 42 - Active/Alarm
23 Point 13 - Active/Alarm Point 43 - Active/Alarm
24 Point 14 - Active/Alarm Point 44 - Active/Alarm
25 Point 15 - Active/Alarm Point 45 - Active/Alarm
26 Point 16 - Active/Alarm Point 46 - Active/Alarm
27 Point 17 - Active/Alarm Point 47 - Active/Alarm
28 Point 18 - Active/Alarm Point 48 - Active/Alarm
29 Point 19 - Active/Alarm Point 49 - Active/Alarm
30 Point 20 - Active/Alarm Point 50 - Active/Alarm
31 Point 21 - Active/Alarm Not Used
32 Point 22 - Active/Alarm Not Used
33 Point 23 - Active/Alarm Not Used
34 Point 24 - Active/Alarm Not Used
35 Point 25 - Active/Alarm Not Used
36 Point 26 - Active/Alarm Not Used
37 Point 27 - Active/Alarm Not Used
38 Point 28 - Active/Alarm Not Used
39 Point 29 - Active/Alarm Not Used
40 Point 30 - Active/Alarm Not Used

100 MS-9050 Series Manual — P/N 52413:G 4/14/2014
Programming Master Programming Level
ANN-LED Options Screen
Pressing 2 for Module Options while viewing ANN-BUS Address Screen when the ANN-LED
option is selected, will display the following screen:
The first screen indicates that the ANN-LED at the selected ANN-BUS address is programmed to
annunciate Alarms, Troubles and Supervisories for Zones 00 through 09. The programming can be
changed using ANN-LED Address Screen 2.
Pressing 1 while viewing ANN-LED Address Screen #2 will program the annunciator module to
annunciate either Point (addressable device address) information or Zone information. Each press
of the 1 key will toggle the display between Point and Zone.
Pressing 2 while viewing ANN-LED Address Screen #2 will program the annunciator module to
annunciate only Alarms or Alarms, Troubles and Supervisories (ATS). Each press of the 2 key will
toggle the display between Alarms and ATS.
Pressing 3 while viewing ANN-LED Address Screen #2 will select the Point or Zone range to be
annunciated (refer to the tables in “ANN-RLED Zone Option - Alarm Only” on page 100 and
“ANN-RLED Point Option - Alarm Only” on page 101). Pressing the 3 key will display an addi-
tional screen where the range can be selected.
• If Zone has been selected, and Alarms Only are to be annunciated, the 3 key will have no effect
since all zones can be displayed on only one ANN-LED module.
• If Zone has been selected, and Alarms, Troubles and Supervisories are to be annunciated, the
new screen will give the options of annunciating Zone 0 - 9 or 10 - 19. Two ANN-LED
modules are required to annunciate all zones in this configuration.
• If Points has been selected, and Alarms Only are to be annunciated, the new screen will give
the options of annunciating Points 1 - 30 and 31 - 50. Two ANN-LED modules are required to
annunciate all points in this configuration.
• If Point has been selected, and Alarms, Troubles and Supervisories are to be annunciated, the
new screens will give the options of annunciating Points 1 - 10, 11 - 20, 21 - 30, 31 - 40 or 41 -
50. Five ANN-LED modules are required to annunciate all points in this configuration.
ANN-RLED Zone Option - Alarm Only
If Zone is selected as the module option, and the module is programmed to annunciate alarms only,
the first ten LEDs on the ANN-RLED module will display the system status information. The next
20 LEDs on the module will display the active/alarm status of each zone. The last 10 LEDs are not
used. The LED assignments for the ANN-RLED module will be as follows.
ANN-RLED Module
Alarm Silenced NAC 1 Fault NAC 2 Fault Not Used Not Used
Earth Fault Battery Fault Charger Fault Disabled Maintenance
Zone 00
Active/Alarm
Zone 01
Active/Alarm
Zone 02
Active/Alarm
Zone 03
Active/Alarm
Zone 04
Active/Alarm
Zone 05
Active/Alarm
Zone 06
Active/Alarm
Zone 07
Active/Alarm
Zone 08
Active/Alarm
Zone 09
Active/Alarm
Zone 10
Active/Alarm
Zone 11
Active/Alarm
Zone 12
Active/Alarm
Zone 13
Active/Alarm
Zone 14
Active/Alarm
Zone 15
Active/Alarm
Zone 16
Active/Alarm
Zone 17
Active/Alarm
Zone 18
Active Alarm
Zone 19
Active/Alarm
Not Used Not Used Not Used Not Used Not Used
PROGRAMMING
1=ANN-RLY OPTIONS
2=ANN-LED OPTIONS
ANN-BUS Screen #3
ANN-LED ADDR #
ZONES 00-09
ALARM, TRBL, SUPV
ANN-LED Address Screen #1
ANN-LED ADDR #
1=POINT/ZONE ZONE
2=ALARM/ATS ATS
3=RANGE ZN00-09
ANN-LED Address Screen #2

MS-9050 Series Manual — P/N 52413:G 4/14/2014 101
Master Programming Level Programming
ANN-LED Zone Option - Alarm, Trouble and Supervisory
If Zone is selected as the module option, and the module is programmed to annunciate alarms,
troubles, and supervisories, the first ten LEDs on the first ANN-LED module will display the sys-
tem status information. The remaining 30 LEDs on the first module and the last 30 LEDs on the
second module will display the alarm, trouble and supervisory status for each of the ten zones in the
Zone Range programmed for that particular module. The LED assignments for each ANN-LED
module will be as follows.
ANN-RLED Point Option - Alarm Only
If Point is selected as the module option and the module is programmed to annunciate alarms only,
the first ten LEDs on the first ANN-RLED module will display the system status information. The
remaining 30 LEDs on the first module and LEDs 11 - 30 on the second module will display the
active/alarm status of each point in the Point Range programmed for that particular module. The
LED assignments for each ANN-RLED module will be as follows.
Not Used Not Used Not Used Not Used Not Used
First ANN-LED Module
Alarm Silenced NAC 1 Fault NAC 2 Fault Not Used Not Used
Earth Fault Battery Fault Charger Fault Disabled Maintenance
Zone 00
Active/Alarm
Zone 01
Active/Alarm
Zone 02
Active/Alarm
Zone 03
Active/Alarm
Zone 04
Active/Alarm
Zone 00
Trouble
Zone 01
Trouble
Zone 02
Trouble
Zone 03
Trouble
Zone 04
Trouble
Zone 00
Supervisory
Zone 01
Supervisory
Zone 02
Supervisory
Zone 13
Supervisory
Zone 04
Supervisory
Zone 05
Active/Alarm
Zone 06
Active/Alarm
Zone 07
Active/Alarm
Zone 08
Active Alarm
Zone 09
Active/Alarm
Zone 05
Trouble
Zone 06
Trouble
Zone 07
Trouble
Zone 08
Trouble
Zone 09
Trouble
Zone 05
Supervisory
Zone 06
Supervisory
Zone 07
Supervisory
Zone 08
Supervisory
Zone 09
Supervisory
Second ANN-LED Module
Not Used Not Used Not Used Not Used Not Used
Not Used Not Used Not Used Not Used Not Used
Zone 10
Active/Alarm
Zone 11
Active/Alarm
Zone 12
Active/Alarm
Zone 13
Active/Alarm
Zone 14
Active/Alarm
Zone 10
Trouble
Zone 11
Trouble
Zone 12
Trouble
Zone 13
Trouble
Zone 14
Trouble
Zone 10
Supervisory
Zone 11
Supervisory
Zone 12
Supervisory
Zone 13
Supervisory
Zone 14
Supervisory
Zone 15
Active/Alarm
Zone 16
Active/Alarm‘
Zone 17
Active/Alarm
Zone 18
Active/Alarm
Zone 19
Active/Alarm
Zone 15
Trouble
Zone 16
Trouble
Zone 17
Trouble
Zone 18
Trouble
Zone 19
Trouble
Zone 15
Supervisory
Zone 16
Supervisory
Zone 17
Supervisory
Zone 18
Supervisory
Zone 19
Supervisory
First ANN-RLED Module (Point Range 01 - 30)
Alarm Silenced NAC 1 Fault NAC 2 Fault Not Used Not Used

102 MS-9050 Series Manual — P/N 52413:G 4/14/2014
Programming Master Programming Level
ANN-LED Point Option - Alarm, Trouble and Supervisory
If Point is selected as the module option, and the module is programmed to annunciate alarms,
troubles and supervisories, the first ten LEDs on the first ANN-LED module will display the sys-
tem status information. The remaining 30 LEDs on the first module and the last 30 LEDs on the
remaining modules will display the alarm, trouble and supervisory status for each of the ten points
in the Point Range programmed for that particular module. The LED assignments for each ANN-
LED module will be as follows.
Earth Fault Battery Fault Charger Fault Disabled Maintenance
Point 01
Active/Alarm
Point 02
Active/Alarm
Point 03
Active/Alarm
Point 04
Active/Alarm
Point 05
Active/Alarm
Point 06
Active/Alarm
Point 07
Active/Alarm
Point 08
Active/Alarm
Point 09
Active/Alarm
Point 10
Active/Alarm
Point 11
Active/Alarm
Point 12
Active/Alarm
Point 13
Active/Alarm
Point 14
Active/Alarm
Point 15
Active/Alarm
Point 16
Active/Alarm
Point 17
Active/Alarm
Point 18
Active/Alarm
Point 19
Active/Alarm
Point 20
Active/Alarm
Point 21
Active/Alarm
Point 22
Active/Alarm
Point 23
Active/Alarm
Point 24
Active/Alarm
Point 25
Active/Alarm
Point 26
Active/Alarm
Point 27
Active/Alarm
Point 28
Active/Alarm
Point 29
Active/Alarm
Point 30
Active/Alarm
Second ANN-RLED Module (Point Range 31 - 50)
Not Used Not Used Not Used Not Used Not Used
Not Used Not Used Not Used Not Used Not Used
Point 31
Active/Alarm
Point 32
Active/Alarm
Point 33
Active/Alarm
Point 34
Active/Alarm
Point 35
Active/Alarm
Point 36
Active/Alarm
Point 37
Active/Alarm
Point 38
Active/Alarm
Point 39
Active/Alarm
Point 40
Active/Alarm
Point 41
Active/Alarm
Point 42
Active/Alarm
Point 43
Active/Alarm
Point 44
Active/Alarm
Point 45
Active/Alarm
Point 46
Active/Alarm
Point 47
Active/Alarm
Point 48
Active/Alarm
Point 49
Active/Alarm
Point 50
Active/Alarm
Not Used Not Used Not Used Not Used Not Used
Not Used Not Used Not Used Not Used Not Used
First ANN-LED Module (Point Range 01 - 10)
Alarm Silenced NAC 1 Fault NAC 2 Fault Not Used Not Used
Earth Fault Battery Fault Charger Fault Disabled Maintenance
Point 01
Active/Alarm
Point 02
Active/Alarm
Point 03
Active/Alarm
Point 04
Active/Alarm
Point 05
Active/Alarm
Point 01
Trouble
Point 02
Trouble
Point 03
Trouble
Point 04
Trouble
Point 05
Trouble
Point 01
Supervisory
Point 02
Supervisory
Point 03
Supervisory
Point 04
Supervisory
Point 05
Supervisory
Point 06
Active/Alarm
Point 07
Active/Alarm
Point 08
Active/Alarm
Point 09
Active/Alarm
Point 10
Active/Alarm
Point 06
Trouble
Point 07
Trouble
Point 08
Trouble
Point 09
Trouble
Point 10
Trouble
Point 06
Supervisory
Point 07
Supervisory
Point 08
Supervisory
Point 09
Supervisory
Point 10
Supervisory

MS-9050 Series Manual — P/N 52413:G 4/14/2014 103
Master Programming Level Programming
The LED assignments for the modules annunciating Point Ranges 21 - 30, 31 - 40 and 41 - 50, will
follow the same pattern as the second ANN-LED Module: third module Point Range 21 - 30, fourth
module Point Range 31 - 40 and fifth module Point Range 41 - 50.
ANN-RLY Options Screen
Pressing 2 for Module Options while viewing ANN-BUS Address Screen when the ANN-RLY
option is selected, will cause the following screen to be displayed:
The ANN-RLY module provides ten Form-C relays which can be programmed for various func-
tions. The initial screen displays Relays 1 through 3. Pressing the down arrow key will display the
remaining relays for this module.
To program any of the ANN-RLY relays, while viewing the appropriate ANN-RLY Option screen,
press the number key corresponding to the relay to be programmed. Following is a list of the avail-
able programming options for each relay:
•Alarm
• Supervisory
• Supervisory AR
• Trouble
• Comm Fail
• Process Mon
• Process Mon AR
•AC Loss
• Hazard
• Medical
• Silenceable Alarm
• Zone Active XX (where XX = programmed zone 00 to 19)
Second ANN-LED Module (Point Range 11 - 20)
Not Used Not Used Not Used Not Used Not Used
Not Used Not Used Not Used Not Used Not Used
Point 11
Active/Alarm
Point 12
Active/Alarm
Point 13
Active/Alarm
Point 14
Active/Alarm
Point 15
Active/Alarm
Point 11
Trouble
Point 12
Trouble
Point 13
Trouble
Point 14
Trouble
Point 15
Trouble
Point 11
Supervisory
Point 12
Supervisory
Point 13
Supervisory
Point 14
Supervisory
Point 15
Supervisory
Point 16
Active/Alarm
Point 17
Active/Alarm
Point 18
Active/Alarm
Point 19
Active/Alarm
Point 20
Active/Alarm
Point 16
Trouble
Point 17
Trouble
Point 18
Trouble
Point 19
Trouble
Point 20
Trouble
Point 16
Supervisory
Point 17
Supervisory
Point 18
Supervisory
Point 19
Supervisory
Point 20
Supervisory
ANN-RLY - ADDR. #
1=RELAY 1 ZONE 00
2=RELAY 2 ZONE 01
3=RELAY 3 ZONE 02
ANN-RLY Options Screen

104 MS-9050 Series Manual — P/N 52413:G 4/14/2014
Programming Master Programming Level
Auto-Configure
The ANN-BUS Auto-Configure features allows the programmer to quickly bring all installed
ANN-BUS modules online. The software will search for all ANN-BUS modules and automatically
program the device type and address into the system. The ANN-BUS must be enabled for the Auto-
Configure feature to work. Pressing 3 while viewing ANN-BUS Screen #1 will begin the Auto-
Configure process and cause the following screen to be displayed:
ANN-S/PG (Print) Options Screen
The Print option allows the programmer to configure the optional printer. Pressing 1 while viewing
ANN-BUS screen #2 will display the following screens:
Pressing 1 for Port while viewing ANN-S/PG Options screen #1 will allow the programmer to
select between a Parallel and Serial Port for printer connection. Each press of the 1 key will cause
the display to toggle between Port PAR (parallel) and Port SER (serial). It is important to note that
the interface selected determines which options are available to the user.
If the Parallel Port option is selected, the user has the option to supervise the printer and select an
offline timer for the supervision by pressing 2 for Printer Supervision while viewing Print Options
screen #1. Each press of the 2 key will cause the display to toggle between Printer Supv NO for no
supervision and Printer Supv YES for printer supervision. Note that this option is not selectable if
the Serial Port option has been selected.
If the Parallel Port option is selected, the user has the ability to select an Offline Timer by pressing
3 while viewing Print Options screen #1. The resultant screen allows the programmer to program
the Offline Timer for a delay of between 0 and 255 seconds before loss of printer supervision is
reported as a trouble.
If the Serial Port option is selected, the Printer Supv and Offline Timer options will not be available.
The Baud Rate, Data Bits, Parity and Stop Bits options are only available when the Serial Port
option has been selected.
Pressing 1 for Baud Rate while viewing ANN-S/PG Options screen #2 will cause a screen to appear
which allow the user to select a Baud Rate of 19200, 9600, or 2400.
Pressing 2 for Data Bits while viewing ANN-S/PG Options screen #2 will cause a screen to appear
which allows the user to select 7 or 8 Data Bits.
Pressing 3 for Parity while viewing ANN-S/PG Options screen #2 will cause a screen to appear
which allows the user to select between No Parity, Even Parity, or Odd Parity.
Pressing 1 for Stop Bits while viewing ANN-S/PG Options screen #3 will cause a screen to appear
which allows the user to select between 1.0 or 2.0 Stop Bits.
ANN-BUS
AUTO-CONGFIGURE
IN PROGRESS
PLEASE WAIT
Auto-Configure Screen
ANN-S/PG OPTIONS
1=PORT PAR
2=PRINTER SUPV NO
3=OFFLINE TIMER 60
ANN-S/PG Options Screen #1
ANN-S/PG OPTIONS
1=BAUD RATE N/A
2=DATA BITS N/A
3=PARITY N/A
ANN-S/PG Options Screen #2
ANN-S/PG OPTIONS
1=STOP BITS N/A
ANN-S/PG Options Screen #3

MS-9050 Series Manual — P/N 52413:G 4/14/2014 105
Master Programming Level Programming
ANN-80 Options Screen
Pressing 2 while viewing ANN-BUS screen #2 will display the following screen:
The Piezo Enable option allows the programmer to select whether the piezo sounder on any
installed ANN-80 module will ever sound. Pressing 1 while viewing the ANN-80 Options Screen
#1 causes the display to toggle between Piezo Enable Yes and Piezo Enable No.
The Lock Enable option allows the programmer to select whether or not any installed ANN-80
annunciator must be unlocked by its key before any annunciator key presses will function. Pressing
2 while viewing the ANN-80 Options Screen #1 causes the display to toggle between Lock Enable
Yes (annunciator must be unlocked for keys to function) and Lock Enable No (lock position is
ignored).
The Acknowledge Button Enable (ACK BTN ENABLE) option allows the programmer to select
whether the Ack/Step button on any installed ANN-80 annunciator will function normally or
always be ignored. Pressing 3 while viewing the ANN-80 Options Screen #1 causes the display to
toggle between Ack Btn Enable Yes (Ack/Step button functions normally) and Ack Btn Enable No
(Ack/Step button never functions).
The Silence Button Enable (SIL BTN ENABLE) option allows the programmer to select whether the
Silence button on any installed ANN-80 annunciator will function normally or always be ignored.
Pressing 1 while viewing the ANN-80 Options Screen #2 causes the display to toggle between Sil
Btn Enable Yes (Silence button functions normally) and Sil Btn Enable No (Silence button never
functions).
The Reset Button Enable (RST BTN ENABLE) option allows the programmer to select whether the
Reset button on any installed ANN-80 annunciator will function normally or always be ignored.
Pressing 2 while viewing the ANN-80 Options Screen #2 causes the display to toggle between Rst
Btn Enable Yes (Reset button functions normally) and Rst Btn Enable No (Reset button never func-
tions).
The Drill Button Enable (DRL BTN ENABLE) option allows the programmer to select whether the
Drill button on any installed ANN-80 annunciator will function normally or always be ignored.
Pressing 3 while viewing the ANN-80 Options Screen #2 causes the display to toggle between Drl
Btn Enable Yes (Drill button functions normally) and Drl Btn Enable No (Drill button never func-
tions).
ANN-SECONDARY Options Screen
Pressing 3 while viewing ANN-BUS screen #2 will display the following screen:
The ANN-SECONDARY must be enabled if any modules are connected to the ANN-SEC option
card at J13. To enable the Secondary ANN-BUS, press 1 while viewing ANN-SECONDARY
screen so that the display reads ANN-SECONDARY Enabled Yes. Each press of the 1 key will
cause the display to toggle between ANN-SECONDARY Enabled Yes and ANN-SECONDARY
Enabled No. The factory default setting is ANN-SECONDARY Enabled No.
ANN-80 OPTIONS
1=PIEZO ENABLE
2=LOCK ENABLE
3=ACK BTN ENABLE
ANN-80 Options Screen #1
ANN-80 OPTIONS
1=SIL BTN ENABLE
2=RST BTN ENABLE
3=DRL BTN ENABLE
ANN-80 Options Screen #2
ANN-SECONDARY
1=ENABLED NO

106 MS-9050 Series Manual — P/N 52413:G 4/14/2014
Programming Master Programming Level
Onboard DACT
The Onboard DACT (Digital Alarm Communicator/Transmitter) provides communication to a cen-
tral station. Pressing 2 while viewing the Option Module Screen will cause the following screens
to be displayed:
Onboard DACT Enable
To enable the onboard DACT, press 1 while viewing Onboard DACT Screen #1 until the display
reads Enabled Yes. The display will toggle between Enabled Yes and Enabled No with each press
of the key. The factory default setting is Enabled No.
Primary Phone
Press 2 while viewing On Board DACT Screen #1 to program the type of primary phone line being
connected to the DACT. The following screen will be displayed:
To select the type, press 1 while viewing the Primary Phone Line screen. The following screen will
be displayed:
Press 1 to select Touchtone dialing or 2 to select Rotary dialing.
Secondary Phone
Press 3 while viewing On Board DACT Screen #1 to program the type of secondary phone line
being connected to the DACT. The following screen will be displayed:
To select the type, press 1 while viewing the Secondary Phone Line screen. The following screen
will be displayed:
Press 1 to select Touchtone dialing or 2 to select Rotary dialing.
Ring Count
The ring count designates the number of rings allowed on the phone line prior to answering an
incoming call from a service terminal. The factory default is 0 which means the control panel will
not answer any incoming calls. This entry may be programmed for 1 to 25 rings.
OPTION MODULES
1=ANN-BUS
2=ONBOARD DACT
3=FUTURE USE
Option Module Screen
ON BOARD DACT
1=ENABLED YES
2=PRIMARY PHONE
3=SECONDARY PHONE
On Board DACT Screen #1
ON BOARD DACT
1=RING COUNT 03
2=CENTRAL STATION
3=MANUAL DIAL MODE
On Board DACT Screen #2
ON BOARD DACT
1=SUPERV PHONE LINE
On Board DACT Screen #3
ON BOARD DACT
PRIMARY PHONE LINE
1=TYPE TOUCHTONE
Primary Phone Line Screen
PHONE LINE
1=TOUCHTONE
2=ROTARY
Primary Phone Type Screen
ON BOARD DACT
1=ENABLED
2=PRIMARY PHONE
3=SECONDARY PHONE
On Board DACT Screen #1
ON BOARD DACT
SECONDARY PHONE LINE
1=TYPE TOUCHTONE
Secondary Phone Line Screen
PHONE LINE
1=TOUCHTONE
2=ROTARY
Secondary Phone Type Screen
ON BOARD DACT
1=RING COUNT
2=CENTRAL STATION
3=MANUAL DIAL MODE
On Board DACT Screen #2

MS-9050 Series Manual — P/N 52413:G 4/14/2014 107
Master Programming Level Programming
To change the Ring Count, press 1 while viewing the OnBoard DACT Screen #2. The following
screen will be displayed:
A flashing cursor will appear in the lower left corner of the display. Enter the two-digit ring count
which can be a value between 00 and 25. After the second digit is entered, the display will return to
the Service Terminal screen.
Central Station
Central Station programming configures the control panel DACT for contacting the central station.
Pressing 2 while viewing On Board DACT Screen #2 will cause the following screens to be dis-
played:
Note that the user will be prevented from entering the Central Station Options Screen while the
DACT is busy calling the Central Station.
Reporting Enable
To enable the DACT for reporting FACP activity to the central station, press 1 while viewing Cen-
tral Station Screen #1 so the display reads Reporting Enabled. Each press of the 1 key will toggle
the display between Reporting Disabled and Reporting Enabled.
Backup Reporting
The DACT can be programmed to transmit reports to primary and/or secondary central station
phone numbers as a backup. Press 2 while viewing Central Station Screen #1 to display the follow-
ing screen:
Press 1 to have all reports transmitted to the central station secondary phone number as a backup
only if the primary phone line fails, 2 to transmit all reports to both the primary and secondary
phone numbers all of the time, or 3 to send reports to the first available phone number.
Trouble Call Limit (Dialer Runaway Prevention)
The Call Limit option limits the number of DACT trouble calls to the Central Station, to a pro-
grammed amount between 0 and 99, for each unique trouble within a 24 hour period. All call limit
counters reset (clear) at each midnight. Separate limit counters keep track of each unique type of
trouble. Note that the number of phone number (communication) faults called to the Central Sta-
tion are not limited by this feature. No subsequent restoral message is sent to the Central Station(s)
for a particular trouble whose call limit has been reached. Local DACT annunciation will still track
the particular trouble and restoral.
RING COUNT
0-25 RANGE
Ring Count Screen
CENTRAL STATION
1=REPORTING DISABLED
2=REPORT BACKUP
3=CALL LIMIT 0
Central Station Screen #1
CENTRAL STATION
1=PRIMARY
2=SECONDARY
3=REPORT STYLE
Central Station Screen #2
BACKUP REPORTING
1=BACKUP ONLY
2=BOTH
3=FIRST AVAILABLE
Backup Reporting Screen

108 MS-9050 Series Manual — P/N 52413:G 4/14/2014
Programming Master Programming Level
To set the Trouble Call Limit, press 3 while viewing Central Station Screen #1. The following
screen will be displayed.
Enter a value between 00 and 99, then press Enter to set the Call Limit to this value.
Central Station Primary and Secondary Phone Numbers
Pressing 1 for Primary or 2 for Secondary will display the following screens.
Note that the following information must be entered for both the Primary and Secondary Central
Station Phone Numbers.
Test Time Interval
Pressing 1 while viewing Primary/Secondary Screen #1 will cause the following screens to be dis-
played:
The test report sent to the Central Station phone number may be sent once every 6, 8, 12, or 24
hours. Select the desired Test Time Interval by pressing the corresponding digit in the screens
shown above.
Account Code
Pressing 2 while viewing Primary/Secondary Screen #1 will cause the following screen to be dis-
played:
TROUBLE CALL LIMIT
00-99 RANGE
QQ
Backup Reporting Screen
NOTE: Entering a value of 00 will disable the Trouble Call Limit allowing the DACT to call the
Central Station an unlimited number of times. This is the factory default setting.
CENTRAL STATION
1=PRIMARY
2=SECONDARY
3=REPORT STYLE
Central Station Screen #2
CENTRAL STATION #
1=TEST TIME INT 24
2=ACCOUNT CODE 0000
3=24HR TST TIME 0000
Primary/Secondary Screen #1
CENTRAL STATION
1=PHONE NUMBER
Primary/Secondary Screen #2
CENTRAL STATION
1=COMM FORMAT
ADEMCO-CONTACT-ID
Primary/Secondary Screen #3
CENTRAL STATION
1=EVENT CODES
Primary/Secondary Screen #4
CENTRAL STATION
1=TEST TIME INT
2=ACCOUNT CODE
3=24HR TST TIME
Primary/Secondary Screen #1
TEST TIME INTERVAL
1=24 HOURS
2=12 HOURS
3=8 HOURS
Test Time Interval Screen #1
TEST TIME INTERVAL
1=6 HOURS
Test Time Interval Screen #2
CENTRAL STATION
1=TEST TIME INT
2=ACCOUNT CODE
3=24HR TST TIME
Primary/Secondary Screen #1
ACCOUNT CODE
4 CHAR RANGE 0-F
Account Codes Screen

MS-9050 Series Manual — P/N 52413:G 4/14/2014 109
Master Programming Level Programming
The Account Code, which is assigned by a Central Station, depends on the communication format
being used. The Account Code screen will have a flashing cursor in the lower left corner. Enter the
supplied account code using 0 - 9 and A- F keys. Enter the first digit, then press the right arrow key
to move the cursor one position to the right. Repeat the process until all digits are entered. Press
the right arrow key to store the Account Code in memory.
24 Hour Test Time
Pressing 3 while viewing Primary/Secondary Screen #1 will cause the following screen to be dis-
played:
Use the 24 Hour Test Time screen to program the time that the DACT will transmit the 24 Hour
Test to the Central Station. A flashing cursor will appear in the lower left corner of the screen.
Enter a four digit number representing the test time using military time (0000 = midnight
and 2359 = 11:59PM).
Phone Number
Pressing 1 while viewing Primary/Secondary Screen #2 will cause the following screen to be dis-
played:
The Phone Number screen is used to enter the Central Station phone number that the DACT will be
contacting. A maximum of 20 characters can be entered with valid entries being 0 - 9 and A - F
where A = *, B = #, C = look for secondary dial tone for up to 2 seconds (then dial anyway), D = 3
second pause, E = 5 second pause, and F = end of phone number (must be entered at end of phone
number).
A flashing cursor will appear in the lower left corner of the screen. Enter the first digit then press
the right arrow key to move the cursor to the right one position. Enter the second digit and repeat
the process until all digits are entered. Press the Enter key to store the phone number in memory.
Enter the digits as you would like the number to be dialed. For example, if it’s necessary to dial 9
before dialing a number outside the building, you may wish to pause after dialing 9. Enter 9 fol-
lowed by D for a three second pause or E for a five second pause, then the phone number followed
by an F to indicate the end of the number.
Communication Format
Pressing 1 while viewing Primary/Secondary Screen #3 will cause the following screens to be dis-
played:
CENTRAL STATION
1=TEST TIME INT
2=ACCOUNT CODE
3=24HR TST TIME
Primary/Secondary Screen #1
24 HOUR TEST TIME
RANGE 0000-2359
24 Hour Test Time Screen
CENTRAL STATION
1=PHONE NUMBER
Primary/Secondary Screen #2
PHONE NUMBER
20 NUMBERS MAXIMUM
Phone Number Screen
CENTRAL STATION
1=COMM FORMAT
Primary/Secondary Screen #3
COMM FORMAT
1=ADEMCO EXPRESS 4P1
2=ADEMCO EXPRESS 4P2
3=3P1S C18 A23
Comm Format Screen #1
COMM FORMAT
1=3P1E C18 A23
2=3P1S C19 A14
3=3P1E C19 A14
Comm Format Screen #2
COMM FORMAT
1=4P1S C18 A23
2=4P1E C18 A23
3=4P1S C19 A14
Comm Format Screen #3
COMM FORMAT
1=4P1E C19 A14
2=4P2S C18 A23
3=4P2E C18 A23
Comm Format Screen #4
COMM FORMAT
1=4P2S C19 A14
2=4P2E C19 A14
3=ADEMCO CONTACT ID
Comm Format Screen #5

110 MS-9050 Series Manual — P/N 52413:G 4/14/2014
Programming Master Programming Level
The Communication Format is determined by the type of receiver that the DACT is transmitting to.
Consult your Central Station for proper selection or consult our factory representatives. For any
format chosen, the control panel automatically programs all of the event codes.
Select the Communication Format by pressing the corresponding number key while viewing the
appropriate Comm Format screen. The following table describes each format:
Event Codes
Pressing 1 while viewing Primary/Secondary Screen #4 will cause the following screen to be dis-
played:
Pressing the down arrow key allows viewing of all Events associated with the selected Communi-
cation Format. Pressing the number corresponding to the event displayed in each screen will dis-
play its default event code which can be customized by the programmer. For example, pressing 1
for Pull Station will display the following screen which allows the Event Code to be changed from
the default value.
The tables on the following pages list all of the Events and their default Event Codes for the various
Communication Formats.
Screen Selection Communication Format Description
ADEMCO EXPRESS 4P1 4+1 Ademco Express Standard, DTMF, 1400/2300 ACK
ADEMCO EXPRESS 4P2 4+2 Ademco Express Standard, DTMF, 1400/2300 ACK
3P1S C18 A23 3+1 Standard 1800 Hz Carrier, 2300 Hz ACK
3P1E C18 A23 3+1 Expanded 1800 Hz Carrier, 2300 Hz ACK
3P1S C19 A14 3+1 Standard 1900 Hz Carrier, 1400 Hz ACK
3P1E C19 A14 3+1 Expanded 1900 Hz Carrier, 1400 Hz ACK
4P1S C18 A23 4+1 Standard 1800 Hz Carrier, 2300 Hz ACK
4P1E C18 A23 4+1 Expanded 1800 Hz Carrier, 2300 Hz ACK
4P1S C19 A14 4+1 Standard 1900 Hz Carrier, 1400 Hz ACK
4P1E C19 A14 4+1 Expanded 1900 Hz Carrier, 1400 Hz ACK
4P2S C18 A23 4+2 Standard 1800 Hz Carrier, 2300 Hz ACK
4P2E C18 A23 4+2 Expanded 1800 Hz Carrier, 2300 Hz ACK
4P2S C19 A14 4+2 Standard 1900 Hz Carrier, 1400 Hz ACK
4P2E C19 A14 4+2 Expanded 1900 Hz Carrier, 1400 Hz ACK
ADEMCO CONTACT ID Contact ID, DTMF, 1400/2300 ACK
Table 3.2 Communication Formats
CENTRAL STATION
1=EVENT CODES
Primary/Secondary Screen #4
EVENT CODES
1=PULL STATION
2=MON-USER-DEF-1
3=WATERFLOW
Event Code Screen
PULL STATION 115
Event Code Screen

MS-9050 Series Manual — P/N 52413:G 4/14/2014 111
Master Programming Level Programming
3+1, 4+1 Express, and 4+1 Standard
The information shown in Table 3.3 is automatically programmed for the Central Station phone
number Event Codes when any of these Formats are selected. Enter 0 for an Event Code Setting to
disable the report.
Event Description Event Code Settings
Active Restoral
PULL STATION 1 E
MON-USER-DEF-1 1 E
WATERFLOW 1 E
MON-USER-DEF-2 1 E
SMOKE (PHOTO) 1 E
DET-USER-DEF-1 1 E
SMOKE (ION) 1 E
DET-USER-DEF-2 1 E
HEAT DETECT 1 E
DET-USER-DEF-3 1 E
SMOKE DUCT-P 1 E
DET-USER-DEF-4 1 E
PHOTO W/HEAT 1 E
DET-USER-DEF-5 1 E
DUCT SUPERVISORY 8 E
DET-USER-DEF-6 8 E
PHOTO SUPERV 8 E
DET-USER-DEF-7 8 E
MONITOR 1 E
MON-USER-DEF-3 1 E
SMOKE CONVEN 1 E
MON-USER-DEF-5 1 E
HEAT CONVEN 1 E
MON-USER-DEF-6 1 E
MEDIC ALERT 0 0
MON-USER-DEF-7 0 0
HAZARD ALERT 0 0
MON-USER-DEF-8 0 0
TORNADO ALRT 0 0
MON-USER-DEF-9 0 0
TAMPER 8 E
MON-USER-DEF-11 8 E
MON SUPERVISORY 8 E
MON-USER-DEF-12 8 E
MON SUPERV AUTO 8 E
MON-USER-DEF-13 8 E
HVAC OVRRIDE 8 E
POWER MON 6 A
MON-USER-DEF-14 6 A
TROUBLE MON POINT_FAULT code will always be transmitted
MON-USER-DEF-15 POINT_FAULT code will always be transmitted
PROCESS MON 0 0
MON-USER-DEF-16 0 0
PROCMON AR 0 0
MON-USER-DEF-17 0 0
Table 3.3 Event Codes

112 MS-9050 Series Manual — P/N 52413:G 4/14/2014
Programming Master Programming Level
POINT_FAULT F D
POINT_DISABLE 4 5
AC_FAIL 9 3
DRILL B C
SLC 1 OPEN FAULT 6 A
SLC 1 SHORT FAULT 6 A
GROUND FAULT 6 A
LOW BATTERY 6 A
NO_BATTERY 6 A
TELCO LINE 1 6 A
TELCO LINE 2 6 A
COMM FAULT 1 6 A
COMM FAULT 2 6 A
TOTAL COMM FLT 1 00
PRINTER FAULT 6 A
NAC 1 FAULT 6 A
NAC 2 FAULT 6 A
27V SYS PWR FAULT 6 A
NAC 1 DISABLE 4 5
NAC 2 DISABLE 4 5
CS CALC FAULT 6 A
CHARGER FAULT 6 A
OPTION CARD 1 FAULT 6 A
ANN-BUS PWR FAULT 6 A
ZONE DISABLE 4 5
MODEM CHIP FAULT 6 A
ANN-BUS COMM FAULT 6 A
NO_DEVICES_INSTLLD 6 A
NODES COMM FAULT 6 A
LC CLASS A FAULT 6 A
OFF_NORMAL_MESSAGE 6 A
24_HOUR_TEST 9 0
24 HOUR ABNORMAL TES F 0
UPDOWN REQUEST 7 0
UPLOAD SUCCESS 7 0
DOWNLOAD SUCCESS 7 0
UPDOWN FAILURE 7 0
GENERAL_ALARM 0 0
GENERAL_SUPERVISORY 0 0
1 The FACP will not transmit a TOTAL COMM FAULT message to the Central
Station upon communication restoral. This event code is used only for a local
indication of a communication fault.
Table 3.3 Event Codes (Continued)

MS-9050 Series Manual — P/N 52413:G 4/14/2014 113
Master Programming Level Programming
4+2 Standard, 4+2 Express, 3 + 1, 4 + 1, and 4+2 Expanded Formats
The information shown in Table 3.4 is automatically programmed for the Central Station phone
number Event Codes when any of these Formats are selected. Enter 00 for an Event Code
Setting to disable the report.
Event Description Event Code Settings
Active Restoral
PULL STATION 11 E1
MON-USER-DEF-1 11 E1
WATERFLOW 11 E1
MON-USER-DEF-2 11 E1
SMOKE (PHOTO) 11 E1
DET-USER-DEF-1 11 E1
SMOKE (ION) 11 E1
DET-USER-DEF-2 11 E1
HEAT DETECT 11 E1
DET-USER-DEF-3 11 E1
SMOKE DUCT-P 11 E1
DET-USER-DEF-4 11 E1
PHOTO W/HEAT 11 E1
DET-USER-DEF-5 11 E1
DUCT SUPERVISORY 81 E1
DET-USER-DEF-6 81 E1
PHOTO SUPERV 81 E1
DET-USER-DEF-7 81 E1
MONITOR 11 E1
MON-USER-DEF-3 11 E1
SMOKE CONVEN 11 E1
MON-USER-DEF-5 11 E1
HEAT CONVEN 11 E1
MON-USER-DEF-6 11 E1
MEDIC ALERT 00 00
MON-USER-DEF-7 00 00
HAZARD ALERT 00 00
MON-USER-DEF-8 00 00
TORNADO ALRT 00 00
MON-USER-DEF-9 00 00
TAMPER 81 E1
MON-USER-DEF-11 81 E1
MON SUPERVISORY 81 E1
MON-USER-DEF-12 81 E1
MON SUPERV AUTO 81 E1
MON-USER-DEF-13 81 E1
HVAC OVRRIDE 81 E1
POWER MON 81 E1
MON-USER-DEF-14 81 E1
TROUBLE MON POINT_FAULT code will always be transmitted
MON-USER-DEF-15 POINT_FAULT code will always be transmitted
PROCESS MON 00 00
MON-USER-DEF-16 00 00
PROCMON AR 00 00
Table 3.4 Event Codes

114 MS-9050 Series Manual — P/N 52413:G 4/14/2014
Programming Master Programming Level
MON-USER-DEF-17 00 00
POINT_FAULT F1 D1
POINT_DISABLE 41 51
AC_FAIL 92 93
DRILL 97 98
SLC 1 OPEN FAULT 43 53
SLC 1 SHORT FAULT 44 54
GROUND FAULT 61 A1
LOW BATTERY 62 A2
NO_BATTERY 63 A3
TELCO LINE 1 64 A4
TELCO LINE 2 65 A5
COMM FAULT 1 6A AA
COMM FAULT 2 6B AB
TOTAL COMM FLT 100 00
PRINTER FAULT 6C AC
NAC 1 FAULT 66 A6
NAC 2 FAULT 67 A7
27V SYS PWR FAULT 45 55
NAC 1 DISABLE 4B 5B
NAC 2 DISABLE 4C 5C
CS CALC FAULT 46 56
CHARGER FAULT 47 57
OPTION CARD 1 FAULT 48 58
ANN-BUS PWR FAULT 49 59
ZONE DISABLE 42 52
MODEM CHIP FAULT 49 59
ANN-BUS COMM FAULT 49 59
NODES COMM FAULT 6A AA
LC CLASS A FAULT 6A AA
NO_DEVICES_INSTLLD 4A 5A
OFF_NORMAL_MESSAGE 6F AF
24_HOUR_TEST 99 00
24 HOUR ABNORMAL TES FB 00
UPDOWN REQUEST 71 00
UPLOAD SUCCESS 72 00
DOWNLOAD SUCCESS 73 00
UPDOWN FAILURE 74 00
GENERAL_ALARM 00 00
GENERAL_SUPERVISORY 00 00
1 The FACP will not transmit a TOTAL COMM FAULT message to the Central Station
upon communication restoral. This event code is used only for a local indication of
a communication fault.
Table 3.4 Event Codes (Continued)

MS-9050 Series Manual — P/N 52413:G 4/14/2014 115
Master Programming Level Programming
Ademco Contact ID Format
The information shown in Table 3.5 is automatically programmed for the Central Station phone
number Event Codes when Ademco Contact ID Format is selected. Enter 000 for an Event Code
Setting to disable the report.
Event Description Event Code Settings 4+2
Active Zone Point Restoral Active
PULL STATION 115 Zone Point E1 11
MON-USER-DEF-1 115 Zone Point E1 11
WATERFLOW 113 Zone Point E1 11
MON-USER-DEF-2 113 Zone Point E1 11
SMOKE (PHOTO) 111 Zone Point E1 11
DET-USER-DEF-1 111 Zone Point E1 11
SMOKE (ION) 111 Zone Point 11 11
DET-USER-DEF-2 111 Zone Point 11 11
HEAT DETECT 114 Zone Point 11 11
DET-USER-DEF-3 114 Zone Point 11 11
SMOKE DUCT-P 116 Zone Point 11 11
DET-USER-DEF-4 116 Zone Point 11 11
PHOTO W/HEAT 111 Zone Point 11 11
DET-USER-DEF-5 111 Zone Point 11 11
DUCT SUPERVISORY 200 Zone Point 11 81
DET-USER-DEF-6 200 Zone Point 11 11
PHOTO SUPERV 200 Zone Point 11 81
DET-USER-DEF-7 200 Zone Point 11 11
MONITOR 110 Zone Point 11 11
MON-USER-DEF-3 110 Zone Point 11 11
SMOKE CONVEN 111 Zone Point 81 11
MON-USER-DEF-5 111 Zone Point 11 11
HEAT CONVEN 114 Zone Point 81 11
MON-USER-DEF-6 114 Zone Point 11 11
MEDIC ALERT 100 Zone Point 11 0
MON-USER-DEF-7 100 Zone Point 11 0
HAZARD ALERT 150 Zone Point 11 0
MON-USER-DEF-8 150 Zone Point 11 0
TORNADO ALRT 150 Zone Point 11 0
MON-USER-DEF-9 150 Zone Point 11 0
TAMPER 144 Zone Point 0 81
MON-USER-DEF-11 144 Zone Point 0 81
MON SUPERVISORY 200 Zone Point 0 81
MON-USER-DEF-12 200 Zone Point 0 81
MON SUPERV AUTO 200 Zone Point 0 81
MON-USER-DEF-13 200 Zone Point 0 81
HVAC OVRRIDE 200 Zone Point 81 81
POWER MON 330 Zone Point 81 81
MON-USER-DEF-14 330 Zone Point 81 81
TROUBLE MON POINT_FAULT code will always be transmitted 81
MON-USER-DEF-15 POINT_FAULT code will always be transmitted 81
PROCESS MON 000 81 0
MON-USER-DEF-16 000 81 0
PROCMON AR 000 81 0
Table 3.5 Event Codes

116 MS-9050 Series Manual — P/N 52413:G 4/14/2014
Programming Master Programming Level
MON-USER-DEF-17 000 81 0
POINT_FAULT 380 Zone Point F1
POINT_DISABLE 570 Zone Point 41
AC_FAIL 301 0 0 0 92
DRILL 604 0 0 0 97
SLC 1 OPEN FAULT 371 0 0 0 43
SLC 1 SHORT FAULT 372 0 0 0 44
GROUND FAULT 310 0 0 F1 61
LOW BATTERY 302 0 0 41 62
NO_BATTERY 311 0 0 92 63
TELCO LINE 1 351 0 0 97 64
TELCO LINE 2 352 0 0 43 65
COMM FAULT 1 354 1 1 44 6A
COMM FAULT 2 354 2 2 61 6B
TOTAL COMM FLT 1 000 N/A N/A 62 0
PRINTER FAULT 336 0 0 63 6C
NAC 1 FAULT 321 0 0 64 66
NAC 2 FAULT 322 0 0 65 67
27V SYS PWR FAULT 300 0 0 6A 45
not used 000 0 0 6B 49
NAC 1 DISABLE 521 0 0 0 4B
NAC 2 DISABLE 522 0 0 6C 4C
CS CALC FAULT 304 0 0 66 46
CHARGER FAULT 300 0 0 67 47
OPTION CARD 1 FAULT 331 0 0 45 48
ANN-BUS PWR FAULT 333 0 0 49 49
ZONE DISABLE 570 0 0 4B 42
MODEM CHIP FAULT 330 0 0 4C 49
ANN-BUS COMM FAULT 333 0 0 46 49
NO_DEVICES_INSTLLD 380 0 0 47 4A
NODES COMM FAULT 554 0 0 6A AA
LC CLASS A FAULT 555 0 0 6A AA
OFF_NORMAL_MESSAGE 308 0 0 48 6F
24_HOUR_TEST 602 0 0 49 99
24 HOUR ABNORMAL TES 608 0 0 42 FB
UPDOWN REQUEST 411 0 0 49 71
UPLOAD SUCCESS 416 0 0 49 72
DOWNLOAD SUCCESS 412 0 0 4A 73
UPDOWN FAILURE 413 0 0 6F 74
GENERAL_ALARM 000 0 0 99 0
GENERAL_SUPERVISORY 000 0 0 FB 0
1 The FACP will not transmit a TOTAL COMM FAULT message to the Central Station upon
communication restoral. This event code is used only for a local indication of a communication fault.
Table 3.5 Event Codes (Continued)

MS-9050 Series Manual — P/N 52413:G 4/14/2014 117
Master Programming Level Programming
Report Style
Pressing 3 while viewing Central Station Screen #2 will cause the Report Style display to toggle
between Point and Zone. Setting the Report Style to Point will program the DACT to report indi-
vidual point status to the Central Station. The control panel is capable of monitoring a total of 50
addressable devices. Setting the Report Style to Zone will program the DACT to report zone status
to the Central Station. The control panel is capable of monitoring a total of 20 individual zones.
Manual Dial Mode
Pressing 3 while viewing On Board DACT Screen #2 will cause the following screen to be dis-
played:
Note that Manual Dial Mode cannot be entered while the panel is communicating with the Central
Station. Pressing 1 for Primary Phone or 2 for Secondary Phone will display the following screen:
Pressing 1 for Go Off Hook will cause the DACT to access the selected phone line (similar to tak-
ing the phone handset off the cradle). The selected phone line’s red Active LED will turn on.
Pressing 2 for Dial Digit(s) will display a screen which allows the user to key in the phone number
to be dialed. The first digit is keyed in and then the right arrow key is pressed to move the cursor to
the next position. The next digit is keyed in and the process is repeated until all digits have been
entered. Pressing the Enter key will cause the number just entered to be dialed.
Pressing 3 for Go On Hook will cause the DACT to hang-up, deselecting the previously selected
phone line. The phone line’s red Active LED will turn off.
Phone Line Supervision
Pressing 1 while viewing On Board DACT Screen #3 will cause the following screen to be dis-
played:
The Phone Line 2 option allows the programmer to select whether the second phone line is super-
vised. Pressing 1 while viewing the On Board DACT Screen #3 causes the display to toggle
between Yes and No. The factory default setting is Yes.
CENTRAL STATION
1=PRIMARY
2=SECONDARY
3=REPORT STYLE POINT
Central Station Screen #2
NOTES:
1. Detector/Module Address 01 will be reported to the Central Station as Point 01,
2. Detector/Module Address 02 as Point 02, with reports continuing in a similar fashion up to
Detector/Module Address 50 which will be reported as Point 50.
ON BOARD DACT
1=SERVICE TERMINAL
2=CENTRAL STATION
3=MANUAL DIAL MODE
On Board DACT Screen #2
MANUAL DIAL MODE
1=PRIMARY PHONE
2=SECONDARY PHONE
MANUAL DIAL MODE
1=GO OFF HOOK
2=DIAL DIGIT(S)
3=GO ON HOOK
NOTE: It is not necessary to go off-hook prior to dialing. Pressing the Enter key in Dial Digit
mode will cause the panel to automatically go off-hook prior to dialing.
ON BOARD DACT
1=SUPERV PHONE LINE
On Board DACT Screen #3
SUPERVISE PHONE LINE
1=PHONE LINE 2 YES

118 MS-9050 Series Manual — P/N 52413:G 4/14/2014
Programming Master Programming Level
3.6.10 Password Change
The factory set passwords, which have been programmed into the control panel, can be changed by
selecting the Password Change option. Pressing 1 while viewing Programming Screen #4 will
cause the following screen to be displayed:
Press 1 to change the Master Programming Level password, 2 to change the Maintenance Level
password or 3 to change the Remote Download password. Note that the passwords will not be dis-
played on annunciators.
The following screen will appear when one of the change options is selected:
A flashing cursor will appear in the center of the display. Enter a new five digit password (such as
10101 for the Master Level). After the fifth digit is entered, the following screen will be displayed:
The new five digit password must be re-entered to accept the change. The display will then return
to the initial Password Change Screen.
3.6.11 Clear Program
Pressing 2 while viewing Programming Screen #4, will select the Clear Program option. This will
cause the LCD to display the following screen:
Pressing 1, for Whole System while viewing the Clear Program Screen #1, will clear all general
system programming options and all programmed addressable devices from the nonvolatile mem-
ory of the FACP. This function is useful when the control panel is first installed, prior to autopro-
gramming. Note that it is necessary to autoprogram after using the Clear Whole System function.
Pressing 2, for ALL POINTS while viewing the Clear Program Screen #1, will clear all program-
ming related to the SLC loop and connected addressable devices.
Before executing any of the Clear commands listed above, the control panel will provide a warning
to the user by prompting with the following display:
Pressing 1 will cause the control panel to carry out the selected clear option. Pressing 2 will pre-
vent programming from being cleared.
PROGRAMMING
1=PASSWORD CHANGE
2=CLEAR PROGRAM
3=PROGRAM CHECK
Programming Screen #4
PASSWORD CHANGE
1=MASTER
2=MAINTENANCE
3=REMOTE DOWNLOAD
Password Change Screen
ENTER NEW FIVE DIGIT
PASSWORD
Enter Password Screen
VERIFY NEW
PASSWORD
Password Change Screen
PROGRAMMING
1=PASSWORD CHANGE
2=CLEAR PROGRAM
3=PROGRAM CHECK
Programming Screen #4
CLEAR PROGRAM
1=WHOLE SYSTEM
2=ALL POINTS
Clear Program Screen #1
WARNING!
SYSTEM CHANGE
PROCEED?
1=YES 2=NO

MS-9050 Series Manual — P/N 52413:G 4/14/2014 119
Maintenance Programming Level Programming
3.6.12 Program Check
The Program Check feature allows the programmer to view the zones which have been pro-
grammed to the Notification Appliance Circuits on the control panel but have not been pro-
grammed to Initiating Devices as well as other circuits with no input or output correlations.
Pressing 3 while viewing Programming Screen #4 will cause the following screen to be displayed:
Pressing 1 while viewing the Program Check screen will display an NAC screen similar to the fol-
lowing.
The example above indicates that NAC 1 has been programmed to Zones 05, 10, 12, 15, and 17 but
no input devices have been programmed to any of these zones. Use the up and down arrow keys to
view all the NAC zones without input assignments for NAC 1 and NAC 2.
Pressing 2 while viewing the Program Check screen will display a screen similar to the following:
The Zone No Input screen allows the programmer to view the zones which have not been pro-
grammed to at least one input device (not including general alarm Zone 00). The example in the
preceding screen indicates that Zones 05, 07, 09, 10, and 11 have been programmed to an address-
able module (control module in this example) with an address of 001 on loop 1 but have not been
programmed to any input devices. Use the up and down arrow keys to view all the zones without
input assignments.
Pressing 3 while viewing Program Check screen will cause a screen similar to the following to be
displayed:
The Zone No Output feature allows the programmer to view the zones which have not been pro-
grammed to at least one output device (not including general alarm Zone 00). The example in the
preceding screen indicates that Zones 05, 07, 09, 10, and 11 have been programmed to an address-
able detector with an address of 001 on loop 1 but have not been programmed to any output
devices. Use the up and down arrow keys to view all the zones without output assignments.
3.7 Maintenance Programming Level
To access Maintenance Programming mode, press the Enter key. The LCD will display the follow-
ing:
PROGRAMMING
1=PASSWORD CHANGE
2=CLEAR PROGRAM
3=PROGRAM CHECK
Programming Screen #4
PROGRAM CHECK
1=NACS NO INPUT
2=ZONES NO INPUT
3=ZONES NO OUTPUT
PROGRAMCHECK
1=NACS NO INPUT
2=ZONES NO INPUT
3=ZONES NO OUTPUT
Program Check Screen
NACS NO INPUT
NAC 1
05 10 12 15 17
ZONES NO INPUT
05 07 09 10 11 1M001
ZONES NO OUTPUT
05 07 09 10 11 1D001
1=READ STATUS
2=PROGRAMMING
3=MANUAL DIAL MODE
4=REMOTE DOWNLOAD

120 MS-9050 Series Manual — P/N 52413:G 4/14/2014
Programming Maintenance Programming Level
To enter the Maintenance Programming mode, press 2. The display will read as follows:
When the Maintenance level password (default 11111) is entered, the following screen will appear:
Note that in the preceding screens, an arrow appears to inform the programmer that additional
options can be viewed by pressing the keypad down arrow key, as shown in the following screen.
3.7.1 Disable Point
Pressing 1 for Point Program, while viewing Maintenance Screen #1 will cause the following
screens to be displayed:
Select the device type by pressing 1 for an addressable detector or 2 for an addressable module.
The operator will be prompted to enter the three digit device address as shown in the following
example for a detector:
A flashing cursor will appear in the bottom left corner of the display, prompting for the three digit
device address. When the third digit is enter, 001 for example, a screen will appear which will
allow enabling or disabling of the selected point, as illustrated in the following example:
Pressing 1 repeatedly will cause the display to toggle between Enabled Yes and Enabled No.
3.7.2 History
Pressing 2 while viewing Maintenance Screen #1 will cause the following screen to be displayed:
PROGRAMMING
ENTER PASSWORD
PROGRAMMING
1=POINT PROGRAM
2=HISTORY
3=PROGRAM CHECK
PROGRAMMING
1=WALKTEST
2=SYSTEM
3=ZONE SETUP
PROGRAMMING
1=POINT PROGRAM
2=HISTORY
3=PROGRAM CHECK
Maintenance Screen #1
POINT PROGRAM
1=DETECTOR
2=MODULE
Device Select Screen
EDIT DETECTOR
ENTER POINT ADDRESS
QQQ
Address Select Screen
EDIT DETECTOR 1D001
1=ENABLED YES
Enable/Disable Select Screen
PROGRAMMING
1=POINT PROGRAM
2=HISTORY
3=PROGRAM CHECK
Maintenance Screen #1
HISTORY
1=VIEW EVENTS
2=ERASE HISTORY
History Screen

MS-9050 Series Manual — P/N 52413:G 4/14/2014 121
Maintenance Programming Level Programming
The History feature allows the operator to view control panel events which have been stored in a
history file in memory and erase the contents of the history file
Pressing 1 while viewing the History screen will cause the following screen to be displayed:
To view all the events which have occurred in the control panel since the history file was last
erased, press 1 while viewing the Events screen. To view only alarms which have occurred, press 2
while viewing the Events screen. To view events other than alarms, press 3. The most recent event
will be displayed on the screen. To view all of the selected events, press the up or down arrow keys
to scroll through the list of events. If no events have occurred, the display will read NO EVENTS
IN HISTORY.
Pressing 2 while viewing the History Screen will cause the following screen to be displayed:
Pressing 1 while viewing the Erase History Screen will cause the message ERASING HISTORY,
PLEASE WAIT to be displayed. The display will then return to the History Screen. Pressing 2 will
cause the display to return to the History Screen without erasing the History file.
3.7.3 Program Check
Pressing 3 while viewing Maintenance Screen #1 will cause the following screen to be displayed:
The Program Check feature allows the programmer to view the zones which have been pro-
grammed to the Notification Appliance Circuits on the control panel but have not been pro-
grammed to Initiating Devices as well as other circuits with no input or output correlations.
Pressing 1 while viewing Program Check screen will cause a screen similar to the following to be
displayed.
The example above indicates that NAC 1 has been programmed to Zones 05, 10, 12, 15, and 17 but
no input devices have been programmed to any of these zones. Use the up and down arrow keys to
view all the NAC zones without input assignments for both NAC 1 and NAC 2.
Pressing 2 while viewing the Program Check screen will display a screen similar to the following:
The Zone No Input screen allows the programmer to view the zones which have not been pro-
grammed to at least one input device (not including general alarm Zone 00). The example in the
preceding screen indicates that Zones 05, 07, 09, 10, and 11 have been programmed to an address-
HISTORY
1=VIEW ALL
2=VIEW ALARMS
3=VIEW OTHER EVENTS
Events Screen
ERASE HISTORY
PROCEED?
1=YES 2=NO
Erase History Screen
PROGRAMMING
1=POINT PROGRAM
2=HISTORY
3=PROGRAM CHECK
Maintenance Screen #1
PROGRAM CHECK
1=NACS NO INPUT
2=ZONES NO INPUT
3=ZONE NO OUTPUT
Program Check Screen
NACS NO INPUT
NAC 1
05 10 12 15 17
ZONES NO INPUT
05 07 09 10 11 1M001

122 MS-9050 Series Manual — P/N 52413:G 4/14/2014
Programming Maintenance Programming Level
able module (control module in this example) with an address of 001 on loop 1 but have not been
programmed to any input devices. Use the up and down arrow keys to view all the zones without
input assignments.
Pressing 3 while viewing Program Check screen will cause a screen similar to the following to be
displayed:
The Zone No Output feature allows the programmer to view the zones which have not been pro-
grammed to at least one output device (not including general alarm Zone 00). The example in the
preceding screen indicates that Zones 05, 07, 09, 10, and 11 have been programmed to an address-
able detector with an address of 001 on loop 1 but have not been programmed to any output
devices. Use the up and down arrow keys to view all the zones without output assignments.
3.7.4 Walktest
To perform a walktest, press 1 while viewing Maintenance Screen #2. The following screen will be
displayed:
The operator can press 1 to perform a silent walktest or 2 to perform an audible walktest. Pressing
1 or 2 will cause the control panel to enter Walktest Mode and will display the following screen:
From this screen, it is possible to view the walktest log, untested system points or a summary of the
addressable devices tested during the current walktest. The user can select between any of these
screens without interrupting the current walktest session. The walktest session will not end until
the Unit In Walktest screen is exited by pressing the Escape key.
Pressing 1 for View Walktest Log while viewing the Unit In Walktest screen will cause a screen sim-
ilar to one of the following two screens to be displayed:
If there are no events in the current walktest session, the first screen will be displayed, indicating no
events have been stored in the walktest log. If any events have been stored, a screen similar to the
second will be displayed indicating the latest event. As walktest events occur, the display will
change to indicate the latest event. All stored events can be scrolled on the screen by pressing the
up or down arrow keys. To return to the first event, press the 1st Event key.
Pressing 2 for View Points while viewing the Unit In Walktest screen will display a new screen
which will show only the points that have not yet been walk tested. The up and down arrow keys
will allow viewing of all untested points. If a point is tested while it is being displayed, the screen
will update and display the next untested point. A description on the bottom of the screen will indi-
ZONES NO OUTPUT
05 07 09 10 11 1D001
PROGRAMMING
1=WALKTEST
2=SYSTEM
3=ZONE SETUP
Maintenance Screen #2
WALKTEST
1=SILENT
2=AUDIBLE
3=VIEW RESULT
Walktest Screen
UNIT IN WALKTEST
1=VIEW WALKTEST LOG
2=VIEW POINTS
3=VIEW SUMMARY
Unit In Walktest Screen
NO EVENTS IN
WALKTEST LOG OR
ALARM: MONITOR
NORTH CLASSROOM
Z001
1015A 012310 1M006

MS-9050 Series Manual — P/N 52413:G 4/14/2014 123
Maintenance Programming Level Programming
cate if the displayed point has been disabled, if the Walktest option has been disabled for that point
or if the point is not yet tested. The total number of untested points can be seen in the upper right
corner of the screen.
Pressing 3 for View Summary while viewing the Unit In Walktest screen will display a new screen
which will show a total of the tested detectors, tested modules, untested detectors and untested
modules for the current walktest session.
To end the Walktest session, press the Escape key to return to the Walktest screen. Pressing 3 for
View Results while viewing the Walktest screen, after a walktest session has been completed, will
allow the operator to view the final results of the most recent walktest.
3.7.5 System
To program the time and date into the control panel, press 2 while viewing Maintenance Screen #2.
The following display will appear:
Pressing 1 while viewing the System Screen will cause the following screen to be displayed:
To change the time, press 1 to display the following screen:
A flashing cursor will appear on the left side of the display. Enter the four digit number corre-
sponding to the time (0000 - 1259). When the fourth digit is entered, the cursor will move one
position to the right. Press 1 for AM or 2 for PM to complete entering the time. The display will
return to the Time and Date Screen displaying the new time.
To change the date, press 2 while viewing the Time and Date Screen. The following screen will be
displayed:
A flashing cursor will appear on the left side of the display. Enter the two digit month, two digit
day and four digit year. The cursor will move one position to the right after each entry. When the
fourth digit of the year has been entered, the display will return to the Time and Date Screen which
will show the new date.
To change between 12 hour and 24 hour format, press 3 while viewing the Time and Date screen.
Each press of the 3 key will toggle the display between 12 HR and 24 HR format.
SYSTEMS
1=TIME/DATE
System Screen
TIME AND DATE
1=TIME 01:00 AM
2=DATE 01-21-2010
3=CLOCK FORMAT 12HR
Time and Date Screen
ENTER TIME
01:00 AM
1=AM 2=PM
Time Screen
ENTER DATE
MONTH DAY YEAR
11-21-2013
Date Screen

124 MS-9050 Series Manual — P/N 52413:G 4/14/2014
Programming Maintenance Programming Level
3.7.6 Zone Setup
Pressing 3 while viewing Maintenance Screen #2 will display the following screen:
Pressing 1 while viewing Zone Setup screen will display the following screen:
A flashing cursor appears to the right of the Z. To enable a zone, enter the two digit zone number
(00 - 19). After the second digit is entered, the zone will be enabled and the cursor will return to the
original position. The next zone to be enabled can then be entered. Press Esc (Escape) to return to
the previous screen.
Pressing 2 while viewing Zone Setup screen will display the following screen:
A flashing cursor appears to the right of the Z. To disable a zone, enter the two digit zone number
(00 - 19). After the second digit is entered, the zone will be disabled and the cursor will return to
the original position. The next zone to be disabled can then be entered. Press Esc (Escape) to
return to the previous screen.
Pressing 3 while viewing Zone Setup screen will display the following screen:
Zones 17, 18, and 19 can be programmed for normal zone operation or for special purpose applica-
tions. In the above illustration, the three zones are shown Off, which means they can be pro-
grammed to function in the same manner as all other zones, by assigning them to input and output
devices in the Programming Zone Assignment Screen.
Pressing 1 will cause the display to change to PAS 17 On. Each press of the 1 key will cause the
display to toggle between PAS 17 On and PAS 17 Off. When Zone 17 is programmed On, a PAS
(Positive Alarm Sequence) activation of any smoke detector will cause Zone 17 to activate. By
assigning Zone 17 to a control module in the Programming Zone Assignment Screen, an output
device connected to the control module can be used to indicate a PAS condition in the control
panel. Do not assign Zone 17 to a Notification Appliance Circuit when using this zone to indicate a
PAS condition.
Pressing 2 will cause the display to change to Pre-signal 18 On. Each press of the 2 key will cause
the display to toggle between Pre-signal 18 On and Pre-signal 18 Off. When Zone 18 is pro-
grammed On, a Pre-signal activation of any device will cause Zone 18 to activate. By assigning
Zone 18 to a control module in the Programming Zone Assignment Screen, an output device con-
nected to the control module can be used to indicate a Pre-signal condition in the control panel. Do
not assign Zone 18 to a Notification Appliance Circuit when using this zone to indicate a Pre-signal
condition.
Pressing 3 will cause the display to change to Two Stage 19 On. Each press of the 3 key will cause
the display to toggle between Two Stage 19 On and Two Stage 19 Off. Refer to “Two Stage Opera-
tion” on page 88 for a description of this feature.
PROGRAMMING
1=WALKTEST
2=SYSTEM
3=ZONE SETUP
Maintenance Screen #2
ZONE SETUP
1=ENABLE
2=DISABLE
3=ZONE 17 18 19
Zone Setup Screen
ZONE TO ENABLE
Z
Enable Screen
ZONE TO DISABLE
Z
Disable Screen
SPEC PURPOSE ZONE
1=PAS 17 OFF
2=PRE-SIGNAL 18 OFF
3=TWO STAGE 19 OFF
Disable Screen
MS-9050 Series Manual — P/N 52413:G 4/14/2014 125
Notes
126 MS-9050 Series Manual — P/N 52413:G 4/14/2014
Section 4: Operating Instructions
4.1 Panel Control Buttons
4.1.1 Acknowledge/Step
The first press of the Acknowledge/Step button silences the piezo sounder, changes flashing indica-
tors/LEDs to steady and also changes the status field on the LCD display from capital letters to
small letters. When the piezo is silenced, an acknowledge message is sent to the printer and the his-
tory file. Acknowledge also sends a silence piezo command to the optional annunciators connected
to the FACP.
When more than one event exists, the first press of the Acknowledge/Step button functions as
described in the preceding paragraph. Subsequent pressing of the button steps through each off-
normal active event, with alarm events having a higher priority than trouble and supervisory events.
4.1.2 Alarm Silence
The Alarm Silence button performs the same functions as Acknowledge/Step. In addition, if an
alarm exists, it turns off all silenceable NACs (Notification Appliance Circuits) and causes Alarm
Silenced indicator to turn on. It also sends an ‘alarm silenced’ message to the printer, history file
and optional annunciators. A subsequent new alarm will resound the system NACs. Note that the
Alarm Silenced indicator is turned off by pressing the Reset button, the Drill button or subsequent
activation of the NACs.
4.1.3 Drill/Hold 2 Sec
When the Drill button is held for a minimum of two seconds (time required to prevent accidental
activations), the FACP turns on both main panel NAC outputs and all silenceable circuits such as
control modules that are programmed as silenceable, and turns off the Alarm Silenced indicator if it
was previously on. The EVAC IN SYSTEM message is shown on the LCD display. The same mes-
sage is sent to the printer and history file. The Alarm Silence button can be used to turn off all
silenceable NAC outputs following activation by the Drill button.
4.1.4 Reset
Pressing and releasing the Reset button turns off all control module0s and NACs, temporarily turns
off resettable power to 4-wire detectors, causes a RESET IN SYSTEM message to be displayed on
the LCD and sends the same message to the printer and history file. It also performs a lamp test by
turning on all indicators/LEDs (except the Ground LED), piezo sounder and LCD display segments
after the Reset button is released. Any alarm or trouble that exists after a reset will resound the sys-
tem.
4.2 Status Indicators and LEDs
The five status indicators which are located on the front panel and the three LEDs located on the
main circuit board, operate as follows:
AC Power
AC Power indicator illuminates green if AC power is applied to the FACP. A loss of AC power will
turn off this indicator.

MS-9050 Series Manual — P/N 52413:G 4/14/2014 127
Normal Operation Operating Instructions
Fire Alarm
Fire Alarm indicator flashes red when one or more alarms occur. It illuminates steady when the
Acknowledge/Step or Alarm Silence button is pressed. The Fire Alarm indicator turns off when the
Reset button is pressed. The indicator will remain off if all alarms have been cleared.
Supervisory
Supervisory indicator flashes yellow when one or more supervisory conditions occur, such as a
sprinkler valve tamper condition. It illuminates steady when the Acknowledge/Step or Alarm
Silence button is pressed. It turns off when the Reset button is pressed and remains off if all super-
visory alarms have been cleared.
Trouble
Trouble indicator flashes yellow when one or more trouble conditions occur. It stays on steady
when the Acknowledge/Step or Alarm Silence button is pressed. The indicator turns off when all
trouble conditions are cleared. This indicator will also illuminate if the microprocessor watchdog
circuit is activated.
Alarm Silenced
Alarm Silenced indicator illuminates yellow after the Alarm Silence button is pressed while an
alarm condition exists. It turns off when the Drill or Reset button is pressed.
Primary Line Active
This is a red LED, located on the main circuit board, that indicates the primary phone line is active.
Secondary Line Active
This is a red LED, located on the main circuit board, that indicates the secondary phone line is
active
Kiss-off
This is a green LED, located on the main circuit board, that blinks when a Central Station has
acknowledged receipt of each transmitted message or when a portion of upload or download data
has been accepted from a Service Terminal
4.3 Normal Operation
With no alarms or troubles in the system, the display message is System All Normal along with the
current time and date as shown below. To set the time and date, refer to the appropriate section in
this manual.
The MS-9050UD performs the following functions at regular intervals while in Normal mode:
Monitors AC input voltage and battery voltage
Monitors and reports status of SLC loop, option cards and control panel
Polls all devices on the SLC loop and flashes each device LED while checking for valid
replies, alarms, troubles, etc.
Refreshes LCD display and updates time
Scans control panel keypad for key presses
Performs autotest for all SLC devices
Tests memory
Updates and reads all communication busses (EIA-485, EIA-232, etc.)
SYSTEM ALL NORMAL
10:00A 100913

128 MS-9050 Series Manual — P/N 52413:G 4/14/2014
Operating Instructions Trouble Operation
4.4 Trouble Operation
With no alarms in the system, the detection of a trouble will cause the following:
• The piezo to pulse 1 second On and 1 second Off
• The system Trouble LED to flash one second On and one second Off
• The trouble relay to activate
•TROUBL with device type, noun/adjective, address and trouble description will appear on the
LCD display
• The same message, along with the time and date, is sent to the optional printer and the history
buffer.
• Communicate the trouble conditions to the Central Station
• Terminate upload or download communications
Note that specific troubles will initiate additional actions; for example, loss of AC power will turn
off the AC Power LED, etc.
Addressable Smoke Detectors, Monitor Modules and Control Modules
For addressable devices connected to the SLC loop, the following is a typical message that could
appear on the LCD display for a device trouble:
The information displayed in the above example provides the following information:
• First line in display:
– The type of event; in this example TROUBL indicating a device trouble
– Device type identifier; in this example, SMOKE (PHOTO) indicates a Photoelectric smoke
detector. Other device type identifiers which can be displayed include SMOKE (ION) for
Ionization Detector, HEAT for Heat Detector, CONTROL for Control Module, and
MONITOR for Monitor Module, PULL STATION for a manual pull box, etc. Refer to“Edit
Detector” on page 60,“Edit Module Screen for Monitor Module” on page 67, and“Edit
Module Screen for Control Modules” on page 73 for information on additional device types.
• Second line in display:
– <ADJ>; refers to the user programmed adjective descriptor from library list resident in the
control panel or custom entry via PC.
– <NOUN>; refers to the user programmed noun descriptor from library list resident in the
control panel or custom entry via PC.
• Third line in display: INVREP indicates an invalid reply from the addressable device. Other
possible troubles include:
SHORT - indicating a shorted circuit on an addressable device
OPEN - indicating an open circuit on an addressable device
DIRTY1 - maintenance alert indicating that a detector is near but below the allowed alarm
limit and is in need of maintenance before the performance is compromised
DIRTY2 - maintenance alert indicating that a detector needs immediate maintenance since it
has been within 80% of its alarm threshold for 24 hours
INVREP - maintenance alert indicating a hardware problem in the detector
TEST F - indicating a detector has failed the automatic test operation which functionally
checks its sensing chamber and electronics
TROUBL SMOKE (PHOTO)
<ADJ> <NOUN>
INVREP
10:00A 100913 1D001

MS-9050 Series Manual — P/N 52413:G 4/14/2014 129
Alarm Operation Operating Instructions
INV ID - indicating that an incorrect device code (Type ID) has been programmed for an
installed device (for example, Photo has been programmed but an Ion detector has been
installed)
SW TBL - indicating a module has failed the testing of its Class A switching relay
• Fourth line in display:
– Time; the current time in this example is 10:00A which represents 10:00 AM
– Date; the current month, day and year in this example is 10 for October, 09 for the 9th day of
the month and 13 for the year 2013
– Device Address; 1D001 in this example 1 represents SLC Loop, D represents a detector, and
001 represents device address 001
Pressing the Acknowledge/Step or Alarm Silence key will cause the pulsing piezo to silence and the
system Trouble LED to change from flashing to on steady. This block acknowledgment occurs
regardless of the number of troubles, alarms and supervisory events active in the system. When the
Acknowledge/Step key is pressed and at least one new alarm or trouble exists in the system, the
‘acknowledge’ message is sent to the printer and history file. If the trouble clears, either before or
after the Acknowledge/Step key is pressed, the ‘clear trouble’ message is sent to the printer and his-
tory file.
If all troubles clear and there are no supervisory or fire conditions active in the system, the system
returns to normal mode operation and the System All Normal message is shown on the LCD display
and sent to the history and printer files. The auto-restore feature will restore cleared troubles even
if the troubles were never acknowledged. Note that pressing the Alarm Silence key when only trou-
bles exist in the system will have the same effect as pressing the Acknowledge/Step key except the
Alarm Silenced LED will light.
4.5 Alarm Operation
Alarm operation is similar to trouble operation with the following differences:
• The piezo sounder produces a steady output as opposed to a pulsed output
• The Fire Alarm LED flashes 1 second On and 1 second Off
• The LCD displays Alarm along with the device name, type, address, adjective/noun, associated
zones and time/date
• Communicate the alarm to the Central Station
• Alarms latch and are not allowed to clear automatically
• Alarms activate software zones if so programmed
• Timers for Silence Inhibit, Autosilence and Trouble Reminder are started
• Alarms activate the general alarm relay and general alarm zone Z00
• The trouble relay is not activated
• Store event in history buffer
• Terminate upload or download communications
A typical alarm display would be as illustrated below:
Note that the device type, which in this example is PULL STATION, can be any other programma-
ble alarm type.
The information displayed in the above example provides the following information:
• First line in display:
– The type of event; in this example ALARM indicating an alarm condition
ALARM PULL STATION
<ADJ> <NOUN>
Z000
10:00A 091213 1M001

130 MS-9050 Series Manual — P/N 52413:G 4/14/2014
Operating Instructions Supervisory Operation
– Device type identifier; in this example, PULL STATION indicates a manual pull box. Other
device type identifiers which can be displayed include SMOKE (ION) for Ionization
Detector, HEAT for Heat Detector, CONTROL for Control Module, and MONITOR for
Monitor Module, PULL STATION for a manual pull box, etc. Refer to“Edit Detector” on
page 60,“Edit Module Screen for Monitor Module” on page 67 and“Edit Module Screen for
Control Modules” on page 73 for information on additional device types.
• Second line in display:
– <ADJ>; refers to the user programmed adjective descriptor from library list resident in the
control panel or custom entry via PC.
– <NOUN>; refers to the user programmed noun descriptor from library list resident in the
control panel or custom entry via PC.
• Third line in display: Z000 indicates the zone programmed to this device which, in this
example, is general alarm Zone 000. Note that a single device can be programmed to five
different zones but only the first zone will be displayed.
• Fourth line in display:
– Time; the current time in this example is 10:00A which represents 10:00 AM
– Date; the current month, day and year in this example is 09 for September, 12 for the 12th
day of the month and 13 for the year 2013
– Device Address; 1M001 in this example 1 represents SLC Loop, M represents a module,
and 001 represents device address 001
4.6 Supervisory Operation
Supervisory operation is similar to alarm operation but with the following differences:
• The piezo sounder pulses ½ second On and ½ second Off
• The Supervisory LED flashes ½ second On and ½ second Off
• The LCD displays the status label Active Supervisory along with the device name, type,
address, adjective/noun, associated zones, and time/date
• Communicate the supervisory condition to the Central Station
• The supervisory relay is activated
• The alarm relay is not activated
• Silenced alarms are resounded
• Timers are not started
• Store event in history buffer
• Terminate upload or download communications
A typical Supervisory event would be displayed as illustrated in the following:
Note that, like alarms, supervisory signals latch (except when programmed for supervisory autore-
settable) and can be assigned to software zones. Supervisory alarms do not cause resound as do
other alarm conditions. Open circuits in supervisory wiring are processed by the control panel the
same way as other trouble conditions. Refer to “Alarm Operation” on page 129, for a description
of the information displayed on the control panel LCD.
4.7 Process Monitor Operation
Process Monitor operation will initiate the following events:
• The piezo sounder pulses ¼ second On and ¼ second Off
ACTIVE SUPERVISORY
<ADJ> <NOUN>
Z000
10:00A 062513 1M001

MS-9050 Series Manual — P/N 52413:G 4/14/2014 131
Hazard/Tornado Condition Operation Operating Instructions
• The LCD displays a process monitor message along with the device name, type, address,
adjective/noun, associated zones, and time/date
• Communicate the process monitor condition to the Central Station (if the default event code
has been changed from 000 to a reportable event code)
• Relays programmed for process monitoring will be activated
• The alarm relay is not activated
• Fire Alarm NACs will not activate
• SLC NACs (control modules) will activate
• Timers are not started
• Store event in history buffer
• Activate appropriate LED on the ANN-LED annunciator (required for this application)
• Each ANN-LED can support up to 10 zones.
Note that, like supervisories, process monitor signals latch (except when programmed for process
monitor autoresettable) and can be assigned to software zones.
4.8 Hazard/Tornado Condition Operation
Hazard/Tornado operation is intended for Manual activation.
Hazard/Tornado Condition operation will initiate the following events:
• The piezo sounder pulses ¼ second On, ¼ second Off
• The LCD displays a hazard message along with the device name, type, address,
adjective/noun, associated zones, and time/date
• Communicate the hazard condition to the Central Station (if the default event code has been
changed from 000 to a reportable event code)
• Relays programmed for hazard will be activated
• The alarm relay is not activated
• Fire Alarm NACs will not activate
• SLC NACs (control modules) will activate
• Timers are not started
• Store event in history buffer
• Activate appropriate LED on the ANN-LED annunciator (required for this application)
• Each ANN-LED can support up to 10 zones.
Hazard conditions latch. They can be assigned to software zones.
4.9 Medical Alert Condition Operation
Medical alert operation is:
• not intended for nurse call stations (applications) per UL1069.
• not intended for signaling professional medical staff.
• to be used for summoning security guards or other trained personnel within the facility
• intended for Manual activation.
Medical Alert Condition operation will initiate the following events:
• The piezo sounder ¼ second On, ¼ second Off
• The LCD displays a medical alert message along with the device name, type, address,
adjective/noun, associated zones, and time/date
• Communicate the medical alert condition to the Central Station (if the default event code has
been changed from 000 to a reportable event code)

132 MS-9050 Series Manual — P/N 52413:G 4/14/2014
Operating Instructions NAC Operation
• Relays programmed for medical alert will be activated
• The alarm relay is not activated
• Fire Alarm NACs will not activate
• SLC NACs (control modules) will activate
• Timers are not started
• Store event in history buffer
• Activate appropriate LED on the ANN-LED annunciator (required for this application)
• Each ANN-LED can support up to 10 zones.
Medical alert conditions latch. They can be assigned to software zones.
4.10 NAC Operation
There are two programmable NACs (Notification Appliance Circuits) resident on the MS-9050UD
main circuit board which can be wired for Style Y (Class B) or Style Z (Class A) . Both NACs may
be programmed as silenceable or nonsilenceable and may also be programmed for steady or coded
operation. Coded operation provides a choice between March Time, Temporal or California cod-
ing.
4.11 Programmed Zone Operation
Each addressable detector and monitor module can be assigned to a maximum of five software
alarm zones. A general alarm zone Z00 may be listed for output (control) points, but it is not nec-
essary to list Z00 for input points, since this is the default zone for all alarm input devices. Zone
Z00 is not activated by supervisory points.
When an input device alarms and is not disabled, it activates all software zones assigned to it. An
output device that is not disabled is turned on when any of the software zones to which it is pro-
grammed become active. Only fire alarms can turn on any of the two main NACs.
Note that hazards/tornado alerts do not turn on the two main NACs.
4.12 Disable/Enable Operation
Input points which are disabled do not cause an alarm or any zone activation. Disabled output
points are held in the off state. All disabled points are treated as if they were in trouble, with the
exception being the status label that will be displayed is DISABL.
4.13 Waterflow Circuits Operation
If an alarm exists from a monitor module point that has a waterflow type code and its mapped NAC
control module outputs are programmed for nonsilenceable operation, the Alarm Silence key will
not function. Also, any output zone activated by a waterflow device will not be silenceable if the
Waterflow Silenceable option is set to NO in system programming.
4.14 Detector Functions
Maintenance Alert
Each addressable detector is monitored by the control panel for its maintenance status. If a detector
is near but below the allowed alarm limit, a ‘maintenance alert’ message will automatically be dis-
played, signaling that the detector is in need of servicing.

MS-9050 Series Manual — P/N 52413:G 4/14/2014 133
Time Functions: Real-Time Clock Operating Instructions
Automatic Test Operation
An automatic test of an addressable detector is performed each minute, resulting in a complete SLC
loop test in approximately 1 hour (if the loop has the maximum number of devices installed). The
detector’s sensing chamber and electronics are functionally tested for normal, safe operation. A
trouble message is displayed upon failure of this test. A System Reset will clear this trouble.
Type Code Supervision
The FACP monitors addressable hardware device codes at slow intervals. Mismatch of any type
code, compared to the system program, will cause a device trouble.
System Alarm Verification
The control panel may be programmed to perform alarm verification to help eliminate the nuisance
of false alarms. Alarm verification applies to smoke detectors only.
Smoke Detector Data
Smoke detector data is monitored by the FACP, eliminating the need to test the sensitivity of each
detector at its location. A printout of each detector’s data can be retrieved from the FACP using an
optional printer or Windows© HyperTerminal. Detector sensing ability can decrease with age and
should be monitored as part of a system’s routine maintenance.
4.15 Time Functions: Real-Time Clock
The MS-9050UD includes a crystal-based clock that provides time of day, date and day of week.
Time is displayed as 12 or 24 hour time with month/day/year and is stored in RAM. Daylight sav-
ings time change-over is programmable and automatic. If both AC and battery are lost, the time
must be reset.
4.16 Synchronized NAC Operation
Synchronization is a panel feature that controls the activation of notification appliances in such a
way that all devices will turn on and off at exactly the same time. This is particularly critical when
activating strobes which must be synchronized to avoid random activation and a potential hazard or
confusion. The FACP can be programmed to operate with a variety of manufacturer’s devices.
Important: When a Notification Appliance Circuit with a mix of audible and visual devices is
programmed for silenceable and the synchronization feature is selected, only the audible devices
will be turned off if the Silence key is pressed. The visual devices (strobes, etc.) will continue to
operate.
4.17 Coded Operation
The NAC circuits resident on the control panel main circuit board can be programmed for coded
operation. The available pulse rates which can be programmed for coded operation are as follows:
• Continuous: Steady output with no pulsing
• March Time: Pulses at 120 ppm (pulses per minute)
• Temporal Code: Pulses at ½ second On, ½ second Off, ½ second On, ½ second Off,
½ second On, 1½ second Off
• California Code: 10 seconds On, 5 seconds Off
• Two-Stage Pulses at 20 ppm (pulses per minute) for 3 or 5 minutes
and then changes to Temporal

134 MS-9050 Series Manual — P/N 52413:G 4/14/2014
Operating Instructions Presignal
4.18 Presignal
Presignal option programs an initiating device to delay the activation of NACs and/or control mod-
ules while allowing visual verification by a person. Once a detector or monitor module triggers an
alarm, the onboard piezo sounds immediately, but the NACs are not activated for a user pro-
grammed time duration of up to three minutes. Note that the alarm relay and communicator will
respond to the initial alarm immediately. In addition, Zone 18 will activate. This zone can be pro-
grammed to a control module which may be used to activate a sounder or indicator which the
installer designates as a Presignal indication. Do not assign Zone 18 to a Notification Appliance
Circuit when using this zone to indicate a Pre-signal condition.
After the programmed delay, the NACs will activate if the source of the alarm is not cleared. Note
that if a second alarm occurs during the programmed time delay, the alarm will be processed imme-
diately, causing activation of the appropriate output zones. The events which occur upon Presignal
activation are as follows:
onboard piezo sounds immediately
control panel LCD display will indicate a presignal event and the active point
control points programmed to Zone 18 will activate
annunciators (if enabled) will sound the local piezo, and pulse the alarm LED and zone LED
outputs (NACs and control modules) of associated zones will be inhibited from activating
for a user programmed time delay of up to three minutes
second alarm occurring anytime during the time delay will cause immediate activation of all
associated outputs
Presignal does not affect monitor modules programmed as waterflow, supervisory, process moni-
toring or remote switches. Presignal operation requires the approval of the local Authority Having
Jurisdiction.
4.19 Positive Alarm Sequence
PAS (Positive Alarm Sequence) option will program a detector to delay panel activation (including
alarm relay and communicator) for a period of 15 seconds. Zone 17, however, will activate imme-
diately and may be used to connect a signaling device to indicate PAS activation. Do not assign
Zone 17 to a Notification Appliance Circuit when using this zone to indicate a PAS condition.
When a detector triggers an alarm, the onboard piezo sounds immediately, but the NACs are pre-
vented from activating for 15 seconds. This inhibit time is factory set and cannot be changed.
Pressing the Alarm Silence or Acknowledge/Step key during the 15 second inhibit time will silence
the piezo sounder and start a timer which prevents activation of NACs for an additional time dura-
tion which can be user programmed for up to three minutes. After the programmed delay, the
NACs will activate if the source of the alarm is not cleared. Note that if a second alarm occurs
during either time delay, the alarm will be processed immediately, causing activation of the appro-
priate output zones. The events which occur upon PAS activation are as follows:
onboard piezo sounds immediately
control panel LCD display will indicate a presignal event and the active point
control points programmed to Zone 17 will activate
annunciators (if enabled) will sound the local piezo, and pulse the alarm LED and zone LED
outputs (NACs and control modules) of associated zones will be inhibited from activating
for a factory set duration of 15 seconds
pressing the Alarm Silence or Acknowledge/Step key will start a timer which inhibits output
activation for additional time delay of up to three minutes which is user programmable
second alarm occurring anytime during either time delay will cause immediate activation of
all associated outputs
PAS operation requires the approval of the local Authority Having Jurisdiction.

MS-9050 Series Manual — P/N 52413:G 4/14/2014 135
Special System Timers Operating Instructions
Note that the PAS BYPASS monitor type code, when activated, will inhibit the PAS capability until
the PAS BYPASS monitor is deactivated. While PAS is inhibited, signaling devices will immedi-
ately place the control panel into alarm. This feature may be employed by wiring a normally open
device, such as a switch, to a monitor module which has been programmed for PAS BYPASS.
4.20 Special System Timers
4.20.1 Silence Inhibit Timer
This option, if selected, prevents the Alarm Silence key from functioning for 60 seconds following
an alarm. A new alarm during the initial 60 second period will not cause the timer to restart with a
new 60 seconds. Silence Inhibit operation requires the approval of the local Authority Having
Jurisdiction.
4.20.2 Autosilence Timer
If Autosilence is selected, the notification appliances, programmed as silenceable, will automati-
cally be silenced after a programmable duration of from 5 to 30 minutes. Pressing the Drill key
will restart the timer. Autosilence operation requires the approval of the local Authority Having
Jurisdiction.
4.20.3 Trouble Reminder
If selected, this feature causes a reminding ‘beep’ every 15 seconds during an alarm (after the
Alarm Silence key is pressed) and every two minutes during a trouble condition (after the Acknowl-
edge/Step or Alarm Silence key is pressed). The ‘beeps’ from the onboard piezo sounder will occur
until the alarm or fault is cleared.
Note that enabling/disabling the Trouble Reminder feature has no effect on Trouble Resound.
When an existing trouble in the system is silenced, if the trouble condition is not cleared before
midnight, the piezo will resound, indicating that the trouble condition still exists.
4.20.4 Waterflow Retard Timer
If selected, this option will delay the activation of a waterflow type alarm for a programmable time
duration from 1 to 90 seconds. This delay is in addition to any time delay inherent in the waterflow
device. This feature requires the approval of the local Authority Having Jurisdiction.
4.20.5 Alarm Verification (None or One Minute)
If alarm verification is selected, an addressable smoke detector's alarm is ignored for a retard time
of 23 seconds and the detector's alarm condition is automatically reset. There will be no alarm indi-
cation at the FACP during the Retard period. A confirmation period of 60 seconds follows, during
which a subsequent alarm from the same detector will cause the panel to immediately activate the
appropriate outputs and indicate the alarm condition at the FACP. If a different detector alarms any
time during the first detector's verification period, the panel will immediately activate all appropri-

136 MS-9050 Series Manual — P/N 52413:G 4/14/2014
Operating Instructions Walktest
ate outputs and indicate the alarm condition at the FACP. If no additional detector alarms occur
within 83 seconds of the first alarm (23 second retard plus 60 second confirmation), the timer resets
and the panel is ready to verify any new detector alarms which may occur.
4.21 Walktest
Walktest is a feature which allows one person to test the fire alarm system. An audible walktest
will momentarily sound the Notification Appliance Circuits in the building and store the walktest
information in a file at the panel. A silent walktest will not sound the NACs but will store the walk-
test information in a file which can be viewed at the panel. Disabled NAC devices will not activate
during walktest.
Alarm/Shorted Condition
When in audible Walktest, the panel responds to each new alarm and activates its programmed con-
trol outputs for four seconds, if those outputs have been programmed for silenceable activation. It
also stores each alarm in the walktest history file which can be sent to an optional printer. The
stored display will be the same as if the device actually activated except the colon (:) in the time
stamp is replaced with an asterisk (*).
Open Condition
Addressable devices as well as all main circuit board NACs are monitored for fault conditions
during Walktest mode. When a new trouble condition occurs, the FACP will activate all NACs and
control modules programmed for Walktest, then shut them off after eight seconds.
While in Walktest, the trouble relay is activated and the system Trouble LED flashes (as in all of
the Program and status change operations). The alarm relay is not activated.
4.22 Read Status
Read Status functions do not require a password. The control panel will continue to provide fire
protection while in Read Status mode. This mode can be entered while the control panel is in alarm
or trouble. If a new alarm or trouble occurs during these functions, the Read Status is exited to pre-
vent confusion.
83 sec.
23 sec.
0 sec.
CONFIRMATION (60 seconds)
RETARD
Alarm Ignored Control Panel Processes Alarm if Same Detector is Still in Alarm
Control Panel Immediately Processes Alarm
Detector Alarm Verification
(Retard + Confirmation)
Detector Goes Into Alarm
Different Detector Alarms
During First Detector's
Verification Period
NOTE: Alarm Verification is available only for addressable smoke detectors, not conventional
smoke detectors.

MS-9050 Series Manual — P/N 52413:G 4/14/2014 137
Read Status Operating Instructions
Read Status Entry
When the operator presses the control panel Enter key, the LCD will display the following:
Pressing 1, while this screen is being displayed, will cause the control panel to enter the Read Sta-
tus mode which allows the user to view and print the programmed features and status of the control
panel.
The following screens will be displayed:
4.22.1 System Point
Pressing 1 while viewing Read Status Screen #1 will cause the following screen to be displayed:
The operator selects the type of device which is to be viewed by pressing 1 for Detector or 2 for
Module. If 1 is pressed, the display will change to the following screen:
Entering the three digit detector address will cause the control panel to display the current status of
the selected device. For example, if a detector with address 001 on the SLC loop is entered, a dis-
play similar to the following will appear:
The information in the preceding display includes:
•NORMAL - the present status (could also be ALARM, TROUBL, DISABL, etc.)
•SMOKE (PHOTO) - the device type which is a photoelectric smoke detector (could also be
ION for ionization smoke detector)
•NORTH CLASSROOM - the Adjective/Noun label for this device
•Z005 - the first of five possible assigned software zones
•1D001 - 1 = SLC Loop, D = Detector, 001 = Address 001
• V - Alarm Verification Enabled (V = Yes, * = No)
• S - Silenceable for control modules (S = Yes, * = No)
1=READ STATUS MODE
2=PROGRAMMING MODE
3=MANUAL DIAL MODE
4=REMOTE DOWNLOAD
READ STATUS
1=SYSTEM POINT
2=ZONES
3=POWER
READ STATUS
1=TROUBLE REMINDER
2=TIMERS
3=NACS
Read Status Screen #1 Read Status Screen #3
READ STATUS
1=RELAYS
2=PROGRAM CHECK
3=HISTORY
Read Status Screen #5
READ STATUS
1=ANN-BUS
2=PHONE LINE
3=CENTRAL STATION
Read Status Screen #2
READ STATUS
1=SERVICE TERMINAL
2=PRINT
3=TIME-DATE
Read Status Screen #4
READ STATUS
1=SYSTEM POINT
2=ZONES
3=POWER
Read Status Screen #1
READ SYSTEM POINT
SELECT TYPE
1=DETECTOR
2=MODULE
READ SYSTEM POINT
ENTER DETECTOR#
NORMAL SMOKE(PHOTO)
NORTH CLASSROOM
Z005
V 1D001

138 MS-9050 Series Manual — P/N 52413:G 4/14/2014
Operating Instructions Read Status
• W - Walktestable for control and monitor modules (W = Yes, * = No)
Pressing the down arrow key, while viewing the screen shown above, will allow the operator to
view additional programming information about the selected device, such as:
• Enable/Disable Status
• Device Type
• Alarm Verification On/Off (for detectors)
• Walktest Yes/No
• PAS (Positive Alarm Sequence) Yes/No (for detectors only)
• Pre-Signal Yes/No (for detectors and monitor modules)
• Zone Assignments (five maximum)
• Adjective/Noun descriptor
• Silenceable Yes/No (for control modules)
4.22.2 Zones
Pressing 2 while viewing Read Status Screen #1 will cause the following screens to be displayed:
From the preceding screens, the control panel operator can view:
•Zones Installed - all software zones programmed into the system (20 maximum)
•Zones Enabled - all software zones that are enabled
•Zones Disabled - all software zones that have been disabled
•Special Purpose - on or off programming for Special Purpose Zones 17 reserved for PAS, 18
reserved for Pre-signal and 19 reserved for Two Stage Operation
•Zone Type - the Type assigned to each installed zone (default is Alarm)
4.22.3 Power
Pressing 3 while viewing Read Status Screen #1 will cause the following screens to be displayed:
A real-time display of the control panel voltages can be used to determine if a problem exists in the
system.
The following table lists the circuit being measured, possible conditions and their respective volt-
age ranges:
READ STATUS
1=SYSTEM POINT
2=ZONES
3=POWER
Read Status Screen #1
ZONES
1=ZONES INSTALLED
2=ZONES ENABLED
3=ZONES DISABLED
Zones Screen #1
ZONES
1=SPECIAL PURPOSE
2=ZONE TYPE
3=FUTURE USE
Zones Screen #2
Circuit Condition Voltage Range
Battery
Normal Battery (nominal) 27.05 to 28.15 VDC
Low Battery 17.7 to 20.4 VDC
No Battery 0 to 17.6 VDC
ANN-BUS Power Normal 21.25 to 27.50 VDC
Charger Normal 21.87 to 29.84 VDC
System Power Nominal 27.60 VDC
POWER
BATTERY 27.21V
ANN-BUS PWR 27.75V
CHARGER 27.75V
Power Screen #1
POWER
SYSTEM PWR 27.60V
Power Screen #2

MS-9050 Series Manual — P/N 52413:G 4/14/2014 139
Read Status Operating Instructions
4.22.4 Trouble Reminder
Pressing 1 while viewing Read Status Screen #2 will display the following screen:
The screen indicates whether the Trouble Reminder feature is On or Off. The factory default set-
ting is Trouble Rem OFF.
4.22.5 Timers
Pressing 2 while viewing Read Status Screen #2 will cause the following Timer screens to be dis-
played:
These screens will indicate the delay time, in seconds, for each of the first three possible delay
options. The AC Loss Delay time is displayed in hours.
4.22.6 NAC
Pressing 3 while viewing Read Status Screen #2 will display the following screen:
The operator can press 1 to view the programmed options for NAC 1 or 2 to view the programmed
options for NAC 2. The resulting screens will display the following information:
• Enable/Disable Status
• Circuit Type (Bell, Strobe, etc.)
• Silenceable/Nonsilenceable
• Auto Silence Enable/Disable and time delay (in minutes)
• Coding Selection (Temporal, Steady, etc.)
• Zone Assignments
• Silence Inhibit Enabled/Disabled
• Synchronization Type (System Sensor, Wheelock, or Gentex)
4.22.7 Relays
Pressing 1 while viewing Read Status Screen #3 will display the following screen:
The operator can view the programmed option for each relay by pressing the corresponding number
key.
READ STATUS
1=TROUBLE REMINDER
2=TIMERS
3=NAC
Read Status Screen #2
TROUBLE REMINDER
TROUBLE REM ON
TIMERS
PAS DELAY 000
PRE SIGNAL 000
WATERFLOW 000
TIMERS
AC LOSS DELAY 2
NAC
1=NAC 1
2=NAC 2
READ STATUS
1=RELAYS
2=PROGRAM CHECK
3=HISTORY
Read Status Screen #3
RELAY
1=RELAY 1
2=RELAY 2
3=RELAY 3

140 MS-9050 Series Manual — P/N 52413:G 4/14/2014
Operating Instructions Read Status
4.22.8 Program Check
Pressing 2 while viewing Read Status Screen #3 will cause a screen similar to the following to be
displayed:
Pressing 1 while viewing the Program Check screen will display a screen which will indicate if any
input zones have not been programmed to one of the Notification Appliance Circuits. Use the up
and down arrow keys to view all NACs.
Pressing 2 while viewing the Program Check screen will display a screen which will indicate if any
output zones have not been programmed to at least one input zone. Use the up and down arrow
keys to view all zones.
Pressing 3 while viewing the Program Check screen will display a screen which will indicate if any
input zones have not been programmed to at least one output zone. Use the up and down arrow
keys to view all zones.
4.22.9 History
Pressing 3 while viewing Read Status Screen #3 will display the following screen:
The operator can view all events which have been stored in the history file, only alarms or other
events, such as troubles or supervisories, by pressing the corresponding number key.
4.22.10 ANN-BUS
Pressing 1 while viewing Read Status Screen #4 will display the following screens:
Pressing 2 for Modules Installed, while viewing ANN-BUS Screen #1 will display screens with
ANN-BUS Addresses 1 through 8. Selecting an address will display information about the device
which has been assigned that address.
Pressing 3 for ANN-S/PG Options, while viewing ANN-BUS Screen #1 will display screens detail-
ing the setting for the ANN-SPG printer installed. This information includes:
• Port Parallel/Serial
• Printer Supervision Yes/No
• Off Line Timer setting
•Baud Rate
• Data Bits
•Parity
• Stop Bits
Pressing 1 for ANN-80 Options, while viewing ANN-BUS Screen #2 will display screens detailing
the settings for this device. The information includes:
• Piezo Enable/Disable
PROGRAM CHECK
1=NACS NO INPUT
2=ZONES NO INPUT
3=ZONES NO OUTPUT
HISTORY
1=VIEW ALL
2=VIEW ALARMS
3=VIEW OTHER EVENTS
ANN-BUS
ENABLED
2=MODULES INSTALLED
3=ANN-S/PG OPTIONS
ANN-BUS Screen #1
ANN-BUS
1=ANN-80 OPTIONS
2=ANN-SECONDARY
ANN-BUS Screen #2

MS-9050 Series Manual — P/N 52413:G 4/14/2014 141
Read Status Operating Instructions
• Lock Enable/Disable
• Acknowledge Button Enable/Disable
• Silence Button Enable/Disable
• Reset Button Enable/Disable
• Drill Button Enable/Disable
Pressing 2 for ANN-SECONDARY Options, while viewing ANN-BUS Screen #2 will display
screens detailing the settings for this device and would display the following screen:
4.22.11 Phone Line
Pressing 2 while viewing Read Status Screen #4 will display the following screen:
This screen indicates the both the Primary and Secondary phone lines have been configured for
touchtone dialing operation.
4.22.12 Central Station
Pressing 3 while viewing Read Status Screen #4 will display the following screens:
Central Station Screen #1 indicates whether the Central Station Reporting is enabled or disabled, if
the Reports will be sent to one or both the Primary and Secondary Central Station phone numbers
and the Call Limit for DACT trouble calls within a 24 hour period. Central Station Screen #2 pro-
vides information on the Primary and Secondary Central Station programming which includes:
• Test Time Interval
• Account Code
• 24 Hour Test Time
• Phone Number
• Communication Format
• Event Codes
4.22.13 Service Terminal
Pressing 1 for Ring Count, while viewing Read Status Screen #5 will display the following screens:
ANN-SECONDARY
ENABLED
ANN-SECONDARY Screen #2
PHONE LINE
PRIMARY TOUCHTONE
SECONDARY TOUCHTONE
READ STATUS
1=ANN-BUS
2=PHONE LINE
3=CENTRAL STATION
Read Status Screen #4
CENTRAL STATION
REPORTING ENABLED
REPORT BOTH
CALL LIMIT 10
Central Station Screen #1
CENTRAL STATION
1=PRIMARY
2=SECONDARY
3=REPORT STYLE
Central Station Screen #2
READ STATUS
1=SERVICE TERMINAL
2=PRINT
3=TIME-DATE
Read Status Screen #5
SERVICE TERMINAL
RING COUNT 03
Service Terminal Screen

142 MS-9050 Series Manual — P/N 52413:G 4/14/2014
Operating Instructions Read Status
4.22.14 Print
To print program data or control panel status, press 2 while viewing Read Status Screen #5. The
following screens will be displayed:
Pressing 1 while viewing Print Screen #1 allows the user to print the History file which will detail
all of the system activities since the file was last cleared from memory.
Pressing 2 while viewing Print Screen #1 allows the user to print the Walktest log which will detail
all of the system activations during walktest since the log was last cleared. Refer to “Walktest” on
page 94 for additional information on the display.
Pressing 3 while viewing Print Screen #1 allows the user to print the Walktest summary. This
screen will display a total of the tested detectors, tested modules, untested detectors and untested
modules for the current walktest session. Refer to “Walktest” on page 94 for additional information
on the display.
Pressing 1 while viewing Print Screen #2 allows the user to print the detector data for each address-
able smoke detector connected to the system. A printout, similar to the following example, will be
generated if an optional printer is connected to the FACP.
Chamber Value
The Chamber value should be within the indicated range for the following smoke detectors:
• SD350(T), SD355(T), D350P(R), D355P(R), SD300(T), AD350, and AD355 Addressable
Photoelectric Smoke Detectors: 405 - 2100 (obscuration of 1.00%/ft to 3.66%/ft.)
• CP350, CP355 and CP300 Addressable Ionization Smoke Detectors: 750 - 2100 (obscuration
of 0.50%/ft. to 1.44%/ft.)
If the addressable smoke detector’s Chamber reading is not within the acceptable range, clean the
detector and check the Chamber value again. If the reading is still not within the acceptable range,
immediately replace the detector.
Drift Compensation
Drift compensation uses software algorithms that identify and compensate for long-term changes in
the data readings from each addressable smoke detector. These long-term changes in detector data
readings are typically caused by dirt and dust accumulation inside the smoke chamber. Drift com-
pensation performs the following functions:
• Samples each photoelectric smoke detector every 6 seconds and each ionization smoke
detector every 3 seconds
DEVICE # DEVICE TYPE % DRIFT COMP CHAMBER TIME/DATE
1D001 SMOKE (PHOTO) 20 1281 12:01AM 01-08-2010
1D002 SMOKE (PHOTO) 20 1281 12:01AM 01-08-2010
1D003 SMOKE (PHOTO) 21 1259 12:01AM 01-08-2010
1D004 SMOKE (PHOTO) 20 1309 12:02AM 01-08-2010
1D005 SMOKE (PHOTO) 21 1281 12:02AM 01-08-2010
1D006 SMOKE (PHOTO) 20 1322 12:02AM 01-08-2010
1D007 SMOKE (PHOTO) 20 1280 12:02AM 01-08-2010
1D008 SMOKE (PHOTO) 20 1215 12:02AM 01-08-2010
1D009 SMOKE (PHOTO) 20 1310 12:02AM 01-08-2010
READ STATUS
1=SERVICE TERMINAL
2=PRINT
3=TIME-DATE
Read Status Screen #5
PRINT
1=HISTORY
2=WALKTEST LOG
3=WALKTEST SUMMARY
PRINT
1=DETECTOR DATA
2=DACT SUMMARY
3=EXIT PRINTING
Print Screen #2
Print Screen #1

MS-9050 Series Manual — P/N 52413:G 4/14/2014 143
Read Status Operating Instructions
• Allows a smoke detector to retain its original ability to detect actual smoke and resist false
alarms, even as dirt and dust accumulate
• Reduces maintenance requirements by allowing the control panel to automatically perform the
periodic sensitivity measurements required by NFPA Standard 72
The FACP software also provides filters to remove transient noise signals, usually caused by elec-
trical interference.
Maintenance Alert
The software determines when the drift compensation for a detector reaches an unacceptable level
that can compromise detector performance. When a detector reaches an unacceptable level, the
control panel indicates a maintenance alert. Table 4.1 summarizes the three levels of maintenance
alert:
Figure 4.1 illustrates a graphic representation of the maintenance levels:
Pressing 2 while viewing Print Screen #2 allows the user to print the DACT summary which will
detail all of the onboard DACT settings. Refer to “Onboard DACT” on page 106 for additional
information on the display.
Pressing 3 while viewing Print Screen #2 exits the user from the print menu.
4.22.15 Time-Date
The operator can view the daylight savings time and the month and week when daylight savings
time will begin and end. Pressing 3 while viewing Read Status Screen #5 will display the following
screens:
Maintenance Level FACP Status Displays Indicates
Low Chamber Value INVREP A hardware problem in the detector
Maintenance Alert DIRTY1 Dust accumulation that is near but below the allowed
limit. DIRTY 1 indicates the need for maintenance
before the performance of the detector is compromised
Maintenance Urgent DIRTY2 Dust accumulation above the allowed limit.
Table 4.1 Maintenance Alert Levels
Figure 4.1 Diagram of Maintenance Levels
DIRTY
Acceptable
Range
Maintenance
Urgent Maintenance
Alert
Low Chamber
Reading LOW
VALUE
READ STATUS
1=SERVICE TERMINAL
2=PRINT
3=TIME-DATE
Read Status Screen #5
DAYLIGHT SAVINGS
ENABLED YES
START MONTH MAR
START WEEK WEEK 2
DAYLIGHT SAVINGS
END MONTH NOV
END WEEK WEEK 1
144 MS-9050 Series Manual — P/N 52413:G 4/14/2014
Notes
MS-9050 Series Manual — P/N 52413:G 4/14/2014 145
Section 5: Central Station Communications
The control panel transmits zone and system status reports to Central Stations via the public
switched telephone network. Two supervised telephone line connections are made to interface the
control panel to the telephone lines. Two optional 7 foot telephone cords are available for this pur-
pose and can be purchased separately.
The control panel supervises both telephone lines for proper voltage. A delay of two minutes will
occur before a fault in either phone line connection is reported as a trouble. When a fault is
detected, an audible trouble signal will sound, the yellow trouble LED will blink, the LCD display
will indicate the phone line trouble and the trouble condition will be reported to the Central Station
over the remaining operational phone line.
The control panel comes with line seizure capability provided for both the primary and secondary
telephone line interfaces. Any time that the control panel needs to make a call to a Central Station,
line seizure will disconnect any local premises phones sharing the same telephone line.
All transmissions to the Central Stations will be sent over the primary phone line. In the event of
noisy phone lines, transmissions will be sent over the backup secondary phone line.
Two phone numbers must be programmed, the primary Central Station phone number and the sec-
ondary Central Station phone number. All system reports will be transmitted to the primary Central
Station phone number. Reports will automatically be sent to the secondary Central Station phone
number if attempts to transmits to the primary Central Station phone number are unsuccessful. If
10 total attempts to communicate are unsuccessful, a Communicator Failure report will be dis-
played. Note that as an option, all reports may also be sent to the secondary Central Station phone
number.
The MS-9050UD meets NFPA 72 National Fire Code reporting requirements for: (a) the type of
signal, (b) condition and (c) location of the reporting premises. The general priority reporting
structure is:
1. Zone Alarms and Restores
2. Zone Troubles and Restores
3. System Troubles and Restores
4. 24-hour Test

146 MS-9050 Series Manual — P/N 52413:G 4/14/2014
Central Station Communications
The control panel is capable of reporting detailed messages depending upon the format in use.
Table 5.1 shows the reporting structure for all formats.
Refer to Table 5.2 for an explanation of each letter code in Table 5.1. Refer to Table 5.3 for a list of
compatible receivers.
Format Format Format Format
Report 3+1/4+1/Standard
4+1 Express
3+1/4+1/Expanded 4+2/Standard
4+2 Express
4+2/Expanded
Alarm SSS(S) A SSS(S) A
AAA(A) Z
SSSS AA2 SSSS AZ
Alarm Restore SSS(S) RA SSS(S) RA
RARARA(RA) Z
SSSS RARA2 SSSS RAZ
Zone Trouble
(Zone Open)
SSS(S) TZ SSS(S) TZ
TZTZTZ(TZ) Z
SSSS TZTZ2 SSSS TZZ
Zone Trouble Restore SSS(S) RTZ SSS(S) RTZ
RTZRTZRTZ(RTZ) Z
SSSS RTZRTZ2 SSSS RTZZ
System Trouble SSS(S) TS SSS(S) TS
TSTSTS(TS) Y
SSSS TSTS2 SSSS TSY
System Trouble Restore SSS(S) RTS SSS(S) RTS
RTSRTSRTS(RTS) Y
SSSS RTSRTS2 SSSS RTSY
Zone Disable SSS(S) DZ SSS(S) DZ
DZDZDZ(DZ) Z
SSSS DZDZ2 SSSS DZZ
Zone Disable Restore SSS(S) RDZ SSS(S) RDZ
RDZRDZRDZ(RDZ) Z
SSSS RDZRDZ2 SSSS RDZZ
Low Battery SSS(S) L SSS(S) L
LLL(L) L2
SSSS LL2 SSSS LL2
Low Battery Restore SSS(S) RL SSS(S) RL
RLRLRL(RL) RL2
SSSS RLRL2 SSSS RLRL2
AC Loss SSS(S) P SSS(S) P
PPP(P) P2
SSSS PP2 SSSS PP2
AC Loss Restore SSS(S) RP SSS(S) RP
RPRPRP(RP) RP2
SSSS RPRP2 SSSS RPRP2
Fire Drill SSS(S) FD SSS(S) FD
FDFDFD(FD) FD2
SSSS FDFD2 SSSS FDFD2
Fire Drill Restore SSS(S) RFD SSS(S) RFD
RFDRFDRFD(RFD) RFD2
SSSS RFDRFD2 SSSS RFDRFD2
Supervisory Condition SSS(S) V SSS(S) V
VVV(V) Z
SSSS VV2 SSSS VZ
Supervisory Condition
Restore
SSS(S) RV SSS(S) RV
RVRVRV(RV) Z
SSSS RVRV2 SSSS RVZ
Test Report SSS(S) X SSS(S) X SSSS XX2 SSSS XX2
Upload or Download SSS(S) UD SSS(S) UD SSS UDUD2 SSS UDUD2
Table 5.1 Format Selection

MS-9050 Series Manual — P/N 52413:G 4/14/2014 147
Central Station Communications
Where
SSS or SSSS = Subscriber ID
A = Alarm (1st digit)
A2 = Alarm (2nd digit)
Z = Zone Number
RA = Alarm Restore (1st digit)
RA2 = Alarm Restore (2nd digit)
TZ = Zone Trouble (1st digit)
TZ2 = Zone Trouble (2nd digit)
RTZ = Zone Trouble Restore (1st digit)
RTZ2 = Zone Trouble Restore (2nd digit)
TS = System Trouble (1st digit)
TS2 = System Trouble (2nd digit)
RTS = System Trouble Restore (1st digit)
RTS2 = System Trouble Restore (2nd digit)
DZ = Zone Disable (1st digit)
DZ2 = Zone Disable (2nd digit)
RDZ = Zone Disable Restore (1st digit)
RDZ2 = Zone Disable Restore (2nd digit)
L = Low Battery (1st digit)
L2 = Low Battery (2nd digit)
RL = Low Battery Restore (1st digit)
RL2 = Low Battery Restore (2nd digit)
P = AC Loss (1st digit)
P2 = AC Loss (2nd digit)
RP = AC Loss Restore (1st digit)
RP2 = AC Loss Restore (2nd digit)
FD = Fire Drill (1st digit)
FD2 = Fire Drill (2nd digit)
RFD = Fire Drill Restore (1st digit)
RFD2 = Fire Drill Restore (2nd digit)
V = Supervisory Condition (1st digit)
V2 = Supervisory Condition (2nd digit)
RV = Supervisory Condition Restore (1st digit)
RV2 = Supervisory Condition Restore (2nd digit)
X = Test Report (1st digit)
X2 = Test Report (2nd digit)
Y = A trouble corresponding to the following:
7 = Ground Fault
8 = Low Battery
9 = not used
A = Telco Primary Line Fault
B = Telco Secondary Line Fault
C = Main Bell Fault, Annunciator Bell
D = Communication Fault to Primary Number
E = Communication Fault to Secondary Number
F = System Off Normal Fault/System Fault (Slave Operation, see Chapter 6)
UD = Upload/download (1st digit)
UD2 = Upload/download (2nd digit)
Table 5.2 Format Selection Address Explanation
NOTE: For Expanded Reporting, the control panel automatically adds the digit corresponding to the
zone number and the second digit corresponding to any system trouble condition. Only the first digit is
programmable.

148 MS-9050 Series Manual — P/N 52413:G 4/14/2014
Central Station Communications Transmittal Priorities
5.1 Transmittal Priorities
The integral communicator transmits highest priority events first. Events, in terms of priority, are
listed below in descending order:
1. Alarms (highest priority level)
Pull stations
Waterflow
Smoke detector
Other alarm types
2. Supervisory Zone
3. System Troubles
Zone disabled
Fire drill
AC fail (after delay)
Zonal faults
Earth fault
Low battery
Telephone line fault
Notification Appliance Circuits fault
Communication trouble
Annunciator trouble
System off normal
4. Restoral Reports
Zone alarm
Supervisory
Zone(s) enabled
Fire drill
AC
Zone fault
Earth
Battery
Telephone line
Notification Appliance Circuits
Communication
Annunciator trouble
System off normal
5. 24 Hour Test (lowest priority)
Red LEDs are provided on the circuit board to identify which telephone line is activated. Also, a
green LED labeled Kissoff will turn on whenever the control panel has successfully transmitted
reports to the Central Station. The Kissoff LED may turn on several times during communications
with a Central Station.

MS-9050 Series Manual — P/N 52413:G 4/14/2014 149
Transmittal Priorities Central Station Communications
The table below shows UL listed receivers which are compatible with the MS-9050UD.
1. With version 3.9 software
2. With 685-8 Line Card with Rev. 4.4d software
3. With 9002 Line Card Rev. 9035 software or 9032 Line Card with 9326A software
4. With 124077V2.00 Receiver and 126047 Line Card Rev. M
5. With V.7301 Receiver S/W
6. With 01.01.03 Receiver S/W and Line Card 01.01.03
7. Surgard System III software version 1.6
8. Surgard MLR-2 software version 1.86
9. With DSP4016 and V1.6 Line Card
10. With 124060V206B and 124063 Line Card Rev. B
IMPORTANT! It is the installer’s responsibility to ensure that the Digital Alarm Communica-
tor/Transmitter is compatible with the Central Station Receiver, utilized by the monitoring service,
prior to installation. The Compatibility Table provides a list of compatible receivers and associated
software versions for the receivers. Changes in the hardware and/or software by the receiver man-
ufacturers may affect the receiver compatibility with the FACP DACT. After completing the instal-
lation, communication between the DACT and Central Station Receiver must be tested and
verified.
Format
FBI
CP220FB (1)
Ademco
685 (2)
Silent Knight
9000 (3)
Silent Knight
9800 (4)
Osborne Hoffman
2000E (5)
Radionics
6600 (6)
Surgard
System III(7)
Surgard
MLR-2(8)
Surgard
MR-2000(9)
Ademco
MX8000(10)
4+1 Ademco Express
4+2 Ademco Express
3+1/Standard/1800/2300
3+1/Expanded/1800/2300
3+1/Standard/1900/1400
3+1/Expanded/1900/1400
4+1/Standard/1800/2300
4+1/Expanded/1800/2300
4+1/Standard/1900/1400
4+1/Expanded/1900/1400
4+2/Standard/1800/2300
4+2/Expanded/1800/2300
4+2/Standard/1900/1400
4+2/Expanded/1900/1400
Ademco Contact ID
Not Used
Table 5.3 Compatible UL Listed Receivers

150 MS-9050 Series Manual — P/N 52413:G 4/14/2014
Section 6: Local/Remote Site Upload/Download
The control panel may be programmed or interrogated off-site via the public switched telephone
network. Any personal computer with Windows® XP or greater, with a 2400 baud compatible
modem and Fire-Lite Upload/Download software kit P/N PK-CD, may serve as a Service Terminal.
This allows download of the entire program or upload of the entire program, history file, walktest
data, current status, time and date.
The control panel may also communicate to a local PC at the job-site. The PC must be connected
to TB3 as shown on page 10, using cable P/N: PRT/PK-CABLE.
Important: Remote modification of FACP programming requires that the panel be enabled for
remote download (refer to “Remote Download” on page 150). Remote interrogation of panel pro-
gramming, history logs, detector status, etc., is possible without enabling the remote download
option.
CAUTION: To prevent the 'request for upload/download' message(s) from being reported to the
Central Station(s), make certain to disable all upload/download reports back to both Central Sta-
tions (refer to “Central Station” on page 107).
After the downloading process, the fire protection may be inactive for up to 2 minutes while the fire
panel re-initializes.
After successfully downloading a program, make certain to perform the following steps:
1. Review all programmed entries and compare to intended program data
2. Test all affected panel operations
3. Immediately correct any problems found
6.1 Remote Download
NFPA 72 requirements state that a technician must be on-site and at the control panel whenever the
PS-Tools programming utility is used to download any information to the FACP. For this reason, a
new option has been added to the FACP which allows an individual at the FACP to enter a pass-
word and either enable the proprietary mode where downloading will be allowed at any time or
access a specific password protected screen where downloading will be allowed regardless of the
current proprietary setting. The Remote Download option can be selected from the main menu
screen as shown below:
Pressing 4 for Remote Download while viewing the main menu will cause the following screen to
be displayed:
The Remote Download password (default 00000) must be entered to access the Remote Download
feature. Note that the default password can be changed using the Password Change option (refer to
“Password Change” on page 118). Entering the correct password will cause the following screen to
be displayed:
1=READ STATUS MODE
2=PROGRAMMING MODE
3=MANUAL DIAL MODE
4=REMOTE DOWNLOAD
REMOTE DOWNLOAD
ENTER PASSWORD
REMOTE DOWNLOAD
1=PROPRIETARY NO
2=ACCEPT DOWNLOAD

MS-9050 Series Manual — P/N 52413:G 4/14/2014 151
Transferring a Program Local/Remote Site Upload/Download
Pressing 1 for Proprietary No (factory default setting), while viewing the Remote Download
screen, will cause the display to toggle from Proprietary No to Proprietary Yes. Each press of the 1
key will cause the display to toggle between Proprietary No and Proprietary Yes. Selecting Propri-
etary Yes will program the FACP to allow remote programming downloads from the PS-Tools pro-
gramming utility at all times without the need to access the Remote Download screen.
Pressing 2 for Accept Download will cause the following screen to be displayed:
While this screen is displayed, remote programming downloads are allowed regardless of the Pro-
prietary setting. Exiting this screen will disable any further downloads to the FACP. Also, follow-
ing 30 minutes of inactivity (including up/downloading), the Accept Download screen will time-
out, causing the display to return to the System All Normal screen.
6.2 Transferring a Program
The first time that the control panel is contacted, a secret code is loaded in by a Service Terminal.
Future upload or download requests cause verification of the secret code by the control panel
before processing of data is allowed. If the secret code is not verified, the control panel will termi-
nate the request.
While the control panel is communicating with the remote Service Terminal, one of the DACT’s
red phone line active LEDs and the green Kissoff LED will remain on steady. These LEDs do not
light for local (direct connect) programming.
In order to download to the panel, the following must be true:
The control panel must be in the Normal Mode of operation. Downloading is not allowed if
the panel is in any other mode.
There cannot be any active communications ongoing with a Central Station receiver.
All active events must be successfully 'kissed-off' by the Central Station(s). The
communicator must be in a standby state with no new information waiting to be transmitted
to a Central Station.
6.3 Security Features
Upload and download with the control panel have been carefully designed to include key security
features to ensure proper functionality. Any time a transfer is initiated, the control panel and the
Service Terminal will communicate and transfer data before contacting a Central Station. When
the data transfers are completed and the control panel disconnects from the Service Terminal, the
control panel will call the Central Station and report one of the following conditions:
• Upload/download request received
• Upload and/or download request successful
• Upload/download failed
The key features are listed and explained in the following sections.
Secret Code Verification
A secret code is stored in the control panel by a Service Terminal to prevent unauthorized access.
The secret code is created at the Service Terminal by the master user and cannot be viewed or
changed by anyone other than a master user. Viewing of the secret code is prohibited at the control
panel. Prior to allowing an upload or download of data, the control panel will verify the secret code
transmitted by the Service Terminal.
ALLOWING DOWNLOADS
IF YOU EXIT THIS
SCREEN DOWNLOADS
WILL BE DISABLED!

152 MS-9050 Series Manual — P/N 52413:G 4/14/2014
Local/Remote Site Upload/Download Security Features
Time-out at Control Panel
Upon answering an incoming (modem) call on the primary Central Station phone line, the control
panel will listen for a modem connection signal. If this signal is not received within 30 seconds, the
control panel will disconnect the call. Upon successful connection (secret code verified), if no
communication occurs within five minutes, the panel will disconnect the call.
Whether a PC is connected locally (at the job-site) or remotely (modem), 2 minutes of inactivity
will result in an upload/download time-out. Upon time-out, transfer activity will be reported to the
Central Station (if enabled) and the connection will be terminated.
Error Checking
As each block of data is received by the control panel, it is checked for accuracy. If an error is
detected, the block is retransmitted until correct, up to a maximum of four times. If the Secret Code
is not verified and four errors occur, the call is disconnected and the report that the upload/down-
load was not successful is called to the Central Station(s).
Central Station Data Protection
The primary and secondary Central Station phone numbers, communications format, account code,
test time and programmable event codes are vital Central Station information. These blocks of data
are protected from partial programming due to faulty phone connections, line noise and other
errors. This prevents the panel from being confused due to a wrong phone number, account code,
test time and most critical formatting errors.

MS-9050 Series Manual — P/N 52413:G 4/14/2014 153
Section 7: Power Supply Calculations
7.1 Overview
This section contains instructions and tables for calculating power supply currents in alarm and
standby conditions. This is a four-step process, consisting of the following:
1. Calculating the total amount of AC branch circuit current required to operate the system
2. Calculating the power supply load current for non-fire and fire alarm conditions and
calculating the secondary (battery) load
3. Calculating the size of batteries required to support the system if an AC power loss occurs
4. Selecting the proper batteries for your system
7.2 Calculating the AC Branch Circuit
The control panel requires connection to a separate, dedicated AC branch circuit, which must be
labeled FIRE ALARM. This branch circuit must connect to the line side of the main power feed
of the protected premises. No other non-fire alarm equipment may be powered from the fire alarm
branch circuit. The branch circuit wire must run continuously, without any disconnect devices,
from the power source to the control panel. Overcurrent protection for this circuit must comply
with Article 760 of the National Electrical Codes as well as local codes. Use 14 AWG (2.00 mm2)
wire with 600 volt insulation for this branch circuit.
Use Table 7.1, to determine the total amount of current, in AC amperes (A), that must be supplied
to the system.
Device Type Number of
Devices Current Draw
(AC amps) Total Current per
Device
MS-9050UD
or
MS-9050UDE
1X
3.0
or
1.5
=
[ ] X [ ] =
Sum Column for AC Branch Current Required =
Table 7.1 AC Branch Circuit Requirements

154 MS-9050 Series Manual — P/N 52413:G 4/14/2014
Power Supply Calculations Calculating the System Current Draw
7.3 Calculating the System Current Draw
7.3.1 Overview
The control panel must be able to power all internal and external devices continuously during the
non-fire alarm condition. To calculate the non-fire alarm load on the system power supply when
primary power is applied, use Calculation Column 1 in Table 7.3 on page 155. The control panel
must support a larger load current during a fire alarm condition. To calculate the fire alarm load on
the power supply, use Calculation Column 2 in Table 7.3 on page 155. The secondary power
source (batteries) must be able to power the system during a primary power loss. To calculate the
non-fire alarm load on the secondary power source, use Calculation Column 3 in Table 7.3 on
page 155.
When calculating current draw and the battery size, note the following:
• ‘Primary’ refers to the main power source for the control panel
• ‘Secondary’ refers to the control panel’s backup batteries
• All currents are given in amperes (A). Table 7.2 shows how to convert milliamperes and
microamperes to full amperes.
7.3.2 How to Use Table 7.3 to Calculate System Current Draw
Use Table 7.3 on page 155 to calculate current draws as follows:
1. Enter the quantity of devices in all three columns.
2. Enter the current draw where required. Refer to the Fire-Lite Device Compatibility Document
for compatible devices and their current draw.
3. Calculate the current draws for each in all columns.
4. Sum the total current for each column.
5. Copy the totals from Column 2 and Column 3 to Table 7.4 on page 156.
Following are the types of current that can be entered into Table 7.3 on page 155:
Calculation Column 1 - The primary supply current load that the control panel must
support during a non-fire alarm condition, with AC power applied
Calculation Column 2 - The primary supply current load that the control panel must
support during a fire alarm condition, with AC power applied
Calculation Column 3 - The standby current drawn from the batteries in a non-fire alarm
condition during a loss of AC power
To convert... Multiply Example
Milliamperes (mA) to amperes (A) mA x 0.001 3 mA x 0.001 = 0.003A
Microamperes (µA) to amperes (A) µA x 0.000001 300 µA x 0.000001 = 0.0003 A
Table 7.2 Converting to Full Amperes

MS-9050 Series Manual — P/N 52413:G 4/14/2014 155
Calculating the System Current Draw Power Supply Calculations
Table 7.3 contains columns for calculating current draws. For each column, calculate the current
and enter the total (in amperes) in the bottom row. When finished, copy the totals from Calculation
Column 2 and Calculation Column 3 to Table 7.4 on page 156.
Calculation Column 1
Primary, Non-Fire Alarm Current
(amps)
Calculation Column 2
Primary, Fire Alarm Current
(amps)
Calculation Column 3
Secondary, Non-Fire Alarm Current
(amps)
Device Type Qty X [current draw] = Total Qty X [current draw] = Total Qty X [current draw] = Total
Main Circuit Board 1 X[0.120]= 0.120 1 X[0.200]= 0.200 1 X[0.120]= 0.120
4XTMF [ ] X[0.005]= [ ] X[0.011]1= [ ] X[0.005]=
ANN-SEC Card 1 max X[0.003]= 1 max X[0.003]= 1 max X[0.003]=
4-wire Detector Heads [ ] X[ ]2= [ ] X[ ]= [ ] X[ ]=
Power Supervision
Relays3[ ] X[0.025]= [ ] X[0.025]= [ ] X[0.025]=
CP350 & CP355 [ ] X[0.00030]=
maximum alarm draw
for all devices 0.400
[ ] X[0.00030]=
SD350 & SD355 [ ] X[0.00030]= [ ] X[0.00030]=
SD350T & SD355T [ ] X[0.00030]= [ ] X[0.00030]=
AD350 & AD355 [ ] X[0.00030]= [ ] X[0.00030]=
H350 & H355 [ ] X[0.00030]= [ ] X[0.00030]=
H350R & H355R [ ] X[0.00030]= [ ] X[0.00030]=
H355HT [ ] X[0.00030]= [ ] X[0.00030]=
D355PL [ ] X[0.00030]= [ ] X[0.00030]=
B200SR4 [ ] X[0.0005]= [ ] X[0.001]=
B224RB Relay Base [ ] X[0.00050]= [ ] X[0.00050]=
B224BI Isolator Base [ ] X[0.00045]= [ ] X[0.00045]=
MMF-300 [ ] X[0.00050]= [ ] X[0.00040]=
MMF-300-10 [ ] X[0.00350]= [ ] X[0.00350]=
MDF-300 [ ] X[0.00075]= [ ] X[0.00075]=
MMF-301 [ ] X[0.000375]= [ ] X[0.000375]=
MMF-302 [ ] X[0.00027]= [ ] X[0.00027]=
MMF-302-6 [ ] X[0.00200]= [ ] X[0.00200]=
BG-12LX [ ] X[0.00023]= [ ] X[0.00023]=
CMF-300 [ ] X[0.00039]= [ ] X[0.00039]=
CMF-300-6 [ ] X[0.00225]= [ ] X[0.00225]=
CRF-300 [ ] X[0.00027]= [ ] X[0.00027]=
CRF-300-6 [ ] X[0.00145]= [ ] X[0.00145]=
I300 [ ] X[0.00040]= [ ] X[0.00040]=
ANN-80(C) [ ] X[0.0370]= [ ] X[0.0400]= [ ] X[0.0150]=
ANN-I/O [ ] X[0.0350]= [ ] X[0.2000]= [ ] X[0.0350]=
ANN-RLY [ ] X[0.0150]= [ ] X[0.0750]= [ ] X[0.0150]=
ANN-(R)LED [ ] X[0.0280]= [ ] X[0.0680]= [ ] X[0.0280]=
ANN-S/PG [ ] X[0.0450]= [ ] X[0.0450]= [ ] X[0.0450]=
ANN-LC [ ] X[0.150]= [ ] X[0.150]= [ ] X[0.150]=
NAC #1 [ ] X[ ]=
NAC #2 [ ] X[ ]=
Sum each column5
for totals Primary Non-Alarm = Primary Alarm = Secondary Non-Alarm =
Table 7.3 System Current Draw Calculations
1 If using the Reverse Polarity Alarm output, add 0.005 amps; if using the Reverse Polarity Trouble output, add another
0.005 amps.
2 Refer to the Device Compatibility Document for standby current.
3 Must use compatible listed Power Supervision Relay.
4 Maximum alarm current for each sounder base is 0.035 amps which must be supplied by aux. 24VDC source.
5 Total current draw listed above cannot exceed 2.7 amps.

156 MS-9050 Series Manual — P/N 52413:G 4/14/2014
Power Supply Calculations Calculating the Battery Size
7.4 Calculating the Battery Size
Use Table 7.4 to calculate the total Standby and Alarm load in ampere hours (AH). This total load
determines the battery size (in AH), required to support the control panel under the loss of AC
power. Complete Table 7.4 as follows:
1. Enter the totals from Table 7.3 on page 155, Calculation Columns 2 and 3 where shown.
2. Enter the NFPA Standby and Alarm times (refer to ‘NFPA Requirements’ below).
3. Calculate the ampere hours for Standby and Alarm, then sum the Standby and Alarm ampere
hours.
4. Multiply the sum by the derating factor of 1.2 to calculate the proper battery size (in AH).
5. Write the ampere hour requirements on the Protected Premises label located inside the cabinet
door.
7.4.1 NFPA Battery Requirements
• NFPA 72 Local and Proprietary Fire Alarm Systems require 24 hours of standby power
followed by 5 minutes in alarm.
• NFPA 72 Central, Auxiliary and Remote Station Fire Alarm Systems require 60 hours of
standby followed by 5 minutes in alarm. Batteries installed in a system powered by a
generator need to provide at least 4 hours of standby power.
7.4.2 Selecting and Locating Batteries
Select batteries that meet or exceed the total ampere hours calculated in Table 7.4. The control
panel can charge batteries in the 7 AH to 18 AH range. The control panel cabinet is capable of
housing batteries up to 18 AH. Batteries larger than 18 AH require a UL listed external battery
charger and cabinet such as the BB-26, BB-55F, or other UL-listed external battery cabinet.
Secondary Standby Load
(total from Table 7.3 Calculation Column 3)
[ ]
Required Standby Time
(24 hours)
X [ ] = AH
Primary Alarm Load
(total from Table 7.3 Calculation Column 2)
[ ]
Required Alarm Time
(for 5 min., enter 0.084,
for 10 min., enter 0.168)
X[ ] = AH
Sum of Standby and Alarm Ampere Hours = AH
Multiply by the Derating Factor X 1.2
Battery Size, Total Ampere Hours Required = AH
Table 7.4 Total Secondary Power Requirements at 24 VDC
MS-9050 Series Manual — P/N 52413:G 4/14/2014 157
Appendix A: Software Zones
A.1 Correlations
Setup and configuration of an addressable system is different than a conventional system. In a con-
ventional system, assignment of input devices (smoke detectors, pull stations, heat detectors, etc.)
to zones is accomplished through wiring. The wiring is direct from clearly marked panel terminals
to any device assigned to a particular zone. Connection of output devices (horns, bells, strobes,
etc.) in a conventional system is accomplished by direct wiring of the output devices to Notification
Appliance Circuit terminals.
In an addressable system, a minimum of a single pair of wires (SLC communication loop) is used
to connect all addressable input and output devices. Communications between the FACP (Fire
Alarm Control Panel) and all addressable devices takes place over the wire pair which originates
from the FACP. Software programming is used to configure the system as opposed to direct wiring.
Zone assignments are created via software means, hence the term software zones.
Setup of an MS-9050UD software zone is accomplished by panel programming. Each addressable
device can be assigned to a maximum of five software zones. Each software zone, however, may
have from 1 to 50 addressable input and output devices assigned to it.
Monitor modules, control modules and detectors comprise a group of 50 addresses, each device
having a unique address from 1 to 50. Be careful not to duplicate addresses between devices.
Refer to the following page for an example of zoning.
In the example on the following page:
• Zone 01 has the following addressable devices assigned to it:
SD355 smoke detectors with addresses 01 and 02
MMF-300 monitor module with address 03
MMF-302 monitor module with address 04 and 05
CMF-300 control modules with addresses 06, 07, 10, 11, and 13
• Zone 02 has the following addressable devices assigned to it:
MMF-302 monitor module with addresses 04 and 05
CP355 smoke detectors with addresses 15 and 16
CMF-300 control modules with addresses 20, 11, and 21
• Zone 03 has the following addressable devices assigned to it:
SD355 smoke detectors with addresses 22, 24, and 25
MMF-302 control module with address 30
CMF-300 control modules with addresses 11, 31, and 32
The example points out some of the key assignment features of the MS-9050UD. Addresses of
detectors, monitor modules and control modules are not duplicated. The control module with
address 11 is assigned to three software zones (providing floor above and floor below). Be careful
to properly plan the installation prior to installing any devices.

158 MS-9050 Series Manual — P/N 52413:G 4/14/2014
Software Zones Correlations
Correlation of Input and Output Zones
The zone correlations which are shown graphically above are also presented in Table A.1 on
page 159.
Input Devices Zones Output Devices
ZONE
01
ZONE
02
ZONE
03
SD355
01
SD355
02
MMF-300
03
MMF-302
04
MMF-302
05
CP355
15
CP355
16
SD355
22
SD355
24
SD355
25
MMF-302
30
CMF-300
10
CMF-300
07
CMF-300
13
CMF-300
11
CMF-300
20
CMF-300
21
CMF-300
31
CMF-300
32
CMF-300
06

MS-9050 Series Manual — P/N 52413:G 4/14/2014 159
Correlations Software Zones
ADDRESSABLE DEVICE ZONE ASSIGNMENT
Address Device Type Zone Number ADJ/NOUN
01 SD355 1 FIRST HALL
02 SD355 1 ELEV. LOBBY
03 MMF-300 1
04 MMF-302 1, 2
05 MMF-300 1, 2
06 CMF-300 1
07 CMF-300 1
08
09
10 CMF-300 1
11 CMF-300 1, 2, 3
12
13 CMF-300 1
14
15 CP355 2 2ND FLOOR
16 CP355 2 ROOM 210
17
18
19
20 CMF-300 2
21 CMF-300 2
22 SD355 3 3RD FLOOR
23
24 SD355 3 MEZZANINE
25 SD355 3 MECH. ROOM
26
27
28
29
30 MMF-302 3
31 CMF-300 3
32 CMF-300 3
33
34
35
36
37
38
39
40
41
42
43
44
45
46
47
48
49
50
Table A.1 Detector Programming Sheet Example

160 MS-9050 Series Manual — P/N 52413:G 4/14/2014
Software Zones Correlations
ADDRESSABLE DEVICE ZONE ASSIGNMENTS
Address Device Type Zone Number ADJ/NOUN
01
02
03
04
05
06
07
08
09
10
11
12
13
14
15
16
17
18
19
20
21
22
23
24
25
26
27
28
29
30
31
32
33
34
35
36
37
38
39
40
41
42
43
44
45
46
47
48
49
50
Table A.2 Blank Programming Sheet

MS-9050 Series Manual — P/N 52413:G 4/14/2014 161
Correlations Software Zones
ADDRESSABLE DEVICE ZONE ASSIGNMENTS
Address Device Type Zone Number ADJ/NOUN
01
02
03
04
05
06
07
08
09
10
11
12
13
14
15
16
17
18
19
20
21
22
23
24
25
26
27
28
29
30
31
32
33
34
35
36
37
38
39
40
41
42
43
44
45
46
47
48
49
50
Table A.3 Blank Programming Sheet

162 MS-9050 Series Manual — P/N 52413:G 4/14/2014
Appendix B: Default Programming
The following table provides a list of the programming options and their factory default settings.
Program Option Factory Default Program Option Factory Default
Master Password 00000 NAC 1 & 2 Enable Enabled
Maintenance Password 11111 NAC 1 & 2 Silenceable Yes
Detector Programming Not Installed NAC 1 & 2 Type Bell
Detector Type Smoke-Photo NAC 1 & 2 Sync Type System Sensor
Detector Verification Off NAC 1 & 2 Autosilence 0
Detector Walktest Yes NAC 1 & 2 Coding Steady
Detector PAS No NAC 1 & 2 Zones Zone 000 only
Detector Presignal No NAC 1 & 2 Silence Inhibit No
Detector Zone Assign. 000 only Relay 1 Alarm
Detector Adj/Noun none Relay 2 Trouble (fixed)
Module Programming Not Installed Relay 3 Supervisory
Module Type Monitor Trouble Call Limit 0
Module Walktest Yes ANN-BUS Enabled No
(not used) Onboard DACT Enabled No
Module Presignal No Ring Count 0
Module Zone Assign. 000 only Central Station Reporting Disabled
Module Adj/Noun none DACT Backup Reporting First Available
Zone 0 Enable Enabled DACT Report Style By Point
Zone 1 Enable Enabled Central Station 1 & 2 Account Code 0000
Zone 2 Enable Enabled Central Station 1 & 2 Test Time 0000
Zone 3 Enable Enabled Central Station 1 & 2 Test Time Interval 24 Hour
.........................through.......... ..................... Central Station 1 & 2 Phone Number
Zone 19 Enable Enabled Central Station 1 & 2 Format Ademco Contact ID
Zone 0 Type Monitor Line 1 Touchtone/Rotary Touchtone
.......................through........ Line 2 Touchtone/Rotary Touchtone
Zone 19 Type Monitor Supervise Phone Line 2 Yes
Special Purpose Zones 17, 18, 19 No ANN-BUS Enabled No
Loop Style Style 4 ANN-S/PG Port Parallel
Loop Protocol CLIP (fixed) ANN-S/PG Baud 9600
Trouble Reminder Off ANN-S/PG Data Bits 7
Banner ANN-S/PG Parity Even
Time Format 12 Hr ANN-S/PG Stop Bits 1
Hours Setting 12 ANN-S/PG Offline Timer 60
Minutes Setting 00 ANN-S/PG Printer Supervision No
AM-PM Setting AM ANN-80 Piezo Enabled Yes
Month Setting 01 ANN-80 Lock Enabled Yes
Day Setting 01 ANN-80 Acknowledge Button Enabled Yes
Year Setting 06 ANN-80 Silence Button Enabled Yes
Canadian Option Off ANN-80 Reset Button Enabled Yes
AC Loss Delay 2 Hours ANN-80 Drill Button Enabled Yes
Daylight Savings Enabled ANN-I/O Point/Zone Zone

MS-9050 Series Manual — P/N 52413:G 4/14/2014 163
Default Programming
Month Start Daylight Savings March ANN-I/O Range 00-19
Week Start Daylight Savings Week 2 ANN-I/O Active LEDs Only
Month End Daylight Savings November ANN-RLY Relay 1 Zone 1
Week End Daylight Week 1 ................through....................... ............
Verification OFF ANN-RLY Relay 10 Zone 10
Waterflow Silenceable No ANN-LED Point/Zone Zone
PAS Timer 0 ANN-LED Alarms/ATS (Alarm, Trbl, Supv) ATS
Presignal Timer 0 ANN-LED Range 0 - 9
Waterflow Retard Timer 0
164 MS-9050 Series Manual — P/N 52413:G 4/14/2014
Appendix C: NFPA Standard-Specific Requirements
The MS-9050UD has been designed for use in commercial, industrial and institutional applications
and meets the requirements for service under the National Fire Protection Association (NFPA)
Standards outlined in this Appendix. The minimum system components required for compliance
with the appropriate NFPA standard are listed below:
MS-9050UD Control Panel
Contains the main control board, cabinet (backbox and door), main power supply transformer and
power supply.
Batteries
Refer to “Power Supply Calculations” on page 153, for Standby Power Requirements.
Initiating Devices
Connected to one of the control panel's Initiating Device Circuits
Notification Appliances
Connected to the control panel's Notification Appliance Circuits via a control module.
The additional equipment listed below is needed for compliance with the NFPA 72 standards:
NFPA 72 NATIONAL FIRE ALARM STANDARDS FOR:
NFPA 72 Central Station Service (Protected Premises Unit) or Remote Station
Service
Onboard Digital Alarm Communicator Transmitter for connection to a compatible listed
Central Station DACR or Protected Premises Receiving Unit. This unit must be installed
as outlined in “Digital Alarm Communicator/Transmitter” on page 17.
OR
4XTMF Transmitter Module for connection to the Fire-Lite RS82 Remote Station
Receiver. See Figure C.2, “Remote Station Connection Using 4XTMF Module,” on page
166, for installation instructions for this unit.
NFPA 72 Auxiliary Fire Alarm System
4XTMF Transmitter Module for connection to a compatible listed Local Energy Municipal Box.
This unit must be installed as illustrated in the section titled “4XTMF Transmitter Module Installa-
tion” on page 33 and as outlined in Figure C.1, “Municipal Box Connected to 4XTMF Transmitter
Module,” on page 165.
NFPA 72 Proprietary Fire Alarm System
MS-9050UD Alarm, Trouble and Supervisory contacts connected to Transmitter(s). See Figure
C.3, “Proprietary Protective Signaling System,” on page 167, for installation instructions for this
unit.

MS-9050 Series Manual — P/N 52413:G 4/14/2014 165
NFPA Standard-Specific Requirements
NFPA 72 Auxiliary Fire Alarm System
All connections are power-limited and supervised. This application is not suitable for separate
transmission of sprinkler supervisory or trouble conditions.
Notes:
1. 3 ohms maximum loop resistance allowed for wiring from control panel to Municipal Box.
2. Cut JP28 on the MS-9050UD main circuit board to supervise placement of 4XTMF module
and circuit.
3. Remove JP2 on the MS-9050UD main circuit board to enable FACP Supervisory relay.
4. Refer to “4XTMF Transmitter Module Installation” on page 33 for detailed information.
NFPA 72 Remote Station Protective Signaling System
Notes:
Figure C.1 Municipal Box Connected to 4XTMF Transmitter Module
FIRE
Gamewell Model M34-56 Local
Energy Municipal Box
Polarities shown in alarm condition
+
Nonpower-limited
Municipal Box Circuit
+
-
-
4XTMF

166 MS-9050 Series Manual — P/N 52413:G 4/14/2014
NFPA Standard-Specific Requirements
1. Cut Jumper JP28 on the MS-9050UD main circuit board to supervise placement of the 4XTMF
module.
2. Refer to “4XTMF Transmitter Module Installation” on page 33 for detailed information.
RS82 Remote Station Receiver UL listed.
Refer to Instruction Manual for Remote Station Receiver Model RS82.
+ - Polarity Shown is
Normal Standby
4XTMF Transmitter Module
Cutting TBL Jumper allows the
reverse polarity circuit to open
with a system trouble condition
if no alarm condition exists.
Power-limited
Figure C.2 Remote Station Connection Using 4XTMF Module
+
-
(Dummy load with a 4.7K, ¼ watt
resistor when no connection is made.)

MS-9050 Series Manual — P/N 52413:G 4/14/2014 167
NFPA Standard-Specific Requirements
NFPA 72 Proprietary Protective Signaling Systems
Figure C.3 Proprietary Protective Signaling System
Form-C relay contact
programmed to activate on
Supervisory condition.
Form-C Trouble contact which
will automatically activate on
any Trouble condition.
Form-C Alarm contact
programmed to activate on
General Alarm.
MS-9050UD Main Board
MS-9050UD Addressable Fire Control Panel
Notes:
1. Connection between the MS-9050UD and the
transmitter are supervised by the transmitter.
2. This MS-9050UD/Transmitter arrangement can be
employed for NFPA 72 Proprietary Protective Signaling
System.
3. Potter Electric Model EFT-C has not been tested for UL
864 9th Edition and is for use in retrofit applications only.

168 MS-9050 Series Manual — P/N 52413:G 4/14/2014
NFPA Standard-Specific Requirements Central Station/Remote Station Transmitter: Connection to FACP Dry Contacts
C.1 Central Station/Remote Station Transmitter: Connection
to FACP Dry Contacts
The dry contacts of the FACP programmable relays can be used to trip a UL-864 Listed Central
Station/Remote Station Transmitter. The FACP contacts must be supervised by the Central Sta-
tion/Remote Station Transmitter module using End-of-Line Resistors (ELRs) with a value deter-
mined by the Transmitter manufacturer. Power is also provided by the Central Station/Remote
Station Transmitter manufacturer. Refer to the Central Station/Remote Station Transmitter manu-
facturer’s manual for details.
Figure C.4 FACP Dry Contacts Connection to Central Station/Remote Station Transmitter
Typical Central Station/Remote Station Transmitter Module
Typical Input Zone Triggers
MS-9050UDMain Circuit Board
Alarm
Trouble*
Supervisory
*Note: The Trouble Relay is a fail-
safe relay. With power applied to
the FACP and no troubles in the
panel, the wiring should be
connected to the NO and C contacts
as indicated in the illustration.
ms9050UDdryxmit.wmf

MS-9050 Series Manual — P/N 52413:G 4/14/2014 169
MBT-1 Municipal Box Trip - Silenceable NFPA Standard-Specific Requirements
C.2 MBT-1 Municipal Box Trip - Silenceable
The following figure illustrates the connection of the MBT-1 (Municipal Box Trip) between the
FACP and a Local Energy Municipal Box. The use of an addressable control module programmed
for General Alarm and Silenceable allows silencing of the Municipal Box without resetting the
panel or box.
MS-9050UD
CMF-300 Control
Module
24 VDC,
Nonresettable
+ -
SLC Loop
B+ -B Shield
red black
MBT-1
brown wire
white wire
EOLR-1 Power
Supervision Relay
Alarm polarity shown!
_
+
- To next device
+ on SLC Loop
Braided-shield/Drain Wire
The addressable
Control Module must
be programmed
as Silenceable and
General Alarm.
Gamewell Model M34-56
Local Energy Municipal Box
Note: 10 maximum loop
resistance due to wiring from
power supply to Municipal Box.
Connect wires to two
red terminals on box.
(All contacts shown in energized position.)
Figure C.5 MBT-1 Silenceable
9050ud_mbt-1.wmf

170 MS-9050 Series Manual — P/N 52413:G 4/14/2014
Appendix D: FACP with Keltron
The following figure illustrates the connections between the FACP and Keltron Receiver/Transmit-
ter.
IMPORTANT! All connections between the FACP and Keltron modules must be made within 20
feet and enclosed within conduit or equivalently protected against mechanical injury.
!
CAUTION: POSSIBLE EQUIPMENT DAMAGE
FOR REASONS OF WIRING DIAGRAM CLARITY, TERMINAL DESIGNATIONS OF KELTRON
MODULES ARE NOT SHOWN IN ACTUAL ORDER. FOLLOW KELTRON MANUAL AND MODULE
MARKINGS FOR EXACT TERMINAL LOCATIONS TO PREVENT SEVERE MODULE DAMAGE!
Fire Alarm Control Panel
(terminal blocks are not shown in their actual positions in
order to clarify wiring connections)
Keltron 95M3158 TTM-RPS
1. Terminals 7 and 8: Remote station alarm/trouble inputs.
2. Terminals 9 and 10: Sprinkler supervisory input.
Note: Cut TBL jumper on 4XTMF module to send
alarm/trouble signal from the same pair or terminals.
Alarm/Trouble Signal
Sprinkler
Supervisory
Signal
*Note: For more information,
refer to Keltron manual.
4XTMF Module
Figure D.1 FACP With Keltron Wiring
UL-Listed UL-Listed
TIP
RING
EARTH
TIP
RING
EARTH To Central /
Remote
Station
To *
Power
Supply

MS-9050 Series Manual — P/N 52413:G 4/14/2014 171
Appendix E: Wire Requirements
T-tapping of the SLC loop wiring is allowed for 2-wire (Style 4) configurations. The total resis-
tance of any branch cannot exceed 40 ohms. The total wire length of all branches cannot exceed
10,000 feet (3,000 m).
Connecting external system accessories to the MS-9050UD main circuits must be carefully consid-
ered to ensure proper operation. It is important to use the correct type of wire, wire gauge and wire
run length for each MS-9050UD circuit. Reference the charts below to specify wire requirements
and limitations for each MS-9050UD circuit.
SLC Loop Using Twisted, Unshielded Wire
While shielded wire is not required, it is recommended that all SLC wiring be twisted-pair to mini-
mize the effects of electrical interference. Use the following table to determine the specific wiring
requirements for the SLC when various wire is used.
NOTE: If the SLC loop is to be run in conduit with Notification Appliance Circuits, the risk of
encountering problems can be greatly reduced by exclusively employing electronic sounders
(such as MA/SS-24D) instead of more electronically noisy notification appliances such as
electromechanical bells or horns
CIRCUIT CONNECTIONS WIRE REQUIREMENTS
Circuit Type Circuit Function Wire Type and Limitations Recommended
Max. Distance
Feet (meters) Wire Gauge and Compatible Brands
SLC loop
(power-limited)
Connects to
Addressable
Devices
Twisted, shielded pair
40 ohms maximum per length
of Style 6 and 7 loops. 40
ohms per branch maximum
for Style 4 loops
10,000 (3,000 m)
8,000 (2,400 m)
4,875 (1,450 m)
3,225 (980 m)
12 AWG (3.25 mm2): Genesis 4410,
Signal 98230, Belden 9583, WPW999
14 AWG (2.00 mm2):Genesis 4408 & 4608
Signal 98430, Belden 9581, WPW995
16 AWG (1.30 mm2): Genesis 4406 & 4606
Signal 98630, Belden 9575, WPW991
Direct Burial Cable Isotec NP713110VNQ-S
18 AWG (0.75 mm2): Genesis 4402 & 4602
Signal 98300, Belden 9574, WPW975
Direct Burial Cable Isotec NP714110VNQ-S
Twisted, unshielded pair
40 ohms maximum per length
of Style 6 and 7 loops. 40
ohms per branch maximum
for Style 4 loops
10,000 (3,000 m)
8,000 (2,400 m)
4,875 (1,450 m)
3,225 (980 m)
12 AWG (3.25 mm2): Belden 5020UL &
6020UL, Genesis WG-4315 & WG-4515
14 AWG (2.00 mm2):Belden 5120UL &
6120UL, Genesis WG-4313 & WG-4513
16 AWG (1.30 mm2): Belden 5220UL &
6220UL, Genesis WG-4311 & WG-4511
18 AWG (0.75 mm2): Belden 5320UL &
6320UL, Genesis WG-4306 & WG-4506
Untwisted, unshielded pair 13,000 (900 m) 12-18 AWG (3.25 - 0.75 mm2) using listed wire
ANN-BUS
(EIA-485)
(power-limited)
Connects to
annunciator
modules
Twisted pair with a
characteristic impedance of
120 ohms or less
6,000 (1,800 m) refer to Table 2.1, “Wiring Distances,” on page 37.
EIA-232
(power-limited) connects to PC
computer Twisted, shielded pair 50 (15 m) 18 AWG (0.75 mm2) minimum
MMF-300 and
MMF-301
(power-limited)
Initiating Device
Circuit: Contact
Closure
Maximum loop wire
resistance is 1500 ohms 2,500 (760 m) 12-18 AWG (3.25 - 0.75 mm2)
MMF-302
(power-limited) Initiating Device
Circuit: Two-wire
Modules
No more than a 2.4 volt drop
allowed at end of circuit.
Maximum loop wire
resistance is 25 ohms
2,500 (760 m) 12-18 AWG (3.25 - 0.75 mm2)
CMF-300
(power-limited) Notification
Appliance
Circuit
In alarm, no more than a 1.2
volt drop allowed at end of
circuit
Distance limitation
set by 1.2 volt
maximum line drop
12-18 AWG (3.25 - 0.75 mm2)
Table E.1 FACP Wire Specifications
1 When using untwisted, unshielded wire, full conduit is recommended for optimum EMI/RFI protection.

172 MS-9050 Series Manual — P/N 52413:G 4/14/2014
Wire Requirements NAC Wiring
E.1 NAC Wiring
The following table lists NAC wiring requirements for the FACP.
Calculations are based on Direct-Current Resistance data for uncoated copper wire, per National
Electrical Code (2005 Edition) Table 8, Conductor Properties.
NAC Load
(Amps)
Max.
allowable
total loop
resistance
(ohms)
CLASS-B
Max. allowable wire pair lenth
(feet)
CLASS-A
Max. allowable wire pair length
(feet)
AWG 12
solid AWG 14
solid AWG 16
solid AWG 18
solid AWG 12
solid AWG 14
solid AWG 16
solid AWG 18
solid
0.25 13.20 3420 2150 1350 849 1710 1075 675 425
0.5 6.60 1710 1075 675 425 855 537 337 212
0.75 4.40 1140 717 450 283 570 358 225 142
1 3.30 855 537 337 212 427 269 169 106
1.25 2.64 684 430 270 170 342 215 135 85
1.5 2.20 570 358 225 142 285 179 112 71
1.75 1.89 489 307 193 121 244 154 96 61
2 1.65 427 269 169 106 214 134 84 53
2.25 1.47 380 239 150 94 190 119 75 47
2.5 1.32 342 215 135 85 171 107 67 42
Table E.2 NAC Wiring Requirements for FACP

MS-9050 Series Manual — P/N 52413:G 4/14/2014 173
Appendix F: HVAC Control
The FACP can be programmed to shut down a building’s HVAC fans in the event of a fire. The
fans cannot be restarted until the fire alarm condition has been cleared and the FACP has been reset
to a normal (non-alarm) condition.
IMPORTANT! This HVAC feature is not to be used for smoke control. It is only designed to shut
down fans during a fire alarm condition.
F.1 Control Module Operation
F.1.1 HVAC SHUTDN
The HVAC SHUTDN type code can be assigned to any addressable control relay module for the
purpose of shutting down HVAC fans during a fire alarm condition. Devices connected to a mod-
ule with this type code are unsupervised. To program this feature in the FACP:
• Program the HVAC SHUTDN type code to the control relay module which will be used to
shut down the fans (refer to Type under the section titled“Edit Module Screen for Control
Modules” on page 73).
• Program the control relay module to a software zone and program alarm input devices which,
when activated are to cause fan shutdown, to the same software zone (refer to Zone Assignment
under the section titled“Edit Module Screen for Control Modules” on page 73).
• Monitor the control relay module using an addressable monitor module programmed for
Trouble Monitor. The monitor module label should be programmed to indicate HVAC
SHUTDOWN. When the control relay module is active (HVAC SHUTDN), the monitor
module will indicate a trouble condition at the FACP and the display should indicate that the
HVAC is shut down.
Once activated, the HVAC SHUTDN control module remains activated, even if the FACP is
silenced or reset. After the alarm condition on the FACP has been cleared and the panel reset, the
HVAC SHUTDN control relay module remains activated and the fans remain off. The monitor
module programmed for Trouble Monitor which is being used to supervise the control relay mod-
ule, will indicate a trouble condition at the control panel and the LCD should display that the
HVAC is shut down. The fans can only be restarted when the HVAC SHUTDN control relay mod-
ule is deactivated by the HVAC RESTART module.
F.2 Monitor Module Operation
F.2.1 HVAC RESTART
The HVAC RESTART type code can be assigned to any addressable monitor module for the pur-
pose of resetting (deactivating) the HVAC SHUTDN control relay module and turning the fans
back on. The HVAC RESTART monitor module acts globally throughout the FACP system and
therefore is not programmed to a particular software zone. To program this feature in the FACP:
• Program the HVAC RESTART type code to the monitor module which will be used to
deactivate the HVAC SHUTDN control relay module and restart the fans (refer to Type
Monitor under the section titled “Edit Module Screen for Monitor Module” on page 67).
The HVAC RESTART monitor module does not latch when activated. Pressing a switch connected
to the monitor module will deactivate the HVAC SHUTDN control relay module only if there are
no alarm conditions. The HVAC SHUTDN control relay module can be deactivated if trouble con-
ditions exist on the FACP.

174 MS-9050 Series Manual — P/N 52413:G 4/14/2014
HVAC Control Monitor Module Operation
F.2.2 HVAC OVRRIDE
The HVAC OVRRIDE type code can be assigned to any addressable monitor module for the pur-
pose of overriding or preventing the HVAC SHUTDN control relay modules from activating. The
HVAC OVRRIDE monitor module acts globally throughout the FACP system and therefore is not
programmed to a particular software zone. To program this feature in the FACP:
• Program the HVAC OVRRIDE type code to the monitor module which will be used to
override the HVAC SHUTDN control relay module and prevent the fans from turning off
(refer to Type Monitor under the section titled “Edit Module Screen for Monitor Module” on
page 67).
The HVAC OVRRIDE monitor module does not latch when activated. Activating a switch con-
nected to the monitor module will override all HVAC SHUTDN control relay modules in the sys-
tem, preventing the HVAC SHUTDN modules from activating and causing the FACP LCD to
display an active HVAC OVRRIDE module and turn on the Supervisory LED. Releasing the
switch will allow the HVAC SHUTDN control relay modules to activate with subsequent alarms,
turning off the fans.
As an example, pressing the HVAC OVRRIDE switch with no alarms in the system will prevent the
fans from being turned off when an alarm does occur. As long as the switch is activated, the fans
will not shutdown for any alarms. If the system is still in alarm when the switch is released, the
fans will not shutdown unless another alarm occurs after the switch is released.
Important! If an alarm exists in the system and HVAC Shutdown has already occurred, HVAC
OVRRIDE will have no effect on the HVAC SHUTDN control relay modules. HVAC OVRRIDE will
prevent HVAC Shutdown from occurring only if it is initiated prior to an alarm condition.
NOTE: Activation of the HVAC OVRRIDE module causes a supervisory event that will be
communicated to the Central Station if enabled.

MS-9050 Series Manual — P/N 52413:G 4/14/2014 175
Appendix G: Ademco Contact ID Format Event Code
Descriptions
This appendix describes the various Event Codes and their messages which are available for the
Ademco Contact ID Format.
G.1 Transmission Format Between DACT and Receiver
The transmission string for the Ademco Contact ID Format is as follows:
SSSS 18 QXYZ GG CCC where
Notes:
1. 18, which is used in the reporting structure to identify the transmission as Contact ID, is not
printed out in the alarm and trouble report.
2. GG Group Number is fixed at '00' except for multi-building systems using the Lite-Connect
(ANN-LC) fiber card where GG indicates the node number.
3. CCC for Zone or Point Number:
Zone Number is transmitted as ‘00’ for zone 0 up to ‘19’ for zone 19
Point Number is transmitted as ‘01’ for point/address 1 up to ‘50’ for point/address 50
G.2 Ademco Contact ID Typical Printout
A typical printout from a Central Station receiver (such as the Ademco 685) of alarm and trouble
reports in the Ademco Contact ID Reporting Structure follows:
Notes:
1. 11 is an example of a Receiver/Line Card, showing which receiver and line card the message
was transmitted to.
2. Q, which is the Event Qualifier for the reporting structure, is printed out in the report as an E
for New Event or R for New Restore.
SSSS = Four digit Subscriber ID Account Code
18 = Identifies transmission as Contact ID to the receiver at the Central Station
Q = Event Qualifier where 1 = New Event and 3 = New Restore
XYZ = Event code
GG = Group number
CCC = Zone/Point number
Time Date Rcvr/Line ID SSSS QXYZ GG CCCC
11:28 03/25 11 7777 E110 00 C001 - general fire alarm on zone one
11:28 03/25 11 7777 E111 00 C002 - smoke detector alarm on zone two
11:28 03/25 11 7777 E380 00 C003 - fault on zone three
11:28 03/25 11 7777 E570 00 C009 - Zone nine disabled
11:28 03/25 11 7777 R110 00 C001 - Zone one alarm restored
11:28 03/25 11 7777 R111 00 C002 - smoke detector zone two restored
11:28 03/25 11 7777 R380 00 C003 - zone three fault restored
11:28 03/25 11 7777 R570 00 C009 - zone nine reenabled
11:28 03/25 11 7777 E158 00 C006 - high temperature, zone six
11:28 03/25 11 7777 E151 00 C007 - gas detected, zone seven

176 MS-9050 Series Manual — P/N 52413:G 4/14/2014
Ademco Contact ID Format Event Code Descriptions Ademco Contact ID Typical Printout
EVENT CODE CLASSIFICATIONS
100
ALARMS 200
SUPERVISORY 300
TROUBLES 400
OPEN/CLOSE
REMOTE ACCESS
500
DISABLES/
BYPASSES
600
TEST/MISC.
Medical
Fire
Panic
Burglary
General
24 Hour
Fire System
Sounder/Relay
System Peripheral
Communication
Protective Loop
Sensor
Open/Close
Remote Access
Access Control
System
Sounder/Relay
System Peripheral
Communication
Test
EVENT MESSAGE
Medical Alarms - 100
100 Medical EMERG - Personal Emergency - #
101 Pendant Transmitter EMERG - Personal Emergency - #
102 Fail to report in EMERG - Fail to Check-in - #
Fire Alarms - 110
110 Fire Alarm FIRE - Fire Alarm - #
111 Smoke FIRE - Smoke Detector - #
112 Combustion FIRE - Combustion - #
113 Waterflow FIRE - Waterflow - #
114 Heat FIRE - Heat Sensor - #
115 Pull Station FIRE - Pull Station - #
116 Duct FIRE - Duct Sensor - #
117 Flame FIRE - Flame Sensor - #
118 Near Alarm FIRE - Near Alarm - #
Panic Alarms - 120
120 Panic Alarm PANIC - Panic - #
121 Duress PANIC - Duress - #
122 Silent PANIC - Silent Panic - #
123 Audible PANIC - Audible Panic - #
Burglar Alarms - 130
130 Burglary BURG - Burglary - #
131 Perimeter BURG - Perimeter - #
132 Interior BURG - Interior - #
133 24-Hour BURG - 24-Hour
134 Entry/Exit BURG - Entry/Exit - #
135 Day/Night BURG - Day/Night - #
136 Outdoor BURG - Outdoor - #
137 Tamper BURG - Tamper - #
138 Near Alarm BURG - Near Alarm - #
General Alarms - 140
140 General Alarm ALARM - General Alarm - #
141 Polling loop open ALARM - Polling Loop Open - #

MS-9050 Series Manual — P/N 52413:G 4/14/2014 177
Ademco Contact ID Typical Printout Ademco Contact ID Format Event Code Descriptions
142 Polling loop short ALARM - Polling Loop Short - #
143 Expansion module failure ALARM - Exp. Module Fail - #
144 Sensor tamper ALARM - Sensor Tamper - #
145 Expansion module tamper ALARM - Exp. Module Tamper - #
24-Hour Non-Burglary - 150 and 160
150 24-Hour Non-Burg ALARM - 24-Hr. Non-Burg - #
151 Gas detected ALARM - Gas Detected - #
152 Refrigeration ALARM - Refrigeration - #
153 Loss of heat ALARM - Heating System - #
154 Water leakage ALARM - Water Leakage - #
155 Foil break ALARM - Foil Break - #
156 Day trouble ALARM - Day Zone - #
157 Low bottled gas level ALARM - Low Gas Level - #
158 High Temp ALARM - High Temperature - #
159 Low Temp ALARM - Low Temperature - #
161 Loss of air flow ALARM - Air Flow - #
Fire Supervisory - 200 and 210
200 Fire supervisory SUPER. - Fire Supervisory - #
201 Low water pressure SUPER. - Low Water Pressure - #
202 Low CO2 SUPER. - Low CO2
203 Gate valve sensor SUPER. - Gate Valve - #
204 Low water level SUPER. - Low Water Level - #
205 Pump activated SUPER. - Pump Activation - #
206 Pump failure SUPER. - Pump Failure - #
System Troubles - 300 and 310
300 System trouble TROUBLE - System Trouble
301 AC loss TROUBLE - AC Power
302 Low system battery TROUBLE - System Low Battery
303 RAM checksum bad TROUBLE - RAM Checksum (restore not applicable)
304 ROM checksum bad TROUBLE - ROM Checksum (restore not applicable)
305 System reset TROUBLE - System Reset (restore not applicable)
306 Panel program changed TROUBLE - Prog. Change (restore not applicable)
307 Self-test failure TROUBLE - Self Test Failure
308 System shutdown TROUBLE - System Shutdown
309 Battery test failure TROUBLE - Battery Test Failure
310 Ground fault TROUBLE - Ground Fault - #
311 No battery TROUBLE - No Battery
Sounder/Relay Troubles - 320
320 Sounder/Relay TROUBLE - Sounder/Relay - #
321 Bell 1 TROUBLE - Bell/Siren #1
322 Bell 2 TROUBLE - Bell/Siren #2
323 Alarm relay TROUBLE - Alarm Relay
324 Trouble relay TROUBLE - Trouble Relay
325 Reversing relay TROUBLE - Reversing Relay
326 Bell 3 TROUBLE - Bell/Siren #3
327 Bell 4 TROUBLE - Bell/Siren #4
EVENT MESSAGE

178 MS-9050 Series Manual — P/N 52413:G 4/14/2014
Ademco Contact ID Format Event Code Descriptions Ademco Contact ID Typical Printout
System Peripheral Troubles - 330 and 340
330 System peripheral TROUBLE - Sys. Peripheral - #
331 Polling loop open TROUBLE - Polling Loop Open
332 Polling loop short TROUBLE - Polling Loop Short
333 Expansion module failure TROUBLE - Expansion Module Failure - #
334 Repeater Failure TROUBLE - Repeater Failure - #
335 Local printer paper out TROUBLE - Printer Paper Out
336 Local printer failure TROUBLE - Local Printer
Communication Troubles - 350 and 360
350 Communication TROUBLE - Communication Trouble
351 Telco 1 fault TROUBLE - Phone Line #1
352 Telco 2 fault TROUBLE - Phone Line #2
353 Long range radio transmitter fault TROUBLE - Radio Transmitter
354 Fail to communicate TROUBLE - Fail to Communicate
355 Loss of radio supervision TROUBLE - Radio Supervision
356 Loss of central polling TROUBLE - Central Radio Polling
Protection Loop Troubles - 370
370 Protection loop TROUBLE - Protection Loop - #
371 Protection loop open TROUBLE - Protection Loop Open - #
372 Protection loop short TROUBLE - Protection Loop Short - #
373 Fire trouble TROUBLE - Fire Loop - #
Sensor Troubles - 380
380 Sensor trouble TROUBLE - Sensor Trouble - #
381 Loss of supervision - RF TROUBLE - RF Sensor Supervision - #
382 Loss of supervision - RPM TROUBLE - RPM Sensor Supervision - #
383 Sensor tamper TROUBLE - Sensor Tamper - #
384 RF transmitter low battery TROUBLE - RF Sensor Batt. - #
Open/Close - 400
400 Open/Close OPENING CLOSING
401 Open/Close by user OPENING - User # CLOSING - User #
402 Group Open/Close OPENING - Group User # CLOSING - Group User #
403 Automatic Open/Close OPENING - Automatic CLOSING - Automatic
404 Late Open/Close OPENING - Late CLOSING - Late
405 Deferred Open/Close Opening not used Closing not used
406 Cancel OPENING - Cancel CLOSING - Cancel
407 Remote arm/disarm OPENING - Remote CLOSING - Remote
408 Quick arm Opening not applicable CLOSING - Quick Arm
409 Keyswitch Open/Close OPENING - Keyswitch CLOSING - Keyswitch
Remote Access - 410
411 Callback request made REMOTE - Callback Requested (restore not applicable)
412 Success - download/access REMOTE - Successful Access (restore not applicable)
413 Unsuccessful access REMOTE - Unsuccessful Access (restore not applicable)
414 System shutdown REMOTE - System Shutdown
415 Dialer shutdown REMOTE - Dialer Shutdown
416 Success - upload/access REMOTE - Successful Access (restore not applicable)
EVENT MESSAGE

MS-9050 Series Manual — P/N 52413:G 4/14/2014 179
Ademco Contact ID Typical Printout Ademco Contact ID Format Event Code Descriptions
Access Control - 420
421 Access denied ACCESS - Access Denied - User # (restore not used)
422 Access report by user ACCESS - Access Granted - User # (restore not used)
System Disables - 500 and 510
Sounder/Relay Disables - 520
520 Sounder/Relay disable DISABLE - Sounder/Relay - #
521 Bell 1 disable DISABLE - Bell/Siren - #1
522 Bell 2 disable DISABLE - Bell/Siren - #2
523 Alarm relay disable DISABLE - Alarm Relay
524 Trouble relay disable DISABLE - Trouble Relay
525 Reversing relay disable DISABLE - Reversing Relay
526 Bell 3 disable DISABLE - Bell/Siren - #3
527 Bell 4 disable DISABLE - Bell/Siren - #4
System Peripheral Disables - 530 and 540
Communication Disables - 550 and 560
551 Dialer disabled DISABLE - Dialer Disable
552 Radio transmitter disabled DISABLE - Radio Disable
Bypasses - 570
570 Zone bypass BYPASS - Zone Bypass - #
571 Fire bypass BYPASS - Fire Bypass - #
572 24-Hour zone bypass BYPASS - 24-Hour Bypass - #
573 Burglar bypass BYPASS - Burg. Bypass - #
574 Group bypass BYPASS - Group Bypass - #
Test Misc. - 600
601 Manual trigger test TEST - Manually Triggered (restore not applicable)
602 Periodic test report TEST - Periodic (restore not applicable)
603 Periodic RF transmission TEST - Periodic Radio (restore not applicable)
604 Fire test TEST - Fire Test (restore not used)
605 Status report to follow STATUS - Status Follows (restore not applicable)
606 Listen-in to follow LISTEN - Listen-in Active (restore not applicable)
607 Walk test mode TEST - Walk Test Mode
608 System abnormal test TEST - System Abnormal Test
EVENT MESSAGE
180 MS-9050 Series Manual — P/N 52413:G 4/14/2014
Notes

MS-9050 Series Manual — P/N 52413:G 4/14/2014 181
Appendix H: Canadian Application
H.1 ANN-LED Annunciator Installation for Canadian
Applications
• The FACP is supplied with a Dress Panel and one ANN-LED annunciator.
• When installing and programming the FACP, the Canadian Option must be set to ON prior to
any other panel programming (refer to “Canadian Option” on page 91 of the Programming
Section of this manual).
• The optional, local ANN-LED annunciators must be adjacent and close-nippled to the FACP
with the wiring in metal conduit.
• When using additional ANN-LED annunciators on the primary ANN-BUS circuit, a ground
wire must be daisy-chained between circuit board mounting screws on each annunciator and
then connected from the last annunciator board to the Earth Ground stud in the FACP backbox.
This applies only to the primary ANN-BUS circuit.
• If remote indicators are desired, they must be connected to the secondary ANN-BUS circuit.
This requires the use of the ANN-SEC option card.
• The installer must write in the Date of Final Assembly on the Master Marking and Warranty
Label located on the FACP backbox door.
• To comply with CAN/ULC-S559-04, the 4XTMF option must be utilized along with the
configuration shown in Figure H.3.
Figure H.1 FACP Minimum Configuration - Single ANN-LED Annunciator
FACP
ANN-LED Annunciator
on Primary ANN-BUS
ms_9050UDann_led.wmf
ANN-LED
ANN-80C
ANN-I/O
ANN-S/PG
ANN-RLY
Optional Secondary
ANN-BUS using
ANN-SEC Option Card.

182 MS-9050 Series Manual — P/N 52413:G 4/14/2014
Canadian Application ANN-LED Annunciator Installation for Canadian Applications
Figure H.2 FACP Maximum Configuration - Five ANN-LED Annunciators
FACP
Supplied ANN-LED
Annunciator
Optional ANN-LED Annunciators
ms_9050UDtoann_led4.wmf
metal conduit
ANN-LED
ANN-80C
ANN-I/O
ANN-S/PG
ANN-RLY
Primary ANN-BUS
in metal conduit
(adjacent to FACP)
Optional Secondary ANN-BUS using
ANN-SEC Option Card.

MS-9050 Series Manual — P/N 52413:G 4/14/2014 183
ANN-LED Annunciator Installation for Canadian Applications Canadian Application
T11
T10
T9
T8
T7
T6
T1
T2
T3
T4
T5
T1
T2
T3
T4
T5
T11
T10
T9
T8
T7
T6
B-
B+
-
+
CRF-300*
EOLR-1
MMF-300*
Non-resettable
Aux Power
24 VDC- TB1
-
+
FACP
(to remote station receiver)
Notes:
1. The CRF-300 and the MMF-300
must be mapped to the same zone
which is programmed for supervisory
operation.
2. No other device can be mapped to
that supervisory zone.
3. Wire gauge must be 18AWG
minimum.
-
+
red (+)
black (-)
violet
violet
47K
resistor
TB2-
SLC Loop
Output
Figure H.3 Alternate Transmission for Supervisory Signals
revpol9050.wmf
+
-
T10 - Comm2
T9 - N.C. 2
T8 - N.O. 2
T7 - Comm1
T6 - N.C. 1
T1 - SLC -
T2 - SLC +
T5 - N.O. 1
-
+
CRF-300*
Terminal IDs
*If the SLC device does not match the one in this figure, refer to the SLC manual
appendix, which contains wiring conversion charts for type V and type H modules.

184 MS-9050 Series Manual — P/N 52413:G 4/14/2014
Canadian Application AC Power Connections for Canadian Applications
H.2 AC Power Connections for Canadian Applications
For Canadian applications, an AC terminal block is supplied standard with the MS-9050UDC. The
AC terminal block is factory installed on the bottom left of the circuit board chassis.
Refer to the following illustrations for location and wiring information.
!
CAUTION: RISK OF ELECTRICAL SHOCK
TURN OFF ALL POWER (AC & DC) BEFORE MAKING ANY CONNECTIONS.
FACP Chassis
AC Terminal Block
AC Hot
AC Neutral
AC Ground
CAUTION! Make certain that all
power (AC & DC) has been
turned off before making any
connections.
Connect wires from AC main to
terminal block as shown.
Ground wire to FACP backbox Earth Ground stud
transformer
connections
Figure H.4 AC Terminal Block Connections
9050udchassis_acterm.wmf
9050udacterm.wmf
MS-9050 Series Manual — P/N 52413:G 4/14/2014 185
Index
Numerics
24 Hour Test Time 109
300 Series addressable devices 18
4XTMF 13
4XTMF module 165, 166
installation steps 34
4XTMF module installation 33
4XTMF Transmitter Module 19
A
AC Branch Circuit
calculations 153
AC Loss Delay 86
AC Power 28
current 14
current, maximum 28
voltage 14
wiring 14, 28
Account Code 108, 109
Acknowledge/Step 16, 126
add Detector 59
add Module 66
addressable 12
addressable detectors
see also detectors 13
addressable modules 18
see also modules 13
addressing
see also device addressing 81
see also module or detector addressing 18
Ademco Contact ID format 175
Adjective
control module 76
list 64
monitor module 71
multiple entries 66
Adjective/Noun 64, 65
control module 75
monitor module 71
Alarm 129
Alarm Silence 16, 126
alarm verification 13, 62, 133, 135
ANN-80 LCD Annunciator 40
ANN-80C Indicator 40
ANN-BUS
EIA-485 15
guidelines 36
Power 15
Secondary 15
ANN-I/O LED Driver Module 45
ANN-LC 52
programming 91
ANN-LED Annunciator Module 49, 50
ANN-RLY Relay Module 50
ANN-S/PG Printer Module 43
ANN-SEC 15
ANN-SEC option card 35
Automatic Test Operation 133
Autoprogramming 13, 56, 58
Autosilence 13, 135
NAC 87
B
backbox 18
see also cabinet 27
Backup Reporting 107
Banner 81
setting 82
battery 18
cable connection 28
charger 16
charger capacity 14
Charging Circuit 14
see also secondary power 14, 28
battery box 20
battery charger 20
external 20
BB-26
see also battery box 20
BB-55F
see also battery box 20
C
cabinet
dimensions 26, 27
cabinet mounting 24
Calculate System Current Draw 154
Calculating the Battery Size 156
call limit 55, 107
Canadian Applications 22
Canadian Option 82, 91
Central Station 107, 152
account code 109
communications 145
phone number 109
Phone Numbers 108
report style 117
CHG-120F
see also battery charger 20
CHG-75
see also battery charger 20
Class A 30
Class B 30
Classic Loop Interface Protocol 81

186 MS-9050 Series Manual — P/N 52413:G 4/14/2014
D–G Index
Clock Format 84
Coded Operation 133
Coding
NAC 88
coding
two stage operation 88
communications format 109, 110
Control Buttons 126
control module 18
description display 77
display 73
edit 73
enable/disable 74
noun 76
noun/adjective 75, 76
silenceable 75
type 74
type codes 74
Correlations 157
current
AC Power 28
availability 15
Current Draw Calculations 155
D
DACT
enable 106
onboard 106
data see also detector data and sensitivity 133
Data Entry
via computer keyboard 55
via keypad 55
data values
see also detector data and sensitivity 13
Date setting 83
Daylight Savings Time 84
Default Programming 162
Delete Detector 60
Delete Module 67
Description
control module 77
detector label 65
monitor module 72
Detector
add 59
adding description 64
delete 60
edit 60
enable/disable 61
screen display 61
type 62
verification 62
detector data 133, 142
acceptable range 142
printout 142
Detector Programming 59
Device Accessories 18
device addressing 81
dialer runaway 55, 107
Digital Communicator 21
dimensions
cabinet 26
DIRTY1 143
DIRTY2 143
Disable 78
Disable Point
Maintenance Level 120
Downloading 151, 152
dress panel 18, 19
drift compensation 13, 142
definition 142
Drill 16, 126
E
edit control module 73
detector 60
detector screens 61
module, monitor 67
EIA 14
EIA-232
see also Printer/PC interface 13
Enable 78
Enable/Disable
control module 74
detector 61
module, monitor 68
End-of-Line Resistor Assembly 18
Enter key 57
EOL-C(R/W) Mounting Plate 19
Erase History 94
Error Checking 152
event code classification 176
event codes 110
exiting
programming 56, 57
Read Status 56, 57
F
FACP
see also Fire Alarm Control Panel 12
Features 12
Fire Alarm Control Panel
see also FACP 12
Format Selection Address 146
Form-C relay 17, 29
G
general alarm zone 70
see also zone Z00 64

MS-9050 Series Manual — P/N 52413:G 4/14/2014 187
Index H–N
guidelines 36
H
Hazard Condition 131
History 93
erase 94
Maintenance Level 120
view events 94
History file 13
HVAC Control 173
HVAC OVRRIDE 174
HVAC RESTART 173
HVAC SHUTDN 173
I
Indicators 15
Installation 24
intelligent 12
Internet Protocol Communicator 20
Inventory 12
INVREP 143
IPDACT 20
K
Key Panel 16
function keys 16
service/program keys 16
keyboard and keypad 55
L
lamp test 16
LCD display 13, 15
LEDAC Power 126
Alarm Silenced 127
Fire Alarm 127
Kiss-off 127
Primary Line Active 127
Secondary Line Active 127
see also Indicators 15
Supervisory 127
Trouble 127
Lite-Connect 82, 91
Local Energy Municipal Box Service 33
Loop Setup 81
M
Maintenance Alert 13, 132
levels 143
maintenance alert 143
Maintenance Program Level 2 57, 119
Manual Dial Mode 117
Manual programming 56
Master Program Level 1 56, 58
Medical Alert 131
Mode key 57
Module
add 66
addressing 18
delete 67
edit monitor 67
enable/disable 68
see also addressable modules 18
Module Programming 66
Monitor module 18
adjective 71
enable/disable 68
noun 72
noun/adjective 71
type 68
type action 69
Type list 69
type selection 69
Mounting
cabinet 24
main circuit board 24
municipal box transmitter 33
N
NAC 14, 16, 86, 87, 132
Auto Silence 87
coded 133
coding 88
current 14
End-of-Line Resistor 14
power 12
see also Notification Appliance Circuit 12,
30
silence inhibit 89
silenceable 87
Style configuration 30
Style Y wiring diagram 30
synchronized 133
type codes 87
voltage, operating 14
wiring Style 30
NAC enable/disable 87
NAC options 82
NFPA 72 Auxiliary Fire Alarm System 164, 165
NFPA 72 Central Station Service (Protected
Premises Unit) or Remote Station Service 164
NFPA 72 Proprietary Fire Alarm System 164
NFPA 72 Proprietary Protective Signaling Sys-
tems 167
NFPA 72 Remote Station Protective Signaling
System 165
NFPA Battery Requirements 156
NFPA Standard 164
nonpower-limited
relay connections 29

188 MS-9050 Series Manual — P/N 52413:G 4/14/2014
O–R Index
nonsilenceable
waterflow 80, 91
Normal 127
normal display 56
Notification Appliance Circuit 14, 86
see also NAC 12, 30
Noun
list 65
monitor module 72
multiple entries 66
O
Off-line Programming 56
Operating Instructions 126
Operation
alarm 129
disable/enable 132
hazard condition 131
medical alert 131
NAC 132
normal 127
process monitor 130
programmed zone 132
supervisory 130
trouble 128
waterflow 132
Option Modules 19, 33, 95
Options 12
Output Circuits 16
P
PAS 63, 78, 134
see also Positive Alarm Sequence 13, 63
PAS BYPASS 135
PAS timer 84
Password 13, 57
change 118
Maintenance Level 2 58, 120
Master Level 1 58
PC interface 13
Phone Number 109
Piezo
see also sounder 16
Point Program 59
Positive Alarm Sequence 63, 134
see also PAS 13
power
NAC 12
power supply calculations 153
Power-up
first time 57
Pre-signal 13, 63, 79
function 134
selection 70
Pre-signal Delay timer 85
Pre-signal timer 84
Primary Phone 106
primary power
see also AC Power 28
PRN-6F 44
Process Monitor 130
PROCMON AR 90
Program
check 119
check correlations 119
clear 118
Program Check
Maintenance Level 121
program keys
see also Key Panel 16
Programming 55, 56
autoprogramming 56
exiting 56
factory default 162
Level 1 56
Level 2 57
manual 56
Master Level 1 58
modules 66
off-line computer 56
via computer keyboard 55
via panel keypad 55
Programming Levels 56
Programming Screens 57
Programming Sheet 159, 160
Programming Utility
see also PK-CD 20
Proprietary Yes
see also Remote Upload 151
PS-Tools 20
R
Read Status 56, 137
annunciators 141
exiting 56
history 140
NAC 139
power 138
Print 142
program check 140
relay 139
system point 137
Time-Date 143
timers 139
trouble reminder 139
zones 138
Real-Time Clock 133
Recall/Increment Function 66, 73, 77
Receivers 149
Relay 14, 17, 29, 90
connections 29
contact rating 14, 17, 29

MS-9050 Series Manual — P/N 52413:G 4/14/2014 189
Index S–T
fixed 29
Form-C 14, 90
programmable 12, 17, 29
programming 90
selections 90
trouble 12, 17, 29
Relay options 82
Remote Download 150
Remote Station Service 33
remote switch functions 13
RENsee also Ringer Equivalence Number 21
Report Style 117
Reporting Enable 107
Reset 16, 126
Ring Count 106
Ringer Equivalence Number 21
ROME Series 51
rules for ANN-BUS wiring 36
S
secondary ANN-BUS 15, 35
Secondary Phone 106
Secondary Power Requirements 156
Secret Code 151
Security Features 151
sensitivity 133, 143
see also smoke detector sensitivity 133
Signal rate 13
Signaling Line Circuit
see also SLC 14
Silence Inhibit 13, 89, 135
Silenceable
control module 75
NAC 87
waterflow 91
Silenceable Alarm Relay 90
silenceable circuits
synchronized signals 87
Silenceable waterflow 80
SLC 13, 16
current 14
reference manual 14
resistance 14
see also Signaling Line Circuit 12, 14
Style 16
voltage 14
wiring length 14
SLC Loop Protocol 81
SLC Style 81
smoke detector
chamber reading 142
data 133, 142
sensitivity 13, 133
Software Zones 12, 157
sounder 16
Specifications 14
strobe synchronization 13
Style 12
Style Y 30
NC configuration 30
Style Z 30
NAC configuration 30
subscreen 57
Supervisory 130
SUPERVISORY AR 90
supervisory relay
configuring for Transmitter Module 35
syncprogramming 86
see also synchronization 89
synchronization 133, 139
by manufacturer 89
programming 89
see also strobe synchronization 13
synchronized 133
synchronized signals 133
and silenceable circuits 87
System
Maintenance Level 123
System Point 137
System Setup 81
T
Telephone Circuitry 21
Telephone Company
Rights and Warnings 22
telephone line 32
Terminal 106
Test Time Interval 108, 109
Time and Date
Maintenance Level 123
Time setting 83
Time-Date setting 81, 83
Time-out 152
Timers 82
Total Comm Fault 112, 114, 116
Transmittal Priorities 148
Transmitter Module 33
coil resistance 33
current 33
see also 4XTMF 19
supervisory relay config. 35
voltage 33
Trouble 128
trouble call limit 55
trouble display 128
trouble relay 12
Trouble Reminder 81, 135, 139
Trouble Resound 81, 135
trouble responses 128
Two Stage 79

190 MS-9050 Series Manual — P/N 52413:G 4/14/2014
U–Z Index
two stage operation 88
Type
control module 74
detector 62
monitor module 68
NAC 87
type code
control module 74
supervision 133
verification 13
U
UL power-limited wiring requirements 31
see also power-limited and nonpower-lim-
ited 29
Upload/Download 150
V
Verification
detector 62
Verify Loops 93
View Events 94
voltage
measurements 138
ranges 138
W
Walktest 13, 62, 75, 94
audible 94
Maintenance Level 122
operation 136
selection 70
silent 94
waterflow
nonsilenceable 80, 91
silenceable 80, 91
Waterflow Delay timer 84, 85
Waterflow Retard Timer 135
Waterflow Silenceable 82
Wire Requirements 171
wiring
AC Power 28
wiring Style 12
Z
Z00 64, 70
Z17 PAS zone 63
Z18 63
Zone 17 78
Zone 18 78
Zone Assignment 64, 70, 89
control module 75
Zone Setup 78
Maintenance Level 124
zone type 79
list 80
Zone Z17 63
Zone Z18
pre-signal zone 63
Zones 138, 157
see also software zones 12
Zones Disabled 79
Zones Enabled 79
Zones Installed 79
zones per device 64
Manufacturer Warranties and Limitation of Liability
Manufacturer Warranties. Subject to the limitations set forth herein,
Manufacturer warrants that the Products manufactured by it in its
Northford, Connecticut facility and sold by it to its authorized
Distributors shall be free, under normal use and service, from defects
in material and workmanship for a period of thirty six months (36)
months from the date of manufacture (effective Jan. 1, 2009). The
Products manufactured and sold by Manufacturer are date stamped at
the time of production. Manufacturer does not warrant Products that
are not manufactured by it in its Northford, Connecticut facility but
assigns to its Distributor, to the extent possible, any warranty offered
by the manufacturer of such product. This warranty shall be void if a
Product is altered, serviced or repaired by anyone other than
Manufacturer or its authorized Distributors. This warranty shall also
be void if there is a failure to maintain the Products and the systems in
which they operate in proper working conditions.
MANUFACTURER MAKES NO FURTHER WARRANTIES, AND
DISCLAIMS ANY AND ALL OTHER WARRANTIES, EITHER
EXPRESSED OR IMPLIED, WITH RESPECT TO THE PRODUCTS,
TRADEMARKS, PROGRAMS AND SERVICES RENDERED BY
MANUFACTURER INCLUDING WITHOUT LIMITATION,
INFRINGEMENT, TITLE, MERCHANTABILITY, OR FITNESS FOR
ANY PARTICULAR PURPOSE. MANUFACTURER SHALL NOT BE
LIABLE FOR ANY PERSONAL INJURY OR DEATH WHICH MAY
ARISE IN THE COURSE OF, OR AS A RESULT OF, PERSONAL,
COMMERCIAL OR INDUSTRIAL USES OF ITS PRODUCTS.
This document constitutes the only warranty made by Manufacturer
with respect to its products and replaces all previous warranties and is
the only warranty made by Manufacturer. No increase or alteration,
written or verbal, of the obligation of this warranty is authorized.
Manufacturer does not represent that its products will prevent any loss
by fire or otherwise.
Warranty Claims. Manufacturer shall replace or repair, at
Manufacturer's discretion, each part returned by its authorized
Distributor and acknowledged by Manufacturer to be defective,
provided that such part shall have been returned to Manufacturer with
all charges prepaid and the authorized Distributor has completed
Manufacturer's Return Material Authorization form. The replacement
part shall come from Manufacturer's stock and may be new or
refurbished. THE FOREGOING IS DISTRIBUTOR'S SOLE AND
EXCLUSIVE REMEDY IN THE EVENT OF A WARRANTY CLAIM.
Warn-HL-08-2009.fm
MS-9050 Series Manual — P/N 52413:G 4/14/2014 191

World Headquarters
1 Firelite Place
Northford, CT 06472-1653 USA
203-484-7161
fax 203-484-7118
www.firelite.com
