Print Layout SSL Sigma User Guide
2015-06-25
: Logic Ssl-Sigma-User-Guide SSL-Sigma-User-Guide docs pdfs sigma content
Open the PDF directly: View PDF
.
Page Count: 82
- 1. Introduction
- 2. Hardware Installation
- 3. Software Installation and Configuration
- 4. Network Setup
- 5. Connecting to and Using Sigma
- 6. Example Setups
- Pro Tools + Sigma (No Control Surface)
- Pro Tools + Sigma + Nucleus (or any standard HUI Control Surface)
- Pro Tools + Sigma + Avid® Artist Series Control Surface (Eucon)
- Logic + Sigma (No Control Surface)
- Logic + Sigma + Nucleus (or any standard MCU Control Surface)
- Logic + Sigma + Avid® Artist Series Control Surface (Eucon)
- Cubase/Nuendo + Sigma (No Control Surface)
- Cubase/Nuendo + Sigma + Nucleus (or any standard MCU Control Surface)
- Cubase/Nuendo + Sigma + Avid® Artist Series Control Surface (Eucon)
- Ableton Live! + Sigma (No Control Surface)
- Ableton Live! + Sigma (With MCU Control Surface)
- Using Sigma with other DAWs
- Using Two Sigmas together
- 7. Automating Sigma’s Mix Busses
- 8. Controlling Sigma using Open Sound Control (OSC)
- Appendices

Sigma
Remote-Controlled Analogue Mix Engine
User Guide
Sigma. This is SSL.
www.solid-state-logic.com

2
Table Of Contents
1. Introduction 5
About this User Guide 5
Sigma Overview 5
What is Sigma and what was the idea behind it? 5
How do I operate Sigma? 5
How does Sigma work? 6
Setup Concepts 7
2. Hardware Installation 8
Installation Overview 8
Front Panel 9
Rear Panel 10
CHIP (Channel inputs) and CHOP (Channel direct outputs) 11
Miscellaneous Connections 11
3. Software Installation and Configuration 12
1) ipMIDI Software 12
ipMIDI Installation - Macintosh 12
ipMIDI Installation - Windows 13
2) Install web browser 13
3) Install Flash 13
Sigma’s Internal Software 13
4. Network Setup 14
General 14
Sigma’s IP Address 14
Useful Built-In Features 14
Network Connection Examples 15
1. Fixed IP – Direct Connection 15
2. Router (and Switch) Connection using DHCP - Allows Access to Internet 17
3. Connection in a facility that has multiple SSL Consoles/Multiple ipMIDI devices 19
Controlling Sigma With A Tablet / Smartphone 19
Connecting to Sigma using an iPad via a Wireless Router 19
5. Connecting to and Using Sigma 23
Connecting using a Fixed IP address 23
Connecting using DHCP 24
Macintosh Users 24
Using DHCP in other browsers 24
Windows Users 25
The web browser interface 26
MASTER 27
Master Meter 27
Mix Bus Inserts 27
Level Control 27
B TO A Function 28
USER Buttons 28

3
MON Box 28
H/P Box 29
MIDI LEARN 29
FOOTSWITCH 29
DIM SETTINGS 29
iJack Input 29
CHANNELS 30
Channels Page Keyboard Shortcuts 31
GLOBAL SETUP 31
SETTINGS 32
SETUP Box 32
NETWORK Box 34
MISC Box 34
SAVE and LOAD Buttons 36
6. Example Setups 37
Pro Tools + Sigma (No Control Surface) 37
Sigma Browser Settings 37
Pro Tools Settings 38
Pro Tools Session Setup 38
Pro Tools + Sigma + Nucleus (or any standard HUI Control Surface) 39
Sigma Browser Settings 39
Pro Tools Settings 40
Pro Tools Session Setup 41
Pro Tools + Sigma + Avid® Artist Series Control Surface (Eucon) 42
Sigma Browser Settings 42
Pro Tools Settings 43
Artist Controller Settings 43
Pro Tools Session Setup 44
Logic + Sigma (No Control Surface) 45
Sigma Browser Settings 45
Logic Settings 46
Logic Control Surface Preferences 47
Logic + Sigma + Nucleus (or any standard MCU Control Surface) 48
Sigma Browser Settings 48
Logic Control Surface Settings 49
Logic Control Surface Preferences 50
Logic Session Setup 50
Logic + Sigma + Avid® Artist Series Control Surface (Eucon) 51
Sigma Browser Settings 51
Artist Controller Settings 51
Logic Control Surface Settings 52
Logic Session Setup 53
Cubase/Nuendo + Sigma (No Control Surface) 54
Sigma Browser Settings 54
Cubase/Nuendo Settings 55
Session Setup 55

Cubase/Nuendo + Sigma + Nucleus (or any standard MCU Control Surface) 56
Sigma Browser Settings 56
Cubase/Nuendo Settings 57
Cubase Session Setup 58
Cubase/Nuendo + Sigma + Avid® Artist Series Control Surface (Eucon) 59
Sigma Browser Settings 59
Cubase/Nuendo Settings 60
Artist Controller Settings 61
Cubase/Nuendo Session Setup 61
Ableton Live! + Sigma (No Control Surface) 62
Sigma Browser Settings 62
Ableton Live! Settings 63
Ableton Live! Session Setup 63
Ableton Live! + Sigma (With MCU Control Surface) 64
Using Sigma with other DAWs 64
Sigma Browser Settings 64
Session Setup 65
Using Two Sigmas together 66
7. Automating Sigma’s Mix Busses 67
Setup instructions 67
8. Controlling Sigma using Open Sound Control (OSC) 68
Setting up OSC - Channel Setup and Monitoring Section 68
Setting Up OSC - Controlling Sigma’s analogue gains (iPad template only) 73
Appendices 74
Appendix A - Connectors & Pinouts 74
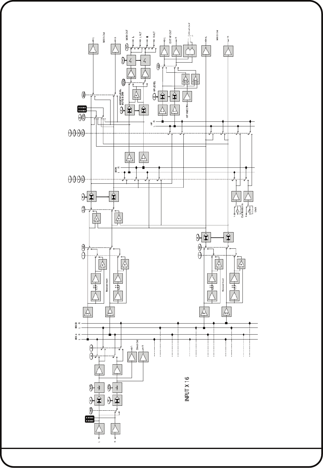
Appendix B - Signal Flow Block Diagram 75
Appendix C - Support 76
FAQs 76
Required Software 77
Sigma’s Internal Software 77
Hardware 78
Appendix D 79
Specifications - Technical & Environmental 79
Appendix E 79
Limited Warranty 79
Appendix F 80
Sigma OSC command list messages 80
4
Document History:
82BMSM01A Initial Release August 2013
82BMSM01B Revision for v1-0-3-6 February 2014

Page 5
1. Introduction
ABOUT THIS USER GUIDE
Congratulations on purchasing your Solid State Logic Sigma. This User Guide will help you to configure Sigma for your
studio. We’ve included a range of setup examples, so connecting and configuring Sigma to suit your workflow couldn’t
be easier.
This User Guide is arranged into the following sections:
Introduction An overview of Sigma’s features.
Hardware Installation This section provides information on Sigma’s physical connections and how to
connect them to your existing studio equipment.
Software Installation This section lists all of the required software needed in order to make Sigma work with
your DAW.
Network Setup This section guides you through configuring Sigma to work on your computer network
and tablet/smartphone.
Connecting to and Using Sigma This section details how to operate Sigma and discusses control from the web
browser.
Example Setups This section provides some “real world” examples of how to configure Sigma in
various setups. This includes how to arrange your DAW session to work with Sigma.
Appendices Contains additional documentation for reference.
SIGMA OVERVIEW
What is Sigma and what was the idea behind it?
Sigma is a 2U, remote-controllable analogue mix engine. Sigma has 16 stereo/mono inputs and outputs, 2 mix buses (A
and B), mix bus insert points, comprehensive monitoring, a talkback input and customisable user buttons. The idea of
Sigma was to bring the sound of an SSL console together with all the workflow advantages of mixing in a DAW. Sigma is
built upon the same Superanalogue technology as our Duality and AWS consoles. Superanalogue circuit design gives
you an extended frequency response, precise stereo imaging, clarity and depth. Sigma is designed for the professional
looking to add that extra 10% to their sound, that even the best plug-in emulation cannot achieve.
Sigma features LED metering on all 16 channel strips and an additional high resolution stereo master meter. The blue
rotary encoder is switchable (via a push function) between controlling the following levels: control room monitor level,
headphones, Mix Bus A and Mix Bus B master “fader” gains.
Many features on Sigma can be controlled using a MIDI learn. This means that you can use a generic MIDI controller to do
a number of things from controlling the monitor level, to switching Mix Insert points in/out.
How do I operate Sigma?
All of Sigma’s controls can be accessed through the web browser interface. The CHANNELS page is used to configure each
of Sigma’s 16 channels, whilst the MASTER page is used to configure the monitoring section and other features including
User buttons and MIDI Learn functionality. The SETTINGS page provides additional configuration options. The web browser
interface means you can also control Sigma from a tablet or smartphone.

Page 6
How does Sigma work?
Sigma works by using faders in your DAW as analogue gain controls. Sigma communicates with your DAW in the same way
a control surface does, but instead uses the DAW’s fader positions to control the gain of 16 analogue “faders”. The
automation in your DAW session can be used to “ride” the levels of an analogue mix, bringing together the efficiency of
a DAW automation system with the sound of your favourite analogue outboard equipment.
The picture above is intended to give a graphical representation of how DAW automation controls Sigma’s analogue gains.
1. Automation data is generated in the DAW.
2. This data is sent over the ethernet cable from your computer into Sigma, via the relevant protocol (HUI/MCU/MIDI).
3. Sigma takes the DAW automation and transforms it into analogue gain changes. This is done using MDAC technology.
Think of MDACs as the “virtual faders” within each channel of Sigma.
)=.38
"=<9=<;
87>/:</:;
7+581=/%317+5;
#:/=<86+<387
+./:=<86+<387.+<+
8>/:<2/:7/<
7+581=/%317+5;
#8;<=<86+<387

Setup Concepts
• Sigma is an analogue summing unit which can be controlled remotely using MIDI control and automation data from a
DAW or a Hardware Control Surface.
•Sigma uses a an application called 'IP MIDI' which runs on your computer and lets you use a standard Ethernet cable
connected between your computer and Sigma to carry MIDI information. You need to install IP MIDI before you can use
Sigma.
• Sigma can also be remote controlled using a software browser. This browser is not a piece of software you install on
your computer, it is actually a set of web pages which are hosted inside Sigma. You access those web pages using a
standard internet browser such as Chrome, Firefox, Internet Explorer etc. To access the Sigma Browser 'software' you
simply open a tab in your internet browser and type in a number (the IP Address of your Sigma unit). This address can
be bookmarked like any normal web page.
• Both the Sigma Browser and IP MIDI require that a network connection exists (via Ethernet) between your computer and
Sigma. This is set up in a similar way to configuring a wireless hub and requires selection of appropriate settings in your
network control panel in your computer.
• The network and MIDI control aspects of Sigma are entirely separate to the audio side of Sigma. All audio connections
are made between the Sigma unit and your Computer audio interface/converters.
Page 7

Page 8
2. Hardware Installation
INSTALLATION OVERVIEW
The diagram below gives you an idea of how Sigma connects to your other studio gear.
@<379=<
87<:85
;=:0+-/
<2/:7/<;?3<-2
313<+5
+=.38
<8+7.
0:86
)
3@8=<9=<;0:86%316+
9:37<371,+-437<8)
87>/:</:;
7+581=/8=<,8+:.
309:/;/7<
#537/5/>/50//.
<853>/:886
#
8=<9=<
5< 87
8=<9=<
+37 87
8=<9=<
<2/:7/<
:8=</:
=<86+<387-87<:85
.+<+8>/:<2/:7/<
7+581=/=.38
7+581=/79=<;
<8%316+

Page 9
FRONT PANEL
Sigma provides you with 16 stereo line inputs and 16 stereo line outputs on Tascam standard (AES59) 25-pin D-sub
connectors. Using the web browser interface, the left input of each stereo channel can be selected as a mono source.
When an input is set to mono, the channel number on the front panel will glow green.
Please note that setting an input to mono does not give you 2 independent mono inputs!
Headphones - stereo headphone output on 1/4” jack.
Important - For health and safety reasons, do not reboot Sigma with while monitoring through headphones.
iJack Input - stereo external input on 1/8” jack (from iPod output or similar device).
Sigma also provides access to Mix Insert Send/Returns, a Line Level output for sending headphone feeds into a live room,
an external input and talkback input, all on standard DB-25 connections. Access to the Main Speaker Outputs, Alternative
Speaker Outputs and the Mix A Output is provided on XLR male connectors.
#8?/:%?3<-2
=;<863;+,5/
';/:=<<87;
$8<+:A
7-8./:
+;</:
/</:
3+-4
79=<
/+.9287/;
2+77/5!=6,/:;
3@=;7.3-+<8:;
79=</>/5 /</:;
Levels can be set for +18dBu, +22dBu or +24dBu via the web browser interface

Page 10
REAR PANEL
ALT R - Alternate right monitor output.
ALT L - Alternate left monitor output.
MON R - Right monitor output.
MON L - Left monitor output.
MIX A R - Mix Bus A right output.
MIX A L - Mix Bus A left output.
FOOTSWITCH - The footswitch input is suitable for any 1/4” on/off footswitch. By default this turns Talkback On/Off,
although this can be changed in the web browser.
DC - Use with the provided power supply - the clip above the power inlet should be used to retain the power lead and so
prevent accidental removal or damage.
RJ45 - Use a standard Ethernet cable (as supplied) to connect Sigma to your computer network.
USB and PROG - The USB socket and PROG switch are for SSL diagnostic use and should not be connect or used.
5</:7+</
873<8:"=<9=<
+37 873<8:
"=<9=< 3@"=<9=<
88<;?3<-2
79=<
Clip to secure
power cable
Factory use only
#8?/:75/<
(
3;-/55+7/8=;
%/7.;+7."=<9=<;
3;-/55+7/8=;
$/<=:7;+7.79=<;
%</:/82+77/5"=<9=<;
%</:/82+77/579=<;
<2/:7/<

Page 11
CHIP (CHANNEL INPUTS) AND CHOP (CHANNEL DIRECT OUTPUTS)
All inputs and outputs for Sigma are on AES 59 ‘Tascam’ standard D-Sub connectors. Each D-Sub carries up to four stereo
signals. The inputs and outputs are all operating at line-level. The direct channel outputs are sourced post-fader.
Typically, you would connect the outputs from your D/A converter into the CHIPs.
The CHOPs would be connected to your A/D to record back into the DAW.
A creative use for Sigma could be using it to automate an analogue desk. This could be achieved by connecting the
insert sends from the console into Sigma’s CHIPs and then connecting Sigma’s CHOPs into the insert returns of the
console.
MISCELLANEOUS CONNECTIONS
EXT, RTNS, TB - AES 59 ‘Tascam’ standard connections:
EXT - Provides a line-level stereo input available from an external source such as a professional CD player.
RTNS (A+ B)- Provides connections for the stereo insert return signals of both Mix Bus A and Mix Bus B.
TB - Provides a line-level input from which you can connect the output from a talkback microphone
preamplifier.
MIX B, SENDS, H/P - AES 59 ‘Tascam’ standard connections.
MIX B - Stereo Mix Bus B outputs
SENDS - Provides connections for the stereo insert send signals of both Mix Bus A and Mix Bus B.
H/P - Provides a line-level stereo headphone output suitable for running a headphone feed into a cue mixer.
EXT, RTNS, T/B † D-sub to
XLR-F
Loom
877/-<8:&A9/ ?+A<A9//6+5/
Pin Description
7-
*$ 7-
(
&+54,+-4 3-79=<>/
*$ &+54,+-4 3-79=<C>/
(
3@7;/:<$/<=:7$312<>/
*$ 3@7;/:<$/<=:7$312<C>/
(
3@7;/:<$/<=:7/0<>/
*$ 3@7;/:<$/<=:7/0<C>/
(
3@7;/:<$/<=:7$312<>/
*$ 3@7;/:<$/<=:7$312<C>/
(
3@7;/:<$/<=:7/0<>/
*$ 3@7;/:<$/<=:7/0<C>/
(
@</:7+579=<$312<>/
*$ @</:7+579=<$312<C>/
(
@</:7+579=</0<>/
*$ @</:7+579=</0<C>/
(
7-
MIX B, SENDS, H/P † D-sub to
XLR-M
Loom
877/-<8:&A9/ ?+A<A9//6+5/
Pin Description
/+.9287/$312<>/537/5/>/5
*$ /+.9287/$312<C>/537/5/>/5
(
/+.9287//0<>/537/5/>/5
*$ /+.9287//0<C>/537/5/>/5
(
3@7;/:<%/7.$312<>/
*$ 3@7;/:<%/7.$312<C>/
(
3@7;/:<%/7./0<>/
*$ 3@7;/:<%/7./0<C>/
(
3@7;/:<%/7.$312<>/
*$ 3@7;/:<%/7.$312<C>/
(
3@7;/:<%/7./0<>/
*$ 3@7;/:<%/7./0<C>/
(
3@"=<9=<$312<>/
*$ 3@"=<9=<$312<C>/
(
3@"=<9=</0<>/
*$ 3@"=<9=</0<C>/
(
7-

Page 12
3. Software Installation and Configuration
Sigma requires the following software to be installed on your computer:
• ipMIDI software - To carry the automation data from your DAW to Sigma’s channels.
• A web browser (Chrome/Firefox/Safari/Internet Explorer) - To configure your Sigma.
• Flash - The ‘Save’ and ‘Load’ buttons in the web browser require Flash.
1) IPMIDI SOFTWARE
There is no disk included with Sigma. In order to install the ipMIDI software, you need to go to the SSL website, navigate
to the Sigma product page (within ‘Music’ products) and click on the ‘Downloads’ tab. Follow the onscreen instructions
to download your Sigma Support File, containing all necessary software.
During the registration process you will be prompted for your Sigma serial number, which you will find on the white label
on the rear of your Sigma unit.
ipMIDI Installation - Macintosh
After downloading the Sigma Mac Support File from the Downloads section, install the ipMIDI.dmg file. Note that you will
be asked to logout and in again once you have completed the installation. Once you have logged back in open Audio
MIDI Setup (in the Utilities folder on your Mac) and double click on the ipMIDI icon (in MIDI Window view). Set the number
of ports to 20 in the resulting pop-up.
There are two version of ipMIDI for Mac; V1.5 is suitable for OS X 10.5 whilst V1.6 runs on OS X 10.6 upwards. Please
choose the correct version for your Mac.
Note that if you are upgrading an older copy of ipMIDI you must uninstall it before running the installer. To uninstall
ipMIDI simple delete: ‘/Library/Audio/MIDI Drivers/ipMIDIDriver.plugin’. You should empty the Trash after deleting
the ‘.plugin’ file before running the installer.

Page 13
ipMIDI Installation - Windows
After downloading the Sigma Windows Support File from the downloads page, install the ipMIDI.exe. Note that you will
have to restart the computer at the end of the setup process. Once the computer has restarted, double-click on the ipMIDI
icon in the bottom-right taskbar of Windows and set the number of MIDI ports to 20 in the resulting pop-up.
Note that if you are upgrading an older copy of ipMIDI you must uninstall (using Add/Remove programs) it before
running the installer.
2) INSTALL WEB BROWSER
Sigma is configured through your web browser. Please ensure you have one of the following installed on your computer:
• Google Chrome
• Firefox
• Safari
• Internet Explorer
Important: Please check the SSL website for tested web browser versions and compatability.
Out of the box, Sigma comes preconfigured with a fixed IP address. This can be changed to DHCP in the settings if required.
Therefore, the first time you connect to Sigma should be through a direct ethernet connection between Sigma and your
computer (see Network setup information for more information).
3) INSTALL FLASH
The SAVE and LOAD buttons in the web browser require Flash to be installed. Please go to the Adobe Flash website to make
sure you have the latest version of Flash installed:
http://get.adobe.com/flashplayer
SIGMA’SINTERNAL SOFTWARE
Sigma has internal software that comes pre-installed from the factory. There may be infrequent updates for this software.
Please refer to Chapter 5 ‘Software Update & Reboot Button’ for more information on how to check your Sigma software
version and updating the software.

Page 14
4. Network Setup
GENERAL
Sigma communicates with your DAW over a standard Ethernet cable using the ipMIDI software driver to emulate a multi-
port MIDI interface. To ensure minimum latency ipMIDI uses multicast UDP rather than TCP/IP.
Routers that support high data transfer rates should be used. Some domestic routers have experienced problems, so
please check your router specification if problems occur.
Notes for Network Technicians:
Because ipMIDI uses multicast UDP packets, messages between one computer and Sigma will be received by all
other computers on the network potentially causing problems with other ipMIDI devices on your network. The UDP
packets can be blocked by using a firewall router and connecting the main network by the WAN connector. The firewall
can then be configured to allow all traffic apart from UDP ports 21928 through 21947 which are used by ipMIDI. Note
that it may be necessary to use a separate Ethernet switch in place of an integrated firewall router switch, as some
of these can not support the ihg data transfer rate required. The NetGear GS108 (an eight port switch) has been used
successfully at SSL Begbroke.
You can purchase a pre-configured LAN Integration Network Switch from the SSL web store. See setup example 3
for more details.
Sigma’s IP Address
By default, Sigma uses a fixed IP address of 192.168.1.201/sigmaweb. Alternatively, Sigma can be set to use a dynamically
assigned (DHCP) address if your installation precludes a simple direct connection. Switching between the two options is
done in Sigma’s SETTINGS page in your web browser. See ‘Connecting to and Using Sigma’ chapter for more information.
Useful Built-In Features
Reverting from DHCP to Fixed IP
If a situation arises where Sigma is set to DHCP but you are unable to connect via a DHCP, take the following steps:
1) Power Sigma off
2) Set your computer network settings to be a fixed IP address
3) Power Sigma on
This will force Sigma into reverting to its fixed IP address.
How to check the current IP address of Sigma
Once connected to Sigma, it is possible to change the fixed IP address as desired. In a situation where
you forget what the fixed IP address is set to, press and hold the first USER button on the front panel
and whilst keeping this held down, press the second USER button. Sigma will use the front panel LEDs
to readout the IP address it is set to.

Page 15
NETWORK CONNECTION EXAMPLES
1. Fixed IP – Direct Connection
This is the simplest way to setup Sigma with your computer. Sigma comes configured to use a fixed IP on first startup.
Please note that Macintosh computers with multiple Ethernet ports can only use one of those ports at any one time!
If you are using a Macintosh computer, you should ensure that Airport is switched off. We
strongly recommend this as Airport is known to cause conflicts with ipMIDI data and may
stop Sigma from working. If you wish to use the internet, we suggest you configure Sigma
with a Router/Switch (see example 2).
)
869=</:
<2/:7/<
877/-<387

Page 16
Network Connection Configuration - Macintosh
• On your computer go to System Preferences and click on the Network icon.
•Set Configure IPv4 to Manually then fill in the IP Address and Subnet Mask boxes with the numbers shown below. The
IP address should be in the 192.168.1.X range with a Subnet of 255.255.255.0.
‘X' should be a number between 3 and 254. Make sure that the ‘X’ number is not the same as Sigma’s address and/or
any other device on the network.
Network Connection Configuration - Windows
• Go to Network and go into Local Area Connection Properties.
• Open up the option Internet Protocol Version 4 (TCP/IPv4).
• Select Use the following IP address and then fill in the IP Address and Subnet mask boxes as shown below.

Page 17
2. Router (and Switch) Connection using DHCP - Allows Access to Internet
This connection method allows you to connect multiple devices to your network and access the internet at the same time.
The premise behind this method is that your Internet router acts as a DHCP server, dynamically assigning IP addresses
to all the devices on your network. The simplest configuration would be as follows:
If you have more devices that you need to connect on your network, adding an Ethernet switch will allow more things to
be connected.
7</:7/<
<2/:7/<
:8=</:
!/<?8:4-877/-<387;
)
869=</:
7</:7/< <2/:7/<:8=</:
<2/:7/<
;?3<-2
87<:85;=:0+-/
!/<?8:4877/-<387;
+9<89
)
869=</:

Page 18
Network Connection Configuration - Macintosh
• On the Mac, go to System Preferences and click on the Network icon.
•Set Configure IPv4 to Using DHCP.
Network Connection Configuration - Windows
• Go to Network and go into Local Area Connection Properties.
• Open up the option Internet Protocol Version 4 (TCP/IPv4).
• Choose the option Obtain an IP address automatically.

Page 19
3. Connection in a facility that has multiple SSL Consoles/Multiple ipMIDI devices
If you are in a studio that has multiple SSL consoles/ipMIDI devices, we recommend that you purchase one of our ‘LAN
integration network switches’ from the SSL web store. Due to the nature of UDP, if you have two SSL consoles/ipMIDI
devices on the same network with a normal router/switch setup, then you may find that an ipMIDI device in one room will
start affecting another ipMIDI devices in another room. Our managed switch blocks UDP data on two of the ports, solving
the problem and allowing uplinking in a multi-room facility. Please visit the following link for more details and a picture
example:
store.solidstatelogic.com/catalog/36.
CONTROLLING SIGMA WITH A TABLET / SMARTPHONE
Sigma software V1-0-3-6 and upwards adds OSC (Open Sound Control) operation of Sigma from an iPad or iPhone. As OSC
is optimised for modern networking technology, this is recommended as the best way to control Sigma via your
iPad/iPhone. Please jump to Chapter 8. Controlling Sigma using Open Sound Control (OSC) for setup instructions.
Alternatively, you may follow the steps below but be aware the performance in the following method may not be as high
as with OSC.
You can use a tablet/smartphone device to control Sigma by using it to access the web browser. In order for your
tablet/smartphone to communicate with Sigma, you will need a Wireless Router. The Wireless Router will act as a bridge,
connecting your tablet to Sigma.
Connecting to Sigma using an iPad via a Wireless Router
Fixed IP
1. Connect your iPad to your wireless router signal in (Settings > WI-FI)

Page 20
2. Launch web browser and type in Sigma’s static IP address - 192.168.1.201/sigmaweb
DHCP Network
1. Connect your iPad to your wireless router in (Settings > WI-FI).

Page 21
2. Download an app that allows you to see devices on your network. “My Devices” by Zoftware Design®, Inc is free to
download. Please be aware that “My Devices” is an iPhone app that also works on iPad. So in the iPad app store, make
sure your search is set to iPhone Apps, not iPad apps.
3. Go to Settings > MyDevices on your iPad. Ensure that all ‘Device Filters’ are OFF. Turn ‘Use Safari’ ON in ‘Web View’.
4. Launch app and select your SSL Sigma device on the network.

Page 22
5. The app should automatically open Safari and locate to the Sigma browser page.
Instead of using an app to access your Sigma device, you can type in Sigma’s DHCP name address directly into the
browser’s address bar. As you can see from the above screenshot, in Safari, the address is made up of your Sigma’s
name followed by .local/sigmaweb. Spaces should be filled with an ‘_’.
Alternatively, you can type the actual IP address that Sigma is currently assigned to into your browser’s address bar.
Press and hold the first User button on the front panel and whilst keeping this held down, press the second User
button. Sigma will use the front panel LEDs to readout the IP address it is set to.
It is recommended not to mix browsers between devices - e.g. running Safari on the iPad and Chrome on your main
computer.

Page 23
5. Connecting to and Using Sigma
CONNECTING USING A FIXED IP ADDRESS
Open your web browser and type the following into the address bar to connect via a fixed IP address:
192.168.1.201/sigmaweb
The first time you connect to Sigma must be through a Fixed IP connection between Sigma and your computer.
Once connected, you may change the Fixed IP address on the SETTINGS page. For instance if you change the fixed IP
address to 192.168.1.209, you would then need to type in 192.168.1.209/sigmaweb to access Sigma upon restarting.

Page 24
CONNECTING USING DHCP
In the SETTINGS page you can set Sigma to work by DHCP. After setting Sigma to DHCP and restarting the unit, use the
following steps to connect to Sigma:
Macintosh Users
Macintosh users must use Safari for automatic discovery via Bonjour
1. Launch Safari
2. In Safari, go to Preferences > Bookmarks and click ‘Include Bonjour’ in the Bookmarks Bar.
3. Bonjour should now appear in your bookmarks bar in Safari.
4. Select your SSL Sigma from the list and Safari will navigate to the Sigma pages.
Using DHCP in other browsers
Although other browsers like Chrome do not support automatic discovery through Bonjour, you can still use them to
connect to Sigma by simply typing Sigma’s current address into your web browser’s address bar. To find out what IP
address Sigma is currently set to, simply press and hold the left User button on the front panel and then press the right
user button whilst still keeping the left button held down. Sigma will display its current address using the lights on the
front panel.
Be aware that each time you switch Sigma on/off your router may give it a different address. In this case re-type the
correct address into your browser’s address bar.

Page 25
Windows Users
1. Go to your PC’s Network settings
2. Sigma will be listed under “Other Devices”. Double-click on the icon and it will load your web browser to the Sigma
pages.

Page 26
THE WEB BROWSER INTERFACE
Once connected, you have access to all of Sigma’s functions using the web browser, which is arranged as follows:
%<+<=;
,+:
=<<87;08:/+-280
%316+E;<2://6+379+1/;
=<<87;08:
;+>371:/-+55371;/<<371;

Page 27
MASTER
Upon connecting to Sigma, you will be looking at the MASTER page within the web browser. The state of most functions
set within the browser, such as monitoring source or insert points in/out, are reflected on the physical Sigma front panel.
Master Meter
To the right of the 16 channel meters is the Master
Meter. ‘0’ at the top indicates 0dBFS (+24dBu). This
can be re-scaled globally with the 16 Channel meters
in the SETTINGS page.
The web browser allows you to switch the master
meter between the following:
MON Master Meter follows the current monitoring
source(s).
MIX A Lock the Master Meter to follow the post-
fader level of Mix Bus A
MIX B Locks the Master Meter to follow the post-
fader level of Mix Bus B
Mix Bus Inserts
The Mix A and Mix B insert points are enabled through
the browser by clicking on the MIX A and MIX B
buttons inside the INSERT box. Inserts have a ‘Σ’
function which sums the insert return with the original
main stereo mix bus signal. This may be useful for a
several reasons: it will allow you to link the mix busses
of two Sigmas together by connecting the mix bus
output from the second Sigma into the insert return of
the first Sigma; or you could use this function with one
Sigma to create a parallel compression effect, using
the compressor’s output level to control the amount
of compressed signal present.
Level Control
The front panel of Sigma has a blue rotary encoder,
surrounded by an LED ring. Pushing the encoder in will
cycle through the options MON, H/P, MIX A and MIX B,
enabling independent level control of each one.
MON Main/Alternate monitor level
H/P Headphones output level
MIX A Mix Bus A level
MIX B Mix Bus B level
When setting the level of Mix A or Mix B, the dot that
breaks up the LED ring will light red to indicate 0dB.
Push and hold the rotary encoder for two seconds, then release. The dimly lit LED
ring now indicates that you are in Fine adjustment mode
Coarse: level steps in 0.5 dB
Fine: level steps in 0.1dB
Pushing and holding the rotary encoder again will return it to Coarse operation.
Note: The rotary encoder is speed-sensitive. Slower turns will allow you to
change gains more accurately.
Unit Front Panel
Web Browser
DIM
8@
#8?/:
=<<87
3+-4
79=<
/+.9287/
H/P8@
Mon
8@
Insert
8@
User
=<<87;
Level
8@
+;</:
/</:
$8<+:A
78,
MIDI
/+:7
88<;?3<-2
F/S8@
/+.9287/
H/P8@
Mon
8@
Insert
%/5/-<387
User
=<<87;
$8<+:A
;;3176/7<
/</:
%8=:-/
$8<+:A
7.3-+<8:
SOURCE RANGE
MON <8
H/P <8
MIXA B <8.
(red dot indicates 0dB)
MIXB B <8.
(red dot indicates 0dB)

Page 28
B TO A Function
The output of Mix Bus B can be injected into Mix A by engaging the B TO A button in the web browser. This would be
useful for applying parallel compression to drums on Mix B (using the Mix B insert point) before blending the compressed
drums into Mix A (containing the uncompressed instruments).
Mix B is injected post the Mix A insert point but pre Mix A level control. If you wish to inject the output of Mix B pre Mix A
insert point, we suggest you take one of these two alternative approaches:
1. Take the Mix B output and connect it back into a stereo input of Sigma, being sure only to route it to Mix A to avoid
an unwanted feedback loop.
E.g.: MIX B OUTPUT > SIGMA STEREO CHANNEL > ROUTE TO MIX A > ENGAGE INSERT
HINT: By bringing the output of Mix B into a channel input of Sigma, you are able to automate it like any other channel.
or:
2. Instead of using Mix A’s insert point to connect your analogue processing equipment, simply connect the output of
Mix A directly into any outboard equipment and take the output of this into your DAW to print back the mix. As a final
step you can send the output of this stem out of your DAW into the EXT input of Sigma, to monitor your printed mix
post D/A conversion.
ENGAGE B TO A FUNCTION > MIX A OUTPUT > ANALOGUE PROCESSING > DAW INPUT.
(Final Step) DAW OUTPUT > EXT INPUT OF SIGMA > MONITOR EXT INPUT.
USER Buttons
Two User buttons on the front panel allow you to assign up to four functions.
Each button has a Push and a Push & Hold operation.
By default the User buttons are set as follows:
Left User Button
Push: Toggles Alternate loudspeaker selection on/off
Push & Hold: Toggles Mono check on/off
Right User Button
Push: Mutes loudspeaker outputs
Push & Hold: Dims loudspeaker outputs
The drop-down boxes in the web browser allow you to change these assignments.
MON Box
The MON box on the front panel indicates the control room monitor source(s) currently selected. This could
be any combination of MIX A, MIX B or EXT (front panel iJack input and line-level connection on rear panel
D-Sub).
ALT L/S indicates if you have selected the alternate speaker set and MONO shows if you are listening to a
mono foldown of the stereo mix.
All of these selections can be engaged/disengaged through the web browser.
HINT: The MON LED on the front panel lights amber to indicate a monitor dim and lights red to indicate
a monitor cut.

Page 29
H/P Box
The H/P box on the front panel indicates which sources are feeding the headphones on both the front panel 1/4” jack
output and the line-level output on the rear panel D-Sub connection. This may be any combination of MIX A, MIX B or EXT.
Sigma’s talkback input can be switched on/off with the T/B button in the web browser. The talkback input is routed to both
the front panel 1/4” headphone output and the rear panel line-level feed. Talkback is injected post the H/P level control,
so you will need to use the output level of your talkback mic’s preamp to control the overall talkback level.
Sigma does not include an internal talkback preamp. The T/B input is line-level input from which you should connect
the output of the external preamp you are using with your talkback microphone.
The line-level headphones feed provided on the rear D-Sub provides a useful method of running the headphones feed
into a separate live room/vocal booth. Typically, you would connect this into a cue mixer system, which the artist
would plug their headphones into. The level of the headphone signal is controlled by selecting H/P in the Level Box
and using the rotary encoder to adjust accordingly.
MIDI LEARN
Clicking the LEARN button beneath the MIDI icon activates Sigma’s MIDI Learn mode. LEARN allows
you to use CC messages (generated by a CC MIDI control surface) to control various functions on the
MASTER page. This is useful if Sigma is installed into a remote rack outside your immediate reach.
Use the SETTINGS of the web browser to select an ipMIDI port for Sigma to receive MIDI CC
messages through.
Follow the onscreen instructions to learn/un-learn functions.
Assignable MIDI Learn functions include:
FOOTSWITCH
On the rear panel of Sigma you will find a footswitch input, suitable for a 1/4” on/off (latching or
non-latching) footswitch. SSL tested with a Digitech FS300 (non-latching) and a standard Marshall
guitar footswitch (latching). By default, the footswitch is assigned to turn the talkback input on/off
although this can be changed to any of the options available in the drop-down box.
DIM SETTINGS
T/B DIM (for Headphones) - When talkback is engaged, the T/B DIM level sets the amount of
attenuation applied to the currently selected MONITOR source(s) in the headphones. A setting of
0dB will apply no attenuation and therefore simply sum the talkback input with the monitor
sources. A setting of -∞ will apply maximum attenuation, completely muting the monitor source,
leaving only the talkback input.
MON DIM (for control room) - Sets the level of DIM for the control room monitors, when the DIM
button is engaged.
iJack Input
The bottom-right of Sigma’s front panel provides a 1/8” stereo jack input for connecting consumer products such as
iPods. This input can be sent to the control room monitors or headphones by selecting EXT (External Input).
If you wish to connect the output of a professional line-level source such as a CD player, there is a stereo external input
available on the rear panel D-Sub connector. This will be summed with the front panel iJack input. See Appendix A
for connection/pinout details.
• ROTARY LEVEL ENCODER
• LEVEL SOURCE CYCLE
• ALT L/S
• MONO
• CUT MONITORS
• DIM MONITORS
• T/B
• MONITOR SOURCE CYCLE
• H/P SOURCE CYCLE
• INSERT A
• INSERT A SUM
• INSERT B
• INSERT B SUM
• MIX B TO MIX A
• METER SOURCE CYCLE

Page 30
CHANNELS
The CHANNELS page controls functions such as mix bus routing or mono/stereo selection for each channel.
As with the MASTER page, many of these functions are reflected on the Sigma front panel.
Each channel on the Sigma front panel displays the input signal level (pre-fader) with a six segment LED
display.
Sigma has 16 input channels that are individually switchable via the MONO button in the web browser. When
operating in mono, a pan control will appear.
Just above the mix bus buttons, you’ll see a value in dBs for each channel. This is the analogue “fader” gain
readout for each channel and is useful for checking that the DAW’s faders are controlling the analogue gains
of Sigma.
Sigma has 2 mix busses: Aand B. Each channel can be routed to either or both busses using the MIX A and MIX B buttons.
Each channel can be renamed simply by clicking in and typing in the relevant box.
The SOLO button performs a solo-in-place, cutting all other channels. CUT mutes the channel’s output.
The SOLO function can be changed from solo-in-place to an AFL style solo, using Mix Bus B as an AFL bus. Please see
the SETTINGS section for more information.
878
=<<87
#+7
#8;3<387
7+581=/+37
$/+.8=<
2+77/5
!+6/
%858
=<<87
=<
=<<87
3@=;
;;3176/7<;
%316+
:87<#+7/5
2+77/5

Page 31
Channels Page Keyboard Shortcuts
This page can be used in conjunction with some keyboard shortcuts to make setup quick and easy. To highlight a channel
(border turns YELLOW in colour) click within an empty area of that channel’s box.
The following keyboard shortcuts are available and will allow multiple Mix Bus routings, Solos, Cuts, Pans and Mono
settings to be applied:
ALT - Allows all channels to be selected/deselected.
SHIFT - Allows a row of adjacent channels to be selected e.g. Channels 1 - 4.
CTRL (WINDOWS) / COMMAND (APPLE):
Allows non-contiguous channels to be selected e.g. Channel 1, Channel 3, Channel 5.
GLOBAL SETUP
The GLOBAL SETUP section at the bottom of the CHANNELS tab provides a number of useful quick functions.
NAMES
DAW This button will automatically rename the channels of Sigma to be the same as the first 16 names in your DAW
session. This function will only work when using HUI/MCU (not MIDI).
CLEAR Clears all track names.
ALL
MONO Sets all channels of Sigma to mono.
STEREO Sets all channels of Sigma to stereo.
MIX A Assigns/de-assigns all channels to Mix Bus A.
MIX B Assigns/de-assigns all channels to Mix Bus B.
FADERS
0dB Sets all of Sigma’s analogue gains to unity (0dB). Useful for restoring Sigma to be a “flat” summing mixer as the
HUI and MCU protocols send a “faders off” (-infinity) message when the DAW closes.
SOLO
SAFE This button enables you to protect channels in Sigma from cutting when a solo is made. For instance, you may
not want your vocal reverb on channel 16 to be cut when soloing the dry vocal on channel 15. To configure a
channel as ‘solo safed’ simply enable the SAFE button and then click (or touch if using a tablet) on a channel’s
SOLO button. This will show you a strikethrough line on the SOLO text to indicate it has been ‘solo safed’.
Clicking on the SOLO button a second time will disable it from being ‘solo safed’. Exit this mode by clicking on
the SAFE button once more.
CLEAR Clears any active solos on Sigma’s channels.

Page 32
SETTINGS
Unlike the MASTER and CHANNELS pages of Sigma, the SETTINGS page does not mirror any section of the front panel.
This page contains many important setup aspects of Sigma.
SETUP Box
NAME
This box allows you to name your Sigma unit. This will be useful when using more than one Sigma.
DAW/PROTOCOL SELECTION
This must be set in order to allow Sigma to correctly translate automation data from the DAW. There are six options:
• Pro Tools (HUI)
• Logic (MCU)
• Cubase/Nuendo (MCU)
• Ableton (MCU)
• OSC
• MIDI
See Chapter 6 ‘Example Setups’ for more information on which one to choose for your setup.
ipMIDI Ports
CHANNELS 1-8 Select the ipMIDI Port number to match your first HUI/MCU unit in your DAW.
CHANNELS 9-16 Select the ipMIDI Port number to match your second HUI/MCU unit in your DAW.

Page 33
MIDI ABSOLUTE
The MIDI ABSOLUTE box will become available if MIDI is selected in the DAW/PROTOCOL drop-down list. MIDI ABSOLUTE
offers an alternative way of controlling Sigma’s analogue gains directly from the DAW. Instead of sending volume messages
over the HUI/MCU protocol, MIDI ABSOLUTE works by sending MIDI volume messages directly from the outputs of MIDI
tracks within the DAW. Set the MIDI Absolute ipMIDI port to be the same as the ipMIDI port that your 16 MIDI Track outputs
are set to in the DAW.
See Chapter 6 ‘Example Setups’ for more information.
Note the CHANNELS 1-8 and CHANNELS 9-16 drop-down boxes have no effect when MIDI is being used.
DAW HANDSHAKE
Some DAWs perform ‘handshaking’ with HUI/MCU devices. Pro Tools sends out frequent handshake messages, whereas
Logic only performs a handshake upon first connection or changing sessions. The EXAMPLE SETUPS section offers advice
on when to have DAW HANDSHAKE enabled and when to have it disabled.
If you have two HUI devices (such as a Nucleus and Sigma) connected on your network, then only one of them needs to
perform the ‘handshaking’. If both are ‘handshaking’ this may cause problems.
In general:
Leave HANDSHAKE enabled (button lights green), if there are no other HUI devices on your network apart from Sigma.
DISABLE HANDSHAKE (button is grey) if you have two or more HUI devices on your Network. For example, disable
handshake if you are using a Nucleus and Sigma.
MIDI LEARN
Many functions on the MASTER page of Sigma can be enabled/disabled from an external MIDI controller sending CC
messages (e.g. the CC layer available on an SSL Nucleus). You should set this drop-down to match the ipMIDI port number
from which the MIDI CC messages are being sent on. For instance, if Nucleus’ CC layer is setup on DAW Layer 3, this drop-
down should be set to ipMIDI Port 5.
The MIDI LEARN drop down box only allows access to ipMIDI ports. If you wish to use a MIDI device/interface that does
not use ipMIDI, you can download a free program called ‘MIDI Patchbay’ to route the output of your chosen MIDI device
into an ipMIDI port.

Page 34
NETWORK Box
You are able to choose between a FIXED IP address or DHCP configuration. The static IP address of Sigma defaults to
192.168.1.201. Please see NETWORK SETUP section for more information.
MISC Box
This section contains a number of miscellaneous settings.
METER SCALE
Meter scaling is applied globally to all channel meters and the master meter. Set to match the 0dBFS reference of your
A/D D/A converter. The three options are: +24dBu, +22dBu or + 18dBu. By default, Sigma is set to +24dBu = 0dBFS.
SOLO MODE
This controls how the SOLO function works in the CHANNELS page. If you are unfamiliar with different solo modes then
the following explains the differences between the two:
SIP (Solo-In-Place) Soloing a channel causes all other channels to be muted.
AFL (After Fader Level) Soloing a channel moves that signal onto a separate stereo mix bus, normally known as the AFL
bus.
Sigma does not have a dedicated AFL bus. However, selecting the AFL option in SOLO MODE will hijack Mix Bus B and use
this as an AFL bus. Sigma will automatically switch the monitor source selection to Mix Bus B when soloing in this mode.
AFL is useful when you want to solo a channel just to check something whilst printing a mix back into the DAW. If you were
to use SIP, you would disrupt the printing process as soloing in this mode mutes all other channels.
Please note that if you are operating Sigma in AFL Solo Mode, you will be unable to route channels to Mix Bus B in
the web browser. Also, upon changing to AFL Solo Mode, any channels currently routed to Mix Bus B will be un-
routed.
By default, Sigma is set to SIP (Solo-In-Place).
SOLO TYPE
LATCH When one channel is in solo, pressing a second SOLO button adds this channel to the first rather than cancelling
the original channel.
ALT When ALT is selected the SOLO buttons are prevented from latching, introducing inter-cancellation between
SOLO buttons: pressing a second SOLO button cancels the first SOLO.
By default, Sigma is set to LATCH.
SOLO BOOST
SOLO BOOST automatically increases the monitor level by the set amount when a SOLO is activated (range 0 - 10dB). This
is useful when mixing to help reduce the level difference apparent when changing from listening to the whole mix to just
one soloed channel.

Page 35
SOFTWARE UPDATE
The SOFTWARE UPDATE button is used to update Sigma’s internal software. You must have the ethernet cable connected
to perform the update. Below the button you will see the current version of Sigma software you are running. There may
be infrequent updates provided for Sigma. The NK.bin file used to update Sigma’s software will be available from the SSL
website. Login to your SSL account (top-right hand side of the SSL website) and go to the My Products tab. You will see a
Downloads link next to your registered Sigma listing in this section
After downloading the NK.bin file, Click on the SOFTWARE UPDATE button in the SETTINGS page of the web browser and
locate the downloaded NK.bin file. Follow the onscreen instructions.
IMPORTANT - After updating your Sigma software and restarting, you will need to clear your web browser’s Cache
in order for all changes to take effect.You may also need to Refresh the page.

Page 36
REBOOT Button
When you make a change in the SETTINGS page that requires Sigma to be restarted in order for the change to have effect,
a message will prompt you to perform a restart. The SOFTWARE UPDATE button will temporarily change to a REBOOT
button. Click this to restart Sigma.
SAVE AND LOAD BUTTONS
The SAVE button will save all of Sigma’s settings across the three main pages - MAIN,
CHANNELS and SETTINGS.
Upon clicking the SAVE button you will be presented with a pop-up asking you to name
the file and choose a destination on your computer/network.
The LOAD button enables you to recall a previously saved Sigma setup.
Upon clicking the LOAD button you will be prompted to locate a saved Sigma file from your computer/network.
Sigma files are saved as .xml type files.

Page 37
6. Example Setups
This section will provide a guide for how to configure Sigma in various setups. This section presumes you have established
a network connection to Sigma and installed the ipMIDI software. Please see the relevant sections if you have not already
done this.
PRO TOOLS + SIGMA (NOCONTROL SURFACE)
In this example we will configure Sigma to work with Pro Tools on ipMIDI channels 1 and 2.
Sigma Browser Settings
1. Go to the SETTINGS page in the Sigma browser.
2. Set DAW/PROTOCOL to PRO TOOLS (HUI) from the drop-down box.
3. Set CHANNELS 1-8 to ipMIDI Port 1 and
set CHANNELS 9-16 to ipMIDI Port 2.
4. Enable the DAW HANDSHAKE button (lights green).

Page 38
Pro Tools Settings
1. Open Pro Tools.
2. Go to Setup > Peripherals... and then go to the
MIDI Controllers tab.
3. Set the first row to type HUI, with Receive From
and Set To both set to ipMIDI Port 1.
4. Set the second row to type HUI, with ipMIDI
Port 2.
5. Click OK to confirm.
Pro Tools Session Setup
The final step is to create 16 new tracks which will
be our dedicated fader controls for each of Sigma’s
analogue channels.
1. Go to Track > New...
2. Create 16 new blank Audio Tracks (it does not matter if they are mono or stereo).
3. Make sure that these 16 audio tracks are positioned as the first 16 tracks of the session.
Any volume automation data or fader movements on these 16 tracks will control the analogue signal gains of Sigma.
4. Your existing tracks with audio recorded to them should be routed out of different outputs on your audio interface,
which will then feed the appropriate Sigma inputs channels (just like you would do with any normal summing unit).
Notes:
These 16 audio tracks must be positioned as the first 16 in the session, as the HUI/MCU protocols dictate this.
Pan information is not read, you must set the pan in the CHANNELS page of Sigma browser.
Tip: You probably want to rename these Audio Tracks to meaningful names such as ‘KICK’ instead of Audio1. Once
you have done this in the DAW, go to the CHANNELS page in the web browser and click the DAW > NAMES button in
the global menu. This will copy across the names of the 16 tracks.
<:+-4;98;3<387/.+<<8980<2/;/;;387<8-87<:85%316+;+7+581=/1+37;

Page 39
PRO TOOLS + SIGMA + NUCLEUS (OR ANY STANDARD HUI CONTROL SURFACE)
In this example we will configure Sigma to work together with a Nucleus. You could follow the setup procedure for Pro Tools
+ Sigma (no control surface) however, when using a HUI controller, banking through channels will mis-align the
automation data. e.g. if you use the ‘Channel Right’ button a Nucleus to make the second track in the session appear on
Channel 1 of Nucleus, your automation stream from the second track in your DAW will drive the first analogue channel of
Sigma - not what we want!
To solve this problem, we have provided a MIDI automation mode, as found in our Matrix console. This mode works by
using MIDI tracks in your session to control the analogue gains directly, rather than over the HUI/MCU protocols. Therefore,
banking does not have any unwanted effects on the automation data.
Sigma Browser Settings
1. Go to the SETTINGS page in the Sigma browser.
2. Set DAW/PROTOCOL to MIDI from the drop-down box.
3. Disable the HANDSHAKING button.
4. Go to the MIDI ABSOLUTE mode and pick an ipMIDI Port - e.g. Port 9.
Note that the CHANNELS 1-8 and CHANNELS 9-16 boxes have no effect when using MIDI.

Page 40
Pro Tools Settings
1. Open Pro Tools.
2. Have the Setup > Peripherals... > MIDI Controllers configured as you would normally for your Nucleus (or HUI) controller
e.g. The screenshot shows a Nucleus setup for use on DAW Layer 1. Note that with this setup, this is not how the
analogue gains of Sigma are driven. That will be done over the MIDI tracks in the following steps...

Page 41
Pro Tools Session Setup
1. Go to Track > New...
2. Create 16 new MIDI Tracks (it does not matter where they are positioned in the session).
3. Leave the inputs to the MIDI Tracks set to ALL.
4. Set the output of the first MIDI track to ipMIDI Port 9, channel-1 .
5. Continue setting the outputs in this way incrementally to get all 16 channels e.g. The second MIDI track is set to output
on ipMIDI Port 9, channel-2, the third MIDI track is set to output on ipMIDI Port 9, channel-3, etc.
Any volume automation data or fader movements on these 16 MIDI tracks will control the analogue gains of Sigma.
6. Your existing tracks with audio recorded to them should be routed out of different outputs on your audio interface,
which will then feed the appropriate Sigma inputs channels (just like you would do with any normal summing unit).
7. You will need to move the MIDI faders before their levels are picked up by Sigma.
8. We recommend you use Pro Tools’ Solo Safe feature to Solo Safe the 16 MIDI tracks. This will ensure that when you
solo one of your audio tracks in Pro Tools, the automation data will still be read.
Tip: When using MIDI Absolute, the volume information is being sent discreetly from the output of each MIDI track.
This means that you can position these MIDI tracks anywhere in your DAW session. They do not have to be arranged
as the first 16 tracks.
Notes:
Although MIDI faders have a maximum resolution 127 values, these values are scaled in such a way to provide smooth
and natural volume automation in the useful range of fader travel.
Pan information is not read, you must set the pan in the CHANNELS page of Sigma browser.
"=<9=<;;/<<839 3.398:<2+77/5;

Page 42
PRO TOOLS + SIGMA + AVID®ARTIST SERIES CONTROL SURFACE (EUCON)
In this example we will configure Sigma to work together with a Artist Series Control Surface such as the Artist Control®.
The HUI and Eucon protocols are able to work simultaneously. When using a Eucon control surface, banking is done in
the Eucon domain and does not affect automation streams on Sigma.
In this example we will configure Sigma to work with Pro Tools on ipMIDI channels 1 and 2.
Sigma Browser Settings
1. Go to the SETTINGS page in the Sigma browser.
2. Set DAW/PROTOCOL to PRO TOOLS (HUI) from the drop-down box.
3. Set CHANNELS 1-8 to ipMIDI Port 1 and set CHANNELS 9-16 to ipMIDI Port 2 .
4. Enable the HANDSHAKING button.

Page 43
Pro Tools Settings
1. Open Pro Tools.
2. Go to Setup > Peripherals... > MIDI Controllers.
3. Set the first row to type HUI, with Receive From and Send To both set to ipMIDI Port 1.
4. Set the second row to type HUI, with ipMIDI Port 2.
5. Click OK to confirm.
Artist Controller Settings
Leave your Eucon settings the same in the Ethernet Controllers tab.

Page 44
Pro Tools Session Setup
1. Go to Track > New...
2. Create 16 new blank Audio Tracks (it does not matter if they are mono or stereo)
3. Make sure that these 16 audio tracks are positioned as the first 16 tracks of the session
Any volume automation data or fader movements on these 16 tracks will control the analogue gain changes of Sigma.
4. Your existing tracks with audio recorded to them should be routed out of different outputs on your audio interface,
which will then feed the appropriate Sigma inputs channels (just like you would do with any normal summing unit).
Notes:
These 16 audio tracks must be positioned as the first 16 in the session, as the HUI/MCU protocols dictate this.
Pan information is not read, you must set the pan in the CHANNELS page of Sigma browser.
Tip: You probably want to rename these Audio Tracks to meaningful names such as ‘KICK’ instead of Audio1. Once
you have done this in the DAW, go to the CHANNELS page in the web browser and click the DAW > NAMES button in
the global menu. This will copy across the names of the 16 tracks.
87<:85<:+-4;6=;<,/&:+-4;37<2/;/;;387

Page 45
LOGIC + SIGMA (NOCONTROL SURFACE)
In this example we will configure Sigma to work with Logic on ipMIDI channels 1 and 2.
Sigma Browser Settings
1. Go to the SETTINGS page in the Sigma browser.
2. Set DAW/PROTOCOL to LOGIC (MCU) from the drop-down box.
3. Set CHANNELS 1-8 to ipMIDI Port 1 and set CHANNELS 9-16 to ipMIDI Port 2.
4. Enable the DAW HANDSHAKE button (lights green).

Page 46
Logic Settings
Text below describes setup in Logic X (Logic 9 and below in brackets)
1. Open Logic.
2. Go to Control Surfaces >Setup (Preferences > Control Surfaces Setup)
3. Choose New and then Install...
4. Select a Mackie Designs - Mackie Control and click Add.
5. Set the Output Port and Input Port to Port 1.
6. Now select a Mackie Designs - Mackie Control Extender from the list and click Add.
7. Set the Output Port and Input Port to Port 2.
Important: Please ensure you are selecting the Mackie Designs - Mackie Control Surface and NOT the Mackie Designs
- Logic Control Surface. The Logic Control Surface sends different messages and Sigma will not respond to these.

Page 47
Logic Control Surface Preferences
You now need to ensure that Logic’s Control Surfaces Preferences are set
correctly. Go to Control Surfaces > Preferences (Preferences > Control
Surfaces in Logic 9 or below) and set the options to match the screenshot
to the right. Ensure that the option ‘Control surface follows track selection’
is un-ticked.
Logic Session Setup
The final step is to create 16 new tracks which will be our dedicated fader
controls for each of Sigma’s analogue channels.
1. Use the + button and to create 16 new Audio Tracks (it does not matter
if they are mono or stereo)
2. Make sure that these 16 audio tracks are positioned as the first 16 tracks of the session
Any volume automation data or fader movements on these 16 tracks will control the analogue gain changes of Sigma.
3. Your existing tracks with audio recorded to them should be routed out of different outputs on your audio interface,
which will then feed the appropriate Sigma inputs channels (just like you would do with any normal summing unit).
4. To ensure that the first 16 'control tracks' always correspond to Sigma's 16 analogue gains, set the Logic Mixer to
'Tracks' view mode (Logic X), or ‘Arrange’ (Logic 9 and below).
Also (for Logic 9 and below only), when using Instruments tracks with Multi Outputs, ensure that the 'Link' button is
disabled to prevent Logic automatically switching back to the 'All' view mode when you click on an instrument.
These 16 audio tracks must be positioned as the first 16 in the session, as the HUI/MCU protocols dictate this.
Pan information is not read, you must set the pan in the CHANNELS page of Sigma browser.
Tip: You probably want to rename these Audio Tracks to meaningful names such as ‘KICK’ instead of Audio1. Once
you have done this in the DAW, go to the CHANNELS page in the web browser and click the DAW > NAMES button in
the global menu. This will copy across the names of the 16 tracks.
87<:85<:+-4;6=;<,/&:+-4;37<2/;/;;387

Page 48
LOGIC + SIGMA + NUCLEUS (OR ANY STANDARD MCU CONTROL SURFACE)
In this example we will configure Sigma to work together with a Nucleus. Logic uses ‘Control Surface Groups’ so that the
actions of one controller does not affect another. This is useful for us, as setting up ‘Control Surface Groups’ allows the
banking commands of a control surface to remain separate from the automation streams controlling Sigma. Using this
method, when you press bank on your control surface, the automation streams into Sigma do not follow the banking
command.
Sigma Browser Settings
We’ll set up Sigma on ipMIDI channels 1 & 2.
1. Go to the SETTINGS page in the Sigma browser.
2. Set DAW/PROTOCOL to LOGIC (MCU) from the drop-down box.
3. Set CHANNELS 1-8 to ipMIDI Port 1 and set CHANNELS 9-16 to ipMIDI Port 2 .
4. Disable DAW HANDSHAKE (goes grey).

Page 49
Logic Control Surface Settings
Text below describes setup in Logic X (Logic 9 and below in brackets)
First, we’ll set up Sigma.
1. Open Logic.
2. Go to Control Surfaces >Setup (Preferences > Control Surfaces Setup)
3. Choose New and then Install...
4. Select a Mackie Designs - Mackie Control and click Add.
5. Set Output Port and Input Port to Port 1.
6. Now select a Mackie Designs – Mackie Control Extender from the list and click Add.
7. Set Output Port and Input Port to Port 2.
Important: Please ensure you are selecting the Mackie Designs - Mackie Control Surface and NOT the Mackie Designs
- Logic Control Surface. The Logic Control Surface sends different messages and Sigma will not respond to these.
Now, we’ll set up Nucleus for operation on DAW Layer 2:
3. Choose New and then Install...
4. Select a Mackie Designs - Mackie Control and click Add.
5. Set Output Port and Input Port to Port 3.
6. Select a Mackie Designs - Mackie Control Extender and click Add.
7. Set Output Port and Input Port to Port 4.
8. This is the important part: When you have all the Mackie Controllers and Extenders in a line, highlight the last two
(Mackie Control #2 and Mackie Control Extender #2) and drag them underneath the first two controllers. Doing this
will create a different ‘Control Surface Group’.

Page 50
Logic Control Surface Preferences
You now need to ensure that Logic’s Control Surfaces Preferences are set
correctly. Go to Control Surfaces > Preferences (Preferences > Control
Surfaces in Logic 9 or below) and set the options to match the screenshot
to the right. Ensure that the option ‘Control surface follows track selection’
is un-ticked.
Logic Session Setup
The final step is to create 16 new tracks which will be our dedicated fader
controls for each Sigma analogue channel.
1. Use the + button and to create 16 new Audio Tracks (it does not matter
if they are mono or stereo)
2. Make sure that these 16 audio tracks are positioned as the first 16 tracks of the session
Any volume automation data or fader movements on these 16 tracks will control the analogue signal gains of Sigma.
3. Your existing tracks with audio recorded to them should be routed out of different outputs on your audio interface,
which will then feed the appropriate Sigma inputs channels (just like you would do with any normal summing unit).
4. To ensure that the first 16 'control tracks' always correspond to Sigma's 16 analogue gains, set the Logic Mixer to
'Tracks' view mode (Logic X), or ‘Arrange’ (Logic 9 and below).
Also (for Logic 9 and below only), when using Instruments tracks with Multi Outputs, ensure that the 'Link' button is
disabled to prevent Logic automatically switching back to the 'All' view mode when you click on an instrument.
Note: These 16 audio tracks must be positioned as the first 16 in the session, as the HUI/MCU protocols dictate this.
Pan information is not read, you must set the pan in the CHANNELS page of Sigma browser.
Tip: You probably want to rename these Audio Tracks to meaningful names such as ‘KICK’ instead of Audio1. Once
you have done this in the DAW, go to the CHANNELS page in the web browser and click the DAW > NAMES button in
the global menu. This will copy across the names of the 16 tracks.
87<:85<:+-4;6=;<,/&:+-4;37<2/;/;;387

Page 51
LOGIC + SIGMA + AVID®ARTIST SERIES CONTROL SURFACE (EUCON)
In this example we will configure Sigma to work together with a Artist Series Control Surface such as the Artist Control®.
The MCU and Eucon protocols are able to work simultaneously. When using a Eucon control surface, banking is done in
the Eucon domain and does not affect automation streams on Sigma.
In this example we will configure Sigma to work with Logic on ipMIDI channels 1 and 2.
Sigma Browser Settings
We will set up Sigma to work on ipMIDI channels 1 & 2.
1. Go to the SETTINGS page in the Sigma browser.
2. Set DAW/PROTOCOL to LOGIC (MCU) from the drop-down box.
3. Set CHANNELS 1-8 to ipMIDI Port 1 and set CHANNELS 9-16 to ipMIDI Port 2 .
Artist Controller Settings
You should not be required to set up any additional functionality on your Artist Controller. As you will know, Eucon does
not appear in the Control Surfaces Setup of Logic, it is just part of Logic Pro 9 (and above).

Page 52
Logic Control Surface Settings
Text below describes setup in Logic X (Logic 9 and below in brackets)
1. Open Logic.
2. Go to Control Surfaces >Setup (Preferences > Control Surfaces Setup)
3. Choose New and then Install...
4. Select a Mackie Designs - Mackie Control and click Add.
5. Set the Output Port and Input Port to Port 1.
6. Now select a Mackie Designs - Mackie Control Extender from the list and click Add.
7. Set the Output Port and Input Port to Port 2.
Important: Please ensure you are selecting the Mackie Designs - Mackie Control Surface and NOT the Mackie Designs
- Logic Control Surface. The Logic Control Surface sends different messages and Sigma will not respond to these.

Page 53
Logic Session Setup
The final step is to create 16 new tracks which will be our dedicated fader controls for each of Sigma’s analogue channels.
1. Use the +button and to create 16 new Audio Tracks (it does not matter if they are mono or stereo)
2. Make sure that these 16 audio tracks are positioned as the first 16 tracks of the session
Any volume automation data or fader movements on these 16 tracks will control the analogue gains of Sigma.
3. Your existing tracks with audio recorded to them should be routed out of different outputs on your audio interface,
which will then feed the appropriate Sigma inputs channels (just like you would do with any normal summing unit).
4. To ensure that the first 16 'control tracks' always correspond to Sigma's 16 analogue gains, set the Logic Mixer to
'Tracks' view mode (Logic X), or ‘Arrange’ (Logic 9 and below).
Also (for Logic 9 and below only), when using Instruments tracks with Multi Outputs, ensure that the 'Link' button is
disabled to prevent Logic automatically switching back to the 'All' view mode when you click on an instrument.
Note. These 16 audio tracks must be positioned as the first 16 in the session, as the HUI/MCU protocols dictate this.
Pan information is not read, you must set the pan in the CHANNELS page of Sigma browser.
Tip: You probably want to rename these Audio Tracks to meaningful names such as ‘KICK’ instead of Audio1. Once
you have done this in the DAW, go to the CHANNELS page in the web browser and click the DAW > NAMES button in
the global menu. This will copy across the names of the 16 tracks.
87<:85<:+-4;6=;<,/&:+-4;37<2/;/;;387

Page 54
CUBASE/NUENDO + SIGMA (NOCONTROL SURFACE)
In this example we will configure Sigma to work with Cubase/Nuendo on ipMIDI channels 1 and 2.
Sigma Browser Settings
1. Go to the SETTINGS page in the Sigma browser.
2. Set the DAW/PROTOCOL to be CUBASE/NUENDO (MCU) from the drop-down box
3. Set CHANNELS 1-8 to ipMIDI Port 1 and set CHANNELS 9-16 to ipMIDI Port 2 .

Page 55
Cubase/Nuendo Settings
1. Open Cubase/Nuendo.
2. Go to Devices > Device Setup... and
then go to Remote Devices.
3. Click the ‘+’ button to add in a Mackie
Control. Set the MIDI Input and MIDI
Output Ports to ipMIDI Port 2.
(Cubase requires the ipMIDI ports to
be configured in reverse order).
4. Click ‘+’ to add in a second Mackie
Control. Set the MIDI Input and MIDI
Output Ports to ipMIDI Port 1.
5. Click Apply and click OK.
Session Setup
The final step is to create 16 new tracks
which will be our dedicated fader controls
for each of Sigma’s analogue channels.
1. Go to Project and Add track > Audio...
2. Create 16 new blank Audio Tracks (it
does not matter if they are mono or
stereo).
3. Make sure that these 16 audio tracks are positioned as the first 16 tracks of the session.
Any volume automation data or fader movements on these 16 tracks will control the analogue gains of Sigma.
4. Your existing tracks with audio recorded to them should be routed out of different outputs on your audio interface,
which will then feed the appropriate Sigma inputs channels (just like you would do with any normal summing unit).
Notes: These 16 audio tracks must be positioned as the first 16 in the session, as the HUI/MCU protocols dictate this.
Pan information is not read, you must set the pan in the CHANNELS page of Sigma browser.
Tip: You probably want to rename these Audio Tracks to meaningful names such as ‘KICK’ instead of Audio1. Once
you have done this in the DAW, go to the CHANNELS page in the web browser and click the DAW > NAMES button in
the global menu. This will copy across the names of the 16 tracks.
87<:85
<:+-4;
6=;<,/
&:+-4;
37<2/
;/;;387

Page 56
CUBASE/NUENDO + SIGMA + NUCLEUS (OR ANY STANDARD MCU CONTROL SURFACE)
In this example we will configure Sigma to work together with a Nucleus. You could follow the setup procedure for
Cubase/Nuendo + Sigma (No Control Surface) however, when using a MCU controller, banking through channels will mis-
align the automation data. e.g. if you use the ‘Channel Right’ button a Nucleus to make the second track in the session
appear on Channel 1 of Nucleus, your automation stream from the second track in your DAW will drive the first analogue
channel of Sigma - not what we want!
To solve this problem, we have provided a MIDI automation mode, as found in our Matrix console. This mode works by
using MIDI tracks in your session to control the analogue gains directly, rather than over the HUI/MCU protocols. Therefore,
banking does not have any unwanted effects on the automation data.
Sigma Browser Settings
1. Go to the SETTINGS page in the Sigma browser.
2. Set DAW/PROTOCOL to MIDI from the drop-down box.
3. Go to the MIDI ABSOLUTE mode and pick an ipMIDI Port - e.g. Port 9.
Note that the CHANNELS 1-8 and CHANNELS 9-16 boxes have no effect when using MIDI.

Page 57
Cubase/Nuendo Settings
1. Open Cubase/Nuendo.
2. Have the Setup > Peripherals... > MIDI Controllers configured as you would normally for your Nucleus (or MCU)
controller e.g. The screenshot shows a Nucleus setup for use on DAW Layer 1. Note that with this setup, this is not
how the analogue gains of Sigma are driven. That will be done over the MIDI tracks in the following steps...

Page 58
Cubase Session Setup
The final step is to create 16 new tracks which will be our dedicated fader controls for each of Sigma’s analogue channels.
1. Go to Project and Add track > MIDI...
2. Create 16 new MIDI Tracks (it does not matter where they are positioned in the session).
3. Set the output of the first MIDI track to ipMIDI Port 9, channel-1 .
4. Continue setting the outputs in this way incrementally to get all 16 channels e.g. The second MIDI track is set to output
on ipMIDI Port 9, channel-2, the third MIDI track is set to output on ipMIDI Port 9, channel-3, etc.
Any volume automation data or fader movements on these 16 MIDI tracks will control the analogue gains of Sigma.
5. Your existing tracks with audio recorded to them should be routed out of different outputs on your audio interface,
which will then feed the appropriate Sigma inputs channels (just like you would do with any normal summing unit).
6. You will need to move the MIDI faders before their levels are picked up by Sigma.
Tip: When using MIDI Absolute, the volume information is being sent discreetly from the output of each MIDI track.
This means that you can position these MIDI tracks anywhere in your DAW session. They do not have to be arranged
as the first 16 tracks.
Notes:
Although MIDI faders have a maximum resolution 127 values, these values are scaled in such a way to provide smooth
and natural volume automation in the useful range of fader travel.
Pan information is not read, you must set the pan in the CHANNELS page of Sigma browser.
"=<9=<;;/<<839 3.398:<872+77/5;

Page 59
CUBASE/NUENDO + SIGMA + AVID®ARTIST SERIES CONTROL SURFACE (EUCON)
In this example we will configure Sigma to work together with a Artist Series Control Surface such as the Artist Control®.
The MCU and Eucon protocols are able to work simultaneously. When using a Eucon control surface, banking is done in
the Eucon domain and does not affect automation streams on Sigma.
In this example we will configure Sigma to work with Pro Tools on ipMIDI channels 1 and 2.
Sigma Browser Settings
1. Go to the SETTINGS page in the Sigma browser.
2. Set the DAW/PROTOCOL to be CUBASE/NUENDO (MCU) from the drop-down box
3. Set CHANNELS 1-8 to ipMIDI Port 1 and set CHANNELS 9-16 to ipMIDI Port 2 .

Page 60
Cubase/Nuendo Settings
1. Open Cubase/Nuendo.
2. Go to Devices > Device Setup... and then go to the Remote Devices section.
3. Click the ‘+’ button to add in a Mackie Control. Set the MIDI Input and MIDI Output Ports to ipMIDI Port 2.
(Cubase requires the ipMIDI ports to be configured in reverse order).
4. Click the ‘+’ button to add in a second Mackie Control. Set the MIDI Input and MIDI Output Ports to ipMIDI Port 1.
5. Click Apply and click OK.

Page 61
Artist Controller Settings
You should not be required to set up any
additional functionality on your Artist Controller.
It should be left configured as it normally is, in
the Remote Devices section.
Cubase/Nuendo Session Setup
The final step is to create 16 new tracks which
will be our dedicated fader controls for each of
Sigma’s analogue channels.
1. Go to Project and Add track > Audio...
2. Create 16 new blank Audio Tracks (it does
not matter if they are mono or stereo).
3. Make sure that these 16 audio tracks are
positioned as the first 16 tracks of the
session.
Any volume automation data or fader
movements on these 16 tracks will control the
analogue gains of Sigma.
4. Your existing tracks with audio recorded to them should be routed out of different outputs on your audio interface,
which will then feed the appropriate Sigma inputs channels (just like you would do with any normal summing unit).
Notes:
These 16 audio tracks must be positioned as the first 16 in the session, as the HUI/MCU protocols dictate this.
Pan information is not read, you must set the pan in the CHANNELS page of Sigma browser.
Tip: You probably want to rename these Audio Tracks to meaningful names such as ‘KICK’ instead of Audio1. Once
you have done this in the DAW, go to the CHANNELS page in the web browser and click the DAW > NAMES button in
the global menu. This will copy across the names of the 16 tracks.
87<:85
<:+-4;
6=;<,/
&:+-4;
37<2/
;/;;387

Page 62
ABLETON LIVE! + SIGMA (NOCONTROL SURFACE)
In this example we will configure Sigma to work with Ableton Live! on ipMIDI channels 1 and 2.
Sigma Browser Settings
1. Go to the SETTINGS page in the Sigma browser.
2. Set DAW/PROTOCOL to ABLETON (MCU) from the drop-down box.
3. Set CHANNELS 1-8 to ipMIDI Port 1 and set CHANNELS 9-16 to ipMIDI Port 2.

Page 63
Ableton Live! Settings
1. Open Ableton Live!
2. Go to Preferences > MIDI/SYNC section.
3. Set the first Control Surface.
4. Click the ‘+’ button to add in a second Mackie Control. Set
the MIDI Input and MIDI Output Ports to ipMIDI Port 1.
5. Click the ‘+’ button to add in a Mackie Control XT. Set the
Input and Output Ports to ipMIDI Port 2.
Ableton Live! Session Setup
The final step is to create 16 new tracks which will be our
dedicated fader controls for each of Sigma’s analogue
channels.
1. Go to Create and Insert Audio Track.
2. Create 16 new blank Audio Tracks (it does not matter if
they are mono or stereo)
3. Make sure that these 16 audio tracks are positioned as
the first 16 tracks of the session
Any volume automation data or fader movements on these 16
tracks will control the analogue gains of Sigma.
4. Your existing tracks with audio recorded to them should
be routed out of different outputs on your audio interface,
which will then feed the appropriate Sigma inputs channels (just like you would do with any normal summing unit).
Notes:
These 16 audio tracks must be positioned as the first 16 in the session, as the HUI/MCU protocols dictate this.
Pan information is not read, you must set the pan in the CHANNELS page of Sigma browser.
Tip: You probably want to rename these Audio Tracks to meaningful names such as ‘KICK’ instead of Audio1. Once
you have done this in the DAW, go to the CHANNELS page in the web browser and click the DAW > NAMES button in
the global menu. This will copy across the names of the 16 tracks.
87<:85
<:+-4;
6=;<,/
&:+-4;
37<2/
;/;;387

Page 64
ABLETON LIVE! + SIGMA (WITH MCU CONTROL SURFACE)
If you wish to use Ableton Live with a control surface such as Nucleus, you should configure it using the same instructions
as in the previous setup example ( Ableton Live! + Sigma). Be aware that Ableton does not support control surface
grouping, so using banking functions on your MCU controller will mis-align the automation streams Sigma receives.
USING SIGMA WITH OTHER DAWS
This mode will work for any DAW that supports MIDI channels with faders. It works by using MIDI tracks in your session
to control the analogue gains directly, rather than over the HUI/MCU protocols. This also means that if you have a control
surface, banking does not have any unwanted effects on the automation data.
Sigma Browser Settings
1. Go to the Settings page in the Sigma browser.
2. Set DAW/PROTOCOL to MIDI from the drop-down box.
3. Disable the HANDSHAKING button.
4. Go to the MIDI ABSOLUTE mode and pick an ipMIDI Port - e.g. Port 9.
Note that the CHANNELS 1-8 and CHANNELS 9-16 boxes have no effect when using MIDI.

Page 65
Session Setup
We have used Pro Tools as an example.
1. Open your DAW.
2. Create 16 new MIDI Tracks (it does not matter where they are positioned in the session).
3. Set the output of the first MIDI track to ipMIDI Port 9, channel-1.
4. Continue setting the outputs in this way incrementally to get all 16 channels e.g. The second MIDI track is set to output
on ipMIDI Port 9, channel-2.
Any volume automation data or fader movements on these 16 MIDI tracks will control the analogue gains of Sigma.
6. Your existing tracks with audio recorded to them should be routed out of different outputs on your audio interface,
which will then feed the appropriate Sigma inputs channels (just like you would do with any normal summing unit).
7. You will need to move the MIDI faders before their levels are picked up by Sigma.
8. We recommend you use Pro Tools’ Solo Safe feature to Solo Safe the 16 MIDI tracks. This will ensure that when you
solo one of your audio tracks in Pro Tools, the automation data will still be read.
Tip: When using MIDI Absolute, the volume information is being sent discreetly from the output of each MIDI track.
This means that you can position these MIDI tracks anywhere in your DAW session. They do not have to be arranged
as the first 16 tracks.
Notes:
Although MIDI faders have a maximum resolution 127 values, these values are scaled in such a way to provide smooth
and natural volume automation in the useful range of fader travel.
Pan information is not read, you must set the pan in the CHANNELS page of Sigma browser.
"=<9=<;;/<<839 3.398:<2+77/5;

Page 66
USING TWO SIGMAS TOGETHER
If using two Sigmas, ensure that the following has been set up:
• Each Sigma has a different fixed IP address or you are using DHCP
• If using HUI/MCU, each Sigma should be set for different ipMIDI Ports, for example:
Sigma 1 - Set to Ports 1 & 2.
Sigma 2 - Set to Ports 3 & 4.
• You will need to have four HUI/MCU Controllers setup in your DAW, outputting to each of these ports accordingly.
The first 32 tracks of your session would then control the analogue gains.
• If using MIDI Absolute, each Sigma should be set to different ipMIDI Ports, for example:
Sigma 1 - Set to Port 9.
Sigma 2 - Set to Port 10.
• If using MIDI Absolute, you will need to create 32 MIDI tracks, with the first 16 channels set to Port 9 and the second
16 channels set to Port 10.
TIP: A good way of linking the audio from two Sigmas is using the SUM feature on the Mix Bus Insert. Connect the
MIX A output of your second Sigma unit into the Insert Return of Mix Bus A on the first Sigma. Engage the sum
function. This will sum Mix A from your second Sigma with Mix A from your first Sigma.

7. Automating Sigma’s Mix Busses
The gains of Sigma’s Mix Busses can also be automated from your DAW. The Mix Bus gains are controlled using two MIDI
tracks outputting on ipMIDI Port 20. Please note that Mix Bus control is fixed to ipMIDI Port 20 and this has no impact on
the settings you have already established to control channel gains.
Setup instructions
1) Make sure that ipMIDI has 20 ports enable in the AudioMidi Setup on your computer.
2) Insert two new MIDI tracks into your DAW session. Set the first to output on ipMIDI Port 20,
Channel 1 and set the second to output on ipMIDI Port 20 Channel 2.
3) The first MIDI track will control Mix A master gain and the second will control Mix B master gain.
Using this method, you will be able to control Mix Bus gains, regardless of whether you are using
HUI/MCU/MIDI to automate channel gains. Both can work simultaneously.
A useful thing to know is that you can quickly reset Mix Bus gains to 0in the
web browser by doing the following.
1. Go to MASTER page.
2. Click the Mix A or Mix B button in the LEVEL box to show Mix gain.
3. Press and hold the SHIFT key whilst hovering the mouse over the button.
4. When you see the “0dB” text appear, click the mouse.
Page 67

8. Controlling Sigma using Open Sound Control (OSC)
Sigma Software V1-0-3-6 and above allows bi-directional Open Sound Control operation (OSC). OSC is a communications
protocol optimised for modern networking technology. Sigma can respond to and send out a defined list of OSC messages,
allowing a number of useful control possibilities. See Appendix F for Sigma’s TouchOSC command list specification.
Sigma’s OSC implementation will allow you to do the following things:
•Control Sigma’s monitoring section and channel setup (all the functions found on the CHANNELS and MASTER section
from the web browser) from an iPad/iPhone app.
•Control Sigma’s analogue gains, solos, cuts, pans and mix bus routing from the same app.
All of this means that you can use Sigma as a ‘standalone’ analogue mixer.
Usefully, the OSC based app can be used to control only the monitoring and setup functions whilst Sigma’s analogue
gains continue to be controlled via your DAW faders (HUI/MCU/MIDI). Controlling the monitoring and setup section from
the OSC app has the advantage of a fast interaction, as the commands are sent straight to Sigma’s CPU and the web
browser thereafter. Simply loading the Sigma web pages in a web browser on your tablet may not be as fast.
Setting up OSC - Channel Setup and Monitoring Section
The Sigma V1-0-3-6 software download pack includes Sigma .touchosc templates for iPad and iPhone. These templates
will be configured with both the h e x l e r Touch OSC editor and the h e x l e r Touch OSC app for your tablet. To set up your
Sigma for OSC operation, please follow the steps below:
1) Ensure your network is configured with a wireless router. Both Sigma and your computer should be connected via
ethernet cables to your Wireless Router. Your iPad/iPhone will connect wirelessly to the same router.
2) Download the h e x l e r Touch OSC app for your tablet device. This is available through the app store.
3) Download the h e x l e r Touch OSC app for your computer. This is available through the h e x l e r website.
Page 68

4) Download the SSL Sigma.touchosc template file for iPad/iPhone which you will find in the Sigma Software & Support
Files folder in your SSL user account (accessed via your My Products page > Downloads).
5) Make sure your iPad/iPhone’s WI-FI is connected to your Wireless Router.
Page 69

6) Open the Touch OSC app on your iPad/iPhone and in the main menu click on Layout > Add. The screen will look
something like this:
7) On your computer, open the downloaded .touchosc template in the h e x l e r editor program
NOTE. To ensure that the next step is successful it is important that you do not open the h e x l e r editor program until
this point of the process. If the h e x l e r editor program was already open before Step 6, it may fail to connect. If this
is the case, close the editor program now and re-launch it.
Page 70

8) Click the SYNC button in the top toolbar.
9) Back in the Touch OSC app, your computer should appear in the list of Found Hosts. Select it and the template will
sync to your tablet/phone. Click STOP SYNC back in the editor program.
10) Once successfully synced, go to the settings page in the TouchOsc app (under Connections).
> Make sure ENABLED is ON.
> Set Host to Sigma’s current IP address – e.g. 192.168.1.201
> Set Port (outgoing) to 7000 . Set Port (incoming) to 9000.
> Make a note of the Local IP Address – you will need it in step 12.
Page 71

11) Go the Options page in the app and make sure that Send Ping (/ping) is turned OFF..
12) In your computer’s web browser, go to Sigma’s SETTINGS page. In the OSC IP Address fields, enter the Local IP
address shown in the Touch OSC app. e.g. 192.168.1.107.
13) You should be prompted to Reboot Sigma
Please note that if Sigma reboots and is given a different IP address by your router, you will need to adjust the HOST
setting in the OSC app so it can connect to Sigma again.
14) Go back to the main Layouts page in the TouchOSC app and select the downloaded Sigma template from the list.
Click ‘Done’ to open the layout.
Go to the MASTER tab and move or press some controls - the front panel of Sigma, the web browser and the Touch
OSC app should now all be synced.
Page 72

Setting Up OSC - Controlling Sigma’s analogue gains (iPad template only)
The faders in the Touch OSC iPad app will not yet be controlling Sigma’s analogue gains. To do this, you should choose
OSC in the DAW/PROTOCOL drop-down menu in the SETTINGS page of the web browser. A re-boot will be required. This
drop-down setting tells Sigma’s gains what to be controlled by.
Page 73

Page 74
Appendices
APPENDIX A - CONNECTORS & PINOUTS
‘CHIP’ – Channel Input Connectors †
Connector Type: -way D-type Female
Pin Description
Channel Right (+ve)
Channel Right (–ve)
V
Channel Left (+ve)
Channel Left (–ve)
V
Channel Right (+ve)
Channel Right (–ve)
V
Channel Left (+ve)
Channel Left (–ve)
V
Channel Right (+ve)
Channel Right (–ve)
V
Channel Left (+ve)
Channel Left (–ve)
V
Channel Right (+ve)
Channel Right (–ve)
V
Channel Left (+ve)
Channel Left (–ve)
V
n/c
‘CHOP’ – Channel Output Connectors †
Connector Type: -way D-type Female
Pin Description
Channel Right (+ve)
Channel Right (–ve)
V
Channel Left (+ve)
Channel Left (–ve)
V
Channel Right (+ve)
Channel Right (–ve)
V
Channel Left (+ve)
Channel Left (–ve)
V
Channel Right (+ve)
Channel Right (–ve)
V
Channel Left (+ve)
Channel Left (–ve)
V
Channel Right (+ve)
Channel Right (–ve)
V
Channel Left (+ve)
Channel Left (–ve)
V
n/c
EXT, RTNS, T/B †D-sub to
XLR-F
Loom
Connector Type: -way D-type Female
Pin Description
n/c
XLR- n/c
V
Talkback Mic Input (+ve)
XLR- Talkback Mic Input (–ve)
V
Mix B Insert Return Right (+ve)
XLR- Mix B Insert Return Right (–ve)
V
Mix B Insert Return Left (+ve)
XLR- Mix B Insert Return Left (–ve)
V
Mix A Insert Return Right (+ve)
XLR- Mix A Insert Return Right (–ve)
V
Mix A Insert Return Left (+ve)
XLR- Mix A Insert Return Left (–ve)
V
External Input Right (+ve)
XLR- External Input Right (–ve)
V
External Input Left (+ve)
XLR- External Input Left (–ve)
V
n/c
MIX B, SENDS, H/P †D-sub to
XLR-M
Loom
Connector Type: -way D-type Female
Pin Description
Headphone Right (+ve, line level)
XLR- Headphone Right (–ve, line level)
V
Headphone Left (+ve, line level)
XLR- Headphone Left (–ve, line level)
V
Mix B Insert Send Right (+ve)
XLR- Mix B Insert Send Right (–ve)
V
Mix B Insert Send Left (+ve)
XLR- Mix B Insert Send Left (–ve)
V
Mix A Insert Send Right (+ve)
XLR- Mix A Insert Send Right (–ve)
V
Mix A Insert Send Left (+ve)
XLR- Mix A Insert Send Left (–ve)
V
Mix B Output Right (+ve)
XLR- Mix B Output Right (–ve)
V
Mix B Output Left (+ve)
XLR- Mix B Output Left (–ve)
V
n/c
Main Monitor Output
Connector Type: XLR -pin Male
Pin Description
V (Chassis)
Signal +ve
Signal –ve
iJack Input
Connector Type: .mm Stereo Jack
Description
Tip Signal Left
Ring Signal Right
Sleeve V (Chassis)
Headphones
Connector Type: ." Stereo Jack
Description
Tip Signal Left
Ring Signal Right
Sleeve V (Chassis)
Alternate Monitor Output
Connector Type: XLR -pin Male
Pin Description
V (Chassis)
Signal +ve
Signal –ve
Mix A Output
Connector Type: XLR -pin Male
Pin Description
V (Chassis)
Signal +ve
Signal –ve
Foot Switch Input
Connector Type: ." Stereo Jack
Description
Tip Signal
Ring V (Chassis)
Sleeve V (Chassis)
†
<A9/-877/-<8:?3:37108558?;%D&+;-+6E;<+7.+:.+7.,37.37198;<;+:/'!<2:/+.

Page 75
APPENDIX B - SIGNAL FLOW BLOCK DIAGRAM

Page 77
Required Software
In order for Sigma to integrate with your DAW, ipMIDI software must be installed on your computer. In addition,
configuration of Sigma will require the use of a web browser (Chrome, Firefox, Safari, Internet Explorer).
Important: Please check the SSL website for tested web browser versions and compatibility.
Please login to your SSL account via the website (top right-hand side) or create a new account by clicking ‘Register’ (also
found at the top-right of the web page).
Once registered, you will be able to sign-in and download the ipMIDI software which allows Sigma to work with your DAW.
Sigma’s Internal Software
The SOFTWARE UPDATE button (found in the
SETTINGS page of the web browser) is used
to update Sigma’s internal software. You
must have the ethernet cable connected to
perform the update. Below the button you
will see the current version of Sigma
software you are running. There may be
infrequent updates provided for Sigma. The
NK.bin file used to update Sigma’s software
will be available from the SSL website. Go to
the Sigma product page and go to the
Downloads tab to login and download.
After downloading the .bin file, click on the
SOFTWARE UPDATE button and locate the
downloaded NK.bin file. Follow the onscreen
instructions.
IMPORTANT - After updating your Sigma software and restarting, you will need to clear your web browser’s Cache
in order for all changes to take effect.You may also need to Refresh the page.

Page 78
Hardware
The diagram below can be used in conjunction with our troubleshooting support videos for replacing Sigma’s hardware.
Revision: 1.0
Sheet: 1 of 1
Sigma Internal Wiring Diagram
Drg No:
Symbol Key
Connector Label {name}
Analogue Audio
Digital Data
629160X1 - Main Card
629160X1 - Connector Card {PL1B}
{PL3B}
{PL1A}
{PL3A}
{PL5}
{PL7}
{SK5}
{SK7}
626140X1 - CPU
629161X1 - Jack Card
{PL2B}
629161X1 - Display Card
{PL2A}

Page 79
APPENDIX D
Specifications - Technical & Environmental
APPENDIX E
Limited Warranty
Warranty claims will only be accepted if the purchased product has been used for its intended purpose. Any purchased
product used for an unintended purpose will not be eligible for warranty protection. For all warranty inquiries or claims
please address your claim to the dealer that you purchased the product from – or to Solid State Logic if the purchase was
directly from Solid State Logic – within a period of two months from the date on which you detected its lack of conformity
with the terms of the warranty. Please include your original proof of purchase when initiating the claim.
•Within the EU: Pursuant to the Solid State Logic Terms and Conditions under European consumer law the purchaser has
full statutory warranty rights for two years from the date of delivery of the product. The warranty is valid only in those
Member States of the European Union (EU) who have adopted the applicable EU law into their national legislation. The
applicable national legislation governing the sale of consumer goods is not affected by this warranty.
•Outside of the EU: Outside of the European Union a 12 month warranty from date of purchase is applicable.
Out of Warranty Repairs
In the event of a fault arising after the warranty period has expired the unit should be returned to Solid State Logic either
directly or via your local dealer. You will be charged for the time spent on the repair (at Solid State Logic's current repair
rate) plus the cost of parts and shipping. Note that no units can be accepted for repair without prior arrangement (see
below).
All Returns
• No unit will be accepted for repair by Solid State Logic unless accompanied by a valid RMA (Return Material
Authorisation) number, obtainable from Solid State Logic prior to shipping.
• All units should be shipped to Solid State Logic in suitable rigid packaging – Solid State Logic cannot be held
responsible for any damage caused by shipping units in other packaging. In such cases Solid State Logic will return the
unit in a suitable box, which you will be charged for.
• Do not include the power cable, manual or any other items – Solid State Logic can not guarantee to return them to you.
Physical *
Depth mm / ." casing only
Height mm / ." ( RU)
Width mm / " casing only
mm / " inc’ rack ears
Weight kg / pounds
Power < Watts
Boxed size mm x mm x mm
" x ." x "
Boxed weight kg / pounds
* All values are approximate
Environmental
Temperature Operating: + to deg. C
Non-operating: – to deg. C
Max. gradient: deg. C/hour
Relative Operating: to %
Humidity Non-operating: to %
Max. wet bulb: deg. C
(non-condensing)
Vibration Operating: <. G ( – Hz)
Non-operating: <. G ( – Hz)
Shock Operating: < G (ms max.)
Non-operating: < G (ms max.)
Altitude Operating: to m
(above sea level) Non-operating: to m
Connections
Power Supply IEC -pin connector, – Vac, – Hz
DC Power mm DC power jack, +V, <A
Analogue I/O -pin D-type socket, balanced, Zin >kΩ, Zo ≈ Ω
-pin XLR-M, balanced, Zo ≈ Ω
Headphones Stereo /" jack socket, Zo ≈ Ω
Footswitch Stereo /" jack socket ( circuit)
iJack Stereo .mm jack socket, Zi ≈ k
Network Pc modular connector; ‘RJ-’ type (bT, Cat)
USB x type-B chassis socket (SSL diagnostic use only)
Performance
Maximum I/O Level +dBu, +dBu or dBu
Frequency Response Hz – kHz ±.dB
THD + N <.% (Hz – kHz)
Noise
CHIP to CHOP <–dBu @ +dBu (Hz – kHz)
CHIP to MIX A <–dBu @ +dBu (Hz – kHz)
(stereo, all channels routed)
Electro Magnetic Compatibility
EN-:, EN-:
Environment E
Initial in-rush current A
sec in-rush current A
Braid-screened cables should be used where applicable
Star Quad cables should be used where applicable
EMC Performance Criteria
Line level inputs and outputs
Measure at mid-gain, noise <–dBu

APPENDIX F
Sigma OSC command list messages
All toggle buttons have their local feedback disabled within the TouchOSC editor, the state of each button is returned
by Sigma.
Channels
Global
Page 80
OSC Address Pattern Parameter Value Type Notes
/solidstatelogic/sigma/channels/fader/.. float - fader
/solidstatelogic/sigma/channels/fader/../dB label Channel gain value
/solidstatelogic/sigma/channels/pan/.. float - - rotary
/solidstatelogic/sigma/channels/mixa//.. float : multi-toggle
/solidstatelogic/sigma/channels/mixb//.. float : multi-toggle
/solidstatelogic/sigma/channels/mono//.. float : multi-toggle
/solidstatelogic/sigma/channels/solo//.. float : multi-toggle
/solidstatelogic/sigma/channels/cut//.. float : multi-toggle
OSC Address Pattern Parameter Value Type Notes
/solidstatelogic/sigma/global/mixa float : toggle
/solidstatelogic/sigma/global/mixb float : toggle
/solidstatelogic/sigma/global/mono// float : multi-toggle Mono
/solidstatelogic/sigma/global/mono// float : multi-toggle Stereo
/solidstatelogic/sigma/global/solo float : push Solo Clear
/solidstatelogic/sigma/global/dB float : push Channel dB

Master
Page 81
OSC Address Pattern Parameter Value Type Notes
/solidstatelogic/sigma/master/mon/dim float : toggle
/solidstatelogic/sigma/master/mon/cut float : toggle
/solidstatelogic/sigma/master/mon/alt float : toggle
/solidstatelogic/sigma/master/mon/mono float : toggle
/solidstatelogic/sigma/master/hp/tb float : toggle/push
/solidstatelogic/sigma/master/level/btoa float : toggle
/solidstatelogic/sigma/master/level float : push
/solidstatelogic/sigma/master/fader/mon float - rotary
/solidstatelogic/sigma/master/fader/hp float - rotary
/solidstatelogic/sigma/master/fader/mixa float - rotary
/solidstatelogic/sigma/master/fader/mixb float - rotary
/solidstatelogic/sigma/master/mon// float : multi-toggle MixA
/solidstatelogic/sigma/master/mon// float : multi-toggle MixB
/solidstatelogic/sigma/master/mon// float : multi-toggle Ext
/solidstatelogic/sigma/master/hp// float : multi-toggle MixA
/solidstatelogic/sigma/master/hp// float : multi-toggle MixB
/solidstatelogic/sigma/master/hp// float : multi-toggle Ext
/solidstatelogic/sigma/master/mixa/ins float : toggle
/solidstatelogic/sigma/master/mixa/ins/sum float : toggle
/solidstatelogic/sigma/master/mixa/dB float : push
/solidstatelogic/sigma/master/mixb/ins float : toggle
/solidstatelogic/sigma/master/mixb/ins/sum float : toggle
/solidstatelogic/sigma/master/mixb/dB float : push

www.solid-state-logic.com
Visit SSL at: www.solidstatelogic.com
82BMSM01B
© Solid State Logic
All Rights reserved under International and Pan-American Copyright Conventions
Matrix, Nucleus, SSL and Solid State Logic are trademarks of Solid State Logic
All other product names and trademarks are the property of their respective owners and are hereby
acknowledged
No part of this publication may be reproduced in any form or by any means, whether mechanical or
electronic, without the written permission of Solid State Logic, Oxford, OX5 1RU, England
As research and development is a continual process, Solid State Logic reserves the right to change
the features and specifications described herein without notice or obligation.
Solid State Logic cannot be held responsible for any loss or damage arising directly or indirectly
from any error or omission in this manual.
E&OE
