MICROCHIP TECHNOLOGY BM78ABCDEFGH Bluetooth Module User Manual BM78 RN4678 datasheet 20150922 f
Microchip Technology Inc. Bluetooth Module BM78 RN4678 datasheet 20150922 f
Manual

Advanc
e
Information
2015 Microchip Technology Inc.
page 
1
BM78SPPS5MC2,RN4678 
Bluetooth
® 
4.0 Dual mode Module 
Features: 
• 
Bluetooth Classic (BR/EDR) and Low 
Energy (LE) 
• 
Complete , Fully Certified, Embedded 2.4 
GHz Bluetooth® Version 4.0 IC 
• 
Bluetooth SIG Certified 
• 
Transparent UART mode for seamless 
serial data over UART interface 
• 
Easy to configure with Windows GUI or 
direct by MCU 
• 
Firmware can be field upgradable via UART 
• 
Compact surface mount module: 22 x 12 x 
2.4 mm 
• 
Castellated surface mount pads for easy 
and reliable host PCB mounting 
• 
Perfect for Portable Battery  Operated 
Devices 
• 
Internal Battery Regulator Circuitry 
• 
Worldwide regulatory certifications 
• 
1 LED and it has 16 steps Brightness. 
Operational: 
• 
Single operating voltage: 3.2V to 4.3V 
• 
Temperature range: -20℃ to 70℃ 
Industrial 
• 
Simple, UART interface 
• 
Integrated crystal, internal voltage 
regulator, and matching circuitry 
• 
Multiple I/O pins for control and status 
RF/Analog: 
• 
Frequency: 2.402 to 2.480 GHz 
• 
Receive Sensitivity: -90 dBm (BR/EDR); -92 
dBm (LE) 
• 
Power Output: +2 dBm (typ.) 
Data Throughput: 
• 
11k bps (BR/EDR)@ UART baud Rate is 115200 
bps 
• 
8 Kbps (LE) UART baud Rate is 115200 bps 
MAC/Baseband/Higher Layer: 
• 
Secure AES128 encryption 
• 
BTv3.0: GAP, SPP, SDP, RFCOMM and L2CAP 
• 
BTv4.0: GAP, GATT, ATT, SMP and L2CAP. 
FIGURE 1: BM78 TOP VIEW 
General Description: 
The BM78 is a fully-certified Bluetooth® 
Version 4.0 (BR/EDR/LE) IC for designers who 
want to easily add dual mode Bluetooth® 
wireless capability to their products. 
Advanc
e
Information
2015 Microchip Technology Inc.
page 
2
Delivering local connectivity for the 
Internet of Things (IoT), the IC bridges your 
product to Smart Phones and Tablets for 
convenient data transfer, control and 
access to cloud applications. 
It supports GAP, SDP, SPP, and GATT 
profiles. Data is transferred over the 
Bluetooth link by sending/receiving data 
via transparent UART mode, making it easy 
to integrate with any processor or 
Microcontroller with a UART interface. 
Configuration is made easy using a 
Windows® based GUI or directly via UART 
by a MCU 
Applications: 
• 
Mobile Point of Sales (mPOS) 
• 
LED lighting (16 step) 
• 
Wearables 
• 
Digital Sports 
• 
Fitness Devices 
• 
Health Care/ Medical 
• 
Automotive Accessories 
• 
Home Automation 
• 
Remote Control Toys 

Advanc
e
Information
2015 Microchip Technology Inc.
page 
3
BM78SPPS5M
C2
, RN4678
    TO OUR VALUED CUSTOMERS 
It is our intention to provide our valued customers with the best documentation possible to ensure successful use of your Microchip
products. To this end, we will continue to improve our publications to better suit your needs. Our publications will be refined and
enhanced as new volumes and updates are introduced. 
If you have any questions or comments regarding this publication, please contact the Marketing Communications Department via
E-mail at docerrors@microchip.com. We welcome your feedback. 
Most Current Data Sheet 
To obtain the most up-to-date version of this data sheet, please register at our Worldwide Web site at: 
http://www.microchip.com 
You can determine the version of a data sheet by examining its literature number found on the bottom outside corner of any page.
The 
last character of the literature number is the version number, (e.g., DS30000000A is version A of document DS30000000). 
Errata 
An errata sheet, describing minor operational differences from the data sheet and recommended workarounds, may exist for current
devices. As device/documentation issues become known to us, we will publish an errata sheet. The errata will specify the revision
of silicon and revision of document to which it applies. 
To determine if an errata sheet exists for a particular device, please check with one of the following: 
  Microchip’s Worldwide Web site; http://www.microchip.com 
  Your local Microchip sales office (see last page) 
When contacting a sales office, please specify which device, revision of silicon and data sheet (include literature number) you are
using. 
Customer Notification System 
Register on our web site at www.microchip.com to receive the most current information on all of our products. 

Advanc
e
Information
2015 Microchip Technology Inc.
page 
4
BM78SPPS5M
C2
, RN4678
1.0  DEVICE OVERVIEW 
The BM78 is a complete, fully certified, embedded 2.4 GHz Bluetooth® version 4.0 
(BR/EDR/LE) wireless IC. It incorporates an on-board Bluetooth stack, cryptographic accelerator, 
power management subsystem, 2.4 GHz transceiver, and RF power amplifier (see Figure 1). With 
the BM78, designers can embed Bluetooth functionality rapidly into virtually any device. 
The BM78 provides cost and time-to-market savings as a self-contained Bluetooth solution. 
The IC has been designed to provide integrators with a simple Bluetooth solution that features: 
• Ease of integration and programming 
• Vastly reduced development time 
• Minimum system cost 
• Interoperability with Bluetooth hosts 
• Maximum value in a range of applications 
The BM78 can independently maintain a low-power wireless connection. Low-power usage 
and flexible power management maximize the IC’s lifetime in battery-operated devices. A wide 
operating temperature range allows use in indoor and outdoor environments (industrial 
temperature range). 
The  BM78  module  comes  in  two  varieties.  The  BM78SPPS3MC2  is  a  complete,  fully 
regulatory certified
module with integral ceramic chip antenna and shield.  The BM78SPP03MC2 is 
a lower cost alternative
with external antenna and no shield.  The integrator is responsible for the 
antenna, antenna matching,
and regulatory certifications. 
The BM78 is a small, compact, surface mount module with castellated pads for easy and 
reliable host
PCB mounting.  The module is compatible with standard pick-and-place equipment. 
TABLE 1‐1:  BM78 MODULE FAMILY TYPES 
Device
Antenna
Shield
Regulatory
C
e
rtifications
BM7
8
SPPS
5N
C
2
Integral
cer
a
mi
c
ch
i
p
Yes
FCC,
IC,
CE,
KCC,
NCC,
Japan
BM7
8
SPP0
5N
C2
External
No
NO
FIGURE 1: Block Diagram 

Advanc
e
Information
2015 Microchip Technology Inc.
page 
5
BM78SPPS5M
C2
, RN4678

Advanc
e
Information
2015 Microchip Technology Inc.
page 
6
BM78SPPS5M
C2
, RN4678
FIGURE 1‐2:  BM78SPPS5NC2 PIN DIAGRAM 
FIGURE 1‐3:  BM78SPP05NC2 PIN DIAGRAM 

Advanc
e
Information
2015 Microchip Technology Inc.
page 
7
BM78SPPS5MC2 , RN4678
TABLE 1‐1: PIN DESCRIPTION 
S5 
pin 
03 
pin  Symbol  Type  Description 
1  --  GND  Power  Ground reference 
2
--
GND
Power
Ground reference
3  1  GND  Power  Ground reference 
4  2  BAT_IN  Power  Battery Input. Main positive supply input. 
Connect to 10
uF 
(X5R/X7R)
capacitor.
5  3  SW_BTN  DI  Software Button H: Power On / L: Power Off 
6  4  LDO33_O  Power  Internal 3.3V LDO regulator output. 
Connect to 10
uF
(X5R/X7R)
capacitor.
7  5  VDD_IO  Power  I/O positive supply input.  
Ensure VDD_IO and MCU I/O voltages are compatible.
8  6  LDO18_O  Power  Internal 1.8V LDO regulator output. 
Connect to 10uF  (X5R/X7R) capacitor. 
9  7  WAKEUP  DI  Wakeup from shutdown mode (active low) 
(internal pull-up)
10  8  PMULDO_O  Power  Power management unit output. 
Connect to 1
uF 
(X5R/X7R)
capacitor.
11  9  P0_4  DO  UART_TX_IND: 
H: BM78 indicate UART data will be transmitted out 
after certain timing. 
(Setting by UI@ “MCU setting”, default wait  5ms)*1 
L: Otherwise. 
STATUS_IND_2: 
BM78
State indication , refer to P1
_
5
12  10  P1_5  DO  STATUS_IND: 
B
luetooth link status indication
13
11
P1
_
2/SCL
DO
I2C SCL (Do Not Connect)
14
12
P1
_
3/SDA
DIO
I2C SDA (Do Not Connect)
15  13  P1_7/CTS  DIO  Configurable Control or Indication pin or  
UART CTS (input) 
16
14
P0
_
5
DIO
Configurable Control or Indication pin
17  15  P0_0/RTS  DIO  Configurable Control or Indication pin or  
UART RTS (output) 
18
16
P2
_
0
DI
System configuration (internal pull-up)
19  17  P2_4  DI  System configuration (internal pull-up) 
20
18
EAN
DI
System configuration (internal pull-down)
21  19  RST_N  DI  Module reset (active low) (internal pull-up) 
Apply a pulse of at least 63 ns. 
22
20
RXD
DI
UART data input
23
21
TXD
DO
UART data output
24  22  P3_1  DIO  Configurable Control or Indication pin  
(when configured as input: internal pull-up)
25  23  P3_2  DIO  Configurable Control or Indication pin 
(when configured as input: internal pull-up)

Advanc
e
Information
2015 Microchip Technology Inc.
page 
8
BM78SPPS5MC2 , RN4678
26  24  P3_3  DIO  Configurable Control or Indication pin 
(when configured as input: internal pull-up) 
27  25  P3_4  DIO  Configurable Control or Indication pin 
(when configured as input: internal pull-up) 
28  26  P3_6  DIO  (Do Not Connect) 
29  27  P3_7  DIO  Configurable Control or Indication pin 
(when configured as input: internal pull-up)
30  28  LED1  DO  Status LED  
31
29
GND
Power
Ground reference
--
30       
BT_RF
AIO
External antenna 
connection (50 ohm)
32  --  GND  Power  Ground reference 
33
--
GND
Power
Ground reference
Note 1: Pin type abbreviation: A = Analog, D = Digital, I = Input, O = Output. 
UI setting: 

Advanc
e
Information
2015 Microchip Technology Inc.
page 
9
BM78SPPS5MC2 , RN4678
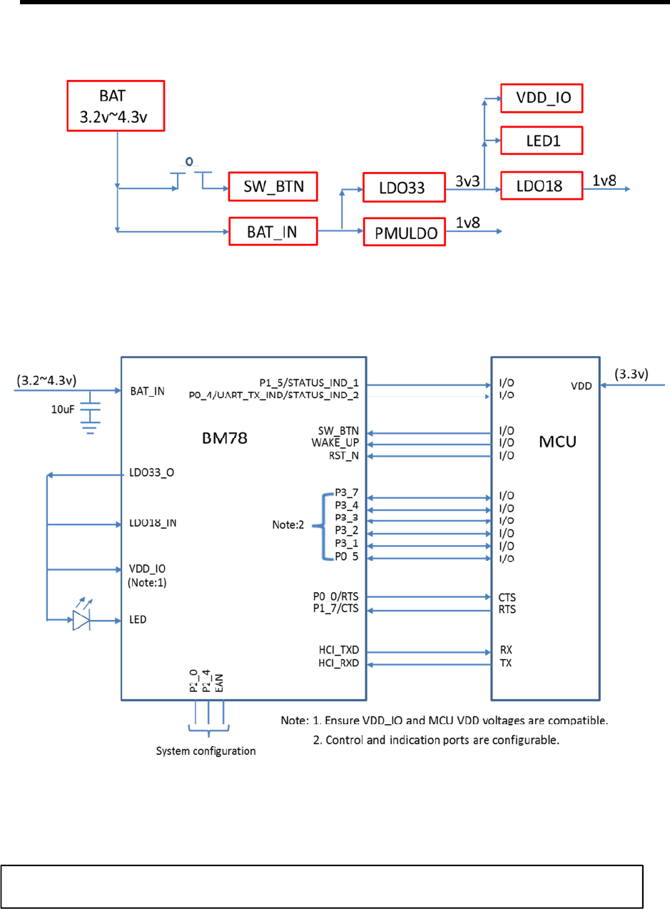
1.1  Power Tree 
Figures 2-1 : Power Tree 
1.2 
UART  Interface 
Figures 2-2 : Power and MCU interface examples. 
Figure 2‐2 shows an example power scheme using a 3.3 volt to MCU VDD. Battery power is 
applied to BAT_IN pin. From the LDO33_O pin, voltage can be routed the VDD_IO pin and external 
circuitry including the MCU. This power scheme ensures that BM78 and MCU I/O voltages are 
compatible.  
CAUTION: The internal 3.3volt LDO current source: 50mA maximum!! 

Advanc
e
Information
2015 Microchip Technology Inc.
page 
10
BM78SPPS5MC2 , RN4678
2.0 Bluetooth behavior auto/manual pattern configuration 
2.1 auto pattern 
Power ON
Auto Pattern Setting
Auto Pattern Manual Pattern
Configure Mode
Enabled
Disabled

Advanc
e
Information
2015 Microchip Technology Inc.
page 
11
BM78SPPS5MC2 , RN4678
Access State 
Configure mode 
Standby mode
Link back mode 
Pairing Procedure
Link state  Connected mode 
Shutdown state  Shutdown mode 
2.2 Manual pattern 

Advanc
e
Information
2015 Microchip Technology Inc.
page 
12
BM78SPPS5MC2 , RN4678
2.3 UI setting 
NOTE: Please reference 
“Application Note_IS1678S_Draft.docx”
and “IS1678S Command Set v0 
97 20140924.docx.” 

Advanc
e
Information
2015 Microchip Technology Inc.
page 
13
BM78SPPS5MC2 , RN4678
3.0
Control and Indication I/O Pins 
I/O pins P0_0, P0_5, P1_7, P3_1, P3_2, P3_3, P3_4 and P3_7 are configurable control and 
indication I/O. Control signals are input to the BM78. Indication signals are output from the BM78. 
Table 4‐1 shows configurable I/O pin assignment to control and indication signals. 
 Note: that RTS can only be assigned to P0_0 and CTS is assigned to P1_7. 
Configuring the BM78 can reference the “Application Note_IS1678S_Draft.docx” and 
“IS1678S Command Set v0 97 20140924.docx.” 
TABLE 3‐1: CONFIGURATION AND INDICATION I/O ASSIGNMENTS 
N/C
UART_RTS
UART_CTS
LOW_BATTERY_IND
RSSI_IND
GET WIFI INFO KEY
LINK_DROP_CONTROL
(DISCONNECT)
UART_RX_IND
PAIRING_KEY
INQUIRY CONTROL
PROFILE_IND
P0_0
■
P0_5
■
P1_7
■
P3_1
■
P3_2
■
P3_3
■
P3_4
■
P3_7
■

Advanc
e
Information
2015 Microchip Technology Inc.
page 
14
BM78SPPS5MC2 , RN4678
3.1 UI setting 

Advanc
e
Information
2015 Microchip Technology Inc.
page 
15
BM78SPPS5MC2 , RN4678
4.0
Status Indication I/O Pins 
I/O pins P1_5 and P0_4 are Status Indicator 1 and 2 signals respectively. Together they 
provide status indication to the MCU as shown in Table 4‐1. 
TABLE 4‐1: STATUS INDICATION 
P1_5 
/STATUS_IND_1 
P0_4 
/STATUS_IND_2 
Indication 
H  H  Power-on to setting default and Shutdown State. 
HH status should be stable for at least 500ms
H  L  Access state 
L  H  Link state  
(
UART data be
tween
being and stop 
transmitted)
L  L  Link state (UART data stop transmitted) 
4.1 System Configuration 
I/O pins P2_0, P2_4, and EAN place the BM78 into operation modes as shown in  Table 4‐2. 
P2_0 , P2_4and EAN each have internal pull-ups.  
TABLE 4‐2: SYSTEM CONFIGURATION SETTINGS 
IC  P2_0 P2_4 EAN Operational Mode 
IS1678S  Low  High  High  Write EEPROM and test mode 
High  High  High  Normal operation / APP Mode 

Advanc
e
Information
2015 Microchip Technology Inc.
page 
16
BM78SPPS5MC2 , RN4678
5.0  Software Button (SW_BTN) 
The Software Button (SW_BTN) input pin powers the BM78 on (high) or off (low) in to S4 mode. 
  Figures 5‐1 : SW_BTN Time (high) @APP mode
 Note:  
A. P0_4/P1_5 state: Refer to table5-1 
B. Reset is floating. 
Figures 5‐2 : SW_BTN Time (low) at access states. 
               Note:  
A. SW_BTN pull low can’t active on Shutdown State. 
B. Reset is floating. 
Figures 5‐3 : SW_BTN Time (low) at link states. 

Advanc
e
Information
2015 Microchip Technology Inc.
page 
17
BM78SPPS5MC2 , RN4678
 Note:  
C. *1: this time by iPhone LE mode disconnect time. 
D. SW_BTN pull low can’t active on Shutdown State. 
E. Reset is floating. 
6.0  WAKE UP 
The Wake Up input pin wakes the BM78 from shutdown mode (active low). 
    Figures 6‐1 : WAKE_UP Time at Shutdown State. 
7.0  EXTERNAL RESET 
  A  watchdog  timer  capable  of  reset  the  chip.  It  has  an  integrated  Power-On  Reset  (POR) 
circuit  that  resets  all  circuits  to  a  known  power-on  state.  This  action  can  also  be  driven  by  an 
external reset signal that can be used to externally control the device, forcing it into a power-on 
reset state. The RST signal input is active low and no connection is required in most applications. 
Figures 7 ‐1 : Reset Time at Shutdown State. 

Advanc
e
Information
2015 Microchip Technology Inc.
page 
18
BM78SPPS5MC2 , RN4678
           Note:      
a. Auto pattern can use external reset. 
b. Manual pattern can use external reset and reset command. 
8.0 LED DRIVER 
  There are one dedicate LED drivers to control the LEDs. The LED can be connected directly 
with BM78. The LED max current is 4 mA and it has 16 steps to trim Brightness. 
BM78
LED1
LDO33_O
The status LED (LED1) indicates: 
 Standby                         
 Link Back 
 Low Battery                  
 Inquiry 
 Link                                
 Page 
Each indication is a configurable flashing sequence. LED brightness can also be configured. 
9.0 MEMORY 
  A  synchronous  single  port  RAM  interface  is  used.  There  are  sufficient  ROM  and  RAM  to 
fulfill the requirement of processor. A register  bank, a dedicated single port memory and a flash 
memory  are  connected  to  the  processor  bus.  The  processor  coordinates  all  the  link  control 
procedures and data movement using a set of pointers registers. 

Advanc
e
Information
2015 Microchip Technology Inc.
page 
19
BM78SPPS5MC2 , RN4678

Advanc
e
Information
2015 Microchip Technology Inc.
page 
20
BM78SPPS5MC2 , RN4678
10.0 Throughput  
The BM78 UART pins TXD and RXD connect to the UART pins of the host MCU. It is highly 
recommended to use hardware flow control pins RTS and CTS. The BM78 hardware flow control is 
disabled by default and must be configured to enable. The UART Baud is configurable. The 
available signal rates are listed in Table 10‐1. 
TABLE 10‐1: UART BAUD 
Baud Crystal Frequency  (MHz) Actual Baud Error Rate (%) 
921600  16  941176  2.12 
460800  16  457143  -0.79 
307200  16  307692  0.16 
230400  16  231884  0.64 
115200  16  117647  2.1 
57600  16  57145  -0.97 
38400  16  38462  0.16 
28800  16  28623  -0.62 
19200  16  19231  0.16 
14400  16  14480  0.55 
9600  16  9615  0.16 
4800  16  4808  0.16 
2400  16  2399  -0.03 
TABLE 10‐2: APP mode Throughput report 
BR/EDR mode       iPad mini (Wi‐Fi disable){iOS 7.0.4 (11B554a)} 
921600 bps  echo Tx  echo Rx  Tx  Rx 
Burst Throughput(byte/s)
14384.46
9845.31  14521.5
14333.3
Normal 
Throughput(byte/s)  8437.462
8375.28  6674.11
14399.4
BR/EDR mode      iPad mini (Wi‐Fi disable){iOS 7.0.4 (11B554a)} 
115200 bps  echo Tx  echo Rx  Tx  Rx 
Burst Throughput(byte/s)
11080.55
9284.37  11640.3
11134.8
Normal 
Throughput(byte/s)  6248.758
6211.69  11513  11158.4
BR/EDR mode      Android   Samsung Note3/Android 4.3 
921600 bps  echo Tx  echo Rx  Tx  Rx 
Normal 
Throughput(byte/s)  9727.704
9041.34  17030.1
10233.6

Advanc
e
Information
2015 Microchip Technology Inc.
page 
21
BM78SPPS5MC2 , RN4678
BR/EDR mode      Android   Samsung Note3/Android 4.3 
115200 bps  echo Tx  echo Rx  Tx  Rx 
Normal 
Throughput(byte/s)  11312.2  10548.5  9842.5  11436.4
 LE mode       iPad mini (Wi‐Fi disable){iOS 7.0.4 (11B554a)} 
115200 bps  TX  RX 
(response)
Rx  
(Reliable Burst Transmit)
Normal 
Throughput(byte/s)  7935.2  3337.3  7082.1 
LE mode        iPad mini (Wi‐Fi disable){iOS 7.0.4 (11B554a)} 
921600 bps  TX  RX 
(response)
Rx  
(Reliable Burst Transmit)
Normal 
Throughput(byte/s)  8063.2  3384.5  6839.9 

Advanc
e
Information
2015 Microchip Technology Inc.
page 
22
BM78SPPS5MC2 , RN4678
11.0 Mounting Details 
The BM78 SPPS5NC2 physical dimensions are shown in Figure 11-1, recommended host PCB footprint 
in
Figure 11-2, and mounting suggestion in Figure 11-3.  There should not be top copper layer near the 
test
pin area shown in Figure 11-2.  When laying out the host PCB, the areas under the antenna should 
not
contain any top, inner layer, or bottom copper as shown in Figure 11-3.  A low-impedance ground 
plane
will ensure best radio performance (best range, lowest noise).  Figure 11-3 shows a minimum 
ground
plane area to the left and right of the module for best antenna performance.  The ground plane 
can be
extended beyond the minimum recommended as need for host PCB EMC noise reduction.  For 
best
range performance, keep all external metal away from the ceramic chip antenna at least 31 mm. 
The BM78SPP03MC2 physical dimensions are shown in Figure 11-4, recommended host PCB footprint in
Figure 11-5, and mounting suggestion in Figure 11-6.  It is highly recommended to layout the host PCB as
suggested in Figure 11-6.  A low-impedance ground plane will ensure best radio performance (best
range, lowest noise).  Pin 30 (BT_RF) is a 50 ohm connection to an external antenna connector, PCB
trace antenna, or component (ceramic chip) antenna through a host PCB 50 ohm micro-strip trace.  This
trace can be extended to include passive parts for antenna attenuation padding, impedance matching,
or to provide test posts.  It is recommended that the micro-strip trace be as short as possible for
minimum loss and best impedance matching.  If the micro-strip trace is longer, it should be a 50 ohm
impedance.  Figure 11-6 shows an example connection to U.FL connector. 
Soldering Recommendations 
The BM78 wireless module was assembled using standard lead-free reflow profile IPC/JEDEC J-STD-020.
The module can be soldered to the host PCB using standard leaded and lead-free solder reflow profiles.
To avoid damaging the module, the following recommendations are given: 
• 
Microchip Technology Application Note AN233 Solder Reflow Recommendation (DS00233)
provides solder reflow recommendations 
• 
Do not exceed peak temperature (T
P
) of 250 deg C 
• 
Refer to the solder paste data sheet for specific reflow profile recommendations 
• 
Use no-clean flux solder paste 
• 
Do not wash as moisture can be trapped under the shield 
• 
Use only one flow.  If the PCB requires multiple flows, apply the module on the final flow. 

Advanc
e
Information
2015 Microchip Technology Inc.
page 
23
BM78SPPS5MC2 , RN4678
FIGURE 11‐1:  BM78SPPS5NCS MODULE DIMENSIONS 
FIGURE 11‐2:  BM78SPPS5NC2 RECOMMEDED PCB FOOTPRINT 

Advanc
e
Information
2015 Microchip Technology Inc.
page 
24
BM78SPPS5MC2 , RN4678
FIGURE 11‐3:  BM78SPPS5NCS HOST PCB MOUNTING SUGGESTION 
Top and Bottom Copper
 layer keep out area
Top Copper Layer
Bottom Copper Layer
>6.4mm
>4.7mm
Edge of
host PCB

Advanc
e
Information
2015 Microchip Technology Inc.
page 
25
BM78SPPS5MC2 , RN4678
FIGURE 11‐4:  BM78SPP05NCS MODULE DIMENSIONS 
FIGURE 11‐5:  BM78SPP05NC2 RECOMMEDED PCB FOOTPRINT 

Advanc
e
Information
2015 Microchip Technology Inc.
page 
26
BM78SPPS5MC2 , RN4678
FIGURE 11‐6:  BM78SPP05NCS HOST PCB MOUNTING SUGGESTION 
Top Copper Layer
Bottom Copper Layer

Advanc
e
Information
2015 Microchip Technology Inc.
page 
27
BM78SPPS5MC2 , RN4678
12.0  ANTENNA PLACEMENT RULE 
For Bluetooth product, antenna placement will affect whole system performance. 
Antenna need free space to transmit RF signal, it can’t be surround by GND plane. 
Here are some examples of good and poor placement on a Main Application board with GND plane. 
FIGURE 12-1: KEEP OUT AREA SUGGESTION FOR ANTENNA 
For more detail free space of antenna placement design, you can reference the design rule of 
antenna produce vendor. 

Advanc
e
Information
2015 Microchip Technology Inc.
page 
28
BM78SPPS5MC2 , RN4678
12-2 
BM78SPPS5NC2 Ceramic Chip Antenna
The BM78SPPS5NC2 module contains an integral ceramic chip antenna.  The antenna performance on
the module is shown in Figure 12-2. 
FIGURE 12‐2:  BM78SPPS5NC2 ANTENNA RADIATION PATTERN 
Gain (dBi)
0.0
5.0
-5.0
-10.0
-15.0
-20.0
-25.0
-30.0
-35.0
X-axis
Y-axis
Z-axis
Frequency
2450 MHz
Max Gain
1.63 dBi
Efficiency
71.55%

13.0  Electrical Characteristics 
Recommended Operating Conditions 
Rating   Min  Typ  Max 
Storage temperature range  -65ºC  +25ºC  +150ºC 
Ambient Operating temperature range  -20ºC  +25ºC  +70ºC 
Relative Humidity (Operating)  10%    90% 
Relative Humidity (Storage)  10%    90% 
ESD 
HBM    ±2KV   
MM    200V   
HTOL
 (*1)
1000 hrs   
Supply voltage : BAT_IN   3.2V    4.3V 
SW_BTN  1.7V    4.3V 
LED1      3.6V 
Reset  
V
TH,res 
threshold voltage
   1.6V   
IOH      12mA 
IOL      12mA 
VIL input logic levels low -0.3V    0.8V 
VIH input logic levels high  2.0V    3.6V 
VOL output logic levels low      0.4V 
VOH output logic levels high  2.4V     
RF TX mode      43 mA  
RF RX mode      37 mA 
1) HTOL life test condition : +125ºC , BAT_IN=4.2V, LDO33_O= 3.3V, LDO18_O=1.9V 

1.8V LDO  
(*1)(*2)  Min  Typ  Max  Unit 
Operation Temperature  -20    70  ℃ 
Input Voltage (V
in
) 
(*3)
  2.0    3.6  V 
Output  Current  (V
IN
=3.0v/load  regulation  with 
80m
V
drop
)
  100 
mA 
Quiescent Current (V
in
 <3.0V)    13    uA 
1) With 1uF capacitors at LDO18_O as the condition of IP verification. 
2) Output voltage can calibration by MP tool 
  3.3V LDO  
(*1)(*2)  Min  Typ  Max  Unit 
Operation Temperature  -20    70  ℃ 
Input Voltage (V
in
)  3.2    4.3  V 
Output Current (V
IN
=3.6v / load regulation with 
100mV drop)      100   mA 
Quiescent Current(V
IN
=3.6v)    150    uA 
1) With 10uF capacitor at LDO33_O as the condition of IP verification 
2) Output voltage can calibration by MP tool 
PMU LDO  
(*1)(*2)  Min  Typ  Max  Unit 
Operation Temperature  -20    70  ℃ 
Input Voltage (V
in
)  3.2    4.3  V  
Output  Current  (VIN=3.6v  /  load  regulation 
with 
0.3
mV drop
)
  100    uA 
Quiescent Current(VIN=3.6v)    120    uA 
1) With 1uF capacitor at PMULDO_O as the condition of IP verification. 
2) Output voltage can calibration by MP tool 
 SAR‐ADC and Battery Voltage Detector 
  Min  Typ  Max  Unit 
Operation Temperature  -20    70  ℃ 
AVDD_SAR power supply 
1.8 
V 
SAR_BAT(BAT_IN)  1.1    4.5  V 
Resolution    10    bit 

1) SAR_BAT is shorted to BAT_IN internally for battery voltage detection. 
Intensity controllable LED driver  
  Min  Typ  Max  Unit 
Operation Temperature  -20    70  ℃ 
Open-drain Voltage      3.6  V 
Current Step    0.3 
mA 
Programmable Current Range  0    5  mA 
Intensity control    16    step 
Power down open-drain current      1   uA 
Shutdown Current      1   uA 
Operating Current (including bandgap)      1  mA 
Shutdown Current      1  uA 

14.0  Radio Characteristics:  
Transmitter Performance (25℃
℃℃
℃) 
  Min  Typ  Max  Bluetooth 
specification
Unit 
BDR power  
2 
-6 ~ +4 
dBm EDR power    0    -6 ~ +4 
LE power    2    -20 ~ +10 
NOTE: 
1)  The  RF  Transmit  power  calibrated  during  production  using  MP  Tool  software  and  MT8852 
Bluetooth Test equipment. 
2)  Test condition: VCC_RF= 1.80V, temperature=25 ºC. 
Receiver Performance (25℃
℃℃
℃) 
Basic Data Rate  Min  Typ  Max  Bluetooth 
specification
Unit 
BDR  Sensitivity     -90   
≤-70  dBm 
EDR  2M Sensitivity    -90   
EDR  3M Sensitivity    -82   
LE Sensitivity    -92   
NOTE: 
1)   Test condition: VCC_RF= 1.80V, temperature=25 ºC. 

15.0  System Current Consumption 
SUPPLY CONSUMPTION – CLASSIC 
(1) 
Parameter
Current
(avg.)
Units : mA 
Current
Notes
Standb
y
mode
2.543
shut
down
mode
0.187
Connect
e
d
+
Sniff,
Master
(n
o
d
a
ta)
0.
541
N
o
dat
a
was
transmitted
Sniff interval = 500ms
Connect
e
d
+
Sniff,
Slave
(
no
data)
0.
551
N
o
dat
a
was
transmitted
Sniff interval = 500ms
Data,
Master
10.67
(Data
trans
mi
tted
at
1152
0
0
bps;
block
size=500)
Data,
Slave
14.87
(Data
trans
mi
tted
at
1152
0
0
bps;
block
size=500)
Note 1: Classic BR/EDR, RX_IND Function Enabled 
          2. The DATA from IS1678S-151 
SUPPLY CONSUMPTION –LOW ENERGY 
(1) 
Parameter
Current
(avg.)
Units : mA
Notes
Shutdown
mode
0.13   
LE fast advertising 
1.21
LE fast advertising interval =100 ms 
0.88
LE fast advertising interval = 160 ms 
0.48
LE fast advertising interval = 500 ms 
1.72
LE fast advertising interval = 100 ms + 
B
eacon 100 ms
0.62
LE fast advertising interval = 500 ms + 
B
eacon 500 ms
Reduced Power advertising 
0.39
LE Reduced Power advertising   
interval = 961 ms    
1.00
LE Reduced Power advertising    
interval = 961 ms+ Beacon 100 ms   
0.51
LE Reduced Power advertising   
interval = 961 ms +
B
eacon 500 ms 
Connected (No data) 
0.39
Connection interval = 1500 ms 
0.43
Connection interval = 600 ms  
Connected (iPhone6IC) 
0.45
Connection interval = 500 ms 
0.60
Connection interval = 200 ms 
Connected (ICiPhone6) 
6.6
Connection interval = 500 ms 
7.0
Connection interval = 200 ms 
Note   1.  Only Low Energy, RX_IND Function Enabled 
 2.  The DATA from IS1678S-151 

16.0  REFERENCE CIRCUIT 
BM78 Reference Circuit 
P3_7
P3_3
P3_1
P3_2
P3_4
P3_6
UART_RXD
UART_TXD
RST_N
P1_7
P0_5
P0_0
P2_0
EAN
P2_4
SW_BTN
VDD_IO
WAKEUP
P1_3
P1_2
P1_5
P0_4
LED1
LED-B
12
LDO33_O
BAT_IN
LDO33_O LDO33_0
FP1
FP-BM78SPPA
G
1
G
2
GND
3
BAT_IN
4
SW_BTN
5
LDO33_O
6
VDD_IO
7
LDO18_O
8
WAKEUP
9
PMULDO_O
10
P0_4
11
P1_5
12
P12 / SCL
13
P13 / SDA
14
P1_7
15
P0_5
16
P0_0
17
P2_0
18
P2_4
19
EAN
20
RST_N
21
GND 31
LED1 30
P3_7 29
P3_6 28
P3_4 27
P3_3 26
P3_2 25
P3_1 24
HCI_TXD 23
HCI_RXD 22
G33
G32
C1
10u/16V
BAT_I N
Bo a r d   N a m e
Siz e
Tit le Rev
Da t e : S h e e t of
P/ N
MAIN CIRCUIT
1.0
BM78S REFERANCE CIRCUIT
Custom
2 4Friday , April 24, 2015
0222
5F, No.5, Industry E. Rd. VII, Hsinchu Science Park,
Hsinchu City  30078, Taiwan
TEL.   886-3-5778385
P3_4
P3_7
1
MCU
P3_1
P3_3
P3_2
UART_TXD
UART_RXD
P0_4
P1_5
P3_6
P0_5
1
Reset for I2C IC
1
Functional GPIO
RST_N
SW_BTN
WAKEUP
1
RST_N
1
WAKEUP
1
UART TXD / RXD
1
Status_IND
P1_7
1
UART CTS / RTS
1
SW_BTN
P0_0
TP2 TP-2
TP10TP-2
TP6 TP-2
TP3 TP-2
TP7 TP-2
TP5 TP-2
TP11TP-2
TP9 TP-2
TP13TP-2
SW_BTN
UART_RXD
EAN
P2_0
RST_N
1
Test PIN
BAT_IN
P2_4
UART_TXD
TP8 TP-2
TP4 TP-2
PMULDO_O
TP12TP-2
LDO18_O
LDO33_O

1.0 REGULATORY APPROVAL 
This section outlines the regulatory information for the BM78SSPS5MC2 module for the following 
countries: 
• United States 
• Canada 
• Europe 
• Australia 
• Japan 
• Korea 
• Taiwan 
• China 
1.2 United States 
The BM78SSPS5MC2 module has received Federal Communications Commission (FCC) CFR47 
Telecommunications, Part 15 Subpart C “Intentional Radiators” modular approval in accordance with Part 
15.212 Modular Transmitter approval. Modular approval allows the end user to integrate the BM78 
module into a finished product without obtaining subsequent and separate FCC approvals for intentional 
radiation, provided no changes or modifications are made to the module circuitry. Changes or 
modifications could void the user’s authority to operate the equipment. The end user must comply with all 
of the instructions provided by the Grantee, which indicate installation and/or operating conditions 
necessary for compliance. 
The finished product is required to comply with all applicable FCC equipment authorizations regulations, 
requirements and equipment functions not associated with the transmitter module portion. For example, 
compliance must be demonstrated to regulations for other transmitter components within the host 
product; to requirements for unintentional radiators (Part 15 Subpart B “Unintentional Radiators”), such 
as digital devices, computer peripherals, radio receivers, etc.; and to additional authorization requirements 
for the non-transmitter functions on the transmitter module (i.e., Verification, or Declaration of 
Conformity) (e.g., transmitter modules may also contain digital logic functions) as appropriate. 
1.2.1 LABELING AND USER INFORMATION REQUIREMENTS 
The BM78 module has been labeled with its own FCC ID number, and if the FCC ID is not visible when the 
module is installed inside another device, then the outside of the finished product into which the module 
is installed must also display a label referring to the enclosed module. This exterior label can use wording 
as follows: 
A user’s manual for the finished product should include the following statement: 
Contains Transmitter Module FCC ID: 
A8TBM78ABCDEFGH
or 
Contains FCC ID: A8TBM78ABCDEFGH 
This device complies with Part 15 of the FCC Rules. Operation is subject to the 
following two conditions: (1) this device may not cause harmful interference, 
and (2) this device must accept any interference received, including 
interference that may cause undesired operation 
PENDING

Additional information on labeling and user information requirements for Part 15 devices can be found in 
KDB Publication 784748 available at the FCC Office of Engineering and Technology (OET) Laboratory 
Division Knowledge Database (KDB) http://apps.fcc.gov/oetcf/kdb/index.cfm.  
1.2.2 RF EXPOSURE 
All transmitters regulated by FCC must comply with RF exposure requirements. KDB 447498 General RF 
Exposure Guidance provides guidance in determining whether proposed or existing transmitting facilities, 
operations or devices comply with limits for human exposure to Radio Frequency (RF) fields adopted by 
the Federal Communications Commission (FCC). 
From the FCC Grant: Output power listed is conducted. This grant is valid only when the module is sold to 
OEM integrators and must be installed by the OEM or OEM integrators. This transmitter is restricted for 
use with the specific antenna(s) tested in this application for Certification and must not be co-located or 
operating in conjunction with any other antenna or transmitters within a host device, except in accordance 
with FCC multi-transmitter product procedures. 
1.2.3 HELPFUL WEB SITES 
Federal Communications Commission (FCC): http://www.fcc.gov 
FCC Office of Engineering and Technology (OET) Laboratory Division Knowledge Database (KDB): 
http://apps.fcc.gov/oetcf/kdb/index.cfm  
This equipment has been tested and found to comply with the limits for a 
Class B digital device, pursuant to part 15 of the FCC Rules. These limits are 
designed to provide reasonable protection against harmful interference in a 
residential installation. This equipment generates, uses and can radiate radio 
frequency energy, and if not installed and used in accordance with the 
instructions, may cause harmful interference to radio communications. 
However, there is no guarantee that interference will not occur in a particular 
installation. If this equipment does cause harmful interference to radio or 
television reception, which can be determined by turning the equipment off 
and on, the user is encouraged to try to correct the interference by one or 
more of the following measures: 
• Reorient or relocate the receiving antenna. 
• Increase the separation between the equipment and receiver. 
• Connect the equipment into an outlet on a circuit different from that 
to which the receiver is connected. 
• Consult the dealer or an experienced radio/TV technician for help. 

1.3 Canada 
The BM78SPPS5MC2 module has been certified for use in Canada under Industry Canada (IC) Radio 
Standards Specification (RSS) RSS-210 and RSS-Gen. Modular approval permits the installation of a module 
in a host device without the need to recertify the device. 
1.3.1 LABELING AND USER INFORMATION REQUIREMENTS 
Labeling Requirements for the Host Device (from Section 3.2.1, RSS-Gen, Issue 3, December 2010): The 
host device shall be properly labeled to identify the module within the host device. 
The Industry Canada certification label of a module shall be clearly visible at all times when installed in the 
host device, otherwise the host device must be labeled to display the Industry Canada certification 
number of the module, preceded by the words “Contains transmitter module”, or the word “Contains”, or 
similar wording expressing the same meaning, as follows: 
User Manual Notice for License-Exempt Radio Apparatus (from Section 7.1.3 RSS-Gen, Issue 3, December 
2010): User manuals for license-exempt radio apparatus shall contain the following or equivalent notice in 
a conspicuous location in the user manual or alternatively on the device or both: 
Contains transm
itter module IC: 12246A
-
BM7
8SPPS5M2
This device complies with Industry Canada license
-
exem
pt RSS standard(s). 
Operation is subject to the following two conditions: (1) this device may not 
cause interference, and (2) this device must accept any interference, including 
interference that may cause undesired operation of the device. 
Le présent appareil est conforme aux CNR d'Industrie Canada applicables aux 
appareils radio exempts de licence. L'exploitation est autorisée aux deux 
conditions suivantes: (1) l'appareil ne doit pas produire de brouillage, et (2) 
l'utilisateur de l'appareil doit accepter tout brouillage radioélectrique subi, 
même si le brouillage est susceptible d'en compromettre le fonctionnement. 
PENDING

1.3.2 RF EXPOSURE 
All transmitters regulated by IC must comply with RF exposure requirements listed in RSS-102 - Radio 
Frequency (RF) Exposure Compliance of Radiocommunication Apparatus (All Frequency Bands). 
(Get direct quote from Certificate and place here) 
1.3.3 HELPFUL WEB SITES 
Industry Canada: http://www.ic.gc.ca/  
1.4 Europe 
The BM78SPPS5MC2 module is an R&TTE Directive assessed radio module that is CE marked and has been 
manufactured and tested with the intention of being integrated into a final product.   
The BM78 module has been tested to R&TTE Directive 1999/5/EC Essential Requirements for Health and 
Safety (Article (3.1(a)), Electromagnetic Compatibility (EMC) (Article 3.1(b)), and Radio (Article 3.2) and are 
summarized in Table 3‐1: European Compliance Testing. A Notified Body Opinion has also been issued.  All 
test reports are available on the BM78 product web page at http://www.microchip.com/bm78. 
The R&TTE Compliance Association provides guidance on modular devices in document Technical 
Guidance Note 01 available at http://www.rtteca.com/html/download_area.htm.   
1.4.1 LABELING AND USER INFORMATION REQUIREMENTS 
The label on the final product which contains the BM77 module must follow CE marking requirements. The 
R&TTE Compliance Association Technical Guidance Note 01 provides guidance on final product CE 
marking. 
1.4.2 ANTENNA REQUIREMENTS 
From R&TTE Compliance Association document Technical Guidance Note 01: 
Provided the integrator installing an assessed radio module with an integral or specific antenna 
and installed in conformance with the radio module manufacturer’s installation instructions 
requires no further evaluation under Article 3.2 of the R&TTE Directive and does not require 
further involvement of an R&TTE Directive Notified Body for the final product. [Section 2.2.4] 
The European Compliance Testing listed in Table 3‐1 was performed using the integral ceramic chip 
antenna. 
TABLE 3‐1: EUROPEAN COMPLIANCE TESTING 
Certification
Standards
Article
Laboratory
Report Number
Date
Safety 
EN 
60950
-
1:2006+A11:2009+A1:2010
(3.1(a))
Health
EN 50371:2002
-
03
Note:
To maintain conformance to the testing listed in 
Table 3
‐
1: 
European Compliance Testing
, the 
module shall be installed in accordance with the installation instructions in this data sheet and shall 
not be modified. 
When integrating a radio module into a completed product the integrator becomes the manufacturer 
of the final product and is therefore responsible for demonstrating compliance of the final product 
with the essential requirements of the R&TTE Directive. 
PENDING

EMC
EN 301 489
-
1 V1.8.1 (2008
-
04)
(3.1(b))
EN 301 489
-
17 V2.1.1 (2009
-
05) 
Radio
EN 300 328 V1.7.1 (2006
-
10)
(3.2)
Notified Body 
Opinion
1.4.3 HELPFUL WEB SITES 
A document that can be used as a starting point in understanding the use of Short Range Devices (SRD) in 
Europe is the European Radio Communications Committee (ERC) Recommendation 70-03 E, which can be 
downloaded from the European Radio Communications Office (ERO) at: http://www.ero.dk/.  
Additional helpful web sites are: 
• Radio and Telecommunications Terminal Equipment (R&TTE): 
 http://ec.europa.eu/enterprise/rtte/index_en.htm 
• European Conference of Postal and Telecommunications Administrations (CEPT): 
 http://www.cept.org 
• European Telecommunications Standards Institute (ETSI): 
 http://www.etsi.org 
• European Radio Communications Office (ERO): 
 http://www.ero.dk 
• The Radio and Telecommunications Terminal Equipment Compliance Association (R&TTE CA): 
 http://www.rtteca.com/ 
1.5 Australia 
The Australia radio regulations do not provide a modular approval policy similar to the United States (FCC) 
and Canada (IC). However, BM77 module RF transmitter test reports can be used in part to demonstrate 
compliance in accordance with ACMA Radio communications “Short Range Devices” Standard 2004 (The 
Short Range Devices standard calls up the AS/NZS 4268:2008 industry standard). The BM77 module test 
reports can be used as part of the product certification and compliance folder. For more information on 
the RF transmitter test reports, contact Microchip Technology Australia sales office. 
To meet overall Australian final product compliance, the developer must construct a compliance folder 
containing all relevant compliance test reports e.g. RF, EMC, electrical safety and DoC (Declaration of 
Conformity) etc. It is the responsibility of the integrator to know what is required in the compliance folder 
for ACMA compliance. All test reports are available on the BM78 product web page at 
http://www.microchip.com. For more information on Australia compliance, refer to the Australian 
Communications and Media Authority web site http://www.acma.gov.au/.  
1.5.1 HELPFUL WEB SITES 
The Australian Communications and Media Authority: www.acma.gov.au/.  
1.6 Japan 
The BM78SPPS5MC2 module has received type certification and is labeled with its own technical 
conformity mark and certification number as required to conform to the technical standards regulated by 
the Ministry of Internal Affairs and Communications (MIC) of Japan pursuant to the Radio Act of Japan.  
Integration of this module into a final product does not require additional radio certification provided 
installation instructions are followed and no modifications of the module are allowed.  Additional testing 
may be required: 
• If the host product is subject to electrical appliance safety (for example, powered from an AC 
mains), the host product may require Product Safety Electrical Appliance and Material (PSE) 
PENDING
PENDING

testing. The integrator should contact their conformance laboratory to determine if this testing is 
required. 
• There is an voluntary Electromagnetic Compatibility (EMC) test for the host product administered 
by VCCI: http://www.vcci.jp/vcci_e/index.html  
1.6.1 LABELING AND USER INFORMATION REQUIREMENTS 
The label on the final product which contains the BM78 module must follow Japan marking requirements. 
The integrator of the module should refer to the labeling requirements for Japan available at the Ministry 
of Internal Affairs and Communications (MIC) website.  
The BM78module is labeled with its own technical conformity mark and certification number. The final 
product in which this module is being used must have a label referring to the type certified module inside: 
1.6.2 HELPFUL WEB SITES 
Ministry of Internal Affairs and Communications (MIC): http://www.tele.soumu.go.jp/e/index.htm  
Association of Radio Industries and Businesses (ARIB): http://www.arib.or.jp/english/  
1.7 Korea 
The BM78SPPS5MC2 module has received certification of conformity in accordance with the Radio Waves 
Act. Integration of this module into a final product does not require additional radio certification provided 
installation instructions are followed and no modifications of the module are allowed. 
1.7.1 LABELING AND USER INFORMATION REQUIREMENTS 
The label on the final product which contains the BM77 module must follow KC marking requirements. The 
integrator of the module should refer to the labeling requirements for Korea available on the Korea 
Communications Commission (KCC) website.  
The BM78 module is labeled with its own KC mark. The final product requires the KC mark and certificate 
number of the module:  
1.7.2 HELPFUL WEB SITES 
Korea Communications Commission (KCC): http://www.kcc.go.kr  
National Radio Research Agency (RRA): http://rra.go.kr 
1.8 Taiwan 
The BM78SPPS5MC2 module has received compliance approval in accordance with the 
Telecommunications Act. Customers seeking to use the compliance approval in their product should 
contact Microchip Technology sales or distribution partners to obtain a Letter of Authority. 
Integration of this module into a final product does not require additional radio certification provided 
installation instructions are followed and no modifications of the module are allowed. 
Contains transmitter module with certificate number:
(Number)
202-XXXXXX
PENDING
PENDING

1.8.1 LABELING AND USER INFORMATION REQUIREMENTS 
The BM77 module is labeled with its own NCC mark and certificate number as below: 
The user’s manual should contain below warning (for RF device) in traditional Chinese: 
注意 ! 
依據 低功率電波輻射性電機管理辦法 
第十二條 經型式認證合格之低功率射頻電機,非經許可, 
公司、商號或使用者均不得擅自變更頻率、加大功率或變更原設計 
之特性及功能。 
第十四條 低功率射頻電機之使用不得影響飛航安全及干擾合法通信; 
經發現有干擾現象時,應立即停用,並改善至無干擾時方得繼續使用。 
前項合法通信,指依電信規定作業之無線電信。 
低功率射頻電機須忍受合法通信或工業、科學及醫療用電波輻射性 
電機設備之干擾。 
1.8.2 HELPFUL WEB SITES 
National Communications Commission (NCC): http://www.ncc.gov.tw  
1.9 Other Regulatory Jurisdictions 
Should other regulatory jurisdiction certification be required by the customer, or the customer need to 
recertify the module for other reasons, a certification utility is available.  For further regulatory 
Certification Utility and documentation, contact ISSC Technologies Corp. 
(Number) 

FIGURE 20-1: Reflow Profile
Standard : IPC/JEDEC J-STD-020  
Condition : 
Preheat
:
150~200
℃、
60~120 seconds 
Average ramp-up rate (217
℃
 to peak): 3
℃
/sec max. 
Temperature maintained above 217
℃
 : 60~150 seconds 
Time within 5
℃
 of peak temperature: 30 ~ 40 seconds. 
Peak temperature
:
260 +5/-0 
℃
Ramp-down rate (peak to 217
℃
) : 6
℃
/sec. max. 
Time 25
℃
 to peak temperature : 8 minutes max. 
Cycle interval
:
5 minutes 

Soldering Recommendations 
Stereo  module  was  assembled  using  standard  lead-free  reflow  profile  IPC/JEDEC  J-STD-020.
The 
module can be soldered to the main PCB using standard leaded and lead-free solder reflow profiles.
To 
avoid damaging of the module, the recommendations are listed as follows: 
• 
Refer to Microchip Technology Application Note AN233 Solder Reflow Recommendation (DS00233)
for the
 soldering reflow recommendations 
• 
Do not exceed peak temperature (TP) of 250 degree C 
• 
Refer to the solder paste data sheet for specific reflow profile recommendations 
• 
Use no-clean flux solder paste 
• 
Do not wash as moisture can be trapped under the shield 
• 
Use only one flow.  If the PCB requires multiple flows, apply the module on the final flow. 
ORDERING INFORMATION 
TABLE 4‐1:  ORDERING INFORMATION 
Part Number
Description
BM7
8
SPPS
5N
C2
-
00
0
---
Bluetooth® 4.0 Dual Mode, Class 2, Surface Mount module with integral 
antenna, with shield 
BM7
8
SPP0
5N
C2
-
000
---
Bluetooth® 4.0 Dual Mode, Class 2, Surface Mount module, external 
antenna, no shield 

A.3.3 HELPFUL WEB SITES 
A document that can be used as a starting point in understanding the use of Short Range 
Devices (SRD)
in Europe is the European Radio Communications Committee (ERC) 
Recommendation 70‐03 E, which can
be downloaded from the European Radio 
Communications Office (ERO) at: http://www.ero.dk/. 
Additional helpful web sites are: 
•  Radio and Telecommunications Terminal Equipment (R&TTE): 
http://ec.europa.eu/enterprise/rtte/index_en.htm 
•  European Conference of Postal and Telecommunications Administrations (CEPT): 
http://www.cept.org 
•  European Telecommunications Standards Institute (ETSI): 
http://www.etsi.org 
•  European Radio Communications Office (ERO): 
http://www.ero.dk 
•  The Radio and Telecommunications Terminal Equipment Compliance Association 
(R&TTE CA): 
http://www.rtteca.com/ 

Worldwide Sales and Service 
AMERICAS 
Corporate Office 
2355 West Chandler Blvd. 
Chandler, AZ 85224-6199 
Tel: 480-792-7200 
Fax: 480-792-7277 
Technical Support:
http://www.microchip.com/
support 
Web Address: 
www.microchip.com 
Atlanta 
Duluth, GA 
Tel: 678-957-9614 
Fax: 678-957-1455 
Austin, TX 
Tel: 512-257-3370 
Boston
Westborough, MA
Tel: 774-760-0087 
Fax: 774-760-0088 
Chicago 
Itasca, IL 
Tel: 630-285-0071 
Fax: 630-285-0075 
Cleveland
Independence, OH
Tel: 216-447-0464 
Fax: 216-447-0643 
Dallas 
Addison, TX 
Tel: 972-818-7423 
Fax: 972-818-2924 
Detroit 
Novi, MI 
Tel: 248-848-4000 
Houston, TX 
Tel: 281-894-5983 
Indianapolis
Noblesville, IN
Tel: 317-773-8323 
Fax: 317-773-5453 
Los Angeles
Mission Viejo, CA
Tel: 949-462-9523 
Fax: 949-462-9608 
New York, NY 
Tel: 631-435-6000 
San Jose, CA 
Tel: 408-735-9110 
Canada - Toronto 
Tel: 905-673-0699 
Fax: 905-673-6509 
ASIA/PACIFIC 
Asia Pacific Office
Suites 3707-14, 37th Floor
Tower 6, The Gateway
Harbour City, Kowloon
Hong Kong 
Tel: 852-2943-5100 
Fax: 852-2401-3431 
Australia - Sydney 
Tel: 61-2-9868-6733 
Fax: 61-2-9868-6755 
China - Beijing 
Tel: 86-10-8569-7000 
Fax: 86-10-8528-2104 
China - Chengdu 
Tel: 86-28-8665-5511 
Fax: 86-28-8665-7889 
China - Chongqing 
Tel: 86-23-8980-9588 
Fax: 86-23-8980-9500 
China - Hangzhou 
Tel: 86-571-8792-8115 
Fax: 86-571-8792-8116 
China - Hong Kong SAR 
Tel: 852-2943-5100 
Fax: 852-2401-3431 
China - Nanjing 
Tel: 86-25-8473-2460 
Fax: 86-25-8473-2470 
China - Qingdao 
Tel: 86-532-8502-7355 
Fax: 86-532-8502-7205 
China - Shanghai 
Tel: 86-21-5407-5533 
Fax: 86-21-5407-5066 
China - Shenyang 
Tel: 86-24-2334-2829 
Fax: 86-24-2334-2393 
China - Shenzhen 
Tel: 86-755-8864-2200 
Fax: 86-755-8203-1760 
China - Wuhan 
Tel: 86-27-5980-5300 
Fax: 86-27-5980-5118 
China - Xian 
Tel: 86-29-8833-7252 
Fax: 86-29-8833-7256 
China - Xiamen 
Tel: 86-592-2388138 
Fax: 86-592-2388130 
China - Zhuhai 
Tel: 86-756-3210040 
Fax: 86-756-3210049 
ASIA/PACIFIC 
India - Bangalore 
Tel: 91-80-3090-4444 
Fax: 91-80-3090-4123 
India - New Delhi 
Tel: 91-11-4160-8631 
Fax: 91-11-4160-8632 
India - Pune 
Tel: 91-20-3019-1500 
Japan - Osaka 
Tel: 81-6-6152-7160 
Fax: 81-6-6152-9310 
Japan - Tokyo 
Tel: 81-3-6880- 3770 
Fax: 81-3-6880-3771 
Korea - Daegu 
Tel: 82-53-744-4301 
Fax: 82-53-744-4302 
Korea - Seoul 
Tel: 82-2-554-7200 
Fax: 82-2-558-5932 or 
82-2-558-5934 
Malaysia - Kuala Lumpur 
Tel: 60-3-6201-9857 
Fax: 60-3-6201-9859 
Malaysia - Penang 
Tel: 60-4-227-8870 
Fax: 60-4-227-4068 
Philippines - Manila 
Tel: 63-2-634-9065 
Fax: 63-2-634-9069 
Singapore 
Tel: 65-6334-8870 
Fax: 65-6334-8850 
Taiwan - Hsin Chu 
Tel: 886-3-5778-366 
Fax: 886-3-5770-955 
Taiwan - Kaohsiung 
Tel: 886-7-213-7830 
Taiwan - Taipei 
Tel: 886-2-2508-8600 
Fax: 886-2-2508-0102 
Thailand - Bangkok 
Tel: 66-2-694-1351 
Fax: 66-2-694-1350 
EUROPE 
Austria - Wels 
Tel: 43-7242-2244-39 
Fax: 43-7242-2244-393 
Denmark - Copenhagen 
Tel: 45-4450-2828 
Fax: 45-4485-2829 
France - Paris 
Tel: 33-1-69-53-63-20 
Fax: 33-1-69-30-90-79 
Germany - Dusseldorf 
Tel: 49-2129-3766400 
Germany - Munich 
Tel: 49-89-627-144-0 
Fax: 49-89-627-144-44 
Germany - Pforzheim 
Tel: 49-7231-424750 
Italy - Milan 
Tel: 39-0331-742611 
Fax: 39-0331-466781 
Italy - Venice 
Tel: 39-049-7625286 
Netherlands - Drunen 
Tel: 31-416-690399 
Fax: 31-416-690340 
Poland - Warsaw 
Tel: 48-22-3325737 
Spain - Madrid 
Tel: 34-91-708-08-90 
Fax: 34-91-708-08-91 
Sweden - Stockholm 
Tel: 46-8-5090-4654 
UK - Wokingham 
Tel: 44-118-921-5800 
Fax: 44-118-921-5820