MICROCHIP TECHNOLOGY MRF24J40MB Spread Spectrum Transmitter User Manual MRF24J40MA
Microchip Technology Inc Spread Spectrum Transmitter MRF24J40MA
Users Manual

© 2009 Microchip Technology Inc. Preliminary DS70599B
MRF24J40MB
Data Sheet
2.4 GHz IEEE Std. 802.15.4™
20 dBm RF Transceiver Module

DS70599B-page ii Preliminary © 2009 Microchip Technology Inc.
Information contained in this publication regarding device
applications and the like is provided only for your convenience
and may be superseded by updates. It is your responsibility to
ensure that your application meets with your specifications.
MICROCHIP MAKES NO REPRESENTATIONS OR
WARRANTIES OF ANY KIND WHETHER EXPRESS OR
IMPLIED, WRITTEN OR ORAL, STATUTORY OR
OTHERWISE, RELATED TO THE INFORMATION,
INCLUDING BUT NOT LIMITED TO ITS CONDITION,
QUALITY, PERFORMANCE, MERCHANTABILITY OR
FITNESS FOR PURPOSE. Microchip disclaims all liability
arising from this information and its use. Use of Microchip
devices in life support and/or safety applications is entirely at
the buyer’s risk, and the buyer agrees to defend, indemnify and
hold harmless Microchip from any and all damages, claims,
suits, or expenses resulting from such use. No licenses are
conveyed, implicitly or otherwise, under any Microchip
intellectual property rights.
Trademarks
The Microchip name and logo, the Microchip logo, dsPIC,
KEELOQ, KEELOQ logo, MPLAB, PIC, PICmicro, PICSTART,
rfPIC and UNI/O are registered trademarks of Microchip
Technology Incorporated in the U.S.A. and other countries.
FilterLab, Hampshire, HI-TECH C, Linear Active Thermistor,
MXDEV, MXLAB, SEEVAL and The Embedded Control
Solutions Company are registered trademarks of Microchip
Technology Incorporated in the U.S.A.
Analog-for-the-Digital Age, Application Maestro, CodeGuard,
dsPICDEM, dsPICDEM.net, dsPICworks, dsSPEAK, ECAN,
ECONOMONITOR, FanSense, HI-TIDE, In-Circuit Serial
Programming, ICSP, ICEPIC, Mindi, MiWi, MPASM, MPLAB
Certified logo, MPLIB, MPLINK, mTouch, nanoWatt XLP,
Omniscient Code Generation, PICC, PICC-18, PICkit,
PICDEM, PICDEM.net, PICtail, PIC32 logo, REAL ICE, rfLAB,
Select Mode, Total Endurance, TSHARC, WiperLock and
ZENA are trademarks of Microchip Technology Incorporated
in the U.S.A. and other countries.
SQTP is a service mark of Microchip Technology Incorporated
in the U.S.A.
All other trademarks mentioned herein are property of their
respective companies.
© 2009, Microchip Technology Incorporated, Printed in the
U.S.A., All Rights Reserved.
Printed on recycled paper.
Note the following details of the code protection feature on Microchip devices:
• Microchip products meet the specification contained in their particular Microchip Data Sheet.
• Microchip believes that its family of products is one of the most secure families of its kind on the market today, when used in the
intended manner and under normal conditions.
• There are dishonest and possibly illegal methods used to breach the code protection feature. All of these methods, to our
knowledge, require using the Microchip products in a manner outside the operating specifications contained in Microchip’s Data
Sheets. Most likely, the person doing so is engaged in theft of intellectual property.
• Microchip is willing to work with the customer who is concerned about the integrity of their code.
• Neither Microchip nor any other semiconductor manufacturer can guarantee the security of their code. Code protection does not
mean that we are guaranteeing the product as “unbreakable.”
Code protection is constantly evolving. We at Microchip are committed to continuously improving the code protection features of our
products. Attempts to break Microchip’s code protection feature may be a violation of the Digital Millennium Copyright Act. If such acts
allow unauthorized access to your software or other copyrighted work, you may have a right to sue for relief under that Act.
Microchip received ISO/TS-16949:2002 certification for its worldwide
headquarters, design and wafer fabrication facilities in Chandler and
Tempe, Arizona; Gresham, Oregon and design centers in California
and India. The Company’s quality system processes and procedures
are for its PIC® MCUs and dsPIC® DSCs, KEELOQ® code hopping
devices, Serial EEPROMs, microperipherals, nonvolatile memory and
analog products. In addition, Microchip’s quality system for the design
and manufacture of development systems is ISO 9001:2000 certified.

© 2009 Microchip Technology Inc. Preliminary DS70599B-page 1
MRF24J40MB
Features:
• IEEE Std. 802.15.4™ Compliant RF Transceiver
• Supports ZigBee®, MiWi™, MiWi P2P and
Proprietary Wireless Networking Protocols
• Small Size: 0.9" x 1.3" (22.9 mm x 33.0 mm),
Surface Mountable
• Integrated Crystal, Internal Voltage Regulator,
Matching Circuitry, Power Amplifier, Low Noise
Amplifier and PCB Antenna
• Easy Integration into Final Product – Minimize
Product Development, Quicker Time to Market
• Radio Regulation Certified for United States
(FCC), Canada (IC) and Europe (ETSI)
• Compatible with Microchip Microcontroller
Families (PIC16F, PIC18F, PIC24F/H, dsPIC33
and PIC32)
• Up to 4000 ft. Range
Operational:
• Operating Voltage: 2.4-3.6V (3.3V typical)
• Temperature Range: -40°C to +85°C Industrial
• Simple, Four-Wire SPI Interface
• Low-Current Consumption:
- RX mode: 25 mA (typical)
- TX mode: 130 mA (typical)
- Sleep: 5 μA (typical)
RF/Analog Features:
• ISM Band 2.405-2.48 GHz Operation
• Data Rate: 250 kbps
• -102 dBm Typical Sensitivity with -23 dBm
Maximum Input Level
• +20 dBm Typical Output Power with 56 dB TX
Power Control Range
• Integrated Low Phase Noise VCO, Frequency
Synthesizer and PLL Loop Filter
• Digital VCO and Filter Calibration
• Integrated RSSI ADC and I/Q DACs
• Integrated LDO
• High Receiver and RSSI Dynamic Range
MAC/Baseband Features:
• Hardware CSMA-CA Mechanism, Automatic ACK
Response and FCS Check
• Independent Beacon, Transmit and GTS FIFO
• Supports all CCA modes and RSS/LQI
• Automatic Packet Retransmit Capable
• Hardware Security Engine (AES-128) with CTR,
CCM and CBC-MAC modes
• Supports Encryption and Decryption for MAC
Sublayer and Upper Layer
FIGURE 1: PIN DIAGRAM
2
3
4
5
6
1
7
VIN
GND
8
9
10
RESET
WAKE
SDO
SDI
SCK CS
NC
GND
INT
12
11 GND
2.4 GHz IEEE Std. 802.15.4
™ 20 dBm
RF Transceiver Module

MRF24J40MB
DS70599B-page 2 Preliminary © 2009 Microchip Technology Inc.
Table of Contents
1.0 Device Overview .......................................................................................................................................................................... 3
2.0 Circuit Description ........................................................................................................................................................................ 7
3.0 Regulatory Approval................................................................................................................................................................... 17
4.0 Electrical Characteristics ........................................................................................................................................................... 21
Appendix A: Revision History............................................................................................................................................................... 23
Index ................................................................................................................................................................................................... 25
The Microchip Web Site ....................................................................................................................................................................... 27
Customer Change Notification Service ................................................................................................................................................ 27
Customer Support ................................................................................................................................................................................ 27
Reader Response ................................................................................................................................................................................ 28
Product Identification System............................................................................................................................................................... 29
TO OUR VALUED CUSTOMERS
It is our intention to provide our valued customers with the best documentation possible to ensure successful use of your Microchip
products. To this end, we will continue to improve our publications to better suit your needs. Our publications will be refined and
enhanced as new volumes and updates are introduced.
If you have any questions or comments regarding this publication, please contact the Marketing Communications Department via
E-mail at docerrors@microchip.com or fax the Reader Response Form in the back of this data sheet to (480) 792-4150. We
welcome your feedback.
Most Current Data Sheet
To obtain the most up-to-date version of this data sheet, please register at our Worldwide Web site at:
http://www.microchip.com
You can determine the version of a data sheet by examining its literature number found on the bottom outside corner of any page.
The last character of the literature number is the version number, (e.g., DS30000A is version A of document DS30000).
Errata
An errata sheet, describing minor operational differences from the data sheet and recommended workarounds, may exist for current
devices. As device/documentation issues become known to us, we will publish an errata sheet. The errata will specify the revision
of silicon and revision of document to which it applies.
To determine if an errata sheet exists for a particular device, please check with one of the following:
• Microchip’s Worldwide Web site; http://www.microchip.com
• Your local Microchip sales office (see last page)
When contacting a sales office, please specify which device, revision of silicon and data sheet (include literature number) you are
using.
Customer Notification System
Register on our web site at www.microchip.com to receive the most current information on all of our products.

© 2009 Microchip Technology Inc. Preliminary DS70599B-page 3
MRF24J40MB
1.0 DEVICE OVERVIEW
The MRF24J40MB is a 2.4 GHz IEEE Std. 802.15.4™
compliant, surface mount module with integrated
crystal, internal voltage regulator, matching circuitry,
Power Amplifier, Low Noise Amplifier and PCB
antenna. The MRF24J40MB module operates in the
non-licensed 2.4 GHz frequency band. The integrated
module design frees the integrator from extensive RF
and antenna design, and regulatory compliance
testing, allowing quicker time to market.
The MRF24J40MB module is compatible with
Microchip’s ZigBee®, MiWi™ and MiWi P2P software
stacks. Each software stack is available as a free
download, including source code, from the Microchip
web site: http://www.microchip.com/wireless.
The MRF24J40MB module has received regulatory
approvals for modular devices in the United States
(FCC), Canada (IC) and Europe (ETSI). Modular
approval removes the need for expensive RF and
antenna design, and allows the end user to place the
MRF24J40MB module inside a finished product and
not require regulatory testing for an intentional radiator
(RF transmitter).
1.1 Interface Description
Figure 1-1 shows a simplified block diagram of the
MRF24J40MB module. The module is based on the
Microchip Technology MRF24J40 IEEE 802.15.4™
2.4 GHz RF Transceiver IC. The module interfaces to
many popular Microchip PIC® microcontrollers via a
4-wire serial SPI interface, interrupt, wake, Reset,
power and ground, as shown in Figure 1-2. Table 1-1
provides the pin descriptions.
Data communications with the MRF24J40MB module
are documented in the “MRF24J40 IEEE 802.15.4™
2.4 GHz RF Transceiver Data Sheet” (DS39776). Refer
to the MRF24J40 Data Sheet for specific serial
interface protocol and register definitions.
FIGURE 1-1: MRF24J40MB BLOCK DIAGRAM
Note: See Section 3.0 “Regulatory Approval”
for specific requirements to be followed by
the integrator.
PCB
Antenna
PA
Physical MAC
Interface
Power
Management
SPI
20 MHz
Crystal
Digital
I/O
Power
MRF24J40MB IEEE Std. 802.15.4™ Module
MRF24J40
LNA

MRF24J40MB
DS70599B-page 4 Preliminary © 2009 Microchip Technology Inc.
FIGURE 1-2: MICROCONTROLLER TO MRF24J40MB INTERFACE
TABLE 1-1: PIN DESCRIPTION
Pin Symbol Type Description
1 GND Power Ground
2 RESET DI Global hardware Reset pin
3 WAKE DI External wake-up trigger
4 INT DO Interrupt pin to microcontroller
5 SDI DI Serial interface data input
6 SCK DI Serial interface clock
7 SDO DO Serial interface data output from MRF24J40
8CS DI Serial interface enable
9 NC — No connection
10 VIN Power Power supply
11 GND Ground Ground
12 GND Ground Ground
Legend: Pin type abbreviation: D = Digital, I = Input, O = Output
SDO
I/O
SDI
SCK
INTx
MRF24J40MB
CS
SDI
SDO
SCK
INT
I/O WAKE
VIN
GND
PIC® MCU
I/O RESET

© 2009 Microchip Technology Inc. Preliminary DS70599B-page 5
MRF24J40MB
1.2 Mounting Details
The MRF24J40MB is a surface mountable module.
Module dimensions are shown in Figure 1-3. The
module Printed Circuit Board (PCB) is 0.032" thick with
castellated mounting points on the edge. Figure 1-4 is
a recommended host PCB footprint for the
MRF24J40MB.
The MRF24J40MB has an integrated PCB antenna.
For the best performance, follow the mounting details
shown in Figure 1-5. It is recommended that the
module be mounted on the edge of the host PCB, and
an area around the antenna, approximately 1.2", be
kept clear of metal objects. A host PCB ground plane
around the MRF24J40MB acts as a counterpoise to the
PCB antenna. It is recommended to extend the ground
plane at least 0.4" around the module.
FIGURE 1-3: MODULE DETAILS
FIGURE 1-4: RECOMMENDED PCB
FOOTPRINT

MRF24J40MB
DS70599B-page 6 Preliminary © 2009 Microchip Technology Inc.
FIGURE 1-5: MOUNTING DETAILS
0.315”
Edge of PCB
Keep area around antenna
(approximately 1.2 inches)
clear of metallic structures
for best performance
PCB Ground Plane (Counterpoise)
Underneath and extend as far as possible
to the sides and below the module
(at least 0.4 inches on each side)
for best performance
0.4”
0.4” 0.4”
1.2”
1.2”

© 2009 Microchip Technology Inc. Preliminary DS70599B-page 7
MRF24J40MB
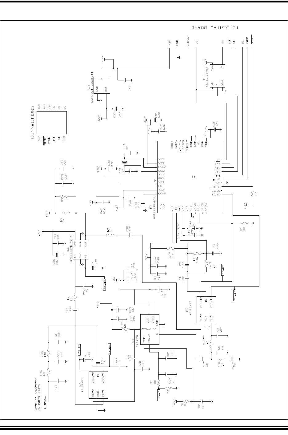
2.0 CIRCUIT DESCRIPTION
The MRF24J40MB is a complete 2.4 GHz IEEE
Std. 802.15.4™ compliant surface mount module with
integrated crystal, internal voltage regulator, matching
circuitry, Power Amplifier, Low Noise Amplifier and PCB
antenna. The MRF24J40MB module interfaces to many
popular Microchip PIC microcontrollers via a 4-wire
serial SPI interface, interrupt, wake, Reset, power and
ground. Data communications with the MRF24J40MB
module are documented in the “MRF24J40 IEEE
802.15.4™ 2.4 GHz RF Transceiver Data Sheet”
(DS39776). Refer to the MRF24J40 Data Sheet for
specific serial interface protocol and register definitions.
2.1 Schematic
A schematic diagram of the module is shown in
Figure 2-1 and the Bill of Materials (BOM) is shown in
Table 2-1.
The MRF24J40MB module is based on the Microchip
Technology MRF24J40 IEEE 802.15.4™ 2.4 GHz RF
Transceiver IC (U1). The serial I/O (SCK, SDI, SDO
and CS), RESET, WAKE and INT pins are brought out
to the module pins. The SDO signal is tri-state buffered
by IC7 to solve a silicon errata, where the SDO signal
does not release to a high-impedance state, after the
CS pin returns to its inactive state.
Crystal, X1, is a 20 MHz crystal with a frequency
tolerance of ±10 ppm @ 25°C to meet the IEEE Std.
802.15.4 symbol rate tolerance of ±40 ppm.
A balun is formed by components: L1, L3, C2 and C3.
L2 is an RF choke and pull-up for the RFP and RFN
pins on the MRF24J40. C4 is a DC block capacitor. RF
switches, IC2 and IC4, switch between the power
amplifier, IC3, when transmitting and low noise
amplifier, IC5, when receiving. A low-pass filter is
formed by components: L10, L11, C31, C32 and C36.
The remaining passive components provide bias and
decoupling.

MRF24J40MB
DS70599B-page 8 Preliminary © 2009 Microchip Technology Inc.
FIGURE 2-1: MRF24J40MB SCHEMATIC
10 MF
2.2 MF
1 MF
20 MHz

© 2009 Microchip Technology Inc. Preliminary DS70599B-page 9
MRF24J40MB
TABLE 2-1: MRF24J40MB BILL OF MATERIALS
Designator Description Manufacturer Part Number
C2 Chip Capacitor 0402 COG 0.5P Johanson Technology 500R07S0R5AV4T
C3 Chip Capacitor 0402 COG 0.5P Johanson Technology 500R07S0R5AV4T
C4 Chip Capacitor 0402 COG 1.0P Johanson Technology 500R07S1R0BV4T
C5 Chip Capacitor 0402 COG 1.5P Murata GRM1555C1H1R5CZ01D
C6 Not Used
C7 Chip Capacitor 0402 COG 4.7P Murata GRM1555C1H4R7CZ01D
C8 Chip Capacitor 0402 COG 4.7P Murata GRM1555C1H4R7CZ01D
C9 Chip Capacitor 0402 COG 10P Murata GRM1555C1H100JZ01D
C10 Chip Capacitor 0402 COG 10P Murata GRM1555C1H100JZ01D
C11 Chip Capacitor 0402 X5R 100N Murata GRM155R61A104KA01D
C12 Chip Capacitor 0402 X5R 100N Murata GRM155R61A104KA01D
C13 Chip Capacitor 0402 COG 15P Murata GRM1555C1H150JZ01D
C14 Chip Capacitor 0402 COG 15P Murata GRM1555C1H150JZ01D
C16 Chip Capacitor 0402 COG 22P Murata GRM1555C1H220JZ01D
C17 Chip Capacitor 0402 X5R 100N Murata GRM155R61A104KA01D
C18 Chip Capacitor 0402 COG 5.6P Murata GRM1555C1H5R6CZ01D
C19 Chip Capacitor 0402 COG 1.8P Murata GRM1555C1H1R8CZ01D
C20 Chip Capacitor 0402 X7R 1N Murata GRM155R71H102KA01D
C21 Chip Capacitor 0402 COG 47P Murata GRM1555C1H470JZ01D
C22 Chip Capacitor 0402 X7R 1N Murata GRM155R71H102KA01D
C23 Chip Capacitor 0402 COG 47P Murata GRM1555C1H470JZ01D
C24 Not Used
C25 Chip Capacitor 0402 X7R 1N Murata GRM155R71H102KA01D
C26 Chip Capacitor 0402 X5R 100N Murata GRM155R61A104KA01D
C27 Chip Capacitor 0402 COG 10P Murata GRM1555C1H100JZ01D
C28 Chip Capacitor 0402 COG 100P Murata GRM1555C1H101JZ01D
C29 Chip Capacitor 0402 X5R 100N Murata GRM155R61A104KA01D
C30 Chip Capacitor 0402 COG 47P Murata GRM1555C1H470JZ01D
C31 Chip Capacitor 0402 COG 1.5P Johanson Technology 500R07S1R5BV4T
C32 Chip Capacitor 0402 COG 0.4P Johanson Technology 500R07S0R4AV4T
C33 Chip Capacitor 0402 COG 18P Murata GRM1555C1H180JZ01D
C34 Chip Capacitor 0402 COG 18P Murata GRM1555C1H180JZ01D
C35 Chip Capacitor 0402 COG 47P Murata GRM1555C1H470JZ01D
C36 Not Used
C37 Chip Capacitor 0805 X5R 10U Murata GRM21BR60J106ME19L
C38 Chip Capacitor 0402 COG 47P Murata GRM1555C1H470JZ01D
C39 Chip Capacitor 0402 COG 47P Murata GRM1555C1H470JZ01D
C40 Chip Capacitor 0402 X5R 1U Murata GRM155R60J105ME19D
C41 Chip Capacitor 0402 X7R 10N Murata GRM155R71E103KA01D
C42 Chip Capacitor 0402 X7R 10N Murata GRM155R71E103KA01D
C43 Chip Capacitor 0402 COG 100P Murata GRM1555C1H101JZ01D
C44 Chip Capacitor 0402 X5R 100N Murata GRM155R61A104KA01D
C45 Chip Capacitor 0402 COG 47P Murata GRM1555C1H470JZ01D
Note: Capacitors and inductors cannot be substituted.

MRF24J40MB
DS70599B-page 10 Preliminary © 2009 Microchip Technology Inc.
C46 Chip Capacitor 0402 X5R 100N Murata GRM155R61A104KA01D
C47 Chip Capacitor 0402 COG 47P Murata GRM1555C1H470JZ01D
C48 Chip Capacitor 0603 X5R 2.2U Murata GRM188R60J225ME01D
IC1 802.15.4 Radio Microchip MRF24J40-I/ML
IC2 Switch SPDT Skyworks AS179-92
IC3 Power Amplifier SiGe PA2423L-R
IC4 Switch SPDT Skyworks AS179-92
IC5 Low Noise Amplifier NEC UPC8233TK-E2-A
IC6 Voltage Regulator Microchip MCP1700T-3302E/TT
IC7 Buffer-SC70 Package Fairchild NC7SZ125P5X
L1 Chip Inductor 0402 8.2N Panasonic ELJ-RF8N2JFB
L2 Chip Inductor 0402 2.7N Panasonic ELJ-RF2N7DFB
L3 Chip Inductor 0402 4.7N Panasonic ELJ-RF4N7DFB
L4 Chip Resistor 0402 0Ohms Dale CRCW04020000Z0ED
L5 Chip Inductor 0402 3.3N Panasonic ELJ-RF3N3DFB
L6 Chip Inductor 0402 3.9N Panasonic ELJ-RF3N9DFB
L7 Chip Inductor 0402 1.5N Panasonic ELJ-RF1N5DFB
L8 Chip Inductor 0402 18N Panasonic ELJ-RF18NJFB
L9 Chip Inductor 0402 1.5N Panasonic ELJ-RF1N5DFB
L10 Chip Inductor 0402 2.2N Panasonic ELJ-RF2N2DFB
L11 Chip Inductor 0402 2.7N Panasonic ELJ-RF2N7DFB
R1 Chip Resistor 0402 10Ohms 5% Dale CRCW040210R0JNED
R2 Not Used
R3 Chip Resistor 0402 2.2Ohms 5% Dale CRCW04022R20JNED
R4 Chip Resistor 0402 10K 5% Dale CRCW040210K0JNED
R7 Not Used
R8 Not Used
S Shield-Custom TBD
X1 20 MHz Crystal Abracon ABM8-156-20.0000MHZ-T
TABLE 2-1: MRF24J40MB BILL OF MATERIALS (CONTINUED)
Designator Description Manufacturer Part Number
Note: Capacitors and inductors cannot be substituted.

© 2009 Microchip Technology Inc. Preliminary DS70599B-page 11
MRF24J40MB
2.2 Printed Circuit Board
The MRF24J40MB module printed circuit board is con-
structed with FR4 material, four layers and
0.032 inches thick. The layers are shown in Figure 2-2
through Figure 2-6. The stack up of the PCB is shown
in Figure 2-7.
FIGURE 2-2: TOP SILK SCREEN
FIGURE 2-3: TOP COPPER FIGURE 2-4: LAYER 2 – GROUND
PLANE
Note: Top view positive Gerber.

MRF24J40MB
DS70599B-page 12 Preliminary © 2009 Microchip Technology Inc.
FIGURE 2-5: LAYER 3 – POWER
PLANE FIGURE 2-6: BOTTOM COPPER
FIGURE 2-7: PCB LAYER STACK UP
Note: Top view positive Gerber.
Note: Top view.
Top Copper
Ground Plane
Power Plane
Bottom Copper
1/2 oz. Copper
1/2 oz. Copper
1/2 oz. Copper
1/2 oz. Copper
8 mil FR4
12 mil FR4
8 mil FR4
0.032‚
+/- 0.005‚

© 2009 Microchip Technology Inc. Preliminary DS70599B-page 13
MRF24J40MB
2.3 PCB Antenna
The PCB antenna is fabricated on the top copper trace.
Figure 2-8 shows the trace dimensions. The layers
below the antenna have no copper traces. The ground
and power planes under the components serve as a
counterpoise to the PCB antenna. Additional ground
plane on the host PCB will substantially enhance the
performance of the module. For best performance,
place the module on the host PCB following the
recommendations in Section 1.2 “Mounting Details”.
The Printed Circuit Board (PCB) antenna was designed
and simulated using Ansoft Designer® and HFSS™ 3D
full-wave solver software by Ansoft Corporation
(www.ansoft.com). The design goal was to create a
compact, low-cost antenna with the best radiation
pattern. Figure 2-9 shows the simulation drawing and
Figure 2-10 and Figure 2-11 show the 2D and 3D
radiation patterns, respectively. As shown by the
radiation patterns, the performance of the antenna is
dependant upon the orientation of the module.
Figure 2-12 shows the impedance simulation and
Figure 2-13 shows the SWR simulation. The discrete
matching circuitry matches the impedance of the
antenna with the MRF24J40 transceiver IC.
FIGURE 2-8: PCB ANTENNA DIMENSIONS
1.0
1.0
1.0 1.0 1.0
0.72
3.37
0.85 0.5
3.82
4.2
6.6
4.3
1.2
1.3
2.0
3.8
5.3
8.6
22.0
1.2
6.0
1.54
0.5
9.6
2.0 6.6
Note 1: Dimensions are in mm and tolerance is +/– 0.05 mm.

MRF24J40MB
DS70599B-page 14 Preliminary © 2009 Microchip Technology Inc.
FIGURE 2-9: PCB ANTENNA SIMULATION DRAWING
FIGURE 2-10: SIMULATED 2D RADIATION PATTERN

© 2009 Microchip Technology Inc. Preliminary DS70599B-page 15
MRF24J40MB
FIGURE 2-11: SIMULATED 3D RADIATION PATTERN
FIGURE 2-12: SIMULATED PCB ANTENNA IMPEDANCE

MRF24J40MB
DS70599B-page 16 Preliminary © 2009 Microchip Technology Inc.
FIGURE 2-13: SIMULATED PCB ANTENNA SWR

© 2009 Microchip Technology Inc. Preliminary DS70599B-page 17
MRF24J40MB
3.0 REGULATORY APPROVAL
The MRF24J40MB module has received regulatory
approvals for modular devices in the United States,
Canada and European countries. Modular approval
allows the end user to place the MRF24J40MB module
inside a finished product and not require regulatory
testing for an intentional radiator (RF transmitter), pro-
vided no changes or modifications are made to the
module circuitry. Changes or modifications could void
the user’s authority to operate the equipment. The end
user must comply with all of the instructions provided
by the Grantee, which indicate installation and/or
operating conditions necessary for compliance.
The integrator may still be responsible for testing the end
product for any additional compliance requirements
required with this module, installed (for example: digital
device emission, PC peripheral requirements, etc.) in
the specific country that the end device will be marketed.
Annex F of the IEEE Std. 802.15.4 document has a good
summary of regulatory requirements in various countries
concerning IEEE Std. 802.15.4 devices. The standard
can be downloaded from the IEEE Standards web page:
http://standards.ieee.org/getieee802/802.15.html.
Refer to the specific country radio regulations for
details on regulatory compliance.
3.1 United States
The MRF24J40MB has received Federal
Communications Commission (FCC) CFR47
Telecommunications, Part 15 Subpart C “Intentional
Radiators” 15.247 and modular approval in accordance
with FCC Public Notice DA 00-1407 Released: June 26,
2000, Part 15 Unlicensed Modular Transmitter Approval.
The MRF24J40MB module can be integrated into a
finished product without obtaining subsequent and
separate FCC approvals.
The MRF24J40MB module has been labeled with its
own FCC ID number, and if the FCC ID is not visible
when the module is installed inside another device,
then the outside of the finished product into which the
module is installed must also display a label referring to
the enclosed module. This exterior label can use
wording such as the following:
The user’s manual should include the following
statement:
3.1.1 MRF24J40MB SETTINGS
To meet the FCC requirements, the following settings
must be observed by the integrator:
• The MRF24J40MB transmit power setting
(RFCON3 0x203) cannot exceed -1.9 dB.
• Only channels 11 through 25 may be selected
(RFCON0 0x200).
3.1.2 RF EXPOSURE
All transmitters regulated by FCC must comply with RF
exposure requirements. OET Bulletin 65 “Evaluating
Compliance with FCC Guidelines for Human Exposure
to Radio Frequency Electromagnetic Fields” provides
assistance in determining whether proposed or existing
transmitting facilities, operations or devices comply
with limits for human exposure to Radio Frequency
(RF) fields adopted by the Federal Communications
Commission (FCC). The bulletin offers guidelines and
suggestions for evaluating compliance.
If appropriate, compliance with exposure guidelines for
mobile and unlicensed devices can be accomplished
by the use of warning labels and by providing users
with information concerning minimum separation
distances from transmitting structures and proper
installation of antennas.
Contains Transmitter Module FCC ID:
OA3MRF24J40MB
-or-
Contains FCC ID: OA3MRF24J40MB
This device complies with Part 15 of the FCC Rules.
Operation is subject to the following two conditions:
(1) this device may not cause harmful interference,
and (2) this device must accept any interference
received, including interference that may cause
undesired operation.
This equipment has been tested and found to comply
with the limits for a Class B digital device, pursuant to
part 15 of the FCC Rules. These limits are designed to
provide reasonable protection against harmful
interference in a residential installation. This
equipment generates, uses and can radiate radio
frequency energy, and if not installed and used in
accordance with the instructions, may cause harmful
interference to radio communications. However, there
is no guarantee that interference will not occur in a
particular installation. If this equipment does cause
harmful interference to radio or television reception,
which can be determined by turning the equipment off
and on, the user is encouraged to try to correct the
interference by one or more of the following measures:
• Reorient or relocate the receiving antenna.
• Increase the separation between the equipment
and receiver.
• Connect the equipment into an outlet on a
circuit different from that to which the receiver is
connected.
• Consult the dealer or an experienced radio/TV
technician for help.

MRF24J40MB
DS70599B-page 18 Preliminary © 2009 Microchip Technology Inc.
The following statement must be included as a
CAUTION statement in manuals and OEM products to
alert users of FCC RF exposure compliance:
If the MRF24J40MB module is used in a portable
application (antenna is less than 20 cm from persons
during operation), the integrator is responsible for
performing Specific Absorption Rate (SAR) testing in
accordance with FCC rules 2.1091.
3.1.3 HELPFUL WEB SITES
Federal Communications Commission (FCC):
http://www.fcc.gov
3.2 Canada
The MRF24J40MB module has been certified for use in
Canada under Industry Canada (IC) Radio Standards
Specification (RSS) RSS-210 and RSS-Gen.
From Section 7.1.1, RSS-Gen, Issue 2, June 2007,
Modular Transmitter Approval:
Host devices which contain separately certified
modules do not need to be recertified, provided that
they meet the following conditions:
a) The host device, as a stand-alone unit
without any separately certified modules,
complies with all applicable Radio Standards
Specifications.
b) The host device and all the separately
certified modules it contains jointly meet the
RF exposure compliance requirements of
RSS-102, if applicable.
c) The host device complies with the
certification labeling requirements of each of
the modules it contains.
From Section 5.2, RSS-Gen, Issue 2, June 2007,
Equipment Labels:
All Category I radio equipment intended for use in
Canada shall permanently display on each transmitter,
receiver or inseparable combination thereof, the
applicant’s name (i.e., manufacturer’s name, trade
name or brand name), model number and certification
number. This information shall be affixed in such a
manner as to not be removable except by destruction or
defacement. The size of the lettering shall be legible
without the aid of magnification, but is not required to be
larger than an 8-point font size. If the device is too small
to meet this condition, the information can be included in
the user manual upon agreement with Industry Canada.
Label:
From Section 7.1.6, RSS-Gen, Issue 2, June 2007,
Digital Circuits:
If the device contains digital circuitry that is not directly
associated with the radio transmitter, the device shall
also have to comply with ICES-003, Class A or B as
appropriate, except for ICES-003 labeling
requirements. The test data obtained (for the ICES-003
tests) shall be kept by the manufacturer or importer
whose name appears on the equipment label, and
made available to Industry Canada on request, for as
long as the model is being marketed in Canada.
3.2.1 MRF24J40MB SETTINGS
To meet Industry Canada (IC) requirements, the following
settings must be observed by the integrator:
• The MRF24J40MB transmit power setting
(RFCON3 0x203) cannot exceed -1.9 dB.
• Only channels 11 through 25 may be selected
(RFCON0 0x200).
3.2.2 HELPFUL WEB SITES
Industry Canada: http://www.ic.gc.ca/
Note: Compliance of a module in its final
configuration is the responsibility of the
applicant. A host device will not be
considered certified if the instructions
regarding antenna configuration provided
in the original description, of one or more
separately certified modules it contains,
were not followed
To satisfy FCC RF exposure requirements for mobile
and base station transmission devices, a separation
distance of 20 cm or more should be maintained
between the antenna of this device and persons
during operation. To ensure compliance, operation at
closer than this distance is not recommended.
The antenna(s) used for this transmitter must not be
co-located or operating in conjunction with any other
antenna or transmitter.
Contains IC: 7693A-24J40MB

© 2009 Microchip Technology Inc. Preliminary DS70599B-page 19
MRF24J40MB
3.3 Europe
The MRF24J40MB module has been certified for use in
European countries. The following testing has been
completed:
Test standard ETSI EN 300 328 V1.7.1 (2006-10):
• Maximum Transmit Power
• Maximum EIRP Spectral Density
• Frequency Range
• Radiated Emissions
Test standards ETSI EN 301 489-1:2008 and ETSI
EN 301 489-17:2008:
• Radiated Emissions
• Electrostatic Discharge
• Radiated RF Susceptibility
A helpful document that can be used as a starting point
in understanding the use of Short Range Devices (SRD)
in Europe is the European Radio Communications
Committee (ERC) Recommendation 70-03 E,
downloadable from the European Radio
Communications Office (ERO): http://www.ero.dk.
The end user is responsible for ensuring compliance
with harmonized frequencies and labeling
requirements for each country the end device is
marketed and sold.
3.3.1 MRF24J40MB SETTINGS
To meet ETSI requirements, the following settings must
be observed by the integrator:
• The MRF24J40MB transmit power setting
(RFCON3 0x203) cannot exceed -14.9 dB. This is
to meet the requirements of ETSI EN 300 328
v1.7.1 (2006-05), Maximum e.i.r.p. spectral
density limit, Section 4.3.2.2, “For wideband
modulations other then FHSS (e.g., DSSS,
OFDM, etc.), the maximum e.i.r.p. spectral
density is limited to 10 mW per MHz”. The output
power of the MRF24J40MB module, at this setting
with the PA enabled, is 9 dBm.
• Only channels 11 through 25 may be selected
(RFCON0 0x200).
3.3.2 HELPFUL WEB SITES:
Radio and Telecommunications Terminal Equipment
(R&TTE):
http://ec.europa.eu/enterprise/rtte/index_en.htm
European Conference of Postal and Telecommunications
Administrations (CEPT): http://www.cept.org/
European Telecommunications Standards Institute
(ETSI): http://www.etsi.org/
European Radio Communications Office (ERO):
http://www.ero.dk/

MRF24J40MB
DS70599B-page 20 Preliminary © 2009 Microchip Technology Inc.
NOTES:

© 2009 Microchip Technology Inc. Preliminary DS70599B-page 21
MRF24J40MB
4.0 ELECTRICAL CHARACTERISTICS
TABLE 4-1: RECOMMENDED OPERATING CONDITIONS
Parameters Min Typ Max Units
Ambient Operating Temperature -40 — +85 °C
Supply Voltage for RF, Analog and
Digital Circuits 2.4 — 3.6 V
Supply Voltage for Digital I/O 2.4 3.3 3.6 V
Input High Voltage (VIH) 0.5 x VDD —VDD + 0.3 V
Input Low Voltage (VIL) -0.3 — 0.2 x VDD V
TABLE 4-2: CURRENT CONSUMPTION
(TA = 25°C, VDD = 3.3V)
Chip Mode Condition Min Typ Max Units
Sleep Sleep Clock Disabled — 5 μA— μA
TX At Maximum Output Power — 130 mA — mA
RX — 25 mA — mA
TABLE 4-3: RECEIVER AC CHARACTERISTICS
Typical values are at TA = 25°C, VDD = 3.3V, LO Frequency = 2.445 GHz
Parameters Condition Min Typ Max Units
RF Input Frequency Compatible to
IEEE Std. 802.15.4™, 2003 2.405 — 2.480 GHz
RF Sensitivity — -102 — dBm
Maximum RF Input -23 — — dBm
LO Leakage Measured at Balun Matching
Network Input at Frequency,
2.405-2.48 GHz
—-60—dBm
Input Return Loss -8 -12 — dB
Noise Figure
(including matching) —1.9—dB
Adjacent Channel
Rejection @ +/-5 MHz 30 — — dB
Alternate Channel
Rejection @ +/-10 MHz 40 — — dB
RSSI Range — 50 — dB
RSSI Error -5 — 5 dB

MRF24J40MB
DS70599B-page 22 Preliminary © 2009 Microchip Technology Inc.
TABLE 4-4: TRANSMITTER AC CHARACTERISTICS
Typical values are at TA = 25°C, VDD = 3.3V, LO Frequency = 2.445 GHz
Parameters Condition Min Typ Max Units
RF Carrier Frequency 2.405 — 2.480 GHz
Maximum RF Output
Power —20—dBm
RF Output Power
Control Range —56—dB
TX Gain Control
Resolution Programmed by Register — 1.25 — dB
Carrier Suppression — -30 — dBc
TX Spectrum Mask for
O-QPSK Signal Offset Frequency > 3.5 MHz,
at 0 dBm Output Power -33 — — dBm
TX EVM — 15 — %

MRF24J40MB
DS70599B-page 24 Preliminary © 2009 Microchip Technology Inc.
NOTES:

DS70599B-page 25 Preliminary © 2009 Microchip Technology Inc.
MRF24J40MB
INDEX
A
AC Characteristics
Receiver ......................................................................21
Transmitter ..................................................................22
Antenna Impedance
Simulated PCB............................................................15
B
Bill of Materials (BOM) ..........................................................9
Block Diagrams
Microcontroller to MRF24J40MB Interface....................4
MRF24J40MB ...............................................................3
C
Circuit Description .................................................................7
Customer Change Notification Service ...............................26
Customer Notification Service.............................................26
Customer Support ...............................................................26
D
Details
Module ..........................................................................5
Mounting .......................................................................6
Recommended PCB Footprint ......................................5
E
Electrical Characteristics.....................................................21
Current Consumption..................................................21
Recommended Operating Conditions .........................21
Errata.....................................................................................2
European Radio Communications (ERC)............................19
F
FCC ID Number...................................................................17
FCC RF Exposure Compliance...........................................18
H
Helpful Web Sites..........................................................18, 19
I
Interface Description .............................................................3
Internet Address..................................................................26
M
MAC/Baseband Features......................................................1
Microchip Internet Web Site ................................................26
MiWi P2P...............................................................................3
MiWi Protocol ........................................................................3
More Information ...................................................................2
Customer Notification System.......................................2
Errata ............................................................................2
Mounting Details....................................................................5
MRF24J40 Data Sheet......................................................3, 7
O
Overview ...............................................................................3
P
PCB Antenna ...................................................................... 13
Dimensions ................................................................. 13
Simulation Drawing..................................................... 14
SWR ........................................................................... 16
PCB Layers
Bottom Copper............................................................ 12
Layer 2 – Ground Plane.............................................. 11
Layer 3 – Power Plane ............................................... 12
Stack Up ..................................................................... 12
Top Copper................................................................. 11
Top Silk Screen .......................................................... 11
Pin Description...................................................................... 4
Pin Diagram .......................................................................... 1
Printed Circuit Board (PCB)................................................ 11
R
Radiation Pattern
2D ............................................................................... 14
3D ............................................................................... 15
Reader Response............................................................... 27
Regulatory Approval ........................................................... 17
Canada ....................................................................... 18
Settings............................................................... 18
Europe ........................................................................ 19
Settings............................................................... 19
United States .............................................................. 17
Settings............................................................... 17
Revision History .................................................................. 23
RF Exposure....................................................................... 17
RF/Analog Features.............................................................. 1
S
Schematic
MRF24J40MB............................................................... 8
Serial I/O
SCK, SDI, SDO, CS...................................................... 7
Short Range Devices (SRD) ............................................... 19
Specific Absorption Rate (SAR).......................................... 18
SPI ........................................................................................ 7
W
WWW Address.................................................................... 26
WWW, On-Line Support ....................................................... 2
Z
ZigBee Protocol .................................................................... 3

MRF24J40MB
DS70599B-page 26 Preliminary © 2009 Microchip Technology Inc.
NOTES:

© 2009 Microchip Technology Inc. Preliminary DS70599B-page 27
MRF24J40MB
THE MICROCHIP WEB SITE
Microchip provides online support via our WWW site at
www.microchip.com. This web site is used as a means
to make files and information easily available to
customers. Accessible by using your favorite Internet
browser, the web site contains the following
information:
•Product Support – Data sheets and errata,
application notes and sample programs, design
resources, user’s guides and hardware support
documents, latest software releases and archived
software
•General Technical Support – Frequently Asked
Questions (FAQ), technical support requests,
online discussion groups, Microchip consultant
program member listing
•Business of Microchip – Product selector and
ordering guides, latest Microchip press releases,
listing of seminars and events, listings of
Microchip sales offices, distributors and factory
representatives
CUSTOMER CHANGE NOTIFICATION
SERVICE
Microchip’s customer notification service helps keep
customers current on Microchip products. Subscribers
will receive e-mail notification whenever there are
changes, updates, revisions or errata related to a
specified product family or development tool of interest.
To register, access the Microchip web site at
www.microchip.com, click on Customer Change
Notification and follow the registration instructions.
CUSTOMER SUPPORT
Users of Microchip products can receive assistance
through several channels:
• Distributor or Representative
• Local Sales Office
• Field Application Engineer (FAE)
• Technical Support
• Development Systems Information Line
Customers should contact their distributor,
representative or field application engineer (FAE) for
support. Local sales offices are also available to help
customers. A listing of sales offices and locations is
included in the back of this document.
Technical support is available through the web site
at: http://support.microchip.com

MRF24J40MB
DS70599B-page 28 Preliminary © 2009 Microchip Technology Inc.
READER RESPONSE
It is our intention to provide you with the best documentation possible to ensure successful use of your Microchip
product. If you wish to provide your comments on organization, clarity, subject matter, and ways in which our
documentation can better serve you, please FAX your comments to the Technical Publications Manager at (480) 792-
4150.
Please list the following information, and use this outline to provide us with your comments about this document.
To: Technical Publications Manager
RE: Reader Response
Total Pages Sent ________
From: Name
Company
Address
City / State / ZIP / Country
Telephone: (_______) _________ - _________
Application (optional):
Would you like a reply? Y N
Device: Literature Number:
Questions:
FAX: (______) _________ - _________
DS70599BMRF24J40MB
1. What are the best features of this document?
2. How does this document meet your hardware and software development needs?
3. Do you find the organization of this document easy to follow? If not, why?
4. What additions to the document do you think would enhance the structure and subject?
5. What deletions from the document could be made without affecting the overall usefulness?
6. Is there any incorrect or misleading information (what and where)?
7. How would you improve this document?

© 2009 Microchip Technology Inc. Preliminary DS70599B-page 29
MRF24J40MB
PRODUCT IDENTIFICATION SYSTEM
To order or obtain information, e.g., on pricing or delivery, refer to the factory or the listed sales office.
PART NO. -XX T
Tape andModule Temperature
Range
Device
Device MRF24J40MB;
VDD range 2.4V to 3.6V
Temperature Range I = -40°C to +85°C (Industrial)
Examples:
a) MRF24J40MB-I = Industrial temp. tray
b) MRF24J40MBT-I = Industrial temp., tape and
reel.
M
Module Type Reel

DS70599B-page 30 Preliminary © 2009 Microchip Technology Inc.
AMERICAS
Corporate Office
2355 West Chandler Blvd.
Chandler, AZ 85224-6199
Tel: 480-792-7200
Fax: 480-792-7277
Technical Support:
http://support.microchip.com
Web Address:
www.microchip.com
Atlanta
Duluth, GA
Tel: 678-957-9614
Fax: 678-957-1455
Boston
Westborough, MA
Tel: 774-760-0087
Fax: 774-760-0088
Chicago
Itasca, IL
Tel: 630-285-0071
Fax: 630-285-0075
Cleveland
Independence, OH
Tel: 216-447-0464
Fax: 216-447-0643
Dallas
Addison, TX
Tel: 972-818-7423
Fax: 972-818-2924
Detroit
Farmington Hills, MI
Tel: 248-538-2250
Fax: 248-538-2260
Kokomo
Kokomo, IN
Tel: 765-864-8360
Fax: 765-864-8387
Los Angeles
Mission Viejo, CA
Tel: 949-462-9523
Fax: 949-462-9608
Santa Clara
Santa Clara, CA
Tel: 408-961-6444
Fax: 408-961-6445
Toronto
Mississauga, Ontario,
Canada
Tel: 905-673-0699
Fax: 905-673-6509
ASIA/PACIFIC
Asia Pacific Office
Suites 3707-14, 37th Floor
Tower 6, The Gateway
Harbour City, Kowloon
Hong Kong
Tel: 852-2401-1200
Fax: 852-2401-3431
Australia - Sydney
Tel: 61-2-9868-6733
Fax: 61-2-9868-6755
China - Beijing
Tel: 86-10-8528-2100
Fax: 86-10-8528-2104
China - Chengdu
Tel: 86-28-8665-5511
Fax: 86-28-8665-7889
China - Hong Kong SAR
Tel: 852-2401-1200
Fax: 852-2401-3431
China - Nanjing
Tel: 86-25-8473-2460
Fax: 86-25-8473-2470
China - Qingdao
Tel: 86-532-8502-7355
Fax: 86-532-8502-7205
China - Shanghai
Tel: 86-21-5407-5533
Fax: 86-21-5407-5066
China - Shenyang
Tel: 86-24-2334-2829
Fax: 86-24-2334-2393
China - Shenzhen
Tel: 86-755-8203-2660
Fax: 86-755-8203-1760
China - Wuhan
Tel: 86-27-5980-5300
Fax: 86-27-5980-5118
China - Xiamen
Tel: 86-592-2388138
Fax: 86-592-2388130
China - Xian
Tel: 86-29-8833-7252
Fax: 86-29-8833-7256
China - Zhuhai
Tel: 86-756-3210040
Fax: 86-756-3210049
ASIA/PACIFIC
India - Bangalore
Tel: 91-80-3090-4444
Fax: 91-80-3090-4080
India - New Delhi
Tel: 91-11-4160-8631
Fax: 91-11-4160-8632
India - Pune
Tel: 91-20-2566-1512
Fax: 91-20-2566-1513
Japan - Yokohama
Tel: 81-45-471- 6166
Fax: 81-45-471-6122
Korea - Daegu
Tel: 82-53-744-4301
Fax: 82-53-744-4302
Korea - Seoul
Tel: 82-2-554-7200
Fax: 82-2-558-5932 or
82-2-558-5934
Malaysia - Kuala Lumpur
Tel: 60-3-6201-9857
Fax: 60-3-6201-9859
Malaysia - Penang
Tel: 60-4-227-8870
Fax: 60-4-227-4068
Philippines - Manila
Tel: 63-2-634-9065
Fax: 63-2-634-9069
Singapore
Tel: 65-6334-8870
Fax: 65-6334-8850
Taiwan - Hsin Chu
Tel: 886-3-6578-300
Fax: 886-3-6578-370
Taiwan - Kaohsiung
Tel: 886-7-536-4818
Fax: 886-7-536-4803
Taiwan - Taipei
Tel: 886-2-2500-6610
Fax: 886-2-2508-0102
Thailand - Bangkok
Tel: 66-2-694-1351
Fax: 66-2-694-1350
EUROPE
Austria - Wels
Tel: 43-7242-2244-39
Fax: 43-7242-2244-393
Denmark - Copenhagen
Tel: 45-4450-2828
Fax: 45-4485-2829
France - Paris
Tel: 33-1-69-53-63-20
Fax: 33-1-69-30-90-79
Germany - Munich
Tel: 49-89-627-144-0
Fax: 49-89-627-144-44
Italy - Milan
Tel: 39-0331-742611
Fax: 39-0331-466781
Netherlands - Drunen
Tel: 31-416-690399
Fax: 31-416-690340
Spain - Madrid
Tel: 34-91-708-08-90
Fax: 34-91-708-08-91
UK - Wokingham
Tel: 44-118-921-5869
Fax: 44-118-921-5820
WORLDWIDE SALES AND SERVICE
03/26/09
