MTD 12A 264E700 User Manual LAWN MOWER Manuals And Guides 1109200L
User Manual: MTD 12A-264E700 12A-264E700 MTD LAWN MOWER - Manuals and Guides View the owners manual for your MTD LAWN MOWER #12A264E700. Home:Lawn & Garden Parts:MTD Parts:MTD LAWN MOWER Manual
Open the PDF directly: View PDF
.
Page Count: 20

Operator's Manual
22" Self-Propelled
Mower
Model Series
260 thru 269
IMPORTANT: READ SAFETY RULES AND INSTRUCTIONS CAREFULLY
Warning: This unit is equipped with an internal combustion engine and should not be used on or near any unimproved forest-
covered, brush-covered or grass-covered land unless the engine's exhaust system is equipped with a spark arrester meeting
applicable local or state laws (if any). If a spark arrester is used, it should be maintained in effective working order by the operator.
In the State of California the above is required by law (Section 4442 of the California Public Resources Code). Other states may have
similar laws. Federal laws apply on federal lands. A spark arrester for the muffler is available through your nearest engine authorized
service dealer or contact the service department, P.O. Box 361131 Cleveland, Ohio 44136-0019.
MTD LLC., P.O. BOX 361131, CLEVELAND, OHIO 44136-0019
PRINTED IN U.S.A. FORM NO. 770-10336D
(10/2003)

TABLEOFCONTENTS
Content
Important Safe Operation Practices
Slope Gauge
Assembling Your Lawn Mower
Know Your Lawn Mower
Operating Your Lawn Mower
Page Content Page
3 Maintaining Your Lawn Mower 11
6 Trouble Shooting 14
7 Illustrated Parts List 16
8 Warranty 20
9
FINDINGMODELNUMBER
This Operator's Manual is an important part of your new lawn mower. It will help you assemble, prepare and
maintain the unit for best performance. Please read and understand what it says.
Before you start assembling your new equipment, please locate the model plate on the
equipment and copy the information from it in the space provided below. A sample model plate is
also given below. You can locate the model plate by standing at the operating position and
looking down at the rear of the deck. This information will be necessary to use the
manufacturer's web site and/or help from the Customer Support Department or an authorized
service dealer.
__,_ MTDLLC
P. O. BOX 361131
CLEVELAND,OH 44136
338-228-4683
'. www.m_u_rouuc_s.com_-_ " 888-888-7318 •
Copy the model number here:
Copy the serial number here:
CUSTOMERSUPPORT
Please doNOTreturntheunit to the retailer fromwhereit waspurchased,withoutfirstcontactingCustomerSupport.
If you have difficulty assembling this product or have any questions regarding the controls, operation or
maintenance of this unit, you can seek help from the experts. Choose from the options below:
En ine
Visit mtdproducts.com for many useful suggestions. Click on Customer Support button and
you will get the four options reproduced here. Click on the appropriate button and help is
immediately available.
answer you are
looking for could be just
"f
a mouse c//cA awayf
answer aye
looking for could be just
"f
a mouse c/_cA away]
If you prefer to reach a Customer Support Representative, please call 1-800-800-7310.
The engine manufacturer is responsible for all engine-related issues with regards to
performance, power-rating, specifications, warranty and service. Please refer to the engine
manufacturer's Owner's/Operator's Manual, packed separately with your unit, for more
information.

SECTION1: IMPORTANTSAFEOPERATIONPRACTICES
WARNING: This symbol points out important safety instructions which, if not followed, could
endanger the personal safety and/or property of yourself and others. Read and follow all instructions in
this manual before attempting to operate this machine. Failure to comply with these instructions may
result in personal injury. When you see this symbol - heed its warning.
WARNING: Engine Exhaust, some of its constituents, and certain vehicle
components contain or emit chemicals known to State of California to cause cancer
and birth defects or other reproductive harm.
DANGER: This machine was built to be operated according to the rules for safe operation in this
manual. As with any type of power equipment, carelessness or error on the part of the operator can
result in serious injury. This machine is capable of amputating hands and feet and throwing objects.
Failure to observe the following safety instructions could result in serious injury or death.
GeneralOperation
1. Read this operator's manual carefully in its entirety
before attempting to assemble this machine. Read,
understand, and follow all instructions on the machine
and in the manual(s) before operation. Be completely
familiar with the controls and the proper use of this
machine before operating it. Keep this manual in a safe
place for future and regular reference and for ordering
replacement parts.
2. This machine is a precision piece of power equipment,
not a plaything. Therefore, exercise extreme caution at all
times. Your unit has been designed to perform one job: to
mow grass. Do not use it for any other purpose.
3. Never allow children under 14 years old to operate this
machine. Children 14 years old and over should read and
understand the operation instructions and safety rules in
this manual and should be trained and supervised by a
parent. Only responsible individuals who are familiar with
these rules of safe operation should be allowed to use
this machine.
4. Thoroughly inspect the area where the equipment is to
be used. Remove all stones, sticks, wire, bones, toys and
other foreign objects which could be tripped over or
picked up and thrown by the blade. Thrown objects can
cause serious personal injury. Plan your mowing pattern
to avoid discharge of material toward roads, sidewalks,
bystanders and the like. Also, avoid discharging material
against a walt or obstruction which may cause
discharged material to ricochet back toward the operator.
5. To help avoid blade contact or a thrown object injury, stay
in the operator zone behind the handles and keep
children, bystanders, helpers and pets at least 75 feet
from the mower while it is in operation. Stop machine if
anyone enters the area.
6. Always wear safety glasses or safety goggles during
operation and while performing an adjustment or repair to
protect your eyes. Thrown objects which ricochet can
cause serious injury to the eyes.
7. Wear sturdy, rough-soled work shoes and close-fitting
slacks and shirts. Shirts and pants that cover the arms
and legs and steel-toed shoes are recommended. Never
operate this machine in bare feet, sandals, slippery or
light weight (e.g. canvas) shoes.
8. Do not put hands or feet near rotating parts or under the
cutting deck. Contact with the blade can amputate hands
and feet.
9. A missing or damaged discharge cover can cause blade
contact or thrown object injuries.
10. Many injuries occur as a result of the mower being pulled
over the foot during a fall caused by slipping or tripping.
Do not hold on to the mower if you are falling; release the
handle immediately.
11. Never pull the mower back toward you while you are
walking. If you must back the mower away from a wall or
obstruction first look down and behind to avoid tripping
and then follow these steps:
a. Step back from the mower to fully extend your
arms.
b. Be sure you are welt balanced with sure footing.
c. Pull the mower back slowly, no more than halfway
toward you.
d. Repeat these steps as needed.
12. Do not operate the mower while under the influence of
alcohol or drugs.
13. Do not engage the self-propelled mechanism on units so
equipped while starting engine.
14. The blade control handle is a safety device. Never
attempt to bypass its operation. Doing so makes the
safety device inoperative and may result in personal
injury through contact with the rotating blade. The blade
control handle must operate easily in both directions and
automatically return to the disengaged position when
released.
15. Never operate the mower in wet grass. Always be sure of
your footing. A slip and fall can cause serious personal
injury. If you feel you are losing your footing, release the
blade control handle immediately and the blade will stop
rotating within three seconds.
16. Mow only in daylight or in good artificial light. Walk, never
run.
17. Stop the blade when crossing gravel drives, walks or
roads.
18. If the equipment should start to vibrate abnormally, stop
the engine and check immediately for the cause.
Vibration is generally a warning of trouble.
19. Shut the engine off and wait until the blade comes to a

completestopbeforeremovingthegrasscatcheror
uncloggingthechute.Thecuttingbladecontinuesto
rotateforafewsecondsaftertheengineisshutoff.Never
placeanypartofthebodyinthebladeareauntilyouare
surethebladehasstoppedrotating.
20.Neveroperatemowerwithoutpropertrailshield,
dischargecover,grasscatcher,bladecontrolhandleor
othersafetyprotectivedevicesinplaceandworking.
Neveroperatemowerwithdamagedsafetydevices.
Failuretodoso,canresultinpersonalinjury.
21.Mufflerandenginebecomehotandcancauseaburn.Do
nottouch.
22.Onlyusepartsandaccessoriesmadeforthismachineby
themanufacturer.Failuretodoso,canresultinpersonal
injury.
23.Ifsituationsoccurwhicharenotcoveredinthismanual,
usecareandgoodjudgment.Contactyourdealerfor
assistance.Telephone1-800-800-7310forthenameof
yournearestdealer.
SlopeOperation
Slopes are a major factor related to slip and fall accidents
which can result in severe injury. Operation on slopes
requires extra caution. If you feel uneasy on a slope, do not
mow it. For your safety, use the slope gauge included as part
of this manual to measure slopes before operating this unit on
a sloped or hilly area. If the slope is greater than 15 degrees,
do not mow it.
Do:
1. Mow across the face of slopes; never up and down.
Exercise extreme caution when changing direction on
slopes.
2. Watch for holes, ruts, rocks, hidden objects, or bumps
which can cause you to slip or trip. Tall grass can hide
obstacles.
3. Always be sure of your footing. A slip and fall can cause
serious personal injury. If you feel you are losing your
balance, release the blade control handle immediately,
and the blade will stop rotating within 3 seconds.
DoNot:
1. Do not mow near drop-offs, ditches or embankments, you
could lose your footing or balance.
2. Do not mow slopes greater than 15 degrees as shown on
the slope gauge.
3. Do not mow on wet grass. Unstable footing could cause
slipping.
Children
Tragic accidents can occur if the operator is not alert to the
presence of children. Children are often attracted to the
mower and the mowing activity. They do not understand the
dangers. Never assume that children will remain where you
last saw them.
1. Keep children out of the mowing area and under the
watchful care of a responsible adult other than the
operator.
2. Be alert and turn mower off if a child enters the area.
3. Before and while moving backwards, look behind and
down for small children.
4. Use extreme care when approaching blind corners,
8,
6.
doorways, shrubs, trees, or other objects that may
obscure your vision of a child who may run into the
mower.
Keep children away from hot or running engines. They
can suffer burns from a hot muffler.
Never allow children under 14 years old to operate a
power mower. Children 14 years old and over should
read and understand the operation instructions and
safety rules in this manual and should be trained and
supervised by a parent.
Service
Safe HandlingOfGasoline:
1. To avoid personal injury or property damage use extreme
care in handling gasoline. Gasoline is extremely
flammable and the vapors are explosive. Serious
personal injury can occur when gasoline is spilled on
yourself or your clothes which can ignite.
2. Wash your skin and change clothes immediately.
3. Use only an approved gasoline container.
4. Never fill containers inside a vehicle or on a truck or
trailer bed with a plastic liner. Always place containers on
the ground away from your vehicle before filling.
5. When practical, remove gas-powered equipment from
the truck or trailer and refuel it on the ground. If this is not
possible, then refuel such equipment on a trailer with a
portable container, rather than from a gasoline dispenser
nozzle.
6. Keep the nozzle in contact with the rim of the fuel tank or
container opening at all times until fueling is complete. Do
not use a nozzle lock-open device.
7. Extinguish all cigarettes, cigars, pipes and other sources
of ignition.
8. Never fuel machine indoors because flammable vapors
wilt accumulate in the area.
9. Never remove gas cap or add fuel while the engine is hot
or running. Allow engine to cool at least two minutes
before refueling.
10. Never over fill fuel tank. Fill tank to no more than ½ inch
below bottom of filler neck to provide space for fuel
expansion.
11. Replace gasoline cap and tighten securely.
12. If gasoline is spilled, wipe it off the engine and equipment.
Move unit to another area. Wait 5 minutes before starting
the engine.
13. Never store the machine or fuel container inside where
there is an open flame, spark or pilot light as on a water
heater, space heater, furnace, clothes dryer or other gas
appliances.
14. To reduce fire hazard, keep mower free of grass, leaves,
or other debris build-up. Clean up oil or fuel spillage and
remove any fuel soaked debris.
15. Allow a mower to cool at least 5 minutes before storing.
GeneralService:
1. Never run an engine indoors or in a poorly ventilated
area. Engine exhaust contains carbon monoxide, an
odorless and deadly gas.
2. Before cleaning, repairing, or inspecting, make certain
the blade and all moving parts have stopped. Disconnect
the spark plug wire and ground against the engine to
prevent unintended starting.

3. Checkthebladeandenginemountingboltsatfrequent
intervalsforpropertightness.Also,visuallyinspectblade
fordamage(e.g.,bent,cracked,worn)Replaceblade
withtheoriginalequipmentmanufacture's(O.E.M.)blade
only,listedinthismanual."Useofpartswhichdonot
meettheoriginalequipmentspecificationsmayleadto
improperperformanceandcompromisesafety!"
4. Mowerbladesaresharpandcancut.Wrapthebladeor
weargloves,anduseextracautionwhenservicingthem.
5. Keepallnuts,bolts,andscrewstighttobesurethe
equipmentisinsafeworkingcondition.
6. Nevertamperwithsafetydevices.Checktheirproper
operationregularly.
7. Afterstrikingaforeignobject,stoptheengine,disconnect
thesparkplugwireandgroundagainsttheengine.
Thoroughlyinspectthemowerforanydamage.Repair
thedamagebeforestartingandoperatingthemower.
8. Neverattempttomakeawheelorcuttingheight
adjustmentwhiletheengineisrunning.
9. Grasscatchercomponents,dischargecover,andtrail
shieldaresubjecttowearanddamagewhichcould
exposemovingpartsorallowobjectstobethrown.For
safetyprotection,frequentlycheckcomponentsand
replaceimmediatelywithoriginalequipment
manufacturer's(O.E.M.)partsonly,listedinthismanual.
"Useofpartswhichdonotmeettheoriginalequipment
specificationsmayleadtoimproperperformanceand
compromisesafety!"
10.Donotchangetheenginegovernorsettingoroverspeed
theengine.Thegovernorcontrolsthemaximumsafe
operatingspeedoftheengine.
11.Maintainorreplacesafetyandinstructionlabels,as
necessary.
12.Observeproperdisposaltawsandregulations.Improper
disposaloffluidsandmaterialscanharmthe
environment.
_, ARNING - YOUR RESPONSIBILITY: Restrict the use of this power machine to persons who read,
understand and follow the warnings and instructions in this manual and on the machine.
NOTE: Not all safety labels shown may apply to your lawn mower.
DAN@mR

o
E
t-
O
4)
4)
O
i-
O
I::l
d)
o
*d
r-
E
o
r-
d)
o
o
o)
cu 05
o
I
II 91 SIGHT AND HOLD THIS LEVEL WITH A VERTICAL TREE
191 A POWER POLE
I-. ,. I I ill A CORNER OF A BUILDING
III! !11 II1 I
" .. ,_ I I ,II OR A FENCE POST
~ ~ ~FQLDo^.
.._"-
15°
,_ WARNING
Do not mow on inclines with a slope in excess of 15 degrees (a rise of approximately 2-1/2 feet every 10 feet). A riding mower could
overturn and cause serious injury. If operating a walk-behind mower on such a slope, it is extremely difficult to maintain your footing
and you could slip, resulting in serious injury.
Operate RIDING mowers up and down slopes, never across the face of slopes.
Operate WALK-BEHIND mowers across the face of slopes, never up and down slopes.
t.O

SECTION3: ASSEMBLINGYOURLAWNMOWER
IMPORTANT: This unit is shipped without gasoline or oil
in the engine. Be certain to service engine with gasoline
and oil as instructed in the separate engine manual
before operating your mower.
NOTE: Reference to right or left hand side of the mower
is observed from the operating position.
RemovingUnitFromCarton
• Remove staples, break glue on top flaps, or cut
tape at carton end and peel along top flap to open
carton.
• Remove loose parts if included with unit (i.e.,
operator's manual, etc.)
• Carefully cut along corners, lay carton down flat,
and remove packing material.
• Roll or slide unit out of carton and check carton
thoroughly for loose parts.
DisconnectingSparkPlugWire
Before setting up your lawn mower, disconnect the
spark plug wire from the spark plug. See Figure 1.
Spark Plug
Spark
• To secure the upper and lower handle, tighten the
wing nuts near the top of lower handle (carriage
bolts must be seated properly into the handle).
• Tighten the wing nuts at the end of the lower handle
to secure the handle to handle bracket assemblies.
See Figure 3.
NOTE: Your mower is shipped with the handle in the
higher position. If you wish to lower the height of the
handle, refer to the Adjustment Section.
Nuts
Handle
Handle
Bracket
Assemblies
Figure 3
Fasten the cables to the lower handle with the
cable tie found on the lower handle. Pull the cable
tie tight and trim offthe excess. See Figure 4.
Cable Tie
Handle
Figure 1
SettingUpYourLawnMower
• Lift up and pull back on the upper handle to raise
the handle into the operating position. Make certain
the lower handle is seated securely into the handle
bracket assemblies. See Figure 2.
Figure 2
Figure 4
If not already there, move rope guide to the first
hole above the lower handle on right side. The wing
nut loosens and secures the rope guide. See
Figure 5.
Starter. Handle
Rope Nut
Rope
Guide
Figure 5
With the spark plug wire disconnected and
grounded, hold the blade control handle against the
upper handle, and pull the starter rope out of the
engine. Release the blade control handle. Slip the
starter rope into the rope guide. Tighten wing nut.

RemovingChuteRetainer
The chute deflector on your mower is held in an upright
position by a retainer for shipping purposes only.
Remove the retainer by following steps below, before
running the mower for the first time.
• Push the chute deflector up and towards the
engine. Holding the deflector in this position,
remove the retainer. See Figure 6.
• Lower the chute deflector carefully to its operating
position keeping your fingers out of the way.
Figure 6
_, WARNING: The chute retainer must be
removed and discarded before operating
the mower.
Installing MulchingBaffle
Install the mulching baffle on the right side of the deck
following these instructions. Make sure to follow the
correct sequence as indicated here.
• Lift up and hold the side-discharge chute deflector.
• Insert bottom lip of the mulching baffle inside the
chute opening. See Figure 7.
• Snap hooks of the mulching baffle over the hinge
pin of the chute deflector. See Figure 7. The hooks
must snap into place on the hinge pin, locking the
mulching baffle firmly onto the mower. For a close-
up of the hinge pin location, see inset.
• Release the chute deflector.
NOTE: Install bottom lip inside chute opening
(indicated by I in the figure below) before placing hooks
over the hinge pin (indicated by 2 in the figure below).
Chute
Deflector
Hing_
Pin
Hooks
/
Openin'g
Lib g Baffle
(install inside chute opening)
Figure 7
SECTION4: KNOWYOURLAWNMOWER
Read this operator's manual and safety rules before
operating your lawn mower. Compare the illustration in
Figure 8 with your lawn mower to familiarize yourself
with the location of various controls and adjustments.
Save this manual for future reference.
BladeControlHandle
The blade control handle is located on the upper handle
of the mower. The blade control handle must be
depressed in order to operate the unit. Release blade
control handle to stop engine and blade. See Figure 8.
WARNING: The operation of any lawn _,
mower can result in foreign objects being
thrown into the eyes, which can damage
your eyes severely. Always wear safety
glasses while operating the mower, or
while performing any adjustments or
repairs on it.
WARNING: This blade control mechanism
is asafety device. Never attempt to bypass
its operations.
EngineControls
See the separate engine manual for the location and
function of the controls on the engine.

Starter
Discharge _
Chute
-Blade Control
Handle
Handle
Mulching
Plug
Cutting Height
Adjustment
Lever
Figure 8
RecoilStarter
The recoil starter is attached to the right lower handle.
Stand behind the unit and pull the recoil starter to start
the unit. See Figure 8.
Cutting HeightAdjustmentLevers
These levers are located on each wheel and they are
used to adjust the cutting height. All four levers have to
be at the same relative position to ensure a uniform cut.
See Figure 8.
DriveControl Handle
The drive control handle is located on the upper handle.
Squeeze the drive control handle against the upper
handle to engage drive system. Release the control
handle to disengage the drive system in order to stop,
slow down, or backup. See Figure 8.
StoppingEngine
• Release blade control handle to stop the engine
and the blade.
• Disconnect spark plug wire and ground against the
engine.
SECTION5: OPERATINGYOURLAWNMOWER
rTowardsBetterMowerPerformance
1. Pour fresh, clean gasoline into the mower's gas 5.
tank until the tank is full. Do not use gasoline
that is more than 30 days old. 6.
2. Make sure to connect the mower's spark plug
wire before trying to start the engine.
3. Add engine oil to the oil fill on the mower engine. 7.
Check the dipstick and add more if necessary.
Remember that the oil level has to touch the fill
line. 8.
4. Locate the primer decal near the primer bulb on
the engine, and read its instruction. Using your 9.
thumb, press the primer bulb slowly as many
times as the decal advises.
Hold control handle down and pull rope firmly to
start the engine.
Set cutting height adjustment lever to middle
setting and mow a single pass on your lawn;
then adjust to desired height for a closer cut.
To mulch insert the mulch plug/cover on the
mower.
Before storing the lawn mower for the winter,
use stabilizer-treated fuel and run the tank dry.
Thirty days before start of the new season,
check the air filter, spark plug and blade on the
lawn mower, and replace if needed.
J
WARNING: Keep hands and feet away from
chute area on the cutting deck. The
operation of any lawn mower can result in
foreign objects being thrown into the eyes,
which can result in severe eye damage.
Always wear safety glasses or eye shields.
NOTE: For shipping purposes your mower is set with
the wheels in a low cutting height position. For best
results raise the cutting position until it is determine
which height is best for your lawn. See the Adjustment
Section for details.
GasandOilFill-Up
Service the engine with gasoline and oil as instructed in
the separate engine manual packed with your mower.
Read instructions carefully.
,_ WARNING: Never fill fuel tank indoors with
engine running or until the engine has
been allowed to cool for at least two
minutes after running.
BeforeStartingYourMower
• Check for proper clutch operation by performing the
following procedure before starting the engine.
• With the drive clutch released, push mower
forward. It should move freely. Pull mower
backward. It should move with only a small amount
of resistance.

• Iftherearwheelstendtolockup,theclutchmay
notbereleasingcompletely.Donotstarttheengine
untilcorrectionshavebeenmade.
• Checkthedrivecableforseverebends,kinks,or
binding.Alsocheckforgrassbuild-uparoundthe
belt.
StartingEngine
• Attach spark plug wire to spark plug. Make certain
the metal cap on the end of the spark plug is
fastened securely over the metal tip on the spark
plug.
• Prime engine as instructed in the separate engine
manual packed with your unit.
• Stand behind the mower and squeeze the blade
control handle against the upper handle.
• Grasp recoil starter handle and pull rope out slowly
until engine reaches the start of compression cycle
(rope will pull slightly harder at this point). Let the
rope rewind slowly. Pull rope with a rapid,
continuous, full arm stroke. Keeping a firm grip on
the starter handle, let the rope return to the starter
slowly.
NOTE: See your engine manual packed with your unit
for more detailed instructions.
UsingYourLawn Mower
Be sure the lawn is clear of stones, sticks, wire, or other
objects which could damage the lawn mower or the
engine. Such objects could be accidently thrown by the
mower in any direction and cause serious personal
injury to the operator and others.
For best results, do not cut wet grass because it tends
to stick to the underside of the mower, preventing
proper discharge of grass clippings, and could cause
you to slip and fall. New grass, thick grass, or wet grass
may require a narrower cut.
For a healthier lawn, never cut off more than one-third
of the total length of the grass. Your lawn should be cut
in the fall as long as there is growth. This mower is
designed to be operated at full throttle to give you the
best cut and do the most effective job of mowing or
mulching.
WARNING: If you strike aforeign object,
stop the engine. Remove wire from the
spark plug, thoroughly inspect the mower
for any damage, and repair the damage
before restarting and operating the
mower. Extensive vibration of the mower
during operation is an indication of
damage. The unit should be promptly
inspected and repaired.
Mulching
For effective mulching, do not cut wet grass because it
tends to stick to the underside of the deck, preventing
proper mulching of grass clippings. New or thick grass
may require a narrower cut. The ground speed should
be adjusted to the condition of the lawn. If mowing has
been delayed and the grass has been allowed to grow
in excess of 4", mulching is not recommended. Mow
using the side discharge to reduce the grass height to 3
114"maximum before mulching.
MakingAdjustments
,_ WARNING: Always stop engine, discon-
nect spark plug, and ground against
engine before performing adjustments.
CuttingHeightAdjustment
Each wheel has a height adjustment lever which
provides cutting height adjustment. When the
adjustment lever is moved from one location to another
the height of cut will be changed. Simply depress the
lever towards wheel and move lever assembly to
desired position. See Figure 9.
IMPORTANT:All wheels must be placed inthe same
relative position. For rough or uneven lawns, move the
height adjustment lever to a higher position. This will
help stop scalping of the grass.
10
Height
Adjustment Levers
Figure 9
HandleHeightAdjustment
Your mower is shipped with the handle in the higher
height position. To lower the height proceed as follows:
• Remove the starter rope from the rope guide.
• Disconnect the handle from the handle bracket
assemblies by removing the wing nuts.
See Figure 10.
• Position each handle bracket assembly stud into
the top hole in the lower handle and reassemble
wing nuts.
• Each end of the lower handle must be placed in
same relative position.

Handle
Handle
Bracket
Assemblies
Nuts
EngineAdjustments
See the separate engine manual packed with your unit
for adjustments to the engine.
Figure 10
SECTION6: MAINTAININGYOURLAWNMOWER
CustomerResponsibilities
£
MAINTENANCE Qeo_
SCHEDULE ,_,,e,,
SERVICE
DATES
Lubricate Wheels
t-
OLubricate Blade Control
_ Clean Deck
n_
a_ Blade Care
Check Oil
Change Oil
7m Replace Air Filter
z_ Clean Engine
uJ
Check Spark Plug
Check Spark Arrester (if any)
GeneralRecommendations
• Always observe safety rules when performing any
maintenance.
• Changing of engine governed speed will void
engine warranty.
• The warranty on this lawn mower does not cover
items that have been subjected to operator abuse
or negligence. To receive full value from the
warranty, operator must maintain the lawn mower
as instructed in this manual.
• Some adjustments will have to be made
periodically to maintain your unit properly. All
adjustments in the Making Adjustments section of
this manual should be checked at least once each
season.
Periodically check all fasteners and make sure
these are tight.
Follow the maintenance schedule under Customer
Responsibilities to get quality performance from
your lawn mower.
Lubrication
11
,i_ WARNING: Always stop engine, discon-
nect spark plug, and ground against
engine before cleaning, lubricating or
doing any kind of maintenance on your
machine.

BladeControlHandleand Drive Clutch Control:
Lubricate the pivot points on the blade control handle
and the drive clutch control at least once a season with
light oil. These handles must operate freely in both
directions. See Figure 11.
Wheels: Lubricate the wheels at least once a season
with light oil (or motor oil). If the wheels are removed for
any reason, lubricate the surface of the pivot arm axle
and inner surface of the wheel with light oil.
Chute Deflector or Mulching Baffle: Lubricate the
torsion spring and pivot point periodically with light oil to
prevent any rust or binding.
Engine: Follow the separate engine manual packed
with you unit for lubrication instructions.
Lubricate
Lubricate_F
Figure 11
Maintenance
NOTE: When tipping the unit or emptying the fuel tank
keep the air cleaner side of engine up. Never tip the
mower more than 90 degrees and do not leave the
mower tipped for any length of time. Oil can drain into
the upper part of the engine causing a starting problem.
Engine
Refer to the separate engine manual for all engine
maintenance instructions.
•Maintain engine oil as instructed in the separate
engine manual packed with your unit.
• Service air cleaner every 25 hours under normal
conditions. Poor engine performance and flooding
usually indicate that the air cleaner should be
serviced. To service the air cleaner, refer to the
separate engine manual packed with your unit.
• The spark plug should be cleaned and the gap
reset once a season. Spark plug replacement is
recommended at the start of each mowing season.
Clean the engine regularly with a cloth or brush. Keep
the cooling system (blower housing area) clean to
permit proper air circulation which is essential to engine
performance and life. Be certain to remove all grass,
dirt, and combustible debris from muffler area.
Deck
The underside of the mower deck should be cleaned
after each use to prevent a buildup of grass clippings,
leaves, dirt, or other matter. If this debris is allowed to
accumulate, it will invite rust and corrosion, and may
prevent proper mulching, discharge, or bagging. The
deck may be cleaned by tilting the mower and scraping
clean with a suitable tool (make certain the spark plug
wire is disconnected).
IMPORTANT:We do not recommend the use of a
pressure washer or garden hose to clean your unit.
CuttingBlade Removal,Replacement,and Sharpening
• When removing the cutting blade for sharpening or
replacement, protect your hands with a pair of
heavy gloves or use a heavy rag to hold the blade.
• Remove the bolt and the blade bell support which
hold the blade and the blade adapter to the engine
crankshaft. See Figure 12.
• Remove the blade and the adapter from the
crankshaft.
Blade Bell
Support
Hex Screw
Figure 12
_, WARNING: Periodically inspect the blade
adapter for cracks, especially if you strike
aforeign object. Replace when necessary.
When sharpening the blade, follow the original angle of
grind as a guide. It is extremely important that each
cutting edge receives an equal amount of grinding to
prevent an unbalanced blade. An unbalanced blade will
cause excessive vibration when rotating at high
speeds. It may cause damage to the mower, and could
break causing personal injury.
The blade can be tested by balancing it on a round
shaft screwdriver. Remove metal from the heavy side
until it balances evenly. It is recommended that the
blade always be removed from the adapter when
testing for balance. Before reinstalling the blade and
the blade adapter to the unit, lubricate the engine
crankshaft and the inner surface of the blade adapter
with light oil.
• Be sure to install the blade with end tips facing up
or the side of the blade marked "Bottom" (or with
part number) facing the ground when the mower is
in the operating position.
12

• Slide the blade adapter onto the engine crankshaft.
• Place the blade on the adapter. Be certain the
blade is aligned and seated on the blade adapter
flanges.
• Place blade bell support on blade. Make sure the
notches on the blade bell support are aligned with
small holes in the blade.
• Replace hex bolt and tighten hex bolt to torque: 450
in. Ibs. min., 600 in. Ibs. max.
NOTE: To ensure safe operation of your mower, the
blade bolt must be checked periodically for correct
torque.
Drive BeltRemovalAndReplacement
• Disconnect the spark plug wire and ground it
against the engine.
• Drain the fuel tank or place a piece of plastic
beneath the cap to prevent gasoline leakage.
• If unit is tipped for easier access to belt, tip the
mower back on its side with the air filter side away
from the ground.
• To get easier access to the belt, just securely place
the mower on raised blocks.
• Remove the transmission cover by sliding off the
two plastic rivets with a screwdriver on each side of
cover. See Figure 13.
Transmission
Cover
Plastic
Rivet
Figure 13
• Using a torque wrench, loosen the screw holding
the belt tension spring to the transmission. See
Figure 14. Do not remove the screw completely, as
you loosen the screw the tension on the belt will be
released.
• Push the transmission up a little and slide the belt
off the transmission pulley.
• Lift the mower to access the belt from the underside
of the mower.
Loosen this screw
Shoulder
fScrew
_Transmission
Figure 14
• Slide the belt off the engine pulley and around the
blade. See Figure 15.
Right Front Left Front
Wheel Wheel
Engine
Pulley
Figure 15
WARNING: As always, use athick piece of rag to
handle the blade while sliding the belt around it.
Make sure the spark plug is disconnected and
grounded for this job.
• Replace with the new belt, working around the
blade. Make sure the belt is firmly seated on the
engine pulley while pulling from the other side and
sliding it around the transmission pulley.
• Put the mower down with all four wheels firmly
placed on one level.
• Tighten the screw, loosened earlier, to secure the
belt tension spring to the transmission, and
reassemble the front drive cover.
13

Off-SeasonStorage
The following steps should be taken to prepare your
lawn mower for storage.
• Clean and lubricate mower thoroughly as described
in the lubrication instructions.
• We do not recommend the use of a pressure
washer or garden hose to clean your unit.
• Refer to engine manual for correct engine storage
instructions.
• Coat mower's cutting blade with chassis grease to
prevent rusting.
• Store mower in a dry, clean area. Do not store next
to corrosive materials, such as fertilizer.
NOTE: When storing any type of power equipment in a
poorly ventilated or metal storage shed, care should be
taken to rust-proof the equipment. Using a light oil or
silicone, coat the equipment, especially cables and all
moving parts.
SECTION7: TROUBLESHOOTING
Problem Cause Remedy
Engine fails to start
Engine runs erratic
Engine overheats
Idles poorly
Excessive vibration
Mower will not mulch grass
Uneven cut
Wheels will not propel
1. Blade control handle disengaged.
2. Spark plug wire disconnected.
3. Fuel tank empty or stale fuel.
4. Blocked fuel line.
5. Faulty spark plug.
6. Engine flooded
1. Spark plug wire loose.
2. Blocked fuel line or stale fuel.
3. Vent in gas plugged.
4. Water or dirt in fuel system.
5. Dirty air cleaner.
6. Carburetor out of adjustment.
1. Engine oil level low.
2. Air flow restricted.
3. Carburetor not adjusted properly.
1. Spark plug fouled, faulty or gap too
wide.
2. Carburetor improperly adjusted.
3. Dirty air cleaner.
1. Cutting blade loose or unbalanced.
2. Bent cutting blade.
1. Wet grass.
2. Excessively high grass.
3. Dull blade.
1. Wheels not positioned correctly.
2. Dull blade.
1. Belt not installed properly.
2. Debris clogging drive operation.
1. Engage blade control handle.
2. Connect wire to spark plug.
3. Fill tank with clean, fresh gasoline.
4. Clean fuel line.
5. Clean, adjust gap, or replace.
6. Wait a few minutes to restart, but do not
prime.
1. Connect and tighten spark plug wire.
2. Clean fuel line; fill tank with clean, fresh
gasoline
3. Clear vent.
4. Drain fuel tank. Refill with fresh fuel.
5. Clean air cleaner.
6. Adjust carburetor.
1. Fill crankcase with proper oil.
2. Remove blower housing and clean.
3. Adjust carburetor.
1. Reset gap to.030" or replace spark
plug.
2. Adjust carburetor.
3. Clean air cleaner.
1. Tighten blade and adapter. Balance
blade.
2. Replace blade.
1. Do not mow when grass is wet; wait
until later to cut.
2. Mow once at a high cutting height, then
mow again at desired height or make a
narrower cutting path.
3. Sharpen or replace blade.
1. Place all four wheels in same height
position.
2. Sharpen or replace blade.
1. Check belt for proper pulley installation
and movement.
2. Clean out debris.
14

NOTES
15

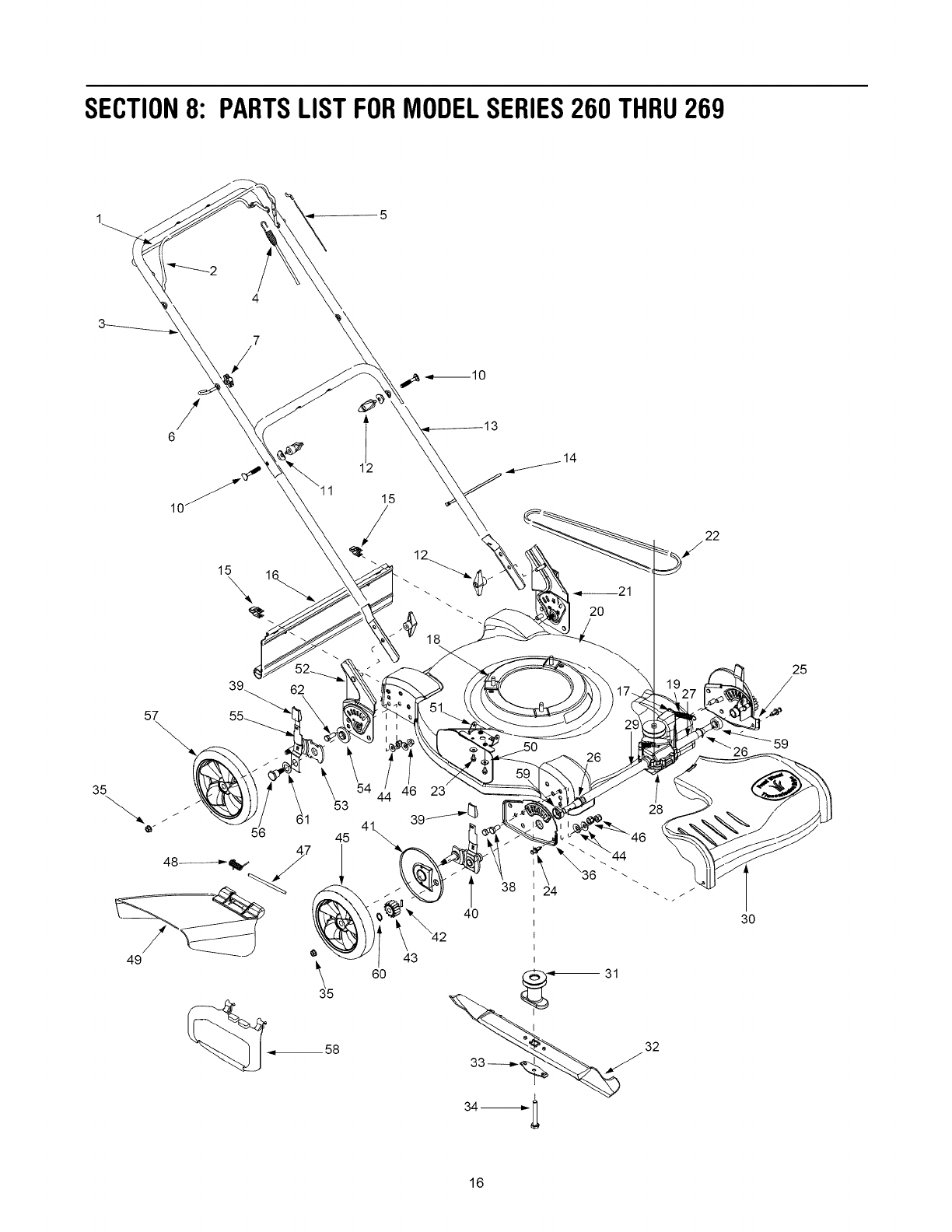
SECTION8: PARTSLISTFORMODELSERIES260 THRU269
57
4
\
7
/
/
6
\
15
\
18
2O
56
49
6O
28
43
22
25
59
3O
16

ModelSeries260 thru269
Ref,
No,
1.
2.
3.
4.
5.
6.
7.
10.
11.
12.
13.
14.
15.
16.
17.
18.
19.
20.
21.
22.
23.
24.
25.
26.
27.
28.
29.
30.
31.
32.
Part No.
747-1214
747-1161A
749-1092A
746-04048
746-1113
746-1132
746-1114
710-1205
720-0279
710-1174
736-0451
720-0284
749-04037
725-0157
17098
731-04019
710-04121
710-0654A
732-04049
687-02046
682-3065
754-04003
710-0599
728-0199
782-0585A
716-0198
750-04120
618-04025
750-04119
731-0073
748-04016A
742-0742A
Part Description
Drive Control Handle
Blade Control Handle
Upper Handle
Drive Control Cable
Blade Control Cable - 37.75"
Blade Control Cable - 40.75"
Blade Control Cable - 50.56"
Eye Bolt
Wing Nut 1/4-20
Carriage Bolt 5/16-18 x 2.0
Shoulder Washer.320 ID x.93 OD
Wing Nut 5/16-18
Lower Handle
Cable Tie
Hinge Clip
Trail Shield
Screw (Included with Item #28)
Hex Washer Screw 3/8-16 x 1.0
Spring.47 OD x 2.50
Deck Assembly
Handle Bracket Assembly - LH
V-Belt
Hex Washer Screw 1/4-20 x.500
Rivet
Forward Height Adjustment Plate - LH
Retainer Ring
Sleeve Spacer.550 ID X 3.30
Transmission Assembly Complete
Sleeve Spacer.550 ID x7.95
Transmission Cover
Blade Adapter, One Piece
Mulching Blade 22"
Ref.
No,
33.
34.
35.
36.
38.
39.
40.
41.
42.
43.
44.
45.
46.
47.
48.
49.
50.
51.
52.
53.
54.
55.
56.
57.
58.
59.
60.
61.
62.
Part No.
736-0524A
710-1044
712-0431
782-0584
710-0514
720-0426
687-02104
687-02105
731-04643
715-0221
717-1762
717-1761
736-0105
634-0190
712-0130
747-0710
732-1014
731-1034B
736-0270
17032A
682-3064
687-02094
741-0751
732-1026
738-1173
734-1987
631-04045
748-0390
716-0865
736-0741
710-0514
Part Description
Bell Blade Support
Hex Cap Screw 3/8-24 x 1.5
Lock Nut 3/8-16
Forward Height Adjustment Plate - RH
Hex Cap Screw 3/8-16 x 1.00
Adjustment Knob
Spring Lever Assembly- RH (FWD)
Spring Lever Assembly- LH (FWD)
Wheel Dust Cover
Pin
Spur Gear 14T - RH
Spur Gear 14T - LH
Bell Washer .401 ID x.870 OD
Front Wheel Assembly 8 x 1.8
Hex Lock Nut 3/8-16
Hinge Pin
Torsion Spring
Side Discharge Assembly
Bell Washer.265 ID x.75 OD
Deflector Chute Adapter
Handle Bracket Assembly - RH
Pivot Arm Assembly
Height Adjustment Bearing
Spring Lever
Shoulder Screw 3/8-16
Rear Wheel 8 x 1.8
Snap Mulching Plug
Bearing Spacer
Snap Ring.500
Bell Washer.760 ID x 1.25 OD
Hex Cap Screw 3/8-16 x 1.0
17

NOTES
18

NOTES
19

MANUFACTURER'S LIMITED WARRANTY FOR:
The limited warranty set forth below is given by MTD LLC with
respect to new merchandise purchased and used in the
United States, its possessions and territories.
"MTD"warrants this product against defects in material and
workmanship for a period of two (2) years commencing on the
date of original purchase and wilt, at its option, repair or
replace, free of charge, any part found to be defective in
materials or workmanship. This limited warranty shall only
apply if this product has been operated and maintained in
accordance with the Operator's Manual furnished with the
product, and has not been subject to misuse, abuse,
commercial use, neglect, accident, improper maintenance,
alteration, vandalism, theft, fire, water, or damage because of
other peril or natural disaster. Damage resulting from the
installation or use of any part, accessory or attachment not
approved by MTD for use with the product(s) covered by this
manual will void your warranty as to any resulting damage.
Normal wear parts are warranted to be free from defects in
material and workmanship for a period of thirty (30) days from
the date of purchase. Normal wear parts include, but not
limited to items such as: batteries, belts, blades, blade
adapters, grass bags, rider deck wheels, seats, snow thrower
skid shoes, shave plates, auger spiral rubber and tires.
HOW TO OBTAIN SERVICE: Warranty service is available,
WITH PROOF OF PURCHASE, through your local authorized
service dealer. To locate the dealer in your area, check your
Yellow Pages, or contact MTD LLC at P.O. Box 361131,
Cleveland, Ohio 44136-0019, or call 1-800-800-7310 or 1-
330-220-4683 or tog on to our Web site at
www.mtdproducts.com.
This limited warranty does not provide coverage in the
following cases:
a,
b,
C.
d,
The engine or component parts thereof. These items
may carry a separate manufacturer's warranty. Refer
to applicable manufacturer's warranty for terms and
conditions.
Log splitter pumps, valves, and cylinders have a
separate one year warranty.
Routine maintenance items such as lubricants, filters,
blade sharpening, tune-ups, brake adjustments, clutch
adjustments, deck adjustments, and normal
deterioration of the exterior finish due to use or
exposure.
Service completed by someone other than an
authorized service dealer.
e,
f,
g.
MTD does not extend any warranty for products sold or
exported outside of the United States, its possessions
and territories, except those sold through MTD's
authorized channels of export distribution.
Replacement parts that are not genuine MTD parts.
Transportation charges and service calls.
No implied warranty, including any implied warranty of
merchantability of fitness for a particular purpose,
applies after the applicable period of express written
warranty above as to the parts as identified. No other
express warranty, whether written or oral, except as
mentioned above, given by any person or entity,
including a dealer or retailer, with respect to any product,
shall bind MTD. During the period of the warranty, the
exclusive remedy is repair or replacement of the product
as set forth above.
The provisions as set forth in this warranty provide the
sole and exclusive remedy arising from the sale. MTD
shall not be liable for incidental or consequential loss or
damage including, without limitation, expenses incurred
for substitute or replacement lawn care services or for
rental expenses to temporarily replace a warranted
product.
Some states do not allow the exclusion or limitation of
incidental or consequential damages, or limitations on how
long an implied warranty lasts, so the above exclusions or
limitations may not apply to you.
In no event shall recovery of any kind be greater than the
amount of the purchase price of the product sold. Alteration
of safety features of the product shall void this warranty.
You assume the risk and liability for toss, damage, or injury to
you and your property and/or to others and their property
arising out of the misuse or inability to use the product.
This limited warranty shall not extend to anyone other than the
original purchaser or to the person for whom it was purchased
as a gift.
HOW STATE LAW RELATES TO THIS WARRANTY: This
limited warranty gives you specific legal rights, and you may
also have other rights which vary from state to state.
IMPORTANT: Owner must present Original Proof of
Purchase to obtain warranty coverage.
MTD LLC, P.O.BOX361131CLEVELAND,OHIO44136-0019; Phone:1-800-800-7310,1-330-220-4683