MTD 21A 240H031 User Manual FRONT TINE TILLER Manuals And Guides 1108346L
User Manual: MTD 21A-240H031 21A-240H031 MTD FRONT TINE TILLER - Manuals and Guides View the owners manual for your MTD FRONT TINE TILLER #21A240H031. Home:Lawn & Garden Parts:MTD Parts:MTD FRONT TINE TILLER Manual
Open the PDF directly: View PDF
.
Page Count: 40

Safe Operation Practices • Set-Up • Operation • Maintenance • Service • Troubleshooting • Warranty
L
Worlcl Rear Wheel Tiller mSeries 240
MTD LLC, P.O. BOX 361131 CLEVELAND, OHiO 44136-0019
PrintedIn USA FormNo.769-04454A
(April17,2009)

ToTheOwner 1
ThankYou
Thank you for purchasing a Garden Tiller manufactured by
MTD LLC. It was carefully engineered to provide excellent
performance when properly operated and maintained.
Please read this entire manual prior to operating the equipment.
It instructs you how to safely and easily set up, operate and
maintain your machine. Please be sure that you, and any other
persons who will operate the machine, carefully follow the
recommended safety practices at all times. Failure to do so could
result in personal injury or property damage.
All information in this manual is relative to the most recent
product information available at the time of printing. Review
this manual frequently to familiarize yourself with the machine,
its features and operation. Please be aware that this Operator's
Manual may cover a range of product specifications for various
models. Characteristics and features discussed and/or illustrated
in this manual may not be applicable to all models. MTD LLC
reserves the right to change product specifications, designs and
equipment without notice and without incurring obligation.
If you have any problems or questions concerning the machine,
phone your local authorized MTD service dealer or contact us
directly. MTD's Customer Support telephone numbers, website
address and mailing address can be found on this page. We want
to ensure your complete satisfaction at all times.
Throughout this manual, all references to right and left side of the
machine are observed from the operating position
The engine manufacturer is responsible for all engine-related
issues with regards to performance, power-rating, specifications,
warranty and service. Please refer to the engine manufacturer's
Owner's/Operator's Manual, packed separately with your
machine, for more information.
Table of Contents
Safe Operation Practices ........................................ 3
Assembly &Set-Up .................................................. 7
Controls ................................................................... 10
Operation ................................................................ 11
Maintenance &Adjustment. ................................. 13
Service ..................................................................... 15
Troubleshooting ..................................................... 16
Illustrated Parts List ............................................... 17
RecordProductinformation
Before setting up and operating your new equipment, please
locate the model plate on the equipment and record the
information in the provided area to the right. You can locate
the model plate by standing at the operator's position and
looking down at the rear of the tine shield near the handle. This
information will be necessary, should you seek technical support
via our web site, Customer Support Department, or with a local
authorized service dealer.
MODEL NUMBER
DIqFllqFllqFllqNIqD
SERIALNUMBER
DIqFIIqFIIqFIIqFIIqD
CustomerSupport
Please do NOT return the machine to the retailer or dealer without first contacting our Customer Support Department.
If you have difficulty assembling this product or have any questions regarding the controls, operation, or maintenance of
this machine, you can seek help from the experts. Choose from the options below:
0 Visit us on the web at www.mtdproducts.com
0 Call a Customer Support Representative at (800) 800-7310 or (330) 220-4683
0 Write us at MTD LLC •RO. Box 361131 •Cleveland, OH •44136-0019

ImportantSafeOperationPractices 2
,A
WARNING! This symbol points out important safety instructions which, if not followed,
could endanger the personal safety and/or property of yourself and others. Read and follow
all instructions in this manual before attempting to operate this machine. Failure to comply
with these instructions may result in personal injury.
When you see this symbol. HEED ITS WARNING!
CALIFORNIA PROPOSITION 65
WARNING! Engine Exhaust, some of its constituents, and certain vehicle components
contain or emit chemicals known to State of California to cause cancer and birth defects
or other reproductive harm.
WARNING! Battery posts, terminals, and related accessories contain lead and lead
compounds, chemicals known to the State of California to cause cancer and reproductive
harm. Wash hands after handling
DANGER! This machine was built to be operated according to the safe operation practices in
this manual. As with any type of power equipment, carelessness or error on the part of the
operator can result in serious injury. This machine is capable of amputating fingers, hands,
toes and feet. Failure to observe the following safety instructions could result in serious
injury or death.
Training 2.
1. Read, understand, and follow all instructions on the
machine and in the manual(s) before attempting to
assemble and operate. Keep this manual in a safe place for
future and regular reference and for ordering replacement
parts.
2. Be familiar with all controls and their proper operation.
Know how to stop the machine and disengage them
quickly.
3. Never allow children under 14 years of age to operate this
machine. Children 14 and over should read and understand
the instructions and safe operation practices in this manual
and on the machine and be trained and supervised by an
adult.
4_
5.
Never allow adults to operate this machine without proper
instruction.
Keep the area of operation clear of all persons, particularly
small children and pets. Stop machine if anyone enters the
area.
Preparation
Thoroughly inspect the area where the equipment is to
be used. Remove all stones, sticks, wire, and other foreign
objects which could be tripped over and cause personal
injury.
Wear sturdy, rough-soled work shoes and close fitting
slacks and shirt. Loose fitting clothes or jewelry can be
caught in moving parts. Never operate this machine in bare
feet or sandals.
3. Disengage clutch levers and shift (if provided) into neutral
('N") before starting the engine.
4. Never leave this machine unattended with the engine
running.
5. Never attempt to make any adjustments while engine is
running, except where specifically recommended in the
operator's manual.
SafeHandlingof Gasoline:
To avoid personal injury or property damage use extreme care
in handling gasoline. Gasoline is extremely flammable and the
vapors are explosive. Serious personal injury can occur when
gasoline is spilled on yourself or your clothes which can ignite.
Wash your skin and change clothes immediately.
a. Use only an approved gasoline container.
b. Never fill containers inside a vehicle or on a truck
or trailer bed with a plastic liner. Always place
containers on the ground away from your vehicle
before filling.

d_
e_
fl
g.
When practical, remove gas-powered equipment
from the truck or trailer and refuel it on the ground.
If this is not possible, then refuel such equipment on
a trailer with a portable container, rather than from a
gasoline dispenser nozzle.
Keep the nozzle in contact with the rim of the fuel
tank or container opening at all times until fueling is
complete. Do not use a nozzle lock-open device.
Extinguish all cigarettes, cigars, pipes and other
sources of ignition.
Never fuel machine indoors.
Never remove gas cap or add fuel while the engine
is hot or running. Allow engine to cool at least two
minutes before refueling.
h. Never over fill fuel tank. Fill tank to no more than 1/2
inch below bottom of filler neck to allow space for
fuel expansion.
i. Replace gasoline cap and tighten securely.
j. If gasoline is spilled, wipe it off the engine and
equipment. Move unit to another area. Wait 5
minutes before starting the engine.
k. To reduce fire hazards, keep machine free of grass,
leaves, or other debris build-up. Clean up oil or fuel
spillage and remove any fuel soaked debris.
I. Never store the machine or fuel container inside
where there is an open flame, spark or pilot light
as on a water heater, space heater, furnace, clothes
dryer or other gas appliances.
Operation
1. Do not put hands or feet near rotating parts. Contact with
the rotating parts can amputate hands and feet.
2. Do not operate machine while under the influence of
alcohol or drugs.
3. Never operate this machine without good visibility or light.
Always be sure of your footing and keep a firm hold on the
handles.
4. Keep bystanders away from the machine while it is in
operation. Stop the machine if anyone enters the area.
5. Be careful when tilling in hard ground. The tines may catch
in the ground and propel the tiller forward. If this occurs,
letgo of the handle bars and do not restrain the machine.
6. Exercise extreme caution when operating on or crossing
gravel surfaces. Stay alert for hidden hazards or traffic. Do
not carry passengers.
7. Never operate the machine at high transport speeds on
hard or slippery surfaces.
8. Exercise caution to avoid slipping or falling.
9. Look down and behind and use care when in reverse or
pulling machine towards you.
10. Start the engine according to the instructions found in this
manual and keep feet well away from the tines at all times.
11. After striking a foreign object, stop the engine, disconnect
the spark plug wire and ground against the engine.
Thoroughly inspect the machine for any damage. Repair
the damage before starting and operating.
12. Disengage all clutch levers (if fitted) and stop engine
before you leave the operating position (behind the
handles). Wait until the tines come to a complete stop
before unclogging the tines, making any adjustments, or
inspections.
13. Never run an engine indoors or in a poorly ventilated area.
Engine exhaust contains carbon monoxide, an odorless
and deadly gas.
14. Muffler and engine become hot and can cause a burn. Do
not touch.
15. Use caution when tilling near fences, buildings and
underground utilities. Rotating tines can cause property
damage or personal injury.
16. Do not overload machine capacity by attempting to till soil
too deep at too fast of a rate.
17. If the machine should start making an unusual noise or
vibration, stop the engine, disconnect the spark plug wire
and ground it against the engine. Inspect thoroughly for
damage. Repair any damage before starting and operating.
18. Keep all shields, guards, and safety devices in place and
operating properly.
19. Never pick up or carry machine while the engine is running.
20. Use only attachments and accessories approved by the
manufacturer. Failure to do so can result in personal injury.
21. If situations occur which are not covered in this manual, use
care and good judgement. Contact Customer Support for
assistance and the name of you nearest servicing dealer..
Maintenance & Storage
1. Keep machine, attachments and accessories in safe
working order.
2. Allow a machine to cool at least five minutes before
storing. Never tamper with safety devices. Check their
proper operation regularly.
3. Check bolts and screws for proper tightness at frequent
intervals to keep the machine in safe working condition.
Also, visually inspect machine for any damage.
4. Before cleaning, repairing, or inspecting, stop the engine
and make certain the tines and all moving parts have
stopped. Disconnect the spark plug wire and ground it
against the engine to prevent unintended starting.
5. Do not change the engine governor settings or over-speed
the engine. The governor controls the maximum safe
operating speed of engine.
6. Maintain or replace safety and instruction labels, as
necessary.
7. Follow this manual for safe loading, unloading,
transporting, and storage of this machine.
8. Always refer to the operator's manual for important details
if the machine is to be stored for an extended period.
4 I SECTION 2 -- IMPORTANT SAFE OPERATION PRACTICES

9.
10.
11.
If the fuel tank has to be drained, do this outdoors.
Observe proper disposal laws and regulations for gas, oil,
etc. to protect the environment.
According to the Consumer Products Safety Commission
(CPSC) and the U.S. Environmental Protection Agency (EPA),
this product has an Average Useful Life of seven (7) years,
or 130 hours of operation. Atthe end of the Average Useful
Life have the machine inspected annually by an authorized
service dealer to ensure that all mechanical and safety
systems are working properly and not worn excessively.
Failure to do so can result in accidents, injuries or death.
Notice Regarding Emissions
Engines which are certified to comply with California and federal
EPA emission regulations for SORE (Small Off Road Equipment)
are certified to operate on regular unleaded gasoline, and
may include the following emission control systems: Engine
Modification (EM), Oxidizing Catalyst (OC), Secondary Air
Injection (SAI) and Three Way Catalyst (TWC) if so equipped.
SparkArrestor
_ARNING! This machine is equipped with an
internal combustion engine and should not be used
on or near any unimproved forest-covered,
brushcovered or grass-covered land unless the
engine's exhaust system is equipped with a spark
arrester meeting applicable local or state laws (if
any).
Ira spark arrester is used, it should be maintained in effective
working order by the operator. In the State of California the
above is required by law (Section 4442 of the California Public
Resources Code). Other states may have similar laws. Federal laws
apply on federal lands.
A spark attester for the muffler is available through your
nearest engine authorized service dealer or contact the service
department, RO. Box 361131 Cleveland, Ohio 44136-0019.
SECTION 2 -- IMPORTANT SAFE OPERATION PRACTICES S

Safety Symbols
This page depicts and describes safety symbols that may appear on this product. Read, understand, and follow all instructions on the
machine before attempting to assemble and operate.
A
READ THE OPERATOR'S MANUAL(S)
Read, understand, and follow all instructions in the manual(s) before attempting to
assemble and operate
WARNING-- ROTATING TINES
Do not put hands or feet near rotating parts. Contact with the rotating parts can amputate
hands and feet.
WARNING-- ROTATING TINES
Do not put hands or feet near rotating parts. Contact with the rotating parts can amputate
hands and feet.
WARNING--GASOLINE IS FLAMMABLE
Allow the engine to cool at least two minutes before refueling.
WARNING-- CARBON MONOXIDE
Never run an engine indoors or in a poorly ventilated area. Engine exhaust contains carbon
monoxide, an odorless and deadly gas.
WARNING-- HOT SURFACE
Engine parts, especially the muffler, become extremely hot during operation. Allow engine
and muffler to cool before touching.
WARNING! Your Responsibility--Restrict the use of this power machine to persons who read, understand and
follow the warnings and instructions in this manual and on the machine.
SAVETHESEINSTRUCTIONS!
6ISECTION 2 -- IMPORTANT SAFE OPERATION PRACTICES

Assembly& Set-Up 3
Contentsof Carton
OneTiller
One Engine Operator's Manual
One 20 oz. bottle SAE 30W oil One Tiller Operator's Manual
NOTE: Stand behind the tiller as if you were going to operate 2.
it. Your right hand corresponds to the right side of the tiller and
your left hand corresponds to the left side of the tiller.
NOTE:This operator's manual may cover various models of tillers.
The machines illustrated may vary slightly from your tiller, f
NOTE:The tiller is shipped without gasoline or oil in the engine.
Fill up gasoline and oil as instructed in the accompanying engine
manual before operating your machine.
Assembly
Handle
1. Remove the star handle knobs and the carriage bolts from
the lower handle. See Fig. 3-1.
Handle Knobs
Figure 3-1
Position the upper handle onto the lower handle, Step A in
Fig. 3-2. Align the holes on the lower handle with the holes
on the upper handle. Choose the upper or lower holes
depending on the desired handle height.
Figure 3-2
3. Insert carriage bolts through the holes and secure with the
star knobs, Step B in Fig.3-2. Make certain the carriage bolts
are seated securely into one of the two positions provided.

4. Inserttheleftendofthetineclutchcontrolintotheholeon
the left side of the upper handle. See Fig. 3-3.
Figure 3-3
5. Insert the Z-fitting on the clutch cable into the hole on the
tine clutch control. Hook the "Z" end into the opening from
the inside to the outside as shown in Fig. 3-4.
Z-fitting
Figure 3-4
6. Squeeze the tine clutch control inward. Insert the right end
into the hole on the right side of the upper handle. See Fig.
3-5.
f
\\
J
Figure 3-5
Set-Up
(;as& OilFill-Up
Service the engine with gasoline and oil as instructed in the
separate engine manual packed with your tiller. Read the
instructions carefully.
il_g_kli WARNING! Use extreme care when handling
gasoline. Gasoline is extremely flammable and the
vapors are explosive. Never fuel machine indoors or
while the engine is hot or running.
8ISECTION3-- ASSEMBLY&SET-UP

Adjustments
Wheels
The tiller is shipped with the wheel adjusted such that the
unit sits level. Before tilling, the wheel must be raised. To do
this, remove the clevis and cotter pins, raise the wheel to the
desired position, then reattach pins to secure, Figure 4-2. For
transporting the tiller, reverse the steps to lower the wheel.
Cotter
Figure 3-6
SECTION 3-- ASSEMBLY&SET-UP 9

Controlsand Features 4
Tine Clutch
Control
Recoil Starter
Depth
TineClutchControl
Figure 4-1
RearWheelwith DepthStake
The clutch control lever is located on the upper handle.
Squeezing the lever against the handle engages the tine drive.
Release the lever to stop the tines from turning.
HandleKnobs
The handle height may be adjusted. Loosen the knobs and
remove the carriage bolts to change the position. Reinstall and
tighten the hardware when complete.
The rear wheel can be raised and lowered for transport and
storage. Refer to the Maintenance & Adjustments Section for
instructions on depth stake adjustment and the Assembly & Set-
Up Section for instructions on wheel adjustment.
EngineControls
Refer to engine manual for additional information and functions
of the engine controls.
RecoilStarter
The recoil starter is located on the engine and is used to
manually start the engine.
DepthStake
The depth stake acts as a brake for the tiller and controls the
depth and speed at which the machine will operate.
ThrottleControl (If Equipped)
The throttle control lever is located on the engine. It controls the
engine's speed and stops the engine.
Primer
The primer, located on the engine, is used to pump gas into the
carburetor and aid in starting the engine. Use it to start a cold
engine, but do not use it to restart a warm engine after a short
shutdown.

Operation
WARNING! Read, understand, and follow all
instructions and warnings posted on the machine
and in this manual before operating.
WARNING! Be sure no one other than the operator
isstanding near the tiller while starting engine or
operating the unit. Never run engine indoors or in
enclosed, poorly ventilated areas. Engine exhaust
contains carbon monoxide, an odorless and deadly
gas. Keep hands, feet, hair and loose clothing away
from any moving parts on engine and tiller.
Starting Engine
_ ARNING! Be sure no one is standing in front of
the tiller while the engine is running or being
started.
Refer to the engine manual for instructions.
1. Attach spark plug wire to spark plug. Make sure the metal
cap on the end of the spark plug is fastened securely over
the metal tip on the spark plug.
2. Make sure that the tine clutch control is disengaged.
3. Placethe throttle control (if equipped) in the FASTposition.
4. For first time start-up, firmly press engine primer five (5)
times. Forall future starts, press three (3) times. Wait about
two seconds between each press.
5. Place left hand on gastank. Grasp recoil starter and pull
rope out slowly until engine reaches the beginning of
its compression cycle (rope will pull slightly harder at this
point).
6. Pull rope with a rapid, continuous, full arm stroke. Keep
a firm grip on handle. Let rope rewind slowly. Do not let
recoil starter snap back against engine. Repeat until engine
starts.
Stopping Engine
1. Move throttle control lever (if equipped) to STOPor OFF
position. Refer to the engine manual for instructions on
stopping the engine.
2. Disconnect spark plug wire from spark plug and ground
against the engine.
UsingYourTiller
Your tiller is designed for seed bed preparation, cultivating,
furrowing, and mulching.
ControllingTillingand DepthSpeed
By increasing the depth of the depth stake, the forward speed
of the machine is reduced and the working depth is increased.
When the depth stake is raised, the working depth of the
machine is reduced and the forward speed is increased.
The working depth of the machine may be predetermined by
setting the depth stake so that the wheels are about four inches
from the ground when the tines and depth stake are resting on
the ground. This setting will permit a working depth of about
four inches. When presetting the working depth, the handles
should be adjusted so the hand grips are a little above waist. The
tiller will be lower when the tines and depth stake penetrate the
ground.
For tilling, the depth stake must be lowered and the wheel must
be raised. See Fig. 5-1.
f
//
Figure 5-1
When tilling, leave approximately eight inches of untilled soil
between the first and second tilling paths, then make the third
path between the first and second. See Fig. 5-2.
f
Figure 5-2
11

Insomesoils,thedesireddepthisobtainedthefirsttimeover
thegarden.Inothersoils,thedesireddepthisobtainedbygoing
overthegardentwoorthreetimes.Passesshouldbemade
acrossthelengthandwidthofthegardenalternately.Rocks
whichareturnedupshouldberemovedfromthegardenarea.
Handle Pressure
Further control of tilling depth and travel speed can be obtained
by variation of pressure on the handles. A downward pressure
on the handles will reduce the working depth and increase the
forward speed. An upward pressure on the handles will increase
the working depth and reduce the forward speed. The type of
soil and working conditions will determine the actual setting of
the depth stake and the handle pressure required.
Cultivating
For cultivating, a two to three inch depth is desirable. With the
outer tines installed, the working width of the machine is 22 or
24 inches.
For cultivation, the tine width can be reduced to 13 inches by
removing the outer tines, refer to the Adjustment Section. When
laying out plant rows, be sure to allow enough width to permit
cultivation between the rows. In growing corn or similar crops,
check-row planting will permit cross cultivation and practically
eliminate hand hoeing, Fig. 5-3.
Figure 5-3
The tiller has many uses other than tilling and cultivating a
garden. One of these is the preparation of lawn area for seeding.
The tiller will prepare a deep seed bed which will be free of hard
untilled spots, allowing a better stand of grass to grow. The tiller
is very useful for loosening hard soil for excavation with a shovel;
No tedious handwork will be necessary. Your tiller may be used
for mixing compost in the pile or for mixing it with the soil in
your garden. This should be done after the soil has been broken
to the full working depth. The compost should be worked in
to a depth of six to seven inches. This may be done by working
the length of the garden and then by making separate passes
across its width. The addition of decayed organic matter will
substantially increase the fertility of your garden.
For proper decaying action, fertilizer should be applied and
worked in with the mulch materials. Breaking up leaves and straw
and mixing it with several inches of soil allows proper aeration of
the plant root system and retards the growth of weeds.
TransportingandStoringthe TUler
To transport the tiller, lower the wheel and move the depth stake
to the highest position. See Fig. 5-4.
J
Figure 5-4
To store the tiller, lower the wheel and orient the depth stake so
both are touching the ground. See Fig. 5-5.
J
Figure 5-5
12 ISECTION 5-- OPERATION

Maintenance& Adjustments 6
WARNING! Before inspecting, cleaning or servicing
the tiller, shut off the engine and wait for all moving
parts to come to a complete stop. Disconnect the
spark plug. Failure to follow these instructions
properly can result in serious personal injury or
property damage.
Maintenance
Engine
Refer to the Engine Operator's Manual packaged with your
machine for all engine maintenance.
Changingthe EngineOil
I. Run the engine for a few minutes to allow the oil in the
crankcase to warm up. Warm oil will flow more freely and
carry away more of the engine sediment which may have
settled at the bottom of the crankcase. Use care to avoid
burns from hot oil.
2. Set the tiller on its side with the air filter on the top side
and the oil fill tube facing the ground.
3. Place an appropriate oil collection container with at least a
20 fluid ounce capacity to collect the used oil beneath the
oil fill tube.
4. Remove the oil fill cap/dipstick from the oil fill tube.
5. After the oil has finished draining, stand the tiller back up.
6. Refill the engine with new oil. Refer to the Briggs & Stratton
Owner's Manual for information regarding the volume and
weight of engine oil.
Tines
Clean the underside of the tine shield after each use. The dirt
washes off the tines easier if rinsed off immediately instead of
after it dries. Always towel dry the tiller afterwards and apply a
light coat of oil or silicone to prevent rusting or water damage.
NOTE: Never use a pressure washer to clean the tiller. Water can
penetrate tight areas of the tiller and cause serious damage.
Air Filter
Service the air filter every 10 hours under normal operating
conditions. Clean every hour under extremely dusty conditions.
Poor engine performance and flooding usually indicates that the
air filter should be serviced. To service the air filter refer to the
separate Engine Operator's Manual.
Lubrication
Transmission
The transmission is pre-lubricated and sealed at the factory. It
requires no maintenance. See an authorized service dealer for
any service issues.
TineShafts
Remove fine assemblies and lubricate the tine shafts at least
once a season.
Wheel Shaft
Remove wheel assembly and lubricate the axle shaft at least
once a season.
Adjustments
TineWidth
The tilling width of the unit is 22 inches. Tilling width can
increase to 24 inches by removing the clevis and cotter pins,
sliding each outer tine out one inch, and securing in this position
Pin
Clevis
Pin
_.,e--_2 2=i nch-------_ -
-.,_._ 13-i nch ==========_
Figure 6-1
with the pins. For cultivation, reduce the tine width to 13 inches
by removing the outer tines completely. See Fig. 6-1.
13

DepthStake
The depth stake acts as a brake for the tiller and controls the
depth and speed at which the machine will operate, Figure 6-2.
Remove the clevis and cotter pins, raise or lower the depth stake,
then reattach pins to secure.
Figure 6-2
Off-SeasonStorage
Ifthe tiller will not beusedfor a periodlongerthan 30days,the
followingstepsshouldbetakento preparethe tillerfor storage.
Clean the exterior of engine and the entire tiller
thoroughly. Lubricate the tiller as described in the
Lubrication instructions.
We do not recommend the use of pressure washers to
clean your tiller. They may cause damage to spindles,
pulleys, bearings, or the engine. The use of pressure
washers will result in shortened life and reduce
serviceability.
Refer to the engine manual for correct engine storage
instructions.
Wipe tines with oiled rag to prevent rust.
Store tiller in a clean, dry area. Do not store next to
corrosive materials, such as fertilizer.
When storing any type of power equipment in an
unventilated or metal storage shed, care should be taken
to rustproof the equipment. Using a light oil or silicone,
coat the equipment and especially any springs, bearings,
and cables.
SECTION 6-- MAINTENANCE &ADJUSTMENTS

Service 7
Belt Replacement
Your tiller has been engineered with a belt made of special
material for longer life and better performance. Replace with
a factory-approved OEM belt. See the retailer from which you
purchased your tiller, an authorized MTD Service Dealer, or call
1-800-800-7310 for information regarding price and availability.
1. Remove the belt cover and engine by removing the six
screws and lock nuts holding the engine and cover to the
shield. See Fig. 7-1.
2. Loosen the lock nut shown in Fig. 7-2.
Lock Nut
3_
4.
5.
Figure 7=2
Unloop the belt from the pulleys. See Fig. 7-2.
Reassemble the new belt and tighten the lock nut.
Reattach belt cover and engine using the hardware
removed earlier.
15

Troubleshooting
Problem
Engine Fails to start
Engine runs erratic
Engine overheats
Tines do no engage
Cause
1. Sparkplugwiredisconnected
2. Fueltankemptyor stalefuel
3. Throttlecontrollever(if equipped)notin
correctstartingposition
4. Chokenot in ON position
5. Blockedfuel line
6. Faultysparkplug
7. Engineflooding
1. Spark plug wire loose
2. Unit running on CHOKE
3. Blocked fuel line or stale fuel
4,
5.
6.
7.
1.
2.
3.
4.
l.
2,
3.
4.
Vent plugged 4.
Water or dirt in fuel system 5.
Dirty air cleaner 6.
Carburetor out of adjustment 7.
Engine oil level low 1.
Dirty air filter 2.
Air flow restricted 3.
Carburetor not adjusted properly 4.
Foreign object lodged in tines 1.
Tine clevis pin(s) missing 2.
Belt worn and/or stretched 3.
Pulley and idler not in correct adjustment 4.
Remedy
1. Connectwireto sparkplug
2. Filltankwithclean,freshgasoline
3. Movethrottleleverto startposition
4. Moveleverto ON position
5. Cleanfuel line
6. Clean,adjustgap,or replace
7. Waita fewminutesto restart,butdo notprime
(if equipped)
1. Connect and tighten spark plug wire
2. Move choke lever to OFF
3. Clean fuel line; fill tank with clean, fresh
gasoline
Clear vent
Drain fuel tank. Refill with fresh fuel
Clean following engine manual
Refer to engine manual
Fill crankcase with proper oil
Clean air cleaner
Remove blower housing and clean
Refer to engine manual
Stop tiller completely, check and discard
foreign object
Replace tine clevis ptn(s)
Replace belt
Take unit to authorized service
'°1

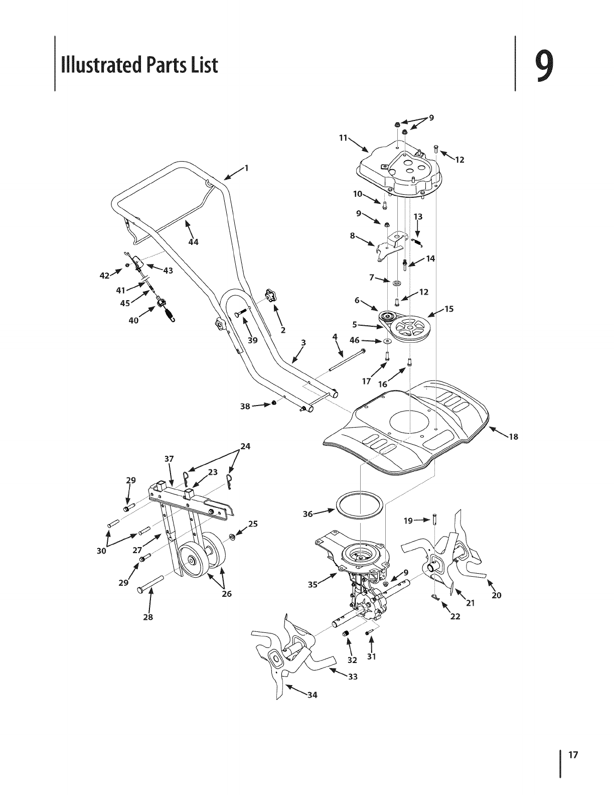
illustratedPartsList 9
40
29
44
37
\2
24
28
32
22
20
21
17

Handle,Frame&WheelAssembly
Ref, IPart Number
1749-04282-0638
2 720-04072
3 749-04281-0638
4 710-04398
5 954-04123
6 756-04163
7 748-04125
8 686-04080
9 712-04065
I0 710-0654A
II 786-04303-0638
12 710-0514
13 732-0418
14 738-04139
15 756-04217
16 710-0591
17 710-0520
18 786-04256-0638
19 911-0415
20 642-0005-0637
21 642-0003-0637
22 914-0149B
23 749-04266-0637
Description
Upper Handle
Star Handle Knob
Lower Handle
Flange Screw: sA6-18:7.5:GR5
V-Belt
Idler Pulley
Shoulder Spacer
Idler Bracket
Flange Lock Nut: %-16
TT Screw: 3/8-16:1.00
Belt Cover
HH Cap Screw: 3/8-16:1.00
Extension Spring
Stud: 33 x 1.5:3/8-16
Flywheel Pulley
HH Cap Screw: 3/8-24:1.00
HH Cap Screw: 3/8-16:1.55
Tine Shield 61 cm
Clevis Pin
Outer Tine Assembly LH
Inner Tine Assembly LH
Internal Cotter Pin
Rear Wheel Tube
Ref, [
24
25
26
27
28
29
30
31
32
33
34
35
36
37
38
39
40
41
42
43
44
45
46
Part Number
714-3020
726-0299
734-0973
749-04265-0638
711-04520
710-1007
911-0415
710-0809
737-04202
642-0002-0637
642-0004-0637
918-04276A
721-04157
786-04296-0637
712-04063
710-0487
731-05385
746-04247
710-0599
786-04307-0637
747-04508-0638
716-0208
936-0300
Description
Cotter Pin
Push Cap
Wheel 5 x 1.38
Depth Stake Tube
Axle Shaft
TT Screw 3/8-16x 1.50
Clevis Pin
TT Screw: 1/4-20:1.25
Pipe Plug: 3/8NPT
Inner Tine Assembly RH
Outer Tine Assembly RH
Case Assembly
Gasket
Wheel Bracket
Flange Lock Nut: sA6-18
Carriage Bolt
Clutch Cable Fitting
Clutch Cable
TT Screw: V4-20:.50
Cable Mount Bracket
Clutch Bail
Retaining Ring
Flat Washer, .406 x .875 x .059
SECTION 9 -- ILLUSTRATED PARTS LIST

1
19

MANUFACTURER'S LiMiTED WARRANTY FOR
The limited warranty set forth below is given by MTD LLC with
respect to new merchandise purchased and used in the United States
and/or its territories and possessions, and by MTD Products Limited
with respect to new merchandise purchased and used in Canadaand/
or its territories and possessions (either entity respectively, "MTD").
"MTD" warrants this product (excluding its Normal WearParts and
Attachments as described below) against defects in material and
workmanship for a period of two (2) years commencing onthe date
of original purchase and will, at its option, repair or replace, free of
charge, any part found to be defective in materials or workmanship.
This limited warranty shall only apply if this product has been
operated and maintained in accordance with the Operator's Manual
furnished with the product, and has not been subject to misuse,
abuse, commercial use, neglect, accident, improper maintenance,
alteration, vandalism, theft, fire, water, or damage because of other
peril or natural disaster. Damage resulting from the installation or use
of any part, accessory or attachment not approved by MTD for use
with the product(s) covered by this manual will void your warranty as
to any resulting damage.
Normal Wear Parts are warranted to be free from defects in material
and workmanship for a period of thirty (30) days from the date of
purchase. Normal wear parts include, but are not limited to items
such as: batteries, belts, blades, blade adapters, tines, grass bags,
wheels, rider deck wheels, seats, snow thrower skid shoes, friction
wheels, shave plates, auger spiral rubber and tires.
Attachments-- MTD warrants attachments for this product against
defects in material and workmanship for a period of one (1) year,
commencing on the date of the attachment's original purchase or
lease. Attachments include, but are not limited to items such as:
grass collectors and mulch kits.
HOWTO OBTAINSERVICE:Warranty service is available, WITH
PROOFOFPURCHASE,through your local authorized service dealer.
To locate the dealer in your area:
In the U.S.A.
Check your Yellow Pages, or contact MTD LLC at RO. Box 361131,
Cleveland, Ohio 44136-0019, or call 1-800-800-7310, 1-330-220-
4683 or log on to our Web site at www.mtdproducts.com.
In Canada
Contact MTD Products Limited, Kitchener, ON N2G4J1, or call 1-800-
668-1238 or log on to our Web site at www.mtdcanada.com.
This limited warranty does not provide coverage in the following
cases:
a. The engine or component parts thereof. These items may carry a
separate manufacturer's warranty. Referto applicable manufac-
turer's warranty for terms and conditions.
b. Log splitter pumps, valves, and cylinders havea separate one-
year warranty.
c. Routine maintenance items such as lubricants, filters, blade
sharpening, tune-ups, brake adjustments, clutch adjustments,
deck adjustments, and normal deterioration of the exterior finish
due to use or exposure.
d. Service completed by someone other than an authorized service
dealer.
e. MTD does not extend any warranty for products sold or exported
outside of the United States and/or Canada, and their respective
possessions and territories, except those sold through MTD's
authorized channels of export distribution.
f. Replacement parts that are not genuine MTD parts.
g. Transportation charges and service calls.
h. MTD does not warrant this product for commercial use.
No implied warranty, including any implied warranty of
merchantability of fitness for a particular purpose, applies after
the applicable period of express written warranty above as to the
parts as identified. No other express warranty, whether written or
oral, except as mentioned above, given by any person or entity,
including a dealer or retailer, with respect to any product,shall
bind MTD. Duringthe period of the warranty, the exclusive remedy
is repair or replacement of the product as set forth above.
The provisions as set forth inthis warranty provide the sole and
exclusive remedy arising from the sale. MTD shall not be liable
for incidental orconsequential loss or damage including, without
limitation, expenses incurred for substitute or replacement lawn
care services or for rental expenses to temporarily replace a
warranted product.
Some states do not allow the exclusion or limitation of incidental
or consequential damages, or limitations on how long an implied
warranty lasts, so the above exclusions or limitations may not apply
to you.
In no event shall recovery of any kind be greater than the amount of
the purchase price of the product sold. Alteration of safety features of
the product shall void this warranty. You assume the risk and liability
for loss, damage, or injury to you and your property and/or to others
and their property arising out of the misuse or inability to use the
product.
This limited warranty shall not extend to anyone other than the
original purchaser or to the person for whom it was purchased as a
gift.
HOWSTATELAW RELATESTOTHIS WARRANTY: This limited
warranty gives you specific legal rights, and you may also have other
rights which vary from state to state.
IMPORTANT: Owner must present Original Proof of Purchase to
obtain warranty coverage.
MTD LLC, P.O. BOX 361131 CLEVELAND, OHiO 44136=0019; Phone: 1=800=800=7310, 1=330=220=4683
MTD Canada Limited = KITCHENER, ON N2G 4J1; Phone 1=800=668=1238
GDOC-lO0015 REV. B

Medidas importantes de seguridad • Configuraci6n • Funcionamiento • Mantenimiento • Servicio •
Soluci6n de problemas • Garantia
L L
Cultivadora el mundo la rueda de frente mSerie 240
MTD LLC, P.O. BOX 361131 CLEVELAND, OHiO 44136-0019
ImpresoenEstadosUnidosdeAmerica FormularioNo.769-04454A
(Abri117,2009)

A!propietario 1
Gracias
Gracias por comprar una cultivadora fabricada por MTD LLC. La
misma ha sido diseffada cuidadosamente para brindar excelente
rendimiento si se la opera y mantiene correctamente.
Por favor lea todo este manual antes de operar el equipo.
Le indica c6mo configurar, operar y mantener la m&quina
con seguridad y f_cilmente. Pot favor aseg0rese de seguir
cuidadosamente yen todo momento las pr_cticas de seguridad
recomendadas, y hac_rselas seguir a cualquier otra persona que
opere la m&quina. En caso de no hacerlo podrian producirse
lesiones personales o daffos materiales.
Toda la informaci6n contenida en este manual hace referencia
a la m&s reciente informaci6n de producto disponible en el
momento de la impresi6n. Revise el manual frecuentemente
para familiarizarse con la unidad, sus caracteristicas y
funcionamiento. Por favor tenga en cuenta que este Manual
del Operador puede cubrir una gama de especificaciones de
productos de diferentes modelos. Las caracteristicas y funciones
incluidas y/o ilustradas en este manual pueden no set aplicables
a todos los modelos. MTD se reserva el derecho de modificar
las especificaciones de los productos, los diseffos y el equipo
est_ndar sin previo aviso y sin generar responsabilidad pot
obligaciones de ningun tipo.
Este producto cumple con las estrictas normas de seguridad
del Outdoor Power Equipment Institute y de un laboratorio de
pruebas independiente. Si tiene algun problema o duda respecto
a la unidad, Ilame a un distribuidor de servicio MTD autorizado o
p6ngase en contacto directamente con nosotros. Los numeros
de tel6fono, direcci6n del sitio web y direcci6n postal de la
Asistencia al Cliente de MTD se encuentran en esta p_gina.
Queremos garantizar su entera satisfacci6n en todo momento.
En este manual, las referencias al lado derecho oizquierdo de la
m_quina se observan desde la posici6n del operador.
El fabricante del motor es el responsable de todas las
cuestiones relacionadas con el rendimiento, potencia de salida,
especificaciones, garantia y mantenimiento del motor. Para
obtener mayor informaci6n consulte el Manual del Propietario /
Operador entregado pot el fabricante del motor, que se envia, en
un paquete pot separado, junto con su unidad.
indite
Importante Medidas importantes de seguridad.. 3
Ensamblado y Conf_guraci6n ................................. 7
Controles y Caractefisticas .................................... 10
Funcionamiento ..................................................... 11
Mantenimiento yAjustes ....................................... 14
Servicio .................................................................... 16
Soluci6n de Problemas .......................................... 17
Registrode informaci6ndeproducto
Antes de configura r y operar su equipo nuevo, pot favor Iocalice
la placa del modelo en el equipo y registre la informaci6n en
el _rea situada a la derecha. Para encontrar la placa de modelo,
col6quese detr_s de la unidad en la posici6n del operador y mire
hacia la parte inferior de la secci6n trasera del chasis. Si tiene
que solicitar soporte t6cnico a trav6s de nuestro sitio web, el
Departamento de Asistencia al Cliente, o de un distribuidor de
servicio autorizado local, necesitar_ esta informaci6n.
_OMERO
DD
NOMERO
DD
DE MODELO
[31313131313131313
DE SERIE
D[3D[3D[3D[3D
Asistenciaal Cliente
Por favor, NO devuelva la unidad al minorista odistribuidor sin ponerse en contacto primero con el Departamento de
Asistencia al Cliente.
En caso de tener problemas para montar este producto o de tener dudas con respecto a los controles, funcionamiento o
mantenimiento del mismo, puede solicitar la ayuda de expertos. Elija entre las opciones que se presentan a continuaci6n:
0 Visite nuestro sitio web en www.mtdproducts.com
0 Llame a un representante de Asistencia al Cliente al (800) 800-7310 6 (330) 220-4683
0 Escribanos a MTD LLC •P.O. Box 361131 •Cleveland, OH •44136-0019

Medidasimportantesde seguridad 2
iADVERTENCIA! La presencia de este s[mbolo indica que se trata de instrucciones
importantes de seguridad que se deben respetar para evitar poner en peligro su seguridad
personal y/o material y la de otras personas. Lea y siga todas las instrucciones de este manual
antes de poner en funcionamiento esta m_quina. Si no respeta estas instrucdones puede
provocar lesiones personales.
Cuando vea este s[mbolo, iTENGA EN CUENTA LAS ADVERTENCIAS!
fPROPOSIClON 65 DE CALIFORNIA
_ iADVERTENCIA! El escape del motor de este producto, algunos de sus componentes y
algunos componentes del veh[culo contienen o liberan sustandas qu[micas que el estado
de California considera que pueden produdr c_ncer, defectos de nadmiento u otros
problemas reproductivos.
_iADVERTENCIA! Los bornes de la bater[a y los accesorios afines contienen plomo y
compuestos de plomo, sustancias qu[micas que segOn Io establecido pot el Estado de
California causan c_ncer y daflos en el sistema reproductivo. Ldvese las manos despu_s de
estar en contacto con estos componentes.
iPELIGRO! Esta m_quina est_ diseflada para set utilizada respetando las normas de
seguridad contenidas en este manual. AI igual que con cualquier tipo de equipo motorizado,
un descuido o error pot parte del operador puede produdr lesiones graves. Esta m_quina es
capaz de amputar dedos (de las manos y/o los pies), manos y pies. De no respetar las
instrucdones de seguridad siguientes se pueden produdr lesiones graves o la muerte.
Capadtad6n
1. Lea, entienda y cumpla todas las instrucciones incluidas en
la m_quina yen el(los) manual(es) antes de intentar realizar
el montaje de la unidad y utilizarla. Guarde este manual
en un lugar seguro para consultas futuras y peri6dicas, asi
como para solicitar repuestos.
2. Familiaricese con todos los controles y con el uso adecuado
de los mismos. Sepa c6mo detener la m_quina y desactivar
los controles r_pidamente.
3. No permita nunca que los niflos menores de 14 aflos utilicen
esta m_quina. Los ni_os de 14 aflos en adelante deben
leery entender las instrucciones de operaci6n y normas
de seguridad contenidas en este manual yen la m_quina y
deben set entrenados y supervisados pot un adulto.
4. Nunca permita que los adultos operen esta m_quina sin
recibir antes la instrucci6n apropiada.
5. Mantenga el _rea de operaci6n despejada de personas,
particularmente de niflos pequeflos y mascotas. Detenga la
m_quina si alguien se acerca.
Preparativos
1. Inspeccione minuciosamente el Mea donde utilizar_ el
equipo. Quite las piedras, palos, alambres y otros objetos
extraflos con los que se pueda tropezar y provocar lesiones
personales.
2. Utilice zapatos de trabajo resistentes, de suela fuerte, asi
como pantalones y camisas ajustados. Las prendas sueltas
y las alhajas se pueden enganchar en las piezas m6viles.
Nunca opere la m_quina descalzo o con sandalias.
3. Antes de arrancar el motor, desenganche las palancas del
embrague y despl_celas (en caso de haber) a la posici6n
neutral ("N").
4.
5.
Nunca deje la m_quina en funcionamiento sin vigilancia.
Nunca intente realizar ajustes mientras el motor est_
en marcha excepto en los casos especificamente
recomendados en el manual del operador.
23

Manejo seguro de la gasolina:
Para evitar lesiones personales o dahos materiales tenga mucho
cuidado cuando trabaje con gasolina. La gasolina es sumamente
inflamable y sus vapores pueden causar explosiones. Si se
derrama gasolina encima o sobre la ropa se puede lesionar
gravemente ya que se puede incendiar. L_ivese la piel y c_imbiese
de ropa de inmediato.
a. Utilice s61o los recipientes para gasolina autorizados.
b. Nunca Ilene los recipientes en el interior de
un vehiculo o camidn o caja de remolque con
recubrimiento pl_istico. Antes de Ilenarlos, coloque
siempre los recipientes en el suelo y lejos del
vehiculo.
c. Cuando sea factible, retire el equipo a gasolina del
cami6n o remolque y II_nelo en el suelo. Siesto
no es posible, Ilene el equipo en un remolque con
un contenedor port_itil, en vez de hacerlo con una
boquilla dispensadora de gasolina.
d. Mantenga la boquilla de Ilenado en contacto con el
borde del dep6sito de combustible o con la abertura
del recipiente en todo momento, hasta terminar
la carga. No utilice un dispositivo de boquilla de
apertura/cierre.
e. Apague todos los cigarrillos, cigarros, pipas y otras
fuentes de combusti6n.
fl Nunca cargue combustible en la m_iquina en un
espacio cerrado.
g. Nunca saque la tapa de la gasolina ni agregue
combustible mientras el motor est,1 caliente o en
marcha. Deje que el motor se enfrie por Io menos dos
minutos antes de volver a cargar combustible.
h. Nunca Ilene en exceso el dep6sito de combustible.
Llene el tanque no m_is de 1/2pulgada por debajo
de la base del cuello del tap6n de carga, para dejar
espacio para la expansi6n del combustible.
i. Vuelva a colocar la tapa de la gasolina y aj0stela bien.
j. Limpie el combustible que se haya derramado sobre
el motor y el equipo. Traslade la m_iquina a otra zona.
Espere 5 minutos antes de encender el motor.
k. Para reducir el riesgo de incendio, mantenga la
m_iquina limpia de pasto, hojas y de acumulaci6n
de otros residuos. Limpie los derrames de aceite o
combustible y saque todos los residuos embebidos
en combustible.
I. Nunca guarde la m_iquina o el recipiente de
combustible en un espacio cerrado donde haya
fuego, chispas o luz piloto, como por ejemplo de
calentadores de agua, calefactores de ambientes,
hornos, secadores de ropa u otros aparatos a gas.
Fundonarniento
1. No coloque las manos ni los pies cerca de las piezas
giratorias. El contacto con la piezas giratorias puede resultar
en la amputaci6n de manos o pies.
2. No utilice la m_iquina bajo la influencia del alcohol o las
drogas.
3. Nunca opere esta m_iquina sin buena visibilidad o
iluminaci6n. Siempre debe estar seguro de que est,1 bien
afirmado y sujetando firmemente las manijas.
4. Mantenga a los transeuntes alejados de la m_iquina mientras
la misma est<i en funcionamiento. Detenga la m_iquina si
alguien se acerca.
5. Tenga cuidado cuando labre tierras duras. Los dientes
pueden clavarse en la tierra e impulsar la cultivadora
hacia adelante. Si esto ocurre, suelte el manubrio y deje la
m_iquina libre.
6. Sea sumamente precavido cuando opere la m_iquina sobre
una superficie con grava o cuando la cruce. Mant_ngase
alerta por si se presentan peligros ocultos o tr_insito. No
transporte pasajeros.
7. Nunca utilice la m_iquina a altas velocidades de
desplazamiento sobre superficies duras o resbaladizas.
8. Tenga cuidado para evitar resbalar o caerse.
9. Mire hacia abajo y hacia atr_is y tenga cuidado cuando se
desplace en marcha atr_is o cuando jale de la m_iquina hacia
usted.
10. Arranque el motor de acuerdo con las instrucciones del
manual y mantenga los pies alejados de los dientes en todo
momento.
11. Despu_s de golpear con algOn objeto extraho, detenga el
motor, desconecte el cable de la bujia y conecte el motor a
masa. Inspeccione minuciosamente la m_iquina para vet si
est,1 dahada. Repare el daho antes de arrancar y utilizar la
m_iquina.
12. Desenganche todas las palancas de embrague (en caso
de haber) y detenga el motor antes de dejar la posici6n
de operaci6n (detr_is de las manijas). Espere hasta que los
dientes se detengan completamente antes de limpiarlos,
hacer algun ajuste o inspeccionarlos.
13. Nunca encienda el motor en espacios cerrados o en una
zona con poca ventilaci6n. El escape del motor contiene
mon6xido de carbono, un gas inodoro y letal.
14. El silenciador y el motor se calientan y pueden causar
quemaduras. No los toque.
15. Tenga precauci6n cuando labre terreno cerca de vallas,
edificios y servicios subterr_ineos. Los dientes rotatorios
pueden causar da_os materiales o lesiones personales.
16. No sobrecargue la capacidad de la m_iquina intentando
labrar el suelo a un nivel demasiado profundo o a una
velocidad demasiado r_ipida.
17. Si la m_iquina arranca haciendo un sonido o una vibraci6n
rata, detenga el motor, desconecte el cable de la bujia y
con_ctelo a masa contra el motor. Inspeccione la m_iquina
minuciosamente para vet si est,1 da_ada. Repare todos los
da_os antes de encender y operar la m_iquina.
18. Mantenga todos los escudos, protectores y dispositivos de
seguridad en su lugar yen correcto funcionamiento.
19. Nunca levante o transporte la m_iquina cuando el motor
est,1 encendido.
20. Use s61o aditamentos y accesorios aprobados por el
fabricante. Si no Io hace, pueden producirse lesiones
personales.
21. Si se presentan situaciones que no est_in previstas en este
manual, tenga cuidado y use el sentido comun. P6ngase en
contacto con Asistencia al Cliente para solicitar ayuda y el
nombre del distribuidor de servicio m_is cercano.
Mantenimiento y Almacenamiento
1. Mantenga la m_iquina, los aditamentos y accesorios en
condiciones de funcionamiento seguro.
2. Deje que la m_iquina se enfrfe por Io menos cinco minutos
antes de guardarla. Nunca altere los dispositivos de
seguridad. Controle peri6dicamente que funcionen
correctamente.
3. Controle frecuentemente que todos los pernos y tornillos
est_n bien ajustados para comprobar que la m_iquina se
encuentra en condiciones seguras de funcionamiento.
Adem_is, haga una inspecci6n visual de la m_iquina para
verificar si est,1 dahada.
SECCION _ -- _,_EDIDAS IMPORTANTES DE SEGURIDAD

4. Antes de limpiar, reparar o inspeccionar la m_iquina,
detenga el motor y aseg0rese de que los dientes y todas
las partes m6viles se hayan detenido. Desconecte el cable
de la bujia y p6ngalo haciendo masa contra el motor para
evitar que se encienda accidentalmente.
5. No cambie la configuraci6n del regulador del motor ni Io
opere a sobrevelocidad. El regulador del motor controla la
velocidad m_ixima de funcionamiento seguro del motor.
6. Mantenga o reemplace las etiquetas de seguridad e
instrucciones seg0n sea necesario.
7. Siga las instrucciones de este manual para cargar,
descargar, transportar y almacenar de manera segura esta
m_iquina.
8. Si la m_iquina se va a almacenar pot un periodo
prolongado, consulte siempre el manual del operador para
ver los detalles importantes que sean necesarios.
9. Si debe vaciar el tanque de combustible, h_igalo al aire
libre.
10. Respete las normas referentes a la disposici6n correcta de
residuos y las reglamentaciones sobre gasolina, aceite, etc.
para proteger el medio ambiente.
11. Seg0n la Comisi6n de Seguridad de Productos para el
Consumidor de los Estados Unidos (CPSC) y la Agencia
de Protecci6n Ambiental de los Estados Unidos (EPA),
este producto tiene una vide dtilmedia de siete (7) aflos
6 130 horas de funcionamiento. AI finalizar la vida dtil
media, adquiera una m_iquina nueva o haga inspeccionar
anualmente esta unidad por un distribuidor de servicio
autorizado para cerciorarse de que todos los sistemas
mec_inicos y de seguridad funcionan correctamente y no
tienen excesivo desgaste. Si no Io hace, pueden producirse
accidentes, lesiones o la muerte.
Arisereferidoa emisiones
Los motores que est_in certificados y cumplen con las
regulaciones de emisiones federales EPAy de California para
SORE (Equipos pequeflos todo terreno) est_in certificados para
operar con gasolina com0n sin plomo y pueden incluir los
siguientes sistemas de control de emisiones: Modificaci6n de
motor (EM) y catalizador de tres vias (TWC) si est,1n equipados de
esa manera.
Amortiguadordechispas
IADVERTENCIA! Esta m_iquina est.1 equipada con
un motor de combusti6n interna y no debe ser
utilizada en un terreno agreste cubierto por bosque,
malezas o hierba ni cerca del mismo excepto que el
sistema de escape del motor est_ equipado con un
amortiguador de chispas que cumpla con las leyes
locales o estatales correspondientes (en caso de
haber).
Si se utiliza un amortiguador de chispas el operador Io debe
mantener en condiciones de uso adecuadas. En el Estado
de California las medidas anteriormente mencionadas son
exigidas pot ley (Articulo 4442 del Cddigo de Recursos P0blicos
de California). Es posible que existan leyes similares en otros
estados. Las leyes federales se aplican en territorios federales.
Puede conseguir el amortiguador de chispas para el silenciador
a trav_s de su distribuidor de mantenimiento de motores
autorizado m_is cercano o poni_ndose en contacto con el
departamento de servicios, Apartado Postal 361131 Cleveland,
Ohio 44136-0019.
SECCI(_N 2 -- MEDIDAS IMPORTANTES DE SEGURIDAD 2S

Sh'nbolosde Seguridad
Esta p_igina describe los simbolos y figuras de seguridad internacionales que pueden aparecer en este producto. Lea el manual del
operador para obtener la informaci6n terminada sobre seguridad, reunirse, operaci6n y mantenimiento y reparaci6n.
LEA EL MANUAL DEL OPERADOR (S)
Lea, entienda, y siga todas las instrucciones en el manual (es) antes de intentar reunirse y
funcionar.
LA ADVERTENCIA- LOS DIENTES ROTATIVO
No ponga manos o pies cerca del giro de partes. Contacto con las partes rotativas puede
amputar manos y pies.
LA ADVERTENCIA- LOS DIENTES ROTATIVO
No ponga manos o pies cerca del giro de partes. Contacto con las partes rotativas puede
amputar manos y pies.
GASOLINA DE ADVERTENCIA ESINFLAMABLE
Permita que el motor se enfrie al menos dos minutos antes del reabastecimiento de
combustible.
ADVERTENCIA -- MONOXIDO DE CARBONO
Nunca dirijas un motor dentro o en un _irea mal ventilada. Los gases de combusti6n de motor
contienen el mon6xido de carbono, un gas inodoro y mortal.
ADVERTENCIA -- SUPERFICIE CALIENTE
Las partes del motor, especialmente el silenciador, Ilega a set muy caliente durante la
operaci6n. Permita motor y silenciador para ponerse frio antes de tocar.
IADVERTENCIA! Su responsabilidad--Restrinja el uso de esta m_iquina motorizada alas personas que lean,
comprendan y respeten las advertencias e instrucciones que figuran en este manual yen la m_iquina.
GUARDEESTASINSTRUCCIONES
SECCION _ -- JV_EDIDAS IMPORTANTES DE SEGURIDAD

MontajeyConfiguraci6n
Contenido deia Caja
Un Cultivadora
Un Manual del operador del motor
Un 18 oz. botella SAE30W Petr61eo Un Manual del operador
NOTA: Permanezca detr_s de la cultivadora como si fuese a
ponerla en funcionamiento. Su mano derecha corresponde al
lado derecho de la cultivadora; su mano izquierda corresponde al
lado izquierdo de la cultivadora.
NOTA: Este manual del operador puede referirse a distintos
modelos de cultivadoras. Las unidades que se ilustran pueden
variar levemente de la unidad que usted posee. Siga unicamente
las instrucciones que se refieren al numero de modelo de la
cultivadora que usted posee..
NOTA: Esta cultivadora se envia sin gasolina ni aceite en el motor.
Llene con gasolina y aceite como se indica en las instrucciones
que se incluyen en el manual del motor adjunto ANTES de poner
en funcionamiento la m_quina..
Montaje
LaManUa
1. Retire las perillas en estrella de la manija y los pernos del
carro de la manija inferior, Fig. 3-1.
2_
f
Ubique la manija superior sobre la manija inferior, Paso
A Fig. 3-2. Alinee los orificios de la manija inferior con los
orificios de la manija superior (elija los orificios superiores o
inferiores de acuerdo con la altura de manija deseada).
Figura 3-2
3_ Inserte los pernos del carro a trav_s de los orificios y
aj0stelos con las perillas en estrella, Paso B Fig. 3-2.
Asegurese que los pernos del carro queden firmemente
asentados en una de las dos posiciones provistas.
Figura 3-1
27

4. Inserte el extremo izquierdo del control del embrague de
los dientes en el orificio del lado izquierdo de la manija
superior, Fig. 3-3.
Control clel ernbrague
de los dientes
\
\
Figura 3=3
5. Inserte el accesorio Z del cable del embrague dentro del
orificio que se encuentra en el control del embrague de los
dientes. Enganche el extremo "Z" en la abertura desde el
interior hacia el exterior segun se muestra en la Fig. 3-4.
6.
f
Apriete el control del embrague de los dientes hacia
adentro. Inserte el extremo derecho dentro del agujero
que se encuentra en el lado derecho de la manija superior,
Fig. 3-5.
i\
Configuraci6n
Carga de gas y aceite Cargue el motor con gasolina y aceite como
se indica en el manual separado del mismo que viene embalado
con la cultivadora. Lea cuidadosamente las instrucciones.
IADVERTENCIA! Tenga extremo cuidado cuando
manipule gasolina. La gasolina es altamente
inflamable y sus vapores pueden causar
explosiones. Nunca cargue combustible en la
m_iquina en un espacio cerrado o cuando el motor
est,1 caliente o en marcha.
SECCION3-- MONTAJE YCONFIGURACION

Ajustes
Ruedas
La cultivadora se entrega con las ruedas ajustadas de modo que
la unidad est_ nivelada. Antes de labrar el terreno, es necesario
levantar la rueda. Para hacerlo, quite los pasadores de horquilla
y chaveta, eleve la rueda a la posici6n deseada, luego vuelva a
colocar los pasadores para asegurar, Figura 3-6. Para transportar
la labradora, invierta los pasos para bajar la rueda.
Figure 3-6
SECCION3 -- MONTAJE Y CONFIGURACION 29

ControlesyCaracter sticas 4
Control del ernbrague
de los dientes
Cable de embrague
Arrancador de retroceso
Perillas de las rnanijas
Estacade
profundidad
Rueda trasera
Dientes
Controldel embrague de losdientes
La palanca de control del embrague est,1 ubicada en la manija
superior. Para engranar la transmisidn de los dientes se aprieta
la palanca contra la manija. Suelte la manija para detener los
dientes.
Periilasde iasmanijas
La altura de las manijas se puede ajustar. Afloje las perillas y retire
los pernos del carro para cambiar la posicidn. Reinstale y apriete
los elementos de ferreteria cuando termine.
Arrancadorderetroceso
El arrancador de retroceso se encuentra en el motor y se utiliza
para arrancar el motor de forma manual.
Estacadeprofundidad
La estaca de profundidad est,1 ubicada en la parte posterior de la
cultivadora.
Figura 4=1
Ruedatrasera conestacade profundidad
La rueda trasera se puede levantar y bajar para el transporte
y almacenamiento. Remitase a la Secci6n de Mantenimiento y
Ajustes para vet las instrucciones sobre el ajuste de la estaca y la
Secci6n de Montaje y Configuraci6n para ver las instrucciones de
ajuste de la rueda.
ControlesdelMotor
Consulte el Manual del motor, pot separado, para obtener
informaci6n adicional y detalles sobre las funciones de los
controles del motor.
Controldel estrangulador
La palanca de control del estrangulador est,1 ubicada en el
motor. Controla la velocidad del motor y Io detiene.
Cebador
El cebador, ubicado en el motor, se utiliza para bombear gasolina
al carburador y ayudar a arrancar el motor. Utilicelo para arrancar
un motor frio, pero no Io utilice para volver a arrancar un motor
caliente tras una parada corta.

Funcionamiento
IADVERTENClA! Lea, comprenda y siga todas las
instrucciones y advertencias que se encuentran en la
m_quina yen este manual antes de operarla.
IADVERTENClA! Asegurese que ninguna persona
aparte del operador permanezca cerca de la
cultivadora mientras arranca el motor u opera la
misma. Nunca encienda un motor en espacios
cerrados o en una zona con poca ventilaci6n. El
escape del motor contiene mon6xido de carbono,
un gas inodoro y letal. Mantenga las manos, los pies,
el cabello y la ropa suelta alejados de las partes
m6viles del motor y de la cultivadora.
Encendidodei motor
_ADVERTENCIA! Asegurese que nadie se
encuentre delante de la cultivadora mientras el
motor est_ en funcionamiento o en proceso de
arranque.
Consulte el manual del motor para instrucciones.
1. Conecte el cable de la bujia a la misma. Asegurese que la
tapa met_lica del extremo de la bujia est& bien ajustada
sobre la punta met_lica de la bujia.
2. Compruebe que el control del embrague de los dientes
est& desenganchado.
3. Coloque el control del estrangulador en la posici6n
VELOCIDAD RAPIDA.
4. Para arrancar la m_quina por primera vez, presione
firmemente el cebador del motor cinco (5) veces. Para
todos los arranques futuros, presi6nelo tres (3) veces.
Espere aproximadamente dos segundos entre cada
presi6n.
5. Coloque la mano izquierda sobre el tanque de gasolina.
Tome el arrancador de retroceso y jale la cuerda
lentamente hasta que el motor alcance el inicio del ciclo de
compresi6n (la cuerda estar_ un poco m_s tirante en este
punto).
6. Tire de la cuerda con un golpe de brazo r_pido, total y
continuo. Sostenga la manija con firmeza. Deje que la
soga se enrolle lentamente. No deje que el arrancador de
retroceso se suelte contra el motor. Repita hasta que el
motor se encienda.
Detenci6ndel Motor
1. Mueva la palanca de control del estrangulador a la posici6n
STOP (detenci6n) u OFF (apagado).
2. Desconecte el cable de la bujia y p6ngalo de manera que
haga masa contra el motor.
Usode ia Cuitivadora
La cultivadora es una m_quina de precisi6n dise_ada para ser
utilizada en la preparaci6n, labranza, realizaci6n de surcos y
colocaci6n de mantillo en los lechos de siembra..
Controldeiaveioddadyiaprofundidaddeia
iabranza
Aumentando la profundidad de la estaca de profundidad,
la velocidad de marcha directa de la m_quina se reduce y
se aumenta la profundidad de trabajo. AI subir la estaca de
profundidad, la profundidad de trabajo de la m_quina se reduce
y la velocidad de marcha directa aumenta.
Se puede predeterminar la profundidad de trabajo de la m_quina
configurando la estaca de profundidad y las ruedas para que las
ruedas est_n alrededor de cuatro pulgadas del suelo cuando los
dientes y la estaca de profundidad descansan sobre el suelo. Esta
configuraci6n permitir_ una profundidad de trabajo de alrededor
de cuatro pulgadas. Cuando se preconfigura la profundidad de
trabajo, se deben ajustar las manijas para que las empu_aduras
queden un poco m_s arriba de la cintura. La cultivadora estar_
m_s baja cuando los dientes y la estaca de profundidad penetren
en el suelo.
Para la labranza, la estaca de profundidad debe bajarse y la rueda
elevarse. Vea la Fig. 5-1.
Figure S-1
31

Durante la labranza, deje aproximadamente 8 pulgadas de suelo
sin labrar entre la primera y la segunda sendas de labranza, luego
realice una tercera senda entre la primera y la segunda, Fig. 5-2.
53
k_J k_j
Figura 5-2
En algunos suelos se puede obtener la profundidad deseada
la primera vez que se trabaja en eljardin. En otros suelos la
profundidad deseada se obtiene pasando dos o tres veces sobre
el terreno del jardin. Las pasadas se deben realizar en forma
alternada a Io largo y a Io ancho deljardin. Las rocas que se
encuentren se deben retirar del _irea del jardin.
Presi6nde ias manijas
Se puede obtener un mayor control de la profundidad de la
labranza y de la velocidad de recorrido variando la presi6n sobre
las manijas. La presi6n hacia abajo sobre las manijas reduce la
profundidad del trabajo y aumenta la velocidad hacia adelante.
La presi6n hacia arriba sobre las manijas aumenta la profundidad
del trabajo y reduce la velocidad hacia adelante. El tipo de suelo
y las condiciones de trabajo determinan la configuraci6n real de
la estaca de profundidad y la presi6n requerida de las manijas.
Labranza
Es deseable una profundidad de dos atres pulgadas (50,8 - 76,2
mm) para realizar la labranza del terreno. El estrangulador se
debe ajustar para controlar el movimiento hacia adelante a
una velocidad de marcha a pie lenta. Con los dientes exteriores
instalados, el ancho de trabajo de la m_quina es de 22 624
pulgadas.
Para tareas de cultivo, el ancho se puede reducir a 13 pulgadas
retirando los dientes exteriores. Consulte la secci6n Ajuste.
Cuando trace las hileras de plantaci6n, aseg0rese de dejar un
ancho suficiente para el cultivo entre dichas hileras. Cuando
cultive maiz o alg0n cultivo similar, el control de las hileras de
plantaci6n permitir_i el cultivo transversal y pr_icticamente
eliminate1 la azada manual, Fig. 5-3.
f
3
J
Figura 5-3
La cultivadora tiene muchas aplicaciones adem<is de la de
labranza y cultivo de un jardin. Una de dichas aplicaciones es la
preparaci6n del _irea para la siembra. La cultivadora preparar_i
un lecho de siembra profundo que no tendr_i puntos duros
sin labrar, permitiendo una mejor afirmaci6n del c_sped para
el crecimiento. La cultivadora es muy util para aflojar suelos
duros y prepararlos para su excavaci6n mediante una pala.
No es necesario realizar ninguna tediosa labor manual. La
cultivadora se puede usar para mezclar abono en acopio o para
mezclarla con el suelo del jardin. Esto se debe realizar despu_s
de haber fracturado el suelo en la totalidad de la profundidad
de trabajo. El abono se debe trabajar a una profundidad de
seis a siete pulgadas. Esto se puede realizar trabajando a Io
largo deljardin y luego haciendo varias pasadas separadas
transversales. El agregado de materia org_inica descompuesta
aumenta significativamente la fertilidad del jardin. Para una
adecuada acci6n de descomposici6n se debe aplicar fertilizante
y se debe trabajar con los materiales de mantillo. La mezcla de
hojas rotas y paja con varias pulgadas de suelo permite una
adecuada aireaci6n del sistema de raices de las plantas y retarda
el crecimiento de malezas.
SEGCION 5-- FUNCIONAMIENTO

Transporteyalrnacenarnientode iacuitivadora
Para transportar la cultivadora, baje la rueda y mueva la estaca
de profundidad a la posici6n m_is elevada. Vea la Fig. 5-4.
Figure 5-4
Para almacenar la cultivadora, baje la rueda y direccione la estaca
de profundidad de manera que ambas toquen el suelo. Vea la
Fig. 5-5.
Figure 5-5
SECCION 5 -- FUNCIONAMIENTO 33

MantenimientoyAjustes
IADVERTENCIA! Antes de la inspecci6n, la
limpieza o el servicio de los macollos, apagar el
motor y esperar a que todas las partes para Ilegar a
una parada completa. Desconecte la bujia. El no
seguir estas instrucciones correctamente puede
resultar en lesiones corporales graves o dahos a la
propiedad.
Mantenimiento
Motor
Consulte el manual del motor para conocer las instrucciones de
mantenimiento del mismo.
Cambiarel Petr61e0de Motor
1.
2.
3.
4.
5.
6.
Ponga el motor en marcha durante unos minutos para
permitir que el aceite del c_rter del motor se caliente. El
aceite caliente circular_ m_s libremente y transportar_ m_s
del sedimento del motor que puede haberse depositado
en la fondo del c_rter. Tenga cuidado y evite quemarse con
el aceite caliente.
Ponga el tilleren su lado con el filtro deaireen el lado
primero y el petr61eo Ilena tubo frente al suelo.
Coloque un contenedor apropiado de colecci6n de
petr61eo con pot Io menos una 20 capacidad de onza
liquida reunir el petr61eo utilizado abajo el petr61eo Ilena
tubo.
Retire el tap6n de Ilenado de aceite/la varilla de nivel de
aceite del tubo de Ilenado.
After the oil has finished draining, p_rese el tiller retrocede.
Vuelva a Ilenar el motor con aceite nuevo. Consulte
el Manual del propietario Briggs & Stratton para ver
informaci6n sobre el volumen y peso del aceite de motor.
Dientes
Limpie el lado inferior del escudo de los dientes despu6s de cada
uso. La suciedad se desprende de los dientes con m_s facilidad si
se los enjuaga inmediatamente en lugar de dejar que se seque.
Siempre sequela cultivadora con toalla despu6s del lavado y
aplique una capa de aceite o silicona para evitar que se oxide o
dahe pot acci6n del agua.
NOTA: Nunca use una "lavadora de presi6n" para limpiar la
cultivadora. El agua puede penetrar en las _reas ajustadas
de la cultivadora y causar dahos graves.
Filtr0 deAire
Limpie el filtro de aire cada diez horas en condiciones normales
de uso. Limpielo una vez pot hora cuando haya mucho polvo. El
bajo rendimiento del motor y el ahogamiento normalmente son
indicaciones de que el filtro de aire necesita mantenimiento. Para
realizar el control del filtro de aire, consulte el manual del motor.
Lubricaci6n
Transmisi6n
La transmisidn se entrega previamente lubricada y sellada en
f_brica. No requiere verificaci6n. Consulte con un distribuidor
de mantenimiento autorizado por cualquier cuesti6n relativa al
servicio.
Ejesde 10sdientes
Retire los conjuntos de los dientes y lubrique los ejes de los
mismos por Io menos una vez por estaci6n.
Ejede las ruedas
Retire el conjunto de las ruedas y lubrique el semieje pot Io
menos una vez por estaci6n.
Ajustes
Anchode los Dientes
El ancho de labranza de la unidad es de 22 pulgadas. El ancho de
labranza puede aumentar a 24 pulgadas retirando los pasadores
de horquilla y de chaveta, deslizando cada diente exterior hacia
afuera alrededor de una pulgada y ajust_ndolo en esta posici6n
con los pasadores.
Para tareas de cultivo, reduzca el ancho de los dientes a 13
pulgadas retirando los dientes exteriores completamente, Fig.
6-1.
Chaveta
Pasaciores
Horquilla
_l-===_22=inch :>
_t======== 13=in ¢h=============_
Figura 6=1

Estacade profundidad
La estaca de profundidad funciona como un freno para la
cultivadora y controla la profundidad y velocidad en la cual la
m_iquina operate1, Figura 6-2. Quite los pasadores de horquilla y
chaveta, eleve o baje la estaca de profundidad, luego vuelva a
colocar los pasadores para asegurar.
Figure 6=2
Aimacenamientofuera detemporada
Si la cultivadora no se usa pot un periodo de m_is de 30
dias, se deben realizar los siguientes pasos para preparar la
unidad para el almacenamiento.
Limpie el exterior del motor y la cultivadora en su totalidad
a rondo. Lubrique la cultivadora seg0n se describe en las
instrucciones de lubricaci6n.
No recomendamos el uso de lavadoras de presi6n para
limpiar la unidad. Pueden producir dahos a los husillos,
poleas, cojinetes o al motor. El uso de lavadoras con
presi6n de agua acortar_i la vida util de la m_iquina y
reducir_i su capacidad de servicio.
Consulte el manual del motor para conocer las
instrucciones para el almacenamiento correcto del mismo
Limpie los dientes con un trapo con aceite para evitar que
se oxide.
Almacene la cultivadora en un _irea limpia y seca. No la
almacene cerca de materiales corrosivos como pot ejemplo
fertilizantes.
Cuando almacene cualquier tipo de equipo motorizado en
un galp6n de dep6sito met_ilico o con poca ventilaci6n,
tenga especial cuidado de realizarle un tratamiento
antioxidante. Use aceite liviano o silicona para recubrir
el equipo, especialmente los resortes, los cojinetes y los
cables.coat the equipment and especially any springs,
bearings, and cables.
SECTION 6-- MANTENIMIENTO Y AJUSTES 35

Servkio 7
Cambiode ia correa
El dise_o de la cultivadora incluye una correa de material especial
que le proporciona mayor duraci6n y mejor rendimiento. No se
la debe cambiar pot "cualquier" correa. Consulte al minorista a
quien le compr6 la cultivadora, a un distribuidor autorizado MTD
o Ilame al tel_fono 1-800-800-7310 para obtener informaci6n
sobre precios y disponibilidad.
1. Retire el marco y el motor quitando los seis tornillos y
tuercas de seguridad que sujetan el motor y el marco al
escudo, Fig. 7-1.
\
Figura 7-1
Tuerca de
Seguridad
2.
F
Afloje la tuerca de seguridad que se muestra en el Paso A
Fig. 7-2.
tuerca de
seguridad
Poleas
Figura 7=2
3. Saque la correa de las poleas, Paso B Fig. 7-2.
4. Vuelva a colocar la nueva correa y apriete la tuerca de
seguridad.
5. Vuelva a unit el marco y el motor usando los elementos de
ferreteria que quit6 antes.

Soluci6ndeProblemas
Problema
El motor no arranca
El motor funciona de
manera err_itica
El motor recalienta
Los dientes no engranan
Causa
1. Se ha desconectado el cable de la buj[a.
2. Eltanque de combustible est.1 vac[o o el
combustible es viejo.
3. La palanca de control del estrangulador no
est.1 en la posicl6n de arranque correcta (en
caso de haber).
4. La palanca de obturad6n no est.1 en la
posid6n ON (encendido).
5. La I[nea del combustible est& bloqueada.
6. La buj[a no fundona correctamente.
7. Motor ahogado.
1. El cable de la bujia est.1 flojo.
2. La unidad est.1 funcionando en la posici6n
CHOKE (obturaci6n).
3. La linea del combustible est.1 tapada o el
combustible es viejo.
4. Ventilaci6n tapada.
5. Agua o suciedad en el sistema del
combustible.
6. Elfiltro de aire est.1 sucio.
7. Es necesario ajustar el carburador.
1. El nwel de aceite del motor es bajo.
2. FiItro de aire suclo.
3. Flujo de aire restringldo.
4. El carburador no est.1 ajustado
correctamente.
1. Hay un objeto extrano en los dientes.
2.
3.
4.
Falta(n) el(los) pasador(es) de horquilla.
Correa desgastada y/o estirada.
La polea y la polea Ioca necesitan ajuste.
Solud6n
1. Conecte el cable a la buj[a.
2. Llene el tanque con gasolina limpia y fresca.
3. Mueva la palanca de[ estranguladora [a
poslci6n de arranque.
4. Ponga la palanca en la posid6n ON
(encendido).
5. Limpie la linea del combustible.
6. Limpiela, ajuste la distancia o c_imbiela.
7. Espere unos minutos para reencender, no
realice el cebado (en caso de haber).
1. Conecte y ajuste el cable de la bujia.
2. Ponga la palanca de obturaci6n en la
posici6n OFF (apagado).
3. Limpie la linea del combustible; Ilene el
tanque con gasolina limpia y fresca
4. Destape la ventilaci6n.
5. Vacie el tanque del combustible. Vuelva a
Ilenarlo con combustible limplo.
6. Limpielo segun las instrucciones del manual
del motor.
7. Consulte el manual del motor.
1. Llene el c_rter con aceite adecuado.
2. LimDe el flltro de aire.
3. Retire [a carcasa del sopladory limDelo.
4. Consulte el manual del motor.
],
2.
3.
4.
Detenga la cultivadora completamente,
inspecci6nela y deseche el objeto extrano.
Cambie el(los) pasador(es) de horquilla de los
dientes.
Cambie la correa.
Lleve la unidad al distribuidor autorizado de
mantenimiento.
37

Notas 9

SECCION 9 -- NOTAS 39

GARANTiA LIMITADA DEL FABRICANTE PARA
Lasiguiente garantia limitada es otorgada per MTD LLC con respecto
a nuevosproductos adquiridos y utilizados en EstadosUnidosy/o sus
territories y posesiones, y per MTD Products Limited con respecto a
nuevosproductos adquiridos y utilizados en Canaday/o sus territories y
posesiones (cualquiera de lasdos entidades,respectivamente, "MTD").
"MTD" garantiza esteproducto (excluidas las PiezasyAccesorioscon
DesgasteNormal segQnse describe mAsabajo) contra defectos en los
materialesy mane de obra per un periodo dedos (2) a_os a partir de
la fecha decompra original y, a su opci6n, repararAo reemplazarA,sin
costo alguno, cualquier piezaque presentedefectos en los materialeso
de mane deobra. Esta garantialimitadas61ose aplicarAsi el producto
haside operado y mantenido deacuerdo con lasinstrucciones del
Manual del Operador que se proporciona con el producto y no haside
objeto de use inapropiado,abuse, use comercial, abandono, accidente,
mantenimiento incorrecto, alteraci6n, vandalismo, robe, incendio,
inundaci6n o alg_n da_o debido a otro peligro o desastre natural. El
da_o resultante per la instalaci6n o el usede piezas,accesorios o
aditamentos noaprobados per MTD parasu use con el(los) producto(s)
incluido(s) en este manualanularAla garantia en Ioque respecta a esos
da_os.
Se garantizaque/as Piezascon Desgaste NormalestAnlibres de defectos
en los materialesy manede obra per un periodo detreinta (30) dias
a partir de iafecha de compra. Las piezassujetas a desgaste normal
incluyen pero nose iimitan a: baterias, correas, cuchilias, adaptadores
para cuchillas, dientes, bolsas parapaste, ruedas, ruedas paraia
plataforma de la podadoratractor, asientos,zapatasantideslizantes,
ruedas defricci6n, placasde raspado,gomas heiicoidales y neumAticos.
Accesofios- MTD garantizaque los accesorios deeste producto estAn
fibres de defectos de material y mane de obra durante un periodo de
un (1) a_o a partir de lafecha decompra o arrendamiento original dei
accesorio. Los accesorios incluyen, pero no se limitan a: colectores de
c_spedy kits paraabono.
COMOSOUClTARY OBTENERSERVlClOT¢CNICO: Elservicio de la
garantia estAdisponible, CONCOMPROBANTEDECOMPRA,a trav_s de
su distribuidor local deservicio autorizado. ParaIocalizar el distribuidor
ensu Area:
EnEstadosUnidosdeAmerica
Consulte las pAginasamarillas, o p6ngase en contacto con MTD LLC
en P.O.Box 361131,Cleveland,Ohio44136-0019, flameal 1-800-800-
7310, o visite nuestro sitio web en www.mtdproducts.com.
EnCanad_
ContacteMTD Products Limited, Kitchener, ONN2G4J1, Ilame al 1-800-
668-1238 o visite nuestro sitio web en www.mtdcanada.com.
Estagarantia limitadano ofrece cobertura en lossiguientes cases:
a. El motor o laspiezasque Iocomponen. Estosproductos pueden
tener garantia dei fabricante per separado. Consuite lost6rminos y
condiciones de la garantia aplicable del fabricante.
b. Las bombas rompetroncos, vAIvulasy cilindros tienen una garantia
separadade un aSo.
c. Los articulos necesarios paraei mantenimiento de rutina come per
ejemplo lubricantes, filtros, afiladores de cuchillas, sincronizaci6n
del motor, losajustes de los frenos, del embrague o de la plata-
forma y el deterioro normal del acabado exterior debido al use o
exposici6n.
d. Mantenimientonorealizadoporeldistribuidordeservicioautor-
izado.
e. MTD no extiende ninguna garantia para los productos vendidos o
exportados fuera de los EstadosUnidos de America y/o CanadA,
y sus respectivas posesionesy territories, excepto paraaquellos
vendidos atrav_s de loscanales autorizados dedistribuci6n de
exportaciones de MTD.
f. Piezasde reemplazoque no son piezasoriginales de MTD.
g. Gastos detransporte y per visitas t_cnicas.
h. MTD no garantiza esteproducto para use comercial.
No seaplicau garautias implicitas, iucluidaslas garautias
implicitasde comerciabilidado de adecuaci6u para un prop6sito
determinado, despu_s del periodode aplicaci6n de la garantia
escrita expresa exteudida rods ardba para las piezas de acuerdo con
su ideutificaci6n. Niuguua otra garautia expresa, ni oral ui escrita,
excepto la menciouada auteriormente, exteudida pet personasreales
o juddicas, iucluidoslos distribuidores o los miuoristas con respecto
acualquier producto,ohligar;_ a MTD. Durauteel plazo de la garautia
el _uico recurso es la reparaci6n o reemplazo del productocome se
indic6auteriormeute.
Las disposiciones iucluidasen esta garautia proveeuel recurso _nico
yexclusive que surge de las veutas. MTD nose har;_respousable
de uiuguuap_rdidao da_o incidental o resultaute, iucluyeudosin
limitaci6u, los gastos iucurridospara los servicios de mantenimieuto
del paste, o los gastos de arrendamiento para reemplazar de manera
transitoria uuproductobajo garautia.
Algunos estados no permiten la exclusi6n o limitaci6n de los da_os y
perjuicios incidentales o directos, o las limitaciones sobre la duraci6n
de las garantias implicitas, per Io que las exclusioneso limitaciones
mencionadas anteriormente pueden no serle de aplicaci6n.
EnningQncase se obtendrA unacompensaci6n mayor al monte
del preciode compra del producto vendido. Laalteraci6n de las
caracteristicasdeseguridad del productoanular_ estagarantia. Usted
asumeel riesgo y la responsabilidadde las p_rdidas, da_os o lesiones
que sufran ustedy sus bienesy /o otras personasy sus bienes come
resultado del use incorrectoo de lafalta de capacidad para usar este
producto.
Estagarantia limitada alcanzasolamente al comprador original, o a la
personaque recibi6 el producto de regale.
COMOSERELACIONALA LEGISLACI()NESTATALCON ESTA
GARANTiA: Estagarantia limitada ie otorga derechosiegales
especificos y usted tambi_n puedetener otros derechosque varian de
un estadoa otro.
IMPORTANTE:Elpropietario debepresentar el Comprobante de compra
original paraobtener la cobertura de la garantia.
MTDLLC,P.O.BOX361131CLEVELAND,OHiO44136-O019,Tel_fono:1-800-800-7310
MTDCanadaLimited- KITCHENER,ON N2G4J1; tel_fono 1-800-668-1238
GDOC-lO0015 REV. B