MTD 21AA413H700 User Manual REAR TINE TILLER Manuals And Guides 1108391L
User Manual: MTD 21AA413H700 21AA413H700 MTD REAR TINE TILLER - Manuals and Guides View the owners manual for your MTD REAR TINE TILLER #21AA413H700. Home:Lawn & Garden Parts:MTD Parts:MTD REAR TINE TILLER Manual
Open the PDF directly: View PDF
.
Page Count: 24

Operator's Manual
Rear Tine Tiller
Model Series 410
IMPORTANT: READ SAFETY RULES AND INSTRUCTIONS CAREFULLY
Warning: This unit is equipped with an internal combustion engine and should not be used on or near any unimproved forest-
covered, brush-covered or grass-covered land unless the engine's exhaust system is equipped with a spark arrester meeting
applicable local or state laws (if any), If a spark arrester is used, it should be maintained in effective working order by the operator,
In the State of California the above is required by law (Section 4442 of the California Public Resources Code), Other states may have
similar laws, Federal laws apply on federal lands, A spark arrester for the muffler is available through your nearest engine authorized
service dealer or contact the service department, P,O, Box 361131 Cleveland, Ohio 44136-0019,
MTD LLC, P.O. BOX 361131 CLEVELAND, OHIO 44136-0019
PRINTED IN U.S.A. FORM NO. 770-10136E
(10/05)

This Operator's Manual is an important part of your new tiller. It will help you assemble, prepare
and maintain the unit for best performance. Please read and understand what it says.
TABLEOFCONTENTS
Content Page
Important Safe Operation Practices 3
Assembling Your Tiller 5
Know Your Tiller 8
Operating Your Tiller 10
Making Adjustments 12
Content Page
Maintaining Your Tiller 13
Troubleshooting 15
Illustrated Parts List 16
Warranty 24
FINDINGANDRECORDINGMODELNUMBER
BEFORE YOU START ASSEMBLING
YOUR NEW EQUIPMENT,
please locate the model plate on the equipment and
copy the information from it in the space provided
below. A sample model plate is also given below.
You can locate the model plate by standing at the
operating position and looking down at the center
of the rear tine cover. This information will be
necessary to use the manufacturer's web site
and/or help from the Customer Support Department
or an authorized service dealer.
Model Number:
_.www.mtdproducts.com
Serial Number:
MTD LLC
P. O. BOX 361131
CLEVELAND,OH 44136
330-220-4683
800-800-73110
CUSTOMERSUPPORT
Pleasedo NOTreturnthe unitto the retailerfrom where it
was purchased,withoutfirst contactingCustomerSupport.
If you have difficulty assembling this product or have any questions regarding the
controls, operation or maintenance of this unit, you can seek help from the experts.
Choose from the options below:
1. Visit mtdproducts.com. Click on the Service & Support menu option.
2. Phone a Customer Support Representative at 1 (800) 800-7310.
3. The engine manufacturer is responsible for all engine-related issues with regards to
performance, power rating, specifications, warranty and service. Please refer to the
engine manufacturer's Owner's/Operator's Manual, packed separately with your unit, for
more information.
_ Co_npG_y iComoc_ Lb
Ser,_ic® i SJpport
Product Registration
_r_e_yPo_¢y

SECTION1: IMPORTANTSAFEOPERATIONPRACTICES
WARNING: This symbol points out important safety instructions which, if not followed, could
endanger the personal safety and/or property of yourself and others. Read and follow all instructions in
this manual before attempting to operate this machine. Failure to comply with these instructions may
result in personal injury. When you see this symbol - heed its warning.
WARNING: Engine Exhaust, some of its constituents, and certain vehicle
components contain or emit chemicals known to State of California to cause cancer
and birth defects or other reproductive harm.
DANGER: This machine was built to be operated according to the rules for safe operation in this
manual. As with any type of power equipment, carelessness or error on the part of the operator can
result in serious injury. This machine is capable of amputating hands and feet and throwing objects.
Failure to observe the following safety instructions could result in serious injury or death.
Training
1. Read, understand, and follow all instructions on the
machine and in the manual(s) before attempting to
assemble and operate. Keep this manual in a safe
place for future and regular reference and for
ordering replacement parts.
2. Be familiar with all controls and their proper
operation. Know how to stop the machine and
disengage them quickly.
3. Never allow children under 14 years old to operate
this machine. Children 14 years old and over should
read and understand the operation instructions and
safety rules in this manual and should be trained
and supervised by a parent.
4. Never allow adults to operate this machine without
proper instruction.
5. Keep bystanders, helpers, pets and children at least
75 feet from the machine while it is in operation.
Stop machine if anyone enters the area.
Preparation
1. Thoroughly inspect the area where the equipment is
to be used. Remove all stones, sticks, wire, and
other foreign objects which could be tripped over
and cause personal injury.
2. Wear sturdy, rough-soled work shoes and close
fitting slacks and shirt. Loose fitting clothes or
jewelry can be caught in movable parts. Never
operate this machine in bare feet or sandals.
3. Disengage clutch levers and shift (if provided) into
neutral ("N") before starting the engine.
4. Never leave this machine unattended with the
engine running.
5. Never attempt to make any adjustments while
engine is running, except where specifically
recommended in the operator's manual.
6. To avoid personal injury or property damage use
extreme care in handling gasoline. Gasoline is
extremely flammable and the vapors are explosive.
Serious personal injury can occur when gasoline is
spilled on yourself or your clothes which can ignite.
Wash your skin and change clothes immediately.
7. Use only an approved gasoline container.
8. Extinguish all cigarettes, cigars, pipes and other
sources of ignition.
9. Never fuel machine indoors.
10. Never remove gas cap or add fuel while the engine
is hot or running.
11. Allow engine to cool at least two minutes before
refueling.
12. Never over fill fuel tank. Fill tank to no more than Y2
inch below bottom of filler neck to provide space for
fuel expansion.
13. Replace gasoline cap and tighten securely.
14. If gasoline is spilled, wipe it off the engine and
equipment. Move machine to another area. Wait 5
minutes before starting the engine.
15. Never store the machine or fuel container inside
near an open flame, spark or pilot light (e.g.
furnace, water or space heater, clothes dryer etc.).
16. Allow machine to cool 5 minutes before storing.
Operation
1. Do not put hands or feet near rotating parts. Contact
with the rotating parts can amputate hands and feet.
2. Do not operate machine while under the influence
of alcohol or drugs.
3. Never operate this machine without good visibility
or light. Always be sure of your footing and keep a
firm hold on the handles.
4. Keep bystanders, helpers, pets, and children at
least 75 feet from the machine while it is in
operation. Stop the machine if anyone enters the
area.
5. Be careful when tilling in hard ground. The tines
may catch in the ground and propel the tiller
forward. If this occurs, let go of the handle bars and
do not restrain the machine.
6. Exercise extreme caution when operating on or
crossing gravel surfaces. Stay alert for hidden
hazards or traffic. Do not carry passengers.

7. Neveroperatethemachineathightransport
speedsonhardorslipperysurfaces.
8. Exercisecautiontoavoidslippingorfalling.
9. Lookdownandbehindandusecarewhenin
reverseorpullingmachinetowardsyou.
10. Starttheengineaccordingtotheinstructionsfound
inthismanualandkeepfeetwellawayfromthe
tinesatalltimes.
11. Afterstrikingaforeignobject,stoptheengine,
disconnectthesparkplugwireandgroundagainst
theengine.Thoroughlyinspectthemachineforany
damage.Repairthedamagebeforestartingand
operating.
12. Disengageallclutchleversandstopenginebefore
youleavetheoperatingposition(behindthe
handles).Waituntilthetinescometoacomplete
stopbeforeuncloggingthetines,makingany
adjustments,orinspections.
13. Neverrunanengineindoorsorinapoorly
ventilatedarea.Engineexhaustcontainscarbon
monoxide,anodorlessanddeadlygas.
14. Mufflerandenginebecomehotandcancausea
burn.Donottouch.
15. Usecautionwhentillingnearfences,buildingsand
undergroundutilities.Rotatingtinescancause
propertydamageorpersonalinjury.
16. Donotoverloadmachinecapacitybyattemptingto
tillsoiltodeepattofastofarate.
17. Ifthemachineshouldstartmakinganunusualnoise
orvibration,stoptheengine,disconnectthespark
plugwireandgrounditagainsttheengine.Inspect
thoroughlyfordamage.Repairanydamagebefore
startingandoperating.
18. Keepallshields,guardsandsafetydevicesinplace
andoperatingproperly.
19. Neverpickuporcarrymachinewhiletheengineis
running.
20. Useonlyattachmentsandaccessoriesapprovedby
themanufacturer.Failuretodoso,canresultin
personalinjury.
21. Ifsituationsoccurwhicharenotcoveredinthis
manual,usecareandgoodjudgment.Contactyour
dealerortelephone1-800-800-7310forassistance
andthenameofyournearestservicingdealer.
Maintenance& Storage
1. Never tamper with safety devices. Check their
proper operation regularly.
2. Check bolts and screws for proper tightness at
frequent intervals to keep the machine in safe
working condition. Also, visually inspect machine for
any damage.
3. Before cleaning, repairing, or inspecting, stop the
engine and make certain the tines and all moving
parts have stopped. Disconnect the spark plug wire
and ground it against the engine to prevent
unintended starting.
4,
5,
6.
7.
8,
9.
10.
Do not change the engine governor settings or
over-speed the engine. The governor controls the
maximum safe operating speed of the engine.
Maintain or replace safety and instruction labels, as
necessary.
Follow this manual for safe loading, unloading,
transporting, and storage of this machine.
Never store the machine or fuel container inside
where there is an open flame, spark or pilot light
such as a water heater, furnace, clothes dryer etc.
Always refer to the operator's manual for proper
instructions on off-season storage.
If the fuel tank has to be drained, do this outdoors.
Observe proper disposal laws and regulations for
gas, oil, etc. to protect the environment.
YourResponsibility
1. Restrict the use of this power machine to persons
who read, understand and follow the warnings and
instructions in this manual and on the machine.
2. The safety label on the tiller is reproduced below for
your review. To ensure safe operation of the tiller,
follow the instructions on all labels closely.

SECTION2: ASSEMBLINGYOURTILLER
NOTE: This operator's manual covers various models
of tillers. The units illustrated may vary slightly from
your unit. Follow only those instructions which pertain
to your model number.
NOTE: References to right or left side of the tiller are
determined from behind the unit in the operating
position.
ToRemoveUnitFromCarton
• Remove staples, break glue on top flaps, or cut
tape at carton end and peel along top flap to open
carton.
• Remove loose parts included with unit (i.e.,
operator's manual, etc.).
• Cut corners and lay carton down flat.
• Remove packing material.
• Roll or slide unit out of carton. Check carton
thoroughly for loose parts.
• Extend control cable and lay on the floor. Be careful
not to bend or kink control cable.
IMPORTANT: This unit is shipped without gasoline or oil
in the engine. Be certain to service engine with gasoline
and oil as instructed in the separate engine manual
before operating your machine.
LoosePartsIn Carton
Depth Stake
Handle Assembly
Shift Rod
NOTE: All hardware needed for assembly is attached
to the loose parts or the tiller.
BeforeAssembly
WARNING: Disconnect the spark plug wire
and ground it against the engine to prevent
unintended starting.
AttachingDepthStake
• Tip the tiller forward so it rests on front
counterweight.
• Unthread the "T" knob from the top of the depth
stake and remove the flat washer and hex bolt.
Remove the hairpin clip from the clevis pin.
See Figure 1.
• Raise the tine shield hinge flap assembly and insert
the depth stake assembly in the slot (under the tine
shield) and up through the tine shield assembly.
• Insert clevis pin through the tine shield and depth
stake assemblies. Secure with hairpin clip.
Insert hex bolt into the top hole of the depth stake
assembly. Place flat washer on the hex bolt and
thread "T" knob onto the hex bolt. Tighten securely.
See Figure 1.
Tip the tiller back down so it rests on the tines.
Flat Washer Hex Bolt
T-Knob
rpin Clip
Clevis Pin
Depth Stake
Figure 1
AttachingHandleAssembly
• Remove the handle adjustment crank, flange nut,
retainer bracket, shoulder bolt, and lock nut from
the pivot bracket.
• Place the handle assembly in position in the handle
pivot bracket lining the upper holes in the handle
with the slots in the pivot bracket. See Figure 2.
Retainer Bracket,
Shoulder Bolt, 8, Lock Nut
Handle Adjustment Crank j
and Flange Nut_ /
Pivot Bracket
Figure 2
Lift up the handle assembly and align the bottom
holes in the handle assembly with the holes in the
pivot bracket. Insert shoulder bolt from the left side
of unit through the pivot bracket and the retainer
bracket on the right hand side of the unit.
See Figure 3.

Retainer Bracket
Shoulder Bolt & Lock Nut
Figure 3
• Place the hex opening of the flange nut retainer
bracket over the flange nut securing the handle
adjustment crank and install the lock nut on the
lower shoulder bolt. See Figure 4.
• Pivot handle assembly into position desired.
Tighten the bottom bolt, lock nut, and the handle
adjustment lock securely.
Handle Ad ustment Crank
Retainer Bracket
Gear
Gear Shift Rod
/
Handle
ustment Rod
(Model Series 420)
Rubber Washer
Hairpin Clip
Figure 4
AttachingGearShiftRod
•Remove the T-handle, hairpin clip, flat washer and
rubber washer from the end of the gear shift rod.
Slide the rod up through the right side of bracket on
the front of the handle assembly. See Figure 5.
•Insert the end of the gear shift rod through the
opening inthe top of the shift cover and into the
shift bracket. Secure with rubber washer first, flat
washer, and then hairpin clip. See Figure 5.
•Install the nut and T-handle on the gear shift rod.
Figure 5
AttachingClutchCable
• Route the clutch cable underneath the handle and
through the cable clip. Be careful not to bend or
kink the cable. See Figure 6.
Handle Adjustment Crank
Cable
Clip
Figure 6

• Remove one hex nut from the threaded casing on
the end of the cable. Slip the wire up through the
slot on the cable bracket underneath the handle.
• Push the end of the casing up through the cable
bracket. Rethread the hex nut on the end of the
cable. Do not tighten at this time.
Hex Nut
\
Lock
Washer
Rex
End
Slot in
Cable Bracket
(Viewed From Under Handle)
Figure 7
Pull the cable upwards to obtain slack and hook the
Z end of the cable from right to left into the bracket
on the clutch control (beneath the handle panel).
Tighten the nut against the cable bracket.
See Figure 7.
NOTE: Do not overtighten clutch cable, since too much
tension may cause it to break.
FinalClutchAdjustment
IMPORTANT:Service the engine with oil and gasoline
before checking this adjustment. Refer to the separate
engine manual packed with your tiller.
Position the tiller so the front counterweight is
against a solid object, such as a wall. With the gear
selection lever in NEUTRAL, start the engine. Refer
to Operation section.
NOTE: Keep hands out of belt area while unit is
operating.
• Standing on the right side of the tiller, visually
examine the belt (inside the belt cover). It should
not be turning.
• If the belt turns with the unit in neutral, adjust by
moving the hex nut below the cable bracket down a
few turns.Tighten the upper hex nut against the
bracket. See Figure 7.
• Now move the shift lever to FORWARD (Wheels
Forward) position. Carefully engage the clutch by
squeezing the clutch handle against the handle.
The wheels should spin.
• If the wheels do not spin with the unit in
forward, adjust by moving the hex nut which is
above the cable bracket up a few turns. Tighten the
bottom hex nut against the bracket.
Recheck both adjustments, and readjust as necessary.
Make certain hex nuts at cable bracket are tight (do not
overtighten clutch cable).
NOTE: If additional adjustment is required, it may be
necessary to remove the belt cover and move the hex
nuts at the other end of the clutch cable to increase belt
tension.
Tire Pressure
The tires on your unit may be over-inflated for shipping
purposes. Reduce the tire pressure before operating
the unit. Recommended operating tire pressure is
approximately 14 p.s.i, on 14 inch tires. Check the
sidewall of tire for tire manufacturer's recommended
pressure.
WARNING: Maximum tire pressure under
any circumstances is 30 p.s.i. Equal tire
pressure should be maintained on both
tires.

SECTION3: KNOWYOURTILLER
Handle
Handle
Handle Adjustment_
Handle
Stake
Model 410 Series
Figure 8
WARNING: Read, understand, and follow Reverse
all instructions and warnings on the Reverse wheeldriveonly.
machine and in this manual before Neutral
operating. Transmission is in neutral.
GearSelectionHandle
The gear selection handle is located on the front of the
handle assembly. It is used to select NEUTRAL,
REVERSE, or one of the FORWARD modes.
This tiller is designed for the gear selection handle to be
moved while the engine is running. (It will be difficult to
obtain all four positions with the engine off.) Pull or push
the handle so that the indicator on top of shift cover
points to the area of the operating mode desired.
See Figure 8.
NOTE: If difficulty is encountered in moving the gear
selection handle, refer to the following helpful hints:
• To shift into forward or reverse wheel drive, move
tiller forward slightly then backward to allow the
gears to synchronize.
• To shift into forward wheels and tine drive, push
forward slightly on the gear selection handle and
slowly engage the clutch handle allowing the gears
to synchronize.
• To stop forward movement and tine drive, release
the clutch handle. Do not shift gears with the clutch
handle engaged except when engaging the tines.
Wheels Forward
Forward wheel drive only.
Tines Reverse
Forward wheel drive and reverse tine drive.
,_ WARNING: Make certain unit is in
NEUTRAL when starting the engine.
ClutchHandle
The clutch handle is located beneath the handle.
Squeezing the clutch handle against the handle
engages the wheel and tine drive mechanisms.
See Figure 8.
ThrottleControl
The throttle control lever is located on the engine. It
controls the engine speed and stops the engine.

ChokeLever(if Equipped)
The choke lever is located on top of the carburetor on
the back of the engine underneath the muffler. It is used
to enrich the fuel mixture inthe carburetor when starting
a cold engine.
,_ Be careful when disengaging the Choke,
especially after the engine warms up, the
muffler will be hot!
Primer Button(If Equipped)
The primer button is located behind the air cleaner. It is
used to enrich the fuel mixture in the carburetor when
starting a cold engine.
DepthStake
The depth stake controls the tilling depth. Refer to
"Setting the Depth" in the Operating Section.
HandleAdjustmentCrank
The handle may be adjusted to the height desired.
Loosen the handle height adjustment lock a few turns.
Pivot handle up or down to desired position. Tighten
lock. See Figure 8.
FuelShut-OffValve(_fEquipped)
Make sure the valve is in the On (horizontal) position
when starting the unit. Any time the tiller is not in
operation (i.e., storing, performing maintenance or
adjustment), make sure the valve is in the OFF
(vertical) position.
EngineControls
See the separate engine manual for additional
information and functions of the engine controls.

SECTION4: OPERATINGYOURTILLER
,_ WARNING: Read, understand, and follow
all instructions and warnings on the
machine and in this manual before
operating.
BeforeStarting
GasAndOilFill-Up
Service the engine with gasoline and oil as instructed in
the separate engine manual packed with your tiller.
Read instructions carefully.
WARNING: Use extreme care when
handling gasoline. Gasoline is extremely
flammable and the vapors are explosive.
Never fuel machine indoors or while the
engine is hot or running.
StartingEngine
NOTE: When pushing the unit with the engine off, you
will hear a ratcheting sound (gear noise) which is
normal.
WARNING: Be sure no one is standing in
front of the tiller while the engine is
running or being started.
• Place gear selection lever in NEUTRAL.
• Place the throttle control lever in FAST position or if
equipped, place the engine speed control in the
START position.
• Move choke lever to CHOKE position or, if
equipped, push primer two (2) or three (3) times.
Wait about two (2) seconds between each push.
NOTE: A warm engine may not require choking or to be
primed.
• Stand at side of tiller. Grasp the starter handle and
pull out slowly, until it pulls slightly harder. Let rope
rewind slowly.
• Pull starter handle rapidly. Do not allow handle to
snap back. Allow it to rewind slowly while keeping a
firm hold on the starter handle.
• Repeat previous steps until engine starts.
• As engine warms up and begins to operate evenly,
move choke lever gradually to RUN position. If
engine falters, return to choke position, then slowly
move to RUN position.
NOTE: See your engine manual packed with your unit
for more detailed instructions.
NOTE: After starting and prior to using the tiller for the
first time, be certain to check the dutch adjustment as
described in "Checking the Clutch Adjustment" section
of the Assembly Instructions.
ToStopEngine
• Move throttle control to STOP or OFF position.
• Disconnect spark plug wire and ground to prevent
accidentally starting while equipment is
unattended.
NOTE: After the first ten hours of operation, recheck
the clutch adjustment. Refer to final clutch adjustment
in Assembly Instructions.
SettingTheDepth
Tilling depth is controlled by the depth stake which can
be adjusted to five different settings. Adjust the side
shields as you adjust the depth stake.
WARNING: Be certain spark plug wire is
disconnected and grounded against the
engine when performing any adjustments.
10

• When using the tiller for the first time, use the
second adjustment hole from the top (1" of tilling
depth). See Figure 9.
Use This Position _
First _ort Position
Clevis Pin
Use This Hole For
Lowest (Shallowest)
Position
\
----Use This Hole For
Highest (Deepest)
Position
Figure 9
• When breaking up sod and for shallow cultivation,
use the setting which gives 1" of tilling depth
(second hole from the top). Place the side shields in
their lowest position.
• For further depth, raise the depth stake and side
shields and also make one or two more passes
over the area.
• When tilling loose soil, the depth stake may be
raised to its highest position (use bottom
adjustment hole) to give the deepest tilling depth.
Raise the side shields to their highest position.
• To transport tiller, lower the depth stake (use top
adjustment hole).
To adjust the depth stake, remove the clevis pin and
hairpin clip. Move the depth stake to the desired setting
and secure with the clevis pin and hairpin clip.
See Figure 9.
To adjust the side shields, remove the wing nuts. Move
the side shield to the desired position and replace the
wing nuts. Tighten securely.
OperatingtheTiller
• Select the depth stake setting.
• Start engine as instructed on the previous page.
• Move gear selection handle to one of the forward
modes or reverse.
WARNING: Do not move the gear selection
handle with the wheels or tines engaged.
Make certain the unit is stopped
completely before changing the gear
selection. A partial engagement may be
necessary when engaging tines.
• Squeeze the clutch handle against the handle to
engage the wheels and tines.
NOTE: Make certain the gear selection indicator is
correctly positioned before engaging the clutch handle.
If #is between gears, the engine will stall.
To transport tiller, do not engage the tines. Select the
wheel drive only.
_, WARNING: Do not push down on the
handles so that the wheels are lifted off the
ground while using the tine drive, or the
tiller could move backward and cause
personal injury.
For best results, it is recommended the garden be tilled
twice (lengthwise, then widthwise) to pulverize the soil.
11

SECTION5: MAKINGADJUSTMENTS
_, WARNING: Never attempt to make any
adjustments while the engine is running,
except where specified in operator's
manual.
HandleAdjustment
The handle may be adjusted to the height desired and
on Model 420 series, the handle may also be adjusted
to be in line with the tiller or swung to the left or right.
Refer to the handle adjustment in the Know Your Tiller
section for details.
BeltTensionAdjustment
Periodic adjustment of the belt tension may be required
due to normal stretch and wear on the belt. Adjustment
is needed if the tines or wheels seem to hesitate while
turning, but the engine maintains the same speed.
To adjust the tension on the belt, refer to Final Clutch
Adjustment in Assembly Instructions.
EngineAdjustment
Refer to the separate engine manual for engine
adjustment instructions.
12

SECTION6: MAINTAININGYOURTILLER
_, WARNING: Disconnect the spark plug wire
and ground it against the engine before
performing any repairs or maintenance.
Engine
Refer to the separate engine manual for engine
maintenance instructions.
Maintain engine oil as instructed in the separate
engine manual packed with your unit. Read and follow
instructions carefully.
Service air cleaner every ten hours under normal
conditions. Clean every hour under extremely dusty
conditions. Poor engine performance and flooding
usually indicates that the air cleaner should be
serviced. To service the air cleaner, refer to the
separate engine manual packed with your unit.
IMPORTANT: Never run your engine without air cleaner
completely assembled.
The spark plug should be cleaned and the gap reset
every 25 hours of engine operation. Spark plug
replacement is recommended at the start of each tiller
season; check engine manual for correct plug type and
gap specification.
Clean the engine regularly with a cloth or brush. Keep
the cooling system (blower housing area) clean to
permit proper air circulation which is essential to engine
performance and life. Be certain to remove all dirt and
combustible debris from muffler area.
Remove tine assemblies and lubricate the tine shafts at
least once a season.
Wheel Shafts
Remove wheel assemblies and lubricate the axle shafts
at least once a season.
CleaningTineArea
Clean the underside of the tine shield after each use.
The dirt washes off the tines easier if rinsed off
immediately instead of after it dries. Always towel dry
the tiller afterwards and apply a light coat of oil or
silicone to prevent rusting or water damage.
IMPORTANT: Never use a "pressure washer" to clean
your tiller. Water can penetrate tight areas of the tiller
and its chaincase and cause serious damage to the
unit.
Tires
Recommended operating tire pressure is
approximately 14 p.s.i, on 14 inch tires and 20 p.s.i, on
16 inch tires. (Check sidewall of tire for tire
manufacturer's recommended pressure). Maximum tire
pressure under any circumstances is 30 p.s.i. Equal tire
pressure should be maintained on both tires.
When installing a tire to the rim, be certain rim is clean
and free of rust. Lubricate both the tire and rim
generously.
WARNING: Excessive pressure (over 30
p.s.i.) when seating beads may cause tire/
rim assembly to burst with force sufficient
to cause serious injury.
Lubrication
Transmission
The transmission is pre-lubricated and sealed at the
factory. It requires no checking unless the transmission
is disassembled. To fill with grease, lay the right half of
the transmission on its side, add 22 ounces of
Benalene 920 grease, and assemble the left half to it.
This grease can be obtained at your nearest authorized
dealer by ordering part number 737-0300.
ClutchHandle
Lubricate the pivot point on the clutch handle and the
cable at least once a season with light oil. The control
must operate freely in both directions.
PivotPoints
Lubricate all pivot points and linkages at least once a
season with light oil.
Tine Shafts
13
BeltReplacement
Your tiller has been engineered with a belt made of
special material (Kevlar Tensile) for longer life and
better performance. It should not be replaced with an
off-the-shelf belt. Order all belts through you authorized
service dealer.
• Disconnect and ground the spark plug wire against
the engine.
• Remove the belt cover from the left side of the tiller
by removing two torx head screws from the top of
belt cover.
• Remove two hex cap nuts and flat washers from
front side of the belt cover. Remove the hex nut and
flat washer at the back of the cover.
• Remove the belt keeper assembly located behind
the engine pulley by removing two hex bolts and
lock washers. See Figure 10.
• Remove belt and reassemble the new belt. Follow
instructions in reverse order.

NOTE:Upon reassembly, make certain the belt is
routed over the idler pulley and inside of belt keepers by
engine pulley. See Figure 10.
I Engine
Pulley Belt Keeper
Hex Bolt
Idler
Figure 10
Off-SeasonStorage
If the tiller will not be used for a period longer than 30
days, the following steps should be taken to prepare the
tiller for storage.
• Clean the exterior of engine and the entire tiller
thoroughly. Lubricate the tiller as described in the
lubrication instructions.
• We do not recommend the use of pressure
washers to clean your unit. They may cause
damage to electric components, spindles, pulleys,
bearings or the engine. The use of pressure
washers will result in shortened life and reduce
serviceability.
• Refer to the engine manual for correct engine
storage instructions.
• Wipe tines with oiled rag to prevent rust.
• Store tiller in a clean, dry area. Do not store next to
corrosive materials, such as fertilizer.
NOTE: When storing any type of power equipment in
an unventilated or metal storage shed, care should be
taken to rustproof the equipment. Using a light oil or
silicone, coat the equipment and especially any
springs, bearings, and cables.
14

SECTION7: TROUBLESHOOTINGGUIDE
Possible Cause(s)
Fuel tank empty, or stale fuel.
Trouble
Engine fails to
start
Engine runs
erratic
Engine overheats
Tines do not
engage
Wheels do not
engage
Throttle control lever not incorrect starting
position (if so equipped).
Blocked fuel line.
Dirty aircleaner.
Choke not in ON position.
Spark plug wire disconnected.
Faulty spark plug.
Engine flooded.
Unit running on CHOKE.
Spark plug wire loose.
Blocked fuel line or stale fuel.
Vent in gas cap plugged.
Water or dirt in fuel system.
Dirty air cleaner.
Carburetor out of adjustment.
Engine oil level low.
Dirty air cleaner.
Air flow restricted.
Carburetor not adjusted properly.
Foreign object lodged in tines.
Tine clevis pin(s) missing.
Pulley and idler not in correct
adjustment.
Not shifting properly.
Control cable not adjusted properly.
Belt worn and/or stretched.
Clevis pin missing.
Tiller is not being shifted properly.
Control cable not adjusted properly.
Belt worn and/or stretched.
Corrective Action
Fill tank with clean, fresh gasoline. Fuel will not last over thirty
days unless a fuel stabilizer is used.
Move throttle lever to start position.
Clean fuel line.
Refer to the engine manual packed with your unit.
Move choke to ON position.
Connect wire to spark plug.
Clean, adjust gap or replace.
Refer to the engine manual packed with your unit.
Move choke lever to OFF position.
Connect and tighten spark plug wire.
Clean fuel line; fill tank with clean, fresh gasoline. Fuel will not
last over thirty days unless a fuel stabilizer is used.
Clear vent.
Drain fuel tank. Refill with fresh fuel.
Refer to the engine manual packed with your unit.
Refer to the engine manual packed with your unit.
Fill crankcase with proper oil.
Refer to the engine manual packed with your unit.
Refer to the engine manual packed with your unit.
Adjust carburetor as instructed in separate engine manual.
Dislodge foreign object.
Replace fine clevis pin(s).
Take unit to authorized service dealer.
Refer to controls section of operator's manual for proper
shifting procedures.
Adjust control cable (see assembly instructions).
Replace belt.
Replace clevis pin.
Refer to controls section of operator's manual for proper
shifting procedures.
Adjust control cable (see assembly instructions).
Replace belt.
NOTE: For repairs beyond the minor adjustments above, contact your local authorized service dealer.
15

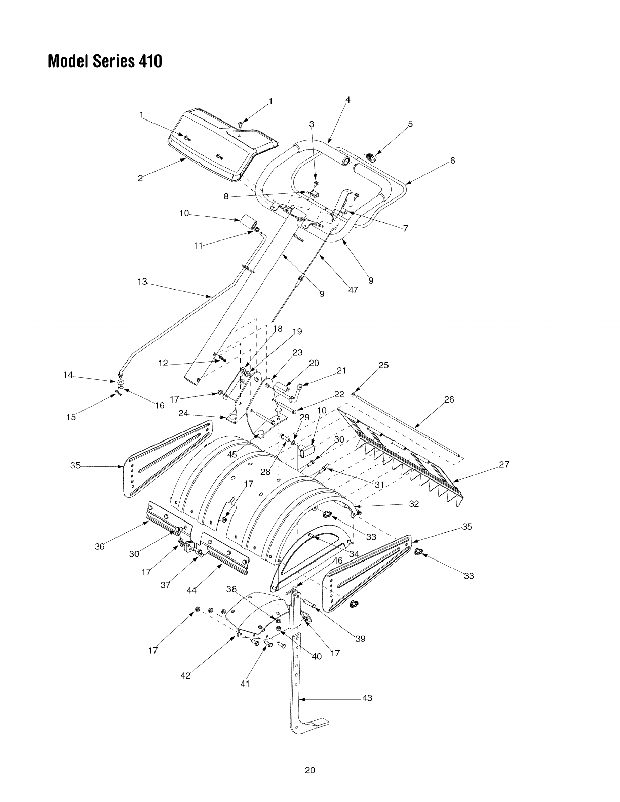
SECTION8: PARTSLISTFORMODELSERIES410
5
8
1
23
28
29
\I32 1
\
16
25
26 3,
18
35 I
I
I
i 41
I
I
19
4O
39
16

ModelSeries410
Ref. Part No.
No.
1. 710-1017
2. 786-0168
3. 686-0095
4. 712-04063
5. 715-0120
6. 786-0117
7. 710-3008
8. 712-3010
9. 736-0242
10. 710-3180
11. 710-1007
12. 619-0009A
13. 642-0015
642-0016
14. 711-0415
15. 714-0149B
16. 634-04233
17. 710-0606
18 734-1796
634-04218
19. 712-04064
21. 710-1090
Part Description
Hex Screw 1/4-20 x.625
Shift Cover - Tecumseh
Crank Shift Assembly
Hex Lock Nut 5/16-18
Spiral Pin
Shift Cover Mounting Bracket
Hex Cap Screw 5/16-18 x.75
Hex Nut 5/16-18
Bell Washer.340 ID x.872 OD
Hex Cap Screw 5/16-18 x 1.75
Hex Washer Screw 3/8-16 x 1.5
Frame Counterweight
Tine Assembly - LH
Tine Assembly - RH
Clevis Pin
Cotter Pin
Complete Wheel Ass'y - RH (14")
Hex Head Screw 1/4-20
Tire Only (14")
Rim Only (6.0 x 3.25)
Flange Lock Nut 1/4-20
Flange Screw 5/16-18 x 1.25
Ref.
No.
22.
23.
24.
25.
26.
27.
28.
29.
30.
31.
32.
33.
34.
35.
36.
37.
38.
39.
40.
41.
42.
Part No.
686-0031A
736-0119
710-0237
756-0971
756-0972
754-0438
756-0405
738-0899
736-0256
756-0634
736-0105
712-0379
736-0452
710-0152
786-0080
710-0723
738-0876
736-3020
786-0100
712-0392
786-0107
Part Description
Belt Keeper Bracket Ass'y
Lock Washer 5/16
Hex Cap Screw 5/16-24 x.625
Inner Pulley Half
Outer Pulley Half
V-Belt
Flat Idler
Bolt 5/16-18 x 1/4-28 x 2.35
Flat Washer.635 ID x.930 OD
Flat Pulley
Spring Washer.401 ID x.870 OD
Flange Lock Nut 3/8-24
Bell Washer.396 ID x 1.140 OD
Hex Cap Screw 3/8-24 x 1.0
Idler Bracket
Hex Cap Screw 3/8-16 x 1.25
Shoulder Nut 7/16-20
Flat Washer.271 ID x.630 OD
Belt Cover
Hex Lock Nut 1/4
Cable Bracket
IMPORTANT: For a proper working machine, use Factory
Approved Parts.
V-BELTS are specially designed to engage and disengage
safely. A substitute (non OEM) V-Belt can be dangerous by not
disengaging completely.
17

ModelSeries410
32
36
38
9
24
25
23
13
\
\
3
2
25
18

ModelSeries410
Ref. Part No.
No.
1. 721-0378
2. 712-0378
3. 736-0407
4. 721-0379
5. 716-0865
6. 686-0038
7. 618-0245B
9. 713-0233
10. 750-0570
11. 736-0163
12. 750-0936
13. 736-0518
14. 617-0004
15. 736-0351
16. 750-0938
17. 717-1458
19. 611-0021
20. 713-0226
21. 738-0885
22. 750-0935
23. 611-04073
24. 686-0039
25. 710-0896
26. 726-0331
27. 741-0563
28. 712-3067
Part Description
Shaft Seal 1.0 Dia
Hex Nut 7/16-20
Bell Washer.45 ID x 1.00D
Shaft Seal.75 Dia
Snap Ring.50 Dia
Gear Case Assembly - RH Half
Shift Assembly
Chain - #41 1/2" Pitch x 30 Links
Space 1.0 ID x 2.00D
Thrust Washer 1.03 ID x 1.62 OD
Spacer.635 ID x 1.00D
Thrust Washer.445 ID x 1.92 OD
Idler Gear Assembly
Flat Washer.760 ID x 1.50 OD
Spacer.735 ID x.886 OD
Spur Gear 46T
Tine Shaft Assembly 18T
Chain - #50 5/8" Pitch x 52 Links
Jack Shaft 5/8 Dia. X. 2.06 Lg
Spacer.635 ID x 1.00D
Wheel Shift Assembly
Gear Case Assembly - LH Half
Hex Washer Screw 1/4-14 x.625
Plug
Ball Bearing w/Snap Ring
Hex Patch L-Nut 7/16-20
Ref.
No.
29.
30.
31.
32.
33.
34.
35.
36.
37.
38.
39.
40.
41.
42.
43.
44.
45.
46.
47.
48.
49.
50.
51.
52.
53.
Part No.
786-0086
721-0295
710-0258
736-0329
736-0512
741-0124
736-0541
717-1451A
713-0435
736-0265
716-0235
718-0237
711-1087
732-0863
741-0862
718-0234
717-1409
736-0442
732-0614
736-0518
611-0016
738-0884
736-0336
750-0931
617-0003
Part Description
Reinforcement Bracket
Chain Case Gasket
Hex Cap Screw 1/4-20 x.625
Lock Washer 1/4
Flat Washer.281 ID x.875 OD
Ball Bearing
Flat Washer
Spur Gear 16T
Sprocket 11T #41 Chain
Flat Washer.88 ID x 1.50 OD
Retainer Ring
Clutch Key
Drive Shaft
Compression Spring
Detent Ball
Clutch Collar
Spur Gear 17T
Flat Washer.69 ID x 1.06 OD
Wire Ring
Thrust Washer.445 ID x 1.90D
Intermediate Gear Assembly
Jack Shaft
Flat Washer.625 ID x 1.00D
Spacer.635 ID x.86 OD
Tine Drive Assembly
19

ModelSeries410
3/
1o_
-7
23
10
25
_/ 26
17
J j
JJ
JJ
J J _1 J
J
J J
J
J
J
\
/
v
32
17 42_
43
20

ModelSeries410
Ref.
No.
1.
2.
3.
4.
5.
6.
7.
8.
9.
10.
11.
12.
13.
14.
15.
16.
17.
18.
19.
20.
21.
22.
23.
24.
Part No.
710-1017
786-0131
710-0896
720-0278A
735-0246
647-0014
786-0118
786-0098
649-0017
720-0210A
712-3008
726-0330
747-0902
735-0127
714-0104
736-0204
712-04063
784-0191
712-0379
750-0885A
784-0190
710-0189
786-0109
786-0108
Ref.
Part Description No. Part No.
Tap Screw 1/4-14 x.625 25. 726-0106
Handle Cover w/o Throttle 26. 747-0432
Hex Washer Screw 1/4-14 x.625 27. 786-0113
Foam Grip 28. 710-3005
End Plug 29. 736-0117
Clutch Control Assembly 30. 710-3008
Return Bracket - LH 31. 738-0849
Return Bracket - RH 32. 786-0085
Handle Assembly 33. 712-0421
Knob 34. 686-0044A
Jam Nut 3/8-16 35. 786-0090
Cable Clip 36. 786-0076
Shift Control 37. 710-0376
Rubber Washer.33 ID x.87 OD 38. 736-0169
Cotter Pin 39. 711-0415
Flat Washer.344 ID x.62 OD 40. 712-3017
Hex Flange Lock Nut 5/16-18 41. 710-3038
Retainer Bracket 42. 686-0043A
Flange Lock Nut 3/8-24 43. 786-0120
Spacer.322 ID x.625 OD 44. 786-0077
Handle Adjustment Crank 45. 710-3097
Hex Screw 5/16-18 x 3.0 46. 714-0147
Handle Mounting Bracket - LH 47. 746-0916
Handle Mounting Bracket - RH
Part Description
Cap Nut
Rod
Rear Tine Shield Flap
Hex Cap Screw 3/8-16 x 1.25
Flat Washer.375 ID x.620 OD
Hex Cap Screw 5/16-18 x.75
Hex Screw 5/16-18 x.75
Tine Shield
Wing Nut
End Cover Assembly
Side Shield
Shield Bracket RH
Hex Cap Screw 5/16-18 x 1.0
Lock Washer 3/8
Clevis Pin
Hex Nut 3/8-16
Hex Cap Screw 5/16-18 x.875
Tine Shield Bracket Assembly
Depth Stake
Shield Bracket- LH
Carriage Bolt 3/8-16 x 1.0
Cotter Pin
Clutch Cable
NOTE: For painted parts, please refer to the list of color codes below. Please add the applicable color code, wherever needed,
to the part number to order a replacement part. For instance, if a part numbered 700-xxxx is painted Oyster Gray, the part
number to order would be 700-xxxx-0662.
Black -- 0691 ; Black, Powder -- 0637; Blue, Midnight -- 0667; Charcoal -- 0483; Grey -- 0648;
Grey, Oyster -- 0662; Orange -- 0606; Red -- 0650; Red, MTD -- 0638; Silver -- 0629; Yellow -- 0674.
21

NOTES
22

NOTES
23

MANUFACTURER'S LIMITED WARRANTY FOR:
The limited warranty set forth below is given by MTD LLC with
respect to new merchandise purchased and used in the
United States, its possessions and territories.
"MTD"warrants this product against defects in material and
workmanship for a period of two (2) years commencing on the
date of original purchase and will, at its option, repair or
replace, free of charge, any part found to be defective in
materials or workmanship. This limited warranty shall only
apply if this product has been operated and maintained in
accordance with the Operator's Manual furnished with the
product, and has not been subject to misuse, abuse,
commercial use, neglect, accident, improper maintenance,
alteration, vandalism, theft, fire, water, or damage because of
other peril or natural disaster. Damage resulting from the
installation or use of any part, accessory or attachment not
approved by MTD for use with the product(s) covered by this
manual will void your warranty as to any resulting damage.
Normal wear parts are warranted to be free from defects in
material and workmanship for a period of thirty (30) days from
the date of purchase. Normal wear parts include, but not
limited to items such as: batteries, belts, blades, blade
adapters, grass bags, rider deck wheels, seats, snow thrower
skid shoes, shave plates, auger spiral rubber and tires.
HOW TO OBTAIN SERVICE: Warranty service is available,
WITH PROOF OF PURCHASE, through your local authorized
service dealer. To locate the dealer in your area, check your
Yellow Pages, or contact MTD LLC at P.O. Box 361131,
Cleveland, Ohio 44136-0019, or call 1-800-800-7310 or 1-
330-220-4683 or log on to our Web site at
www.mtdproducts.com.
This limited warranty does not provide coverage in the
following cases:
a. The engine or component parts thereof. These items
may carry a separate manufacturer's warranty. Refer
to applicable manufacturer's warranty for terms and
conditions.
b. Log splitter pumps, valves, and cylinders have a
separate one year warranty.
c. Routine maintenance items such as lubricants, filters,
blade sharpening, tune-ups, brake adjustments, clutch
adjustments, deck adjustments, and normal
deterioration of the exterior finish due to use or
exposure.
d. Service completed by someone other than an
authorized service dealer.
e,
f,
g.
MTD does not extend any warranty for products sold or
exported outside of the United States, its possessions
and territories, except those sold through MTD's
authorized channels of export distribution.
Replacement parts that are not genuine MTD parts.
Transportation charges and service calls.
No implied warranty, including any implied warranty of
merchantability of fitness for a particular purpose,
applies after the applicable period of express written
warranty above as to the parts as identified. No other
express warranty, whether written or oral, except as
mentioned above, given by any person or entity,
including a dealer or retailer, with respect to any product,
shall bind MTD. During the period of the warranty, the
exclusive remedy is repair or replacement of the product
as set forth above.
The provisions as set forth in this warranty provide the
sole and exclusive remedy arising from the sale. MTD
shall not be liable for incidental or consequential loss or
damage including, without limitation, expenses incurred
for substitute or replacement lawn care services or for
rental expenses to temporarily replace a warranted
product.
Some states do not allow the exclusion or limitation of
incidental or consequential damages, or limitations on how
long an implied warranty lasts, so the above exclusions or
limitations may not apply to you.
In no event shall recovery of any kind be greater than the
amount of the purchase price of the product sold. Alteration
of safety features of the product shall void this warranty.
You assume the risk and liability for loss, damage, or injury to
you and your property and/or to others and their property
arising out of the misuse or inability to use the product.
This limited warranty shall not extend to anyone other than the
original purchaser or to the person for whom it was purchased
as a gift.
HOW STATE LAW RELATES TO THIS WARRANTY: This
limited warranty gives you specific legal rights, and you may
also have other rights which vary from state to state.
IMPORTANT:Owner must present Original Proof of
Purchase to obtain warranty coverage.
MTD LLC, P.O.BOX361131CLEVELAND,OHIO44136-0019; Phone:1-800-800-7310,1-330-220-4683