MTD 24A 463A700 User Manual CHIPPER SHREDDER Manuals And Guides 1109520L
User Manual: MTD 24A-463A700 24A-463A700 MTD CHIPPER SHREDDER - Manuals and Guides View the owners manual for your MTD CHIPPER SHREDDER #24A463A700. Home:Lawn & Garden Parts:MTD Parts:MTD CHIPPER SHREDDER Manual
Open the PDF directly: View PDF
.
Page Count: 16

Operator's Manual
Model 465 Shown
Chipper Shredder
Model Series
462 thru 465
IMPORTANT: READ SAFETY RULES AND INSTRUCTIONS CAREFULLY
Warning: This unit is equipped with an internal combustion engine and should not be used on or near any unimproved forest-
covered, brush-covered or grass-covered land unless the engine's exhaust system is equipped with a spark arrester meeting
applicable local or state laws (if any). If a spark arrester is used, it should be maintained in effective working order by the operator.
In the State of California the above is required by law (Section 4442 of the California Public Resources Code). Other states may have
similar laws. Federal laws apply on federal lands. A spark arrester for the muffler is available through your nearest engine authorized
service dealer or contact the service department, P.O. Box 361131 Cleveland, Ohio 44136-0019.
MTD LLC, P.O. BOX 361131 CLEVELAND, OHIO 44136-0019
PRINTED IN U.S.A. FORM NO. 770-10048G
4/2004

TABLEOFCONTENTS
Content
Important Safe Operation Practices
Assembling Your Chipper Shredder
Know Your Chipper Shredder
Operating Your Chipper Shredder
Page
3
5
7
8
Content
Maintaining Your Chipper Shredder
Trouble Shooting
Illustrated Parts List
Warranty
Page
9
12
14
16
FINDINGMODELNUMBER
This Operator's Manual is an important part of your new chipper shredder. It will help you assemble,
prepare and maintain the unit for best performance. Please read and understand what it says.
Before you start assembling your new equipment, please locate the model plate on the
equipment and copy the information from it in the space provided below. A sample model plate is
also given below. You can locate the model plate by standing behind the unit and looking down at
the frame below the engine. This information will be necessary to use the manufacturer's web
site and/or help from the Customer Support Department or an authorized service dealer.
Copy the model number here:
'_[f TIB LLC
P. O. BOX 361131
CLEVELAND,OH 44136
338-220-4683
_, www.mtdproducts.com 800-800-731 O
Copy the serial number here:
CUSTOMERSUPPORT
Please doNOTreturntheunit to the retailer fromwhereit waspurchased,withoutfirstcontactingCustomerSupport.
If you have difficulty assembling this product or have any questions regarding the controls, operation or
maintenance of this unit, you can seek help from the experts. Choose from the options below:
_En ine
M nual
Visit mtdproducts.com for many useful suggestions. Click on Customer Support button and
you will get the four options reproduced here. Click on the appropriate button and help is
immediately available.
answer you are
looking for could be just
"f
a mouse c//cA away!
answer are
looking for could be just
"f
a mouse c//cA away!
If you prefer to reach a Customer Support Representative, please call 1-800-800-7310.
The engine manufacturer is responsible for all engine-related issues with regards to
performance, power-rating, specifications, warranty and service. Please refer to the engine
manufacturer's Owner's/Operator's Manual, packed separately with your unit, for more
information.

SECTION1: IMPORTANTSAFEOPERATIONPRACTICES
WARNING: This symbol points out important safety instructions which, if not followed, could
endanger the personal safety and/or property of yourself and others. Read and follow all instructions in
this manual before attempting to operate this machine. Failure to comply with these instructions may
result in personal injury. When you see this symbol - heed its warning.
WARNING: The Engine Exhaust from this product contains chemicals known to the
State of California to cause cancer, birth defects or other reproductive harm.
DANGER: This machine was built to be operated according to the rules for safe operation in this
manual. As with any type of power equipment, carelessness or error on the part of the operator can
result in serious injury. This machine is capable of amputating hands and feet and throwing objects.
Failure to observe the following safety instructions could result in serious injury or death.
TRAINING
1. Read, understand, and follow all instructions on the
machine and in the manual(s) before attempting to
assemble and operate. Keep this manual in a safe
place for future and regular reference and for
ordering replacement parts.
2. Be familiar with all controls and their proper
operation. Know how to stop the machine and
disengage them quickly.
3. Never allow children under 16 years old to operate
this machine. Children 16 years old and over
should read and understand the operation
instructions and safety rules in this manual and
should be trained and supervised by a parent.
4. Never allow adults to operate this machine without
proper instruction.
5. Keep bystanders, helpers, pets, and children at
least 75 feet from the machine while it is in
operation. Stop machine if anyone enters the area.
6. Never run an engine indoors or in a poorly
ventilated area. Engine exhaust contains carbon
monoxide, an odorless and deadly gas.
7. Do not put hands and feet near rotating parts or in
the feeding chambers and discharge opening.
Contact with the rotating impeller can amputate
fingers, hands, and feet.
8. Never attempt to unclog either the feed intake or
discharge opening, remove or empty bag, or
inspect and repair the machine while the engine is
running. Shut the engine off and wait until all
moving parts have come to a complete stop.
Disconnect the spark plug wire and ground it
against the engine.
PREPARATION
,Thoroughly inspect the area where the equipment
is to be used. Remove all rocks, bottles, cans, or
other foreign objects which could be picked up or
thrown and cause personal injury or damage to the
machine.
,
,
,
,
6.
Always wear safety glasses or safety goggles
during operation or while performing an adjustment
or repair, to protect eyes. Thrown objects which
ricochet can cause serious injury to the eyes.
Wear sturdy, rough-soled work shoes and close-
fitting slacks and shirts. Loose fitting clothes or
jewelry can be caught in movable parts. Never
operate this machine in bare feet or sandals. Wear
leather work gloves when feeding material in the
chipper chute.
Before starting, check all bolts and screws for
proper tightness to be sure the machine is in safe
working condition. Also, visually inspect machine
for any damage at frequent intervals.
Maintain or replace safety and instructions labels,
as necessary.
To avoid personal injury or property damage use
extreme care in handling gasoline. Gasoline is
extremely flammable and the vapors are explosive.
Serious personal injury can occur when gasoline is
spilled on yourself or your clothes which can ignite.
Wash your skin and change clothes immediately.
a. Use only an approved gasoline container.
b. Extinguish all cigarettes, cigars, pipes, and
other sources of ignition.
c. Neverfuel machine indoors.
d. Never remove gas cap or add fuel while the
engine is hot or running.
e. Allow engine to cool at least two minutes
before refueling.
f. Never over fill fuel tank. Fill tank to no more
than 1/2 inch below bottom of filler neck to
provide space for fuel expansion.
g. Replace gasoline cap and tighten securely.
h. If gasoline is spilled, wipe it off the engine
and equipment. Move machine to another
area. Wait 5 minutes before starting the
engine.
i. Never store the machine or fuel container
inside where there is an open flame, spark,
or pilot light (e.g. furnace, water heater,
space heater, clothes dryer, etc.)

j. Toreduceafirehazard,keepmachinefree
ofgrass,leaves,orotherdebrisbuild-up.
Cleanupoilorfuelspillageandremoveany
fuelsoakeddebris.
k. Allowmachinetocoolatleast5minutes
beforestoring.
OPERATION
1. Do not put hands and feet near rotating parts or in
the feeding chambers and discharge opening.
Contact with the rotating impeller can amputate
fingers, hands, and feet.
2. Before starting the machine, make sure the chipper
chute, feed intake, and cutting chamber are empty
and free of all debris.
3. Thoroughly inspect all material to be shredded and
remove any metal, rocks, bottles, cans, or other
foreign objects which could cause personal injury
or damage to the machine.
4. If it becomes necessary to push material through
the shredder hopper, use a small diameter stick. Do
not use your hands or feet.
5. If the impeller strikes a foreign object or if your
machine should start making an unusual noise or
vibration, immediately shut the engine off. Allow the
impeller to come to a complete stop. Disconnect
the spark plug wire, ground it against the engine
and perform the following steps:
a. Inspect for damage.
b. Repair or replace any damaged parts.
c. Check for any loose parts and tighten to
assure continued safe operation.
6. Do not allow an accumulation of processed
material to build up in the discharge area. This can
prevent proper discharge and result in kickback of
material through the feed opening.
7. Do not attempt to shred or chip material larger than
specified on the machine or in this manual.
Personal injury or machine damage could result.
8. Never attempt to unclog either the feed intake or
discharge opening while the engine is running.
Shut the engine off, wait until all moving parts have
stopped, disconnect the spark plug wire and
ground it against the engine before clearing debris.
9. Never operate without the shredder hopper,
chipper chute, or chute deflector properly attached
to the machine. Never empty or change discharge
bag while the engine is running.
10. Keep all guards, deflectors and safety devices in
place and operating properly.
11. Keep your face and body back and to the side of
the chipper chute while feeding material into the
machine to avoid accidental kickback injuries.
12. Never operate this machine without good visibility
or light.
13. Do not operate this machine on a paved, gravel or
non-level surface.
14. Do not operate this machine while under the
influence of alcohol or drugs.
15. Muffler and engine become hot and can cause a
burn. Do not touch.
16. Never pick up or carry machine while the engine is
running.
MAINTENANCEANDSTORAGE
1. Never tamper with safety devices. Check their
proper operation regularly.
2. Check bolts and screws for proper tightness at
frequent intervals to keep the machine in safe
working condition. Also, visually inspect machine
for any damage and repair, if needed.
3. Before cleaning, repairing, or inspecting, stop the
engine and make certain the impeller and all
moving parts have stopped. Disconnect the spark
plug wire and ground it against the engine to
prevent unintended starting.
4. Do not change the engine governor settings or
overspeed the engine. The governor controls the
maximum safe operating speed of the engine.
5. Maintain or replace safety and instruction labels, as
necessary.
6. Follow this manual for safe loading, unloading,
transporting, and storage of this machine.
7. Never store the machine or fuel container inside
where there is an open flame, spark or pilot light
such as a water heater, furnace, clothes dryer, etc.
8. Always refer to the operator's manual for proper
instructions on off-season storage.
9. If the fuel tank has to be drained, do this outdoors.
10. Observe proper disposal laws and regulations for
gas, oil, etc. to protect the environment.

_, WARNING:-YOUR RESPONSIBILITY: Restrict the use of this power machine to persons who read,
understand and follow the warnings and instructions in this manual and on the machine.
NOTE: Not all safety labels shown may apply to your chipper shredder.
ROTATING CUTTING BLADES
KEEP HANDS AND FEET OUT
SECTION2: ASSEMBLINGYOURCHIPPERSHREDDER
IMPORTANT: This unit is shipped without gasoline or oil
in the engine. Be certain to service engine with gasoline
and oil as instructed in the separate engine manual
before operating your machine.
NOTE: Reference to right or left hand side of the
chipper shredder is observed from the operating
position.
RemovingUnitFromCarton
• Remove staples, break glue on top flaps, or cut
tape at carton end and peel along top flap to open
carton.
• Remove loose parts if included with unit (i.e.,
operator's manual, etc.)
• Cut along corners, lay carton down flat, and remove
packing material.
• Roll or slide unit out of carton and check carton
thoroughly for loose parts.
LoosePartsIn Carton(SeeFigure1)
• Hopper Assembly
• Chute Deflector
• Chipper Chute (Select Models 462 thru 465)
• Bag (Not Shown)
• Tamper Plug (If Equipped)
• Safety Glasses (Not Shown)
Ch
Deflector
Chipper_
Chute
Figure 1

AttachingTheHopperAssembly(A,Models)
•Remove six hex nuts and washers from the weld
studs on the impeller housing. Do not remove the
support plate. See Figure 2.
• Place hopper assembly into position in front of
impeller housing, aligning holes in hopper
assembly collar with weld studs.
Impeller Housing =_--_ /Impeller
Washer _.__racket
Hopper Hex Nu_/e
Bracket
ase
Weld Stud Support
_Hopper Plate
Assembly
Figure 2
• Slide hopper assembly onto weld studs and replace
washers and hex nuts. Do not tighten completely.
• Lift hopper assembly up to impeller bracket
assembly and slide the release rod out slightly to
hook the hopper bracket onto the rod. See Figure 2.
• Tighten the six hex nuts that secure hopper
assembly to impeller housing and also tighten the
hex nuts that secure hopper bracket to hopper
assembly.
AttachingTheChuteDeflector(A,Models)
• Remove the wing knobs from each side of the lower
impeller housing. See Figure 3.
Hex Lock Nut
_Hex Bolt
-Wing Knob
Chute Deflector
Figure 3
Remove the hex lock nut, spacers, and hex bolt
from the top of the impeller housing.
Align the chute deflector in position on the
discharge opening and insert hex bolt with spacer
through hinge on chute deflector (spacers fit inside
of hinges). See Figure 3.
• Place second spacer over hex bolt inside other
hinge and secure with hex lock nut.
• Secure both sides of chute deflector to impeller
housing using wing knobs previously removed.
AttachingTheChipperChute
(SelectModels462Thru465)
• Remove the three cupped washers and hex nuts
from weld studs around the opening on the side of
the impeller housing. See Figure 4.
NOTE: Engine is not shown for clarity.
• Remove the hex bolts, flat washers, and lock nuts
from the two holes on the upper end of the support
brace.
Chipper
Weld Stud
pport Brace
Hex Nut
Cupped
Washer
Figure 4
• Align the chipper chute over the weld studs, so the
slot in the bottom of the chute is facing down.
• Secure chipper chute with the three cupped
washers (cupped side against the chipper chute)
and hex nuts previously removed. Do not tighten
the nuts at this time.
• The chipper shredder was shipped with one end of
the support brace already secured to the lower
frame. Loosen but do not remove the bolts
securing the brace to the frame.
• Align the holes in the chute with the holes in the top
of the brace and attach brace to chipper chute with
hardware previously removed. Tighten securely.
• Tighten the bolts securing the support brace to the
frame.
• Tighten the three nuts on the weld studs holding the
chipper chute to the impeller housing.

AttachingTheBag(A,Models)
•To attach the bag, place the opening of the bag
completely over the chute deflector.
• Pull on the drawstring until the bag is tight around
chute deflector opening.
• Clip the drawstring back on itself, tight against the
chute deflector to secure into position. See Figure
5.
Clip
C_hihlpperBag
Chute
Deflector
Figure 5
SECTION3: KNOWYOURCHIPPERSHREDDER
Read this operator's manual and safety rules before
operating your chipper shredder. Compare the
illustrations in Figure 6 with your unit to familiarize
yourself with the location of various controls and
adjustments. Save this manual for future reference.
StarterHandle
The starter handle is located on the engine. Pull the
starter handle to start engine. See Figure 6.
ReleaseRod
The release rod is located on the impeller bracket
assembly and it is used to release or lock the hopper
when raising or lowering. See Figure 6.
ChipperChute
Allow twigs and small branches up to 3" in diameter on
select models 462 thru 465 and 2" in diameter on model
463 to be fed into the impeller for chipping. See Figure
6.
HopperAssembly
Allow leaves and small branches up to 1/2 diameter to
be fed into the impeller for chipping and shredding.
Material can be raked into hopper assembly by
lowering the hopper assembly. See Figure 6.
Tamper Plug(ifEquipped)
The tamper plug is designed to insert in the chipper
chute to push material toward the impeller.
See Figure 6.
EngineControls
See the separate engine manual for the location and
function of the controls on the engine.
StoppingEngine
• Move throttle control lever to STOP or OFF
position.
• Disconnect spark plug wire from spark plug and
ground against the engine.
Chipper
Chute
Hopper
Assembly
Rod
Model 465 Shown Starter Handle
Figure 6
per Plug

SECTION4: OPERATINGYOURCHIPPERSHREDDER
WARNING: The operation of any chipper
shredder can result in foreign objects
being thrown into the eyes, which can
damage your eyes severely. Always wear
the safety glasses provided with this unit
or eye shields before chipping or shred-
ding and while performing any
adjustments or repairs.
StoppingEngine
•Move throttle control lever to STOP or OFF
position.
• Disconnect spark plug wire from spark plug and
ground against the engine.
NOTE: See your engine manual packed with your unit
for more detailed instructions.
GasAndOilFill-Up
Service the engine with gasoline and oil as instructed in
the separate engine manual packed with your chipper
shredder. Read instructions carefully.
,_ WARNING: Never fill fuel tank indoors with
engine running or until the engine has
been allowed to cool for at least two
minutes after running.
StartingEngine
• Attach spark plug wire to spark plug. Make certain
the metal cap on the end of the spark plug is
fastened securely over the metal tip on the spark
plug.
•Engines with choke lever:
Move choke lever on engine to CHOKE position. (A
warm engine may not require choking).
•Engines with primer:
Prime engine as instructed in separate engine
manual.
• The throttle control lever is located on the engine.
Move engine throttle control lever to FAST or
START position.
• Grasp starter handle and pull rope out slowly until
engine reaches start of compression cycle (rope
will pull slightly harder at this point).
NOTE: A noise will be heard when finding the start of
the compression cycle. This noise is caused by the fails
and fingers, which are part of the shredding mecha-
nism, and it should be expected until the impeller
reaches full speed.
• Pull rope with a rapid, continuous, full arm stroke.
Keep a firm grip on starter handle. Let rope rewind
slowly.
• Repeat the previous steps until engine fires. When
engine starts, move choke control (if equipped)
gradually to RUN position.
,_ WARNING: Never run the engine indoors
or in apoorly ventilated area. Engine
exhaust contains carbon monoxide, an
odorless and deadly gas.
ToEmptyBag
• Un-clip drawstring and loosen bag from chute
deflector opening.
• Empty bag and reattach to the discharge chute
opening. Pull on the drawstring until the bag is tight
around the chute opening and clip the drawstring
tight against the chute deflector.
LoweringTheHopperAssembly
• With one hand grasp the handle at the top of the
hopper assembly and lift slightly.
• With the other hand pull out on the release rod and
lower the hopper assembly to the ground.
See Figure 7.
opper
Assembly Rod
Figure 7
UsingTheChipperShredder
Yard waste such as leaves and pine needles can be
raked up through the hopper assembly for shredding.
After material has been shredded by the flail blades on
the impeller assembly, it will be discharged out of
opening or into catcher bag. Do not attempt to shred or
chip any material other than vegetation found in a
normal yard (i.e. branches, leaves, twigs, etc.) Avoid
fibrous plants such as tomato vines until they are
thoroughly dried out. Twigs and small branches up to 3"
in diameter on select models 462 thru 465 and 2" in
diameter on model 463 can be fed into the chipper
chute. If equipped, use the tamper plug to push material
into the chipper chute. See Figure 8.

opper
Assembly
Model 465 Shown
Chute
Deflector Chipper
Chute
IMPORTANT:The flail screen is located inside the
housing in the discharge area, If the flail screen
becomes clogged, remove and clean as instructed in
SECTION 5: MAINTAINING YOUR CHIPPER
SHREDDER, For best performance, it is also important
to keep the chipper blade sharp,
Figure 8
SECTION5: MAINTAININGYOURCHIPPERSHREDDER
CustomerResponsibilities
MAINTENANCE _ _'_ _" _ _ o__
SCHEDULE _o'.e .p_ .._e_.p_ OeO _
SERVICE
DATES
Lubricate Release Bracket
H-
Lubricate Hopper Assembly
D
O Lubricate Chute Deflector
rY
n Check Chipper Blade
Check Oil
Change Oil
iii
Clean Air Filter
z
LU Clean Engine
Check Spark Plug
,_ WARNING: Always stop engine, discon-
nect spark plug, and ground against
engine before cleaning, lubricating or
doing any kind of maintenance on your
machine.
Lubrication
Release Rod: Lubricate the release rod and spring with
light oil once a season.
Hopper Assembly: Lubricate the pivot points on the
hopper assembly with light oil once a season.
Chute Deflector: Lubricate the pivot points on the
discharge chute with light oil once a season.
Engine: Follow the separate engine manual packed
with you unit for lubrication instructions.
Maintenance
Engine
Refer to the separate engine manual for all engine
maintenance instructions.
Check engine oil level before each use as
instructed in the separate engine manual packed
with your unit. Read and follow instructions
carefully.

•Clean air cleaner every 25 hours under normal
conditions or once a season. Clean every few hours
under extremely dusty conditions. To service the air
cleaner, refer to the separate engine manual
packed with your unit.
• The spark plug should be cleaned and the gap
reset once a season. Check engine manual for
correct plug type and gap specifications.
RemovingTheFlailScreen
If the discharge area becomes clogged, remove the flail
screen and clean area as follows:
• Stop the engine and make certain the chipper
shredder has come to a complete stop.
• Disconnect spark plug wire from spark plug and
ground against the engine.
• Remove the bag and two wing knobs on each side
of the chute deflector and lift the chute deflector up
to keep it out of the way. See Figure 9.
Chute
pin
Clips
Wing Knobs
Figure 9
•Remove the two hairpin clips from each clevis pin
which extend through the housing and remove the
pins. See Figure 9.
• Remove the flail screen from inside the housing
and clean the screen by scraping or washing with
water.
• Reinstall the screen, making certain to reassemble
the flail screen with the curve side down.
• Reattach the chute deflector with the hardware
previously removed and connect the bag to unit.
SharpeningOrReplacingChipperBlades
• Disconnect the spark plug wire and ground against
the engine.
• Remove the flail screen as instructed in the
previous section.
• Remove the chipper chute by removing three hex
nuts and washers.
Select Models 462 thru 465
• Remove the chipper chute support brace from the
frame by removing the hex bolts.
All Models
• Rotate the impeller assembly by hand until you
locate one of the two chipper blades in the chipper
chute opening.
• Remove the blade by removing the internal hex
screws, lock washers, and hex nuts which secure it
to the impeller. Retain the hardware. See Figure 10.
Lock Washer
& Nut
Hex
Screw
Chipper Blade
Figure 10
NOTE: Use a 3/16" hex key (Allen) wrench on the
outside of the blade and a 1/2" box (or socket) wrench
on the inside of the impeller. Hold the Allen wrench
stationary and rotate the box (or socket) wrench to
loosen the nut.
• Install a replacement blade (Part No. 781-0490)
with the hardware removed earlier or sharpen.
IMPORTANT:When sharpening the blade, protect
hands by using gloves. Follow the original angle of
grind and make sure to remove an equal amount from
each blade.
• To replace the other blade, rotate the impeller to
expose the second blade and repeat the steps
above.
NOTE: Make certain blades are reassembled with the
sharp edge facing upward. Torque hardware to 250 -
300 in. Ibs.
10

SharpeningOrReplacingtheShredder
Blade
WARNING: The impeller's chipper blades
are sharp. Wear leather work gloves to
protect your hands.
•Stop the engine and make certain that all moving
parts have come to a complete stop.
• Disconnect the spark plug wire and ground against
the engine.
• Lower the hopper assembly and block up the
housing.
• Remove the six hex lock nuts and flat washers from
the weld studs on the flail housing. Retain the
hardware.
• Carefully separate the hopper assembly from the
impeller assembly and remove the support plate.
NOTE: When reassembling the support plate, make
certain the embossed tab faces inward towards the
impeller.
• Remove the two wing knobs and cupped washers
that secure the chute deflector and raise the chute.
• Insert a 1/2" or 314"diameter pipe through the flail
screen into the impeller to keep it from turning or
remove the flail screen and insert a piece of wood
into the chute opening.
• Remove the two internal hex screws which secure
the shredder blade to the impeller.
See Figure 11.
Chute Deflector
NOTE: Use caution when removing the blade to avoid
contacting the weld studs on the housing.
IMPORTANT:When sharpening the blade, follow the
original angle of grind as a guide. It is extremely
important that each cutting edge receives an equal
amount of grinding to prevent an unbalanced blade. An
unbalanced blade will cause excessive vibration when
rotating at high speeds and may cause damage to the
unit. The blade can be tested by balancing it on a
screwdriver or nail. Remove metal from the heavy side
until it is balanced evenly.
IMPORTANT:When reassembling the blade, tighten
center bolt to between 550 and 700 in.-Ibs, and the two
out bolts to between 250 and 350 in.-Ibs.
StoringYourChipperShredder
• Clean the equipment thoroughly.
• Wipe equipment with an oiled rag to prevent rust.
• Refer to engine manual for correct engine storage
instructions
• Store unit in a clean, dry area. Do not store next to
corrosive materials such as fertilizer.
Internal
Hex Screw-
Hex Bolt_
Impeller j
Shredder
Blade Weld Stud
Figure 11
NOTE: Use a 3/16" hex key (Allen) wrench on the
outside of the shredder blade and a 1/2" box (or socket)
wrench on the inside of the shredder blade. Hold the
Allen wrench stationary and rotate the box (or socket)
wrench to loosen the nut.
• Remove the hex bolt, lock washer, and flat washer
to completely free the shredder blade.
11

SECTION6: TROUBLESHOOTING
Problem Cause Remedy
Engine fails to start
Engine runs erratic
1. Spark plug wire disconnected.
2. Fuel tank empty or stale fuel.
3. Throttle control lever not in correct
starting position. (If Equipped)
4. Choke not in CHOKE position.
(If Equipped)
5. Engine not primed.
6. Blocked fuel line.
7. Faulty spark plug.
1. Spark plug wire loose.
2. Unit running on CHOKE.
(If Equipped)
3. Blocked fuel line or stale fuel.
,
5.
6.
1.
1.
2.
3.
1.
1. Connect wire to spark plug.
2. Fill tank with clean, fresh gasoline.
3. Move throttle lever to FAST position.
4. Move choke to CHOKE position.
Water or dirt in fuel system.
Dirty air cleaner.
Carburetor out of adjustment.
Loose parts or damaged impeller.
Engine oil level low.
Dirty air cleaner.
Carburetor not adjusted properly.
Spark plug gap too close.
5. Prime engine.
6. Clean fuel line.
7. Clean, adjust gap, or replace.
1. Connect and tighten spark plug wire.
2. Move choke lever to OFF position.
3. Clean fuel line; fill tank with clean, fresh
gasoline.
4. Drain fuel tank. Refill with fresh fuel.
5. Clean or replace air cleaner.
6. See authorized service dealer.
Too much vibration 1. See authorized service dealer.
Engine overheats 1. Fill crankcase with proper oil.
2. Clean or replace air cleaner.
3. See authorized service dealer.
Occasional skip (hesitates) 1. Adjust gap to.030".
at high speed
Unit does not discharge 1. Chute deflector clogged. 1.
Rate of discharge slows
considerably or
composition of discharged
material changes
2. Foreign object lodged in impeller.
3. Lowengine RPM.
1. Low engine RPM.
2. Chipper blade dull.
Stop engine immediately and
disconnect spark plug wire. Clean flail
screen and inside of discharge opening.
2. Stop engine and disconnect spark plug
wire. Remove lodged object.
3. Always run engine at full throttle.
1. Always run engine at full throttle.
2. Replace chipper blade or see your
authorized service dealer.
NOTE: For repairs beyond the minor adjustments fisted above, contact your nearest authorized service dealer.
12

NOTES
13

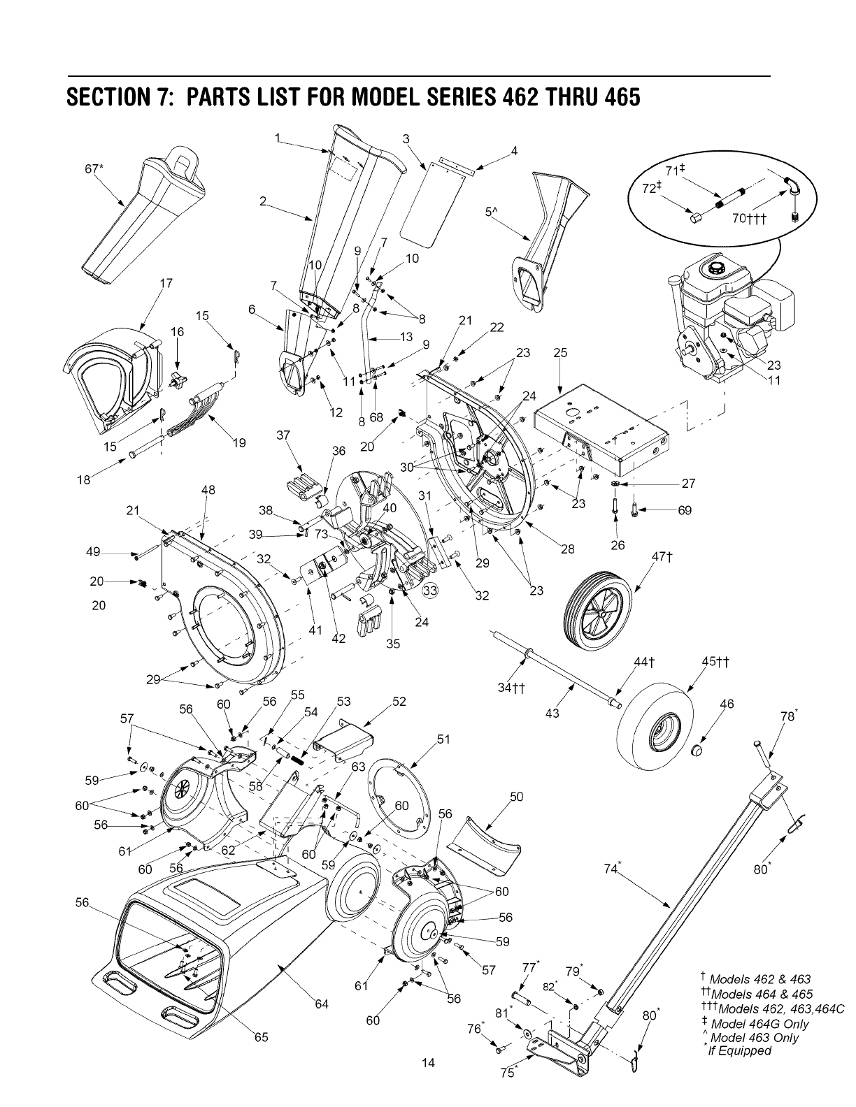
SECTION7: PARTSLISTFORMODELSERIES462 THRU465
17
15
16 _
1 19
21
48
32
37
\/6
8
20
35
24
21
5 A
22
23 25
23
26
-fl
47t
/
#
"23
11
57
60 53 43 78*
56
14
77* 79*
/82*
76
75
80
tModels 462 & 463
ttModels 464 & 465
tttModels 462, 463,464C
Model 464G Only
_.Model 463 Only
If Equipped

ModelSeries462 Thru465
Ref, Part No.
No.
1. 728-0175
2. 731-1899
3. 735-0249
4. 781-0633
5. 681-0095 A
6. 681-0068A
7. 710-0751
8. 712-3027
9. 710-0106
10. 736-0173
11. 736-0242
12. 712-3010
13. 749-1004
15. 714-0149B
16. 681-0048
17. 681-0094
18. 711-0835
19. 781-0457
20. 726-0211
21. 750-0793
22. 712-3027
23. 712-3004A
24. 736-0119
25. 681-0184A
681-0183A_
26. 710-0805
710-3180_
27. 736-0170
28. 681-0117
29. 710-3025
30. 710-0157
31. 781-0490
32. 710-1054
33. 681-0030
34. 736-0366_
35. 712-0411
36. 781-0735
37. 719-0329
38. 711-0833B
39. 715-0166
40. 736-0247
41. 742-0571
42. 710-1254
Part Description
Pop Rivet
Chipper Shredder Chute
Chute Flap
Chute Flap Strip
Chipper Chute
Chipper Chute Assembly
Hex Cap Screw 1/4 -20 x.620
Hex Lock Nut 1/4-20
Hex Cap Screw 1/4-20 x 1.25
Flat Washer.28 ID x.74 OD
Bell Washer.340 ID x.872 OD
Hex Nut 5/16-18
Support Brace
Cotter Pin
Wing Knob 5/16-18
Chute Deflector Assembly
Clevis Pin
Shredder Screen
U-Nut 5/16-18
Spacer
Hex Lock Nut 1/4-20
Hex Lock Nut 5/16-18
Lock Washer 5/16
Frame
Frame
Hex Cap Screw 5/16-18 x 1.50
Hex Cap Screw 5/16-18 x 1.75
Bell Washer 5/16 x 1.0
Inner Impeller Housing Assembly
Hex Cap Screw 5/16-18 x.625
Hex Cap Screw 5/16-24 x.75
Chipper Blade
Hex Cap Screw 5/16-24 x 1.0
Impeller Assembly
Flat Washer
Hex Lock Nut 5/16-24
Retainer Pin Clip
Flail Blade
Clevis Pin
Pin
Flat Washer 3/8 x 1.25
Shredder Blade
Hex Cap Screw 3/8-24 x 2.25
Ref. Part No.
No.
43. 738-0813_
738-0814_
44. 750-0786_
45. 734-1845tt
46. 726-0214
47. 734-1600_
48. 681-0004A
49. 710-0825
50. 781-0515
51. 781-0574
52. 681-0104
53. 732-0306
54. 736-0117
55. 714-0104
56. 736-0264
57. 710-0376
58. 748-0453
59. 736-0362
60. 712-0429
61. 731-1710
62. 681-0123
63. 711-1128
64. 731-1707
65. 710-3008
67. 731-1617"
68. 736-0451
69. 710-0502A
7O. 737-0195111
71. 737-02985
72. 737-01325
73. 736-0217
74. 681-0133"
75. 681-0134A*
76. 710-3001"
77. 711-0299"
78. 711-0835"
79. 712-0798"
80. 732-0194"
81. 736-0133"
82. 736-0169"
-- 723-0400
-- 664-04022
-- 664-04023_
tModels 462 & 463
#Models 464 & 465
tttModels 462, 463,464C
Model 464G Only
_.Model 463 Only
If Equipped
Part Description
Axle Assembly
Axle Assembly
Spacer
Wheel Complete 10.0 x 4.0 Gray
Push Cap
Wheel Complete 10.0 x 2.5 Plastic
Outer Impeller Housing Assembly
Hex Cap Screw 1/4-20 x 3.75
Front Support Bracket
Shredder Plate
Rear Hopper Bracket Assembly
Compression Spring 1.75
Flat Washer
Cotter Pin
Flat Washer.330 ID x.630 OD
Hex Cap Screw 5/16-18 x 1.0
Spacer,.375 ID x 2.50 LG
Flat Washer.320 ID x 1.25 OD
Hex Lock Nut 5/16-18
Hopper Collar
Front Hopper Bracket Assembly
Lock Rod
Hopper Assembly
Hex Cap Screw 5/16-18 x.75
Tamper Plug
Washer,.320 ID x.93 OD
Screw, 3/8-16 x 1.250
Elbow Fitting
Oil Drain Pipe
Oil Drain End Cap
Lock Washer, 3/8
Tongue Hitch Mount
Base Hitch Mount
Hex Cap Screw, 3/8-16 x.88
Clevis Pin,.625 x 2.4
Clevis Pin,.50 x 4.62
Hex Nut, 3/8
Spring Pin
Flat Washer,.411 x 1.25 x 1.0
Lock Washer, 3/8
Safety Glasses (Not Shown)
Chipper Bag Ass'y (Not Shown)
Chipper Bag Ass'y (Not Shown)
15

MANUFACTURER'S LIMITED WARRANTY FOR:
The limited warranty set forth below is given by MTD LLC with
respect to new merchandise purchased and used in the
United States, its possessions and territories.
"MTD"warrants this product against defects in material and
workmanship for a period of two (2) years commencing on the
date of original purchase and wilt, at its option, repair or
replace, free of charge, any part found to be defective in
materials or workmanship. This limited warranty shall only
apply if this product has been operated and maintained in
accordance with the Operator's Manual furnished with the
product, and has not been subject to misuse, abuse,
commercial use, neglect, accident, improper maintenance,
alteration, vandalism, theft, fire, water, or damage because of
other peril or natural disaster. Damage resulting from the
installation or use of any part, accessory or attachment not
approved by MTD for use with the product(s) covered by this
manual will void your warranty as to any resulting damage.
Normal wear parts are warranted to be free from defects in
material and workmanship for a period of thirty (30) days from
the date of purchase. Normal wear parts include, but are not
limited to items such as: batteries, belts, blades, blade
adapters, grass bags, rider deck wheels, seats, snow thrower
skid shoes, shave plates, auger spiral rubber and tires.
HOW TO OBTAIN SERVICE: Warranty service is available,
WITH PROOF OF PURCHASE, through your local authorized
service dealer. To locate the dealer in your area, check your
Yellow Pages, or contact MTD LLC at P.O. Box 361131,
Cleveland, Ohio 44136-0019, or call 1-800-800-7310 or 1-
330-220-4683 or tog on to our Web site at
www.mtdproducts.com.
This limited warranty does not provide coverage in the
following cases:
a,
b,
C.
d,
The engine or component parts thereof. These items
may carry a separate manufacturer's warranty. Refer
to applicable manufacturer's warranty for terms and
conditions.
Log splitter pumps, valves, and cylinders have a
separate one year warranty.
Routine maintenance items such as lubricants, filters,
blade sharpening, tune-ups, brake adjustments, clutch
adjustments, deck adjustments, and normal
deterioration of the exterior finish due to use or
exposure.
Service completed by someone other than an
authorized service dealer.
e,
f,
g.
MTD does not extend any warranty for products sold or
exported outside of the United States, its possessions
and territories, except those sold through MTD's
authorized channels of export distribution.
Replacement parts that are not genuine MTD parts.
Transportation charges and service calls.
No implied warranty, including any implied warranty of
merchantability of fitness for a particular purpose,
applies after the applicable period of express written
warranty above as to the parts as identified. No other
express warranty, whether written or oral, except as
mentioned above, given by any person or entity,
including a dealer or retailer, with respect to any product,
shall bind MTD. During the period of the warranty, the
exclusive remedy is repair or replacement of the product
as set forth above.
The provisions as set forth in this warranty provide the
sole and exclusive remedy arising from the sale. MTD
shall not be liable for incidental or consequential loss or
damage including, without limitation, expenses incurred
for substitute or replacement lawn care services or for
rental expenses to temporarily replace a warranted
product.
Some states do not allow the exclusion or limitation of
incidental or consequential damages, or limitations on how
long an implied warranty lasts, so the above exclusions or
limitations may not apply to you.
In no event shall recovery of any kind be greater than the
amount of the purchase price of the product sold. Alteration
of safety features of the product shall void this warranty.
You assume the risk and liability for toss, damage, or injury to
you and your property and/or to others and their property
arising out of the misuse or inability to use the product.
This limited warranty shall not extend to anyone other than the
original purchaser or to the person for whom it was purchased
as a gift.
HOW STATE LAW RELATES TO THIS WARRANTY: This
limited warranty gives you specific legal rights, and you may
also have other rights which vary from state to state.
IMPORTANT: Owner must present Original Proof of
Purchase to obtain warranty coverage.
MTD LLC, P.O.BOX361131CLEVELAND,OHIO44136-0019; Phone:1-800-800-7310,1-330-220-4683