MTD 588 User Manual EDGER Manuals And Guides L9910232
MTD Edger Manual L9910232 MTD Edger Owner's Manual, MTD Edger installation guides
User Manual: MTD 588 588 MTD EDGER - Manuals and Guides View the owners manual for your MTD EDGER #588. Home:Lawn & Garden Parts:MTD Parts:MTD EDGER Manual
Open the PDF directly: View PDF
.
Page Count: 12

M4c,,.es)ff
OPERATOR'S MANUAL
Models
587 and 588
IMPORTANT: READ SAFETY RULES AND INSTRUCTIONS CAREFULLY
Warning: This unit is equipped with an internal combustion engine and should not be used on or near any unimpr'oved forest-
covered, brash-covered or grass-covered land unless the engine's exhaust system is equipped with aspark arrester meeting
applicable local or state laws (if any). If a spark arrester is used. it should be maintained in effective working order by the operator.
In the State of CaJifomie the above is required by law (Section 4442 of the California Public Resources Code). Other states may have
similar laws. Federal laws apply on federal lands. A spark attester for the muffler is available through your nearest engine authorized
service dealer or contact the service department, P.O. Box 368022 Cleveland, Ohio 44136-9722.
MTD PRODUCTS INC. P.O. BOX 368022 CLEVELAND, OHIO 44136-9722
PRINTED IN U.S.A. FORM NO. 770-10147
(8/98)

SECTION 1: FINDING YOUR MODEL NUMBER
This Operator's Manual is an important part of your new edger. It will help you assemble, prepare and
maintain your edger. Please read and understand what it says.
Before you start to prepare your edger for its first use, please locate the model plate and copy the information
from it in this Operators Manual. The information on the model plate is very important if you need help from
your dealer or the MTD customer support department.
•Every edger has a model plate. You can locate it by standing in the operating position behind the unit
and looking down at the rear of the frame. An example of the model plate is shown below.
XXX-X-XXX-X-XXX XXXXXXXXXXX
MTD PRODUCTS INC
RO. BO_ 368022
CLEVELAND, OHIO 44136
I
This is where your model number will be.
This is where your serial number will be.
Copy the model number here:
Copy the serial number here:
SECTION 2: CALLING CUSTOMER SUPPORT
•LOCATE YOUR MODEL NUMBER AND SERIAL NUMBER -- Record this information in the space
provided. To find your unit's specific model number and serial number, see SECTION 1: FINDING
YOUR MODEL NUMBER.
• If you are having difficulty assembling this product or if you have any questions regarding the controls,
operation or maintenance of this unit, please call the Customer Support Department.
• Customer Support can be reached by dialing: 1- (330) 220-4MTD
(46831
or
1- (600)-800-731 O
• Please have your model number and serial number ready when you call.
•Although both numbers are important, you will be asked to enter only your serial number before your
call can be processed,
2

SECTION 3: IMPORTANT SAFE OPERATION PRACTICES
WARNING: THIS SYMBOL POINTS OUT IMPORTANT SAFETY INSTRUCTIONS WHICH, IF
NOT FOLLOWED, COULD ENDANGER THE PERSONAL SAFETY AND/OR PROPERTY OF
YOURSELF AND OTHERS. READ AND FOLLOW ALL INSTRUCTIONS IN THIS MANUAL
BEFORE ATTEMPTING TO OPERATE YOUR EDGER. FAILURE TO COMPLY WITH THESE
INSTRUCTIONS MAY RESULT IN PERSONAL INJURY. WHEN YOU SEE THIS SYMBOL HEED
ITS WARNING.
WARNING: The Engine Exhaust from this product contains chemicals known to
the State of California to cause cancer, birth defects or other reproductive harm.
DANGER: Your edger was built to be operated according to the rules for safe operation in this
manual. As with any type of power equipment, carelessness or error on the part of the operator can
result in serious injury. If you violate any of these rules, you may cause serious injury to yourself or
others.
1. TRAINING AND PREPARATION
•Read the operator's manual carefully, Be
thoroughly familiar with the controls and proper use
of the equipment. Know how to disengage the
blade control and stop the unit quickly.
•Never allow children to operate equipment. Never
allow adults to operate equipment without proper
instruction.
•Keep the area of operation clear (at least 50 feet)
of all persons, especially small children and pets.
•Use the edger only as manufacture intended and
as described in the operator's manual.
•Do not operate edger after it has been dropped or
damaged.
•Return product to nearest authorized service facility
for examination and repair. Do not operate product
with damaged or excessively worn cutting blade.
•Dress properly-always wear safety glasses or
goggles. Always wear safety footwear, and pants or
slacks that cover your legs to reduce the risk of
injury that may be caused by flying debris. Do not
wear loose clothing or jewelry that can be caught in
moving parts. Use of gloves and substantial
footwear is recommended when working outdoors.
Do not operate edger when barefoot or wearing
sandals or open-toed shoes. Wear boots,
preferably with steel-toe caps.
•Objects struck by the blade can cause severs
injuries to persons. The work area should always
be carefully examined and cleared of all stones,
sticks, wires, bones and other foreign objects, prior
to edging.
•Never attempt to make any adjustments, other than
depth of cut, while engine is running.
•The use of accessory attachments not
recommended by the manufacturer may cause
hazard and will void warranty.
•Never operate the edger without proper guards,
plates or other safety protective devices in place.
•Turn engine off and disconnect spark plug wire:
•When not in use.
•Before servicing, cleaning and the like.
•Before changing accessories.
•Handle fuel with care; it is highly flammable
•Extinguish all smoking materials and other possible
sources of ignition.
• Use a fuet container acceptable for the purpose.
•Never add fuel to a running or hot engine.
•Fill fuel tank outdoors with extreme care. Never fill
fuel tank indoors.
•Replace gasoline cap securely.
• If fuel is spilled, move product and fuel container
from area and do not create a source of ignition.
Wipe up spilled fuel.
2. OPERATION
•Make sure all nuts, bolts, and screws are kept
tightly in place, especially the blade and all guards.
•Start the engine carefully. Make certain the blade is
disengaged before attempting to start. Keep hands,
feet, clothing, and the like well away from cutting
blade and moving parts.
DANGER: ROTATING CUTTING BLADE
•Keep both hands on handles when blade is
rotating.
•Keep feet away from cutting area.
•Make sure engine is off and spark plug wire is
disconnected when clearing jammed rnatsrial from
blade.

•Make sure engine is off and spark plug wire is
disconnected when clearing jammed material from
blade.
• Do not attempt to remove cut material nor hold
material to be CUt when engine is running or when
cutting blade is moving,
CAUTION: CUTTING BLADE COASTS AFTER
ENGINE IS TURNED OFF.
•Stay aJert. Watch what you are doing. Use common
sense.
•After striking a foreign object, shut off the engine,
make absolutely sure the blade and aU moving
parts have completely stopped, disconnect the
spark plug wire to prevent accidentaJ starting, then
thoroughly inspect the unit for any damage. Such
damage must be repaired before restarting and
operating the edger. Remember, heavy vibration is
generally a sign of trouble.
•Stop the engine, wait for blade and all moving parts
to stop before cleaning, adjusting, repairing or
inspecting the product.
•Do not operate edger when fatigued or under the
influence of alcohol, drugs or heavy medication.
•Never operate the product without good visibility or
light.
•Keep good footing and balance at all times. Do not
overreach or stand on unstable suppod.
•Do not force or abuse product. It will do the job
better and safer at the rate for which it was
designed.
•Do not operate engine above speed necessary to
do the job.
• Do not run the engine indoors; exhaust fumes are
dangerous.
•Never direct discharge of material towards
bystanders nor aUow anyone near the area of
operation. Use care in directing discharge to avoid
glass enclosures, automobiles, and the like,
•Stay alert for uneven sidewalks, holes in terrain or
other similar conditions when using product.
Always push slowly over rough ground. Do not use
the product on graveled surfaces.
• Do not operate edger in rain or wet locations.
•Always operate edger from behind the upper
handle and position yourself where line of sight to
cutting blade is blocked by guards.
•Always disconnect spark plug wire to prevent
accidental starting.
•Always stop engine when edging or trimming is
delayed or when walking from one location to
another.
• Muffler and engine become hot dudng operation
and can cause a burn. Allow to cool down before
touching.
•Take all possible precautions when leaving the
product unattended. Disengage the blade, stop the
engine and disconnect spark plug wire.
3. MAINTENANCE AND STORAGE
STORE PRODUCT INDOORS
•When not in use, store product indoors in a dry
place, locked or otherwise inaccessible to children.
* Maintain product with care.
•Follow maintenance instructions given in this
manual for your product.
•To reduce the risk of injury and engine failure, do
not allow excessive grass, leaves or other debris to
accumulate on or in the edger. Wipe engine
housing clean after each use.
•Keep air filter clean.
•Follow instructions for changing accessories.
•Replace any missing or damaged labels
immediately.
•Do not operate unit if blade is excessively worn or
damaged.
•Replace with blade which meets original equipment
specifications.
•Do not attempt to repair edger. Have mechanical
repairs made by qualified dealer or repairman. See
that only identical replacement parts are used.
,_ WARNING - YOUR RESPONSIBILITY: Restrict the use of this power machine to persons who
read, understand and follow the warnings and instructions in this manual and on the machine.
Safety Labels found on your edger
4

SECTION 4: SET-UP INSTRUCTIONS
IMPORTANT: This unit is shipped WITHOUT
GASOLINE or OIL. After setting up the unit,
service engine with gasoline and oil as
instructed in the separate engine manual packed
with your unit.
NOTE: Reference to right or left hand side of the
edger is observed from the operating position.
TO REMOVE UNIT FROM CARTON
1. Remove staples, break glue on top flaps, or cut
tape at carton end and peel along top flap to
open carton.
2. Remove all loose parts from carton.
3. Cut along dotted lines and lay carton down flat.
4. Remove any loose cardboard and other packing
material from carton and roll unit out.
CONTENTS OF CARTON
•Edgerwithupperhandlefoldeddownward
•Edger Operator's Manual and registration card;
engineOwner'sManual
•ClutchRod
•Hardwarepackcontaining: two flat washers
two hairpinclips
one ferrule
EDGER SET-UP
1. Unfold the edger upper handle and tighten the
two hand knobs. See Figure 1.
2. Thread the ferrule onto the threaded end of
clutch rod then insert the ferrule into the hole on
the blade clutch/depth control lever. Affix with
flat washer and hairpin clip provided in hardware
pack. See Figure 1, Inset A.
3. Insert opposite end of clutch rod into the hole in
the pivot arm extension. Affix with flat washer
and hairpin clip provided. See Figure 1, Inset B.
IMPORTANT: Perform clutch rod adjustment
before operating the edger.
CLUTCH ROD ADJUSTMENT
Before operating the edger, check the adjustment of
the clutch rod as follows.
1. Disconnect the spark plug wire and move it
away from the spark plug.
2. With the blade clutch/depth control lever in the
disengaged position (the top notch in the depth
adjustment bracket), carefully pull the recoil
starter rope. The blade on the edger should not
turn. If the blade turns, remove the ferrule from
the blade clutch/depth control lever by first
removing the hairpin clip and flat washer.
3. Rotate the ferrule clockwise one or two turns on
the clutch rod, then re-insert the ferrule into the
lever and recheck the adjustment.
4. After adjusting, check to be certain the blade
clutch/depth control lever can be moved to the
furthest notch forward without bowing the clutch
rod. If it can't, recheck the adjustment.
IMPORTANT: Be certain that the clutch rod Is
secured at both ends with a flat washer and
hairpin clip before operating the edger.
_lb WARNING: When operating the edger,
stop engine immediately and readjust
the clutch rod If blade turns with blade
clutch/depth control lever in the
disengaged position.
Bracket
Blade Clutch/
Depth Control
Lever
Rat Washer Blade Clutch/
Lever
Ferrule
A
Hand Knobs
Recoil
Extension
Figure 1
5

SECTION 5" CONTROLS
THROTrLE CONTROL
The throttle control lever is located on the engine. It
allows the engine to run and also stops the engine.
Refer to Figure 5.
BLADE CLUTCWDEPTH CONTROL
WARNING: The blade clutch/depth
control is designed to minimize the risk
of blade contact injury. Do not under
any circumstances attempt to defeat the
function of the blade clutch/depth
control, or use the edger if the control is
not adjusted properly.
Keep hands and feet away from edger
blade whenever the engine is running,
whether blade is engaged or
disengaged.
The blade clutch/depth control has two main
functions:
1, To engage and disengage the blade.
2. To control the depth of cut.
To disengage the blade, move the control lever to
the left and pull it back to the top notch in the depth
adjustment bracket. See Figure 2. This position
takes tension off the drive belt and disallows the
blade from turning. To engage the blade, move the
control lever forward into any of the other notches to
engage the drive belt and start the blade turning.
The further forward the control lever is moved, the
deeper or lower the blade will cut into the ground.
Blade Clutch/
Depth Control
Disengaged
Position
Depth
Adj=
Bracket
E_ngaged
Figure 2
BLADE PLANE ADJUSTMENT
The cutting blade can be adjusted to eight positions
from vertical to horizontal. To adjust, make certain
the blade is disengaged, release the adjustment
lever on the pivot bracket and rotate the spindle
housing. Place adjustment lever in notch desired.
See Figure 3.
When the blade is adjusted toward the horizontal
position, the front wheels must also be adjusted,
Remove the hairpin clip on the left side and slide the
wheel to the right as shown in Figure 4. Reinsert the
hairpin clip.
IMPORTANT: If the wheels are not adjusted, the
blade will hit the left front wheel, causing the belt to
slip and possibly damaging the wheel.
Spindle Housing Pivot Bracket
Adjustment
Lever
Figure 3
Hairpin Clips
\
Blade
Figure 4
Become familiar with all the controls and
adjustments before operating the edger so you can
adjust it easily to a variety of cutting and trimming
conditions. DO NOT ATTEMPT TO MAKE ANY
ADJUSTMENTS while the engine is running.

SECTION 6: OPERATION
The operation of any edger can
result in foreign objects being
thrown into the eyes, which can
result in severe eye damage,
Always wear safety glasses or eye
shields. We recommend wide
vision safety mask for over spectacles or
standard safety glasses.
_lb ARNING: Do not engage and lower
blade if blade is over concrete, asphalt,
rocks, etc. The blade can strike the
supporting surface, which could result
in personal injury or property damage.
STARTING THE ENGINE
1. Service the engine with gasoline and oll as
instructed in the separate engine manual packed
with your edger. Read instructions carefully.
WARNING: Never fill fuel tank
indoors, with engine running or until the
engine has been allowed to cool for at
least two minutes after running.
NOTE: The engine may have a short wire dangling
near the front of the unit. It is a kill wire and is NOT
used in application withyour edger. Disregard it.
2. Move the blade clutch/depth control handle back
as far as it will go, and place it in the last notch.
See Figure 2.
3. Set the throttle in the ON position.
4. Move choke control into the CHOKE position.
Refer to Figure 5.
NOTE: A warm engine may not require choking.
5. Grasp starter handle and pull rope out slowly
until engine reaches start of compression cycle
(rope will pull slightly harder at this point). Let
the rope rewind slowly.
6, Pull rope with a rapid, continuous, full arm
stroke. Keep afirm grip on starter handle.
Return it slowly to the rope guide.
7. After the engine starts, move the choke lever
gradually to the RUN position.
Figure 5
STOPPING THE ENGINE
To stop the engine, move throttle control to the OFF
position. Disconnect and ground the spark plug wire
to prevent accidental starting while equipment is
unattended.
OPERATING THE EDGER
WARNING: Rotating cutting blade
may throw objects causing personal
Injury. Keep area clear of bystanders
and do not operate without guards in
place.
1. To edge along driveway or sidewalk (vertically),
set the adjustment lever (refer to Figure 3) in the
second notch. See Figure 6.
2,
Figure 6
To use your edger for trenching, set the
adjustment lever (refer to Figure 3) in the first
notch at the top. See Figure 7.
I=t
6
t
Figure 7
3. To operate the unit as a trimmer, move the
adjustment lever and rotate the cutting blade 90
degrees. See Figure 8. Move the front wheels all
the way to the right, as described in the
SECTION 5: CONTROLS on page 6.
_b WARNING: Do not adjust the blade
guard with the engine running.
7

Engine--Referto engine manual for lubrication
instructions.
Figure 8
4, To edge along a curb, remove the hairpin clip
from the right side of the front axle, slide the
right wheel toward the left side of the unit and
replace the hairpin clip. See Figure 9. Lower the
right rear wheel (on units equipped with
adjustable curb wheel) by moving the height
adjustment lever toward the engine, pivoting the
wheel to the desired depth and releasing the
lever. See Figure 10.
Curb Wheel (If so equipped)
Figure 9
NOTE; Adjustable curb whee/ is NOT standard on
all units.
Height Adjustment Lever (If so equipped)
Curb Wheel
(If so equipped)
Figure 10
SECTION 7: LUBRICATION
Wheels--The wheels are plastic and require no
lubrication.
Cutting Heed Bearings--The two ball bearings in
the cutting head are lubricated and sealed at the
factory and require no lubrication. Lubricate all other
moving parts with engine oil.
Shaft--It is important to lubricate the two bearings
and the area under the compression spring on the
shaft with light oil frequently during the season. Do
NOT allow rust to form in this area. See Figure 11.
SECTION 8: MAINTENANCE
WARNING: Disconnect the spark plug
wire and ground against the engine
before performing any adjustment,
repairs or maintenance.
ENGINE
Refer to engine manual for complete instructions for
care and maintenance of engine.
BLADE REMOVAL
Use a wrench on both sides of the blade to remove it
for replacement.
BELT REMOVAL
1. To remove the V-belt, remove the belt guard
assembly at the engine pulley. Remove the hex
nuts and lock washers. See Figure 11.
Belt Guard Hex Nuts
_l and
Lock Washers
2.
3.
Bearings
Figure 11
Remove the belt guard at the spindle assembly
by removing two hex bolts, lock washers and
hex nuts. See Figure 12.
Remove the old belt, and reassemble with anew
belt, part number 754-0142.
Hex Bolts,
Hex Nuts &
Lock Washers
fI/
8
/
Belt Guard
Figure 12

SECTION 9: OFF-SEASON STORAGE
The following steps should be taken to prepare unit 4. Store unit in a dry, clean area. Do not store next
for storage, to corrosive materials, such as fertilizer.
1. Clean and lubricate unit thoroughly.
2, Refer to engine manual for correct engine
storage instructions.
3. Coat cutting blade with chassis grease to
prevent rusting.
NOTE: When storing any type of power equipment
in a poorly ventilated or metal storage shed, care
should be taken to rustproof the equipment. Using a
light oil or silicone, coat the equipment, especially
springs and bearings.
SECTION 10: TROUBLE SHOOTING GUIDE
Trouble
Enginefails to start
Engine runs erratic
Engine overheats
Excessive vibration at
blade
Belt slips
The edger head will not
go down to the last
_osition
Blade guard pivots
forward, throwing dirt
on operator
Possible Cause(s)
Dirty air cleaner.
Choke not in CHOKE position.
Fuel tank empty, or stale fuel.
Throttle control lever not in ON
)osition.
Spark plug wire disconnected.
Faulty spark plug.
Engine flooded.
Unit running on CHOKE.
Spark plug wire loose.
Stale fuel.
Vent in gas cap plugged.
Water or dirt in fuel system.
Dirty air cleaner.
Carburetor out of adjustment.
Engine oil level low.
Air flow restricted.
Dirty air cleaner.
Carburetor not adjusted
properly.
Spindle bent.
Ball bearings worn out.
Bell worn or stretched.
Blade clutch control will not
remain in adjustment bracket.
Lack of lubrication.
Rod not adjusted properly.
Pivot bolt not properly
tightened.
Cam lever and carriage bolt on
guard are loose.
Corrective Action
Refer to the engine manual packed with your unit.
Move switch to CHOKE position.
Fill tank with clean, fresh gasoline. Fuel will not last over
thirty days unless a fuel stabilizer is used.
Move throttle lever to ON position.
Connect wire to spark plug.
Clean, adjust gap or replace.
Refer to the engine manual packed with your unit.
Move choke to OFF position.
Connect and tighten spark plug wire.
Fill tank with clean, fresh gasoline. Fuel will not last over
thirty days unless a fuel stabilizer is used.
Clear vent.
Drain fuel tank. Refill with fresh fuel.
Refer to the engine manual packed with your unit.
Refer to the engine manual packed with your unit.
Fill crankcase with proper oil.
Stop engine and disconnect spark plug wire. Refer to the
engine manual packed with your unit.
Refer to the engine manual packed with your unit.
Refer to the engine manual packed with your unit.
Replace spindle.
Replace ball bearings.
Adjust clutch rod or replace belt.
Readjust spring tension at blade-clutch control.
Lubricate compression spring on spindle plate assembly
with oil.
Disconnect rod from bracket, push head all the way down
until step bracket is against frame (handle should be in
lowest position) and adjust rod accordingly.
Check pivot bolt for tightness.
Readjust guard, tighten cam lever and carriage bolt,
Note: For repairs beyond the minor adjustments above, contact your local authorized service dealer.
9

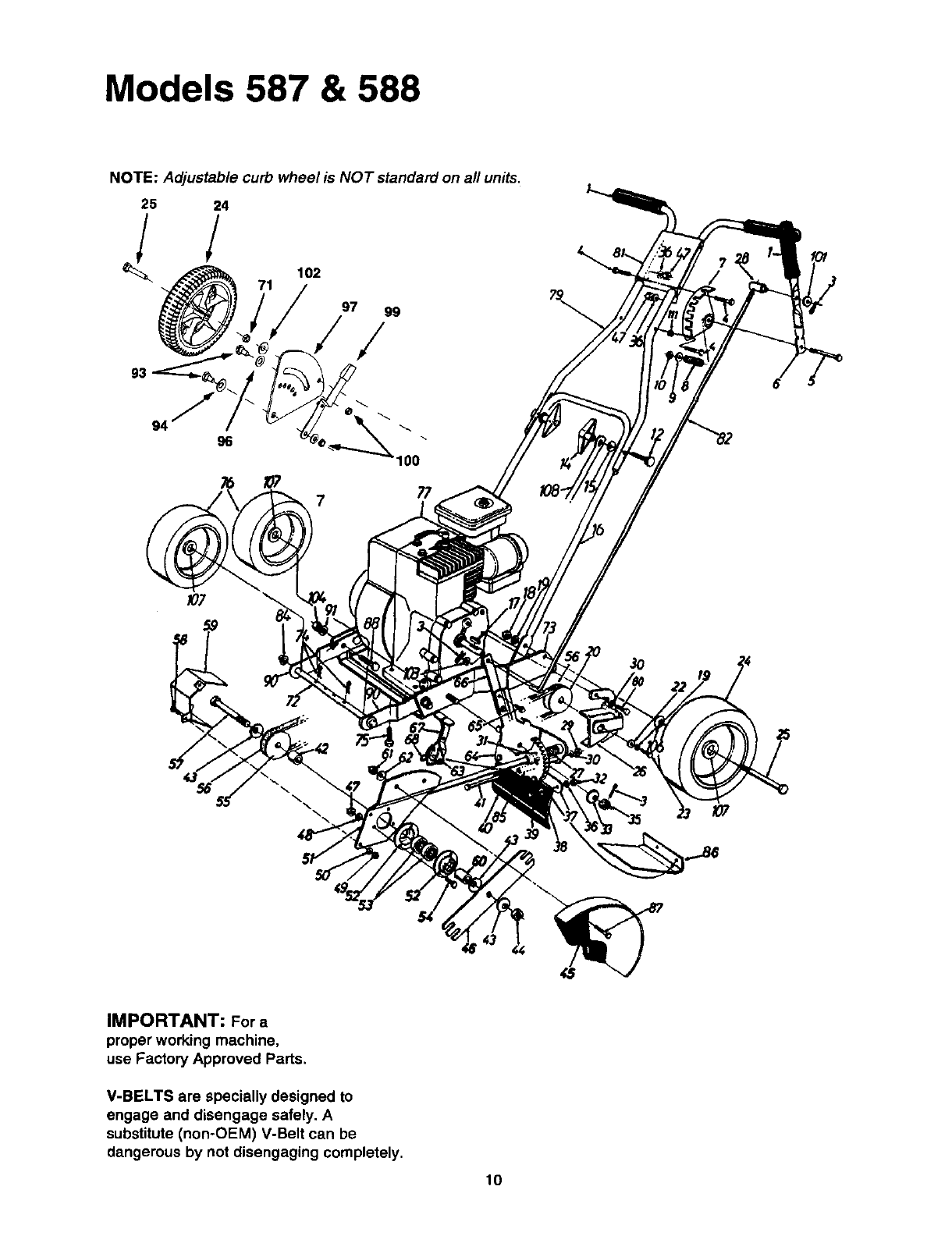
Models 587 & 588
NOTE: Adjustable curb wheel is NOT standard on aft units.
25 24
71
97 99
/
94
7
100
77
IMPORTANT: For a
proper working machine,
use Factory Approved Parts.
V-BELTS are specially designed to
engage and disengage safely. A
substitute (non-OEM) V-Belt can be
dangerous by not disengaging completely.
10

Models 587 & 588
Ref.
No. PART NO
I 720-0283
2712-0107
3714-0104
4710-0106
5 710-0116
6 749-0666
7 781-0081
8 732-0369
9 736-0264
10 712-0158
12 710-1174
14 720-0241
15 736-0451
16 749-0937
17 714-0122
18 712-0798
19 736-0169
20 756-0327B
22 736-0258
23 710-0152
24 734-1781
25 738-0108
26 687-0100
27 732-0187
28 711-0392
29 712-0267
30 736-0119
31 715-0143
32 712-0287
33 736-0112
35 712-0114
36 736-0329
37 781-0087
38 736-0342
39 710-0258
40 731-0725
41 710-0402
42 750-0229
43 736-0317
44 712-0413
45 781-0076
46 781-0080
47 712-0287
48 736-0329
49 712-0287
50 736-0329
51 781-0078
52 05034A
53 741-0155
54 710-0268
DESCRIPTION
Grip
Hex L-Nut 1/4-20 Thd.
Cotter Pin 5/16" Dia.
Hex Bolt 1/4-20 x 1.25" Lg.
Hex Bolt 6/16-18 x 2" Lg.
Engagement Handle
Adjustment Bracket
Compression Spring 1.38" Lg.
Flat Wash..344" I.D.
Hex L-Nut 5/16-18 Thd,
Curv. Hd. Bolt 5/16-18 x 2" Lg,
Wing Nut Ass'y.
Saddle Wash..32" I.D. x .937"
Lower Handle
Sq. Key 3/16" x .75 •Lg.
Hex Nut 3/8-16 Thd.
L-Wash. 3/8" I.D.
Engine Pulley
Flat Wash..385" I.D.
Hex Bolt 3/8-24 x 1•Lg.
Wheel, Slot Bar Gray
Shoulder Bolt .498" Dia.
Belt Guard Ass'y.
Compression Spring
Ferrule
Hex Nut 5/16-18 Thd.
L-Wash. 5/16" I.D.
Spring Pin Spir. 1/4" Dia.
Hex Nut 1/4-20 Thd.
Bell Wash..535 •I.D.
Hex Slotted Nut 1/2-20 Thd.
L-Wash. 1/4 •I.D.
Flap Bracket
Flat Wash..25" I.D.
Hex Bolt 1/4-20 x .62 •Lg.
Flap
Hex Bolt 5/16-18 x 4.5" Lg.
Spacer 1.030" Lg.
Bell Washer .63" I.D.
Hex Jam L-Nut 5/8-18 Thd.
Ref.
No. PART NO
55 756-0449
56 754-0142
57 710-0929
58 710-0258
59 781-0086
60 750-0118
61 712-0267
62 736-0242
63 715-0121
64 781-0090
65 710-0600
66 781-0075
67 781-0093
68 732-0188A
69 712-0267
70 736-0119
71 750-0535
72 738-0898
73 681-0044
74 714-0101
75 710-0654A
76 734-1797
77
79 749-0938
80 710-0237
81 781-0091A
82 747-1164
84 726-0221
85 711-0386
86 781-0095
87 710-0118
88 710-0793
90 781-0580
91 736-0105
92 736-0280
93 738-0258
94 736-0255
96 736-0272
97 781-0100
99 732-0552
DESCRIPTION
3/8" "V"-Pulley
"V"-Belt
Hex Bolt 5/8-18 x 4.5" Lg.
Hex Bolt 1/4-20 x .625" Lg,
Belt Guard
Sleeve .90 •Lg.
Hex Nut 5/16-18 Thd.
Bell Wash. ,345" I,D.
Spring Pin Spir, 1/4" Dia,
Pivot Bracket Ass'y.
Hex Self-Tap Scr. 5/16-24 x .5"
Arm Extension
Adjustment Lever Ass'y.
Torsion Spring
Hex Nut 5/16-18 Thd.
L-Wash. 5/16" I.D.
Spacer
Axle 8.20" Lg.(Front)
Base Ass'y
Hairpin Cotter 1/2•Dia.
Hex TT-Tap Scr. 3/8-16 x 1" Lg.
Wheel, Slot Bar Gray
Engine
Upper Handle
Hex Bolt 5/16-24 x .62" Lg.
Handle Support Plate
Clutch Rod
Push Cap 1/2" Dia.
Spacer 3,765" Lg.
Debris Deflector
Hex Bolt 5/16-18 x ,75 •Lg.
Ribbed Neck Bolt 3/8-24 x .8" Lg.
Axle Arm
Bell Washer .40 •I.D.
Flat Wash..39" I.D.
Shld. Bolt .5" Dia.
Bell Wash .515" I.D.
Flat Wash .51•I.D. x 1.O"O.D.
Curb Height Adjuster
Spring Adj. Lever
Guard Ass'y
Edger Blade
Hex Nut 1/4-20 Thd.
L-Wash. 1/4 •I.D.
Hex Nut 1/4-20 Thd.
L-Wash. 1/4" I.D.
Spindle Plate Ass'y.
Bearing Housing
Ball Bearing .62" I.D.
Hex Bolt 1/4-20 x .62" Lg.
100 712-0266
101 736-0264
102 736-0504
103 736-3050
104 712-0241
105 736-0452
106 736-0105
108 749-0941
111 736-0463
Hex Jam Nut 3/8-16 Thd.
Flat Wash .344" I.D. x .62" O.D.
Wave Wash..51" I.D.
Flat Washer .406" I.D. x .81 • O.D.
Hex Nut 3/8-24 Thd.
Bell Washer .396" I.D. x 1.14" O.D.
Bell Washer .38" I.D. x .88" O.D.
Strut 15.91"
Flat Washer .25" I.D. x .62" O.D.
NOTE: Adjustable Curb wheel is NOT standard on all units.
11

MANUFACTURER'S LIMITED WARRANTY FOR:
)[[
For TWO YEARS from the date of retail purchase
within the United States of America, its possessions
and territories, MTD PRODUCTS INC will, at its
option, repair or replace, for the original purchaser,
free of charge, any part or parts found to be
defective, in material or workmanship. This warranty
covers units' which have been operated and
maintained in accordance with the operating
instructions furnished with the unit, and which have
not been subject to misuse, abuse, commercial use,
neglect, accident, improper maintenance or
alteration,
Normal wear parts or components thereof are
subject to separate terms as noted below in the "No
Fault Ninety Day Consumer Warranty" clause.
products sold or exported outside of the United
States of America, its possessions and territories,
except those sold through MTD PRODUCTS INC's
authorized channels of export distribution.
Other Warranties:
2.
3.
All normal wear part failures will be covered on this 4.
product for a period of 90 days regardless of cause.
After 90 days, but within the two year period, normal
wear parts failures will be covered ONLY IF caused
by defects in material or workmanship of OTHER 5.
component parts. Normal wear parts are defined as
batteries*, belts, blades, blade adapters, grass bags,
rider deck wheels, seats, snow thrower skid shoes,
shave plates and tires.
How to obtain service: Warranty service is
available, with proof of purchase, through your local
authorized service dealer. To locate the dealer in
your area, please check the yellow pages or contact
the Customer Service Department of MTD
PRODUCTS INC, P. O. Box 368022, Cleveland,
Ohio 44136-9722. Phone 1 (800) 800-7310. The
ratum of a complete unit will not be accepted by the
factory unless prior written permission has been
extended by the Customer Service Department of
MTD PRODUCTS INC.
Transportation charges: Transportation charges
for the movement of any power equipment unit or
attachment are the responsibility of the purchaser.
Units exported out of the United States: MTD
PRODUCTS INC does not extend any warranty for
The engine or component parts thereof carry
separate warranties from their manufacturers.
Please refer to the applicable manufacturer's
warranty on these items.
*Batteries are covered by a 90-day replacement
warranty.
Log splitter pumps, valves and cylinders or
component parts thereof are covered by a one
year warranty.
All other warranties, express or implied,
including any implied warranty of merchantability
or fitness for a particular purpose, are hereby
expressly disclaimed in their entirety.
The provisions as set forth in this warranty
provide the sole and exclusive remedy of MTD
PRODUCTS INC's obligations adsing from the
sales of its products. MTD PRODUCTS INC will
not be liable for incidental or consequential loss
or damage.
How state law relates to this warranty: This
limited warranty gives you specific legal rights, and
you may also have other rights which vary from state
to state. Certain disclaimers are not allowed in some
states and therefore they may not apply to you
under all circumstances.
NOTE: This warranty does not cover routine
maintenance items such as lubricants, filters, blade
sharpening and tune-ups, or adjustments such as
brake adjustments, clutch adjustments or deck
adjustments. Nor does this warranty cover normal
deterioration of the exterior finish due to use or
exposure.