MTD 769 04095 User Manual To The Eede4f30 B256 7ce4 9dc4 09b3999ccb6b
User Manual: MTD 769-04095 to the manual
Open the PDF directly: View PDF
.
Page Count: 56

Safety • Set-Up • Operation • Adjustments • Maintenance • Troubleshooting • Parts Lists • Warranty
PRINTED IN U.S.A.
OPERATOR’S MANUAL
IMPORTANT:
READ SAFETY RULES AND INSTRUCTIONS
CAREFULLY BEFORE OPERATING EQUIPMENT.
Two-Stage Snow Thrower
MTD Products Ltd., P. O. Box 1386, KITCHENER, ONTARIO N2G 4J1
769-04095
06/10/08

2
Finding and Recording Model Number
Please do
NOT
return the unit to the retailer from which it was purchased,
without rst contacting Customer Support.
Table of Contents
BEFORE YOU START ASSEMBLING
YOUR NEW EQUIPMENT,
please locate the model plate on the equipment and copy the
the model number and the serial number to the sample model
plate provided to the right. You can locate the model plate by
standing at the operating position and looking down at the
frame.
This Operator’s Manual is an important part of your new snow thrower. It will help you assemble,
prepare and maintain the unit for best performance. Please read and understand what it says.
Customer Support
Safety Symbols ................................................... 3
Safe Operation Practices ................................... 4
Setting Up Your Snow Thrower .......................... 6
Operating Your Snow Thrower ......................... 10
MakingAdjustments ......................................... 14
Maintaining Your Snow Thrower ...................... 16
Off-Season Storage .......................................... 20
Trouble Shooting .............................................. 21
Warranty ............................................................ 22
Illustrated Parts Lists ....................................... 24
If you have difficulty assembling this product or have any questions regarding the controls, operation or maintenance of this unit,
you can seek help from the experts. Choose from the options below:
1. Visit www.yardman.ca for many useful suggestions, click on Customer Support button.
2. Call a Customer Support Representative at 1-800-668-1238
3. The engine manufacturer is responsible for all engine-related issues with regards to performance, power-rating, specifica-
tions, warranty and service. Please refer to the engine manufacturer’s Owner’s/Operator’s Manual, packed separately with
your unit, for more information.
Please have your unit’s model number and serial number ready when you call. See previous section to locate this information.
You will be asked to enter the serial number in order to process your call.

3
Symbol Description
READ THE OPERATOR’S MANUAL(S)
Read, understand, and follow all instructions in the manual(s) before
attempting to assemble and operate.
WARNING— ROTATING BLADES
Keep hands out of inlet and discharge openings while machine is running.
There are rotating blades inside.
WARNING— ROTATING BLADES
Keep hands out of inlet and discharge openings while machine is running.
There are rotating blades inside.
WARNING— ROTATING AUGER
Do not put hands or feet near rotating parts, in the auger/impeller housing
or chute assembly. Contact with the rotating parts can amputate hands and
feet.
WARNING—THROWN OBJECTS
This machine may pick up and throw and objects which can cause serious
personal injury.
WARNING—GASOLINE IS FLAMMABLE
Allow the engine to cool at least two minutes before refueling.
WARNING— CARBON MONOXIDE
Never run an engine indoors or in a poorly ventilated area. Engine exhaust
contains carbon monoxide, an odorless and deadly gas.
WARNING— ELECTRICAL SHOCK
Do not use the engine’s electric starter in the rain.
1
Safety
Symbols
This page depicts and describes safety symbols that may appear on this product. Read, understand, and follow all
instructions on the machine before attempting to assemble and operate.
WARNING
This symbol points
out important safety
instructions which,
if not followed, could
endanger the per-
sonal safety and/or
property of yourself
and others. Read and
follow all instructions
in this manual before
attempting to operate
this machine. Failure
to comply with these
instructions may
result in personal
injury. When you see
this symbol, HEED
ITS WARNING!
Your Responsibility
Restrict the use
of this power machine
to persons who read,
understand
and follow the warnings
and instructions
in this manual
and on the machine.

4
2
Safe
Operation
Practices Training
1. Read, understand, and follow all instructions on the
machine and in the manual(s) before attempting to
assemble and operate. Keep this manual in a safe place for
future and regular reference and for ordering replacement
parts.
2. Be familiar with all controls and their proper operation.
Know how to stop the machine and disengage them quickly.
3. Never allow children under 14 years old to operate this
machine. Children 14 years old and over should read and
understand the instructions and safe operation practices
in this manual and on the machine and be trained and
supervised by an adult.
4. Never allow adults to operate this machine without proper
instruction.
5. Thrown objects can cause serious personal injury. Plan
your snow-throwing pattern to avoid discharge of material
toward roads, bystanders and the like.
6. Keep bystanders, helpers, pets and children at least 75 feet
from the machine while it is in operation. Stop machine if
anyone enters the area.
7. Exercise caution to avoid slipping or falling, especially
when operating in reverse.
Preparation
Thoroughly inspect the area where the equipment is to be
used. Remove all doormats, newspapers, sleds, boards, wires
and other foreign objects, which could be tripped over or
thrown by the auger/impeller.
1. Always wear safety glasses or eye shields during
operation and while performing an adjustment or repair
to protect your eyes. Thrown objects which ricochet can
cause serious injury to the eyes.
2. Do not operate without wearing adequate winter outer gar-
ments. Do not wear jewelry, long scarves or other loose
clothing, which could become entangled in moving parts.
Wear footwear which will improve footing on slippery
surfaces.
3. Use a grounded three-wire extension cord and receptacle
for all units with electric start engines.
4. Adjust collector housing height to clear gravel or crushed
rock surfaces.
5. Disengage all control levers before starting the engine.
6. Never attempt to make any adjustments while engine is
running, except where specifically recommended in the
operator’s manual.
7. Let engine and machine adjust to outdoor temperature
before starting to clear snow.
Safe Handling of Gasoline
To avoid personal injury or property damage use extreme care
in handling gasoline. Gasoline is extremely flammable and the
vapors are explosive. Serious personal injury can occur when
gasoline is spilled on yourself or your clothes, which can ignite.
Wash your skin and change clothes immediately.
a. Use only an approved gasoline container.
b. Extinguish all cigarettes, cigars, pipes and other sources
of ignition.
c. Never fuel machine indoors.
d. Never remove gas cap or add fuel while the engine is hot
or running.
e. Allow engine to cool at least two minutes before refuel-
ing.
f. Never over fill fuel tank. Fill tank to no more than ½ inch
below bottom of filler neck to provide space for fuel
expansion.
g. Replace gasoline cap and tighten securely.
h. If gasoline is spilled, wipe it off the engine and equip-
ment. Move machine to another area. Wait 5 minutes
before starting the engine.
i. Never store the machine or fuel container inside where
there is an open flame, spark or pilot light (e.g. furnace,
water heater, space heater, clothes dryer etc.).
j. Allow machine to cool at least 5 minutes before storing
k. Never fill containers inside a vehicle or on a truck or
trailer bed with a plastic liner. Always place containers on
the ground away from your vehicle before filling.
l. If possible, remove gas-powered equipment from the
truck or trailer and refuel it on the ground. If this is not
possible, then refuel such equipment on a trailer with a
portable container, rather than from a gasoline dispenser
nozzle.
m. Keep the nozzle in contact with the rim of the fuel tank or
container opening at all times until fueling is complete.
Do not use a nozzle lock-open device.
WARNING: Engine Exhaust, some of its constituents, and certain vehicle compo-
nents contain or emit chemicals known to State of California to cause cancer and
birth defects or other reproductive harm.
WARNING
This symbol points
out important safety
instructions which,
if not followed, could
endanger the per-
sonal safety and/or
property of yourself
and others. Read and
follow all instructions
in this manual before
attempting to operate
this machine. Failure
to comply with these
instructions may
result in personal
injury. When you see
this symbol, HEED
ITS WARNING!
Your Responsibility
Restrict the use
of this power machine
to persons who read,
understand
and follow the warnings
and instructions
in this manual
and on the machine.
DANGER: This machine was built to be operated according to the safe operation practices in this
manual. As with any type of power equipment, carelessness or error on the part of the operator can
result in serious injury. This machine is capable of amputating hands and feet and throwing objects.
Failure to observe the following safety instructions could result in serious injury or death.

5
Operation
1. Do not put hands or feet near rotating parts, in the auger/
impeller housing or chute assembly. Contact with the
rotating parts can amputate hands and feet.
2. The auger/impeller control lever is a safety device. Never
bypass its operation. Doing so makes the machine unsafe
and may cause personal injury.
3. The control levers must operate easily in both directions
and automatically return to the disengaged position when
released.
4. Never operate with a missing or damaged chute assembly.
Keep all safety devices in place and working.
5. Never run an engine indoors or in a poorly ventilated area.
Engine exhaust contains carbon monoxide, an odorless and
deadly gas.
6. Do not operate machine while under the influence of alcohol
or drugs.
7. Muffler and engine become hot and can cause a burn. Do
not touch.
8. Exercise extreme caution when operating on or crossing
gravel surfaces. Stay alert for hidden hazards or traffic.
9. Exercise caution when changing direction and while operat-
ing on slopes.
10. Plan your snow-throwing pattern to avoid discharge towards
windows, walls, cars etc. Thus, avoiding possible property
damage or personal injury caused by a ricochet.
11. Never direct discharge at children, bystanders and pets or
allow anyone in front of the machine.
12. Do not overload machine capacity by attempting to clear
snow at too fast of a rate.
13. Never operate this machine without good visibility or light.
Always be sure of your footing and keep a firm hold on the
handles. Walk, never run.
14. Disengage power to the auger/impeller when transporting or
not in use.
15. Never operate machine at high transport speeds on slippery
surfaces. Look down and behind and use care when
backing up.
16. If the machine should start to vibrate abnormally, stop the
engine, disconnect the spark plug wire and ground it against
the engine. Inspect thoroughly for damage. Repair any
damage before starting and operating.
17. Disengage all control levers and stop engine before you
leave the operating position (behind the handles). Wait
until the auger/impeller comes to a complete stop before
unclogging the chute assembly, making any adjustments, or
inspections.
18. Never put your hand in the discharge or collector openings.
Always use the clean-out tool provided to unclog the dis-
charge opening. Do not unclog chute assembly while engine
is running. Shut off engine and remain behind handles until
all moving parts have stopped before unclogging.
19. Use only attachments and accessories approved by the
manufacturer (e.g. wheel weights, tire chains, cabs etc.).
20. When starting engine, pull cord slowly until resistance is felt,
then pull rapidly. Rapid retraction of starter cord (kickback)
will pull hand and arm toward engine faster than you can let
go. Broken bones, fractures, bruises or sprains could result.
21. If situations occur which are not covered in this manual, use
care and good judgment. Call customer assistance for the
name of your nearest servicing dealer.
Maintenance & Storage
1. Never tamper with safety devices. Check their proper
operation regularly. Refer to the maintenance and adjust-
ment sections of this manual.
2. Before cleaning, repairing, or inspecting machine disengage
all control levers and stop the engine. Wait until the auger/
impeller come to a complete stop. Disconnect the spark plug
wire and ground against the engine to prevent unintended
starting.
3. Check bolts and screws for proper tightness at frequent
intervals to keep the machine in safe working condition.
Also, visually inspect machine for any damage.
4. Do not change the engine governor setting or over-speed
the engine. The governor controls the maximum safe
operating speed of the engine.
5. Snow thrower shave plates and skid shoes are subject to
wear and damage. For your safety protection, frequently
check all components and replace with original equipment
manufacturer’s (OEM) parts only. “Use of parts which do
not meet the original equipment specifications may lead to
improper performance and compromise safety!”
6. Check controls periodically to verify they engage and
disengage properly and adjust, if necessary. Refer to the
adjustment section in this operator’s manual for instructions.
7. Maintain or replace safety and instruction labels, as neces-
sary.
8. Observe proper disposal laws and regulations for gas, oil,
etc. to protect the environment.
9. Prior to storing, run machine a few minutes to clear snow
from machine and prevent freeze up of auger/impeller.
10. Never store the machine or fuel container inside where
there is an open flame, spark or pilot light such as a water
heater, furnace, clothes dryer etc.
11. Always refer to the operator’s manual for proper instructions
on off-season storage.
12. Check fuel line, tank, cap, and fittings frequently for cracks
or leaks. Replace if necessary.
13. Do not crank engine with spark plug removed.
Do not modify engine
To avoid serious injury or death, do not modify engine in any
way. Tampering with the governor setting can lead to a runaway
engine and cause it to operate at unsafe speeds. Never tamper
with factory setting of engine governor.
Notice regarding Emissions
Engines which are certified to comply with California and federal
EPA emission regulations for SORE (Small Off Road Equipment)
are certified to operate on regular unleaded gasoline, and may
include the following emission control systems: Engine Modifica-
tion (EM) Oxidizing Catalyst (OC), Secondary Air Injection (SAI)
and Three Way Catalyst (TWC) if so equipped.
Average Useful Life
According to the Consumer Products Safety Commission
(CPSC) and the U.S. Environmental Protection Agency (EPA),
this product has an Average Useful Life of seven (7) years, or
60 hours of operation. At the end of the Average Useful Life,
have the machine inspected annually by an authorized service
dealer to ensure that all mechanical and safety systems are
working properly and not worn excessively. Failure to do so can
result in accidents, injuries or death.
2
Safe
Operation
Practices
WARNING
This symbol points
out important safety
instructions, which
if not followed, could
endanger the per-
sonal safety and/or
property of yourself
and others. Read and
follow all instructions
in this manual before
attempting to operate
this machine. Failure
to comply with these
instructions may
result in personal
injury. When you see
this symbol, HEED
IT’S WARNING!
Your Responsibility
Restrict the use
of this power machine
to persons who read,
understand
and follow the warnings
and instructions
in this manual
and on the machine.
05.08.08

6
3
Setting Up
Your Snow
Thrower
IMPORTANT: The snow thrower is shipped with oil and
WITHOUT GASOLINE. After assembly, refer to separate
engine manual for proper fuel and engine oil recom-
mendations.
Loose Parts
• Theaugersaresecuredtotheaugershaftwithshear
pins and bow tie cotter pins. If you hit a foreign object
or ice jam, the snow thrower is designed so that the
pins may shear. Replacement shear pins and cotter
pins are provided for your convenience. Store these
safely until needed.
Items Required For Assembly
Pair of pliers 7/16” Wrenches or adjustables
Fresh gasoline
Assembling Handle
• Look at the lower rear of the snow thrower frame to
be sure the spring (found at the end of each cable) is
attached to its actuator bracket.
• Removethelowerhandleknobs,washersand
carriage bolts from each side of the upper handle.
See Figure 3-2.
• Raise the upper handle assembly until it locks over
the lower handle. See Figure 3-1.
• Secure the upper handle and lower handle with the
handle knobs and carriage bolts previously removed.
• Tighten the handle knobs already in place on the
upper holes and secure the handles firmly.
Attaching Chute Crank
• Removetheflatwasherandhairpinclipfromtheend
of the chute directional control. See Figure 3-3.
• Inserttheendofthechutedirectionalcontrolinto
the lower bracket and secure with the flat washer
and hairpin clip just removed. If necessary, the lower
bracket can be adjusted. Refer to Chute Bracket
Adjustment, in the Adjustment Section of this manual.
Attaching the Chute Assembly
• Removelocknutsandscrewssecuringoneofthe
flange keepers to the chute assembly. See Figure 3-4.
• Loosenbutdonotremovethelocknutsandscrewson
the other two flange keepers.
Figure 3-1
NOTE: This Operator’s
Manual covers several
models. Snowthrower
featrues vary by model.
Not all features refer-
enced in this manual
are applicable to all
snowthrower models.
NOTE: References to
right or left side of the
snow thrower are deter-
mined from behind the
unit in the operating
position.
NOTE: Replacement
auger shear pins and
cotter pins are provided
for your convenience.
Store these safely until
needed.
Figure 3-2
Figure 3-3

7
3
Figure 3-5
Prior to operating
your snow thrower,
refer to Auger Control
on page 9. Read and
follow all instructions
carefully and perform
all adjustments to
verify your unit is
operating safely and
properly.
Setting Up
Your Snow
Thrower
WARNING
• Slide chute assembly over chute opening, making
sure the flange keepers are beneath lip of chute
adapter. The notches should engage with the spiral
end of the chute crank. See Figure 3-5.
• Secureflangekeeper,locknutsandscrewspreviously
removed. Tighten all flange keepers and hardware
with two 7/16” wrenches. Do not over tighten.
NOTE: If necessary the chute crank support bracket can
be adjusted so the spiral on the chute crank fully engages
the teeth on the chute assembly. Refer to the Adjustment
Section.
• Ifnotalreadyattached,slipthecablesthatrunfrom
the handle panel to the discharge chute into the cable
guide located on top of the engine. See Figure 3-6.
• Wrapthewirefromtheheadlampdowntheright
handle until the wire can be plugged into the alternator
lead wire under the fuel tank. See Figure 3-7. Figure 3-6
Figure 3-4
Alternator Lead
Lamp Wire
Alternator
Lead
NOTE:
Wheels are omitted from illustration for clarity.
Figure 3-7

8
3
Setting Up
Your Snow
Thrower
Drift Cutters (If Equipped)
Drift cutters should be used when operating the snow
thrower in heavy drift conditions.
• Onmodelssoequipped,driftcuttersandhardware
are assembled to the auger housing inverted.
• Removethecarriageboltsandwingnutssecuringthe
drift cutters to the housing.
• Repositiondriftcutterssotheyfaceforwardasshown
in Figure 3-8. Secure with hardware previously
removed, wingnuts should be fastened on the outside
of the housing as shown.
If your unit is not equipped with drift cutters, you may
contact Customer Support as instructed on page 2 for
information regarding price and availability.
Snowthrower Model Drift Cutter Kit:
All models OEM-390-679
Clean-Out Tool
The clean-out tool is mounted to the rear of the auger
housing and is designed to clear a clogged chute. See
Figure 3-9. Refer to the Operation section for more
detailed information regarding the chute clean-out tool.
NOTE: This item is fastened with a cable tie to the rear of
the auger housing at the factory. Cut the cable tie before
operating the snow thrower.
WARNING: Never use your hands to
clean snow and ice from the chute
assembly or auger housing.
Final Adjustments
Make these final adjustments before operating your snow
thrower for the first time. Failure to follow these instruc-
tions may cause damage to the snow thrower.
Wheel Drive Control & Shift Lever
Perform the following test to determine need for adjust-
ment:
• Movetheshiftleverintosixth(6)position.SeeFigure
4-1.
• Withthedrivecontrolreleased(seeFigure3-10A),
push the snow thrower forward, then pull it back. The
machine should move freely.
• Engagethedrivecontrolandattempttomovethe
machine both forward and back, resistance should be
felt.
• Movetheshiftleverintothefastreverse(R2)position
and repeat the previous two steps.
WARNING
Never use your hands
to clean snow and
ice from the chute
assembly or auger
housing.
IMPORTANT
Under any circum-
stance do not exceed
manufacturer’s recom-
mended psi. Equal tire
pressure should be
maintained at all times.
Excessive pressure
when seating beads
may cause tire/rim
assembly to burst
with force sufficient to
cause serious injury.
Refer to sidewall of
tire for recommended
pressure.
Figure 3-9
Clean-Out
Tool
Figure 3-8
Figure 3-10
Drive
AB
Auger

9
3
Setting Up
Your Snow
Thrower
WARNING
Never use your hands
to clean snow and
ice from the chute
assembly or auger
housing.
IMPORTANT
If the tire pressure
is not equal in both
tires, the unit may not
travel in a straight
path and the shave
plate may wear
unevenly.
Skid Shoes
Position the skid shoes based on surface conditions.
Adjust upward for hard-packed snow. Adjust downward
when operating on gravel or crushed rock surfaces. See
“Making Adjustment” Section.
Tire Pressure (Pneumatic Tires)
The tires are over-inflated for shipping purposes.
Check the tire pressure before operating the snow
thrower. Refer to the tire side wall for tire manufacturer’s
recommended psi and deflate (or inflate) the tires as
necessary.
If you experienced resistance rolling the unit, either
when repositioning the shift lever from 6 to R2 or when
attempting to move the machine with the drive control
released, adjust the drive control immediately. To adjust,
proceed as follows:
• Loosenthenylocknutonthedrivecontrolcableand
unthread the cable one full turn. See Figure 3-12.
• Recheckadjustment.
• Retightenthenylocknuttosecurethecablewhen
correct adjustment is reached.
NOTE: For more details, refer to Drive Control Adjust-
ment in the Adjustment Section of this manual.
Auger Control
Check the adjustment of the auger control as follows:
• Whentheaugercontrolisreleasedandinthe
disengaged “up” position (see Figure 3-10B), the
cable should have very little slack, but should NOT be
tight. See Figure 3-11.
WARNING:Do not over-tighten the
cable. Over-tightening may prevent the
auger from disengaging and compro-
mise the safety of the snow thrower.
• Inawell-ventilatedarea,startthesnowthrowerengine
as instructed on page 12.
• Whilestandingintheoperator’sposition(behindthe
snow thrower) engage the auger.
• Allowtheaugertoremainengagedforapproximately
ten seconds before releasing the auger control.
Repeat this several times.
• Withtheenginerunninginthefastpositionandthe
auger control lever in the disengaged “up” position,
walk to the front of the machine.
• Confirmthattheaugerhascompletelystopped
rotating and shows no signs of motion.
IMPORTANT: If the auger shows any signs of rotating,
immediately return to the operator’s position and shut
off the engine. Wait for all moving parts to stop before
readjusting the auger control cable.
• Toreadjustthecontrolcable,unhookthespring(found
on the end of the auger cable) from the auger actuator
bracket. See Figure 3-11.
• Pushthecablecouplerthroughtheendofthespring
to expose the lock nut. See Figure 3-12.
• Threadthenylocknutoutward(downthecoupler)
three full turns to provide more slack in the cable and
reattach the spring to the bracket.
• Repeataugercontroltesttoverifyforproper
adjustment. Repeat previous steps to adjust more, if
necessary.
Figure 3-12
Figure 3-11
A
B
A - For models with steel panels.
B - For models with plastic panels.

10
4
Headlight
Chute Assembly
Clean-Out Tool
Drive Control Shift Lever
Two-Way Chute Control
Heated Handle Switch (en option)†
Auger Control
Wheel Steering
Control
Chute
Directional
Control
Skid Shoe
Engine Controls
Recoil Starter
Handle
Choke
Control
Electric Starter
Outlet
(optional)
Electric Start
Button
(optional)
Primer
Safety
Key
Rocker
Switch
Oil Fill
Gas Cap
† If Equipped
Now that you have set up your snow thrower for opera-
tion, get acquainted with its controls and features. These
are described below and illustrated on this page. This
knowledge will allow you to use your new equipment to
its fullest potential.
NOTE: For detailed starting instructions and more
information on all engine controls, refer to the separate
engine manual packed with your unit.
Know Your Snow Thrower
Choke Control
The choke control is found on the top of the
engine and is activated by rotating the knob
counter clockwise. Activating the choke
control closes the choke plate on the carbure-
tor and aids in starting the engine.
Primer
Depressing the primer forces fuel directly into the engine’s
carburetor to aid in cold-weather starting.
Oil Fill
Engine oil level can be checked and oil added through the
oil fill.
Safety Key
The safety key must be pushed in place in order for the
engine to start. Pull the safety key out to prevent unauthor-
ized use of equipment.
Rocker Switch
The rocker switch is used to stop the engine. The switch
must be in the “ON” position in order to start the engine.
Figure 4-1
Operating
Your Snow
Thrower
WARNING
Read, understand,
and follow all instruc-
tions and warnings
on the machine and
in this manual before
operating.
Use extreme care
when handling
gasoline. Gasoline is
extremely flammable
and the vapors are
explosive. Never fuel
the machine indoors
or while the engine
is hot or running.
Extinguish cigarettes,
cigars, pipes and
other sources of
ignition.
6
1
2
F
3
4
5
R2
R1
R
Shift Lever
The shift lever is located in the center of
the handle panel and is used to determine
ground speed and direction of travel. It can
be moved into any of eight positions.
IMPORTANT: Always release drive control
before changing speeds.
Forward: The snow thrower has six
forward (F) speeds. Position one (1) is the
slowest and position six (6) is the fastest.
Reverse: The snow thrower has two
reverse (R) speeds—R1 is the slower of
the two.

11
4
Operating
Your Snow
Thrower
WARNING
The operation of
any snow thrower
can result in foreign
objects being thrown
into the eyes, which
can damage your
eyes severely. Always
wear safety glasses
while operating the
snow thrower, or while
performing any adjust-
ments or repairs on it.
Be sure no one other
than the operator is
standing near the snow
thrower while starting
engine or operating
snow thrower. Never
run engine indoors or
in enclosed, poorly
ventilated areas. En-
gine exhaust contains
carbon monoxide, an
odorless and deadly
gas. Keep hands, feet,
hair and loose clothing
away from any moving
parts on engine and
snow thrower.
Auger Control
The auger control is located on the left handle. Squeeze
the auger control to engage the augers. Release to stop
the snow throwing action. The drive control must also be
released in order to stop auger.
Drive Control / Auger Control Lock
The drive control is located on the right handle. Squeeze
the drive control to engage the wheel drive. Release to
stop.
This same lever also locks the auger control so you
can operate the chute crank without interrupting the
snow throwing process. If the auger control is engaged
simultaneously with the drive control, the operator can
release the auger control (on the left handle) and the
augers will remain engaged. Release the drive control to
stop the augers and wheel drive (the auger control must
also be released).
IMPORTANT: NEVER reposition the shift lever (change
speeds or direction of travel) without first releasing the
drive control and bringing the snow thrower to a complete
stop. Doing so will result in premature wear to the snow
thrower’s drive system.
Heated Handles Switch (If Equipped)
This switch is located on the right side of the snow
thrower dash panel. To activate the heated handles,
toggle the switch to the “ON” position to generate heat
within the handle grips. Toggle the switch to the “OFF”
position after using the snow thrower.
NOTE: The heated handles grips are a compliment to,
not a substitute for, proper cold weather outerwear for
the operator’s hands. It is recommended that the snow
thrower operator wear gloves/mittens to avoid extremities
of winter while operating this equipment.
!5'%2
#/.42/,
'/
$2)6%
#/.42/,
'/
Two-Way Chute Control™)
This two-way control lever is meant to
control the distance of snow discharge from
the chute. Tilt the lever forward or rearward
to adjust the distance snow will be thrown.
Chute Directional Control
The chute directional control is
located on left side of the snow
thrower.
To change the direction in which
snow is thrown, turn chute direc-
tional control as follows:
• Crankclockwisetodischargeto
the left.
• Crankcounterclockwisetodischargetotheright.
Wheel Steering Controls
The left and right wheel steering
controls are located on the underside
of the handles. Squeeze the right
control to turn right; squeeze the left
control to turn left.
NOTE: Operate the snow thrower in open areas until you
are familiar with these controls.
Chute Clean-Out Tool
WARNING: Never use your hands to
clear a clogged chute assembly. Shut
off engine and remain behind handles
until all moving parts have stopped
before unclogging.
The clean-out tool is conveniently fastened to the rear of
the auger housing with a mounting clip.
1. Release both the auger control and the drive/auger
control lock.
2. Stop the engine by pushing the rocker switch to the
“OFF” position, pull out the safety key.
3. Remove the clean-out tool from the mounting clip.
4. Use the shovel-shaped end of the clean-out tool to
remove any snow and ice in the chute assembly.
5. Re-fasten the clean-out tool to the mounting clip on
the rear of the auger housing and restart engine.
6. While standing in the operator’s position (behind the
snow thrower), engage the auger control for a few
seconds to clear any remaining snow or ice from the
chute assembly before continuing to clear snow.
Skid Shoes
Position the skid shoes based on surface conditions.
Adjust upward for hard-packed snow. Adjust downward
when operating on gravel or crushed rock surfaces. See
“Making Adjustment” Section.
Headlight
The headlight is on whenever the engine is running.
CLOCKWISE TO
DISCHARGE LEFT
COUNTER CLOCKWISE
TO DISCHARGE RIGHT

12
WARNING
4
Read, understand,
and follow all instruc-
tions and warnings
on the machine and
in this manual before
operating.
Use extreme care
when handling
gasoline. Gasoline is
extremely flammable
and the vapors are
explosive. Never fuel
the machine indoors
or while the engine
is hot or running.
Extinguish cigarettes,
cigars, pipes and
other sources of
ignition.
Gas & Oil Fill-Up
Service the engine with gasoline and oil as instructed in
the separate engine manual packed with your unit. Read
instructions carefully.
Starting The Engine
1. Make certain both the auger control and drive control
are in the disengaged (released) position.
2. Open fuel shut-off valve (If equipped) and make sure
the Rocker switch is in the On position (if equipped).
3. Push in the safety key.
4. Rotate choke control to FULL choke position
(for a cold engine start).
NOTE: If the engine is already warm, place choke
control in the OFF position instead of FULL.
5. Push the primer two times if temperature is above
15oF (-9oC), four times if temperature is below 15oF
(-9oC) for cold engine start, making sure to cover
vent hole in the center of the primer when pushing.
NOTE: DO NOT use primer to restart a warm engine
after a short shutdown.
Electric Starter (If Equipped)
1. Determine that your home’s wiring is a three-wire
grounded system. Ask a licensed electrician if you
are not certain.
WARNING: The optional electric
starter is equipped with a grounded
three-wire power cord and plug, and
is designed to operate on 120 volt AC
household current. It must be used
with a properly grounded three-prong
receptacle at all times to avoid the
possibility of electric shock. Follow all
instructions carefully prior to operat-
ing the electric starter.
If you have a grounded three-prong receptacle, proceed
as follows:
1. Plug the extension cord into the outlet located on the
engine’s surface. Plug the other end of extension
cord into a three-prong 120-volt, grounded, AC outlet
in a well-ventilated area.
2. Push starter button to start engine.
3. Once the engine starts, immediately release starter
button.
4. As the engine warms, slowly rotate the choke control
to the OFF position . If the engine falters,
quickly rotate the choke control back to FULL and
then slowly into the OFF position again.
5. When disconnecting the extension cord, always
unplug the end at the three-prong wall outlet before
unplugging the opposite end from the snow thrower.
Recoil Starter
1. Grasp the recoil starter handle and slowly pull the rope
out. At the point where it becomes slightly harder to pull
the rope, slowly allow the rope to recoil.
2. Pull the starter handle with a firm, rapid stroke. Do not
release the handle and allow it to snap back. Keep a firm
hold on the starter handle and allow it to slowly recoil.
3. As the engine warms, slowly rotate the choke control to
the OFF position. If the engine falters, quickly rotate the
choke control back to the FULL position and then slowly
into the OFF position again.
NOTE: Allow the engine to warm up for a few minutes
after starting. The engine will not develop full power until it
reaches operating temperatures.
Stopping The Engine
Run engine for a few minutes before stopping to help dry off
any moisture on the engine.
• Pushtherockerswitchtothe“OFF”position.
• Pulloutthesafetykey.
• Closefuelshut-offvalve(Ifequipped).
• Wipeallsnowandmoisturefromtheareaaroundthe
engine as well as the area in and around the drive
control and auger control. Also, engage and release
both controls several times.
To Engage Drive
1. With the engine running near top speed, move
shift lever to one of six FORWARD positions or two
REVERSE positions. Select a speed appropriate for
the snow conditions that exist.
2. Squeeze drive control against the right handle and
the snow thrower will move. Release it and the drive
motion will stop.
To Engage Augers
1. To engage augers and start snow throwing, squeeze
the left hand auger control against the left handle.
Release to stop augers.
2. While the auger control is engaged, squeeze the drive
control to move, release to stop. Do not shift speeds
while the drive is engaged.
NOTE: The drive control lever also locks auger control
so you can turn the chute control without interrupting the
snow throwing process.
3. Release the auger control; the interlock mechanism
should keep the auger control engaged until the drive
control is released.
4. Release the drive control to stop both the augers and
the wheel drive. To stop the auger, both levers must be
released.
Operating
Your Snow
Thrower

13
WARNING
4
Operating
Your Snow
Thrower
NOTE: Use slower
speeds in higher
snow and/or until you
are familiar with the
snow thrower opera-
IMPORTANT
NEVER move the
shift lever without first
releasing the wheel
drive control. Doing so
will cause premature
wear on the drive
system’s friction wheel.
The muffler, engine
and surrounding
areas become hot
and can cause a burn
150°F (65°C). Do not
touch.
Operating Tips
NOTE: Allow the engine to warm up for a few minutes.
The engine will not develop full power until it reaches
operating temperature.
WARNING: The temperature of the
muffler and the surrounding areas may
exceed 150° F (65° C). Avoid these
areas.
1. If possible, remove snow immediately after it falls.
2. Discharge snow downwind whenever possible.
3. Slightly overlap each previous path.
4. Set the skid shoes 1/4” below the shave plate for
normal usage. Adjust them upward for hard-packed
snow and downward when using on gravel or crushed
rock.
General Recommendations
1. Always observe safety rules when performing
any maintenance.
2. The warranty on this snow thrower does not cover
items that have been subjected to operator abuse
or negligence. To receive full value from warranty,
operator must maintain the snow thrower as
instructed here.
3. Some adjustments will have to be made periodically
to maintain your unit properly.
4. Periodically check all fasteners and make sure these
are tight.

14
5
Making
Adjustments
WARNING
Read, understand,
and follow all instruc-
tions and warnings
on the machine and
in this manual before
operating.
Never attempt to
make any adjust-
ments while the
engine is running,
except where speci-
fied in operator’s
manual.
Shift Rod
If the full range of speeds (forward and reverse) cannot
be achieved, refer to Figure 5-1 and adjust the shift rod
as follows:
1. Looking underneath the handle panel, note which
of the three holes in the shift lever the ferrule is
inserted into. Also note the direction of insertion.
Then remove the internal cotter pin and flat washer
from the ferrule and withdraw the ferrule from the
shift lever. See Figure 5-1.
2. Place shift lever in sixth (6) position or fastest
forward speed.
3. Push shift rod and shift arm assembly down sharply,
as far as it will go to put the drive into the fastest
forward position.
4. As necessary, rotate the ferrule up or down the shift
rod until the ferrule lines up with the hole from which
it was earlier removed. See Figure 5-1.
5. From the direction noted earlier, insert the ferrule into
the proper hole.
6. Reinstall the washer and the internal cotter pin.
Drive Control
WARNING: Run the engine completely
dry of gasoline before tipping
snowthrower.
Refer to the Final Adjustment section of the Set-Up
instructions to adjust the drive control. To further check
the adjustment, proceed as follows:
1. Tip the snow thrower forward, allowing it to rest on
the auger housing.
2. Remove the frame cover underneath the snow
thrower by removing the self-tapping screws. See
Figure 5-2.
3. With the wheel drive control released, check if there is
clearance between friction wheel and drive plate in all
positions of the shift lever. See Figure 5-3.
4. With the drive control lever engaged, check if the
friction wheel solidly contacts the drive plate. See
Figure 5-3. If not, adjust as follows:
a. Loosen the jam nut on the drive cable and thread
the cable in or out as necessary.
b. Retighten the jam nut to secure the cable when
correct adjustment is reached.
5. Reassemble the frame cover.
Figure 5-1
Figure 5-2
Figure 5-3
Axle Supp.
Brkt.
Opening
Drive
Plate
Friction
Wheel

15
5
IMPORTANT: It is not
recommended that
you operate this snow
thrower on gravel as
loose gravel can be
easily picked up and
thrown by the auger
causing personal
injury or damage to
the snow thrower.
If for some reason,
you have to operate
the snow thrower on
gravel, keep the skid
shoe in the highest
position for maximum
clearance between the
ground and the shave
plate.
Making
Adjustments
Figure 5-4
Skid Shoes
The space between the shave plate and the ground can
be adjusted by raising or lowering the skid shoes.
For close snow removal, as when using on a smooth
concrete or asphalt driveway, place the skid shoes in the
low position. Use the middle or high position when the
area to be cleared is uneven. When operating on gravel,
always put skid shoes in the high position.
See Figure 5-4.
Adjust skid shoes as follows:
1. Loosen, but do not remove, the hex flange locknuts
which fasten the skid shoe to the auger housing.
2. Raise or lower the skid shoe to desired position.
3. Retighten the hex nuts loosened earlier.
NOTE: Make certain the bottom surface of skid shoe is
flat against the ground to avoid uneven wear.
4. Repeat on the other side of the snow thrower.
Auger Control
Refer to instructions on page 9 to adjust the auger
control. Make certain to check for correct adjustment as
instructed before operating the snow thrower.
Chute Assembly
The distance snow is thrown can be adjusted by adjusting
the angle of the chute assembly. Refer to page 9 for
instructions.
The remote chute control cables have been pre-adjusted
at the factory. Move the remote chute lever on the control
panel back and forward to adjust angle of the chute
assembly.
Chute Bracket Adjustment
If the spiral at the bottom of the chute directional control
is not fully engaging with the chute assembly, the chute
bracket can be adjusted. To do so:
1. Loosen the two nuts which secure the chute bracket
and reposition it slightly. See Figure 5-5.
2. Retighten the nuts.
Figure 5-5

16
6
Maintaining
Your Snow
Thrower
WARNING
Before lubricating,
repairing or
inspecting, disengage
all controls and stop
engine. Wait until all
moving parts have
come to a complete
stop. Remove the
safety key to prevent
unintended firing of
the engine.
IMPORTANT
Avoid oil spillage on
rubber friction wheel
and aluminum drive
plate.
Figure 6-1
Figure 6-2
Lubrication
Drive and Shifting Mechanism
At least once a season or after every 25 hours of opera-
tion, remove rear cover. Lubricate any chains, sprockets,
gears, bearings, shafts, and the shifting mechanism at
least once a season. Use engine oil or a spray lubricant.
Refer to Figure 6-1.
IMPORTANT: Keep all grease and oil off the rubber
friction wheel and drive plate.
Wheels
At least once a season, remove wheels. Clean and coat
the axles with a multipurpose automotive grease before
reinstalling wheels.
Auger Shaft
At least once a season, remove the shear pins on auger
shaft. Spray lubricant inside shaft, around the spacers.
Also lubricate the flange bearings found at either end of
the shaft. See Figure 6-2.
Augers
• Theaugersaresecuredtothespiralshaftwithshear
pins and cotter pins. If the auger should strike a
foreign object or ice jam, the snow thrower is designed
so that the pins may shear. See Figure 6-2.
• Iftheaugerswillnotturn,checktoseeifthepinshave
sheared. Replacement shear pins have been provided
with the snow thrower. When replacing pins, spray an
oil lubricant into shaft before inserting new pins.
Shave Plate and Skid Shoes
The shave plate and skid shoes on the bottom of the
snow thrower are subject to wear. They should be
checked periodically and replaced when necessary.
To remove skid shoes:
1. Remove the carriage bolts (and washers if
equipped)and hex flange nuts which secure the skid
shoes to the snow thrower.
2. Reassemble new skid shoes with previously removed
hardware. Refer to Figure 6-3.
To remove shave plate:
1. Remove the carriage bolts and hex nuts which attach
it and the skid shoes to the snow thrower housing.
2. Reassemble new shave plate, making sure heads of
carriage bolts are to the inside of housing. Tighten
securely.
Replacing Belts
To remove and replace either the auger belt or the drive
belt, follow the steps below and then proceed to the
specific steps listed under respective sub-headings.
1. Disconnect the chute crank assembly at the discharge
chute end by removing the hairpin clip and the flat
washer. See Figure 6-8.
Figure 6-3
Shear Pin Vent Plug Grease
Fitting (optional)
Bearing
SpacersCotter Pin
Auger Shaft
Engine
Refer to the separate engine manual packed with your
unit for all engine maintenance and lubrication instruc-
tions.
Friction
Wheel
Drive
Plate
Gear
(Hex)
Shaft

17
6
Maintaining
Your Snow
Thrower
2. Remove the plastic belt cover, located near the
engine, by removing the three self-tapping screws that
secure it. See Figure 6-4.
3. a. Loosen the bolt shown in Figure 6-5 securing the
belt keeper bracket and remove the other bolt.
b. Push the belt keeper and bracket up off the engine
pulley. See Figure 6-5.
Auger Belt
4. Remove the clip and flat washer from the ferrule in
order to disconnect the auger idler rod from the brake
bracket assembly. See Figure 6-6.
5. Slip the auger belt (the front belt) off the engine pulley.
6. Pull the brake bracket assembly towards the cable
guide roller and unhook the auger cable “Z” fitting.
See Figure 6-7.
7. From both sides of the the frame assembly, use a 1/2”
wrench to remove the three hex tap screws securing
the frame to the auger housing assembly. See Figure
6-8.
NOTE: Do not remove the lower hex flange lock nut
on each side.
IMPORTANT
NEVER replace the
auger shear pins with
standard pins. Any
damage to the auger
gearbox or other com-
ponents, as a result of
doing so, will NOT be
covered by your snow
thrower’s warranty.
Check the condition
of both auger belt and
drive belt every 25
hours of snow thrower
operation. Replace if
either shows signs of
wear and tear.
Specifications are
subject to change
without notification or
obligation. Images may
not reflect your exact
model and are for refer-
ence purposes only.
Figure 6-5
Figure 6-6
Figure 6-7
Figure 6-4
Loosen
Remove
Figure 6-8

18
6
Maintaining
Your Snow
Thrower
WARNING
Before lubricating,
repairing or
inspecting, disengage
all controls and stop
engine. Wait until all
moving parts have
come to a complete
stop. Remove the
safety key to prevent
unintended firing of
the engine.
8. Place a block of wood underneath the auger housing
as shown in Figure 6-9 and separate auger housing
from the frame by tilting the housing forward and
pulling up the handles.
9. Block the impeller with a piece of wood to prevent if
from spinning and use a 1/2” wrench to remove the
hex screw and washer from the center of the pulley on
the auger housing. See Figure 6-10.
10. Lift the brake bracket assembly out of the pulley
groove and slide the pulley assembly off the posts of
the auger pulley adapter to remove the old belt. Refer
to Figure 6-10.
NOTE: The pulley adapter may slide off the auger input
shaft when removing the pulley. Use extra caution to
ensure the adapter does fall and/or get damaged when
removing the pulley.
11. Place the new auger belt in the V-groove of the
auger pulley and place the pulley w/belt inside the
belt keepers.
12. Turn the pulley as necessary to align its three slots
approximately with the posts of the pulley adapter,
then move the brake bracket assembly away from
the input shaft. While aligning the pulley slots and
adapter posts, push the auger pulley fully onto the
adapter. Refer to Figure 6-10.
NOTE: If the pulley adapter was removed with the
pulley, align the splines of the pulley adapter and auger
input shaft, and push the pulley and adapter onto the
input shaft. Refer to Figure 6-10.
13. Slide the washer onto the hex screw removed earlier
and apply Loctite 262 to the threads of the hex screw.
14. Insert the hex screw through the pulley assembly
and into the threads of the input shaft. Torque the
hex screw to 250-325 in./lbs. to secure the auger
pulley assembly on the input shaft.
If also replacing the drive belt, proceed to the “Drive Belt”
instruction. If not, reassemble by performing the previous
steps in the opposite order and manner of removal.
NOTE: Make sure to remove the piece of wood blocking
the impeller.
Proper Adjustment: With the auger clutch lever in the
disengaged position, the top surface of the new belt
should be even with the outside diameter of the pulley.
1. To adjust, disconnect ferrule from brake bracket
assembly and thread ferrule in (towards idler) to
increase tension on belt, and out to decrease tension.
See Figure 6-6.
NOTE: The brake puck must always be firmly seated in
the pulley groove when auger control is disengaged.
IMPORTANT: Repeat the “Auger Drive Control Test” from
the Assembly section before operating snow thrower.
Figure 6-9
Figure 6-11
Figure 6-10
IMPORTANT
Refer to the Final
Adjustment section of
the Set-Up instructions
after replacing drive
and auger belts.
A
C
B
Pulley Slot
Adapter Post
Drive Belt
1. If not already done, remove auger belt as previous
instructed.
a. Pull the idler pulley away from the backside of the
drive belt to relieve the tension.
b. Slide the drive belt off the idler pulley. See Figure
6-11. Carefully release the idler pulley.
2. Remove the belt from the bottom drive pulley.
3. Remove the belt from the engine pulley.
1b
2
1a
3

19
6
Maintaining
Your Snow
Thrower
WARNING
The rubber on the fric-
tion wheel is subject
to wear and should be
checked periodically.
Replace the friction
wheel rubber if any
signs of wear or
cracking are found.
remove the hex bolts and cupped washer and bearing
from left side of the frame. Refer to Figure 6-12.
• Holdingthefrictionwheelassembly,slidethehexshaft
out of the right side of the unit. The spacer on the left
side of the hex shaft will fall and the sprocket should
remain hanging lose in the chain.
• Liftthefrictionwheelassemblyoutbetweentheaxle
shaft and the drive shaft assemblies.
• Removefourscrewssecuringthefrictionwheelrubber
between the friction wheel plates. See Figure 6-13.
Discard old rubber.
• Reassemblethenewfrictionwheelrubbertothe
friction wheel assembly, tightening the four screws
in rotation and with equal force. It is important to as-
semble the rubber on the friction wheel symmetrically
for proper functioning.
• Insertthepinfromtheshiftarmassemblyintothe
friction wheel assembly and hold assembly in position.
Refer to Figure 6-14 .
• Slide the hex shaft through the right side of the housing
and through the friction wheel assembly.
• Insert the hex shaft through the sprocket and the
spacer. Make certain that the chain engages both the
large and the small sprocket.
NOTE: If the sprocket fell from the snow thrower while
removing the hex shaft, align sprocket on chain, place
the sprocket on the hex shaft. Position the hex hub of
the sprocket toward the friction wheel when sliding the
sprocket on to the hex shaft.
• Slidethebearingontotheleftendofthehexshaftand
press into the hole on the left side the frame.
• Securewiththecuppedwasherandhexboltremoved
earlier.
• Securetheframecoverwithself-tappingscrews.Put
the snow thrower down to its normal operating position.
Friction Wheel
Figure 6-13
Figure 6-14
Figure 6-12
Remove hex
screw and
washer
Friction
Wheel
Assembly
Slide
hex shaft
Hex Shaft
4. Install the new belt on the pulleys in the
reverse order and re-tension with the idler
pulley.
5. Reassemble your unit by performing the
previous steps in the opposite order.
Changing Friction Wheel
Rubber
WARNING: Run the engine
completely dry of gasoline
before tipping snowthrower.
• Tipthesnowthrowerupandforward,so
that it rests on the housing.
• Removescrewsfromtheframecover
underneath the snow thrower. See Figure 5-2.
• Remove the right wheel(s) from the axle.
• Usinga3/4”wrench,holdthehexshaftand
Shift Arm

20
7
Off-Season
Storage
Never store snow
thrower with fuel
in tank indoors or
in poorly ventilated
areas, where fuel
fumes may reach an
open flame, spark
or pilot light as on a
furnace, water heater,
clothes dryer or gas
appliance.
WARNING
If unit is to be stored over 30 days, prepare for storage
as instructed in the separate engine manual packed with
your snow thrower.
Clean snow thrower thoroughly.•
Lubricate as instructed in the Maintenance section of •
this manual.
Refer to engine manual for correct engine storage •
instructions.
Store the snow thrower in a clean, dry area.•
When storing any type of power equipment in a •
poorly ventilated or metal storage shed, care should
be taken to rustproof the equipment, especially
springs, cables and all moving parts.

21
NOTE: This section
addresses minor
service issues. For
further details,
contact customer
assistance.
8
Trouble-
Shooting
CauseProblem Remedy
Engine fails to start 1. Choke not in ON position.
2. Spark plug wire disconnected.
3. Fuel tank empty or stale fuel.
4. Engine not primed.
5. Faulty spark plug.
6. Blocked fuel line.
7. Safety key not in ignition on engine.
8. Fuel shut-ff valve closed. (If Equipped)
1. Move choke to ON position.
2. Connect wire to spark plug.
3. Fill tank with clean, fresh gasoline.
4. Prime engine as instructed in
“Operating Your Snow Thrower”.
5. Clean, adjust gap, or replace.
6. Clean fuel line.
7. Insert key fully into the switch.
8. Open fuel shut-off valve.
Engine runs erratic 1. Move choke lever to OFF position.
2. Clean fuel line; fill tank with clean,
fresh gasoline.
3. Drain fuel tank. Refill with
fresh fuel.
4. Contact Service Center.
1. Unit running on CHOKE.
2. Blocked fuel line or stale fuel.
3. Water or dirt in fuel system.
4. Carburetor out of adjustment.
Engine overheats 1. Contact Service Center.1. Carburetor not adjusted properly.
Loss of power 1. Connect and tighten spark plug
wire.
2. Remove ice and snow from gas
cap. Be certain vent is clear.
3. Contact Service Center.
1. Spark plug wire loose.
2. Gas cap vent plugged.
3. Exhaust port plugged.
Unit fails
to propel itself
1. Adjust drive control cable. Refer to
“Adjustments”.
2. Replace drive belt.
3. Replace friciton wheel.
1. Drive control cable in need of adjust-
ment.
2. Drive belt loose or damaged.
3. Friction wheel worn.
Excessive
Vibration
1. Loose parts or damaged auger. 1. Stop engine immediately and
disconnect spark plug wire. Tighten
all bolts and nuts. If vibration
continues, have unit serviced by a
Service Center.
Unit fails
to discharge snow
1. Stop engine immediately and
disconnect spark plug wire. Clean
chute assembly and inside of
auger housing with clean-out tool
or a stick.
2. Stop engine immediately and
disconnect spark plug wire.
Remove object from auger with
clean-out tool or a stick.
3. Refer to “Auger Control Test” .
4. Refer to Maintenance section.
5. Replace with new shear pin(s).
1. Chute assembly clogged.
2. Foreign object lodged in auger.
3. Auger control cable in need of adjust-
ment.
4. Auger belt loose or damaged.
5. Shear pin(s) sheared.

22
9
Warranty
Failure to comply
with suggested
maintenance
and lubrication
specifications will
void warranty.
FOUR YEAR SUPREME WARRANTY:
For four years from date of retail purchase within Canada, MTD PRODUCTS LIMITED will,
at its option, repair or replace, for the original purchaser, free of charge, any part or parts
found to be defective in material or workmanship. This warranty covers units which have
been operated and maintained in accordance with the owner’s instructions furnished with the
unit, and which have not been subject to misuse, abuse, commercial use, neglect, accident
improper maintenance or alteration. Normal wear parts or components thereof are subject to
special terms as noted below in the Ninety Day Consumer Warranty clause.
The engine, starter motor or component parts thereof carry separate warranties from their
manufacturers. Please refer to the applicable manufacturer’s warranty policy for these items.
Ninety Day Consumer Warranty on Normal Wear Parts: All normal wear part failures
will be covered on this product for a period of 90 days. After 90 days but within the four year
warranty period, normal wear part failures will be covered if caused by defects in material or
workmanship of other component parts. Normal wear parts are defined as batteries, belts,
blades, blade adaptors, grass bags, rider deck wheels, seats, tires and clutch parts (friction
wheels).
Full Ninety Day Warranty on Battery (if equipped): For ninety (90) days from the
date of retail purchase, if any battery included with this unit proves defective in material
or workmanship and our testing determines the battery will not hold a charge, MTD
PRODUCTS LIMITED will replace the battery at no charge to the original purchaser.
Additional Limited Thirty Day Warranty on Battery (if equipped): After ninety (90) days
but within one hundred twenty (120) days from the date of purchase, MTD PRODUCTS
LIMITED will replace the defective battery, for the original purchaser, for a cost of one-half
(½) of the current retail price of the battery in effect at the date of return.
Personal use: THE FOREGOING PARAGRAPHS CONSTITUTE THE MANUFACTURER’S
ENTIRE WARRANTY WITH RESPECT TO ANY PRODUCT PURCHASED AND USED
FOR PERSONAL FAMILY, HOUSEHOLD/RESIDENTIAL PURPOSES, AS DISTINGUISHED
FROM COMMERCIAL USAGE.
Commercial use: ALL APPLICATIONS OTHER THAN PERSONAL USE AS OUTLINED
ABOVE, ARE CONSIDERED COMMERCIAL USAGE.
New products purchased for commercial usage are warranted in the same manner and to the
same extend EXCEPT the term of warranty will be 90 DAYS from date of purchase.
How to Obtain Service: Warranty service is available, with proof of purchase, through
your local MTD Authorized Service Dealer. If you do not know the dealer in your area,
please write to the Service Department of MTD PRODUCTS LIMITED, P.O. BOX 1386,
KITCHENER, ONTARIO N2G 4J1. The return of a complete unit will not be accepted by the
factory unless prior written permission has been extended by MTD PRODUCTS LIMITED.
Other Warranties: All other warranties, express or implied, including any implied warranty
of merchantability is limited in its duration to that set forth in this express limited warranty.
The provisions as set forth in this warranty provide the sole and exclusive remedy of MTD
PRODUCTS LIMITED obligations arising from the sale of its products. MTD PRODUCTS
LIMITED will not be liable for incidental or consequential loss or damage.
12.08.06

23
NOTES:
For parts and/or
accessories refer to
customer support on
page 2.
Adressez-vous au
«Service après-vente»
à la page 2 pour
ce qui concerne
les pièces et/ou
accessoires.

24
14
26
63
33 55
37
17
14
67
42
12 13
66
48
45
58
50
39
56
48
62
*
64
65
23
47
45
25
46
49
16
33
44
51
54
42
11
5
24
19
9
35 25
15 27
11
40
9
31
3
32
52 29
38
53
34 36
41
7
7
15
6
43
30
2
8
35
28 42
22
21
59
60
18
2
10
35
18
20
61
61
57 69
72
73
Styles K, L & Q
Styles K & L
Style Q
70

25
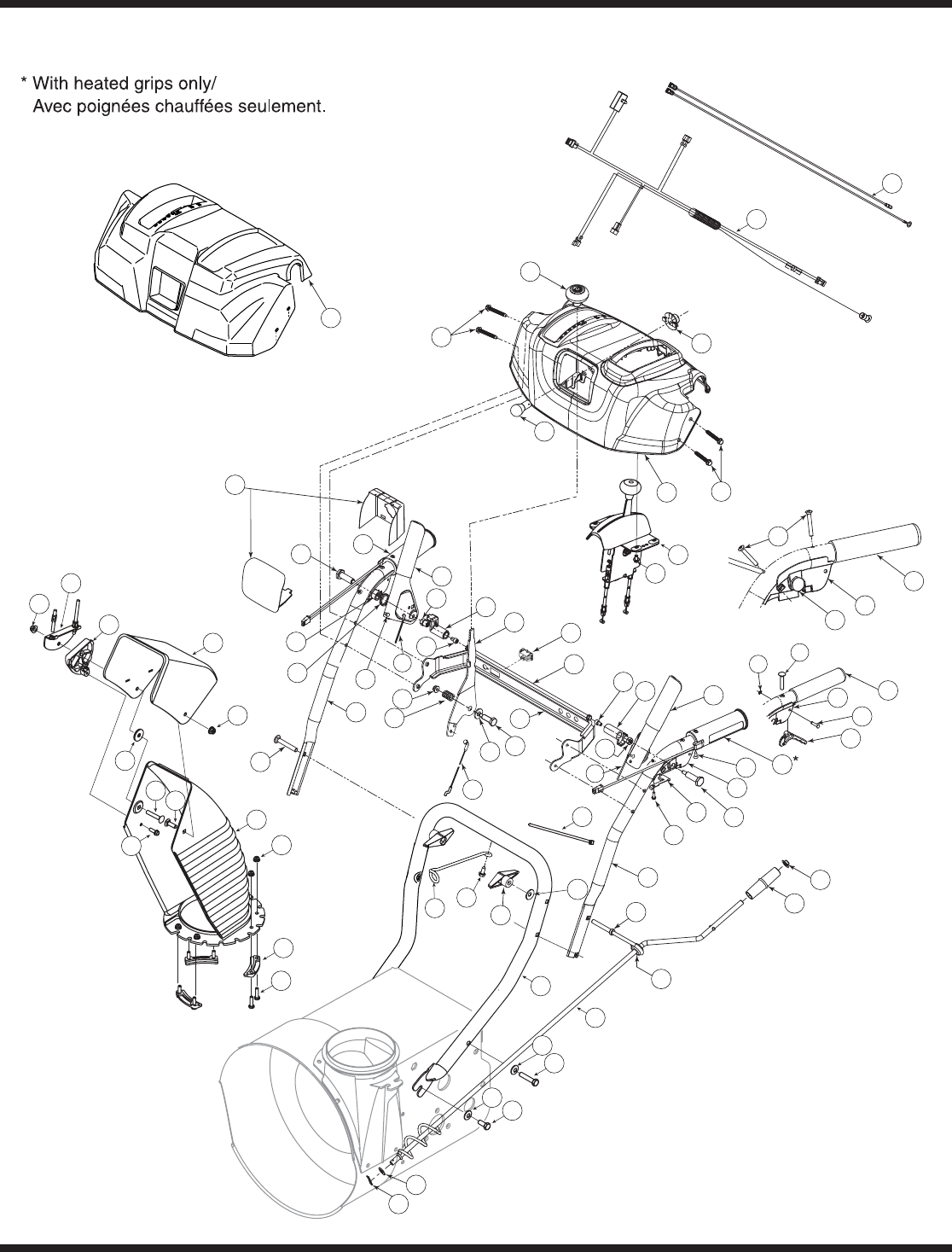
REF PART
NO.NO.
N° DE N° DE
RÉF PIÈCE DE SCRIP TION DE SCRIP TION
1631-04180 Han dle Panel Ass’y - Yel low Panneau - jaune
631-04183 Han dle Panel Ass’y-Black w/Chute Con trol Panneau - noir avec comm. de la goulotte
2631-04133A LH Clutch Lock Han dle Ass’y Poignée d’embrayage CG
3631-04134B RH Clutch Lock Han dle Ass’y Poignée d’embrayage CD
4684-04105B En gage ment Han dle As sem b l y LH Poignée d’entraînement CG
5684-04106B En gage ment Han dle As sem b l y RH Poignée d’entraînement CD
6710-04326 Screw #8-16 x .50 Vis no. 8-16 x 0,50
7710-3069 Screw 1/4-20 x .5 Vis 1/4-20 x 0,5
8710-0837 Oval HD C-Sunk Scr #10 x 5/8 Vis à tête goutte de suif no. 10 x 5/8
9710-04586 Hex TT-Tap Scr 1/4-20 x 1.625 Vis taraudée 1/4-20 x 1,625
10 710-1233 Oval C-Sunk Hd Screw 10-24 x 1.375 Vis 10-24 x 1,375
11 684-04250 Pivot Rod Tige de pivot
12 710-0458 Car riage Bolt 5/16-18 X 1.75" Lg. Boulon à col let carré 5/16-18 X 1.75 po de lg
13 710-0276 Car riage Bolt 5/16-18 x 1.00" LgBoulon ordi naire de 5/16-18 x 1,00 po de lg
14 712-04064 Hex L-Flanged Nut 1/4-20 Gr. F Ny lon Contre-écrou à embase 1/4-20 Qual. F ny lon
15 712-04081A Hex Shoul der Nut 1/4-20 Écrou 1/4-20
16 714-0104 Int. Cot ter Pin .072 x 1.13" Lg. Goupille fendue int. 0,072 x 1,13 po de lg.
17 710-0597 Screw 1/4-20 x 1.0 Vis 1/4-20 x 1,0
18 720-0274 Grip Poignée
19 720-04039 Shift Knob Bou ton
720-04045 Shift Knob - Yel low Bou ton - jaune
20 725-04213 Lamp #1295 (w/heated grips) Ampoulle no. 1295 (avec poignées chauffées)
725-1629 Lamp Ampoulle
21 625-04039 Wire Har ness Faisceau de fil
22 725-04216A Heated Grip Wire Har ness Faisceau de fil - poignée chauffée
23 725-1649 Socket Douille
24 725-4393 SwitchContracteur
25 725-1757 Heated Grip Poignée chauffée
26 726-0470 Ca ble Tie 19 x 8.39" (w/plug) Attache-câble 19 x 8,39 po
725-0157 Ca ble Tie (w/heated grips) Attache-câble (avec poignée chauffée)
27 731-04894D Lock Plate Palastre de serrure
28 731-04896B Clutch Lock CamCame
29 732-0193 Com pres sion Spring .38 ID x .88 Lg Ressort de com pres sion 0,38 DI x 0,88 po de lg.
30 732-04219C Spring: Clutch Lock Ressort: Verrou d’embrayage
31 732-04238 Tor sion Spring .8156 x .3038 Ressort de tor sion 0,8156 x 0,3038
32 735-0199A Rub ber Bumper Pare - chocs en caou tchouc
33 736-0105 Cupped Washer Rondelle creuse
34 736-0267 Flat Washer .38 ID x .87 OD x .09 Rondelle plate 0,38 DI x 0,87 DE x 0,09
35 738-04348 Shoul der Screw .437 x 1.345: 1/4-20 Vis à épaulement 0,437 x 1,345: 1/4-20
36 738-04125 Shoul der Screw .374 Dia. x 1.05 Lg. Vis à épaulement 0,374 dia. x 1,05 po de lg.
37 731-0851A Chute Flange Keeper Guide de la goulotte
38 746-04341 Se lec tor Speed Ca ble Câble
39 710-0895 Hex Tapp Scr 1/4 x .75" Lg. Vis taraudée à tête hex de 1/4 x 0,75 po de lg
40 790-00281A Shift Le ver Lev ier de changement de la vitesse
41 790-00248B Panel Sup port Sup port de panneau de bord
42 712-04063 Flange Locknut 5/16-18 Gr. F, Ny lon Contre-écrou à embase 5/16-18 Qual. F, ny lon
43 710-0572 Car riage Bolt 5/16-18 x 2.50 Boulon ordi naire 5/16-18 x 2,50
44 747-04263 Chute Crank Eye Bolt Spe cial Boulon à oeil spécial
45 720-0201A Knob 1.0 x 3.2Bou ton 1,0 x 3,20
46 726-0100 Push Nut 3/8" Rod Écrou pour tige de 3/8 po
47 735-0234 Grom met Grummet
48 684-04104 Chute Crank As sem bly Manivelle de la goulotte
49 736-0185 Flat Washer .406" I.D. x .75" O.D. Rondelle plate 0,406 DI x 0,75 DE
50 736-0231 Flat Washer Rondelle plate
51 749-04309 Up per Han dle LH (Heated Grips) Guidon supérieur CG (poignée chauffée)
52 749-04310 Up per Han dle RH (Heated Grips) Guidon supérieur CD (poignée chauffée)
53 720-0284 Han dle Knob As sem bly Bou ton
54 784-5594 Ca ble Bracket Chute Tilt Sup port de câble
55 710-3118 Hex TT Screw 3/8-16 x .75 Vis taraudée 3/8-16 x 0,75
56 749-0991 Lower Han dle Guidon inférieur
57 716-04036 E Ring Bague en «E»
58 731-1313C Ca ble Guide Guide de la câble
59 731-04913 Steer ing Con trol Commande d’orientation
60 738-04126 Pin 3/16 Goupille 3/16
61 646-0012 Ca ble Ass’y (Au ger/Drive) Câble (Tarière/Entraînement)
62 736-0242 Cupped Washer .340 ID x .872 OD x .06 Rondelle creuse 0,340 DI x 0,872 DE x 0,06
63 710-04682 Hex Screw 3/8-16 x 2.0 Gr. 5 Vis à tête hex. 3/8-16 x 2,0 Qual. 5
64 710-04187 Hi-Lo Screw 1/4-15 x .50 Vis 1/4-15 x 0,50
65 684-04230 Chute Con trol As sem bly Commande de la goulotte
66 731-0846C Up per Chute Partie supérieur noir de la goulotte
67 731-0903D Lower Chute Partie inférieur noir de la goulotte
69 710-1625 Screw, #10-24 x 1.75 Vis no. 10-24 x 1,75
70 631-04181 Han dle Panel - Troybilt Panneau - Troybilt
72 710-04484 Hex TT Screw 5/16-18 x .75 Vis taraudée 5/16-18 x 0,75
73 747-04786 Ca ble Guide Guide de la câble
31A-9008
6.2.08
10
For parts and/or
accessories refer to
customer support on
page 2.
Adressez-vous au
«Service après-vente»
à la page 2 pour ce qui
concerne les pièces
et/ou accessoires.
Parts List
Pièces
détachées

26
66
31
38
52
46
53
56
50
23
45
39
30 33
31
31
31
15
14
85
16
31
31
38
23
44
43 38
5
37
2
12
35
54
35
10 13
19
56
31
63 61
78
76
73
72 73
70
67
68
71
74
76
84
18
65
11 79
73
71
51
69
9
80
58
59
49
49
49
48
62
31
38
42
64
75
66
64
62
26
26
28
24
24
32
77
28
27
28
63
81
28, 30 & 33 in./po
45 in./po
28
26
49
49
26
24
24
24
28
28
26
64
64
75
66
62
26
28
55
1
41
37
36
39
40
64
60
Shave plate should
ride slightly above
asphalt. Set to
maximum for gravel driveways./
La plaque de râclage doit être
légèrement au-dessus du goudron.
Réglez-la au maximum en
cas d'allées gravillonnées.
When rebuilding gear box fill one housing half
completely with grease 838-0168./Pour
remonter la boîte d'engrenages, remplissez
complètement une moitié avec de la graisse no. 838-0168.
Torque to 20-30 in./lbs
Serrez à un couple
de 20-30 po-lb.
46
Torque to 21 ft./lbs. maximum,
washer should be flat./
Serrez à un couple de 21 pi-lb
maximum. La rondelle doit être plate.
38
3
34
21
56
48
82
56
17
B&S
305-342 cc
83
1
48
8
47
20
7
7
21
Brace/
Support

27
REF PART
NO.NO.
N° DE N° DE
RÉF PIÈCE DE SCRIP TION DE SCRIP TION
1736-0159 Flat Washer .349 ID x .879 OD x .063 Rondelle plate 0,349 DI x 0,879 DE x 0,063
2714-0104 Int. Cot ter Pin Goupille fendue
3754-0222A V-Belt 1/2 x 44" Lg. Courroie trapézoïdale 1/2 x 44 po de lg
754-04131 V-Belt 1/2 x 42" Lg. Courroie trapézoïdale 1/2 x 42 po de lg
4736-0505 Flat Washer .34 x 1.5 x .150 Rondelle plate 0,34 x 1,5 x 0,150
5720-0284 Han dle Knob As sem bly Bou ton
6710-1245B Hex Screw 5/16-24 x .875 Gr. 8 Lock Vis à tête hexagonale 5/16-24 x 0,875 Qual. 8
7710-3008 Hex Hd Cap Scr. 5/16-18 x .75 Gr. 5 Vis à tête hex. 5/16-18 x 0,75 Qual. 5
8736-0262 Flat Washer .385 x .870 x .092 Rondelle plate 0,385 x 0,870 x 0,092
9737-0168 Shell Alvania Grease (3 oz.) Graisse ( 3oz.)
10 732-0858 Ex ten sion Spring .470 Dia. x 4.75 Ressort d’extension 0,470 diam. x 4,75
11 721-0328 Ul tra Grey Loctite #5699 Loctite n°. 5699
12 736-3008 Flat Washer .344 ID x .75 OD x .120 Rondelle plate 0,344 DI x 0,75 DE x 0,120
13 618-0281A Brake Bracket Ass’y (900 Se ries) Sup port du frein (séries 900)
14 741-0475 Plas tic Bush ing .380 ID Coussinet plastique 0,380 DI
15 784-5123 Chute Brkt. Sup port de la bouche d’évacuation
16 731-1696B Chute Adapter Adaptateur
17 731-06007 Re vers ible Slide Shoe (Plas tic) Sabot coulissant réversible (Plastique)
18 710-1260A Screw, 5/16-18 x .5Vis taraudée 5/16-18 x 0,5
19 711-0677 Ad just ment Fer rule Virole de réglage
20 749-04489 Sup port Tub ing RH (w/plas tic panel) Sup port de la tuyau CD (avec panneau en plastique)
749-04485 Sup port Tub ing LH (w/plas tic panel) Sup port de la tuyau CG (avec panneau en plastique)
21 726-04012 Push-on Nut .25 diam Poussée écrou -0,25 diam.
23 710-04484 Hex TT Screw 5/16-18 x .75 Vis taraudée 5/16-18 x 0,75
24 714-04040 Bow Tie Cot ter Pin Goupille fendue
26 731-05163 Spacer 1.5 x 1.0 ID x 1.0" Lg. Entretoise 1,50 x 1,0 DI x 1,0 po de lg.
27 731-05162 Spacer 1.5 x 1.0 ID x 2.5" Lg. Entretoise 1,50 x 1,0 DI x 2,50 po de lg.
28 741-0494 Flange Bush ing 1.05 ID x 1.16 OD Coussinet 1,05 DI x 1,16 DE
30 741-04024 Self-Align ing Bear ing .875 ID Roulement autoaligner 0,875 DI
31 712-04063 Hex Flg. L-Nut 5/16-18 Gr. F Ny lon Contre-écrou à embase 5/16-18 Qual. F ny lon
32 736-3046A Flat Washer 1.010 x 1.88 x .060 Rondelle plate 1,010 x 1,88 x 0,06
33 05244B Bear ing Hous ing Boîtier de roulement
34 756-04244A Pul ley .5 ID x 10 OD Poulie 0,5 DI x 10,0 DE
35 738-0281 Shoul der Scr .625 Dia x .170 Vis à épaulement dia 0,625 x 0,170 po
36 784-0385B Au ger Idler Bracket Sup port de ten sion de la tarière
37 736-0174 Wave Washer .625 ID x .885 OD x .015 Rondelle ondulée 0,625 DI x 0,885 DE x 0,015
38 710-0451 Car riage Bolt 5/16-18 x .75 Boulon ordi naire 5/16-18 x 0,75
39 710-04606 Screw 5/16-18 x .43 (w/stud) Vis 5/16-18 x 0,43 (avec clou)
40 747-0980A Au ger Idler RodTige de ten sion de la tarière
41 756-0178 Flat Idler Pul ley Poulie de tendeur plate
42 731-2643 Cleanout Tool Outil de dégagement de la goulotte
43 790-00181 Drift Cut ter Barre de coupe
44 731-2635 Cleanout Tool Mount Sup port-outil de dégagement de la goulotte
45 *Snowthrower Hous ing Ass’y Logement du chasse-neige
46 *Shave Plate Plaque de raclage
47 749-04384 Sup port Tub ing (w/steel panel) Tuyau (avec panneau en acier)
48 737-0318 Arc tic Grease Graisse Arc tic
49 *Au gers Tarières
50 784-5697 Re vers ible Slide Shoe Sabot coulissant réversible
51 618-04515 Worm Gear Box Ass’y (w/o grease fit ting) Boîte d’assemblage de vis sans fin (sans raccord graisse)
618-04514 Worm Gear Box Ass’y (w/ grease fit ting) Boîte d’assemblage de vis sans fin (avec raccord graisse)
52 710-3168 Car riage Bolt 3/8-16 x 1.00" (w/steel shoe)Boulon ordi naire 3/8-16 x 1,00 (avec sabot en acier)
710-3034 Car riage Bolt 3/8-16 x 1.25" (w/plas tic shoe) Boulon ordi naire 3/8-16 x 1,25 (avec sabot en plastique)
53 710-0389 Car riage Bolt 3/8-16 x .75" (w/steel shoe)Boulon ordi naire 3/8-16 x 0,75 (avec sabot en acier)
710-3168 Car riage Bolt 3/8-16 x 1.00" (w/plas tic shoe) Boulon ordi naire 3/8-16 x 1,00 (avec sabot en plastique)
54 710-0347 Hex Hd. Cap Scr 3/8-16 x 1.75 Gr. 5 Vis à tête hexagonale 3/8-16 x 1,75 Qual. 5
55 737-3000 Grease Fit ting Raccord graisseur
56 712-04065 Hex Flange L-Nut 3/8-16 Gr. F Ny lon Contre écrou hex 3/8-16 Qual. F ny lon
58 715-0118 Spring Spirol Pin Heavy - 5/16 dia x 1.7 Goupille en spirale 5/16 dia x 1,75 po de lg
59 684-0090B Blower Fan Ass’y Com plete Ventilateur du chasse-neige complet
60 790-00264A Gear Hous ing Sup port Bracket Sup port du carter d’engrenage
61 721-0325 Barbed Plug Bouchon
62 05845C Bear ing Hous ing Boîtier de roulement
784-0315A Bear ing Hous ing (w/grease fit ting) Boîtier de roulement (avec raccord de graisseur)
* See chart on next page./ Voir le tab leau à la page prochaîne Con tin ued on next page/Suite à la page prochaîne
10
For parts and/or
accessories refer to
customer support on
page 2.
Adressez-vous au
«Service après-vente»
à la page 2 pour ce qui
concerne les pièces
et/ou accessoires.
Parts List
Pièces
détachées

28
REF PART
NO.NO.
N° DE N° DE
RÉF PIÈCE DE SCRIP TION DE SCRIP TION
63 *Au ger Shaft Arbre de tarière
64 738-04155 Shear Pin 5/16-18 x 1.75 Goupille de cisaillement 5/16-18 x 1,75
65 618-0246 Gear Hous ing Half - RH Carter d’engrenage au moitié - droit
66 741-0192 Flange Bear ing Roulement à bride
67 714-0126 #9 HI-Pro Key 3/16 x 3/4 Dia HT Clavette Hi-Pro n° 9 - 3/16 x 3/4 diam
68 711-04714 Au ger Drive Shaft Arbre d’entraînement
69 716-0111 Snap Ring for .875 dia. shaftJonc d’arrêt pour arbre de 0,875 dia.
70 721-0145 Oil seal for .875 ID Garlock (76 x 6133) Joint d’étanchéité d’huile (76 x 6133)
71 741-0217 Sleeve Bear ing .875 ID Palier à douille 0,875 DI
72 741-0184 Thrust Bear ing .88 ID x 1.44 OD x .078 Palier à butée 0,88 DI x 1,44 DE x 0,078
73 736-0291 Flat Washer .88 ID x 1.4 OD x .125 Rondelle plate 0,88 DI x 1,40 DE x 0,125
74 717-0299 Worm Gear LH Dou ble Thread Vis sans fin à dou ble filetage gauche
75 750-04020 Spacer Entretoise
76 736-0266 Flat Washer 1.5 ID x 2.0 OD x .03 Rondelle plate 1,50 DI x 2,0 DE x 0,03
77 717-1425 Worm Gear LH Dou ble Thread (Bronze) Vis sans fin à dou ble filetage - gauche bronze
78 738-0275 Worm Gear Shaft Sup port du carter d’engrenage
79 714-0135 #91 Wood ruff Key 1/4 x 3/4 Dia. Clavette Wood ruff no 91 1/4 x 3/4
80 618-0247 Gear Hous ing Half LH Carter d’engrenages - moitié - CG
618-0435 Gear Hous ing Half LH (w/grease fit ting hole)Carter d’engrenages - moitié - CG (avec raccord graisse)
81 714-0135 #91 Wood ruff Key 1/4 x 3/4 Dia. Clavette Wood ruff n° 91 1/4 x 3/4
82 Low Tem per a ture grease Graisse
83 748-04067A Pul ley Adapter .75 Dia. w/pins Adaptateur de poulie 0,75 diam. avec at ta ches
84 710-0376 Hex Hd. Cap Scr. 5/16-18 x 1.0 Gr. 5 Vis à tête hex. 5/15-18 x 1,0 Qual. 5
85 710-0276 Car riage Bolt 5/16-18 x 1.00" Lg Boulon ordi naire de 5/16-18 x 1,00 po de lg
31A-8012
6.9.08
AUGER HOUSING COM PO NENTS/COMPOSANTS DU LOGEMENT DES TARIÈRES
SIZE
TAILLE DE SCRIP TION AU GER HSG.
LOGEMENT
DES TARIÈRES
LH AU GERS
TARIÈRES
GAUCHE
RH AU GERS
TARIÈRES
DROIT
AUGER SHAFT
ARBRE DES
TARIÈRES
SHAVE PLATE
PLAQUE DE
RACLAGE
28”/28 po Stan dard Housing*
Logement Standard 684-04213 684-04151 684-04152 738-04156 784-5716B
28”/28 po Heavy Duty Housing (w/brace)
Robuste avec tuyau 684-04332 684-04151 684-04152 738-04156 784-5716B
30”/30 po Standard Housing*
Logement Standard 684-04215 684-04151 684-04152 738-04157 784-5715B
30”/30 po Heavy Duty Housing (w/brace)
Robuste avec tuyau 684-04333 684-04151 684-04152 738-04157 784-5715B
30”/30 po Reinforced Housing
Logement renforcé 684-04225 684-04151 684-04152 738-04157 784-5715B
33”/33 po Standard Housing*
Logement Standard 684-04214 684-04151 684-04152 738-04158 784-5714B
33”/33 po Heavy Duty Housing (w/brace)
Robuste avec tuyau 684-04220 684-04151 684-04152 738-04158 784-5714B
33”/33 po Reinforced Heavy Duty Hsg. w/brace
Logement renforcé avec tuyau 684-04222 684-04151 684-04152 738-04158 784-5714B
45”/45 po Heavy Duty Housing (w/brace)
Robuste avec tuyau 684-04224 684-04151 684-04152 738-04159 790-00280
45”/45 po Reinforced Heavy Duty Hsg. w/brace
Logement renforcé avec tuyau 684-04223 684-04151 684-04152 738-04159 790-00280
N/A = Not avail able
N/D = Non disponible
* with or with out grease fittings
* avec ou sans raccords de graissage
Standard Housing/
Logement standard
Reinforced Housing/
Logement renforcé

23
NOTES:
For parts and/or
accessories refer to
customer support on
page 2.
Adressez-vous au
«Service après-vente»
à la page 2 pour
ce qui concerne
les pièces et/ou
accessoires.

30
22 11
15
9
14 28 21
46
12
44
62
A
B
B
A
17
32
38
61
60 50 26
49 13
73
52
72
58
19
31
59
1
31
35
20
29
74
41
36
20
8
53
25
8
56
70
51
27
67
23 2
42
54
38
4
43
43
24
71
24
18
66
3
63
40
38
69
48
31
10
63
664
17
62
7
37
39
33
65
16
57
30
45
55
47
76
61
75
34
34
5
68
17
Tec.
100
101
100
Torque to 325-450 in./lbs
Serrez à un couple
de 325-450 po-lb.
Torque to 325-550 in./lbs
Serrez à un couple
de 325-550 po-lb.
29
B&S B&S
81
99
98
90
49
95
79
89
88
94
78
85
77
91
87
97
84
96
93
83
102
103
104 82
92
80
86
105
106
107
29

31
REF PART
NO.NO.
N° DE N° DE
RÉF PIÈCE DE SCRIP TION DE SCRIP TION
105244B Bear ing Hous ing Boîtier de roulement
2 618-0279 LH Dog As sem bly Bride gauche
3 618-0280 RH Dog As sem bly Bride droite
4 618-0282E Steer ing Shaft As sem bly Arbre de di rec tion
5 618-04178 Wheel Ass’y Bear ing 6.0" OD Roulement 6,0 po diam.
718-04034 Fric tion Wheel Bonded Roue de fric tion
710-0896 Hex Wash. Hd. TT Scr. 1/4-14 x .625 Vis taraudée 1/4-14 x 0,625
6 684-0118B Ac tu a tor Au ger Bracket Ass’y Sup port
7 684-0119B Ac tu a tor Drive Bracket Ass’y Sup port
8 684-04235 32T Sprocket Ass’y Pignon-32 dents
9 790-00218A Shift Bracket Sup port
10 684-04212 Fric tion Drive Sup port Sup port
11 684-04229 Shift Ass’y RodTige de commande
12 790-00217A Pivot Bracket Sup port de pivot
13 710-0538 Hex L-Bolt 5/16-18 x .62 Boulon hex 5/16-18 x 0,62
14 736-3015 Flat WasherRondelle plate
15 750-04719 Spacer .51 ID x 7.895 OD Entretoise 0,51 x 7,895 DE
16 750-04718 Spacer .51 ID x 3.66 OD Entretoise 0,51 x 3,66 DE
17 710-1652 Hex Wash Hd TT Scr. 1/4-20 x .625 Vis taraudée 1/4-20 x 0,625
18 750-04717 Spacer .51 ID x 7.895" Lg. Entretoise 0,51 DI x 7,895 po de lg.
19 710-3001 Hex Hd. C-Sunk Scr. 3/8-16 x .880 Gr. 5 Vis à cha peau 3/8-16 x 0,880 po de lg
20 750-04703 Spacer 1.0 ID x 1.5" Lg. Entretoise1,0 DI x 1,50 po de lg.
21 710-04184A Shoul der Screw .368 x .113 Vis à épaulée 0,368 ID x 0,113
22 732-04385 Tor sion Spring Ressort de tor sion
23 711-04279 Hex Drive ShaftArbre d’entraînement
24 711-04605 Ac tu a tor Shaft Arbre
25 716-04048 Re tain ing Ring Bague de retenue
26 712-0116 Hex Nut 3/8-24 Écrou hex ag o nal 3/8-24
27 712-0138 Hex Nut 1/4-28 Écrou hex ag o nal 1/4-28
28 712-04063 Flange L-Nut 5/16-18 Gr. F Ny lon Contre-écrou à embase 1/4-20 Qual. F ny lon
29 712-04065 Flange L-Nut 3/8-16 Gr. F Ny lon Contre-écrou à embase 3/8-16 Qual. F ny lon
30 712-0413 Hex Jam Locknut 5/8-18 Gr. 5 Ny lon Contre-écrou de blocage 5/8-18 Qual. 5
31 710-04484 TT Screw, 5/16-18 x .75 Vis taraudée 5/16-18 x 0,75
32 712-0717 Nut In sert 3/8-16 UNC Écrou inserer 3/8-16 UNC
33 713-0284 #41 Chain 1/2" pitch x 36 links- End less Chaîne no 41, pas de 1/2 po x 36 maillons
34 713-0286 #420 Chain 1/2" pitch x 40 links-End less Chaîne no 420, pas de 1/2 po x 40 maillons
35 713-04015 10T Sprocket #41 x .500 Pignon, 10 dents
36 714-0135 Wood ruff Key Clavette
37 714-0104 Int. Cot ter Pin 5/16 DIA Goupille fendue 5/16 DIA.
38 716-0104 E-ring Bague en «E»
39 714-0388 No. 61 Hi-Pro Key 3/16 x 5/8 Clavette Hi-Pro No 61-3/16 x 5/8
40 716-0136 Re tain ing Ring E-Type .875 dia. Bague en «E» 0,875 diam.
41 717-0302 Alu mi num Drive PlatePlaque d’entraînement en alu minium
42 732-0121 Idler Ex ten sion Spring Ressort extérieur de tendeur
43 732-0209 Ex ten sion Spring .47 OD x 2.03 Lg. Ressort d’extension 0,47 DE x 2,03 po de lg
44 712-04064 Hex Flg. L-Nut 1/4-20 Gr. F Ny lon Contre-écrou à embase 1/4-20 Qual. F ny lon
45 736-0158 Lockwasher 5/16 ID Rondelle frein 5/16 DI
46 710-0751 Hex Bolt 1/4-20 x .62 Gr. 5 Boulon hexagonale 1/4-20 x 0,62 Qual. 5
47 See tire chart on next page. Voir tab leau de la page prochaîne
48 711-04615 Clevis Pin Axe de chape
49 736-0119 L-Wash 5/16 ID Rondelle frein 5/16 DI
50 736-0300 Flat Washer .385 ID x .87 OD x .06 Rondelle plate 0,385 DI x 0,87 DE x 0,06
51 736-0329 L-Wash 1/4 ID Rondelle frein 1/4 DI
52 714-0149B Int. Cot ter PinGoupille fendue
53 737-3000 Grease Graisse
54 738-0143 Shld. Scr. .500 Dia. x .335" Lg. Vis à épaulement 0,500 po x 0,335 po de lg
55 738-0279 Drive Plate Spin dle Fusée de plaque d’entraînement
56 738-0924A Hex Shld.Scr.1/4-28 x .375 Vis à épaulement 1/4-28 x 0,375
57 741-0163A Bear ing Hsg. Ass’y. Boîtier à roulement à billes
58 741-04108 Hex Flange Bear ing Roulement
59 741-04025 Self align ing brg. 1.0 ID Palier à alignement automatique
60 741-04076 Ball Bear ing .5625 ID x 1.3750 x .437 Roulement à billes 0,5625 DI x 1,3750 x 0,437
61 741-0563 Ball Bear ing w/snap ring Roulement à billes avec bague
62 741-0748 Flange Bush ing .500 ID x .627 OD Coussinet 0,500 DI x 0,627 DE
Con tin ued on next page/Suite à la page prochaîne
10
For parts and/or
accessories refer to
customer support on
page 2.
Adressez-vous au
«Service après-vente»
à la page 2 pour ce qui
concerne les pièces
et/ou accessoires.
Parts List
Pièces
détachées

32
REF PART
NO.NO.
N° DE N° DE
RÉF PIÈCE DE SCRIP TION DE SCRIP TION
63 746-04337 Steer ing Ca ble Câble
64 746-0951 Au ger Idler Ca ble Câble
65 747-0973 Drive Clutch Rod Tige d’entraînement
66 750-0903B Split Spacer 1/2 x 5/8 x 2.69 Entretoise 1/2 x 5/8 x 2,69
67 750-0997 Spacer .625 ID x 1.0 OD x .23 Entretoise 0,625 DI x 1,0 DE x 0,23
68 750-1302B Spacer .6725ID x 1.125OD x 2.485 Entretoise 0,6725 DI x 1,125 DE x 2,485 po de lg.
69 756-0344 1/2" “V” Pul ley .625 ID x 7.50 OD Poulie de 1/2 po 0,625 DI x 7,50 DE
70 756-0625 Ca ble Guide Roller Galet de guidage
71 790-00257 Up per Frame Cover Couvercle du châssis supérieur
72 790-00259 Lower Frame Cover Couvercle du châssis inférieur
73 711-04608 Axle .995 x 12.6” Lg. (28”) Essieu 0,995 x 12,6” po de lg. (28 po)
711-04607 Axle.995 x 14.10” Lg (30” & 33”) Essieu 0,995 x 14,10” po de lg. (30 po et 33 po)
711-04606 Axle .995 x 20.4” Lg. (45”) Essieu 0,995 x 20,4” po de lg. (45 po)
74 790-00255A Trans mis sion Frame Ass’y (900) Bâti (900)
75 784-0406A Frame Sup port Bracket Sup port
76 784-0407 Axle Brg. Sup port Bracket Sup port de roulement
77 790-00254 Belt Cover Bracket Sup port de couvercle
78 710-1044 Hex Screw 3/8-24 x 1.5 Gr. 5 Vis à tête hexagonale 3/8-24 x 1,5 Qual. 5
79 710-0237 Hex Screw 5/16-24 x .625 Gr. 5 Vis à tête hexagonale 5/16-24 x 0,625 Qual. 5
80 710-0607 Hex Wash HD S-Tapp Scr 5/16-18 x .50 Vis auto-taraudeuse hex ag o nal 5/16-18 x 0,50
81 710-0624 Hex HD. Cap Scr. 5/16-24 x 1.5 Lg. Gr. 5 Vis à tête hex ag o nal 5/16-24 x 1,5 po de lg Qual. 5
82 710-0654A Hex Wash HD Tap Scr 3/8-16 x 1.00 Vis autotaraudée 3/8-16 x 1,00
83 736-3092 Flat Washer .265 ID x 1.0 OD x 0.030 HT Rondelle plate 0,265 DI x 1,0 DE x 0,030
84 714-0118 Square Key 1/4 x 1/4 x 1.50" Lg. Clavette 1/4 x 1/4 x 1,50 po de lg
85 790-00167A Belt Keeper Bracket Sup port du protecteur de la courroie
86 731-2531 Belt Cover Courvercle de la courroie
87 732-04308A Tor sion Spring .850 x 3.33" Lg. Ressort de tor sion 0,850 x 3,33 po de lg.
88 726-04012 Push on Nut Écrou poussée
89 736-0247 Flat Washer .406 ID x 1.25 OD x .160 Rondelle plate 0,406 DI x 1,25 DE x 0,160
90 748-04112B Shoul der Spacer .3175 x .5 x .094 Entretoise épaulée 0,349 x 0,5 x 0,094
91 750-04821 Shoul der Spacer .340 x 1.0 Entretoise épaulée 0,340 x 1,0
92 754-0367 V-Belt 3/8 x 34.4" Lg. Courroie trapézoïdale 3/8 x 34,4 po de lg
93 684-04169 Idler Pul ley Ass'y Poulie de tendeur
94 756-0241B Pul ley, Dbl (w/342 cc en gine) Poulie (avec 342 cc moteur)
756-04351 Pul ley, Dbl (w/305 cc en gine) Poulie (avec 305 cc moteur
95 790-00208C Idler Bracket, Drive Sup port de tendeur, entraînement
96 710-0347 Hex Hd. Cap Scr 3/8-16 x 1.75 Gr. 5 Vis à tête hexagonale 3/8-16 x 1,75 Qual. 5
97 754-04131 V-Belt 1/2 x 42" Lg. Courroie trapézoïdale 1/2 x 42 po de lg
98 756-0178 Flat Idler Tendeur
99 784-0385B Au ger Idler Bracket Sup port de ten sion de la tarière
100 735-04099 Plug 3/8" Bouchon 3/8
101 726-0221 Speed Nut .50 Écrou rapide 0,50
102 710-0809 Hex Bolt 1/4-20 x 1.25 Boulon hex. 1/4-20 x 1,25
103 748-0234 Shoul der Spacer .25 THK Entretoise épaulée
104 750-04571 Shoul der Spacer Entretoise
105 710-0627 Hex Hd.Cap Scr. 5/16-24 x 0.75 Gr. 5 Boulon hex 5/16-24 x 0,75 Qual. 5
106 GW-1166-1 Flat Wash. 1.015 x 1.375 x .062 (w/342 cc en gine) Rondelle plate 1,015 x 1,375 x 0,062 (avec 342 cc moteur)
107 750-04020 Spacer 1.004 x 1.375 x .25 Entretoise 1,004 x 1,375 x 0,25
31A-9010
6.3.08
10
For parts and/or
accessories refer to
customer support on
page 2.
Adressez-vous au
«Service après-vente»
à la page 2 pour ce qui
concerne les pièces
et/ou accessoires.
Parts List
Pièces
détachées
Wheel As sem bly De scrip tionTire Rim Bear ing Air Valve
En sem ble de roue De scrip tionRoue Jante Roulement Soupape d'air
634-0225 (LH) 16 x 6.5 x 8 X-Trac 734-2031 734-1124 741-0246A 734-0255
634-0226 (RH) 16 x 6.5 x 8 X-Trac 734-2031 734-1124 741-0246A 734-0255
634-04179A (LH) 16 x 4.8 x 8 X-Trac 734-2038 734-1532 741-0246A 734-0255
634-04180A (RH) 16 x 4.8 x 8 X-Trac 734-2038 734-1532 741-0246A 734-0255
5.29.08

33
NOTES:
For parts and/or
accessories refer to
customer support on
page 2.
Adressez-vous au
«Service après-vente»
à la page 2 pour
ce qui concerne
les pièces et/ou
accessoires.

23
NOTES:
For parts and/or
accessories refer to
customer support on
page 2.
Adressez-vous au
«Service après-vente»
à la page 2 pour
ce qui concerne
les pièces et/ou
accessoires.

22
9
Garantie
Le non-respect des
conseils d’entretien
et de lubrification
annule la garantie.
GARANTIE SUPRÊME DE QUATRE ANS
MTD PRODUCTS LIMITED s’engage à réparer ou à remplacer gratuitement, à son choix, à
l’acheteur initial, la ou les pièces qui s’avèrent défectueuses en raison d’un vice de matière ou de
fabrication dans les quatre ans qui suivent la date d’achat au détail au Canada. Cette garantie
s’applique seulement aux machines qui ont été utilisées et entretenues conformément aux instruc-
tions publiées dans la notice d’utilisation accompagnant la machine, qui n’ont pas fait l’objet d’un
emploi incorrect ou abusif, de négligence, d’un entretien inadéquat ou de modification, qui n’ont pas
été accidentées et qui n’ont pas été utilisées à des fins commerciales. Les pièces courantes font
l’objet de conditions spéciales énumérées ci-dessous dans la clause «Garantie de quatre-vingt-dix
jours au consommateur».
Le moteur, le moteur de démarrage ainsi que ses composants font l’objet d’une garantie séparée
de leurs fabricants respectifs. Veuillez consulter les conditions de garantie du fabricant en ce qui
concerne ces pièces.
«Garantie de quatre-vingt-dix jours au consommateur» des pièces courantes: Toutes les
pièces courantes sont protégées pendant 90 jours. À l’expiration du délai de 90 jours, mais avant la
fin de la période de garantie de deux quatre, les pièces courantes sont protégées si leur défaillance
résulte du vice de matière ou de fabrication d’une autre pièce. Par pièces courantes, on entend les
batteries, les courroies, les lames, les adaptateurs de lame, les sacs à herbe, les roues du plateau
de coupe des tondeuses à siège, les sièges, les pneus et les pièces de l’embrayage (roues de
frottement).
Garantie complète de quatre-vingt-dix jours sur la batterie (le cas échéant): MTD s’engage à
remplacer gratuitement à l’acheteur initial, pour une période de quatre-vingt-dix (90) jours à compter
de la date d’achat au détail, toute batterie fournie avec cette machine qui s’avère défectueuse en
raison d’un vice de matière ou de fabrication et après que nos tests aient confirmé qu’elle ne peut
maintenir une charge.
Garantie limitée supplémentaire de trente jours sur la batterie (le cas échéant): MTD
s’engage, à l’expiration de la période de quatre-vingt-dix (90) jours et avant la fin d’une période de
cent vingt (120) jours à compter de la date d’achat, à remplacer la batterie défectueuse à l’acheteur
initial, pour la moitié (1/2) du prix de détail en vigueur de la batterie à la date du retour de celle-ci.
Utilisation personnelle: LES PARAGRAPHES PRÉCÉDENTS CONSTITUENT LA GARANTIE
COMPLÈTE DU FABRICANT COUVRANT TOUTE MACHINE ACHETÉE ET UTILISÉE À DES FINS
PERSONNELLES, FAMILIALES. DOMESTIQUES/RÉSIDENTIELLES ET NON COMMERCIALES.
Utilisation commerciale: TOUTES LES UTILISATIONS AUTRES QUE L’UTILISATION PERSON-
NELLE TELLE QUE DÉCRITE CI-DESSUS SONT CONSIDÉRÉES COMMERCIALES.
Les machines neuves achetées à des fins commerciales sont garanties de la même manière et dans
les mêmes conditions, MAIS pour une durée de 90 jours à compter de la date d’achat.
Pour obtenir le service sous garantie: Tout concessionnaire-réparateur agréé par MTD est en
mesure d’assurer tout service sous garantie sur présentation d’une preuve d’achat. Si vous ne con-
naissez pas le concessionnaire-réparateur de votre localité, adressez-vous au service après-vente,
MTD PRODUCTS LIMITED, C. P. 1386, KITCHENER (ONTARIO) N2G 4J1. Une machine complète
ne peut être retournée à l’usine que si elle est accompagnée d’une autorisation écrite préalable de
MTD PRODUCTS LIMITED.
Autres garanties: Toutes les autres garanties, exprimées ou tacites, y compris les garanties
tacites de qualité marchande, se limitent à la durée stipulée dans la garantie limitée exprimée. Les
conditions stipulées dans cette garantie représentent les seules obligations de MTD PRODUCTS
LIMITED découlant de la vente de ses produits. MTD PRODUCTS LIMITED n’est pas responsable
de toute perte ni de tout dommage indirect ou accidentel.
12.08.06

21
REMARQUE: Ce
chapitre concerne
des problèmes
d’entretien mineurs.
Pour plus de détails,
adressez-vous au
service après-vente.
8
Dépannage
Cause(s) Problème Solution
Le moteur ne démarre pas 1. Volet de départ n’est pas fermé.
2. Fil de la bougie débranché.
3. Réservoir vide ou essence éventée.
4. Bouton de l’amorceur n’étant pas employé
correctement.
5. Bougie défectueuse.
6. Canalisation de carburant bouchée.
7. La clé de contact du moteur n’est pas
mise.
8. Robinet d’arrivée de carburant fermé.
1. Selectioner la position “volet de départ”.
2. Branchez le fil de la bougie.
3. Faite le plein avec une essence propre et
fraîche.
4. Consultez le chapitre “Utilisation de la
Souffleuse”.
5. Nettoyez, réglez l’écartement ou remplacez
la bougie.
6. La nettoyer.
7. Mettez la clé.
8. Ouvrez le robinet.
Fonctionnement irrégulier 1. Enlever de la position “volet de
départ”.
2. Nettoyez la canalisation; faites le plein
avec une essence propre.
3. Débranchez la canalisation d’essence
au carburateur pour vider le réservoir
d’essence. Faites le plein avec une
essence fraîche.
4. Adressez-vous à une station technique.
1. Machine fonctionnant avec le volet de
départ fermé.
2. Canalisation de carburant bouchée ou
essence éventée.
3. Eau ou saleté dans le système d’essence.
4. Carburateur est mal réglé.
1. Addressez-vous à une station technique.1. Carbureteur est mal réglé.Moteur surchauffe
Perte de puissance 1. Branchez et serrez le fil de la bougie.
2. Dégagez la glace et la neige du chapeau.
Assurez-vous de la propreté d’aération.
3. Adressez-vous à une station technique.
1. Fil de la bougie desserré.
2. Chapeau d’échappement d’aération
bouché.
3. Le port déchappement est bouché.
La souffleuse n’avance pas 1. Réglez le câble d’entraînement.
Voir le Réglages.
2. Remplacez la courroie d’entraînement.
3. Remplacez la roue de frottement.
Vibration excessives 1. Pièces desserrées ou vis sans fin
endommagée.
1. Arrêtez immédiatement le moteur et
débranchez le fil de la bougie. Serrez tous
les boulons et écrous. Si les vibrations
persistent, faites vérifier la machine par une
station technique agréée.
La souffleuse n’évacue pas la
neige
1. Arrêtez immédiatement le moteur et
débranchez le fil de la bougie. Nettoyez
la goulotte d’évacuation et l’intérieur du
logement de la tarière.
2. Arrêter immédiatement le moteur et
débranchez le fil de la bougie. Dégagez le
corps étranger de la tarière avec l’outil de
dégagement de la goulotte ou un bâton.
3. Voir Test de commande de la tarière.
4. Voir le Régime d’entretien.
5. Remplacez la goupille de cisaillement.
1. Goulotte d’évacuation bouchée.
2. Présence de corps étranger dans la
tarière.
3. Câble d’entraînement de la tarière mal
réglé.
4. Courroie d’entraînement de la tarière
abîmée ou ayant du jeu.
5. Goupille de cisaillement est cisaillé.
1. Câble d’entraînement mal réglé.
2. Courroie d’entraînement abîmée ou ayant
du jeu.
3. La roue de frottement est usée.

20
7
Remisage
hors saison
N’entreposez jamais
le moteur avec du
carburant dans le rés-
ervoir à l’intérieur ou
dans des endroits fer-
més si la ventilation
n’est pas adéquate
et si les vapeurs de
carburant peuvent
venir en contact avec
une flamme ou une
étincelle ou veilleuse
d’un chauffe-eau,
un radiateur, un
fourneau, un
sêche-linge ou autre
appareil à gaz.
Si le moteur doit être entreposé pendant plus de 30 jours,
préparez-le de la façon selon les instructions fournies
dans la notice d’utilisation du moteur qui accompagne
votre souffleuse.
Consultez la notice d’utilisation du moteur.•
Enlevez tout les débris sur l’extérieur de la souffle-•
use.
Suivez les renseignements de lubrification à la page •
16.
Entreposez la souffleuse dans un endroit sec et •
propre.
Prenez soin, avant de remiser une machine à •
moteur dans un abri métallique ou mal aéré, de bien
la protéger contre la rouille. Enduisez la machine
en particulier les chaînes, ressorts, roulements et
câbles, d’une couche d’huile légère ou de silicone.
AVERTISSEMENT

19
Roue de frottement
Figure 6-12
Retirez la
vis à tête
hex. et la
rondelle
Roue de
frottement
Glissez
l’arbre
hexagonal
Arbre hex.
4. Installez la courroie neuve sur les poulies
en procédant dans l’ordre inverse et ajustez
la tension avec la poulie de tension.
5. Remontez la machine en effectuant les
étapes précédentes dans l’ordre inverse.
Changement de la bague en
caoutchouc de la roue de
frottement
AVERTISSEMENT: Laissez
tourner le moteur jusqu’à
ce qu’il tombe en panne
d’essence avant de faire
basculer la souffleuse.
• Basculez la souffleuse vers l’avant pour la
faire reposer sur l’habitacle.
• Enlevez les vis auto-taraudeuses du
couvercle du châssis, sous la souffleuse.
Voir la Figure 6-12.
Figure 6-14
La bague de
caoutchouc de la
roue de frottement a
tendance à s’user et
devrait être vérifiée
périodiquement.
Remplacez la bague
en caoutchouc de la
roue de frottement
dès l’apparition de
signes d’usure ou si
vous apercevez des
fendillements.
• Enlevez la roue (les roues) droite et dégagez celle-ci
de l’essieu.
• Utilisez une clé de 3/4 po pour maintenir l’arbre hexagonal,
puis retirez la vis à tête hex. et la rondelle creuse du côté
gauche du châssis. Voir la Figure 6-12.
• Tenez la roue de frottement et dégagez l’arbre
hexagonal de la machine en le glissant vers le côté
droit. La rondelle d’écartement sur la gauche de l’arbre
hex. va tomber et le pignon devrait rester accroché
dans la chaîne.
• Dégagez la roue de frottement entre l’arbre de l’essieu
et l’arbre d’entraînement.
• Enlevez les quatre vis de l’ensemble de la roue de
frottement et retirez le caoutchouc de la roue de
frottement de la plaque de serrage. Voir la Figure 6-13.
Jetez le vieux caoutchouc.
• Installez le nouveau caoutchouc de la roue de frotte-
ment sur la roue de frottement. Serrez les quatre vis
l’une après l’autre dans l’ordre avec une force égale.
Pour un fonctionnement correct, il est très important
que la bague de caoutchouc soit bien montée de
façon symétrique.
• Positionnez la roue de frottement sur la goupille du
levier de vitesses. Voir la Figure 6-14.
• Faites passer l’arbre hexagonal à travers le côté droit
de l’habitacle et à travers la roue de frottement.
• Glissez l’arbre hexagonal dans le trou du pignon, dans
la rondelle d’espacement et dans le roulement à billes
du côté gauche. Assurez-vous que la chaîne engage
les grand et petit pignons.
REMARQUE: Si le pignon est tombé de la souffleuse
pendant le démontage de l’arbre hex., alignez le pignon
sur la chaîne puis placez-le sur l’arbre hex. Tournez le
moyeu hex. du pignon vers la roue de frottement en
glissant le pignon sur l’arbre hex.
Figure 6-13
• Faites glisser le roulement sur l’extrémité gauche de
l’arbre hexagonal par l’extérieur du châssis et serrez
le roulement dans le trou du côté gauche du châssis.
• Maintenez en place avec la rondelle creuse et le
boulon hex. enlevée précédemment.
• Maintenez le couvercle du châssis en place avec
les six vis auto-taraudeuses. Reposez la souffleuse
dans sa position de fonctionnement normale.
6
Entretien
AVERTISSEMENT
Bras de commande

18
9. Bloquez la turbine avec une cale en bois pour
l’empêcher de tourner et utilisez une clé de 1/2 po
pour enlever la vis à tête hex. et la rondelle du milieu
de la poulie sur l’habitacle de la tarière. Voir la Figure
6-10.
10. Dégagez le support du frein de la gorge de la poulie
et libérez la poulie des taquets de l’adaptateur de la
poulie de la tarière pour enlever la courroie usagée.
Voir la Figure 6-10.
REMARQUE : L’adaptateur de la poulie peut se dégager
de l’arbre d’admission de la tarière pendant le démon-
tage de la poulie. Assurez-vous que l’adaptateur ne
tombe pas et/ou ne soit pas endommagé en démontant
la poulie.
11. Placez la courroie neuve dans la gorge en V de
la poulie de la tarière et positionnez la poulie et la
courroie sur l’intérieur des guides de courroie.
12. Tournez la poulie selon le besoin pour aligner les trois
fentes avec les taquets de l’adaptateur de la poulie,
puis éloignez le support du frein de l’arbre d’admission.
Poussez la poulie de la tarière à fond sur l’adaptateur
tout en alignant les fentes de la poulie et les taquets de
l’adaptateur. Voir la Figure 6-10.
REMARQUE : Si l’adaptateur de la poulie a été démonté
en même temps que la poulie, alignez les cannelures
de l’adaptateur de la poulie et l’arbre d’admission de la
tarière et poussez la poulie et l’adaptateur sur l’arbre
d’admission. Voir la Figure 6-10.
13. Glissez la rondelle sur la vis à tête hex. enlevée plus
tôt et appliquez le produit Loctite 262 sur les filets de
la vis à tête hex.
14. Enfoncez la vis à tête hex. dans la poulie et dans les
filets de l’arbre d’admission. Serrez la vis à tête hex.
à un couple de 250-325 po/lb pour bien maintenir la
poulie de la tarière sur l’arbre d’admission.
Si vous remplacez aussi la courroie d’entraînement,
suivez les instructions du paragraphe «Courroie
d’entraînement». Sinon, procédez dans le sens inverse
au démontage.
REMARQUE : N’oubliez pas d’enlever la cale en bois
qui bloque la turbine.
Réglage correct: Quand la commande de la tarière
n’est pas enclenchée, la surface supérieure de la cour-
roie neuve doit être de niveau avec la diamètre extérieur
de la poulie.
1. Pour faire le réglage, dégagez la virole du support
du frein et tournez-la vers la poulie de tension pour
augmenter la tension de la courroie ou dans l’autre
sens pour la réduire.
REMARQUE: Le galet du frein, qui fait partie du support
du frein, doit toujours être bien enfoncé dans la gorge
de la poulie quand la commande de la tarière n’est pas
enclenchée.
IMPORTANT: Effectuez à nouveau le «Test de la com-
mande des tarières» avant d’utiliser la souffleuse.
Figure 6-11
Figure 6-9
Courroie d’entraînement:
1. Si cela n’a pas encore été fait, démontez la courroie de la
tarière selon les instructions fournies précédemment.
a. Éloignez la poulie de tension de l’arrière de la courroie
d’entraînement pour relâcher la tension.
b. Dégagez la courroie de la poulie de tension. Voir la
Figure 6-11. Relâchez la poulie de tension doucement.
2. Dégagez la courroie d’entraînement de la poulie
d’entraînement du bas.
3. Dégagez la courroie d’entraînement de la poulie de
moteur.
6
Entretien
AVERTISSEMENT
Débrayez toutes
les commandes et
arrêtez le moteur
avant de lubrifier,
de réparer ou
d’inspecter la ma-
chine. Attendez que
toutes les pièces en
mouvement se soient
immobilisées. En-
levez la clé de sûreté
pour empêcher tout
démarrage accidentel
du moteur.
Consultez la partie
concernant le Réglage
final dans le chapitre
Instructions de
Montage après avoir
remplacé la courroie
d’entraînement et
courroie d’entraînement
de la tarière.
Figure 6-10
1b
2
1a
3
A
C
B
Taquet de
l’adaptateur
Fente de
la poulie

17
6
Remplacement de les courroies
Pour démonter et remplacer la courroie des tarières ou la
courroie d’entraînement, suivez les instructions ci-des-
sous et procédez selon les instructions données sous
leurs rubriques respectives.
1. Débranchez la manivelle de la goulotte à la goulotte
en retirant la goupille fendue et la rondelle plate. Voir la
Figure 6-8.
2. Enlevez le couvre-courroie en plastique sur le devant
du moteur en retirant les trois vis autotaraudeuses. Voir
la Figure 6-4.
3. a. Desserrez le boulon, représenté à la Figure 6-5,
qui maintient le support du guide de courroie, puis
retirez l’autre boulon.
b. Éloignez le guide de courroie et le support de la
poulie motrice. Voir la Figure 6-5.
Courroie d’entraînement de la tarière
4. Retirez la goupille fendue et la rondelle plate de la
virole pour dégager la tige de tension de la tarière du
support du frein, comme à la Figure 6-6.
5. Dégagez la courroie d’entraînement de la tarière
(courroie avant) de la poulie motrice.
IMPORTANT
Ne remplacez JAMAIS
les goupilles de cisaille-
ment avec des boulons
ordinaires. Les dégâts
à l’ensemble de la vis
sans fin ou à d’autres
composants en
résultant ne seront pas
couverts par la garantie
de votre souffleuse.
Vérifiez l’état de la
courroie des tarières
et de la courroie
d’entraînement
toutes les 25 heures
d’utilisation de la
souffleuse. Remplacez
toute courroie qui paraît
usée.
Les caractéristiques
techniques peuvent
être modifiées sans
préavis ni obligation.
Les photos sont
fournies à titre indicatif
seulement et peuvent
ne pas représenter
votre modèle exact.
Figure 6-5
Figure 6-4
Figure 6-6
Figure 6-7
Entretien
Figure 23
Desserrez
Éloignez
6. Tirez le support du frein vers le galet de guidage du
câble et décrochez le raccord en «Z» du câble de la
tarière. Voir la Figure 6-7.
7. Utilisez une clé de 1/2es de po pour retirer les trois
vis taraudeuses à tête hex. de chaque côté du châs-
sis. Ces vis maintiennent le châssis sur l’habitacle
de la tarière. Voir la Figure 6-8.
REMARQUE : N’enlevez pas l’écrou de blocage à six
pans à bride de chaque côté.
8. Placez une cale en bois sous l’habitacle de la tarière,
comme à la Figure 6-9 et séparez l’habitacle de la
tarière du châssis en faisant basculer l’habitacle vers
l’avant et en tirant sur les poignées.
Figure 6-8

16
Figure 6-1
Figure 6-2
Lubrification
Mécanisme d’entraînement et de change-
ment de vitesse
Démontez le capot arrière au moins une fois par saison
ou toutes les 25 heures d’utilisation. Lubrifiez les chaînes,
pignons, engrenages, roulements, arbres et le mécanisme
de changement de vitesse au moins une fois par saison.
Utilisez une huile à moteur ou un lubrifiant à vaporiser.
Voir la Figure 6-1.
IMPORTANT: Évitez de répandre de l’huile sur la roue de
frottement en caoutchouc et sur la plaque d’entraînement.
Roues
Huilez ou vaporisez du lubrifiant sur les roulements des
roues au moins une fois par saison. Démontez les roues,
nettoyez et enduisez les essieux d’une graisse automobile
à usages multiples.
Arbre de la tarière
Enlevez les goupilles de cisaillement sur l’arbre de la
tarière, au moins une fois par saison. Vaporisez un
lubrifiant à l’intérieur de l’arbre et autour des entretoises.
Lubrifiez aussi les roulements à bride trouvés à chaque
extrémité de l’arbre de la tarière. Voir la Figure 6-2.
Tarières
• Les goupilles de cisaillement et goupilles fendues
maintiennent les tarières sur l’arbre de la tarière. Les
goupilles sont sensées se cisailler si la souffleuse
heurte un objet ou un bloc de glace. Voir la Figure 6-2.
• Si les tarières ne tournent pas, vérifiez si les goupilles
se sont cisaillées. Deux goupilles de cisaillement et
deux goupilles fendues de rechange sont fournies.
Vaporisez un lubrifiant à base d’huile sur l’arbre avant
d’installer les goupilles.
Lame et patins
La lame plate et les patins sont installés sous la souffleuse
et ils risquent de s’user. Vérifiez-les régulièrement et
remplacez-les au besoin.
Pour démonter les patins:
1. Enlevez les boulons ordinaires (et la rondelle plate le
cas échéant) et les contre-écrous à embase qui les
maintiennent sur la souffleuse.
2. Remontez les nouveaux patins avec la boulonnerie
enlevée précédemment. Assurez-vous que les patins
sont ajustés pour être de niveau. Voir la Figure 6-3.
Pour démonter la lame plate:
1. Enlevez les boulons ordinaires et les contre-écrous
à embase qui la maintiennent sur l’habitacle de la
souffleuse.
2. Installez la lame plate neuve en vous assurant que la
tête des boulons ordinaires se trouve sur l’intérieur de
l’habitacle. Serrez à fond.
Figure 6-3
Goupille cisaillement
Bouchon de l’évent
Raccord
graisseur (en option)
Roulement
EntretoiseGoupille fendue
Arbre de
la tarière
Moteur
Consultez la notice d’utilisation du moteur, fournie avec
votre machine quant aux instructions d’entretien et de
lubrification du moteur.
6
Entretien
Évitez de répandre
de l’huile sur la roue
de frottement en
caoutchouc et sur la
plaque d’entraînement.
AVERTISSEMENT
Débrayez toutes
les commandes et
arrêtez le moteur
avant de lubrifier,
de réparer ou
d’inspecter la ma-
chine. Attendez que
toutes les pièces en
mouvement se soient
immobilisées. En-
levez la clé de sûreté
pour empêcher tout
démarrage accidentel
du moteur.
Roue de
frottement
Arbre
d’engrenage
d’entraînement
Plaque

15
5
IMPORTANT: Il est
déconseillé d’utiliser la
souffleuse sur une surface
recouverte de gravier
qui, s’il est projeté par la
tarière, peut causer des
blessures corporelles et
des dégats matériels.
Si pour une raison
quelconque, vous devez
utiliser la souffleuse sur
une surface recouverte de
gravier, réglez les patins
à la position la plus haute
pour assurer un dégage-
ment maximal entre le sol
et la lame plate.
Réglages
Figure 5-4
Patins
L’espace entre la lame plate et le sol peut être modifié en
relevant ou en abaissant les patins.
Pour déblayer la neige d’une surface lisse en béton ou
en goudron, placez les patins à la position basse. Utilisez
la position haute ou intermédiaire si la zone à dégager
est irrégulière. Sur une surface recouverte de gravier,
placez toujours les patins à la position la plus haute. Voir
la Figure 5-4.
Procédez comme suit pour ajuster les patins :
1. Desserrez les écrous à six pans qui maintiennent les
patins sur l’habitacle de la tarière, mais ne les retirez
pas.
2. Relevez ou abaissez le patin à la position voulue.
3. Serrez les écrous à six pans desserrés plus tôt.
REMARQUE: Vérifiez que toute la surface inférieure des
patins est de niveau et en contact avec le sol pour éviter
leur usure inégale.
4. Répétez l’ajustement sur l’autre patin.
Commande de la tarière
Consultez les instructions à la page 9 pour ajuster la
commande de la tarière. Vérifiez bien que l’ajustement
est correct avant d’utiliser la souffleuse.
Goulotte d’éjection
Il est possible d’ajuster la distance de projection de la
neige en modifiant l’inclinaison de la goulotte. Référez-
vous au chapitre «Commandes de la souffleuse».
Les câbles de la commande à distance de la goulotte ont
été réglés à l’usine. Déplacez la commande à distance
d’avant en arrière sur le tableau de commande pour
ajuster l’angle de la goulotte.
Ajustement du support de la
goulotte
Il est possible d’ajuster le support de la goulotte si la vis
sans fin, à la base de la commande de direction de la
goulotte, ne s’enclenche pas avec la goulotte. Procédez
comme suit :
1. Desserrez les deux écrous qui maintiennent le support
de la goulotte et ajustez légèrement la position de
celui-ci. Voir la Figure 5-5.
2. Resserrez les écrous.
Figure 5-5

14
5
Réglages
Lisez, comprenez,
et suivez toutes les
instructions et les
consignes sur la
machine et dans
ce notice avant le
fonctionnement.
N’essayez jamais
d’effectuer un réglage
quelconque pendant
que le moteur
tourne, sauf en cas
d’instructions spé-
ciales dans la notice
d’utilisation.
Laissez tourner le
moteur jusqu’à ce
qu’il tombe en panne
d’essence avant
de faire basculer la
souffleuse.
AVERTISSEMENT
Tige du levier de vitesses
S’il n’est pas possible d’utiliser toutes les vitesses (avant
et arrière), voir la Figure 5-1 et ajustez le levier de
vitesses comme suit:
1. Regardez sous le tableau de bord et notez dans
lequel des trois trous du levier de vitesses la virole
a été insérée. Notez aussi le sens de l’insertion.
Retirez ensuite la goupille fendue interne et la
rondelle plate qui se trouvent sur la virole et dégagez
la virole du levier de vitesses. Voir la Figure 5-1.
2. Placez le levier de vitesses à la 6e position ou
marche avant la plus rapide.
3. Abaissez le levier de vitesses le plus bas possible.
4. Vissez ou dévissez la virole sur la tige du levier de
vitesses selon le besoin, jusqu’à ce que la virole soit
alignée avec le trou dans lequel elle se trouvait plus
tôt. Voir la Figure 5-1.
5. Installez la virole dans le trou approprié, dans le
sens noté précédemment.
6. Ré-installez la rondelle et la goupille fendue interne.
Commande de l’entraînement des
roues
AVERTISSEMENT: Laissez tourner
le moteur jusqu’à ce qu’il tombe
en panne d’essence avant de faire
basculer la souffleuse.
Consultez la partie concernant le Réglage final dans
le chapitre Instructions de Montage pour régler la
commande d’entraînement. Pour vérifier ce réglage,
procédez comme suit:
1. Basculez la souffleuse vers l’avant et faites-la
reposer sur l’habitacle de la tarière.
2. Retirez le couvre-châssis du dessous de la souffle-
use en enlevant les vis auto-taraudeuses. Voir la
Figure 5-2.
3. Débrayez la commande de l’entraînement et vérifiez
s’il y a suffisamment d’espace entre la roue de
frottement et la plaque d’entraînement, à toutes les
positions du levier de vitesses. Voir la Figure 5-3.
4. Embrayez la commande de l’entraînement, vérifiez si
la roue de frottement touche la plaque d’entraînement.
Voir la Figure 5-3. Sinon, faites l’ajustement suivant :
a. Desserrez le contre-écrou sur le câble de
l’entraînement et vissez ou dévissez le câble selon
le besoin.
b. Resserrez le contre-écrou pour maintenir le câble
lorsque l’ajustement voulu est obtenu.
5. Remontez le couvre-châssis.
Figure 5-1
Figure 5-2
Figure 5-3
Roue de
frottement
Ouverture
de support
d’essieu
Plaque
d’entraînement

13
REMARQUE: Servez-
vous des vitesses
plus lentes jusqu’à ce
que vous connaissiez
mieux la souffleuse.
IMPORTANT
Ne déplacez JAMAIS
le levier de vitesses
sans avoir d’abord
lâché l’embrayage de
l’entraînement des
roues. Ceci causera
l’usage prématuré sur
la roue de frottement
de système.
Arrêt du moteur
Laissez tourner le moteur pendant quelques minutes pour
sécher toute l’humidité qui aurait pu s’y accumuler.
• Pour empêcher le démarreur de geler, procédez
comme suit avant d’arrêter le moteur:
• Placez l’interrupteur à bascule à la position « Off ».
• Enlevez la clé de sécurité.
• Fermez la soupape d’arrêt du carburant (le cas éché-
ant).
• Enlevez toute la neige et l’humidité du couvercle du
carburateur et près des manettes de commande.
Déplacez celle-ci plusieurs fois.
Pour embrayer la transmission
1. Avec le moteur en marche, placez le levier de
changement de vitesse à l’une des six positions de
marche avant (F) ou à l’une des deux positions de
marche arrière (R). Choisissez la vitesse adaptée aux
conditions présentes.
2. Pressez la commande de la transmission contre le
guidon droite pour avancer la souffleuse; lâchez-la
pour arrêter.
Pour embrayer les tarières
1. Pour embrayer les tarières et pour commencer à
projeter la neige, pressez la poignée d’embrayage
gauche de la tarière contre le guidon gauche. Lâchez
la poignée pour arrêter les tarières.
2. Alors que la commande de la tarière est embrayée,
pressez la commande de la transmission pour
avancer. Lâcher-la pour arrêter. Ne changez pas de
vitesse quand la commande de la transmission est
embrayée.
REMARQUE: La commande de la transmission permet
de bloquer la commande de la tarière pour permettre au
conducteur d’orienter la goulotte sans cesser de projeter
la neige.
3. Débrayez la commande de la tarière ; le mécanisme
de blocage maintient la tarière engagée jusqu’à ce
que la commande de la transmission soit débrayée.
4. Lâchez la commande de la transmission pour arrêter
la tarière et les roues. Pour arrêter la tarière les deux
poignées doivent être débrayées.
Conseils d’utilisation
REMARQUE: Laissez le moteur tourner pendant
quelques minutes, car il ne développe toute sa puissance
que lorsqu’il atteint sa température de fonctionnement
normale.
AVERTISSEMENT: La température du
silencieux et des zones voisines peut
dépasser 150°F (65°C). Évitez de les
toucher.
1. Le déblaiement sera plus facile s’il est effectué peu de
temps après une chute de neige.
2. Dans la mesure du possible, projetez la neige dans le
sens du vent.
3. Chevauchez légèrement les passages successifs.
4. Réglez les patins à 1/4 de po en dessous de la lame
plate pour un déblaiement normal. On peut relever les
patins en cas de neige tassée. Abaissez-les sur les
allées recouvertes de gravier.
Recommandations d’ordre général
1. Suivez toujours les consignes de sécurité lors de tout
entretien de la souffleuse.
2. La garantie de cette souffleuse ne couvre pas les
articles et pièces qui ont fait l’objet d’un abus ou d’une
négligence de la part de l’utilisateur. Pour bénéficier
pleinement de la garantie, l’utilisateur doit entretenir
la souffleuse selon les instructions de cette notice
d’utilisation.
3. Il est nécessaire d’effectuer certains ajustements
périodiquement pour bien entretenir votre souffleuse.
4. Vérifiez régulièrement que toute la boulonnerie est
bien serrée.
La température du
silencieux et des
zones voisines peut
dépasser 150°F
(65°C). Évitez de les
toucher.
4
Utilisation
de la
souffleuse
AVERTISSEMENT

12
Outil de dégagement de la goulotte
AVERTISSEMENT: Ne dégagez jamais
une goulotte bouchée à la main.
Arrêtez le moteur et restez derrière le
guidon jusqu’à ce que toutes les pièces
se soient immobilisées avant d’essayer
de dégager la goulotte.
Cet outil est maintenu sur l’arrière de l’habitacle de la
tarière par une attache.
1. Débrayez la manette de commande de la tarière et la
manette de blocage de la traction/tarière.
2. Arrêtez le moteur en déplacant l’interrupteur à
bascule à la position « Off ». Enlevez la clé de
sécurité.
3. Détachez l’outil de dégagement de la goulotte de sa
position sur l’arrière de l’habitacle de la tarière.
4. Utilisez l’extrémité en forme de pelle pour déloger et
retirer la neige ou la glace qui s’est accumulée dans
la goulotte.
5. Replacez l’outil de dégagement sur l’attache à
l’arrière de l’habitacle de la tarière et faites démarrer
la souffleuse.
6. Tenez-vous au poste de conduite (derrière la
souffleuse) et embrayez la commande de la tarière
pendant quelques secondes pour dégager tout reste
de neige ou de glace de la goulotte d’éjection.
Patins
Positionnez les patins en fonction de la surface de
travail. Redressez-les si la neige est tassée et abaissez-
les pour travailler sur des surfaces recouvertes de
gravier ou de pierre concassée. Consultez le chapitre
«Réglages ».
Phare
Le phare s’allume quand le moteur tourne.
Pleins d’essence et d’huile
Vérifiez le niveau d’huile et d’essence et ajouter au
besoin. Suivez les instructions fournies dans la notice
d’utilisation du moteur qui accompagne la souffleuse.
Veuillez lire ces instructions attentivement.
Pour faire démarrer le moteur
1. Assurez-vous que les commandes de la tarière et de
l’entraînement sont débrayées (relâchées).
2. Ouvrez la soupape d’arrêt du carburant (le cas éché-
ant) et vérifiez que l’interrupteur à bascule se trouve
en position « On » pour mettre le moteur en marche.
3. Enfoncez la clé de sécurité.
4. Tournez le bouton du volet de départ à la position
VOLET PLEIN (démarrage à froid).
REMARQUE: Si le moteur est chaud, tournez le volet de
départ à la position SANS VOLET au lieu de VOLET
PLEIN.
5. Pressez deux fois sur l’amorceur si la température est
supérieure à 15ºF (-9ºC), quatre fois si elle est inférieure
à 15ºF (-9ºC) pour faire démarrer un moteur froid.
N’oubliez pas de recouvrir l’évent au milieu de l’amorceur
pendant que vous appuyez.
REMARQUE: N’AMORCEZ PAS un moteur chaud après un
arrêt bref.
Démarreur électrique (sur certains modèles)
1. Vérifiez que le câblage de votre maison comporte trois fils
reliés à la terre. Si vous n’êtes pas certain, renseignez-
vous auprès d’un électricien.
AVERTISSEMENT: Ce démarreur (en
option) est équipé d’un fil et d’une prise
électrique à trois fils et il est conçu
pour fonctionner sur un courant de 120
volts, C.A. Il doit toujours être relié à
la terre pour éviter la possibilité d’une
décharge électrique qui pourrait blesser
le conducteur. Suivez soigneusement
toutes les instructions avant d’utiliser le
démarreur électrique.
Si vous avez une prise de courant à trois trous relié à la terre,
procédez comme suit:
1. Branchez le fil électrique dans le démarreur, sur le
moteur. Branchez l’autre extrémité du fil dans une prise
de courant de 120 volts C.A. à trois trous mise à la terre
dans un endroit bien-aéré.
2. Appuyez sur le bouton du démarreur jusqu’à ce que le
moteur se mette en route.
3. Quand le moteur démarre, lâchez le bouton du démarreur
immédiatement.
4. Au fur et à mesure que le moteur chauffe, tournez lente-
ment le bouton du volet de départ vers la position SANS
VOLET . Si le moteur hésite, tournez à nouveau
le bouton du volet de départ à la position VOLET PLEIN,
puis revenez lentement à la position SANS VOLET.
5. Débranchez d’abord le fil électrique de la prise de courant
avant de débrancher l’autre extrémité de la souffleuse.
Démarreur à lanceur
1. Tirez lentement sur la poignée du démarreur à lanceur
jusqu’à ce que vous sentiez une légère résistance.
Laissez la corde s’enrouler lentement.
2. Tirez à nouveau, mais rapidement. Ne laissez pas la
poignée revenir brusquement contre le moteur, mais
laissez-la s’enrouler lentement tout en le retenant.
3. Au fur et à mesure que le moteur chauffe, tournez lente-
ment le bouton du volet de départ vers la position SANS
VOLET . Si le moteur hésite, tournez à nouveau
le bouton du volet de départ à la position VOLET PLEIN,
puis revenez lentement à la position SANS VOLET.
REMARQUE: Laissez le moteur tourner pendant quelques
minutes, car il ne développe toute sa puissance que lorsqu’il
atteint sa température de fonctionnement normale.
4
Lisez, comprenez,
et suivez toutes les
instructions et les
consignes sur la
machine et dans
ce notice avant le
fonctionnement.
Faites très attention
en manipulant de
l’essence. L’essence
est extrêmement
inflammable et les va-
peurs sont explosif.
Ne faites jamais le
plein d’essence à
l’intérieur, pendant
que le moteur tourne
ou quand le moteur
est chaud. Éteignez
toute cigarettes ou
pipe, tout cigare ou
toute autre source
incandescente.
AVERTISSEMENT
Utilisation
de la
souffleuse

11
Commande de la tarière
Elle se trouve sur la poignée gauche. Serrez la com-
mande pour embrayer la tarière. Lâchez-la pour arrêter
la projection de la neige. Cette commande doit aussi être
débrayée pour arrêter la tarière.
Commande de
direction de la goulotte
La commande de direction de
la goulotte est placé sur le côté
gauche de la souffleuse.
Pour changer la direction dans
laquelle la neige est projetée,
tournez la manivelle de la com-
mande de direction de la goulotte
comme suit:
• Tournez la manivelle dans le
sens des aiguilles d’une montre
pour décharger la neige à gauche.
• Tournez la manivelle en sens inverse pour décharger
la neige à droite.
Commande d’orientation des roues
Les commandes d’orientation des roues
de droite et de gauche se trouvent en
dessous des poignées.
Serrez la commande de droite pour
tourner vers la droite ou serrez celle de gauche pour
tourner vers la gauche.
REMARQUE: Utilisez la souffleuse dans des espaces
dégagés jusqu’à ce que vous soyez plus habitué aux
commandes.
Commande de l’entraînement /Blocage de
la commande de la tarière
Cette commande se trouve sur la poignée droite. Serrez
la commande pour embrayer les roues. Lâchez-la pour
les arrêter.
Cette même manette sert aussi à bloquer la commande
de la tarière, ce qui permet de manœuvrer la manivelle
de la goulotte sans interrompre la projection de la
neige. Si la commande de la tarière et la commande
de l’entraînement sont embrayées simultanément, il
est possible de lâcher la commande de la tarière (sur
la poignée gauche) et de garder la tarière enclenchée.
Lâchez la commande de l’entraînement pour arrêter la
tarière et les roues (la commande de la tarière doit aussi
être lâchée).
IMPORTANT: Ne déplacez JAMAIS le levier de vitesses
(pour changer de vitesse ou de sens de déplacement)
sans avoir au préalable débrayé la commande de la
transmission et avoir complètement arrêté la souffleuse.
Ceci pourrait causer l’usure prématurée de la transmis-
sion de la souffleuse.
Commutateur de chauffage des
poignées (le cas échéant)
Il se trouve sur la droite du tableau de commande de
la souffleuse. Pour chauffer les poignées, poussez
le commutateur à la position «Marche». Poussez le
commutateur à la position «Arrêt», après avoir utilisé la
souffleuse.
REMARQUE: Les poignées chauffées sont à utiliser
en conjonction avec des gants ou moufles appropriés.
Nous recommandons le port de gants ou moufles lors de
l’utilisation de la souffleuse.
Commande de la goulotte
à 2 fonctions
Cette manette à 2 fonctions permet
de contrôler la distance de projection
de la neige par la goulotte. Inclinez la
manette vers l’avant ou vers l’arrière
pour ajuster la distance de projection.
4
Toute souffleuse
en cours de
fonctionnement peut
projeter un objet vers
les yeux, d’où le risque
de blessures graves.
Portez toujours des
lunettes de sécurité
en travaillant avec une
souffleuse et en effectu-
ant toute réparation ou
tout ajustement sur la
souffleuse.
Assurez-vous que
personne ne se tient
à proximité de la
souffleuse lors du
démarrage ou pendant
son utilisation. Ne
faites jamais tourner
le moteur à l’intérieur
ou dans un local clos
ou mal ventilé. Les
gaz d’échappement du
moteur contiennent du
monoxyde de carbone,
un gaz inodore mortel.
Éloignez toujours vos
mains, pieds, cheveux
et vêtements non
ajustés de toutes les
pièces en mouvement
du moteur et de la
souffleuse.
AVERTISSEMENT
Utilisation
de la
souffleuse
#/--!.$%
$%,!4!2)%2%
'/
#/--!.$%$%,!
42!.3-)33)/.
'/
CLOCKWISE TO
DISCHARGE LEFT
COUNTER CLOCKWISE
TO DISCHARGE RIGHT
DANS LE SENS DES
AIGUILLES D’UNE
MONTRE POUR PRO-
JETER VERS LA
GAUCHE.
DANS LE SENS
CONTRAIRE DES
AIGUILLES D’UNE
MONTRE POUR PRO-
JETER VERS LA
DROITE.

10
Maintenant que votre souffleuse est prête à travailler,
il est temps de vous familiariser avec ses commandes
et diverses caractéristiques, expliquées ci-dessous et
représentées sur ce page. Vous pourrez ainsi bénéficier
au maximum de votre nouvelle machine.
REMARQUE: Consultez la notice d’utilisation du moteur
emballée séparément avec votre souffleuse pour avoir
plus de renseignements concernant le démarrage et les
commandes du moteur.
Volet de départ
Le volet de départ est trouvé sur le haut du
moteur et est activé en tournant le bouton
dans le sens inverse des aiguilles d’une
montre. Le bouton du volet de départ ferme
la plaque sur le carburateur et facilite le démarrage du
moteur.
Amorçeur
L’enfoncement du bouton d’amorcage force le carburant
directement dans le carburateur du moteur pour aider à
faire démarrer le moteur en temps froid.
Plein d’huile
Il est possible de vérifier le niveau d’huile à moteur et de
faire le plein par le goulot de remplissage.
Clé de sécurité
La clé de sécurité doit être bien enfoncée pour que le
moteur démarre. Enlevez la clé de sécurité pour éviter
toute utilisation non autorisée de l’équipement.
Interrupteur à bascule
Il sert à arrêter le moteur et doit se trouver à la position «
On » pour la mise en marche du
moteur.
Figure 4-1
6
1
2
F
3
4
5
R2
R1
R
Levier de vitesses
Il se trouve au milieu du tableau de bord
et sert à choisir la vitesse et la direction
de déplacement. Il peut être placé à l’une
quelconque de huit positions.
IMPORTANT: Débrayez toujours la com-
mande de l’entraînement des roues avant
de changer de vitesse.
Marche avant: La souffleuse a six
marches avant (F). La position 1 est la plus
lente et la position 6 la plus rapide.
Marche arrière: La souffleuse a deux
marches arrière (R), R1 étant la plus lente
des deux.
4
Lisez, comprenez,
et suivez toutes les
instructions et les
consignes sur la
machine et dans
ce notice avant le
fonctionnement.
Faites très attention
en manipulant de
l’essence. L’essence
est extrêmement
inflammable et les va-
peurs sont explosif.
Ne faites jamais le
plein d’essence à
l’intérieur, pendant
que le moteur tourne
ou quand le moteur
est chaud. Éteignez
toute cigarettes ou
pipe, tout cigare ou
toute autre source
incandescente.
Commandes de la souffleuse
AVERTISSEMENT
Utilisation
de la
souffleuse
Phare
Outil de dégagement
de la goulotte
Commande de la tarrière
Levier de vitesses
Commande d’orientation
des roues
Goulotte
Commande de direction
de la goulotte
Commande de l’entraînement
Patin
Commutateur de chauffage des poignées (en option)†
† Le cas échéant
Commande de la goulotte à 2 fonctions
Bouton du
démarreur
électrique
(en option)
Clé de
contact
Interrupteur
à bascule
Plein d’huile
Capuchon de carburant
Commandes de moteur
Poignée de
démarreur
Boîte d’interrupteur
Amorceur
Volet de
départ

9
Commande de la tarière
Vérifiez le réglage de cette commande de la façon
suivante:
• Débrayez la commande et placez-la en position
«relevée» (voir la Figure 3-10B). Le câble doit
présenter très peu de jeu sans toutefois être tendu.
Voir la Figure 3-11.
AVERTISSEMENT: Ne serrez pas
excessivement le câble car ceci pourrait
empêcher le débrayage de la tarière et
compromettre votre sécurité.
• Choisissez un endroit bien aéré et faites démarrer la
souffleuse selon les instructions de la page 12.
• Tenez-vous à la position de conduite (derrière la
souffleuse) et enclenchez la tarière.
• Attendez environ dix secondes avant de débrayer la
tarière. Répétez cette opération plusieurs fois.
• Avec la commande de la tarière à la position débrayée
et «relevée, placez-vous devant la machine.
• Vérifiez que la tarière est totalement immobilisée et
qu’aucune pièce ne bouge.
IMPORTANT: Si la tarière n’est pas complètement
immobile, retournez immédiatement à la position de
conduite et arrêtez le moteur. Attendez que toutes les
pièces se soient immobilisées avant d’ajuster à nouveau
le câble de la tarière.
• Pour ajuster à nouveau le câble de commande,
décrochez le ressort (sur l’extrémité du câble de la
tarière) du support de l’actionneur. Voir la Figure 3-11.
• Poussez le raccord du câble dans l’extrémité du ressort
pour dégager l’écrou de blocage. Voir la Figure 13-12.
• Vissez l’écrou de blocage vers l’extérieur (en de-
scendant sur le raccord) de trois tours complets pour
donner plus de jeu au câble et raccrochez le ressort
sur le support.
• Répétez le test pour vérifier l’ajustement de la
commande de la tarière. Répétez les instructions
précédentes pour effectuer des ajustements sup-
plémentaires si besoin est.
Patins
Positionnez les patins en fonction de la surface de
travail. Redressez-les si la neige est tassée et abaissez-
les pour travailler sur des surfaces recouvertes de
gravier ou de pierre concassée. Consultez le chapitre
«Réglages ».
Pression des pneus (Bandages pneuma-
tiques)
Les pneus sont gonflés excessivement pour l’expédition.
Avant l’utilisation, vérifiez la pression des pneus avant
d’utiliser la souffleuse. La pression recommandée par le
fabricant est indiquée sur le flanc des pneus et réduisez
(ou augmentez) la pression dans les pneus selon le
besoin.
Figure 3-12
Figure 3-11
3
Instructions
de montage
Ne dégagez jamais
la neige ou la glace
près de la tarière ou
dans la goulotte à la
main.
AVERTISSEMENT
AB
Figure 3-10
L’entraînement Tarière
IMPORTANT
Si la pression n’est
pas égale dans tous
les pneus, la machine
risque de tirer d’un côté
plus que de l’autre et
l’usure de la plaque de
raclage sera irrégulière.
A
B
A - Pour modèles avec panneaux en acier.
B - Pour modèles avec panneaux en plastique.

8
Outil de dégagement de la goulotte
Un outil de dégagement de la goulotte est maintenu sur
le dessus de l’habitacle de la tarière avec une attache.
L’outil sert à dégager une goulotte bouchée. Voir la Figure
3-9. Consultez la page 11 pour plus de renseignement
concernant cet outil.
REMARQUE: Cette pièce est a été fixée avec un atta-
che-câble sur l’arrière de l’habitacle de la tarière à l’usine.
Coupez l’attache-câble avant de mettre la souffleuse en
marche.
AVERTISSEMENT: Ne dégagez jamais
la neige ou la glace près de la tarière ou
dans la goulotte à la main.
Derniers réglages
Faites ces derniers réglages avant d’utiliser la
souffleuse pour la première fois. Sinon, vous risquez de
l’endommager.
Commande de l’entraînement des roues et levier de
vitesses
Faites le test suivant pour décider si un ajustement est
nécessaire:
• Placez le levier de vitesses à la sixième (6e) position.
Voir la Figure 4-1.
• La commande de l’entraînement débrayée (voir la
Figure 3-10A), poussez la souffleuse, puis tirez-la. La
machine doit bouger facilement.
• Embrayez la commande de l’entraînement et essayez
de déplacer la souffleuse vers l’avant ou vers l’arrière.
Vous devez sentir une résistance.
• Placez le levier de vitesses à la position de marche ar-
rière rapide (R2) et répétez les deux tests précédents.
Si la machine résiste au mouvement quand le levier de
vitesses est déplacé de la 6e position à la position R2,
soit quand vous essayez de déplacer la machine alors
que la commande de l’entraînement est débrayée, ajustez
immédiatement la commande de l’entraînement des
roues comme suit :
• Desserrez le contre-écrou qui se trouve sur le câble
de la commande de l’entraînement et dévissez le
câble d’un tour complet. Voir la Figure 3-12.
• Vérifiez l’ajustement.
• Resserrez le contre-écrou sur le câble quand
l’ajustement est satisfaisant.
REMARQUE: Pour plus de détails, consultez la section
«Commande de l’entraînement des roues» dans le
chapitre «Réglages».
Figure 3-9
Outil de
dégagement
de la goulotte
Figure 3-8
3
Instructions
de montage
IMPORTANT
Ne dépassez jamais la
pression recommandée
par le fabricant. La
pression doit toujours
être égale dans
tous les pneus. Une
pression excessive
à l’installation des
talons peut provoquer
l’explosion de
l’ensemble pneu et
jante et causer des
blessures graves. La
pression recommandée
est indiquée sur le flanc
du pneu.
Ne dégagez jamais
la neige ou la glace
près de la tarière ou
dans la goulotte à la
main.
AVERTISSEMENT
Barres de coupe (le cas échéant)
Elles servent en cas d’accumulation importante de
neige.
• Sur les modèles si équipés, les barres de coupe
et la boulonnerie sont assemblées à l’envers sur
l’habitacle des tarières.
• Enlevez les boulons ordinaires en dévissant les
écrous à oreilles qui maintiennent les barres de
coupe en place.
• Positionnez les barres de coupe pour qu’elles
font face à l’avant comme illustré à la Figure 3-8.
Maintenez-les en place avec la boulonnerie enlevée
précédemment, les écrous à oreilles devraient être
attachés sur l’extérieur du logement comme illustré.
Si votre souffleuse n’est pas équipée de barres de
coupe, adressez-vous au service après-vente pour tout
renseignement concernant le prix et la disponibilité en
stock.
Modèle de souffleuse Barres de coupe
Tous les modèles OEM 390-679

7
3
Figure 3-5
• Glissez la goulotte sur l’ouverture prévue en orientant
l’encoche de la goulotte vers l’avant de la souffleuse.
Voir la Figure 3-5.
• Replacez le guide de collet, les contre-écrous et les
vis enlevés précédemment. Serrez tous les guides
des collets et autre boulonnerie avec deux clés de
7/16 po. Ne serrez pas excessivement.
REMARQUE: Si besoin est, le support de la manivelle
de la goulotte peut être ajusté de manière que la partie
hélicoïdale de la manivelle s’engrène bien avec les dents
de la goulotte. Consultez le chapitre «Réglages». Voir la
Figure 3-6.
• Enroulez le fil du phare autour du guidon droit jusqu’à
ce que le fil puisse être branché dans le fil conducteur
de l’alternateur, sous le réservoir d’essence. Voir la
Figure 3-7.
Figure 3-4
Instructions
de montage
AVERTISSEMENT
Avant d’utiliser votre
souffleuse, référez-
vous à «Commande
de la tarière» à la
page 9. Lisez et suivez
soigneusement les
instructions et effectuez
tous les ajustements
pour vérifier que votre
souffleuse fonctionne
sans risque et
correctement.
Figure 3-6
&ILCONDUCTEUR
&ILDUPHARE
&ILCONDUCTEUR
2%-!215%
0OURPLUSDECLART£LESROUESSONTRETIR£S
DELALTERNATEUR
DELALTERNATEUR
Figure 3-7

6
3REMARQUE: La souffleuse a été expédiée avec le
plein d’huile mais SANS ESSENCE. Après l’assemblage
veuillez consulter la notice d’utilisation du moteur quant
au carburant et à l’huile à moteur à employer.
Boulons de cisaillement
Les tarières sont fixées sur l’arbre à l’aide de des
goupilles de cisaillement et des goupilles fendues. Les
gouilles sont sensés de peut être cisailler si la souffleuse
heurte un objet ou un bloc de glace. Des goupilles de
cisaillement et des goupilles fendues de remplacement
sont fournis à cet effet. Gardez-les dans un endroit sûr.
Articles requis pour l’assemblage
Pinces Deux clés de 7/16 po ou à molette
Essence fraîche
Montage du guidon
• Vérifiez que tous les câbles sont alignés avec les
galets de guidage sur l’arrière du châssis de la
souffleuse, avant de redresser le guidon. Assurez-
vous que le ressort (qui se trouve à l’extrémité de
chaque câble) est attaché à son support.
• Enlevez les boutons et les boulons ordinaires
inférieurs de chaque côté du guidon supérieur. Voir la
Figure 3-2.
• Relevez le guidon supérieur jusqu’à ce qu’il s’emboîte
sur le guidon inférieur. See Figure 3-1.
• Attachez les guidons supérieur et inférieur avec les
boutons et les boulons ordinaires enlevés précédem-
ment.
• Serrez les boutons déjà en place sur les trous
supérieurs et fixez les guidons fermement.
Montage de la manivelle de la goulotte
• Retirez la rondelle plate et la goupille-épingle de
l’extrémité de la manivelle de la goulotte.
• Enfoncez l’extrémité de la manivelle dans le support
inférieur et maintenez-la en place avec la rondelle
plate et la goupille-épingle retiré plus tôt. Le support
inférieur peut être ajusté, si besoin est. Référez-vous
à «Réglage du support de la goulotte» dans le
chapitre «Réglage».
Installation de la goulotte
• Retirez les contre-écrous et les vis qui maintiennent
l’un des guides des collets sur la goulotte. Voir la
Figure 3-4.
• Desserrez mais n’enlevez pas les contre-écrous et les
vis sur les deux autres guides des collets.
Figure 3-3
Instructions
de montage
REMARQUE: Les
côtés droit et gauche
de la souffleuse sont
déterminés du poste
de conduite, derrière la
souffleuse.
REMARQUE: Cette
notice d’utilisation cou-
vre plusieurs modèles.
Les traits du souffleuse
varient par le modèle.
Pas toutes les traits
discutées dans ce
notice sont applicables
à tous les modèles de
souffleuse.
REMARQUE:
Des goupilles de
cisaillement et des
goupilles fendues de
remplacement sont
fournis à cet effet.
Gardez-les dans un
endroit sûr.
Figure 3-1
Figure 3-2

5
5. Ne faites jamais fonctionner la machine dans un local clos ou
mal aéré car les gaz d’échappement du moteur contiennent du
monoxyde de carbone, un gaz inodore très dangereux.
6. Ne vous servez pas de la machine après avoir bu des boissons
alcoolisées ou après avoir pris des médicaments.
7. Le silencieux et le moteur deviennent très chauds et peuvent
causer des brûlures. Ne les touchez pas.
8. Soyez extrêmement prudent à proximité des routes, allées ou
chemins en gravier. Faites attention aux dangers non évidents
et à la circulation.
9. Faites très attention en changeant de direction et en travaillant
sur une pente.
10. Prévoyez de travailler en évitant de projeter la neige vers des
fenêtres, murs, voitures, etc. car les débris peuvent ricocher et
causer des blessures graves ou des dégâts matériels.
11. Ne dirigez jamais la neige vers des enfants, des spectateurs
et des animaux de compagnie et ne permettez jamais à
quiconque de se tenir devant la machine.
12. Ne fatiquez pas la machine en essayant de déblayer la neige
trop rapidement.
13. N’utilisez pas la machine si la visibilité est mauvaise ou si la
lumière est insuffisante. Gardez toujours un bon équilibre et
tenez fermement le guidon. Marchez, ne courrez pas.
14. Débrayez la commande de l’ensemble de la tarière et de la
turbine pour transporter la machine et lorsqu’elle n’est pas
utilisée.
15. Ne déplacez jamais rapidement la souffleuse sur des surfaces
glissantes. Soyez prudent en reculant.
16. Arrêtez le moteur, débranchez le fil de la bougie et mettez-le à
la terre contre le moteur si la machine commence à vibrer de
façon anormale. Vérifiez que la machine n’est pas endom-
magée. Réparez tout dégât éventuel avant de la remettre en
marche.
17. Débrayez toutes les commandes et arrêtez le moteur avant de
quitter le poste de conduite (derrière les guidons). Attendez
que la tarière/turbine se soit complètement immobilisée avant
de déboucher la goulotte d’éjection, de faire un ajustement
quelconque ou d’examiner la machine.
18. Ne placez jamais votre main dans la goulotte d’éjection ou
près de l’admission. Utilisez toujours l’outil de dégagement
pour déboucher l’ouverture de la goulotte. Ne débouchez pas
la goulotte d’éjection pendant que le moteur tourne. Arrêtez
le guidon jusqu’à ce que toutes les pièces en mouvement se
soient immobilisées avant de déboucher la goulotte.
19. N’utilisez que des accessoires homologués par le fabricant de
la machine. (ex. poids de roues, chaînes, cabine etc.)
20. Pour mettre le moteur en marche, tirez lentement sur la corde
jusqu’à ce que vous sentiez une légère résistance, puis tirez
plus rapidement. La rétraction rapide de la corde du démarreur
(recul) attire la main et le bras vers le moteur plus vite qu’il n’est
possible de lâcher la corde. Ceci peut causer une fracture, des
ecchymoses ou une entorse.
21. Faites toujours preuve de bon sens dans des situations
qui n’ont pas été abordées par cette notice d’utilisation.
Adressez-vous au service après-vente pour obtenir le nom du
concessionnaire le plus proche de chez vous.
Entretien et Remisage
1. Ne modifiez jamais les dispositifs de sécurité. Vérifiez souvent
qu’ils fonctionnent correctement. Consultez les chapitres con-
cernant l’entretien et les réglages dans cette notice d’utilisation.
2. Avant de nettoyer, de réparer ou d’examiner la machine,
débrayez toutes les commandes et arrêtez le moteur. Attendez
que la tarière/turbine se soit complètement immobilisée.
Débranchez le fil de la bougie et mettez-le à la terre pour
empêcher tout démarrage accidentel pendant le nettoyage, la
réparation ou l’examen de la machine.
3. Vérifiez régulièrement que les boulons et vis sont bien serrés
et maintenez la machine en bon état de marche. Examinez
soigneusement la machine pour vous assurer qu’elle n’est pas
endommagée.
4. Ne modifiez pas le réglage du régulateur et ne laissez pas le
moteur s’emballer, ce qui peut être dangereux.
5. Les plaques de raclage et les patins de la souffleuse s’usent
avec l’usage. Par mesure de sécurité, vérifiez souvent
tous les composants et remplacez-les par des pièces
authentiques seulement. L’utilisation de pièces qui ne sont
pas conformes aux spécifications de l’équipement d’origine
peuvent donner lieu à de mauvaises performances et
compromettre la sécurité de l’utilisateur.
6. Vérifiez fréquemment que les commandes fonctionnent bien
et faites les réglages nécessaires. Consultez le chapitre
«Réglages» dans la notice d’utilisation de la machine.
7. Prenez soin des étiquettes de sécurité et d’instructions et
remplacez-les au besoin.
8. Respectez les règlements concernant l’élimination des
déchets et liquides qui risquent de nuire à la nature et à
l’environnement.
9. Laissez la machine fonctionner pendant quelques minutes
pour éliminer la neige de la tarière et éviter que l’ensemble
de la tarière et de la turbine ne gèle avant de remiser la
souffleuse.
10. Ne remisez jamais la machine ou les bidons d’essence à
l’intérieur s’il y a une flamme, une étincelle ou une veilleuse
(d’un chauffe-eau, un radiateur, un fourneau, un sèche-linge
ou autre appareil à gaz).
11. Consultez toujours la notice d’utilisation quant aux instruc-
tions de remisage hors-saison.
12. Vérifiez souvent que la conduite, le réservoir, le capuchon
d’essence et les raccords ne sont pas fendillés et ne fuient
pas. Remplacez-les au besoin.
13. Ne faites pas tourner le moteur si la bougie n’est pas installée.
Ne modifiez pas le moteur.
Pour éviter toute blessure grave ou fatale, ne modifiez pas du tout
le moteur. Toute modification du réglage du régulateur peut pro-
voquer l’emballement du moteur et entraîner son fonctionnement
à des vitesses dangereuses. Ne modifiez jamais le réglage de
l’usine du régulateur.
Avis concernant les émissions de gaz
Les moteurs certifiés conformes aux normes régulatrices de la
Californie et de l’agence EPA fédérales pour SORE (petit équipe-
ment hors route) sont certifiés pour fonctionner avec de l’essence
sans plomb ordinaire et peuvent être dotés des systèmes de
contrôle des émissions de gaz suivants : Engine Modification (EM)
et Three Way Catalyst (TWC) le cas échéant.
Durée de vie utile moyenne
D’après la Consumer Products Safety Commission (CPSC - Com-
mission sur la sécurité des produits de consommation) et la “U.S.
Environmental Protection Agency” (EPA - Agence américaine de
protection de l’environnement), ce produit a une durée de vie utile
moyenne de sept (7) ans, ou 60 heures de fonctionnement. Au
terme de cette durée de vie utile moyenne, achetez une machine
neuve ou faites inspecter la machine chaque année par une sta-
tion technique agréée pour vous assurer que tous les dispositifs
mécaniques et de sécurité sont en bon état de marche et ne sont
pas usés de façon excessive. Le non-respect de ces recomman-
dations peut causer des accidents et des blessures graves ou
mortelles.
2
Consignes
de
sécurité
AVERTISSEMENT
Ce symbole attire
votre attention sur des
consignes de sécurité
importantes qui, si elles
ne sont pas respectées,
peuvent mettre en
danger non seulement
votre personne et vos
biens, mais aussi ceux
d’autrui. Prière de lire
toutes les instructions
figurant dans cette
notice d’utilisation avant
d’essayer de vous
servir de cette machine.
Le non-respect de
ces instructions peut
entraîner des blessures
corporelles.
RESPECTEZ
L’AVERTISSEMENT
QUI ACCOMPAGNE
CE SYMBOLE!
Votre responsabilité
Cette machine ne doit
être utilisée que par des
personnes qui peuvent
lire, comprendre et
respecter les avertisse-
ments et instructions
qui figurent dans cette
notice et sur la machine.
06.09.08

4
2
Consignes
de
sécurité Formation
1. Assurez-vous de lire et de bien comprendre toutes les
instructions qui figurent sur la machine et dans la notice
d’utilisation avant de la mettre en marche. Conservez cette
notice d’utilisation à un endroit sûr pour toute consultation
ultérieure et pour commander des pièces de rechange.
2. Familiarisez-vous avec les commandes et la bonne utilisation
de cette machine avant de vous en servir. Apprenez à arrêter
la machine et à débrayer rapidement les commandes.
3. Ne permettez jamais à des enfants de moins de 14 ans de
se servir de la machine. Des adolescents plus âgés doivent
lire la notice d’utilisation, bien comprendre le fonctionnement
de la machine et respecter les consignes de sécurité. Ils
doivent apprendre à utiliser la machine et s’en servir sous la
surveillance étroite d’un adulte.
4. Ne permettez jamais à des adultes ne connaissant pas bien
le fonctionnement de la machine de s’en servir.
5. Les objets projetés par la machine peuvent causer des
blessures graves. Prévoyez de travailler en évitant de projeter
la neige vers la route, des spectateurs, etc.
6. Gardez les spectateurs, les animaux de compagnie et les
enfants à une distance d’au moins 75 pieds de la machine
quand elle est en marche. Arrêtez la machine si quelqu’un
s’approche.
7. Soyez toujours prudent pour ne pas glisser ou tomber, surtout
en reculant.
Préparation
Examinez soigneusement la zone à déblayer et enlevez tous les
paillassons, traîneaux, morceaux de bois, fils de fer et autres
objets sur lesquels vous pourriez trébucher ou qui risquent d’être
projetés par la tarière/turbine.
1. Portez toujours des lunettes de sécurité en utilisant la
machine ou en effectuant un réglage ou une réparation. Un
objet peut en effet être projeté, ricocher et vous blesser aux
yeux.
2. Ne travaillez pas sans porter des vêtements d’hiver adéquats.
Ne portez pas de bijoux, d’écharpes longues ou de vêtements
amples qui risquent de se prendre dans les pièces en mouve-
ment. Portez des chaussures qui améliorent votre stabilité sur
des surfaces glissantes.
3. Utilisez une rallonge à 3 fils et une prise de courant mises
à la terre avec toutes les machines équipées d’un moteur à
démarreur électrique.
4. Réglez la hauteur de l’habitacle pour éviter tout contact avec
les surfaces en gravier ou en pierre concassée.
5. Débrayez toutes les commandes avant de mettre le moteur
en marche.
6. N’essayez jamais de régler le moteur pendant qu’il tourne (à
moins d’indications contraires de la part du fabricant).
7. Laissez le moteur et la machine s’habituer à la température
extérieure avant de commencer à déblayer.
Manipulation de l’essence
Pour éliminer tout risque de blessure grave, faites très attention
en manipulant de l’essence. Il s’agit d’un produit extrêmement
inflammable et les vapeurs risquent d’exploser. Vous pouvez être
grièvement blessé si des éclaboussures sur votre peau ou sur
vos vêtements s’enflammaient. Rincez votre peau et changez
immédiatement de vêtements.
a. Remisez le carburant dans des bidons homologués seule-
ment.
b. Éteignez toute cigarette ou pipe, tout cigare ou toute autre
source incandescente.
c. Ne faites jamais le plein à l’intérieur.
d. N’enlevez jamais le capuchon d’essence et n’ajoutez pas
d’essence pendant que le moteur tourne.
e. Laissez le moteur refroidir pendant au moins deux minutes
avant de faire le plein.
f. Ne faites jamais déborder le réservoir. Laissez un espace
d’un demi-pouce environ pour permettre l’expansion du
carburant.
g. Resserrez bien le capuchon d’essence.
h. En cas de débordement, essuyez toute éclaboussure sur
le moteur et la machine. Déplacez la machine et attendez 5
minutes avant de la remettre en marche.
i. Ne remisez jamais la machine ou les bidons d’essence à
l’intérieur s’il y a une flamme, une étincelle ou une veilleuse
(d’un chauffe-eau, un radiateur, un fourneau, un sèche-linge
ou autre appareil à gaz).
j. Laissez la machine refroidir pendant au moins 5 minutes
avant de la remiser.
k. Ne remplissez jamais les contenants d’essence dans un
véhicule, un camion ou une remorque à revêtement en
plastique. Placez toujours les contenants au sol, loin de tout
véhicule, pour faire le plein.
l. Si possible, déchargez l’équipement motorisé du camion ou
de la remorque et faites le plein au sol. Si ce n’est pas pos-
sible, faites le plein de l’équipement motorisé sur le camion
ou la remorque en utilisant un contenant d’essence plutôt
qu’avec le pistolet de distribution de la pompe d’essence.
m. Maintenez toujours le contact entre le pistolet de distribu-
tion et le bord du réservoir d’essence ou l’ouverture du
contenant pendant le remplissage. N’utilisez pas un pistolet
de distribution à blocage en position ouverte.
Utilisation
1. Ne placez jamais vos mains ou vos pieds près d’une pièce en
mouvement, dans l’habitacle de la tarière ou de la turbine ou
dans la goulotte d’éjection. Les pièces en mouvement peuvent
amputer mains et pieds.
2. La manette de commande de l’ensemble de la tarière et de
la turbine est un dispositif de sécurité. Ne contournez jamais
son rôle ce qui rendrait dangereux l’emploi de la machine et
pourrait causer des blessures corporelles.
3. Toutes les manettes de commande doivent fonctionner
facilement dans les deux directions et revenir automatiquement
à la position de débrayage lorsqu’elles sont relâchées.
4. Ne travaillez jamais sans la goulotte d’éjection ou si elle est
endommagée. Laissez tous les dispositifs de sécurité en place
et assurez-vous qu’ils sont en bon état.
AVERTISSEMENT: Les gaz d’échappement de ce produit contiennent des
produits chimiques reconnus dans l’État de Californie comme causant le cancer,
des anomalies congénitales ou d’autres problèmes liés à la reproduction.
DANGER: Cette machine doit être utilisée conformément aux consignes de sécurité qui figurent
dans la notice d’utilisation. Comme avec tout appareil motorisé, une négligence ou une erreur de la
part de l’utilisateur peut entraîner des blessures graves. Cette machine peut amputer mains et pieds
et projeter des débris. Par conséquent, le non-respect de ces consignes peut causer des blessures
corporelles graves et même mortelles.
AVERTISSEMENT
Ce symbole attire
votre attention sur
des consignes de
sécurité importantes
qui, si elles ne sont
pas respectées,
peuvent mettre en
danger non seulement
votre personne et vos
biens, mais aussi ceux
d’autrui. Prière de lire
toutes les instructions
figurant dans cette no-
tice d’utilisation avant
d’essayer de vous
servir de cette ma-
chine. Le non-respect
de ces instructions
peut entraîner des
blessures corporelles.
RESPECTEZ
L’AVERTISSEMENT
QUI ACCOMPAGNE
CE SYMBOLE!
Votre responsabilité
Cette machine ne doit
être utilisée que par des
personnes qui peuvent
lire, comprendre et
respecter les avertisse-
ments et instructions
qui figurent dans cette
notice et sur la machine.

3
Symbole Description
VEUILLEZ LIRE LA OU LES NOTICES D’UTILISATION.
Veuillez lire et suivre toutes les instructions sur la machine et vous assurer
de bien les comprendre avant d’essayer d’assembler et d’utiliser la
machine.
AVERTISSEMENT – LAMES EN MOUVEMENT
N’approchez pas les mains de l’ouverture d’éjection pendant que la
machine fonctionne. Des lames en mouvement sont à l’intérieur.
AVERTISSEMENT – LAMES EN MOUVEMENT
N’approchez pas les mains de l’ouverture d’éjection pendant que la
machine fonctionne. Des lames en mouvement sont à l’intérieur.
AVERTISSEMENT – TARIÈRES EN MOUVEMENT
N’approchez pas les mains ou les pieds des pièces en mouvement, de
l’habitacle des tarières/de la turbine ou de la goulotte. Les pièces en
mouvement peuvent amputer mains et pieds.
AVERTISSEMENT – OBJETS PROJETÉS
Cette machine peut ramasser et projeter des objets, ce qui peut causer
des blessures graves.
AVERTISSEMENT – L’ESSENCE EST UN PRODUIT INFLAMMABLE.
Laissez le moteur refroidir pendant au moins deux minutes avant de refaire
le plein.
AVERTISSEMENT – MONOXYDE DE CARBONE
Ne faites jamais fonctionner un moteur à l’intérieur ou dans un bâtiment
mal ventilé. Les gaz d’échappement contiennent du monoxyde de carbone,
un gaz inodore et mortel.
1
Symboles
de
sécurité
Cette page illustre et explique les symboles de sécurité qui peuvent se trouver sur cette machine. Veuillez lire et
suivre toutes les instructions sur la machine et vous assurer de bien les comprendre avant d’essayer d’assembler et
d’utiliser la machine.
AVERTISSEMENT
Ce symbole attire
votre attention sur des
consignes de sécurité
importantes qui, si elles
ne sont pas respectées,
peuvent mettre en
danger non seulement
votre personne et vos
biens, mais aussi ceux
d’autrui. Prière de lire
toutes les instructions
figurant dans cette
notice d’utilisation avant
d’essayer de vous
servir de cette machine.
Le non-respect de
ces instructions peut
entraîner des blessures
corporelles.
RESPECTEZ
L’AVERTISSEMENT
QUI ACCOMPAGNE
CE SYMBOLE!
Votre responsabilité
Cette machine ne doit
être utilisée que par des
personnes qui peuvent
lire, comprendre et
respecter les avertisse-
ments et instructions
qui figurent dans cette
notice et sur la machine.

2
Pour trouver le numéro de modèle
Veuillez ne pas retourner la machine au détaillant qui vous l’a vendue,
sans vous adresser d’abord au service après-vente.
Table des matières
AVANT DE PROCÉDER À L’ASSEMBLAGE DE VOTRE
NOUVELLE SOUFFLEUSE,
localiser la plaque signalétique sur l’équipement, et recopier
le numéro de modèle et le numéro de série sur le modèle
de plaque signalétique fourni sur la droite. Pour localiser la
plaque signalétique, placez-vous derrière la souffleuse à la
poste de conduite et regardez à l’arrière du châssis de la
souffleuse.
Cette notice d’utilisation est une pièce importante de votre nouvel équipement. Elle vous fournit les renseignements
nécessaires à l’assemblage, à la préparation et à l’entretien de votre machine. Veuillez donc la lire attentivement et
vous assurer de bien comprendre toutes les instructions.
Service après-vente
-4$02/$5#43,)-)4%$
+)4#(%.%2/..'*
8888888888 88888888888
-ODEL.UMBER
.UM£RODEMODÞLE
3ERIAL.UMBER
.UM£RODES£RIE
WWWMTDCANADACOM
Symboles de sécurité ......................................... 3
Important consignes de sécurité ...................... 4
Instructions de montage .................................... 6
Utilisation de la souffleuse .............................. 10
Réglages ............................................................ 14
Régime d’entretien ........................................... 16
Remisage hors saison ..................................... 20
Dépannage ........................................................ 21
Garantie ............................................................. 22
Pièces détachées (voir la page 24
de la version anglaise de cette notice
d’utilisation).
Si l’assemblage de cette machine vous pose des problèmes ou pour toute question concernant les commandes, le
fonctionnement ou l’entretien de la machine, les spécialistes sont à votre disposition. Choisissez l’une des options ci-dessous:
1. Visitez le site www.yardman.ca où vous trouverez de nombreuses suggestions utiles. Cliquez sur le bouton Service après-
vente.
2. Appelez un agent du service après-vente au 1-800-668-1238.
3. Le fabricant du moteur est responsable de tout aspect lié à celui-ci, y compris la performance, la puissance nominale, les
caractéristiques, la garantie et le service. De plus amples renseignements se trouvent, en fonction du fabricant, soit dans
cette notice d’utilisation soit dans celle qui est emballée séparément avec le produit.
Préparez vos numéros de modèle et de série avant de téléphoner. Veuillez lire le chapitre précédent pour déterminer
l’emplacement de ces numéros. On vous demandera d’enregistrer le numéro de série avant de pouvoir poursuivre votre
consultation.

Souffleuses à neige à deux phases
IMPRIMÉ AUX ÉTATS-UNIS MTD Products Ltd., P. O. Box 1386, KITCHENER, ONTARIO N2G 4J1
Sécurité * Montage * Fonctionnement * Réglages * Entretien
Dépannage * Listes des pièces détachées * Garantie
NOTICE D’UTILISATION
IMPORTANT:
LISEZ ATTENTIVEMENT LES RÈGLES DE
SÉCURITÉ ET LES INSTRUCTIONS AVANT
DE METTRE EN MARCHE LA MACHINE.
769-04095
06/10/08