MTD Snowthrower, Gas Manual L0403353
User Manual: MTD MTD Snowthrower, Gas Manual MTD Snowthrower, Gas Owner's Manual, MTD Snowthrower, Gas installation guides
Open the PDF directly: View PDF
.
Page Count: 28

YARDMACHINES
OPERATOR'S MANUAL
SNOW
THROWERS
Models
E600E, E610E
E640F, E660G
IMPORTANT: READ SAFETY RULES AND INSTRUCTIONS CAREFULLY
Warning: This unit is equipped with an internal combustion engine and should not be used on or near any unimproved forest-
covered, brush*covered or grass-covered land unless the engine's exhaust system is equipped with a spark arrester meeting
applicable local or state laws (if any). If a spark arrester is used, it should be maintained in effective working order by the operator.
In the State of California the above is required by law (Section 4442 of the California Public Resources Code). Other states may have
similar laws. Federal laws apply on federal lands. A spark arrester for the muffler is available through your nearest engine authorized
service dealer or contact the service department, P.O. Box 368022 Cleveland, Ohio 44136-9722.
MTD PRODUCTS INC. P.O. BOX 368022 CLEVELAND, OHIO 44136-9722
PRINTED IN U.S.A. FORM NO. 770-8782A

SECTION 1: IMPORTANT SAFE OPERATION PRACTICES
WARNING: THIS SYMBOL POINTS OUT IMPORTANT SAFETY INSTRUCTIONS WHICH, IF
NOT FOLLOWED, COULD ENDANGER THE PERSONAL SAFETY AND/OR PROPERTY OF
YOURSELF AND OTHERS. READ AND FOLLOW ALL INSTRUCTIONS IN THIS MANUAL
BEFORE ATTEMPTING TO OPERATE YOUR SNOW THROWER. FAILURE TO COMPLY WITH
THESE INSTRUCTIONS MAY RESULT IN PERSONAL INJURY. WHEN YOU SEE THIS
SYMBOL-HEED ITS WARNING.
_ARNING: The Engine Exhaust from this product contains chemicals known to the State
of California to cause cancer, birth defects or other reproductive harm.
DANGER: Your snow thrower was built to be operated according to the rules for safe
operation in this manual. As with any type of power equipment, carelessness or error on the
part of the operator can result in serious injury. If you violate any of these rules, you may
cause serious injury to yourself or others.
1, TRAINING
• Read this operator's manual carefully in its entirety
before attempting to assemble or operate this
machine, Be completely familiar with the controls
and the proper use of this machine before
operating it, Keep this manual in a safe place for
future and regular reference and for ordering
replacement parts.
• Never allow children under 14 years old to operate
a snow thrower. Children 14 years old and over
should only operate snow thrower under close
parental supervision. Only persons well acquainted
with these rules of safe operation should be
allowed to use your snow thrower.
• No one should operate this unit while intoxicated
or while taking medication that impairs the senses
or reactions.
• Keep the area of operation clear of all persons,
especially small children and pets.
• Exercise caution to avoid slipping or falling,
especially when operating in reverse.
2. PREPARATION
• Thoroughly inspect the area where the equipment
is to be used and remove all door mats, sleds,
boards, wires and other foreign objects.
• Disengage all clutches and shift into neutral before
starting engine.
• Do not operate equipment without wearing
adequate winter outer garments. Do not wear
jewelry, long scads or other loose clothing which
could become entangled in moving parts. Wear
footwear which will improve footing on slippery
surfaces,
Before working with gasoline, extinguish all
cigarettes and other sources of ignition. Check the
fuel before starting the engine. Gasoline is an
extremely flammable fuel. Do not fill the gasoline
tank indoors, while the engine is running, or until
engine has been allowed to cool at least two
minutes. Replace gasoline cap securely and wipe
off any spilled gasoline before starting the engine
as it may cause a fire or explosion.
Use a grounded three wire plug-in for all units with
electric drive motors or electric starting motors.
Adjust collector housing height to clear gravel or
crushed rock surface.
Never attempt to make any adjustments while
engine is running (except where specifically
recommended by manufacturer).
Let engine and machine adjust to outdoor
temperature before starting to clear snow.
Always wear safety glasses or eye shields during
operation or while performing an adjustment or
repair, to protect eyes from foreign objects that
may be thrown from the machine in any direction.
3. OPERATION
Do not put hands or feet near or under rotating
parts. Keep clear of discharge opening and auger
at all times.
Exercise extreme caution when operating on or
crossing gravel drives, walks, or roads. Stay alert
for hidden hazards or traffic. Do not carry
passengers.
After striking a foreign object, stop the engine.
remove wire from spark plug, and thoroughly
inspect the snow thrower for any damage. Repair
the damage before restarting and operating the
snow thrower.

• If the snowthrowershouldstartto vibrate
abnormally,stop the engine and check
immediatelyforthecause.Vibrationisgenerallya
warningoftrouble.
• Stopenginewheneveryouleavethe operating
position,beforeuncloggingthe collector/impeller
housingor dischargeguide,and makingany
repairs,adjustments, or inspections. Never place
your hand in the discharge or collector openings.
Use a stick or wooden broom handle to unclog the
discharge opening.
• Take all possible precautions when leaving the unit
unattended. Disengage the collector/impeller, shift
into neutral, stop the engine, and remove the key.
• When cleaning, repairing, or inspecting, make
certain collector/impeller and all moving parts have
stopped. Disconnect spark plug wire and keep
away from plug to prevent accidental starting.
• Do not run engine indoors, except when starting
engine and transporting snow thrower in or out of
building. Open doors. Exhaust fumes are
dangerous.
• Do not clear snow across the face of slopes.
Exercise extreme caution when changing direction
on slopes. Do not attempt to clear steep slopes.
• Never operate snow thrower without guards,
plates, or other safety protection devices in place.
• Never operate snow thrower near glass enclosure,
automobiles, window wells, drop off. etc., without
proper adjustments of snow thrower discharge
angle. Keep children and pets away.
• Do not overload machine capacity by attempting to
clear snow at too fast a rate.
• Never operate the machine at high transport
speeds on slippery surfaces. Look behind and use
care when backing.
• Never direct discharge at bystanders or allow
anyone in front of unit.
• Disengage power to collector/impeller when
transporting or not in use.
• Use only attachments and accessories approved
by the manufacturer of snow thrower (such as
wheel weights, counter weights, cabs, etc.).
• Never operate the snow thrower without good
visibility or light. Always be sure of your footing
and keep a firm hold on the handles. Walk, never
run,
• Muffler and engine become hot and can cause a
burn. Do not touch.
4, MAINTENANCE AND STORAGE
• Check shear bolts, engine mounting bolts, etc., at
frequent intervals for proper tightness to be sure
equipment is in safe working condition.
• Never store the machine with fuel in the fuel tank
inside a building where ignition sources are
present, such as hot water and space heaters,
clothes dryers, and the like. Allow engine to cool
before storing in any enclosure.
• Always refer to operator's manual instructions for
important details if snow thrower is to be stored for
an extended period.
• Run machine a few minutes after throwing snow to
prevent freeze up of collector/impeller.
• Check clutch controls periodically to verify they
engage and disengage properly and readjust if
necessary. Refer to operator's manual for
adjustment instructions.
,_ WARNING -YOUR RESPONSIBILITY: Restrict the use of this power machine to persons
who read, understand and follow the warnings and instructions in this manual and on the machine.
A
DANGER
Figure 1

SECTION 2: FINDING YOUR MODEL NUMBER
This Operator's Manual is an important part of your new snow thrower. It will help you assemble, prepare
and maintain your snow thrower. Please read and understand what it says.
Before you start to prepare your snow thrower for its first use, please locate the model plate and copy the
information from it in this Operator's Manual. The information on the model plate is very important if you need
help from your dealer or the MTD customer support department.
• Every snow thrower has a model plate. You can locate it by standing behind the unit in the operating
position and looking down at the rear frame below the engine.
• The model plate will look like Figure 2.
OHiO 44136
Figure 2
This is where your model number will be.
This is where your serial number will be.
Copy the model number here:
Copy the serial number here:
SECTION 3: CALLING CUSTOMER SUPPORT
If you are having difficulty assembling this product or if you have any question regarding the controls,
operation or maintenance of this snow thrower, please call the Customer Support Department. You can
reach them by calling:
1-800-800-7310
Before you call, make sure that you have both your model and serial number ready. By having the model and
serial number ready, you help the Customer Support Representative give you faster service. To find your
units model and serial number, see SECTION 2: FINDING YOUR MODEL NUMBER.

SECTION 4: CONTENTS OF HARDWARE PACK
Lay out the hardware according to the illustration for identification purposes. Part numbers are shown in parentheses.
Hardware pack may contain extra items which are not used on r unit. 1
,_1 ATTACHING THE HANDLES _IATTACHING THE CHUTE ASSEMBLY
.exoo,,s,., .°xoo,,s
5/16-18 x %3/4" Long
(710-3180)
Hex Bolts
5/16-18 x 3/4" Long
z(710-3008) HandleTabs
=(784-5599)
5/16" LD.
_ _ _ _ Lock Washers
(736-0119)
Carriage Bolts - _-i i
5/16-18 x 1-1/2" Long _
(710-0262) _
cu..°°wos,° s
5/16" LD.
(736-0242)
Hex Nuts
5/16" Thread
(712-3010)
O_ ATTACHING THE SHIFT ROD
AND CLUTCH CABLES
Ferrule
(711-0677)
Flat Washers
3/8" I.D. x 5/8" O.D.
(736-0185)
Hair Pin Clip
(714-0104)
F_ AUGER SHEAR BOLTS (SPARES)
Hex Lock Nuts
5/16" Thread
Shear Bolts (712-0429)
(710-0890A)
1/4-20 x 3/4" Long
(710-3015)
Chute Flange
Keepers
(731*0851)
©©
©©
Hex Lock Nuts
1/4-20 Thread
(712-3027)
ATTACHING THE CHUTE CRANK ASSEMBLY
Flat Washers
3/8" LD. x 5/8" O.D.
(736-0185)
Hex Bolt
5/16-18 x %1/2" Long
(710-0442)
Lock Washers
5/16" I.D.
(736-0119)
Hex Nut
5/16" Thread
(712-3010)
Hair Pin Clip
(714-0104)
Note: Parts are not to actual size.

SECTION 5: ASSEMBLY INSTRUCTIONS
IMPORTANT: After assembly, service engine with
gasoline, and check oil level as instructed in the
separate engine manual packed with your unit.
NOTE: All references to right or left side of the
snow thrower are determined from behind the unit in
the operating position.
UNPACKING
TOOLS REQUIRED FOR ASSEMBLY
•(1) 3/8" Wrench
• (2) 7/16" Wrench*
• (2) 1/2"Wrench*
• 9/16" Wrench
• Pair of pliers
*or adjustable wrench
• Remove staples or break glue on the top flaps
of the carton. Remove any loose parts
included with unit (i.e., Operator's Manual, etc). A (2) Handles (Right and Left)
B (1) Handle PanelAssembly
• Cut along dotted lines and lay end of carton C (1) Chute Assembly
down flat. Remove packing material. D (1) Chute Crank Assembly w/Upper
• Roll unit out of carton. Check carton Mounting Bracket
thoroughly for loose parts before discarding. E (1) Shift Rod
(1) Hardware Pack (not illustrated)
LOOSE PARTS IN CARTON See Figure 3
jE
Figure 3

Cable
Rolt_
Guide Handle
Tab
Hex
Bolt1-3/4"
Long
Figure 4
Washer Hex
Nut
Carriag_
Bolt
Figure 5
NOTE:
Place the CUPPED
side against the
handle panel.
Cable
ATTACHING THE HANDLE ASSEMBLY
(Hardware A)
1. Place right handle (A) in position against the
snow thrower so the flat side of the handle is
against the snow thrower. Secure bottom hole in
handle to snow thrower using hex bolt 3/4" long
and lock washer. See Figure 4. Do not tighten at
this time.
2. Place handle tab over the upper hole in handle
so the curve in the handle tab matches the curve
in the handle. Secure to the snow thrower using
hex bolt 1-3/4" long and lock washer. Do not
tighten at this time.
3. Attach the left handle (A) in the same manner.
Do not tighten at this time.
4. Place the handle panel (B) in position between
the handles. To hold the handle panel in place,
depress both clutch grips against the handles.
While continuing to hold the right hand grip,
release the left hand grip (the auger clutch lock
will keep left hand grip engaged). See Figure 4.
5. Fasten right side of the handle panel by inserting
two carriage bolts through handle and handle
panel (bolts must go through both the plastic and
metal parts of the handle panel). Secure with
cupped washers (cupped side against handle
panel) and hex nuts. See Figure 5.
6. Secure the left side of the handle panel in the
same manner.
7. Tighten the four hex bolts used to attach the
bottom of the handles to the snow thrower frame.
ATTACHING THE CLUTCH CABLES
The "Z" end of the clutch cables are hooked into the
clutch grips on each handle. Attach cables as follows.
1. Thread the hex jam nuts all the way up the
threaded portion of the "Z" ends of the clutch
cables.
2. Make certain all cables are in the grooves of the
cable roller guides. The two roller guides are
located in the lower rear of the unit, one on each
side.
3. Thread the cable onto the threaded portion of
the "Z" end until there is no slack in the cable,
but the cable is NOT tight. Do not overtighten
cable. See Figure 6.
WARNING: If cable is tightened so
there is tension on the cable with the
clutch grip released, the safety features
of the snow thrower may be overridden.
4. When correct adjustment is reached, tighten the
hex jam nut against the bottom portion of the
cable to lock it in position.
Figure 6

\
Chutq
Flange
Keeper
Chute
j Assembly
Hex Head
/Screw
\Hex Lock
Nut
Figure 7
Lock Washer
Hex Nut
Upper
Chute
Crank
Bracket
Figure 8
Carriage Bolts
Hex Lock Nuts
Figure 9
Flat Chute
Crank
/
Hairpin Clip
Lower
Chute Crank Plastic
Bracket Bushing
Figure 10
ATTACHING THE CHUTE ASSEMBLY
(Hardware B)
Place chute assembly (C) over chute opening, with
the opening in the chute assembly facing the front of
the unit. Place chute flange keepers beneath lip of
chute assembly, with the flat side down. Secure with
hex head screws and hex lock nuts as shown in Fig-
ure 7. Tighten with two 7/16" wrenches. Do not over-
tighten.
NOTE: Locknuts cannot be threaded onto a bolt by
hand. Tighten with 2 7/16" wrenches. This type of nut
is used where vibration occurs.
ATTACHING THE CHUTE CRANK
(Hardware C)
1. Insert hex bolt 1-1/2" long through the upper
chute crank bracket (D). See Figure 8.
2. Place the hex bolt into the hole provided in the
left handle. Secure with lock washer and hex nut.
Do not tighten until after attaching the other end
of the chute crank.
3. To align the spiral on the chute crank, it may be
necessary to loosen the carriage bolts and hex
lock nuts which secure the lower chute crank
bracket to the extension on the left side of the
chute assembly. See Figure 9.
4.
.
Place one flat washer on the end of the chute
crank, then insert the end of the crank into the
hole in the plastic bushing in the chute crank
bracket. See Figure 10. Place another flat
washer on the end of the chute crank, and insert
hairpin ctip into hole in the end of crank.
Adjust the chute bracket so that the spiral on the
chute crank fully engages the teeth on the chute
assembly. Tighten the nuts on the lower chute
crank bracket securely. Tighten the hex bolt and
nut on the upper chute crank bracket on the
handle.

Traction
Clutch
Clip
ShiftLever
/
Flat
Shift
Arm
Figure 11
IMPORTANT: Attach the shift rod and clutch cables
as follows. THEN CHECK THE ADJUSTMENTS AS
INSTRUCTED, AND MAKE ANY FINAL ADJUST-
MENTS NECESSARY BEFORE OPERATING YOUR
SNOW THROWER. Failure to follow the instructions
may cause damage to the snow thrower.
ATTACHING THE SHIFT ROD (Hardware D)
1. Place the shift lever (on the handle panel) in the
sixth (6) speed position (all the way forward).
2. Place the bent end of the shift rod (E) into the
hole in the shift arm assembly. See Figure 11.
Secure with flat washer and hairpin clip.
3. Start threading the ferrule onto the other end of
the shift rod. Push down on the shift rod (and shift
arm assembly) as far as it will go.
4 Thread the ferrule onto the shift rod until the fer-
rule lines up with the upper hole in the shift lever
(beneath the handle panel). Insert the ferrule into
the upper hole in the shift lever from the left side
when adjustment is correct. Secure with flat
washer and hairpin clip.
Make certain to check for correct adjustment of the
shift rod as instructed in the Final Adjustment section
before operating the snow thrower.
Cable is Strai
FINAL ADJUSTMENTS
Auger Drive Clutch
To check the adjustment of the auger drive clutch,
push forward on the left hand clutch grip (depress the
rubber bumper). There should be slack in the cable.
Release the clutch grip. The cable should be straight.
Make certain you can depress the auger drive clutch
grip against the left handle completely.
If necessary, loosen the hex jam nut and thread the
cable in (for less slack) or out (for more slack) as nec-
essary. Refer to Figure 12. Recheck the adjustment.
Tighten the jam nut against the cable when correct
adjustment is reached.
Figure 12

Traction Drive Clutch and Shift Lever
Adjustment
To check the adjustment of the traction drive clutch
and shift lever, move the shift lever all the way
forward to sixth (6) position. With the traction drive
lever released, push the snow thrower forward. The
unit should move forward freely. Then engage the
traction drive clutch grip. The wheels should stop
turning.
Now release the traction drive clutch grip, and push
the unit again. Move the shift lever back to the fast
reverse position, then all the way forward again.
There should be no resistance in the shift lever, and
the and the wheels should keep turning.
If you have resistance when moving the shift lever
or the wheels stop when they should not, loosen the
jam nut on the traction drive cable and unthread the
cable one turn. If the wheels do not stop when you
engage the traction drive clutch grip, loosen the jam
nut on the traction drive cable and thread the cable
in one turn. Recheck the adjustment and repeat as
necessary. Tighten the jam nut to secure the cable
when correct adjustment is reached.
NOTE: If you are uncertain that you have reached
the correct adjustment, refer to the Adjustment sec-
tion on page 14.
ADJUSTING THE SKID SHOES
The space between the shave plate and the ground
can be adjusted. For close snow removal, place skid
shoes in the low position. Use middle or high position
when area to be cleared is uneven. See Figure 13.
Adjust skid shoes by loosening the four hex nuts and
carriage bolts and moving skid shoes to desired posi-
tion. Make certain the entire bottom surface of skid
shoe is against the ground to avoid uneven wear on
the skid shoes. Retighten nuts and bolts securely.
It is not recommended that you operate this snow
thrower on gravel as loose gravel can be easily
picked up and thrown by the auger causing an injury
or damage to the snow thrower.
TIRE PRESSURE (PneumaticTires)
The tires are over-inflated for shipping purposes.
Check tire pressure and reduce to 15 to 20 psi.
NOTE: If the tire pressure is not equal in both
tires, the unit may pull to one side or the other.
SECTION 6: CONTROLS
_..,_ Auger Traction r_
Drive Drive/Auger_,.|l! |
Crank
Figure 14
The shift lever is located in the center of the handle
panel. The shift lever may be moved into one of eight
positions. Run engine with throttle in the fast position.
Use the shift lever to determine ground speed.
Forward--one of six speeds.
Position number one (1) is the
slowest. Position number six (6) is
the fastest.
Reverse--two reverse (R)
speeds. "R" closest to the operator
(all the way back) is the faster of
the two.
Figure 15
Skid
Shoe
Carriage Bolts
Figure 13
AUGER DRIVE (See Figure 14)
The auger drive clutch is located on the left handle.
Squeeze the clutch grip to engage the augers.
Release to stop the snow throwing action. (Traction
drive clutch must also be released.)
10

TRACTION DRIVE/AUGER CLUTCH LOCK
(See Figure 14)
The traction drive clutch is located on the right handle.
Squeeze the traction drive clutch to engage the wheel
drive. Release to stop.
This same lever also locks the auger clutch so you
can turn the chute crank without interrupting the snow
throwing process, if the auger drive clutch is engaged
with the traction drive clutch engaged, the operator
can release the auger drive clutch (on the left handle)
and the augers will remain engaged. Release the
traction drive clutch to stop both the augers and wheel
drive (auger drive clutch must also be released).
CHUTE CRANK (See Figure 14)
The chute crank is located on left hand side of the
snow thrower.
To change the direction in which snow is thrown, turn
chute crank as follows:
1. Crank clockwise to discharge to the left.
2. Crank counterclockwise to discharge to the right.
THROTTLE CONTROL (See Figure 17)
The throttle control is located on the engine. It regu-
lates the speed of the engine.
SAFETY IGNITION SWITCH (See Figure 17)
The ignition key must be inserted in the switch before
the unit will start. Remove the ignition key when snow
thrower is not in use.
FUEL SHUT-OFF
VALVE
The fuel shut-off valve,
located under fuel tank,
controls fuel flow from
tank. (If equipped)
Figure 16
Choke
\\
Primer
Ignition f
Key Control
Figure 17
Rope
Start
Handle
SECTION 7: OPERATION
BEFORE STARTING
_ILWARNING: Observe all Warning Labels
on the snow thrower prior to use. See
Figure 1.
Your snow thrower is shipped with oil; however,
you must check the oil level before operating, Be
careful not to overfill,
The spark plug wire was disconnected for safety.
Attach spark plug wire to spark plug before starting.
GAS AND OIL FILL-UP
Check oil level and add oil if necessary. Service the
engine with gasoline as instructed in the separate
engine manual packed with your snow thrower.
Read instructions carefully.
WARNING: Never fill fuel tank
indoors. Never fill fuel tank with engine
running or while engine is hot. Do not
smoke when filling fuel tank.
TO START ENGINE
1. Attach spark plug wire to spark plug. Make
certain the metal loop on end of the spark plug
wire (inside the boot) is fastened securely over
the metal tip on the spark plug. See Figure 18.
Metal Loop
on
Plug Wire
Rubber Boot
Figure 18
2. Make certain the fuel cutoff valve is in the OPEN
(vertical) position.
3. Make certain the auger and drive clutch levers
are in the disengaged (released) position.
4. Move throttle control up to FAST position, insert
ignition key into slot. See Figure 19. Be certain it
snaps into place. Do not turn key.
ENGINE WILL NOT START
UNLESS IGNITION KEY iS iN-
SERTED INTO IGNITION
SLOT iN CARBURETOR
COVER. DO NOT TURN IGNI-
TION KEY.
11

Electric Starter:
WARNING: The electric starter is
equipped with a three-wire power cord
and plug, and is designed to operate on
120 volt AC household current. It must
be properly grounded at all times to
avoid the possibility of electric shock
which may be injurious to the operator.
Follow all instructions carefully. Determine that your
house wiring is a three wire grounded system. Ask a
licensed electrician if you are not certain. If your
house wiring system is not a three-wire grounded
system, do not use this electric starter under any
conditions, if your system is grounded and a three-
hole receptacle is not available at the point your
starter will normally be used, one should be
installed by a licensed electrician.
When connecting the power cord, always connect
cord to starter on engine first, then plug the other
end into a three-hole grounded receptacle.
When disconnecting the power cord, always unplug
the end from the three-hole grounded receptacle
first.
Switch Starter Button
Spark Box \ /(Optional)
Plug_
Rope Starter
Handle
Key Throttle
Control
Figure 19
1. Rotate choke knob to OFF position.
2. Connect power cord to switch box on engine.
Plug the other end of power cord into a three-
hole, grounded 12-volt AC receptacle.
3. Push starter button to crank engine. See Figure
19. As you crank the engine, move choke knob
to FULL choke position. (cold engine start)
4. When engine starts, release starter button, and
move choke gradually to OFF. If engine falters,
move choke immediately to FULL and then
gradually to OFF.
Recoil Starter:
1,
2,
3.
Rotate choke knob to FULL choke position (cold
engine start).
if engine is warm, place choke in OFF position
instead of FULL.
Push primer button two or three times for cold
engine start. See Figure 19.
4. if engine is warm, push primer button once only.
NOTE: Always cover vent hole in primer button
when pushing. Additional priming may be necessary
for first start if temperature is below 15 degrees
Fahrenheit.
5. Grasp starter handle (see Figure 19) and pull
rope out slowly, until it pulls slightly harder. Let
rope rewind slowly.
6. Pull starter handle rapidly. Do not allow handle
to snap back. Allow it to rewind slowly while
keeping a firm hold on the starter handle.
7. Repeat step 8 until engine starts.
8. As engine warms up and begins to operate
evenly, rotate choke knob slowly to OFF
position. If engine falters, return to FULL choke,
then slowly move to OFF position.
TO STOP ENGINE
1. Run engine for a few minutes before stopping to
help dry off any moisture on the engine.
2. To help prevent possible freeze up of starter,
proceed as follows.
• Electric Starter: Connect power cord to
switch box on engine, then to 120 volt AC
receptacle. With the engine running, push
starter button and spin the starter for several
seconds. The unusual sound made by
spinning the starter will not harm engine or
starter. Disconnect the power cord from
receptacle first, and then from switch box.
•Recoil Starter: With engine running, pull
starter rope with a rapid, continuous full arm
stroke three or four times. Pulling the starter
rope will produce a loud clattering sound,
which is not harmful to the engine or starter.
3. To stop engine, move throttle control to "stop"
or "off' position.
4. Remove the ignition key. Do not turn key.
Disconnect the spark plug wire from the spark
plug to prevent accidental starting while
equipment is unattended.
NOTE: Do not lose the ignition key. Keep it in a
safe place. Engine wilt not start without the ignition
key.
12

.Wipe all snow and moisture from the carburetor
cover in the area of the control levers. Also,
move control levers back and forth several
times.
TO ENGAGE DRIVE
1. With the engine running near top speed, move
shift lever into one of the five FORWARD
positions or two REVERSE positions. Select a
speed appropriate for the snow conditions that
exist. Use the slower speeds until you are
familiar with the operation of the snow thrower.
2. Squeeze the auger clutch grip and the augers
wilt turn. Release it and the augers will stop.
3. Squeeze the drive clutch grip and the snow
thrower will move. Release it and drive motion
wilt stop.
4. NEVER move shift lever without releasing drive
clutch.
TO ENGAGE AUGERS
To engage the augers and start the snow throwing
action, squeeze the auger clutch grip against the left
handle. Release to stop the augers.
TIRE CHAINS (Optional Equipment)
Tire chains should be used whenever extra traction
is needed.
OPERATING TIPS
NOTE: Allow the engine to warm up for a few
minutes as the engine wilt not develop full power
until it reaches operating temperature.
_ARNING: Temperature of muffler
and surrounding areas may exceed 150
degrees Fahrenheit. Avoid these areas.
1. For most efficient snow removal, remove snow
immediately after it falls.
2. Discharge snow downwind whenever possible.
Slightly overlap each previous swath.
3. Set the skid shoes 1/4" below the scraper bar
for normal usage. The skid shoes may be
adjusted upward for hard-packed snow. Adjust
downward when using on gravel or crushed
rock.
4.
5.
Be certain to follow the precautions listed under
"To Stop Engine" to prevent possible freeze-up.
Clean the snow thrower thoroughly after each
use.
SECTION 8: ADJUSTMENTS
WARNING: NEVER attempt to clean
chute or make any adjustments while
engine is running. Refer to label in
Figure 1 in safety section.
CHUTE ASSEMBLY ADJUSTMENT
The distance snow is thrown can be adjusted by
adjusting the angle of the chute assembly. The
sharper the angle, the shorter the distance snow is
thrown. See Figure 20.
To adjust chute assembly, loosen the hand knob.
Pivot the top of the chute assembly to position
desired. Retighten the hand knob.
Hand Knob I
Figure 20
AUGER CLUTCH ADJUSTMENT
To adjust the auger clutch, refer to Final Adjustment
section of Assembly Instructions.
SHIFT ROD ADJUSTMENT
To adjust the shift rod, separate the shift rod and fer-
rule from the shift lever by removing the hairpin clip
and flat washer from the ferrule underneath the han-
dle panel. Refer to Figure 12. Adjust as specified in
the Assembly Instructions.
CARBURETOR ADJUSTMENT
WARNING: If any adjustments are
made to the engine while the engine is
running (e.g. carburetor), keep clear of
all moving parts. Be careful of heated
surfaces and muffler.
Minor carburetor adjustment may be required to com-
pensate for differences in fuel, temperature, altitude
and load.
Refer to the separate engine manual packed with
your unit for carburetor adjustment information.
13

SKID SHOE ADJUSTMENT
The space between the shave plate and the ground
can be adjusted. Refer to page 10 of the Assembly
Instructions.
TRACTION DRIVE CLUTCH
ADJUSTMENT
Refer to the Final Adjustment section of the Assem-
bly Instructions to adjust the traction drive clutch. If
you are uncertain that you have reached the correct
adjustment, the adjustment can be physically
checked as follows.
With the snow thrower tipped forward (be certain to
drain the oil and gasoline or drain the oil and place
plastic film under the gas cap if the snow thrower has
already been operated), remove the frame cover
underneath the snow thrower by removing six self-
tapping screws.
With the traction drive clutch released, there must be
clearance between the friction wheel and the drive
plate in all positions of the shift lever. With the traction
drive clutch engaged, the friction wheel must contact
the drive plate. See Figure 21.
If adjustment is necessary, loosen the hex jam nut on
the traction drive cable and thread the cable in or out
as necessary. Tighten the hex jam nut to secure the
cable when correct adjustment is reached. Reassem-
ble the frame cover.
NOTE: If you placed plastic under the gas cap, be
certain to remove it.
- .- _m
Figure 21
DRIVE WHEELS
The wheels may be adjusted for two different meth-
ods of operation. The adjustment is made by placing
the klick pins in one of two different holes on the right
side of the unit. See Figure 22.
1. One Wheel Driving--Place klick pin in the out-
side axle hole on the right side. This position
gives power drive to the left wheel only, making
the unit easier to maneuver.
2. Both Wheels Driving--Both Wheels Driving--
Rotate wheel assembly to align hole in hub with
inner hole on axle shaft. Insert klick pin in hole.
Outer axle shaft hole should be visible. This
position is good for heavy snow as there is
power to both wheels. See Figure 22.
Outside
Hole in Axle
Figure 22
SECTION 9: LUBRICATION
_lb WARNING: Disconnect the spark
plug wire and ground against the
engine before performing any repairs
or maintenance.
ENGINE
Refer to engine manual for engine lubrication
instructions.
WARNING:When following instruc-
tions in separate engine manual for
draining oil, be sure to protect frame to
avoid oil dripping onto transmission
parts.
CHUTE CRANK
The worm gear on the chute direction crank should
be greased with multipurpose automotive grease.
14

WHEELS
Oil or spray lubricant into bearings at wheels at
least once a season. Pull the klick pins and remove
wheels, clean and coat axles with a multipurpose
automotive grease. See Figure 23.
_ Oil Bearings
Lubricant
Klick
Pin \
Figure 23
Shear Bolts
Bearings
Figure 24
AUGERSHAFT
Remove shear bolts on auger shaft. Oil or spray
lubricant inside shaft. See Figure 24.
GEAR SHAFT
Lubricate the gear shaft with a good all-weather
multi-purpose light grease at least once a season or
after every 25 hours of operation.
IMPORTANT: Keep all grease and oil off of the
friction wheel and drive plate.
DRIVE AND SHIFTING MECHANISM
Remove rear cover. Oil any chains, sprockets,
gears, bearings, shafts, and shifting mechanism at
least once a season. Use engine oil or a spray
lubricant. Avoid getting oil on rubber friction wheel
and aluminum drive plate.
GEAR CASE
The worm gear case has been filled with grease at
the factory, if disassembled for any reason,
lubricate with 2 ounces of Shell AIvania grease
EPR00, part number 737-0168. Before
reassembling, remove old sealant and apply "Loctite
5699" or equivalent.
IMPORTANT: Do not overfill the gear case.
Damage to the seals could result. Be sure the vent
plug is free of grease in order to relieve pressure.
SECTION 10: MAINTENANCE
AUGERS
The augers are secured to the spiral shaft with two
shear bolts and hex lock nuts. See Figure 24. If you
hit a foreign object or ice jam, the snow thrower is
designed so that the hex bolts wilt shear.
If the augers will not turn, check to see if the bolts
have sheared. Two replacement shear bolts and hex
lock nuts have been provided with the snow thrower.
For future use, order part number 710-0890A (shear
bolt 5/16-18 x 1.5" long) and 712-0429 (hex insert
lock nut 5/16-18 thread).
SHAVE PLATE AND SKID SHOES
The shave plate and skid shoes on the bottom of the
snow thrower are subject to wear. They should be
checked periodically and replaced when necessary.
To remove skid shoes, remove the four carriage bolts,
bell washers and hex nuts which attach them to the
snow thrower. Reassemble new skid shoes with the
four carriage bolts, bell washers (cupped side goes
against skid shoes) and hex nuts. Make certain the
skid shoes are adjusted to be level.
To remove shave plate, remove the carriage bolts,
bell washers and hex nuts which attach it to the snow
thrower housing. Reassemble new shave plate, mak-
ing sure heads of the carriage bolts are to the inside
of the housing. Tighten securely.
ENGINE
Refer to separate engine manual for all engine main-
tenance procedures.
15

BELT REMOVAL AND REPLACEMENT
,_ WARNING: Disconnect the spark
plug wire from the spark plug and
ground.
6. Unhook the idler spring from the hex bolt on the
auger housing. See Figure 27.
7. Back out the stop bolt to allow the belts to slip
between the bolt and auger pulley. See Figure
28.
AUGER BELTS
NOTE: It is necessary to remove both belts in
order to change either one. If changing just one belt,
be certain to check the condition of the other belt
(model 600/610E has only one auger belt).
1. Remove the plastic belt cover on the front of the
engine by removing the two self-tapping screws.
See Figure 25.
NOTE: It may be necessary to loosen the six hex
nuts that fasten the frame to the auger housing to aid
in belt removal.
8. Lift the rear auger belt from the auger pulley, and
slip belt between the support bracket and the
auger pulley. See Figure 27. Repeat this step for
front auger belt (except models 600/610E).
9. Replace both auger drive belts by following
instructions in reverse order.
Belt /
Cover
Self-Tapping
Screws
Figure 25
2. Drain the gasoline from the snow thrower, or
place a piece of plastic under the gas cap.
3. Tip the snow thrower up and forward so that it
rests on the housing.
4. Remove six self-tapping screws from the frame
cover underneath the snow thrower.
5. Roll the front and rear auger belts off the engine
pulley. See Figure 26.
DRIVE BELT
1. Follow steps 1through 4 of previous instructions.
2. Pull idler pulley up, and lift belt off engine pulley
and friction wheel disc. SeeFigure 26
3. Back out the stop bolt until the support bracket
rests on the auger pulley. See Figure 28.
4. Slip belt between friction wheel and friction
wheel disc. See Figure 28. Remove and replace
belt. Reassemble following the instructions in
reverse order.
NOTE: The support bracket must rest on the stop
bolt after the new belt has been assembled. See Fig-
ure 28.
Friction
Wheel
,,/ _ Drive
Belt o s
Idler _ _ O_/_ Auger
Pu,,ey'do'! l" Be't
Engine Pulley _._
Pulley
Figure 26
Bracket
Augel
Belt
"ame
Fron!
Auger Auger Idl; ger
Pulley Pulley Spring Housing Bracket
Spring
Figure 27
16

Friction j Friction Wheel
Stop.
Bolt
Drive Belt
Support Bracket
Figure 28
CHANGING FRICTION WHEEL RUBBER
The rubber on the friction wheel is subject to wear and
should be checked after 25 hours of operation, and
periodically thereafter. Replace the friction wheel
rubber if any signs of wear or cracking are found.
1. Drain the gasoline from the snow thrower, or place
a piece of plastic under the gas cap.
2. Tip the snow thrower up and forward, so that it
rests on the housing.
3. Remove six self-tapping screws from the frame
cover underneath the snow thrower.
4. Remove the klick pins which secure the wheels,
and remove the wheels from the axle.
5. Using a 9/16" wrench to hold the shaft, loosen, but
do not completely remove, the hex nut and bell
washer on left end of gear shaft. See Figure 29.
6.
7.
8.
.
10.
Lightly tap the hex nut to dislodge the ball bearing
from the right side of frame. Remove the hex nut
and bell washer from left end of shaft.
Slide the gear shaft to the right and slide the fric-
tion wheel assembly from the shaft.
Remove the six screws from the friction wheel
assembly (three from each side). Remove the fric-
tion wheel rubber from between the friction wheel
plate.
Reassemble new friction wheel rubber to the
friction wheel assembly, tightening the six screws
in rotation and with equal force.
Position the friction wheel assembly up onto the
pin of the shift rod assembly, and slide the shaft
through the assembly. Reassemble in reverse
order.
Figure 29
SECTION 11: OFF-SEASON STORAGE
1.
WARNING: Never store engine with
fuel in tank indoors or in poorly
ventilated areas, where fuel fumes may
reach an open flame, spark or pilot light
as on a furnace, water heater, clothes
dryer or other gas appliance.
If unit is to be stored over 30 days, prepare the
engine for storage as instructed in the separate
engine operator's manual included with your unit.
carburetor.
2. Remove all dirt from exterior of engine and
equipment.
3. Follow lubrication recommendations on page 14.
NOTE: When storing any type of power equipment
in a poorly ventilated or metal storage shed, care
should be taken to rust proof the equipment. Using a
light oil or silicone, coat the equipment, especially any
chains, springs, bearings and cables.
17

SECTION 12: Trouble Shooting Guide
Trouble
Enginefails to start
Possible Cause(s)
Fuel tank empty,or stale fuel,
Blocked fuel line.
Choke not in ON position
Faulty spark plug.
Key not in switch on engine.
Spark plug wire
disconnected.
Primer button not depressed.
Fuel shut-off valve closed
(if so equipped).
Unit running on CHOKE.
Blocked fuel line or stale fuel.
Corrective Action
Fill tank with clean, fresh gasoline. Fuel will not last over thirty
days unless a fuel stabilizer is used.
Clean fuel line.
Move switch to ON position
Clean, adjust gap or replace.
Insert key.
Connect spark plug wire.
Refer to the engine manual packed with your unit.
Open fuel shut-off valve.
Engine runs Move choke lever to OFF position.
erratic** Clean fuel line; fill tank with clean fresh gasoline. Fuel will not last
over thirty days unless a fuel stabilizer is used.
Water or dirt in fuel system. Drain fuel tank. Refill with fresh fuel.
Carburetor out of adjustment. Refer to the engine manual packed with your unit or have
carburetor adjusted by an authorized service dealer.
Loss of power Spark plug wire loose. Connect and tighten spark plug wire.
Gas cap vent hole plugged. Remove ice and snow from cap. Be certain vent hole is clear.
Exhaust port plugged. Clean-see Maintenance section of engine manual.
Engine overheats Carburetor not adjusted Refer to the engine manual packed with your unit or have
properly, carburetor adjusted by an authorized service dealer.
Incorrect fuel mixture. Drain fuel tank. Refill with proper fuel mixture.
Excessive vibration Loose parts or damaged Stop engine immediately and disconnect spark plug wire. Tighten
auger, all bolts and nuts. Make all necessary repairs. If vibration
continues, have unit serviced by an authorized service dealer.
Unit fails to propel Incorrect adjustment of drive Adjust drive cable. Refer to Adjustment section of this manual.
itself cable.
Drive belt loose or damaged.
Unit fails to Discharge chute clogged.
discharge snow
Foreign object lodged in
auger.
Incorrect adjustment of drive
cable.
Drive belt loose or damaged.
Replace drive belt. Refer to Belt Replacement in Maintenance
section of this manual.
Stop engine immediately and disconnect spark plug wire. Clean
discharge chute and inside of auger housing.
Stop engine immediately and disconnect spark plug wire.
Remove object from auger.
Adjust drive cable. Refer to Adjustment section of this manual.
Replace drive belt. Refer to Belt Replacement in Maintenance
section of this manual.
Note: For repairs beyond the minor adjustments above, contact your local authorized service dealer.
18

Gear Assembly (All Models)
I I
REE PART
NO. NO.
1 618-0123
2 618-0124
3 710-0642
4 711-0908
711-0909
711-0910
5 714-0161
6 715-0143
7 717-0526
8 717-0528
9 718-0186
10 721-0325
REF. PART
DESCRIPTION Qty. NO. NO.
Housing--LH, 1 11 721-0327
Housing--R.H. 1 12 721-0328
Screw 5 13 736-0351
Spiral Axle 24" 1 14 736-0369
Spiral Axle 26" 1 15 736-0445
Spiral Axle 28" 1 16 737-0168
DESCRIPTION
Seal-Oil
Locktite 5699
Washer-Flat
Washer-Flat
Washer-Flat
Grease
Key 1 17 741-0662
Pin-Spiral 1 18 741-0663
Shaft-Worm 1 618-0120
Gear-Worm 1 618-0121
Collar-Thrust 1 618-0122
Plug 1
Bearing*Flange
Bearing*Flange
Ass'y, Complete 24"
Ass'y, Complete 26"
Ass'y, Complete 28"
Qty.
1
2
4
1
1.5 oz.
1
1
1
1
1
19

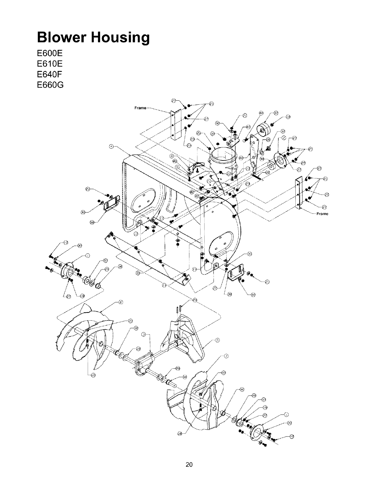
Blower Housing
E600E
E610E
E640F
E660G
I
20

Blower Housing
E600E
E610E
E640F
E660G
REF.
NO.
1
2
3
4
5
6
7
8
9
10
11
13
16
18
20
21
PART
NO.
784-5618
05931
618-0120
618-0121
618-0122
684-0039A
684-0040A
684-0041A
684-0065
605-5188
605-5192
605-5196
605-5189
605-5193
605-5197
705-5226
710-0134
710-0604
710-0134
710-0451
710-0890A
712-0116
712-0429
712-0324
DESCRIPTION
Housing, Bearing
Housing, Bearing
Gear Assembly (24")
Gear Assembly (26")
Gear Assembly (28")
24" Housing Assembly
26" Housing Assembly
28" Housing Assembly
Impeller Assembly
Spiral, 24" R.H.
Spiral, 26" R.H.
Spiral, 28" R.H.
Spiral, 24" L.H.
Spiral, 26" L.H.
Spiral, 28" L.H.
Reinforcement, Chute
Bolt, Carriage
Screw, Hex
Screw, Carriage
Screw, Carriage
Bolt, Shear
Hex Lock Nut
Nut, Hex Lock
Nut, Hex
QTY.
2
1
1
1
1
1
1
1
1
1
1
1
1
1
1
1
2
6
3
10
4
1
2
19
REF.
NO.
23
24
25
26
27
28
29
3O
32
33
34
35
36
37
38
39
40
41
42
43
44
45
PART
NO.
712-3027
715-0114
731-1379
732-0611
736-0119
736-0174
736-0188
736-0242
738-0281
741-0245
741-0309
741-0475
741-0493A
756-0178
784-5580
784-5581A
784-5579A
784-5582A
784-5632
784-5647
736-0169
712-0798
710-0459
736-0463
DESCRIPTION
Nut, Lock, Hex, Flanged
Spring Pin
Adapter, Chute
Spring
Lock Washer
Washer, Flat
Washer, Flat
Washer, Bell
Screw, Shoulder
Bearing, Flange
Bearing, Ball
Bushing, Plastic
Bushing, Flange
Idler, Flat
Shoe, Slide
24" Shave Plate
26" Shave Plate
28" Shave Plate
Arm, Auger Idler
Bracket, Chute Crank
Lock Washer
Hex Nut
Screw, Hex Cap
Flat Washer
QTY.
5
2
1
1
9
1
16
1
2
1
1
4
1
2
1
1
1
1
1
1
1
1
5
21

Handle Assembly
E600E
E610E
E640F
E660G
22

Handle Assembly
E600E
E610E
E640F
E660G
REF. PART
NO. NO.
1 684-0008A
3 684-0033A
4 684-0036
5 684-0037
7 710-0276
8 710-0451
9 710-0599
10 710-1003
11 711-0653
12 712-0116
13 712-3010
14 712-0429
15 714-0507
16 715-0138
17 720-0201A
18 720-0232
19 720-0274
20 720-0284
21 726-0102
22 731-0921
23 731-1300A
24 731-1391
25 732-0145
26 732-0193
27 732-0746
28 735-0199A
29 736-0105
30 736-0119
31 736-0159
32 736-0509
33 737-0133
DESCRIPTION
Arm-Shift
Panel-Handle
Handle-Engagement--R.H.
Handle-Engagement--L.H.
Screw
Bolt-Carriage
Screw
Screw
Pin-Clevis
Nut-Hex
Nut-Hex
Nut-Lock
Pin-Cotter
Pin-Roll
Knob
Knob-Shift
Grip
Knob
Cap-Push
Chute-Upper
Chute-Lower
Panel-Handle
Spring
Spring
Spring
Bumper
Washer-Bell
Washer-Lock
Washer
Washer
Lubricant
REE PART
QTY. NO. NO.
1 34 741-0475
1 35 747-0798A
1 36 747-0877
1 37 748-0362
1 38 748-0363
1 39 749-0910A
4 40 749-0911A
2 41 784-5619A
1 42 784-5679
1 43 784-5680
5 44 784-5681
1 45 784-5682
3 46 736-0119
1 47 710-3008
1 48 710-3180
1 49 784-5599
2 50 736-0185
1 52 684-0022
1 53 710-0442
1 54 736-0242
1 55 711-0677
1 56 736-0275
1 57 710-0262
1 58 710-3015
1 59 731-0851A
2 60 712-3027
1 62 736-0264
2 63 714-0104
2 64 784-5678
2 65 710-0459
DESCRIPTION
Bushing-Plastic
Rod-Shift
Rod-Cam
Cam-Handle Lock
PawI-Handle Lock
Handle--R.H.
Handle--L,H,
Handle-Shift
Bracket-Handle Support--LH.
Bracket-Handle Support--R.H.
Bracket-Handle Support--LH.
Bracket-Handle Support--R.H.
Washer-Lock
Screw
Screw
Tab-Handle
Washer-Flat
Crank-Chute
Screw
Washer-Bell
Ferrule
Washer-Flat
Bolt-Carriage
Screw
Keeper-Chute Flange
Nut-Lock
Washer-Flat
Pin-Cotter
Bracket
Screw
QTY.
1
1
2
2
1
1
1
1
1
1
1
1
7
2
2
2
2
1
1
4
1
2
4
6
3
6
2
2
1
1
23

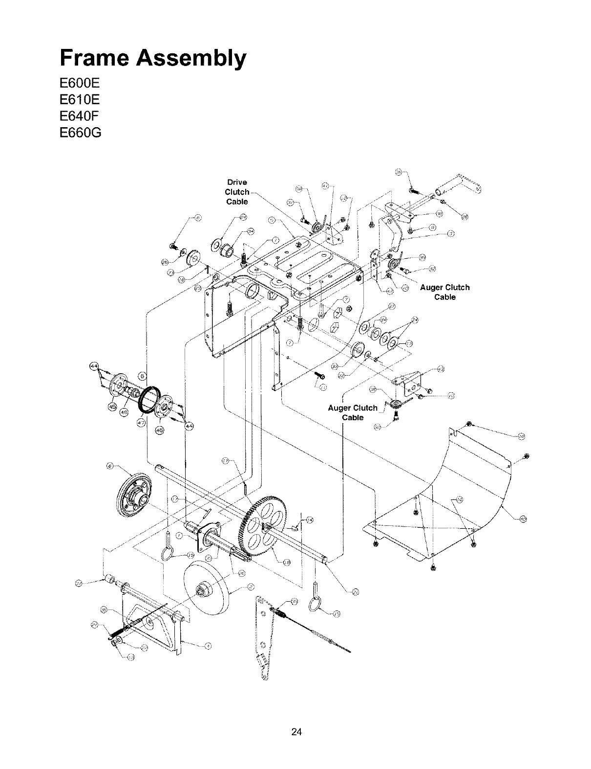
Frame Assembly
E600E
E610E
E640F
E660G
Drive _
Clutch \
Cable \" • "
/
_Auger Clutch
Cable
@
"_- Auger Clutch ,
Cable
/ /
24

Frame Assembly
E600E
E610E
E640F
E660G
REF. PART
NO. NO.
1 618-0063
2 656-0012A
3 684-0013B
4 684-0021
5 684-0030
6 684-0042B
7 710-0654A
8 710-0538
9 710-0599
10 710-0896
11 710-0788
13 712-0711
14 714-0126
15 714-0143
16 714-0474
17 715-0249
19 717-1445
20 717-1444
21 732-0264
22 736-0105
23 736-0160
24 736-0188
DESCRIPTION
Bearing Ass'y.
Ass'y., Friction Wheel Disc
Rod Shift, Wheel Drive
Brkt. Ass'y. Friction Wheel
Frame Ass'y., 600 S/T
Wheel Friction
Hex Self-Tap Screw
Hex Hd. Cap Screw
REE PART
QT_ NO. NO.
1 25 736-0242
1 26 712-0324
1 27 736-0351
1 28 710-0809
1 31 738-0869
1 738-0830
4 32 738-0924
2 33 741-0563
DESCRIPTION
Washer, Bell
Nut, Top lock
Washer, Flat
Hex Screw
Axlet
Axle tt
Screw, Shoulder
Bearing, Ball
Scr., Hex Wash.
Hex Self-Tap Scr.
Screw, Hex
Nut. Hex
Key
Pin, Klick
Pin, Cotter
Pin, Roll
Gear
Shaft, Hex
Extension Spring
Washer, Bell
Flat Washer
Washer, Fiat
2 34 741-0598
12 35 746-0897
1 36 746-0898
2 37 748-0190
1 38 756-0625
2 39 784-5590
1 40 784-5638
2 41 784-5688
1 42 784-5687
1 43 784-5689A
1 44 710-0599
2
1 45 784-5617
3 46 718-0301A
47 735-0243
Flange Bearing
Cable, Auger
Cable, Clutch
Spacer
Roller, Cable
Frame, Shift Bracket
Cover, Frame
Bracket, Drive Cable Roller
Brkt., Auger Clutch Cable Guide
Brkt., Front Support Guide
Hex Wash Hd. TT-Tap Scr.
1/4-20 x .5" Lg.
Friction Plate
Friction Wheel Hub
Friction Wheel Rubber
QTY.
2
1
1
1
1
1
3
2
2
1
1
1
3
1
1
1
1
1
6
1
1
1
t Used with 13"Wheels
tt Used with 16" Wheels ® ®
®.-.
WHEEL ASSEMBLIES
MODEL NO. SIZE REF. NO. 1 REF. NO. 2 REF. NO. 3 REF. NO. 4 REF. NO. 5 REF. NO. 6
WHEEL ASS'Y TIRE AIR RIM SLEEVE KLICK
COMPLETE ONLY VALVE ONLY BEARING (2) PIN
31AE600EOO6 13 x 5 734-1714 734-1527 734-6255 734-1713 741-0401 714-0143
31AE610EOO6 13x5 734-1714 734-1527 734-6255 734-1713 741-0401 714-0143
31AE640F000 16 x 4,8 734-1769 734-1530 734-6255 734-1708 741-0401 714-0143
31AE660G600 16 x 6,5 734-1712 734-1525 734-6255 734-1711 741-0401 714-0143
25

Engine and V-Belts
E600E
E610E
\
REF.
NO.
1
2
3
4
5
6
7
8
9
10
11
12
13
14
15
PART
NO.
05896A
629-0071
710-0627
710-1245
710-0230
710-0342
710-0696
710-0627
710-0896
712-0181
731-1324
732-0339
736-0119
736-0242
736-0247
DESCRIPTION
Bracket-Idler
Cord-Extension 11OV
Screw-Rex
Screw-Rex
Screw-Rex
Screw-Rex
Screw-Rex
Screw-Rex
Screw-Hex
Nut-Hex
Cover-Belt
Spring
Washer-Lock
Washer-Bell
Washer-Flat
REE PART
QTY. NO. NO.
1 16 736-0270
1 17 736-0331
1 18 736-0505
1 19 736-0507
1 20 748-0234
1 21 748-0360
1 22 754-0343
1 23 754-0430
2 24 756-0313
1 25 756-0569
1 26 756-0967
1 27 756-0984
1 28 756-0985
1 29 390-986
1
DESCRIPTION
Washer-Lock
Washer-Lock
Washer-Flat
Washer
Spacer
Adapter-Pulley
V-Belt
V-Belt
Idler-Flat
Pulley-Half
Pulley
Pulley-Half
Pulley-Half
Electric Start Kit
QTY.
1
1
1
1
1
1
1
1
1
2
1
1
1
1
26

Engine and V-Belts
E640F
E660G
I
I
I
REE
NO.
1
2
3
4
5
6
7
8
9
10
11
12
13
14
15
PART
NO.
05896A
629-0071
710-0627
710-1245
710-0230
710-0342
710-0696
710-0627
710-0896
712-0181
731-1324
732-0710
736-0119
736-0242
736-0247
DESCRIPTION
Bracket
Cod, Extension
Screw
Screw
Screw
Screw
Screw
Screw
Screw
Nut, Hex
Belt Cover
Spring
Washer--Flat
Washer--Bell
Washer--Flat
QTY. REF. PART
NO. NO.
1 16 736-0270
1 17 736-0331
1 18 736-0505
1 19 748-0234
1 20 748-0360
1 21 754-0346
1 22 754-0430
1 23 756-0313
2 24 756-0569
1 25 756-0967
1 26 756-0986
1 27 756-0987
1 28 390-987
1 29 --
1
DESCRIPTION
Washer--Lock
Washer--Bell
Washer--Flat
Shoulder Spacer
Pulley, Adapter
V-Belt
V-Belt Matched
Idler, Flat
Pulley, Half
Pulley--Auger
Pulley Half
Pulley Half
Starter
Engine
QTY.
1
1
1
1
1
1
2
1
4
2
1
1
1
1
27

MANUFACTURER'S LIMITED WARRANTY FOR:
For TWO YEARS from the date of retail purchase
within the United States of America, its possessions
and territories, MTD PRODUCTS INC will, at its
option, repair or replace, for the original purchaser,
free of charge, any part or parts found to be
defective in material or workmanship. This warranty
covers units which have been operated and
maintained in accordance with the operating
instructions furnished with the unit, and which have
not been subject to misuse, abuse, commercial use,
neglect, accident, improper maintenance or
alteration.
Normal wear parts or components thereof are
subject to separate terms as noted below in the "No
Fault Ninety Day Consumer Warranty" clause.
All normal wear part failures will be covered on this
product for a period of 90 days regardless of cause.
After 90 days, but within the two year period, normal
wear parts failures will be covered ONLY IF caused
by defects in material or workmanship of OTHER
component parts. Normal wear parts are defined as
batteries*, belts, blades, blade adapters, grass
bags, rider deck wheels, seats, snow thrower skid
shoes, shave plates and tires.
How to obtain service: Warranty service is
available, with proof of purchase, through your local
authorized service dealer. To locate the dealer in
your area, please check the yellow pages or contact
the Customer Service Department of MTD
PRODUCTS INC, P. O. Box 368022, Cleveland,
Ohio 44136-9722. Phone 1 (800) 800-7310. The
return of a complete unit wilt not be accepted by the
factory unless prior written permission has been
extended by the Customer Service Department of
MTD PRODUCTS INC.
Transportation charges: Transportation charges
for the movement of any power equipment unit or
attachment are the responsibility of the purchaser.
Units exported out of the United States: MTD
PRODUCTS INC does not extend any warranty
for products sold or exported outside of the United
States of America, its possessions and territories,
except those sold through MTD PRODUCTS INC's
authorized channels of export distribution.
Other Warranties:
1. The engine or component parts thereof carry
separate warranties from their manufacturers.
Please refer to the applicable manufacturer's
warranty on these items.
2. *Batteries are covered by a 90-day replacement
warranty.
3. Log splitter pumps, valves and cylinders or
component parts thereof are covered by a one
year warranty.
4. All other warranties, express or implied,
including any implied warranty of
merchantability or fitness for a particular
purpose, are hereby expressly disclaimed in
their entirety.
5. The provisions as set forth in this warranty
provide the sole and exclusive remedy of MTD
PRODUCTS INC's obligations arising from the
sales of its products. MTD PRODUCTS INC will
not be liable for incidental or consequential loss
or damage.
How state law relates to this warranty: This
limited warranty gives you specific legal rights, and
you may also have other rights which vary from
state to state. Certain disclaimers are not allowed in
some states and therefore they may not apply to
you under all circumstances.
NOTE: This warranty does not cover routine
maintenance items such as lubricants, filters, blade
sharpening and tune-ups, or adjustments such as
brake adjustments, clutch adjustments or deck
adjustments. Nor does this warranty cover normal
deterioration of the exterior finish due to use or
exposure.