MTD Lawn, Tractor Manual L0404204
User Manual: MTD MTD Lawn, Tractor Manual MTD Lawn, Tractor Owner's Manual, MTD Lawn, Tractor installation guides
Open the PDF directly: View PDF
.
Page Count: 44

YARD
OPERATOR'S MANUAL
Model 608 Shown
Automatic Lawn Tractor
Models 607
6O8
6O9
IMPORTANT: READ SAFETY RULES AND INSTRUCTIONS CAREFULLY
Warning: This unit is equipped with an internal combustion engine and should not be used on or near any unimproved forest-
covered, brush-covered or grass-covered land unless the engine's exhaust system is equipped with a spark arrester meeting
applicable local or state laws (if any), If a spark arrester is used, it should be maintained in effective working order by the operator,
In the State of California the above is required by law (Section 4442 of the California Public Resources Code), Other states may have
similar laws. Federal laws apply on federal lands. A spark arrester for the muffler is available through your nearest engine authorized
dealer or contact the service department, P,O. Box 368022 Cleveland, Ohio 44136-9722,
MTD PRODUCTS, INC P.O. BOX 368022 CLEVELAND, OHIO 44136-9722
PRINTED IN U.S.A. FORM NO. 770-10131A
(10/99)

SECTION 1: TABLE OF CONTENTS
PAGE
FINDING YOUR MODEL NUMBER ....................................................... 2
CALLING CUSTOMER SUPPORT ........................................................ 2
IMPORTANT SAFE OPERATION PRACTICES.............................................. 3
SAFETY LABLES FOUND ON YOUR UNIT................................................. 5
SLOPE GAUGE ...................................................................... 6
ATTACHMENTS & ACCESSORIES ....................................................... 7
TRACTOR SET-UP.................................................................... 7
CONTROLS ......................................................................... 8
OPERATION ........................................................................ 11
ADJUSTMENTS ..................................................................... 13
MAINTENANCE ..................................................................... 16
LUBRICATION ...................................................................... 22
TROUBLESHOOTING GUIDE .......................................................... 23
PARTS LIST ........................................................................ 24
WARRANY INFORMATION ..................................................... Back Cover
SECTION 2: FINDING YOUR MODEL NUMBER
This Operator's Manual is an important part of your new rider. It will help you assemble, prepare and maintain
your rider. Please read and understand what it says.
Before you start to prepare your rider for its first use, please locate the model plate and copy the information
from it in this Operator's Manual. The information on the model plate is very important if you need help from
your dealer or the MTD customer support department.
• Every tractor has a model plate. You can locate it by lifting the seat and looking at the seat bracket.
• An example of what the model plate will look like is shown below.
I
XXX-X-XXX-X-XXX XXXXXXXXXXX
MTD RODUCTS INC
P.O. BOX 368022
CLEVELAND, OHIO 44136
This is where your model number will be.
This is where your serial number wilt be.
Copy the model number here:
Copy the serial number here:
SECTION 3: CALLING CUSTOMER SUPPORT
•LOCATE YOUR MODEL NUMBER AND SERIAL NUMBER -- Record this information in the space
provided. To find your unit's specific model number and serial number, see SECTION 2: FINDING
YOUR MODEL NUMBER.
• If you are having difficulty assembling this product or if you have any questions regarding the controls,
operation or maintenance of this unit, please call the Customer Support Department.
• Customer Support can be reached by dialing: 1- (330) 220-4MTD
(4683)
or
1- (800)-800-7310
• Please have your model number and serial number ready when you call.
• Although both numbers are important, you will be asked to enter only your serial number before your
call can be processed.

SECTION 4: IMPORTANT SAFE OPERATION PRACTICES
WARNING: THIS SYMBOL POINTS OUT IMPORTANT SAFETY INSTRUCTIONS WHICH, IF
NOT FOLLOWED, COULD ENDANGER THE PERSONAL SAFETY AND/OR PROPERTY OF
YOURSELF AND OTHERS. READ AND FOLLOW ALL INSTRUCTIONS IN THIS MANUAL
BEFORE ATTEMPTING TO OPERATE YOUR LAWN MOWER. FAILURE TO COMPLY WITH
THESE INSTRUCTIONS MAY RESULT IN PERSONAL INJURY. WHEN YOU SEE THIS SYMBOL,
HEED ITS WARNING.
WARNING: The Engine Exhaust from this product contains chemicals known to
the State of California to cause cancer, birth defects or other reproductive harm.
DANGER: Your lawn mower was built to be operated according to the rules for safe operation in
this manual. As with any type of power equipment, carelessness or error on the part of the operator
can result in serious injury. This lawn mower is capable of amputating hands and feet and throwing
objects. Failure to observe the following safety instructions could result in serious injury or death.
1. GENERAL OPERATION
• Read, understand, and follow all instructions in the
operator's manual and on the machine before
starting. Keep this manual in a safe place for future
and regular reference and for ordering replacement
parts.
• Only allow responsible individuals familiar with the
instructions to operate the machine. Know controls
and how to stop the machine quickly.
• Do not put hands or feet under cutting deck or near
rotating parts.
• Clear the area of objects such as rocks, toys, wire,
etc., which could be picked up and thrown by the
blade. A small object may have been overlooked
and could be accidentally thrown by the mower in
any direction and cause injury to you or a
bystander. To help avoid a thrown objects injury,
keep children, bystanders and helpers at least 75
feet from the mower while it is in operation. Always
wear safety glasses or safety goggles during
operation or while performing an adjustment or
repair, to protect eyes from foreign objects. Stop
the blade(s) when crossing gravel drives, walks or
roads.
• Be sure the area is clear of other people before
mowing. Stop machine if anyone enters the area.
• Never carry passengers.
• Disengage blade(s) before shifting into reverse and
backing up. Always look down and behind before
and while backing.
• Be aware of the mower and attachment discharge
direction and do not point it at anyone. Do not
operate the mower without either the entire grass
catcher or the chute guard in place.
• Slow down before turning. Operate the machine
smoothly. Avoid erratic operation and excessive
speed.
• Never leave a running machine unattended. Always
turn off blade(s), place transmission in neutral, set
park brake, stop engine and remove key before
dismounting.
•Tum off blade(s) when not mowing.
• Stop engine and wait until blade(s) comes to a
complete stop before (a) removing grass catcher or
unclogging chute, or (b) making any repairs,
adjusting or removing any grass or debris.
• Mow only in daylight or good artificial light.
• Do not operate the machine while under the
influence of alcohol or drugs.
• Watch for traffic when operating near or crossing
roadways.
• Use extra care when loading or unloading the
machine into a trailer or truck. This unit should not
be driven up or down a ramp onto a trailer or truck
under power, because the unit could tip over,
causing serious personal injury. The unit must be
pushed manually on a ramp to load or unload
properly.
• Never make a cutting height adjustment while
engine is running if operator must dismount to do
SO.
• Wear sturdy, rough-soled work shoes and close-
fitting slacks and shirts. Do not wear loose fitting
clothes or jewelry. They can be caught in moving
parts. Never operate a unit in bare feet, sandals, or
sneakers.
• Check overhead clearance carefully before driving
under power lines, wires, bridges or low hanging
tree branches, before entering or leaving buildings,
or in any other situation where the operator may be
struck or pulled from the unit, which could result in
serious injury.

• Disengageall attachmentclutches,thoroughly
depressthe brakepedal,andshiftintoneutral
beforeattemptingtostartengine.
• Yourmowerisdesignedtocutnormalresidential
grassofaheightnomorethan10".Donotattempt
to mowthroughunusuallytall,dry grass(e.g.,
pasture)orpilesofdryleaves.Debrismaybuildup
onthemowerdeckorcontacttheengineexhaust
presentingapotentialfirehazard.
2. SLOPE OPERATION
Slopes are a major factor related to loss of control and tip-
over accidents which can result in severe injury or death.
All slopes require extra caution. If you cannot back up the
slope or if you feel uneasy on it, do not mow it.
For your safety, use the slope gauge included as part of
this manual to measure slopes before operating this unit on
a sloped or hilly area. If the slope is greater than 15° as
shown on the slope gauge, do not operate this unit on that
area or serious injury could result.
DO:
• Mow up and down slopes, not across.
•Remove obstacles such as rocks, limbs, etc.
• Watch for holes, ruts or bumps. Uneven terrain
could overturn the machine. Tall grass can hide
obstacles.
• Use slow speed. Always keep machine in gear
when going down slopes to take advantage of
engine braking action.
• Follow the manufacturer's recommendations for
wheel weights or counterweights to improve
stability.
• Use extra care with grass catchers or other
attachments. These can change the stability of the
machine.
• Keep all movement on the slopes slow and
gradual. Do not make sudden changes in speed or
direction. Rapid engagement or braking could
cause the front of the machine to lift and rapidly flip
over backwards which could cause serious injury.
• Avoid starting or stopping on a slope. If tires lose
traction, disengage the blade(s) and proceed slowly
straight down the slope.
DO NOT:
• Do not turn on slopes unless necessary; then, turn
slowly and gradually downhill, if possible.
• Do not mow near drop-offs, ditches or
embankments. The mower could suddenly turn
over if a wheel is over the edge of a cliff or ditch, or
if an edge caves in.
• Do not mow on wet grass. Reduced traction could
cause sliding.
• Do not try to stabilize the machine by putting your
foot on the ground.
• Do not use grass catcher on steep slopes.
3. CHILDREN
Tragic accidents can occur if the operator is not alert to the
presence of children. Children are often attracted to the
machine and the mowing activity. Never assume that chil-
dren will remain where you last saw them.
• Keep children out of the mowing area and in
watchful care of an adult other than the operator.
• Be alert and turn machine off if children enter the
area.
• Before and when backing, look behind and down
for small children.
• Never cany children, even with the blades off. They
may fall off and be seriously injured or interfere with
the safe machine operation.
Never allow children under 14 years old to operate
the machine. Children 14 years and over should
only operate machine under close parental
supervision and proper instruction.
• Remove key when machine is unattended to
prevent unauthorized operation.
• Use extra care when approaching blind corners,
shrubs, trees or other objects that may obscure
your vision of a child or other hazard.
4. SERVICE
Use extreme care in handling gasoline and other
fuels. They are extremely flammable and the
vapors are explosive.
Use only an approved container.
Never remove fuel cap or add fuel with the engine
running. Allow engine to cool at least two minutes
before refueling.
Replace fuel cap securely and wipe off any spilled
fuel before starting the engine as it may cause a
fire or explosion.
Extinguish all cigarettes, cigars, pipes and other
sources of ignition.
Never refuel the machine indoors because fuel
vapors will accumulate in the area.
Never store the fuel container or machine inside
where there is an open flame or spark, such as a
gas hot water heater, space heater or furnace.
Never run a machine inside a closed area.
To reduce fire hazard, keep the machine free of
grass, leaves or other debris build-up. Clean up oil
or fuel spillage. Allow machine to cool at least 5
minutes before storing.
Before cleaning, repairing or inspecting, make
certain the blade and all moving parts have
stopped. Disconnect the spark plug wire, and keep
the wire away from the spark plug to prevent
accidental starting.
Check the blade and engine mounting bolts at
frequent intervals for proper tightness. Also,
visually inspect blade for damage (e.g., excessive
wear, bent, cracked). Replace with blade which
meets odgina] equipment specifications.

• Keepallnuts,boltsandscrewstightto besurethe
equipmentisinsafeworkingcondition.
• Nevertamperwithsafetydevices.Checktheir
properoperationregularly.Useall guardsas
instructedinthismanual.
• Afterstrikinga foreignobject,stopthe engine,
removethewirefromthesparkplugandthoroughly
inspectthe mowerfor anydamage.Repairthe
damagebeforerestartingandoperatingthemower.
• Grasscatchercomponentsaresubjectto wear,
damageanddeterioration,whichcouldexpose
movingpartsor allowobjectsto bethrown.For
your safety protection,frequentlycheck
componentsand replacewith manufacturer's
recommendedpartswhennecessary.
• Mowerbladesaresharpandcancut.Wrapthe
blade(s)or wearglovesanduseextracaution
whenservicingblade(s).
• Checkbrakeoperationfrequently.Adjustand
serviceasrequired.
• Muffler,engineandbeltguardsbecomehotduring
operationandcancausea bum.Allowto cool
downbeforetouching.
Donotchangethe enginegovernorsettingsor
overspeedtheengine.Excessiveenginespeeds
aredangerous.
Observeproperdisposallawsand regulations.
Improperdisposaloffluidsandmaterialscanharm
theenvironmentandtheecology.
Prior to disposal, determine the proper method to
dispose of waste from your local Environmental
Protection Agency. Recycling centers are
established to properly dispose of materials in an
environmentally safe fashion.
Use proper containers when draining fluids. Do not
use food or beverage containers that may mislead
someone into drinking from them. Properly dispose
of the containers immediately following the draining
of fluids.
DO NOT pour oil or other fluids into the ground,
down a drain or into a stream, pond, lake or other
body of water. Observe Environmental Protection
Agency regulations when disposing of oil, fuel,
coolant, brake fluid, filters, batteries, tires and other
harmful waste.
,_ WARNING - YOUR RESPONSIBILITY: Restrict the use of this power machine to persons
who read, understand and follow the warnings and instructions in this manual and on the machine.
DANGER
Figure 1 Safety Labels found on your unit

O
m
USE THIS PAGE AS A GUIDE TO DETERMINE SLOPES WHERE YOU MAY NOT OPERATE SAFELY.
SIGHT AND HOLD THIS LEVEL WITH A VERTICAL TREE
15 °
_WARNING
Do not mow on inclines with a slope in excess of 15 degrees (a rise of approximately 2-1/2 feet every 10 feet). A riding mower
could overturn and cause serious injury. If operating a walk-behind mower on such a slope, it is extremely difficult to maintain
your footing and you could slip, resulting in serious injury.
Operate RIDING mowers up and down slopes, never across the face of slopes.

SECTION 5: ATTACHMENTS & ACCESSORIES
MODEL NUMBER
OEM-190-601
OEM-190-602
OEM-190-112
OEM-190-118
OEM-190-603
OEM- 190-604
OEM-190-822
OEM-190-823
DESCRIPTION
FastAttach" Twin Bagger Grass Collector (For 42-inch Decks Only)
FastAttach" Twin Bagger Grass Collector (For 46-inch Decks Only)
Mulch Kit (For 42-inch Decks Only)
Mulch Kit (For 46-inch Decks Only)
FastAttach" Grille Guard" (mounts on front of tractor)
YardMate" Storage Container (mounts on rear of tractor)
FastAttach" 46-inch Front Dozer Blade
42-inch Two-stage Snow Thrower
NOTE: Your tractor is NOT designed for use with any type of ground-engaging attachments (e.g. tiller,
plow). Use of this type of equipment WILL void the tractor's warranty.
SECTION 6: TRACTOR SET-UP
ATTACHING THE BATTERY CABLES
NOTE: The positive battery terminal is marked
Pos. (+). The negative battery terminal is marked
Neg. (-).
•The positive cable (heavy red wire) is secured
to the positive battery terminal (+) with hex
bolt and hex nut at the factory. Make certain
that the rubber boot covers the terminal to
help protect it from corrosion.
• Remove the hex bolt and wing nut from the
negative cable. Attach the negative cable
(heavy black wire) to the negative battery
terminal (-) with the bolt and wing nut.
• Place the hold-down strap in position over the
battery to secure it in place. See Figure 2.
I
Figure 2
NOTE: If battery is put into service after date
shown on top of battery, charge for minimum of one
hour at 6-10 amps. Refer to the MAINTENANCE
section of this manual for more detailed instructions
regarding proper battery charging procedure.
GAS AND OIL FILL-UP
Service the engine with gasoline and oil as
instructed in the separate engine manual packed
with your tractor. Read instructions carefully.
IMPORTANT: Your tractor is shipped with oil;
however, you MUST check the oil level before operat-
ing. Be careful not to overfill.
WARNING: Overfilling with oil may
cause the engine to smoke. This will result
in poor engine performance and could
cause permanent engine damage.
The gasoline tank is located under the hood and has
a capacity of approximately two gallons. Do not
overfill.
WARNING: Never fill fuel tank indoors,
gasoline produces noxious fumes. Always
fill the fuel tank in a well ventilated area to
avoid inhalation of gasoline fumes.
WARNING: Never fill the fuel tank while
engine is running or while engine is hot.
WARNING: Never smoke while fueling
your tractor. Gasoline produces combusti-
ble fumes which can ignite and cause per-
sonal injury.
WARNING: Do not fill closer than 1/2
inch from the top of the fuel tank to prevent
spills and to allow for fuel expansion. If
gasoline is accidentty spilled, move tractor
away from area of spill. Avoid creating any
source of ignition until gasoline vapors
have disappeared.

SECTION 7: CONTROLS
F
c\
D
B
A
J
G
I
Figure 3
NOTE: Steering Wheel not shown for clarity
A Ignition Switch F PTO (Power Take-Off) Lever
B Throttle Control Lever G Drive Pedal
C Choke Control (if so equipped) H Brake Pedal
D Indicator Monitor I Parking Brake Button
E Lift Lever J Shift Lever
NOTE: Any reference in this manual to the RIGHT or LEFT side of the tractor is observed from operator's position.

IGNITION SWITCH
To start the engine, insert key into the ignition switch
and turn clockwise to the START position. Release
key to the ON position once engine has fired. See
Figure 4. Refer to STARTING THE ENGINE in the
OPERATION section of this manual for detailed
starting instructions. The ignition switch is also used
to operate the headlights. Refer to OPERATING
THE HEADLIGHTS in the OPERATION section of
this manual for detailed instructions
,_ WARNING: Remove the key from the
tractor when the tractor is not in use to
prevent accidental starting.
On
Start
Figure 4
THROTTLE CONTROL LEVER
The throttle lever is located on the right side of the
tractor's dash panel. This lever controls the speed of
the engine, and on some units the choke control
also. When set in a given position, the throttle will
maintain a uniform engine speed. See Figure 5.
Throttle
Symbol
Choke
Position _
Fast
Position
Slow
Position
Throttle
Symbol _
Fast
Position
Slow
Position
Figure 5
IMPORTANT: When using PTO operated
equipment such as the cutting deck or other
attachments, ALWAYS operate the tractor with the
throttle lever in the FAST (rabbit) position.
CHOKE CONTROL
On some units, moving the
throttle lever all the way
forward activates the engine's
choke control. On all other
units, the choke control can be
found on the left side of the
dash panel and is activated by
pulling the knob outward. Activating the choke
control closes the choke plate on the carburetor and
aids in starting the engine. Refer to STARTING THE
ENGINE in the OPERATION section of this manual
for detailed starting instructions.
SYSTEMS INDICATOR MONITOR
Your tractor is equipped with an ammeter as part of
its systems indicator monitor and is located on the
left side of your tractor's dash panel. See Figure 6.
AMPS
Ammeter __ _ _,_
Oil
Brake
PTO
Figure 6
If the Brake light or PTO light illuminates when
attempting to start the unit, proceed as follows:
BRAKE -- Depress the brake pedal.
PTO-- Move PTO lever into the disengaged
(OFF) position.
It is normal for the Oil light to illuminate while the
engine is cranking, but if it illuminates while the
engine is running, proceed as follows:
OIL-- Stop the tractor immediately and check
the crankcase oil level as instructed in
the seperate engine manual packed
with your unit. Add oil as required.
The ammeter measures the the electrical output of
the engine's charging system. Under normal
operating conditions, with the engine running at full
throttle, the ammeter's needle should measure a
positive charge.

LIFT LEVER
, llnnnnq
//%
The lift lever is used to change the operating position
(height) of the cutting deck. To operate, move the
lever to the left, then place in the notch best suited
for your application.
PTO (POWER TAKE-OFF) LEVER
The PTO lever is located on the left side of the dash
next to the steering wheel. Move the PTO lever
forward to engage the power to the cutting deck or
other attachments; move the PTO lever backward
(toward the rear of the tractor) to disengage the
power to the attachments.
NOTE: The PTO lever must be in the disengaged
(OFF) position when starting the engine, when
shifting into reverse and if the operator leaves the
seat.
DRIVE PEDAL
©
The drive pedal is located below the brake pedal on
the right front side of the tractor along the running
board. Depress the drive pedal with your right foot
when the tractor shift lever is in either forward or
reverse to cause the tractor to move. Ground speed
is also controlled with the drive pedal. The further
down the pedal is depressed, the faster the tractor
will travel. The pedal will return to its original position
when it's not depressed.
IMPORTANT: Always set the parking brake
when leaving the tractor unattended.
BRAKE PEDAL
BRAKE _IIII
The brake pedal is located on the right front side of
the tractor above the drive pedal along the running
board. The brake pedal can be used for sudden
stops or for setting the parking brake.
NOTE: The brake pedal must be fully depressed to
activate the safety interlock switch when starting the
tractor.
PARKING BRAKE BUTTON
To set the parking brake, fully depress
the brake pedal and push the parking
brake button in. Hold the button in
while taking your foot off the brake
pedal. Both the parking button and
the brake pedal wilt then stay
depressed. To release the parking
brake, depress the brake pedal
slightly. The parking brake button will
then return to its original position.
NOTE: The parking brake must be set if the
operator leaves the seat with the engine running or
the engine will automatically shut off.
IMPORTANT: Always set the parking brake
when leaving the tractor unattended.
SHIFT LEVER
The shift lever is located
on the left side of the
fender and has three
positions, FORWARD,
NEUTRAL and REVERSE.
The brake pedal must be
depressed and the tractor
must not be in motion
when moving the shift
lever.
IMPORTANT: Never
force the shift lever. Doing
so may result in serious
damage to the tractor's
transmission.
Shift
Knob
10

SECTION 8: OPERATION
SAFETY INTERLOCK SWITCHES
This tractor is equipped with a safety interlock
system for the protection of the operator. If the
interlock system should ever malfunction, do not
operate the tractor. Contact an authorized dealer in
your area. The safety interlock system prevents the
engine from cranking or starting unless the brake
pedal is fully depressed, and the PTO lever is in the
disengaged (OFF) position.
• The safety interlock system will automatically
shut off the engine if the operator leaves the
seat before engaging the brake lock.
• The safety interlock system will automatically
shut off the engine if the operator leaves the
seat with the PTO lever in the engaged (ON)
position, regardless of whether the brake lock
is engaged. The PTO lever must be in the
disengaged (OFF) position to restart the
engine.
• The safety interlock system will automatically
shut off the engine if the PTO lever is moved
into the engaged (ON) position with the shift
lever in the REVERSE position.
WARNING: Do NOT attempt to bypass
or disconnect the tractor's safety interlock.
Doing so could result in serious personal
injury or death.
IMPORTANT: Tampering with or attempting to
bypass the tractors Safety Interlock Switches in any
way WILL void your warranty.
WARNING
AVOID SERIOUS INJURY OR DEATH
•GO UP AND DOWN SLOPES, NOT ACROSS.
• AVOID SUDDEN TURNS.
• DO NOT OPERATE THE UNIT WHERE IT COULD SLIP OR TiP.
• IF MACHINE STOPS GOING UPHILL, STOP BLADE(S) AND BACK
DOWNHILL SLOWLY.
• DO NOT MOW WHEN CHILDREN OR OTHERS ARE AROUND.
• NEVER CARRY CHILDREN.
• LOOK DOWN AND BEHIND BEFORE AND WHILE BACKING.
• KEEP SAFETY DEVICES (GUARDS, SHIELDS, AND SWITCHES) IN
PLACE AND WORKING.
• REMOVE OBJECTS THAT COULD BE THROWN BY THE BLADE(S).
• KNOW LOCATION AND FUNCTION OF ALL CONTROLS.
• BE SURE BLADE(S) AND ENGINE ARE STOPPED BEFORE PLAC-
iNG HANDS OR FEET NEAR BLADE(S).
• BEFORE LEAVING OPERATOR'S POSITION, DISENGAGE
BLADE(S), PLACE THE SHIFT LEVER IN NEUTRAL, ENGAGE
BRAKE LOCK, SHUT ENGINE OFF AND REMOVE KEY.
READ OPERATOR'S MANUAL
SETTING THE CUTTING HEIGHT
Select the height position of the cutting deck by
placing the deck lift lever in any of the six different
cutting height notches on the right side of the fender.
Then adjust the deck wheels so that they are at least
1/4 inch to 1/2 inch above the ground when the
tractor is on a smooth, flat surface such as a
driveway.
WARNING: Keep hands and feet away
from the discharge chute opening of the
cutting deck.
NOTE: The deck wheels are an anti-scalp feature
of the deck and are not designed to support the
weight of the cutting deck.
Refer to the ADJUSTMENTS section of this manual
for more detailed instructions regarding various deck
adjustments.
STARTING THE ENGINE
NOTE: Refer to the TRACTOR SET-UP section of
this manual for gasoline and oil fill-up instructions.
• Insert the tractor key into the ignition switch.
• Place the PTO lever in the disengaged (OFF)
position.
• Depress the brake pedal and set the parking
brake.
• Place the shift lever in the NEUTRAL position.
• Move the throttle control lever into the FAST
(or CHOKE, if so equipped) position.
• Pull out the choke control knob, if so equipped
(a warm engine may not require choking).
• Turn the ignition key clockwise to the START
position. After the engine starts, release the
key. It wilt return to the ON position.
IMPORTANT: Do NOT hold the key in the START
position for longer than ten seconds at a time. Doing
so may cause damage to your engine's starter.
NOTE: If starting problems are encountered, refer
to the TROUBLESHOOTING section of this manual
After the engine starts, slowly release the brake
pedal. As the engine warms up, gradually push the
choke control knob inward (or move the throttle
control lever out of the CHOKE position) to open up
the choke plate on the engine's carburetor.
11

NOTE: Do NOT leave the choke control out while
operating the tractor. Doing so will result in a "rich"
fuel mixture and cause the engine to run poorly.
STOPPING THE ENGINE
• Place the PTO lever in the disengaged (OFF)
position
• Move the throttle control into the SLOW
(turtle) position and allow the engine to "idle
down" for ten seconds. Failure to do so may
result in an engine afterfire.
• Turn the ignition key counterclockwise to the
OFF position.
• Remove the key from the ignition switch to
prevent accidental starting.
IMPORTANT: If you think you've struck a foreign
object, stop the engine immediately. Remove the
wire(s) from the spark plug(s), thoroughly inspect the
unit for any damage, and repair the damage before
restarting and operating the tractor.
DRIVING THE TRACTOR
WARNING: Avoid sudden starts,
excessive speed and sudden stops.
WARNING: Do not leave the seat of the
tractor without first placing the PTO lever in
the disengaged (OFF) position, depressing
the brake pedal and engaging the parking
brake. If leaving the tractor unattended,
also turn the ignition key off and remove
the key.
• Depress the brake pedal to release the
parking brake and let the pedal up. Move the
throttle lever into the FAST (rabbit) position.
IMPORTANT: Do NOT use the shift lever to
change the direction of travel when the tractor is in
motion. Always use the brake pedal to bring the
tractor to a complete stop before shifting.
• To move forward, place the shift lever in the
FORWARD position, then slowly depress the
drive pedal until the desired speed is
achieved.
• To move in reverse, place the shift lever in the
REVERSE position, check that the area
behind is clear then slowly depress the drive
pedal.
DRIVING ON SLOPES
Refer to the SLOPE GAUGE on page 6 to help
determine slopes where you may not operate safely.
WARNING: Do not mow on inclines with
,_ a slope excess degrees (a
in of 15 rise of
approximately 2-1/2 feet every 10 feet).
The tractor could overturn and cause
serious injury.
Operate the tractor up and down slopes, never
across slopes. Do not drive so that the tractor may
tip over sideways.
Before operating the tractor on any slope, walk the
slope to look for possible hazards such as rocks.
mounds, ruts, stumps or other surface irregularities
which could cause the tractor to be upset.
Avoid turns when driving on a slope. If a turn must
be made, turn down the slope. Turning up a slope
greatly increases the chance of a roll over.
Avoid stopping when driving up a slope. If it is
necessary to stop while driving up a slope, start up
smoothly and carefully to reduce the possibility of
flipping the tractor over backward.
OPERATING THE HEADLIGHTS
To turn the tractor's headlights on:
• Start the engine following the instructions
earlier in this section.
• Turn the key one notch counterclockwise into
the On/Lights position of the ignition switch.
Refer to Figure 4.
To turn the tractor's headlights off:
• Turn the key either into the On position (to
leave the engine running) or the Off position
(to shut the engine off). Refer to Figure 4.
IMPORTANT: Never move the key into the Start
position while the engine is running. Doing so may
cause damage to your engine's starter.
STOPPING THE ENGINE
• Place the PTO lever in the disengaged (OFF)
position.
• Move the throttle control into the SLOW
position and allow the engine to "idle down"
for ten seconds, then turn the ignition key
counterclockwise to the OFF position.
• Remove the key from the ignition switch to
prevent accidental starting.
IMPORTANT: If you think you've struck a foreign
object, stop the engine immediately. Remove the
wire(s) from the spark plug(s), thoroughly inspect the
unit for any damage, and repair the damage before
restarting and operating the mowe_
12

USING THE LIFT LEVER
To raise the cutting deck, move the lift lever to the
left, then place it in the notch best suited for your
application. Refer to SETTING THE CUTTING
HEIGHT earlier in this section.
ENGAGING THE PTO
(POWER TAKE-OFF) LEVER
• Move the throttle control lever to the FAST
(rabbit) position.
• Move the PTO lever forward into the engaged
(ON) position.
• Keep the throttle lever in the FAST (rabbit)
position for the most efficient use of the
cutting deck and other attachments.
• The operator must remain in the tractor seat .
at all times. If the operator should leave the
seat without moving the PTO lever into the
disengaged (OFF) position and setting the
parking brake, the engine wilt shut off.
IMPORTANT: The PTO lever cannot be in the
engaged (ON) position when the tractor is driving in
the reverse direction. The safety interlock system will
automatically shut off the engine if the PTO lever is
moved into the engaged (ON) position with the shift
lever in the REVERSE position. Refer to SAFETY
INTERLOCK SWITCHES earlier in this section.
MOWING
This tractor comes equipped with a cutting deck. The
following information wilt be helpful when using the
cutting deck with your tractor.
WARNING: TO avoid possible injury, do
not allow anyone in the area of the tractor
while mowing. Even if the area to be
mowed has been cleared of foreign
objects, small objects may be picked up
and discharged by the mower.
WARNING: Never direct the discharge
of material toward bystanders or allow
anyone near the machine while in
operation.
For best results it is recommended that the
first two laps be cut with the discharge thrown
towards the center. After the first two laps,
reverse the direction to throw the discharge to
the outside for the balance of cutting. This wilt
give a better appearance to the lawn.
Do not cut the grass too short. Short grass
invites weed growth and yellows quickly in dry
weather.
• Mowing should always be done with the
engine at full throttle.
• Do not mow at high ground speed, especially
if a mulch kit or grass collector is installed.
• Under heavier conditions it may be necessary
to go back over the cut area a second time to
get a clean cut.
• Do NOT attempt to mow heavy brush and
weeds and extremely tall grass. Your tractor is
designed to mow lawns, NOT clear brush.
• Keep the blades sharp and replace the blades
when worn. Refer to the MAINTENANCE
section of this manual for proper blade
sharpening instructions.
SECTION 9: ADJUSTMENTS
LEVELING THE DECK
WARNING: Cutting blades are sharp.
Always protect hands by wearing heavy
leather work gloves to grasp blades.
NOTE: Check the tractor's tire pressure before
performing any deck leveling adjustments. Refer to
TIRES in the maintenance section of this manual for
further information regarding tire pressure.
Front to Rear
The front of the cutting deck is supported by a stabi-
lizer bar that can adjusted to level the deck from front
to rear. The front of the deck should be 1/4" to 3/8"
lower than the rear of the deck. Adjust if necessary
as follows:
WARNING: Turn the tractor's engine
off, remove the key from the ignition switch
and apply the tractor's parking brake before
making any adjustments to the cutting
deck.
With the tractor parked on a firm, level
surface, place the lift lever in the top notch
(highest position) and rotate the blade nearest
the discharge chute so that it is parallel with
the tractor.
Measure the distance from the front of the
blade tip to the ground and from the rear of
the blade tip to the ground. The first
measurement taken should be between 1/4"
and 3/8" less than the second measurement.
13

• Determine the approximate distance
necessary for proper adjustment and proceed,
if necessary, to the next step.
• Loosen the two jam nuts on the rear side of
the deck stabilizer bracket. See Figure 7A.
• Locate the two lock nuts on the opposite side
of the stabilizer bracket. See Figure 7A.
Tighten the lock nuts to raise the front of the
deck; loosen the lock nuts to lower the front of
the deck.
• Retighten the two jam nuts loosened earlier
when proper adjustment is achieved.
Side to Side
If the cutting deck appears to be mowing unevenly, a side-to-side adjustment can be performed. Adjust if
necessary as follows:
,_ WARNING: Turn the tractor's engine off, remove the key from the ignition switch and apply the
tractor's parking brake before making any adjustments to the cutting deck.
• With the tractor parked on a firm, level surface, place the lift lever in the top notch (highest position) and
rotate the both blades so that they are perpendicular with the tractor.
• Measure the distance from the outside of the left blade tip to the ground and the distance from the
outside of the right blade tip to the ground. Both measurements taken should be equal. If they're not,
proceed to the next step.
• Loosen, but do NOT remove, the hex cap screw on the left deck hanger bracket. See Figure 7B.
• Balance the deck so that both blade tip measurements taken earlier are equal.
• Retighten the hex cap screw on the left deck hanger bracket when proper adjustment is achieved.
Stabilizer
Bracket
Deck
Lock
Nuts
Screw
Deck Hanger Bracket
Frontto Rear Side to Side
Figure 7
SEAT ADJUSTMENT
To adjust the position of the seat, loosen, but do
NOT remove the four screws which secure the seat
to the seat pivot bracket. Slide the seat forward or
backward until desired position is reached. Retighten
the four screws. See Figure 8.
Screws l_
/'_/_ _Seat Pivot
Bracket
Figure 8
14

BRAKE ADJUSTMENT
If the tractor does not come to a complete stop when
the brake pedal is completely depressed, or if the
tractor's rear wheels can roll with the parking brake
applied, the brake is in need of adjustment. The
brake disc can be found on the right side of the
transmission in the rear of the tractor. Adjust if
necessary as follows:
• Looking at the transmission from the right side
of the tractor, locate the compression spring
and brake disc. See Figure 9.
• Loosen, but do NOT remove, the hex nut
found on the right side of the brake assembly.
See Figure 9.
• Using a feeler gauge, set the gap between the
brake disc and the brake puck at .011 ".
• Re-tighten the hex nut loosened earlier.
Hex Nut __.._
NOTE: Viewshownfrombeneathtractor, Transmission
Figure 9
STEERING ADJUSTMENT
Axle
Hex Nut and
Lock Washer
Pivot Bar
Ball Joint
Drag Link
Jam Nut
Figure 10
• Replace hex nut and lock washer and
retighten the jam nut after proper adjustment
is achieved.
NOTE: Threading the ball joints too far onto the
drag links will cause the front tires to "toe-in" too far.
Proper toe-in is between 1/16" and 5/16".
Front tire toe-in can be measured as follows:
• Place the steering wheel in position for
straight ahead travel. Insert a 1/4" dowel up
through aligning holes in both the steering
gear and support plate. See Figure 11.
• In front of the axle, measure the distance
horizontally from the inside of the left rim to
the inside of the right rim. Note the distance.
• Behind the axle, measure the distance
horizontally from the inside of the left rim to
the inside of the right rim. Note the distance.
• The measurement taken in front of the axle
should be between 1/16" and 5/16" less than
the measurement taken behind the axle.
If the tractor turns tighter in one direction than the
other, or if the ball joints are being replaced due to
damage or wear, the steering drag links may need to
be adjusted.
Adjust the drag links so that equal lengths are
threaded into the bait joint on the left side and the
bait joint on the right side:
• Loosen the jam nut found on the drag link at Insert Dowel
the rear of the bait joint. See Figure 10. Here
• Remove the hex nut and lock washer on the Support
top of ball joint. See Figure 10. Plate
• Thread the ball joint toward the jam nut to
shorten the drag link. Thread the ball joint
away from the jam nut to lengthen the drag
link.
• Adjust if necessary.
• Remove the dowel inserted earlier before
attempting to operate the tractor.
NOTE: View shown from beneath tractor.
L
.Steering Gear
Steering
/Shaft
Figure 11
15

CARBURETOR ADJUSTMENT
,_ WARNING: if any adjustments are
made to the engine while the engine is
running (e.g. carburetor), disengage all
clutches and blades. Keep clear of all
moving parts. Be careful of heated
surfaces and muffler.
NOTE: A dirty air cleaner will cause an engine to
run rough. Be certain it is clean and properly
attached before adjusting carburetor. Refer to
separate engine manual packed with your unit for
information regarding air cleaner maintenance.
Refer to separate engine manual packed with your
unit for carburetor adjustment information or see an
authorized Briggs & Stratton service dealer.
SECTION 10: MAINTENANCE
WARNING: Disconnect the spark plug
wire(s) and ground against the engine
before performing any adjustments, repairs
or maintenance.
ENGINE
Refer to the separate engine manual for engine
maintenance instructions.
Check engine oil level before each use as
instructed in the separate engine manual packed
with your unit. Read and follow instructions
carefully.
Changing Engine Oil
• Unscrew oil fill cap and remove dipstick from
the oil fill tube. See Figure 12.
Oil Fill Cap Protective Cap
Drain Hose
Oil Fill Tube Oil Drain Valve
Oil Drain Port
NOTE: Single-cylinder engine shown.
Valvelocationwillvarywithengine style.
Figure 12
• Pop open the protective cap on the end of the
oil drain valve to expose the oil drain port. See
Figure 12.
• Push oil drain hose (packed with unit) onto the
oil drain port. Route the opposite end of the
hose into an appropriate oil collection
container with a capacity great enough to
collect the used oil.
• Push the oil drain valve in slightly, then rotate
counterclockwise and pull outward to begin
draining oil. See Figure 12.
• Service the oil filter (if so equipped) as
instructed in the separate engine manual
packed with your unit.
Perform the above steps in the opposite order after
oil has finished draining.
• Refill the engine with new motor oil.
IMPORTANT: Refill the engine with the proper
capacity and weight of motor oil as instructed in the
separate engine manual.
Service air cleaner every 25 hours under normal
conditions. Clean every few hours under extremely
dusty condition. To service the air cleaner, refer to the
separate engine manual packed with your unit.
The spark plug(s) should be cleaned and the gap
reset once a season. Replacement is recommended
at the start of each mowing season; check engine
manual for correct plug type and gap specifications.
CLEANING THE ENGINE AND DECK
Any fuel or oil spilled on the machine should be
wiped off promptly. Do NOT allow grass, leaves, and
dirt to accumulate around the cooling fins of the
engine or on any other part of the machine,
especially the pulleys and other moving parts. Clean
the underside of the deck with a wisk broom, putty
knife or forced air after each mowing.
IMPORTANT: The use a pressure washer or
garden hose to clean your tractor is NOT
recommended. It may cause damage to electrical
components, spindles, pulleys, bearings or the
engine. The use of water will result in a shortened
life of the tractor and reduce its serviceability.
16

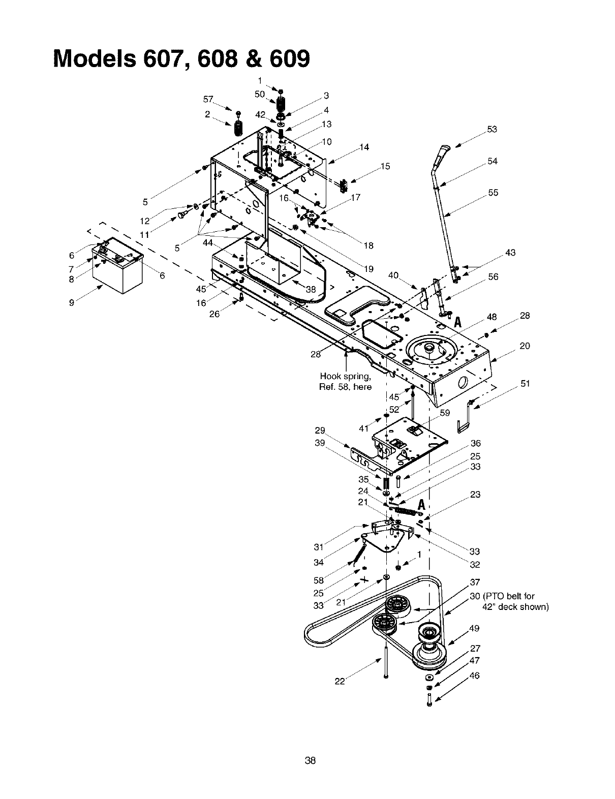
CUTTING DECK REMOVAL
,_ WARNING: Before performing any
maintenance, move the PTO lever into the
disengaged (OFF) position, engage the
parking brake, turn the ignition key to the
OFF position and remove the key from the
switch to avoid accidental starting.
Several attachments are available for your tractor.
To mount some of these attachments and in order to
perform certain maintenance procedures, the deck
must be removed from the tractor. To properly
remove the cutting deck, proceed as follows:
WARNING: Do NOT remove deck
immediately after operating the tractor.
Allow the engine and other moving parts
ample time to cool down.
•Engage the tractor's parking brake.
• Move the PTO lever into the disengaged
(OFF) position to relieve tension on the belt.
• Lower the deck by moving the lift lever into the
bottom notch on the right fender.
• Remove the PTO belt from around the lower
portion of the engine pulley and from around
both PTO idler pulleys on the PTO
engagement plate.
Deck Lift Arms
Deck Support Pins
PTO Idler Pulleys
PTO Belt
Engine Pulley
Deck
Stabilizer
Bracket
PTO Engagement Plate
(mounted on tractor)
NOTE: 42-inch deck shown
/
Deck Stabilizer Rod Front of Tractor
"x
Figure 13
NOTE: On units equipped with a 46-inch deck, the bottommost belt on the deck does NOT need to be
removed in order to remove the deck.
• Looking at the cutting deck from the right side of the tractor, locate the deck support pin on the rear
right side of the deck.
• Pull the deck support pin outward to release the deck from the deck lift arm. See Figure 13.
• Rotate the pin slightly toward the rear of the tractor and release the pin into the hole provided.
• Repeat the above steps on the left side of the tractor.
• Move the lift lever into the top notch on the right fender to raise the deck lift arms out of the way.
• Carefully move the cutting deck toward the front of the tractor allowing the hooks on the deck to release
themselves from the deck stabilizer rod. Do NOT let the deck fall to the ground.
• Gently slide the cutting deck (from the right side) out from underneath the tractor.
NOTE: To properly remount the cutting deck, perform the above steps in reverse order. Having a second
person assist you will ease this procedure.
17

CHANGING THE DECK BELT(S)
All belts on your tractor are subject to wear and should be replaced if any signs of cracking, shredding or
rotting are present.
IMPORTANT: The V-belts found on your tractor are specially designed to engage and disengage safely. A
substitute (non-OEM) V-belt can be dangerous by not disengaging completely. For a proper working machine,
use factory approved belts.
To change or replace the deck belt(s) on your tractor, proceed as follows:
NOTE: Removing the deck from the tractor as instructed earlier in this section will ease the following steps,
but is not necessary.
42-inch decks
• Lower the deck by moving the lift lever into the bottom notch on the right fender.
• Remove the belt guards by removing the self-tapping screws that fasten them to the deck surface.
• Move the PTO lever into the disengaged (OFF) position to relieve tension on the belt.
• Remove the PTO belt from around the bottom portion of the engine pulley and from around the two
idler pulleys found on the PTO engagement plate. See Figure 14.
• Route the new belt as shown in Figure 14, around the deck pulleys, idler pulleys and engine pulley.
OEM belt part numbers are listed in the table on the following page
• Remount the belt guards removed earlier.
Engine Pulley mPTO belt
Belt Guard _-.,---------Deck Stop
(mounted on tractor)
PTO Engagement Plate
Pulley
Left Hand Pulley
NOTE: Belt covers not shown for clarity.
Figure 14
46-inch decks
• Lower the deck by moving the lift lever into the bottom notch on the right fender.
• Remove the belt guards by removing the self-tapping screws that fasten them to the deck surface.
• Move the PTO lever into the disengaged (OFF) position to relieve tension on the belt.
• Remove the PTO belt from around the bottom portion of the engine pulley and from around the two
PTO idler pulleys found on the PTO engagement plate. See Figure 15.
• Route the new belt as shown in Figure 15, around the upper portion of the left hand deck pulley, PTO
idler pulleys and the lower portion of the engine pulley. OEM belt part numbers are listed in the table on
the following page.
• Remount the belt guards removed earlier.
18

Belt Guard
(mounted on tractor)
Engine Pulley
PTO Idler Pulleys
(mounted on tractor) _£! Deck belt (Bottom)
PTO Engagement Plate PTO belt (Top)
Right Hand Pulley
(beneath belt guard)
Left Hand
Double Pulley
Center Pulley
NOTE: Lefthand belt cover not shown for clarity. 46-inch deck shown.
Figure 15
Self-Tapping Screws
42-Inch Deck 46-Inch Deck
PTO (Top) Belt 754-0485 754-0486
Deck (Bottom) Belt N/A 754-0349
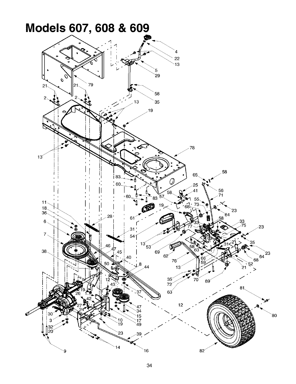
CHANGING THE TRANSMISSION DRIVE BELT(S)
All belts on your tractor are subject to wear and should be replaced if any signs of cracking, shredding or
rotting are present.
IMPORTANT: The V-belts found on your tractor are specially designed to engage and disengage safely. A
substitute (non-OEM) V-belt can be dangerous by not disengaging completely. For a proper working machine,
use factory approved belts.
To change or replace the drive belt(s) on your tractor, proceed as follows:
NOTE: It's recommended that both drive belts be replaced at the same time.
• Remove the cutting deck as instructed earlier in this section.
• After disconnecting the battery cables, remove the battery and battery tray from beneath the seat.
IMPORTANT: When removing the battery, disconnect the NEGATIVE (Black) wire from it's terminal first,
followed by the POSITIVE (Red) wire. Re-install in reverse order:
Upper Drive Belt
•Locate the transmission idler pulley on the upper drive belt by looking through the battery tray opening.
See Figure 16.
• Grasp the bracket and pivot the transmission idler pulley toward the rear of the tractor to release
tension on the upper drive belt.
• Remove the belt from around the transmission idler pulley.
• Remove the upper drive belt from around the transmission pulley and the variable-speed pulley.
NOTE: Slowly rotate the pulley counterclockwise to roll the belt off of it.
• Remove the upper drive belt by pulling it up through the battery tray opening.
• Reroute the new upper drive belt as shown in Figure 16.
19

Lower Drive Belt
NOTE: Proper removal of the lower drive belt requires the removal of several tractor components. Read
through the following procedure prior to attempting it to determine if you feel you could successfully complete
it. If you don't, see an authorized MTD service dealer to have the belt changed.
IMPORTANT: Note the routing of the lower drive belt around both the pulleys and the belt keepers
BEFORE performing the following steps.
• Locate the variable-speed pulley by looking through the battery tray opening. See Figure 16.
• Remove the variable-speed pulley by loosening the hex bolt that secures it to the transmission. Use a
second wrench to hold the hex nut on the bottom side of the pulley.
• Slide the belt off of the variable-speed pulley as you lift the pulley up and out through the battery tray
opening.
Battery Tray
Variable-speed Opening Shift Lever
Rear Idler Pulley
_ <_Drive belt (Lower)
Drive belt (Upper)
; / Engine Pulley
t
f
/
i o q_=t
c _ oI1'1
III
till
II01
=111
III
! _ °ll01
i-i o
Transmission Transmission Pulley
NOTE: View shown from above tractor.
• Remove the hex bolt from the center of the
engine pulley. See Figure 17.
• Lower the engine pulley far enough to be able
to remove the upper drive belt from around it.
IMPORTANT: When remounting the engine
pulley, torque the center hex bolt to between 38 foot-
pounds and 50 foot-pounds.
• Remove the drive belt by feeding it from both
ends toward the front idler pulley on the
double-idler bracket. See Figure 16.
Front of Tractor
Figure 16
• Reassemble by following the above steps in
reverse order.
• Reroute the new belt around the pulleys,
keeper pins and belt keepers EXACTLY as
the old one was routed. Refer to Figure 16.
The drive pedal is properly adjusted when the hole
found in the double-idler bracket has approximately
1-3/8" of travel with ten pounds of pressure applied
to the drive pedal. See Figure 17.
2O

Double-idler
(_ Bracket
Hole__ "_'jJ Idler
j,dj. Rod
Front of Tractor _.-
NOTE: View shown from above tractor.
Figure 17
Adjust the drive pedal after replacing the drive belts
on your tractor, if necessary, as follows:
• Locate the speed control assembly on the
underside of the steering support bracket. See
Figure 18.
Idler Place Wrenches Here
Return
Bracket
Hair
lips
Drive Pedal Speed Control
Return Spring Assembly
Figure 18
• Remove both hairpin clips from the pin which
is fastened to the speed control assembly (be
careful not to lose the small flat washers found
on the pin). See Figure 18.
• Remove the drive pedal return spring.
• Using two 9/16" wrenches, remove the pin
from the speed control assembly. See Figure
18.
Thread the idler adjustment rod inward or outward to
lengthen or shorten the travel of the double-idler
bracket until proper adjustment is achieved.
• Reassemble by following the above steps in
reverse order.
CUTTING BLADES
_, WARNING: Cutting blades are sharp.
Always protect hands by wearing heavy
leather work gloves to grasp blades.
The blades may be removed for sharpening or
replacement as follows.
• Remove the deck from beneath the tractor,
(refer to DECK REMOVAL earlier in this
section for detailed instructions) then gently
flip the deck over to expose its underside.
• Place a block of wood between the center
deck housing baffle and the cutting blade to
act as a stabilizer. See Figure 19.
• Use a 15/16" wrench to remove the hex flange
nut that secures the blade to the spindle
assembly. See Figure 19.
NOTE: The hex flange nut has a right-handed
(normal) thread pattern. Do NOT attempt to force the
nut in the incorrect direction. Doing so may damage
the nut and create a safety hazard.
fHex Flange Nut Block of Wood
Cutting Blade
Figure 19
To properly sharpen the cutting blades, remove
equal amounts of metal from both ends of the blades
along the cutting edges. See Figure 20.
Sharpen the cutting edge straight across, parallel to
the trailing edge, at a 25° to 30° angle. See Figure
20.
IMPORTANT: If the cutting edge of the blade has
already been sharpened to within 5/8" of the wind
wing radius, or if any metal separation is present,
replace the blades with new ones. See Figure 20.
Worn Blade Edge 7
Blade Separation Wind Wing
Sharpen Edge_venly
Figure 20
5/8"
21

It is extremelyimportantthat each cuttingblade
edgebe groundequallyto maintainproperblade
balance.Anunbalancedbladewiltcauseexcessive
vibrationwhenrotatingat highspeeds,maycause
damageto thetractorandresultin personalinjury.
Thebladecanbetestedbybalancingit on a blade
balanceror roundshaft screwdriver.Grind metal
fromtheheavysideuntilit balancesevenly.
Whenreplacingthe blade,be sureto installthe
bladewiththesideoftheblademarked"Bottom"(or
witha partnumberstampedin it) facingtheground
whenthemowerisintheoperatingposition.
IMPORTANT: Use a torque wrench to tighten the
blade spindle hex flange nut to between 70 foot-
pounds and 90 foot-pounds.
TIRES
The recommended operating tire pressure is
approximately 10 psi for the rear tires and 14 psi for
the front tires. Refer to the tire sidewall for exact tire
manufacturer's recommended psi. Do not
ovednflate. Uneven tire pressure could cause the
cutting deck to mow unevenly.
BATTERY
The battery is sealed and is maintenance-free. Acid
levels cannot be checked.
•Always keep the battery cables and terminals
clean and free of corrosive build-up.
• After cleaning the battery and terminals, apply
a light coat of petroleum jelly or grease to the
terminals and over the positive terminal boot.
• Always keep the boot positioned over the
positive terminal to prevent shorting.
IMPORTANT: If removing the battery for any
reason, disconnect the NEGATIVE (Black) wire from
it's terminal first, followed by the POSITIVE (Red)
wire. When re-installing the battery, always connect
the POSITIVE (Red) wire its terminal first, followed
by the NEGATIVE (Black) wire. Be certain that the
wires are connected to the correct terminals,
reversing them could change the polarity and cause
damage to your engine's alternating system.
Charging
If the unit has not been put into use for an extended
period of time, charge the battery with an
automotive-type 12-volt charger for a minimum of
one hour at six amps.
WARNING: Batteries give off an
explosive gas during and for some time
after charging. Charge battery in a well
ventilated area and do not allow a spark or
an open flame near the battery.
FUSE
A fuse is installed in your tractor's wiring harness to
protect the tractor's electrical system from damage
caused by excessive amperage. Always use the
same capacity fuse for replacement. If the electrical
system does not function, or your tractor's engine
will not crank, first check to be certain that the fuse
has not blown. It can be found under the hood
mounted behind the top of dash panel on the
support bar. Pull the fuse out and compare it with
Figure 21 to determine if it is good or bad.
GOOD BAD
Figure 21
SECTION 11: LUBRICATION
WARNING: Always stop the engine and
disconnect the spark plug wire(s) and
ground against the engine before
performing any maintenance.
ENGINE
Lubricate the engine with motor oil as instructed in
the separate engine manual packed with your unit.
LINKAGE
Lubricate all the pivot points on the drive, brake and
lift linkage at least once a season with SAE 30
engine oil.
WHEELS
Both the front wheels and the rear wheels should be
removed from the axles once a season. Lubricate
the axles and the rims well with an all-purpose
automotive grease before re-installing them.
STEERING GEAR
Lubricate the teeth of the steering gear with an all-
purpose automotive grease every 25 hours of
operation or once a season.
PIVOT POINTS
Lubricate all pivot points (drive pedal, brake pedal,
etc.) at least once a season with light oil.
22

SECTION 12: TROUBLESHOOTING GUIDE
Trouble Corrective Action
Engine will
not crank
Engine
cranks but
will not start
Possible
Cause(s)
Safety switch
button not
depressed.
Battery installed
incorrectly.
Battery is dead
or weak.
Blown fuse
Throttle or choke
not in starting
,osition.
No fuel to the
carburetor.
No spark to
spark plug(s).
There are three safety switches in the starting circuit of your unit: the brake pedal
switch, the PTO switch and the seat switch. Make certain the actuator on the brake
control is fully depressing the button on the brake pedal switch and that the actuator at
Lhebase of the PTO engagement lever is fully depressing the button on the PTO
switch. The operator must be seated on the tractor to activate the seat switch.
The battery must be installed with negative terminal attached to black ground wire.
Negative terminal is identified at the post by "NEG", "N" or "-". The positive terminal,
identified by "POS", "P" or "+", must be attached to the thick red wire which goes to the
solenoid.
Charge at six amps with a 12-volt automotive4ype battery charger for one hour or until
Fullycharged.
Refer to page 22 for fuse location. Replace fuse with automotive type fuse of the
proper amperage. Fuses seldom fail without a reason. The problem must be
corrected. Check for loose connections in the fuse holder. Replace fuse holder if nec-
assary. A dead short may be in the cranking or charging circuit where the insulation
may have rubbed through and exposed the bare wire. Replace the wire or repair with
_lectrician's tape if the wire strands have not been damaged.
Note: Look for a wire pinched between body panels, burned by the exhaust pipe or
muffler or rubbed against a moving part.
Refer to the OPERATION section of this manual for the correct position of the throttle
control and choke for starting.
Gasoline tank empty. Fill with clean, fresh fuel.
Fuel line or in-line fuel filter plugged. Remove and clean fuel line. Replace fuel filter
(if so equipped) if necessary.
Spark plug lead disconnected. Connect lead. Using a spark tester, check for spark. If
no spark is present, have engine's magneto serviced by an authorized engine dealer.
Dirty aircleaner. If the air cleaner is dirty, the engine may not start. Refer to the engine manual packed
with your unit.
Engine Engine oil has Check oil level.
smokes been overfilled.
Engine loses Dipstick not seated or broken. Replace defective part.
crankcase Engine breather defective. Replace.
_'acuum.
Excessive Bent blade or Stop engine immediately. Check all pulleys, blade adapters, keys and bolts for
vibration damaged pulley. Lightness and spindle damage. Tighten or replace any loose or damaged parts.
&lways replace damaged blade. Only use original equipment blades.
Mower Engine speed Throttle must be set at full throttle.
won't low.
discharge Speed selection. Use lower ground speed. The slower your ground speed, the better the quality of cut.
grass or Cutting height Raise deck.
Leaves set too low.
uncut strips Blades dull. Sharpen or replace blades (uncut strip problem only).
23

Models 607, 608 & 609
_14 j_8
15/16
11. _
12_.
5 _
REF.
NO.
1
2
3
4
5
6
7
8
9
10
11
12
13
14
15
16
PART
NO.
625-0051
629-0944
629-0126
710-0599
712-3006
725-1426
725-1657A
725-1741
725-1742
725-1745
725-1744
725-1747
725-3007A
736-0329
629-0309
729-0357
725-1381
DESCRIPTION
Bulb/Socket Headlight Assembly
Wiring Harness w/o Ref. 14
Harness Adapter, #18 x 5
Self4apping Screw, 1/4-20 x .5
Hex Nut, 1/4-20
Solenoid, 12-volt, 100 Amp
Snap Mount Safety Interlock Switch (Brake)
Ignition Switch
Systems Indicator Monitor
Ignition Key w/plastic cover
Ignition Key w/o plastic cover
Safety Plunger Switch (Seat)
Positive Terminal Cover (Boot)
Lock Washer, 1/4
Headlight Harness
Fuse Holder
20-amp Fuse
24

F3
0"1
IIII
GREEN
B&UE
YELLOW
_ITE
REOt_CX
BATTERY
0 0 _E_
- +
GREEN
J
(
FJSE
7_'25-1381
OP_G£_BLAOK
j_ ¥B_LOW_CK i
( ORA_E_E t
_ PTOSWITCH
_ 72S1_57A
OR_qGE
KE"SVVITCH
\
Y_NT
OR_.K
SEATSWITCH
_5,173S
__ ORANGE
__ ORA_G_Cb_4
[_lll
RE%Z_SESW
725,16_3
PTO-
PTO+
A,_O
+12V
Ot
rl"l
m
8
m
(D

Models 607 & 608
L
I
i
-.j
26

RER PART
NO. NO.
1 683-0195
2 710-0528
3 710-0599
4 710-0751
5 710-0895
6 710-0896
7 710-0924
8 712-0271
9 712-0292
10 712-0431
11 726-0211
12 726-0293
13 731-1854
14 731-2300
731-2301
731-2302
731-2303
15 731-2306
16 735-0126
17 736-0105
18 783-0475
19 783-0476A
20 783-0477
21 783-1034
22 783-1038
23 710-0106
24 710-0604A
25 710-1017
26 710-1238
27 710-3217
28 712-0142
l-Tractors with a B&S
STractors with a B&S
DESCRIPTION
Bracket Assembly
Hex Cap Screw, 5/16-18 x 1.25
Self-tapping Screw, 1/4-20 x .5
Hex Cap Screw, 1/4-20 x .62
Self-tapping Screw, 1/4-15 x .75
Screw, 1/4-15 x .75
Phillips Pan Screw, 1/4-20 x .75
Hex Sems Nut, 1/4-20
U-type Speed Nut, 1/4-20
Flange Lock Nut, 3/8-16
U-nut, 5/16-18
Retainer Nut, 3/8
Headlight Lens
Hood, 7-style, Red
Hood, 7-style, Green
Hood, 7-style, Black
Hood, 7-style, Charcoal Grey
Hood Plenum, 7-style
Rubber Washer, .87 x .33
Bell Washer, .401 x .87 x .063
LH Side Panel
RH Side Panel
Grille
Hood Bracket, 7-style
Hood Side Bracket, 7-style
RER PART
NO. NO.
29 712-3004A
30 712-3027
31 731-1857
32 731-2122
33 731-2227
34 731-2228
35 736-3078
36 747-1196
37 749-1087
38 751-0659
751-0658
39 751-0603
40 710-1268
41 783-0478A
42 783-0551A
43 783-0553A
44 731-2247
731-2248
45 747-1184
46 726-3046
47 746-1085
-- OEM-190-603
Tractor Body
DESCRIPTION
Flange Lock Nut, 5/16-18
Hex Flange Lock Nut, 1/4-20
Throttle Control Knob
Dash Panel
Parking Brake Button
Plastic Plug
Flat Washer, .349 x 1.0 x .063
Pivot Rod
Dash Support Tube
Two-gallon Fuel Tank (shown)
Three-gallon Fuel Tank
Fuel Cap (Fits Either Tank)
Screw, #10-16 x .375
Hood, 8-style
Hood Hinge Bracket, 8-style
Hood Support Bracket, 8-style
Heat Shields
Units w/B&S OHV Twin)
Heat Shields
Units w/B&S Opposed Twin)
Heat Shield Support Rod
Ratchet Clip
Choke Cable/Knob 1"
Units w/B&S Opposed Twin)
Grille Guard TM Bumper Kit, Not Shown
Hex Cap Screw, 1/4-20 x 1.25
Self-tapping Screw, 5/16-18 x .625
Truss Phillips Screw, 1/4-20 x .625
Hex Washer Screw, 5/16-18 x .625
Truss Phillips Screw, #8-32 x .375
Hex Nut, #8-32
(if so equipped)
AF-47442 Bumper Assembly
AF-44056 Clevis Pin, .5 x 1
AF-43055 Internal Cotter Pin
AF-44742 Plastic Plug
Single-cylinder (I/C or OHV) engine have NO choke knob/cable. The choke is activated with the throttle control.
Single-cylinder (I/C or OHV) engine have NO heat shield.
27

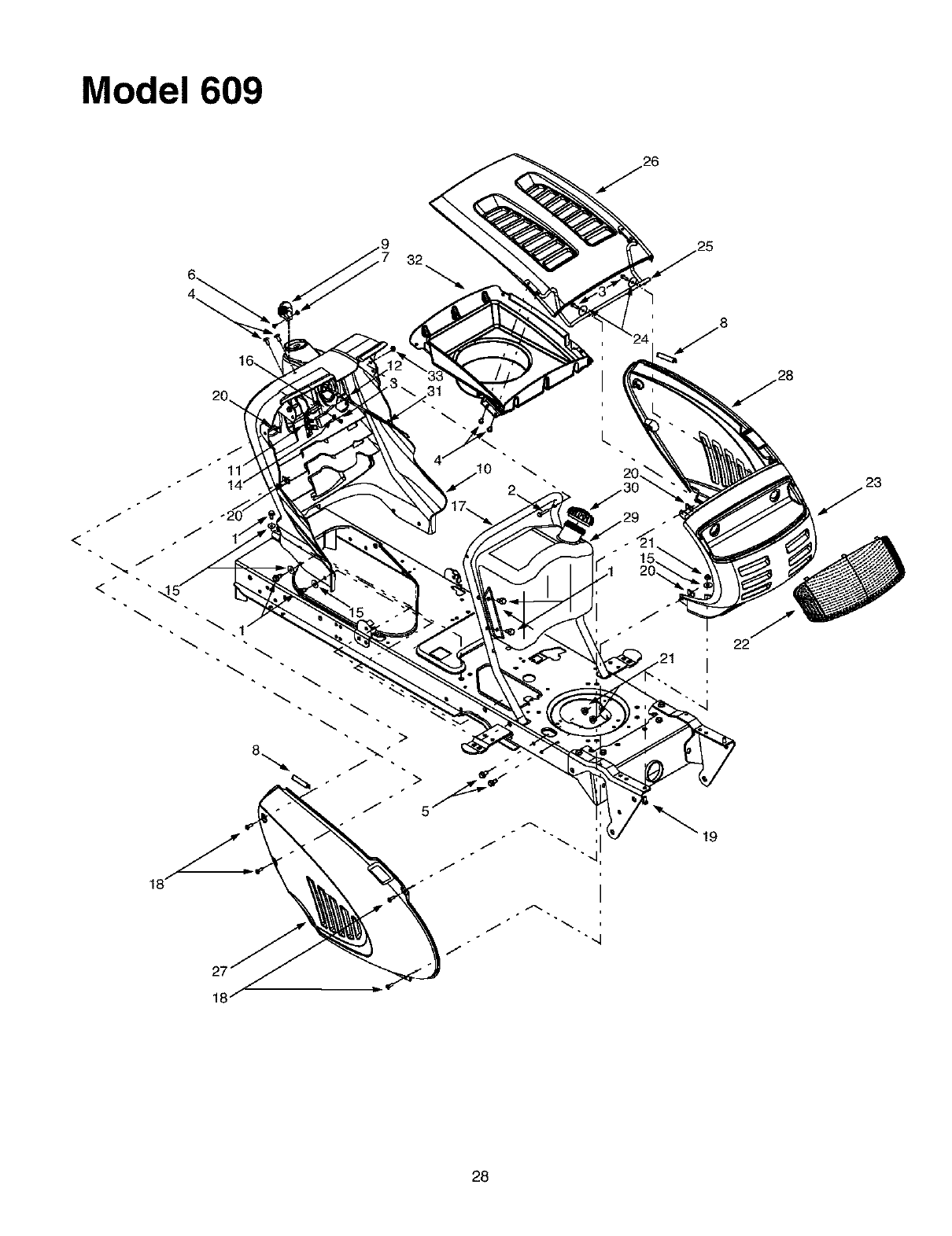
Model 609
<
>
J
o
J
A,
28

RER PART
NO. NO.
1 710-0604A
2 710-0788
3 710-0895
4 710-1017
5 710-1238
6 710-3217
7 712-0142
8 731-0511-5
9 731-1857
10 731-2122
11 731-2228
12 731-2227
13 736-0119
14 736-0142
15 736-3078
16 747-1196
17 749-1087
18 710-0924
19 710-3008
20 712-0292
21 712-3004A
22 731-2118
23 731-2119
24 736-0211
25 747-1162
26 783-0783
27 783-0784
28 783-0785
29 751-0659
751-0658
30 751-0603
31 746-1085
32 731-2270
731-2271
33 712-3027
Tractor Body
DESCRIPTION
Self-tapping Screw, 5/16-18 x .625
Self-tapping Screw, 1/4-20 x 1.0
Self-tapping Screw, 1/4-15 x .75
Torx Self-tapping Screw, 5/16-18 x .625
Screw, 5/16-18 x .875 (Grade 5)
Torx Screw, #8-32 x .375
Hex Nut, 8-32
Five-inch Trim Strip
Throttle Control Lever
Dash Panel
Plastic Plug
Parking Brake Button
Lock Washer, 5/16
Flat Washer, .281 x .5 x .063
Flat Washer, .349 x 1.0 x .063
Pivot Rod
Dash Support Tube
Pan Phillips Screw, 1/4-20 x .75
Hex Cap Screw, 5/16-18 x .75
U-type Speed Nut, 1/4-20
Flange Lock Nut, 5/16-18
Lens, 9-style
Grille, 9-style
Flat Washer, .285 x 1.25 x .08
Hood Hinge Rod
Hood, 9-style
RH Side Pane, 9-style
LH Side Panel, 9-style
Two-gallon Fuel Tank (shown)
Three-gallon Fuel Tank
Fuel Cap (Fits Either Tank)
Choke Knob/Cable Assemblyl-
(Units w/B&S Opposed Twin or OHV Twin)
Hood Plenum (Units w/B&S OHV V-Twin)$
Hood Plenum (Units w/B&S Opposed Twin)$
Hex Flange Lock Nut, 1/4-20
lUnits with B&S Single-cylinder (I/C or OHV) engines have NO choke knob/cable. The choke is activated with the throttle control.
SUnits with B&S Single-cylinder (I/C or OHV) engines have NO hood plenum.
29

Models 607, 608 & 609
43
6
8
5
1
30
15
26
<
>
3

REP.
NO.
1
2
3
4
5
6
7
8
9
10
11
12
13
14
15
16
17
18
19
20
21
22
23
24
25
26
27
28
29
3O
31
32
33
34
35
36
37
38
39
40
41
42
43
44
Lift Assembly
PART
NO.
747-1130
683-0197
711-0332
712-0206
712-0431
712-3004A
712-3083
714-0104
714-0111
716-0106
720-0311
732-0874
732-0934
736-0275
736-0921
736-3019
736-3084
738-0138
738-0380
741-0225
741-0715
746-0968
747-1111
756-1154
783-0678
783-0720A
710-0260
710-0604A
710-0895
783-0740
726-3046
738-0155
783-1010
783-0839
783-0715
710-0870
757-0360A
757-0348A
757-0350
723-0483
723-0484
735-0657
735-0656
710-1611
710-0260
731-0511-5
DESCRIPTION
Deck Stabilizer Rod
Lift Shaft Assembly
Clevis Pin, .5 x .78
Hex Nut, 1/2-13
Flange Lock Nut, 3/8-16
Flange Lock Nut, 5/16-18
Hex Nut, 1/2-13
Internal Cotter Pin
Cotter Pin
E-ring
Handle Grip
Torsion Spring
Lift-assist Spring, 1.15 x 5.99
Found on Units w/46-inch Deck Only)
Flat Washer, 5/16
Lock Washer, 1/2
Flat Washer, .31 x 1.062 x .134
Flat Washer, .51 x 1.12 x .06
Hex Cap Screw, 5/16-18 x .62
Shoulder Screw, .5 x .27, 3/8-16
Hex Flange Bearing
Snap Flange Bearing
Lift Cable, 16.16
Lift Handle
Roller Pulley
Arm Lift
Deck Stabilizer Bracket
Carriage Bolt, 5/16-18 x .62
Self-tapping Screw, 5/16-18 x .625
Self-tapping Screw, 1/4-15 x .75
Seat Pivot Bracket
Foot Pad Clips
Shoulder Screw, .437 x 1.62
Lift Adjustment Bracket
Fender
Seat Mounting Bracket
Hex Washer Head Screw, 3/8-16 x .625
Seat, Medium Back
Seat, High Back (if so equipped)
Seat, High Back w/Drain Holes (if so equipped)
LH Abrasive Foot Pad
RH Abrasive Foot Pad
LH Rubber Foot Pad (if so equipped)
RH Rubber Foot Pad (if so equipped)
Self-tapping Screw, 5/16-18 x .75
Hex Cap Screw, 5/16-18 x .62
Trim Strip, 1.5
31

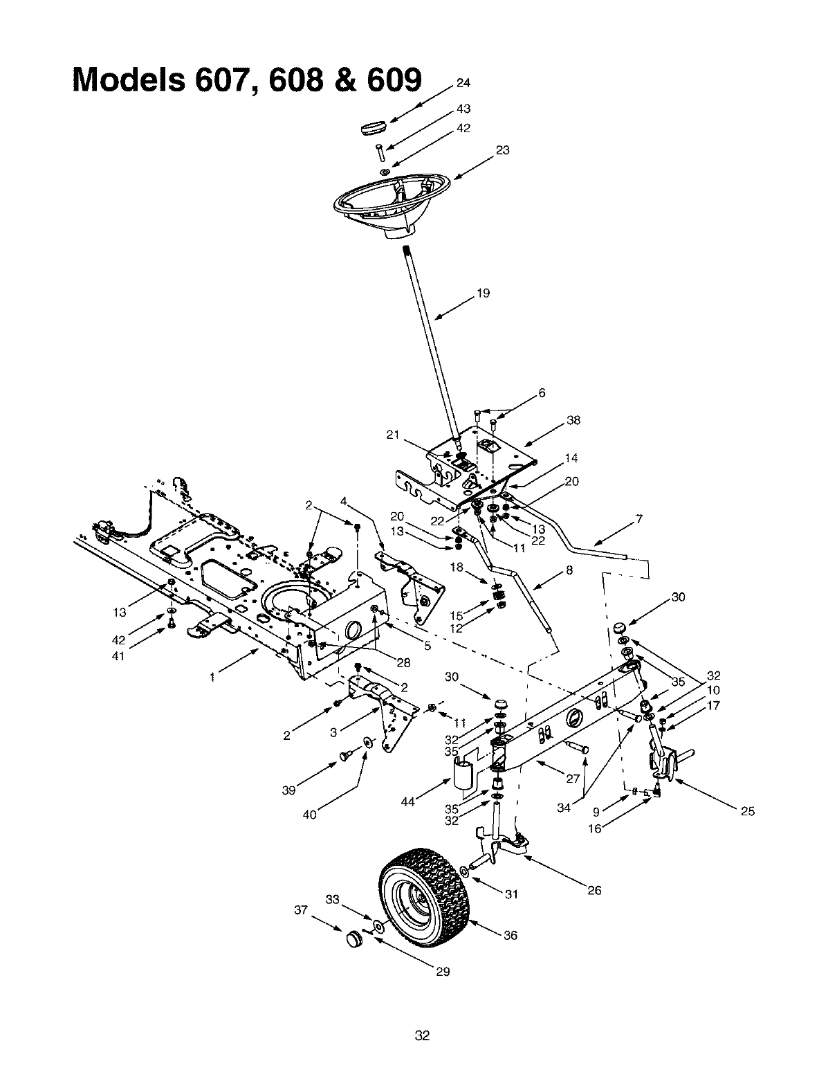
Models 607, 608 & 609 24
32
27
25
33
37
29
32

RER PART
NO. NO.
1 683-0304
2 710-0604A
3 783-0726A
4 783-0727
5 783-0728
6 710-0514
7 711-1409A
8 711-1408
9 712-0240
10 712-0241
11 712-0431
12 712-0459
13 712-3004A
14 717-1550A
15 717-1554
16 723-0448A
17 736-0169
18 736-3084
19 738-1001A
20 741-0475
21 741-0656
22 738-0372
23 631-0027
731-1687
24 731-0220
731-1459A
25 638-0019
638-0021
26 638-0020
638-0022
27 683-0128A
Steering Assembly
DESCRIPTION
Lower Frame Assembly
Self-tapping Screw, 16-18 x .625
RH Pivot Support Bracket
LH Pivot Support Bracket
Pivot Bar Bracket
Hex Cap Screw, 3/8-16 x 1 (Grade 5)
LH Drag Link
RH Drag Link
Jam Nut, 7/16-20 (Grade 2)
Hex Nut, 3/8-24 (Grade 2)
Flange Lock Nut, 3/8-16
Flange Lock Nut, 7/16-20
Flange Lock Nut, 5/16-18
Steering Gear, 11/90 Ratio
Steering Pinion Gear
Ball Joint, 7/16-20
Lock Washer, 3/8
Flat Washer, .51 x 1.12 x .06
Steering Shaft, .625 OD x 24.4
Plastic Bushing, .38 ID
Hex Flange Bearing, 5/8
Shoulder Spacer, .38 ID
Steering Wheel
Steering Wheel (MTD)
Steering Wheel Cap
Steering Wheel Cap w/Icon
LH Axle Assembly, .625 Diameter
LH Axle Assembly, .625 /.750 Diameter
RH Axle Assembly, .625 Diameter
RH Axle Assembly, .625 /.750 Diameter
Pivot Bar
REF.
NO.
28
29
30
31
32
33
34
35
36
37
38
39
40
41
42
43
44
PART
NO.
712-0431
714-0470
726-0214
726-0341
736-0162
736-0187
736-0316
736-0285
738-1011
741-0659
741-0660
634-0105A
634-0056A
634-0172
734-0255
734-1731
734-0864
741-0487A
741-0706
734-0484A
783-0653C
738-0143
736-0331
738-0140
736-0242
710-0643
731-1649
731-1291A
DESCRIPTION
Flange Lock Nut, 3/8-16
Cotter Pin
Push Cap, .625
Push Cap, .750
Flat Washer, .64 x 1.0 x .12
Flat Washer, .64 x 1.24 x .06
Flat Washer, .78 x 1.59 x .06
Flat Washer, .635 x 1.589 x .06
Shoulder Screw, .5 x 2.2, 3/8-16
Flange Bearing, .632 ID x .937 OD
Flange Bearing, .760 ID x .937 OD
Wheel Assembly Complete,
15 x 6 x 6 Square Shoulder
Wheel Assembly Complete,
15 x 6 x 6 Round Shoulder
Rim Only
Air Valve (Not Shown)
Tire Only, Square Shoulder
Tire Only, Round Shoulder
Plastic Flange (Not Shown)
Plastic Flange w/Fitting (Not Shown)
Hub Cap
Steering Support Bracket
Shoulder Screw, 3/8-16
Bell Washer, .39 x 1.13 x .062
Shoulder Screw, .435 x .178, 5/16 x .56
Bell Washer, .34 x .872
Hex Bolt, 5/16-18 X 1
End Cap
End Cap w/Fitting (if so equipped)
NOTE: Units equipped with a 42-inch deck have axles with a .625 diameter.
Units equipped with a 46-inch deck have axles with a .625 /.750 diameter.
33

Models 607, 608 & 609
• i i
79
29
58
• _.'- "/13 "35
11-.
18\
36\
5AO
61" F
69 62/
76_
13 /
65 58
56
/71
64
64 23
52
21 >
80
34

RER PART
NO. NO.
1 783-1015
2 17840
3 618-0307C
4 631-0009
5 647-0045
6 656-0048
7 656-0051A
8 683-0251
9 710-0176
10 710-0227
11 710-0347
12 736-0272
13 710-0604A
14 710-0642
15 710-3011
16 711-0677
17 712-0241
18 712-0378
19 712-0431
20 712-0798
21 712-3004A
22 712-3008
23 714-0111
24 714-0149B
25 723-3018
26 725-1644
27 726-0320
28 732-0384
29 732-0525
30 732-0716
31 732-0963
32 736-0105
33 736-0140
34 736-0169
35 736-0275
36 736-0407
37 736-3010
38 738-0322
39 747-1122
40 747-1123A
41 747-1127
42 747-1156
43 711-0736
44 748-0372
45 754-0467
46 754-0468
REP. PART
DESCRIPTION NO. NO.
Shift Lever Support 47 756-0981
Transaxle Mounting Bracket 48 783-0637
Single-speed Transmission Assembly 49 783-0667A
Shifter Knob 50 783-0669
Shift Lever 51 783-0714
Variable-speed Pulley Assembly 52 647-0031
Transmission Pulley, 8.5 x .5-36 53 647-0032
Double-idler Bracket 54 683-0266
Hex Cap Screw, 5/16-18 x 2.75 55 712-0431
Self-tapping Screw, #8-18 x .5 56 711-0736
Hex Cap Screw, 3/8-16 x 1.75 57 711-1363
Flat Washer, .51 x 1.0 x .060 58 714-0104
Self-tapping Screw, 5/16-18 x .625 59 732-0437
Self-tapping Screw, 1/4-20x.75 60 710-0778
Hex Cap Screw, 3/8-16 x 2.25 61 735-0662
Ferrule, 5/16-18 62 735-3049
Hex Nut, 3/8-24 63 710-1650
Hex Nut, 7/16-20 64 736-0187
Flange Lock Nut, 3/8-16 65 736-0204
Hex Nut, 3/8-16 66 738-0155
Flange Lock Nut, 5/16-18 67 738-0507B
Jam Nut, 3/8-16 68 741-0225
Cotter Pin 69 741-3065A
Internal Cotter Pin 70 710-0859
Ball Joint 71 747-1138
Short Spring Switch 72 710-1260A
Insulator Nut Plate 73 748-0415A
Extension Spring, .62 Dia. x 6.12 74 783-0653C
Compression Spring Clip 75 783-0732
Extension Spring, .59 OD x 4 76 783-0773
Extension Spring, .50 Dia. x 6.37 77 783-0780A
(hooks to flange, 783-0650, in frame) 78 683-0304
Bell Washer, .401 x .87 x .063 79 783-1031
Flat Washer, .385 x .62 x .063 80 736-0242
Lock Washer, 3/8 81 710-0627
Flat Washer, 5/16 82 634-0177
Bell Washer, .45 x 1.0 x .602
Flat Washer, .407 x .812 x. 135 634-0104
Shoulder Screw, .625 x .217
Brake Rod 734-1675
Belt Guard
Idler Adjustment Rod, 3/8 634-0070
Shift Rod 734-0255
Adjustment Ferrule, 1/4-20 x 1.0 734-1873
Shoulder Spacer, .38 ID 734-1730
Variable-speed Belt 734-1596
Drive Belt 83 750-0556
Drive System
DESCRIPTION
Flat Idler, 2.75 OD
Shift Lever Support
Transmission Torque Bracket
Idler Bracket
Adjustable Shift Bracket
Brake Control Assembly
Speed Control Assembly
Drive Pedal Assembly
Flange Lock Nut, 3/8-16
Ferrule, 1/4-20
Pin, 3/8-16 x 2.43
Cotter Pin
Compression Spring, .34 OD x 1.0
Self-tapping Screw, 1/4-20 x 1.5
Drive Pedal Pad
Brake Pedal Pad
Self-tapping Screw, 5/16-18 x .875
Flat Washer, .64 x 1.24 x .06
Flat Washer, .344 x .062 x .03
Shoulder Screw, .437 x 1.62
Shoulder Screw, .5 x .434
Hex Flange Bearing
Split Hex Flange Bearing
Hex Cap Screw, 3/8-16 x 2.5
Brake Lock Control Rod
Self-tapping Screw, 5/16-18 x .75
Spacer, 5/16 x 1.54
Stearing Support Bracket
Drive Lockout Bracket
Brake Pedal
Neutral Return Bracket
Lower Frame Assembly
Hitch Plate
Bell Washer, .34 x .872
Hex Cap Screw, 5/16-24 x .75
Wheel Assembly Complete
20 x 10 x 8 Square Shoulder
Wheel Assembly Complete
20 x 8 x 8 Square Shoulder
Wheel Assembly Complete
20 x 8 x 8 Round Shoulder
Rim Only
Air Valve (Not Shown)
Tire Only, 20 x 10 x 8, Square Shoulder
Tire Only, 20 x 8 x 8, Square Shoulder
Tire Only, 20 x 8 x 8, Round Shoulder
Spacer
IMPORTANT: The V-belts found on your tractor are specially designed to engage and disengage safely. A
substitute (non-OEM) V-belt can be dangerous by not disengaging completely. For a proper working machine,
use factory approved belts.
35

Models 607, 608 & 609
@
20
12c
Units with 618-0307C
Transmission ONLY
_"14
13
38.
39
\8
.J
36

RER PART
NO. NO.
1 618-0318
2 710-0788
3 711-1274
4 711-1280
5 713-0474
6 713-0478
7 717-1422
8 717-1565
9 717-1569
10 718-0652
11 719-0394
12a 736-0336
12b 736-0337
12c 736-0349
13 736-0519
14 741-0336
15 741-0337
16 750-1238
17 611-0112
611-0133
18 618-0369
618-0424
19 661-0006
20 710-1325
21 710-1206
22 717-0678
23 732-0863
24 741-0862
25 761-0202
26 711-1331
711-1430
27 716-0385
716-0108
28 717-1571
717-1464
29 719-0391A
30 736-0335
736-0723
31 741-0525
32 718-0228
33 711-1431
34 750-1234
35 717-1362
36 717-1363
37 736-0495
38 741-0340
39 721-0338
40 716-0231
41 618-0551
Single-speed Transmission
DESCRIPTION
Clutch Collart
Self-tapping Screw, 1/4-20 x 1.0
Drive Shaft
Counter Shaft
22-1ink Chain, #420
144ooth Sprocket
Sprocket Bevel Gear, 42/10
29-tooth Spur Gear
20-tooth Spur Gear
Counter Shaft Coupling
Lower Housing
Flat Washer, 5/8 x 1.0 x .030"
Flat Washer, 5/8 x 1.0 x .040"
Flat Washer, 5/8 x 1.0 x .020"
Flat Washer, .70 x 1.125 x .031
Flange Bearing, 5/8 x 3/4 x 3/4
Flange Bearing, 5/8 x 3/4 x 15/16
Spacer, .635 x 1.0 x .27
Detent Shaft Assemblyt
Detent Shaft Assembly$
Differential Assemblyt
Differential Assembly$
Brake Assembly
Self-tapping Screw, 1/4-20 x 1.625
Self-tapping Screw, 1/4-20 x 2.375
Brake Pad
Compression Spring
Detent Ball
Brake Disc
Input Shaftt
Input Shafts
Retaining Ring, .394t
Retaining Ring, .4375
124ooth Bevel Piniont
14-tooth Bevel Pinions
Upper Housing
Thrust Washer, .63 x 1.24 x .062t
Thrust Washer, .635 x 1.25 x .0425
Needle Bearing, .625 x .875
Clutch Collars
Drive Shafts
Spacer, .633 x 1.0 x .513
42-tooth Bevel GearS
42-tooth Bevel GearS
Thrust Washer, 1.0 x .632 x .0
Sleeve Bearing, .75 x .1.0 x 1.0
Seal, .75 x 1.0 x .125
E-ring, .75
Transmission Assembly Complete
*If rebuilding transmission for any reason, use applicable flat washer (12a, 12b, or 12c) in this application allowing
proper end play as instructed in MTD's Service Manual.
IMPORTANT: One of two different transmissions may be found on your lawn tractor (618-0307B & 618-0307C). Refer to the
model plate found on the rear right portion of the transmission's lower housing before ordering replacement service parts.
fUsed on Single-speed transmission 618-0307B ONLY.
SUsed on Single-speed transmission 618-0307C ONLY.
37

Models 607, 608 & 609
57.
sj
12f
6/_ "_" "_. 5 j 444
9 _ 16_
26 /v
j3
j4
/-13
f1_-14
- 15
_17
Hook spring,
Ref. 58, here !45Z
_53
_54
z55
j 43
J
z 56
z28
J
_g
2O
> f51
J
29
39
35
24
_36
j25
34
33_
1 ' _33
37
,30 (PTO belt for
42" deck shown)
27
22_
38

REF.
NO.
1
2
3
4
5
6
7
8
9
10
11
12
13
14
15
16
17
18
19
20
21
22
23
24
25
26
27
28
29
30
PART
NO.
712-0431
732-0996
783-0733
732-0997
710-0604A
710-0751
712-0271
712-3044
725-1706
738-1014
738-1020
736-0407
723-0444
783-1031
725-1747
736-0222
725-1426
710-0599
712-0459
683-0304
736-3010
710-0831
736-0275
732-0944
736-0140
710-0642
736-0322
712-3004A
783-0653C
754-0485
754-0486
Power Take-off System
DESCRIPTION
Flange Lock Nut, 3/8-16
Compression Spring, 1.31 x 3.0
Spacer Cup, 1.50D
Compression Spring, .66 OD x 1.5
Self-tapping Screw, 5/16-18 x .625
Hex Cap Screw, 1/4-20 x .62
Hex Sems Nut, 1/4-20
Wing Nut, 1/4-20
12-volt Battery, 270 CCA
Shoulder Screw, .5 x 1.25, 3/8-16
Shoulder Screw, .625 x .5, 7/16-20
Bell Washer, .45 x 1.0 x .062
Battery Strap
Hitch Plate
Safety Interlock Plunger Switch
Lock Washer, 1/4
Solenoid, 12-Volt, 100 Amp
Self-tapping Screw, 1/4-20 x .5
Flange Lock Nut, 7/16-20
Lower Frame Assembly
Flat Washer, .407 x .812 x .135
Hex Cap Screw, 3/8-16 x 5.5
Flat Washer, .344 x .688 x .0651-
Extension Spring, .75 x 5.39
Flat Washer, .385 x .62 x .063
Self-tapping Screw, 1/4-20 x .750
Flat Washer, .45 x 1.25 x .164
Flange Lock Nut, 5/16-18
Steering Support Bracket
PTO Belt (42-inch Decks w/Manual PTO)
PTO Belt (46-inch Decks w/Manual PTO)
REE PART
NO. NO.
31 732-0991
32 732-0990
33 714-0470
34 683-0302
35 738-0372
36 710-3011
37 756-0627
38 783-0349
39 748-0415A
40 783-0744A
41 712-0229
42 736-0105
43 710-0376
44 712-3006
45 736-0119
46 710-3029
47 736-0171
48 750-0956
49 756-0982A
50 732-0735
51 647-0053
52 711-1044
53 731-2111A
54 736-0108
55 747-1112A
56 647-0046
57 710-0650
58 732-0995
59 741-0708
DESCRIPTION
Belt Guard
Belt Guard
Cotter Pin, 1/8 x 1.25
PTO Engagement Plate
Shoulder Spacer
Hex Cap Screw, 3/8-16 x 2.25 (Grade 5)
Flat Idler Pulley, 3.50D
Battery Tray
Spacer, 3/8 x 1.54
Engagement Stop Bracket
Push Nut, 3/8
Bell Washer, .401 x .870 x .063
Hex Cap Screw, 5/16-18 x 1.0
Hex Nut, 1/4-20
Lock Washer, 5/16
Hex Cap Screw, 7/16-20 x 1.25
Lock Washer, 7/16
Spacer
Engine Pulley
Extension Spring, 1.318 x 2.37
Belt Guard
Keeper Pin
PTO Knob
Flat Washer, .510 x .750 x .033
PTO Handle
PTO Lever
Self-tapping Screw, 15/16-18 x .875
Extension Spring, .5 x 6.0
Hex Split Flange Bearing
39

Models 607, 608 & 609 ,9_''' "'_
46-inch Deck
16 _See PTO breakdown
49. _ "_
7O
_55
64
65
77
23 30
29
58
42-inch Deck
13
®
38.
27
26.
2
46Z
35 _
29
39
z 36
17
4O

REP.
NO.
1
2
3
4
5
6
7
8
9
10
11
12
13
14
15
16
17
18
19
20
21
22
23
24
25
26
27
28
29
30
31
32
33
34
35
36
37
38
39
40
41
42
43
PART
NO.
16606
618-0324
683-0198C
683-0254
683-0303
710-0520
710-0528
710-0604A
710-0751
710-0817
710-1122
710-1260A
711-0677
712-0417A
712-0431
712-3004A
712-3006
712-3009
712-3027
714-0104
714-0111
717-1563A
710-0578
726-0233
731-1032B
731-2231A
732-0306
732-0428A
734-0973
736-0105
736-0119
736-0270
736-0275
736-0416
738-0373
742-0616
746-0970
747-1116
747-1202
748-0324
783-1026
783-1027
731-1643A
DESCRIPTION
Retainer Hook
Spindle Assembly, 5.75 Dia.
42-inch Deck Shell
Deck Adjustment Bracket w/Weld Nut
Deck Brake Assembly, 42-inch Decks
Hex Cap Screw, 3/8-16 x 1.5
Hex Cap Screw, 5/16-18 x 1.25
Self-tapping Screw, 5/16-18 x .625
Hex Cap Screw, 1/4-20 x .62
Self-tapping Screw, 5/16-18 x 1.25
Hex Cap Screw, 1/4-20 x 2.5
Self-tapping Screw, 5/16-18 x .75
Ferrule, 5/16-18
Hex Flange Nut, 5/8-18
Flange Lock Nut, 3/8-16
Flange Lock Nut, 5/16-18
Hex Nut, 1/4-20
Hex Lock Nut, 5/16-18
Hex Flange Lock Nut, 1/4-20
Internal Cotter Pin, .072 x 1.12
Cotter Pin, 3/32 x 1.0
Deck Adjustment Gear
Screw, 1/4-20 x 1.5
Push Nut..25 x .5
Side Discharge Chute Assembly
Belt Cover
Compression Spring, .406 x .531 x 1.75
Compression Spring, .50 x 4.35
Deck Wheel, 5 x 1.38
Bell Washer, .401 x .87 x .063
Lock Washer, 5/16
Bell Washer, .265 x .75 x .062
Flat Washer, .344 x .688 x .065
Flat Washer, .320 x 3.0 x. 125
Shoulder Screw, .498 x 1.53
Three-in-one Blade, Star Center, 21.23"
Bracket Cable, 5.35"
Deck Release Pin
Deck Brake Rod
Shoulder Spacer
RH Belt Guard Bracket
LH Belt Guard Bracket
Mulch Plug, 42-inch Decks
(if so equipped)
Cutting Decks
REF.
NO.
44
45
46
47
48
49
5O
51
52
53
54
55
56
57
58
59
60
61
62
63
64
65
66
67
68
69
70
71
72
73
74
75
76
77
78
79
8O
81
82
PART
NO.
712-3087
712-3006
710-0597
736-0173
17258A
17928
618-0240
618-0241
683-0265C
710-0167
710-0347
710-0501
710-0514
710-0599
710-0650
710-0703
710-0805
711-0993
712-0271
732-0429A
732-0594A
738-0347
738-0572
742-0611
742-0612
746-1107
750-0807
754-0349
756-0627
783-0139
783-0141
783-0142
783-0747
731-1636
712-0291
17116
783-0805A
753-0872
753-0871
DESCRIPTION
Wing Nut, 1/4-20 (if so equipped)
Hex Nut, 1/4-20 (if so equipped)
Hex Cap Screw, 1/4-20 x 1.0
(if so equipped)
Flat Washer, .28 x .74 x .063
RH Belt Cover Bracket
Reinforcement Spindle Plate
Spindle Assembly, 5.0 Dia.
Double Pulley Spindle Assembly
46-inch Deck Shell
Carriage Screw, 1/4-20 x .50
Hex Cap Screw, 3/8-16 x 1.75
Hex Cap Screw, 1/4-20 x 2.0
Hex Cap Screw, 3/8-16 x 1.0
Self-tapping Screw, I/4-20 x .5
Self-tapping Screw, 15/16-18 x .875
Hex Screw, 1/4-20 x .75
Hex Cap Screw, 5/16-18 x 1.5
Belt Keeper Pin
Hex Sems Nut, 1/4-20
Extension Spring, .5 x 3.97
Extension Spring, .91 x 7.33
Shoulder Spacer, .625 x 1.16
Shoulder Screw, .374 x 1.16
Three-in-one Blade, Star Center, 16.28"
Three-in-one Blade, Star Center, 14.88"
Bracket Cable, 12"
Spacer, .385 x .625 x .70
Deck Belt
Flat Idler Pulley, 3.50D
Idler Bracket
Center Deck Skirt
RH Deck Skirt
LH Belt Cover
Mulch Plug, 46-inch Decks
(if so equipped)
Hex Lock Nut, 1/4-20 (if so equipped)
Deck Brake Assembly, 46-inch Decks
RH Belt Cover
46-ioch Deck Assembly Complete
Manual PTO activated, w/o mulch kit)
42-ioch Deck Assembly Complete
Manual PTO activated, w/o mulch kit)
41

Models 607, 608 & 609
O
Briggs & Stratton
OHV V-Twin
_......_ 34
-/4 (forthrottle)
18
20_
(deflector must
face forward)
Briggs & Stratton
OHV Single
18
20_
42
(deflector must
face forward)

Engine Accessories
Briggs & Stratton
Opposed Twin O19
41
RED PART
NO. NO.
1 710-0148
2 710-0599
3 710-0604A
4 710-1237
5 710-1314
6 710-1315
7 712-3017
8 721-0460
9 726-0205
10 736-0119
11 736-0300
12 751B221535
13 751-0535
14 751-0564
15 751-0616
16 751-0650
17 751-0651
18 751-3140
19 751-3141
20 751-3142
21 783-0615
22 783-0625B
DESCRIPTION
Self-tapping Screw, #8-32 x .375
Self-tapping Screw, 1/4-20 x .5
Self-tapping Screw, 5/16-18 x .625
Screw, #10-32 x .625
Socket Cap Screw, 5/16-18 x .625
Self-tapping Screw, 3/8-16 x 1.25
Hex Nut, 3/8-16
Exhaust Gasket (OHV V-Twin)
Hose Clamp
Lock Washer, 5/16
Lock Washer, .406 x .875 x .059
Casing Clamp
Fuel Line Hose
Muffler Deflector
Muffler, Twin Inlet
RH Exhaust Pipe (OHV V-Twin)
LH Exhaust Pipe (OHV V-Twin)
Oil Drain Valve
Oil Drain Hose
Oil Drain Cap
Muffler Heat Shield
Engine Heat Shield
REF. PART
NO. NO.
23 710-3206A
24 712-3086
25 725-0157
26 736-0607
27 751-0617
28 712-0271
29 721-0208
30 732-0966
31 751B213146
32 751-0619
33 746-1084
34 746-1086
35 722-0263
36 783-0357A
37 710-0751
38 736-0329
39 721-0346
40 751-0623
41 751-0624
42 712-0779A
43 726-0272
face forward)
1
DESCRIPTION
Hex Cap Screw, M8-1.25 x 25
Flange Nut, M8-1.25
Cable Tie
External Lock Washer, 5/16
Muffler, Single Inlet
Hex Sems Nut, 1/4-20 (for starter cable)
Exhaust Gasket (OHV Single)
Extension Spring, .275 x 1.25
Casing Clamp
Exhaust Pipe (OHV Single)
Throttle/Choke Cable (OHV Single)
Throttle Cable
(OHV V-Twin & Opposed Twin)
Foam, .625 x 1.5 x 10 (fits over fuel line)
Heat Shield (Opposed Twin)
Hex Cap Screw, 1/4-20 x .620 (Grade 5)
Lock Washer, 1/4
Exhaust Gasket (Opposed Twin)
LH Exhaust Pipe (Opposed Twin)
RH Exhaust Pipe (Opposed Twin)
Screw, #10-16 x .5
Clamp, 9/16
43

MANUFACTURER'S LIMITED WARRANTY FOR:
YARD
The limited warranty set forth below is given by MTD
PRODUCTS INC ("MTD") with respect to new merchandise
purchased and used in the United States, its possessions
and territories.
MTD warrants this product against defects in material and
workmanship for a period of two (2) years commencing on
the date of original purchase and will, at its option, repair or
replace, free of charge, any part found to be defective in
material or workmanship. This limited warranty shall only
apply if this product has been operated and maintained in
accordance with the Operator's Manual furnished with the
product, and has not been subject to misuse, abuse, com-
mercial use, neglect, accident, improper maintenance,
alteration, vandalism, theft, fire, water or damage because
of other peril or natural disaster. Damage resulting from the
installation or use of any accessory or attachment not
approved by MTD Products Inc. for use with the product(s)
covered by this manual will void your warranty as to any
resulting damages.
Normal wear parts or components thereof are subject to
separate terms as follows: All normal wear part or compo-
nent failures will be covered on the product for a period of
90 days regardless of cause. After 90 days, but within the
two year period, normal wear part failures will be covered
ONLY IF caused by defects in material or workmanship of
OTHER component parts. Normal wear parts and compo-
nents include, but are not limited to, belts, blades, blade
adapters, grass bags, rider deck wheels, seats, snow
thrower skid shoes, shave plates and tires. Batteries are
covered by a 90-day limited replacement warranty.
HOW TO OBTAIN SERVICE: Warranty service is available,
WITH PROOF OF PURCHASE THROUGH YOUR LOCAL
AUTHORIZED SERVICE DEALER. To locate the dealer in
your area, please check for a listing in the Yellow Pages or
contact the Customer Service Department of MTD PROD-
UCTS INC by calling 1-800-800-7310 or writing to P.O. Box
368022, Cleveland, Ohio 44136-9722.
This limited warranty does not provide coverage in the
following cases:
a. The engine or component parts thereof. These items
carry a separate manufacturer's warranty. Please refer
to the applicable manufacturer's warranty on these
items.
b. Log splitter pumps, valves and cylinders have a sepa-
rate one year warranty.
c. Routine maintenance items such as lubricants, filters,
blade sharpening and tune-ups, or adjustments such
as brake adjustments, clutch adjustments or deck
adjustments; and normal deterioration of the exterior
finish due to use or exposure.
d. MTD does not extend any warranty for products sold
or exported outside of the United States of America,
its possessions and territories, except those sold
through MTD's authorized channels of export distribu-
tion.
NO implied warranty, including any implied warranty of
merchantability or fitness for a particular purpose,
applies after the applicable period of express written
warranty above as to the parts as identified. No other
express warranty or guaranty, whether written or oral,
except as mentioned above, given by any person or
entity, including a dealer or retailer, with respect to any
product shall bind MTD. During the period of the War-
ranty, the exclusive remedy is repair or replacement of
the product as set forth above. (Some states do not
allow limitations on how long an implied warranty lasts, so
the above limitation may not apply to you.)
The provisions as set forth in this Warranty provide the
sole and exclusive remedy arising from the sales. MTD
shall not be liable for incidental or consequential loss
or damages including, without limitation, expenses
incurred for substitute or replacement lawn care ser-
vices, for transportation or for related expenses, or for
rental expenses to temporarily replace a warranted
product. (Some states do not allow the exclusion or limita-
tion of incidental or consequential damages, so the above
exclusion or limitation may not apply to you.)
In no event shall recovery of any kind be greater than the
amount of the purchase price of the product sold. Alteration
of the safety features of the product shall void this War-
ranty. You assume the risk and liability for loss, damage, or
injury to you and your property and/or to others and their
property arising out of the use or misuse or inability to use
the product.
This limited warranty shall not extend to anyone other than
the original purchaser, original lessee or the person for
whom it was purchased as a gift.
How State Law Relates to this Warranty: This limited
warranty gives you specific legal rights, and you may also
have other rights which vary from state to state.