Mackie 1604 Vlz Pro Users Manual 16 Channel Mic/Line Mixer Owner's
Mackie 1604-VLZ Pro Owner's Manual 1604vlzpro_om Mackie - 1604-VLZ Pro - Owner's Manual
1604-VLZ Mackie1604VLZ-ProMan
1604-VLZ PRO to the manual 8fb6e573-4ce9-47ad-bcde-750ab8decd39
Mackie 1604-VLZ Pro Owner's Manual 1604vlzpro_om Mackie - 1604-VLZ Pro - Owner's Manual
2015-02-02
: Mackie Mackie-1604-Vlz-Pro-Users-Manual-436516 mackie-1604-vlz-pro-users-manual-436516 mackie pdf
Open the PDF directly: View PDF
.
Page Count: 40
- Contents
- Safety Information
- Level-Setting Procedure
- Instant Mixing
- Introduction
- Hookup Diagrams
- Converting To Rackmount Mode
- Patchbay Description
- E-Z Interface
- Mic/Line Inputs On Every Channel
- Mic Inputs
- Phantom Power
- Line Inputs
- Trim
- Insert
- Direct Out
- Split Monitoring
- Aux Send Outputs
- Effects: Serial or Parallel?
- Aux Return Inputs
- Sub Outs
- C-R Outs (Control Room Outputs)
- Phones Output
- Tape Output
- Tape Input
- Main Insert
- Main Outs
- Mono Output
- Mono Level
- Power Connection
- Fuse
- Power Switch
- Power LED
- Phantom Switch
- Phantom LED
- BNC Lamp Socket
- Channel Strip Description
- Output Section Description
- Main Mix Fader
- VLZ Mix Architecture
- Subgroup Faders
- Assign To Main Mix
- Tape In (Level)
- Tape To Main Mix
- Source
- Ctl Room/Phones
- Mode
- Level Set LED
- Solo (Level)
- Rude Solo Light
- Meters
- Aux Talk
- Aux Send (Master)
- Aux Sends Solo
- Aux Returns (Level)
- Effects To Monitor
- Main Mix To Subs (Aux Ret 3)
- 1-2/3-4 (Aux Ret 3)
- C-R/Phns Only (Aux Ret 4)
- Returns Solo
- Modifications
- 1604-VLZ PRO Block Diagram
- Gain Structure Diagram
- Specifications
- Service Info
- Appendix A: Connections
- Track Sheet
- Colophon
- 1604-VLZ PRO Limited Warranty

1604-VLZ PRO
16-CHANNEL
MIC
/
LINE MIXER
OWNER’S MANUAL
16151413121110987654321
PAN
AUX
3
1
2
1
2
1
2
1
2
1
2
1
2
1
2
1
2
1
2
1
2
1
2
1
2
1
2
1
2
1
2
1
2
EQ
5
46
5/6
SHIFT
PRE PRE PRE PRE PRE PRE PRE PRE PRE PRE PRE PRE PRE PRE PRE PRE
TRIM
12 34 5 6 7 8 9 10 11 12 13 14 15 16
SOLO
L - R
3–4
1–2
SOLO
L - R
3–4
1–2
SOLO
L - R
3–4
1–2
SOLO
L - R
3–4
1–2
SOLO
L - R
3–4
1–2
SOLO
L - R
3–4
1–2
SOLO
L - R
3–4
1–2
SOLO
L - R
3–4
1–2
SOLO
L - R
3–4
1–2
SOLO
L - R
3–4
1–2
SOLO
L - R
3–4
1–2
SOLO
L - R
3–4
1–2
SOLO
L - R
3–4
1–2
SOLO
L - R
3–4
1–2
SOLO
L - R
3–4
1–2
SOLO
L - R
3–4
1–2
OL
-20
OL
-20
OL
-20
OL
-20
OL
-20
OL
-20
OL
-20
OL
-20
OL
-20
OL
-20
OL
-20
OL
-20
OL
-20
OL
-20
OL
-20
OL
-20
PAN
AUX
3
EQ
5
46
5/6
SHIFT
PAN
AUX
3
EQ
5
46
5/6
SHIFT
PAN
AUX
3
EQ
5
46
5/6
SHIFT
PAN
AUX
3
EQ
5
46
5/6
SHIFT
PAN
AUX
3
EQ
5
46
5/6
SHIFT
PAN
AUX
3
EQ
5
46
5/6
SHIFT
PAN
AUX
3
EQ
5
46
5/6
SHIFT
PAN
AUX
3
EQ
5
46
5/6
SHIFT
PAN
AUX
3
EQ
5
46
5/6
SHIFT
PAN
AUX
3
EQ
5
46
5/6
SHIFT
PAN
AUX
3
EQ EQ
5
46
5/6
SHIFT
PAN
AUX
35
46
5/6
SHIFT
PAN
AUX
3
EQ
5
46
5/6
SHIFT
PAN
AUX
3
EQ
5
46
5/6
SHIFT
PAN
AUX
3
EQ
5
46
5/6
SHIFT
TRIM TRIM TRIM TRIM TRIM TRIM TRIM TRIM TRIM TRIM TRIM TRIM TRIM TRIM TRIM
TRACK
8
TRACK
7
TRACK
6
TRACK
5
TRACK
4
TRACK
3
TRACK
2
TRACK
1
U
OO
+15
U
OO
+15
U
OO
+15
U
+15-15
U
+15-15
800
2k200
8k
U
+15-15
12k
HI
MID
80Hz
LOW CUT
75 Hz
18dB/OCT
LOW
100
+15-15
800
2k200
8k100
+15-15
800
2k200
8k100
+15-15
800
2k200
8k100
+15-15
800
2k200
8k100
+15-15
800
2k200
8k100
+15-15
800
2k200
8k100
+15-15
800
2k200
8k100
+15-15
800
2k200
8k100
+15-15
800
2k200
8k
100
+15-15
800
2k200
8k100
+15-15
800
2k200
8k
100
+15-15
800
2k200
8k
100
+15-15
800
2k200
8k
100
+15-15
800
2k200
8k
100
+15-15
800
2k200
8k100
U
OO
+15
U
OO
+15
U
OO
+15
U
OO
+15
U
OO
+15
U
OO
+15
U
OO
+15
U
OO
+15
U
OO
+15
U
OO
+15
U
OO
+15
U
OO
+15
U
OO
+15
U
OO
+15
U
OO
+15
U
OO
+15
U
OO
+15
U
OO
+15
U
OO
+15
U
OO
+15
U
OO
+15
U
OO
+15
U
OO
+15
U
OO
+15
U
OO
+15
U
OO
+15
U
OO
+15
U
OO
+15
U
OO
+15
U
OO
+15
U
OO
+15
1
MUTE
U
OO
+15
U
+15-15
U
U
+15-15
12k
HI
MID
80Hz
LOW CUT
75 Hz
18dB/OCT
LOW
U
OO
+15
2
MUTE
U
OO
+15
U
+15-15
U
U
+15-15
12k
HI
MID
80Hz
LOW CUT
75 Hz
18dB/OCT
LOW
U
OO
+15
3
MUTE
U
OO
+15
U
+15-15
U
U
+15-15
12k
HI
MID
80Hz
LOW CUT
75 Hz
18dB/OCT
LOW
U
OO
+15
4
MUTE
U
OO
+15
U
+15-15
U
U
+15-15
12k
HI
MID
80Hz
LOW CUT
75 Hz
18dB/OCT
LOW
U
OO
+15
5
MUTE
U
OO
+15
U
+15-15
U
U
+15-15
12k
HI
MID
80Hz
LOW CUT
75 Hz
18dB/OCT
LOW
U
OO
+15
6
MUTE
U
OO
+15
U
+15-15
U
U
+15-15
12k
HI
MID
80Hz
LOW CUT
75 Hz
18dB/OCT
LOW
U
OO
+15
7
MUTE
U
OO
+15
U
+15-15
U
U
+15-15
12k
HI
MID
80Hz
LOW CUT
75 Hz
18dB/OCT
LOW
U
OO
+15
8
MUTE
U
OO
+15
U
+15-15
U
U
+15-15
12k
HI
MID
80Hz
LOW CUT
75 Hz
18dB/OCT
LOW
U
OO
+15
9
MUTE
U
OO
+15
U
+15-15
U
U
+15-15
12k
HI
MID
80Hz
LOW CUT
75 Hz
18dB/OCT
LOW
U
OO
+15
10
MUTE
U
OO
+15
U
+15-15
U
U
+15-15
12k
HI
MID
80Hz
LOW CUT
75 Hz
18dB/OCT
LOW
U
OO
+15
11
MUTE
U
OO
+15
U
+15-15
U
U
+15-15
12k
HI
MID
80Hz
LOW CUT
75 Hz
18dB/OCT
LOW
U
OO
+15
12
MUTE
U
OO
+15
U
+15-15
U
U
+15-15
12k
HI
MID MID MID MID
80Hz
LOW CUT
75 Hz
18dB/OCT
LOW
U
OO
+15
13
MUTE
U
OO
+15
U
+15-15
U
U
+15-15
12k
HI
80Hz
LOW CUT
75 Hz
18dB/OCT
LOW
U
OO
+15
14
MUTE
U
OO
+15
U
+15-15
U
U
+15-15
12k
HI
80Hz
LOW CUT
75 Hz
18dB/OCT
LOW
U
OO
+15
15
MUTE
U
OO
+15
U
+15-15
U
U
+15-15
12k
HI
80Hz
LOW CUT
75 Hz
18dB/OCT
LOW
U
OO
+15
16
MUTE
M
I
C
G
A
I
N
060
+15dB -45dB
-
1
0
d
B
V
M
I
C
G
A
I
N
060
+15dB -45dB
-
1
0
d
B
V
M
I
C
G
A
I
N
060
+15dB -45dB
-
1
0
d
B
V
M
I
C
G
A
I
N
060
+15dB -45dB
-
1
0
d
B
V
M
I
C
G
A
I
N
060
+15dB -45dB
-
1
0
d
B
V
M
I
C
G
A
I
N
060
+15dB -45dB
-
1
0
d
B
V
M
I
C
G
A
I
N
060
+15dB -45dB
-
1
0
d
B
V
M
I
C
G
A
I
N
060
+15dB -45dB
-
1
0
d
B
V
M
I
C
G
A
I
N
060
+15dB -45dB
-
1
0
d
B
V
M
I
C
G
A
I
N
060
+15dB -45dB
-
1
0
d
B
V
M
I
C
G
A
I
N
060
+15dB -45dB
-
1
0
d
B
V
M
I
C
G
A
I
N
060
+15dB -45dB
-
1
0
d
B
V
M
I
C
G
A
I
N
060
+15dB -45dB
-
1
0
d
B
V
M
I
C
G
A
I
N
060
+15dB -45dB
-
1
0
d
B
V
M
I
C
G
A
I
N
060
+15dB -45dB
-
1
0
d
B
V
M
I
C
G
A
I
N
060
+15dB -45dB
-
1
0
d
B
V
UUUU
UUUUUUUUUUUU
LR LR LR LR LR LR LR LR LR LR LR LR LR LR LR LR
OOOOOOOOOOOOOOOOOOOOOOOOOOOOOOOO
AUX
SEND
STEREO AUX RETURN
EFFECTS TO
MONITORS
TO AUX
SEND 2
TO AUX
SEND 1
1
2
PWR
PHAN
SOLO
SOLO
1
2
1
2
3
4
1
2
C-R / PHNS
ONLY
RETURNS
SOLO
MAIN MIX
TO SUBS
ASSIGN OPTIONS
1–2
3–4
U
OO
+20
U
OO
+20
U
OO
+15
U
OO
+15
U
OO
+20
U
OO
+20
U
OO
+10
U
OO
+10
LEFT RIGHT
PHONES
LAMP
12V
0.5A
TAPE IN
SOLO
RUDE
SOLO
LIGHT
CTL ROOM / PHONES
SUBS 3–4
SUBS 1–2
MAIN MIX
CTL ROOM
SOURCE
TAPE TAPE TO
MAIN MIX
MAIN
MIX
RIGHT
1234
LEFT
RIGHT
LEFT
RIGHT
LEFT
RIGHT
LEFT
28
10
7
4
2
2
0
4
7
10
20
30
ASSIGN TO MAIN MIX
LEVEL
SET
MODE
(AFL)
LEVEL SET
NORMAL
(PFL)
U
OO
+20
OO
OO
MAX
0 dB=0 dBu
MAX
dB
30
20
10
OO
40
50
5
5
U
60
10
dB
30
20
10
OO
40
50
5
5
U
60
10
1604-V LZ PRO
16- CHANNEL MIC /L INE MIXER
WITH PREMIUM XDR
TM
MIC PREAMPLIFIERS
1604 -VLZ PRO
16- CHANNEL MIC /LINE MI XER
WITH PREMIUM XDR
TM
MIC PREAMPLIFIERS
UTILISE UN FUSIBLE DE RECHANGE DE MÊME TYPE. DEBRANCHER AVANT DE REMPLACER LE FUSIBLE
4321
INSERT INSERT INSERT
LINE
INSERT
MIC 4 MIC 3 MIC 2 MIC 1
BAL
UN-
BAL
BAL
UN-
BAL
BAL
UN-
BAL
BAL
UN-
BAL
LINE
LINE
LINE
OO
+6
PHANTOM
ON
POWER
ON
120 VAC 50/60 Hz 20W
1A/250V SLO-BLO
16 15 14 13 12 11 10 98765
MIC 16
INSERT INSERT INSERT INSERT INSERT INSERT INSERT INSERT INSERT INSERT INSERT INSERT
MIC 15 MIC 14 MIC 13 MIC 12 MIC 11 MIC 10 MIC 9 MIC 8 MIC 7 MIC 6 MIC 5
SUB OUT
C-R OUT
MAIN INSERT
(TIP SEND
RING RETURN)
TAPE TAPE
MAIN OUT AUX SEND DIRECT OUT
AUX RETURN
3
R
L
MONO
RRR
R
L
R
L
R
L
R
L
LLL
1
42
5
1
234 31
642
753
864
1
2
BAL/UNBAL
BAL/UNBAL BAL/UNBAL
BAL/UNBAL
BAL/UNBAL BAL/UNBAL
INPUT OUTPUT
R
L
(MONO)
(MONO)
(MONO)
BAL
UN-
BAL
BAL
UN-
BAL
BAL
UN-
BAL
BAL
UN-
BAL
BAL
UN-
BAL
BAL
UN-
BAL
BAL
UN-
BAL
BAL
UN-
BAL
BAL
UN-
BAL
BAL
UN-
BAL
BAL
UN-
BAL
BAL
UN-
BAL
LINE
LINE
LINE
LINELINE
LINE
LINE
LINE
LINE
LINE
LINE
LINE
TO REDUCE THE RISK OF
FIRE REPLACE WITH SAME
TYPE FUSE AND RATING
CAUTION:
UTILISE UN FUSIBLE DE RECHANGE DE MÊME TYPE. DEBRANCHER AVANT DE REMPLACER LE FUSIBLE
DESIGNED BY MACKOIDS IN WOODINVILLE, WA, USA • COPYRIGHT ©1998 • THE FOLLOWING ARE TRADEMARKS OR REGISTERED TRADEMARKS OF MACKIE DESIGN INC.: "MACKIE", "VLZ", "XDR", AND THE "RUNNING MAN" FIGURE • US PATENT NUMBER 29/049,129
XDRTM EXTENDED DYNAMIC RANGE MIC PREAMPLIFIERS ARE PROPRIETARY TO MACKIE DESIGNS, INC.
X
D
R
M
I
C
P
R
E
X
D
R
M
I
C
P
R
E
X
D
R
M
I
C
P
R
E
X
D
R
M
I
C
P
R
E
X
D
R
M
I
C
P
R
E
X
D
R
M
I
C
P
R
E
X
D
R
M
I
C
P
R
E
X
D
R
M
I
C
P
R
E
X
D
R
M
I
C
P
R
E
X
D
R
M
I
C
P
R
E
X
D
R
M
I
C
P
R
E
X
D
R
M
I
C
P
R
E
X
D
R
M
I
C
P
R
E
X
D
R
M
I
C
P
R
E
X
D
R
M
I
C
P
R
E
X
D
R
M
I
C
P
R
E

2
CAUTION AVIS
RISK OF ELECTRIC
SHOCK
DO NOT OPEN
RISQUE DE
CHOC
ELECTRIQUE
NE PAS OUVRIR
CAUTION: TO REDUCE THE RISK OF ELECTRIC SHOCK
DO NOT REMOVE COVER (OR BACK)
NO USER-SERVICEABLE PARTS INSIDE
REFER SERVICING TO QUALIFIED PERSONNEL
ATTENTION: POUR EVITER LES RISQUES DE CHOC
ELECTRIQUE, NE PAS ENLEVER LE COUVERCLE. AUCUN
ENTRETIEN DE PIECES INTERIEURES PAR L'USAGER. CONFIER
L'ENTRETIEN AU PERSONNEL QUALIFIE.
AVIS: POUR EVITER LES RISQUES D'INCENDIE OU
D'ELECTROCUTION, N'EXPOSEZ PAS CET ARTICLE
A LA PLUIE OU A L'HUMIDITE
The lightning flash with arrowhead symbol within an equilateral
triangle is intended to alert the user to the presence of uninsulated
"dangerous voltage" within the product's enclosure, that may be
of sufficient magnitude to constitute a risk of electric shock to persons.
Le symbole éclair avec point de flèche à l'intérieur d'un triangle
équilatéral est utilisé pour alerter l'utilisateur de la présence à
l'intérieur du coffret de "voltage dangereux" non isolé d'ampleur
suffisante pour constituer un risque d'éléctrocution.
The exclamation point within an equilateral triangle is intended to
alert the user of the presence of important operating and maintenance
(servicing) instructions in the literature accompanying the appliance.
Le point d'exclamation à l'intérieur d'un triangle équilatéral est
employé pour alerter les utilisateurs de la présence d'instructions
importantes pour le fonctionnement et l'entretien (service) dans le
livret d'instruction accompagnant l'appareil.
Duration Per Day Sound Level dBA, Typical
In Hours Slow Response Example
8 90 Duo in small club
692
4 95 Subway Train
397
2 100 Very loud classical music
1.5 102
1 105 Tami screaming at Adrian about deadlines
0.5 110
0.25 or less 115 Loudest parts at a rock concert
WARNING — To reduce the risk of fire or electric shock,
do not expose this appliance to rain or moisture.
12. Damage Requiring Service — This Mackie product should be serviced
only by qualified service personnel when:
A. The power-supply cord or the plug has been damaged; or
B. Objects have fallen, or liquid has spilled into this Mackie
product; or
C. This Mackie product has been exposed to rain; or
D. This Mackie product does not appear to operate normally or
exhibits a marked change in performance; or
E. This Mackie product has been dropped, or its chassis damaged.
13. Servicing — The user should not attempt to service this Mackie product
beyond those means described in this operating manual. All other servicing
should be referred to the Mackie Service Department.
14. To prevent electric shock, do not use this polarized plug with an
extension cord, receptacle or other outlet unless the blades can be fully
inserted to prevent blade exposure.
Pour prévenir les chocs électriques ne pas utiliser cette fiche polariseé avec un
prolongateur, un prise de courant ou une autre sortie de courant, sauf si les
lames peuvent être insérées à fond sans laisser aucune pariie à découvert.
15. Grounding or Polarization — Precautions should be taken so that the
grounding or polarization means of this Mackie product is not defeated.
16. Power Precautions — Unplug this Mackie product during lightning storms
or when unused for long periods of time. Note that this Mackie product is not
completely disconnected from the AC mains service when the power switch is
in the OFF position.
17. This apparatus does not exceed the Class A/Class B (whichever is
applicable) limits for radio noise emissions from digital apparatus as set out in the
radio interference regulations of the Canadian Department of Communications.
ATTENTION —Le présent appareil numérique n’émet pas de bruits
radioélectriques dépassant las limites applicables aux appareils numériques de
class A/de class B (selon le cas) prescrites dans le règlement sur le brouillage
radioélectrique édicté par les ministere des communications du Canada.
18.
Exposure to extremely high noise levels may cause permanent hearing
loss. Individuals vary considerably in susceptibility to noise-induced hearing loss,
but nearly everyone will lose some hearing if exposed to sufficiently intense
noise for a period of time. The U.S. Government’s Occupational Safety and
Health Administration (OSHA) has specified the permissible noise level exposures
shown in the following chart.
According to OSHA, any exposure in excess of these permissible limits could
result in some hearing loss. To ensure against potentially dangerous exposure to
high sound pressure levels, it is recommended that all persons exposed to equip-
ment capable of producing high sound pressure levels use hearing protectors
while the equipment is in operation. Ear plugs or protectors in the ear canals or
over the ears must be worn when operating the equipment in order to prevent
a permanent hearing loss if exposure is in excess of the limits set forth here.
SAFETY INSTRUCTIONS
1. Read Instructions — All the safety and operation instructions should be
read before this Mackie product is operated.
2. Retain Instructions — The safety and operating instructions should be kept
for future reference.
3. Heed Warnings — All warnings on this Mackie product and in these operating
instructions should be followed.
4. Follow Instructions — All operating and other instructions should be
followed.
5. Water and Moisture — This Mackie product should not be used near water
– for example, near a bathtub, washbowl, kitchen sink, laundry tub, in a wet
basement, near a swimming pool, swamp or salivating St. Bernard dog, etc.
6. Cleaning — Clean only with a dry cloth.
7. Ventilation — This Mackie product should be situated so that its
location or position does not interfere with its proper ventilation. For
example, the Component should not be situated on a bed, sofa, rug, or
similar surface that may block any ventilation openings, or placed in a
built-in installation such as a bookcase or cabinet that may impede the
flow of air through ventilation openings.
8. Heat — This Mackie product should be situated away from heat sources
such as radiators, or other devices which produce heat.
9. Power Sources — This Mackie product should be connected to a power
supply only of the type described in these operation instructions or as marked
on this Mackie product.
10. Power Cord Protection — Power supply cords should be routed so that
they are not likely to be walked upon or pinched by items placed upon or
against them, paying particular attention to cords at plugs, convenience
receptacles, and the point where they exit this Mackie product.
11. Object and Liquid Entry — Care should be taken so that objects do not
fall on, and liquids are not spilled into, this Mackie product.

3
Part No. 0006982-90 Rev. A1 06/03
©2003 Mackie Designs Inc. All Rights Reserved.
We realize that you must have a powerful
hankerin’ to try out your new 1604-VLZ
PRO. Or
you might be one of those people who never
reads manuals. Either way, all we ask is that
you read this page NOW, and the rest can wait
until you’re good and ready. But do read it —
you’ll be glad you did.
Other Nuggets of Wisdom
For optimum sonic performance, the channel
faders and the
MAIN MIX
fader should be set near
the “
U
” (unity gain) markings.
Always turn the
MAIN MIX
fader and
CTL
ROOM/PHONES
knob down before making con-
nections to and from your 1604-VLZ
PRO.
If you shut down your equipment, turn off your
amplifiers first. When powering up, turn on your
amplifiers last.
Save the shipping box! You may need it
someday, and you don’t want to have to pay for
another one.
INSTANT MIXING
Here’s how to get going
right away, assuming you own a
microphone and a keyboard:
1. Plug your microphone into Channel 1’s
MIC
input.
2. Turn on the 1604-VLZ
PRO.
3. Perform the Level-Setting Procedure .
4. Connect cords from the
MAIN OUT
jacks to
your amplifier.
5. Hook up speakers to the amp and turn it on.
6. Set channel 1’s fader to the “ U” mark.
7. Engage (push in) Channel 1’s
L-R
switch.
8. Set the
MAIN MIX
fader one-quarter of the
way up.
9. Sing like a canary!
10. Plug your keyboard into channels 3 and 4.
11. Turn channel 3’s
PAN
knob fully left and
channel 4’s
PAN
knob fully right.
12. Set those faders to the “ U” mark.
13.
Perform the Level-Setting Procedure .
14.
Engage the
L-R
switch on these channels.
15. Play like a madman and sing like a canary!
It’s your first mix!
READ THIS PAGE!!!
Please write your serial number here for
future reference (i.e. insurance claims,
tech support, return authorization, etc.):
LEVEL-SETTING PROCEDURE
Message to seasoned pros: do NOT set levels
using the old “Turn the trim up until the clip
light comes on, then back off a hair” trick. When a
Mackie Designs mixer clip light comes on, you
really are about to clip.
This procedure really works — it assures
low noise and high headroom. Please read on.
It’s not even necessary to hear what you’re do-
ing to set optimal levels. But if you’d like to: Plug
headphones into the
PHONES
output jack,
then set the
C-R PHONES
knob about one-
quarter of the way up.
The following steps must be performed one
channel at a time:
1. Turn the
TRIM
,
AUX
send and fader
controls fully down.
2. Be sure the
1–2
,
3–4
and
L–R
channel
assignment switches are all disengaged.
3. Set the
EQ
knobs at the center detents.
4. Connect the signal source to the
MIC
or
LINE
channel input.
5. Engage (push in) the channel’s
SOLO
switch.
6. Push in the
MODE
switch in the output
section (
LEVEL SET (PFL)
mode) — the
LEVEL SET
LED will light.
7. Play something into the selected input, at
real-world levels.
8. Adjust the
TRIM
control so that the
display on the meter stays around “0.”
(Only the left meter is active in the
Level-Setting Procedure.)
9. If you’d like to apply some
EQ
, do so
now and return to the previous step.
10. Disengage that channel’s
SOLO
switch.
11 . Repeat for each of channels 1–16.
Purchased at:
Date of purchase:

4
PAN
AUX
3
1
2
1
2
1
2
1
2
1
2
1
2
1
2
1
2
1
2
1
2
1
2
1
2
1
2
1
2
1
2
1
2
EQ
5
46
5/6
SHIFT
PRE PRE PRE PRE PRE PRE PRE PRE PRE PRE PRE PRE PRE PRE PRE PRE
TRIM
12 34 5 6 7 8 9 10 11 12 13 14 15 16
SOLO
L - R
3–4
1–2
SOLO
L - R
3–4
1–2
SOLO
L - R
3–4
1–2
SOLO
L - R
3–4
1–2
SOLO
L - R
3–4
1–2
SOLO
L - R
3–4
1–2
SOLO
L - R
3–4
1–2
SOLO
L - R
3–4
1–2
SOLO
L - R
3–4
1–2
SOLO
L - R
3–4
1–2
SOLO
L - R
3–4
1–2
SOLO
L - R
3–4
1–2
SOLO
L - R
3–4
1–2
SOLO
L - R
3–4
1–2
SOLO
L - R
3–4
1–2
SOLO
L - R
3–4
1–2
OL
-20
OL
-20
OL
-20
OL
-20
OL
-20
OL
-20
OL
-20
OL
-20
OL
-20
OL
-20
OL
-20
OL
-20
OL
-20
OL
-20
OL
-20
OL
-20
PAN
AUX
3
EQ
5
46
5/6
SHIFT
PAN
AUX
3
EQ
5
46
5/6
SHIFT
PAN
AUX
3
EQ
5
46
5/6
SHIFT
PAN
AUX
3
EQ
5
46
5/6
SHIFT
PAN
AUX
3
EQ
5
46
5/6
SHIFT
PAN
AUX
3
EQ
5
46
5/6
SHIFT
PAN
AUX
3
EQ
5
46
5/6
SHIFT
PAN
AUX
3
EQ
5
46
5/6
SHIFT
PAN
AUX
3
EQ
5
46
5/6
SHIFT
PAN
AUX
3
EQ
5
46
5/6
SHIFT
PAN
AUX
3
EQ EQ
5
46
5/6
SHIFT
PAN
AUX
35
46
5/6
SHIFT
PAN
AUX
3
EQ
5
46
5/6
SHIFT
PAN
AUX
3
EQ
5
46
5/6
SHIFT
PAN
AUX
3
EQ
5
46
5/6
SHIFT
TRIMTRIMTRIMTRIMTRIMTRIMTRIMTRIMTRIMTRIMTRIMTRIMTRIMTRIMTRIM
TRACK
8
TRACK
7
TRACK
6
TRACK
5
TRACK
4
TRACK
3
TRACK
2
TRACK
1
U
OO
+15
U
OO
+15
U
OO
+15
U
+15-15
U
+15-15
800
2k200
8k
U
+15-15
12k
HI
MID
80Hz
LOW CUT
75 Hz
18dB/OCT
LOW
100
+15-15
800
2k200
8k100
+15-15
800
2k200
8k100
+15-15
800
2k200
8k100
+15-15
800
2k200
8k100
+15-15
800
2k200
8k100
+15-15
800
2k200
8k100
+15-15
800
2k200
8k100
+15-15
800
2k200
8k100
+15-15
800
2k200
8k
100
+15-15
800
2k200
8k100
+15-15
800
2k200
8k
100
+15-15
800
2k200
8k
100
+15-15
800
2k200
8k
100
+15-15
800
2k200
8k
100
+15-15
800
2k200
8k100
U
OO
+15
U
OO
+15
U
OO
+15
U
OO
+15
U
OO
+15
U
OO
+15
U
OO
+15
U
OO
+15
U
OO
+15
U
OO
+15
U
OO
+15
U
OO
+15
U
OO
+15
U
OO
+15
U
OO
+15
U
OO
+15
U
OO
+15
U
OO
+15
U
OO
+15
U
OO
+15
U
OO
+15
U
OO
+15
U
OO
+15
U
OO
+15
U
OO
+15
U
OO
+15
U
OO
+15
U
OO
+15
U
OO
+15
U
OO
+15
U
OO
+15
1
MUTE
U
OO
+15
U
+15-15
U
U
+15-15
12k
HI
MID
80Hz
LOW CUT
75 Hz
18dB/OCT
LOW
U
OO
+15
2
MUTE
U
OO
+15
U
+15-15
U
U
+15-15
12k
HI
MID
80Hz
LOW CUT
75 Hz
18dB/OCT
LOW
U
OO
+15
3
MUTE
U
OO
+15
U
+15-15
U
U
+15-15
12k
HI
MID
80Hz
LOW CUT
75 Hz
18dB/OCT
LOW
U
OO
+15
4
MUTE
U
OO
+15
U
+15-15
U
U
+15-15
12k
HI
MID
80Hz
LOW CUT
75 Hz
18dB/OCT
LOW
U
OO
+15
5
MUTE
U
OO
+15
U
+15-15
U
U
+15-15
12k
HI
MID
80Hz
LOW CUT
75 Hz
18dB/OCT
LOW
U
OO
+15
6
MUTE
U
OO
+15
U
+15-15
U
U
+15-15
12k
HI
MID
80Hz
LOW CUT
75 Hz
18dB/OCT
LOW
U
OO
+15
7
MUTE
U
OO
+15
U
+15-15
U
U
+15-15
12k
HI
MID
80Hz
LOW CUT
75 Hz
18dB/OCT
LOW
U
OO
+15
8
MUTE
U
OO
+15
U
+15-15
U
U
+15-15
12k
HI
MID
80Hz
LOW CUT
75 Hz
18dB/OCT
LOW
U
OO
+15
9
MUTE
U
OO
+15
U
+15-15
U
U
+15-15
12k
HI
MID
80Hz
LOW CUT
75 Hz
18dB/OCT
LOW
U
OO
+15
10
MUTE
U
OO
+15
U
+15-15
U
U
+15-15
12k
HI
MID
80Hz
LOW CUT
75 Hz
18dB/OCT
LOW
U
OO
+15
11
MUTE
U
OO
+15
U
+15-15
U
U
+15-15
12k
HI
MID
80Hz
LOW CUT
75 Hz
18dB/OCT
LOW
U
OO
+15
12
MUTE
U
OO
+15
U
+15-15
U
U
+15-15
12k
HI
MID MID MID MID
80Hz
LOW CUT
75 Hz
18dB/OCT
LOW
U
OO
+15
13
MUTE
U
OO
+15
U
+15-15
U
U
+15-15
12k
HI
80Hz
LOW CUT
75 Hz
18dB/OCT
LOW
U
OO
+15
14
MUTE
U
OO
+15
U
+15-15
U
U
+15-15
12k
HI
80Hz
LOW CUT
75 Hz
18dB/OCT
LOW
U
OO
+15
15
MUTE
U
OO
+15
U
+15-15
U
U
+15-15
12k
HI
80Hz
LOW CUT
75 Hz
18dB/OCT
LOW
U
OO
+15
16
MUTE
M
I
C
G
A
I
N
060
+15dB -45dB
-
1
0
d
B
V
M
I
C
G
A
I
N
060
+15dB -45dB
-
1
0
d
B
V
M
I
C
G
A
I
N
060
+15dB -45dB
-
1
0
d
B
V
M
I
C
G
A
I
N
060
+15dB -45dB
-
1
0
d
B
V
M
I
C
G
A
I
N
060
+15dB -45dB
-
1
0
d
B
V
M
I
C
G
A
I
N
060
+15dB -45dB
-
1
0
d
B
V
M
I
C
G
A
I
N
060
+15dB -45dB
-
1
0
d
B
V
M
I
C
G
A
I
N
060
+15dB -45dB
-
1
0
d
B
V
M
I
C
G
A
I
N
060
+15dB -45dB
-
1
0
d
B
V
M
I
C
G
A
I
N
060
+15dB -45dB
-
1
0
d
B
V
M
I
C
G
A
I
N
060
+15dB -45dB
-
1
0
d
B
V
M
I
C
G
A
I
N
060
+15dB -45dB
-
1
0
d
B
V
M
I
C
G
A
I
N
060
+15dB -45dB
-
1
0
d
B
V
M
I
C
G
A
I
N
060
+15dB -45dB
-
1
0
d
B
V
M
I
C
G
A
I
N
060
+15dB -45dB
-
1
0
d
B
V
M
I
C
G
A
I
N
060
+15dB -45dB
-
1
0
d
B
V
LR LR LR LR LR LR LR LR LR LR LR LR LR LR LR LR
OOOOOOOOOOOOOOOOOOOOOOOOOOOOOOOO
AUX
SEND
STEREO AUX RETURN
EFFECTS TO
MONITORS
TO AUX
SEND 2
TO AUX
SEND 1
1
2
PWR
PHAN
SOLO
SOLO
1
2
1
2
3
4
1
2
C-R / PHNS
ONLY
RETURNS
SOLO
MAIN MIX
TO SUBS
ASSIGN OPTIONS
1–2
3–4
U
OO
+20
U
OO
+20
U
OO
+15
U
OO
+15
U
OO
+20
U
OO
+20
U
OO
+10
U
OO
+10
LEFT RIGHT
PHONES
LAMP
12V
0.5A
TAPE IN
SOLO
RUDE
SOLO
LIGHT
CTL ROOM / PHONES
SUBS 3–4
SUBS 1–2
MAIN MIX
CTL ROOM
SOURCE
TAPE TAPE TO
MAIN MIX
MAIN
MIX
RIGHT
1234
LEFT
RIGHT
LEFT
RIGHT
LEFT
RIGHT
LEFT
28
10
7
4
2
2
0
4
7
10
20
30
ASSIGN TO MAIN MIX
LEVEL
SET
MODE
(AFL)
LEVEL SET
NORMAL
(PFL)
U
OO
+20
OO
OO
MAX
0 dB=0 dBu
MAX
dB
30
20
10
OO
40
50
5
5
U
60
10
dB
30
20
10
OO
40
50
5
5
U
60
10
UTILISE UN FUSIBLE DE RECHANGE DE MÊME TYPE. DEBRANCHER AVANT DE REMPLACER LE FUSIBLE
UUUU
UUUUUUUUUUUU
4321
INSERT INSERT INSERT
LINE
INSERT
MIC 4 MIC 3 MIC 2 MIC 1
BAL
UN-
BAL
BAL
UN-
BAL
BAL
UN-
BAL
BAL
UN-
BAL
LINE
LINE
LINE
OO
+6
PHANTOM
ON
POWER
ON
120 VAC 50/60 Hz 20W
1A/250V SLO-BLO
16 15 14 13 12 11 10 98765
MIC 16
INSERT INSERT INSERT INSERT INSERT INSERT INSERT INSERT INSERT INSERT INSERT INSERT
MIC 15 MIC 14 MIC 13 MIC 12 MIC 11 MIC 10 MIC 9 MIC 8 MIC 7 MIC 6 MIC 5
SUB OUT
C-R OUT
MAIN INSERT
(TIP SEND
RING RETURN)
TAPE TAPE
MAIN OUT AUX SEND DIRECT OUT
AUX RETURN
3
R
L
MONO
RRR
R
L
R
L
R
L
R
L
LLL
1
42
5
1
234 31
642
753
864
1
2
BAL/UNBAL
BAL/UNBAL BAL/UNBAL
BAL/UNBAL
BAL/UNBAL BAL/UNBAL
INPUT OUTPUT
R
L
(MONO)
(MONO)
(MONO)
BAL
UN-
BAL
BAL
UN-
BAL
BAL
UN-
BAL
BAL
UN-
BAL
BAL
UN-
BAL
BAL
UN-
BAL
BAL
UN-
BAL
BAL
UN-
BAL
BAL
UN-
BAL
BAL
UN-
BAL
BAL
UN-
BAL
BAL
UN-
BAL
LINE
LINE
LINE
LINELINE
LINE
LINE
LINE
LINE
LINE
LINE
LINE
TO REDUCE THE RISK OF
FIRE REPLACE WITH SAME
TYPE FUSE AND RATING
CAUTION:
1604-VL Z PRO
16-CH ANNEL MIC/ LINE MIX ER
WITH PREMIUM XDR
TM
MIC PREAMPLIFIERS
DESIGNED BY MACKOIDS IN WOODINVILLE, WA, USA • COPYRIGHT ©1998 • THE FOLLOWING ARE TRADEMARKS OR REGISTERED TRADEMARKS OF MACKIE DESIGN INC.: "MACKIE", "VLZ", "XDR", AND THE "RUNNING MAN" FIGURE • US PATENT NUMBER 29/049,129
XDR
TM
EXTENDED DYNAMIC RANGE MIC PREAMPLIFIERS ARE PROPRIETARY TO MACKIE DESIGNS, INC.
X
D
R
M
I
C
P
R
E
X
D
R
M
I
C
P
R
E
X
D
R
M
I
C
P
R
E
X
D
R
M
I
C
P
R
E
X
D
R
M
I
C
P
R
E
X
D
R
M
I
C
P
R
E
X
D
R
M
I
C
P
R
E
X
D
R
M
I
C
P
R
E
X
D
R
M
I
C
P
R
E
X
D
R
M
I
C
P
R
E
X
D
R
M
I
C
P
R
E
X
D
R
M
I
C
P
R
E
X
D
R
M
I
C
P
R
E
X
D
R
M
I
C
P
R
E
X
D
R
M
I
C
P
R
E
X
D
R
M
I
C
P
R
E
Thank you for choosing a Mackie Designs pro-
fessional compact mixer. The 1604-VLZ PRO is
equipped with our new precision-engineered
XDR
TM
Extended Dynamic Range premium
studio-grade mic preamp featuring:
• Full gain range from 0 to 60dB
• +22 dBu line signal handling capability
• 130 dB dynamic range
• Distortion less than 0.0007%, 20Hz to 20kHz
• Bullet-proof RF rejection using DC pulse
transformer circuitry
Now that you have your 1604-VLZ PRO, find
out how to get the most from it. That’s where
this manual comes in.
HOW TO USE THIS MANUAL
Since many of you folks will want to hook up
your 1604-VLZ
PRO immediately, the first pages
you will encounter after the table of contents are
the ever popular hookup diagrams. These show
typical mixer setups for Record/Mixdown, Video,
Disc Jockey and Stereo PA. After this section is a
detailed tour of the entire mixer.
Every feature of the 1604-VLZ
PRO will be
described “geographically;” in other words, in
order of where it is physically placed on the
mixer’s top or rear panel. These descriptions are
divided into the first three manual chapters, just
as your mixer is organized into three distinct
zones:
1. PATCHBAY: The zillion jacks on the back
of the “pod.”
2. CHANNEL STRIP: The sixteen channel
strips on the left.
3. OUTPUT SECTION: The output section on
the right.
Whenever a specific 1604-VLZ
PRO compo-
nent is mentioned, it’ll be in all capital letters
sans-serif type. That can help you find refer-
ences to specific controls much faster, without
slowing you down as you read normally. For ex-
ample: The quick brown fader jumped over the
RUDE SOLO LIGHT
.
Throughout these chapters you’ll find illus-
trations, with each feature numbered. If you’re
curious about a feature, simply locate it on the
appropriate illustration, note the number at-
tached to it, and find that number in the nearby
paragraphs or refer to the table of contents.
You’ll also find cross-references to these num-
bered features within a paragraph. For instance, if
you see “To wire your own cables: ,” simply find
that number in the manual and you’ve found your
answer. (These are not page numbers.)
You’ll also notice feature numbers just float-
ing in space, like this . These numbers
direct you to relevant information.
This icon marks infor-
mation that is critically
important or unique to the
1604-VLZ
PRO. For your
own good, read them and
remember them. They will be on the final test.
This icon will lead you to
in-depth explanations of fea-
tures and practical tips. While
not mandatory, they’ll have
some valuable information.
A PLUG FOR THE CONNECTORS SECTION
Appendix is a section on connectors:
XLR connectors, balanced connectors, unbal-
anced connectors, special hybrid connectors.
More resources on our website @
www.mackie.com
THE GLOSSARY: A Haven of Non-Techiness For
The Neophyte
The "Glossary of Terms" is a fairly compre-
hensive dictionary of pro-audio terms. If terms
like “clipping,” “noise floor,” or “unbalanced”
leave you blank, refer to this glossary for a
quick explanation.
ARCANE MYSTERIES ILLUMINATED
"Arcane Mysteries" discusses some of the down ’n’
dirty practical realities of microphones, fixed installa-
tions, grounding, and balanced versus unbalanced
lines. It’s a goldmine for the neophyte and even the
seasoned pro might learn a thing or two.
INTRODUCTION
PATCHBAY
CHANNEL STRIPS
OUTPUT
SECTION

5
CONTENTS
PRE ........................................................ 21
5/6 SHIFT .............................................. 21
OUTPUT SECTION DESCRIPTION ..................... 22
MAIN MIX FADER.................................... 22
VLZ MIX ARCHITECTURE ......................... 22
SUB FADERS............................................ 22
ASSIGN TO MAIN MIX ............................. 22
TAPE IN (LEVEL) ...................................... 23
TAPE TO MAIN MIX ................................. 23
SOURCE .................................................. 23
CTL ROOM/PHONES ............................... 23
MODE (NORMAL (AFL)/LEVEL SET (PFL)) ... 24
LEVEL SET LED ......................................... 24
SOLO (LEVEL) .......................................... 24
RUDE SOLO LIGHT................................... 24
METERS .................................................. 25
AUX TALK ............................................... 25
AUX SEND (MASTER)............................... 25
AUX SENDS SOLO ................................... 26
AUX RETURNS (LEVEL) ............................ 26
EFFECTS TO MONITOR ............................. 26
MAIN MIX TO SUBS (AUX RET 3) ............. 26
1-2/3-4 (AUX RET 3) ............................. 26
C-R/PHNS ONLY (AUX RET 4) ................. 27
RETURNS SOLO....................................... 27
MODIFICATIONS.......................................... 27
1604-VLZ PRO BLOCK DIAGRAM................... 28
GAIN STRUCTURE DIAGRAM.......................... 29
SPECIFICATIONS ............................................ 30
SERVICE INFO ............................................... 31
APPENDIX A: CONNECTIONS ................................. 32
TRACK SHEET ....................................................... 36
COLOPHON .......................................................... 38
1604-VLZ PRO LIMITED WARRANTY .................... 39
LEVEL-SETTING PROCEDURE ............................ 3
INSTANT MIXING ............................................ 3
HOOKUP DIAGRAMS ....................................... 6
CONVERTING TO RACKMOUNT MODE .............. 9
PATCHBAY DESCRIPTION ............................... 10
E-Z INTERFACE ........................................ 10
MIC/LINE INPUTS ON EVERY CHANNEL .... 10
MIC INPUTS ............................................ 10
PHANTOM POWER .................................. 10
LINE INPUTS ........................................... 11
TRIM ...................................................... 11
INSERT ................................................... 11
DIRECT OUT ............................................ 11
SPLIT MONITORING ................................ 12
AUX SEND OUTPUTS ............................... 12
EFFECTS: SERIAL OR PARALLEL? ............... 13
AUX RETURN INPUTS .............................. 13
SUB OUTS ............................................... 13
C-R OUTS (CONTROL ROOM OUTPUTS) .... 14
PHONES OUTPUT .................................... 14
TAPE OUTPUT ......................................... 14
TAPE INPUT ............................................ 14
MAIN INSERT .......................................... 15
MAIN OUTS ............................................ 15
MONO OUTPUT....................................... 15
MONO LEVEL .......................................... 15
POWER CONNECTION .............................. 15
FUSE....................................................... 15
POWER SWITCH ...................................... 16
POWER LED ............................................ 16
PHANTOM SWITCH ................................. 16
PHANTOM LED ........................................ 16
BNC LAMP SOCKET ................................. 16
CHANNEL STRIP DESCRIPTION ....................... 17
“U” LIKE UNITY GAIN ............................. 17
FADER..................................................... 17
ASSIGN (1-2, 3-4, L-R) ........................... 17
SOLO ...................................................... 18
–20 (SOLO) LED ...................................... 18
OL (MUTE) LED ........................................ 18
MUTE ..................................................... 19
PAN........................................................ 19
3-BAND MID-SWEEP EQ .......................... 19
LOW CUT ................................................ 20
AUX ....................................................... 20

6
1604-VLZ PRO 8-Track Tracking
87654
34
5
6
7
8
9
10
11
12
13
14
15
16
21
1
2
3
4
R
L
R
R
LR
L
RL
RLR
12
3
4
5
6
DIRECT OUT
BAL/UNBAL
CHANNEL INSERTS
AUX RETURNS
MAIN
INSERT
C/R OUT
BAL/UNBAL
MAIN OUT
BAL/UNBAL
MONOSTEREO
PHONES
OUT
AUX SENDS
BAL/UNBAL
1234
SUB OUTS
BAL/UNBAL
CHANNEL INPUTS
LL
L
R
L
R
TAPE
OUT
TAPE
IN
16151413121110987654321
321
Guitar Effects
Drum
Machine
Keyboard, or other line-level input
Stereo EQ w/Compressor
out
in
out
in
Mono in / stereo out
Reverb
Digital Delay
Stereo Compressor
Bass Preamp
Cassette or DAT
Stereo Power Amplifier
Studio Monitors
8-track outputs
out
in
Digital
8-track
CH
1
CH
2
FULL SYMMETRY DUAL DIFFERENTIAL HIGH CURRENT DESIGN
OL
PWR
HIGH RESOLUTION
STUDIO MONITOR
ON
OFF
OL
PWR
HIGH RESOLUTION
STUDIO MONITOR
ON
OFF
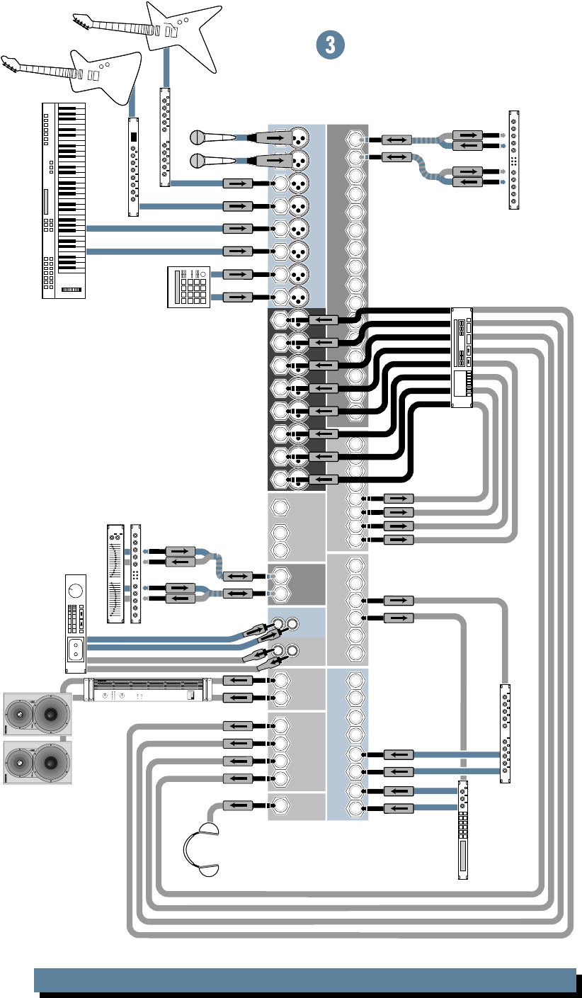
HOOKUP DIAGRAMS

7
1604-VLZ PRO Stereo P.A.
87654
34
5
6
7
8
9
10
11
12
13
14
15
16
21
1
2
3
4
R
L
R
R
LR
L
RL
RLR
12
3
4
5
6
CHANNEL INSERTS
AUX RETURNS
MAIN
INSERT
MONOSTEREO
PHONES
OUT
1234
CHANNEL INPUTS
LL
L
R
L
R
TAPE
OUT
TAPE
IN
16151413121110987654321
321
DIRECT OUT
BAL/UNBAL
C/R OUT
BAL/UNBAL
MAIN OUT
BAL/UNBAL
AUX SENDS
BAL/UNBAL
SUB OUTS
BAL/UNBAL
Guitar Effects
Drum
Machine
Keyboard, or other line-level input
Keyboard, or other line-level input
Stereo
Power Amplifier
Right PA Speaker
Left PA Speaker
CD Player
M
u
l
t
i
t
r
a
c
k
R
e
c
o
r
d
e
r
Stereo EQ
Optional Live Recording
out
in
out
in
Stereo
Compressor
Stereo CompressorStereo Compressor
Stage Monitor Stage Monitor
Mono EQMono EQ
Mono in / stereo out
Reverb
Digital Delay
NOTE: for mono PA, use
mono output to feed FOH.
CH
1
CH
2
FULL SYMMETRY DUAL DIFFERENTI AL HIGH CURRENT DESIGN

8
1604-VLZ PRO Video Setup
87654
34
5
6
7
8
9
10
11
12
13
14
15
16
21
1
2
3
4
R
L
R
R
LR
L
RL
RLR
12
3
4
5
6
CHANNEL INSERTS
AUX RETURNS
MAIN
INSERT
MONOSTEREO
PHONES
OUT
1234
CHANNEL INPUTS
LL
L
R
L
R
TAPE
OUT
TAPE
IN
16151413121110987654321
321
DIRECT OUT
BAL/UNBAL
C/R OUT
BAL/UNBAL
MAIN OUT
BAL/UNBAL
AUX SENDS
BAL/UNBAL
SUB OUTS
BAL/UNBAL
Keyboard, or other line-level input
Stereo
Power Amplifier
CD Player
Stereo Compressor
Mono in / stereo out
Reverb
Digital Delay
Master
Video
Video Deck
Video Deck
Video Deck
Computer
with Audio Card
out
in
Sampler
Multi-VCR
Video Switcher
with Time Code
Interface
CH
1
CH
2
FULL SY MMETRY DUAL DIFFERENTIA L HIGH CURRENT DESIGN
Studio Monitors
OL
PWR
HIGH RESOLUTION
STUDIO MONITOR
ON
OFF
OL
PWR
HIGH RESOLUTION
STUDIO MONITOR
ON
OFF

9
CONVERTING TO RACKMOUNT MODE
Not only is the new 1604-VLZ
PRO a compact,
professional-quality tabletop mixer, it’s rack-
mountable! Its unique rotating input pod
makes this possible.
One of the things that revolutionized the compact
mixer industry was the “convertible pod” found
on the original, classic CR-1604. Using an ordi-
nary Phillips screwdriver, the mixer could be
converted from desktop mode (as it comes from
the factory) to rackmount mode.
Fear not. We wouldn’t dare take that feature out
of the New Improved 1604-VLZ
PRO. It’s still
there and still takes just a few minutes with your
trusty screwdriver. Here’s how it’s done:
1. Remove ALL the cords from the mixer —
audio, power, lamps, everything.
2. Place the mixer, face down, on a clean soft
surface, like a blanket or very large dog.
3. Remove the four screws securing the cable
cover and set the plate aside.
4. Replace two of the screws; the ones at the pod
end of the mixer .
5. Remove two pod-mounting screws on each
side of the mixer .
6. Gently pull the pod away from the slots, rotate it,
and place it, tabs first, into the rackmount tabs
, located on the underside of the main chas-
sis. Be careful not to constrict or pinch any of
the ribbon or power cables.
7. Carefully install the pod-
mounting screws in their new
locations .
8. Install the rack ears that came
with the mixer. They can be in-
stalled in either of two depths:
mixer’s surface flush with
the rack rails, like ordinary
rackmount equipment, or
mixer’s surface sunken into the
rack, to protect the knobs from
being bumped.
An optional accessory called the ROTOPOD-
VLZ is available and can be used in desktop or
rackmount installations. It will put the patchbay
jacks on the same plane as all the knobs, buttons and
faders. This is a lifesaver in applications that demand
frequent repatching, and costs a heck of a lot less than
an external patchbay, not to mention all the inter-
face and patch cords: . Please visit your dealer
for more exciting details. Be sure to order the
“VLZ” version so you don’t end up with the one for
the classic CR-1604!
remove
screws
rackmount
tab slots
remove
plate
replace
screws
remove
screws
flush mount
rotate
pod replace
screws
sunken

10
UTILISE UN FUSIBLE DE RECHANGE DE MÊME TYPE. DEBRANCHER AVANT DE REMPLACER LE FUSIBLE
4321
INSERT INSERT INSERT
LINE
INSERT
MIC 4 MIC 3 MIC 2 MIC 1
BAL
UN-
BAL
BAL
UN-
BAL
BAL
UN-
BAL
BAL
UN-
BAL
LINE
LINE
LINE
OO
+6
PHANTOM
ON
POWER
ON
120 VAC 50/60 Hz 20W
1A/250V SLO-BLO
16 15 14 13 12 11 10 98765
MIC 16
INSERT INSERT INSERT INSERT INSERT INSERT INSERT INSERT INSERT INSERT INSERT INSERT
MIC 15 MIC 14 MIC 13 MIC 12 MIC 11 MIC 10 MIC 9 MIC 8 MIC 7 MIC 6 MIC 5
SUB OUT
C-R OUT
MAIN INSERT
(TIP SEND
RING RETURN)
TAPE TAPE
MAIN OUT AUX SEND DIRECT OUT
AUX RETURN
3
R
L
MONO
RRR
R
L
R
L
R
L
R
L
LLL
1
42
5
1
23
431
642
753
864
1
2
BAL/UNBAL
BAL/UNBAL BAL/UNBAL
BAL/UNBAL
BAL/UNBAL BAL/UNBAL
INPUT OUTPUT
R
L
(MONO)
(MONO)
(MONO)
BAL
UN-
BAL
BAL
UN-
BAL
BAL
UN-
BAL
BAL
UN-
BAL
BAL
UN-
BAL
BAL
UN-
BAL
BAL
UN-
BAL
BAL
UN-
BAL
BAL
UN-
BAL
BAL
UN-
BAL
BAL
UN-
BAL
BAL
UN-
BAL
LINE
LINE
LINE
LINELINE
LINE
LINE
LINE
LINE
LINE
LINE
LINE
TO REDUCE THE RISK OF
FIRE REPLACE WITH SAME
TYPE FUSE AND RATING
CAUTION:
UTILISE UN FUSIBLE DE RECHANGE DE MÊME TYPE. DEBRANCHER AVANT DE REMPLACER LE FUSIBLE
DESIGNED BY MACKOIDS IN WOODINVILLE, WA, USA • COPYRIGHT ©1998 • THE FOLLOWING ARE TRADEMARKS OR REGISTERED TRADEMARKS OF MACKIE DESIGN INC.: "MACKIE", "VLZ", "XDR", AND THE "RUNNING MAN" FIGURE • US PATENT NUMBER 29/049,129
XDR
TM
EXTENDED DYNAMIC RANGE MIC PREAMPLIFIERS ARE PROPRIETARY TO MACKIE DESIGNS, INC.
X
D
R
M
I
C
P
R
E
X
D
R
M
I
C
P
R
E
X
D
R
M
I
C
P
R
E
X
D
R
M
I
C
P
R
E
X
D
R
M
I
C
P
R
E
X
D
R
M
I
C
P
R
E
X
D
R
M
I
C
P
R
E
X
D
R
M
I
C
P
R
E
X
D
R
M
I
C
P
R
E
X
D
R
M
I
C
P
R
E
X
D
R
M
I
C
P
R
E
X
D
R
M
I
C
P
R
E
X
D
R
M
I
C
P
R
E
X
D
R
M
I
C
P
R
E
X
D
R
M
I
C
P
R
E
X
D
R
M
I
C
P
R
E
At the risk of stating the obvious, this is
where you plug everything in: microphones,
line-level instruments and effects, and the ulti-
mate destination for your sound: a tape
recorder, PA system, etc. A few of the features
described in this section are on top of the
mixer, but most are out back on the “pod.”
E-Z INTERFACE
Concerned about levels,
balancing, impedances, po-
larity, or other interface
goblins? Don’t be. On your
1604-VLZ
PRO, you can patch anything almost
anywhere, with nary a care. Here’s why:
• Every input and output is balanced
(except insert, phones and RCA jacks).
• Every input and output will also accept
unbalanced lines (except XLR jacks).
• Every input is designed to accept virtually
any output impedance.
• The main left and right mix outputs can
deliver 28dBu into as low as a 600 ohm load.
• All the other outputs can deliver 22dBu
into as low as a 600 ohm load.
• All the outputs are in phase with the inputs.
All we ask is that you perform the Level-Setting
Procedure every time you patch in a new
sound source. So stop worrying and start mixing!
MIC/LINE INPUTS ON EVERY CHANNEL
The original CR-1604 had six mic/line channels
and ten line-only channels. That was fine for most
applications, but live sound users were forced to
go out and buy the XLR-10 mic input add-on
module. No more. Each and every channel on the
New Improved 1604-VLZ
PRO has the legendary
Mackie mic/line input circuit. It’s like getting a
free XLR-10 with your mixer!
MIC INPUTS
We use phantom-powered, balanced micro-
phone inputs just like the big studio mega-
consoles, for exactly the same reason: This
kind of circuit is excellent at rejecting hum
PATCHBAY DESCRIPTION
and noise. You can plug in almost any kind of
mic that has a standard XLR-type male mic
connector. Always be sure to perform the
Level-Setting Procedure
. To learn how sig-
nals are routed from these inputs: . If you
wire your own, connect them like this:
2
2
31
1
SHIELD
COLD
HOT
SHIELD
COLD
HOT
3
SHIELD
COLD
HOT
3
2
1
Pin 1 = ground or shield
Pin 2 = positive (+ or hot)
Pin 3 = negative (– or cold)
Professional ribbon, dynamic, and condenser
mics will all sound excellent through these in-
puts. The 1604-VLZ
PRO’s mic inputs will handle
almost any kind of mic level you can toss at
them, without overloading.
PHANTOM POWER
Most condenser mics require phantom power,
where the mixer sends low-current DC voltage to
the mic’s electronics through the same wires
that carry audio. The 1604-VLZ
PRO’s phantom
power is globally controlled by the
PHANTOM
switch on the rear panel .
Semipro condenser mics often have batter-
ies to accomplish the same thing. “Phantom”
owes its name to an ability to be “unseen” by
dynamic mics (Shure
®
SM57/SM58, for in-
stance) that don’t need external power and
aren’t affected by it anyway.
Unless you know for cer-
tain it is safe to do so,
never plug single-ended
(unbalanced) micro-
phones, instruments or
electronic devices into the
MIC
input jacks if
the phantom power is on.

11
LINE INPUTS
These
1
/
4
" jacks share circuitry (but not
phantom power) with the mic preamps. You
can use these inputs for virtually any signal
you’ll come across, from instrument levels as
low as –50dB to operating levels of –10dBV to
+4dBu, as there is 60dB of gain available via
the
TRIM
knob . Always be sure to perform
the
Level-Setting Procedure
.
To learn how signals are routed from these
inputs: . To connect balanced lines to these
inputs, use a
1
/
4
" tip-ring-sleeve (TRS) plug,
the type found on some stereo headphones:
Tip = positive (+ or hot)
Ring = negative (– or cold)
Sleeve = shield or ground
To connect unbalanced lines to these in-
puts, use a
1
/
4
" mono (TS) phone plug or
standard instrument cable:
Tip = signal (+)
Sleeve = ground
TRIM
Yes it’s true, these controls are not located
in the patchbay section at all. They’re found
along the top row of knobs in the channel strip
section. But their purpose is so closely linked
with the
MIC
and
LINE
input jacks that we
couldn’t bear to separate them. Here’s why:
Every time you plug something into a
MIC
or
LINE
input jack, you should perform the
Level-
Setting Procedure
, and that procedure is
basically “how to use the
TRIM
knob.”
TRIM
adjusts the input sensitivity of the
MIC
and
LINE
inputs. This allows signals from
the outside world to be adjusted to optimal
internal operating levels.
Through the XLR jack (
MIC
), there will be
0dB of gain with the knob fully down, ramping
to 60dB of gain fully up.
Through the
1
/
4
" input (
LINE
), there is 15dB
of attenuation fully down and 45dB of gain fully
up, with a “
U
” (unity gain) mark at 10:00.
This 15dB of attenuation can be very handy
when you are inserting a signal that is very hot,
or you want to add a lot of EQ gain, or both.
Without this “virtual pad,” a scenario like that
might lead to channel clipping.
INSERT
These
1
/
4
" jacks are for connecting serial
effects processors such as compressors, equaliz-
ers, de-essers, or filters . The
INSERT
point is
after the
TRIM
control, but before the channel’s
EQ
,
LOW CUT,
fader and
MUTE
controls. Insert
cables must be wired thusly:
“tip”
This plug connects to one of the
mixer’s Channel Insert jacks. “ring”
tip ring
sleeve
SEND to processor
RETURN from processor
(TRS plug)
Tip = send (output to effects device)
Ring = return (input from effects device)
Sleeve = common ground
Even though channels 1–8 already have
DIRECT OUT
jacks ,
INSERT
jacks can also
be used as channel direct outputs; post-
TRIM
,
pre-
LOW CUT
, and pre-
EQ
. Here’s three ways
you can use the
INSERT
jacks:
Direct out with no signal interruption to master.
Insert only to first “click.”
Channel Insert jack
Channel Insert jack
Channel Insert jack
Direct out with signal interruption to master.
Insert all the way in to the second “click.”
For use as an effects loop.
(TIP = SEND to effect, RING = RETURN from effect.)
MONO PLUG
MONO PLUG
STEREO
PLUG
DIRECT OUT
Found only on channels 1–8, these
1
/
4
" jacks
deliver the signal from the very end of the
channel path; post-
TRIM
, post-
EQ
, post-
LOW
CUT
, post-fader and post-
MUTE
. They are the
key player in “split monitoring,” making the
1604-VLZ
PRO perfect for an 8-track studio. To
wire your own cables: .
PAN
AUX
3
1
2
EQ
5
46
5/6
SHIFT
PRE
TRIM
1
SOLO
L - R
3–4
1–2
OL
-20
U
OO
+15
U
OO
+15
U
OO
+15
U
+15-15
U
+15-15
800
2k200
8k
U
+15-15
12k
HI
MID
80Hz
LOW CUT
75 Hz
18dB/OCT
LOW
10 0
U
OO
+15
1
MUTE
M
I
C
G
A
I
N
060
+15dB -45dB
-
1
0
d
B
V
LR
OO
U
SLEEVE
TIP
TIPSLEEVE
TIP
SLEEVE
SLEEVE
TIPSLEEVE
TIP
RING
RING
TIP
SLEEVERING

12
SPLIT MONITORING
With split monitoring, you use the first eight
channels for your sound sources: vocal mics,
drum mics, keyboard/synth outputs, guitar
effects outputs, that sort of thing. From there,
the channels manipulate the sound, but are
not assigned to the output section. Instead,
they’re patched from the channel’s
DIRECT
OUT
jacks to the corresponding multitrack
input (
DIRECT OUT 1
to multitrack input 1,
2 to 2, 3 to 3, etc.). The signals will now be re-
corded or pass directly through the multitrack,
depending on each track’s record-ready status.
multitrack
machine
sound sources
direct
outputs group
outputs
1–8 9–16
The outputs of the multitrack are then
patched to the next eight
LINE
inputs on the
1604-VLZ
PRO (multitrack out 1 to
LINE
input
9, 2 to 10, 3 to 11, etc.). Aha! That’s why it says
“
TRACK 1
” next to channel 9’s fader, “
TRACK 2
”
next to channel 10, and so forth. These chan-
nels (9–16) will be assigned to the mixer’s
output section, delivering the signals to their
ultimate destination, which may be your
mixdown 2-track, your control room system,
or your headphones.
But let’s not forget that the 1604-VLZ
PRO is
a 4-bus mixer. These buses lead to the
SUB
OUTS
, and are designed to accomplish the
task of getting channels to the multitrack with-
out using the direct outputs.
For example, a channel is assigned to
SUB OUT 1
.
SUB OUT 1
’s output is patched to
multitrack input 1. From there, the multitrack
output goes to the mixer’s channel 9
LINE
input,
as we just discussed. (Hot tip: To feed an 8-track
deck with 4 sub outputs, simply use Y-cords:
SUB OUT 1
feeds tracks 1 and 5,
2
feeds 2 and
6,
3
feeds 3 and 7, and
4
feeds 4 and 8. Tracks in
record mode will accept the signal, and tracks in
safe mode will ignore the signal.)
The advantages: You can assign any channel
to any track, without repatching. You can as-
sign multiple channels to one track and control
the overall level of that subgroup . You can’t
bounce tracks without this feature.
Perhaps the best method is to do both: Use
the
SUB OUTS
to feed multichannel submixes
(like a drum kit) to some of the tracks, and
the
DIRECT OUT
jacks to feed single-channel
signals (like bass guitar) to the other tracks.
The point is that you never listen directly to
the source channels (1–8). You listen to the
monitor channels (9–16) and they’re listening to
the multitrack that is listening to the source
channels. The main advantage is that you won’t
be forced to constantly repatch your multitrack
— just set it up and forget it. You’ll also know for
certain that the signals are indeed getting to the
multitrack, since you’re constantly listening to it.
Another method of interfacing a multitrack is
called inline monitoring, and requires a mixing
console dedicated to that, like the Mackie
8•Bus. Each of its channels is actually two chan-
nels: one carrying the mic/line sound source and
the other carrying the multitrack output.
AUX SEND OUTPUTS
These
1
/
4
" jacks usually patch to the inputs
of your parallel effects devices or to the in-
puts of your stage monitor amps. To learn how
signals are routed to these outputs: . To wire
your own cables: .

13
UTILISE UN FUSIBLE DE RECHANGE DE MÊME TYPE. DEBRANCHER AVANT DE REMPLACER LE FUSIBLE
4321
INSERT INSERT INSERT
LINE
INSERT
MIC 4 MIC 3 MIC 2 MIC 1
BAL
UN-
BAL
BAL
UN-
BAL
BAL
UN-
BAL
BAL
UN-
BAL
LINE
LINE
LINE
OO
+6
PHANTOM
ON
POWER
ON
120 VAC 50/60 Hz 20W
1A/250V SLO-BLO
16 15 14 13 12 11 10 98765
MIC 16
INSERT INSERT INSERT INSERT INSERT INSERT INSERT INSERT INSERT INSERT INSERT INSERT
MIC 15 MIC 14 MIC 13 MIC 12 MIC 11 MIC 10 MIC 9 MIC 8 MIC 7 MIC 6 MIC 5
SUB OUT
C-R OUT
MAIN INSERT
(TIP SEND
RING RETURN)
TAPE TAPE
MAIN OUT AUX SEND DIRECT OUT
AUX RETURN
3
R
L
MONO
RRR
R
L
R
L
R
L
R
L
LLL
1
42
5
1
23
431
642
753
864
1
2
BAL/UNBAL
BAL/UNBAL BAL/UNBAL BAL/UNBAL BAL/UNBAL BAL/UNBAL
INPUT OUTPUT
R
L
(MONO)
(MONO)
(MONO)
BAL
UN-
BAL
BAL
UN-
BAL
BAL
UN-
BAL
BAL
UN-
BAL
BAL
UN-
BAL
BAL
UN-
BAL
BAL
UN-
BAL
BAL
UN-
BAL
BAL
UN-
BAL
BAL
UN-
BAL
BAL
UN-
BAL
BAL
UN-
BAL
LINE
LINE
LINE
LINELINE
LINE
LINE
LINE
LINE
LINE
LINE
LINE
TO REDUCE THE RISK OF
FIRE REPLACE WITH SAME
TYPE FUSE AND RATING
CAUTION:
UTILISE UN FUSIBLE DE RECHANGE DE MÊME TYPE. DEBRANCHER AVANT DE REMPLACER LE FUSIBLE
DESIGNED BY MACKOIDS IN WOODINVILLE, WA, USA • COPYRIGHT ©1998 • THE FOLLOWING ARE TRADEMARKS OR REGISTERED TRADEMARKS OF MACKIE DESIGN INC.: "MACKIE", "VLZ", "XDR", AND THE "RUNNING MAN" FIGURE • US PATENT NUMBER 29/049,129
XDR
TM
EXTENDED DYNAMIC RANGE MIC PREAMPLIFIERS ARE PROPRIETARY TO MACKIE DESIGNS, INC.
X
D
R
M
I
C
P
R
E
X
D
R
M
I
C
P
R
E
X
D
R
M
I
C
P
R
E
X
D
R
M
I
C
P
R
E
X
D
R
M
I
C
P
R
E
X
D
R
M
I
C
P
R
E
X
D
R
M
I
C
P
R
E
X
D
R
M
I
C
P
R
E
X
D
R
M
I
C
P
R
E
X
D
R
M
I
C
P
R
E
X
D
R
M
I
C
P
R
E
X
D
R
M
I
C
P
R
E
X
D
R
M
I
C
P
R
E
X
D
R
M
I
C
P
R
E
X
D
R
M
I
C
P
R
E
X
D
R
M
I
C
P
R
E
EFFECTS: SERIAL OR PARALLEL?
You’ve heard us carelessly toss around the
terms “serial” and “parallel.” Here’s what we
mean by them:
“Serial” means that the entire signal leaves
the mixer (
INSERT
send), is routed through the
effects device, and returns to the mixer
(
INSERT
return). Examples: compressor, lim-
iter, graphic equalizer. Line-level sources can
also be patched through a serial effects device
before or after the mixer.
“Parallel” means that a portion of the signal
in the mixer is tapped off to the device (
AUX
SEND
), processed, and returned to the mixer
(
AUX RETURN
) to be mixed with the original
“dry” signal. This way, multiple channels can
all make use of the same effects device.
Examples: reverb, digital delay.
AUX RETURN INPUTS
This is where you connect the outputs of your
parallel effects devices (or extra audio sources).
They’ll accept just about any pro or semipro
effects device on the market. To learn how sig-
nals are routed from these inputs: . To wire
your own cables: .
Mono: If you have an effects device with a
mono output (one cord), plug that into
L
in-
put of an
AUX RETURN
and leave the right
input unplugged. That way, the signal will be
sent to both sides, magically appearing in the
center as a mono signal.
SUB OUTS
These
1
/
4
" jacks are usually patched to the in-
puts of a multitrack deck, or to secondary
amplifiers in a complex installation. To learn
how signals are routed to these outputs: .
To wire your own cables: .
Double Busing
How on earth do you get four jacks to
feed eight tracks? To feed an 8-track deck
with only four
SUB OUTS
, simply use four
Y-cords:
•
SUB OUT 1
feeds tracks 1 and 5
•
SUB OUT 2
feeds tracks 2 and 6
•
SUB OUT 3
feeds tracks 3 and 7
•
SUB OUT 4
feeds tracks 4 and 8
Tracks in record mode will accept the signal,
and tracks in safe mode will ignore the signal.
It’s that easy.
Dry Signal Processed
Signal
Insert
Send Insert
Return
Dry Signal(s) Dry Signal(s)
Aux
Send Aux
Return
Wet Signal
Channel Path
Mix
Stage
Output
Section
Processed
Signal
Signal Processor
Signal Processor
Serial Device (e.g., Compressor)
Parallel Device (e.g., Reverb)

14
This method is exactly
the same as the double-
busing feature found in
other mixers. Built-in double
busing is nothing more than
Y-cords living inside the mixer instead of
hanging out the back. If we had room for the
extra jacks, we would have thrown them in,
but we don’t, so we didn’t. Sonically, there is
no difference whatsoever.
Y-cord advice: Do not use the stereo “head-
phone-to-left/right” splitter adapters. Use the type
that send the same signal to two places; the tip of
the source plug feeds the tips of both destination
plugs (Radio Shack
®
#42-2150, for instance.)
C-R OUTS (CONTROL ROOM OUTPUTS)
These
1
/
4
" jacks are usually patched to the
inputs of your control room amplifier or a
headphone distribution amplifier. To learn
how signals are routed to these outputs: .
To wire your own cables: .
PHONES OUTPUT
The 1604-VLZ
PRO’s stereo
1
/
4
" phones jack
will drive any standard headphone to very loud
levels. Walkperson-type phones can also be
used with an appropriate adapter. To learn
how signals are routed to these outputs: . If
you’re wiring your own cable for the
PHONES
output, follow standard conventions:
Tip = left channel
Ring = right channel
Sleeve = common ground
WARNING: When we say
the headphone amp is
loud, we’re not kidding. It
can cause permanent ear
damage. Even intermedi-
ate levels may be painfully loud with some
earphones. BE CAREFUL!
Always turn the
CTL ROOM/PHONES
knob
all the way down before connecting head-
phones. Keep it down until you’ve put the
phones on. Then turn it up slowly. Why?
“Engineers who fry their ears find themselves
with short careers.”
TAPE OUTPUT
These unbalanced RCA jacks tap the
MAIN
MIX
outputs to make simultaneous recording
and PA work more convenient. Connect these
to your 2-track recorder’s inputs. To learn how
signals are routed to these outputs: .
Mono: If you want to feed a mono signal to
your tape deck or other device, simply use the
1
/
4
"
MONO
output jack . Alternatively, use
an RCA Y-cord to combine the
TAPE OUTPUT
jacks (Radio Shack
®
#274-511, for instance).
Do not attempt this with any other outputs on
the 1604-VLZ
PRO.
TAPE INPUT
These unbalanced RCA jacks are designed
to work with semipro as well as pro recorders.
Connect your 2-track tape recorder’s outputs
here, using standard hi-fi RCA cables. To learn
how signals are routed from these inputs: .
Use these jacks for convenient playback of
your mixes. You’ll be able to review a mix, and
then rewind and try another pass without
repatching or disturbing the mixer levels. You
can also use these jacks with a portable tape
or CD player to feed music to a PA system
between sets .
WARNING: Pushing
TAPE
TO MAIN MIX
in the out-
put section can create a
feedback path between
TAPE INPUT
and
TAPE
OUTPUT
. Make sure your tape deck is not
in record, record-pause or input monitor
mode when you engage this switch, or
make sure the
TAPE IN
level knob is fully
counterclockwise (off).
SLEEVE
TIPSLEEVE
TIP
RING
RING
TIP
SLEEVERING
PHONES
MAIN
MIX
RIGHT
1234
LEFT
RIGHT
LEFT
RIGHT
LEFT
RIGHT
LEFT
ASSIGN TO MAIN MIX
dB
30
20
10
OO
40
50
5
5
U
60
10
dB
30
20
10
OO
40
50
5
5
U
60
10

15
UTILISE UN FUSIBLE DE RECHANGE DE MÊME TYPE. DEBRANCHER AVANT DE REMPLACER LE FUSIBLE
OO
+6
PHANTOM
ON
POWER
ON
120 VAC 50/60 Hz 20W
1A/250V SLO-BLO
16 15 14 13 12 11 1
MIC 16
INSERT INSERT INSERT INSERT INSERT INSERT INSERT
MIC 15 MIC 14 MIC 13 MIC 12 MIC 11 MIC 10
C-R OUT
MAIN INSERT
(TIP SEND
RING RETURN)
TAPE TAPE
MAIN OUT
R
L
MONO
R
L
R
L
R
L
R
L
BAL/UNBAL
BAL/UNBAL
INPUT OUTPUT
BAL
UN-
BAL
BAL
UN-
BAL
BAL
UN-
BAL
BAL
UN-
BAL
BAL
UN-
BAL
BAL
UN-
BAL
BAL
UN-
BAL
LINE
LINE
LINE
LINE
LINE
LINE
LINE
TO REDUCE THE RISK OF
FIRE REPLACE WITH SAME
TYPE FUSE AND RATING
CAUTION:
UTILISE UN FUSIBLE DE RECHANGE DE MÊME TYPE. DEBRANCHER AVANT DE REMPLACER LE FUSIBLE
DESIGNED BY MACKOIDS IN WOODINVILLE, WA, USA • COPYRIGHT ©1998 • THE FOLLOWING ARE TRAD
XDR
TM
EXTENDED DY
X
D
R
M
I
C
P
R
E
X
D
R
M
I
C
P
R
E
X
D
R
M
I
C
P
R
E
X
D
R
M
I
C
P
R
E
X
D
R
M
I
C
P
R
E
X
D
R
M
I
C
P
R
E
X
D
R
M
I
C
P
R
E
MAIN INSERT
These
1
/
4
" jacks are for connecting serial
effects such as compressors, equalizers, de-
essers, or filters . The
INSERT
point is after
the mix amps, but before the
MAIN MIX
fader.
Insert cables must be wired thusly:
“tip”
This plug connects to one of the
mixer’s Channel Insert jacks. “ring”
tip ring
sleeve
SEND to processor
RETURN from processor
(TRS plug)
Tip = send (output to effects device)
Ring = return (input from effects device)
Sleeve = common ground (connect shield to
all three sleeves)
MAIN OUTS
These
1
/
4
" jacks are usually patched to the
inputs of your 2-track mixdown deck (unless
you’ve chosen to use the
TAPE OUTPUT
RCA
jacks), or to the house amplifier during live
sound sessions. To learn how signals are
routed to these outputs: . To use these out-
puts to drive balanced inputs, connect
1
/
4
" TRS
(Tip-Ring-Sleeve) phone plugs like this:
Tip = + (hot)
Ring = – (cold)
Sleeve = ground
To use these outputs to drive unbalanced
inputs, connect
1
/
4
" TS (Tip-Sleeve) phone
plugs like this:
Tip = signal
Sleeve = ground
MONO OUTPUT
It happens to everybody sooner or later:
The forces that govern your world will demand
a monaural output from your painstakingly-
created stereo panorama. The last thing you
want to do is start twirling all your carefully-
placed
PAN
settings to one side. What to do?
Stick a cord in this
1
/
4
" jack, hand the other
end to Mr. Mono, and you’re done. He’s got his
mono mix and you’ve still got your stereo mix.
The
MONO
output is nothing more than a mix
of the left and right
MAIN MIX
.
MONO LEVEL
So, Mr. Mono comes running back, scream-
ing about the mono mix being so loud that his
camcorder is melting. Just reach for this knob
and turn it down a bit. Just the thing for send-
ing mono signals to mic inputs like camcorders,
telephone interface boxes, even answering
machines. With the pot all the way up (fully
clockwise), you’ll have 6dB of extra gain with
unity gain halfway between the one and two
o’clock positions.
POWER CONNECTION
Just in case you lose the cord provided with
the 1604-VLZ
PRO, its power jack accepts a
standard 3-prong IEC cord like those found on
most professional recorders, musical instru-
ments, and computers. At the other end of our
cord is — get this — a plug! Not a black cube
or, as we’re fond of calling them, a “wall wart.”
We did this for some very good reasons:
The 1604-VLZ
PRO has sophisticated power
requirements that a wall wart cannot provide.
Wall warts are inconvenient, fragile, radiate huge
hum fields, hog extra jacks on your power strip
and get in the way. If you lose a wall wart, you’re
in trouble, but if you lose the 1604-VLZ
PRO’s
power cord, you can get a new one at any elec-
tronics, music, or computer store. You can even
buy them at Radio Shack
®
(part # 278-1257).
Plug the 1604-VLZ
PRO into any standard
grounded (3-pin) AC outlet or into a power
strip of proper voltage.
WARNING: Disconnecting
the plug’s ground pin can
be dangerous. Please
don’t do it.
FUSE
The 1604-VLZ
PRO is fused for your (and its
own) protection. If you suspect a blown fuse,
disconnect the power cord, pull the fuse drawer
out (located just below the cord receptacle)
and replace the fuse with a 1A SLO BLO, 5x20mm,
available at electronics stores or your dealer
(or a 500mA [0.5 amps] SLO BLO 5x20mm if
your 1604-VLZ
PRO is a 220V-240V unit).
SLEEVE
TIPSLEEVE
TIP
RING
RING
TIP
SLEEVERING
SLEEVE
TIP
TIPSLEEVE
TIP
SLEEVE

16
UTILISE UN FUSIBLE DE RECHANGE DE MÊME TYPE. DEBRANCHER AVANT DE REMPLACER LE FUSIBLE
4321
INSERT INSERT INSERT
LINE
INSERT
MIC 4 MIC 3 MIC 2 MIC 1
BAL
UN-
BAL
BAL
UN-
BAL
BAL
UN-
BAL
BAL
UN-
BAL
LINE
LINE
LINE
OO
+6
PHANTOM
ON
POWER
ON
120 VAC 50/60 Hz 20W
1A/250V SLO-BLO
16 15 14 13 12 11 10 98765
MIC 16
INSERT INSERT INSERT INSERT INSERT INSERT INSERT INSERT INSERT INSERT INSERT INSERT
MIC 15 MIC 14 MIC 13 MIC 12 MIC 11 MIC 10 MIC 9 MIC 8 MIC 7 MIC 6 MIC 5
SUB OUT
C-R OUT
MAIN INSERT
(TIP SEND
RING RETURN)
TAPE TAPE
MAIN OUT AUX SEND DIRECT OUT
AUX RETURN
3
R
L
MONO
RRR
R
L
R
L
R
L
R
L
LLL
1
42
5
1
23
431
642
753
864
1
2
BAL/UNBAL
BAL/UNBAL BAL/UNBAL
BAL/UNBAL
BAL/UNBAL BAL/UNBAL
INPUT OUTPUT
R
L
(MONO)
(MONO)
(MONO)
BAL
UN-
BAL
BAL
UN-
BAL
BAL
UN-
BAL
BAL
UN-
BAL
BAL
UN-
BAL
BAL
UN-
BAL
BAL
UN-
BAL
BAL
UN-
BAL
BAL
UN-
BAL
BAL
UN-
BAL
BAL
UN-
BAL
BAL
UN-
BAL
LINE
LINE
LINE
LINELINE
LINE
LINE
LINE
LINE
LINE
LINE
LINE
TO REDUCE THE RISK OF
FIRE REPLACE WITH SAME
TYPE FUSE AND RATING
CAUTION:
UTILISE UN FUSIBLE DE RECHANGE DE MÊME TYPE. DEBRANCHER AVANT DE REMPLACER LE FUSIBLE
DESIGNED BY MACKOIDS IN WOODINVILLE, WA, USA • COPYRIGHT ©1998 • THE FOLLOWING ARE TRADEMARKS OR REGISTERED TRADEMARKS OF MACKIE DESIGN INC.: "MACKIE", "VLZ", "XDR", AND THE "RUNNING MAN" FIGURE • US PATENT NUMBER 29/049,129
XDR
TM
EXTENDED DYNAMIC RANGE MIC PREAMPLIFIERS ARE PROPRIETARY TO MACKIE DESIGNS, INC.
X
D
R
M
I
C
P
R
E
X
D
R
M
I
C
P
R
E
X
D
R
M
I
C
P
R
E
X
D
R
M
I
C
P
R
E
X
D
R
M
I
C
P
R
E
X
D
R
M
I
C
P
R
E
X
D
R
M
I
C
P
R
E
X
D
R
M
I
C
P
R
E
X
D
R
M
I
C
P
R
E
X
D
R
M
I
C
P
R
E
X
D
R
M
I
C
P
R
E
X
D
R
M
I
C
P
R
E
X
D
R
M
I
C
P
R
E
X
D
R
M
I
C
P
R
E
X
D
R
M
I
C
P
R
E
X
D
R
M
I
C
P
R
E
POWER SWITCH
If this one isn’t self-explanatory, we give up.
You can leave this switch on all the time; the
1604-VLZ
PRO is conservatively designed, so
heat buildup isn’t a problem even in 24-hour-a-
day operation. There’s nothing that will burn
out or get used up. You may notice that the
1604-VLZ
PRO’s “pod” feels quite warm (the
pod is the chassis that contains the jacks).
This is perfectly normal.
POWER LED
You’ve probably already figured this out, but
if the
POWER
switch is on, this LED (light-
emitting diode), located in the output section,
will light. If the switch is off, well, you get the
idea. If the
POWER
switch is on and the LED
does not glow, one of three things has hap-
pened: Somebody tripped over the power cord
and yanked it from the outlet, your electricity
has been turned off due to nonpayment, or the
fuse has blown .
PHANTOM SWITCH
The
PHANTOM
switch controls the phan-
tom power supply for condenser microphones as
discussed at the start of this section . When
turned on (or off), the phantom power circuitry
takes a few moments for voltage to ramp up (or
down). This is also perfectly normal. For an
even closer look, refer to Appendix C.
PHANTOM LED
Located right next to the
POWER
LED in the
output section, this is just to let you know which
way you have the
PHANTOM
switch set. If your
dynamic mics work and your condensers don’t,
chances are this LED is off, so turn it on.
You’ll notice that when you turn the phan-
tom power off, the LED stays on for a while.
This is a natural phenomenon — the LED is
actually a yellow voltmeter telling you that the
phantom power takes time to ramp itself down
to zero volts. So, if you’ve turned phantom
power off to connect something to the mic in-
puts, wait until the yellow LED stops glowing
and then make your connections safely.
BNC LAMP SOCKET
Located in the top right corner of the out-
put section, this 12V socket will drive any
standard BNC-type lamp (a Littlite
®
#12G or
#12G-HI (high-intensity), for instance).
AUX
SEND
STEREO AUX RETURN
EFFECTS TO
MONITORS
TO AUX
SEND 2
TO AUX
SEND 1
1
2
PWR
PHAN
SOLO
SOLO
1
2
1
2
3
4
1
2
C-R / PHNS
ONLY
RETURNS
SOLO
MAIN MIX
TO SUBS
ASSIGN OPTIONS
1–2
3–4
U
OO
+20
U
OO
+20
U
OO
+15
U
OO
+15
U
OO
+20
U
OO
+20
U
OO
+10
U
OO
+10
LEFT RIGHT
LAMP
12 V
0.5A
1604-VL Z PRO
16-CHANNEL MIC/ LINE MIXER
WITH PREMIUM XDR
TM
MIC PREAMPLIFIERS

17
CHANNEL STRIP DESCRIPTION
A Clean Fade
Faders are not rocket
science — they operate by
dragging a metal pin (the
wiper) across a carbon-based
strip (the track). It is possible for airborne
crud to land on the track. Should that happen,
you may hear scratchy noises or signal drop-
outs as the wiper stumbles over the crud. Do
all you can to keep airborne crud out of your
profession. Use air conditioned rooms when-
ever possible, avoid smoking near the mixer,
keep food and drink away from the mixer, and
for pity’s sake, never put the mixer in your
kitchen! We also recommend “exercising” the
faders — give them a few full-travel excur-
sions once a week or so, and that will help
scare the crud away. We do not recommend
spray cleaners.
ASSIGN (1–2, 3–4, L–R)
Alongside each channel fader are four but-
tons, labeled
SOLO
,
1–2
,
3–4
and
L–R
. The
latter three are collectively referred to as chan-
nel assignment switches.
1
,
3
and
L
are the left
sides of these stereo pairs, and
2
,
4
and
R
are
the right sides. Used in conjunction with the
channel’s
PAN
knob , these switches deter-
mine the destination of a channel’s signal:
With the
PAN
knob set at the center detent,
the left and right sides receive equal signal
levels. To feed only one side or the other, just
turn the
PAN
knob accordingly.
If you’re doing a mixdown to a 2-track, sim-
ply engage the
L–R
switch on each channel
that you want to hear, and they’ll be sent to the
MAIN MIX
. If you want to create a subgroup of
certain channels, engage either the
1–2
or
3–4
switches instead of the
L–R
, and they’ll be sent
to the appropriate subgroup faders . From
there, the subgroups can be sent back to the
MAIN MIX
, allowing you to use the sub-
group faders as a master control for those
channels.
The sixteen channel strips look alike and
function identically. The only difference is that
the eight on the left have
DIRECT OUT
jacks
and the eight on the right don’t. We’ll start
at the bottom and work our way up.
“U” LIKE UNITY GAIN
Mackie mixers have a “
U
”
symbol on almost every level
control. This “
U
” stands for
“unity gain,” meaning no
change in signal level. Once you have per-
formed the
Level-Setting Procedure
, you
can set every control at “U” and your signals
will travel through the mixer at optimal lev-
els. What’s more, all the labels on our controls
are measured in decibels (dB), so you’ll know
what you’re doing level-wise if you choose to
change a control’s settings.
You won’t have to check it here and check it
there, as you would with some other mixers. In
fact, some don’t even have any reference to
actual dB levels at all! Ever seen those “0–10”
fader markings? We call these AUMs (Arbitrary
Units of Measurement), and they mean noth-
ing in the real world. You were smart — you
bought a Mackie.
FADER
The fader is almost the last control in a
channel’s signal path. It’s placed after the
EQ
and
MUTE
controls (post-
EQ
/post-
MUTE
and
before the
PAN
control (pre-
PAN
). The “
U
”
mark, about three-quarters of the way up,
indicates unity gain, meaning no increase or
decrease of signal level. All the way up pro-
vides an additional 10dB, should you need to
boost a section of a song. If you find that the
overall level is too quiet or too loud with a
fader near unity, you’ll want to confirm the
TRIM
setting by performing the
Level-Setting
Procedure
.
PAN
AUX
3
1
2
EQ
5
46
5/6
SHIFT
PRE
TRIM
1
SOLO
L - R
3–4
1–2
OL
-20
U
OO
+15
U
OO
+15
U
OO
+15
U
+15-15
U
+15-15
800
2k200
8k
U
+15-15
12k
HI
MID
80Hz
LOW CUT
75 Hz
18dB/OCT
LOW
10 0
U
OO
+15
1
MUTE
M
I
C
G
A
I
N
060
+15dB -45dB
-
1
0
d
B
V
LR
OO
U

18
If you’re printing new tracks or bouncing ex-
isting ones, you’ll also use the
1–2
and
3–4
switches, but not the
L–R
switch. Here, you
don’t want the subgroups sent back into the
MAIN MIX
, but sent out, via the
SUB OUTS
jacks, to your multitrack inputs . However, if
you’re printing tracks via the
DIRECT OUT
jacks , all the channel assignment switches
should be disengaged (up).
The 1604-VLZ
PRO is what we call a “true
4-bus mixer.” Each channel can be assigned or
unassigned to any of the subgroups without af-
fecting the other subgroups or settings within
the channel, and each subgroup has its own
master fader and dedicated output . In
fact, since there are 4 subgroups and the
MAIN
L–R MIX
, it’s actually a true 6-bus mixer. We
could have named it the CR1606-VLZ. Darn!
SOLO
This lovable switch allows you to check
signals through your
PHONES
output or
C-R
OUTS
without having to assign them to the
L-R
,
1-2
or
3-4
mixes. You can solo as many
channels as you like.
SOLO
does not interrupt
any of the other channels, buses or outputs —
that’s called nondestructive solo. Not only that,
via the
MODE
switch , the 1604-VLZ
PRO’s
solo system comes in two flavors:
NORMAL
(AFL)
(sometimes called SIP, or solo-in-place)
and
LEVEL SET (PFL)
(sometimes called PFL,
or pre-fader-listen).
During
NORMAL (AFL)
mode, the soloed
channel’s signal is sent directly to the
C-R OUTS
,
PHONES
output, and meter display just as it
would sound to the channel’s assignment
switches: post-
EQ
, post-fader and post-
PAN
.
The only difference is that
SOLO
works re-
gardless of the channel’s assignment positions,
and that makes it really handy — you can
check out a channel before you assign it.
NORMAL (AFL)
is the preferred mode dur-
ing mixdown: If the channel has some
midrange boost at 4.236kHz, is panned a smid-
gen to the left, and its fader is at –5.385dB,
that’s exactly what you’ll hear if you
SOLO
dur-
ing
NORMAL (AFL)
mode. It’s just as if you
took the time to
MUTE
all the other channels.
LEVEL SET (PFL)
solo is the key player in the
all-important
Level-Setting Procedure
. It’ll
send the channel’s actual internal levels to the
meters so you’ll know just what’s going on, level-
wise. This procedure should be performed every
time a new sound source is patched into a
channel’s
MIC
or
LINE
input jacks.
LEVEL SET (PFL)
is also the preferred mode
for SR (sound reinforcement, or live sound), to
preview channels before they are let into the
mix. It won’t give you stereo placement, but will
give you signal even if the fader is pulled down.
Remember,
LEVEL SET (PFL)
taps the chan-
nel signal before the fader. If you have a
channel’s fader set way below “
U
” (unity gain),
SOLO
won’t know that and will send a unity
gain signal to the
C-R OUTS
,
PHONES
output
and meter display. That may result in a startling
level boost at these outputs, depending on the
position of the
SOLO
level knob .
In a nutshell, soloed channels are sent to
the
SOURCE
mix , that ultimately feeds your
C-R OUTS
,
PHONES
output and meter display.
Whenever
SOLO
is engaged, all
SOURCE
se-
lections (
MAIN MIX
,
1–2
,
3–4
and
TAPE
) are
defeated, to allow the soloed channel to do just
that —
SOLO
!
–20 (SOLO) LED
An LED that does two completely different
things! Saves space, but requires some expla-
nation. First, the “
–20
” part: Often referred to
as “signal activity,” this LED will flicker in time
with the signal present in that channel. It’s
handy for confirming that a channel is indeed
active, and may also lend a clue as to what the
signal is. For instance, a kick drum will cause
the LED to pulse in time with the drum, and a
synth pad will cause it glow a bit more steadily.
Now for the “
SOLO
” part. When a channel’s
SOLO
switch is engaged, this LED will glow
steadily, without flickering. It will also be
brighter than it would be as a
–20
indicator. In
conjunction with the
RUDE SOLO LIGHT
,
you can find a rogue
SOLO
switch very quickly.
OL (MUTE) LED
Another LED that does two completely differ-
ent things! First, the “
OL
” part: “
OL
” means
overload, or clip. You don’t want that to happen.
Ever. Clipping can happen to any mixer — it’s
the point where the signal’s voltage exceeds the
supply voltages that power the circuitry. The
1604-VLZ
PRO’s
OL
LED will come on just be-
fore clipping, so if you see it, take immediate
action: Perform the
Level-Setting Procedure
.
If that doesn’t help, check for excessive use of
EQ
boost or
fader
gain. Like the
–20
LED, it will
tend to flicker in time with that channel’s signal.
Now for the “
MUTE
” part. Assuming your
levels are set correctly, the
OL
LED will never
PAN
AUX
3
1
2
EQ
5
46
5/6
SHIFT
PRE
TRIM
1
SOLO
L - R
3–4
1–2
OL
-20
U
OO
+15
U
OO
+15
U
OO
+15
U
+15-15
U
+15-15
800
2k200
8k
U
+15-15
12k
HI
MID
80Hz
LOW CUT
75 Hz
18dB/OCT
LOW
10 0
U
OO
+15
1
MUTE
M
I
C
G
A
I
N
060
+15dB -45dB
-
1
0
d
B
V
LR
OO
U

19
CONSTANT LOUDNESS ! ! !
The 1604-VLZ
PRO’s
PAN
controls employ a de-
sign called “Constant
Loudness.” It has nothing
to do with living next to a freeway. As you turn
the
PAN
knob from left to right (thereby caus-
ing the sound to move from the left to the
center to the right), the sound will appear to
remain at the same volume (or loudness).
If you have a channel panned hard left (or
right) and reading 0dB, it must dip down about
4dB on the left (or right) when panned center.
To do otherwise, like those Brand X mixers,
would make the sound appear much louder
when panned center.
3-BAND MID-SWEEP EQ
The 1604-VLZ
PRO has a 3-band, mid-sweep
equalization:
LOW
shelving at 80Hz,
MID
sweep
peaking from 100Hz to 8kHz, and
HI
shelving at
12kHz. It’s probably all the EQ you’ll ever need!
(Shelving means that the circuitry boosts or
cuts all frequencies past the specified frequency.
For example, the 1604-VLZ
PRO’s
LOW EQ
boosts bass frequencies starting at 80Hz and
continuing down to the lowest note you never
heard. Peaking means that certain frequencies
form a “hill” around the center frequency.)
The
LOW EQ
provides up to 15dB boost or cut
at 80Hz. The circuit is flat (no boost or cut) at the
center detent position. This frequency represents
the punch in bass drums, bass guitar, fat synth
patches, and some really serious male singers.
20Hz 100Hz 1kHz 10kHz 20kHz
–15
–10
–5
0
+5
+10
+15
Used in conjunction with the
LOW CUT
switch , you can boost the
LOW EQ
without
injecting a ton of subsonic debris into the mix.
We recommend using the
LOW CUT
feature on
all channels, except low frequency signals, like
kick drums and bass guitars.
The
MID EQ
, or “midrange,” has a fixed
bandwidth of 1.5 octaves. The
MID
knob sets
the amount of boost or cut, up to 15dB, and is
effectively bypassed at then center detent. The
frequency knob sets the center frequency,
sweepable from 100Hz to 8kHz.
come on as a result of clipping. That’s pretty
boring. So, to liven things up, this LED will
glow steadily when that channel’s
MUTE
switch is engaged.
If you need a quick reference to these LEDs,
write this on the back of your hand:
name color flickering glowing
–20 (SOLO) green signal is present channel is soloed
OL (MUTE) red channel is clipping channel is muted
MUTE
Engaging a channel’s
MUTE
switch pro-
vides the same results as turning the fader all
the way down: Any channel assignment to
L-R
,
1-2
or
3-4
will be interrupted. All the post
AUX
sends will be silenced, as will the
DIRECT OUT
signals on channels
1
through
8
. And of course, that fun-loving
OL
(
MUTE
)
LED will commence to glow. The
PRE AUX
sends , channel
INSERT
send and
SOLO
(in
LEVEL SET (PFL)
mode) will continue to
function during
MUTE
.
Depending on the audio content in a chan-
nel, engaging its
MUTE
switch may cause a
slight popping sound. This is not a problem
within the mixer, and it can be avoided: Sim-
ply engage the
LOW CUT
switch on each
channel (unless its low frequency content is
vitally important, such as a kick drum or bass
guitar).
LOW CUT
eliminates subsonic de-
bris, which causes the pop, and its effect is
usually transparent.
PAN
PAN
adjusts the amount of channel signal
sent to the left versus the right outputs. Pan de-
termines the fate of the
L-R
assignment,
subgroups
1–2
and
3–4
, and the
SOLO
(in
LEVEL SET (PFL)
mode). With the
PAN
knob
hard left, the signal will feed the left
MAIN MIX
,
subgroup
1
, subgroup
3
and left
NORMAL
(AFL)
solo mode (assuming their assignment
switches are engaged). With the knob hard
right, signal feeds the right
MAIN MIX
, sub-
group
2
, subgroup
4
and right
NORMAL (AFL)
solo mode. With the
PAN
knob set somewhere
in-between left and right, the signal will be di-
vided between the left and right busses.
Stereo Sources
Your life will be easier if you follow this
standard convention: When patching stereo
sound sources to a mixer, always plug the left
signal into an “odd” channel (
1
,
3
,
5
, etc.) and
the right signal into the adjacent “even” chan-
nel (
2
,
4
,
6
, etc.). Then pan the odd channel
hard left and the even channel hard right.
PAN
AUX
3
1
2
EQ
5
46
5/6
SHIFT
PRE
TRIM
1
SOLO
L - R
3–4
1–2
OL
-20
U
OO
+15
U
OO
+15
U
OO
+15
U
+15-15
U
+15-15
800
2k200
8k
U
+15-15
12k
HI
MID
80Hz
LOW CUT
75 Hz
18dB/OCT
LOW
10 0
U
OO
+15
1
MUTE
M
I
C
G
A
I
N
060
+15dB -45dB
-
1
0
d
B
V
LR
OO
U

20
20
Hz
100
Hz
1k
Hz
10k
Hz
20k
Hz
–15
–10
–5
0
+5
+10
+15
20
Hz
100
Hz
1k
Hz
10k
Hz
20k
Hz
–15
–10
–5
0
+5
+10
+15
Most of the root and lower harmonics that
define a sound are located in the 100Hz–8kHz
frequency range, and you can create drastic
changes with these two knobs. Many engineers
use
MID EQ
to cut midrange frequencies, not
boost them. One popular trick is to set the
MID
fully up, turn the frequency knob until you find
a point where it sounds just terrible, then back
the
MID
down into the cut range, causing
those terrible frequencies to disappear. Sounds
silly, but it works. Sometimes.
The
HI EQ
provides you up to 15dB boost or
cut at 12kHz, and it is also flat at the detent. Use
it to add sizzle to cymbals, an overall sense of
transparency, or an edge to keyboards, vocals, gui-
tar and bacon frying. Turn it down a little to
reduce sibilance or to mask tape hiss.
20
Hz
100
Hz
1k
Hz
10k
Hz
20k
Hz
–15
–10
–5
0
+5
+10
+15
With too much
EQ
, you can screw things up
royally. We’ve designed a lot of boost and cut
into each equalizer circuit because we know
everyone will occasionally need that. But if you
max the
EQ
on every channel, you’ll get mix
mush. Equalize subtly and use the left sides of
the knobs (cut), as well as the right (boost). If
you find yourself repeatedly using full boost or
cut, consider altering the sound source, such
as placing a mic differently, trying a different
kind of mic, changing the strings, or gargling.
LOW CUT
The
LOW CUT
switch, often referred to as a
high pass filter (all depends on how you look
at it), cuts bass frequencies below 75Hz at a
rate of 18dB per octave. This ain’t no thrown-in
dime-store filter — an 18dB per octave curve
requires an elaborate circuit. Nothing but the
best for you.
We recommend that you use
LOW CUT
on ev-
ery sound source except kick drum, bass guitar,
bassy synth patches, or recordings of earth-
quakes. These aside, there isn’t much down there
that you want to hear, and filtering it out makes
the low stuff you do want much more crisp and
tasty. Not only that, but low cut can help reduce
the possibility of feedback in live situations, and it
helps to conserve amplifier power.
With
LOW CUT
, you can safely boost
LOW
EQ
. Many times, bass shelving eq can really
benefit voices. Trouble is, adding
LOW EQ
also
boosts the subsonic debris: Stage rumble, mic
handling clunks, wind noise and breath pops.
LOW CUT
removes all that debris so you can
boost the
LOW EQ
without frying your woofer.
Here’s a frequency curve of
LOW EQ
combined
with
LOW CUT
:
20
Hz
100
Hz
1k
Hz
10k
Hz
20k
Hz
–15
–10
–5
0
+5
+10
+15
AUX 1, 2, 3, & 4
These four knobs tap a portion of each
channel’s signal, mix them together and send
them to the
AUX SEND
outputs . They are
off when turned fully down, deliver unity gain
at the center detent, and can provide up to
15dB of gain turned fully up. Chances are you’ll
never need this extra gain, but it’s nice to
know it’s there if you do.
The
AUX SEND
output are then patched to
parallel effects processor inputs or stage
monitor amp inputs.
AUX SENDS 1
and
2
lev-
els are controlled not only by the channel’s
AUX
knobs, but also by the
AUX SEND
mas-
ter knobs .
AUX SENDS
can also be used to generate
separate mixes for recording or “mix-minuses”
for broadcast. By using
AUX 1
or
2
in the
PRE
mode , these mix levels can be obtained in-
dependently of a channel’s fader settings.
PAN
AUX
3
1
2
EQ
5
46
5/6
SHIFT
PRE
TRIM
1
SOLO
L - R
3–4
1–2
OL
-20
U
OO
+15
U
OO
+15
U
OO
+15
U
+15-15
U
+15-15
800
2k200
8k
U
+15-15
12k
HI
MID
80Hz
LOW CUT
75 Hz
18dB/OCT
LOW
10 0
U
OO
+15
1
MUTE
M
I
C
G
A
I
N
060
+15dB -45dB
-
1
0
d
B
V
LR
OO
U

21
We recommend going into a stereo reverb in
mono and returning in stereo. We have found
that on most “stereo” reverbs, the second input
just ties up an extra aux send and adds nothing
to the sound. There are exceptions, so feel free
to try it both ways. Should you choose to use two
aux sends, use the “odd”
AUX
(
1
,
3
or
5
) to feed
its left input and the “even”
AUX
(
2
,
4
or
6
) to
feed the right input. Remember, if you’re also
dealing with a stereo source signal, you’ll want
to follow the sides — use the odd
AUX
on the
channel carrying the left side and the even
AUX
on the channel carrying the right.
PRE
This switch determines the tap point of
AUX 1
and
2
. Generally, “post” sends are used
to feed effects devices, and “pre” sends are
used to feed your stage monitors. See the “Pre
vs. Post” diagram below.
AUX 3
through
6
are
always in post mode.
In post mode (switch up),
AUX 1
and
2
will
follow the
EQ
,
LOW CUT
, fader and
MUTE
set-
tings. If you fade the channel, you fade the
send. This is a must for effects sends, since you
want the levels of your “wet” signals to follow
the level of the “dry.”
PAN
AUX
3
1
2
EQ
5
46
5/6
SHIFT
PRE
TRIM
1
SOLO
L - R
3–4
1–2
OL
-20
U
OO
+15
U
OO
+15
U
OO
+15
U
+15-15
U
+15-15
800
2k200
8k
U
+15-15
12k
HI
MID
80Hz
LOW CUT
75 Hz
18dB/OCT
LOW
10 0
U
OO
+15
1
MUTE
M
I
C
G
A
I
N
060
+15dB -45dB
-
1
0
d
B
V
LR
OO
U
Pre Vs. Post
In
PRE
mode (switch down),
AUX 1
and
2
follow the
TRIM
and
LOW CUT
settings only.
EQ
,
PAN
, fader and
MUTE
settings have no ef-
fect on the
PRE
sends. This is the preferred
method for setting up stage monitor feeds —
they’ll be controlled independently of the fader
and mute moves.
5/6 SHIFT
Don’t let the fact that there’s only four
AUX
knobs per channel fool you — the 1604-VLZ
PRO has six
AUX SEND
s. With the
5/6 SHIFT
switch up, the knobs labeled
AUX 3
and
AUX
4
deliver their signals to
AUX SEND 3
and
4
out-
puts. With the shift switch down, the signals
appear at the
AUX SEND 5
and
6
outputs.
We recommend that
AUX SEND 3
and
4
be
patched into your “utility” effects, like a short re-
verb and slap delay; effects you use all the time.
Use
AUX SEND 5
and
6
for “exotic” effects, like
harmonizers and multi-tap delays; they are not
likely to be used as often.
INPUT TRIM INSERT LOW
CUT EQ
PAN ASSIGN
MUTE
FADER
'POST' SIGNAL
'PRE' SIGNAL
PRE SWITCH
AUX 1
AUX 2

22
AUX
SEND
STEREO AUX RETURN
EFFECTS TO
MONITORS
TO AUX
SEND 2
TO AUX
SEND 1
1
2
PWR
PHAN
SOLO
SOLO
1
2
1
2
3
4
1
2
C-R / PHNS
ONLY
RETURNS
SOLO
MAIN MIX
TO SUBS
ASSIGN OPTIONS
1–2
3–4
U
OO
+20
U
OO
+20
U
OO
+15
U
OO
+15
U
OO
+20
U
OO
+20
U
OO
+10
U
OO
+10
LEFT RIGHT
PHONES
LAMP
12 V
0.5A
TAPE IN
SOLO
RUDE
SOLO
LIGHT
CTL ROOM / PHONES
SUBS 3–4
SUBS 1–2
MAIN MIX
CTL ROOM
SOURCE
TAPE TAPE TO
MAIN MIX
MAIN
MIX
RIGHT
1234
LEFT
RIGHT
LEFT
RIGHT
LEFT
RIGHT
LEFT
28
10
7
4
2
2
0
4
7
10
20
30
ASSIGN TO MAIN MIX
LEVEL
SET
MODE
(AFL)
LEVEL SET
NORMAL
(PFL)
U
OO
+20
OO
OO
MAX
0 dB=0 dBu
MAX
dB
30
20
10
OO
40
50
5
5
U
60
10
dB
30
20
10
OO
40
50
5
5
U
60
10
1604-VL Z PRO
16-CHANNEL MIC/ LINE MIXER
WITH PREMIUM XDR
TM
MIC PREAMPLIFIERS
At Mackie, audio quality is much more im-
portant than the price of wall warts. All of our
mixers now employ VLZ and built-in power
supplies that deliver more than enough cur-
rent, resulting in sonic specifications that
rival consoles upwards of $50,000!
SUBGROUP FADERS
As you might expect, these faders control the
levels of signals sent to the
SUB OUTS
. All chan-
nels that are assigned to subgroups, not muted
and not turned fully down will appear at the
SUB OUTS
. Unlike the
MAIN OUT
, the sub-
group signals do not pass through an insert jack
on their way to the subgroup faders. That’s no
problem — should you want to send these sig-
nals through a serial effects processor, simply
patch from the
SUB OUTS
to the effect’s input,
and from the effect’s output to whatever the fi-
nal destination is, usually a multitrack recorder.
The subgroup signals is off when its fader is
fully down, the “
U
” marking is unity gain, and
fully up provides 10dB additional gain. Re-
member that if you’re treating two subgroups
as a stereo pair, subgroup
1
and
2
for example,
make sure that both subgroup faders “ride”
together, to maintain the left/right balance.
ASSIGN TO MAIN MIX
One popular use of the subgroups is to use
them as master faders for a group of channels
on their way to the
MAIN MIX
. Let’s say you’ve
got a drum kit hogging up seven channels and
you’re going to want to fade them out at a differ-
ent rate than the other channels. You don’t want
to try that with seven hands or seven fingers, so
just un-assign these channels from
L–R
, reassign
them to subgroup
1–2
, engage the
ASSIGN TO
MAIN MIX, LEFT
on subgroup
1
and the
AS-
SIGN TO MAIN MIX, RIGHT
on subgroup
2
.
Now you can ride the entire stereo drum mix
with two faders —
1
and
2
.
If you engage just one
ASSIGN TO MAIN
MIX
switch per subgroup
(
LEFT
or
RIGHT
),
the signal sent to the
MAIN MIX
will be the
same level as the
SUB OUTS
. If you want the
subgroup to appear in the center of the main
mix, engage both the
ASSIGN TO MAIN MIX,
LEFT
and
ASSIGN TO MAIN MIX, RIGHT
switches. The signal will be sent to both sides,
and will be attenuated just enough to pre-
serve constant loudness , just like the
channel
PAN
knobs when set center.
OUTPUT SECTION DESCRIPTION
You’ve just learned about the
input channels and how the sig-
nals get in and out. The signals
come in via
MIC
and
LINE
input
jacks, are manipulated by the
channels, and then sent to the
output section. In the output
section, things get a bit more
complicated, so put on your
thinking caps.
MAIN MIX FADER
This fader controls the lev-
els of signals sent to the
MAIN
OUT
1
/
4
" TRS jacks and
TAPE OUTPUT
RCA jacks .
All channels and
AUX
RETURN
s that are assigned to
the
MAIN MIX
, not muted and
not turned fully down will ap-
pear at the
MAIN OUT
. Before
the main mix gets to this fader,
the signals pass through the
MAIN INSERT
.
The
MAIN MIX
signals are
off with the fader fully down,
the “
U
” marking is unity gain,
and fully up provides 10dB ad-
ditional gain. This additional
gain will typically never be
needed, but once again, it’s
nice to know it’s there. The
fader itself is a stereo version
of the channel and subgroup
faders — same supersmooth
custom taper, same dead si-
lence when turned fully down.
This is the fader to pull down
at the end of the song when
you want “The Great Fade-Out.”
VLZ MIX
ARCHITECTURE
When designing a mixing
circuit, the lowest noise and
best crosstalk specs are
achieved by using Very Low Impedance (VLZ).
To implement VLZ in a mixer, the power supply
must be able to deliver plenty of current to the
circuitry. That’s why those “wall wart” mixers are
often noisy — they can’t power a VLZ circuit.

23
Now you know how to select the signals you
want to send to the engineer’s control room
and/or phones. From there, these signals all pass
through the same level control, aptly named:
CTL ROOM/PHONES
As you might expect, this knob controls the
levels of both the stereo
C-R OUTS
and
PHONES
output . The control range is from
off through unity gain at the detent, with 10dB
of extra gain (when turned fully clockwise).
When
MAIN MIX
is your
SOURCE
selection,
those signals will now pass through two level
controls on the way to your control room amp
and headphones — the
MAIN MIX
fader and
this
CTL ROOM/PHONES
knob. This way, you
can send a nice healthy level to the
MAIN
OUT
jacks (
MAIN MIX
fader at “
U
”), and a
quieter level to the
C-R OUTS
or
PHONES
(
CTL ROOM/PHONES
knob wherever you like
it).
Whatever your selection, you can also use the
C-R OUTS
for other applications. Its sound
quality is just as impeccable as the
MAIN OUT
outputs. It can be used as additional main mix
output and this one will have its own level con-
trol. However, should you do this, be aware that
if you engage a
SOLO
switch, that will interrupt
the mix, as we’ve already covered .
Once again, engaging a
SOLO
switch will
cause this dramatic turn of events: Any existing
SOURCE
matrix selections will be replaced by
the
SOLO
signals, appearing at the
C-R OUTS
,
PHONES
output and at the meter display. The
audible solo levels are controlled by the
SOLO
level knob. The
SOLO
levels appearing on the
meter display are not controlled by anything
— you wouldn’t want that. You want to see the
actual channel level on the meter
display,
regardless of how loud you’re listening.
TAPE IN (LEVEL)
This knob controls the level of the stereo signal
coming from the
TAPE INPUT
RCA jacks. Its range
is off when fully down, unity at the center detent,
with 20dB additional gain turned fully up, which
may come in handy if you’ve patched in a
“walkperson” type device with wimpy output levels.
After the
TAPE IN
level is determined, the stereo
tape signal can be sent to either of two places —
the
MAIN MIX
or the
SOURCE
matrix .
TAPE TO MAIN MIX
Engaging this switch is just like engaging
the
L-R
switch on a channel — the signal,
stereo in this case, is sent to the
MAIN MIX
. It
does not interrupt other signals, just adds itself
to them. This switch can be very handy in a
live sound situation when you want to play
soothing elevator music to an anxious crowd.
WARNING: Engaging
TAPE TO MAIN MIX
can
create a feedback path be-
tween
TAPE INPUT
and
TAPE OUTPUT
. Make sure
your tape deck is not in record, record-
pause or input monitor mode when you
engage this switch, or that the
TAPE IN
level knob is turned fully down.
SOURCE
Typically, the engineer sends the main mix
to an audience (if live) or to a mixdown deck
(if recording). But what if the engineer needs
to hear something other than the main mix?
With the New Improved 1604-VLZ
PRO, the en-
gineer has several choices of what to listen to.
This is one of those tricky parts — have a
double espresso first.
Via the
SOURCE
switches, you can choose to
listen to any combination of
MAIN MIX
,
SUBS
1-2
,
SUBS 3-4
and
TAPE
. Selections made in the
SOURCE
matrix deliver stereo signals to the
C-R OUTS
,
PHONES
output and meter
display.
These signals are tapped after their respective
level controls — post-
MAIN MIX
fader, post
subgroup faders and post-
TAPE IN
knob. With
no switches engaged, there will be no signal at
these outputs and no meter indication, with two
exceptions
(SOLO
/ and
AUX RETURN 4
).
One of those exceptions is the
SOLO
func-
tion /. Regardless of the
SOURCE
matrix
selection, engaging a
SOLO
switch will replace
that selection with the
SOLO
signal, also sent
to the
C-R OUTS
,
PHONES
output and meter
display. This is what makes the
Level-Setting
Procedure
so easy to do.
LEFT RIGHT
TAPE IN
SOLO
RUDE
SOLO
LIGHT
CTL ROOM / PHONES
SUBS 3–4
SUBS 1–2
MAIN MIX
CTL ROOM
SOURCE
TAPE TAPE TO
MAIN MIX
28
10
7
4
2
2
0
4
7
10
20
30
LEVEL
SET
MODE
(AFL)
LEVEL SET
NORMAL
(PFL)
U
OO
+20
OO
OO
MAX
0 dB=0 dBu
MAX

24
MODE (NORMAL (AFL)/LEVEL SET (PFL))
You may have already seen this, but in case
you missed it: The 1604-VLZ PRO’s solo system
comes in two flavors:
NORMAL (AFL)
(sometimes
called SIP, or solo-in-place) and
LEVEL SET (PFL)
(sometimes called PFL, or pre-fader-listen).
In
NORMAL (AFL)
, the soloed
channel’s signal is sent directly to
the
C-R OUTS
,
PHONES
output
and meter
display just as it would
sound to the channel’s assign-
ment switches: post-
EQ
,
post-fader and post-
PAN
. The
only difference is that
SOLO
works regardless of the channel’s
assignment
positions, and that
makes it really handy — you can
check out a channel before you assign it.
NORMAL (AFL)
is the preferred mode dur-
ing mixdown: If the channel has some
midrange boost at 4.236kHz, is panned a smid-
gen to the left, and its fader is at –5.385dB,
that’s exactly what you’ll hear if you
SOLO
dur-
ing
NORMAL (AFL)
mode. It’s just as if you
took the time to
MUTE
all the other channels.
LEVEL SET (PFL)
solo is the key player in the
all-important
Level-Setting Procedure
. It’ll
send the channel’s actual internal levels to the
meters so you’ll know just what’s going on, level-
wise. This procedure should be performed every
time a new sound source is patched into a
channel’s
MIC
or
LINE
input jacks.
LEVEL SET (PFL)
is also the preferred mode
for SR (sound reinforcement, or live sound), to
preview channels before they are let into the
mix. It won’t give you stereo placement, but will
give you signal even if the fader is turned down.
Remember,
LEVEL SET (PFL)
taps the chan-
nel signal before the fader. If you have a
channel’s fader set way below “
U
” (unity gain),
SOLO
won’t know that and will send a unity
gain signal to the
C-R OUTS
,
PHONES
output
and meter
display. That may result in a star-
tling level boost at these outputs, depending
on the position of the
SOLO
level knob .
LEVEL SET LED
To quote step 6 of the
Level-Setting
Procedure
, “Push in the
MODE
switch in
the output section (
LEVEL SET (PFL)
mode) —
the
LEVEL SET
LED will light.” When the solo
MODE
switch is engaged, it’s in
LEVEL SET
(PFL)
mode, the mode you must be in to set
levels. Now, when you engage any solo switch,
this LED will be a “green light” to set levels. If
you tried to set levels during
NORMAL (AFL)
mode, the meter
display would be at the
mercy of the channel fader, and that would be
a big problem.
SOLO (LEVEL)
This knob controls the level of the signals
coming from the
SOLO
system. It’s range is off
when fully down, unity at the center detent,
with 10dB additional gain turned fully up. After
the
SOLO
level is determined, the
SOLO
signals
will proceed to take over the
C-R OUTS
,
PHONES
output and meter display .
Once again,
LEVEL SET (PFL) SOLO
taps
the channel signal before the fader. If you
have a channel’s fader set way below “
U
”
(unity gain),
LEVEL SET (PFL) SOLO
won’t
know that and will send a unity gain signal to
the
C-R OUTS
,
PHONES
output and meter
display. That may result in a startling level
boost at these outputs, depending on the
position of the
SOLO
level knob.
RUDE SOLO LIGHT
This flashing LED (light emitting diode)
serves two purposes — to remind you that
you’re in
SOLO
, and to let you know that
you’re mixing on a Mackie. No other company
is so concerned about your level of
SOLO
awareness. We even force the soloed chan-
nel’s
–20
LED to play along, so you can find
that rogue switch fast.
If you work on a mixer that has a
SOLO
function with no indicator lights, and you
happen to forget you’re in
SOLO
, you can eas-
ily be tricked into thinking that something is
wrong with your mixer. Hence the
RUDE
SOLO LIGHT
. It’s especially handy at about
3:00 in the morning, when no sound is coming
out of your monitors, even though your multi-
track is playing back like mad.
LEFT RIGHT
TAPE IN
SOLO
RUDE
SOLO
LIGHT
CTL ROOM / PHONES
SUBS 3–4
SUBS 1–2
MAIN MIX
CTL ROOM
SOURCE
TAPE TAPE TO
MAIN MIX
28
10
7
4
2
2
0
4
7
10
20
30
LEVEL
SET
MODE
(AFL)
LEVEL SET
NORMAL
(PFL)
U
OO
+20
OO
OO
MAX
0 dB=0 dBu
MAX

25
METERS
The 1604-VLZ PRO’s peak metering system is
made up of two columns of twelve LEDs. Decep-
tively simple, considering the multitude of signals
that can be monitored by it. If nothing is selected
in the
SOURCE
matrix and no channels are in
SOLO
, the meter display will just sit there. To
put them to work, you must make a selection in
the
SOURCE
matrix (or engage a
SOLO
switch).
Why? You want the meter display to reflect
what the engineer is listening to, and as we’ve
covered, the engineer is listening either to the
C-R OUTS
or the
PHONES
output. The only
difference is that while the listening levels are
controlled by the
CTL ROOM/PHONES
knob,
the meter display reads the
SOURCE
mix be-
fore that control, giving you the real facts at all
times, even if you’re not listening at all.
When the solo
MODE
switch is set to
LEVEL
SET (PFL)
(down) , all soloed signals will be
sent to the left meter only. That, combined
with
LEVEL SET
LED , are along the path of
enlightenment known as the
Level-Setting
Procedure
. During
NORMAL (AFL)
mode,
the meters will behave normally.
Meters vs. Reality
You may already be an
expert at the world of “+4”
(+4dBu=1.23V) and “–10”
(–10dBV=0.32V) operating
levels. Basically, what makes a mixer one or
the other is the relative 0dB VU (or 0VU) cho-
sen for the meter
display. A “+4” mixer, with a
+4dBu signal pouring out the back will actu-
ally read 0VU on its meter
display. A “–10”
mixer, with a –10dBV signal trickling out, will
read, you guessed it, 0VU on its meter
display.
So when is 0VU actually 0dBu? Right now!
At the risk of creating another standard,
Mackie’s compact mixers address the need of
both crowds by calling things as they are: 0dBu
(0.775V) at the output shows as 0VU on the
meter
display. What could be easier? By the
way, the most wonderful thing about standards
is that there are so many to choose from.
Thanks to the 1604-VLZ PRO’s wide dy-
namic range, you can get a good mix with
peaks flashing anywhere between –20 and
+10dB on the
meter
display. Most amplifiers
clip at about +10dB, and some recorders aren’t
so forgiving either. For best real-world results,
try to keep your peaks between “0” and “+7.”
Please remember: Audio meter displays are
just tools to help assure you that your levels
are “in the ballpark.” You don’t have to stare at
them (unless you want to).
AUX TALK
First of all, there is no particular alliance
between
AUX SEND 1
and
AUX RETURN 1
.
They’re just numbers. They’re like two com-
plete strangers, both named Fred.
Sends are outputs, returns are inputs. The
AUX
knob taps the signal off the channel
and sends it to the
AUX SEND
outputs .
AUX 1
and
2
are sent to the
AUX SENDS 1
and
2
master knobs before the
AUX SEND
outputs and
AUX 3
through
6
are sent directly.
These outputs are fed to the inputs of a re-
verb or other device. From there, the outputs of
the external device are fed back to the mixer’s
AUX RETURN
inputs . Then these signals are
sent through the
AUX RETURN
level controls,
and finally delivered to the
MAIN MIX
.
So, the original “dry” signals come from the
channels to the
MAIN MIX
and the affected
“wet” signals come from the
AUX RETURNS
to
the
MAIN MIX
, and once mixed together, the
dry and wet signals combine to create a glori-
ous sound. Armed with this knowledge, let’s
visit the Auxiliary World:
AUX SENDS (MASTER)
These knobs provide overall level control of
AUX
SENDS 1
and
2
, just before they’re delivered to their
AUX SEND
outputs . This is perfect for control-
ling the level of stage monitors, since you’ll be using
AUX 1
and
2
for this, with their
PRE
switches en-
gaged .
AUX SENDS 3
through
6
have no such control — they’ll
just send their mixes directly to
their respective
AUX SEND
out-
puts at unity gain.
This knob goes from off (turned
fully down), to unity gain at the
center detent, with 10dB of extra
gain (turned fully up). As with
some other level controls, you may
never need the additional gain, but
if you ever do, you’ll be glad you
bought a Mackie.
This is usually the knob you
turn up when the lead singer
glares at you, points at his stage
monitor, and sticks his thumb in
the air. (It would follow suit that if
the singer stuck his thumb down,
you’d turn the knob down, but
that never happens.)
AUX
SEND
STEREO AUX RETURN
EFFECTS TO
MONITORS
TO AUX
SEND 2
TO AUX
SEND 1
1
2
PWR
PHAN
SOLO
SOLO
1
2
1
2
3
4
1
2
C-R / PHNS
ONLY
RETURNS
SOLO
MAIN MIX
TO SUBS
ASSIGN OPTIONS
1–2
3–4
U
OO
+20
U
OO
+20
U
OO
+15
U
OO
+15
U
OO
+20
U
OO
+20
U
OO
+10
U
OO
+10
LEFT RIGHT
LAMP
12 V
0.5A
TAPE IN
SOLO
RUDE
SOLO
LIGHT
CTL ROOM / PHONES
SUBS 3–4
SUBS 1–2
MAIN MIX
CTL ROOM
SOURCE
TAPE TAPE TO
MAIN MIX
28
10
7
4
2
2
0
4
7
10
20
30
LEVEL
SET
MODE
(AFL)
LEVEL SET
NORMAL
(PFL)
U
OO
+20
OO
OO
MAX
0 dB=0 dBu
MAX
1604-VL Z PRO
16-CHANNEL MIC/ LINE MIXER
WITH PREMIUM XDR
TM
MIC PREAMPLIFIERS

26
AUX SENDS SOLO
Once again, in a live sound situations
AUX
SEND 1
and
2
are likely to feed your stage
monitors. You’ll want to check the mix you’re
sending them, and that’s what these two but-
tons are for. (
AUX 3
through
AUX 6
have no
such switch.) Beside each switch is a green
LED that, just like the channel’s
–20
LED ,
helps you find the rogue
SOLO
switch.
The only thing different about
AUX SENDS
SOLO
is that it’s not really PFL (pre-fader lis-
ten), and it’s not really SIP (solo-in-place), it’s
actually AFL (after-fader listen, and yes, we
know there’s no fader in this case.) During
NORMAL (AFL)
mode , you’ll get
AUX
SEND 1
’s solo signal, post-
AUX SENDS
master
level, in the left side of the
C-R OUTS
,
PHONES
output and meter display, and
AUX
SEND 2
on the right side. (If you ever use
AUX
1
and
2
to create a stereo monitor mix, you’ll
understand why.) In
LEVEL SET (PFL)
mode,
you’ll get the signal dead-center, but still post-
AUX SENDS
master level.
AUX RETURNS (LEVEL)
These four controls set the overall level of
effects received from the stereo
AUX RETURN
input jacks . These controls are designed to
handle a wide range of signal levels — each
knob goes from off, to unity gain at the detent,
to 20dB gain fully clockwise, to compensate for
low-level effects. Signals passing
through the
STEREO AUX
RETURN
level controls will pro-
ceed directly to the
MAIN MIX
fader , with exceptions that
we’ll discuss in a moment.
Typically, these knobs can
just live at the center detent,
and the effects device’s output
control should be set at what-
ever they call unity gain (check
their manual). If that turns out
to be too loud or too quiet, ad-
just the effects device’s outputs,
not the mixer. That way, the
mixer’s knobs are easy to
relocate at the center detent.
EFFECTS TO MONITORS
If you want to add reverb or delay to the
stage monitor mixes, these are the knobs for
you. Operating independently of their respec-
tively numbered
AUX RETURNS
level controls,
these knobs are exactly the same as the
AUX 1
and
AUX 2
knobs found in the channel strip .
These two knobs feed
AUX RETURN
signals
to their respective
AUX SEND
outputs :
TO
AUX SEND 1
feeds
AUX RETURN 1
to
AUX
SEND 1
master, and
TO AUX SEND 2
feeds
AUX RETURN 2
to
AUX SEND 2
master. They
are off when turned fully down, deliver unity
gain at the center detent, and can provide up
to 15dB of gain turned fully up.
AUX RETURN
3
and
AUX RETURN 4
have no such knobs.
MAIN MIX TO SUBS (AUX RET 3)
With this switch up,
AUX RETURN 3
behaves like all the others — it delivers a
stereo signal, regulated by its level knob, to the
MAIN MIX
. When you engage this switch,
the signals are removed from the
MAIN MIX
buses and sent to the
1-2/3-4
switch, which di-
verts the signal once more. We’re not finished.
Please read on.
1–2/3–4 (AUX RET 3)
As you’ve just read, if the
MAIN MIX TO
SUBS
switch is disengaged, the
1–2/3–4
switch
does absolutely nothing. Let’s now assume it’s
engaged.
AUX RETURN 3
’s stereo signal will not
be sent to the
MAIN MIX
, but to subgroup fad-
ers
1
and
2
(
1–2/3–4
switch up) or subgroup
faders
3
and
4
(switch down).
Let’s say you’ve made a stereo drum submix on
subgroup faders
1
and
2
, so you can ride those
two faders instead of the seven channels that the
drums came from. Subgroup fader
1
has its
ASSIGN TO MAIN MIX, LEFT
button engaged
and subgroup fader
2
has its
ASSIGN TO MAIN
MIX, RIGHT
button engaged, blending the drum
submix back into the
MAIN MIX
. The drum
channels are also sending signals to your reverb
via the
AUX
sends and the reverb outputs are
patched into
AUX RETURN 3
. So far so good.
Even though you could send
AUX RETURN 3
directly to the
MAIN MIX
(
MAIN MIX TO SUBS
switch up), you don’t want to. Instead, engage
the
MAIN MIX TO SUBS
switch and make sure
the
1–2/3–4
switch is up. Now the reverb return
will be blended into the drum submix, and as
you ride those two faders, the reverb level will
follow.
Why do we want that? Because if you had
just sent the reverb directly to the
MAIN MIX
AUX
SEND
STEREO AUX RETURN
EFFECTS TO
MONITORS
TO AUX
SEND 2
TO AUX
SEND 1
1
2
PWR
PHAN
SOLO
SOLO
1
2
1
2
3
4
1
2
C-R / PHNS
ONLY
RETURNS
SOLO
MAIN MIX
TO SUBS
ASSIGN OPTIONS
1–2
3–4
U
OO
+20
U
OO
+20
U
OO
+15
U
OO
+15
U
OO
+20
U
OO
+20
U
OO
+10
U
OO
+10
LEFT RIGHT
LAMP
12 V
0.5A
TAPE IN
SOLO
RUDE
SOLO
LIGHT
CTL ROOM / PHONES
SUBS 3–4
SUBS 1–2
MAIN MIX
CTL ROOM
SOURCE
TAPE TAPE TO
MAIN MIX
28
10
7
4
2
2
0
4
7
10
20
30
LEVEL
SET
MODE
(AFL)
LEVEL SET
NORMAL
(PFL)
U
OO
+20
OO
OO
MAX
0 dB=0 dBu
MAX
1604-VL Z PRO
16-CHANNEL MIC/ LINE MIXER
WITH PREMIUM XDR
TM
MIC PREAMPLIFIERS

27
(
MAIN MIX TO SUBS
switch up) and you did a
drum fade-out using subgroup faders
1
and
2
,
the “dry” signals would fade out, but the “wet”
signals would keep on singing. All you would
hear is the drum reverb (the “wet”), and none of
the original drum signals (the “dry”). That’s be-
cause the reverb is being fed by the channel’s
AUX
sends, and they have no idea that you’ve
pulled down the subgroup faders. That’s why we
threw in these switches.
C-R/PHNS ONLY (AUX RET 4)
Once again, the default for all the
STEREO
AUX RETURNS
is to feed them directly into
the
MAIN MIX
. You’ve just learned about the
optional exceptions involving
AUX RETURN 3
.
AUX RETURN 4
also has an optional excep-
tion: By engaging the
C-R/PHNS
switch, you
will remove
AUX RETURN 4
’s stereo signal
from the
MAIN MIX
and send it directly to the
CTL ROOM/PHONES SOURCE
matrix . It
matters not if any of the
SOURCE
matrix
switches are assigned, but it will be inter-
rupted, as usual, if a
SOLO
switch is engaged.
Let’s pretend you’re doing a live mix to a
2-track deck, a house PA, or both, and you
want to play along to a click track. You could
run the click track directly into the
MAIN MIX
,
but you don’t want the mixdown deck and/or
audience to hear it. By gum, this is the switch
for you. Similarly, it can be used for voice-over
tracks, narration, anything you want heard by
the engineer and players but not by the audi-
ence and mixdown deck.
RETURNS SOLO
This switch operates just like the channel
SOLO
switches — engaging it sends signals to
the
C-R OUTS
,
PHONES
output and meter dis-
play and interrupts whatever happened to be
there before you soloed. It follows the
MODE
switch setting as well. The only difference is
that when you engage the
RETURNS SOLO
switch, it sends all four
STEREO AUX RETURNS
signals to the
SOLO
circuit.
Assume you want to solo the snare drum.
Hit that channel’s
SOLO
switch, and you get
the “dry” (no effects) snare only. That helps,
but you want to hear it with the reverb you
have patched into an
AUX RETURN
. Leaving
that channel’s
SOLO
switch engaged, also en-
gage the
RETURNS SOLO
switch, and now
you’ll get the dry snare and its reverb.
Since it is a global feature, you’ll also get
the signals from all the other
AUX RETURNS
,
so there may be some sounds that you didn’t
want to hear. If they offend your sensibilities,
simply turn down the levels of the
STEREO
AUX RETURNS
you don’t want to hear, or
MUTE
the channels feeding the unwanted sig-
nal to the effects device you do want to hear.
Congratulations! You’ve just read about all
the features of your 1604-VLZ
PRO. You’re prob-
ably ready for a cold one. Go ahead. The rest of
the manual can wait.
MODIFICATIONS
For most folks, the 1604-VLZ PRO works just
fine the way it is. But for special applications,
there are two signal routing changes that can be
performed easily on the 1604-VLZ PRO. Easy for
someone with soldering experience, that is. If
you don’t know how to solder, find a technician
that can. This is NOT a good place to learn!
• Modification A changes AUX SEND 1 and 2,
with the pre switch engaged, to be
post-EQ instead of pre-EQ.
• Mod B changes the SOURCE matrix’s
MAIN MIX selection to tap the stereo
signal before the MAIN MIX level control
(pre) instead of after (post).
Instructions for performing these modifications
can be found on our website at www.mackie.com
(click on Support). Or you can call Tech Support
at 1-800-258-6883 for assistance.
STEREO AUX RETURN
3
4
C-R / PHNS
ONLY
RETURNS
SOLO
MAIN MIX
TO SUBS
ASSIGN OPTIONS
1–2
3–4
U
OO
+20
U
OO
+20

28
1604-VLZ PRO BLOCK DIAGRAM
MAIN L
SUB 3
MAIN R
SUB 2
SUB 1
SUB 4
AUX 1
AUX 2
AUX 3
AUX 4
AUX 5
AUX 6
SIP L
SIP R
PFL
LOGIC
75Hz
HPF
MID HI
80 100–8K 12K
LO L
R
1
2
3
4
SIP L
SIP R
PFL
PHANTOM POWER
(GLOBAL SWITCH TRIM
MIC IN
LINE IN
DIRECT OUT
(CH'S 1–8 ONLY)
INSERT
LOW CUT
–20 (FLICKER)
SOLO (GLOW)
OL (FLICKER)
MUTE (GLOW)
EQ
GAIN FREQ
FADER
MUTE
PAN ASSIGN
PRE
AUX 1
AUX 2
AUX 3
AUX 4
SHIFT 5/6
INPUT CHANNEL
(1 OF 16)
AUX RETURN 1
AUX RETURN 2
AUX RETURN 4
AUX RETURN 3
L
R
L
R
L
R
L
R
EFX TO
MON
LEVEL
LEVEL
LEVEL
LEVEL
ASSIGN TO
C-R/PHNS
ONLY
MAIN/SUBS
1–2/3–4
EFX TO
MON
SOLO
TO SOLO LED
SIP L
SIP R
PFL
SOLO
MACKIE 1604-VLZ PRO
SIGNAL FLOW
1/99
CR/PHN L
CR/PHN R
SOLO
RELAY
ASSIGN
TO MIX
MAIN MIX
INSERT
FADER R
MAIN MIX MONO OUT
MAIN MIX LEFT OUT
TAPE OUT LEFT
TAPE OUT RIGHT
MAIN MIX RIGHT OUT
METERS
(0VU = 0dBu)
TAPE IN
L
R
TAPE LEVEL
C-R/
PHONES
SOURCE
MAIN
TAPE
1–2
RUDE SOLO LED
C-R/PHONES MIX
C-R/
PHONES
LEVEL CONTROL ROOM OUT
L
R
PHONES OUT
SIP/PFL
SOLO LEVEL
SOLO MIX
SUB 1 MIX
FADER
FADER
ASSIGN TO MAIN MIX
L
R
SUB 1 OUT
SUBMIX 1
(SUBMIX 3 IDENTICAL)
SUB 2 MIX
ASSIGN TO MAIN MIX
L
R
SUB 2 OUT
SUBMIX 2
(SUBMIX 4 IDENTICAL)
AUX MIX
LEVEL
AUX SEND 1
(#2 IDENTICAL)
AUX 1 OUT
AUX SEND 3
(#4–6 IDENTICAL)
AUX 3 OUT
SOLO
3–4
(FROM SUB 3 OUT)
(FROM SUB 4 OUT)
22
10
7
4
2
0
2
4
7
10
20
30
LEVEL SET
(PFL) LED
MONO LEVEL

29
GAIN STRUCTURE DIAGRAM
+22dBu max in
15dB loss, TRIM down
45dB gain, TRIM up
LINE IN, all channels
MIC IN, all channels
60dB gain, TRIM up
0dB gain, TRIM down
+22dBu max in +15dB up
–15dB
down –15dB
down –15dB
down
LOW
+15dB up
MID
+15db up
HIGH
+10dB up
FADER PAN
–4dB center
EQ MIX
0dB 1/4" Unbal Out
and RCA Tape Out
+6dB (1/4" bal, Main Mix only)
OUTPUTS
CHANNEL MAIN MIX & SUBMASTERS
to ‘A’‘A’
to ‘A’
to ‘D’
(from Main Mix,
Subs and Tape In)
0dB
0dB
‘D’
+10dB up
OUTPUT
0dB
SOURCE Matrix MIX LEVEL
CONTROL ROOM / PHONES
‘C’
‘B’0dB
From ‘B’
+10dB up
Channel SEND AUX MIX AUX 1 & 2 Master
0dB
OUTPUT
AUX SEND
INPUT
+20dB up
to ‘C’
0dB
LEVEL
AUX RETURN
+22dBu max out (1/4" unbal & RCA)
+28dBu max out (1/4" bal, Main Mix only)
+22dBu max out +22dBu max in
+22dBu max out
to ‘C’
FADER
+10dB up
(Insert
Send)
(Insert
Return)
Insert point
(Main Mix only)
–6dB 0dB 0dB
+15dB up
+20db up
TAPE IN
0dB
LEVEL
to ‘D’
+15db up
SOLO
0dB
LEVEL
to ‘D’
MACKIE 1604-VLZ PRO
LEVEL DIAGRAM

30
SPECIFICATIONS
Main Mix Noise
20Hz–20kHz bandwidth,
1
⁄
4
" Main Out, channel Trims @
unity gain, channel EQs flat, all channels assigned to Main Mix,
odd channels panned left, even channels panned right
Main Mix fader unity, channel faders down: –86.5dBu
(90dB Signal to Noise Ratio, ref +4dBu)
Main Mix fader @ unity, channel faders @ unity: –84.0dBu
Total Harmonic Distortion (THD)
1kHz @ +14dBu: 20Hz–20kHz
Mic in to Main out: below 0.0007%
Attenuation (Crosstalk)
1kHz relative to 0dBu, 20Hz–20kHz bandwidth,
Line in,
1
⁄
4
" Main Out, Trim @ unity
Channel Mute switch engaged: –84dBu
Channel Gain knob down: –84dBu
Frequency Response
Mic input to any output
20Hz to 60kHz: +0dB/–1dB
20Hz to 100kHz: +0dB/–3dB
Equivalent Input Noise (EIN)
Mic in to Insert Send out, max gain
150 ohm termination: –129.5dBm unweighted
Common Mode Rejection (CMR)
Mic in to Insert Send out, max gain
1kHz: better than 90dB
Maximum Levels
Mic in: +22dBu
All other inputs: +22dBu
Main Mix
1
⁄
4
" TRS outputs: +28dBu
All other outputs: +22dBu
Impedances
Mic in: 1.3 kilohms
Channel Insert return: 2.5 kilohms
All other inputs: 10 kilohms or greater
Tape out: 1.1 kilohms
All other outputs: 120 ohms
EQ
High Shelving: ±15db @ 12kHz
Mid Peaking: ±15dB, sweep 100Hz–8kHz
Low Shelving: ±15db @ 80Hz
Low Cut Filter: 18dB/octave, –3dB @ 75Hz
Power Consumption
120VA.C., 50/60Hz, 50 watts
Fuse Ratings
120V: 1A Slo Blo, 5 x 20mm
220–240V: 0.5A Slo Blo, 5 x 20mm
Weight
20 lbs. (9.1kg)
17.9" (454.7mm)
11 rack spaces 17.6" (447.0mm)
10 rack spaces
13.0" (325.1mm)
8 rack spaces
8.7" (221.0mm)
5.0" (127mm)
19.0" (482.6mm)
5.6" (142.2mm)
6.0" (152.4mm)
17.3" (442.0mm)
9.3" (236.2mm)
6.6" (167.6mm)
1604 VLZ-PRO with pod normal
1604-VLZ PRO with pod to back
1604-VLZ PRO
with optional rotopod
1604-VLZ PRO
WEIGHT
20.0 lbs.
(9.1 kg)

31
SERVICE INFO
Details concerning Warranty Service are
spelled out on the Warranty Card included with
your mixer (if it’s missing, let us know and we’ll
rush one to you).
If you think your 1604-VLZ
PRO has a problem,
please do everything you can to confirm it before call-
ing for service. Doing so might save you from being
deprived of your mixer.
Of all Mackie products returned for service
(which is hardly any at all), roughly 50% are
coded “CND” — Could Not Duplicate, which usu-
ally means the problem lies somewhere other than
the mixer. These may sound obvious to you, but
here’s some things you can check:
TROUBLESHOOTING
Bad Channel
• Are the channels assigned to the correct mix
(
1-2
,
3-4
,
L-R
)?
• Is the
fader
up?
• Try unplugging any insert devices from the
INSERT
jacks.
• Try the same source signal in another channel, set
up exactly like the suspect channel.
Bad Output
• Is the associated level control (if any) turned up?
• If you’re listening to the
C-R OUTS
or
PHONES
outputs, has a
SOURCE
selection
been made?
• If it’s one of the
MAIN OUTS
, try unplugging its
companion. For example, if it’s the
1
/
4
" LEFT
MAIN OUT
, unplug the RCA output. If the
problem goes away, it’s not the mixer.
• If it’s a stereo pair, try switching them
around. For example, if a left output is
presumed dead, switch the left and right
cords, at the mixer end. If the problem stays
on the left, it’s not the mixer.
• Unplug everthing from the
MAIN INSERTS.
Noise
• Turn the channel faders and
AUX RETURN
knobs down, one by one. If the sound disappears,
it’s either that channel or whatever is plugged
into it, so unplug whatever that is. If the noise
disappears, it’s from your whatever.
Power
Our favorite question: Is the
POWER
switch on?
Check the fuse .
REPAIR
Service for the U.S. version of the 1604-VLZ
PRO is only available from Mackie Designs, lo-
cated in sunny Woodinville, Washington. (Service
for mixers living outside the United States can
be obtained through local dealers or distribu-
tors.) If your mixer needs service, follow these
instructions:
1. Review the preceding troubleshooting
suggestions. Please.
2. Call Tech Support at 1-800-258-6883, 8am to
5pm PST, to explain the problem and request
an R.A. number. Have your mixer’s serial
number ready. You must have a Return
Authorization number, or we may refuse
the delivery.
3. Set aside the power cord, owner’s manual,
or anything else that you’ll ever want to see
again. We are responsible for the return of
the mixer only.
4. Pack the mixer in its original package,
including endcaps and box. This is VERY
IMPORTANT. When you call for the RA
number, please let Tech Support know if
you need a new box. Mackie is not respon-
sible for any damage that occurs due to
non-factory packaging.
5. Include a legible note stating your name,
shipping address (no P.O. boxes), daytime
phone number, R.A. number and a detailed
description of the problem, including how we
can duplicate it.
6. Write the R.A. number in BIG PRINT on
top of the box.
7. Ship the mixer to us. We suggest insurance
for all forms of cartage. Ship to this address:
Mackie Designs Inc.
SERVICE DEPARTMENT
16220 Wood-Red Rd. NE
Woodinville, WA 98072
8. We’ll try to fix the mixer within five
business days. Ask Tech Support for
current turn-around times when you call
for your RA number. We normally send
everything back prepaid using three-day
shipping. However, if you rush your mixer
to us by next-day air, we’ll treat it in kind by
shipping it back in the same way in which
it was received. This paragraph does not
necessarily apply to non-warranty service.

32
APPENDIX A: CONNECTIONS
“XLR” CONNECTORS
Mackie mixers use 3-pin female “XLR” con-
nectors on all microphone inputs, with pin 1
wired to the grounded (earthed) shield, pin 2
wired to the “high” (”hot” or positive polarity)
side of the audio signal and pin 3 wired to the
“low” (“cold” or negative polarity) side of the sig-
nal (Figure A). All totally aboveboard and in full
accord with the hallowed standards dictated by
the AES (Audio Engineering Society).
Use a male “XLR”-type connector, usually
found on the nether end of what is called a
“mic cable,” to connect to a female XLR jack.
2
2
31
1
SHIELD
COLD
HOT
SHIELD
COLD
HOT
3
SHIELD
COLD
HOT
3
2
1
SLEEVE
TIPSLEEVE
TIP
RING
RING
TIP
SLEEVERING
Figure B:
1
⁄
4
" TRS Plugs
Figure A: XLR Connectors
1⁄4" TRS PHONE PLUGS AND JACKS
“TRS” stands for Tip-Ring-Sleeve, the three
connections available on a “stereo”
1
⁄
4
" or
“balanced” phone jack or plug. See Figure B.
SLEEVE
TIP
TIPSLEEVE
TIP
SLEEVE
Figure C: TS Plug
You can cook up your own adapter for a stereo
microphone adapter. “Y” two cables out of a
female
1
⁄
4
" TRS jack to two male XLR plugs,
one for the Right signal and one for the Left.
• Balanced mono circuits. When wired as a
balanced connector, a
1
⁄
4
" TRS jack or plug
is connected tip to signal high (hot), ring
to signal low (cold), and sleeve to ground
(earth).
• Unbalanced Send/Return circuits. When
wired as send/return “Y” connector, a
1
⁄
4
"
TRS jack or plug is connected tip to signal
send (output from mixer), ring to signal
return (input back into mixer), and sleeve
to ground (earth).
1⁄4" TS PHONE PLUGS AND JACKS
“TS” stands for Tip-Sleeve, the two connec-
tions available on a “mono”
1
⁄
4
" phone jack or
plug (Figure C). TS jacks and plugs are used
in many different applications, always unbal-
anced. The tip is connected to the audio signal
and the sleeve to ground (earth). Some ex-
amples:
• Unbalanced microphones
• Electric guitars and electronic instruments
• Unbalanced line-level connections
TRS jacks and plugs are used in several different
applications:
• Stereo Headphones, and rarely, stereo micro-
phones and stereo line connections.
When wired for stereo, a
1
⁄
4
" TRS jack or
plug is connected tip to left, ring to right and
sleeve to ground (earth). Mackie mixers do
not directly accept 1-plug-type stereo
microphones. They must be separated into a
left cord and a right cord, which are plugged
into the two mic preamps.
SWITCHED 1⁄4" PHONE JACKS
Switches can be incorporated into
1
⁄
4
" phone
jacks, which are activated by inserting the plug.
These switches may open an insert loop in a
circuit, change the input routing of the signal or
serve other functions. Mackie uses switches in the
channel insert and bus insert jacks, input jacks
and AUX returns. We also use these switches to
ground the line-level inputs when nothing is
plugged into them.
In most cases, the plug must be inserted
fully to activate the switch. Mackie takes
advantage of this in some circuits, specifying
circumstances where you are to insert the plug
only partially. See Special Mackie
Connections, later in this section.

33
SPECIAL MACKIE CONNECTIONS
The balanced-to-unbalanced connection has
been anticipated in the wiring of Mackie jacks.
A
1
⁄
4
" TS plug inserted into a
1
⁄
4
" TRS balanced
input, for example, will automatically unbalance
the input and make all the right connections. Con-
versely, a
1
⁄
4
" TRS plug inserted into a
1
⁄
4
"
unbalanced input will automatically tie the ring
(low or cold) to ground (earth).
TRS Send/Receive Insert Jacks
Mackie’s single-jack inserts are the three-
conductor, TRS-type
1
⁄
4
" phone. They are
unbalanced, but have both the mixer output
(send) and the mixer input (return) signals in
one connector (See Figure E).
The sleeve is the common ground (earth) for
both signals. The send from the mixer to the
external unit is carried on the tip, and the re-
turn from the unit to the mixer is on the ring.
RCA PLUGS AND JACKS
RCA-type plugs (also known as phono plugs)
and jacks are often used in home stereo and video
equipment and in many other applications (Fig-
ure D). They are unbalanced and electrically
identical to a
1
⁄
4
" TS phone plug or jack (See Fig-
ure C). Connect the signal to the center post and
the ground (earth) or shield to the surrounding
“basket.”
“tip”
This plug connects to one of the
mixer’s Channel Insert jacks. “ring”
tip ring
sleeve
SEND to processor
RETURN from processor
(TRS plug)
Figure E: Insert Plug
TIPSLEEVETIPSLEEVE
UNBALANCING A LINE
In most studio, stage and sound reinforcement
situations, there is a combination of balanced and
unbalanced inputs and outputs on the various
pieces of equipment. This usually will not be a
problem in making connections.
• When connecting a balanced output to an
unbalanced input, be sure the signal high
(hot) connections are wired to each other,
and that the balanced signal low (cold)
goes to the ground (earth) connection at
the unbalanced input. In most cases, the
balanced ground (earth) will also be
connected to the ground (earth) at the
unbalanced input. If there are ground-loop
problems, this connection may be left
disconnected at the balanced end.
• When connecting an unbalanced output to
a balanced input, be sure that the signal
high (hot) connections are wired to each
other. The unbalanced ground (earth)
connection should be wired to the low
(cold) and the ground (earth) connections
of the balanced input. If there are ground-
loop problems, try connecting the unbalanced
ground (earth) connection only to the input
low (cold) connection, and leaving the input
ground (earth) connection disconnected.
In some cases, you will have to make up special
adapters to interconnect your equipment. For ex-
ample, you may need a balanced XLR female
connected to an unbalanced
1
⁄
4
" TS phone plug.
Figure D: RCA Plug

34
Using the Send Only on an Insert Jack
If you insert a TS (mono)
1
⁄
4
" plug only partially
(to the first click) into a Mackie insert jack, the
plug will not activate the jack switch and will not
open the insert loop in the circuit (thereby allow-
ing the channel signal to continue on its merry
way through the mixer).
This allows you to tap out the channel or bus
signal at that point in the circuit without inter-
rupting normal operation.
If you push the
1
⁄
4
" TS plug in to the second
click, you will open the jack switch and create
a direct out, which does interrupt the signal in
that channel. See Figure F.
NOTE: Do not over-
load or short-circuit the
signal you are tapping
from the mixer. That will
affect the internal signal.
MACKIE STEREO INPUTS AND RETURNS:
Mono, Stereo, Whatever
Stereo line inputs and stereo AUX returns are a
fine example of the Mackie philosophy (which we
just made up) of Maximum Flexibility with Mini-
mum Headache. The inputs and returns will
automatically be mono or stereo, depending upon
how you use the jacks. Here’s how it works:
A mono signal should be patched into the input
or return jack labeled Left (MONO). The signal
will be routed to both the left and right sides of
the return circuit, and will show up in the center
of the stereo pair of buses it’s assigned to, or it can
be “panned” with the Balance control.
A stereo signal, having two plugs, should be
patched into the LEFT (MONO) and the RIGHT
input or return jacks. A jack switch in the RIGHT
jack will disable the mono function, and the
signals will show up in stereo.
A mono signal connected to the RIGHT jack
will show up in the right bus only. You probably
will only want to use this sophisticated effect for
special occasions (weddings, bar mitzvahs, Rush
Limbaugh’s birthday party, etc.)
Figure F
Direct out with no signal interruption to master.
Insert only to first “click.”
Channel Insert jack
Channel Insert jack
Channel Insert jack
Direct out with signal interruption to master.
Insert all the way in to the second “click.”
For use as an effects loop.
(TIP = SEND to effect, RING = RETURN from effect.)
MONO PLUG
MONO PLUG
STEREO
PLUG

35
TIP
(SEND)
RING (IN)
TIP (OUT)
RING
(RETURN)
TO MIXER
CHANNEL INSERT
RING (RETURN)
TIP (SEND)
TO
PROCESSOR
INPUT
FROM
PROCESSOR
OUTPUT
Y-cord insert cable
Y-cord splitter cable
MULTS AND “Y”s
A mult or “Y” connector allows you to route one
output to two or more inputs by simply providing
parallel wiring connections. You can make “Y”s
and mults for the outputs of both unbalanced and
balanced circuits.
Remember: Only mult
or “Y” an output into sev-
eral inputs. If you need
to combine several out-
puts into one input, you
must use a mixer, not a mult or a “Y.”

36
PAN
AUX
3
1
2
1
2
1
2
1
2
1
2
1
2
1
2
1
2
1
2
EQ
5
46
5/6
SHIFT
PRE PRE PRE PRE PRE PRE PRE PRE
TRIM
12 345678
SOLO
L - R
3–4
1–2
SOLO
L - R
3–4
1–2
SOLO
L - R
3–4
1–2
SOLO
L - R
3–4
1–2
SOLO
L - R
3–4
1–2
SOLO
L - R
3–4
1–2
SOLO
L - R
3–4
1–2
SOLO
L - R
3–4
1–2
OL
-20
OL
-20
OL
-20
OL
-20
OL
-20
OL
-20
OL
-20
OL
-20
PAN
AUX
3
EQ
5
46
5/6
SHIFT
PAN
AUX
3
EQ
5
46
5/6
SHIFT
PAN
AUX
3
EQ
5
46
5/6
SHIFT
PAN
AUX
3
EQ
5
46
5/6
SHIFT
PAN
AUX
3
EQ
5
46
5/6
SHIFT
PAN
AUX
3
EQ
5
46
5/6
SHIFT
PAN
AUX
3
EQ
5
46
5/6
SHIFT
P
A
3
E
4
TRIM TRIM TRIM TRIM TRIM TRIM TRIM
T
U
OO
+15
U
OO
+15
U
OO
+15
U
+15-15
U
+15-15
800
2k200
8k
U
+15-15
12k
HI
MID
80Hz
LOW CUT
75 Hz
18dB/OCT
LOW
10 0
+15-15
800
2k200
8k10 0
+15-15
800
2k200
8k10 0
+15-15
800
2k200
8k10 0
+15-15
800
2k200
8k10 0
+15-15
800
2k200
8k10 0
+15-15
800
2k200
8k10 0
+15-15
800
2k200
8k10 0
2
U
OO
+15
U
OO
+15
U
OO
+15
U
OO
+15
U
OO
+15
U
OO
+15
U
OO
+15
U
OO
+15
U
OO
+15
U
OO
+15
U
OO
+15
U
OO
+15
U
OO
+15
U
OO
+15
U
OO
+15
1
MUTE
U
OO
+15
U
+15-15
U
U
+15-15
12k
HI
MID
80Hz
LOW CUT
75 Hz
18dB/OCT
LOW
U
OO
+15
2
MUTE
U
OO
+15
U
+15-15
U
U
+15-15
12k
HI
MID
80Hz
LOW CUT
75 Hz
18dB/OCT
LOW
U
OO
+15
3
MUTE
U
OO
+15
U
+15-15
U
U
+15-15
12k
HI
MID
80Hz
LOW CUT
75 Hz
18dB/OCT
LOW
U
OO
+15
4
MUTE
U
OO
+15
U
+15-15
U
U
+15-15
12k
HI
MID
80Hz
LOW CUT
75 Hz
18dB/OCT
LOW
U
OO
+15
5
MUTE
U
OO
+15
U
+15-15
U
U
+15-15
12k
HI
MID
80Hz
LOW CUT
75 Hz
18dB/OCT
LOW
U
OO
+15
6
MUTE
U
OO
+15
U
+15-15
U
U
+15-15
12k
HI
MID
80Hz
LOW CUT
75 Hz
18dB/OCT
LOW
U
OO
+15
7
MUTE
U
OO
+15
U
+15-15
U
U
+15-15
12k
HI
MID
80Hz
LOW CUT
75 Hz
18dB/OCT
LOW
U
OO
+15
8
MUTE
L
1
8
M
I
C
G
A
I
N
060
+15dB -45dB
-
1
0
d
B
V
M
I
C
G
A
I
N
060
+15dB -45dB
-
1
0
d
B
V
M
I
C
G
A
I
N
060
+15dB -45dB
-
1
0
d
B
V
M
I
C
G
A
I
N
060
+15dB -45dB
-
1
0
d
B
V
M
I
C
G
A
I
N
060
+15dB -45dB
-
1
0
d
B
V
M
I
C
G
A
I
N
060
+15dB -45dB
-
1
0
d
B
V
M
I
C
G
A
I
N
060
+15dB -45dB
-
1
0
d
B
V
M
I
C
G
A
I
N
060
+15dB -45dB
-
1
0
d
B
V
LR LR LR LR LR LR LR LR
OOOOOOOOOOOOOOOO
Session:
NOTES:
Date:
UUUUUUUU
1604-VL Z PRO
16-CHANNEL MIC / LINE MIXER
WITH PREMIUM XDR
TM
MIC PREAMPLIFIERS

37
UTILISE UN FUSIBLE DE RECHANGE DE MÊME TYPE. DEBRANCHER AVANT DE REMPLACER LE FUSIBLE
4321
INSERT INSERT INSERT
LINE
INSERT
MIC 4 MIC 3 MIC 2 MIC 1
BAL
UN-
BAL
BAL
UN-
BAL
BAL
UN-
BAL
BAL
UN-
BAL
LINE
LINE
LINE
OO
+6
PHANTOM
ON
POWER
ON
120 VAC 50/60 Hz 20W
1A/250V SLO-BLO
16 15 14 13 12 11 10 98765
MIC 16
INSERT INSERT INSERT INSERT INSERT INSERT INSERT INSERT INSERT INSERT INSERT INSERT
MIC 15 MIC 14 MIC 13 MIC 12 MIC 11 MIC 10 MIC 9 MIC 8 MIC 7 MIC 6 MIC 5
SUB OUT
C-R OUT
MAIN INSERT
(TIP SEND
RING RETURN)
TAPE TAPE
MAIN OUT AUX SEND DIRECT OUT
AUX RETURN
3
R
L
MONO
RRR
R
L
R
L
R
L
R
L
LLL
1
42
5
1
23
431
642
753
864
1
2
BAL/UNBAL
BAL/UNBAL BAL/UNBAL
BAL/UNBAL
BAL/UNBAL BAL/UNBAL
INPUT OUTPUT
R
L
(MONO)(MONO)
(MONO)
BAL
UN-
BAL
BAL
UN-
BAL
BAL
UN-
BAL
BAL
UN-
BAL
BAL
UN-
BAL
BAL
UN-
BAL
BAL
UN-
BAL
BAL
UN-
BAL
BAL
UN-
BAL
BAL
UN-
BAL
BAL
UN-
BAL
BAL
UN-
BAL
LINELINE
LINE
LINELINE
LINE
LINE
LINE
LINE
LINE
LINE
LINE
TO REDUCE THE RISK OF
FIRE REPLACE WITH SAME
TYPE FUSE AND RATING
CAUTION:
DESIGNED BY MACKOIDS IN WOODINVILLE, WA, USA • COPYRIGHT ©1998 • THE FOLLOWING ARE TRADEMARKS OR REGISTERED TRADEMARKS OF MACKIE DESIGN INC.: "MACKIE", "VLZ", AND THE "RUNNING MAN" FIGURE • US PATENT NUMBER 29/049,129
XDR
TM
EXTENDED DYNAMIC RANGE MIC PREAMPLIFIERS ARE PROPRIETARY TO MACKIE DESIGNS, INC.
X
D
R
M
I
C
P
R
E
X
D
R
M
I
C
P
R
E
X
D
R
M
I
C
P
R
E
X
D
R
M
I
C
P
R
E
X
D
R
M
I
C
P
R
E
X
D
R
M
I
C
P
R
E
X
D
R
M
I
C
P
R
E
X
D
R
M
I
C
P
R
E
X
D
R
M
I
C
P
R
E
X
D
R
M
I
C
P
R
E
X
D
R
M
I
C
P
R
E
X
D
R
M
I
C
P
R
E
X
D
R
M
I
C
P
R
E
X
D
R
M
I
C
P
R
E
X
D
R
M
I
C
P
R
E
X
D
R
M
I
C
P
R
E
1
2
1
2
1
2
1
2
1
2
1
2
1
2
1
2
PRE PRE PRE PRE PRE PRE PRE PRE
910 1112 1314 15 16
SOLO
L - R
3–4
1–2
SOLO
L - R
3–4
1–2
SOLO
L - R
3–4
1–2
SOLO
L - R
3–4
1–2
SOLO
L - R
3–4
1–2
SOLO
L - R
3–4
1–2
SOLO
L - R
3–4
1–2
SOLO
L - R
3–4
1–2
OL
-20
OL
-20
OL
-20
OL
-20
OL
-20
OL
-20
OL
-20
OL
-20
PAN
AUX
3
EQ
5
46
5/6
SHIFT
PAN
AUX
3
EQ
5
46
5/6
SHIFT
PAN
AUX
3
EQ
5
46
5/6
SHIFT
PAN
AUX
3
EQ EQ
5
46
5/6
SHIFT
PAN
AUX
35
46
5/6
SHIFT
PAN
AUX
3
EQ
5
46
5/6
SHIFT
PAN
AUX
3
EQ
5
46
5/6
SHIFT
PAN
AUX
3
EQ
5
46
5/6
SHIFT
TRIM TRIM TRIM TRIM TRIM TRIM TRIM TRIM
TRACK
8
TRACK
7
TRACK
6
TRACK
5
TRACK
4
TRACK
3
TRACK
2
TRACK
1
+15-15
800
2k200
8k10 0
+15-15
800
2k200
8k
10 0
+15-15
800
2k200
8k10 0
+15-15
800
2k200
8k
10 0
+15-15
800
2k200
8k
10 0
+15-15
800
2k200
8k
10 0
+15-15
800
2k200
8k
10 0
+15-15
800
2k200
8k10 0
U
OO
+15
U
OO
+15
U
OO
+15
U
OO
+15
U
OO
+15
U
OO
+15
U
OO
+15
U
OO
+15
U
OO
+15
U
OO
+15
U
OO
+15
U
OO
+15
U
OO
+15
U
OO
+15
U
OO
+15
U
OO
+15
U
OO
+15
U
+15-15
U
U
+15-15
12k
HI
MID
80Hz
LOW CUT
75 Hz
18dB/OCT
LOW
U
OO
+15
9
MUTE
U
OO
+15
U
+15-15
U
U
+15-15
12k
HI
MID
80Hz
LOW CUT
75 Hz
18dB/OCT
LOW
U
OO
+15
10
MUTE
U
OO
+15
U
+15-15
U
U
+15-15
12k
HI
MID
80Hz
LOW CUT
75 Hz
18dB/OCT
LOW
U
OO
+15
11
MUTE
U
OO
+15
U
+15-15
U
U
+15-15
12k
HI
MID
80Hz
LOW CUT
75 Hz
18dB/OCT
LOW
U
OO
+15
12
MUTE
U
OO
+15
U
+15-15
U
U
+15-15
12k
HI
MID MID MID MID
80Hz
LOW CUT
75 Hz
18dB/OCT
LOW
U
OO
+15
13
MUTE
U
OO
+15
U
+15-15
U
U
+15-15
12k
HI
80Hz
LOW CUT
75 Hz
18dB/OCT
LOW
U
OO
+15
14
MUTE
U
OO
+15
U
+15-15
U
U
+15-15
12k
HI
80Hz
LOW CUT
75 Hz
18dB/OCT
LOW
U
OO
+15
15
MUTE
U
OO
+15
U
+15-15
U
U
+15-15
12k
HI
80Hz
LOW CUT
75 Hz
18dB/OCT
LOW
U
OO
+15
16
MUTE
M
I
C
G
A
I
N
060
+15dB -45dB
-
1
0
d
B
V
M
I
C
G
A
I
N
060
+15dB -45dB
-
1
0
d
B
V
M
I
C
G
A
I
N
060
+15dB -45dB
-
1
0
d
B
V
M
I
C
G
A
I
N
060
+15dB -45dB
-
1
0
d
B
V
M
I
C
G
A
I
N
060
+15dB -45dB
-
1
0
d
B
V
M
I
C
G
A
I
N
060
+15dB -45dB
-
1
0
d
B
V
M
I
C
G
A
I
N
060
+15dB -45dB
-
1
0
d
B
V
M
I
C
G
A
I
N
060
+15dB -45dB
-
1
0
d
B
V
LR LR LR LR LR LR LR LR
OOOOOOOOOOOOOOOO
AUX
SEND
STEREO AUX RETURN
EFFECTS TO
MONITORS
TO AUX
SEND 2
TO AUX
SEND 1
1
2
PWR
PHAN
SOLO
SOLO
1
2
1
2
3
4
1
2
C-R / PHNS
ONLY
RETURNS
SOLO
MAIN MIX
TO SUBS
ASSIGN OPTIONS
1–2
3–4
U
OO
+20
U
OO
+20
U
OO
+15
U
OO
+15
U
OO
+20
U
OO
+20
U
OO
+10
U
OO
+10
LEFT RIGHT
PHONES
LAMP
12 V
0.5A
TAPE IN
SOLO
RUDE
SOLO
LIGHT
CTL ROOM / PHONES
SUBS 3–4
SUBS 1–2
MAIN MIX
CTL ROOM
SOURCE
TAPE TAPE TO
MAIN MIX
MAIN
MIX
RIGHT
1234
LEFT
RIGHT
LEFT
RIGHT
LEFT
RIGHT
LEFT
28
10
7
4
2
2
0
4
7
10
20
30
ASSIGN TO MAIN MIX
LEVEL
SET
MODE
(AFL)
LEVEL SET
NORMAL
(PFL)
U
OO
+20
OO
OO
MAX
0 dB=0 dBu
MAX
dB
30
20
10
OO
40
50
5
5
U
60
10
dB
30
20
10
OO
40
50
5
5
U
60
10
UUUU
UUUU 1604 -VLZ PRO
16- CHANNEL MIC / LINE MIXER
WITH PREMIUM XDR
TM
MIC PREAMPLIFIERS

38
COLOPHON
(Roll credits please) Manual written by Jeff
Gilbert, based on a vignette by Ron Koliha,
with tidbits borrowed from almost everywhere.
Manual then defaced with proofreading pens in
the hands of Mackie’s legendary Tech Support
staff. Manual composed on a rinky-dink PC using
a low-budget word processor, then converted
to this amazing piece of work using a 13-story
1000 gigawhopper Macintosh operated by
Mackie’s notorious Advertising staff. Please, feel
Mackie, the "Running Man" figure, VLZ and XDR are trademarks or registered trademarks of Mackie Designs Inc. All other brand names
mentioned are trademarks or registered trademarks of their respective holders, and are hereby acknowledged.
©2003 Mackie Designs Inc.
All Rights Reserved.
free to let us know if you find an error or stumble
over a confusing paragraph. Thank you for reading
the entire manual (we know you have, or you
wouldn’t be here).
Mackie Designs is always striving to improve our
mixers by incorporating new and improved materi-
als, components and manufacturing methods.
Because we’re always trying to make things better,
we reserve the right to change these specifications
at any time, without notice.

39
1604-VLZ PRO LIMITED WARRANTY
3. Make sure that the problem can be dupli-
cated. If you bring your product to an Authorized
Service Center and they can’t find anything
wrong with it, you may be charged a service fee.
4. If the Mackie Authorized Service Center is
located in another city, pack the product in its
original shipping carton. More information on
packing can be found in the Service section of
this manual.
5. Contact the Mackie Authorized Service Center
to arrange service or bring the product to them.
F. Mackie and Mackie Authorized Service Centers
reserve the right to inspect any products that may
be the subject of any warranty claims before repair
or replacement is carried out. Mackie and Mackie
Authorized Service Centers may, at their option, re-
quire proof of the original date of purchase in the
form of a dated copy of the original dealer’s invoice
or sales receipt. Final determination of warranty cov-
erage lies solely with Mackie Designs Inc. or its
Authorized Service Centers.
G. Any Mackie product deemed eligible for repair or
replacement under the terms of this warranty will be
repaired or replaced within thirty days of receipt by
Mackie. Mackie may use refurbished parts for repair
or replacement of any product. Products returned to
Mackie that do not meet the terms of this Warranty
will be repaired and returned C.O.D. with billing for
labor, materials, return freight, and insurance. Prod-
ucts repaired under warranty at Mackie’s factory will
be returned freight prepaid by Mackie to any location
within the boundaries of the USA.
H. Mackie warrants all repairs performed for 90 days
or for the remainder of the original warranty period.
Mackie assumes no responsibility for the quality or
timeliness of repairs performed by Mackie Authorized
Service Centers.
I. This warranty is extended to the original purchaser
and to anyone who may subsequently purchase this
product within the applicable warranty period.
J. This is your sole warranty. Mackie does not authorize
any third party, including any dealer or sales represen-
tative, to assume any liability on behalf of Mackie
Designs or to make any warranty for Mackie Designs.
K. THE WARRANTY GIVEN ON THIS PAGE IS
THE SOLE WARRANTY GIVEN BY MACKIE AND
IS IN LIEU OF ALL OTHER WARRANTIES,
EXPRESS AND IMPLIED, INCLUDING THE
WARRANTIES OF MERCHANTABILITY AND
FITNESS FOR A PARTICULAR PURPOSE. THE
WARRANTY GIVEN ON THIS PAGE SHALL BE
STRICTLY LIMITED IN DURATION TO ONE
YEAR FROM THE DATE OF ORIGINAL PUR-
CHASE FROM AN AUTHORIZED MACKIE
DEALER. UPON EXPIRATION OF THE APPLI-
CABLE WARRANTY PERIOD, MACKIE SHALL
HAVE NO FURTHER WARRANTY OBLIGATION
OF ANY KIND. MACKIE SHALL NOT BE LIABLE
FOR ANY INCIDENTAL, SPECIAL, OR CONSE-
QUENTIAL DAMAGES THAT MAY RESULT
FROM ANY DEFECT IN THE MACKIE PROD-
UCT OR ANY WARRANTY CLAIM. Some states
do not allow exclusion or limitation of incidental,
special, or consequential damages or a limitation
on how long warranties last, so some of the above
limitations and exclusions may not apply to you.
This warranty provides specific legal rights and you
may have other rights which vary from state to state.
Please keep your sales receipt in a safe place.
A. Mackie warrants all materials, workmanship and
proper operation of this product for a period of three
years from the original date of purchase. If any de-
fects are found in the materials or workmanship or if
the product fails to function properly during the ap-
plicable warranty period, Mackie, at its option, will
repair or replace the product. Labor for replacing all
potentiometers and switches is covered for the first
year, after which it is excluded from warranty cover-
age and may be billed to you. This warranty applies
only to equipment sold and delivered within the
U.S. by Mackie or its authorized dealers.
B. Failure to register online or return the product
registration card will not void the 3-year warranty.
C. Service and repairs of Mackie products are to be
performed only at the factory (see D below) OR at an
Authorized Mackie Service Center (see E below).
Unauthorized service, repairs, or modification will
void this warranty.
D. To obtain factory service:
1. Call Mackie at 800/258-6883, 8AM to 5PM
Monday through Friday (Pacific Time) to get a
Return Authorization (RA). Products returned
without an RA number will be refused.
2. Pack the product in its original shipping car-
ton. If you do not have the carton, just ask for
one when you get your RA number, and we’ll
send a shipping carton out promptly. More infor-
mation on packing can be found in the Service
section of this manual. Do not use “packing pea-
nuts,” shredded newspapers, or other material
with small particles, old underwear, or socks.
Please seal the Mackie product in a plastic bag.
3. Also include a note explaining exactly how to
duplicate the problem, a copy of the sales receipt
with price and date showing, and your return
street address (no P.O. boxes or route numbers,
please!). If we cannot duplicate the problem at
the Mackie Factory or establish the starting date
of your Limited Warranty, we may, at our option,
charge for service time.
4. Ship the product in its original shipping car-
ton, freight prepaid to:
Mackie Designs
Service Department
16220 Wood-Red Rd. NE
Woodinville, WA 98072 USA
IMPORTANT: Make sure that the RA number is
plainly written on the shipping carton.
E. To obtain service from an Authorized Mackie Ser-
vice Center:
1. Call Mackie at 800/258-6883, 8AM to 5PM
Monday through Friday (Pacific Time) to get:
1) The name and address of your nearest Mackie
Authorized Service Center and 2) A return au-
thorization (RA). You must have an RA number
before taking your unit to a service center.
2. Make sure that you have a copy of your
product’s sales receipt from the store where you
bought the product. It is necessary to establish
purchase date and thus determine whether or
not your product is still under warranty. If you
can’t find it, the Authorized Service Center may
charge you for repairs even if your product is still
covered by Mackie’s 3-Year Limited Warranty.

Mackie Designs Inc.
16220 Wood-Red Road NE • Woodinville, WA 98071 • USA
US and Canada: 800.898.3211
Europe, Asia, Central and South America: 425.487.4333
Middle East and Africa: 31.20.654.4000
Fax: 425.487.4337 • www.mackie.com
E-mail: sales@mackie.com