Mackie Cr1604 Vlz Users Manual Designs Contractor's Specs
Mackie CR1604-VLZ Contractor's Specs cr1604vlz_contr Mackie - CR1604-VLZ - Contractor's Specs
CR1604-VLZ to the manual 02ebe5d9-001a-4a04-8182-b8fc5ccc2df0
Mackie CR1604-VLZ Contractor's Specs cr1604vlz_contr Mackie - CR1604-VLZ - Contractor's Specs
2015-02-02
: Mackie Mackie-Cr1604-Vlz-Users-Manual-436524 mackie-cr1604-vlz-users-manual-436524 mackie pdf
Open the PDF directly: View PDF
.
Page Count: 6

CR1604-VLZ ARCHITECTS’
& ENGINEERS’
SPECIFICATIONS
■
“IN YOUR FACE”
ALL-PRODUCT BROCHURE
MORE INFORMATION
FEATURES
ROTOPOD-VLZ •
MIXER MIXER • REMOTE
FADER • CORDPACK
■ 16 low noise/high
headroom XLR mic
inputs (–129.5dBm
E.I.N.)
■ 16 balanced/
unbalanced
mono line inputs
■ True 4-bus design
■Inserts on all channels
■Direct outs on chs. 1–8
■ 3-Band EQ with
sweepable mids
■ Low Cut Filter on all
channels
■ PFL/AFL (Solo In-Place)
on every channel
(global)
■ Very Low Impedance
(VLZ) architecture
■ Control Room/Phones
source matrix
■ 6 aux sends, 2 with
master level controls
■ Wide input gain range
with “virtual pad”
■Mono main output with
level control
■ Balanced inputs and
outputs (except RCAs,
phones & inserts)
RELATED PRODUCTS
14 X 2 MICRO SERIES MIC/LINE MIXER
You can consider our
CR1604-VLZ an update of
our classic CR-1604, but
there is so much about it
that is new or improved, it’s
more of a reincarnation.
Like all of Mackie Designs’
mixers, the CR1604-VLZ is
designed for rugged, 24-
hours-a-day use. It is a
supremely flexible mixer,
not just because of its mul-
tiple input/output configu-
rations, but because of its
true 4-bus architecture, 6
aux sends, and extensive
routing capabilities. 16
high-headroom, low-noise
mic preamps make vocals
come through loud and
clear, and a low cut filter
on each channel keeps
unwanted low frequencies
from being reproduced.
Completely configurable.
No matter what the appli-
cation, the CR1604-VLZ can
be configured for optimal
use. As a tabletop mixer,
input/output jacks can be
positioned at the rear of the
unit, or with the optional
RotoPod-VLZ, positioned
on the same
plane as the
controls.
Placed in a
rack system,
the CR1604-
VLZ can be set
so that jacks are
facing front or fac-
ing the rear, keeping
wandering hands
from playing with
cords. Whether used in a
permanent installation, or
as a portable mixer, the
CR1604-VLZ is completely
at home.
Durable and reliable.
Built like a tank, the
CR1604-VLZ is a team
player that can stand up
to vigorous use, day in and
day out, any place it is in-
stalled. Its sturdy-yet-light
steel monocoque con-
struction houses rugged,
double-sided through-hole-
plated fiberglass circuit
boards, and 60mm faders
with ultra-tight lip seals for
keeping out dust and other
contaminants.
Impact-resistant knobs
are mounted so they “ride”
just above the steel chassis
– they absorb impact without
trouble. They’re designed to
last, too, thanks to co-
molded potentiometers
that don’t get brittle and
crack up. Then, we use
metal stand-offs at regular
intervals to mount thick
fiberglass circuit boards
inside the CR1604-VLZ.
®
16 X 4 X 2 MIC/LINE MIXER
®

17.9" (454.7mm)
11 rack spaces 17.6" (447.0mm)
10 rack spaces
13.0" (325.1mm)
8 rack spaces
13.0" (325.1mm)
13.0" (325.1mm)
8.7" (221.0mm)
9.3" (236.2mm)
19.0" (482.6mm)
Jacks to top.
(Pod normal.)
Jacks to back.
Jacks to front.
(With optional rotopod.)
5.0" (127mm) 5.6" (142.2mm)
17.3" (442.0mm)
19.0" (482.6mm)
17.3" (442.0mm)
19.0" (482.6mm)
17.3" (442.0mm)
17.6" (447.0mm)
17.6" (447.0mm)
17.9" (454.7mm)
17.9" (454.7mm)
6.0"
(152.4mm) 6.6"
(167.6mm)
Radio frequency interfer-
ence from TV/radio stations
and cellular phone users is
virtually eliminated, thanks
to Mackie’s use of metal
jacks (instead of plastic)
and shunting capacitors.
Its built-in power supply
is beefy enough to handle
major power consumption
without breaking up. And
there’s no bulky “wall wart”
to be kicked out of place or
to cover up extra outlets.
All of this adds up to an
extremely durable mixer
that can withstand major
use and misuse. Multi-user
applications like churches,
night clubs, A/V rooms and
schools are perfect homes
for the CR1604-VLZ.
Highly-usable.
We designed the CR1604-VLZ
by taking into consideration
a couple of things. One:
what made our original
CR-1604 so popular and
critically acclaimed. And
two: what additional fea-
tures or improvements
would make the CR1604-
VLZ the new standard in
high-quality compact mix-
ers.
Sixteen high-headroom,
low-noise mic preamps
(with –129.5dBm E.I.N.,
0.005% THD, and 60dB
max. gain), mean plenty of
mic inputs for virtually any
use. Additionally, each
channel has its own
switchable low cut filter
(18dB/octave @ 75Hz), so
mic thumps, room rumble
and stage mishaps are left
out of the mix without
diminishing the audible
bass frequency range.
Four buses make the
CR1604-VLZ a routing
giant. Channels can be
assigned to buses 1-2,
3-4 and/or Main Mix,
and the 4 subs can be
assigned to left and/or right
main mix. A Control Room/

Phones source matrix lets
you route any combination
of tape, subs 1-2, 3-4, main
mix or Aux 4 to headphones,
control room outputs, and
meters. This enables you to
monitor 2-track tape output
or route a click/cue track to
phones, create special
phones or broadcast mixes
via the subs, or create an
extra stereo mix (with its own
gain control) for another
zone, like a cry room,
lobby, or other such place.
For that matter, the
CR1604-VLZ’s mono main
out has its own level
control, so a mono mix can
be sent to another zone
and adjusted accordingly.
The CR1604-VLZ has six
aux sends, in a four-knob
per channel strip scheme.
Aux Sends 1 & 2 are switch-
able pre- or post-fader, and
the next two knobs can be
switched between Aux
Sends 3 & 4 or 5 & 6 (all
four are post-fader).
Playback of a tape or CD
is easy with the 1604-VLZ’s
Tape In volume control and
two routing switches.
Solo has its own volume
control and is
switchable from
AFL (In-Place) to
PFL. Level setting
is easy in PFL,
especially when
used in conjunc-
tion with the
mixer’s level set
LED and marker
(near the 12-
segment stereo
LED ladder).
Check a channel’s
stereo placement
by switching to
AFL; the CR1604-
VLZ’s constant-
power pan pots
maintain a
consistent loud-
ness across the
stereo horizon.
Each channel has a
mute button, making it
easy to mute a source
when it’s not contributing
to the mix.
Log-taper 60mm faders
deliver a consistent fade
throughout the fader’s
throw, so choppy fade-ins
and fade-outs are history.
These faders have a co-
polymer membrane that
provides a continuously
sealed barrier against dust
and liquids without inter-
fering with fader travel.
Similarly, the fader’s long-
wearing contact material
(first designed for use in
exterior automotive
sensors) means longer
fader life and improved
resistance to the elements.
VLZ, Headroom,
and more.
Very Low Impedance –
VLZ – isn’t just a catchy
acronym, it’s a fact. We
designed the CR1604-VLZ
so that noise is minimized
and dynamics are maxi-
mized.
The noise created by
many channels running
simultaneously can really
add up (it’s called “thermal
noise,” and has something
to do with temperatures,
atoms and the like).
Mackie decreases thermal
noise by making internal
impedances as low as
practical, in as many places
as possible inside the
mixer. Our robust power
supply delivers the high
current levels necessary to
implement VLZ, resulting in
astonishingly low noise
levels, and minimal
crosstalk, too.
Likewise, Mackie’s
internal UnityPlus circuit
design allows for maximum
headroom. The CR1604-
VLZ can handle multiple,
intense signals without
distortion because of its
negative gain mix amplifier
architecture. Channels are
mixed together at –6dB,
then restored to unity. This
gives the mixer the ability
to sum 4 times the number
of signals before clipping.
That’s about double the
amount of mix amp
headroom available with
many other compact
mixers.

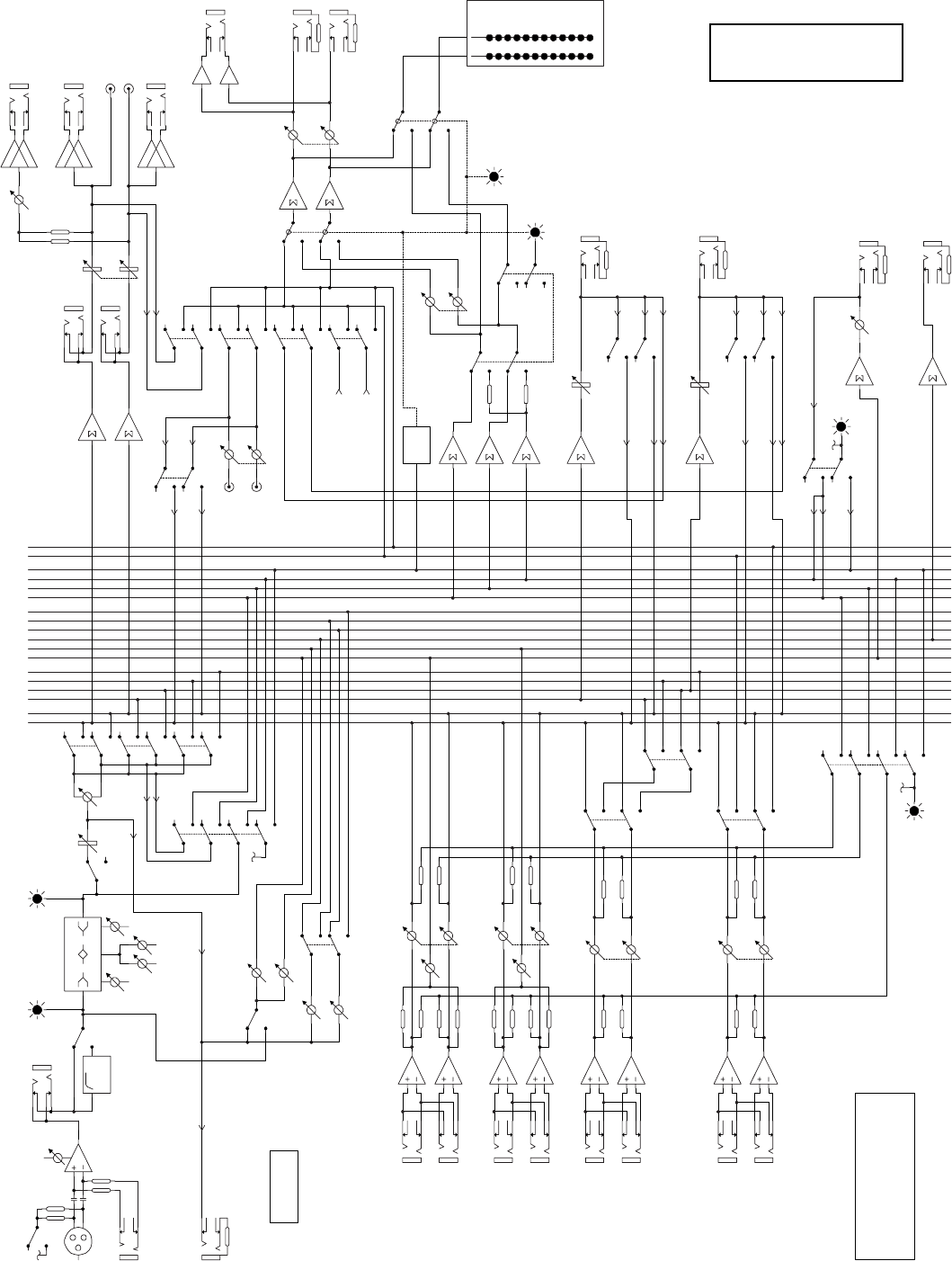
MAIN L
SUB 3
MAIN R
SUB 2
SUB 1
SUB 4
AUX 1
AUX 2
AUX 3
AUX 4
AUX 5
AUX 6
SIP L
SIP R
PFL
LOGIC
75Hz
HPF
MID HI
80 100–8K 12K
LO L
R
1
2
3
4
SIP L
SIP R
PFL
PHANTOM POWER
(GLOBAL SWITCH TRIM
MIC IN
LINE IN
DIRECT OUT
(CH'S 1–8 ONLY)
INSERT
LOW CUT
–20 (FLICKER)
SOLO (GLOW) OL (FLICKER)
MUTE (GLOW)
EQ
GAIN FREQ
FADER
MUTE PAN ASSIGN
PRE AUX 1
AUX 2
AUX 3
AUX 4 SHIFT 5/6
INPUT CHANNEL
(1 OF 16)
AUX RETURN 1
AUX RETURN 2
AUX RETURN 4
AUX RETURN 3
L
R
L
R
L
R
L
R
EFX TO
MON
LEVEL
LEVEL
LEVEL
LEVEL ASSIGN TO
C-R/PHNS
ONLY
MAIN/SUBS
1–2/3–4
EFX TO
MON
SOLO
SIP L
SIP R
PFL
SOLO
MACKIE CR1604-VLZ
SIGNAL FLOW
16-1127.VSD
CR/PHN L
CR/PHN R
SOLO
RELAY
ASSIGN
TO MIX
MAIN MIX
INSERT
FADER R
MAIN MIX MONO OUT
MAIN MIX LEFT OUT
TAPE OUT LEFT
TAPE OUT RIGHT
MAIN MIX RIGHT OUT
METERS
(0VU = 0dBu)
TAPE IN
L
RTAPE LEVEL
C-R/
PHONES
SOURCE
MAIN
TAPE
1–2
RUDE SOLO LED
C-R/PHONES MIX
C-R/
PHONES
LEVEL CONTROL ROOM OUT
L
R
PHONES OUT
SIP/PFL
SOLO
LEVEL
SOLO MIX
SUB 1 MIX
FADER
FADER
ASSIGN TO MAIN MIX
L
RSUB 1 OUT
SUBMIX 1
(SUBMIX 3 IDENTICAL)
SUB 2 MIX
ASSIGN TO MAIN MIX
L
RSUB 2 OUT
SUBMIX 2
(SUBMIX 4 IDENTICAL)
AUX MIX
LEVEL
AUX SEND 1
(#2 IDENTICAL)
AUX 1 OUT
AUX SEND 3
(#4–6 IDENTICAL)
AUX 3 OUT
SOLO
3–4
(FROM SUB 3 OUT)
(FROM SUB 4 OUT)
22
10
7
4
2
0
2
4
7
10
20
30
LEVEL SET
(PFL) LED
MONO LEVEL
CR1604-VLZ
Block Diagram

Other notable features:
• Dual-Purpose LEDs: –20/
Solo LED flickers when
there’s signal present in
that channel, and when
solo is engaged, glows
steadily. Similarly, the
OL/Mute LED flickers
when the channel’s
overloaded, and glows
steadily when mute is
engaged.
• EFX to Monitors control
• BNC lamp socket and
internal power supply
Optional Add-Ons:
•RotoPod-VLZ: Lets you
configure the CR1604-
VLZ so the jacks are
facing up. Comes with
rails for rackmounting.
•MixerMixer: Combines
up to three CR1604-VLZ,
mixing the outputs from
all connected units so
they can be used as if
they were one large mixer.
•Remote Fader: Allows the
main output level of the
CR1604-VLZ and connected
mixers to be controlled
by one remote fader.
•CordPack: 36 mono and
3 stereo cables – all the
cables needed to connect
up to three CR1604-VLZs
to a MixerMixer. (They
can be used in many
other places, too.)
Reliable, durable,
flexible.
Those three words best
describe the CR1604-VLZ’s
basic strengths. It’s de-
signed for continuous,
hassle-free use in any
application or installation.
So no matter where it goes,
it’ll remain as reliable in
years to come as it is today.
Likewise, the 1604-VLZ’s
packed with useful features
and practical routing
capabilities – virtually any
combination of channels
and subs can be routed to
any place.
Simply stated, the
CR1604-VLZ offers more
features, more peace of
mind and more possibili-
ties than any mixer in its
class. And it’s a Mackie.
• Sub group faders for
subs 1 through 4 (same
design as channel
faders)
• Phantom power (48V)
for powering condenser
microphones
• 12-section L & R meter
LED ladders
• Our famous Rude Solo
Light
CR1604-VLZ

Mackie Designs Inc. is engaged in a continuous
program of product evaluation and improve-
ment and reserves the right to change product
specifications at any time without notice.
©1997, 1998 Mackie Designs Inc. All rights
reserved. Printed in Woodinville USA.
Rev. 2/98. “Mackie.” and “VLZ” are registered
trademarks of Mackie Designs Inc.
SPECIFICATIONS
Frequency Response:
20Hz-60kHz, +0/–1dB,
mic input to any output
20Hz-100kHz, +0/–3dB,
mic input to any output
Total Harmonic Distortion:
Less than 0.005% (any
input to any output, 1kHz
@ +14dBu, 20Hz-20kHz)
Microphone Preamp E.I.N.:
–129.5dBm (150Ω termi-
nated, max. gain)
Main output noise, all
channels assigned: –89dBu
Working S/N ratio: 90dBu
(ref: +4dBu)
Headphone Impedance:
20-200 ohms
Equalization:
Hi Shelving: ±15dB @
12kHz
Mid Sweepable: ±15dB,
100Hz–8kHz
Lo Shelving: ±15dB @
80Hz
Weight:
20 lbs. (9.1 kg)
Maximum Output:
+28dBu main output bal.
+22dBu all outputs unbal.
Dynamic Range: 108dB
Maximum Gain:
Channel preamp, XLR input:
60dB
Channel preamp, line input:
40dB
Lines: 40dB
Mic in to balanced main
mix out: 86dB
Mic in to unbalanced main
mix out: 80dB
Channel faders: 10dB
Aux Returns: 20dB
L/R master fader: 10dB
MACKIE DESIGNS INC.
16220 Wood-Red Rd. NE • Woodinville, WA 98072 USA
Toll-Free 800/258-6883 • FAX 425/487-4337
Outside the U.S., Phone 425/487-4333 • FAX 425/485-1152
www.mackie.com
®