Makita 6093D User Manual DRIVER DRILL Manuals And Guides L0805306
MAKITA Drill Driver Manual L0805306 MAKITA Drill Driver Owner's Manual, MAKITA Drill Driver installation guides
User Manual: Makita 6093D 6093D MAKITA DRIVER DRILL - Manuals and Guides View the owners manual for your MAKITA DRIVER DRILL #6093D. Home:Tool Parts:Makita Parts:Makita DRIVER DRILL Manual
Open the PDF directly: View PDF
.
Page Count: 16

Cordless Driver Drill
Equipped with Electric Brake
10 mm (318") MODEL 6093D
10 mm (318") MODEL 6093DW
With Fast Charger
INSTRUCTION MANUAL
SPECIFICATIONS
•Model 6093D
Steer Wood
lOmm 18ram
13!S") I11/!6")
Capacities No load speed
Wood screw Machine screw High Low
55rnm x 55 mm 6mm 0 1,100 0--400
(7/32" _ 2-1/8") 115/64") Rlmin. R/min,
• Battery Cartridge 9000
Charging
Voltage time
96 V 1 Fir.
Dimensions
(LxWxH)
265 mm × 58 mm x 262 mm
(10-3/8" x 2-1i4" x 10-5/16")
• Model DC9700 Fast Charger
Input
A,C. 0nly
50 Hz - 60 Hz
Output
DC
7.2V 9.6V
Dimensions
{LxWxH)
145 mm x 8Omm x 63ram
(5 3/4" x 3 1/8" x 2-1/2"}
* Manufacturer reserves the right to change specifications without notice.
o Note: Specifications may differ from country to country.
Net
weight
1,7 kg
13.7 Ibs)
Net
weight
0.8 kg
(1,8 Ibs)

IMPORTANT
SAFETY INSTRUCTIONS
(For All Tools)
WARNING: WHEN USING ELECTRIC TOOLS, BASIC SAFE-
TY PRECAUTIONS SHOULD ALWAYS BE FOLLOWED TO
REDUCE THE RISK OF FIRE, ELECTRIC SHOCK, AND PER-
SONAL INJURY, INCLUDING THE FOLLOWING:
READ ALL INSTRUCTIONS.
1. KEEP WORK AREA CLEAN. Cluttered areas and benches invite injuries.
2. CONSIDER WORK AREA ENVIRONMENT. Don't use power tools in damp
or wet locations. Keep work area well lit. Don't expose power tools to rain.
Don't use tool in presence of flammable liquids or gases.
3. KEEP CHILDREN AWAY. All visitors should be kept away from work area,
Don't let visitors contact tool or extension cord.
4. STORE IDLE TOOLS. When not in use, tools should be stored in dry, and high
or locked-up place -- out of reach of children.
5. DON'T FORCE TOOL. It will do the job better and safer at the rate for which
it was intended.
6. USE RIGHT TOOL. Don't force small tool or attachment to do the job of a
heavy-duty tool. Don't use tool for purpose not intended.
7. DRESS PROPERLY. Don't wear loose clothing or jewelry. They can be caught
in moving parts. Rubber gloves and non-skid footwear are recommended
when working outdoors. Wear protective hair covering to contain long hair.
8. USE SAFETY GLASSES. Also use face or dust mask if cutting operation is
dusty.
9. DON'T ABUSE CORD. Never carry tool by cord or yank it to disconnect from
receptacle. Keep cord from heat, oil, and sharp edges.
10. SECURE WORK. Use clamps or a vise to hold work. It's safer than using
your hand and it frees both hands to operate tool.
11. DON'T OVERREACH. Keep proper footing and balance at all times.
12. MAINTAIN TOOLS WITH CARE. Keep tools sharp and clean for better and
safer performance. Follow instructions for lubricating and changing acces-
sories. Inspect tool cords periodically and if damaged, have repaired by autho-
rized service facility. Inspect extension cords periodically and replace if
damaged. Keep handles dry, clean, and free from oil and grease.
13. DISCONNECT TOOLS. When not in use, before servicing, and when chang-
ing accessories, such as blades, bits, cutters.

14. REMOVEADJUSTINGKEYSANDWRENCHES.Formhabitof checkingto
seethatkeysandadjustingwrenchesareremovedfromtoolbeforeturning
it on.
15. AVOIDUNINTENTIONALSTARTING.Don'tcarryplugged-intoolwithfinger
on switch. Be sure switch is OFF when plugging in.
16. OUTDOOR USE EXTENSION CORDS. When tool is used outdoors, usa only
extension cords intended for use outdoors and so marked.
17. STAY ALERT. Watch what you are doing, use common sense. Don't operate
tool when you are tired.
18. CHECK DAMAGED PARTS, Before further use of the tool, a guard or other
part that is damaged should be carefully checked to determine that it will
operate properly and perform its intended function. Check for alignment of
moving parts, binding of moving parts, breakage of parts, mounting, and any
other conditions that may affect its operation. A guard or other part that
is damaged should be properly repaired or replaced by an authorized serv-
ice center unless otherwise indicated elsewhere in this instruction manual.
Have defective switches replaced by authorized service center. Don't use
tool if switch does not turn it on and off.
19. GUARD AGAINST ELECTRIC SHOCK. Prevent body contact with grounded
surfaces. For example; pipes, radiators, ranges, refrigerator enclosures.
20. REPLACEMENT PARTS. When servicing, use only identical replacement parts.
VOLTAGE WARNING: Before connecting the tool to a power source (receptacle,
outlet, etc.) be sure the voltage supplied is the same as that specified on the
nameplate of the tool. A power source with voltage greater than that specified
for the tool can result in SERIOUS INJURY to the user - as well as damage to
the tool. If in doubt, DO NOT PLUG IN THE TOOL. Using a power source with
voltage less than the nameplate rating is harmful to the motor.

IMPORTANT SAFETY INSTRUCTIONS
1SAVE THESE INSTRUCTIONS -Thismanual
contains important safety and operating instructions for battery charger,
2. Before using battery charger, read all instructions and cautionary markings
on (11 battery charger, (21 battery, and (31 product using battery.
3. CAUTION -- To reduce risk of injury, charge only MAKITA Battery 7000,
9000 or 9100. Other types of batteries may burst causing personal injury
and damage.
4. Do not expose charger to rain or snow.
5. Use of an attachment not recommended or sold by the battery charger
manufacturer may result in a risk of fire, electric shock, or injury to persons.
6. To reduce risk of damage to electric plug and cord, pull by plug rather than
cord when disconnecting charger.
7. Make sure cord is located so that it will not be stepped on, tripped over,
or otherwise subjected to damage or stress.
8. An extension cord should not be used unless absolutely necessary. Use of
improper extension cord could result in a risk of fire and electric shock. If
extension cord must be used, make sure:
a. That pins on plug of extension cord are the same number, size, and shape
as those of plug on charger;
b. That extension cord is properly wired and in good electrical condition; and
c. That wire size is at least as large as the one specified in the table below.
TABLE 1
RECOMMENDED MINIMUM AWG SIZE FOR
EXTENSION CORDS FOR BATTERY CHARGERS
Length of Cord (Feet) 25 50 100 150
AWG Size of Cord 18 18 18 16
9. Do not operate charger with damaged cord or plug -- replace them im-
mediately.
10. Do not operate charger if it has received a sharp blow, been dropped, or
otherwise damaged in any way; take it to a qualified serviceman.
11. Do not disassemble charger or battery cartridge; take it to a qualified
serviceman when service or repair is required. Incorrect reassembly may
result in a risk of electric shock or fire.
12. To reduce risk of electric shock, unplug charger from outlet before attempt-
ing any maintenance or cleaning. Turning off controls will not reduce this risk.

ADDITIONAL SAFETY RULES
FOR CHARGER & BATTERY CARTRIDGE
1. Do not charge Battery Cartridge when temperature is BELOW 10°C 150°FD
or ABOVE 40°C (104°F|.
2. Do not attempt to use a step-up transformer, an engine generator or DC power
receptacle.
3. Do not allow anything to cover or clog the charger vents.
4. Do not short the battery cartridge:
(1) Do not touch the terminals with any conductive material.
(2) Avoid storing battery cartridge in a container with other metal objects such
as nails, coins, etc.
(3) Do not expose battery cartridge to water or rain.
A battery short can cause a large current flow, overheating, possible burns
and even a breakdown.
5. Do not store the tool and Battery Cartridge in locations where the tempera-
ture may reach or exceed 50°C (122°F).
6. Do not incinerate the Battery Cartridge even if it is severely damaged or is
completely worn out. The battery cartridge can explode in a fire.
7. Always cover the battery terminals with the battery cover when the battery
cartridge is not in use.
ADDITIONAL SAFETY RULES
1. Be aware that this tool is always in an operating condition, because it does
not have to be plugged into an electrical outlet.
2. Always be sure you have a firm footing.
Be sure no one is below when using the tool in high locations.
3. Hold the tool firmly.
4. Keep hands away from rotating parts.
5. When drilling into walls, floors or wherever "live" electrical wires may be
encountered, DO NOT TOUCH ANY METAL PARTS OF THE TOOL!
Hold the tool only by the insulated grasping surfaces to prevent electric shock
if you drill into a"live" wire,
6. Do not leave the tool running. Operate the tool only when hand-held.
7. Do not touch the drill bit or the workpiece immediately after operation; they
may be extremely hot and could burn your skin.
SAVE THESE INSTRUCTIONS.

Installing or removing battery cartridge
• Always switch off the tool before insertion or removal of the battery cartridge.
• To remove the battery cartridge, pull out
the set plate on the tool and grasp both
sides of the cartridge while withdrawing it
from the barrel.
• To insert the battery cartridge, align the
tongue on the battery cartridge with the
groove in the housing and slip it into
place. Snap the set plate back into place.
Be sure to close the set plate fully before
usingthe tool.
Set plate
Battery cartridge
•Do not use force when inserting the battery cartridge.
If the cartridge does not slide in easily, it is not being inserted correctly.
Charging
Plug the fast charger into your power
source. Insert the battery cartridge so that
the plus and minus terminals on the bat-
tery cartridge are on the same sidesas their Charging I Reset button
respective markings on the fast charger.
Insert the cartridge fully into the port so
that it restson the charger port floor.
Press the start button (red). The charging
light will come on and charging will begin.
If the charging light does not come on,
press the reset button (yellow) first, then
the start button (red). If the charging light
goes out within 10 seconds even after pressing the reset button and start button a couple
of times, the battery cartridge is dead. (CAUTION: Wait for more than 5 seconds after
the charging light goes out to press the reset button again.) Replace it with a new one.
When the charging light goesout after about one hour, you may remove the fully charged
battery cartridge.
After charging, unplug the charger from the power source.
CAUTION:
• Your new battery cartridge is not charged. You will need to charge it before use.
•Do not keep the button pressed in with tape, etc. or the circuit will not function pro-
perly. Also, amalfunction of the charger may result possibly causing overheating, etc.
•If you try to charge a cartridge from a just-operated tool, sometimes the charging light
will not come on. If this occurs, let the cartridge cool off for a while. Then re-insert it
and try to charge it once more.

• If youwishto chargetwobatterycartridges,allow15minutesbetweenchargingsonthe
fastcharger.
Installing or removing drill bit or driver bit
CAUTION:
Always be sure that the tool is switched off and the battery cartridge is removed before
installing or removing the bit.
To install the bit, place it in the chuck as
far as it will go. Tighten the chuck by hand.
Place the chuck key in each of the three
holes and tighten clockwise. Be sure to
tighten all three chuck holes evenly.
To remove the bit, turn the chuck key
counterclockwise in just one hole, then
loosen the chuck by hand.
Chuck key
After use, return the chuck key to the
storage cavity on the tool. Chuck key
Holding tool
Hold the tool as shown in the figure.
When drilling a large diameter hole, hold
the tool firmly with both hands.

Switch action
Tool speed is increased by increasing pres-
sure on the trigger. To start the tool,
simply pull the trigger. Release the trigger
to stop.
Trigger switch
CAUTION :
Before inserting the battery cartridge into the tool, always check to see that the trigger
switch actuates properly and returns to the "OFF" position when released.
Reversing switch action
This tool has a reversing switch to change
the direction of rotation. Slide the revers-
ing switch to the right for clockwise rota-
tion or to the left for counterclockwise.
Reversing switch
CAUTION :
• Always check the direction of rotation before operation.
• Use the reversing switch only when the tool comes to a complete stop. Changing the
direction of rotation before the tool stops may ruin the tool.
Speed change
To change the tool speed, turn the speed
change knob so that the arrow of the de-
sired speed on the knob is aligned with the
refel'ence arrow on the tool body. If the
speed change knob does not turn easily,
switch on the tool and turn the knob again
while the tool is running under no load.
I 0- 400 R/min. Speed change knob |
]
Arrow 0 1,100 R/rain.

Adjusting fastening torque
The fastening torque can be adjusted in six
stages by turning the adjusting ring so that
the pointer on the adjusting ring points to
a number on the tool body. The fastening
torque is minimum when the pointer points
to the number 1and maximum when it
points to the -,_,= marking. The clutch
will slip at varying torque levels when the
pointer is set at the numbers 1 to 5. The
clutch is designed not to slip at the -,_=
marking.
Before actual operation, drive a trial screw
into your material or a piece of duplicate
material to determine which torque level is
required for a particular application.
Adjusting ring Pointer !
NOTE :
The adjusting ring cannot be locked with the pointer positioned half-way between the
numbers.
Screwdriving operation
Place the point of the driver bit in the
screw head and apply pressure to the tool.
Start the tool slowly and then increase the
speed gradually. Releasethe trigger assoon
asthe clutch cuts in.

NOTE :
•Use the proper bit for the head of the screw that you wish to use.
• Make sure that the driver bit is inserted straight in the screw head, or the screw and/or
bit may be damaged.
• When driving wood screws, predrill pilot
holes to make driving easier and to pre-
vent splitting of the workpiece. See the
chart.
Nominal diameter of Recommended size
wood screw (mm) of pilot hole (mm)
2.0 -- 2.2
3.1 (1t8") {5/64" -- 3/32")
2.2 -- 2.5
3.5 (9/64") (3/32" -- 3t32"')
2.5 -- 2.8
3.8 (5/32") (3/32" -- 7t64 °')
2.9 -- 3.2
4,5 (11/64") (7164"' - 1t8"}
3.1 -- 3.4
4.8 (3/16") (1/8" - 9164"}
3.3 -- 3.6
5.! (13/64") {1/8" - 9/64")
3.6 -3.9
5.5 (7/32") (9/64" -- 5/32")
Drilling operation
• Drilling in wood
When drilling in wood, best results are obtained with wood drills equipped with a guide
screw. The guide screw makes drilling easier by pulling the bit into the workpiece.
• Drilling in metal
To prevent the bit from slipping when starting a hole, make an indentation with a
centerpunch and hammer at the point to be drilled. Place the point of the bit in the
indentation and start drilling.
Use a cutting lubricant when drilling metals. The exceptions are iron and brass which
should be drilled dry,
CAUTION :
• Pressing excessively on the tool will not speed up the drilling. In fact, this excessive pres-
sure will only serve to damage the tip of your bit, decrease the tool performance and
shorten the service life of the tool.
• There is a tremendous force exerted on the tool/bit at the time of hole breakthrough.
Hold the tool firmly and exert care when the bit begins to break through the workpiece.
•A stuck bit can be removed simply by setting the reversing switch to reverse rotation in
order to back out. However, the tool may back out abruptly if you do not hold it firmly.
• Always secure small workpieces in a vise or similar hold-down device.
L0

Overload protector
The overload protector automatically cuts out to break the circuit whenever heavy work
is prolonged. Wait 20 -30 seconds before resuming operation.
Recycling the Battery
The only way to dispose of a Makita battery is
to recycle it. The law prohibits any other
method of disposal. ©
Ni-Cd
To recycle a battery:
1. Remove the battery from the tool.
2. a). Take the battery to your nearest Makita Factory Service Center
or
b). Take the battery to your nearest Makita Authorized Service Center or
Distributor that has been designated as aMakita battery recycling location.
=Call your nearest Makita Service Center or Distributor to determine the
location that provides Makita battery recycling. See your local Yellow Pages
under "Tools - Electric."
]!

MAINTENANCE
CAUTION :
Always be sure that the tool is switched off and the battery cartridge is removed before
attempting to perform inspection or maintenance.
To maintain product SAFETY and RELIABILITY, repairs, maintenance or adjustment
should be performed by Makita Authorized or Factory Service Centers, always using
Makita replacement parts.
12

OPTIONAL ACCESSORIES
The accessories listed in this manual are available at an extra cost from you r Makita distributor or Makita factory
service center. Service centers are listed on the warranty card packed with your tool.
CAUTION :
These accessories or attachments are recommended for use with your Makita tool specified in this
manual, The use of any other accessories or attachments might present arisk o| injury to persons. The
accessories or attachments should be used only in the proper end intended manner.
• Bits
Phillips
Slotted
Square drill bit
Size
#2
#3
#5F
#7F
Part No.
784214-0A
784215-0A
784010-0A
784011-0A
784606-0A
NOTE:
The accessories listed in this manual are
available at an extra cost from your Makita
distributor or Makita factory service center.
Service centers are listed on the warranty
card packed with your tool.
• Battery cover
Part No. 414938-7
• Fast charger
Model DC9700
Part No, 113103-2
• Charger 12V for car
Model DC9112
Part No. 113110-5
•Battery cartridge 9000
Part No, 632007-4
•Rubber pad assembly
Part No. 123001-2
•Chuck key SlO
Part No. 7634!9-1
•Wool bonnet
Part No. 743401-6
•Battery holster
Holster holds extra battery.
Part No. 823033-3C
•Foam polishing pad
Part No. 743023-2
• Plastic carrying case
Part No 824393-9
13

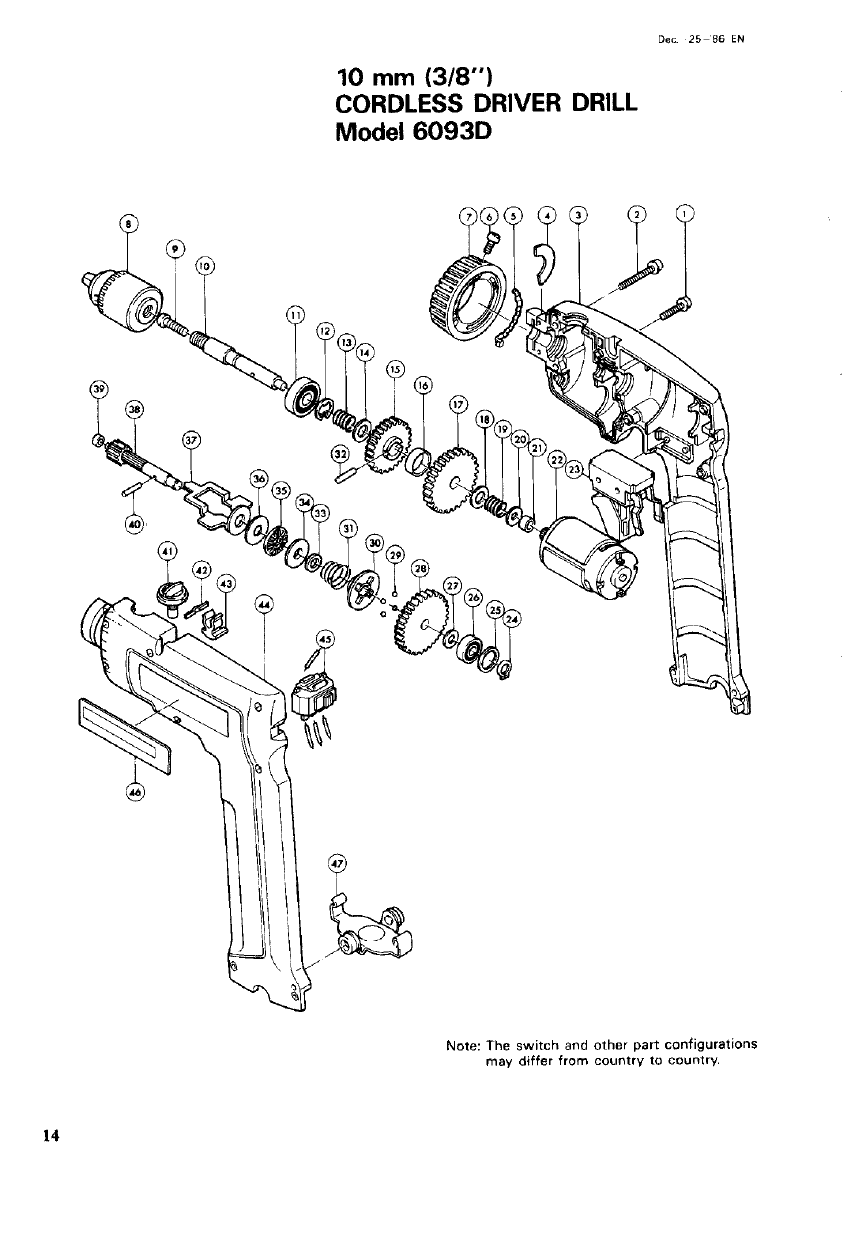
10 mm (3/8"')
CORDLESS DRIVER DRILL
Model 6093D
Dec. 25 86 EN
®
Note: The switch and other part configurations
may differ from country to country.
14

MODEL 6093D Dec -25-'86 EN
ITEM NO
ITEM NO, DESCRIPTION DESCRIPTION
NO USED NO. USED
MACHINE
16
2 2
3 1
4 2
5 1
6 2
7 1
8 I
9
10 1
11 1
12 1
13 1
14 f
15 1
16 1
17 1
18 1
19 1
20 1
21 1
22 1
23 _
24 1
Pan Head Screw M4x22 (With Washer}
Pan Head Screw M4x35 (With Washe,}
Housing Se_ _Wr_h Item 44_
Guide Plale
Cam P_ate
Pan Head Screw M5_12
Chang_ Ring
Drill Chuck $10
P_n He_,d SCT_W M Sx 18
Spindle
Ball Bearing 600OLLB
Stop R_ng E-9
Eompression Spring 10
Thin Washer 10
Spur Gee, 78
R_ng 16
Spur Gear 93
Thin Washer 10
Compression Spr_n_ 10
Flat Washer 5
P_ane Bearing 5
DC Motor 96V
Sw_t_h
Retalrllr,g R_n_ S 6
MACHINE
25
26
27
28
29
3O
31
32
33
34
35
36
37
38
39
40
41
42
43
44
45
46
47
Fiat Washer 14
Ball Bearlrtg 626LLB
Flat Washer S
Spu_ Gea_ 89
S_eel Ball 48
Clutch Cam
ConlcaF Compression Spr_ng 16 -- 21
Pin 3
R_ng 8
D_s¢
Thrus_ Needle Gauge 1023
_lat Washe, 8
Sl_er
Gear C_m_lete 12--2_
P_ane Bearing 4
P_ 3
Shifter
Leaf Sp_ng
H_Lde, 6
H_us_ng S_t (With Item 3_
Sw_tch
Name P_ete
Se_ P_a_e
Note: The switch and other Dart specifications m_v differ from country to country,
15

MAKITA LIMITEDONE YEARWARRANTY
Warranty Policy
Every Makita tool is thoroughly inspected and tested before leaving the factory. It is waxrantad to
be free of defects from workmanship and materials for the period of ONE YEAR from the date of
original purchase. Should any trouble develop during this one-year period, return the COMPLETE
tool, freight prepaid, to one of Makita's Factory or Authorized Service Centers. If inspection shows
the trouble is caused by defective workmanship or material, Makita will repair (or at our option,
replace) without charge.
This Warranty does not apply where:
• repairs have been made or attempted by others:
•_pairs ate requl_ed because of normal wea/and tear:
•The tool has been abused, misused or improperly maintained;
•alterations have been made to the tool.
IN NO EVENT SHALL MAKITA BE LIABLE FOR ANY INDIRECT, INCIDENTAL OR CON-
SEQUENTIAL DAMAGES FROM THE SALE OR USE OF THE PRODUCT. THIS DISCLAIMER
APPLIES BOTH DURING AND AFTER THE TERM OF THIS WARRANTY.
MAKITA DISCLAIMS LIABILITY FOR ANY IMPLIED WARRANTIES, INCLUDING IMPLIED
WARRANTIES OF "MERCHANTABILITY" AND "FITNESS FOR A SPECIFIC PURPOSE,"
AFTER THE ONE-YEAR TERM OF THIS WARRANTY.
This Warranty gives you specific legal tights, and you may also have other rights which vary from
state to state. Some states do not allow the exclusion or limitation of incidental or consequential
damages, so the above limitation or exclusion may not apply to you. Some states do not allow
limitation on how long an implied warranty lasts, so the above _mitation may tlo_ apply _o you.
Makita Corporation of America
2650 Gainesville Hwy., Buford, GA 30518
MCA-4/93 883579D991 PRINTED IN U.S.A.
1993-11-C