Makita 6404 Users Manual
6404 to the manual feff06f8-5909-499b-bbfc-8336c0dd26c0
2015-02-05
: Makita Makita-6404-Users-Manual-404875 makita-6404-users-manual-404875 makita pdf
Open the PDF directly: View PDF
.
Page Count: 11

Drill
Steel
10
mm
(3/8”)
MODEL
6404
Variable speedlReversIng
(RPM)
Wood
INSTRUCTION MANUAL
DOUBLE
INSULATION
SPECIFICATIONS
10
mm
(3/8”)
I
15
mm
(5/8”)
1
0
-
2,100
1
242
mm
19-9/16’,)
I
1.4
kg
(3.1
Ibs)
* Manufacturer reserves the right to change specifications without notice.
Note: Specifications may differ from country to country.

IMPORTANT
SAFETY INSTRUCTIONS
(For
All Tools)
WARNING:
WHEN USING ELECTRIC TOOLS, BASIC SAFE-
REDUCE THE RISK OF FIRE, ELECTRIC SHOCK, AND PER-
TY PRECAUTIONS SHOULD ALWAYS BE FOLLOWED TO
SONAL INJURY, INCLUDING THE FOLLOWING:
READ ALL INSTRUCTIONS.
1.
2.
3.
4.
5.
6.
7.
KEEP WORK AREA CLEAN. Cluttered areas and benches invite injuries.
CONSIDER WORK AREA ENVIRONMENT. Don't use power tools
in
damp
or wet locations. Keep work area well
lit.
Don't expose power tools to rain.
Don't use tool in presence of flammable liquids or gases.
KEEP CHILDREN AWAY. All visitors should be kept away from work area.
Don't let visitors contact tool or extension cord.
STORE IDLE TOOLS. When not
in
use, tools should be stored in dry, and high
or locked-up place
-
out of reach of children.
DON'T FORCE TOOL.
It
will
do the job better and safer at the rate for which
it
was intended.
USE RIGHT TOOL. Don't force small tool or attachment to do the job of a
heavy-duty tool. Don't use tool for purpose not intended.
DRESS PROPERLY. Don't wear loose clothing or jewelry. They can be caught
in
moving parts. Rubber gloves and non-skid footwear are recommended
when working outdoors. Wear protective hair covering to contain long hair.
8.
USE SAFETY GLASSES. Also use face or dust mask
if
cutting operation is
9.
DON'T ABUSE CORD. Never carry
tool
by cord or yank
it
to disconnect from
IO.
SECURE WORK. Use clamps or a vise to hold work. It's safer than using
11.
DON'T OVERREACH. Keep proper footing and balance at all times.
12.
MAINTAIN TOOLS WITH CARE. Keep tools sharp and clean for better and
safer performance. Follow instructions for lubricating and changing acces-
sories. Inspect tool cords periodically and
if
damaged, have repaired by autho-
rized service facility. Inspect extension cords periodically and replace
if
damaged. Keep handles dry, clean, and free from oil and grease.
13.
DISCONNECT TOOLS. When not in use, before servicing, and when chang-
ing accessories, such as blades, bits, cutters.
dusty.
receptacle. Keep cord from heat, oil, and sharp edges.
your hand and
it
frees both hands to operate tool.
L

14.
REMOVE ADJUSTING KEYS AND WRENCHES. Form habit of checking to
see that keys and adjusting wrenches are removed from tool before turning
it
on.
15.
AVOID UNINTENTIONAL STARTING. Don’t carry plugged-in tool
with
finger
on switch. Be sure switch is OFF when plugging in.
16.
OUTDOOR USE EXTENSION CORDS. When tool is used outdoors, use only
extension cords intended for use outdoors and
so
marked.
17.
STAY ALERT. Watch what you are doing, use common sense. Don‘t operate
tool when you are tired.
18.
CHECK DAMAGED PARTS. Before further use of the tool, a guard or other
part that is damaged should be carefully checked to determine that
it
will
operate properly and perform its intended function. Check for alignment of
moving parts, binding of moving parts, breakage of parts, mounting, and any
other conditions that may affect its operation. A guard
or
other part that
is damaged should be properly repaired or replaced by an authorized serv-
ice center unless otherwise indicated elsewhere
in
this instruction manual.
Have defective switches replaced by authorized service center. Don’t use
tool
if
switch does not turn
it
on and off.
19.
GUARD AGAINST ELECTRIC SHOCK. Prevent body contact with grounded
surfaces. For example; pipes, radiators, ranges, refrigerator enclosures.
20.
REPLACEMENT PARTS. When servicing, use only identical replacement parts.
VOLTAGE WARNING: Before connecting the tool to a power source (receptacle,
outlet, etc.) be sure the voltage supplied is the same as that specified on the
nameplate of the tool.
A
power source with voltage greater than that specified
for the tool can result in SERIOUS INJURY to the user
-
as well as damage to
the tool.
If
in doubt, DO NOT PLUG IN THE TOOL. Using a power source with
voltage less than the nameplate rating is harmful to the motor.
3

ADDITIONAL SAFETY RULES
1.
Always be sure you have a firm footing.
2.
Hold the tool firmly.
3.
Keep hands away from rotating parts.
4.
When drilling into walls, floors or wherever "live" electrical wires may be
encountered,
DO
NOT TOUCH ANY METAL PARTS
OF
THE TOOL!
Hold the tool by the insulated grasping surfaces to prevent electric shock if
you drill into a "live" wire.
Be sure no one is below when using the tool
in
high locations.
5.
Do
not leave
the
tool running. Operate the tool only when hand-held.
6.
Do
not touch the drill bit or the workpiece immediately after operation; they
may be extremely hot and could burn your skin.
SAVE THESE INSTRUCTIONS.
4

Installing or removing drill
bit
CAUTION
:
Always be sure that the tool
is
switched off and unplugged before installing or removing
the bit.
To
install the bit, place
it
in the chuck
as
far
as
it
will go. Tighten the chuck by hand.
Place the chuck key in each of the three
holes and tighten clockwise. Be sure to
tighten
all
three chuck holes evenly.
To remove the bit, turn the chuck key
counterclockwise in just one hole, then
loosen the chuck by hand.
Switch action
Move the reversing switch lever to the
"FWD" position for clockwise rotation or
the
"REV"
position for counterclockwise.
The trigger switch does not actuate if the
reversing switch lever
is
in the neutral posi-
tion.
Tool
speed
is
increased by increasing pres-
sure on the trigger.
To
start the tool,
simply pull the trigger.
Release
the trigger
to stop. For continuous operation, pull the
trigger and then push in the lock button.
To stop the tool from the locked position,
pull the trigger fully, then release it. A
speed control screw
is
provided
so
that
maximum tool speed can be limited (vari-
able). Turn the speed control screw clock-
wise for higher speed, and counterclock-
wise for lower speed.
5

CAUTION
:
0
Before plugging in the tool, always check to
see
that the trigger switch actuates properly
*Always check the direction of rotation before drilling.
0
Use the reversing switch lever only when the tool comes to
a
complete stop. Changing
When not operating the tool, keep the reversing switch lever in the neutral position.
*Pulling the trigger hard when the reversing switch lever
is
in the neutral position can
and returns to the
"OFF"
position when released.
the direction
of
rotation before the tool stops may ruin the tool.
cause switch breakage.
Drilling operation
0
Drilling in wood.
When drilling holes in the wood, use
a
wood drill with
a
guide screw. The guide screw
makes
it
bore naturally by itself,
so
you do not need to apply any pressure to the tool.
Drilling in metal
To prevent the bit from slipping when starting
a
hole, make an indentation with
a
center-
punch and hammer
at
the point to be drilled. Place the point
of
the bit in the indenta-
tion and start drilling.
Use
a
cutting lubricant when drilling metals. The exceptions are iron and brass which
should be drilled dry.
CAUTION
:
*Pressing excessively on the tool will not speed up the drilling. In fact, this excessive
pressure will only serve to damage the tip of your bit, decrease the tool performance
and shorten the service life
of
the tool.
*There
is
a
tremendous force exerted on the tool/bit
at
the time of hole break through.
Hold the tool firmly and exert care when the bit begins to break through the workpiece.
0
Always grip the small workpiece firmly with
a
vise
or
a
holding means.
*A
stuck bit can be removed simply by setting the reversing switch to reverse rotation
in order to back out. However, the tool will pull away easily unless you hold
it
firmly
before starting the tool.
6

MA1 NTENANCE
CAUTION
:
Always be sure that the tool
is
switched off and unplugged before attempting to perform
inspection or maintenance.
The tool will stop when the carbon brushes wear to
a
certain length.
When this occurs, both carbon brushes should be replaced.
To maintain product SAFETY and
RELl
AB1
LITY,
repairs,
carbon brush inspection and
replacement, any other maintenance or adjustment should be performed by Makita
Authorized or Factory Service Centers, a!ways using Makita replacement parts.

OPTIONAL ACCESSORIES
The accessories listed in this manual are available at an extra cost from your Makita distributor or Makita factory
Service center Service centers are listed on the warranty card packed with your tool
CAUTION
These accessories or attachments are recommended for use with your Makita tool specified in this manual
The use
of
any other accessories or attachments might present a risk of injury to persons The accessories
or attachments should
be
used only in the proper and intended manner
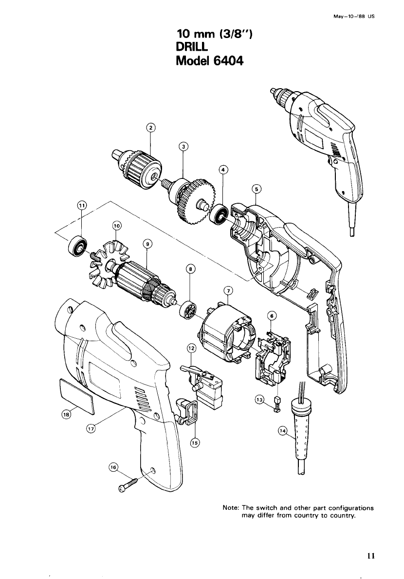
Chuck
key
Part
No
763423-0
9

2
1
DrillChuckS
10
10
3
1
Gear
11
4
1
BallBaaring6272 12
5
1
Housing
Sol
(With Ibm 17) 13
6
1
TerminslBaseCwnplsle
14
7 1 FIELDASSEMBLY 15
8
1
Bell
Beadng626Z
16
Q
1
ARMATUREASSEMBLY 17
(with item
8-1
I)
18
10
1
Fan52
1 Ball Bearing627Z
1 SwilCh
2 CabnBNlh
1
cwd
1
DuslCover
7 Tapping
Screw
BT
4r25
1
1
NanwPlale
Housing
Set
(Wiih
Item
5)

May-l0-'88
US
10
mm
(318")
DRILL
Model
6404
Note: The switch and other part configurations
may differ from country to country.
11

MAKITA LIMITED ONE YEAR WARRANTY
Warranty Policy
Every Makita tool is thoroughly inspected and tested before leaving the factory. It is warranted to
be free of defects from workmanship and materials for the period of ONE YEAR from the date
of
original purchase. Should any trouble develop during
this
one-year period, retum the COMPLETE
tool, freight prepaid, to one of Makita’s Factory or Authorized Service Centers.
If
inspection shows
the trouble is caused by defective workmanship or material, Makita will repair (or at
our
option,
replace) without charge.
This Warranty does not apply where:
repairs have been made or attempted by others:
repairs are required because of normal wear and tear:
The tool has been abused, misused or improperly maintained;
alterations have been made to the tool.
IN
NO EVENT SHALL MAKITA BE LIABLE FOR
ANY
INDIRECT, INCIDENTAL OR CON-
SEOUENTIAL DAMAGES FROM THE SALE OR USE OF THE PRODUCT. THIS DISCLAIMER
APFLIES BOTH
DURING
AND
AFTER
THE
TERM
OF THIS
WARRANTY.
MAKITA DISCLAIMS LIABILITY FOR ANY IMPLIED WARRANTIES, INCLUDING IMPLIED
WARRANTIES OF “MERCHANTABILITY” AND “FITNESS FOR A SPECIFIC PURPOSE,”
AFTER THE ONE-YEAR TERM OF THIS WARRANTY.
This
Warranty gives you specific legal rights, and you may also have other rights which vary from
state to state. Some states do not allow the exclusion or limitation of incidental or consequential
damages,
so
the above limitation or exclusion may not apply to you. Some states do not allow
limitation on how long an implied warranty lasts,
so
the above limitation may not apply to you.
MCA-4/94
Makita Corporation
of
America
Buford,
GA
PRINTED IN
USA
8636658063
1994-7-40