Makita 6910 Users Manual D
6910 to the manual f6199559-976a-4f34-b43b-f99bd9cebf32
2015-02-05
: Makita Makita-6910-Users-Manual-405314 makita-6910-users-manual-405314 makita pdf
Open the PDF directly: View PDF
.
Page Count: 3

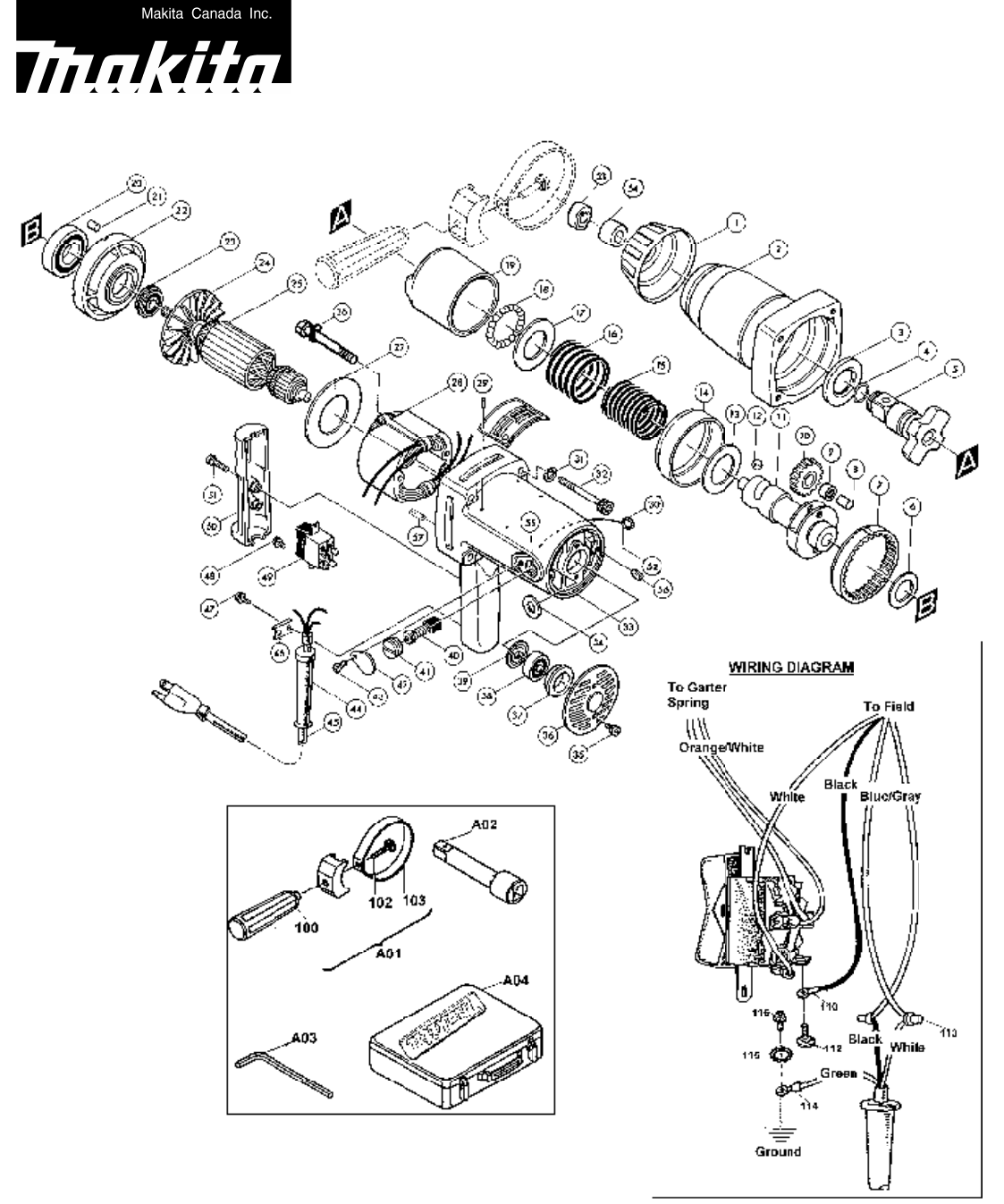
1” IMPACT WRENCH Model 6910 (MJ)
02-2004

2 Model 6910
Item Part No.
No. No. Used Description Item Part No.
No. No. Used Description
1421120-1 1Bumper
2156135-6 1Hammer Case (Includes
Items 53 & 54)
3253909-7 1Flat Washer 35
4231921-7 1Ring Spring 22 (Type 2) *
5*1Anvil
6253182-9 1Flat Washer 36
7221815-4 1Internal Gear 82
8256051-3 2Pin 10
9212063-6 2Needle Bearing 1012
10 221816-2 2Spur Gear 37
11 325416-1 1Spindle
12 216010-9 2Steel Ball 10.3
13 253713-4 1Flat Washer 35
14 333112-7 1Ring 79
15 231211-8 1Compression Spring 36
16 231212-6 1Compression Spring 49
17 253712-6 1Flat Washer 36
18 216002-8 32 Steel Ball 4.8
19 325415-3 1Hammer
20 211451-4 1Ball Bearing 6007LLB
21 256040-8 2Pin 5
22 312739-6 1Bearing Housing
23 212217-2 1Ball Bearing 1511LLB
24 241613-0 1Fan 90
25 613282-1 1Armature Assy (Includes Items
23, 24, 38 & 39)
26 265343-9 2(+) Hex Bolt M5X80 (With Spring
Washer & Glued)
27 413009-7 1Baffle Plate
28 623252-2 1Field (With Items 30 & 52)
29 953106-2 4Rivet 0-5
30 654020-2 2Garter Spring
31 942151-2 4Spring Washer 6
32 922382-9 4Hex Socket Head Bolt M6X60
33 156136-4 1Motor Housing (With Items
55 - 57)
34 681002-1 2Insulation Washer
35 911216-1 2P.H. Screw M5X14
36 284016-5 1Rear Cover
37 421075-0 1Cushion Ring
38 211066-7 1Ball Bearing 6200LLB
39 213051-6 1Dust Seal 10
40 181047-4 2CarbonBrush CB-154 (2pcs/Set)
181048-2 2Auto Cut-Off Carbon Brush
CB-155 (Optional)
41 643650-4 2Brush Holder Cap 6.5-13.5
42 341367-0 2Brush Holder Cap Cover
43 911121-2 2P.H. Screw M4X14
44 682505-8 1Cord Guard 10-90
45 664820-2 1Cord With Plug 3P-14-2.5
46 687600-9 1Strain Relief
47 911116-5 2P.H. Screw M4X12
48 911106-8 1P.H. Screw M4X8
49 651554-6 1Switch
50 312742-7 1Handle Cover
51 911146-6 2P.H. Screw M4X25
52 654502-4 2Solderless Connector P-2
53 213456-0 1Oil Seal 35
54 257536-2 1Sleeve 35
55 643653-8 2Brush Holder 6.5-13.5
56 913206-0 2Set Screw M5X8
57 951104-0 1Spring Pin 4-12
60 325365-2 1Pin (Type 1) *
61 231213-4 1Spring (Type 1) *
62 256710-9 1Slotted Pin (Type 1) *
100 273444-9 1Grip 37
102 923456-9 1Cap Square Neck Bolt M8X35
103 345097-5 1Belt
110 654037-5 4Insulated Eye Terminal FV1.25-M3
112 652008-6 4P.H. Screw M3.5X7(With Washer)
113 654510-5 2Closed End Connector 5.5-SD
114 654005-8 1Solderless Eye Terminal 2-M4
115 943053-5 1Toothed Lock Washer 4
116 652012-5 1P.H. Screw M4X8
Accessories
A01 123018-5 1Side Handle Assy (Includes 100,
102 & 103)
A02 134870-6 1Extension Bar 25.4 (Type 2)
(Old 785209-2)
A03 783203-8 1Hex Wrench 5
A04 182363-7 1Metal Carrying Case

3 Model 6910
Item No. Description Type 1 Type 2
4Ring Spring 22 - - - - - 231921-7 (Added)
5Anvil 325414-5 (No Longer Available) 325587-4
60 Pin 325365-2 (No Longer Available) (Discontinued)
61 Spring 231213-4 (No Longer Available) (Discontinued)
62 Slotting Pin 256710-9 (No Longer Available) (Discontinued)
Above parts are completely interchangeable as a set.
When replacing Type 1 Anvil, replace it with complete set of Type 2 parts.
SERVICE CHANGES
1. Change on Anvil.