Manitowoc Qr0320A Service Manual 1003440 ManualsLib Makes It Easy To Find Manuals Online! User
2017-02-23
User Manual: Manitowoc Manitowoc-Qr0320A-Service-Manual-1003440
Open the PDF directly: View PDF
.
Page Count: 175 [warning: Documents this large are best viewed by clicking the View PDF Link!]

ICE MACHINES
Q
-Mode
l
Service Manual
Service Manual
Service Manual
C 2004 Manitowoc Ice, Inc.
80-1597-3
6/04

We reserve the right to make product improvements at any time.
Specifications and design are subject to change without notice.
Safety Notices
As you work on a Q-Series Ice Machine, be sure to pay
close attention to the safety notices in this manual.
Disregarding the notices may lead to serious injury and/
or damage to the ice machine.
Throughout this manual, you will see the following types
of safety notices:
Procedural Notices
As you work on a Q-Series Ice Machine, be sure to read
the procedural notices in this manual. These notices
supply helpful information which may assist you as you
work.
Throughout this manual, you will see the following types
of procedural notices:
NOTE: Text set off as a Note provides you with simple,
but useful, extra information about the procedure you
are performing.
!
Warning
PERSONAL INJURY POTENTIAL
Do not operate equipment that has been misused,
abused, neglected, damaged, or altered/modified
from that of original manufactured specifications.
!
Warning
Text in a Warning box alerts you to a potential
personal injury situation. Be sure to read the
Warning statement before proceeding, and work
carefully.
!
Caution
Text in a Caution box alerts you to a situation in
which you could damage the ice machine. Be sure
to read the Caution statement before proceeding,
and work carefully.
Important
Text in an Important box provides you with
information that may help you perform a procedure
more efficiently. Disregarding this information will
not cause damage or injury, but it may slow you
down as you work.


Attend A Manitowoc Factory Service School
• Improve Your Service Techniques
• Network with Your Peers
• 4 1/2 Days of Intensive Training on Manitowoc Ice Machines
• Extensive “Hands On” Training on a Variety of Equipment
• Breakfast, Lunch and Hotel Room Included with Tuition
• Contact Your Distributor or Manitowoc Ice, Inc. for Details
OR
• Visit Our Website at www.manitowocice.com for School Dates
MANITOWOC ICE, INC.
2110 South 26th Street P.O. Box 1720
Manitowoc, WI 54221-1720
Phone: (920) 682-0161
Service Fax: (920) 683-7585
Web Site - www.manitowocice.com
© 2003 Manitowoc Ice, Inc.
Litho in U.S.A.

Part No. 80-1100-3 1
Table of Contents
Section 1
General Information
Model Numbers . . . . . . . . . . . . . . . . . . . . . . . . . . . . . . . . . . . . . . . . . . . . . . . . . . 1-1
How to Read a Model Number . . . . . . . . . . . . . . . . . . . . . . . . . . . . . . . . . . . . . . 1-1
Ice Cube Sizes . . . . . . . . . . . . . . . . . . . . . . . . . . . . . . . . . . . . . . . . . . . . . . . . . . . 1-1
Model/Serial Number Location . . . . . . . . . . . . . . . . . . . . . . . . . . . . . . . . . . . . . . 1-2
Warranty Coverage . . . . . . . . . . . . . . . . . . . . . . . . . . . . . . . . . . . . . . . . . . . . . . . 1-3
General . . . . . . . . . . . . . . . . . . . . . . . . . . . . . . . . . . . . . . . . . . . . . . . . . . . . . 1-3
Parts . . . . . . . . . . . . . . . . . . . . . . . . . . . . . . . . . . . . . . . . . . . . . . . . . . . . . . . 1-3
Labor . . . . . . . . . . . . . . . . . . . . . . . . . . . . . . . . . . . . . . . . . . . . . . . . . . . . . . . 1-3
Exclusions . . . . . . . . . . . . . . . . . . . . . . . . . . . . . . . . . . . . . . . . . . . . . . . . . . . 1-3
Authorized Warranty Service . . . . . . . . . . . . . . . . . . . . . . . . . . . . . . . . . . . . 1-3
Section 2
Installation Instructions
General . . . . . . . . . . . . . . . . . . . . . . . . . . . . . . . . . . . . . . . . . . . . . . . . . . . . . . . . . 2-1
Ice Machine Dimensions . . . . . . . . . . . . . . . . . . . . . . . . . . . . . . . . . . . . . . . . . . . 2-1
Q320/Q370/Q420 Ice Machines . . . . . . . . . . . . . . . . . . . . . . . . . . . . . . . . . . 2-1
Q200 – Q1000 Ice Machines . . . . . . . . . . . . . . . . . . . . . . . . . . . . . . . . . . . . 2-2
Q1300/Q1600/Q1800 Ice Machines . . . . . . . . . . . . . . . . . . . . . . . . . . . . . . . 2-2
Q1300/Q1600/Q1800 Ice Machines (Cont.) . . . . . . . . . . . . . . . . . . . . . . . . . 2-3
Ice Storage Bin Dimensions . . . . . . . . . . . . . . . . . . . . . . . . . . . . . . . . . . . . . . . . 2-3
S170/S400/S570 Ice Storage Bins . . . . . . . . . . . . . . . . . . . . . . . . . . . . . . . . 2-3
S320/S420 Ice Storage Bins . . . . . . . . . . . . . . . . . . . . . . . . . . . . . . . . . . . . . 2-3
S970 Ice Storage Bins . . . . . . . . . . . . . . . . . . . . . . . . . . . . . . . . . . . . . . . . . 2-4
Remote Condenser Dimensions . . . . . . . . . . . . . . . . . . . . . . . . . . . . . . . . . . . . 2-4
JC0495/JC0895/JC1095/JC1395 . . . . . . . . . . . . . . . . . . . . . . . . . . . . . . . . . 2-4
JC1895 . . . . . . . . . . . . . . . . . . . . . . . . . . . . . . . . . . . . . . . . . . . . . . . . . . . . . 2-4
Location of Ice Machine . . . . . . . . . . . . . . . . . . . . . . . . . . . . . . . . . . . . . . . . . . . 2-5
Stacking Two Ice Machines on a Single Storage Bin . . . . . . . . . . . . . . . . . . . . 2-5
Ice Machine Heat of Rejection . . . . . . . . . . . . . . . . . . . . . . . . . . . . . . . . . . . . . . 2-5
Leveling the Ice Storage Bin . . . . . . . . . . . . . . . . . . . . . . . . . . . . . . . . . . . . . . . 2-6
Air-Cooled Baffle . . . . . . . . . . . . . . . . . . . . . . . . . . . . . . . . . . . . . . . . . . . . . . . . . 2-6
Electrical Service . . . . . . . . . . . . . . . . . . . . . . . . . . . . . . . . . . . . . . . . . . . . . . . . . 2-7
General . . . . . . . . . . . . . . . . . . . . . . . . . . . . . . . . . . . . . . . . . . . . . . . . . . . . . 2-7
Voltage . . . . . . . . . . . . . . . . . . . . . . . . . . . . . . . . . . . . . . . . . . . . . . . . . . . . . 2-7
Fuse/Circuit Breaker . . . . . . . . . . . . . . . . . . . . . . . . . . . . . . . . . . . . . . . . . . . 2-7
Minimum Circuit Ampacity . . . . . . . . . . . . . . . . . . . . . . . . . . . . . . . . . . . . . . 2-7
Self-Contained Electrical Wiring Connections . . . . . . . . . . . . . . . . . . . . . . . . . 2-9
Self Contained Ice Machine
115/1/60 or 208-230/1/60 . . . . . . . . . . . . . . . . . . . . . . . . . . . . . . . . . . . . . . . 2-9
Self Contained Ice Machine
208-230/3/60 . . . . . . . . . . . . . . . . . . . . . . . . . . . . . . . . . . . . . . . . . . . . . . . . . 2-9
Self Contained Ice Machine
230/1/50 . . . . . . . . . . . . . . . . . . . . . . . . . . . . . . . . . . . . . . . . . . . . . . . . . . . . 2-9
For United Kingdom Only . . . . . . . . . . . . . . . . . . . . . . . . . . . . . . . . . . . . . . . . . . 2-9

Table of Contents (continued)
2Part No. 80-1100-3
Remote Electrical Wiring Connections . . . . . . . . . . . . . . . . . . . . . . . . . . . . . . . 2-10
Remote Ice Machine
With Single Circuit Model Condenser
115/1/60 or 208-230/1/60 . . . . . . . . . . . . . . . . . . . . . . . . . . . . . . . . . . . . . . . 2-10
Remote Ice Machine
With Single Circuit Model Condenser
208-230/3/60 or 380-415/3/50 . . . . . . . . . . . . . . . . . . . . . . . . . . . . . . . . . . . . 2-10
Remote Ice Machine
With Single Circuit Model Condenser
230/1/50 . . . . . . . . . . . . . . . . . . . . . . . . . . . . . . . . . . . . . . . . . . . . . . . . . . . . . 2-10
Water Supply and Drain Requirements . . . . . . . . . . . . . . . . . . . . . . . . . . . . . . . 2-11
Water Supply . . . . . . . . . . . . . . . . . . . . . . . . . . . . . . . . . . . . . . . . . . . . . . . . . 2-11
Water Inlet Lines . . . . . . . . . . . . . . . . . . . . . . . . . . . . . . . . . . . . . . . . . . . . . . 2-11
Drain Connections . . . . . . . . . . . . . . . . . . . . . . . . . . . . . . . . . . . . . . . . . . . . . 2-11
Cooling Tower Applications
(Water-Cooled Models) . . . . . . . . . . . . . . . . . . . . . . . . . . . . . . . . . . . . . . . . . . . . 2-11
Water Supply and Drain Line Sizing/Connections . . . . . . . . . . . . . . . . . . . . . 2-12
Remote Condenser/Line Set Installation . . . . . . . . . . . . . . . . . . . . . . . . . . . . . . 2-13
Remote Ice Machines
Refrigerant Charge . . . . . . . . . . . . . . . . . . . . . . . . . . . . . . . . . . . . . . . . . . . . 2-13
General . . . . . . . . . . . . . . . . . . . . . . . . . . . . . . . . . . . . . . . . . . . . . . . . . . . . . 2-14
Guidelines for Routing Line Sets . . . . . . . . . . . . . . . . . . . . . . . . . . . . . . . . . . 2-14
Calculating Remote Condenser Installation Distances . . . . . . . . . . . . . . . . . 2-15
Lengthening or Reducing Line Set Lengths . . . . . . . . . . . . . . . . . . . . . . . . . 2-16
Connecting A Line Set . . . . . . . . . . . . . . . . . . . . . . . . . . . . . . . . . . . . . . . . . . 2-16
Remote Receiver Service Valve . . . . . . . . . . . . . . . . . . . . . . . . . . . . . . . . . . 2-16
Remote Ice Machine Usage with Non-Manitowoc Multi-Circuit Condensers . 2-17
Warranty . . . . . . . . . . . . . . . . . . . . . . . . . . . . . . . . . . . . . . . . . . . . . . . . . . . . 2-17
Head Pressure Control Valve . . . . . . . . . . . . . . . . . . . . . . . . . . . . . . . . . . . . 2-17
Fan Motor . . . . . . . . . . . . . . . . . . . . . . . . . . . . . . . . . . . . . . . . . . . . . . . . . . . 2-17
Internal Condenser Volume . . . . . . . . . . . . . . . . . . . . . . . . . . . . . . . . . . . . . . 2-17
Condenser DT . . . . . . . . . . . . . . . . . . . . . . . . . . . . . . . . . . . . . . . . . . . . . . . . 2-17
Refrigerant Charge . . . . . . . . . . . . . . . . . . . . . . . . . . . . . . . . . . . . . . . . . . . . 2-17
Quick Connect Fittings . . . . . . . . . . . . . . . . . . . . . . . . . . . . . . . . . . . . . . . . . 2-17
Non-Manitowoc Multi-Circuit Condenser Sizing Chart . . . . . . . . . . . . . . . . . 2-18
Installation Check List . . . . . . . . . . . . . . . . . . . . . . . . . . . . . . . . . . . . . . . . . . . . . 2-19
Additional Checks for Remote Models . . . . . . . . . . . . . . . . . . . . . . . . . . . . . . . 2-19
Section 3
Maintenance
Component Identification . . . . . . . . . . . . . . . . . . . . . . . . . . . . . . . . . . . . . . . . . . 3-1
Operational Checks . . . . . . . . . . . . . . . . . . . . . . . . . . . . . . . . . . . . . . . . . . . . . . . 3-2
General . . . . . . . . . . . . . . . . . . . . . . . . . . . . . . . . . . . . . . . . . . . . . . . . . . . . . 3-2
Water Level . . . . . . . . . . . . . . . . . . . . . . . . . . . . . . . . . . . . . . . . . . . . . . . . . . 3-2
Ice Thickness Check . . . . . . . . . . . . . . . . . . . . . . . . . . . . . . . . . . . . . . . . . . . 3-2
Harvest Sequence Water Purge . . . . . . . . . . . . . . . . . . . . . . . . . . . . . . . . . . 3-3
Cleaning the Condenser . . . . . . . . . . . . . . . . . . . . . . . . . . . . . . . . . . . . . . . . . . . 3-3
Air-Cooled Condenser . . . . . . . . . . . . . . . . . . . . . . . . . . . . . . . . . . . . . . . . . . 3-3
Water-Cooled Condenser
and Water Regulating Valve . . . . . . . . . . . . . . . . . . . . . . . . . . . . . . . . . . . . . 3-4
Interior Cleaning and Sanitizing . . . . . . . . . . . . . . . . . . . . . . . . . . . . . . . . . . . . . 3-5
General . . . . . . . . . . . . . . . . . . . . . . . . . . . . . . . . . . . . . . . . . . . . . . . . . . . . . 3-5
Manitowoc’s Patented Cleaning or Sanitizing Technology . . . . . . . . . . . . . . 3-5

Table of Contents (continued)
Part No. 80-1100-3 3
AlphaSan“ . . . . . . . . . . . . . . . . . . . . . . . . . . . . . . . . . . . . . . . . . . . . . . . . . . . 3-5
Cleaning Procedure . . . . . . . . . . . . . . . . . . . . . . . . . . . . . . . . . . . . . . . . . . . 3-6
Sanitizing Procedure . . . . . . . . . . . . . . . . . . . . . . . . . . . . . . . . . . . . . . . . . . . 3-7
Procedure To Cancel A Cleaning Or
Sanitizing Cycle After It Has Started . . . . . . . . . . . . . . . . . . . . . . . . . . . . . . . 3-7
Automatic Cleaning System (AuCS“) . . . . . . . . . . . . . . . . . . . . . . . . . . . . . . 3-8
Removal of Parts For Cleaning/Sanitizing . . . . . . . . . . . . . . . . . . . . . . . . . . 3-9
Water Treatment/Filtration . . . . . . . . . . . . . . . . . . . . . . . . . . . . . . . . . . . . . . . . . 3-14
General . . . . . . . . . . . . . . . . . . . . . . . . . . . . . . . . . . . . . . . . . . . . . . . . . . . . . 3-14
Filter Replacement Procedure . . . . . . . . . . . . . . . . . . . . . . . . . . . . . . . . . . . 3-14
Removal from Service/Winterization . . . . . . . . . . . . . . . . . . . . . . . . . . . . . . . . . 3-15
General . . . . . . . . . . . . . . . . . . . . . . . . . . . . . . . . . . . . . . . . . . . . . . . . . . . . . 3-15
Self-Contained Air-Cooled Ice Machines . . . . . . . . . . . . . . . . . . . . . . . . . . . 3-15
Water-Cooled Ice Machines . . . . . . . . . . . . . . . . . . . . . . . . . . . . . . . . . . . . . 3-15
Remote Ice Machines . . . . . . . . . . . . . . . . . . . . . . . . . . . . . . . . . . . . . . . . . . 3-15
AuCS“ Accessory . . . . . . . . . . . . . . . . . . . . . . . . . . . . . . . . . . . . . . . . . . . . . 3-15
Section 4
Ice Machine Sequence of Operation
Self-Contained Air- and Water-Cooled
Q200/Q280/Q320/Q370/Q420/Q450/Q600/Q800/Q1000/Q1300/Q1600/Q1800 . 4-1
Initial Start-Up or Start-Up After Automatic Shut-Off . . . . . . . . . . . . . . . . . . . 4-1
Freeze Sequence . . . . . . . . . . . . . . . . . . . . . . . . . . . . . . . . . . . . . . . . . . . . . 4-1
Harvest Sequence . . . . . . . . . . . . . . . . . . . . . . . . . . . . . . . . . . . . . . . . . . . . 4-2
Automatic Shut-Off . . . . . . . . . . . . . . . . . . . . . . . . . . . . . . . . . . . . . . . . . . . . 4-2
Remote
Q450/Q600/Q800/Q1000/Q1300/Q1600/Q1800 . . . . . . . . . . . . . . . . . . . . . . . . . . 4-3
Initial Start-Up or Start-Up After Automatic Shut-Off . . . . . . . . . . . . . . . . . . . 4-3
Freeze Sequence . . . . . . . . . . . . . . . . . . . . . . . . . . . . . . . . . . . . . . . . . . . . . 4-3
Harvest Sequence . . . . . . . . . . . . . . . . . . . . . . . . . . . . . . . . . . . . . . . . . . . . 4-4
Automatic Shut-Off . . . . . . . . . . . . . . . . . . . . . . . . . . . . . . . . . . . . . . . . . . . . 4-4
Section 5
Water System Ice Making Sequence of Operation
Initial Start-Up or Start-Up After Automatic Shut-Off . . . . . . . . . . . . . . . . . . . 5-1
Freeze Cycle . . . . . . . . . . . . . . . . . . . . . . . . . . . . . . . . . . . . . . . . . . . . . . . . . 5-1
Water Inlet Valve Safety Shut-Off . . . . . . . . . . . . . . . . . . . . . . . . . . . . . . . . . 5-1
Harvest Cycle . . . . . . . . . . . . . . . . . . . . . . . . . . . . . . . . . . . . . . . . . . . . . . . . 5-2
Automatic Shut-Off . . . . . . . . . . . . . . . . . . . . . . . . . . . . . . . . . . . . . . . . . . . . 5-2
Section 6
Electrical System
Energized Parts Charts . . . . . . . . . . . . . . . . . . . . . . . . . . . . . . . . . . . . . . . . . . . . 6-1
Self-Contained Air- And Water-Cooled Models . . . . . . . . . . . . . . . . . . . . . . 6-1
1. Initial Start-Up or Start-Up After Automatic Shut-Off . . . . . . . . . . . . . . . . . 6-1
Remote Models . . . . . . . . . . . . . . . . . . . . . . . . . . . . . . . . . . . . . . . . . . . . . . . 6-2
1. Initial Start-Up or Start-Up After Automatic Shut-Off . . . . . . . . . . . . . . . . . 6-2
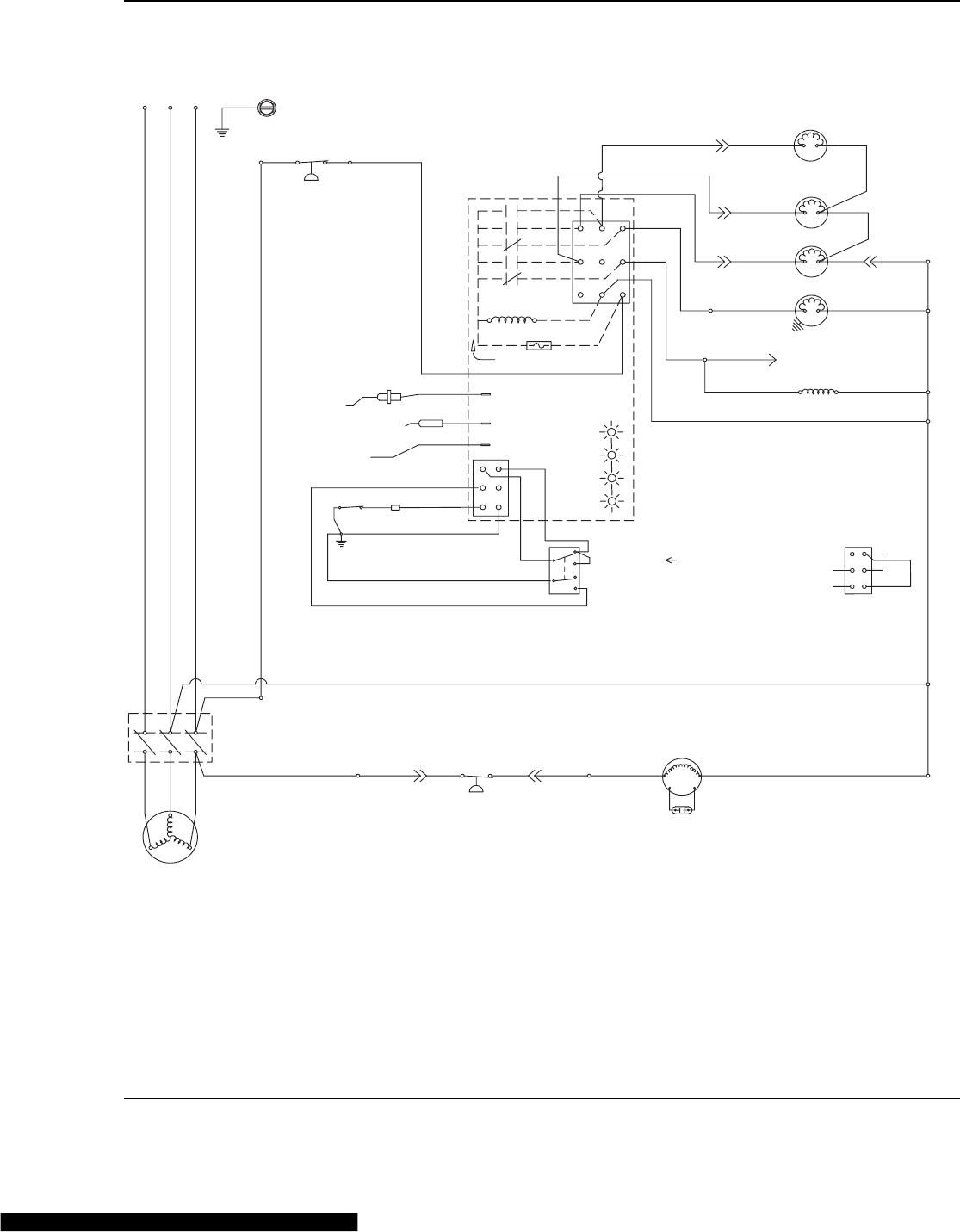
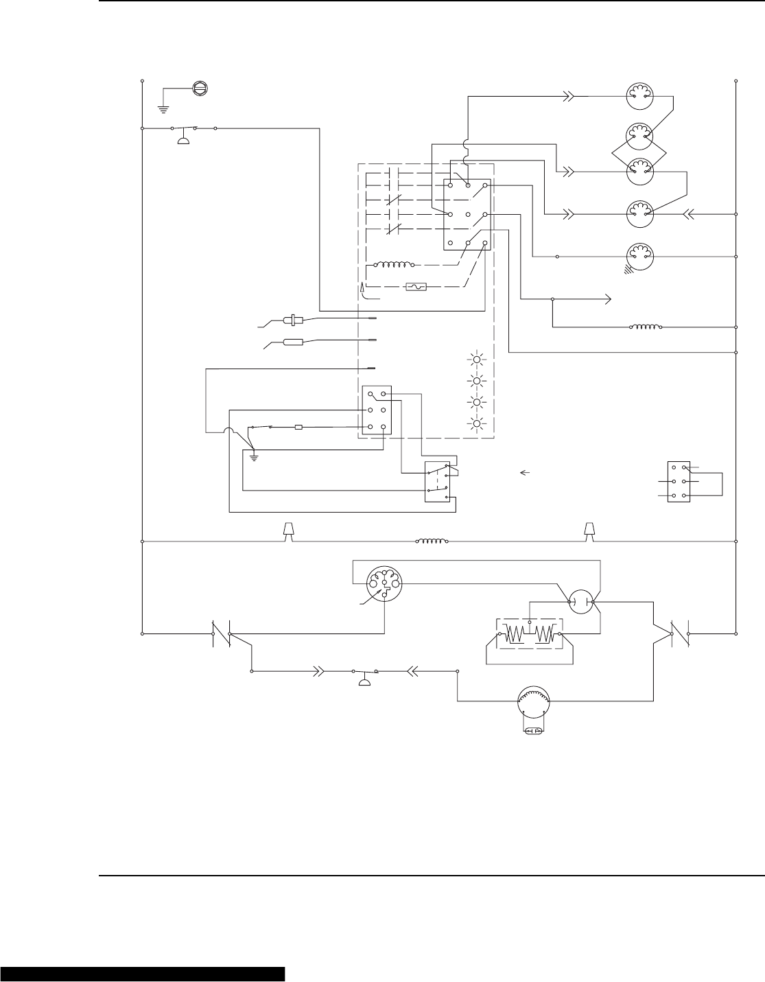
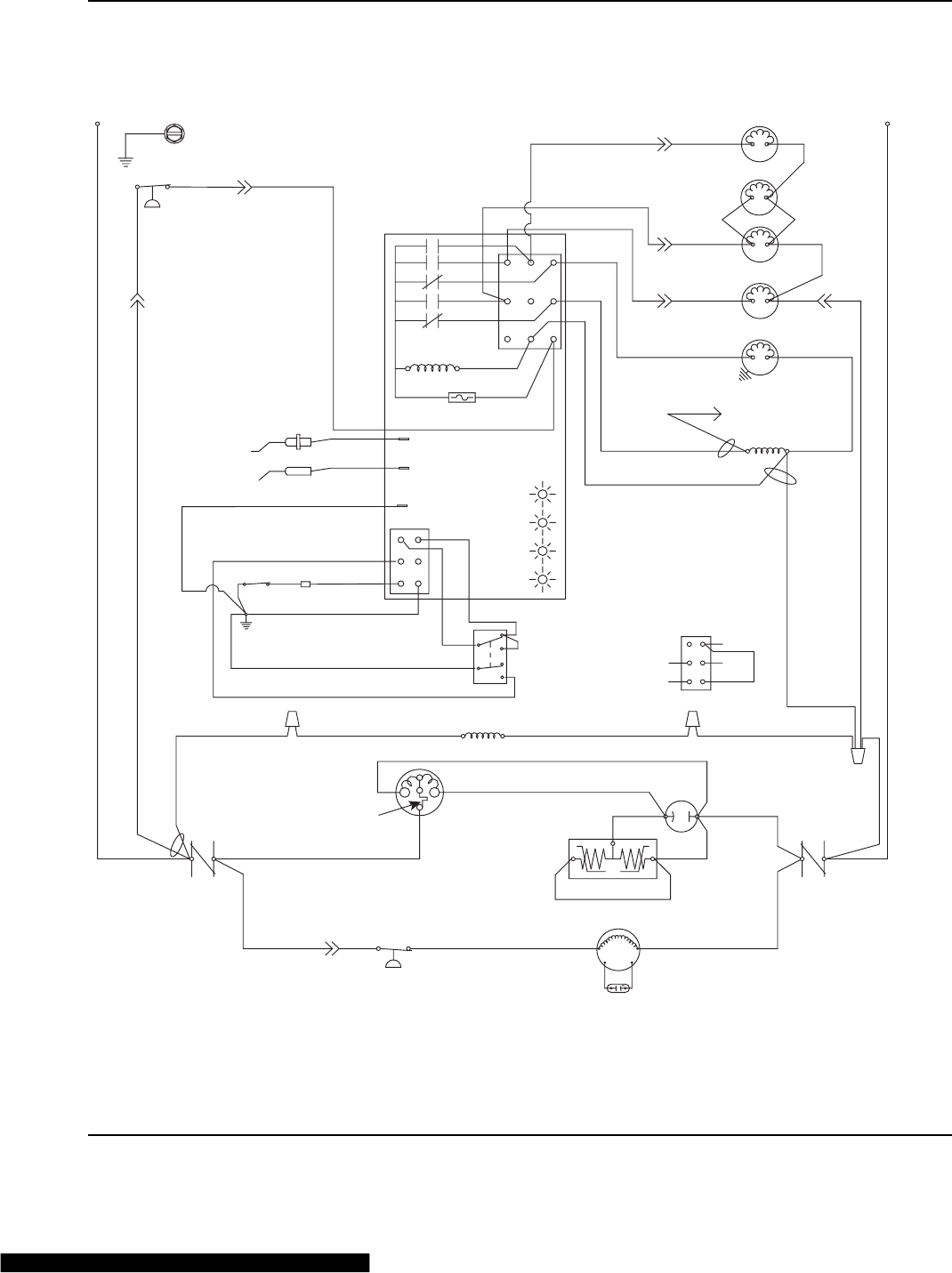
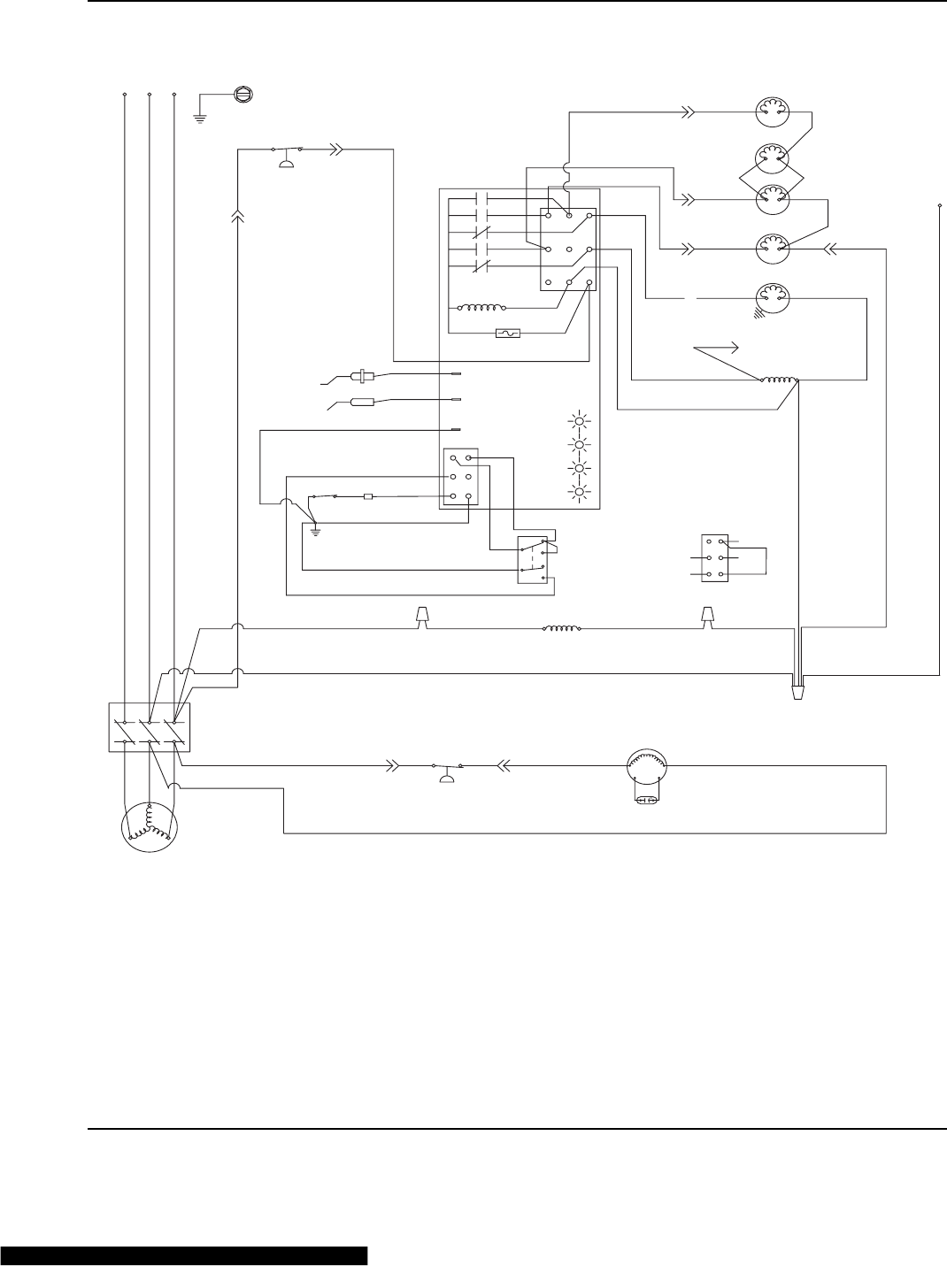
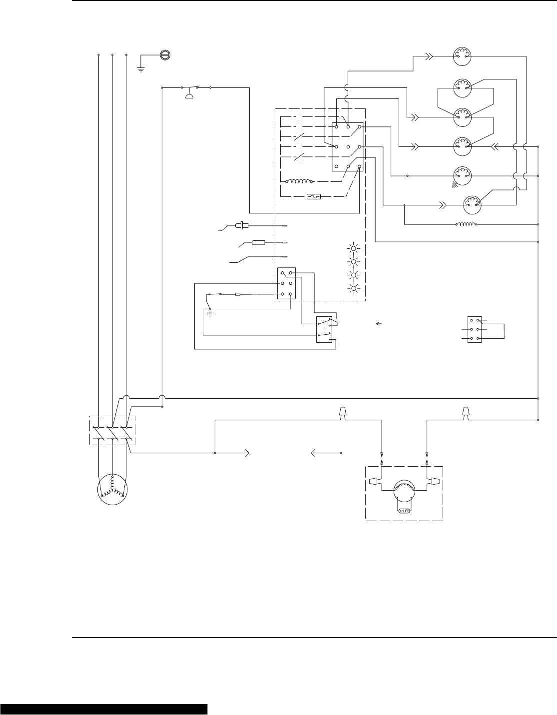
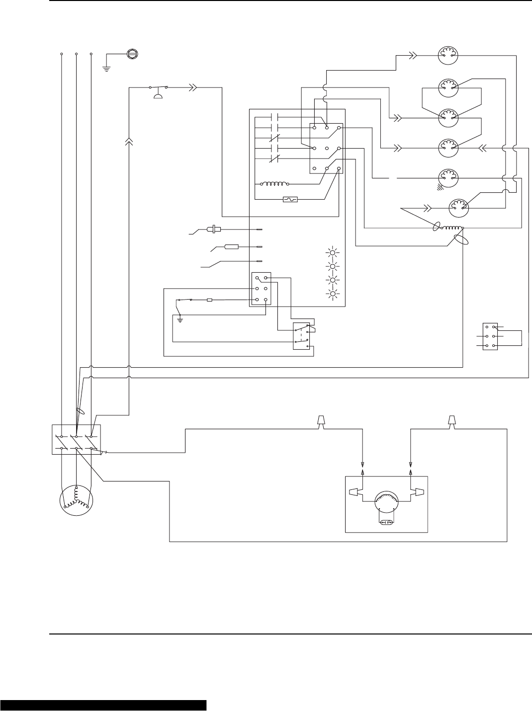
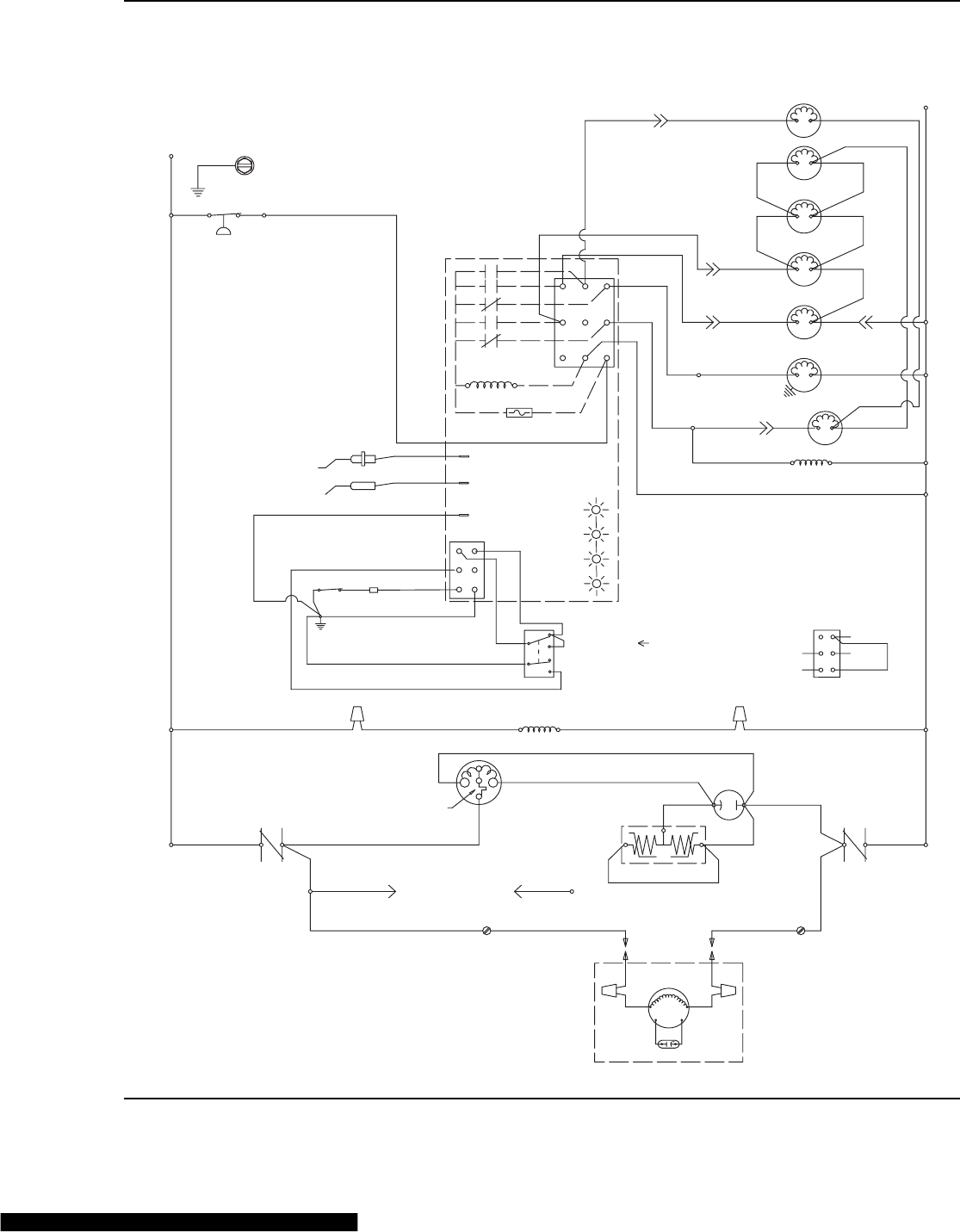
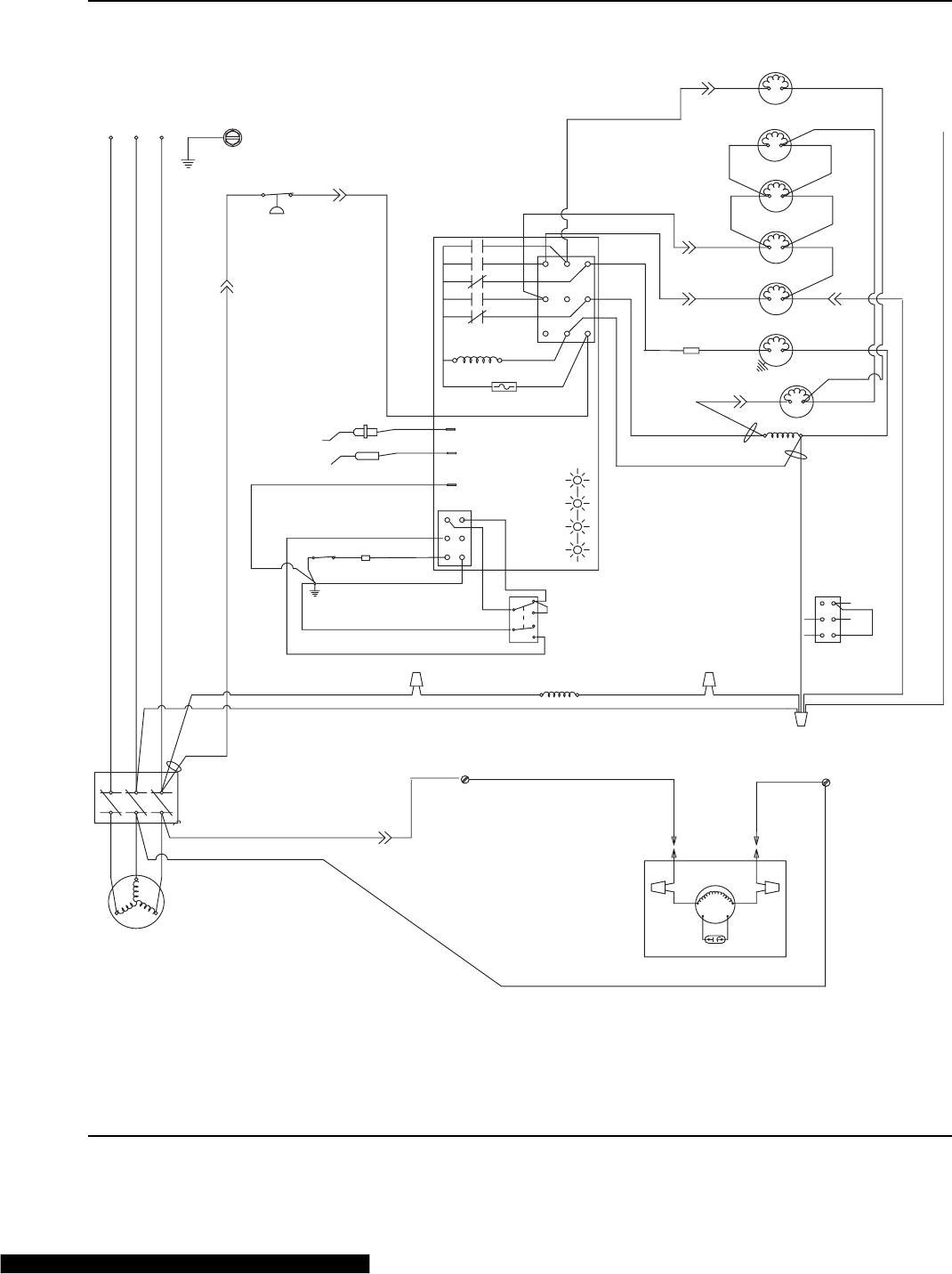
Wiring Diagram Sequence of Operation . . . . . . . . . . . . . . . . . . . . . . . . . . . . . . 6-3
Self-Contained Models . . . . . . . . . . . . . . . . . . . . . . . . . . . . . . . . . . . . . . . . . 6-3
Remote Models . . . . . . . . . . . . . . . . . . . . . . . . . . . . . . . . . . . . . . . . . . . . . . . 6-10

Table of Contents (continued)
4Part No. 80-1100-3
Wiring Diagrams . . . . . . . . . . . . . . . . . . . . . . . . . . . . . . . . . . . . . . . . . . . . . . . . . . 6-17
Wiring Diagram Legend . . . . . . . . . . . . . . . . . . . . . . . . . . . . . . . . . . . . . . . . . 6-17
Q200/Q280/Q320 - Self Contained - 1 Phase With Terminal Board . . . . . . . 6-18
Q280/Q370 - Self Contained - 1 Phase Without Terminal Board . . . . . . . . . 6-19
Q320 - Self Contained - 1 Phase Without Terminal Board . . . . . . . . . . . . . . 6-20
Q420/Q450/Q600/Q800/Q1000 - Self Contained -
1 Phase With Terminal Board . . . . . . . . . . . . . . . . . . . . . . . . . . . . . . . . . . . . 6-21
Q420/Q450/Q600/Q800/Q1000 - Self Contained -
1 Phase Without Terminal Board . . . . . . . . . . . . . . . . . . . . . . . . . . . . . . . . . . 6-22
Q800/Q1000 - Self Contained - 3 Phase With Terminal Board . . . . . . . . . . . 6-23
Q800/Q1000 - Self Contained - 3 Phase Without Terminal Board . . . . . . . . 6-24
Q1300/Q1800 - Self Contained - 1 Phase With Terminal Board . . . . . . . . . . 6-25
Q1300/Q1600/Q1800 - Self Contained - 1 Phase Without Terminal Board . 6-26
Q1300/Q1800 - Self Contained - 3 Phase With Terminal Board . . . . . . . . . . 6-27
Q1300/Q1600/Q1800 - Self Contained - 3 Phase Without Terminal Board . 6-28
Q450/Q600/Q800/Q1000 - Remote - 1 Phase With Terminal Board . . . . . . 6-29
Q450/Q600/Q800/Q1000 - Remote - 1 Phase Without Terminal Board . . . . 6-30
Q800/Q1000 -Remote - 3 Phase With Terminal Board . . . . . . . . . . . . . . . . . 6-31
Q800/Q1000 -Remote - 3 Phase Without Terminal Board . . . . . . . . . . . . . . 6-32
Q1300/Q1800 - Remote - 1 Phase With Terminal Board . . . . . . . . . . . . . . . 6-33
Q1300/Q1600/Q1800 - Remote - 1 Phase Without Terminal Board . . . . . . . 6-34
Q1300/Q1800 - Remote - 3 Phase With Terminal Board . . . . . . . . . . . . . . . 6-35
Q1300/Q1600/Q1800 - Remote - 3 Phase Without Terminal Board . . . . . . . 6-36
Component Specifications and Diagnostics . . . . . . . . . . . . . . . . . . . . . . . . . . . 6-38
Main Fuse . . . . . . . . . . . . . . . . . . . . . . . . . . . . . . . . . . . . . . . . . . . . . . . . . . . 6-38
Bin Switch . . . . . . . . . . . . . . . . . . . . . . . . . . . . . . . . . . . . . . . . . . . . . . . . . . . 6-38
Compressor Electrical Diagnostics . . . . . . . . . . . . . . . . . . . . . . . . . . . . . . . . 6-40
PTCR Diagnostics . . . . . . . . . . . . . . . . . . . . . . . . . . . . . . . . . . . . . . . . . . . . . 6-41
ICE/OFF/CLEAN Toggle Switch . . . . . . . . . . . . . . . . . . . . . . . . . . . . . . . . . . 6-44
Control Board Relays . . . . . . . . . . . . . . . . . . . . . . . . . . . . . . . . . . . . . . . . . . 6-44
Electronic Control Board . . . . . . . . . . . . . . . . . . . . . . . . . . . . . . . . . . . . . . . . 6-45
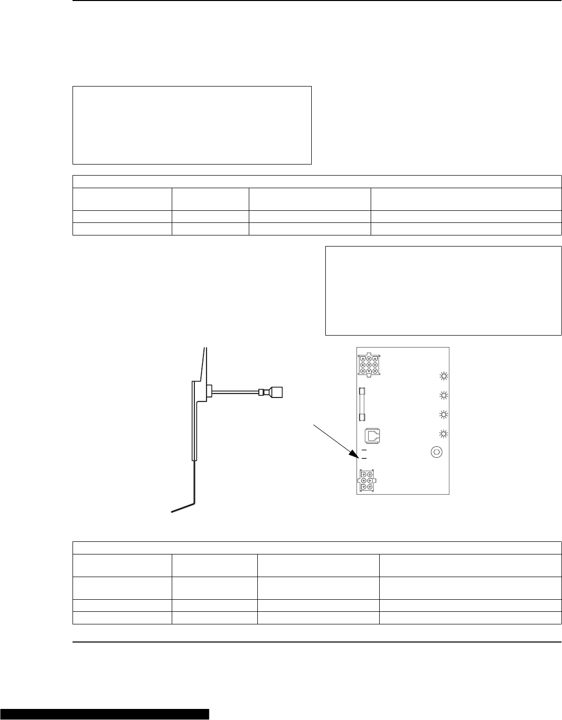
Ice Thickness Probe (Harvest Initiation) . . . . . . . . . . . . . . . . . . . . . . . . . . . . . . 6-47
How The Probe Works . . . . . . . . . . . . . . . . . . . . . . . . . . . . . . . . . . . . . . . . . 6-47
Harvest/Safety Limit Light . . . . . . . . . . . . . . . . . . . . . . . . . . . . . . . . . . . . . . . 6-47
Freeze Time Lock-In Feature . . . . . . . . . . . . . . . . . . . . . . . . . . . . . . . . . . . . 6-47
Maximum Freeze Time . . . . . . . . . . . . . . . . . . . . . . . . . . . . . . . . . . . . . . . . . 6-47
Ice Thickness Check . . . . . . . . . . . . . . . . . . . . . . . . . . . . . . . . . . . . . . . . . . . 6-47
Diagnosing Ice Thickness Control Circuitry . . . . . . . . . . . . . . . . . . . . . . . . . . 6-48
Water Level Control Circuitry . . . . . . . . . . . . . . . . . . . . . . . . . . . . . . . . . . . . . . . 6-50
Water Level Probe Light . . . . . . . . . . . . . . . . . . . . . . . . . . . . . . . . . . . . . . . . 6-50
Water Inlet Valve Safety Shut-Off . . . . . . . . . . . . . . . . . . . . . . . . . . . . . . . . . 6-50
Freeze Cycle Circuitry . . . . . . . . . . . . . . . . . . . . . . . . . . . . . . . . . . . . . . . . . . 6-50
Harvest Cycle Circuitry . . . . . . . . . . . . . . . . . . . . . . . . . . . . . . . . . . . . . . . . . 6-50
Diagnosing Freeze Cycle Potable Water Level Control Circuitry . . . . . . . . . 6-51
Diagnosing An Ice Machine That Will Not Run . . . . . . . . . . . . . . . . . . . . . . . . . 6-54

Table of Contents (continued)
Part No. 80-1100-3 5
Section 7
Refrigeration System
Sequence of Operation . . . . . . . . . . . . . . . . . . . . . . . . . . . . . . . . . . . . . . . . . . . . 7-1
Self-Contained Air or Water -Cooled Models . . . . . . . . . . . . . . . . . . . . . . . . 7-1
Remote Models . . . . . . . . . . . . . . . . . . . . . . . . . . . . . . . . . . . . . . . . . . . . . . . 7-3
Q1300/Q1600/Q1800 Refrigeration Tubing Schematics . . . . . . . . . . . . . . . 7-6
Operational Analysis (Diagnostics) . . . . . . . . . . . . . . . . . . . . . . . . . . . . . . . . . . 7-8
General . . . . . . . . . . . . . . . . . . . . . . . . . . . . . . . . . . . . . . . . . . . . . . . . . . . . . 7-8
Before Beginning Service . . . . . . . . . . . . . . . . . . . . . . . . . . . . . . . . . . . . . . . 7-9
Ice Production Check . . . . . . . . . . . . . . . . . . . . . . . . . . . . . . . . . . . . . . . . . . 7-9
Installation/Visual Inspection Checklist . . . . . . . . . . . . . . . . . . . . . . . . . . . . . 7-10
Water System Checklist . . . . . . . . . . . . . . . . . . . . . . . . . . . . . . . . . . . . . . . . 7-10
Ice Formation Pattern . . . . . . . . . . . . . . . . . . . . . . . . . . . . . . . . . . . . . . . . . . 7-11
Safety Limits . . . . . . . . . . . . . . . . . . . . . . . . . . . . . . . . . . . . . . . . . . . . . . . . . 7-13
Analyzing Discharge Pressure
During Freeze or Harvest Cycle . . . . . . . . . . . . . . . . . . . . . . . . . . . . . . . . . . 7-17
Analyzing Suction Pressure
During Freeze Cycle . . . . . . . . . . . . . . . . . . . . . . . . . . . . . . . . . . . . . . . . . . . 7-18
Single Expansion Valve Ice Machines -
Comparing Evaporator Inlet and
Outlet Temperatures . . . . . . . . . . . . . . . . . . . . . . . . . . . . . . . . . . . . . . . . . . . 7-20
Harvest Valve Temperature Check . . . . . . . . . . . . . . . . . . . . . . . . . . . . . . . . 7-21
Discharge Line Temperature Analysis . . . . . . . . . . . . . . . . . . . . . . . . . . . . . 7-22
How to Use the Refrigeration System
Operational Analysis Tables . . . . . . . . . . . . . . . . . . . . . . . . . . . . . . . . . . . . . 7-24
Refrigeration System Operational Analysis Tables . . . . . . . . . . . . . . . . . . . . 7-25
Harvest Pressure Regulating
(H.P.R.) System . . . . . . . . . . . . . . . . . . . . . . . . . . . . . . . . . . . . . . . . . . . . . . 7-27
Headmaster Control Valve . . . . . . . . . . . . . . . . . . . . . . . . . . . . . . . . . . . . . . 7-29
Pressure Control Specifications and Diagnostics . . . . . . . . . . . . . . . . . . . . . . 7-31
Fan Cycle Control . . . . . . . . . . . . . . . . . . . . . . . . . . . . . . . . . . . . . . . . . . . . . 7-31
High Pressure Cut-Out (HPCO) Control . . . . . . . . . . . . . . . . . . . . . . . . . . . . 7-31
Cycle Time/24 Hour Ice Production/Refrigerant Pressure Charts . . . . . . . . . 7-32
Q200 Series . . . . . . . . . . . . . . . . . . . . . . . . . . . . . . . . . . . . . . . . . . . . . . . . . 7-32
Q280 Series . . . . . . . . . . . . . . . . . . . . . . . . . . . . . . . . . . . . . . . . . . . . . . . . . 7-33
Q320 Series . . . . . . . . . . . . . . . . . . . . . . . . . . . . . . . . . . . . . . . . . . . . . . . . . 7-34
Q370 Series . . . . . . . . . . . . . . . . . . . . . . . . . . . . . . . . . . . . . . . . . . . . . . . . . 7-35
Q420/450 Series . . . . . . . . . . . . . . . . . . . . . . . . . . . . . . . . . . . . . . . . . . . . . . 7-36
Q450 Series . . . . . . . . . . . . . . . . . . . . . . . . . . . . . . . . . . . . . . . . . . . . . . . . . 7-37
Q600 Series . . . . . . . . . . . . . . . . . . . . . . . . . . . . . . . . . . . . . . . . . . . . . . . . . 7-37
Q800 Series . . . . . . . . . . . . . . . . . . . . . . . . . . . . . . . . . . . . . . . . . . . . . . . . . 7-39
Q1000 Series . . . . . . . . . . . . . . . . . . . . . . . . . . . . . . . . . . . . . . . . . . . . . . . . 7-40
Q1300 Series . . . . . . . . . . . . . . . . . . . . . . . . . . . . . . . . . . . . . . . . . . . . . . . . 7-42
Q1600 Series . . . . . . . . . . . . . . . . . . . . . . . . . . . . . . . . . . . . . . . . . . . . . . . . 7-43
Q1800 Series . . . . . . . . . . . . . . . . . . . . . . . . . . . . . . . . . . . . . . . . . . . . . . . . 7-44

Table of Contents (continued)
6Part No. 80-1100-3
Refrigerant Recovery/Evacuation and Recharging . . . . . . . . . . . . . . . . . . . . . 7-46
Normal Self-Contained Model Procedures . . . . . . . . . . . . . . . . . . . . . . . . . . 7-46
Normal Remote Model Procedures . . . . . . . . . . . . . . . . . . . . . . . . . . . . . . . . 7-48
System Contamination Clean-Up . . . . . . . . . . . . . . . . . . . . . . . . . . . . . . . . . 7-52
Replacing Pressure Controls Without
Removing Refrigerant Charge . . . . . . . . . . . . . . . . . . . . . . . . . . . . . . . . . . . . 7-54
Filter-Driers . . . . . . . . . . . . . . . . . . . . . . . . . . . . . . . . . . . . . . . . . . . . . . . . . . 7-56
Total System Refrigerant Charges . . . . . . . . . . . . . . . . . . . . . . . . . . . . . . . . 7-56
Refrigerant Definitions . . . . . . . . . . . . . . . . . . . . . . . . . . . . . . . . . . . . . . . . . . 7-57
Refrigerant Re-Use Policy . . . . . . . . . . . . . . . . . . . . . . . . . . . . . . . . . . . . . . . 7-58
HFC Refrigerant Questions and Answers . . . . . . . . . . . . . . . . . . . . . . . . . . . 7-59

Part No. 80-1100-3 1-1
Section 1
General Information
Model Numbers
This manual covers the following models:
NOTE: Model numbers ending in 3 indicate a 3-phase
unit. Example: QY1804A3
How to Read a Model Number
Ice Cube Sizes
Self-Contained
Air-Cooled Self-Contained
Water-Cooled Remote
QR0320A
QD0322A
QY0324A
QR0321W
QD0323W
QY0325W
--
--
QR0420A
QD0422A
QY0424A
QR0421W
QD0423W
QY0425W
--
--
QR0200A
QD0202A
QY0204A
QR0201W
QD0203W
QY0205W
--
--
QR0280A
QD0282A
QY0284A
QR0281W
QD0283W
QY0285W
--
--
QD0372A
QY0374A QD0373W
QY0375W --
--
QR0450A
QD0452A
QY0454A
QR0451W
QD0453W
QY0455W
QR0490N
QD0492N
QY0494N
QR0600A
QD0602A
QY0604A
QR0601W
QD0603W
QY0605W
QR0690N
QD0692N
QY0694N
QR0800A
QD0802A
QY0804A
QR0801W
QD0803W
QY0805W
QR0890N
QD0892N
QY0894N
QR1000A
QD1002A
QY1004A
QR1001W
QD1003W
QY1005W
QR1090N
QD1092N
QY1094N
QR1300A
QD1302A
QY1304A
QR1301W
QD1303W
QY1305W
QR1390N
QD1392N
QY1394N
--
-- QD1603W
QY1605W QD1692N
QY1694N
QR1800A
QD1802A
QY1804A
QR1801W
QD1803W
QY1805W
QR1890N
QD1892N
QY1894N
!
Warning
PERSONAL INJURY POTENTIAL
Do not operate equipment that has been misused,
abused, neglected, damaged, or altered/modified
from that of original manufactured specifications.
Regular
1-1/8" x 1-1/8" x 7/8"
2.86 x 2.86 x 2.22 cm
Dice
7/8" x 7/8" x 7/8"
2.22 x 2.22 x 2.22 cm
Half Dice
3/8" x 1-1/8" x 7/8"
0.95 x 2.86 x 2.22 cm
Q R 0450 A
ICE M ACHINE
MODEL
ICE CUBE SIZ E
R REG ULAR
D DICE
Y HALF DICE
# C UB E SIZ E
0 REG ULAR
1 R E G U L AR
2 DICE
3 DICE
4 H A LF-DICE
5 H A LF-DICE
CONDEN SER TY PE
AIR-COOLED
W ATER-COOLED
AIR-COOLED
W ATER-COOLED
AIR-COOLED
W ATER-COOLED
A SEL F-CON TAINED AIR -COOLED
W SELF-CON TAINED W ATER-COOLED
N REMO TE AIR-COOLED
9 REMO TE
AIR-COOLED
CONDEN SER TY PE
ICE M ACHINE
SER IES

General Information Section 1
1-2 Part No. 80-1100-3
Model/Serial Number Location
These numbers are required when requesting
information from your local Manitowoc distributor, or
Manitowoc Ice, Inc.
The model and serial number are listed on the MODEL/
SERIAL NUMBER DECAL affixed to the ice machine,
remote condenser and storage bin.
Figure 1-1. Model/Serial Number Location
SV1600

Section 1 General Information
Part No. 80-1100-3 1-3
Warranty Coverage
GENERAL
The following Warranty outline is provided for your
convenience. For a detailed explanation, read the
warranty bond shipped with each product.
Contact your local Manitowoc Distributor or Manitowoc
Ice, Inc. if you need further warranty information.
PARTS
1. Manitowoc warrants the ice machine against defects
in materials and workmanship, under normal use
and service for three (3) years from the date of
original installation.
2. The evaporator and compressor are covered by an
additional two (2) year (five years total) warranty
beginning on the date of the original installation.
LABOR
1. Labor required to repair or replace defective
components is covered for three (3) years from the
date of original installation.
2. The evaporator is covered by an additional two (2)
year (five years total) labor warranty beginning on
the date of the original installation.
EXCLUSIONS
The following items are not included in the ice machine’s
warranty coverage:
1. Normal maintenance, adjustments and cleaning.
2. Repairs due to unauthorized modifications to the ice
machine or use of non-standard parts without prior
written approval from Manitowoc Ice, Inc.
3. Damage caused by improper installation of the ice
machine, electrical supply, water supply or drainage,
or damage caused by floods, storms, or other acts of
God.
4. Premium labor rates due to holidays, overtime,
etc.; travel time; flat rate service call charges;
mileage and miscellaneous tools and material
charges not listed on the payment schedule.
Additional labor charges resulting from the
inaccessibility of equipment are also excluded.
5. Parts or assemblies subjected to misuse, abuse,
neglect or accidents.
6. Damage or problems caused by installation,
cleaning and/or maintenance procedures
inconsistent with the technical instructions provided
in this manual.
7. This product is intended exclusively for commercial
application. No warranty is extended for personal,
family, or household purposes.
AUTHORIZED WARRANTY SERVICE
To comply with the provisions of the warranty, a
refrigeration service company qualified and authorized
by a Manitowoc distributor, or a Contracted Service
Representative must perform the warranty repair.
Important
This product is intended exclusively for commercial
application. No warranty is extended for personal,
family, or household purposes.

General Information Section 1
1-4 Part No. 80-1100-3
THIS PAGE INTENTIONALLY LEFT BLANK

Part No. 80-1100-3 2-1
Section 2
Installation Instructions
General
Refer to Installation Manual for complete installation
guidelines.
Ice Machine Dimensions
Q320/Q370/Q420 ICE MACHINES
Important
Failure to follow these installation guidelines may
affect warranty coverage.
SV1602 SV1611
WATER COOLED AIR COOLED
Ice Machine Dimension H
Q320 21.5 in (54.6 cm)
Q370 21.5 in (54.6 cm)
Q420 26.5 in (67.3 cm)

Installation Instructions Section 2
2-2 Part No. 80-1100-3
Q200 – Q1000 ICE MACHINES Q1300/Q1600/Q1800 ICE MACHINES
SV1612 SV1628
WATER-COOLED SELF CONTAINED
AIR-COOLED
Ice Machine Dimension H
Q200 – Q280 16.5 in (41.9 cm)
Q450 21.5 in (54.6 cm)
Q600 21.5 in (54.6 cm)
Q800 26.5 in (67.3 cm)
Q1000 29.5 in (74.9 cm)
SV1613
AIR-COOLED
Ice Machine Dimension H
Q1300/Q1600 29.5 in (74.9 cm)
Q1800 29.5 in (74.9 cm)
SV1627
SELF CONTAINED
WATER-COOLED

Section 2 Installation Instructions
Part No. 80-1100-3 2-3
Q1300/Q1600/Q1800 ICE MACHINES (CONT.) Ice Storage Bin Dimensions
S170/S400/S570 ICE STORAGE BINS
S320/S420 ICE STORAGE BINS
SV1629
REMOTE AIR-COOLED
Bin Model Dimension A Dimension B
S170 29.5 in (74.9 cm) 19.1 in (48.5 cm)
S400 34.0 in (86.3 cm) 32.0 in (81.3 cm)
S570 34.0 in (86.3 cm) 44.0 in (111.7 cm)
Bin Model Dimension A Dimension B
S320 34.0 in (86.3 cm) 32.0 in (81.3 cm)
S420 34.0 in (86.3 cm) 44.0 in (111.7 cm)
SV1609
SV1614

Installation Instructions Section 2
2-4 Part No. 80-1100-3
S970 ICE STORAGE BINS Remote Condenser Dimensions
JC0495/JC0895/JC1095/JC1395
JC1895
!
Warning
All Manitowoc ice machines require the ice storage
system (bin, dispenser, etc.) to incorporate an ice
deflector.
The Q1300, Q1600 and Q1800 series ice machines
require adding Manitowoc Ice Deflector Kit K00139
when installing with non-Manitowoc ice storage
systems.
Prior to using a non-Manitowoc ice storage system
with other Manitowoc ice machines, contact the
manufacturer to assure their ice deflector is
compatible with Manitowoc ice machines.
SV1610 SV1297
SV1301

Section 2 Installation Instructions
Part No. 80-1100-3 2-5
Location of Ice Machine
The location selected for the ice machine must meet the
following criteria. If any of these criteria are not met,
select another location.
• The location must be free of airborne and other
contaminants.
• The air temperature must be at least 35°F (1.6°C),
but must not exceed 110°F (43.4°C).
• The location must not be near heat-generating
equipment or in direct sunlight.
• The location must not obstruct air flow through or
around the ice machine. Refer to the chart below for
clearance requirements.
Stacking Two Ice Machines on a Single
Storage Bin
A stacking kit is required for stacking two ice machines.
Installation instructions are supplied with the stacking kit.
Ice Machine Heat of Rejection
Ice machines, like other refrigeration equipment, reject
heat through the condenser. It is helpful to know the
amount of heat rejected by the ice machine when sizing
air conditioning equipment where self-contained air-
cooled ice machines are installed.
This information is also necessary when evaluating the
benefits of using water-cooled or remote condensers to
reduce air conditioning loads. The amount of heat added
to an air conditioned environment by an ice machine
using a water-cooled or remote condenser is negligible.
Knowing the amount of heat rejected is also important
when sizing a cooling tower for a water-cooled
condenser. Use the peak figure for sizing the cooling
tower.
Q1300/Q1600/
Q1800 Self-Contained
Air-Cooled Water-Cooled
and Remote
Top/Sides 24" (61 cm) 8" (20.3 cm)
Back 12" (30.5 cm) 5" (12.7 cm)
Q370 Self-Contained
Air-Cooled Water-Cooled
Top/Sides 12" (30.5 cm) 5" (12.7 cm)
Back 5" (127 mm) 5" (12.7 cm)
All other
Q models Self-Contained
Air-Cooled Water-Cooled
and Remote
Top/Sides 8" (20.3 cm) 8" (20.3 cm)
Back 5" (12.7 cm) 5" (12.7 cm)
There is no minimum clearance required. This value is
recommended for efficient operation and servicing only.
Q1600 is not available as an air-cooled model.
!
Caution
The ice machine must be protected if it will be
subjected to temperatures below 32°F (0°C).
Failure caused by exposure to freezing
temperatures is not covered by the warranty. See
“Removal from Service/Winterization” on Page 3-
14.
Q450/Q600/
Q800/Q1000
Stacked
Self-Contained
Air-Cooled
Stacked
Water-Cooled
and Remote*
Top/Sides 16" (40.64 cm) 5" (12.70 cm)
Back 5" (12.70 cm) 5" (12.70 cm)
Q1300/Q1600/
Q1800
Top/Sides 48" (121.92 cm) 24" (60.96 cm)
Back 12" (30.48 cm) 12" (30.48 cm)
*There is no minimum clearance required. This value is
recommended for efficient operation and servicing only.
Q1600 is not available as an air-cooled model.
Series
Ice Machine
Heat of Rejection
B.T.U./Hour
Air Conditioning
Because the heat of rejection varies during the ice making cycle,
the figure shown is an average.
Peak
Q320 4,600 6,200
Q370 3,900 5,950
Q420 7,000 9,600
Q200 3,800 5,000
Q280 3,800 6,000
Q450 7,000 9,600
Q600 9,000 13,900
Q800 12,400 19,500
Q1000 16,000 24,700
Q1300 24,000 35,500
Q1600 24,000 35,500
Q1800 36,000 50,000

Installation Instructions Section 2
2-6 Part No. 80-1100-3
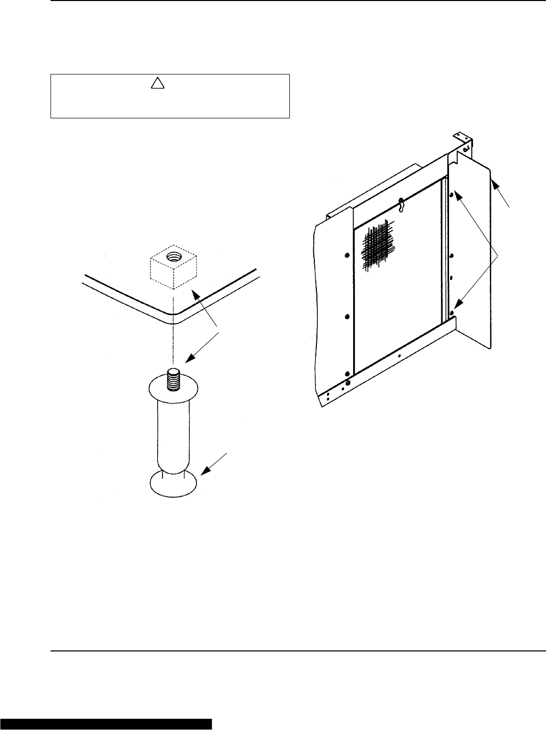
Leveling the Ice Storage Bin
1. Screw the leveling legs onto the bottom of the bin.
2. Screw the foot of each leg in as far as possible.
3. Move the bin into its final position.
4. Level the bin to assure that the bin door closes and
seals properly. Use a level on top of the bin. Turn
each foot as necessary to level the bin.
NOTE: An optional caster assembly is available for use
in place of the legs. Installation instructions are supplied
with the casters.
Figure 2-1. Leveling Leg and Foot
Air-Cooled Baffle
The air-cooled baffle prevents condenser air from
recirculating. To install:
1. Remove the back panel screws next to the
condenser.
2. Align the mounting holes in the air baffle with the
screw holes and reinstall the screws.
Figure 2-2. Air Baffle
!
Caution
The legs must be screwed in tightly to prevent them
from bending.
SV1606
THREAD LEVELING
LEG INTO BASE OF
CABINET
THREAD ‘FOOT’ IN AS
FAR AS POSSIBLE
SV1607
AIR
BAFFLE
SCREWS

Section 2 Installation Instructions
Part No. 80-1100-3 2-7
Electrical Service
GENERAL
VOLTAGE
The maximum allowable voltage variation is ±10% of the
rated voltage at ice machine start-up (when the electrical
load is highest).
FUSE/CIRCUIT BREAKER
A separate fuse/circuit breaker must be provided for
each ice machine. Circuit breakers must be H.A.C.R.
rated (does not apply in Canada).
MINIMUM CIRCUIT AMPACITY
The minimum circuit ampacity is used to help select the
wire size of the electrical supply. (Minimum circuit
ampacity is not the ice machine’s running amp load.)
The wire size (or gauge) is also dependent upon
location, materials used, length of run, etc., so it must be
determined by a qualified electrician.
!
Warning
All wiring must conform to local, state and national
codes.
!
Warning
The ice machine must be grounded in accordance
with national and local electrical codes.

Installation Instructions Section 2
2-8 Part No. 80-1100-3
Table 2-1. Q320/370/420 Ice Machines
Table 2-2. Q200 - Q1000 Ice Machines
Ice Machine Voltage
Phase
Cycle
Air-Cooled Water Cooled
Maximum Fuse/
Circuit Breaker Minimum
Circuit Amps Maximum Fuse/
Circuit Breaker Minimum
Circuit Amps
Q320
115/1/60 15 11.2 15 10.5
208-230/1/60 15 4.8 15 4.2
230/1/50 15 5.2 15 4.7
Q370
115/1/60 20 12.9 20 12.2
208-230/1/60 15 6.2 15 5.8
230/1/50 15 6.2 15 5.8
Q420
115/1/60 20 12.3 20 11.4
208-230/1/60 15 7.8 15 7.4
230/1/50 15 6.3 15 5.9
Ice Machine Voltage
Phase
Cycle
Air-Cooled Water Cooled Remote
Maximum
Fuse/Circuit
Breaker
Minimum
Circuit Amps
Maximum
Fuse/Circuit
Breaker
Minimum
Circuit Amps
Maximum
Fuse/Circuit
Breaker
Minimum
Circuit Amps
Q200
115/1/60 15 11.6 15 10.9 N/A N/A
208-230/1/60 15 5.4 15 4.8 N/A N/A
230/1/50 15 5.2 15 4.9 N/A N/A
Q280
115/1/60 20 12.6 20 11.7 N/A N/A
208-230/1/60 15 5.7 15 5.2 N/A N/A
230/1/50 15 5.7 15 5.2 N/A N/A
Q450
115/1/60 20 12.8 20 11.9 20 13.6
208-230/1/60 15 7.8 15 7.4 N/A N/A
230/1/50 15 6.1 15 5.7 N/A N/A
Q600 208-230/1/60 15 9.2 15 8.7 15 9.3
230/1/50 15 9.2 15 8.8 15 9.4
Q800
208-230/1/60 20 12.1 20 11.4 20 11.9
208-230/3/60 15 8.9 15 8.2 15 8.9
230/1/50 20 12.0 20 10.6 20 11.2
Q1000
208-230/1/60 20 14.3 20 13.2 20 14.2
208-230/3/60 15 9.8 15 8.8 15 9.9
230/1/50 20 15.6 20 14.2 20 14.6
Q1300
208-230/1/60 30 19.5 30 18.1 30 19.8
208-230/3/60 20 13.1 20 11.6 20 12.7
230/1/50 30 15.7 30 14.3 30 14.7
380-415/3/50 N/A N/A N/A N/A 15 7.3
Q1600
208-230/1/60 N/A N/A 30 17.2 30 18.2
208-230/3/60 N/A N/A 20 11.0 20 12.0
230/1/50 N/A N/A N/A N/A N/A N/A
380-415/3/50 N/A N/A N/A N/A N/A N/A
Q1800
208-230/1/60 40 28.1 40 26.7 40 26.9
208-230/3/60 20 15.5 20 14.1 20 13.9
230/1/50 40 23.3 40 21.9 40 22.2
380-415/3/50 N/A N/A N/A N/A 15 9.1

Section 2 Installation Instructions
Part No. 80-1100-3 2-9
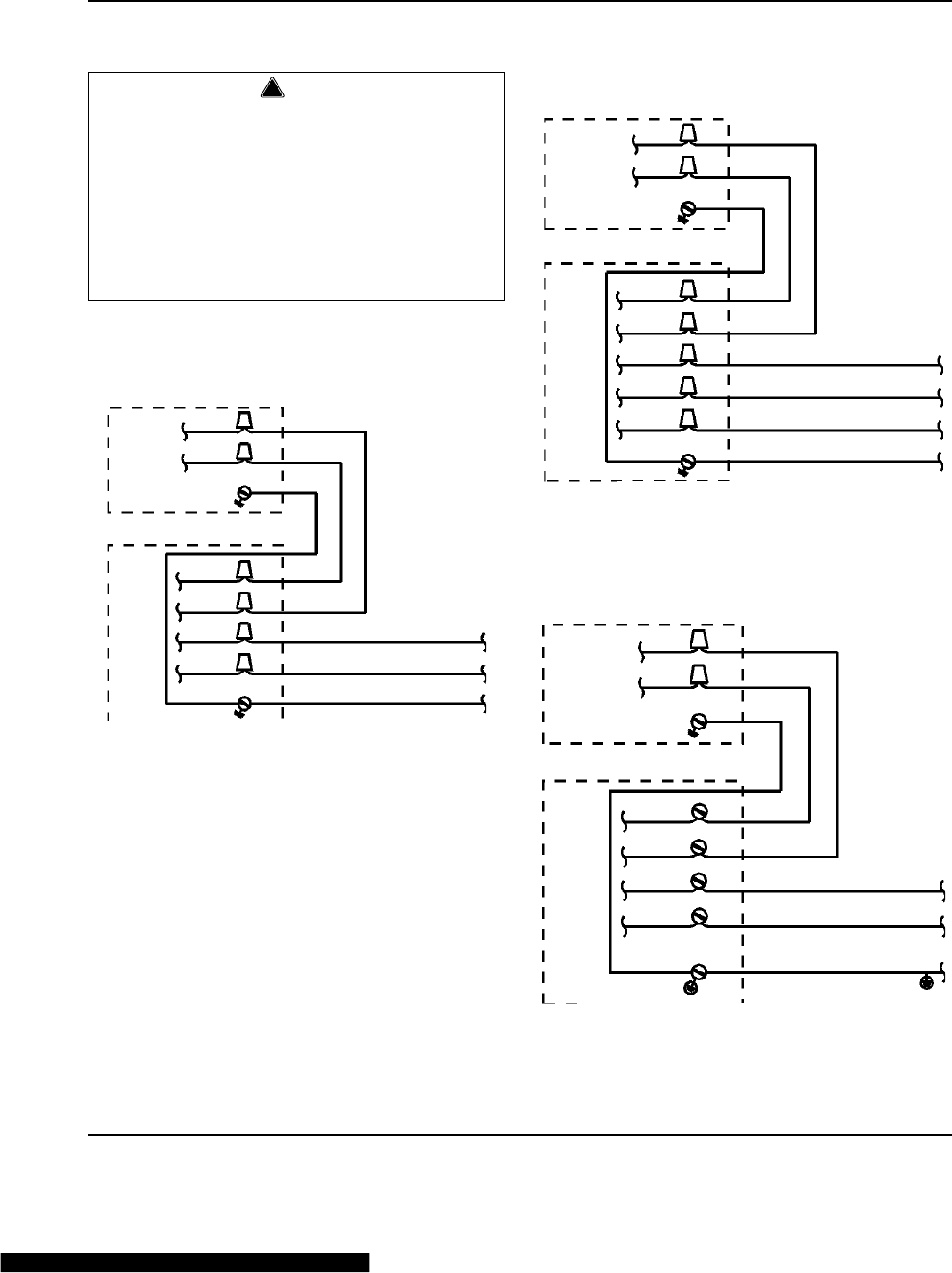
Self-Contained Electrical Wiring Connections
SELF CONTAINED ICE MACHINE
115/1/60 OR 208-230/1/60
SELF CONTAINED ICE MACHINE
208-230/3/60
SELF CONTAINED ICE MACHINE
230/1/50
!
Warning
These diagrams are not intended to show proper
wire routing, wire sizing, disconnects, etc., only the
correct wire connections.
All electrical work, including wire routing and
grounding, must conform to local, state and national
electrical codes.
Though wire nuts are shown in the drawings, the ice
machine field wiring connections may use either
wire nuts or screw terminals.
L1L1
N=115V
OR
L2=208-230V
GROUND
GROUND
ICE MACHINE
CONNECTIONS
SV1258
L1L1
GROUND
GROUND
ICE MACHINE
CONNECTIONS TO SEPARATE
FUSE/BREAKER
L2
L3
L2
L3
SV1190
L1L1
NN
GROUND GROUND
ICE MACHINE
CONNECTIONS
TO SEPARATE
FUSE/BREAKER.
DISCONNECT ALL
POLES.
SV1191
For United Kingdom Only
As the colours of the wires in the mains lead of the appliance may not correspond with the coloured markings
identifying the terminals in your plug, proceed as follows:
• The wire which is coloured green and yellow must be connected to the terminal in the plug which is marked with
the letter E or by the earth ground symbol or coloured green or green and yellow.
• The wire coloured blue must be connected to the terminal which is marked with the letter N or coloured black.
• The wire coloured brown must be connected to the terminal which is marked with the letter L or coloured red.
TO SEPARATE
FUSE/BREAKER

Installation Instructions Section 2
2-10 Part No. 80-1100-3
Remote Electrical Wiring Connections
REMOTE ICE MACHINE
WITH SINGLE CIRCUIT MODEL CONDENSER
115/1/60 OR 208-230/1/60
REMOTE ICE MACHINE
WITH SINGLE CIRCUIT MODEL CONDENSER
208-230/3/60 OR 380-415/3/50
REMOTE ICE MACHINE
WITH SINGLE CIRCUIT MODEL CONDENSER
230/1/50
!
Warning
These diagrams are not intended to show proper
wire routing, wire sizing, disconnects, etc., only the
correct wire connections.
All electrical work, including wire routing and
grounding, must conform to local, state and national
electrical codes.
Though wire nuts are shown in the drawings, the ice
machine field wiring connections may use either
wire nuts or screw terminals.
L1
NOTE:
CONDENSER FAN
MOTOR VOLTAGE
MATCHES ICE
MACHINE
VOLTAGE (115V
OR 208-230V)
GROUND
SINGLE CIRCUIT
REMOTE
CONDENSER
ICE
MACHINE
SV1255
L2
L1
L2
GROUND
TO SEPARATE
FUSE/BREAKER
GROUND
L1
L2
F2
F1
N=115V OR L2=208-230V
GROUND
ICE
MACHINE
SV1199
L3
L1
L2
GROUND
TO SEPARATE
FUSE/BREAKER
GROUND
L3
L1
L2
F2
F1
NOTE: FAN
MOTOR IS
208-230V
L1
L2
SINGLE CIRCUIT
REMOTE
CONDENSER
SINGLE CIRCUIT
REMOTE
CONDENSER
L1
L2NOTE: FAN
MOTOR IS
220-240V
L1
N
F2
F1
ICE
MACHINE
GROUND
L1
N
GROUND
TO SEPARATE
FUSE/BREAKER
(220-240).
DISCONNECT ALL
POLES.
SV1256

Section 2 Installation Instructions
Part No. 80-1100-3 2-11
Water Supply and Drain Requirements
WATER SUPPLY
Local water conditions may require treatment of the
water to inhibit scale formation, filter sediment, and
remove chlorine odor and taste.
WATER INLET LINES
Follow these guidelines to install water inlet lines:
• Do not connect the ice machine to a hot water
supply. Be sure all hot water restrictors installed for
other equipment are working. (Check valves on sink
faucets, dishwashers, etc.)
• If water pressure exceeds the maximum
recommended pressure, obtain a water pressure
regulator from your Manitowoc distributor.
• Install a water shut-off valve for both the ice making
and condenser water lines.
• Insulate water inlet lines to prevent condensation.
DRAIN CONNECTIONS
Follow these guidelines when installing drain lines to
prevent drain water from flowing back into the ice
machine and storage bin:
• Drain lines must have a 1.5 inch drop per 5 feet of
run (2.5 cm per meter), and must not create traps.
• The floor drain must be large enough to
accommodate drainage from all drains.
• Run separate bin and ice machine drain lines.
Insulate them to prevent condensation.
• Vent the bin and ice machine drain to the
atmosphere. Do not vent the condenser drain on
water-cooled models.
Cooling Tower Applications
(Water-Cooled Models)
A water cooling tower installation does not require
modification of the ice machine. The water regulator
valve for the condenser continues to control the
refrigeration discharge pressure.
It is necessary to know the amount of heat rejection, and
the pressure drop through the condenser and water
valves (inlet and outlet) when using a cooling tower on
an ice machine.
• Water entering the condenser must not exceed 90°F
(32.2°C).
• Water flow through the condenser must not exceed 5
gallons (19 liters) per minute.
• Allow for a pressure drop of 7 psi (48 kPA) between
the condenser water inlet and the outlet of the ice
machine.
• Water exiting the condenser must not exceed 110°F
(43.3°C).
Important
If you are installing a Manitowoc water filter system,
refer to the Installation Instructions supplied with the
filter system for ice making water inlet connections.

Installation Instructions Section 2
2-12 Part No. 80-1100-3
WATER SUPPLY AND DRAIN LINE SIZING/CONNECTIONS
Figure 2-3. Typical Water Supply Drain Installation
!
Caution
Plumbing must conform to state and local codes.
Location Water Temperature Water Pressure Ice Machine Fitting Tubing Size Up to Ice
Machine Fitting
Ice Making
Water Inlet
33°F (0.6°C) Min.
90°F (32.2°C) Max.
20 psi (137.9 kPA) Min.
80 psi (551.5 kPA) Max.
3/8" Female
Pipe Thread 3/8" (9.5 mm) minimum
inside diameter
Ice Making
Water Drain --- --- 1/2" Female
Pipe Thread 1/2" (12.7 mm) minimum
inside diameter
Condenser
Water Inlet
33°F (0.6°C) Min.
90°F (32.2°C) Max.
20 psi (137.9 kPA) Min.
150 psi (1034.2 kPA) Max.
Q1300/Q1600/Q1800 - 1/2" Female Pipe Thread
All Others - 3/8" Female Pipe Thread
Condenser
Water Drain --- --- 1/2" Female
Pipe Thread 1/2" (12.7 mm) minimum
inside diameter
Bin Drain --- --- 3/4" Female
Pipe Thread 3/4" (19.1 mm) minimum
inside diameter
SV1626

Section 2 Installation Instructions
Part No. 80-1100-3 2-13
Remote Condenser/Line Set Installation
REMOTE ICE MACHINES
REFRIGERANT CHARGE
Each remote ice machine ships from the factory with a
refrigerant charge appropriate for installation with line
sets of up to 50' (15.25 m). The serial tag on the ice
machine indicates the refrigerant charge.
Additional refrigerant may be required for installations
using line sets between 50' and 100' (15.25-30.5 m)
long. If additional refrigerant is required, an additional
label located next to the Model/Serial Numbers decal
states the amount of refrigerant to be added.
Figure 2-4. Typical Additional Refrigerant Label
If there is no additional label, the nameplate charge is
sufficient for line sets up to 100' (30.5 m). (See the chart
below.)
Ice Machine Remote Single
Circuit
Condenser Line Set*
Q490 JC0495 RT-20-R404A
RT-35-R404A
RT-50-R404A
Q690 JC0895
Q890
Q1090 JC1095
Q1390 JC1395 RL-20-R404A
RL-35-R404A
RL-50-R404A
Q1690 JC1695
Q1890 JC1895
*Line Set Discharge Line Liquid Line
RT 1/2" (1.27 cm) 5/16" (.79 cm)
RL 1/2" (1.27 cm) 3/8" (.95 cm)
Air Temperature Around the Condenser
Minimum Maximum
-20°F (-28.9°C) 120°F (49°C)
IMPORTANT
EPA CERTIFIED TECHNICIANS
If remote line set length is between 50' and 100' (15.25-
30.5 m), add 1.5 lb. (24 oz) (0.68 kg) of refrigerant to the
nameplate charge.
Tubing length: ______________________________
Refrigerant added to nameplate: ________________
New total refrigerant charge: ___________________
WARNING
Potential Personal Injury Situation
The ice machine contains refrigerant charge. Installation of
the line sets must be performed by a properly trained and
EPA certified refrigeration technician aware of the dangers
of dealing with refrigerant charged equipment.
Ice Machine Nameplate Charge
(Charge Shipped in Ice Machine)
Refrigerant to be Added for
50'-100' Line Sets
Maximum System Charge
(Never Exceed)
Q490 6 lb. (96 oz.) None 6 lb. (96 oz.)
Q690 8 lb. (128 oz.) None 8 lb. (128 oz.)
Q890 8 lb. (128 oz.) None 8 lb. (128 oz.)
Q1090 9.5 lb. (152 oz.) None 9.5 lb. (152 oz.)
Q1390 12.5 lb. (200 oz.) 1.5 lb. (24 oz) 14 lb. (224 oz.)
Q1690 15 lb. (240 oz.) 2.0 lb. (32 oz) 17 lb. (272 oz.)
Q1890 15 lb. (240 oz.) 2.0 lb. (32 oz) 17 lb. (272 oz.)

Installation Instructions Section 2
2-14 Part No. 80-1100-3
GENERAL
Condensers must be mounted horizontally with the fan
motor on top.
Remote condenser installations consist of vertical and
horizontal line sets between the ice machine and the
condenser. When combined, they must fit within
approved specifications. The following guidelines,
drawings and calculation methods must be followed to
verify a proper remote condenser installation.
GUIDELINES FOR ROUTING LINE SETS
First, cut a 2.5" (6.35 cm) circular hole in the wall or roof
for tubing routing. The line set end with the 90° bend will
connect to the ice machine. The straight end will connect
to the remote condenser.
Follow these guidelines when routing the refrigerant
lines. This will help insure proper performance and
service accessibility.
1. Optional - Make the service loop in the line sets (See
Figure 2-5). This permits easy access to the ice
machine for cleaning and service. Do not use hard
rigid copper at this location.
2. Required - Do not form traps in the refrigeration lines
(except the service loop). Refrigerant oil must be
free to drain toward the ice machine or the
condenser. Route excess tubing in a supported
downward horizontal spiral (See Figure 2-5). Do not
coil tubing vertically.
3. Required - Keep outdoor refrigerant line runs as
short as possible.
Figure 2-5. Routing Line Sets
!
Caution
The 60 month compressor warranty (including the
36 month labor replacement warranty) will not apply
if the remote ice machine is not installed according
to specifications.
This warranty also will not apply if the refrigeration
system is modified with a condenser, heat reclaim
device, or other parts or assemblies not
manufactured by Manitowoc Ice, Inc., unless
specifically approved in writing by Manitowoc Ice,
Inc.
1
2
3
1
2
3
DOWNWARD
HORIZONTAL
SPIRAL
SV1204

Section 2 Installation Instructions
Part No. 80-1100-3 2-15
CALCULATING REMOTE CONDENSER
INSTALLATION DISTANCES
Line Set Length
The maximum length is 100' (30.5 m).
The ice machine compressor must have the proper oil
return. The receiver is designed to hold a charge
sufficient to operate the ice machine in ambient
temperatures between -20°F (-28.9°C) and 120°F
(49°C), with line set lengths of up to 100' (30.5 m).
Line Set Rise/Drop
The maximum rise is 35' (10.7 m).
The maximum drop is 15' (4.5 m).
Calculated Line Set Distance
The maximum distance is 150' (45.7 m).
Line set rises, drops, horizontal runs (or combinations of
these) in excess of the stated maximums will exceed
compressor start-up and design limits. This will cause
poor oil return to the compressor.
Make the following calculations to make sure the line set
layout is within specifications.
1. Insert the measured rise into the formula below.
Multiply by 1.7 to get the calculated rise.
(Example: A condenser located 10 feet above the
ice machine has a calculated rise of 17 feet.)
2. Insert the measured drop into the formula below.
Multiply by 6.6 to get the calculated drop.
(Example. A condenser located 10 feet below the
ice machine has a calculated drop of 66 feet.)
3. Insert the measured horizontal distance into the
formula below. No calculation is necessary.
4. Add together the calculated rise, calculated drop,
and horizontal distance to get the total calculated
distance. If this total exceeds 150' (45.7 m), move
the condenser to a new location and perform the
calculations again.
Maximum Line Set Distance Formula
!
Caution
If a line set has a rise followed by a drop, another
rise cannot be made. Likewise, if a line set has a
drop followed by a rise, another drop cannot be
made.
Step 1. Measured Rise (35' [10.7 m] Maximum) ______ x 1.7 =_______ Calculated Rise
Step 2. Measured Drop (15' [4.5 m] Maximum) ______ x 6.6 =_______ Calculated Drop
Step 3. Measured Horizontal Distance (100' [30.5 m] Maximum) _______ Horizontal Distance
Step 4. Total Calculated Distance 150' (45.7 m) _______ Total Calculated Distance
H
R
H
D
H
D
R
Figure 2-6. Combination of a Rise
and a Horizontal Run Figure 2-7. Combination of a Drop
and a Horizontal Run Figure 2-8. Combination of a
Rise, a Drop and a Horizontal Run
SV1196 SV1195 SV1194

Installation Instructions Section 2
2-16 Part No. 80-1100-3
LENGTHENING OR REDUCING LINE SET LENGTHS
In most cases, by routing the line set properly,
shortening will not be necessary. When shortening or
lengthening is required, do so before connecting the line
set to the ice machine or the remote condenser. This
prevents the loss of refrigerant in the ice machine or
condenser.
The quick connect fittings on the line sets are equipped
with Schraeder valves. Use these valves to recover any
vapor charge from the line set. When lengthening or
shortening lines, follow good refrigeration practices and
insulate new tubing. Do not change the tube sizes.
Evacuate the lines and place about 5 oz (143g) of vapor
refrigerant charge in each line.
CONNECTING A LINE SET
1. Remove the dust caps from the line set, condenser
and ice machine.
2. Apply refrigeration oil to the threads on the quick
disconnect couplers before connecting them to the
condenser.
3. Carefully thread the female fitting to the condenser
or ice machine by hand.
4. Tighten the couplings with a wrench until they
bottom out.
5. Turn an additional 1/4 turn to ensure proper brass-
to-brass seating. Torque to the following
specifications:
6. Check all fittings for leaks.
REMOTE RECEIVER SERVICE VALVE
The receiver service valve is closed during shipment.
Open the valve prior to starting the ice machine.
1. Remove the top and left side panels.
2. Remove the receiver service valve cap.
3. Backseat (open) the valve.
4. Reinstall the cap and panels.
Figure 2-9. Backseating the Receiver Service Valve
Liquid Line Discharge Line
10-12 ft lb.
(13.5-16.2 N•m) 35-45 ft lb.
(47.5-61.0 N•m)
SV1603
REMOVE FRONT, TOP,
AND LEFT SIDE PANEL
FOR ACCESS TO
RECEIVER VALVE
TURN
COUNTERCLOCKWISE TO
OPEN
RECEIVER SERVICE
VALVE CAP (TURN
COUNTERCLOCKWISE TO
REMOVE)

Section 2 Installation Instructions
Part No. 80-1100-3 2-17
Remote Ice Machine Usage with Non-Manitowoc Multi-Circuit Condensers
WARRANTY
The sixty (60) month compressor warranty, including
thirty six (36) month labor replacement warranty, shall
not apply when the remote ice machine is not installed
within the remote specifications. The foregoing warranty
shall not apply to any ice machine installed and/or
maintained inconsistent with the technical instructions
provided by Manitowoc Ice, Inc. Performance may vary
from Sales specifications. Q-Model ARI certified
standard ratings only apply when used with a Manitowoc
remote condenser.
If the design of the condenser meets the specifications,
Manitowoc’s only approval is for full warranty coverage
to be extended to the Manitowoc manufactured part of
the system. Since Manitowoc does not test the
condenser in conjunction with the ice machine,
Manitowoc will not endorse, recommend, or approve the
condenser, and will not be responsible for its
performance or reliability..
HEAD PRESSURE CONTROL VALVE
Any remote condenser connected to a Manitowoc Q-
Model Ice Machine must have a head pressure control
valve #836809-3 (available from Manitowoc Distributors)
installed on the condenser package. Manitowoc will not
accept substitute “off the shelf” head pressure control
valves.
FAN MOTOR
The condenser fan must be on during the complete ice
machine freeze cycle (do not cycle on fan cycle control).
The ice maker has a condenser fan motor circuit for use
with a Manitowoc condenser. It is recommended that this
circuit be used to control the condenser fan(s) on the
multi-circuit condenser to assure it is on at the proper
time. Do not exceed the rated amps for the fan motor
circuit listed on the ice machine’s serial tag.
INTERNAL CONDENSER VOLUME
The multi-circuit condenser internal volume must not be
less than or exceed that used by Manitowoc (see chart
on Page 2-18). Do not exceed internal volume and try
to add charge to compensate, as compressor failure
will result.
CONDENSER ∆T
∆T is the difference in temperature between the
condensing refrigerant and entering air. The ∆T should
be 15 to 20°F (-9.4 to -6.6°C) at the beginning of the
freeze cycle (peak load conditions) and drop down to 12
to 17°F (-11.1 to -8.3°C) during the last 75% of the
freeze cycle (average load conditions).
REFRIGERANT CHARGE
Remote ice machines have the serial plate refrigerant
charge (total system charge) located in the ice maker
section. (Remote condensers and line sets are supplied
with only a vapor charge.)
QUICK CONNECT FITTINGS
The ice machine and line sets come with quick connect
fittings. It is recommended that matching quick connects
(available through Manitowoc Distributors) be installed in
the multi-circuit condenser, and that a vapor “holding”
charge (5 oz.) of proper refrigerant be added to the
condenser prior to connection of the ice machine or line
set to the condenser.
Important
Manitowoc warrants only complete new and unused
remote packages. Guaranteeing the integrity of a
new ice machine under the terms of our warranty
prohibits the use of pre-existing (used) tubing or
condensers.
!
Caution
Do not use a fan cycling control to try to maintain
discharge pressure. Compressor failure will result.
!
Caution
Never add more than nameplate charge to ice
machine for any application.

Installation Instructions Section 2
2-18 Part No. 80-1100-3
NON-MANITOWOC MULTI-CIRCUIT CONDENSER SIZING CHART
Figure 2-10. Typical Single Circuit Remote Condenser Installation
Ice
Machine
Model
Refrigerant Heat of Rejection Internal
Condenser
Volume (cu ft) Design
Pressure
Quick Connect Stubs-
Male Ends Head
Pressure
Control
Valve
Type Charge Average
Btu/hr Peak
Btu/hr Min Max Discharge Liquid
Q450 R-404A 6 lbs. 7,000 9,600 0.020 0.035 500 psig
safe working
pressure
coupling
P/N
83-6035-3
coupling
P/N
83-6034-3
Manitowoc
P/N
83-6809-3
Q600 R-404A 8 lbs. 9,000 13,900 0.045 0.060
Q800 R-404A 8 lbs. 12,400 19,500 0.045 0.060
2,500 psig
burst
pressure
mounting
flange P/N
83-6006-3
mounting
flange P/N
83-6005-3
no
substitutes
Q1000 R-404A 9.5 lbs. 16,000 24,700 0.065 0.085
Q1300 R-404A 14 lbs.124,000 35,500 0.085 0.105
Q1600 R-404A 17 lbs.136,000 50,000 0.130 0.170
Q1800 R-404A 17 lbs.
Amount reflects additional R-404A refrigerant added to nameplate charge for 50' to 100' line sets, to ensure proper operation at all ambient
conditions. Q1300 has 1.5 lbs. additional R-404A. Q1600 and Q1800 has 2.0 lbs. additional R-404A
36,000 50,000 0.130 0.170
SV1615
SINGLE CIRCUIT REMOTE
CONDENSER
ELECTRICAL
DISCONNECT
DISCHARGE
LINE
LIQUID LINE
ELECTRICAL
DISCONNECT
ELECTRICAL
SUPPLY
ICE MACHINE
BIN
DISCHARGE
REFRIGERANT
LINE
LIQUID
REFRIGERANT
LINE
36.00"
(91.44 cm)
DROP

Section 2 Installation Instructions
Part No. 80-1100-3 2-19
Installation Check List
Is the Ice Machine level?
Has all of the internal packing been removed?
Have all of the electrical and water connections
been made?
Has the supply voltage been tested and checked
against the rating on the nameplate?
Is there proper clearance around the ice machine
for air circulation?
Has the ice machine been installed where
ambient temperatures will remain in the range of
35° - 110°F (1.7° - 43.3°C)?
Has the ice machine been installed where the
incoming water temperature will remain in the
range of 33° - 90°F (0.6° - 32.2°C)?
Is there a separate drain for the water-cooled
condenser?
Is the water trough drain plug installed? (The drain
plug is taped to the top of the water pump).
Are the ice machine and bin drains vented?
Are all electrical leads free from contact with
refrigeration lines and moving equipment?
Has the owner/operator been instructed
regarding maintenance and the use of
Manitowoc Cleaner and Sanitizer?
Has the owner/operator completed the warranty
registration card?
Has the ice machine and bin been sanitized?
Is the toggle switch set to ice? (The toggle switch
is located directly behind the front panel).
Is the ice thickness control set correctly? (Refer
to Operational Checks on page 3-4 of this
manual to check/set the correct ice bridge
thickness).
Additional Checks for Remote Models
Has the receiver service valve been opened?
Does the remote condenser fan operate properly
after start-up?
Has the remote condenser been located where
ambient temperatures will remain in the range of
-20° - 120°F ( -6.6 - 49°C).
Is the line set routed properly?

Installation Instructions Section 2
2-20 Part No. 80-1100-3
THIS PAGE INTENTIONALLY LEFT BLANK

Part No. 80-1100-3 3-1
Section 3
Maintenance
Component Identification
Figure 3-1. Component Identification (Typical Q450 Shown)
WATER COOLED
MODEL
CONDENSER WATER
REGULATING VALVE
WATER
CONDENSER
ICE THICKNESS
PROBE EVAPORATOR
HIGH PRESSURE CUTOUT/
MANUAL RESET
(When applicable)
WATER
CURTAIN
WATER
TROUGH
ICE/OFF/CLEAN
SWITCH
WATER
PUMP
BIN SWITCH
DISTRIBUTION
TUBE
SV1604G
SV1605
HARVEST VALVE
AIR CONDENSER
REMOTE COUPLINGS
COMPRESSOR
DRAIN HOSE
WATER DUMP VALVE

Maintenance Section 3
3-2 Part No. 80-1100-3
Operational Checks
GENERAL
Manitowoc ice machines are factory-operated and
adjusted before shipment. Normally, new installations do
not require any adjustment.
To ensure proper operation, always follow the
Operational Checks:
• when starting the ice machine for the first time
• after a prolonged out of service period
• after cleaning and sanitizing
NOTE: Routine adjustments and maintenance
procedures are not covered by the warranty.
WATER LEVEL
The water level sensor is set to maintain the proper
water level above the water pump housing. The water
level is not adjustable.
If the water level is incorrect, check the water level probe
for damage (probe bent, etc.). Repair or replace the
probe as necessary.
Figure 3-2. Water Level Probe
ICE THICKNESS CHECK
The ice thickness probe is factory-set to maintain the ice
bridge thickness at 1/8" (3.2 mm).
NOTE: Make sure the water curtain is in place when
performing this check. It prevents water from splashing
out of the water trough.
1. Inspect the bridge connecting the cubes. It should
be about 1/8" (3.2 mm) thick.
2. If adjustment is necessary, turn the ice thickness
probe adjustment screw clockwise to increase
bridge thickness, counterclockwise to decrease
bridge thickness.
NOTE: Turning the adjustment 1/3 of a turn will change
the ice thickness about 1/16" (1.5 mm).
Figure 3-3. Ice Thickness Check
3. Make sure the ice thickness probe wire and the
bracket do not restrict movement of the probe.
SV1616
SV1208
ADJUSTING SCREW
1/8” ICE BRIDGE THICKNESS

Section 3 Maintenance
Part No. 80-1100-3 3-3
HARVEST SEQUENCE WATER PURGE
The harvest sequence water purge adjustment may be
used when the ice machine is hooked up to special
water systems, such as a de-ionized water treatment
system.
• The harvest sequence water purge may be set to 15,
30, or 45 seconds.
• During the harvest sequence water purge, the water
fill valve energizes and de-energizes by time. The
water purge must be at the factory setting of 45
seconds for the water fill valve to energize during the
last 15 seconds of the water purge. If it is set to less
than 45 seconds, the water fill valve will not energize
during the water purge.
Figure 3-4. Water Purge Adjustment
Cleaning the Condenser
AIR-COOLED CONDENSER
(SELF-CONTAINED AND REMOTE MODELS)
A dirty condenser restricts airflow, resulting in
excessively high operating temperatures. This reduces
ice production and shortens component life. Clean the
condenser at least every six months. Follow the steps
below.
1. The washable aluminum filter on self-contained ice
machines is designed to catch dust, dirt, lint and
grease. This helps keep the condenser clean. Clean
the filter with a mild soap and water solution.
Figure 3-5. Self-Contained Air-Cooled Filter
2. Clean the outside of the condenser (bottom of a
remote condenser) with a soft brush or a vacuum
with a brush attachment. Clean from top to bottom,
not side to side. Be careful not to bend the
condenser fins.
Continued on next page …
Important
The harvest sequence water purge is factory-set at
45 seconds. A shorter purge setting (with standard
water supplies such as city water) is not
recommended. This can increase water system
cleaning and sanitizing requirements.
15
30 45
SV1617
CONTROL
BOARD
WATER PURGE
ADJUSTMENT
!
Warning
Disconnect electric power to the ice machine and
the remote condenser at the electric service switch
before cleaning the condenser.
!
Caution
The condenser fins are sharp. Use care when
cleaning them.
SV1608
AIR FILTER

Maintenance Section 3
3-4 Part No. 80-1100-3
3. Shine a flashlight through the condenser to check
for dirt between the fins. If dirt remains:
A. Blow compressed air through the condenser fins
from the inside. Be careful not to bend the fan
blades.
B. Use a commercial condenser coil cleaner.
Follow the directions and cautions supplied with
the cleaner.
4. Straighten any bent condenser fins with a fin comb.
Figure 3-6. Straighten Bent Condenser Fins
5. Carefully wipe off the fan blades and motor with a
soft cloth. Do not bend the fan blades. If the fan
blades are excessively dirty, wash with warm, soapy
water and rinse thoroughly.
WATER-COOLED CONDENSER
AND WATER REGULATING VALVE
Symptoms of restrictions in the condenser water circuit
include:
• Low ice production
• High water consumption
• High operating temperatures
• High operating pressures
If the ice machine is experiencing any of these symptoms,
the water-cooled condenser and water regulating valve
may require cleaning due to scale build-up.
The cleaning procedures require special pumps and
cleaning solutions. Follow the manufacturer’s
instructions for the specific cleaner being used.
!
Caution
If you are cleaning the condenser fan blades with
water, cover the fan motor to prevent water
damage.
CONDENSER
SV1515
FIN COMB
“COMB”
DOWN
ONLY

Section 3 Maintenance
Part No. 80-1100-3 3-5
Interior Cleaning and Sanitizing
GENERAL
Clean and sanitize the ice machine every six months for
efficient operation. If the ice machine requires more
frequent cleaning and sanitizing, consult a qualified
service company to test the water quality and
recommend appropriate water treatment or installation
of AuCS accessory (Automatic Cleaning System). If
required, an extremely dirty ice machine may be taken
apart for cleaning and sanitizing.
MANITOWOC’S PATENTED CLEANING OR
SANITIZING TECHNOLOGY
Manitowoc Ice Machines include technology that allows
the initiation and completion of a cleaning or sanitizing
cycle at the flip of a switch. This cycle will permit
cleaning or sanitizing of all surfaces that come in contact
with the water distribution system. Periodic maintenance
must be performed that includes sanitizing the bin (or
dispenser) and adjacent surface areas, which cannot be
contacted by the water distribution system.
This technology will also allow initiation and completion
of a clean or sanitize cycle, after which the ice machine
automatically starts ice making again.
Refer to the cleaning or sanitizing procedure for
complete details.
The AuCS Accessory can be set to automatically start
and finish a clean or sanitize cycle every 2, 4, or 12
weeks. This accessory monitors ice-making cycles and
initiates a cleaning or sanitizing cycle automatically.
Refer to Automatic Cleaning System (AuCS) Accessory
for further details.
ALPHASAN
The goal of AlphaSan is to keep the plastic surfaces of
an ice machine cleaner, by reducing or delaying the
formation of bio-film. The active ingredient in
AlphaSan is the element silver in the form of silver ions
(Ag+). AlphaSan slowly releases silver ions via an ion
exchange mechanism. When AlphaSan is
compounded directly into a plastic part, a controlled
release of silver ions from the surface is regulated to
maintain an effective concentration at or near the
surface of the plastic ice machine part. AlphaSan’s
unique ability to effectively control the release of silver
not only protects against undesired discoloration of the
plastic, but also will last the life of the plastic part.
Although AlphaSan helps prevent bio-film build up it
does not eliminate the need for periodic cleaning and
maintenance. AlphaSan has no adverse effect on the
taste of the ice or beverage.
!
Caution
Use only Manitowoc approved Ice Machine Cleaner
(part number 94-0546-3) and Sanitizer (part number
94-0565-3). It is a violation of Federal law to use
these solutions in a manner inconsistent with their
labeling. Read and understand all labels printed on
bottles before use.
!
Caution
Do not mix Cleaner and Sanitizer solutions together.
It is a violation of Federal law to use these solutions
in a manner inconsistent with their labeling.
!
Warning
Wear rubber gloves and safety goggles (and/or face
shield) when handling ice machine Cleaner or
Sanitizer.

Maintenance Section 3
3-6 Part No. 80-1100-3
CLEANING PROCEDURE
Ice machine cleaner is used to remove lime scale or
other mineral deposits. It is not used to remove algae or
slime. Refer to the section on Sanitizing for removal of
algae and slime.
Step 1 Set the toggle switch to the OFF position after
ice falls from the evaporator at the end of a Harvest
cycle. Or, set the switch to the OFF position and allow
the ice to melt off the evaporator.
Step 2 To start cleaning, place the toggle switch in the
CLEAN position. The water will flow through the water
dump valve and down the drain. The Clean light will turn
on to indicate the ice machine is in the Cleaning mode.
Step 3 Wait about one minute or until water starts to
flow over the evaporator.
Step 4 Add the proper amount of Manitowoc Ice
Machine Cleaner to the water trough.
Step 5 The ice machine will automatically time out a
ten minute cleaning cycle, followed by six rinse cycles,
and stop. The Clean light will turn off to indicate the
Cleaning mode is completed. This entire cycle lasts
approximately 25 minutes.
Step 6 When the cleaning process stops, move the
toggle switch to OFF position. Refer to “Sanitizing
Procedure” on the next page.
Step 7
A. The ice machine may be set to start and finish a
cleaning procedure then automatically start ice
making again.
B. You must wait about one minute into the
cleaning cycle (until water starts to flow over the
evaporator) then move the switch from CLEAN
to ICE position.
C. When the cleaning cycle is completed, an ice
making sequence will start automatically.
!
Caution
Never use anything to force ice from the evaporator.
Damage may result.
Model Amount of Cleaner
Q200 Q280 Q320 Q370 3 ounces (90 ml)
Q420 Q450 Q600 Q800 5 ounces (150 ml)
Q1000 Q1300
Q1600 Q1800 9 ounces (270 ml)
Important
After the toggle switch is moved to the ICE position,
opening the curtain switch will interrupt the cleaning
sequence. The sequence will resume from the point
of interruption when the curtain switch closes.

Section 3 Maintenance
Part No. 80-1100-3 3-7
SANITIZING PROCEDURE
Use sanitizer to remove algae or slime. Do not use it to
remove lime scale or other mineral deposits.
Step 1 Set the toggle switch to the OFF position after
ice falls from the evaporator at the end of a Harvest
cycle. Or, set the switch to the OFF position and allow
the ice to melt off the evaporator.
Step 2 Refer to Removal of Parts For Cleaning/
Sanitizing and remove ice machine parts.
Step 3 Mix a solution of water and sanitizer.
Step 4 Use the sanitizing solution and a sponge or
cloth to sanitize (wipe) all parts and interior surfaces of
the ice machine. Sanitize the following areas:
A. Side walls
B. Base (area above water trough)
C. Evaporator plastic parts
D. Bin or dispenser
Step 5 Rinse all sanitized areas with clear water.
Step 6 Install the removed parts, restore power and
place toggle switch in the ice position.
!
Caution
Never use anything to force ice from the evaporator.
Damage may result.
!
Warning
Disconnect electric power to the ice machine (and
dispenser if applicable) at the electric switch box
before proceeding.
Solution Type Water Mixed With
Sanitizer 4 gal. (15 l) 3 oz (90 ml) sanitizer

Maintenance Section 3
3-8 Part No. 80-1100-3
AUTOMATIC CLEANING SYSTEM (AuCS)
This accessory monitors ice making cycles and initiates
cleaning (or sanitizing) procedures automatically. The
AuCS Accessory can be set to automatically clean or
sanitize the ice machine every 2, 4, or 12 weeks.
Automatic Operation
The following occurs when the toggle switch is in the ICE
position:
• The ice machine control board counts the number of
ice harvest cycles.
•The AuCS
accessory interrupts the ice making
mode and starts the cleaning (or sanitizing) mode
when the harvest count equals the “Frequency of
Cleaning” setting of the AuCS.
• When the automatic cleaning (or sanitizing) cycle is
complete (approximately 25 minutes), ice making
resumes automatically, and the “Harvest Count” is
reset to zero.
Manual Start Operation
Step 1 Set the toggle switch to the OFF position after
ice falls from the evaporator at the end of a Harvest
cycle. Or, set the switch to the OFF position and allow
the ice to melt off the evaporator.
Step 2 To start the automatic cleaning system, move
the toggle switch to the CLEAN position. The water will
flow through the water dump valve and down the drain.
The Clean light will turn on to indicate the ice machine is
in the Self Cleaning mode. The AuCS then
automatically adds cleaner or sanitizer to the ice
machine.
Step 3 The ice machine will automatically time out a
ten minute cleaning or sanitizing cycle, followed by six
rinse cycles, (de-energize the Clean light) and stop. This
entire cycle lasts approximately 25 minutes.
Step 4 After the cleaning or sanitizing cycle stops,
move the toggle switch to ICE position.
Step 5
A. The ice machine may be set to start and finish a
cleaning or sanitizing cycle, then automatically
start ice making again.
B. You must wait about one minute into the
cleaning cycle (until water starts to flow over the
evaporator), then move the toggle switch from
CLEAN to ICE position.
C. When the cleaning or sanitizing cycle is
completed, the clean light will turn off and an ice
making sequence will start automatically.
!
Caution
Refer to the AuCS Accessory Installation - Use
and Care Manual for complete details on the
installation, operation, maintenance and cautionary
statements of this accessory.
Important
Opening the curtain switch will interrupt the cleaning
or sanitizing sequence. The sequence will resume
from the point of interruption when the curtain re-
closes.
!
Caution
Never use anything to force ice from the evaporator.
Damage may result.

Section 3 Maintenance
Part No. 80-1100-3 3-9
REMOVAL OF PARTS FOR CLEANING/SANITIZING
1. Turn off the water supply to the ice machine at the
water service valve.
2. Remove the water curtain and the components you
want to clean or sanitize. See the following pages for
removal procedures for these parts.
3. Soak the removed part(s) in a properly mixed
solution.
4. Use a soft-bristle brush or sponge (NOT a wire
brush) to carefully clean the parts.
5. Use the solution and a brush to clean the top, sides,
and bottom evaporator extrusions; the inside of the
ice machine panels; and the entire inside of the bin.
6. Thoroughly rinse all of the parts and surfaces with
clean water.
7. Install the removed parts.
NOTE: Incomplete rinsing of the ice thickness probe or
water level probe may leave a residue. This could cause
the ice machine to malfunction. For best results, brush or
wipe the probes off while rinsing it. Thoroughly dry the
probes before installing them.
8. Turn on the water and electrical supply.
!
Warning
Disconnect electric power to the ice machine at the
electric switch box before proceeding.
!
Warning
Wear rubber gloves and safety goggles (and/or face
shield) when handling Ice Machine Cleaner or
Sanitizer.
Solution Type Water Mixed With
Cleaner 1 gal. (4 l) 16 oz (500 ml) cleaner
Sanitizer 4 gal. (15 l) 1 oz (30 ml) sanitizer
!
Caution
Do not mix Cleaner and Sanitizer solutions together.
It is a violation of Federal law to use these solutions
in a manner inconsistent with their labeling.
!
Caution
Do not immerse the water pump motor in the
cleaning or sanitizing solution.

Maintenance Section 3
3-10 Part No. 80-1100-3
Water Dump Valve
The water dump valve normally does not require
removal for cleaning. To determine if removal is
necessary:
1. Locate the water dump valve.
2. Set the toggle switch to ICE.
3. While the ice machine is in the freeze mode, check
the dump valve’s clear plastic outlet drain hose for
leakage.
A. If the dump valve is leaking, remove,
disassemble and clean it.
B. If the dump valve is not leaking, do not remove
it. Instead, follow the “Cleaning Procedure” on
Page 3-5.
Follow the procedure below to remove the dump valve.
1. If so equipped, remove the water dump valve shield
from its mounting bracket.
2. Lift and slide the coil retainer cap from the top of the
coil.
3. Note the position of the coil assembly on the valve
for assembly later. Leaving the wires attached, lift
the coil assembly off the valve body and the
enclosing tube.
4. Press down on the plastic nut on the enclosing tube
and rotate it 1/4 turn. Remove the enclosing tube,
plunger, and plastic gasket from the valve body.
NOTE: At this point, the water dump valve can easily be
cleaned. If complete removal is desired, continue with
step 5.
Figure 3-7. Dump Valve Removal
NOTE: During cleaning, do not stretch, damage or
remove the spring from the plunger. If it is removed, slide
the spring’s flared end into the plunger’s slotted top
opening until the spring contacts the plunger spring stop.
5. Remove the valve body.
6. Remove the tubing from the dump valve by twisting
the clamps off.
7. Remove the two screws securing the dump valve
and the mounting bracket.
Figure 3-8. Dump Valve Disassembly
!
Warning
Disconnect the electric power to the ice machine at
the electric service switch box and turn off the water
supply before proceeding.
Important
The plunger and the inside of the enclosing tube
must be completely dry before assembly.
CAP
PLUNGER
SPRING STOP
SPRING
PLUNGER
DIAPHRAM
VALVE BODY
ENCLOSING
TUBE
COIL

Section 3 Maintenance
Part No. 80-1100-3 3-11
Water Pump
1. Disconnect the water pump power cord.
Figure 3-9. Water Pump Removal
2. Disconnect the hose from the pump outlet.
3. Loosen the screws securing the pump mounting
bracket to the bulkhead.
4. Lift the pump and bracket assembly off the screws.
Ice Thickness Probe
1. Compress the side of the ice thickness probe near
the top hinge pin and remove it from the bracket.
Figure 3-10. Ice Thickness Probe Removal
NOTE: At this point, the ice thickness probe can easily
be cleaned. If complete removal is desired, continue with
step 2 below.
2. Disconnect the wire lead from the control board
inside the electrical control box.
Ice Thickness Probe Cleaning
1. Mix a solution of Manitowoc ice machine cleaner
and water (2 ounces of cleaner to 16 ounces of
water) in a container.
2. Soak ice thickness probe in container of cleaner/
water solution while disassembling and cleaning
water circuit components (soak ice thickness probe
for 10 minutes or longer).
3. Clean all ice thickness probe surfaces including all
plastic parts (do not use abrasives). Verify the ice
thickness probe cavity is clean. Thoroughly rinse ice
thickness probe (including cavity) with clean water,
then dry completely. Incomplete rinsing and
drying of the ice thickness probe can cause
premature harvest.
4. Reinstall ice thickness probe, then sanitize all ice
machine and bin/dispenser interior surfaces.
!
Warning
Disconnect the electric power to the ice machine at
the electric service switch box and turn off the water
supply.
SV1618
POWER
CORD
WATER
PUMP
LOOSEN
SCREWS
PUMP
OUTLET
!
Warning
Disconnect the electric power to the ice machine at
the electric service switch box.
SV1619
DISCONNECT
WIRE LEAD
COMPRESS
HINGE PIN TO
REMOVE
ICE
THICKNESS
PROBE

Maintenance Section 3
3-12 Part No. 80-1100-3
Water Level Probe
1. Loosen the screw that holds the water level probe in
place. The probe can easily be cleaned at this point
without proceeding to step 2.
2. If complete removal is required, disconnect the wire
lead from the control board inside the electrical
control box.
Figure 3-11. Water Level Probe Removal
Water Inlet Valve
The water inlet valve normally does not require removal
for cleaning. Follow the instructions below to determine if
removal is necessary.
1. Set the ICE/OFF/CLEAN switch to OFF. Locate the
water inlet valve (in the compressor area of the ice
machine). It pours water into the water trough.
2. When the ice machine is off, the water inlet valve
must completely stop water flow into the machine.
Watch for water flow. If water flows, remove,
disassemble and clean the valve.
3. When the ice machine is on, the water inlet valve
must allow the proper water flow through it. Set the
toggle switch to ON. Watch for water flow into the ice
machine. If the water flow is slow or only trickles into
the ice machine, remove, disassemble, and clean
the valve.
Follow the procedure below to remove the water inlet
valve.
1. Remove the valve shield if necessary.
2. Remove the filter access screws that hold the valve
in place.
NOTE: The water inlet valve can be disassembled and
cleaned without disconnecting the incoming water
supply line to the ice machine.
3. Remove, clean, and install the filter screen.
4. If necessary, remove the enclosure tube access
screws to clean interior components.
Figure 3-12. Water Inlet Valve Removal
Figure 3-13. Exploded View of Water Inlet Valve
!
Warning
Disconnect the electrical power to the ice machine
at the electrical disconnect before proceeding.
SCREW
WATER
LEVEL
PROBE
SV1621
WATER
TROUGH WIRE
LEAD
ICE
MACHINE
SIDE
PANEL
!
Warning
Disconnect the electric power to the ice machine at
the electric service switch box and turn off the water
supply before proceeding.
SV1622
FILTER
ACCESS
SCREWS
INCOMING
WATER
LINE WATER
INLET
VALVE
SV1623
ENCLOSURE TUBE
ACCESS SCREWS
ELECTRICAL
SOLENOID
RESTRICTOR
(FLAT SIDE MUST
FACE OUT)
MOUNTING
PLATE
FILTER
ACCESS
SCREWS
FITTING
O-RING
ENCLOSURE
TUBE
SPRING
PIN
RUBBER
SEAL
VALVE
BODY
FILTER
SCREEN

Section 3 Maintenance
Part No. 80-1100-3 3-13
Water Distribution Tube
1. Disconnect the water hose from the distribution
tube.
Figure 3-14. Water Distribution Tube Removal
1. Loosen the two thumbscrews which secure the
distribution tube.
2. Lift the right side of the distribution tube up off the
locating pin, then slide it back and to the right.
3. Disassemble for cleaning.
A. Twist both of the inner tube ends until the tabs
line up with the keyways.
B. Pull the inner tube ends outward.
Figure 3-15. Water Distribution Tube Disassembly
Water Curtain
1. Gently flex the curtain in the center and remove it
from the right side.
Figure 3-16. Water Curtain Removal
2. Slide the left pin out.
!
Caution
Do not force this removal. Be sure the locating pin is
clear of the hole before sliding the distribution tube
out.
SV1620
1. LIFT UP
2. SLIDE BACK
3. SLIDE TO RIGHT
DISTRIBUTION
TUBE
THUMBSCREW
THUMBSCREW
LOCATING
PIN
32
1
SV1211
INNER TUBE
TAB
KEYWAY
INNER TUBE
SV1213
STEP 1
STEP 2

Maintenance Section 3
3-14 Part No. 80-1100-3
Water Treatment/Filtration
GENERAL
Local water conditions may require the installation of a
water treatment system to inhibit scale formation, filter
out sediment, and remove chlorine taste and odor.
Consult your local distributor for information on
Manitowoc’s full line of NSF-certified Tri-Liminator
filtration systems.
FILTER REPLACEMENT PROCEDURE
Tri-Liminator systems include a pre-filter and a primary
filter. For maximum filtration efficiency, replace the
primary filter cartridge every six months. If the filter
gauge reading drops below 20 psig prior to six months
usage, replace the pre-filter first.
1. Turn off the water supply at the inlet shutoff valve.
Figure 3-17. Typical Tri-Liminator
Water Filtration System
2. Depress the pressure release button to relieve the
pressure.
3. Unscrew the housing from the cap.
4. Remove the used filter cartridge from the housing
and discard it.
5. Remove the O-ring from the housing groove. Wipe
the housing groove and the O-ring clean.
6. Lubricate the O-ring with petroleum jelly.
7. Press the O-ring into the housing groove.
8. Insert a new filter cartridge into the housing. Make
sure it slips down over the housing standpipe.
9. Screw the housing on to the cap and carefully hand-
tighten it.
10. Repeat steps 3-9 for each filter housing.
11. Turn on the water supply to allow the housing and
filter to slowly fill with water.
12. Depress the pressure release button to release
trapped air from the housing.
13. Check for leaks.
CAP
CARTRIDGE
SEAL
PRESSURE
RELEASE BUTTON
PRE-FILTER
PRIMARY
FILTER
OUTLET SIDE
O-RING
SHUT OFF
VALVE
SEAL
HOUSING
INLET SIDE
!
Caution
Hand-tighten only. Do not overtighten. Do not use a
spanner wrench.

Section 3 Maintenance
Part No. 80-1100-3 3-15
Removal from Service/Winterization
GENERAL
Special precautions must be taken if the ice machine is
to be removed from service for an extended period of
time or exposed to ambient temperatures of 32°F (0°C)
or below.
Follow the applicable procedure below.
SELF-CONTAINED AIR-COOLED ICE MACHINES
1. Disconnect the electric power at the circuit breaker
or the electric service switch.
2. Turn off the water supply.
3. Remove the water from the water trough.
4. Disconnect and drain the incoming ice-making water
line at the rear of the ice machine.
5. Blow compressed air in both the incoming water and
the drain openings in the rear of the ice machine
until no more water comes out of the inlet water lines
or the drain.
6. Make sure water is not trapped in any of the water
lines, drain lines, distribution tubes, etc.
WATER-COOLED ICE MACHINES
1. Perform steps 1-6 under “Self-Contained Air-Cooled
Ice Machines.”
2. Disconnect the incoming water and drain lines from
the water-cooled condenser.
3. Insert a large screwdriver between the bottom spring
coils of the water regulating valve. Pry upward to
open the valve.
Figure 3-18. Pry Open the Water Regulating Valve
4. Hold the valve open and blow compressed air
through the condenser until no water remains.
REMOTE ICE MACHINES
1. Move the ICE/OFF/CLEAN switch to OFF.
2. “Frontseat” (shut off) the receiver service valves.
Hang a tag on the switch as a reminder to open the
valves before restarting.
3. Perform steps 1-6 under “Self-Contained Air-Cooled
Ice Machines.”
AUCS Accessory
Refer to the AuCS Accessory manual for winterization
of the AuCS Accessory.
!
Caution
If water is allowed to remain in the ice machine in
freezing temperatures, severe damage to some
components could result. Damage of this nature is
not covered by the warranty.
SV1624

Maintenance Section 3
3-16 Part No. 80-1100-3
THIS PAGE INTENTIONALLY LEFT BLANK

Part No. 80-1100-3 4-1
Section 4
Ice Machine Sequence of Operation
Self-Contained Air- and Water-Cooled
Q200/Q280/Q320/Q370/Q420/Q450/Q600/Q800/Q1000/Q1300/Q1600/Q1800
INITIAL START-UP OR START-UP AFTER
AUTOMATIC SHUT-OFF
1. Water Purge
Before the compressor starts, the water pump and water
dump solenoid are energized for 45 seconds, to
completely purge the ice machine of old water. This
feature ensures that the ice making cycle starts with
fresh water.
The harvest valve(s) is also energized during water
purge, although it stays on for an additional 5 seconds
(50 seconds total on time) during the initial refrigeration
system start-up.
2. Refrigeration System Start-Up
The compressor starts after the 45 second water purge,
and it remains on throughout the entire Freeze and
Harvest Sequences. The water fill valve is energized at
the same time as the compressor. It remains on until the
water level sensor closes for 3 continuous seconds, or
until a six-minute time period has expired. (See “Water
Inlet Valve Safety Shutoff,” Page 6-50.) The harvest
valve(s) remains on for 5 seconds during initial
compressor start-up and then shuts off.
At the same time the compressor starts, the condenser
fan motor (air-cooled models) is supplied with power
throughout the entire Freeze and Harvest Sequences.
The fan motor is wired through a fan cycle pressure
control, therefore it may cycle on and off. (The
compressor and condenser fan motor are wired through
the contactor. As a result, anytime the contactor coil is
energized, the compressor and fan motor are supplied
with power.)
FREEZE SEQUENCE
3. Prechill
The compressor is on for 30 seconds prior to water flow,
to prechill the evaporator.
4. Freeze
The water pump restarts after the 30 second prechill. An
even flow of water is directed across the evaporator and
into each cube cell, where it freezes. The water fill valve
will cycle on and then off one more time to refill the water
trough.
When sufficient ice has formed, the water flow (not the
ice) contacts the ice thickness probe. After
approximately 7 seconds of continual water contact, the
harvest sequence is initiated. The ice machine cannot
initiate a harvest sequence until a 6 minute freeze lock
has been surpassed.
Figure 4-1. Freeze Sequence
(Typical Q450 Shown)
Continued on next page …

Ice Machine Sequence of Operation Section 4
4-2 Part No. 80-1100-3
HARVEST SEQUENCE
5. Water Purge
The water pump continues to run, and the water dump
valve energizes for 45 seconds to purge the water in the
sump trough. The water fill valve energizes (turns on)
and de-energizes (turns off) strictly by time. The water fill
valve energizes for the last 15 seconds of the 45-second
water purge. The water purge must be at the factory
setting of 45 seconds for the fill valve to energize during
the last 15 seconds of the Water Purge. If set at less
than 45 seconds the water fill valve does not energize
during the water purge.
After the 45 second water purge, the water fill valve,
water pump and dump valve de-energize. (Refer to
“Water Purge Adjustment” on Page 3-3 for details.) The
harvest valve also opens at the beginning of the water
purge to divert hot refrigerant gas into the evaporator.
6. Harvest
The harvest valve(s) remains open and the refrigerant
gas warms the evaporator causing the cubes to slide, as
a sheet, off the evaporator and into the storage bin. The
sliding sheet of cubes swings the water curtain out,
opening the bin switch. The momentary opening and re-
closing of the bin switch terminates the harvest
sequence and returns the ice machine to the freeze
sequence (Step 3 - 4.)
Figure 4-2. Harvest Sequence (Typical Q450 Shown)
AUTOMATIC SHUT-OFF
7. Automatic Shut-Off
When the storage bin is full at the end of a harvest
sequence, the sheet of cubes fails to clear the water
curtain and will hold it open. After the water curtain is
held open for 7 seconds, the ice machine shuts off. The
ice machine remains off for 3 minutes before it can
automatically restart.
The ice machine remains off until enough ice has been
removed from the storage bin to allow the ice to fall clear
of the water curtain. As the water curtain swings back to
the operating position, the bin switch re-closes and the
ice machine restarts (steps 1 - 2), provided the 3 minute
delay period is complete.
Figure 4-3. Automatic Shut-Off (Typical Q450
Shown)

Section 4 Ice Machine Sequence of Operation
Part No. 80-1100-3 4-3
Remote
Q450/Q600/Q800/Q1000/Q1300/Q1600/Q1800
INITIAL START-UP OR START-UP AFTER
AUTOMATIC SHUT-OFF
1. Water Purge
Before the compressor starts, the water pump and water
dump solenoid are energized for 45 seconds, to
completely purge the ice machine of old water. This
feature ensures that the ice making cycle starts with
fresh water.
The harvest valve and harvest pressure regulating
(HPR) solenoid valves also energize during water purge,
although they stay on for an additional 5 seconds (50
seconds total on time) during the initial refrigeration
system start-up.
2. Refrigeration System Start-Up
The compressor and liquid line solenoid valve energize
after the 45 second water purge and remain on
throughout the entire Freeze and Harvest Sequences.
The water fill valve is energized at the same time as the
compressor. It remains on until the water level sensor
closes for 3 continuous seconds, or until a six-minute
time period has expired. (See “Water Inlet Valve Safety
Shutoff,” Page 6-50.). The harvest valve and HPR
solenoid valves remain on for 5 seconds during initial
compressor start-up and then shut off.
The remote condenser fan motor starts at the same time
the compressor starts and remains on throughout the
entire Freeze and Harvest Sequences. (The compressor
and condenser fan motor are wired through the
contactor, therefore, anytime the contactor coil is
energized, the compressor and fan motor are on.)
FREEZE SEQUENCE
3. Prechill
The compressor is on for 30 seconds prior to water flow,
to prechill the evaporator.
4. Freeze
The water pump restarts after the 30 second prechill. An
even flow of water is directed across the evaporator and
into each cube cell, where it freezes. The water fill valve
will cycle on and then off one more time to refill the water
trough. (See Page 4-1.)
When sufficient ice has formed, the water flow (not the
ice) contacts the ice thickness probe. After
approximately 7 seconds of continual water contact, the
harvest sequence is initiated. The ice machine cannot
initiate a harvest sequence until a 6 minute freeze lock
has been surpassed.
Figure 4-4. Freeze Sequence (Typical Q450 Shown)
Continued on next page …

Ice Machine Sequence of Operation Section 4
4-4 Part No. 80-1100-3
HARVEST SEQUENCE
5. Water Purge
The water pump continues to run, and the water dump
valve energizes for 45 seconds to purge the water in the
sump trough. The water fill valve energizes (turns on)
and de-energizes (turns off) strictly by time. The water fill
valve energizes for the last 15 seconds of the 45-second
water purge. The water purge must be at the factory
setting of 45 seconds for the fill valve to energize during
the last 15 seconds of the Water Purge. If set at less
than 45 seconds the water fill valve does not energize
during the water purge.
After the 45 second water purge, the water fill valve,
water pump and dump valve de-energize. (Refer to
“Water Purge Adjustment” on Page 3-3 for details.) The
harvest valve(s) and HPR solenoid valve also open at
the beginning of the water purge.
6. Harvest
The HPR valve and the harvest valve(s) remain open
and the refrigerant gas warms the evaporator causing
the cubes to slide, as a sheet, off the evaporator and into
the storage bin. The sliding sheet of cubes swings the
water curtain out, opening the bin switch. The
momentary opening and re-closing of the bin switch
terminates the harvest sequence and returns the ice
machine to the freeze sequence (Step 3 - 4.)
Figure 4-5. Harvest Sequence (Typical Q450 Shown)
AUTOMATIC SHUT-OFF
7. Automatic Shut-Off
When the storage bin is full at the end of a harvest
sequence, the sheet of cubes fails to clear the water
curtain and will hold it open. After the water curtain is
held open for 7 seconds, the ice machine shuts off. The
ice machine remains off for 3 minutes before it can
automatically restart.
The ice machine remains off until enough ice has been
removed from the storage bin to allow the ice to drop
clear of the water curtain. As the water curtain swings
back to the operating position, the bin switch re-closes
and the ice machine restarts (steps 1 - 2) provided the 3
minute delay period is complete.
Figure 4-6. Automatic Shut-Off (Typical Q450
Shown)

Part No. 80-1100-3 5-1
Section 5
Water System Ice Making Sequence of Operation
NOTE: The sequence of operation is the same for self-
contained and remote models.
INITIAL START-UP OR START-UP AFTER
AUTOMATIC SHUT-OFF
1. Before the ice machine starts, the water pump and
water dump solenoid are energized for 45 seconds
to purge old water from the water trough. This
ensures that the ice-making cycle starts with fresh
water. The water fill valve energizes after the 45-
second water purge, and remains on until the water
level probe is satisfied.
FREEZE CYCLE
2. To pre-chill the evaporator, there is no water flow
over the evaporator for the first 30 seconds of the
freeze cycle.
3. The water pump starts after the 30-second pre-chill.
An even flow of water is directed across the
evaporator and into each cube cell.
During the first 45 seconds of the Freeze Cycle, the
water fill valve cycles on and off as many times as
needed to refill the water trough.
After the 45 seconds, the water fill valve cycles on
and off one more time to refill the water trough. The
water fill valve then remains off for the duration of
the Freeze Cycle.
WATER INLET VALVE SAFETY SHUT-OFF
This feature limits the water inlet valve to a six-minute on
time. Regardless of the water level probe input, the
control board automatically shuts off the water inlet valve
if it remains on for 6 continuous minutes.
Figure 5-1. Water Flow Over the Evaporator
SV1677
TO DRAIN
WATER DUMP VALVE
TO DISTRIBUTION TUBE
WATER PUMP
WATER INLET VALVE

Water System Ice Making Sequence of Operation Section 5
5-2 Part No. 80-1100-3
HARVEST CYCLE
4. The water pump and water dump solenoid are
energized for 45 seconds to purge the water from
the water trough. The water fill valve energizes for
the last 15 seconds of the 45-second purge cycle, to
flush sediment from the bottom of the water trough.
5. After the 45-second purge, the water pump and
water dump valve de-energize.
AUTOMATIC SHUT-OFF
There is no water flow during an automatic shut-off.
Figure 5-2. Water Flow Down the Drain
SV1677
TO DRAIN
WATER DUMP VALVE
TO DISTRIBUTION TUBE
WATER PUMP
WATER INLET VALVE

Part No. 80-1100-3 6-1
Section 6
Electrical System
Energized Parts Charts
SELF-CONTAINED AIR- AND WATER-COOLED MODELS
1. Initial Start-Up or Start-Up After Automatic Shut-Off
Condenser Fan Motor
The fan motor is wired through a fan cycle pressure
control, therefore, it may cycle on and off.
Harvest Water Purge
The circuit board has an adjustable water purge in the
harvest cycle. This permits a 15, 30 or 45 second purge
cycle.
Auto Shut-Off
The ice machine remains off for 3 minutes before it can
automatically restart. The ice machine restarts (steps 1-
2) immediately after the delay period, if the bin switch re-
closes prior to 3 minutes.
Safety Timers
The control board has the following non-adjustable
safety timers:
FREEZE SEQUENCE
• The ice machine is locked into the freeze cycle for
the first 6 minutes, not allowing the ice thickness
probe to initiate a harvest sequence.
• The maximum freeze time is 60 minutes, at which
time the control board automatically initiates a
harvest sequence (steps 5-6).
HARVEST SEQUENCE
The maximum harvest time is 3-1/2 minutes, at which
time the control board automatically terminates the
harvest sequence. If the bin switch is open, the ice
machine will go to automatic shut-off (step 7). If the bin
switch is closed, the ice machine will go to the freeze
sequence (steps 3-4).
Ice Making
Sequence Of
Operation
Control Board Relays Contactor
Length
Of Time
1 2 3 4 5 5A 5B
Water
Pump Water Fill
Valve Harvest
Valve(s)
Water
Dump
Valve
Contactor
Coil Com-
pressor Condenser
Fan Motor
START-UP 1
1. Water Purge On Off On On Off Off Off 45 Seconds
2. Refrigeration
System
Start-Up Off On On Off On On May Cycle
On/Off 5 Seconds
FREEZE
SEQUENCE
3. Pre-Chill Off May cycle On/
Off during first
45 sec.
-----------
Cycles On,
then Off 1
more time
Locked Out
After Six
Minutes
Off Off On On May Cycle
On/Off 30 Seconds
4. Freeze On Off Off On On May Cycle
On/Off
Until 7 sec.
water contact
with ice
thickness probe
HARVEST
SEQUENCE
5. Water Purge On 30 sec. Off,
15 sec. On On On On On May Cycle
On/Off Factory-set at
45 Seconds
6. Harvest Off Off On Off On On May Cycle
On/Off Bin switch
activation
7. AUTOMATIC
SHUT-OFF Off Off Off Off Off Off Off Until bin switch
re-closes

Electrical System Section 6
6-2 Part No. 80-1100-3
REMOTE MODELS
1. Initial Start-Up or Start-Up After Automatic Shut-Off
Auto Shut-Off
The ice machine remains off for 3 minutes before it can
automatically restart. The ice machine restarts (steps 1-
2) immediately after the delay period, if the bin switch re-
closes prior to 3 minutes.
Harvest Water Purge
The circuit board has an adjustable water purge in the
harvest cycle. This permits a 15, 30 or 45 second purge
cycle.
Safety Timers
The control board has the following non-adjustable
safety timers:
FREEZE SEQUENCE
• The ice machine is locked into the freeze cycle for
the first 6 minutes, not allowing the ice thickness
probe to initiate a harvest sequence.
• The maximum freeze time is 60 minutes, at which
time the control board automatically initiates a
harvest sequence (steps 5-6).
HARVEST SEQUENCE
• The maximum harvest time is 3-1/2 minutes, at which
time the control board automatically terminates the
harvest sequence. If the bin switch is open, the ice
machine will go to automatic shut-off (step 7). If the
bin switch is closed, the ice machine will go to the
freeze sequence (steps 3-4).
Ice Making
Sequence Of
Operation
Control Board Relays Contactor
Length
Of Time
1 2 3 4 5 5A 5B
Water
Pump Water Fill
Valve
a. Harvest
Valve(s) Water
Dump
Valve
a.
Contactor
Coil Com-
pressor Condenser
Fan Motor
b. HPR
Solenoid
b. Liquid
Line
Solenoid
START-UP 1
1. Water Purge On Off On On Off Off Off 45 Seconds
2. Refrigeration
System
Start-Up Off On On Off On On On 5 Seconds
FREEZE
SEQUENCE
3. Pre-Chill Off May cycle
On/Off during
first 45 sec.
------------
Cycles On,
then Off 1
more time
Locked Out
After Six
Minutes
Off Off On On On 30 Seconds
4. Freeze On Off Off On On On
Until 7 sec.
water
contact with
ice thickness
probe
HARVEST
SEQUENCE
5. Water Purge On 30 sec. Off,
15 sec. On On On On On On Factory-set
at 45
Seconds
6. Harvest Off Off On Off On On On Bin switch
activation
7. AUTOMATIC
SHUT-OFF Off Off Off Off Off Off Off Until bin
switch re-
closes

Section 6 Electrical System
Part No. 80-1100-3 6-3
Wiring Diagram Sequence of
Operation
SELF-CONTAINED MODELS
Initial Start-Up or Start-Up After
Automatic Shut-Off
1. WATER PURGE
Before the compressor starts, the
water pump and water dump
solenoid are energized for 45
seconds to purge old water from the
ice machine. This ensures that the
ice-making cycle starts with fresh
water.
The harvest valve(s) is also
energized during the water purge. In
the case of an initial refrigeration
start-up, it stays on for an additional
5 seconds (50 seconds total).
Figure 6-1. Self-Contained — Water Purge
Table 6-1. Self-Contained Models
1. Water Purge (45 Seconds)
Toggle Switch ICE
Bin Switch Closed
Control Board Relays
#1 Water Pump Closed / ON
#2 Water Fill Valve Open / OFF
#3 Harvest Solenoid Closed / ON
#4 Water Dump Valve Closed / ON
#5 Contactor Coil Open / OFF
Compressor OFF
Condenser Fan Motor OFF
Safety Controls (Which could stop ice machine operation)
High Pressure Cut-Out Closed
Main Fuse (On Control Board) Closed
*OVERLOAD
FAN CYCLE CONTROL
BIN SWITCH
TB35
TB33 (52)
(51)
(48)
CONTACTOR
CONTACTS
L1
(42)
(66)
(64)
ICE THICKNESS PROBE
WATER LEVEL PROBE
NOT USED
T
B35
HIGH PRES
CUTOUT
TB32
L1
(55)
RUN CAPACITOR
RUN CAPACITOR**
C
S
R
TB34
(53)
(47)
(85) (86)
COMPRESSOR
FAN MOTOR
(AIR COOLED ONLY)
RR
(45)
(46) (50)
PTCR
BIN SWITCH LIGHT
HARVEST LIGHT/
SAFETY LIMIT CODE LIGHT
CLEAN LIGHT
WATER LEVEL
(49)
(63)
(62)
(66)
(65)
(69) ICE
OFF
CLEAN
(67) (68)
1F
1C
LOW D.C.
VOLTAGE
PLUG
(62)
1G
TOGGLE SWITCH
68
67
69
66
62
VIEW FOR WIRING
INTERNAL WORKING
VIEW
TB37
(74)
(59)
(73)
(56) CONTACTOR
COIL
TERMINATES AT
PIN CONNECTION
TB3
0
TB3
0
TB30
TB30
L2 (N)
SEE SERIAL PLATE FOR VOLTAGE
(58)
FUSE (7A)
TRANS.
2
4
1
3
5
(61)
(60)
TB31
(76)
(98)
(57)
(99)
(75)
HARVEST
SOLENOID
DUMP
SOLENOID
(81)
WATER
PUMP
(77)
(80)
(21) (22)
WATER
VALVE
TB30
TB30
(20)
SV1646-1

Electrical System Section 6
6-4 Part No. 80-1100-3
2. REFRIGERATION SYSTEM
START-UP
The compressor starts after the 45-
second water purge, and it remains
on throughout the Freeze and
Harvest cycles.
The water fill valve is energized at
the same time as the compressor. It
remains on until the water level
sensor closes for 3 continuous
seconds.
The harvest valve(s) remains on for
the first 5 seconds of the initial
compressor start-up.
At the same time the compressor
starts, the condenser fan motor (air-
cooled models) is supplied with
power. It continues to be supplied
with power throughout the Freeze
and Harvest cycles.
The fan motor is wired through a fan
cycle pressure control, and may
cycle on and off. (The compressor
and the condenser fan motor are
wired through the contactor. Any time
the contactor coil is energized, these
components are supplied with
power.)
Figure 6-2. Self-Contained — Refrigeration System Start-Up
Table 6-2. Self-Contained Models
2. Refrigeration System Start Up (5 Seconds)
Toggle Switch ICE
Bin Switch Closed
Control Board Relays
#1 Water Pump Open / OFF
#2 Water Fill Valve Closed / ON
#3 Harvest Solenoid Closed / ON
#4 Water Dump Valve Open / OFF
#5 Contactor Coil Closed / ON
Compressor ON
Condenser Fan Motor ON
Safety Controls (Which could stop ice machine operation)
High Pressure Cut-Out Closed
Main Fuse (On Control Board) Closed
*OVERLOAD
FAN CYCLE CONTROL
BIN SWITCH
TB35
TB33 (52)
(51)
(48)
CONTACTOR
CONTACTS
L1
(42)
(66)
(64)
ICE THICKNESS PROBE
WATER LEVEL PROBE
NOT USED
T
B35
HIGH PRES
CUTOUT
TB32
L1
(55)
RUN CAPACITOR
RUN CAPACITOR**
C
S
R
TB34
(53)
(47)
(85) (86)
COMPRESSOR
FAN MOTOR
(AIR COOLED ONLY)
RR
(45)
(46) (50)
PTCR
BIN SWITCH LIGHT
HARVEST LIGHT/
SAFETY LIMIT CODE LIGHT
CLEAN LIGHT
WATER LEVEL
(49)
(63)
(62)
(66)
(65)
(69) ICE
OFF
CLEAN
(67) (68)
1F
1C
LOW D.C.
VOLTAGE
PLUG
(62)
1G
TOGGLE SWITCH
68
67
69
66
62
VIEW FOR WIRING
INTERNAL WORKING
VIEW
TB37
(74)
(59)
(73)
(56) CONTACTOR
COIL
TERMINATES AT
PIN CONNECTION
TB3
0
TB3
0
TB30
TB30
L2 (N)
SEE SERIAL PLATE FOR VOLTAGE
(58)
FUSE (7A)
TRANS.
2
4
1
3
5
(61)
(60)
TB31
(76)
(98)
(57)
(99)
(75)
SOLENOID
DUMP
SOLENOID
(81)
WATER
PUMP
(77)
(80)
HARVEST
(21) (22)
WATER
VALVE
TB30
TB30
(20)
SV1646-2

Section 6 Electrical System
Part No. 80-1100-3 6-5
Freeze Sequence
3. PRE-CHILL
To pre-chill the evaporator, the
compressor runs for 30 seconds prior
to water flow.
The water fill valve remains on until
the water level sensor closes for
three continuous seconds.
Figure 6-3. Self-Contained — Pre-Chill
Table 6-3. Self-Contained Models
3. Pre-Chill (30 Seconds)
Toggle Switch ICE
Bin Switch Closed
Control Board Relays
#1 Water Pump Open / OFF
#2 Water Fill Valve Closed / ON
#3 Harvest Solenoid Open / OFF
#4 Water Dump Valve Open / OFF
#5 Contactor Coil Closed / ON
Compressor ON
Condenser Fan Motor ON
Safety Controls (Which could stop ice machine operation)
High Pressure Cut-Out Closed
Main Fuse (On Control Board) Closed
*OVERLOAD
FAN CYCLE CONTROL
BIN SWITCH
TB35
TB33 (52)
(51)
(48)
CONTACTOR
CONTACTS
L1
(42)
(66)
(64)
ICE THICKNESS PROBE
WATER LEVEL PROBE
NOT USED
T
B35
HIGH PRES
CUTOUT
TB32
L1
(55)
RUN CAPACITOR
RUN CAPACITOR**
C
S
TB34
(53)
(47)
(85) (86)
COMPRESSOR
R
FAN MOTOR
(AIR COOLED ONLY)
RR
(45)
(46) (50)
PTCR
BIN SWITCH LIGHT
HARVEST LIGHT/
SAFETY LIMIT CODE LIGHT
CLEAN LIGHT
WATER LEVEL
(49)
(63)
(62)
(66)
(65)
(69) ICE
OFF
CLEAN
(67) (68)
1F
1C
LOW D.C.
VOLTAGE
PLUG
(62)
1G
TOGGLE SWITCH
68
67
69
66
62
VIEW FOR WIRING
INTERNAL WORKING
VIEW
TB37
(74)
(59)
(73)
(56) CONTACTOR
COIL
TERMINATES AT
PIN CONNECTION
TB3
0
TB3
0
TB30
TB30
L2 (N)
SEE SERIAL PLATE FOR VOLTAGE
(58)
FUSE (7A)
TRANS.
5
2
4
1
3
(61)
(60)
TB31
(76)
(98)
(57)
(99)
(75)
HARVEST
SOLENOID
DUMP
SOLENOID
(81)
WATER
PUMP
(77)
(80)
(21) (22)
WATER
VALVE
TB30
TB30
(20)
SV1646-3

Electrical System Section 6
6-6 Part No. 80-1100-3
4. FREEZE
The water pump starts after the 30-
second pre-chill. An even flow of
water is directed across the
evaporator and into each cube cell,
where it freezes.
After six minutes the water inlet valve
is locked out and can not add
additional water.
When sufficient ice has formed, the
water flow (not the ice) contacts the
ice thickness probes. After
approximately 7 seconds of continual
contact, a harvest cycle is initiated.
NOTE: The ice machine cannot
initiate a harvest cycle until a 6-
minute freeze lock has expired.
Figure 6-4. Self-Contained — Freeze
Table 6-4. Self-Contained Models
4. Freeze (Until 7 Seconds of Water Contact with Ice Thickness Probe)
Toggle Switch ICE
Bin Switch Closed
Control Board Relays
#1 Water Pump Closed / ON
#2 Water Fill Valve Cycles ON then OFF
#3 Harvest Solenoid Open / OFF
#4 Water Dump Valve Open / OFF
#5 Contactor Coil Closed / ON
Compressor ON
Condenser Fan Motor ON
Safety Controls (Which could stop ice machine operation)
High Pressure Cut-Out Closed
Main Fuse (On Control Board) Closed
*OVERLOAD
FAN CYCLE CONTROL
BIN SWITCH
TB35
TB33 (52)
(51)
(48)
CONTACTOR
CONTACTS
L1
(42)
(66)
(64)
ICE THICKNESS PROBE
WATER LEVEL PROBE
NOT USED
T
B35
HIGH PRES
CUTOUT
TB32
L1
(55)
RUN CAPACITOR
RUN CAPACITOR**
C
S
R
TB34
(53)
(47)
(85) (86)
COMPRESSOR
FAN MOTOR
(AIR COOLED ONLY)
RR
(45)
(46) (50)
PTCR
BIN SWITCH LIGHT
HARVEST LIGHT/
SAFETY LIMIT CODE LIGHT
CLEAN LIGHT
WATER LEVEL
(49)
(63)
(62)
(66)
(65)
(69) ICE
OFF
CLEAN
(67) (68)
1F
1C
LOW D.C.
VOLTAGE
PLUG
(62)
1G
TOGGLE SWITCH
68
67
69
66
62
VIEW FOR WIRING
INTERNAL WORKING
VIEW
TB37
(74)
(59)
(73)
(56) CONTACTOR
COIL
TERMINATES AT
PIN CONNECTION
TB3
0
TB3
0
TB30
TB30
L2 (N)
SEE SERIAL PLATE FOR VOLTAGE
(58)
FUSE (7A)
TRANS.
2
4
1
3
5
(61)
(60)
TB31
(76)
(98)
(57)
(99)
(75)
HARVEST
SOLENOID
DUMP
SOLENOID
(81)
WATER
PUMP
(77)
(80)
(21) (22)
WATER
VALVE
TB30
TB30
(20)
SV1646-4

Section 6 Electrical System
Part No. 80-1100-3 6-7
Harvest Sequence
5. WATER PURGE
The water pump continues to run,
and the water dump valve energizes
for 45 seconds to purge the water in
the sump trough. The water fill valve
energizes (turns on) and de-
energizes (turns off) strictly by time.
The water fill valve energizes for the
last 15 seconds of the 45-second
water purge. The water purge must
be at the factory setting of 45
seconds for the fill valve to energize
during the last 15 seconds of the
Water Purge. If set at less than 45
seconds, the water fill valve does not
energize during the water purge.
After the 45 second water purge, the
water fill valve, water pump and
dump valve de-energize. (Refer to
“Water Purge Adjustment” on Page
3-3 for details.) The harvest valve
also opens at the beginning of the
water purge to divert hot refrigerant
gas into the evaporator.
Figure 6-5. Self-Contained — Water Purge
Table 6-5. Self-Contained Models
5. Water Purge (45 Seconds)
Toggle Switch ICE
Bin Switch Closed
Control Board Relays
#1 Water Pump Closed / ON
#2 Water Fill Valve Cycles OFF then ON
#3 Harvest Solenoid Closed / ON
#4 Water Dump Valve Closed / ON
#5 Contactor Coil Closed / ON
Compressor ON
Condenser Fan Motor ON
Safety Controls (Which could stop ice machine operation)
High Pressure Cut-Out Closed
Main Fuse (On Control Board) Closed
*OVERLOAD
FAN CYCLE CONTROL
BIN SWITCH
TB35
TB33 (52)
(51)
(48)
CONTACTOR
CONTACTS
L1
(42)
(66)
(64)
ICE THICKNESS PROBE
WATER LEVEL PROBE
NOT USED
T
B35
HIGH PRES
CUTOUT
TB32
L1
(55)
RUN CAPACITOR
RUN CAPACITOR**
C
S
R
TB34
(53)
(47)
(85) (86)
COMPRESSOR
FAN MOTOR
(AIR COOLED ONLY)
RR
(45)
(46) (50)
PTCR
BIN SWITCH LIGHT
HARVEST LIGHT/
SAFETY LIMIT CODE LIGHT
CLEAN LIGHT
WATER LEVEL
(49)
(63)
(62)
(66)
(65)
(69) ICE
OFF
CLEAN
(67) (68)
1F
1C
LOW D.C.
VOLTAGE
PLUG
(62)
1G
TOGGLE SWITCH
68
67
69
66
62
VIEW FOR WIRING
INTERNAL WORKING
VIEW
TB37
(74)
(59)
(73)
(56) CONTACTOR
COIL
TERMINATES AT
PIN CONNECTION
TB3
0
TB3
0
TB30
TB30
L2 (N)
SEE SERIAL PLATE FOR VOLTAGE
(58)
FUSE (7A)
TRANS.
2
4
1
3
5
(61)
(60)
TB31
(76)
(98)
(57)
(99)
(75)
HARVEST
SOLENOID
DUMP
SOLENOID
(81)
WATER
PUMP
(77)
(80)
(21)
WATER
VALVE
(22)
TB30
TB30
(20)
SV1646-5

Electrical System Section 6
6-8 Part No. 80-1100-3
6. HARVEST
The harvest valve(s) remains open,
allowing refrigerant gas to warm the
evaporator. This causes the cubes to
slide, as a sheet, off the evaporator
and into the storage bin.
The sliding sheet of cubes swings the
water curtain out, opening the bin
switch. This momentary opening and
closing of the bin switch terminates
the Harvest Cycle and returns the ice
machine to the Freeze Cycle (steps
3-4).
Figure 6-6. Self-Contained — Harvest
Table 6-6. Self-Contained Models
6. Harvest (Until Bin Switch Activation)
Toggle Switch ICE
Bin Switch Closed
Control Board Relays
#1 Water Pump Open / OFF
#2 Water Fill Valve Open / OFF
#3 Harvest Solenoid Closed / ON
#4 Water Dump Valve Open / OFF
#5 Contactor Coil Closed / ON
Compressor ON
Condenser Fan Motor ON
Safety Controls (Which could stop ice machine operation)
High Pressure Cut-Out Closed
Main Fuse (On Control Board) Closed
*OVERLOAD
FAN CYCLE CONTROL
BIN SWITCH
TB35
TB33 (52)
(51)
(48)
CONTACTOR
CONTACTS
L1
(42)
(66)
(64)
ICE THICKNESS PROBE
WATER LEVEL PROBE
NOT USED
T
B35
HIGH PRES
CUTOUT
TB32
L1
(55)
RUN CAPACITOR
RUN CAPACITOR**
C
S
R
TB34
(53)
(47)
(85) (86)
COMPRESSOR
FAN MOTOR
(AIR COOLED ONLY)
RR
(45)
(46) (50)
PTCR
BIN SWITCH LIGHT
HARVEST LIGHT/
SAFETY LIMIT CODE LIGHT
CLEAN LIGHT
WATER LEVEL
(49)
(63)
(62)
(66)
(65)
(69) ICE
OFF
CLEAN
(67) (68)
1F
1C
LOW D.C.
VOLTAGE
PLUG
(62)
1G
TOGGLE SWITCH
68
67
69
66
62
VIEW FOR WIRING
INTERNAL WORKING
VIEW
TB37
(74)
(59)
(73)
(56) CONTACTOR
COIL
TERMINATES AT
PIN CONNECTION
TB3
0
TB3
0
TB30
TB30
L2 (N)
SEE SERIAL PLATE FOR VOLTAGE
(58)
FUSE (7A)
TRANS.
2
4
1
3
5
(61)
(60)
TB31
(76)
(98)
(57)
(99)
(75)
HARVEST
SOLENOID
DUMP
SOLENOID
(81)
WATER
PUMP
(77)
(80)
(21) (22)
WATER
VALVE
TB30
TB30
(20)
SV1646-6

Section 6 Electrical System
Part No. 80-1100-3 6-9
Automatic Shut-Off
7. AUTOMATIC SHUT-OFF
If the storage bin is full at the end of a
harvest cycle, the sheet of cubes fails
to clear the water curtain and holds it
open. After the water curtain is held
open for 7 seconds, the ice machine
shuts off.
The ice machine remains off until
enough ice is removed from the
storage bin to allow the sheet of
cubes to drop clear of the water
curtain. As the water curtain swings
back to the operating position, the bin
switch closes and the ice machine
restarts (steps 1-2).
NOTE: The ice machine must remain
off for 3 minutes before it can
automatically restart.
Figure 6-7. Self-Contained — Automatic Shut-Off
Table 6-7. Self-Contained Models
7. Automatic Shut-Off (Until Bin Switch Closes)
Toggle Switch ICE
Bin Switch Open
Control Board Relays
#1 Water Pump Open / OFF
#2 Water Fill Valve Open / OFF
#3 Harvest Solenoid Open / OFF
#4 Water Dump Valve Open / OFF
#5 Contactor Coil Open / OFF
Compressor OFF
Condenser Fan Motor OFF
Safety Controls (Which could stop ice machine operation)
High Pressure Cut-Out Closed
Main Fuse (On Control Board) Closed
*OVERLOAD
FAN CYCLE CONTROL
BIN SWITCH
TB35
TB33 (52)
(48)
CONTACTOR
CONTACTS
L1
(42)
(51)
(64)
(66)
ICE THICKNESS PROBE
WATER LEVEL PROBE
NOT USED
T
B35
HIGH PRES
CUTOUT
TB32
L1
(55)
TB3
0
RUN CAPACITOR
RUN CAPACITOR**
S
R
TB34
(47)
(86)
COMPRESSOR
C
(53)
(85)
FAN MOTOR
(AIR COOLED ONLY)
RR
(45)
(46) (50)
PTCR
BIN SWITCH LIGHT
HARVEST LIGHT/
SAFETY LIMIT CODE LIGHT
CLEAN LIGHT
WATER LEVEL
(49)
(63)
(62)
(66)
(65)
(69)
(67) ICE
OFF
CLEAN
(68)
1F
1C
LOW D.C.
VOLTAGE
PLUG
(62)
1G
TOGGLE SWITCH
68
67
69
66
62
VIEW FOR WIRING
INTERNAL WORKING
VIEW
TB37
(74)
(59)
(73)
(56) CONTACTOR
COIL
TERMINATES AT
PIN CONNECTION
TB3
0
TB30
TB30
L2 (N)
SEE SERIAL PLATE FOR VOLTAGE
(58)
4
1
3
5
FUSE (7A)
TRANS.
2
(61)
(60)
TB31
(76)
(98)
(57)
(99)
(75)
HARVEST
SOLENOID
DUMP
SOLENOID
(81)
WATER
PUMP
(77)
(80)
(21) (22)
WATER
VALVE
TB30
TB30
(20)
SV1646-7

Electrical System Section 6
6-10 Part No. 80-1100-3
REMOTE MODELS
Initial Start-Up Or Start-Up After
Automatic Shut-Off
1. WATER PURGE
Before the compressor starts, the
water pump and water dump
solenoid are energized for 45
seconds to purge old water from the
ice machine. This ensures that the
ice-making cycle starts with fresh
water.
NOTE: The harvest valve and
harvest pressure regulating (HPR)
solenoid valve are also energized
during the water purge. In the case of
an initial refrigeration start-up, they
stay on for an additional 5 seconds
(50 seconds total).
Figure 6-8. Remote — Water Purge
Table 6-8. Remote Models
1. Water Purge (45 Seconds)
Toggle Switch ICE
Bin Switch Closed
Control Board Relays
#1 Water Pump Closed / ON
#2 Water Fill Valve Open / OFF
#3 Harvest Solenoid Closed / ON
Harvest Pressure Regulating (HPR) Solenoid Closed / ON
#4 Water Dump Valve Closed / ON
#5 Contactor Coil Open / OFF
Liquid Line Solenoid De-energized
Compressor OFF
Condenser Fan Motor OFF
Safety Controls (Which could stop ice machine operation)
High Pressure Cut-Out Closed
Main Fuse (On Control Board) Closed
TERMINATES AT
PIN CONNECTION
*OVERLOAD
BIN SWITCH
ICE THICKNESS PROBE
(F1)
TB33 (52)
(51)
(48)
T
B35 L1
(42)
CONTACTOR
CONTACTS
(66)
WATER LEVEL PROBE
NOT USED
(64)
TB32
T
B35
L1
(55)
HIGH PRES
CUTOUT
(74)
(73)
REMOTE
FAN MOTOR
RUN CAPACITOR
PTCR
TB34
(53)
REMOTE CONDENSER
(F2)
(45)
TB3
0
BIN SWITCH LIGHT
HARVEST LIGHT/
SAFETY LIMIT CODE LIGHT
RUN CAPACITOR
TOGGLE SWITCH
INTERNAL WORKING
VIEW
CLEAN LIGHT
WATER LEVEL
ICE
(68)
C
S
R(46)
(49)
(47)
COMPRESSOR
(62)
(66) (69)
(67)
OFF
CLEAN
1F
1C
LOW D.C.
VOLTAGE
PLUG
(63)
(65)
(62)
1G
RR(50) TB3
0
68
67
69
66
62
(56) TB3
0
TB3
0
CONTACTOR
COIL
VIEW FOR WIRING
(57)
4
(58)
1
3
FUSE (7A)
TRANS.
5
(61)
(60)
2
HARVEST (80)
TB31
TB37
(76)
(98)
(59)
(99)
SOLENOID
DUMP
SOLENOID
WATER
PUMP
SOLENOID
TB3
0
TB3
0
(82)
(83)
(81)
(75)
LIQUID LINE
(77)
HPR
SOLENOID
(79)(78)
L2 (N)
SEE SERIAL PLATE FOR VOLTAGE
(22)(21)
WATER
VALVE
(20)
SV1648-1

Section 6 Electrical System
Part No. 80-1100-3 6-11
2. REFRIGERATION SYSTEM
START-UP
The compressor, remote condenser
fan motor and liquid line solenoid
valve energize after the 45-second
water purge, and remain on
throughout the Freeze and Harvest
cycles.
The water fill valve is energized at
the same time as the compressor. It
remains on until the water level
sensor closes for 3 continuous
seconds.
The harvest valve and harvest
pressure regulating (HPR) solenoid
valve remain on for the first 5
seconds of the initial compressor
start-up.
NOTE: (The compressor and the
condenser fan motor are wired
through the contactor. Any time the
contactor coil is energized, these
components are supplied with
power.)
Figure 6-9. Remote — Refrigeration System Start-Up
Table 6-9. Remote Models
2. Refrigeration System Start-Up (5 Seconds)
Toggle Switch ICE
Bin Switch Closed
Control Board Relays
#1 Water Pump Open / OFF
#2 Water Fill Valve Closed / ON
#3 Harvest Solenoid Closed / ON
Harvest Pressure Regulating (HPR) Solenoid Closed / ON
#4 Water Dump Valve Open / OFF
#5 Contactor Coil Closed / ON
Liquid Line Solenoid Energized
Compressor ON
Condenser Fan Motor ON
Safety Controls (Which could stop ice machine operation)
High Pressure Cut-Out Closed
Main Fuse (On Control Board) Closed
TERMINATES AT
PIN CONNECTION
*OVERLOAD
BIN SWITCH
ICE THICKNESS PROBE
(F1)
TB33 (52)
(51)
(48)
T
B35 L1
(42)
CONTACTOR
CONTACTS
(66)
WATER LEVEL PROBE
NOT USED
(64)
TB32
T
B35
L1
(55)
HIGH PRES
CUTOUT
(74)
(73)
REMOTE
FAN MOTOR
RUN CAPACITOR
PTCR
TB34
(53)
REMOTE CONDENSER
(F2)
(45)
TB3
0
BIN SWITCH LIGHT
HARVEST LIGHT/
SAFETY LIMIT CODE LIGHT
RUN CAPACITOR
TOGGLE SWITCH
INTERNAL WORKING
VIEW
CLEAN LIGHT
WATER LEVEL
(68) ICE
C
S
R(46)
(49)
(47)
COMPRESSOR
(62)
(66) (69)
(67)
OFF
CLEAN
1F
LOW D.C.
VOLTAGE
PLUG
(63)
(65)
(62)
1G
1C
RR(50) TB3
0
68
67
69
66
62
(56) COIL
VIEW FOR WIRING
TB3
0
CONTACTOR
TB3
0
(57)
4
(58)
1
3
FUSE (7A)
TRANS.
5
(61)
(60)
2
HARVEST (80)
TB31
TB37
(76)
(98)
(59)
(99)
SOLENOID
SOLENOID
WATER
PUMP
SOLENOID
TB3
0
TB3
0
LIQUID LINE
(81)
(82)
(75)
DUMP
(83)
HPR
SOLENOID
L2 (N)
SEE SERIAL PLATE FOR VOLTAGE
(22)(21)
WATER
VALVE
(77)
(79)(78)
(20)
SV1648-2

Electrical System Section 6
6-12 Part No. 80-1100-3
Freeze Sequence
3. PRE-CHILL
To pre-chill the evaporator, the
compressor runs for 30 seconds prior
to water flow.
NOTE: The water fill valve remains
on until the water level sensor closes
for three continuous seconds.
Figure 6-10. Remote — Pre-Chill
Table 6-10. Remote Models
3. Pre-Chill (30 Seconds)
Toggle Switch ICE
Bin Switch Closed
Control Board Relays
#1 Water Pump Open / OFF
#2 Water Fill Valve Closed / ON
#3 Harvest Solenoid Open / OFF
Harvest Pressure Regulating (HPR) Solenoid Open / OFF
#4 Water Dump Valve Open / OFF
#5 Contactor Coil Closed / ON
Liquid Line Solenoid Energized
Compressor ON
Condenser Fan Motor ON
Safety Controls (Which could stop ice machine operation)
High Pressure Cut-Out Closed
Main Fuse (On Control Board) Closed
TERMINATES AT
PIN CONNECTION
*OVERLOAD
BIN SWITCH
ICE THICKNESS PROBE
(F1)
TB33 (52)
(51)
(48)
T
B35 L1
(42)
CONTACTOR
CONTACTS
(66)
WATER LEVEL PROBE
NOT USED
(64)
TB32
T
B35
L1
(55)
HIGH PRES
CUTOUT
(74)
(73)
REMOTE
FAN MOTOR
RUN CAPACITOR
PTCR
TB34
(53)
REMOTE CONDENSER
(F2)
(45)
TB3
0
BIN SWITCH LIGHT
HARVEST LIGHT/
SAFETY LIMIT CODE LIGHT
RUN CAPACITOR
TOGGLE SWITCH
INTERNAL WORKING
VIEW
CLEAN LIGHT
WATER LEVEL
(68) ICE
C
S
R(46)
(49)
(47)
COMPRESSOR
(62)
(66) (69)
(67)
OFF
CLEAN
1F
LOW D.C.
VOLTAGE
PLUG
(63)
(65)
(62)
1G
1C
RR(50) TB3
0
68
67
69
66
62
(56) COIL
VIEW FOR WIRING
TB3
0
CONTACTOR
TB3
0
(57)
4
(58)
1
3
FUSE (7A)
TRANS.
5
(61)
(60)
2
HARVEST (80)
TB31
TB37
(76)
(98) (99)
(75)
SOLENOID
DUMP
SOLENOID
(81)
WATER
PUMP
SOLENOID
TB3
0
TB3
0
(82)
(59) (83)
LIQUID LINE
HPR
SOLENOID
L2 (N)
SEE SERIAL PLATE FOR VOLTAGE
(22)(21)
WATER
VALVE
(77)
(79)(78)
(20)
SV1648-3

Section 6 Electrical System
Part No. 80-1100-3 6-13
4. FREEZE
The water pump starts after the 30-
second pre-chill. An even flow of
water is directed across the
evaporator and into each cube cell,
where it freezes.
After six minutes the water inlet valve
is locked out and can not add
additional water.
When sufficient ice has formed, the
water flow (not the ice) contacts the
ice thickness probes. After
approximately 7 seconds of continual
contact, a harvest cycle is initiated.
NOTE: The ice machine cannot
initiate a harvest cycle until a 6-
minute freeze lock has expired.
Figure 6-11. Remote — Freeze
Table 6-11. Remote Models
4. Freeze (Until 7 Seconds of Water Contact with Ice Thickness Probe)
Toggle Switch ICE
Bin Switch Closed
Control Board Relays
#1 Water Pump Closed / ON
#2 Water Fill Valve Cycles / ON then OFF
#3 Harvest Solenoid Open / OFF
Harvest Pressure Regulating (HPR) Solenoid Open / OFF
#4 Water Dump Valve Open / OFF
#5 Contactor Coil Closed / ON
Liquid Line Solenoid Energized
Compressor ON
Condenser Fan Motor ON
Safety Controls (Which could stop ice machine operation)
High Pressure Cut-Out Closed
Main Fuse (On Control Board) Closed
TERMINATES AT
PIN CONNECTION
*OVERLOAD
BIN SWITCH
ICE THICKNESS PROBE
(F1)
TB33 (52)
(51)
(48)
T
B35 L1
(42)
CONTACTOR
CONTACTS
(66)
(64)
WATER LEVEL PROBE
NOT USED
TB32
T
B35
L1
(55)
HIGH PRES
CUTOUT
(74)
(73)
REMOTE
FAN MOTOR
RUN CAPACITOR
PTCR
TB34
(53)
REMOTE CONDENSER
(F2)
(45)
TB3
0
BIN SWITCH LIGHT
HARVEST LIGHT/
SAFETY LIMIT CODE LIGHT
RUN CAPACITOR
TOGGLE SWITCH
INTERNAL WORKING
VIEW
CLEAN LIGHT
WATER LEVEL
(68) ICE
C
S
R(46)
(49)
(47)
COMPRESSOR
(62)
(66) (69)
(67)
OFF
CLEAN
1F
LOW D.C.
VOLTAGE
PLUG
(63)
(65)
(62)
1G
1C
RR(50) TB3
0
68
67
69
66
62
(56) COIL
VIEW FOR WIRING
TB3
0
CONTACTOR
TB3
0
(57)
4
(58)
1
3
FUSE (7A)
TRANS.
5
(61)
(60)
2
HARVEST (80)
TB31
TB37
(76)
(98)
(59)
(99)
SOLENOID
DUMP
SOLENOID
(81)
WATER
PUMP
SOLENOID
TB3
0
TB3
0
(82)
(83)
LIQUID LINE
(75)
HPR
SOLENOID
L2 (N)
SEE SERIAL PLATE FOR VOLTAGE
(22)(21)
WATER
VALVE
(77)
(79)(78)
(20)
SV1648-4

Electrical System Section 6
6-14 Part No. 80-1100-3
Harvest Sequence
5. WATER PURGE
The water pump continues to run,
and the water dump valve energizes
for 45 seconds to purge the water in
the sump trough. The water fill valve
energizes (turns on) and de-
energizes (turns off) strictly by time.
The water fill valve energizes for the
last 15 seconds of the 45-second
water purge. The water purge must
be at the factory setting of 45
seconds for the fill valve to energize
during the last 15 seconds of the
Water Purge. If set at less than 45
seconds the water fill valve does not
energize during the water purge.
NOTE: After the 45 second water
purge, the water fill valve, water
pump and dump valve de-energize.
(Refer to “Water Purge Adjustment”
on Page 3-3 for details.) The harvest
valve and HPR solenoid also open at
the beginning of the water purge to
divert hot refrigerant gas into the
evaporator.
Figure 6-12. Remote — Water Purge
Table 6-12. Remote Models
5. Water Purge (45 Seconds)
Toggle Switch ICE
Bin Switch Closed
Control Board Relays
#1 Water Pump Closed / ON
#2 Water Fill Valve Cycles / OFF then ON
#3 Harvest Solenoid Closed / ON
Harvest Pressure Regulating (HPR) Solenoid Closed / ON
#4 Water Dump Valve Closed / ON
#5 Contactor Coil Closed / ON
Liquid Line Solenoid Energized
Compressor ON
Condenser Fan Motor ON
Safety Controls (Which could stop ice machine operation)
High Pressure Cut-Out Closed
Main Fuse (On Control Board) Closed
TERMINATES AT
PIN CONNECTION
*OVERLOAD
BIN SWITCH
ICE THICKNESS PROBE
(F1)
TB33 (52)
(51)
(48)
T
B35 L1
(42)
CONTACTOR
CONTACTS
(66)
(64)
WATER LEVEL PROBE
NOT USED
TB32
T
B35
L1
(55)
HIGH PRES
CUTOUT
(74)
(73)
REMOTE
FAN MOTOR
RUN CAPACITOR
PTCR
TB34
(53)
REMOTE CONDENSER
(F2)
(45)
TB3
0
BIN SWITCH LIGHT
HARVEST LIGHT/
SAFETY LIMIT CODE LIGHT
RUN CAPACITOR
TOGGLE SWITCH
INTERNAL WORKING
VIEW
CLEAN LIGHT
WATER LEVEL
(68) ICE
C
S
R(46)
(49)
(47)
COMPRESSOR
(62)
(66) (69)
(67)
OFF
CLEAN
1F
LOW D.C.
VOLTAGE
PLUG
(63)
(65)
(62)
1G
1C
RR(50) TB3
0
68
67
69
66
62
(56) COIL
VIEW FOR WIRING
TB3
0
CONTACTOR
TB3
0
(57)
4
(58)
1
3
FUSE (7A)
TRANS.
5
(61)
(60)
2
HARVEST (80)
TB31
TB37
(76)
(98) (99)
SOLENOID
DUMP
SOLENOID
(81)
WATER
PUMP
SOLENOID
TB3
0
TB3
0
(82)
(83)
(59)
(75)
LIQUID LINE
HPR
L2 (N)
SEE SERIAL PLATE FOR VOLTAGE
(22)(21)
WATER
VALVE
(77)
(79)(78)
SOLENOID
(20)
SV1648-5

Section 6 Electrical System
Part No. 80-1100-3 6-15
6. HARVEST
The harvest valve(s) and HPR
solenoid valve remain open, allowing
refrigerant gas to warm the
evaporator. This causes the cubes to
slide, as a sheet, off the evaporator
and into the storage bin.
The sliding sheet of cubes swings the
water curtain out, opening the bin
switch. This momentary opening and
closing of the bin switch terminates
the Harvest Cycle and returns the ice
machine to the Freeze Cycle (steps
3-4).
Figure 6-13. Remote — Harvest
Table 6-13. Remote Models
6. Harvest (Until Bin Switch Activation)
Toggle Switch ICE
Bin Switch Closed
Control Board Relays
#1 Water Pump Open / OFF
#2 Water Fill Valve Open / OFF
#3 Harvest Solenoid Closed / ON
Harvest Pressure Regulating (HPR) Solenoid Closed / ON
#4 Water Dump Valve Open / OFF
#5 Contactor Coil Closed / ON
Liquid Line Solenoid Energized
Compressor ON
Condenser Fan Motor ON
Safety Controls (Which could stop ice machine operation)
High Pressure Cut-Out Closed
Main Fuse (On Control Board) Closed
TERMINATES AT
PIN CONNECTION
*OVERLOAD
BIN SWITCH
ICE THICKNESS PROBE
(F1)
TB33 (52)
(51)
(48)
T
B35 L1
(42)
CONTACTOR
CONTACTS
(66)
(64)
WATER LEVEL PROBE
NOT USED
TB32
T
B35
L1
(55)
HIGH PRES
CUTOUT
(73) (74)
REMOTE
FAN MOTOR
RUN CAPACITOR
PTCR
TB34
(53)
REMOTE CONDENSER
(F2)
(45)
TB3
0
BIN SWITCH LIGHT
HARVEST LIGHT/
SAFETY LIMIT CODE LIGHT
RUN CAPACITOR
TOGGLE SWITCH
INTERNAL WORKING
VIEW
CLEAN LIGHT
WATER LEVEL
(68) ICE
C
S
R(46)
(49)
(47)
COMPRESSOR
(62)
(66) (69)
(67)
OFF
CLEAN
1F
LOW D.C.
VOLTAGE
PLUG
(63)
(65)
(62)
1G
1C
RR(50) TB3
0
68
67
69
66
62
(56) COIL
VIEW FOR WIRING
TB3
0
CONTACTOR
TB3
0
(57)
4
(58)
1
3
FUSE (7A)
TRANS.
5
(61)
(60)
2
HARVEST (80)
TB31
TB37
(76)
(98)
(59)
(99)
SOLENOID
DUMP
SOLENOID
WATER
PUMP
SOLENOID
TB3
0
TB3
0
(82)
(83)
(81)
(75)
LIQUID LINE
HPR
SOLENOID
L2 (N)
SEE SERIAL PLATE FOR VOLTAGE
(22)(21)
WATER
VALVE
(77)
(79)
(78)
(20)
SV1648-6

Electrical System Section 6
6-16 Part No. 80-1100-3
Automatic Shut-Off
7. AUTOMATIC SHUT-OFF
If the storage bin is full at the end of a
harvest cycle, the sheet of cubes fails
to clear the water curtain and holds it
open. After the water curtain is held
open for 7 seconds, the ice machine
shuts off.
The ice machine remains off until
enough ice is removed from the
storage bin to allow the sheet of
cubes to drop clear of the water
curtain. As the water curtain swings
back to the operating position, the bin
switch closes and the ice machine
restarts.
NOTE: The ice machine must remain
off for 3 minutes before it can
automatically restart.
Figure 6-14. Remote — Automatic Shut-Off
Table 6-14. Remote Models
7. Automatic Shut-Off (Until Bin Switch Closes)
Toggle Switch ICE
Bin Switch Open
Control Board Relays
#1 Water Pump Open / OFF
#2 Water Fill Valve Open / OFF
#3 Harvest Solenoid Open / OFF
Harvest Pressure Regulating (HPR) Solenoid Open / OFF
#4 Water Dump Valve Open / OFF
#5 Contactor Coil Open / OFF
Liquid Line Solenoid De-energized
Compressor ON
Condenser Fan Motor ON
Safety Controls (Which could stop ice machine operation)
High Pressure Cut-Out Closed
Main Fuse (On Control Board) Closed
TERMINATES AT
PIN CONNECTION
*OVERLOAD
BIN SWITCH
ICE THICKNESS PROBE
(F1)
TB33 (52)
(51)
(48)
T
B35 L1
(42)
CONTACTOR
CONTACTS
(66)
(64)
WATER LEVEL PROBE
NOT USED
TB32
T
B35
L1
(55)
HIGH PRES
CUTOUT
(74)
(73)
REMOTE
FAN MOTOR
RUN CAPACITOR
PTCR
TB34
(53)
REMOTE CONDENSER
(F2)
(45)
TB3
0
BIN SWITCH LIGHT
HARVEST LIGHT/
SAFETY LIMIT CODE LIGHT
RUN CAPACITOR
TOGGLE SWITCH
INTERNAL WORKING
VIEW
CLEAN LIGHT
WATER LEVEL
(68) ICE
C
S
R(46)
(49)
(47)
COMPRESSOR
(62)
(66) (69)
(67)
OFF
CLEAN
1F
LOW D.C.
VOLTAGE
PLUG
(63)
(65)
(62)
1G
1C
RR(50) TB3
0
68
67
69
66
62
(56) COIL
VIEW FOR WIRING
TB3
0
CONTACTOR
TB3
0
(57)
4
(58)
1
3
FUSE (7A)
TRANS.
5
(61)
(60)
2
HARVEST (80)
TB31
TB37
(76)
(98)
(59)
(99)
(75)
SOLENOID
DUMP
SOLENOID
(81)
WATER
PUMP
LIQUID LINE
SOLENOID
TB3
0
TB3
0
(82)
(83)
HPR
SOLENOID
L2 (N)
SEE SERIAL PLATE FOR VOLTAGE
(22)(21)
WATER
VALVE
(77)
(79)(78)
(20)
SV1648-7

Section 6 Electrical System
Part No. 80-1100-3 6-17
Wiring Diagrams
The following pages contain electrical wiring diagrams. Be sure you are referring to the correct diagram for the ice
machine which you are servicing.
WIRING DIAGRAM LEGEND
The following symbols are used on all of the wiring diagrams:
* Internal Compressor Overload
(Some models have external compressor overloads)
** Fan Motor Run Capacitor
(Some models do not incorporate fan motor run capacitor)
TB Terminal Board Connection
(Terminal board numbers are printed on the actual terminal board)
( ) Wire Number Designation
(The number is marked at each end of the wire)
—>>— Multi-Pin Connection
(Electrical Box Side) —>>— (Compressor Compartment Side)
!
Warning
Always disconnect power before working on
electrical circuitry.

Electrical System Section 6
6-18 Part No. 80-1100-3
Q200/Q280/Q320 - SELF CONTAINED - 1 PHASE WITH TERMINAL BOARD
C
S
R
TB31
TB37
TB32
TB35
L1
TB34
(53)
TB33 (52)
(51)
(48)
(50)
(49)
(47)
(55)
(61)
(77)
(76)
(60)
(98)
(57)
(74)
(58)
(59)
(73)
(99)
(85) (86)
1F
3
1
2
4
FUSE (7A)
TRANS.
(56)
ICE THICKNESS PROBE
(75)
HARVEST
SOLENOID
DUMP
SOLENOID
(81)
(80)
WATER
PUMP
TB3
0
TB3
0
TB3
0
TB3
0
CONTACTOR
COIL
HIGH PRES
CUTOUT
BIN SWITCH LIGHT
HARVEST LIGHT/
SAFETY LIMIT CODE LIGHT
T
B35
TB3
0
CONTACTOR
CONTACTS
L1
(42)
COMPRESSOR
FAN CYCLE CONTROL
FAN MOTOR
(AIR COOLED ONLY)
RUN CAPACITOR**
L2 (N)
SEE SERIAL PLATE FOR VOLTAGE
CAUTION: DISCONNECT POWER BEFORE WORKING
ON ELECTRICAL CIRCUITRY.
DIAGRAM SHOWN DURING FREEZE CYCLE
TERMINATES AT
PIN CONNECTION
PTCR
TB3
0
TB3
0
LOW D.C.
VOLTAGE
PLUG
(64)
(63)
BIN SWITCH
(62)
(66)
(65)
(69)
(67) (68)
TOGGLE SWITCH
68
67
69
66
62
ICE
OFF
CLEAN
(66)
(62)
VIEW FOR WIRING
INTERNAL WORKING
VIEW
*OVERLOAD
CLEAN LIGHT
1C
WATER LEVEL LIGHT
WATER LEVEL PROBE
5
(21) (22)
WATER
VALVE
1G
NOT USED
(20)
SV1654

Section 6 Electrical System
Part No. 80-1100-3 6-19
Q280/Q370 - SELF CONTAINED - 1 PHASE WITHOUT TERMINAL BOARD
52
1
4START
CAPACITOR
POTENTIAL
RELAY
C
S
R
COMPRESSOR
TERMINAL LAYOUT
VIEWED FROM END
OF COMPRESSOR
CAUTION: DISCONNECT POWER BEFORE WORKING
ON ELECTRICAL CIRCUITRY.
DIAGRAM SHOWN DURING FREEZE CYCLE
SAFETY LIMIT CODE LIGHT
HARVEST LIGHT/
WATER LEVEL
CLEAN LIGHT
BIN SWITCH LIGHT
CLEAN
OFF
ICE
(68)
(69)
(62)
(49)
(47)
COMPRESSOR
OVERLOAD INTERNAL
{230V 50/60 HZ}
R
C
S
(86)(85)
(51)
(48)
CONTACTOR
CONTACTS
(42)
L1
FAN CYCLE CONTROL
RUN CAPACITOR**
FAN MOTOR
(AIR COOLED ONLY)
(50)
62
66
VIEW FOR
WIRING
67
68
69
SEE SERIAL PLATE FOR VOLTAGE
L2 (N)
(74)
TERMINATES AT
PIN CONNECTION
(59)
(58)
(56)
(98)
DUMP
SOLENOID
(57)
(81)
(99)
(75)
(80)
(76)
HARVEST
SOLENOID
(77)
WATER
VALVE
(21) (22)
(60)
(61)
(55)
HIGH PRES
CUTOUT
L
1
WATER LEVEL PROBE
NOT USED
ICE THICKNESS PROBE
LOW D.C.
VOLTAGE
PLUG
1G
1F
1C
BIN SWITCH
(64)
(66) (66)
(67)
(63)
(62)
CONTACTOR
COIL
WATER
PUMPFUSE (7A)
TRANS.
5
3
1
4
2
(65)
(89)
(88)
(20)
(46) (44)
(45)
SV3018

Electrical System Section 6
6-20 Part No. 80-1100-3
Q320 - SELF CONTAINED - 1 PHASE WITHOUT TERMINAL BOARD
RR
C
S
R
L
1
*OVERLOAD
OVERLOAD
(51)
(48)
(45)
(46)
(49)
(47)
(48)
(50)
(50)
(49)
(47)
(55)
(61)
(20)
(76)
(60)
(98)
(57)
(74)
(58)
(59)
(99)
(85) (86)
1F
1C
4
2
1
5
FUSE (7A)
TRANS.
(56)
ICE THICKNESS PROBE
(75)
HARVEST
SOLENOID
DUMP
SOLENOID
(81)
(22)
WATER
PUMP
CONTACTOR
COIL
HIGH PRES
CUTOUT
BIN SWITCH LIGHT
HARVEST LIGHT/
SAFETY LIMIT CODE LIGHT
LOW D.C.
VOLTAGE
PLUG
CONTACTOR
CONTACTS
L1
(42)
COMPRESSOR
COMPRESSOR
RUN CAPACITOR
FAN CYCLE CONTROL
FAN MOTOR
(AIR COOLED ONLY)
RUN CAPACITOR**
L2 (N)
SEE SERIAL PLATE FOR VOLTAGE
CAUTION: DISCONNECT POWER BEFORE WORKING
ON ELECTRICAL CIRCUITRY.
DIAGRAM SHOWN DURING FREEZE CYCLE
TERMINATES AT
PIN CONNECTION
PTCR
PTCR
(64)
(63)
BIN SWITCH
(62)
(66)
(65)
(69)
(67) (68)
TOGGLE SWITCH
68
67
69
66
62
ICE
OFF
CLEAN
(62)
VIEW FOR WIRING
CLEAN LIGHT
WATER LEVEL
WATER LEVEL PROBE
(77)
(80)
WATER
VALVE
3
1G
NOT USED
(89)
(88)
(21)
SV2070

Section 6 Electrical System
Part No. 80-1100-3 6-21
Q420/Q450/Q600/Q800/Q1000 - SELF CONTAINED -
1 PHASE WITH TERMINAL BOARD
RR
C
S
R
TB31
TB37
TB32
T
B35
L1
TB34
*OVERLOAD
(53)
TB33 (52)
(51)
(48) (45)
(46) (50)
(49)
(47)
(55) (61)
(21)
(76)
(60)
(98)
(57)
(74)
(58)
(59)
(73)
(99)
(85) (86)
1F
1C
4
1
3
5
FUSE (7A)
TRANS.
(56)
ICE THICKNESS PROBE
(75)
HARVEST
SOLENOID
DUMP
SOLENOID
(81)
(22)
WATER
PUMP
TB30
TB30
TB30
TB30
CONTACTOR
COIL
HIGH PRES
CUTOUT
BIN SWITCH LIGHT
HARVEST LIGHT/
SAFETY LIMIT CODE LIGHT
LOW D.C.
VOLTAGE
PLUG
TB35
TB3
0
CONTACTOR
CONTACTS
L1
(42)
COMPRESSOR RUN CAPACITOR
FAN CYCLE CONTROL
FAN MOTOR
(AIR COOLED ONLY)
RUN CAPACITOR**
L2 (N)
SEE SERIAL PLATE FOR VOLTAGE
CAUTION: DISCONNECT POWER BEFORE WORKING
ON ELECTRICAL CIRCUITRY.
DIAGRAM SHOWN DURING FREEZE CYCLE
TERMINATES AT
PIN CONNECTION
PTCR
TB3
0
(64)
(63)
BIN SWITCH
(62)
(66)
(65)
(69)
(67) (68)
TOGGLE SWITCH
68
67
69
66
62
ICE
OFF
CLEAN
(66)
(62)
VIEW FOR WIRING
INTERNAL WORKING
VIEW
CLEAN LIGHT
WATER LEVEL LIGHT
WATER LEVEL PROBE
(77)
(80)
WATER
VALVE
2
1G
NOT USED
(20)
SV1646

Electrical System Section 6
6-22 Part No. 80-1100-3
Q420/Q450/Q600/Q800/Q1000 - SELF CONTAINED -
1 PHASE WITHOUT TERMINAL BOARD
*Overload C
S
R
L
1
(51)
(48)
(45) (46)
(49)
(50)
(50)
(47)
(55) (61)
(20) (21)
(76)
(60)
(98)
(57)
(74)
(58)
(59)
(99)
(85) (86)
1F
1C
4
2
1
5
FUSE (7A)
TRANS.
(56)
ICE THICKNESS PROBE
(75)
HARVEST
SOLENOID
DUMP
SOLENOID (81)
(22)
WATER
PUMP
CONTACTOR
COIL
HIGH PRES
CUTOUT
BIN SWITCH LIGHT
HARVEST LIGHT/
SAFETY LIMIT CODE LIGHT
LOW D.C.
VOLTAGE
PLUG
CONTACTOR
CONTACTS
L1
(42)
COMPRESSOR
FAN CYCLE CONTROL
FAN MOTOR
(AIR COOLED ONLY)
RUN CAPACITOR**
L2 (N
)
SEE SERIAL PLATE FOR VOLTAGE
CAUTION: DISCONNECT POWER BEFORE WORKING
ON ELECTRICAL CIRCUITRY.
DIAGRAM SHOWN DURING FREEZE CYCLE
TERMINATES AT
PIN CONNECTION
PTCR
(64)
(63)
BIN SWITCH
(62)
(66)
(65)
(69)
(67) (68)
TOGGLE SWITCH
68
67
69
66
62
ICE
OFF
CLEAN
(62)
VIEW FOR WIRING
CLEAN LIGHT
WATER LEVEL
WATER LEVEL PROBE
(77)
(80)
WATER
VALVE
3
1G
NOT USED
(89)
(88)
SV2071

Section 6 Electrical System
Part No. 80-1100-3 6-23
Q800/Q1000 - SELF CONTAINED - 3 PHASE WITH TERMINAL BOARD
TB31
TB37
(77)
(76)
(98)
(74)
(59)
(73)
(99)
(85) (86)
(75)
HARVEST
SOLENOID
DUMP
SOLENOID
(81)
(80)
WATER
PUMP
TB3
0
TB3
0
TB3
0
CONTACTOR
COIL
TB3
0
FAN CYCLE CONTROL
FAN MOTOR
(AIR COOLED ONLY)
RUN CAPACITOR**
SEE SERIAL PLATE FOR VOLTAGE
CAUTION: DISCONNECT POWER BEFORE WORKING
ON ELECTRICAL CIRCUITRY.
DIAGRAM SHOWN DURING FREEZE CYCLE
TERMINATES AT
PIN CONNECTION
(61)
(60)
(57)
(58)
1F
1C
4
1
3
5
FUSE (7A)
TRANS.
(56)
ICE THICKNESS PROBE
TB3
0
BIN SWITCH LIGHT
HARVEST LIGHT/
SAFETY LIMIT CODE LIGHT
LOW D.C.
VOLTAGE
PLUG
TB32
TB35
TB34
(53)
TB33 (52)
HIGH PRES
CUTOUT
L1
(96)
(42)
COMPRESSOR
L3 L2 L1
L2
L
3
TB35
T2
T3 T1
(55)
TB3
0
(64)
(63)
BIN SWITCH
(62)
(66)
(65)
(69)
(67) (68)
TOGGLE SWITCH
68
67
69
66
62
ICE
OFF
CLEAN
(66)
(62)
VIEW FOR WIRING
INTERNAL WORKING
VIEW
CLEAN LIGHT
WATER LEVEL LIGHT
(21) (22)
WATER
VALVE
WATER LEVEL PROBE
2
1G
NOT USED
(20)
SV1647a

Electrical System Section 6
6-24 Part No. 80-1100-3
Q800/Q1000 - SELF CONTAINED - 3 PHASE WITHOUT TERMINAL BOARD
L1L2L3
(51)
(55)
(61)
(20) (21)
(76)
(60)
(98)
(57)
(74)
(58)
(59)
(99)
(85) (86)
1F
1C
4
2
1
5
FUSE (7A)
TRANS.
(56)
ICE THICKNESS PROBE
(75)
HARVEST
SOLENOID
DUMP
SOLENOID (81)
(22)
WATER
PUMP
CONTACTOR
COIL
HIGH PRES
CUTOUT
BIN SWITCH LIGHT
HARVEST LIGHT/
SAFETY LIMIT CODE LIGHT
LOW D.C.
VOLTAGE
PLUG
CONTACTOR
CONTACTS
L1
L2
L3
T2
T1T3
FAN CYCLE CONTROL
FAN MOTOR
(AIR COOLED ONLY)
RUN CAPACITOR**
SEE SERIAL PLATE FOR VOLTAGE
CAUTION: DISCONNECT POWER BEFORE WORKING
ON ELECTRICAL CIRCUITRY.
DIAGRAM SHOWN DURING FREEZE CYCLE
TERMINATES AT
PIN CONNECTION
(64)
(63)
BIN SWITCH
(62)
(66)
(65)
(69)
(67) (68)
TOGGLE SWITCH 68
67
69
66
62
ICE
OFF
CLEAN
(62)
VIEW FOR WIRING
CLEAN LIGHT
WATER LEVEL
WATER LEVEL PROBE
(77)
(80)
WATER
VALVE
3
1G
NOT USED
(89)
(88)
(42)
SV2072

Section 6 Electrical System
Part No. 80-1100-3 6-25
Q1300/Q1800 - SELF CONTAINED - 1 PHASE WITH TERMINAL BOARD
RR
C
S
R
TB31
TB37
TB32
TB35
L1
TB34
*OVERLOAD
(53)
TB33 (52)
(51)
(48) (45)
(46) (50)
(49)
(47)
(55)
(61)
(77)
(76)
(60)
(98)
(57)
(74)
(58)
(59)
(73)
(99)
(85) (86)
1F
1C
4
1
3
5
FUSE (7A)
TRANS.
(56)
ICE THICKNESS PROBE
(75)
LH HARVEST
SOLENOID
DUMP
SOLENOID
(81)
(80)
WATER
PUMP
TB3
0
TB3
0
TB3
0
TB3
0
CONTACTOR
COIL
HIGH PRES
CUTOUT
BIN SWITCH LIGHT
HARVEST LIGHT/
SAFETY LIMIT CODE LIGHT
LOW D.C.
VOLTAGE
PLUG
TB35 TB3
0
CRANKCASE HEATER (94)
(95)
T
B35 TB3
0
CONTACTOR
CONTACTS
CONTACTOR
CONTACTS
L2
L1
(96)
(42)
COMPRESSOR RUN CAPACITOR
FAN CYCLE CONTROL
FAN MOTOR
(AIR COOLED ONLY)
RUN CAPACITOR**
L2(N)
SEE SERIAL PLATE FOR VOLTAGE
CAUTION: DISCONNECT POWER BEFORE WORKING
ON ELECTRICAL CIRCUITRY.
DIAGRAM SHOWN DURING FREEZE CYCLE
TERMINATES AT
PIN CONNECTION
PTCR (44)
(64)
(63)
BIN SWITCH
(62)
(66)
(65)
(69)
(67) (68)
TOGGLE SWITCH
68
67
69
66
62
ICE
OFF
CLEAN
(66)
(62)
VIEW FOR WIRING
INTERNAL WORKING
VIEW
WATER
VALVE
(21)
(22)
CLEAN LIGHT
WATER LEVEL LIGHT
WATER LEVEL PROBE
2
(87)
(88)
RH HARVEST
SOLENOID
1G
AUCS DISPENSE TIME
(20)
SV1652

Electrical System Section 6
6-26 Part No. 80-1100-3
Q1300/Q1600/Q1800 - SELF CONTAINED - 1 PHASE WITHOUT TERMINAL BOARD
C
S
R
L1
*OVERLOAD
(51)
(48)
(95)
(45)
(46)
(49)
(47)
(50)
(94)
(96)
(55)
(61)
(20) (21)
(76)
(60)
(98)
(57)
(74)
(58)
(59)
(99)
(85) (86)
1F
1C
4
2
1
5
FUSE (7A)
TRANS.
(56)
ICE THICKNESS PROBE
(75)
HARVEST
SOLENOID
DUMP
SOLENOID
(81)
(22)
WATER
PUMP
CONTACTOR
COIL
HIGH PRES
CUTOUT
BIN SWITCH LIGHT
HARVEST LIGHT/
SAFETY LIMIT CODE LIGHT
LOW D.C.
VOLTAGE
PLUG
CONTACTOR
CONTACTS
CONTACTOR
CONTACTS
L1 L2
COMPRESSOR
CRANKCASE HEATER
RUN CAPACITOR
FAN CYCLE CONTROL
FAN MOTOR
(AIR COOLED ONLY)
RUN CAPACITOR**
L2 (N
)
SEE SERIAL PLATE FOR VOLTAGE
CAUTION: DISCONNECT POWER BEFORE WORKING
ON ELECTRICAL CIRCUITRY.
DIAGRAM SHOWN DURING FREEZE CYCLE
TERMINATES AT
PIN CONNECTION
PTCR
(64)
(63)
BIN SWITCH
(62)
(66)
(65)
(69)
(67) (68)
TOGGLE SWITCH
68
67
69
66
62
ICE
OFF
CLEAN
(62)
VIEW FOR WIRING
CLEAN LIGHT
WATER LEVEL LIGHT
WATER LEVEL PROBE
AUCS DISPENSE TIME
(77) (80)
WATER
VALVE
3
1G
(89)
(88)
(42)
SV2075

Section 6 Electrical System
Part No. 80-1100-3 6-27
Q1300/Q1800 - SELF CONTAINED - 3 PHASE WITH TERMINAL BOARD
TB31
TB37
(77)
(76)
(98)
(74)
(59)
(73)
(99)
(85) (86)
(75)
LH HARVEST
SOLENOID
DUMP
SOLENOID
(81)
(80)
WATER
PUMP
TB30
TB30
TB30
CONTACTOR
COIL
TB30
TB30
FAN CYCLE CONTROL
FAN MOTOR
(AIR COOLED ONLY)
RUN CAPACITOR**
SEE SERIAL PLATE FOR VOLTAGE
CAUTION: DISCONNECT POWER BEFORE WORKING
ON ELECTRICAL CIRCUITRY.
DIAGRAM SHOWN DURING FREEZE CYCLE
TERMINATES AT
PIN CONNECTION
(61)
(60)
(57)
(58)
1F
1C
4
1
3
5
FUSE (7A)
TRANS.
(56)
ICE THICKNESS PROBE
TB30
BIN SWITCH LIGHT
HARVEST LIGHT/
SAFETY LIMIT CODE LIGHT
TB32
TB35
TB34
(53)
TB33 (52)
HIGH PRES
CUTOUT
TB35 CRANKCASE HEATER (94)
(95)
L1
(96)
(42)
COMPRESSOR
L3 L2 L1
L2
L
3
TB35
T2
T3 T1
(55)
LOW D.C.
VOLTAGE
PLUG
(64)
(63)
BIN SWITCH
(62)
(66)
(65)
(69)
(67) (68)
TOGGLE SWITCH
68
67
69
66
62
ICE
OFF
CLEAN
(66)
(62)
VIEW FOR WIRING
INTERNAL WORKING
VIEW
N - 50H
Z
ONLY
TB30
NOTE: WIRE (96) IS NOT USED ON 50HZ
TB30
CLEAN LIGHT
WATER LEVEL LIGHT
2
WATER
VALVE
(21)
(22)
(87)
(88)
RH HARVEST
SOLENOID
1G
AUCS DISPENSE TIME
WATER LEVEL PROBE
(20)
SV1653

Electrical System Section 6
6-28 Part No. 80-1100-3
Q1300/Q1600/Q1800 - SELF CONTAINED - 3 PHASE WITHOUT TERMINAL BOARD
(77)
(76)
(98) (99)
(85) (86)
(75)
LH HARVEST
SOLENOID
DUMP
SOLENOID (81)
(80)
WATER
PUMP
CONTACTOR
COIL
FAN CYCLE CONTROL
FAN MOTOR
(AIR COOLED ONLY)
RUN CAPACITOR**
SEE SERIAL PLATE FOR VOLTAGE
CAUTION: DISCONNECT POWER BEFORE WORKING
ON ELECTRICAL CIRCUITRY.
DIAGRAM SHOWN DURING FREEZE CYCLE
TERMINATES AT
PIN CONNECTION
(61)
(60)
(57)
(59)
(58)
1F
1C
4
2
1
5
FUSE (7A)
TRANS.
(56)
ICE THICKNESS PROBE
BIN SWITCH LIGHT
HARVEST LIGHT/
SAFETY LIMIT CODE LIGHT
(51)
HIGH PRES
CUTOUT
CRANKCASE HEATER
(94)
(95)
CONTACTOR
CONTACTS
L1
(96)
COMPRESSOR
L3 L2 L1
L2L3
T2
T3 T1
LOW D.C.
VOLTAGE
PLUG
(64)
(88)
(89) (55)
(42)
(63)
BIN SWITCH
(62)
(65)
(69)
(67) (68)
TOGGLE SWITCH
68
67
69
66
62
ICE
OFF
CLEAN
(66)
(62)
VIEW FOR WIRING
N - 50H
Z
ONLY
NOTE: WIRE (96) IS NOT USED ON 50HZ
CLEAN LIGHT
WATER LEVEL LIGHT
3
WATER
VALVE
(21)(20) (22)
(87)
RH HARVEST
SOLENOID
1G
AUCS DISPENSE TIME
WATER LEVEL PROBE
(88)
SV3008

Section 6 Electrical System
Part No. 80-1100-3 6-29
Q450/Q600/Q800/Q1000 - REMOTE - 1 PHASE WITH TERMINAL BOARD
TB31
TB37
TB32
TB35
L1
(55)
(77)
(76)
(98)
(59)
(99)
(75)
HPR
SOLENOID
(79)(78)
HARVEST
SOLENOID
DUMP
SOLENOID
(81)
(80)
WATER
PUMP
LIQUID LINE
SOLENOID
TB3
0
TB3
0
(82)
(83)
HIGH PRES
CUTOUT
REMOTE
FAN MOTOR
RUN CAPACITOR
L2 (N)
SEE SERIAL PLATE FOR VOLTAGE
CAUTION: DISCONNECT POWER BEFORE WORKING
ON ELECTRICAL CIRCUITRY.
DIAGRAM SHOWN DURING FREEZE CYCLE
REMOTE CONDENSER
TERMINATES AT
PIN CONNECTION
(F1) (F2)
(61)
(60)
(57)
(58)
1F
1C
4
1
3
FUSE (7A)
TRANS.
(56)
ICE THICKNESS PROBE
TB3
0
BIN SWITCH LIGHT
HARVEST LIGHT/
SAFETY LIMIT CODE LIGHT
(74)
(73) TB3
0
CONTACTOR
COIL
RR
C
S
R
TB34
*OVERLOAD
(53)
TB33 (52)
(51)
(48) (45)
(46) (50)
(49)
(47)
T
B35
CONTACTOR
CONTACTS
L1
(42)
COMPRESSOR RUN CAPACITOR
PTCR
TB3
0
TB3
0
LOW D.C.
VOLTAGE
PLUG
(64)
(63)
BIN SWITCH
(62)
(66)
(65)
(69)
(67) (68)
TOGGLE SWITCH
68
67
69
66
62
ICE
OFF
CLEAN
(66)
(62)
VIEW FOR WIRING
INTERNAL WORKING
VIEW
CLEAN LIGHT
WATER LEVEL LIGHT
WATER LEVEL PROBE
(22)(21)
WATER
VALVE
2
5
1G
NOT USED
(20)
SV1648

Electrical System Section 6
6-30 Part No. 80-1100-3
Q450/Q600/Q800/Q1000 - REMOTE - 1 PHASE WITHOUT TERMINAL BOARD
C
SR
L
1
*OVERLOAD
(51)
(48)
(42)
(45)
(46)
(49)
(47)
RR (50)
(94)
(55) (61)
(20) (21)
(77)
(60)
(98)
(57)
(74)
(58)
(59) (83) (82)
(99)
1F
1C
4
1
3
5
FUSE (7A)
TRANS.
(56)
ICE THICKNESS PROBE
(75)
HARVEST
SOLENOID
HPR
SOLENOID
DUMP
SOLENOID
(81)
(22)
WATER
PUMP
CONTACTOR
COIL
HIGH PRES
CUTOUT
BIN SWITCH LIGHT
HARVEST LIGHT/
SAFETY LIMIT CODE LIGHT
LOW D.C.
VOLTAGE
PLUG
CONTACTOR
CONTACTS
L1
COMPRESSOR
RUN CAPACITOR
LIQUID LINE
SOLENOID
REMOTE
FAN MOTOR
REMOTE CONDENSER
RUN CAPACITOR**
L2 (
N)
SEE SERIAL PLATE FOR VOLTAGE
CAUTION: DISCONNECT POWER BEFORE WORKING
ON ELECTRICAL CIRCUITRY.
DIAGRAM SHOWN DURING FREEZE CYCLE
PTCR
F1 F2
(64)
(63)
BIN SWITCH
(62)
(66)
(65)
(69)
(67) (68)
TOGGLE SWITCH
68
67
69
66
62
ICE
OFF
CLEAN
(62)
VIEW FOR WIRING
CLEAN LIGHT
WATER LEVEL LIGHT
WATER LEVEL PROBE
AUCS DISPENSE TIME
(88) (80)
(78) (79)
WATER
VALVE
2
1G
(89)
(88)
SV2073

Section 6 Electrical System
Part No. 80-1100-3 6-31
Q800/Q1000 -REMOTE - 3 PHASE WITH TERMINAL BOARD
TB31
TB37
TB32
TB35
TB34
(53)
TB33 (52)
(55)
(77)
(76)
(98)
(59)
(99)
(75)
HPR
SOLENOID
(79)
(78)
HARVEST
SOLENOID
DUMP
SOLENOID
(81)
(80)
WATER
PUMP
LIQUID LINE
SOLENOID
TB3
0
TB3
0
(82)
(83)
HIGH PRES
CUTOUT
TB3
0
TB3
0
CONTACTOR
CONTACTS
L1
(96)
(42)
COMPRESSOR
REMOTE
FAN MOTOR
RUN CAPACITOR
S
EE SERIAL PLATE FOR VOLTAGE CAUTION: DISCONNECT POWER BEFORE WORKING
ON ELECTRICAL CIRCUITRY.
DIAGRAM SHOWN DURING FREEZE CYCLE
REMOTE CONDENSER
L3 L2 L1
L2
L3
TB35
T2
T3 T1
TERMINATES AT
PIN CONNECTION
(F1) (F2)
(61)
(60)
(57)
(58)
1F
1C
4
1
3
5
FUSE (7A)
TRANS.
(56)
ICE THICKNESS PROBE
TB3
0
BIN SWITCH LIGHT
HARVEST LIGHT/
SAFETY LIMIT CODE LIGHT
LOW D.C.
VOLTAGE
PLUG
(74)
(73) TB3
0
CONTACTOR
COIL
(64)
(63)
BIN SWITCH
(62)
(66)
(65)
(69)
(67) (68)
TOGGLE SWITCH
68
67
69
66
62
ICE
OFF
CLEAN
(62)
VIEW FOR WIRING
INTERNAL WORKING
VIEW
CLEAN LIGHT
WATER LEVEL LIGHT
WATER LEVEL PROBE
2
(22)
(21)
WATER
VALVE
1G
AUCS DISPENSE TIME
(20)
SV1649

Electrical System Section 6
6-32 Part No. 80-1100-3
Q800/Q1000 -REMOTE - 3 PHASE WITHOUT TERMINAL BOARD
(55)
(89)
(88)
(42)
(51)
(85)
(77)
(76)
(98)
(59)
(99)
(75)
HPR
SOLENOID (79)
(78)
HARVEST
SOLENOID
DUMP
SOLENOID (81)
(80)
WATER
PUMP
LIQUID LINE
SOLENOID
(82)
(74)
(83)
HIGH PRES
CUTOUT
CONTACTOR
CONTACTS
L1
COMPRESSOR
REMOTE
FAN MOTOR
RUN CAPACITOR
SEE SERIAL PLATE FOR VOLTAGE
CAUTION: DISCONNECT POWER BEFORE WORKING
ON ELECTRICAL CIRCUITRY.
DIAGRAM SHOWN DURING FREEZE CYCLE
REMOTE CONDENSER
L3 L2 L1
L2
L3
T2
T3 T1
(F1)
(F2)
(61)
(20)
(60)
(57)
(58)
1F
1C
4
2
1
5
FUSE (7A)
TRANS.
(56)
ICE THICKNESS PROBE
BIN SWITCH LIGHT
HARVEST LIGHT/
SAFETY LIMIT CODE LIGHT
LOW D.C.
VOLTAGE
PLUG
CONTACTOR
COIL
(64)
(63)
BIN SWITCH
(62)
(66)
(65)
(69)
(67) (68)
TOGGLE SWITCH
68
67
69
66
62
ICE
OFF
CLEAN
(62)
VIEW FOR WIRING
INTERNAL WORKING
VIEW
CLEAN LIGHT
WATER LEVEL LIGHT
WATER LEVEL PROBE
3
(22)
(21)
WATER
VALVE
1G
NOT USED
SV2074

Section 6 Electrical System
Part No. 80-1100-3 6-33
Q1300/Q1800 - REMOTE - 1 PHASE WITH TERMINAL BOARD
TB31
TB37
TB32
T
B35
L1
TB34
(53)
TB33 (52)
(51)
(55)
(77)
(76)
(98)
(59)
(99)
(75)
WATER
VALVE (22)
(21)
LH HARVEST
SOLENOID
DUMP
SOLENOID
(81)
(80)
WATER
PUMP
LIQUID LINE
SOLENOID
TB3
0
TB3
0
(82)
(83)
HIGH PRES
CUTOUT
TB35
CONTACTOR
CONTACTS
L1
(42)
REMOTE
FAN MOTOR
RUN CAPACITOR
L2 (N)
SEE SERIAL PLATE FOR VOLTAGE
CAUTION: DISCONNECT POWER BEFORE WORKING
ON ELECTRICAL CIRCUITRY.
DIAGRAM SHOWN DURING FREEZE CYCLE
REMOTE CONDENSER
TERMINATES AT
PIN CONNECTION
(F1)
(F2)
(61)
(60)
(57)
(58)
1F
1C
4
1
3
5
FUSE (7A)
TRANS.
(56)
ICE THICKNESS PROBE
TB3
0
BIN SWITCH LIGHT
HARVEST LIGHT/
SAFETY LIMIT CODE LIGHT
LOW D.C.
VOLTAGE
PLUG
RR
C
S
R
*OVERLOAD
(48) (45)
(46) (50)
(49)
(47)
(74)
(73) TB3
0
CONTACTOR
COIL
TB35 TB3
0
CRANKCASE HEATER (94)(95)
TB3
0
CONTACTOR
CONTACTS
L2
(96)
COMPRESSOR RUN CAPACITOR
PTCR (44)
(64)
(63)
BIN SWITCH
(62)
(66)
(65)
(69)
(67) (68)
TOGGLE SWITCH
68
67
69
66
62
ICE
OFF
CLEAN
(66)
(62)
VIEW FOR WIRING
INTERNAL WORKING
VIEW
HPR
SOLENOID
(87)(88)
CLEAN LIGHT
WATER LEVEL LIGHT
WATER LEVEL PROBE
2
(79)(78)
RH HARVEST
SOLENOID
1G
AUCS DISPENSE TIME
(20)
SV1650

Electrical System Section 6
6-34 Part No. 80-1100-3
Q1300/Q1600/Q1800 - REMOTE - 1 Phase Without Terminal Board
TB37
RS
C
(48)
(51)
(55)(89)
(88)
(42)
(77)
(76)
(98)
(59)
(99)
(75)
RH HARVEST
SOLENOID
(87)
(88)
HPR
SOLENOID
(79)
(78)
LH HARVEST
SOLENOID
DUMP
SOLENOID
(81)
(80)
WATER
PUMP
LIQUID LINE
SOLENOID
(82)
(83)
HIGH PRES
CUTOUT
L2
CONTACTOR
CONTACTS CONTACTOR
RUN CAPACITOR
RR
CONTACTS
L1
(49)
(96)
(74)
(94)
(47)
(45)
(46) (50)
(44) PTCR
(95)
COMPRESSOR
CRANKCASE HEATER
*OVERLOAD
REMOTE
FAN MOTOR
RUN CAPACITOR
SEE SERIAL PLATE FOR VOLTAGECAUTION: DISCONNECT POWER BEFORE WORKING
ON ELECTRICAL CIRCUITRY.
DIAGRAM SHOWN DURING FREEZE CYCLE
REMOTE CONDENSER
L
1
L2 (N)
(F1) (F2)
(F2)
(61)
(60)
(57)
(58)
1F
1C
4
1
3
5
FUSE (7A)
TRANS.
(56)
ICE THICKNESS PROBE
BIN SWITCH LIGHT
HARVEST LIGHT/
SAFETY LIMIT CODE LIGHT
LOW D.C.
VOLTAGE
PLUG
CONTACTOR
COIL
(64)
(63)
BIN SWITCH
(62)
(66)
(65)
(69)
(67)
(68)
TOGGLE SWITCH
68
67
69
66
62
ICE
OFF
CLEAN
(62)
VIEW FOR WIRING
INTERNAL WORKING
VIEW
CLEAN LIGHT
WATER LEVEL LIGHT
WATER LEVEL PROBE
2
(22)
(21)(20)
WATER
VALVE
1G
AUCS DISPENSE TIME
SV2076

Section 6 Electrical System
Part No. 80-1100-3 6-35
Q1300/Q1800 - REMOTE - 3 PHASE WITH TERMINAL BOARD
(64)
(63)
BIN SWITCH
(62)
(66)
(65)
(69)
(67) (68)
TOGGLE SWITCH
68
67
69
66
62
ICE
OFF
CLEAN
(66)
(62)
VIEW FOR WIRING
INTERNAL WORKING
VIEW
TB31
TB37
TB32
TB35
TB34
(53)
TB33 (52)(51)
(55)
(77)
(76)
(98)
(59)
(99)
(75)
WATER
VALVE (22)
(21)
LH HARVEST
SOLENOID
DUMP
SOLENOID
(81)
(80)
WATER
PUMP
LIQUID LINE
SOLENOID
TB30
TB30
(82)
(83)
HIGH PRES
CUTOUT
TB35 TB30
CRANKCASE HEATER (94)
TB30
CONTACTOR
CONTACTS
L1
(96)
(42)
COMPRESSOR
REMOTE
FAN MOTOR
RUN CAPACITOR
SEE SERIAL PLATE FOR VOLTAGE
CAUTION: DISCONNECT POWER BEFORE WORKING
ON ELECTRICAL CIRCUITRY.
DIAGRAM SHOWN DURING FREEZE CYCLE
REMOTE CONDENSER
L3 L2 L1
L2L3 TB35
T2
T3 T1
TERMINATES AT
PIN CONNECTION
(F1)
(F2)
(61)
(60)
(57)
(58)
1F
1C
4
1
3
5
FUSE (7A)
TRANS.
(56)
ICE THICKNESS PROBE
TB30
BIN SWITCH LIGHT
HARVEST LIGHT/
SAFETY LIMIT CODE LIGHT
LOW D.C.
VOLTAGE
PLUG
(74)
(73) TB30
CONTACTOR
COIL
(95)
N - 50H
Z
ONLY
NOTE: WIRE (96) IS NOT USED ON 50HZ
TB30
HPR
SOLENOID
(87)
(88)
CLEAN LIGHT
WATER LEVEL LIGHT
WATER LEVEL PROBE
2
(79)
(78)
RH HARVEST
SOLENOID
1G
AUCS DISPENSE TIME
(20)
SV1651

Electrical System Section 6
6-36 Part No. 80-1100-3
Q1300/Q1600/Q1800 - REMOTE - 3 PHASE WITHOUT TERMINAL BOARD
(55)(89)
(88)
(42)
(51)
(95) (94)
(96) (96)
NOTE: WIRE (96) IS NOT USED ON 50HZ
(77)
(76)
(98)
(59)
(99)
(75)
HPR
SOLENOID
(87)
(88)
(79)
(78)
RH HARVEST
SOLENOID
DUMP
SOLENOID
(81)
(80)
WATER
PUMP
LIQUID LINE
SOLENOID
(82)(83)
HIGH PRES
CUTOUT
CONTACTOR
CONTACTS
L1
COMPRESSOR
REMOTE
FAN MOTOR
RUN CAPACITOR
SEE SERIAL PLATE FOR VOLTAGE
CAUTION: DISCONNECT POWER BEFORE WORKING
ON ELECTRICAL CIRCUITRY.
DIAGRAM SHOWN DURING FREEZE CYCLE
REMOTE CONDENSER
L3 L2 L1
L2
L3
T2
T3 T1
(F1)
(F2)
(61)
(20)
(60)
(57)
(58)
1F
1C
4
2
1
5
FUSE (7A)
TRANS.
(56)
(74)
ICE THICKNESS PROBE
BIN SWITCH LIGHT
HARVEST LIGHT/
SAFETY LIMIT CODE LIGHT
LOW D.C.
VOLTAGE
PLUG
CONTACTOR
COIL
(64)
(63)
BIN SWITCH
(62)
(66)
(65)
(69)
(67) (68)
TOGGLE SWITCH
68
67
69
66
62
ICE
OFF
CLEAN
(62)
VIEW FOR WIRING
INTERNAL WORKING
VIEW
CLEAN LIGHT
WATER LEVEL LIGHT
WATER LEVEL PROBE
3
(22)
(21)
WATER
N - 50 H
Z
ONL
Y
VALVE
1G
NOT USED
LH HARVEST
SOLENOID
SV2077

Section 6 Electrical System
Part No. 80-1100-3 6-37
THIS PAGE INTENTIONALLY LEFT BLANK

Electrical System Section 6
6-38 Part No. 80-1100-3
Component Specifications and Diagnostics
MAIN FUSE
Function
The control board fuse stops ice machine operation if
electrical components fail causing high amp draw.
Specifications
The main fuse is 250 Volt, 7 amp.
Check Procedure
1. If the bin switch light is on with the water curtain
closed, the fuse is good.
2. Remove the fuse. Check the resistance across the
fuse with an ohm meter.
BIN SWITCH
Function
Movement of the water curtain controls bin switch
operation. The bin switch has two main functions:
1. Terminating the harvest cycle and returning the ice
machine to the freeze cycle.
This occurs when the bin switch is opened and
closed again within 7 seconds during the harvest
cycle.
2. Automatic ice machine shut-off.
If the storage bin is full at the end of a harvest cycle,
the sheet of cubes fails to clear the water curtain and
holds it open. After the water curtain is held open for
7 seconds, the ice machine shuts off. The ice
machine remains off until enough ice is removed
from the storage bin to allow the sheet of cubes to
drop clear of the water curtain. As the water curtain
swings back to the operating position, the bin switch
closes and the ice machine restarts, provide the
three-minute delay has expired.
Specifications
The bin switch is a magnetically operated reed switch.
The magnet is attached to the lower right corner of the
water curtain. The switch is attached to the evaporator-
mounting bracket.
The bin switch is connected to a varying D.C. voltage
circuit. (Voltage does not remain constant.)
NOTE: Because of a wide variation in D.C. voltage, it is
not recommended that a voltmeter be used to check bin
switch operation.
!
Warning
High (line) voltage is applied to the control board
(terminals #55 and #56) at all times. Removing the
control board fuse or moving the toggle switch to
OFF will not remove the power supplied to the
control board.
!
Warning
Disconnect electrical power to the entire ice
machine before proceeding.
Reading Result
Open (OL) Replace fuse
Closed (O) Fuse is good
Important
The water curtain must be ON (bin switch(s) closed)
to start ice making.

Section 6 Electrical System
Part No. 80-1100-3 6-39
Check Procedure
1. Set the toggle switch to OFF.
2. Watch the bin switch light on the control board.
3. Move the water curtain toward the evaporator. The
bin switch must close. The bin switch light “on”
indicates the bin switch has closed properly.
Move the water curtain away from the evaporator. The
bin switch must open. The bin switch light “off” indicates
the bin switch has opened properly.
OHM Test
1. Disconnect the bin switch wires to isolate the bin
switch from the control board.
2. Connect an ohmmeter to the disconnected bin
switch wires.
3. Cycle the bin switch open and closed numerous
times by opening and closing the water curtain.
NOTE: To prevent misdiagnosis:
• Always use the water curtain magnet to cycle the
switch (a larger or smaller magnet will affect switch
operation).
• Watch for consistent readings when the bin switch is
cycled open and closed (bin switch failure could be
erratic).
Water Curtain Removal Notes
The water curtain must be on (bin switch closed) to start
ice making. While a freeze cycle is in progress, the water
curtain can be removed and installed at any time without
interfering with the electrical control sequence.
If the ice machine goes into harvest sequence while the
water curtain is removed, one of the following will
happen:
• Water curtain remains off:
When the harvest cycle time reaches 3.5 minutes
and the bin switch is not closed, the ice machine
stops as though the bin were full.
• Water curtain is put back on:
If the bin switch closes prior to reaching the 3.5-
minute point, the ice machine immediately returns to
another freeze sequence prechill.

Electrical System Section 6
6-40 Part No. 80-1100-3
COMPRESSOR ELECTRICAL DIAGNOSTICS
The compressor will not start or will trip repeatedly on
overload.
Check Resistance (Ohm) Values
NOTE: Compressor windings can have very low ohm
values. Use a properly calibrated meter.
Perform the resistance test after the compressor cools.
The compressor dome should be cool enough to touch
(below 120°F/49°C) to assure that the overload is closed
and the resistance readings will be accurate.
SINGLE PHASE COMPRESSORS
1. Disconnect power from the cuber and remove the
wires from the compressor terminals.
2. The resistance values must be within published
guidelines for the compressor. The resistance
values between C and S and between C and R,
when added together, should equal the resistance
value between S and R.
3. If the overload is open, there will be a resistance
reading between S and R, and open readings
between C and S and between C and R. Allow the
compressor to cool, then check the readings again.
THREE PHASE COMPRESSORS
1. Disconnect power from the cuber and remove the
wires from the compressor terminals.
2. The resistance values must be within published
guidelines for the compressor. The resistance
values between L1 and L2, between L2 and L3, and
between L3 and L1 should all be equal.
3. If the overload is open, there will be open readings
between L1 and L2, between L2 and L3, and
between L3 and L1. Allow the compressor to cool,
then check the readings again.
Check Motor Windings to Ground
Check continuity between all three terminals and the
compressor shell or copper refrigeration line. Scrape
metal surface to get good contact. If continuity is
present, the compressor windings are grounded and the
compressor should be replaced.
Determine if the Compressor is Seized
Check the amp draw while the compressor is trying to
start.
COMPRESSOR DRAWING LOCKED ROTOR
The two likely causes of this are:
• Defective starting component
• Mechanically seized compressor
To determine which you have:
1. Install high and low side gauges.
2. Try to start the compressor.
3. Watch the pressures closely.
A. If the pressures do not move, the compressor is
seized. Replace the compressor.
B. If the pressures move, the compressor is turning
slowly and is not seized. Check the capacitors
and start relay.
COMPRESSOR DRAWING HIGH AMPS
The continuous amperage draw on start-up should not
be near the maximum fuse size indicated on the serial
tag.
The voltage when the compressor is trying to start must
be within ±10% of the nameplate voltage.
Diagnosing Capacitors
• If the compressor attempts to start, or hums and trips
the overload protector, check the starting
components before replacing the compressor.
• Visual evidence of capacitor failure can include a
bulged terminal end or a ruptured membrane. Do not
assume a capacitor is good if no visual evidence is
present.
• A good test is to install a known good substitute
capacitor.
• Use a capacitor tester when checking a suspect
capacitor. Clip the bleed resistor off the capacitor
terminals before testing.

Section 6 Electrical System
Part No. 80-1100-3 6-41
PTCR DIAGNOSTICS
What is a PTCR?
A PTCR (or Positive Temperature Coefficient Resistor) is
made from high-purity, semi-conducting ceramics.
A PTCR is useful because of its resistance versus
temperature characteristic. The PTCR has a low
resistance over a wide (low) temperature range, but
upon reaching a certain higher temperature, its
resistance greatly increases, virtually stopping current
flow. When the source of heat is removed, the PTCR
returns to its initial base resistance.
In severe duty cycles, it can be used to repeatedly
switch (virtually stop) large currents at line voltages.
PTCR’s have been used for many years in millions of
HVAC applications. In place of using the conventional
start relay/start capacitor, a simple PTCR provides the
starting torque assistance to PSC (Permanent Split
Capacitor) single-phase compressors, which can
equalize pressures before starting.
Compressor Start Sequence
PTCR’s provide additional starting torque by increasing
the current in the auxiliary (start) winding during starting.
The PTCR is wired across the run capacitor (in series
with the start winding).
1. It is important for the refrigerant discharge and
suction pressures to be somewhat equalized prior to
the compressor starting. To assure equalization of
pressures the harvest valve (and HPR valve on
remotes) will energize for 45 seconds prior to
compressor starting. The harvest valve (and HPR
valve on remotes) remains on for an additional 5
seconds while the compressor is starting.
2. When starting the compressor, the contactor closes
and the PTCR, which is at a low resistance value,
allows high starting current to flow in the start
winding.
3. The current passing through the PTCR causes it to
rapidly heat up, and after approximately .25-1
second it abruptly “switches” to a very high
resistance, virtually stopping current flow through it.
4. At this point the motor is up to speed and all current
going through the start winding will now pass
through the run capacitor.
5. The PTCR remains hot and at a high resistance as
long as voltage remains on the circuit.
6. It is important to provide time between compressor
restarts to allow the PTCR to cool down to near its
initial temperature (low resistance). When the
contactor opens to stop the compressor, the PTCR
cools down to its initial low resistance and is again
ready to provide starting torque assistance. To
assure the PTCR has cooled down, during an
automatic shut-off, the Q model ice machines have a
built-in 3-minute off time before it can restart.

Electrical System Section 6
6-42 Part No. 80-1100-3
Q-Model Automatic Shut-Off and Restart
When the storage bin is full at the end of a harvest cycle,
the sheet of cubes fails to clear the water curtain and will
hold it open. After the water curtain is held open for 7
seconds, the ice machine shuts off. To assure the PTCR
has cooled, the ice machine remains off for 3 minutes
before it can automatically restart.
The ice machine remains off until enough ice has been
removed from the storage bin to allow the ice to fall clear
of the water curtain. As the water curtain swings back to
operating position, the bin switch closes and the ice
machine restarts, provided the three-minute delay period
is complete.
Figure 6-15. During Start-Up (First .25 - 1.0 Seconds)
Figure 6-16. After Start-Up
(Current Flows Through Run Capacitor)
Troubleshooting PTCR’s
WHY A GOOD PTCR MAY FAIL
TO START THE COMPRESSOR
The PTCR must be cooled before attempting to start the
compressor, otherwise the high starting torque may not
last long enough.
For example, if the PTCR is properly cooled, say 60°F
(15.6°C) when the compressor starts, it will take .25 to
1.0 seconds before its temperature reaches 260°F
(126.6°C), and current flow is stopped.
If the PTCR is still warm, say 160°F (71.1°C) when the
compressor starts, it will take only .125 to .50 seconds
before its temperature reaches 260°F (126.6°C), and
current flow is stopped. This decreased time may be
insufficient to start the compressor.
A good PTCR may be too hot to operate properly at
start-up because:
• The ice machine’s 3-minute delay has been
overridden. Opening and closing the service
disconnect or cycling the toggle switch from OFF to
ICE will override the delay period.
• The control box temperature is too high. Though
rare, very high air temperatures (intense sunlight,
etc.) can greatly increase the temperature of the
control box and its contents. This may require a
longer off time to allow the PTCR to cool.
• The compressor has short-cycled, or the compressor
overload has opened. Move the toggle switch to OFF
and allow the compressor and PTCR to cool.
Continued on next page …
SV1506
L1 L2
CONTACTOR
CONTACTS RUN CAPACITOR
RR
PTCR
COMPRESSOR
C
S
R
SV1507
L1 L2
CONTACTOR
CONTACTS RUN CAPACITOR
RR
PTCR
COMPRESSOR
C
S
R

Section 6 Electrical System
Part No. 80-1100-3 6-43
There are other problems that may cause compressor
start-up failure with a good PTCR in a new, properly
wired ice machine.
• The voltage at the compressor during start-up is too
low.
Manitowoc ice machines are rated at ±10% of
nameplate voltage at compressor start-up. (Ex: An
ice machine rated at 208-230 should have a
compressor start-up voltage between 187 and 253
volts.)
• The compressor discharge and suction pressures
are not matched closely enough or equalized.
These two pressures must be somewhat equalized
before attempting to start the compressor. The
harvest valve (and HPR valve on remotes) energizes
for 45 seconds before the compressor starts, and
remains on 5 seconds after the compressor starts.
Make sure this is occurring and the harvest valve
(and HPR solenoid) coil is functional before
assuming that the PTCR is bad.
CHECKING THE PTCR
1. Visually inspect the PTCR. Check for signs of
physical damage.
NOTE: The PTCR case temperature may reach 210°F
(100°C) while the compressor is running. This is normal.
Do not change a PTCR just because it is hot.
2. Wait at least 10 minutes for the PTCR to cool to
room temperature.
3. Remove the PTCR from the ice machine.
4. Measure the resistance of the PTCR as shown
below. If the resistance falls outside of the
acceptable range, replace it.
Figure 6-17. Manitowoc PTCR’s 8505003 & 8504993
Figure 6-18. Manitowoc PTCR 8504913
!
Warning
Disconnect electrical power to the entire ice
machine at the building electrical disconnect box
before proceeding.
Model Manitowoc
Part Number Cera-Mite
Part Number
Room
Temperature
Resistance
Q200
Q280
Q320
Q420
Q450
8505003 305C20 22-50 Ohms
Q600
Q800
Q1000
8504993 305C19 18-40 Ohms
Q1300
Q1600
Q1800
8504913 305C9 8-22 Ohms
SV1540
SV1541

Electrical System Section 6
6-44 Part No. 80-1100-3
ICE/OFF/CLEAN TOGGLE SWITCH
Function
The switch is used to place the ice machine in ICE, OFF
or CLEAN mode of operation.
Specifications
Double-pole, double-throw switch. The switch is
connected into a varying low D.C. voltage circuit.
Check Procedure
NOTE: Because of a wide variation in D.C. voltage, it is
not recommended that a volt meter be used to check
toggle switch operation.
1. Inspect the toggle switch for correct wiring.
2. Isolate the toggle switch by disconnecting all wires
from the switch, or by disconnecting the Molex
connector and removing wire #69 from the toggle
switch.
3. Check across the toggle switch terminals using a
calibrated ohm meter. Note where the wire numbers
are connected to the switch terminals, or refer to the
wiring diagram to take proper readings.
4. Replace the toggle switch if ohm readings do not
match all three switch settings.
CONTROL BOARD RELAYS
Function
The control board relays energize and de-energize
system components.
Specifications
Relays are not field replaceable. There are five relays on
the control board:
Switch Setting Terminals Ohm Reading
ICE
66-62 Open
67-68 Closed
67-69 Open
CLEAN
66-62 Closed
67-68 Open
67-69 Closed
OFF
66-62 Open
67-68 Open
67-69 Open
Relay Controls
#1 Water Pump
#2 Water Inlet Valve
#3 Harvest Valve / HPR Valve (Remotes)
#4 Water Dump Valve
#5 Contactor (Self-Contained)
Contactor / Liquid Line Solenoid (Remotes)

Section 6 Electrical System
Part No. 80-1100-3 6-45
ELECTRONIC CONTROL BOARD
Figure 6-19. Control Board
SV1588
AC LINE VOLTAGE
ELECTRICAL
PLUG (NUMBERS
MARKED ON
WIRES)
MAIN FUSE (7A)
AUTOMATIC
CLEANING
SYSTEM (AuCS)
ACCESSORY PLUG
ICE THICKNESS
PROBE (3/16''
CONNECTION)
WATER LEVEL
PROBE
JUMPER USED
ON Q1300/Q1600/
Q1800 ONLY
DC LOW VOLTAGE
ELECTRICAL PLUG
(NUMBERS
MARKED ON
WIRES)
CLEAN LIGHT
YELLOW
WATER LEVEL
PROBE LIGHT
GREEN
BIN SWITCH
LIGHT GREEN
HARVEST LIGHT/
SAFETY LIMIT
CODE LIGHT
RED
1C
1F
1G
67
62
63
68
65

Electrical System Section 6
6-46 Part No. 80-1100-3
General
Q-Model control boards use a dual voltage transformer.
This means only one control board is needed for both
115V and 208-230V use.
Safety Limits
In addition to standard safety controls, such as the high
pressure cut-out, the control board has built-in safety
limits.
These safety limits protect the ice machine from major
component failures. For more information, see “Safety
Limits” on Page 7-13.
Inputs
The control board, along with inputs, controls all
electrical components, including the ice machine
sequence of operation. Prior to diagnosing, you must
understand how the inputs affect the control board
operation.
Refer to specific component specifications (inputs),
wiring diagrams and ice machine sequence of operation
sections for details.
As an example, refer to “Ice Thickness Probe” on the
next page for information relating to how the probe and
control board function together.
This section will include items such as:
• How a harvest cycle is initiated
• How the harvest light functions with the probe
• Freeze time lock-in feature
• Maximum freeze time
• Diagnosing ice thickness control circuitry

Section 6 Electrical System
Part No. 80-1100-3 6-47
Ice Thickness Probe (Harvest Initiation)
HOW THE PROBE WORKS
Manitowoc’s electronic sensing circuit does not rely on
refrigerant pressure, evaporator temperature, water
levels or timers to produce consistent ice formation.
As ice forms on the evaporator, water (not ice) contacts
the ice thickness probe. After the water completes this
circuit across the probe continuously for 6-10 seconds, a
harvest cycle is initiated.
Figure 6-20. Ice Thickness Probe
HARVEST/SAFETY LIMIT LIGHT
This light’s primary function is to be on as water contacts
the ice thickness probe during the freeze cycle, and
remain on throughout the entire harvest cycle. The light
will flicker as water splashes on the probes.
The light’s secondary function is to continuously flash
when the ice machine is shut off on a safety limit, and to
indicate which safety limit shut off the ice machine.
FREEZE TIME LOCK-IN FEATURE
The ice machine control system incorporates a freeze
time lock-in feature. This prevents the ice machine from
short cycling in and out of harvest.
The control board locks the ice machine in the freeze
cycle for six minutes. If water contacts the ice thickness
probe during these six minutes, the harvest light will
come on (to indicate that water is in contact with the
probe), but the ice machine will stay in the freeze cycle.
After the six minutes are up, a harvest cycle is initiated.
This is important to remember when performing
diagnostic procedures on the ice thickness control
circuitry.
To allow the service technician to initiate a harvest cycle
without delay, this feature is not used on the first cycle
after moving the toggle switch OFF and back to ICE.
MAXIMUM FREEZE TIME
The control system includes a built-in safety which will
automatically cycle the ice machine into harvest after 60
minutes in the freeze cycle.
ICE THICKNESS CHECK
The ice thickness probe is factory-set to maintain the ice
bridge thickness at 1/8" (3.2 mm).
NOTE: Make sure the water curtain is in place when
performing this check. It prevents water from splashing
out of the water trough.
1. Inspect the bridge connecting the cubes. It should
be about 1/8" (3.2 mm) thick.
2. If adjustment is necessary, turn the ice thickness
probe adjustment screw clockwise to increase
bridge thickness, or counterclockwise to decrease
bridge thickness.
NOTE: Turning the adjustment 1/3 of a turn will change
the ice thickness about 1/16" (1.5 mm).
Figure 6-21. Ice Thickness Check
Make sure the ice thickness probe wire and the bracket
do not restrict movement of the probe.
Ice Thickness Probe Cleaning
1. Mix a solution of Manitowoc ice machine cleaner
and water (2 ounces of cleaner to 16 ounces of
water) in a container.
2. Soak ice thickness probe in container of cleaner/
water solution while disassembling and cleaning
water circuit components (soak ice thickness probe
for 10 minutes or longer).
3. Clean all ice thickness probe surfaces including all
plastic parts (do not use abrasives). Verify the ice
thickness probe cavity is clean. Thoroughly rinse ice
thickness probe (including cavity) with clean water,
then dry completely. Incomplete rinsing and
drying of the ice thickness probe can cause
premature harvest.
4. Reinstall ice thickness probe, then sanitize all ice
machine and bin/dispenser interior surfaces.
SV1730A
SV1208
ADJUSTING SCREW
1/8” ICE BRIDGE THICKNESS

Electrical System Section 6
6-48 Part No. 80-1100-3
DIAGNOSING ICE THICKNESS CONTROL CIRCUITRY
Ice Machine Does Not Cycle Into Harvest When Water Contacts The Ice Thickness Control Probe
Step 1 Bypass the freeze time lock-in feature by moving the ICE/OFF/CLEAN switch to OFF and back to ICE. Wait
until the water starts to flow over the evaporator.
Step 2 Clip the jumper wire leads to the ice thickness probe and any cabinet ground.
Figure 6-22. Step 2
Step 3 Disconnect the ice thickness probe from the control board at terminal 1C. Clip the jumper wire leads to
terminal 1C on the control board and any cabinet ground. Monitor the harvest light.
Figure 6-23. Step 3
Step 2 Jumper wire connected from probe to ground
Monitoring of Harvest Light Correction
The harvest light comes on, and 6-10 seconds later, ice
machine cycles from freeze to harvest. The ice thickness control circuitry is functioning properly. Do
not change any parts.
The harvest light comes on but the ice machine stays in the
freeze sequence. The ice thickness control circuitry is functioning properly. The
ice machine is in a six-minute freeze time lock-in. Verify step 1
of this procedure was followed correctly.
The harvest light does not come on. Proceed to Step 3, below.
Step 3 Jumper wire connected from control board terminal 1C to ground
Monitoring of Harvest Light Correction
The harvest light comes on, and 6-10 seconds later, ice
machine cycles from freeze to harvest. The ice thickness probe is causing the malfunction.
The harvest light comes on but the ice machine stays in the
freeze sequence. The control circuitry is functioning properly. The ice machine is
in a six-minute freeze time lock-in (verify step 1 of this
procedure was followed correctly).
The harvest light does not come on. The control board is causing the malfunction.
SV1588ASV3010
EVAPORATOR
ICE THICKNESS PROBE
GROUND
JUMPER WIRE
CLEAN LIGHT
WATER LEVEL LIGHT
BIN SWITCH LIGHT
HARVEST/SAFETY LIMIT LIGHT
SV3011 SV1588G
GROUND
JUMPER WIRE
1C
EVAPORATOR
ICE THICKNESS PROBE CLEAN LIGHT
WATER LEVEL LIGHT
BIN SWITCH LIGHT
HARVEST/SAFETY LIMIT LIGHT

Section 6 Electrical System
Part No. 80-1100-3 6-49
Ice Machine Cycles Into Harvest Before Water Contact With The Ice Thickness Probe
Step 1 Bypass the freeze time lock-in feature by moving the ICE/OFF/CLEAN switch to OFF and back to ICE. Wait
until the water starts to flow over the evaporator, then monitor the harvest light.
Step 2 Disconnect the ice thickness probe from the control board at terminal 1C.
Figure 6-24. Step 2
Step 2 Disconnect probe from control board terminal 1C.
Monitoring of Harvest Light Correction
The harvest light stays off and the ice machine remains in the
freeze sequence. The ice thickness probe is causing the malfunction.
Verify that the Ice Thickness probe is adjusted correctly.
The harvest light comes on, and 6-10 seconds later, the ice
machine cycles from freeze to harvest. The control board is causing the malfunction.
SV1588SV3011
ICE THICKNESS PROBE CLEAN LIGHT
WATER LEVEL LIGHT
BIN SWITCH LIGHT
HARVEST/SAFETY LIMIT LIGHT

Electrical System Section 6
6-50 Part No. 80-1100-3
Water Level Control Circuitry
WATER LEVEL PROBE LIGHT
The water level probe circuit can be monitored by
watching the water level light. The water level light is on
when water contacts the probe, and off when no water is
in contact with the probe. The water level light functions
any time power is applied to the ice machine, regardless
of toggle switch position.
Figure 6-25. Freeze Cycle Water Level Setting
During the freeze cycle, the water level probe is set to
maintain the proper water level above the water pump
housing. The water level is not adjustable. If the water
level is incorrect, check the water level probe for
damage (probe bent, etc.). Repair or replace the probe
as necessary.
WATER INLET VALVE SAFETY SHUT-OFF
In the event of a water level probe failure, this feature
limits the water inlet valve to a six-minute on time.
Regardless of the water level probe input, the control
board automatically shuts off the water inlet valve if it
remains on for 6 continuous minutes. This is important to
remember when performing diagnostic procedures on
the water level control circuitry.
FREEZE CYCLE CIRCUITRY
Manitowoc’s electronic sensing circuit does not rely on
float switches or timers to maintain consistent water
level control. During the freeze cycle, the water inlet
valve energizes (turns on) and de-energizes (turns off) in
conjunction with the water level probe located in the
water trough.
During the first 45 seconds of the Freeze Cycle:
• The water inlet valve is on when there is no water in
contact with the water level probe.
• The water inlet valve turns off after water contacts
the water level probe for 3 continuous seconds.
• The water inlet valve will cycle on and off as many
times as needed to fill the water trough.
After 45 seconds into the Freeze Cycle:
The water inlet valve will cycle on, and then off one more
time to refill the water trough. The water inlet valve is
now off for the duration of the freeze sequence.
HARVEST CYCLE CIRCUITRY
The water level probe does not control the water inlet
valve during the harvest cycle. During the harvest cycle
water purge, the water inlet valve energizes (turns on)
and de-energizes (turns off) strictly by time. The harvest
water purge adjustment dial may be set at 15, 30 or 45
seconds.
NOTE: The water purge must be at the factory setting
of 45 seconds for the water inlet valve to energize during
the last 15 seconds of the Water Purge. If set at 15 or 30
seconds the water inlet valve will not energize during the
harvest water purge.
SV1616
15
30 45
SV1617
CONTROL BOARD
HARVEST
WATER PURGE
ADJUSTMENT

Section 6 Electrical System
Part No. 80-1100-3 6-51
DIAGNOSING FREEZE CYCLE POTABLE WATER
LEVEL CONTROL CIRCUITRY
Problem: Water Trough Overfilling During The
Freeze Cycle
Step 1 Start a new freeze sequence by moving the ICE/
OFF/CLEAN toggle switch to OFF, then back to ICE.
Step 2 Wait until the freeze cycle starts
(approximately 45 seconds, the freeze cycle starts when
the compressor energizes) then connect a jumper from
the water level probe to any cabinet ground.
Figure 6-26. Step 2
Continued on next page …
Important
This restart must be done prior to performing
diagnostic procedures. This assures the ice
machine is not in a freeze cycle water inlet valve
safety shut-off mode. You must complete the entire
diagnostic procedure within 6 minutes of starting.
Important
For the test to work properly you must wait until the
freeze cycle starts, prior to connecting the jumper
wire. If you restart the test you must disconnect the
jumper wire, restart the ice machine, (step 1) and
then reinstall the jumper wire after the compressor
starts.
Step 2 Jumper wire connected from probe to ground
Is water flowing into the
water trough? The Water Level Light is: The Water Inlet Valve
Solenoid Coil is: Cause
no on De-Energized This is normal operation.
Do not change any parts.
yes on De-Energized The water inlet valve is
causing the problem.
yes off Energized Proceed to step 3.
SV1621a
CLEAN LIGHT
WATER LEVEL LIGHT
BIN SWITCH LIGHT
HARVEST/SAFETY LIMIT LIGHT
1C
1F
YELLOW
GR EEN
GR EEN
RED
JUMP ER
GR OUND

Electrical System Section 6
6-52 Part No. 80-1100-3
Problem: Water Trough Overfilling During The
Freeze Cycle (continued)
Step 3 Allow ice machine to run. Disconnect the water
level probe from control board terminal 1F, and connect
a jumper wire from terminal 1F to any cabinet ground.
1
Remember if you are past 6 minutes from starting, the
ice machine will go into a freeze cycle water inlet valve
safety shut-off mode, and you will be unable to complete
this test. If past 6 minutes you must restart this test by
disconnecting the jumper wire, restarting the ice
machine, (step 1) and then reinstalling the jumper wire to
terminal 1F, after the compressor starts.
Figure 6-27. Step 3
Step 3 Jumper wire connected from control board terminal 1F to ground
Is water flowing into
the water trough? The Water Level
Light is: The Water Inlet Valve
Solenoid Coil is: Cause
no on De-Energized The water level probe is causing the problem.
Clean or replace the water level probe.
yes off Energized The control board is causing the problem.
yes on De-Energized The water fill valve is causing the problem.
SV1588b
CLEAN LIGHT
WATER LEVEL LIGHT
BIN SWITCH LIGHT
HARVEST/SAFETY LIMIT LIGHT
1C
1F
YELLOW
GREEN
GREEN
RED
JUMPER
GROUND

Section 6 Electrical System
Part No. 80-1100-3 6-53
Problem: Water Will Not Run Into The Sump Trough
During The Freeze Cycle
Step 1 Verify water is supplied to the ice machine, and
then start a new freeze sequence by moving the ICE/
OFF/CLEAN toggle switch to OFF then back to ICE.
Step 2 Wait until the freeze cycle starts (approximately
45 seconds, the freeze cycle starts when the
compressor energizes), and then refer to chart.
Step 3 Leave the ice machine run, then disconnect the
water level probe from control board terminal 1F.
Figure 6-28. Step 3
Important
This restart must be done prior to performing
diagnostic procedures. This assures the ice machine
is not in a freeze cycle water inlet valve safety shut-
off mode. You must complete the entire diagnostic
procedure within 6 minutes of starting.
Step 2 Checking for normal operation
Is water flowing into
the water trough? The Water Level
Light is: The Water Inlet Valve
Solenoid Coil is: Cause
yes off Energized This is Normal Operation don’t change any parts
no on or off Energized Or De-Energized Proceed to step 3
Important
For the test to work properly you must wait until the
freeze cycle starts, prior to disconnecting the water
level probe. If you restart the test you must
reconnect the water level probe, restart the ice
machine, (step 1) and then disconnect the water
level probe after the compressor starts.
Step 3 Disconnect water level probe from control board terminal 1F
Is water flowing into
the water trough? The Water Level
Light is: The Water Inlet Valve
Solenoid Coil is: Cause
yes off Energized The water level probe is causing the problem.
Clean or replace the water level probe.
no off Energized The water inlet valve is causing the problem.
no on or off De-Energized The control board is causing the problem.
1C
1F
YELLOW
GREEN
GREEN
RED
SV1621G SV1588
CLEAN LIGHT
WATER LEVEL LIGHT
BIN SWITCH LIGHT
HARVEST/SAFETY LIMIT
LIGHT
DISCONNECT
WATER LEVEL
PROBE FROM
TERMINAL 1F

Electrical System Section 6
6-54 Part No. 80-1100-3
Diagnosing An Ice Machine That Will Not Run
NOTE: Refer to wiring diagram on Page 6-55 for component and sequence identification.
!
Warning
High (line) voltage is applied to the control board
(terminals #55 and #56) at all times. Removing
control board fuse or moving the toggle switch to
OFF will not remove the power supplied to the
control board.
Step Check Notes
1Verify primary voltage supply to ice
machine. Verify that the fuse or circuit breaker is closed.
2Verify the high-pressure cutout is closed. The H.P.C.O. is closed if primary power voltage is present at terminals
#55 and #56 on the control board.
3Verify control board fuse is OK. If the bin switch light functions, the fuse is OK.
4Verify the bin switch functions properly. A defective bin switch can falsely indicate a full bin of ice.
5Verify ICE/OFF/CLEAN toggle switch
functions properly. A defective toggle switch may keep the ice machine in the OFF mode.
6Verify low DC voltage is properly
grounded. Loose DC wire connections may intermittently stop the ice machine.
7Replace the control board. Be sure Steps 1-6 were followed thoroughly. Intermittent problems are
not usually related to the control board.

Section 6 Electrical System
Part No. 80-1100-3 6-55
Q0420/Q0450/Q0600/Q0800/Q1000 - SELF CONTAINED -
1 PHASE WITH TERMINAL BOARD
RR
C
S
R
TB31
TB37
TB32
T
B35
L1
TB34
*OVERLOAD
(53)
TB33 (52)
(51)
(48) (45)
(46) (50)
(49)
(47)
(55) (61)
(21)
(76)
(60)
(98)
(57)
(74)
(58)
(59)
(73)
(99)
(85) (86)
1F
1C
4
1
3
5
FUSE (7A)
TRANS.
(56)
ICE THICKNESS PROBE
(75)
HARVEST
SOLENOID
DUMP
SOLENOID
(81)
(22)
WATER
PUMP
TB30
TB30
TB30
TB30
CONTACTOR
COIL
HIGH PRES
CUTOUT
BIN SWITCH LIGHT
HARVEST LIGHT/
SAFETY LIMIT CODE LIGHT
LOW D.C.
VOLTAGE
PLUG
TB35
TB3
0
CONTACTOR
CONTACTS
L1
(42)
COMPRESSOR RUN CAPACITOR
FAN CYCLE CONTROL
FAN MOTOR
(AIR COOLED ONLY)
RUN CAPACITOR**
L2 (N)
SEE SERIAL PLATE FOR VOLTAGE
CAUTION: DISCONNECT POWER BEFORE WORKING
ON ELECTRICAL CIRCUITRY.
DIAGRAM SHOWN DURING FREEZE CYCLE
TERMINATES AT
PIN CONNECTION
PTCR
TB3
0
(64)
(63)
BIN SWITCH
(62)
(66)
(65)
(69)
(67) (68)
TOGGLE SWITCH
68
67
69
66
62
ICE
OFF
CLEAN
(66)
(62)
VIEW FOR WIRING
INTERNAL WORKING
VIEW
CLEAN LIGHT
WATER LEVEL LIGHT
WATER LEVEL PROBE
(77)
(80)
WATER
VALVE
2
1G
NOT USED
(20)
SV2071
2
1
3
4
5
6

Electrical System Section 6
6-56 Part No. 80-1100-3
THIS PAGE INTENTIONALLY LEFT BLANK

Part No. 80-1100-3 7-1
Section 7
Refrigeration System
Sequence of Operation
SELF-CONTAINED AIR OR WATER -COOLED MODELS
Figure 7-1. Self-Contained Prechill and Freeze Cycle
(Models Q200/Q280/Q320/Q370/Q420/Q450/Q600/Q800/Q1000)
Prechill Refrigeration Sequence
No water flows over the evaporator during the prechill.
The refrigerant absorbs heat (picked up during the
harvest cycle) from the evaporator. The suction pressure
decreases during the prechill.
Freeze Cycle Refrigeration Sequence
The refrigerant absorbs heat from water running over the
evaporator surface. The suction pressure gradually
drops as ice forms.
HEAT
EXCHANGER
EVAPORATOR
CONDENSER
COMPRESSOR
EXPANSION VALVE
HARVEST SOLENOID VALVE
AIR OR WATER
DRIER
STRAINER
RECEIVER
(WATER COOLED ONLY)
LOW PRESSURE VAPORLOW PRESSURE LIQUIDHIGH PRESSURE LIQUID
H
IGH PRESSURE VAPOR
X
SV1569

Refrigeration System Section 7
7-2 Part No. 80-1100-3
Figure 7-2. Self-Contained Harvest Cycle (Models Q200/Q280/Q320/Q370/Q420/Q450/Q600/Q800/Q1000)
Harvest Cycle Refrigeration Sequence
Hot gas flows through the energized harvest valve,
heating the evaporator. The harvest valve is sized to
allow the proper amount of refrigerant into the
evaporator. This specific sizing (along with the proper
system refrigerant charge) assures proper heat transfer,
without the refrigerant condensing and slugging the
compressor.
HEAT
EXCHANGER
EVAPORATOR
CONDENSER
COMPRESSOR
EXPANSION VALVE
HARVEST SOLENOID VALVE
AIR OR WATER
DRIER
STRAINER
RECEIVER
(WATER COOLED ONLY)
LOW PRESSURE VAPORLOW PRESSURE LIQUIDHIGH PRESSURE LIQUIDHIGH PRESSURE VAPOR
SV1570

Section 7 Refrigeration System
Part No. 80-1100-3 7-3
REMOTE MODELS
Figure 7-3. Remote Pre-Chill and Freeze Cycle (Models Q450/Q600/Q800/Q1000)
Prechill Refrigeration Sequence
No water flows over the evaporator during the prechill.
The refrigerant absorbs heat (picked up during the
harvest cycle) from the evaporators. The suction
pressure decreases during the prechill.
Freeze Cycle Refrigeration Sequence
The refrigerant absorbs heat from the water running over
the evaporator surface. The suction pressure gradually
drops as ice forms.
The headmaster control valve maintains discharge
pressure in ambient temperatures below 70°F (21.1°C).
(See “Headmaster Control Valve” on Page 7-30.)
X
X
HEAT
EXCHANGER
EVAPORATOR
SOLENOID
LINE
LIQUID
CHECK VALVE
SERVICE
RECEIVER
CONDENSER
REMOTE
COMPRESSOR
RECEIVER
EXPANSION VALVE
HARVEST SOLENOID VALVE
VALVE
HARVEST PRESSURE
REGULATING VALVE
H.P.R. SOLENOID
VALVE
VALVE
CHECK VALVE
DRIER
STRAINER
HEAD
PRESSURE
CONTROL
VALVE
B
R
C
HIGH PRESSURE VAPOR HIGH PRESSURE LIQUID LOW PRESSURE LIQUID LOW PRESSURE VAPOR
SV1566

Refrigeration System Section 7
7-4 Part No. 80-1100-3
Figure 7-4. Remote Harvest Cycle (Models Q450/Q600/Q800/Q1000)
Harvest Cycle Refrigeration Sequence
Hot gas flows through the energized harvest valve,
heating the evaporator. The harvest valve is sized to
allow the proper amount of hot gas into the evaporator.
This specific harvest valve sizing, along with the harvest
pressure regulating (H.P.R.) system, assures proper
heat transfer, without the hot gas condensing to liquid
and slugging the compressor.
The harvest pressure regulating (H.P.R.) valve helps
maintain the suction pressure during the harvest cycle.
(See “H.P.R. System” on Page 7-27.)
HEAT
EXCHANGER
EVAPORATOR
SOLENOID
LINE
LIQUID
CHECK VALVE
SERVICE
RECEIVER
CONDENSER
REMOTE
COMPRESSOR
RECEIVER
EXPANSION VALVE
HARVEST SOLENOID VALVE
VALVE
HARVEST PRESSURE
REGULATING VALVE
H.P.R. SOLENOID
VALVE
VALVE
CHECK VALVE
DRIER
STRAINER
HEAD
PRESSURE
CONTROL
VALVE
B
R
C
HIGH PRESSURE VAPOR HIGH PRESSURE LIQUID LOW PRESSURE LIQUID LOW PRESSURE VAPOR
SV1567

Section 7 Refrigeration System
Part No. 80-1100-3 7-5
Figure 7-5. Remote Automatic Shut-Off (Models Q450/Q600/Q800/Q1000)
Automatic Shut-Off
The compressor and liquid line solenoid valve are de-
energized simultaneously when the contactor contacts
open.
During the off cycle, the check valve prevents refrigerant
from migrating back into the high side, and the liquid line
solenoid prevents refrigerant from migrating back into
the low side. This protects the compressor from
refrigerant migration during the off cycle, preventing
refrigerant slugging upon start-up.
X
X
X
HEAT
EXCHANGER
EVAPORATOR
SOLENOID
LINE
LIQUID
CHECK VALVE
SERVICE
RECEIVER
CONDENSER
REMOTE
COMPRESSOR
RECEIVER
EXPANSION VALVE
HARVEST SOLENOID VALVE
VALVE
HARVEST PRESSURE
REGULATING VALVE
H.P.R. SOLENOID
VALVE
VALVE
CHECK VALVE
DRIER
STRAINER
HEAD
PRESSURE
CONTROL
VALVE
B
R
C
LIQUID/VAPOR EQUALIZED TO AMBIENT CONDITIONS
SV1568

Refrigeration System Section 7
7-6 Part No. 80-1100-3
Q1300/Q1600/Q1800 REFRIGERATION TUBING SCHEMATICS
Figure 7-6. Q1300/Q1600/Q1800 Self-Contained Air- or Water-Cooled Models
NOTE: The refrigeration sequence for self-contained
dual expansion valve ice machines is identical to self-
contained single expansion valve ice machines. See
Pages 7-1 and 7-2 for sequence of operation.
x
x
HARVEST
SOLENOID VALVE
AIR OR WATER COOLED
CONDENSER
COMPRESSOR
HEAT
EXCHANGE
RECEIVER
DRIER
STRAINER
EXPANSION VALVE
EXPANSION VALVE
EVAPORATOR
HARVEST
SOLENOID VALVE
SV1512

Section 7 Refrigeration System
Part No. 80-1100-3 7-7
Figure 7-7. Q1300/Q1600/Q1800 Remote Models
NOTE: The refrigeration sequence for remote dual
expansion valve ice machines is identical to remote
single expansion valve ice machines. See Pages 7-3,
7-4 and 7-5 for sequence of operation.
X
X
x
x
COMPRESSOR
HEAT
EXCHANGE
DRIER
B
CHECK VALVE
RECEIVER
C
R
HEAD
PRESSURE
CONTROL
VALVE
H.P.R. SOLENOID
REGULATING VALVE
HARVEST PRESSURE
REMOTE
CONDENSER
CHECK VALVE
VALVE
VALVE
RECEIVER
SERVICE
SOLENOID
LINE
LIQUID
VALVE
EXPANSION VALVE
EVAPORATOR
EXPANSION VALVE
STRAINER
HARVEST
SOLENOID VALVE
SOLENOID VALVE
HARVEST
SV1513

Refrigeration System Section 7
7-8 Part No. 80-1100-3
Operational Analysis (Diagnostics)
GENERAL
When analyzing the refrigeration system, it is important
to understand that different refrigeration component
malfunctions may cause very similar symptoms.
Also, many external factors can make good refrigeration
components appear bad. These factors can include
improper installation, or water system malfunctions such
as hot incoming water supply or water loss.
The following two examples illustrate how similar
symptoms can result in a misdiagnosis.
1. An expansion valve bulb that is not securely
fastened to the suction line and/or not insulated will
cause a good expansion valve to flood. If a service
technician fails to check for proper expansion valve
bulb mounting, he may replace the expansion valve
in error.
The ice machine now functions normally. The
technician erroneously thinks that the problem was
properly diagnosed and corrected by replacing the
expansion valve. Actually, the problem (loose bulb)
was corrected when the technician properly
mounted the bulb of the replacement expansion
valve.
The service technician’s failure to check the
expansion valve bulb for proper mounting (an
external check) resulted in a misdiagnosis and the
needless replacement of a good expansion valve.
2. An ice machine that is low on charge may cause a
good expansion valve to starve. If a service
technician fails to verify the system charge, he may
replace the expansion valve in error.
During the replacement procedure, recovery,
evacuation and recharging are performed correctly.
The ice machine now functions normally. The
technician erroneously thinks that the problem was
properly diagnosed and corrected by replacing the
expansion valve.
The service technician’s failure to check the ice
machine for a low charge condition resulted in a
misdiagnosis and the needless replacement of a
good expansion valve.
When analyzing the refrigeration system, use the
Refrigeration System Operational Analysis Table. This
table, along with detailed checklists and references, will
help prevent replacing good refrigeration components
due to external problems.

Section 7 Refrigeration System
Part No. 80-1100-3 7-9
BEFORE BEGINNING SERVICE
Ice machines may experience operational problems only
during certain times of the day or night. A machine may
function properly while it is being serviced, but
malfunctions later. Information provided by the user can
help the technician start in the right direction, and may
be a determining factor in the final diagnosis.
Ask these questions before beginning service:
• When does the ice machine malfunction? (night, day,
all the time, only during the freeze cycle, etc.)
• When do you notice low ice production? (one day a
week, every day, on weekends, etc.)
• Can you describe exactly what the ice machine
seems to be doing?
• Has anyone been working on the ice machine?
• Is anything (such as boxes) usually stored near or on
the ice machine which could obstruct airflow around
the machine?
• During “store shutdown,” is the circuit breaker, water
supply or air temperature altered?
• Is there any reason why incoming water pressure
might rise or drop substantially?
ICE PRODUCTION CHECK
The amount of ice a machine produces directly relates to
the operating water and air temperatures. This means
an ice machine in a 70°F (21.1°C) room with 50°F
(10.0°C) water produces more ice than the same model
ice machine in a 90°F (32.2°C) room with 70°F (21.1°C)
water.
1. Determine the ice machine operating conditions:
Air temp. entering condenser: _______ °
Air temp. around ice machine: _______ °
Water temp. entering sump trough: _______ °
2. Refer to the appropriate 24 Hour Ice Production
Chart. (These charts begin on Page 7-33.) Use the
operating conditions determined in Step 1 to find
published 24 hour ice production: ______
3. Perform an actual ice production check. Use the
formula below.
4. Compare the results of step 3 with step 2. Ice
production is normal when these numbers match
closely. If they match closely, determine if:
• another ice machine is required.
• more storage capacity is required.
• relocating the existing equipment to lower the
load conditions is required.
Contact the local Manitowoc distributor for
information on available options and accessories.
1. __________
Freeze Time
+ __________
Harvest Time
= __________
Total Cycle Time
2. 1440
Minutes in 24
Hours
÷ __________
Total Cycle Time
= __________
Cycles Per Day
3. __________
Weight of One
Harvest
x __________
Cycles Per Day
= __________
Actual 24 Hour Ice
Production
Important
Times are in minutes.
Example: 1 min., 15 sec. converts to 1.25 min.
(15 seconds ÷ 60 seconds = .25 minutes)
Weights are in pounds.
Example: 2 lb., 6 oz. converts to 2.375 lb.
(6 oz. ÷ 16 oz. = .375 lb.)
Weighing the ice is the only 100% accurate
check. However, if the ice pattern is normal and the
1/8" thickness is maintained, the ice slab weights
listed with the 24 Hour Ice Production Charts may
be used.

Refrigeration System Section 7
7-10 Part No. 80-1100-3
INSTALLATION/VISUAL INSPECTION CHECKLIST WATER SYSTEM CHECKLIST
A water-related problem often causes the same
symptoms as a refrigeration system component
malfunction.
Example: A water dump valve leaking during the freeze
cycle, a system low on charge, and a starving TXV have
similar symptoms.
Water system problems must be identified and
eliminated prior to replacing refrigeration components.
Possible Problem Corrective Action
Ice machine is not level Level the ice machine
Improper clearance around
top, sides and/or back of ice
machine
Reinstall according to the
Installation Manual
Air-cooled condenser filter is
dirty Clean the condenser filter
and/or condenser
Ice machine is not on an
independent electrical circuit Reinstall according to the
Installation Manual
Water filtration is plugged (if
used) Install a new water filter
Water drains are not run
separately and/or are not
vented
Run and vent drains
according to the Installation
Manual
Remote condenser line set is
improperly installed Reinstall according to the
Installation Manual
Possible Problem Corrective Action
Water area (evaporator) is
dirty Clean as needed
Water inlet pressure not
between 20 and 80 psi Install a water regulator valve
or increase the water
pressure
Incoming water temperature
is not between 35°F (1.7°C)
and 90°F (32.2°C).
If too hot, check the hot water
line check valves in other
store equipment
Water filtration is plugged (if
used) Install a new water filter
Water dump valve leaking
during the freeze cycle Clean/replace dump valve as
needed
Vent tube is not installed on
water outlet drain See Installation Instructions
Hoses, fittings, etc., are
leaking water Repair/replace as needed
Water fill valve is stuck open Clean/replace as needed
Water is spraying out of the
sump trough area Stop the water spray
Uneven water flow across the
evaporator Clean the ice machine
Water is freezing behind the
evaporator Correct the water flow
Plastic extrusions and
gaskets are not secured to
the evaporator
Remount/replace as needed
Water does not flow over the
evaporator (not trickle)
immediately after the prechill
Clean/replace water level
probe as needed

Section 7 Refrigeration System
Part No. 80-1100-3 7-11
ICE FORMATION PATTERN
Evaporator ice formation pattern analysis is helpful in ice
machine diagnostics.
Analyzing the ice formation pattern alone cannot
diagnose an ice machine malfunction. However, when
this analysis is used along with Manitowoc’s
Refrigeration System Operational Analysis Table, it can
help diagnose an ice machine malfunction.
Improper ice formation can be caused by any number of
problems.
Example: An ice formation that is “extremely thin on
outlet” could be caused by a hot water supply, a dump
valve leaking water, a faulty water fill valve, a low
refrigerant charge, etc.
1. Normal Ice Formation
Ice forms across the entire evaporator surface.
At the beginning of the freeze cycle, it may appear that
more ice is forming on the intlet of the evaporator than
on the outlet. At the end of the freeze cycle, ice
formation on the outlet will be close to, or just a bit
thinner than, ice formation on the intlet. The dimples in
the cubes at the outlet of the evaporator may be more
pronounced than those on the intlet. This is normal.
The ice thickness probe must be set to maintain the ice
bridge thickness at approximately 1/8". If ice forms
uniformly across the evaporator surface, but does not
reach 1/8" in the proper amount of time, this is still
considered normal.
2. Extremely Thin at Evaporator Outlet
There is no ice, or a considerable lack of ice formation
on the outlet of the evaporator (tubing outlet).
Examples: No ice at all on the outlet of the evaporator,
but ice forms on the intlet half of the evaporator. Or, the
ice at the outlet of the evaporator reaches 1/8" to initiate
a harvest, but the intlet of the evaporator already has
1/2" to 1" of ice formation.
Figure 7-8. Extremely Thin Ice Formation at
Evaporator Outlet
Important
Keep the water curtain in place while checking the
ice formation pattern to ensure no water is lost.
SV1576
OUTLET
INLET
ICE
ICE

Refrigeration System Section 7
7-12 Part No. 80-1100-3
3. Extremely Thin at Evaporator Inlet
There is no ice, or a considerable lack of ice formation
on the intlet of the evaporator (tubing inlet). Examples:
The ice at the outlet of the evaporator reaches 1/8" to
initiate a harvest, but there is no ice formation at all on
the intlet of the evaporator.
Figure 7-9. Extremely Thin Ice Formation at
Evaporator Inlet
4. Spotty Ice Formation
There are small sections on the evaporator where there
is no ice formation. This could be a single corner, or a
single spot in the middle of the evaporator. This is
generally caused by loss of heat transfer from the tubing
on the back side of the evaporator.
Figure 7-10. Spotty Ice Formation
5. No Ice Formation
The ice machine operates for an extended period, but
there is no ice formation at all on the evaporator.
Figure 7-11. Q1300/Q1600/Q1800 Evaporator Tubing
SV1575
OUTLET
INLET
ICE
SV1577
OUTLET
INLET
ICE
Important
The Q1300 Q1600 and Q1800 model machines
have left and right expansion valves and separate
evaporator circuits. These circuits operate
independently from each other. Therefore, one may
operate properly while the other is malfunctioning.
Example: If the left expansion valve is starving, it
may not affect the ice formation pattern on the entire
right side of the evaporator.
SV1571
OUTLET
INLET
OUTLET
INLET

Section 7 Refrigeration System
Part No. 80-1100-3 7-13
SAFETY LIMITS
General
In addition to standard safety controls, such as high
pressure cut-out, the control board has two built in safety
limit controls which protect the ice machine from major
component failures. There are two control boards with
different safety limit sequences. Original production
control boards have a black micro-processor. Current
production and replacement control boards have an
orange label on the control board microprocessor.
Safety Limit #1: If the freeze time reaches 60 minutes,
the control board automatically initiates a harvest cycle.
Control Board with black microprocessor
If 3 consecutive 60-minute freeze cycles occur, the ice
machine stops.
Control Board with orange label on microprocessor.
If 6 consecutive 60-minute freeze cycles occur, the ice
machine stops.
Safety Limit #2: If the harvest time reaches 3.5
minutes, the control board automatically returns the ice
machine to the freeze cycle.
Control Board with black microprocessor
If three consecutive 3.5 minute harvest cycles occur, the
ice machine stops.
Control Board with orange label on microprocessor.
If 500 consecutive 3.5 minute harvest cycles occur, the
ice machine stops.
Safety Limit Indication
Control Board with Black Microprocessor
When a safety limit condition is exceeded for 3
consecutive cycles the ice machine stops and the
harvest light on the control board continually flashes on
and off. Use the following procedures to determine
which safety limit has stopped the ice machine.
1. Move the toggle switch to OFF.
2. Move the toggle switch back to ICE.
3. Watch the harvest light. It will flash one or two times,
corresponding to safety limits 1 and 2, to indicate
which safety limit stopped the ice machine.
After safety limit indication, the ice machine will restart
and run until a safety limit is exceeded again.
Control Board with Orange Label
When a safety limit condition is exceeded for 3
consecutive cycles the control board enters the limit into
memory and the ice machine continues to run. Use the
following procedures to determine if the control board
contains a safety limit indication.
1. Move the toggle switch to OFF.
2. Move the toggle switch back to ICE.
3. Watch the harvest light. If a safety limit has been
recorded, the harvest light will flash one or two
times, corresponding to safety limit 1 or 2.
When a safety limit condition is exceeded (6 consecutive
cycles for Safety Limit #1 or 500 cycles for Safety Limit
#2) the ice machine stops and the harvest light on the
control board continually flashes on and off. Use the
following procedures to determine which safety limit has
stopped the machine.
1. Move the toggle switch to OFF.
2. Move the toggle switch back to ICE.
3. Watch the harvest light. It will flash one or two times,
corresponding to safety limit 1 or 2 to indicate which
safety limit stopped the ice machine.
After safety limit indication, the ice machine will restart
and run until a safety limit is exceeded again.
Orange Label

Refrigeration System Section 7
7-14 Part No. 80-1100-3
Analyzing Why Safety Limits May Stop the Ice
Machine
According to the refrigeration industry, a high percentage
of compressors fail as a result of external causes. These
can include: flooding or starving expansion valves, dirty
condensers, water loss to the ice machine, etc. The
safety limits protect the ice machine (primarily the
compressor) from external failures by stopping ice
machine operation before major component damage
occurs.
The safety limit system is similar to a high pressure cut-
out control. It stops the ice machine, but does not tell
what is wrong. The service technician must analyze the
system to determine what caused the high pressure cut-
out, or a particular safety limit, to stop the ice machine.
The safety limits are designed to stop the ice machine
prior to major component failures, most often a minor
problem or something external to the ice machine. This
may be difficult to diagnose, as many external problems
occur intermittently.
Example: An ice machine stops intermittently on safety
limit #1 (long freeze times). The problem could be a low
ambient temperature at night, a water pressure drop, the
water is turned off one night a week, etc.
When a high pressure cut-out or a safety limit stops the
ice machine, they are doing what they are supposed to
do. That is, stopping the ice machine before a major
component failure occurs.
Refrigeration and electrical component failures may also
trip a safety limit. Eliminate all electrical components and
external causes first. If it appears that the refrigeration
system is causing the problem, use Manitowoc’s
Refrigeration System Operational Analysis Table, along
with detailed charts, checklists, and other references to
determine the cause.
The following checklists are designed to assist the
service technician in analysis. However, because there
are many possible external problems, do not limit your
diagnosis to only the items listed.

Section 7 Refrigeration System
Part No. 80-1100-3 7-15
Safety Limit #1
Refer to page 7-13 for control board identification and safety limit operation.
Control Board with Black Microprocessor - Freeze Time exceeds 60 minutes for 3 consecutive freeze cycles
or
Control Board with Orange Label on Microprocessor - Freeze time exceeds 60 minutes for 6 consecutive freeze
cycles.
SAFETY LIMIT NOTES
• Because there are many possible external problems,
do not limit your diagnosis to only the items listed in
this chart.
• A continuous run of 100 harvests automatically
erases the safety limit code.
• The control board will store and indicate only one
safety limit – the last one exceeded.
• If the toggle switch is moved to the OFF position and
then back to the ICE position prior to reaching the
100-harvest point, the last safety limit exceeded will
be indicated.
• If the harvest light did not flash prior to the ice
machine restarting, then the ice machine did not stop
because it exceeded a safety limit.
Possible Cause Check/Correct
Improper installation See “Installation/Visual Inspection Checklist” on Page 7-10
Water system Low water pressure (20 psi min.)
High water pressure (80 psi max.)
High water temperature (90°F/32.2°C max.)
Clogged water distribution tube
Dirty/defective water fill valve
Dirty/defective water dump valve
Defective water pump
Electrical system Ice thickness probe out of adjustment
Harvest cycle not initiated electrically
Contactor not energizing
Compressor electrically non-operational
Restricted condenser
air flow (air-cooled models)
High inlet air temperature (110°F/43.3°C max.)
Condenser discharge air recirculation
Dirty condenser filter
Dirty condenser fins
Defective fan cycling control
Defective fan motor
Restricted condenser water flow (water-cooled models) Low water pressure (20 psi min.)
High water temperature (90°F/32.2°C max.)
Dirty condenser
Dirty/defective water regulating valve
Water regulating valve out of adjustment
Refrigeration system Non-Manitowoc components
Improper refrigerant charge
Defective head pressure control (remotes)
Defective harvest valve
Defective compressor
TXV starving or flooding (check bulb mounting)
Non-condensables in refrigeration system
Plugged or restricted high side refrigerant lines or component

Refrigeration System Section 7
7-16 Part No. 80-1100-3
Safety Limit #2
Refer to page 7-13 for control board identification and safety limit operation.
Control Board with Black Microprocessor - Harvest time exceeds 3.5 minutes for 3 consecutive harvest cycles.
or
Control Board with Orange Label on Microprocessor - Harvest time exceeds 3.5 minutes for 500 consecutive
harvest cycles.
SAFETY LIMIT NOTES
• Because there are many possible external problems,
do not limit your diagnosis to only the items listed in
this chart.
• A continuous run of 100 harvests automatically
erases the safety limit code.
• The control board will store and indicate only one
safety limit – the last one exceeded.
• If the toggle switch is moved to the OFF position and
then back to the ICE position prior to reaching the
100-harvest point, the last safety limit exceeded will
be indicated.
• If the harvest light did not flash prior to the ice
machine restarting, then the ice machine did not stop
because it exceeded a safety limit.
Possible Cause Check/Correct
Improper installation See “Installation/Visual Inspection Checklist” on Page 7-10
Water system Water area (evaporator) dirty
Dirty/defective water dump valve
Vent tube not installed on water outlet drain
Water freezing behind evaporator
Plastic extrusions and gaskets not securely mounted to the
evaporator
Low water pressure (20 psi min.)
Loss of water from sump area
Clogged water distribution tube
Dirty/defective water fill valve
Defective water pump
Electrical system Ice thickness probe out of adjustment
Ice thickness probe dirty
Bin switch defective
Premature harvest
Refrigeration system Non-Manitowoc components
Water regulating valve dirty/defective
Improper refrigerant charge
Defective head pressure control valve (remotes)
Defective harvest pressure control (HPR) valve (remotes)
Defective harvest valve
TXV flooding (check bulb mounting)
Defective fan cycling control

Section 7 Refrigeration System
Part No. 80-1100-3 7-17
ANALYZING DISCHARGE PRESSURE
DURING FREEZE OR HARVEST CYCLE
Procedure
1. Determine the ice machine operating conditions:
Air temp. entering condenser ______
Air temp. around ice machine ______
Water temp. entering sump trough ______
2. Refer to Operating Pressure Chart for ice machine
being checked. (These charts begin on Page 7-33.)
Use the operating conditions determined in step 1 to
find the published normal discharge pressures.
Freeze Cycle _______ Harvest Cycle_______
3. Perform an actual discharge pressure check.
4. Compare the actual discharge pressure (step 3) with
the published discharge pressure (step 2).
The discharge pressure is normal when the actual
pressure falls within the published pressure range for the
ice machine’s operating conditions.
Freeze Cycle Discharge Pressure High Checklist
Freeze Cycle Discharge Pressure Low Checklist
NOTE: Do not limit your diagnosis to only the items listed in the checklists.
Freeze
Cycle PSIG Harvest
Cycle PSIG
Beginning of Cycle __________ __________
Middle of Cycle __________ __________
End of Cycle __________ __________
Possible Cause Check/Correct
Improper installation See “Installation/Visual Inspection Checklist” on Page 7-10
Restricted condenser air flow (air-cooled models) High inlet air temperature (110°F/43.3°C max.)
Condenser discharge air recirculation
Dirty condenser filter
Dirty condenser fins
Defective fan cycling control
Defective fan motor
Restricted condenser water flow (water-cooled
models) Low water pressure (20 psi min.)
High inlet water temperature (90°F/32.2°C max.)
Dirty condenser
Dirty/defective water regulating valve
Water regulating valve out of adjustment
Improper refrigerant charge Overcharged
Non-condensables in system
Wrong type of refrigerant
Other Non-Manitowoc components in system
High side refrigerant lines/component restricted (before mid-condenser)
Defective head pressure control valve (remote models)
Possible Cause Check/Correct
Improper installation See “Installation/Visual Inspection Checklist” on Page 7-10
Improper refrigerant charge Undercharged
Wrong type of refrigerant
Water regulating valve (water-cooled condensers) Out of adjustment
Defective
Other Non-Manitowoc components in system
Defective head pressure control valve (remote models)
Defective fan cycle control

Refrigeration System Section 7
7-18 Part No. 80-1100-3
ANALYZING SUCTION PRESSURE
DURING FREEZE CYCLE
The suction pressure gradually drops throughout the
freeze cycle. The actual suction pressure (and drop rate)
changes as the air and water temperatures entering the
ice machine change. This affects freeze cycle times.
To analyze and identify the proper suction pressure drop
throughout the freeze cycle, compare the published
suction pressure to the published freeze cycle time.
“Operating Pressure” and “Freeze Cycle Time” charts
can be found later in this section.
NOTE: Analyze discharge pressure before analyzing
suction pressure. High or low discharge pressure may
be causing high or low suction pressure.
Procedure
Step Example Using QY0454A Model Ice Machine
1. Determine the ice machine operating
conditions.
Air temp. entering condenser: 90°F/32.2°C
Air temp. around ice machine: 80°F/26.7°C
Water temp. entering water fill valve: 70°F/21.1°C
2A. Refer to “Cycle Time” and “Operating
Pressure” charts for ice machine model being
checked. Using operating conditions from Step
1, determine published freeze cycle time and
published freeze cycle suction pressure.
Published freeze cycle time: Published freeze cycle suction pressure:
13.7 - 14.1 minutes 55-36 PSIG
2B. Compare the published freeze cycle time
and published freeze cycle suction pressure.
Develop a chart.
Published Freeze Cycle Time (minutes)
1 3 5 7 9 12 14
55 52 48 44 41 38 36
Published Freeze Cycle Suction Pressure (psig)
3. Perform an actual suction pressure check at
the beginning, middle and end of the freeze
cycle. Note the times at which the readings are
taken.
Beginning of freeze cycle: 59 PSIG at 1 minute
Middle of freeze cycle: 48 PSIG at 7 minutes
End of freeze cycle: 40 PSIG at 14 minutes
4. Compare the actual freeze cycle suction
pressure (Step 3) to the published freeze cycle
time and pressure comparison (Step 2B).
Determine if the suction pressure is high, low
or acceptable.
Time Into
Freeze Cycle Published
Pressure Actual
Pressure Result
1 minutes
7 minutes
14 minutes
55 PSIG
44 PSIG
36 PSIG
59 PSIG
48 PSIG
40 PSIG
High
High
High

Section 7 Refrigeration System
Part No. 80-1100-3 7-19
Freeze Cycle Suction Pressure High Checklist
Freeze Cycle Suction Pressure Low Checklist
NOTE: Do not limit your diagnosis to only the items
listed in the checklists.
Possible Cause Check/Correct
Improper installation See “Installation/Visual Inspection Checklist” on Page 7-10
Discharge pressure Discharge pressure is too high, and is affecting low side
(See “Freeze Cycle Discharge Pressure High Checklist” on Page 7-16)
Improper refrigerant charge Overcharged
Wrong type of refrigerant
Other Non-Manitowoc components in system
H.P.R. solenoid leaking
harvest valve stuck open
TXV flooding (check bulb mounting)
Defective compressor
Possible Cause Check/Correct
Improper installation See “Installation/Visual Inspection Checklist” on Page 7-10
Discharge pressure Discharge pressure is too low, and is affecting low side
(See “Freeze Cycle Discharge Pressure Low Checklist” on Page 7-16)
Improper refrigerant charge Undercharged
Wrong type of refrigerant
Other Non-Manitowoc components in system
Improper water supply over evaporator (See “Water System Checklist” on page 7-10)
Loss of heat transfer from tubing on back side of evaporator
Restricted/plugged liquid line drier
Restricted/plugged tubing in suction side of refrigeration system
TXV starving

Refrigeration System Section 7
7-20 Part No. 80-1100-3
SINGLE EXPANSION VALVE ICE MACHINES -
COMPARING EVAPORATOR INLET AND
OUTLET TEMPERATURES
NOTE: This procedure will not work on the dual
expansion valve Q1300 Q1600 and Q1800 ice
machines.
The temperatures of the suction lines entering and
leaving the evaporator alone cannot diagnose an ice
machine. However, comparing these temperatures
during the freeze cycle, along with using Manitowoc’s
Refrigeration System Operational Analysis Table, can
help diagnose an ice machine malfunction.
The actual temperatures entering and leaving the
evaporator vary by model, and change throughout the
freeze cycle. This makes documenting the “normal” inlet
and outlet temperature readings difficult. The key to the
diagnosis lies in the difference between the two
temperatures five minutes into the freeze cycle. These
temperatures must be within 7° of each other.
Use this procedure to document freeze cycle inlet and
outlet temperatures.
1. Use a quality temperature meter, capable of taking
temperature readings on curved copper lines.
2. Attach the temperature meter sensing device to the
copper lines entering and leaving the evaporator.
3. Wait five minutes into the freeze cycle.
4. Record the temperatures below and determine the
difference between them.
5. Use this with other information gathered on the
Refrigeration System Operational Analysis Table to
determine the ice machine malfunction.
Important
Do not simply insert the sensing device under the
insulation. It must be attached to and reading the
actual temperature of the copper line.
______________
Inlet Temperature ______________
Outlet Temperature
_______________
Difference
Must be within 7° at 5
minutes into freeze cycle

Section 7 Refrigeration System
Part No. 80-1100-3 7-21
HARVEST VALVE TEMPERATURE CHECK
NOTE: This procedure requires checking both harvest
valves on dual expansion valve Q1300 and Q1800 ice
machines.
General
A harvest valve requires a critical orifice size. This
meters the amount of hot gas flowing into the evaporator
during the harvest cycle. If the orifice is even slightly too
large or too small, long harvest cycles will result.
A too-large orifice causes refrigerant to condense to
liquid in the evaporator during the harvest cycle. This
liquid will cause compressor damage. A too-small orifice
does not allow enough hot gas into the evaporator. This
causes low suction pressure, and insufficient heat for a
harvest cycle.
Refer to the Parts Manual for proper valve application. If
replacement is necessary, Use only “original” Manitowoc
replacement parts.
Harvest Valve Analysis
Symptoms of a harvest valve remaining partially open
during the freeze cycle can be similar to symptoms of
either an expansion valve or compressor problem. The
best way to diagnose a harvest valve is by using
Manitowoc’s Ice Machine Refrigeration System
Operational Analysis Table.
Use the following procedure and table to help determine
if a harvest valve is remaining partially open during the
freeze cycle.
1. Wait five minutes into the freeze cycle.
2. Feel the inlet of the harvest valve(s).
3. Feel the compressor discharge line.
4. Compare the temperature of the inlet of the harvest
valves to the temperature of the compressor
discharge line.
Important
Feeling the harvest valve outlet or across the
harvest valve itself will not work for this comparison.
The harvest valve outlet is on the suction side (cool
refrigerant). It may be cool enough to touch even if
the valve is leaking.
!
Warning
The inlet of the harvest valve and the compressor
discharge line could be hot enough to burn your
hand. Just touch them momentarily.
Findings Comments
The inlet of the
harvest valve is cool
enough to touch and
the compressor
discharge line is hot.
This is normal as the discharge line
should always be too hot to touch and
the harvestharvest valve inlet,
although too hot to touch during
harvest, should be cool enough to
touch after 5 minutes into the freeze
cycle.
The inlet of the
harvest valve is hot
and approaches the
temperature of a hot
compressor
discharge line.
This is an indication something is
wrong, as the harvest valve inlet did
not cool down during the freeze cycle.
If the compressor dome is also entirely
hot, the problem is not a harvest valve
leaking, but rather something causing
the compressor (and the entire ice
machine) to get hot.
Both the inlet of the
harvest valve and
the compressor
discharge line are
cool enough to
touch.
This is an indication something is
wrong, causing the compressor
discharge line to be cool to the touch.
This is not caused by a harvest valve
leaking.

Refrigeration System Section 7
7-22 Part No. 80-1100-3
DISCHARGE LINE TEMPERATURE ANALYSIS
General
Knowing if the discharge line temperature is increasing,
decreasing or remaining constant can be an important
diagnostic tool. Maximum compressor discharge line
temperature on a normally operating ice machine
steadily increases throughout the freeze cycle.
Comparing the temperatures over several cycles will
result in a consistent maximum discharge line
temperature.
Ambient air temperatures affect the maximum discharge
line temperature.
Higher ambient air temperatures at the condenser =
higher discharge line temperatures at the compressor.
Lower ambient air temperatures at the condenser =
lower discharge line temperatures at the compressor.
Regardless of ambient temperature, the freeze cycle
discharge line temperature will be higher than 160°F
(71.1°C) on a normally operating ice machine.
Procedure
Connect a temperature probe on the compressor
discharge line with-in 6" of the compressor and insulate.
Observe the discharge line temperature for the last three
minutes of the freeze cycle and record the maximum
discharge line temperature.
Discharge Line Temperature Above 160°F (71.1°C) At
End Of Freeze Cycle:
Ice machines that are operating normally will have
consistent maximum discharge line temperatures above
160°F (71.1°C).
Discharge Line Temperature Below 160°F (71.1°C) At
End Of Freeze Cycle
Ice machines that have a flooding expansion valve will
have a maximum discharge line temperature that
decreases each cycle.
Verify the expansion valve sensing bulb is 100%
insulated and sealed airtight. Condenser air contacting
an incorrectly insulated sensing bulb will cause
overfeeding of the expansion valve.
Verify the expansion valve sensing bulb is positioned
and secured correctly.

Section 7 Refrigeration System
Part No. 80-1100-3 7-23
THIS PAGE INTENTIONALLY LEFT BLANK

Refrigeration System Section 7
7-24 Part No. 80-1100-3
HOW TO USE THE REFRIGERATION SYSTEM
OPERATIONAL ANALYSIS TABLES
General
These tables must be used with charts, checklists and
other references to eliminate refrigeration components
not listed on the tables and external items and problems
which can cause good refrigeration components to
appear defective.
The tables list five different defects that may affect the
ice machine’s operation.
NOTE: A low-on-charge ice machine and a starving
expansion valve have very similar characteristics and
are listed under the same column.
NOTE: Before starting, see “Before Beginning Service”
on Page 7-9 for a few questions to ask when talking to
the ice machine owner.
Procedure
Step 1 Complete the “Operation Analysis” column.
Read down the left “Operational Analysis” column.
Perform all procedures and check all information listed.
Each item in this column has supporting reference
material to help analyze each step.
While analyzing each item separately, you may find an
“external problem” causing a good refrigerant
component to appear bad. Correct problems as they are
found. If the operational problem is found, it is not
necessary to complete the remaining procedures.
Step 2 Enter check marks (√) in the small boxes.
Each time the actual findings of an item in the
“Operational Analysis” column matches the published
findings on the table, enter a check mark.
Example: Freeze cycle suction pressure is determined
to be low. Enter a check mark in the “low” box.
Step 3 Add the check marks listed under each of the
four columns. Note the column number with the highest
total and proceed to “Final Analysis.”
NOTE: If two columns have matching high numbers, a
procedure was not performed properly and/or supporting
material was not analyzed correctly.
Final Analysis
The column with the highest number of check marks
identifies the refrigeration problem.
COLUMN 1 - HARVEST VALVE LEAKING
A leaking harvest valve must be replaced.
COLUMN 2 - LOW CHARGE/TXV STARVING
Normally, a starving expansion valve only affects the
freeze cycle pressures, not the harvest cycle pressures.
A low refrigerant charge normally affects both pressures.
Verify the ice machine is not low on charge before
replacing an expansion valve.
1. Add refrigerant charge in 2 to 4 oz. increments as a
diagnostic procedure to verify a low charge. If the
problem is corrected, the ice machine is low on
charge. Find the refrigerant leak.
The ice machine must operate with the nameplate
charge. If the leak cannot be found, proper
refrigerant procedures must still be followed Change
the liquid line drier. Then, evacuate and weigh in the
proper charge.
2. If the problem is not corrected by adding charge, the
expansion valve is faulty.
On dual expansion valve ice machines, change only
the TXV that is starving. If both TXV’s are starving,
they are probably good, and are being affected by
some other malfunction, such as low charge.
COLUMN 3 - TXV FLOODING
A loose or improperly mounted expansion valve bulb
causes the expansion valve to flood. Check bulb
mounting, insulation, etc., before changing the valve. On
dual expansion valve machines, the service technician
should be able to tell which TXV is flooding by analyzing
ice formation patterns. Change only the flooding
expansion valve.
COLUMN 4 - COMPRESSOR
Replace the compressor and start components. To
receive warranty credit, the compressor ports must be
properly sealed by crimping and soldering them closed.
Old start components must be returned with the faulty
compressor.

Section 7 Refrigeration System
Part No. 80-1100-3 7-25
REFRIGERATION SYSTEM OPERATIONAL ANALYSIS TABLES
Q, J and B Model Single Expansion Valve
This table must be used with charts, checklists and other references to eliminate
refrigeration components not listed on the table and external items and problems,
which can cause good refrigeration components to appear defective.
Operational Analysis 1234
Ice Production Air-Temperature Entering Condenser_____________
Water Temperature Entering Ice Machine_________
Published 24 hour ice production________________
Calculated (actual) ice production_______________
NOTE: The ice machine is operating properly if the ice fill patterns is normal and ice production is within 10% of charted
capacity.
Installation and Water
System
All installation and water related problems must be corrected before proceeding with chart.
Ice Formation Pattern Ice formation is extremely
thin on outlet of evaporator
-or-
No ice formation on the
entire evaporator
Ice formation is extremely
thin on outlet of evaporator
-or-
No ice formation on entire
evaporator
Ice formation normal
-or-
Ice formation is extremely
thin on inlet of evaporator
-or-
No ice formation on entire
evaporator
Ice formation normal
-or-
No ice formation on entire
evaporator
Safety Limits
Refer to “Analyzing Safety
Limits” to eliminate all non-
refrigeration problems.
Stops on safety limit:
1Stops on safety limit:
1Stops on safety limit:
1 or 2 Stops on safety limit:
1
Freeze Cycle
Discharge Pressure
_____ ______ ______
1 minute Middle End
into cycle
If discharge pressure is High or Low refer to freeze cycle high or low discharge pressure problem checklist to eliminate
problems and/or components not listed on this table before proceeding.
Freeze Cycle
Suction Pressure
_____ ______ ______
1 minute Middle End
If suction pressure is High or Low refer to freeze cycle high or low suction pressure problem checklist to eliminate problems
and/or components not listed on this table before proceeding.
Suction pressure is High Suction pressure is Low or
Normal Suction pressure is High Suction pressure is High
Wait 5 minutes into the freeze
cycle.
Compare temperatures of
evaporator inlet and
evaporator outlet.
Inlet ____ ° F (° C)
Outlet ____ ° F (° C)
Difference ____ ° F (° C)
Inlet and outlet
within 7°
of each other
Inlet and outlet
not within 7°
of each other
-and-
Inlet is colder than outlet
Inlet and outlet
within 7°
of each other
-or-
Inlet and outlet
not within 7°
of each other
-and-
Inlet is warmer than outlet
Inlet and outlet
within 7°
of each other
Wait 5 minutes into the freeze
cycle.
Compare temperatures of
compressor discharge line
and harvest valve inlet.
The harvest valve inlet is
Hot
-and-
approaches the temperature
of a Hot compressor
discharge line.
The harvest valve inlet is
Cool enough to hold hand
on
-and-
the compressor discharge
line is Hot.
The harvest valve inlet is
Cool enough to hold hand
on
-and-
the compressor discharge
line is Cool
enough to hold hand on.
The harvest valve inlet is
Cool enough to hold hand
on
-and-
the compressor discharge
line is Hot.
Discharge Line Temperature
Record freeze cycle discharge
line temperature at the end of
the freeze cycle
_________°F (°C)
Discharge line temperature
160°F (71.1°C)
or higher
at the end of the freeze
cycle
Discharge line temperature
160°F (71.1°C)
or higher
at the end of the freeze
cycle
Discharge line temperature
less than
160°F (71.1°C)
at the end of the freeze
cycle
Discharge line temperature
160°F (71.1°C)
or higher at the end of the
freeze cycle
Final Analysis
Enter total number of boxes
checked in each column.
Harvest Valve Leaking Low On Charge
-Or-
TXV Starving TXV Flooding Compressor

Refrigeration System Section 7
7-26 Part No. 80-1100-3
Q and J Model Dual Expansion Valve
This table must be used with charts, checklists and other references to eliminate
refrigeration components not listed on the table and external items and problems,
which can cause good refrigeration components to appear defective.
Operational Analysis 1234
Ice Production Air-Temperature Entering Condenser____________
Water Temperature Entering Ice Machine_________
Published 24 hour ice production________________
Calculated (actual) ice production________________
NOTE: The ice machine is operating properly if the ice production
and ice formation pattern is normal and ice production is within 10% of charted capacity.
Ice Formation Pattern
Left side_____________
___________________
Right side ___________
___________________
Ice formation is
extremely thin on
outet of one side of
evaporator
-or-
No ice formation on
one side of
evaporator
Ice formation is
extremely thin on
outlet of one or both
sides of evaporator
-or-
No ice formation on
entire evaporator
Ice formation normal
-or-
Ice formation is
extremely thin on inlet
of one side of
evaporator
-or-
No ice formation on
entire evaporator
Ice formation normal
-or-
No ice formation on
entire evaporator
Safety limits
Refer to “Analyzing Safety
Limits” to eliminate problems
and/or components not listed
on this table
Stops on safety limit:
1Stops on safety limit:
1Stops on safety limit:
1 or 2 Stops on safety limit:
1
Freeze Cycle
DISCHARGE pressure
_____ ______ ______
1 minute Middle End
into cycle
If discharge pressure is High or Low refer to a freeze cycle high or low discharge pressure
problem checklist to eliminate problems and/or components not listed on this table before
proceeding.
Freeze Cycle
SUCTION pressure
_____ ______ ______
Beginning Middle End
If suction pressure is High or Low refer to a freeze cycle high or low suction pressure problem
checklist to eliminate problems and/or components not listed on this table before proceeding.
Suction pressure is
High Suction pressure is
Low or Normal Suction pressure is
High Suction pressure is
High
Harvest Valve
Wait 5 minutes into the freeze
cycle.
Compare temperatures of
compressor discharge line
and both harvest valve inlets.
One harvest valve
inlet is Hot
-and-
approaches the
temperature of a Hot
compressor
discharge line.
Both harvest valve
inlets are
Cool enough
to hold hand on
-and-
the compressor
discharge line is Hot.
Both harvest valve
inlets are Cool
enough
to hold hand on
-and-
the compressor
discharge line is
Cool enough
to hold hand on.
Both harvest valve
inlets are Cool
enough
to hold hand on
-and-
the compressor
discharge line is Hot.
Discharge Line Temperature
Record freeze cycle discharge
line temperature at the end of
the freeze cycle
_________°F (°C)
Discharge line
temperature
160°F (71.1°C)
or higher
at the end of the
freeze cycle
Discharge line
temperature
160°F (71.1°C)
or higher
at the end of the
freeze cycle
Discharge line
temperature
less than
160°F (71.1°C)
at the end of the
freeze cycle
Discharge line
temperature
160°F (71.1°C)
or higher
at the end of the
freeze cycle
Final Analysis
Enter total number of boxes
checked in each column.
Harvest Valve
Leaking Low On Charge
-Or-
TXV Starving
TXV Flooding Compressor

Section 7 Refrigeration System
Part No. 80-1100-3 7-27
HARVEST PRESSURE REGULATING
(H.P.R.) SYSTEM
Remotes Only
GENERAL
The harvest pressure regulating (H.P.R.) system
includes:
• Harvest pressure regulating solenoid valve (H.P.R.
solenoid). This is an electrically operated valve which
opens when energized, and closes when de-
energized.
Figure 7-12. H.P.R. Solenoid
• Harvest pressure regulating valve (H.P.R. valve).
This is a non-adjustable pressure regulating valve
which modulates open and closed, based on the
refrigerant pressure at the outlet of the valve. The
valve closes completely and stops refrigerant flow
when the pressure at the outlet rises above the valve
setting.
Figure 7-13. H.P.R. Valve
SV1427
INLET OUTLET
FLOW
SV3053
OUTLET
INLET

Refrigeration System Section 7
7-28 Part No. 80-1100-3
FREEZE CYCLE
The H.P.R. system is not used during the freeze cycle.
The H.P.R. solenoid is closed (de-energized), preventing
refrigerant flow into the H.P.R. valve.
HARVEST CYCLE
During the harvest cycle, the check valve in the
discharge line prevents refrigerant in the remote
condenser and receiver from backfeeding into the
evaporator and condensing to liquid.
The H.P.R. solenoid is opened (energized) during the
harvest cycle, allowing refrigerant gas from the top of the
receiver to flow into the H.P.R. valve. The H.P.R. valve
modulates open and closed, raising the suction pressure
high enough to sustain heat for the harvest cycle,
without allowing refrigerant to condense to liquid in the
evaporator.
In general, harvest cycle suction pressure rises, then
stabilizes in the range of 75-100 psig (517-758 kPA).
Exact pressures vary from model to model. These can
be found in the “Operational Refrigerant Pressures”
charts, beginning on Page 7-32.

Section 7 Refrigeration System
Part No. 80-1100-3 7-29
HPR DIAGNOSTICS
Steps 1 through 4 can be quickly verified without
attaching a manifold gauge set or thermometer.
All questions must have a yes answer to continue
the diagnostic procedure.
1. Liquid line warm?
(Body temperature is normal)
If liquid line is warmer or cooler than body
temperature, refer to headmaster diagnostics.
2. Ice fill pattern normal?
Refer to “Ice Formation Pattern” if ice fill is not
normal.
3. Freeze time normal?
(Refer to Cycle Times/Refrigerant Pressures/24
Hour Ice Production Charts)
Shorter freeze cycles - Refer to headmaster
diagnostics.
Longer freeze cycles - Refer to water system
checklist, then refer to Refrigeration Diagnostic
Procedures.
4. Harvest time is longer than normal and control board
indicates safety limit #2?
(Refer to Cycle Times/Refrigerant Pressures/24
Hour Ice Production Charts)
Connect refrigeration manifold gauge set to the
access valves on the front of the ice machine, and a
thermometer thermocouple on the discharge line
within 6" of the compressor (insulate thermocouple).
5. Establish baseline by recording suction and
discharge pressure, discharge line temperature and
freeze & harvest cycle times. (Refer to section 7
“Operational Analysis” for data collection detail).
6. Freeze cycle Head Pressure 220 psig or higher?
If the head pressure is lower than 220 psig refer to
headmaster diagnostics.
7. Freeze cycle Suction Pressure normal?
Refer to analyzing suction pressure if suction
pressure is high or low.
8. Discharge line temperature is 160°F (71.1°C) or
higher at end of freeze cycle?
If less than 160°F (71.1°C) check expansion valve
bulb mounting and insulation.
9. Harvest cycle suction and discharge pressures are
lower than indicated in the cycle times/refrigerant
pressures/24 hour ice production chart?
Replace Harvest Pressure Regulating system (HPR
Valve and HPR solenoid valve).

Refrigeration System Section 7
7-30 Part No. 80-1100-3
HEADMASTER CONTROL VALVE
Manitowoc remote systems require headmaster control
valves with special settings. Replace defective
headmaster control valves only with “original” Manitowoc
replacement parts.
Operation
The R404A headmaster control valve is non adjustable.
At ambient temperatures of approximately 70°F (21.1°C)
or above, refrigerant flows through the valve from the
condenser to the receiver inlet. At temperatures below
this (or at higher temperatures if it is raining), the head
pressure control dome’s nitrogen charge closes the
condenser port and opens the bypass port from the
compressor discharge line.
In this modulating mode, the valve maintains minimum
head pressure by building up liquid in the condenser and
bypassing discharge gas directly to the receiver.
Diagnosing
1. Determine the air temperature entering the remote
condenser.
2. Determine if the head pressure is high or low in
relationship to the outside temperature. (Refer to the
proper “Operational Pressure Chart” later in this
section.) If the air temperature is below 70°F
(21.1°C), the head pressure should be modulating
about 225 PSIG.
3. Determine the temperature of the liquid line entering
the receiver by feeling it. This line is normally warm;
“body temperature.”
4. Using the information gathered, refer to the chart
below.
NOTE: A headmaster that will not bypass, will function
properly with condenser air temperatures of
approximately 70°F (21.1°C) or above. When the
temperature drops below 70°F (21.1°C), the headmaster
fails to bypass and the ice machine malfunctions. Lower
ambient conditions can be simulated by rinsing the
condenser with cool water during the freeze cycle.
Symptom Probable Cause Corrective Measure
Valve not maintaining pressures Non-approved valve Install a Manitowoc Headmaster control
valve with proper setting
Discharge pressure extremely high;
Liquid line entering receiver feels hot Valve stuck in bypass Replace valve
Discharge pressure low; Liquid line
entering receiver feels extremely cold Valve not bypassing Replace valve
Discharge pressure low; Liquid line
entering receiver feels warm to hot Ice machine low on charge See “Low on Charge Verification” on
Page 7-31

Section 7 Refrigeration System
Part No. 80-1100-3 7-31
LOW ON CHARGE VERIFICATION
The remote ice machine requires more refrigerant
charge at lower ambient temperatures than at higher
temperatures. A low on charge ice machine may
function properly during the day, and then malfunction at
night. Check this possibility.
If you cannot verify that the ice machine is low on
charge:
1. Add refrigerant in 2 lb. increments, but do not
exceed 6 lbs.
2. If the ice machine was low on charge, the
headmaster function and discharge pressure will
return to normal after the charge is added. Do not let
the ice machine continue to run. To assure operation
in all ambient conditions, the refrigerant leak must
be found and repaired, the liquid line drier must be
changed, and the ice machine must be evacuated
and properly recharged.
3. If the ice machine does not start to operate properly
after adding charge, replace the headmaster.
FAN CYCLE CONTROL VS. HEADMASTER
A fan cycle control cannot be used in place of a
headmaster. The fan cycle control is not capable of
bypassing the condenser coil and keeping the liquid line
temperature and pressure up.
This is very apparent when it rains or the outside
temperature drops. When it rains or the outside
temperature drops, the fan begins to cycle on and off. At
first, everything appears normal. But, as it continues
raining or getting colder, the fan cycle control can only
turn the fan off. All the refrigerant must continue to flow
through the condenser coil, being cooled by the rain or
low outside temperature.
This causes excessive sub-cooling of the refrigerant. As
a result, the liquid line temperature and pressure are not
maintained for proper operation.

Refrigeration System Section 7
7-32 Part No. 80-1100-3
Pressure Control Specifications and
Diagnostics
FAN CYCLE CONTROL
(Self-Contained Air-Cooled Models Only)
Function
Cycles the fan motor on and off to maintain proper
operating discharge pressure.
The fan cycle control closes on an increase, and opens
on a decrease in discharge pressure.
Specifications
Check Procedure
1. Verify fan motor windings are not open or grounded,
and fan spins freely.
2. Connect manifold gauges to ice machine.
3. Hook voltmeter in parallel across the fan cycle
control, leaving wires attached.
4. Refer to chart below.
HIGH PRESSURE CUT-OUT (HPCO) CONTROL
Function
Stops the ice machine if subjected to excessive high-
side pressure.
The HPCO control is normally closed, and opens on a
rise in discharge pressure.
Specifications
Cut-out: 450 psig ±10
Cut-in: Manual or automatic reset
(Must be below 300 psig to reset).
Check Procedure
1. Set ICE/OFF/CLEAN switch to OFF, (Manual reset
HPCO reset if tripped).
2. Connect manifold gauges.
3. Hook voltmeter in parallel across the HPCO, leaving
wires attached.
4. On water-cooled models, close the water service
valve to the water condenser inlet. On self-contained
air-cooled and remote models, disconnect the fan
motor.
5. Set ICE/OFF/CLEAN switch to ICE.
6. No water or air flowing through the condenser will
cause the HPCO control to open because of
excessive pressure. Watch the pressure gauge and
record the cut-out pressure.
Replace the HPCO control if it:
• Will not reset (below 300 psig)
• Does not open at the specified cut-out point
Model Cut-In (Close) Cut-Out (Open)
Q200/Q280
Q320/Q370/Q420
Q450/Q600 250 psig ±5 200 psig ±5
Q800/Q1000
Q1300/ Q1800 275 psig ±5 225 psig ±5
At: Reading Should Be: Fan Should Be:
above cut-in 0 volts running
below cut-out line voltage off
!
Warning
If discharge pressure exceeds 460 psig and the
HPCO control does not cut out, set ICE/OFF/
CLEAN switch to OFF to stop ice machine
operation.

Section 7 Refrigeration System
Part No. 80-1100-3 7-33
Cycle Time/24 Hour Ice Production/
Refrigerant Pressure Charts
Q200 SERIES
Self-Contained Air-Cooled
NOTE: These characteristics may vary depending on
operating conditions.
Cycle Times
Freeze Time + Harvest Time = Total Cycle Time
24 Hour Ice Production
Operating Pressures
Q200 SERIES
Self-Contained Water-Cooled
NOTE: These characteristics may vary depending on
operating conditions.
Cycle Times
Freeze Time + Harvest Time = Total Cycle Time
24 Hour Ice Production
Operating Pressures
Air Temp.
Entering
Condenser
°F/°C
Freeze Time Harvest
Time
Water Temperature °F/°C
50/10.0 70/21.1 90/32.2
70/21.1 11.5-13.5 13.8-16.1 15.2-17.8
1.0-2.5
80/26.7 13.8-16.1 15.6-18.2 17.0-19.8
90/32.2 16.1-18.7 18.6-21.6 20.5-23.8
100/37.8 19.8-23.0 23.6-27.4 25.5-29.6
Times in minutes
Air Temp.
Entering
Condenser
°F/°C
Water Temperature °F/°C
50/10.0 70/21.1 90/32.2
70/21.1 270 230 210
80/26.7 230 205 190
90/32.2 200 175 160
100/37.8 165 140 130
Based on average ice slab weight of 2.44 - 2.81 lb
Regular cube derate is 7%
Air Temp.
Entering
Condenser
°F/°C
Freeze Cycle Harvest Cycle
Discharge
Pressure
PSIG
Suction
Pressure
PSIG
Discharge
Pressure
PSIG
Suction
Pressure
PSIG
50/10.0 195-260 60-28 120-190 85-110
70/21.1 195-260 60-28 120-190 85-110
80/26.7 210-270 65-28 160-190 90-110
90/32.2 240-290 70-30 190-210 100-120
100/37.8 270-330 70-35 220-240 120-140
110/43.3 310-390 85-40 250-270 120-150
Suction pressure drops gradually throughout the freeze cycle
Air Temp.
Around Ice
Machine
°F/°C
Freeze Time Harvest
Time
Water Temperature °F/°C
50/10.0 70/21.1 90/32.2
70/21.1 11.5-13.5 12.8-15.0 14.5-16.9
1-2.5
80/26.7 12.0-14.1 13.5-15.7 15.2-17.8
90/32.2 12.6-14.7 14.1-16.5 16.1-18.7
100/37.8 13.1-15.4 14.8-17.3 17.0-19.8
Times in minutes
Air Temp.
Around Ice
Machine
°F/°C
Water Temperature °F/°C
50/10.0 70/21.1 90/32.2
70/21.1 270 245 220
80/26.7 260 235 210
90/32.2 250 225 200
100/37.8 240 215 190
Based on average ice slab weight of 2.44 - 2.81 lb
Regular cube derate is 7%
Condenser
Water
Consumption
90/32.2 Air Temperature
Around Ice Machine
Water Temperature °F/°C
50/10.0 70/21.1 90/32.2
Gal/24 hours 240 480 2100
Water regulating valve set to maintain 230 PSIG discharge pressure
Air Temp.
Around Ice
Machine
°F/°C
Freeze Cycle Harvest Cycle
Discharge
Pressure
PSIG
Suction
Pressure
PSIG
Discharge
Pressure
PSIG
Suction
Pressure
PSIG
50/10.0 225-235 60-28 170-200 90-110
70/21.1 225-235 60-28 170-200 90-110
80/26.7 225-240 60-28 175-205 90-110
90/32.2 225-245 65-30 175-205 90-115
100/37.8 225-250 70-32 180-210 90-115
110/43.3 225-260 75-34 185-215 90-120
Suction pressure drops gradually throughout the freeze cycle

Refrigeration System Section 7
7-34 Part No. 80-1100-3
Q280 SERIES
Self-Contained Air-Cooled
NOTE: These characteristics may vary depending on
operating conditions.
Cycle Times
Freeze Time + Harvest Time = Total Cycle Time
24 Hour Ice Production
Operating Pressures
Q280 SERIES
Self-Contained Water-Cooled
NOTE: These characteristics may vary depending on
operating conditions.
Cycle Times
Freeze Time + Harvest Time = Total Cycle Time
24 Hour Ice Production
Operating Pressures
Air Temp.
Entering
Condenser
°F/°C
Freeze Time Harvest
Time
Water Temperature °F/°C
50/10.0 70/21.1 90/32.2
70/21.1 10.6-12.5 11.8-13.8 12.6-14.7
1.0-2.5
80/26.7 11.5-13.5 12.8-15.0 13.8-16.1
90/32.2 12.6-14.7 14.1-16.5 15.2-17.8
100/37.8 14.5-16.9 16.5-19.3 18.0-21.0
Times in minutes
Air Temp.
Entering
Condenser
°F/°C
Water Temperature °F/°C
50/10.0 70/21.1 90/32.2
70/21.1 290 265 250
80/26.7 270 245 230
90/32.2 250 225 210
100/37.8 220 195 180
Based on average ice slab weight of 2.44 - 2.81 lb
Regular cube derate is 7%
Air Temp.
Entering
Condenser
°F/°C
Freeze Cycle Harvest Cycle
Discharg
e
Pressure
PSIG
Suction
Pressure
PSIG
Discharg
e
Pressure
PSIG
Suction
Pressure
PSIG
50/10.0 195-250 60-20 150-190 70-90
70/21.1 195-250 60-20 150-190 70-90
80/26.7 220-280 60-26 180-220 70-90
90/32.2 250-310 66-30 190-220 80-100
100/37.8 280-350 70-32 220-250 80-110
110/43.3 310-390 85-40 250-270 80-120
Suction pressure drops gradually throughout the freeze cycle
Air Temp.
Around Ice
Machine
°F/°C
Freeze Time Harvest
Time
Water Temperature °F/°C
50/10.0 70/21.1 90/32.2
70/21.1 10.6-12.5 12.0-14.1 12.3-14.4
1-2.5
80/26.7 10.8-12.7 12.3-14.4 13.8-16.1
90/32.2 11.0-13.0 12.6-14.7 14.1-16.5
100/37.8 11.3-13.2 12.8-15.0 14.5-16.9
Times in minutes
Air Temp.
Around Ice
Machine
°F/°C
Water Temperature °F/°C
50/10.0 70/21.1 90/32.2
70/21.1 290 260 255
80/26.7 285 255 230
90/32.2 280 250 225
100/37.8 275 245 220
Based on average ice slab weight of 2.44 - 2.81 lb
Regular cube derate is 7%
Condenser
Water
Consumption
90/32.2 Air Temperature
Around Ice Machine
Water Temperature °F/°C
50/10.0 70/21.1 90/32.2
Gal/24 hours 250 490 3400
Water regulating valve set to maintain 230 PSIG discharge pressure
Air Temp.
Around
Ice
Machine
°F/°C
Freeze Cycle Harvest Cycle
Discharge
Pressure
PSIG
Suction
Pressure
PSIG
Discharge
Pressure
PSIG
Suction
Pressure
PSIG
50/10.0 225-235 60-28 190-200 75-90
70/21.1 225-235 60-28 190-200 80-90
80/26.7 225-240 60-28 190-200 80-90
90/32.2 225-245 62-28 190-200 80-90
100/37.8 225-250 62-30 190-200 80-90
110/43.3 225-260 64-32 195-205 80-95
Suction pressure drops gradually throughout the freeze cycle

Section 7 Refrigeration System
Part No. 80-1100-3 7-35
Q320 SERIES
Self-Contained Air-Cooled
NOTE: These characteristics may vary depending on
operating conditions.
Cycle Times
Freeze Time + Harvest Time = Total Cycle Time
24 Hour Ice Production
Operating Pressures
Q320 SERIES
Self-Contained Water-Cooled
NOTE: These characteristics may vary depending on
operating conditions.
Cycle Times
Freeze Time + Harvest Time = Total Cycle Time
24 Hour Ice Production
Operating Pressures
Air Temp.
Entering
Condenser
°F/°C
Freeze Time Harvest
Time
Water Temperature °F/°C
50/10.0 70/21.1 90/32.2
70/21.1 12.2-13.9 13.1-14.9 14.2-16.2
1-2.5
80/26.7 13.6-15.5 14.8-16.8- 16.1-18.4
90/32.2 16.1-18.4 17.7-20.2 19.7-22.3
100/37.8 19.7-22.3 22.0-25.0 25.0-28.3
Times in minutes
Air Temp.
Entering
Condenser
°F/°C
Water Temperature °F/°C
50/10.0 70/21.1 90/32.2
70/21.1 310 290 270
80/26.7 280 260 240
90/32.2 240 220 200
100/37.8 200 180 160
Based on average ice slab weight of 2.94 - 3.31lb
Regular cube derate is 7%
Air Temp.
Entering
Condenser
°F/°C
Freeze Cycle Harvest Cycle
Discharg
e
Pressure
PSIG
Suction
Pressure
PSIG
Discharge
Pressure
PSIG
Suction
Pressure
PSIG
50/10.0 200-250 50-36 150-180 75-90
70/21.1 200-250 50-36 160-190 80-100
80/26.7 220-280 50-36 170-200 90-110
90/32.2 230-320 54-38 180-220 90-120
100/37.8 270-360 56-40 200-250 95-140
110/43.3 280-380 58-42 210-260 95-150
Suction pressure drops gradually throughout the freeze cycle
Air Temp.
Around Ice
Machine
°F/°C
Freeze Time Harvest
Time
Water Temperature °F/°C
50/10.0 70/21.1 90/32.2
70/21.1 12.6-14.4 13.6-15.5 15.4-17.6
1-2.5
80/26.7 13.1-14.9 14.2-16.2 16.1-18.4
90/32.2 13.6-15.5 14.8-16.8 16.9-19.2
100/37.8 14.2-16.2 15.4-17.6 17.7-20.2
Times in minutes
Air Temp.
Around Ice
Machine
°F/°C
Water Temperature °F/°C
50/10.0 70/21.1 90/32.2
70/21.1 300 280 250
80/26.7 290 270 240
90/32.2 280 260 230
100/37.8 270 250 220
Based on average ice slab weight of 2.94 - 3.31 lb
Regular cube derate is 7%
Condenser
Water
Consumption
90/32.2 Air Temperature
Around Ice Machine
Water Temperature °F/°C
50/10.0 70/21.1 90/32.2
Gal/24 hours 270 560 3200
Water regulating valve set to maintain 230 PSIG discharge pressure
Air Temp.
Around Ice
Machine
°F/°C
Freeze Cycle Harvest Cycle
Discharg
e
Pressure
PSIG
Suction
Pressure
PSIG
Discharge
Pressure
PSIG
Suction
Pressure
PSIG
50/10.0 225-235 50-36 160-180 80-110
70/21.1 225-235 50-36 170-190 85-115
80/26.7 225-240 50-36 170-200 85-115
90/32.2 225-250 50-36 170-210 90-120
100/37.8 225-260 52-36 170-210 90-120
110/43.3 225-265 54-36 175-215 95-125
Suction pressure drops gradually throughout the freeze cycle

Refrigeration System Section 7
7-36 Part No. 80-1100-3
Q370 SERIES
Self-Contained Air-Cooled
NOTE: These characteristics may vary depending on
operating conditions.
Cycle Times
Freeze Time + Harvest Time = Total Cycle Time
24 Hour Ice Production
Operating Pressures
Q370 SERIES
Self-Contained Water-Cooled
NOTE: These characteristics may vary depending on
operating conditions.
Cycle Times
Freeze Time + Harvest Time = Total Cycle Time
24 Hour Ice Production
Operating Pressures
Air Temp.
Entering
Condenser
°F/°C
Freeze Time Harvest
Time
Water Temperature °F/°C
50/10.0 70/21.1 90/32.2
70/21.1 10.3-11.7 11.7-13.4 12.6-14.4
1-2.5
80/26.7 11.3-12.9 12.6-14.4 13.9-15.8
90/32.2 12.9-14.7 13.9-15.8 15.4-17.6
100/37.8 14.5-16.5 16.1-18.4 17.3-19.7
Times in minutes
Air Temp.
Entering
Condenser
°F/°C
Water Temperature °F/°C
50/10.0 70/21.1 90/32.2
70/21.1 360 320 300
80/26.7 330 300 275
90/32.2 295 275 250
100/37.8 265 240 225
Based on average ice slab weight of 2.94 - 3.31lb
Air Temp.
Entering
Condenser
°F/°C
Freeze Cycle Harvest Cycle
Discharg
e
Pressure
PSIG
Suction
Pressure
PSIG
Discharge
Pressure
PSIG
Suction
Pressure
PSIG
50/10.0 200-250 60-34 145-165 75-95
70/21.1 215-250 60-36 150-170 85-100
80/26.7 250-290 65-38 165-185 90-110
90/32.2 260-330 70-40 175-195 100-120
100/37.8 300-380 80-41 195-220 130-150
110/43.3 310-390 80-42 200-225 135-155
Suction pressure drops gradually throughout the freeze cycle
Air Temp.
Around Ice
Machine
°F/°C
Freeze Time Harvest
Time
Water Temperature °F/°C
50/10.0 70/21.1 90/32.2
70/21.1 10.3-11.7 11.0-12.5 12.2-13.9
1-2.5
80/26.7 10.6-12.1 11.3-12.9 12.6-14.4
90/32.2 11.0-12.5 11.7-13.4 13.1-14.4
100/37.8 11.3-12.9 12.2-13.9 13.6-15.5
Times in minutes
Air Temp.
Around Ice
Machine
°F/°C
Water Temperature °F/°C
50/10.0 70/21.1 90/32.2
70/21.1 360 340 310
80/26.7 350 330 300
90/32.2 340 320 290
100/37.8 330 310 280
Based on average ice slab weight of 2.94 - 3.31lb
Condenser
Water
Consumption
90/32.2 Air Temperature
Around Ice Machine
Water Temperature °F/°C
50/10.0 70/21.1 90/32.2
Gal/24 hours 220 490 3700
Water regulating valve set to maintain 230 PSIG discharge pressure
Air Temp.
Around Ice
Machine
°F/°C
Freeze Cycle Harvest Cycle
Discharg
e
Pressure
PSIG
Suction
Pressure
PSIG
Discharge
Pressure
PSIG
Suction
Pressure
PSIG
50/10.0 225-235 60-32 150-170 85-100
70/21.1 225-235 60-33 150-170 85-105
80/26.7 225-240 65-36 155-175 90-110
90/32.2 225-240 68-38 155-175 90-110
100/37.8 235-260 75-40 175-200 100-120
110/43.3 240-265 85-40 185-205 105-125
Suction pressure drops gradually throughout the freeze cycle

Section 7 Refrigeration System
Part No. 80-1100-3 7-37
Q420/450 SERIES
Self-Contained Air-Cooled
NOTE: These characteristics may vary depending on
operating conditions.
Cycle Times
Freeze Time + Harvest Time = Total Cycle Time
24 Hour Ice Production
Operating Pressures
Q420/450 SERIES
Self-Contained Water-Cooled
NOTE: These characteristics may vary depending on
operating conditions.
Cycle Times
Freeze Time + Harvest Time = Total Cycle Time
24 Hour Ice Production
Operating Pressures
Air Temp.
Entering
Condenser
°F/°C
Freeze Time Harvest
Time
Water Temperature °F/°C
50/10.0 70/21.1 90/32.2
70/21.1 9.7-11.4 10.9-12.8 12.0-14.0
1-2.5
80/26.7 10.9-12.8 12.3-14.4 13.3-15.6
90/32.2 12.3-14.4 14.1-16.5 15.5-18.0
100/37.8 14.5-17.0 16.5-19.2 18.3-21.3
Times in minutes
Air Temp.
Entering
Condenser
°F/°C
Water Temperature °F/°C
50/10.0 70/21.1 90/32.2
70/21.1 530 480 440
80/26.7 480 430 400
90/32.2 430 380 350
100/37.8 370 330 300
Based on average ice slab weight of 4.12 - 4.75lb
Regular cube derate is 7%
Air Temp.
Entering
Condenser
°F/°C
Freeze Cycle Harvest Cycle
Discharg
e
Pressure
PSIG
Suction
Pressure
PSIG
Discharge
Pressure
PSIG
Suction
Pressure
PSIG
50/10.0 195-260 45-30 150-170 75-90
70/21.1 200-260 47-33 165-180 80-100
80/26.7 230-265 50-35 165-185 80-100
90/32.2 260-290 55-36 190-210 90-110
100/37.8 290-340 60-38 215-235 105-125
110/43.3 195-260 45-30 235-255 125-140
Suction pressure drops gradually throughout the freeze cycle
Air Temp.
Around Ice
Machine
°F/°C
Freeze Time Harvest
Time
Water Temperature °F/°C
50/10.0 70/21.1 90/32.2
70/21.1 9.9-11.7 11.4-13.4 12.6-14.8
1-2.5
80/26.7 10.1-11.9 11.7-13.7 13.0-15.2
90/32.2 10.4-12.2 12.0-14.0 13.3-15.6
100/37.8 10.6-12.5 12.3-14.4 13.7-16.0
Times in minutes
Air Temp.
Around Ice
Machine
°F/°C
Water Temperature °F/°C
50/10.0 70/21.1 90/32.2
70/21.1 520 460 420
80/26.7 510 450 410
90/32.2 500 440 400
100/37.8 490 430 390
Based on average ice slab weight of 4.12 - 4.75 lb.
Regular cube derate is 7%
Condenser
Water
Consumption
90/32.2 Air Temperature
Around Ice Machine
Water Temperature °F/°C
50/10.0 70/21.1 90/32.2
Gal/24 hours 400 740 2400
Water regulating valve set to maintain 230 PSIG discharge pressure
Air Temp.
Around Ice
Machine
°F/°C
Freeze Cycle Harvest Cycle
Discharg
e
Pressure
PSIG
Suction
Pressure
PSIG
Discharge
Pressure
PSIG
Suction
Pressure
PSIG
50/10.0 235-245 50-35 165-180 85-100
70/21.1 235-245 50-35 165-180 85-100
80/26.7 235-245 50-35 165-180 85-100
90/32.2 235-245 52-35 165-180 85-100
100/37.8 235-245 52-35 165-185 85-100
110/43.3 240-250 55-36 165-185 85-100
Suction pressure drops gradually throughout the freeze cycle

Refrigeration System Section 7
7-38 Part No. 80-1100-3
Q450 SERIES
Remote
NOTE: These characteristics may vary depending on
operating conditions.
Cycle Times
Freeze Time + Harvest Time = Total Cycle Time
24 Hour Ice Production
Operating Pressures
Q600 SERIES
Self-Contained Air-Cooled
NOTE: These characteristics may vary depending on
operating conditions.
Cycle Times
Freeze Time + Harvest Time = Total Cycle Time
24 Hour Ice Production
Operating Pressures
Air Temp.
Entering
Condenser
°F/°C
Freeze Time Harvest
Time
Water Temperature °F/°C
50/10.0 70/21.1 90/32.2
-20/-28.9 to
70/21.1 10.6-12.5 12.0-14.0 13.3-15.6
1-2.5
80/26.7 10.9-12.8 12.3-14.4 13.7-16.0
90/32.2 11.1-13.1 12.6-14.8 14.1-16.5
100/37.8 12.0-14.0 13.7-16.0 15.5-18.0
110/43.3 13.3-15.6 15.5-18.0 17.6-20.6
Times in minutes
Air Temp.
Entering
Condenser
°F/°C
Water Temperature °F/°C
50/10.0 70/21.1 90/32.2
-20/-28.9 to
70/21.1 490 440 400
80/26.7 480 430 390
90/32.2 470 420 380
100/37.8 440 390 350
110/43.3 400 350 310
Based on average ice slab weight of 4.12- 4.75lb
Regular cube derate is 7%
Ratings with JC0495 condenser, dice or half dice cubes
Air Temp.
Entering
Condenser
°F/°C
Freeze Cycle Harvest Cycle
Discharg
e
Pressure
PSIG
Suction
Pressure
PSIG
Discharge
Pressure
PSIG
Suction
Pressure
PSIG
-20/-28.9 to
50/10.0 225-245 50-32 175-190 85-100
70/21.1 230-250 50-32 175-190 85-100
80/26.7 240-260 52-32 180-195 85-100
90/32.2 245-270 54-35 185-200 85-100
100/37.8 280-310 57-37 190-205 90-105
110/43.3 290-325 64-39 190-205 95-110
Suction pressure drops gradually throughout the freeze cycle
Air Temp.
Entering
Condenser
°F/°C
Freeze Time Harvest
Time
Water Temperature °F/°C
50/10.0 70/21.1 90/32.2
70/21.1 7.1-8.4 7.8-9.2 8.6-10.1
1-2.5
80/26.7 7.8-9.2 8.6-10.1 9.5-11.2
90/32.2 8.6-10.1 9.5-11.2 10.4-12.2
100/37.8 9.5-11.2 10.6-12.5 12.0-14.0
Times in minutes
Air Temp.
Entering
Condenser
°F/°C
Water Temperature °F/°C
50/10.0 70/21.1 90/32.2
70/21.1 690 640 590
80/26.7 640 590 540
90/32.2 590 540 500
100/37.8 540 490 440
Based on average ice slab weight of 4.12- 4.75lb
Regular cube derate is 7%
Air Temp.
Entering
Condenser
°F/°C
Freeze Cycle Harvest Cycle
Discharg
e
Pressure
PSIG
Suction
Pressure
PSIG
Discharge
Pressure
PSIG
Suction
Pressure
PSIG
50/10.0 195-260 42-22 155-180 75-95
70/21.1 220-290 44-22 160-185 85-100
80/26.7 220-305 52-22 160-190 90-110
90/32.2 250-325 52-23 175-195 95-115
100/37.8 280-355 54-30 195-210 95-125
110/43.3 300-385 56-32 200-225 100-135
Suction pressure drops gradually throughout the freeze cycle

Section 7 Refrigeration System
Part No. 80-1100-3 7-39
Q600 SERIES
Self-Contained Water-Cooled
NOTE: These characteristics may vary depending on
operating conditions.
Cycle Times
Freeze Time + Harvest Time = Total Cycle Time
24 Hour Ice Production
Operating Pressures
Q600 SERIES
Remote
NOTE: These characteristics may vary depending on
operating conditions.
Cycle Times
Freeze Time + Harvest Time = Total Cycle Time
24 Hour Ice Production
Operating Pressures
Air Temp.
Around Ice
Machine
°F/°C
Freeze Time Harvest
Time
Water Temperature °F/°C
50/10.0 70/21.1 90/32.2
70/21.1 7.4-8.7 8.2-9.7 9.5-11.2
1-2.5
80/26.7 7.5-8.9 8.4-9.9 9.7-11.4
90/32.2 7.8-9.2 8.7-10.3 9.9-11.7
100/37.8 7.9-9.4 8.9-10.5 10.1-11.9
Times in minutes
Air Temp.
Around Ice
Machine
°F/°C
Water Temperature °F/°C
50/10.0 70/21.1 90/32.2
70/21.1 670 610 540
80/26.7 660 600 530
90/32.2 640 580 520
100/37.8 630 570 510
Based on average ice slab weight of 4.12 - 4.75 lb
Regular cube derate is 7%
Condenser
Water
Consumption
90/32.2 Air Temperature
Around Ice Machine
Water Temperature °F/°C
50/10.0 70/21.1 90/32.2
Gal/24 hours 600 1250 6800
Water regulating valve set to maintain 230 PSIG discharge pressure
Air Temp.
Around Ice
Machine
°F/°C
Freeze Cycle Harvest Cycle
Discharg
e
Pressure
PSIG
Suction
Pressure
PSIG
Discharg
e
Pressure
PSIG
Suction
Pressure
PSIG
50/10.0 225-235 46-25 140-184 80-102
70/21.1 225-235 46-26 148-184 82-104
80/26.7 225-235 48-26 154-186 86-108
90/32.2 225-240 48-26 154-190 86-108
100/37.8 225-245 50-28 162-194 86-112
110/43.3 225-250 52-28 165-200 86-115
Suction pressure drops gradually throughout the freeze cycle
Air Temp.
Entering
Condenser
°F/°C
Freeze Time Harvest
Time
Water Temperature °F/°C
50/10.0 70/21.1 90/32.2
-20/-28.9 to
70/21.1 7.9-9.4 8.9-10.5 9.5-11.2
1-2.5
80/26.7 8.0-9.4 9.0-10.6 9.6-11.3
90/32.2 8.1-9.5 9.1-10.7 9.7-11.4
100/37.8 8.4-9.9 9.5-11.2 10.1-11.9
110/43.3 8.9-10.5 10.1-11.9 10.9-12.8
Times in minutes
Air Temp.
Entering
Condenser
°F/°C
Water Temperature °F/°C
50/10.0 70/21.1 90/32.2
-20/-28.9 to
70/21.1 630 570 540
80/26.7 625 565 535
90/32.2 620 560 530
100/37.8 600 540 510
110/43.3 570 510 480
Based on average ice slab weight of 4.12- 4.75 lb
Regular cube derate is 7%
Ratings with JC0895 condenser, dice or half dice cubes
Air Temp.
Entering
Condenser
°F/°C
Freeze Cycle Harvest Cycle
Discharg
e
Pressure
PSIG
Suction
Pressure
PSIG
Discharg
e
Pressure
PSIG
Suction
Pressure
PSIG
-20/-28.9 to
50/10.0 220-250 42-26 152-170 75-100
70/21.1 225-260 44-26 155-172 82-100
80/26.7 245-265 46-26 156-174 82-100
90/32.2 250-265 48-26 157-174 84-100
100/37.8 265-295 52-26 158-176 84-100
110/43.3 300-335 52-28 158-176 84-105
Suction pressure drops gradually throughout the freeze cycle

Refrigeration System Section 7
7-40 Part No. 80-1100-3
Q800 SERIES
Self-Contained Air-Cooled
NOTE: These characteristics may vary depending on
operating conditions.
Cycle Times
Freeze Time + Harvest Time = Total Cycle Time
24 Hour Ice Production
Operating Pressures
Q800 SERIES
Self-Contained Water-Cooled
NOTE: These characteristics may vary depending on
operating conditions.
Cycle Times
Freeze Time + Harvest Time = Total Cycle Time
24 Hour Ice Production
Operating Pressures
Air Temp.
Entering
Condenser
°F/°C
Freeze Time Harvest
Time
Water Temperature °F/°C
50/10.0 70/21.1 90/32.2
70/21.1 8.9-10.2 9.7-11.1 10.3-11.9
1-2.5
80/26.7 9.3-10.7 10.2-11.7 10.9-12.5
90/32.2 10.3-11.9 11.4-13.1 12.3-14.1
100/37.8 12.1-13.8 13.3-15.2 14.4-16.5
Times in minutes
Air Temp.
Entering
Condenser
°F/°C
Water Temperature °F/°C
50/10.0 70/21.1 90/32.2
70/21.1 800 740 700
80/26.7 770 710 670
90/32.2 700 640 600
100/37.8 610 560 520
Based on average ice slab weight of 5.75- 6.50 lb
Regular cube derate is 7%
Air Temp.
Entering
Condenser
°F/°C
Freeze Cycle Harvest Cycle
Discharg
e
Pressure
PSIG
Suction
Pressure
PSIG
Discharg
e
Pressure
PSIG
Suction
Pressure
PSIG
50/10.0 220-280 31-18 135-180 65-90
70/21.1 220-280 32-18 140-180 70-90
80/26.7 225-280 36-20 140-180 70-95
90/32.2 260-295 38-22 150-200 80-100
100/37.8 300-330 40-24 210-225 80-100
110/43.3 320-360 44-26 210-240 85-120
Suction pressure drops gradually throughout the freeze cycle
Air Temp.
Around Ice
Machine
°F/°C
Freeze Time Harvest
Time
Water Temperature °F/°C
50/10.0 70/21.1 90/32.2
70/21.1 8.7-10.1 9.5-11.0 10.9-12.5
1-2.5
80/26.7 8.9-10.2 9.7-11.1 11.0-12.7
90/32.2 9.0-10.3 9.8-11.3 11.2-12.9
100/37.8 9.1-10.5 10.0-11.5 11.4-13.1
Times in minutes
Air Temp.
Around Ice
Machine
°F/°C
Water Temperature °F/°C
50/10.0 70/21.1 90/32.2
70/21.1 810 750 670
80/26.7 800 740 660
90/32.2 790 730 650
100/37.8 780 720 640
Based on average ice slab weight of 5.75- 6.50lb
Regular cube derate is 7%
Condenser
Water
Consumption
90/32.2 Air Temperature
Around Ice Machine
Water Temperature °F/°C
50/10.0 70/21.1 90/32.2
Gal/24 hours 640 1420 6000
Water regulating valve set to maintain 230 PSIG discharge pressure
Air Temp.
Around Ice
Machine
°F/°C
Freeze Cycle Harvest Cycle
Discharg
e
Pressure
PSIG
Suction
Pressure
PSIG
Discharg
e
Pressure
PSIG
Suction
Pressure
PSIG
50/10.0 225-235 33-20 160-185 65-85
70/21.1 225-235 34-20 165-185 70-85
80/26.7 225-235 34-20 165-185 70-85
90/32.2 225-235 36-22 165-185 70-85
100/37.8 225-235 36-22 165-185 70-85
110/43.3 225-240 38-24 170-190 75-90
Suction pressure drops gradually throughout the freeze cycle

Section 7 Refrigeration System
Part No. 80-1100-3 7-41
Q800 SERIES
Remote
NOTE: These characteristics may vary depending on
operating conditions.
Cycle Times
Freeze Time + Harvest Time = Total Cycle Time
24 Hour Ice Production
Operating Pressures
Q1000 SERIES
Self-Contained Air-Cooled
NOTE: These characteristics may vary depending on
operating conditions.
Cycle Times
Freeze Time + Harvest Time = Total Cycle Time
24 Hour Ice Production
Operating Pressures
Air Temp.
Entering
Condenser
°F/°C
Freeze Time Harvest
Time
Water Temperature °F/°C
50/10.0 70/21.1 90/32.2
-20/-28.9 to
70/21.1 9.5-11.0 10.6-12.2 11.6-13.4
1-2.5
80/26.7 9.7-11.1 10.8-12.4 11.9-13.6
90/32.2 9.8-11.3 11.0-12.6 12.1-13.8
100/37.8 10.6-12.2 11.9-13.6 13.2-15.1
110/43.3 11.9-13.6 13.4-15.4 14.7-16.9
Times in minutes
Air Temp.
Entering
Condenser
°F/°C
Water Temperature °F/°C
50/10.0 70/21.1 90/32.2
-20/-28.9 to
70/21.1 750 685 630
80/26.7 740 675 620
90/32.2 730 665 610
100/37.8 685 620 565
110/43.3 620 555 510
Based on average ice slab weight of 5.75- 6.50lb
Regular cube derate is 7%
Ratings with JC0895 condenser, dice or half dice cubes
Air Temp.
Entering
Condenser
°F/°C
Freeze Cycle Harvest Cycle
Discharg
e
Pressure
PSIG
Suction
Pressure
PSIG
Discharg
e
Pressure
PSIG
Suction
Pressure
PSIG
-20/-28.9 to
50/10.0 220-250 30-22 180-200 65-90
70/21.1 225-250 32-22 190-200 70-90
80/26.7 240-260 33-22 190-205 70-90
90/32.2 255-265 34-22 195-205 70-90
100/37.8 275-295 38-24 200-210 70-90
110/43.3 280-320 40-26 200-225 75-100
Suction pressure drops gradually throughout the freeze cycle
Air Temp.
Entering
Condenser
°F/°C
Freeze Time Harvest
Time
Water Temperature °F/°C
50/10.0 70/21.1 90/32.2
70/21.1 9.9-10.6 10.6-11.4 11.3-12.2
1-2.5
80/26.7 10.2-11.0 11.2-12.0 11.9-12.8
90/32.2 10.9-11.7 11.9-12.8 12.8-13.7
100/37.8 12.1-13.0 13.2-14.1 14.2-15.2
Times in minutes
Air Temp.
Entering
Condenser
°F/°C
Water Temperature °F/°C
50/10.0 70/21.1 90/32.2
70/21.1 980 920 870
80/26.7 950 880 830
90/32.2 900 830 780
100/37.8 820 760 710
Based on average ice slab weight of 7.75 - 8.25lb
Regular cube derate is 7%
Air Temp.
Entering
Condenser
°F/°C
Freeze Cycle Harvest Cycle
Discharg
e
Pressure
PSIG
Suction
Pressure
PSIG
Discharg
e
Pressure
PSIG
Suction
Pressure
PSIG
50/10.0 220-280 38-18 135-180 65-90
70/21.1 220-280 40-18 140-180 70-90
80/26.7 225-280 42-20 140-180 70-95
90/32.2 260-295 42-22 150-200 80-100
100/37.8 300-330 42-24 210-225 80-100
110/43.3 320-360 44-24 210-240 85-120
Suction pressure drops gradually throughout the freeze cycle

Refrigeration System Section 7
7-42 Part No. 80-1100-3
Q1000 SERIES
Self-Contained Water-Cooled
NOTE: These characteristics may vary depending on
operating conditions.
Cycle Times
Freeze Time + Harvest Time = Total Cycle Time
24 Hour Ice Production
Operating Pressures
Q1000 SERIES
Remote
NOTE: These characteristics may vary depending on
operating conditions.
Cycle Times
Freeze Time + Harvest Time = Total Cycle Time
24 Hour Ice Production
Operating Pressures
Air Temp.
Around Ice
Machine
°F/°C
Freeze Time Harvest
Time
Water Temperature °F/°C
50/10.0 70/21.1 90/32.2
70/21.1 10.0-10.7 10.6-11.4 12.1-13.0
1-2.5
80/26.7 10.1-10.9 10.8-11.6 12.3-13.2
90/32.2 10.2-11.0 10.9-11.7 12.5-14.3
100/37.8 10.4-11.1 11.0-11.8 12.6-14.4
Times in minutes
Air Temp.
Around Ice
Machine
°F/°C
Water Temperature °F/°C
50/10.0 70/21.1 90/32.2
70/21.1 970 920 820
80/26.7 960 910 810
90/32.2 950 900 800
100/37.8 940 890 790
Based on average ice slab weight of 7.75- 8.25lb
Regular cube derate is 7%
Condenser
Water
Consumption
90/32.2 Air Temperature
Around Ice Machine
Water Temperature °F/°C
50/10.0 70/21.1 90/32.2
Gal/24 hours 750 1500 6200
Water regulating valve set to maintain 230 PSIG discharge pressure
Air Temp.
Around Ice
Machine
°F/°C
Freeze Cycle Harvest Cycle
Discharg
e
Pressure
PSIG
Suction
Pressure
PSIG
Discharg
e
Pressure
PSIG
Suction
Pressure
PSIG
50/10.0 225-235 36-18 160-185 65-85
70/21.1 225-235 38-18 165-185 70-85
80/26.7 225-235 40-18 165-185 70-85
90/32.2 225-235 40-20 165-185 70-85
100/37.8 225-235 40-20 165-185 70-85
110/43.3 225-240 42-20 170-190 75-90
Suction pressure drops gradually throughout the freeze cycle
Air Temp.
Entering
Condenser
°F/°C
Freeze Time Harvest
Time
Water Temperature °F/°C
50/10.0 70/21.1 90/32.2
-20/-28.9 to
70/21.1 10.5-11.3 11.3-12.2 12.1-13.0
1-2.5
80/26.7 10.7-11.5 11.5-12.3 12.3-13.2
90/32.2 10.8-11.6 11.6-12.5 12.5-13.4
100/37.8 11.5-12.3 12.5-13.4 13.4-14.3
110/43.3 12.3-13.2 13.4-14.3 14.4-15.5
Times in minutes
Air Temp.
Entering
Condenser
°F/°C
Water Temperature °F/°C
50/10.0 70/21.1 90/32.2
-20/-28.9 to
70/21.1 930 870 820
80/26.7 915 860 810
90/32.2 906 850 800
100/37.8 860 800 750
110/43.3 810 750 700
Based on average ice slab weight of 7.75- 8.25lb
Regular cube derate is 7%
Ratings with JC1095 condenser, dice or half dice cubes
Air Temp.
Entering
Condenser
°F/°C
Freeze Cycle Harvest Cycle
Discharg
e
Pressure
PSIG
Suction
Pressure
PSIG
Discharge
Pressure
PSIG
Suction
Pressure
PSIG
-20/-28.9 to
50/10.0 220-250 40-22 180-200 65-90
70/21.1 225-250 40-22 190-200 70-90
80/26.7 240-260 42-22 190-205 70-90
90/32.2 255-265 44-22 195-205 70-90
100/37.8 275-295 44-24 200-210 70-90
110/43.3 280-320 46-26 200-225 75-100
Suction pressure drops gradually throughout the freeze cycle

Section 7 Refrigeration System
Part No. 80-1100-3 7-43
Q1300 SERIES
Self-Contained Air-Cooled
NOTE: These characteristics may vary depending on
operating conditions.
Cycle Times
Freeze Time + Harvest Time = Total Cycle Time
24 Hour Ice Production
Operating Pressures
Q1300 SERIES
Self-Contained Water-Cooled
NOTE: These characteristics may vary depending on
operating conditions.
Cycle Times
Freeze Time + Harvest Time = Total Cycle Time
24 Hour Ice Production
Operating Pressures
Air Temp.
Entering
Condenser
°F/°C
Freeze Time Harvest
Time
Water Temperature °F/°C
50/10.0 70/21.1 90/32.2
70/21.1 9.4-10.5 9.9-11.1 10.9-12.2
1-2.5
80/26.7 9.9-11.1 10.6-11.8 11.6-12.9
90/32.2 11.0-12.3 11.5-12.8 12.8-14.2
100/37.8 12.3-13.7 13.2-14.7 14.7-16.3
Times in minutes
Air Temp.
Entering
Condenser
°F/°C
Water Temperature °F/°C
50/10.0 70/21.1 90/32.2
70/21.1 1320 1260 1160
80/26.7 1260 1190 1100
90/32.2 1150 1110 1010
100/37.8 1040 980 890
Based on average ice slab weight of 10.0- 11.0 lb
Regular cube derate is 7%
Air Temp.
Entering
Condenser
°F/°C
Freeze Cycle Harvest Cycle
Discharg
e
Pressure
PSIG
Suction
Pressure
PSIG
Discharg
e
Pressure
PSIG
Suction
Pressure
PSIG
50/10.0 220-280 40-20 140-170 65-80
70/21.1 220-280 40-20 145-170 70-80
80/26.7 220-280 42-22 150-185 70-80
90/32.2 245-300 48-26 160-190 70-85
100/37.8 275-330 50-26 160-210 70-90
110/43.3 280-360 52-28 165-225 75-100
Suction pressure drops gradually throughout the freeze cycle
Air Temp.
Around Ice
Machine
°F/°C
Freeze Time Harvest
Time
Water Temperature °F/°C
50/10.0 70/21.1 90/32.2
70/21.1 9.0-10.1 9.8-10.9 11.4-12.6
1-2.5
80/26.7 9.1-10.1 9.8-11.0 11.6-12.9
90/32.2 9.2-10.3 10.0-11.2 12.0-13.3
100/37.8 9.4-10.5 10.1-11.3 12.2-13.6
Times in minutes
Air Temp.
Around Ice
Machine
°F/°C
Water Temperature °F/°C
50/10.0 70/21.1 90/32.2
70/21.1 1370 1280 1120
80/26.7 1360 1270 1100
90/32.2 1340 1250 1070
100/37.8 1320 1240 1050
Based on average ice slab weight of 10.0 - 11.0 lb
Regular cube derate is 7%
Condenser
Water
Consumption
90/32.2 Air Temperature
Around Ice Machine
Water Temperature °F/°C
50/10.0 70/21.1 90/32.2
Gal/24 hours 1150 2220 7400
Water regulating valve set to maintain 240 PSIG discharge pressure
Air Temp.
Around Ice
Machine
°F/°C
Freeze Cycle Harvest Cycle
Discharg
e
Pressure
PSIG
Suction
Pressure
PSIG
Discharge
Pressure
PSIG
Suction
Pressure
PSIG
50/10.0 235-245 40-18 150-180 70-80
70/21.1 235-245 40-18 150-180 70-80
80/26.7 235-245 40-20 150-180 70-80
90/32.2 235-250 42-20 150-180 70-80
100/37.8 235-255 44-20 150-180 70-80
110/43.3 240-265 46-20 150-180 70-80
Suction pressure drops gradually throughout the freeze cycle

Refrigeration System Section 7
7-44 Part No. 80-1100-3
Q1300 SERIES
Remote
NOTE: These characteristics may vary depending on
operating conditions.
Cycle Times
Freeze Time + Harvest Time = Total Cycle Time
24 Hour Ice Production
Operating Pressures
Q1600 SERIES
Self-Contained Water-Cooled
NOTE: These characteristics may vary depending on
operating conditions.
Cycle Times
Freeze Time + Harvest Time = Total Cycle Time
24 Hour Ice Production
Operating Pressures
Air Temp.
Entering
Condenser
°F/°C
Freeze Time Harvest
Time
Water Temperature °F/°C
50/10.0 70/21.1 90/32.2
-20/-28.9 to
70/21.1 9.9-11.1 10.9-12.2 11.7-13.0
1-2.5
80/26.7 10.0-11.2 11.0-12.3 11.1-12.4
90/32.2 10.1-11.3 11.1-12.4 10.7-11.9
100/37.8 10.8-12.0 11.8-13.2 12.8-14.2
110/43.3 11.7-13.0 12.9-14.3 13.8-15.4
Times in minutes
Air Temp.
Entering
Condenser
°F/°C
Water Temperature °F/°C
50/10.0 70/21.1 90/32.2
-20/-28.9 to
70/21.1 1260 1160 1090
80/26.7 1250 1150 1140
90/32.2 1240 1140 1180
100/37.8 1170 1080 1010
110/43.3 1090 1000 940
Based on average ice slab weight of 10.0- 11.0 lb
Ratings with JC1395 condenser, dice or half dice cubes
Air Temp.
Entering
Condenser
°F/°C
Freeze Cycle Harvest Cycle
Discharg
e
Pressure
PSIG
Suction
Pressure
PSIG
Discharge
Pressure
PSIG
Suction
Pressure
PSIG
-20/-28.9 to
50/10.0 220-250 40-22 135-170 75-95
70/21.1 240-260 40-22 140-180 80-95
80/26.7 240-270 41-22 140-190 80-95
90/32.2 250-290 42-22 140-200 80-95
100/37.8 280-320 46-22 140-210 80-95
110/43.3 310-360 48-24 140-220 85-100
Suction pressure drops gradually throughout the freeze cycle
Air Temp.
Entering
Condenser
°F/°C
Freeze Time Harvest
Time
Water Temperature °F/°C
50/10.0 70/21.1 90/32.2
70/21.1 7.2-8.1 8.0-9.0 8.9-9.9
1-2.580/26.7 7.3-8.2 8.1-9.1 9.2-10.2
90/32.2 7.4-8.2 8.2-9.1 9.6-10.7
100/37.8 7.4-8.3 8.4-9.4 9.7-10.8
Times in minutes
Air Temp.
Entering
Condenser
°F/°C
Water Temperature °F/°C
50/10.0 70/21.1 90/32.2
70/21.1 1650 1510 1390
80/26.7 1635 1500 1350
90/32.2 1625 1490 1300
100/37.8 1620 1450 1290
70/21.1 1650 1510 1390
Based on average ice slab weight of 13.0 -14.12 lb
Condenser
Water
Consumption
90/32.2 Air Temperature
Around Ice Machine
Water Temperature °F/°C
50/10.0 70/21.1 90/32.2
Gal/24 hours 1400 2235 6500
Water regulating valve set to maintain 240 PSIG discharge pressure
Air Temp.
Entering
Condenser
°F/°C
Freeze Cycle Harvest Cycle
Discharge
Pressure
PSIG
Suction
Pressure
PSIG
Discharge
Pressure
PSIG
Suction
Pressure
PSIG
-20/-28.9 to
50/10.0 235-245 48-24 145-170 70-90
70/21.1 235-265 52-26 150-175 70-90
80/26.7 235-270 52-26 150-175 75-95
90/32.2 235-280 52-28 155-180 75-95
100/37.8 240-285 52-28 155-180 80-100
110/43.3 240-290 54-28 155-185 80-100
Suction pressure drops gradually throughout the freeze cycle

Section 7 Refrigeration System
Part No. 80-1100-3 7-45
Q1600 SERIES
Remote
NOTE: These characteristics may vary depending on
operating conditions.
Cycle Times
Freeze Time + Harvest Time = Total Cycle Time
24 Hour Ice Production
Operating Pressures
Q1800 SERIES
Self-Contained Air-Cooled
NOTE: These characteristics may vary depending on
operating conditions.
Cycle Times
Freeze Time + Harvest Time = Total Cycle Time
24 Hour Ice Production
Operating Pressures
Air Temp.
Entering
Condenser
°F/°C
Freeze Time Harvest
Time
Water Temperature °F/°C
50/10.0 70/21.1 90/32.2
-20 to 70
-29 to 21.1 7.5-8.4 8.2-9.2 9.0-10.1
1 - 2.5
90/32.2 8.0-8.9 8.6-9.6 9.2-10.3
100/37.8 8.4-9.3 9.2-10.2 9.7-10.8
110/43.3 9.2-10.3 10.0-11.2 10.4-11.6
Times in minutes
Air Temp.
Entering
Condenser
°F/°C
Water Temperature °F/°C
50/10.0 70/21.1 90/32.2
-20 to 70
-29 to 21.1 1600 1478 1370
90/32.2 1523 1425 1340
100/37.8 1460 1350 1290
110/43.3 1343 1250 1213
Based on average ice slab weight of 13.0- 14.12lb
Ratings with JC1895 condenser, dice or half dice cubes
Air Temp.
Entering
Condenser
°F/°C
Freeze Cycle Harvest Cycle
Discharg
e
Pressure
PSIG
Suction
Pressure
PSIG
Discharge
Pressure
PSIG
Suction
Pressure
PSIG
-20 to 50/-29
to 10.0 220-255 52-26 100-120 70-85
70/21.1 250-270 56-28 110-120 75-90
80/26.7 250-275 56-28 110-120 75-90
90/32.2 255-285 56-28 110-120 80-90
100/37.8 270-310 56-30 115-130 80-95
110/43.3 305-350 58-32 120-135 80-100
Suction pressure drops gradually throughout the freeze cycle
Air Temp.
Entering
Condenser
°F/°C
Freeze Time Harvest
Time
Water Temperature °F/°C
50/10.0 70/21.1 90/32.2
70/21.1 8.5-9.3 9.4-10.3 9.9-10.9
1-2.5
80/26.7 9.0-9.9 9.8-10.8 10.5-11.5
90/32.2 9.6-10.5 10.4-11.5 11.1-12.2
100/37.8 10.6-11.6 11.5-12.6 12.4-13.6
Times in minutes
Air Temp.
Entering
Condenser
°F/°C
Water Temperature °F/°C
50/10.0 70/21.1 90/32.2
70/21.1 1880 1720 1640
80/26.7 1780 1650 1560
90/32.2 1690 1570 1480
100/37.8 1550 1440 1350
Based on average ice slab weight of 13.0 - 14.12lb
Regular cube derate is 7%
Air Temp.
Entering
Condenser
°F/°C
Freeze Cycle Harvest Cycle
Discharg
e
Pressure
PSIG
Suction
Pressure
PSIG
Discharge
Pressure
PSIG
Suction
Pressure
PSIG
50/10.0 220-280 40-20 155-190 60-80
70/21.1 220-280 40-20 160-190 65-80
80/26.7 230-290 42-20 160-190 65-80
90/32.2 260-320 44-22 185-205 70-90
100/37.8 300-360 46-24 210-225 75-100
110/43.3 320-400 48-26 215-240 80-100
Suction pressure drops gradually throughout the freeze cycle

Refrigeration System Section 7
7-46 Part No. 80-1100-3
Q1800 SERIES
Self-Contained Water-Cooled
NOTE: These characteristics may vary depending on
operating conditions.
Cycle Times
Freeze Time + Harvest Time = Total Cycle Time
24 Hour Ice Production
Operating Pressures
Q1800 SERIES
Remote
NOTE: These characteristics may vary depending on
operating conditions.
Cycle Times
Freeze Time + Harvest Time = Total Cycle Time
24 Hour Ice Production
Operating Pressures
Air Temp.
Around Ice
Machine
°F/°C
Freeze Time Harvest
Time
Water Temperature °F/°C
50/10.0 70/21.1 90/32.2
70/21.1 8.7-9.6 9.6-10.5 10.8-11.9
1-2.5
80/26.7 9.0-9.9 9.6-10.6 10.8-11.9
90/32.2 9.1-10.1 9.7-10.7 10.9-12.0
100/37.8 9.2-10.1 9.8-10.7 11.1-12.1
Times in minutes
Air Temp.
Around Ice
Machine
°F/°C
Water Temperature °F/°C
50/10.0 70/21.1 90/32.2
70/21.1 1840 1690 1520
80/26.7 1780 1680 1520
90/32.2 1760 1670 1510
100/37.8 1750 1660 1490
Based on average ice slab weight of 13.0- 14.12lb
Regular cube derate is 7%
Condenser
Water
Consumption
90/32.2 Air Temperature
Around Ice Machine
Water Temperature °F/°C
50/10.0 70/21.1 90/32.2
Gal/24 hours 2000 2670 7750
Water regulating valve set to maintain 240 PSIG discharge pressure
Air Temp.
Around Ice
Machine
°F/°C
Freeze Cycle Harvest Cycle
Discharg
e
Pressure
PSIG
Suction
Pressure
PSIG
Discharg
e
Pressure
PSIG
Suction
Pressure
PSIG
50/10.0 235-245 36-20 170-190 65-80
70/21.1 235-245 38-20 170-190 65-80
80/26.7 235-245 40-20 170-190 65-80
90/32.2 235-250 42-22 175-190 65-80
100/37.8 235-255 44-22 175-190 65-80
110/43.3 235-260 46-22 175-190 65-80
Suction pressure drops gradually throughout the freeze cycle
Air Temp.
Entering
Condenser
°F/°C
Freeze Time Harvest
Time
Water Temperature °F/°C
50/10.0 70/21.1 90/32.2
-20/-28.9 to
70/21.1 9.1-10.0 9.8-10.8 10.7-11.7
1-2.5
80/26.7 9.3-10.2 10.1-11.1 10.9-12.0
90/32.2 9.5-10.5 10.3-11.4 11.1-12.2
100/37.8 10.1-11.1 11.1-12.2 11.9-13.0
110/43.3 11.0-12.1 12.1-13.2 12.7-13.9
Times in minutes
Air Temp.
Entering
Condenser
°F/°C
Water Temperature °F/°C
50/10.0 70/21.1 90/32.2
-20/-28.9 to
70/21.1 1770 1650 1540
80/26.7 1735 1615 1510
90/32.2 1700 1580 1480
100/37.8 1620 1480 1400
110/43.3 1500 1380 1320
Based on average ice slab weight of 13.0 - 14.12lb
Regular cube derate is 7%
Ratings with JC1895 condenser, dice or half dice cubes
Air Temp.
Entering
Condenser
°F/°C
Freeze Cycle Harvest Cycle
Discharg
e
Pressure
PSIG
Suction
Pressure
PSIG
Discharge
Pressure
PSIG
Suction
Pressure
PSIG
-20/-28.9 to
50/10.0 220-250 38-24 160-180 60-80
70/21.1 220-260 40-24 170-180 60-80
80/26.7 250-270 48-24 175-190 70-90
90/32.2 250-280 50-24 180-200 80-90
100/37.8 270-300 52-28 205-215 80-95
110/43.3 300-350 54-28 205-230 80-100
Suction pressure drops gradually throughout the freeze cycle

Section 7 Refrigeration System
Part No. 80-1100-3 7-47
Refrigerant Recovery/Evacuation and Recharging
NORMAL SELF-CONTAINED MODEL PROCEDURES
Refrigerant Recovery/Evacuation
Do not purge refrigerant to the atmosphere. Capture
refrigerant using recovery equipment. Follow the
manufacturer’s recommendations.
CONNECTIONS
1. Suction side of the compressor through the suction
service valve.
2. Discharge side of the compressor through the
discharge service valve.
SELF-CONTAINED RECOVERY/EVACUATION
1. Place the toggle switch in the OFF position.
2. Install manifold gauges, charging cylinder/scale, and
recovery unit or two-stage vacuum pump.
Figure 7-14. Recovery/Evacuation Connections
3. Open (backseat) the high and low side ice machine
service valves, and open high and low side on
manifold gauges.
4. Perform recovery or evacuation:
A. Recovery: Operate the recovery unit as directed
by the manufacturer’s instructions.
B. Evacuation prior to recharging: Pull the system
down to 250 microns. Then, allow the pump to
run for an additional half hour. Turn off the pump
and perform a standing vacuum leak check.
NOTE: Check for leaks using a halide or electronic leak
detector after charging the ice machine.
5. Refer to Charging Procedures.
Important
Manitowoc Ice, Inc. assumes no responsibility for
the use of contaminated refrigerant. Damage
resulting from the use of contaminated refrigerant is
the sole responsibility of the servicing company.
Important
Replace the liquid line drier before evacuating and
recharging. Use only a Manitowoc (O.E.M.) liquid
line filter drier to prevent voiding the warranty.
MANIFOLD SET
OPEN
BACKSEATED
VACUUM PUMP/
RECOVERY UNIT
CLOSED
OPEN
LOW SIDE
SERVICE
VALVE
HIGH SIDE
SERVICE
VALVE
BACKSEATED
OPEN
SV1404A

Refrigeration System Section 7
7-48 Part No. 80-1100-3
Self-Contained Charging Procedures
1. Be sure the toggle switch is in the OFF position.
Figure 7-15. Charging Connections
2. Close the vacuum pump valve, the low side service
valve, and the low side manifold gauge valve.
3. Open the high side manifold gauge valve, and
backseat the high side service valve.
4. Open the charging cylinder and add the proper
refrigerant charge (shown on nameplate) through
the discharge service valve.
5. Let the system “settle” for 2 to 3 minutes.
6. Place the toggle switch in the ICE position.
7. Close the high side on the manifold gauge set. Add
any remaining vapor charge through the suction
service valve (if necessary).
NOTE: Manifold gauges must be removed properly to
ensure that no refrigerant contamination or loss occurs.
8. Make sure that all of the vapor in the charging hoses
is drawn into the ice machine before disconnecting
the charging hoses.
A. Run the ice machine in freeze cycle.
B. Close the high side service valve at the ice
machine.
C. Open the low side service valve at the ice
machine.
D. Open the high and low side valves on the
manifold gauge set. Any refrigerant in the lines
will be pulled into the low side of the system.
E. Allow the pressures to equalize while the ice
machine is in the freeze cycle.
F. Close the low side service valve at the ice
machine.
Remove the hoses from the ice machine and install the
caps.
Important
The charge is critical on all Manitowoc ice
machines. Use a scale or a charging cylinder to
ensure the proper charge is installed.
MANIFOLD SET
CLOSED
FRONTSEATED
CHARGING
CYLINDER VACUUM PUMP/
RECOVERY UNIT
OPEN
CLOSED
LOW SIDE
SERVICE
VALVE
HIGH SIDE
SERVICE
VALVE
BACKSEATED
OPEN
SV1404B

Section 7 Refrigeration System
Part No. 80-1100-3 7-49
NORMAL REMOTE MODEL PROCEDURES
Refrigerant Recovery/Evacuation
Do not purge refrigerant to the atmosphere. Capture
refrigerant using recovery equipment. Follow the
manufacturer’s recommendations.
CONNECTIONS
Make these connections:
• Suction side of the compressor through the suction
service valve.
• Discharge side of the compressor through the
discharge service valve.
• Receiver outlet service valve, which evacuates the
area between the check valve in the liquid line and
the pump down solenoid.
• Access (Schrader) valve on the discharge line quick-
connect fitting, located on the outside of the
compressor/evaporator compartment. This
connection evacuates the condenser. Without it, the
magnetic check valves would close when the
pressure drops during evacuation, preventing
complete evacuation of the condenser.
NOTE: Manitowoc recommends using an access valve
core removal and installation tool on the discharge line
quick-connect fitting. This permits access valve core
removal. This allows for faster evacuation and charging,
without removing the manifold gauge hose.
REMOTE RECOVERY/EVACUATION
1. Place the toggle switch in the OFF position.
2. Install manifold gauges, charging cylinder/scale, and
recovery unit or two-stage vacuum pump.
3. Open (backseat) the high and low side ice machine
service valves.
4. Open the receiver service valve halfway.
5. Open high and low side on the manifold gauge set.
6. Perform recovery or evacuation:
A. Recovery: Operate the recovery unit as directed
by the manufacturer’s instructions.
B. Evacuation prior to recharging: Pull the system
down to 250 microns. Then, allow the pump to
run for an additional hour. Turn off the pump and
perform a standing vacuum leak check.
NOTE: Check for leaks using a halide or electronic leak
detector after charging the ice machine.
7. Refer to Charging Procedures.
Important
Manitowoc Ice, Inc. assumes no responsibility for
the use of contaminated refrigerant. Damage
resulting from the use of contaminated refrigerant is
the sole responsibility of the servicing company.
Important
Replace the liquid line drier before evacuating and
recharging. Use only a Manitowoc (O.E.M.) liquid
line filter drier to prevent voiding the warranty.
Important
Recovery/evacuation of a remote system requires
connections at four points for complete system
evacuation. See the drawing on next page.

Refrigeration System Section 7
7-50 Part No. 80-1100-3
Figure 7-16. Recovery/Evacuation Connections
x
x
x
SCHRAEDER FITTING
QU ICK CO NNECT
DISCHARGE LINE
CO NTR O L VALVE
HEAD PRESSU RE
RE M O TE CO NDENSER
CLO SED
SCA LE
OPEN
REC O V ER Y UNIT
VACUUM PUM P/
SER VICE VALVE
1/2 OPEN
RECEI VER
M ANIFO LD SET
OPEN
DRIER
SO LEN O ID
LINE
VALVE
REG ULATING
PRESSU RE
HAR VEST
LIQU ID
(BAC K SEATED )
SER VICE VALVE
CHEC K VALVE
TEE
OPEN
C
B
R
HIGH SIDE
(BAC K SEATED )
SER VICE VALVE
LO W SIDE
CO M PRESSO R
HAR VEST
PRESSURE
SO LEN O ID
VALVE
VALVE
EX PANSIO N
VALVE
CHEC K
STRAINER
VALVES
SO LEN O ID
H O T GAS
HEAT E XCHANGER EV APO RAT O R
SV1461

Section 7 Refrigeration System
Part No. 80-1100-3 7-51
Remote Charging Procedures
1. Be sure the toggle switch is in the OFF position.
2. Close the vacuum pump valve, the low and high side
service valves (frontseat), and the low side manifold
gauge valve.
3. Open the charging cylinder and add the proper
refrigerant charge (shown on nameplate) into the
system high side (receiver outlet valve and
discharge lines quick-connect fitting).
4. If the high side does not take the entire charge,
close the high side on the manifold gauge set, and
backseat (open) the low side service valve and
receiver outlet service valve. Start the ice machine
and add the remaining charge through the low side
(in vapor form) until the machine is fully charged.
5. Ensure all vapor in charging hoses is drawn into the
machine, then disconnect the manifold gauges.
NOTE: Backseat the receiver outlet service valve after
charging is complete and before operating the ice
machine. If the access valve core removal and
installation tool is used on the discharge quick-connect
fitting, reinstall the Schraeder valve core before
disconnecting the access tool and hose.
6. Run the ice machine in freeze cycle.
7. Close the high side service valve at the ice machine.
8. Open the low side service valve at the ice machine.
9. Open the high and low side valves on the manifold
gauge set. Any refrigerant in the lines will be pulled
into the low side of the system.
10. Allow the pressures to equalize while the ice
machine is in the freeze cycle.
11. Close the low side service valve at the ice machine.
12. Remove the hoses from the ice machine and install
the caps.

Refrigeration System Section 7
7-52 Part No. 80-1100-3
x
x
x
SCHRAEDER FITTING
QU ICK CO NNECT
DISCHARGE LINE
CO NTR O L VALVE
HEAD PRESSURE
RE M O TE CO NDENSER
CLO SED
CLO SED
SCA LE REC O VER Y U NIT
VACUUM PU M P/
SER VICE VALVE
1/2 OPEN
RECEI V ER
M ANIFO LD SET
OPEN
DRIER
SO LEN O ID
LINE
VALVE
REG ULATING
PRESSURE
HAR VEST
LIQU ID
(BAC K SEATED )
SER VICE VALVE
CHEC K VALVE
TEE
OPEN
C
B
R
HIGH SIDE
(BAC K SEATED )
SER VICE VALVE
LO W SIDE
CO M PRESSO R
HAR VEST
PRESSU RE
SO LEN O ID
VALVE
VALVE
EX PANSIO N
VALVE
CHEC K
STRAINER
VALVES
SO LEN O ID
H O T GAS
HEAT E X CHANGER EVAPO RAT O R
SV1462
Figure 7-17. Remote Charging Connections

Section 7 Refrigeration System
Part No. 80-1100-3 7-53
SYSTEM CONTAMINATION CLEAN-UP
General
This section describes the basic requirements for
restoring contaminated systems to reliable service.
Determining Severity Of Contamination
System contamination is generally caused by either
moisture or residue from compressor burnout entering
the refrigeration system.
Inspection of the refrigerant usually provides the first
indication of system contamination. Obvious moisture or
an acrid odor in the refrigerant indicates contamination.
If either condition is found, or if contamination is
suspected, use a Total Test Kit from Totaline or a similar
diagnostic tool. These devices sample refrigerant,
eliminating the need to take an oil sample. Follow the
manufacturer’s directions.
If a refrigerant test kit indicates harmful levels of
contamination, or if a test kit is not available, inspect the
compressor oil.
1. Remove the refrigerant charge from the ice
machine.
2. Remove the compressor from the system.
3. Check the odor and appearance of the oil.
4. Inspect open suction and discharge lines at the
compressor for burnout deposits.
5. If no signs of contamination are present, perform an
acid oil test.
Check the chart below to determine the type of cleanup
required.
Important
Manitowoc Ice, Inc. assumes no responsibility for
the use of contaminated refrigerant. Damage
resulting from the use of contaminated refrigerant is
the sole responsibility of the servicing company.
Contamination/Cleanup Chart
Symptoms/Findings Required Cleanup Procedure
No symptoms or suspicion of contamination Normal evacuation/recharging procedure
Moisture/Air Contamination symptoms
Refrigeration system open to atmosphere for longer than 15
minutes
Refrigeration test kit and/or acid oil test shows contamination
Leak in water-cooled condenser
No burnout deposits in open compressor lines
Mild contamination cleanup procedure
Mild Compressor Burnout symptoms
Oil appears clean but smells acrid
Refrigeration test kit or acid oil test shows harmful acid content
No burnout deposits in open compressor lines
Mild contamination cleanup procedure
Severe Compressor Burnout symptoms
Oil is discolored, acidic, and smells acrid
Burnout deposits found in the compressor and lines, and in
other components
Severe contamination cleanup procedure

Refrigeration System Section 7
7-54 Part No. 80-1100-3
Mild System Contamination Cleanup Procedure
1. Replace any failed components.
2. If the compressor is good, change the oil.
3. Replace the liquid line drier.
NOTE: If the contamination is from moisture, use heat
lamps during evacuation. Position them at the
compressor, condenser and evaporator prior to
evacuation. Do not position heat lamps too close to
plastic components, or they may melt or warp.
4. Follow the normal evacuation procedure, except
replace the evacuation step with the following:
A. Pull vacuum to 1000 microns. Break the vacuum
with dry nitrogen and sweep the system.
Pressurize to a minimum of 5 psi.
B. Pull vacuum to 500 microns. Break the vacuum
with dry nitrogen and sweep the system.
Pressurize to a minimum of 5 psi.
C. Change the vacuum pump oil.
D. Pull vacuum to 250 microns. Run the vacuum
pump for 1/2 hour on self-contained models, 1
hour on remotes.
NOTE: You may perform a standing vacuum test to
make a preliminary leak check. You should use an
electronic leak detector after system charging to be sure
there is no leak.
5. Charge the system with the proper refrigerant to the
nameplate charge.
6. Operate the ice machine.
Severe System Contamination Cleanup Procedure
1. Remove the refrigerant charge.
2. Remove the compressor.
3. Disassemble the harvest solenoid valve. If burnout
deposits are found inside the valve, install a rebuild
kit, and replace manifold strainer, TXV and harvest
pressure regulating valve.
4. Wipe away any burnout deposits from suction and
discharge lines at compressor.
5. Sweep through the open system with dry nitrogen.
6. Install a new compressor and new start components.
7. Install a suction line filter-drier with acid and
moisture removal capability (P/N 89-3028-3). Place
the filter drier as close to the compressor as
possible.
8. Install an access valve at the inlet of the suction line
drier.
9. Install a new liquid line drier.
Continued on next page …
Important
Dry nitrogen is recommended for this procedure.
This will prevent CFC release. Important
Refrigerant sweeps are not recommended, as they
release CFC’s into the atmosphere.

Section 7 Refrigeration System
Part No. 80-1100-3 7-55
10. Follow the normal evacuation procedure, except
replace the evacuation step with the following:
A. Pull vacuum to 1000 microns. Break the vacuum
with dry nitrogen and sweep the system.
Pressurize to a minimum of 5 psi.
B. Change the vacuum pump oil.
C. Pull vacuum to 500 microns. Break the vacuum
with dry nitrogen and sweep the system.
Pressurize to a minimum of 5 psi.
D. Change the vacuum pump oil.
E. Pull vacuum to 250 microns. Run the vacuum
pump for 1/2 hour on self-contained models, 1
hour on remotes.
NOTE: You may perform a standing vacuum test to
make a preliminary leak check. You should use an
electronic leak detector after system charging to be sure
there is no leak.
11. Charge the system with the proper refrigerant to the
nameplate charge.
12. Operate the ice machine for one hour. Then, check
the pressure drop across the suction line filter-drier.
A. If the pressure drop is less than 1 psi, the filter-
drier should be adequate for complete cleanup.
B. If the pressure drop exceeds 1 psi, change the
suction line filter-drier and the liquid line drier.
Repeat until the pressure drop is acceptable.
13. Operate the ice machine for 48-72 hours. Then,
remove the suction line drier and change the liquid
line drier.
14. Follow normal evacuation procedures.
REPLACING PRESSURE CONTROLS WITHOUT
REMOVING REFRIGERANT CHARGE
This procedure reduces repair time and cost. Use it
when any of the following components require
replacement, and the refrigeration system is operational
and leak-free.
• Fan cycle control (air-cooled only)
• Water regulating valve (water-cooled only)
• High pressure cut-out control
• High side service valve
• Low side service valve
1. Disconnect power to the ice machine.
2. Follow all manufacturer’s instructions supplied with
the pinch-off tool. Position the pinch-off tool around
the tubing as far from the pressure control as
feasible. (See the figure on next page.) Clamp down
on the tubing until the pinch-off is complete.
3. Cut the tubing of the defective component with a
small tubing cutter.
4. Solder the replacement component in place. Allow
the solder joint to cool.
5. Remove the pinch-off tool.
6. Re-round the tubing. Position the flattened tubing in
the proper hole in the pinch off tool. Tighten the
wingnuts until the block is tight and the tubing is
rounded. (See the drawing on next page.)
NOTE: The pressure controls will operate normally once
the tubing is re-rounded. Tubing may not re-round
100%.
Important
Dry nitrogen is recommended for this procedure.
This will prevent CFC release.
Important
This is a required in-warranty repair procedure.
!
Warning
Do not unsolder a defective component. Cut it out of
the system. Do not remove the pinch-off tool until
the new component is securely in place.

Refrigeration System Section 7
7-56 Part No. 80-1100-3
Figure 7-18. Using Pinch-Off Tool
SV1406

Section 7 Refrigeration System
Part No. 80-1100-3 7-57
FILTER-DRIERS
The filter-driers used on Manitowoc ice machines are
manufactured to Manitowoc specifications.
The difference between Manitowoc driers and off-the-
shelf driers is in filtration. Manitowoc driers have dirt-
retaining filtration, with fiberglass filters on both the inlet
and outlet ends. This is very important because ice
machines have a back-flushing action which takes place
during every harvest cycle.
These filter-driers have a very high moisture removal
capability and a good acid removal capability.
The size of the filter-drier is important. The refrigerant
charge is critical. Using an improperly sized filter-drier
will cause the ice machine to be improperly charged with
refrigerant.
Listed below are the recommended O.E.M. field
replacement driers:
TOTAL SYSTEM REFRIGERANT CHARGES
NOTE: All ice machines on this list are charged using
R-404A refrigerant.
Model Drier
Size
End
Connection
Size
Part
Number
Self-Contained Air
and Water Cooled
Q200 /Q280/Q320
Q370/Q420/Q450
Q600/Q800/Q1000
UK-032S 1/4" 89-3025-3
Remote Air Cooled
Q450/Q600
Q800/Q1000 UK-083S 3/8" 89-3027-3
All Condenser
Type
Q1300/Q1600
Q1800
UK-083S 3/8" 89-3027-3
Suction Filter UK-165S 5/8" 89-3028-3
Suction Filter used when cleaning up severely contaminated systems
Important
Driers are covered as a warranty part. The drier
must be replaced any time the system is opened for
repairs.
Important
This information is for reference only. Refer to the
ice machine serial number tag to verify the system
charge. Serial plate information overrides
information listed on this page.
Series Version Charge
Q200 Air-Cooled 18 oz.
Water-Cooled 15 oz.
Q210 Air-Cooled 15 oz
Water-Cooled 11 oz
Q280 Air-Cooled 18 oz
Water-Cooled 15 oz
Q320 Air-Cooled 20 oz.
Water-Cooled 16 oz.
Q370 Air-Cooled 20 oz.
Water-Cooled 17 oz.
Q420/Q450
Air-Cooled 24 oz.
Water-Cooled 22 oz.
Remote 6 lb.
Q600
Air-Cooled 28 oz.
Water-Cooled 22 oz.
Remote 8 lb.
Q800
Air-Cooled 36 oz.
Water-Cooled 25 oz.
Remote 8 lb.
Q1000
Air-Cooled 38 oz.
Water-Cooled 32 oz.
Remote 9.5 lb.
Q1300
Air-Cooled 48 oz.
Water-Cooled 44 oz.
Remote 12.5 lb. *
*For remote line sets with lengths between 50' and 100' refer to
chart on Page 2-13
Q1600 Water-Cooled 46 oz.
Remote 15 lb.*
Q1800
Air-Cooled 56 oz.
Water-Cooled 46 oz.
Remote 15 lb.*

Refrigeration System Section 7
7-58 Part No. 80-1100-3
REFRIGERANT DEFINITIONS
Recover
To remove refrigerant, in any condition, from a system
and store it in an external container, without necessarily
testing or processing it in any way.
Recycle
To clean refrigerant for re-use by oil separation and
single or multiple passes through devices, such as
replaceable core filter-driers, which reduce moisture,
acidity and particulate matter. This term usually applies
to procedures implemented at the field job site or at a
local service shop.
Reclaim
To reprocess refrigerant to new product specifications
(see below) by means which may include distillation. A
chemical analysis of the refrigerant is required after
processing to be sure that product specifications are
met. This term usually implies the use of processes and
procedures available only at a reprocessing or
manufacturing facility.
Chemical analysis is the key requirement in this
definition. Regardless of the purity levels reached by a
reprocessing method, refrigerant is not considered
“reclaimed” unless it has been chemically analyzed and
meets ARI Standard 700 (latest edition).
New Product Specifications
This means ARI Standard 700 (latest edition). Chemical
analysis is required to assure that this standard is met.

Section 7 Refrigeration System
Part No. 80-1100-3 7-59
REFRIGERANT RE-USE POLICY
Manitowoc recognizes and supports the need for proper
handling, re-use, and disposal of, CFC and HCFC
refrigerants. Manitowoc service procedures require
recapturing refrigerants, not venting them to the
atmosphere.
It is not necessary, in or out of warranty, to reduce or
compromise the quality and reliability of your customers’
products to achieve this.
Manitowoc approves the use of:
1. New Refrigerant
• Must be of original nameplate type.
2. Reclaimed Refrigerant
• Must be of original nameplate type.
• Must meet ARI Standard 700 (latest edition)
specifications.
3. Recovered or Recycled Refrigerant
• Must be recovered or recycled in accordance
with current local, state and federal laws.
• Must be recovered from and re-used in the same
Manitowoc product. Re-use of recovered or
recycled refrigerant from other products is not
approved.
• Recycling equipment must be certified to ARI
Standard 740 (latest edition) and be maintained
to consistently meet this standard.
• Recovered refrigerant must come from a
“contaminant-free” system. To decide whether
the system is contaminant free, consider:
– Type(s) of previous failure(s)
– Whether the system was cleaned, evacuated
and recharged properly following failure(s)
– Whether the system has been contaminated
by this failure
– Compressor motor burnouts and improper
past service prevent refrigerant re-use.
– Refer to “System Contamination Cleanup” to
test for contamination.
4. “Substitute” or “Alternative” Refrigerant
• Must use only Manitowoc-approved alternative
refrigerants.
• Must follow Manitowoc-published conversion
procedures.
Important
Manitowoc Ice, Inc. assumes no responsibility for
use of contaminated refrigerant. Damage resulting
from the use of contaminated, recovered, or
recycled refrigerant is the sole responsibility of the
servicing company.

Refrigeration System Section 7
7-60 Part No. 80-1100-3
HFC REFRIGERANT QUESTIONS AND ANSWERS
Manitowoc uses R-404A and R-134A HFC refrigerants
with ozone depletion potential (ODP) factors of zero
(0.0). R-404A is used in ice machines and reach-in
freezers and R-134A is used in reach-in refrigerators.
1. What compressor oil does Manitowoc require for
use with HFC refrigerants?
Manitowoc products use Polyol Ester (POE) type
compressor oil. It is the lubricant of choice among
compressor manufacturers.
2. What are some of the characteristics of POE oils?
They are hygroscopic, which means they have the
ability to absorb moisture. POE oils are 100 times
more hygroscopic than mineral oils. Once moisture
is absorbed into the oil, it is difficult to remove, even
with heat and vacuum. POE oils are also excellent
solvents, and tend to “solvent clean” everything
inside the system, depositing material where it is not
wanted.
3. What do these POE oil characteristics mean to me?
You must be more exacting in your procedures. Take
utmost care to prevent moisture from entering the
refrigeration system. Refrigeration systems and
compressors should not be left open to the
atmosphere for more than 15 minutes. Keep oil
containers and compressors capped at all times to
minimize moisture entry. Before removing the
system charge to replace a faulty component, be
sure you have all of the needed components at the
site. Remove new system component plugs and
caps just prior to brazing. Be prepared to connect a
vacuum pump immediately after brazing.
4. Are there any special procedures required if a POE
system is diagnosed with a refrigerant leak?
For systems found with positive refrigerant system
pressure, no special procedures are required.
For systems found without any positive refrigerant
pressure, assume that moisture has entered the
POE oil. After the leak is found and repaired, the
compressor oil must be changed. The compressor
must be removed and at least 95% of the oil drained
from the suction port of the compressor. Use a
“measuring cup” to replace the old oil with exactly
the same amount of new POE oil, such as Mobil
EAL22A.
Remember, care must be taken to prevent moisture
from getting into the refrigeration system during
refrigeration repairs.
5. How do I leak-check a system containing HFC
refrigerant?
Use equipment designed for HFC detection. Do not
use equipment designed for CFC detection. Consult
leak detection equipment manufacturers for their
recommendations. Also, standard soap bubbles will
work with HFC refrigerants.
6. Does Manitowoc use a special liquid line filter-drier
with HFC refrigerants?
Yes. Manitowoc uses an ALCO “UK” series filter-
drier for increased filtration and moisture removal.
During a repair, Manitowoc recommends installing
the drier just before hooking up a vacuum pump.
Continued on next page …

Section 7 Refrigeration System
Part No. 80-1100-3 7-61
7. Is other special equipment required to service HFC
refrigerants?
No. Standard refrigeration equipment such as
gauges, hoses, recovery systems, vacuum pumps,
etc., are generally compatible with HFC refrigerants.
Consult your equipment manufacturer for specific
recommendations for converting existing equipment
to HFC usage. Once designated (and calibrated, if
needed) for HFC use, this equipment should be
used specifically with HFC refrigerants only.
8. Do I have to recover HFC refrigerants?
Yes. Like other refrigerants, government regulations
require recovering HFC refrigerants.
9. Will R-404A or R-134A separate if there is a leak in
the system?
No. Like R-502, the degree of separation is too small
to detect.
10. How do I charge a system with HFC refrigerant?
The same as R-502. Manitowoc recommends
charging only liquid refrigerant into the high side of
the system.

Refrigeration System Section 7
7-62 Part No. 80-1100-3
THIS PAGE INTENTIONALLY LEFT BLANK

Section 7 Refrigeration System
Part No. 80-1100-3 7-63
THIS PAGE INTENTIONALLY LEFT BLANK