Amoisonic D89 Schematic
User Manual: Manual Amoi - Schematics & Service Manuals PDF
Open the PDF directly: View PDF
.
Page Count: 7

WINBOND
Xinyang,Haicang
Xiamen
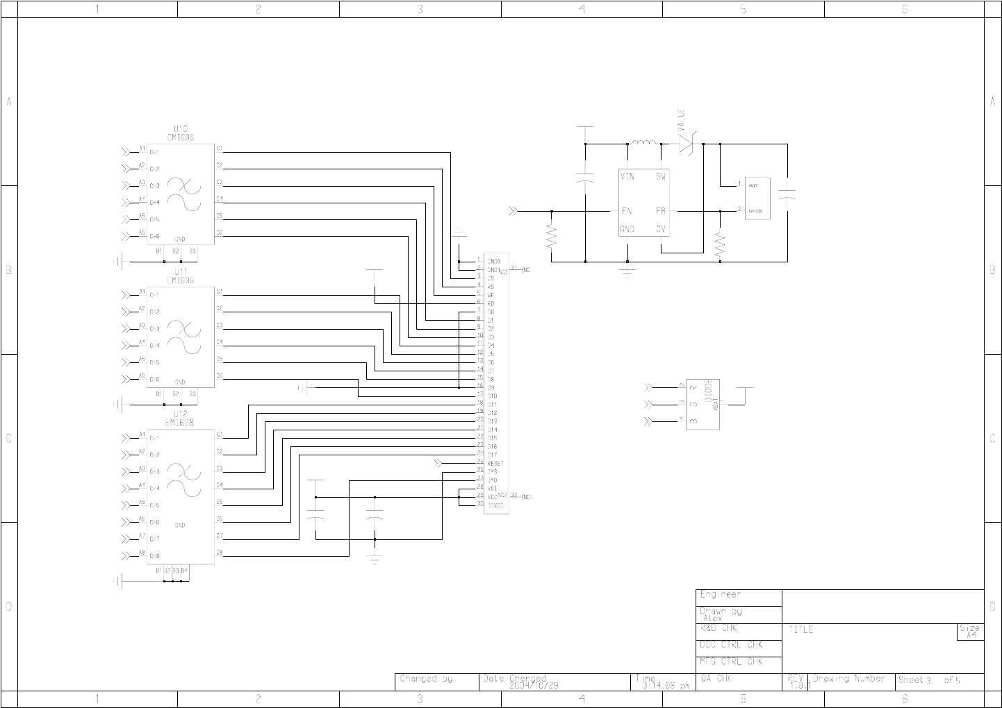
GSM6510_v3.2
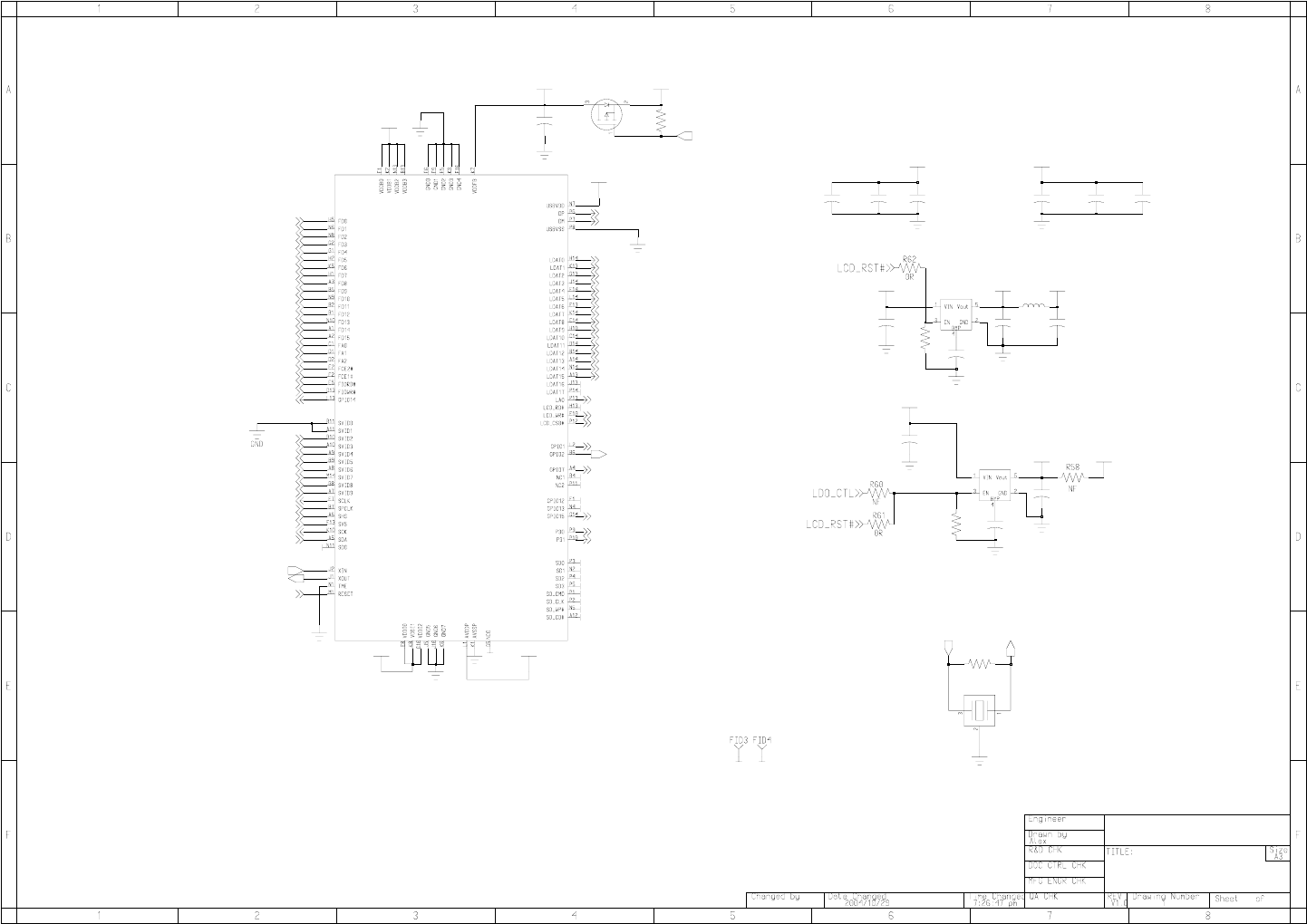
Camera LCD Module
AMOI Mobile
NC
GND
GND
NC
NC
100K
R63
GND
GND
Core_1.8V
NC
VDD
Vbat
NC
100nF
C18
NC
C19
100nF
GND
W99686F
U1
NC
AVDDP
C52
2.2uF/0603
Vbat
FB_VDD
L10
FB
C11
1uF/0603
GND
GND
NC
GND
NC
NC
GND
10nF/0402
C14
GND
GND
1uF/0603
C51
AVDDP
VDD
Core_1.8V
NC
C13
0.1uF/0402
0.1uF/0402
C10
CM3018_3.3ST
U4
NC
GND
USB_VDD
GND
C54
10nF/0402
R56
100K
1uF/0603
C12
NC
VDD
GND
GND
100nF
C20
NC
NC
NC
VALUE
NC
NC
NC
100K/5%/0402
R16
X1
VDD
U2
CM3018_18ST
C15
10nF
C17
100nF
Q1
SI2301BDS
USB_VDD
100nF
C16
LDO_CTL
Core_1.8V R11
1M/5%/0402
MCS#
MRD#
MWR#
SD2
SD3
SD4
SD5
SD6
SD7
SD8
SD9
SPCLK
SHS
SVS
SDA
686_RST
SCLK
SCK
FB_Power_CTL#
XOUT
SR_Power_CTL
LCD_CS1#
XOUT
686_XIN
686_XIN
SR_RST
USB_DET#
MA1
FB_Power_CTL#
MD0
MD1
MD2
MD3
MD4
MD5
MD6
MD7
MD8
MD9
MD10
MD11
MD12
MD13
MD14
MD15
MA2
MA3
MA4
USB_IRQ
WDP
WDM
DD0
DD1
DD2
DD3
DD4
DD5
DD6
DD7
DD8
DD9
DD10
DD11
DD12
DD13
DD14
DD15
LA0
LCD_WR#
LCD_CS0#

GSM6510_v3.2
B2B
AMOI MOBILE
Xiamen
V22
VDD
L22
V21
SPK1
REC/SPK
CON1
CON44P
L21
GND
V23 10nF
C21
USB_VCC
C22
1uF
GND
GND
GND
GND GND
GND
GND
10nF
C24
GND
C25
10nF
VBAT
VBAT
LED_B
LED_G
LED_R
SPK+
DM
USB_IRQ
DP
686_RST
MCS#
VIB_DRV
VIB_DRV
GND
LCD_RST#
BL_MAIN
MA1
MRD#
MWR#
SPK+
SPK-
MD0
MD1
MD2
MD3
MD4
MD5
MD6
MD7
MD8
MA4
MA2
MA3
MD15
MD14
MD13
MD12
MD11
MD10
MD9
SPK-

Color LED
Back_Light
AMOI MOBILE
Xiamen
GSM6510_v3.2
LCM
LCM
GND
GND
GND
LED1
LCDLED
VDD
C31
2.2uF/0603
VDD
1uF/0805/tan
C34
GND
GND
100K
R32
0.1uF/0402
C32
GND
D1
CON30PIN
CON2
VBAT
LED2
VBAT
GND
MP1518
U5
R31
6.2R
C33
1uF/0603
LCD_CS0#
LA0
LCD_WR#
DD0
L31
22uH/1.1MHz
LED_R
LED_G
LED_B
LCD_RST#
DD1
DD2
DD3
DD4
DD5
DD6
DD7
DD8
DD9
DD10
DD11
DD12
DD13
DD14
DD15
LCD_CS1#
BL_MAIN

Sensor I/F
AMOI MOBILE
SENSOR
GSM6510_v3.2
Xiamen
GND
GND
SD
C46
2.2uF/0603
GND
2.2uF/0603
C44
10nF
C47
FB/0603
L41
SD SA
C43
10nF/0402
SAVCC
SDVCC
C42
0.1uF
C41
0.1uF
VBAT CM3018_28ST
U3
4.7K/5%/0402
4.7K/5%/0402
R42
SAVCC
SA
SD
GND
SD
SA GND
R43
100K
R41
SD
SA
SDVCC
SAVCC
SDVCC
SDVCC
SD
C45
1uF/0603
SCLK
SDA
SCK
SR_RST
CON3
CON24PIN
SR_Power_CTL
SVS
SHS
SPCLK
SD2
SD3
SD4
SD5
SD9
SD8
SD7
SD6

USB
GSM6510_v3.2
AMOI MOBILE
Xiamen
USBUF01W6
U7
USB_VCC
GND
100K/5%/0402
R52
GND
R53
200K/5%/0402
Q2
USB_DET# DP
DMWDM
WDP
USB_VDD
R51
100K/5%/0402
VDD

