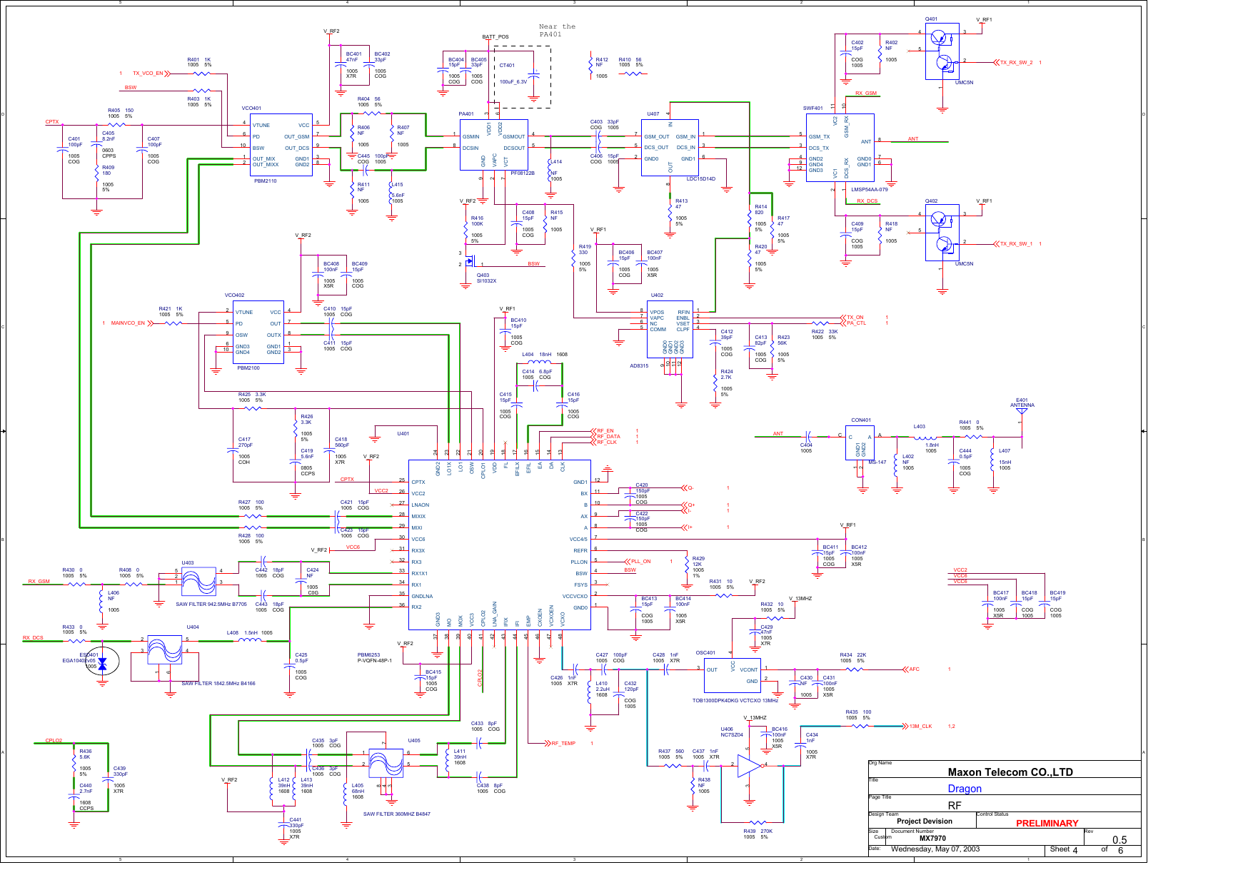
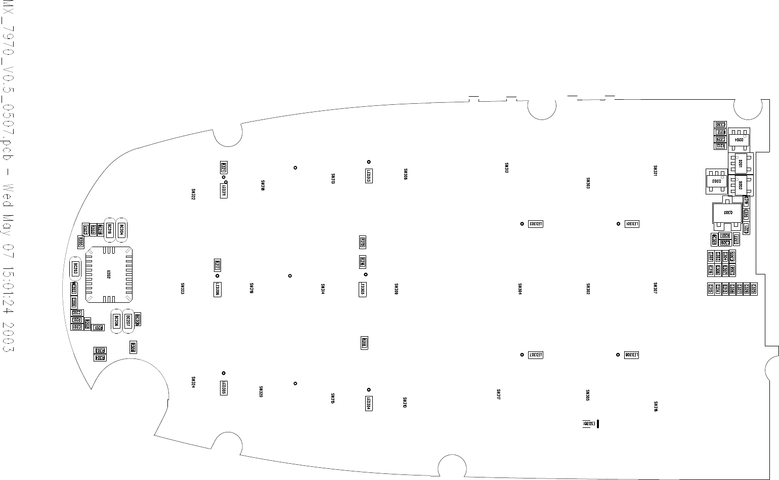
MX_7970_VER05 Amoisonic DA8 Schematic
User Manual: Manual Amoi - Schematics & Service Manuals PDF
Open the PDF directly: View PDF
.
Page Count: 9









User Manual: Manual Amoi - Schematics & Service Manuals PDF
Open the PDF directly: View PDF
.
Page Count: 9








