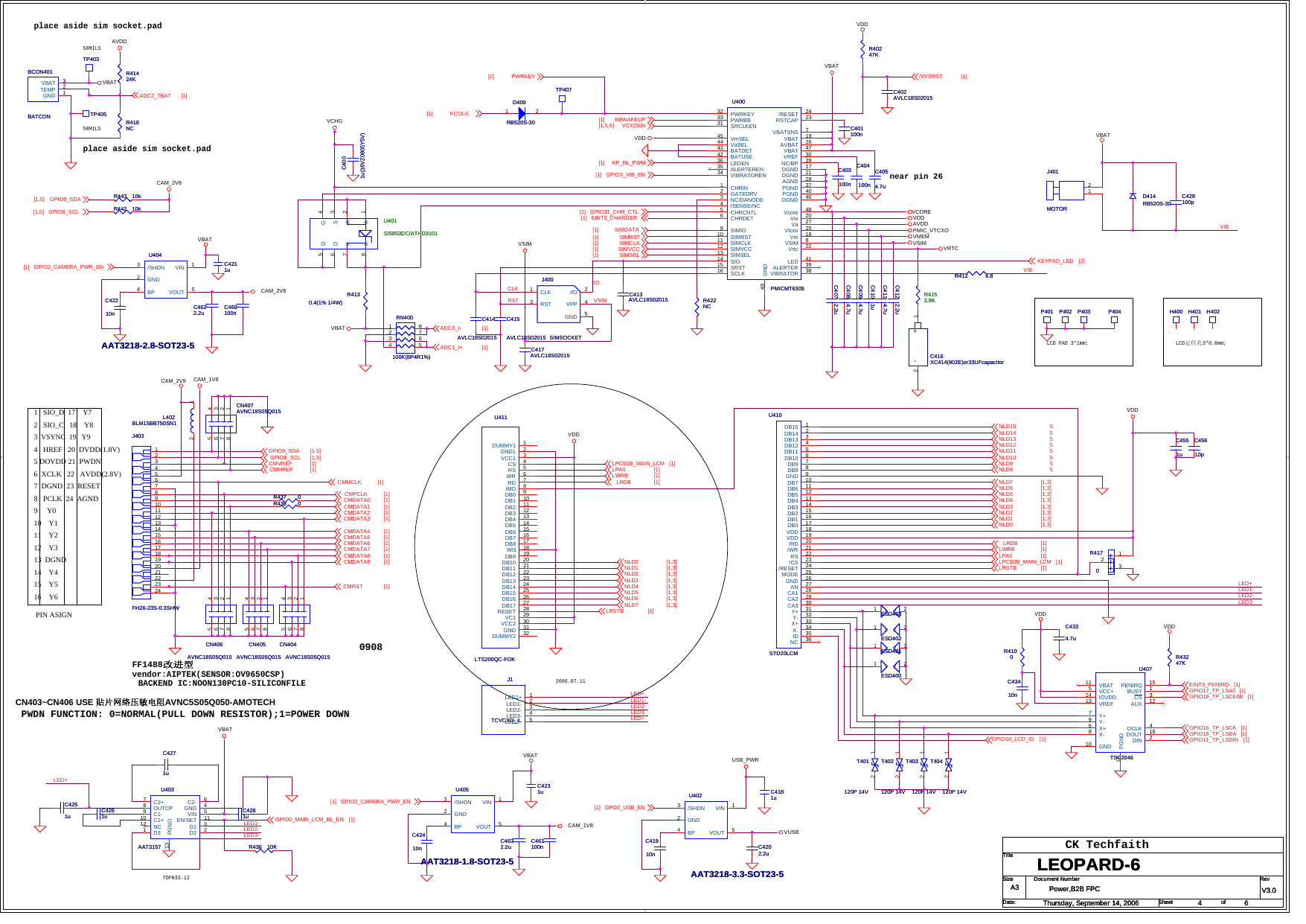
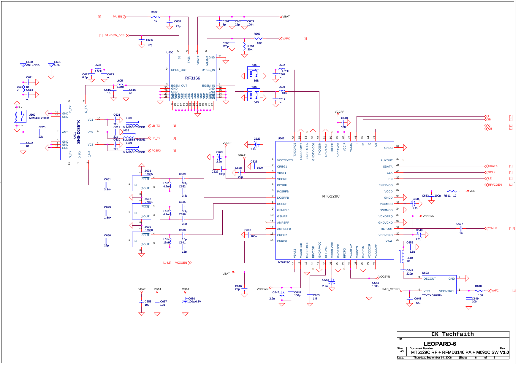
Leopard 6_v3.0_060712 Fly 2080 Electrical Schematic Diagram
User Manual: Manual Fly - Schematics & Service Manuals PDF
Open the PDF directly: View PDF
.
Page Count: 6






User Manual: Manual Fly - Schematics & Service Manuals PDF
Open the PDF directly: View PDF
.
Page Count: 6





