Ninja Challenge Service Manual 1.0 Magic Play
User Manual: Manual
Open the PDF directly: View PDF
.
Page Count: 34

Operation Manual (v1.0)
Software version: 1.19
MAGIC PLAY SP Z O.O.
CHOCIMSKA 6, 62800 KALISZ, POLAND
Phone/Fax: +48 62 753 21 88. e-mail: service@magicplay.pl
website: www.magicplay.eu
Serial number:______________________________________________________
Distributor:_________________________________________________________
Date:______________________________________________________________

NINJA CHALLENGE - USER’S MANUAL
www.magicplay.eu
1
TABLE OF CONTENTS
1. PACKAGE CONTENTS ...................................................................................................................................... 2
2. SPECIFICATIONS ............................................................................................................................................. 4
3. SETUP & INSTALLATION ................................................................................................................................. 5
3.1 DEVICE AND IMPORTANT ELEMENTS ...................................................................................................... 5
3.2 GAME ASSEMBLY ..................................................................................................................................... 6
3.3 PLAY ZONE .............................................................................................................................................. 10
3.4 CONNECTING POWER ............................................................................................................................ 10
4. GAMEPLAY ................................................................................................................................................... 11
5. GAME OPTIONS ............................................................................................................................................ 13
5.1 MENU ACCESS AND NAVIGATION .......................................................................................................... 13
5.2 SERVICE MENU ....................................................................................................................................... 14
5.3 RECOMMENDED SETTINGS .................................................................................................................... 16
6. ELECTRICAL DIAGRAM ................................................................................................................................. 17
7. MAINTENANCE, INSPECTION ....................................................................................................................... 18
7.1 SAFETY CHECK ........................................................................................................................................ 18
7.2 TROUBLESHOOTING ............................................................................................................................... 18
8. TERMS OF WARRANTY ................................................................................................................................. 21
Thank You for purchasing NINJA CHALLENGE. We hope you enjoy the product. The manual contains
valuable information about how to operate and maintain your game machine properly and safetly. It is
intended for the owner and/or personnel in charge of product operation. Carefully read and understand
the instructions.
If you need any help during instalation and setup please utilize this manual and troubleshooting guide. If
the product fails to function properly, non-technical personnel should under no circumstance attempt to
service the machine. Contact your distributor or manufacturer for help.

NINJA CHALLENGE - USER’S MANUAL
www.magicplay.eu
2
READ BEFORE USE
INSPECT IMMEDIATELY AFTER TRANSPORTING THE PRODUCT
After receiving the shipment, inspect the product thoroughly to ensure that it has been shipped with care.
Before turning the power on, please check the following:
• Check the cabinet for damage or shifting that may have occurred during shipping. Are there any dented
portions or defects (cuts, etc.) on the external surfaces of the cabinet?
• Are all the legs and adjusters/levelers/feet intact?
• Do the power supply voltage and frequency requirements meet with those of the location (115V/230V)?
• Are all wires linked correctly and securely connected to each other? If coupled in an incorrect manner,
the connection will not be made accurately and it could cause not only irreparable damage to the machine,
but also is a potential fire hazard. DO NOT INSERT CONNECTORS FORCIBLY.
• Check that the all the cables, including power cables, are undamaged. Do power cables or other wires
have any splices, cuts, or dents?
• Have you been provided with all of the associated accessories?
• Can all doors/lids be opened with the accessory keys? Can doors/lids be firmly closed? Does the coin box
key open the coin box(es)?
1. PACKAGE CONTENTS
Open the package and make sure all the items are included:
1. Middle part
2. Front part
3. Back part
4. Left post
5. Right post
6. Gate top
7. Left side wall
8. Right side wall
9. Bonus display
10. Roof frame assembly (5
pcs. set)
11. Roof top
12. Top cover
13. Top marquee
14. Roof cover
15. Set of screws and
assembly elements
16. Stars 20 pcs.
If any items are found missing, please contact your sales representative for help immediately.
NOTE: Part models are subject to change without notice.

NINJA CHALLENGE - USER’S MANUAL
www.magicplay.eu
3
IMPORTANT SAFETY INSTRUCTIONS
To ensure the safe usage of this product, carefully read and understand these
instructions before operating your game. Save these instructions for future
reference.
Use this product only as described in this manual. Other uses not recomended may cause fire,
electric shock or personal injury. Unplug the game from the outlet when not in use, when moving from one
location to another, and before cleaning/servicing.
Explanations which require special attention are indicated by signs of warning. Depending on the potential
hazardous degree, the terms: NOTE, NOTICE, and WARNING are used.
NOTE: A NOTE indicates useful hints or information about product usage.
NOTICE: A NOTICE inticades potential damage to product and how to avoid the problem.
WARNING: A WARNING indicates a potential for product damage or serious personal injury.
It is important to understand the meaning of the following HAZARD SIGNS befor contuning:
High Voltage and Shock Hazard:
High voltage can cause electric shock.
Turn off/unplug power before servicing.
High Temperature Hazard:
This part may cause scalding.
Do not touch. Surface may be hot.
Do Not Touch Hazard:
This may be hot or can cause electric shock.
Do not touch.
Use the following safety guidelines to help ensure your own personal safety and to help protect your
equipment and surrounding enviroment from potential damage.
THIS PRODUCT IS AN INDOOR MACHINE ONLY!
DO NOT INSTALL OUTDOOR!

NINJA CHALLENGE - USER’S MANUAL
www.magicplay.eu
4
Avoid installing in the following places to prevent fire, electric shock, injury and/ or
machine malfunctioning:
• Places subject to rain/ moisture, or places subject to high humidy.
• Places subject to direct sunlight, or places subject to extremely hot or cold temperatures to
ensure that it is used within the specified operating range.
• Places where inflammable gas may be present or in the vicinity of highly inflammable/
volatile chemicals or items that can easly catch fire
• On unstable or sloped surfaces. The machine may topple or cause unforeseen accidents.
• Vicinty of fire exist, fire extinguishers.
WARNING!
Non-technical personnel who do not have technical knowledge and experience
should refrain from performing such work that this manual require or perform
tasks which are not explained in this manual. Failing to comply can cause severe
accidents such as electric shock or other serious injuries.
WARNING: To reduce the risk of fire, electric shock or personal injury, unplug or
disconnect the machine from the power supply before servicing.
2. SPECIFICATIONS
Rated power supply: 110 - 240V (manual 115/230V voltage selection)
Dimensions: 284 x 96 x 281cm, width of gate top part: 132cm
Weight: 227KG
NOTICE: After turning off the game, please wait at least 1 minute before restarting again.
Inspect Immediately after Transporting the Product After receiving the shipment, inspect the product
thoroughly to ensure that it has been shipped with care. Before turning the power on, please check the
following:
• Check the cabinet for damage or shifting that may have occurred during shipping. Are there any
dented portions or defects (cuts, etc.) on the external surfaces of the cabinet?
• Are all the legs and adjusters/levelers/feet intact?
• Do the power supply voltage and frequency requirements meet with those of the location
(110V/220V)? Are all wires linked correctly and securely connected to each other? If coupled in an
incorrect manner, the connection will not be made accurately and it could cause not only
irreparable damage to the machine, but also is a potential fire hazard. DO NOT INSERT
CONNECTORS FORCIBLY.
• Check that the all the cables, including power cables, are undamaged. Do power cables or other
wires have any splices, cuts, or dents?

NINJA CHALLENGE - USER’S MANUAL
www.magicplay.eu
5
• Have you been provided with all of the associated accessories?
• Can all doors/lids be opened with the accessory keys? Can doors/lids be firmly closed? Does the
coin box key open the coin box(es)?
3. SETUP & INSTALLATION
• Refer to IMPORTANT SAFETY INSTRUCTIONS for prohibited install locations
• Place the unit on dry, leveled surface
• Ventilation openings in the back of the unit must not be obstructed by objects or by wall.
3.1 DEVICE AND IMPORTANT ELEMENTS
1. Points for tickets bonus display
2. Tickets bonus value display
3. Score display
4. Time display
5. Regular (outer) holes
6. Special (middle) hole with mechanism
7. Coin/bill acceptor, cash-box door
8. Tickets output, ticket container door
9. Service doors with PCB access

NINJA CHALLENGE - USER’S MANUAL
www.magicplay.eu
6
3.2 GAME ASSEMBLY
IMPORTANT!
At least two persons are needed to assemble the device. Installation by one person
may not be possible due to the mass of the machine parts and the necessity of
simultaneously supporting and screwing some of the components.
Tools needed for assembly: ladder (using two ladders can
facilitate and accelerate the assembly process).
Tools included in parts box - 3mm allen key, 4 mm allen key,
5mm allen key and two 13mm ring wrenches.
Elements needed to assemble the device (included in parts box).
M6x50 – set of 4
M6x30 – set of 4
M6x40 – set of 4
M5x15 – set of 2
M5x10 – set of 16
M8x35 – set of 2
M8x15 – set of 4
M5x20 – set of 18
6/13 – set of 2
Wing nut – set of 3
10/20 – set of 3
8/24 – set of8
5/14 – set of 8

NINJA CHALLENGE - USER’S MANUAL
www.magicplay.eu
7
1
Connect the wires from the front of the
machine to the wires of the left post. Place
the excess cables and connectors in the hole
in the front part. EU2-1962b-1 > EU2-1962b-
1, EU2-2014 > EU2-2015
2
Move the pole to the side of the front part
and screw in the indicated places using the
screws M6x50. Perform the same operation
on both sides of the device.
3
Attach the top of the gate by placing the tabs
inside the posts and place the bonus display
box between the posts. Screw the display
box in the indicated places using the screws
M5x15 and M5x10. Secure the fastening of
the upper part of the gate by screwing in the
marked places with screws M6x30. Perform
the same operation on both sides of the
device.
4
Connect the left pole wires with the bonus
display box wires and with the foul line
sensors.
5
Bring the front part closer to the middle part.
Connect a set of four wires from the front of
the device with four wires from the middle
part. AC POWER > AC POWER, EU2-1966-1 >
EU2-1963-2, EU2-1966-1 > EU2-1966-2, EU2-
1968b > EU2-1968b

NINJA CHALLENGE - USER’S MANUAL
www.magicplay.eu
8
6
Move the front part to the middle part. Make
sure that both parts are on the same level.
Secure by screwing the M6x40 screws in the
indicated places. Perform the same
operation on both sides of the device.
7
Move the rear part to the middle part. Make
sure that both parts are on the same level.
Remove the lower service door from the rear
part of the device. Secure both elements
using the four clamps shown in the picture.
8
Connect a set of three wires from the middle
part of the device with three wires from the
rear part. AC POWER > AC POWER, EU2-
1966-2 > EU2-1966-3, EU2-1968b > EU2-
1968b
9
Screw the side walls to the middle and rear
part in the indicated places, using the screws
M5x20. Perform the same operation on both
sides of the device.
10
Screw the side walls to the posts in the
indicated places, using the screws M5x10 and
washers 5/14. Perform the same operation
on both sides of the device.

NINJA CHALLENGE - USER’S MANUAL
www.magicplay.eu
9
11
Connect the wires from the pole with the
wires in the upper corners of the side walls.
12
Fix the corner parts of the roof frame in the
places indicated in the picture, using screws
M8x15 and washers 8/24. Make it so that the
ends of the left and right corners create a
hole.
13
Place the center crossbar of the roof frame
so that its openings fit into the holes in the
corner parts. Tighten the holes using the
M8x35 screws, 6/13 nuts and 10/20 washers
on both sides.
14
Fix the cover to the frame of the roof and the
top of the back part of the device by
screwing it in the indicated places, using the
screws M5x10.
15
Put the roof on the frame so that the velcro
strap is on the front of the device. Install the
upper arch by inserting the threaded rods
attached to it through the holes in the roof
and frame. Secure assembly using wing nuts
and 10/20 washers according to the picture.

NINJA CHALLENGE - USER’S MANUAL
www.magicplay.eu
10
3.3 PLAY ZONE
This machine requires space for playing and for maintenance as shown below.
Leave space around the game upon instalation:
Service area: 50cm
Play area: 100cm
3.4 CONNECTING POWER
IMPORTANT!
CHANGE BETWEEN 115/230V INPUT
VOLTAGE MUST BE SET MANUALLY.
BEFORE CONNECTING THE DEVICE FOR
THE FIRST TIME, MAKE SURE THAT THE
VOLTAGE SET ON POWER SUPPLIES IS
SAME AS THE VOLTAGE IN THE ELECTRICAL
INSTALLATION OF YOUR LOCATION.
• Do not plug the equipment power cables into an electrical outlet if the power cable is damaged.
• Avoid putting many loads on one electrical outlet as it could generate heat the fire resulting from
overload.
Connect the grounding conductor to the earth terminal
(GND):
Ensure that nothing rests on the power cord and that it
is not located where it can be stepped on or tripped
over.
To disconnect the game, grip the plug and pul lit from
the wall outlet. Never pull by the cord.
To prevent electric shock, do not touch the power plug
when hand is wet.

NINJA CHALLENGE - USER’S MANUAL
www.magicplay.eu
11
4. GAMEPLAY
Player's task is to accurately throw stars to the holes to get the most points. There are two types of holes
in the game: regular-external holes, and special-middle hole. The holes have their point value which is
added to the player's score each time player hits inside the hole with the star. The point value of the holes
can be set in the game settings.
To start the game, put a coin/banknote in the acceptor or move the card.
When the game begins, the transmission belt will start to work and move forward moving the stars
towards the player. The score display will show 0000. The time display will show the time remaining until
the end of the game - the time of the game can be set in the game settings.
Remember that the foul line can not be exceeded during the game. Exceeding this line will be detected
by the system. A loud alarm signal will be activated, the transmission belt will be stopped, and the
opportunity to earn points will be blocked. The game, however, will not stop and the countdown will
continue. The penalty for exceeding the line lasts as much as the time of exceeding + 3 seconds. After
this time, the game can be continued. This feature allows to prevent fraud attempts by entering the
machine or trying to get closer to the holes in order to gain points more easily.
Points for tickets list, allows you to check what number of points is needed to
get the selected number of tickets. In this list there is also information about
how many points are needed to get a ticket bonus.
A short game instruction is located on the left side of the panel. There is also
information about the number of points for hitting the holes, and a credit
display.

NINJA CHALLENGE - USER’S MANUAL
www.magicplay.eu
12
After starting the game, the outer holes are highlighted in blue and the five-
part ring around the center hole is highlighted in red. The middle hole is
closed.
If the star is cast into one of the outer rings, the color of the lighting around
the hole will change from blue to green. The part of the ring around the
central hole will change the color of lighting from red to green. The number
of points equal to the value of the outer circle will be added to the player's
score. The number of points will be displayed on the score display.
If each of the outer holes is hit at least once, all the holes will change
backlight from blue to green, and all parts of the ring around the center
hole will change from red to green. This means that all conditions for
opening the middle hole have been met.
The middle hole opens for a specified time (time can be set in the game
settings). The point value for a hit in the center hole will be added to the
point display each time the star goes to the hole. Note that when you open
the central hole, the backlighting of the outer holes will change from green
to blue one by one. The same with parts of the ring around the central hole.
This is the countdown of the time to close the central hole.
When the backlight of all external openings turns blue and the ring around
the central hole lights up red, the middle hole closes. To re-open the
central hole, hit all outer holes again. The game lasts until the countdown
of the game time is over. At the end of the game, the player can compare
his score with the table in the game panel to check what amount of tickets
should he receive for the points scored by the player.

NINJA CHALLENGE - USER’S MANUAL
www.magicplay.eu
13
5. GAME OPTIONS
5.1 MENU ACCESS AND NAVIGATION
To acces menu press ENTER/SELECT button,
located in service door, at the lower left front
of the machine, next to the coin and ticket
counters.
Use UP/+ and DOWN/- buttons to navigate in
the menu. Use ENTER/SELECT to ENTER or
SELECT the option value or selection
IMPORTANT!
REMEMBER THAT CHANGES IN THE SERVICE MENU CAN RELATE TO ELEMENTS SUCH AS
THE COST OF THE GAME AND THE NUMBER OF WON TICKETS, AND WHICH MAY
AFFECT THE EARNINGS OF THE DEVICE. MAKE SURE THAT THE CHANGES AND ENTERED
VALUES ARE VALID.

NINJA CHALLENGE - USER’S MANUAL
www.magicplay.eu
14
5.2 SERVICE MENU
MAIN MENU
Game Version:
1.XX
Indicates software version
DEVICE SETTINGS
MUSIC VOLUME
0-100
Set music volume
SFX VOLUME
0-100
Set effects volume
DEMO VOLUME
0-100
Set demo volume
FILTR BARRIER
0.1-5 s
Set alarm barrier sensitivity
GAME SETTINGS
DEMO INTERVAL
0-60 minutes
Set demo frequency
GAME TIME
10-999 seconds
Set game time
SPECIAL TARGET TIME
1-99 seconds
Set special target open time
SPECIAL BONUS TIME
0-10 seconds
Set additional bonus time for each hit
NORMAL TARGET VALUE
0-100
Set points for each hit at normal target
SPECIAL TARGET VALUE
0-500
Set point for each hit at special target
CREDIT SETTINGS
SERVICE GAME
ON / OFF
Play service game, no credits needed
GAME PRICE
1-20
How many credits needed to play 1 game
COIN PULSE VALUE | COUNTER
1-10
Value of PULSE coin acceptor & for counters
COIN CH1 VALUE
1-50
Value of CH1 coin acceptor & for counters
COIN CH2 VALUE
1-50
Value of CH2 coin acceptor & for counters
COIN CH3 VALUE
1-50
Value of CH3 coin acceptor & for counters
COIN CH4 VALUE
1-50
Value of CH4 coin acceptor & for counters
BILL PULSE VALUE
1-200
Value of PULSE bill acceptor & for counters
TICKET SETTINGS
TICKET
ON / OFF
TICKETS DEVICE
- ENTROPY TD-
963P
- ENTROPY TD-
963CR
- YENOX YN-11
- HOPPER MKII
- NO DISPENSER
default:
ENTROPY TD-963CR
TICKET VALUE
1, 2
Change won tickets value
BONUS TARGET POINTS
0 - 9000
Minimum value for bonus win
BONUS TICKET VALUE
0 – 999 tickets
Set ticket bonus value
1. POINTS | TICKETS
0-9999 points
0-999 tickets
Set threshold point for tickets win
2. POINTS | TICKETS
0-9999 points
0-999 tickets
Set threshold point for tickets win
3. POINTS | TICKETS
0-9999 points
0-999 tickets
Set threshold point for tickets win
4. POINTS | TICKETS
0-9999 points
0-999 tickets
Set threshold point for tickets win

NINJA CHALLENGE - USER’S MANUAL
www.magicplay.eu
15
5. POINTS | TICKETS
0-9999 points
0-999 tickets
Set threshold point for tickets win
6. POINTS | TICKETS
0-9999 points
0-999 tickets
Set threshold point for tickets win
7. POINTS | TICKETS
0-9999 points
0-999 tickets
Set threshold point for tickets win
8. POINTS | TICKETS
0-9999 points
0-999 tickets
Set threshold point for tickets win
COUNTERS
RESETABLE
CREDITS
Total coins
GAMES
Total games
TICKETS
Total tickets given
NON-RESETABLE
COINS
Total coins
GAMES
Total games
TICKETS
Total tickets given
STATS
AVERAGE SCORE
Show average score
AVERAGE TICKETS WIN
Show average tickets win
SPECIAL TARGET COUNT
Show how special target hits
SPECIAL TARGET OPEN
Show how special target opens
BIG WIN COUNT
Show bonus wins count
TESTS
INPUT DEVICES
BARRIER OPTO_1
OPTO_2
OPTO_3
OPTO_4
OPTO_5
OPTO_6
Check normal and special target optical sensors.
COIN ACCEPTOR
Check coin acceptor
BILL ACCEPTOR
Check bill acceptor
SAFETY BARRIER
Check safety(alarm) barrier
OUTPUT DEVICES
DISPLAY:
- POINTS
- BONUS POINTS
- BIG BONUS
- CREDITS
- TIME
- LINE LED TIME
Check displays
MOTOR TEST
Check motor for special target
LED SLOTS RGB
Check RGB LED illumination for TARGET slots
TICKET
DISPENSER
Check ticket dispenser
CONVEYOR BELT
Check conveyor belt
8. FACTORY
SETTINGS
Reset to factory settings
9. SAVE & EXIT
Save changes and exit

NINJA CHALLENGE - USER’S MANUAL
www.magicplay.eu
16
5.3 RECOMMENDED SETTINGS
~20 TICKETS/GAME | KIDS ~10 TICKETS/GAME
~45 TICKETS/GAME | KIDS ~30 TICKETS/GAME
GAME SETTINGS
GAME SETTINGS
GAME TIME
45 sec.
GAME TIME
45 sec.
SPECIAL TARGET TIME
5 sec.
SPECIAL TARGET TIME
7 sec.
SPECIAL BONUS TIME
1 sec.
SPECIAL BONUS TIME
3 sec.
NORMAL TARGET VALUE
40
NORMAL TARGET VALUE
50
BONUS TARGET VALUE
500
BONUS TARGET VALUE
500
TICKET SETTINGS
VALUE
TICKETS
TICKET SETTINGS
VALUE
TICKETS
TICKETS
ON
TICKETS
ON
TICKET VALUE
1
TICKET VALUE
1
BONUS TARGET POINTS
8000
BONUS TARGET POINTS
8000
BONUS TICKET VALUE
500
BONUS TICKET VALUE
500
1. POINTS
0
5
1. POINTS
0
15
2. POINTS
400
10
2. POINTS
400
20
3. POINTS
1000
15
3. POINTS
1000
25
4. POINTS
2000
20
4. POINTS
2000
30
5. POINTS
2500
25
5. POINTS
2500
40
6. POINTS
3000
35
6. POINTS
3000
50
7. POINTS
4000
50
7. POINTS
4000
70
8. POINTS
5000
70
8. POINTS
5000
100
~30 TICKETS/GAME | KIDS ~17 TICKETS/GAME
~60 TICKETS/GAME | KIDS ~45 TICKETS/GAME
GAME SETTINGS
GAME SETTINGS
GAME TIME
45 sec.
GAME TIME
60 sec.
SPECIAL TARGET TIME
7 sec.
SPECIAL TARGET TIME
10 sec.
SPECIAL BONUS TIME
2 sec.
SPECIAL BONUS TIME
2 sec.
NORMAL TARGET VALUE
50
NORMAL TARGET VALUE
50
BONUS TARGET VALUE
500
BONUS TARGET VALUE
500
TICKET SETTINGS
VALUE
TICKETS
TICKET SETTINGS
VALUE
TICKETS
TICKETS
ON
TICKETS
ON
TICKET VALUE
1
TICKET VALUE
1
BONUS TARGET POINTS
8000
BONUS TARGET POINTS
8000
BONUS TICKET VALUE
500
BONUS TICKET VALUE
750
1. POINTS
0
10
1. POINTS
0
15
2. POINTS
400
15
2. POINTS
400
20
3. POINTS
1000
20
3. POINTS
1000
25
4. POINTS
2000
25
4. POINTS
2000
30
5. POINTS
2500
30
5. POINTS
2500
40
6. POINTS
3000
40
6. POINTS
3000
50
7. POINTS
4000
60
7. POINTS
4000
75
8. POINTS
5000
80
8. POINTS
5000
100

NINJA CHALLENGE - USER’S MANUAL
www.magicplay.eu
17
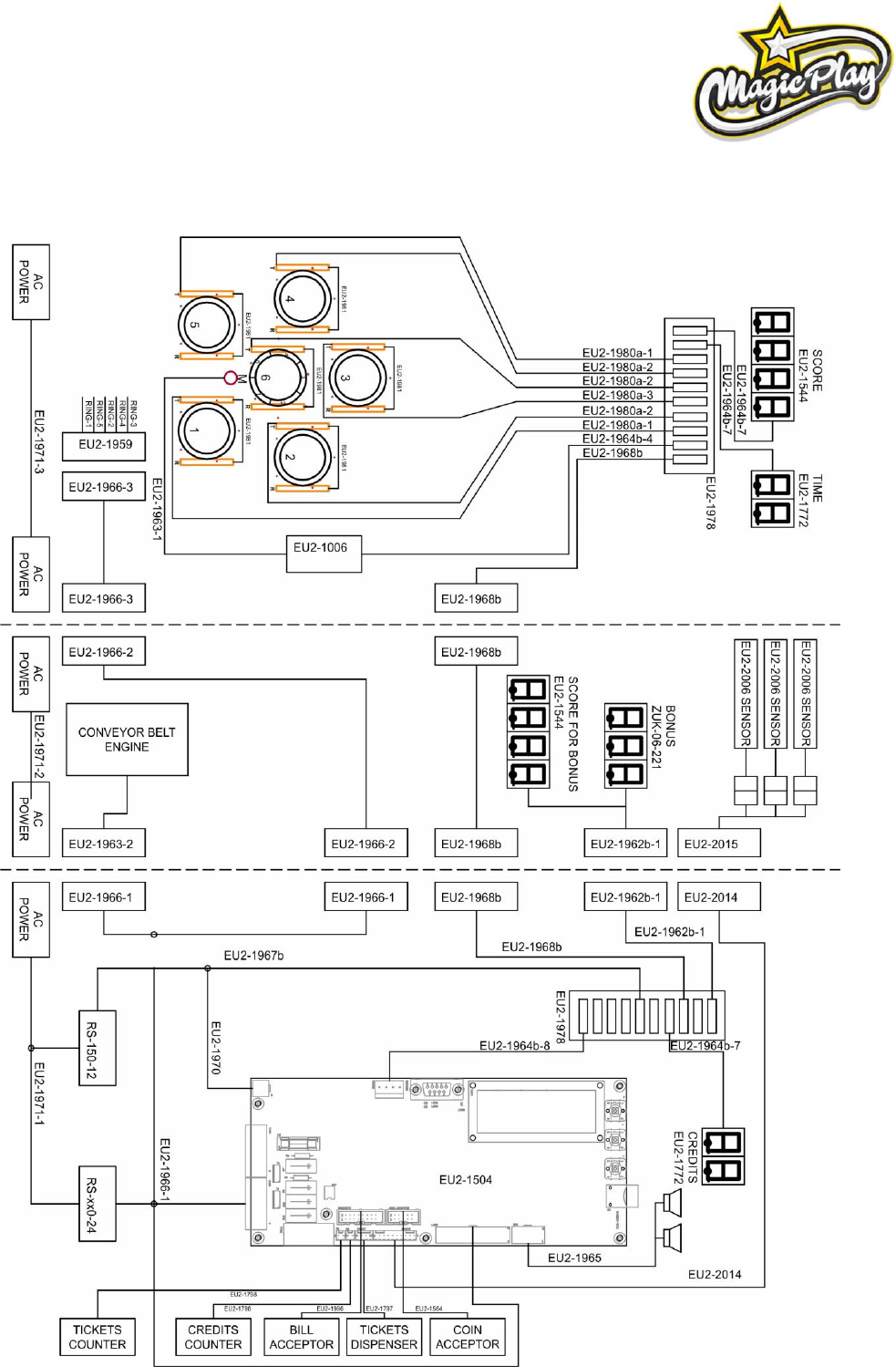
6. ELECTRICAL DIAGRAM

NINJA CHALLENGE - USER’S MANUAL
www.magicplay.eu
18
7. MAINTENANCE, INSPECTION
7.1 SAFETY CHECK
Check the points listed before operating the machine. These checks are nessessary for safe machine
operation:
1. Try to run the game before operation each day.
2. Conduct monthly routine checks of game components to ensure good working condition
3. Check the machine regularly for dust and clean when nesessary.
Note : Parts and components require preventative maintenance to be kept running smoothly
7.2 TROUBLESHOOTING
Ticket dispensing is not working
1. Check Ticket settings in service menu and make sure that they are turned ON, and proper ticket
dispenser is selected
2. Check ticket dispenser wiring and connections
3. Check ticket dispenser
Coin acceptor/bill acceptor is not working
1. Check Credit settings in service menu and make sure that everything is set properly
2. Check coin/bill acceptor wiring and connections
3. Check coin/bill acceptor

NINJA CHALLENGE - USER’S MANUAL
www.magicplay.eu
19
No sound
1. Check device settings in service menu
2. Check speakers wiring and connections
3. Check/replace microSD card with sounds
Alarm is full time on
1. Make sure that there is no objects on „FOUL LINE” sticker surface.
2. Check three optical sensors placed just behind POINTS FOR TICKETS BONUS display. Optical sensor
photo:
tip 1: diode 1 light ON: sensor detected barrier interuption
tip 2: diode 1 light OFF: no barrier interruption
3. If nothing is physcially braking barrier, but the #1 Light is ON then make regulation with #2 Screw: right
to increase, left to decrease range of sensor
4. If regulation is not possible: replace faulty sensor
Special target mechanism not working and it is always open/close
1. Run test procedure from service menu
2. Check wiring and connections
3. Check possible collisions inside special target mechanism
4. Check motor/driver PCB
Normal/special target hole is not detecting objects
1. Run test procedure from service menu and break barrier by hand
2. Check wiring and connections
3. Working barrier module should blink with 2 green LED and 1 red LED
4. Swap sensor modules and check results
Tip: every sensor module have own adressation and it’s not important where you connecting it. It will
always have the same hole number in system.
Normal/special target LED lighting is not working
1. Run test procedure from service menu
2. Check wiring and connections
3. Check or replace LED lights module

NINJA CHALLENGE - USER’S MANUAL
www.magicplay.eu
20
Conveyor belt is not working
1. Run test procedure from service menu
2. Check wiring and connections
3. Check possible collisions
4. Check/replace conveyor belt motor
Plugged in and nothing happened
1. Check power wiring
2. Check power supplies placed behind front-central doors – green LED light means OK
3. Check power supplies voltage-input settings. You need to chose between 115/230V before connecting it
to the electrical outlet for the first time. Manufacturer set it to default voltage for country of machine
destination.
4. Check main board or replace

NINJA CHALLENGE - USER’S MANUAL
www.magicplay.eu
21
8. TERMS OF WARRANTY
Magic Play Sp. z o.o. warrants that the PIZZA EXPRESS game will be free from electronical and mechanical
defects for a period of 12 months from the date of delivery.
Warranty covers:
• Display
• CPU board
• I/O board
• Power supplies
• LED driver
• LED lighting
Warranty terms do not cover parts not included above.
Definition of defect:
It will be considered as defective if any connection between subcomponents on a particular board fails or
any of them stops working itself. It does not include damages which occurred due to misuse, unauthorized
connection or modifications.
Should the product prove defective during the warranty period, Magic Play, at its option,
shall:
1. Repair the defective part by means of telephone support or depot service at no charge for parts of labor.
2. Replace the defective part with a comparable product which may be new or refurbished.
Provided that
1. Magic Play is informed of the defect immediately after it occurred. The faulty part should be dispatched
to Magic Play or its authorized distributor as soon as possible.
2. Magic Play diagnoses the defects were not caused by improper use, neglect, unauthorized
modifications, repair, setup or testing.
3. Only parts recommended and approved by Magic Play are covered by Magic Play Terms of Warranty.
UNDER NO CIRCUMSTANCES SHALL MAGIC PLAY SP. Z O.O. BE HELD RESPONSIBLE FOR
LOSES IN PROFIT, USAGE OR ACCIDENTAL SERIOUS DAMAGE TO THE MACHINE!
Magic Play sp. z o.o.
Adress: Chocimska 6
62800 Kalisz, POLAND
Phone: +48 62 753 21 88
Website: www.magicplay.eu











