Pdf Rgc11 Manual App User
Pdf Rgc11 Installation-Guide pdf_RGC11_installation-guide pdf_RGC11_installation-guide RGC11 products corebrands-resources
2017-06-28
User Manual: Manual Pdf Rgc11 Manual pdf_RGC11_manual RGC11 products
Open the PDF directly: View PDF
.
Page Count: 7

1
Remote Control Switchers
The RGC11, Fig. 1, is an IR Remote Controlled Line Level Gain Control Module. It permits line level gain
control of audio power amplifiers (instead of at speaker level), in multiroom installations, when highest
sound quality is desired. It may also be used in any application where IR remote control of gain is desired,
such as between the pre-out and main-in jacks of integrated amplifiers or receivers that were built without
remote control. Gain control is accomplished by way of infrared commands originating from a Xantech
RC68+ (or RC68) Programmer. The RC68+ commands are "taught" to learning devices and passed to the
RGC11 IR "IN" and "G" terminals via Xantech IR Receivers, Keypads and Connecting Blocks.
LEFT
RIGHT
IR CONFIRM
LEFT
RIGHT
OUTPUT
LOOP
THROUGH
INPUT
RGC11
REMOTE GAIN
CONTROL MODULE
IR
IN G
15VAC
V V
Fig. 1 The RGC11
INSTALLATION INSTRUCTIONS
RGC11
REMOTE GAIN CONTROL MODULE
FEATURES AND SPECIFICATIONS
• Requires RC68+ (or RC68) Programmer IR codes or the MIRV1 for operation.
• Responds to 16 IR commands: Volume Up/Down Ramping, 12 Fixed Levels, Mute ON and Mute OFF.
• IR Confirm LED lights steady when power is applied and blinks off with RGC11 IR commands only.
• Gold plated RCA type input & output jacks.
• Loop-through jacks (not buffered) for "daisy chaining" multiple RGC11’s.
• Selectable IR code groups. Internal E2 PROM can be set to different group codes, allowing different IR
code combinations. This prevents mutual interaction in common IR systems when using more than one
RGC11, or if RGC11's are included with other Xantech products using RC68+ codes.
• Factory preset Group Code number: 30
• 4-terminal plug-in for IR input & power connections, IR IN (= IR Signal), G (= GND), V V= 15VAC. Accepts
wire sizes from 24 to 12 gauge.
• Power Requirements: 15VAC @ 85 mA. (15V AC power supply included).
• Gain: Unity @ Max. V.C.
• Input Impedance: 45 k Ohms
• Output Impedance: 220 Ohms
• Freq. Response: 5 Hz to 70 kHz ± 3 dB.
• THD: < 0.01% @ 2V out.
• S/N Ratio: > 103 dB "A" WTD re 2V out.
• Flanges, plus supplied screws, permits easy mounting to flat surfaces..
• Dimensions: 5-7/8" x 2-3/4" x 1-5/8"

2
RC68+ or (RC68) PROGRAMMER / REMOTE CONTROL
The RC68+ Programmer (available separately) contains all the commands necessary to operate the
RGC11.
• You will need it to program universal learning devices such as the Xantech URC-1 learning remote, the
Xantech Smart Pads, the 590 Programmable Controller, the 710 Fone Link, etc., with commands that
operate the RGC11.
•NOTE: The RC68+ codes operate several other Xantech models as well, such as the RS41AV, CC12,
ZPR68, etc. Therefore, only the button descriptions that apply to the operation of the RGC11 are
listed below. All others should be ignored.
RC68+ BUTTONS THAT OPERATE THE RGC11
1. IR Emitter Lens.
2. Instant Volume Presets. These buttons allow random access or direct preset activation of any of 12
fixed preset levels on the RGC11. This is useful when setting up "audio scene" ambiance levels for
rooms or partial mute actions.
The relationship of the RC68+ buttons to the level attenuation below max. volume is as follows:
RC68+ Button RGC11 Level Attenuation - dB
A > 100 dB (OFF, MIN. VOL)
B57
C52
ADJ-OFF 47
142
237
332
427
523
618
713
89
MAX VOLUME 0
3. VOLUME Up/Down. These buttons increase or decrease volume
in 2 dB steps between 0 dB and -80 dB. When buttons are held
down, the volume level will change continuously.
4. MUTE ON/OFF. Separate On / Off buttons give positive mute commands without knowing what the
status is. This is very helpful in a remote room when all adjustments are made “blind” without any visual
aids for status.
NOTE: Mute is released (turned off) with a VOLUME (3) or Preset Level button command, in addition
to MUTE OFF (4).
CAUTION: While the RC68+ can be used as a handheld remote control, it is highly recommended it not
be given to the final user for the following reasons:
• Since it includes adjustable code groups, the user may inadvertently alter the installer configurations.
• Since the user requires IR commands from other brands of equipment to control the total system, in ad-
dition to those of the RGC11, all commands should be consolidated into one learning device, for easy use.
5. Code Group Numbers. The RGC11 is capable of being set to different IR code groups.
NOTE: When shipped from the factory, the RGC11 is set to code group number 30.
Be sure to set the RC68+ to the same number!
It may be necessary to change the RGC11 to a different code group if it is used in a common IR bus
controlled system with other Xantech RGC11's, to avoid mutual interaction.
Refer to the RC68+ instructions for code group setting procedures.
Fig. 2 The RC68+
Programmer
2
A B C ADJ-OFF
1234
5678
GLOBAL
Z-ADJ
TREBLE VOL
MUTE
ON OFF
E-FLAT LAST MAX-V TRIM
OFF C-BAL
BASS
INPUT
A
RC68+ PROGRAMMER
80 48 10 90 01
00 C0 50 D0 41
40 A0 30 B0 21
20 E0 70 F0 61
60 88 18 98 09
08 A8 38 B8 29
28 E8 78 F8 69
68 C8 58 D8 49
E1 89 C9 A9 E9
71 19 59 39 79
F1 99 D9 B9 F9
3
4
5
1
RGC11

3
Remote Control Switchers
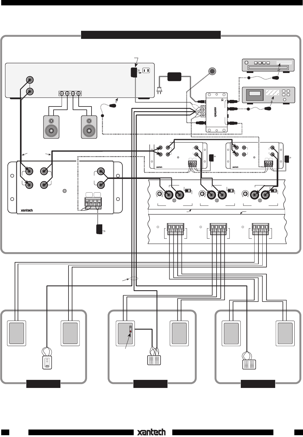
INSTALLATION – COMMON IR BUS SYSTEMS
Fig. 3 illustrates a typical installation using three RGC11's along with other Xantech products in a 4-room
common IR bus
system. The principles shown should be used as a guide when planning your own specific
installations. It is configured as follows:
1. For simplicity, only three RGC11's are shown. A practical limit would be six RGC11's "daisy-chained"
using the "LOOP THROUG H" jacks as shown. This places a load of 7.5k Ohms (45k Ohms ÷ 6) on
the REC OUT jacks (or other driving source) of the main room receiver, etc. Use a Xantech AV-61
Distribution Amplifier when driving more than six. Each output of an AV-61 will drive as many as six
RGC11's.
NOTE: The REC OUT jacks on the receiver, amp, etc., are used since they provide a fixed output
independent of the main volume control.
2. A
common IR bus
connects the 780-80 "J" Box IR Receiver,the 480-00 "Dinky Link" IR Receiver, and
two Smart Pad3 keypads to each of the three RGC11's. In addition, it connects to a 789-44 Connecting
Block for control of the source components.
3. Since a common IR bus is used, each of the RGC11's and its connected MIRV1 (where used) must
use a different IR Code Group number, so that the volume level in each room can be adjusted
independent of the others. To make code group changes, refer to the RC68+ (or RC68) Programmer
Instructions.
NOTE:
When shipped from the factory, the RGC11 is set to code group number 30. If you use
group 30 or change to a different number, be sure to always set the RC68+ to the same number.
4. When a code group is chosen, "teach" volume commands from the RC68+ Programmer (see Fig. 2)
into learning remote controls (and the keypad), dedicated to each room. You may use the Xantech
URC-1 or URC-2 learning remote controllers for this purpose.
NOTE:
With a Common IR Bus system, you cannot carry the same remote control from room-
to-room. You must use a dedicated remote for each room into which you have "taught" the
specific RC68+ code group that operates the specific RGC11 that controls the volume for that
room!
If you wish to carry remotes that have the same codes from room-to-room, use a Dedicated IR Bus
System as shown in Fig. 4.
5. A 490-30 "Micro Link" IR Receiver plugs into the 789-44 for local control of the source equipment (e.g.
equipment behind closed doors, etc.).
6. A "STATUS" system is included. This permits the power "ON/OFF" status of the A/V receiver or
amplifier system to be visible in each of the remote rooms. It also permits the power management
capability of the SmartPad3 to operate.
7. The "STATUS" indicator LEDs on the 780-80 "J" Box IR Receiver and the two SmartPad3's, are
powered by a 786-00 Power Supply plugged into a "SWITCHED" AC outlet on the A/V receiver or
amplifier system. When the switched outlet is "ON", +12 Volts from the 781C-00 passes through one
of the 4 bus-conductors (STATUS line) to the LED indicators.
NOTE: A resistor can be placed in series with the STATUS terminal at each IR receiver (IR receivers
only, if so equipped) for adjustment of the brightness of the Status LED. See the specific installation
instructions for the IR receiver for details.
NOTE:
When connecting system devices, be sure to carefully match up the terminals according to
their markings as follows:
IR IN or OUT (IR Signal), ST (Status), G (GND and V (+12 VDC).
Power Supply Considerations
Use one 15V AC power supply (included) for each RGC11. Add up the individual currents for each of the
other IR components in the system and choose the power supply accordingly. For instance, use the 781RG
for current demands up to 200 mA. For higher demands up to 1 A, use the 782-00 power supply.
RGC11

4
LEFT
RIGHT
IR CONFIRM
LEFT
RIGHT
OUTPUT
LOOP
THROUGH
INPUT
RGC11
REMOTE GAIN
CONTROL MODULE
IR
IN G
15VAC
V V
LEFT
RIGHT
IR CONFIRM
LEFT
RIGHT
OUTPUT
LOOP
THROUGH
INPUT
RGC11
REMOTE GAIN
CONTROL MODULE
IR
IN G
15VAC
V V
LEFT
RIGHT
IR CONFIRM
LEFT
RIGHT
OUTPUT
LOOP
THROUGH
INPUT
RGC11
REMOTE GAIN
CONTROL MODULE
IR
IN G
15VAC
V V
R
L
+– +–
CD Changer
ROOM 4ROOM 3
XANTECH
S-62/64/66
Wall Speakers
ROOM 2
R
L
+– +–
780-80
"J" Box
IR Receiver
R
L
+– +–
MAIN ROOM, EQUIPMENT AREA, ETC.
Cassette DecK
782-00
Power Supply
120 V AC
(Unswitched)
786-00 "STATUS" power supply. Plug into a SWITCHED
AC Outlet on A/V Receiver (see text).
MAIN ROOM A/V RECEIVER,
AMPLIFIER, ETC.
(Back Panel)
IR Receiver
(e.g.) cabinet mounted for
IR control in main room)
283M
Blink IR™
(Place on
FRONT
Panel IR
Sensor)
SPEAKER TERMINALS
490-30
"Micro Link"
"Dinky Link"
IR Receiver
480-00
Smart
Pad ™
3
789-44
Connecting Block
ST GV
IR IN ST GVIR IN
ST G VIR IN
L R
+ - - +
SOURCE COMPONENTS
RGC11
(for room 2)
RCA Type
Patch Cords
CH1 CH2
BRIDGED
STEREO
LEVEL
LINE INPUTS
1V
.2V3V
Xantech PA640 Input Panel
CH3 CH4
BRIDGED
STEREO
LEVEL
LINE INPUTS
1V
.2V3V
CH5 CH6
BRIDGED
STEREO
LEVEL
LINE INPUTS
1V
.2V3V
+ – – +
CH4 CH3
PROTECTION
SPEAKERS
+ –
BRIDGED
+ – – +
CH6 CH5
PROTECTION
SPEAKERS
+ –
BRIDGED
+ – – +
CH2 CH1
PROTECTION
SPEAKERS
+ –
BRIDGED
REC OUT
L
R
(+)
15V AC
Power Supply
(included)
120 V AC
(System
switched)
4-Conductor
Common IR Bus Cables
(+)
(+)
(+)
(+)
15V AC
Power Supply
(included)
120 V AC
(System
switched)
15V AC
Power Supply
(included)
120 V AC
(System
switched)
Main Room
Speakers
+ –
RightLeft
+ –
RGC11
(for room 4)
PA640 Speakers & AC Panel Power
Amplifiers
(+)
RGC11
(for room 3)
(+)
283M
Blink IR™
Mouse Emitter
283M
Blink IR™
12VDC
+12 VDC
GND
STATUS
IR IN
EMITTERS
IR
RCVR
789-44
CONNECTING BLOCK
®
Smart
Pad ™
3
IR IN=IR Signal
G=GND
ST=Status
V=+12V DC
Fig. 3 An RGC11 System Using a Common IR Bus
RGC11

5
Remote Control Switchers
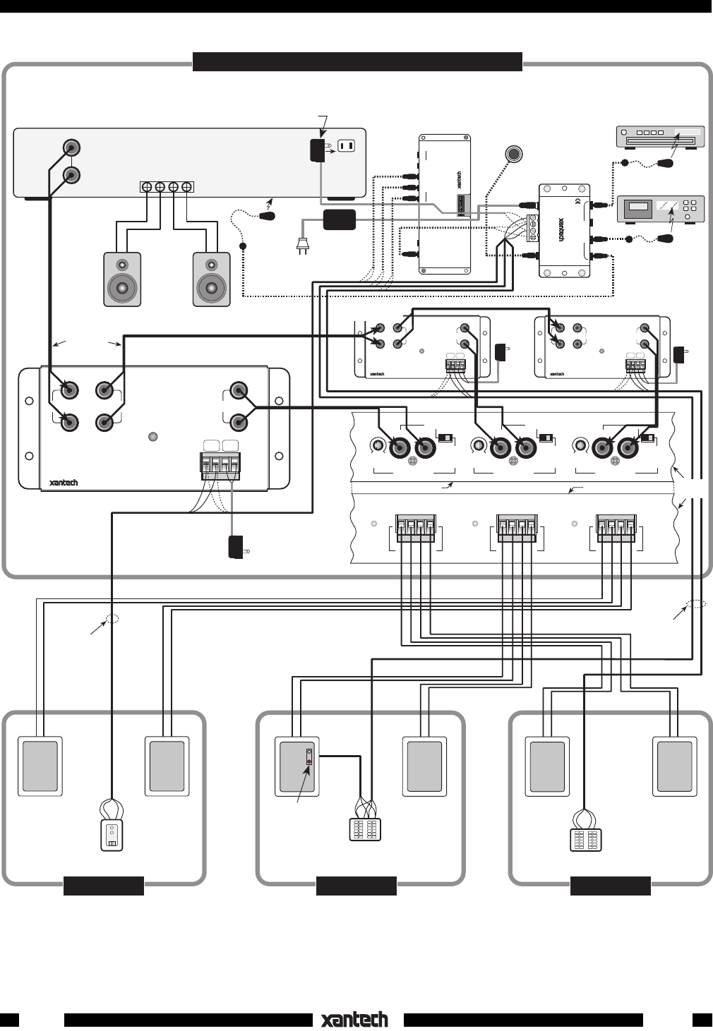
INSTALLATION – DEDICATED IR BUS SYSTEMS
Fig. 4 illustrates an installation where each remote room has a
Dedicated IR Bus
going to the RGC11 that
controls it. The IR bus is not connected in common as it is in Fig. 3. This eliminates the need for dedicated
remotes,
allowing you to carry the same remote(s) from room-to-room.
It is configured as follows:
1. Again, for simplicity, only three RGC11's are shown. A practical limit would be six RGC11's "daisy-
chained" using the "LOOP THROUGH" jacks as shown. This places a load of 7.5k Ohms (45k Ohms
÷ 6) on the REC OUT jacks (or other driving source) of the main room receiver, etc. Use a Xantech
AV-61 Distribution Amplifier when driving more than six. Each output of an AV-61 will drive as many
as six RGC11's.
2. Each of the remote rooms has a Dedicated IR Bus that connects to its own RGC11 for independent
volume control. Note that only the S (IR signal) and G (gnd) leads of the 4-conductor bus connect to
the RGC11's IR IN & G terminals and the 793 Serial Combiner. The remaining leads, ST (status), G
(gnd) and V (+12VDC) go on to the 789-44 for STATUS and +12VDC power.
3. In order to control the common source components in a Dedicated IR Bus system, it is necessary to
use a 793-00 Serial Control Combiner, connected as shown in Figs. 4 & 5. The 793 provides diode
isolation between the dedicated IR signal lines but allows common operation of the source equipment
through the 789-44 Connecting Block, as shown.
Set the LOGIC POLARITY SELECTOR DIP switches on the 793 for "active high" operation - that is
- all even numbered switches to "ON" - all odd numbered switches to "OFF".
4. The input and output ports on the 793 are 3.5mm mono mini jacks. Use matching mini plug cables
with stripped ends when connecting. Polarity must be observed as shown in Fig. 4 & 5.
For systems using more than five RGC11's, you will need additional 793-00's. These can be easily
"daisy chained" as shown in Fig. 5.
5. Since a Dedicated IR Bus system is used, each of the RGC11's can operate with the same IR Code
Group number. In this case, the Code Group number, as received from the factory, should be used.
NOTE: When shipped from the factory, the RGC11 (and MIRV1's) are set to code group number
30. Be sure to set the RC68+ (or RC68) to the same number!
If a particular system requires a code group number change, refer to the RC68+ Programmer
Instructions for code group setting procedures.
6. The desired volume commands from the RC68+ Programmer (see Fig. 2) need to be "taught" into
learning remote controls and keypads used in the system. You may use the Xantech URC-1 or URC-
2 learning remote controllers for this purpose.
7. A 490-30 "Micro Link" IR Receiver plugs into the 789-44 for local control of the source equipment.
8. As in Fig. 3, a "STATUS" system is included. See items 6 and 7 under: Installation - Common IR Bus.
NOTE:
When connecting system devices, be sure to carefully match up the terminals according to their
markings as follows:
IR IN or OUT (IR Signal), ST (Status), G (GND) and V (+12V DC).
Daisy-Chaining 793-00 Serial Control Combiners for Control of Common Components
Fig. 5 illustrates how two 793-00 Serial Control Combiners are "Daisy-Chained" to accommodate additional
RGC11's in a dedicated IR Bus System. This process can be repeated as necessary to accommodate the
number of RGC11's needed in the system. Simply plug the "B" CONTROL OUTPUTS port of the added
793 into the "A" CONTROL OUTPUTS port on the preceding 793 with a 3.5-to-3.5mm mono-mini cable as
shown.
NOTE: Be sure that all ten LOGIC POLARITY SELECTOR DIP switches on each 793 are set correctly. In
this case, set them for "active high" operation - that is - all even numbered switches to "ON" - all odd
numbered switches to "OFF".
RGC11

6
LEFT
RIGHT
IR CONFIRM
LEFT
RIGHT
OUTPUT
LOOP
THROUGH
INPUT
RGC11
REMOTE GAIN
CONTROL MODULE
IR
IN G
15VAC
V V
LEFT
RIGHT
IR CONFIRM
LEFT
RIGHT
OUTPUT
LOOP
THROUGH
INPUT
RGC11
REMOTE GAIN
CONTROL MODULE
IR
IN G
15VAC
V V
LEFT
RIGHT
IR CONFIRM
LEFT
RIGHT
OUTPUT
LOOP
THROUGH
INPUT
RGC11
REMOTE GAIN
CONTROL MODULE
IR
IN G
15VAC
V V
CONTROL
OUTPUTS
LOGIC POLARITY
SELECTOR
A B
CONTROL
INPUTS
1 2 3 4 5
1 2 3 4 5 6 7 8 910
ON
793-10
SERIAL CONTROL
COMBINER
CD Changer
793-00
Serial Combiner
R
L
+– +–
ROOM 4ROOM 3
XANTECH
S-62/64/66
Wall Speakers
ROOM 2
R
L
+– +–
780-80
"J" Box
IR Receiver
R
L
+– +–
MAIN ROOM, EQUIPMENT AREA, ETC.
782-00
Power Supply
To 120 V AC
(unswitched)
786-00
"STATUS" power supply. Plug into a SWITCHED
AC Outlet on A/V Receiver (see text).
MAIN ROOM A/V RECEIVER,
AMPLIFIER, ETC.
(Back Panel)
SPEAKER TERMINALS
"Dinky Link"
IR Receiver
480-00
Smart
Pad ™
3
789-44
Connecting Block
ST G V
IR IN ST GVIR IN
ST G VIR IN
L R
+ - - +
SOURCE
COMPONENTS
RGC11
(for room 2)
RCA Type
Patch Cords
CH1 CH2
BRIDGED
STEREO
LEVEL
LINE INPUTS
1V
.2V3V
Xantech PA640 Input Panel
CH3 CH4
BRIDGED
STEREO
LEVEL
LINE INPUTS
1V
.2V3V
CH5 CH6
BRIDGED
STEREO
LEVEL
LINE INPUTS
1V
.2V3V
+ – – +
CH4 CH3
PROTECTION
SPEAKERS
+ –
BRIDGED
+ – – +
CH6 CH5
PROTECTION
SPEAKERS
+ –
BRIDGED
+ – – +
CH2 CH1
PROTECTION
SPEAKERS
+ –
BRIDGED
REC OUT
L
R
(+)
15V AC
Power Supply
(included)
120 V AC
(System
switched)
4-Conductor
Dedicated IR Bus Cables
G
15V AC
Power Supply
(included)
15V AC
Power Supply
(included)
Main Room
Speakers
+ –
RightLeft
+ –
RGC11
(for room 4)
PA640 Speakers & AC Panel
RGC11
(for room 3)
IR Receiver
(i.e. cabinet mounted
for IR control
in main room)
490-30
"Micro Link"
S
Power
Amplifiers
4-Conductor
Dedicated IR
Bus Cable
Cassette DecK
G
S
G
S
GSG
SGS
GS G
SG
S
G
S
120 V AC
(System
switched)
120 V AC
(System
switched)
283M
Blink IR™
Mouse Emitter
283M
Blink IR™
12VDC
+12
VDC
GND
STATUS
IR IN
EMITTERS
IR
RCVR
789-44
CONNECTING BLOCK
®
Smart
Pad ™
3
283M
Blink IR™
(Place on
FRONT
Panel IR
Sensor)
IR IN=IR Signal
G=GND
ST=Status
V=+12V DC
Fig. 4 A Dedicated IR Bus RGC11 System
RGC11

7
Remote Control Switchers
CD Changer
CONTROL
OUTPUTS
LOGIC POLARITY
SELECTOR
A B
CONTROL
INPUTS
1 2 3 4 5
1 2 3 4 5 6 7 8 910
ON
793-10
SERIAL CONTROL
COMBINER
CONTROL
OUTPUTS
LOGIC POLARITY
SELECTOR
A B
CONTROL
INPUTS
1 2 3 4 5
1 2 3 4 5 6 7 8 910
ON
793-10
SERIAL CONTROL
COMBINER
789-44
Connecting Block
793-00
Serial Combiner
793-00
Serial Combiner
White
Striped
Side (+)
To IR IN
and G on
each RGC11
Use Mini-Plug-
to-Stripped
end cables,
Pt. # 6015900
"Daisy-Chain"
connection. Use
3.5/3.5mm Mini-
Plug cable,
Pt. # 6017400
To
additional
Emitters
if needed
+
–
CONTROLLED
COMPONENTS
Cassette Deck 283M
Blink IR™
Mouse
Emitter
283M
Blink IR™
To IR IN
and G on
each RGC11
12VDC
+12
VDC
GND
STATUS
IR IN
EMITTERS
IR
RCVR
789-44
CONNECTING BLOCK
®
ADDING REMOTE VOLUME TO A NON-REMOTE COMPONENT
The RGC11 is an ideal product to add IR remote volume control to a stereo receiver or integrated amplifier
that was built without it. Fig. 6 illustrates such a system. It is configured as follows:
1. The RGC11 is connected between the PRE OUT and MAIN IN jacks on the back of the unit as shown.
2. In actual use, you would set the unit's front panel volume control to about 50% rotation and use the
RGC11 for all subsequent volume adjustments.
3. A 789-44 Connecting Block is used so that other product can be controlled as well as the RGC11.
4. The power supply for the RGC11 is plugged into a switched AC outlet on the unit so that it will power
ON and OFF with the main power switch.
Fig. 6 Adding Remote Volume Control to a Non-Remote Component
LEFT
RIGHT
IR CONFIRM
LEFT
RIGHT
OUTPUT
LOOP
THROUGH
INPUT
RGC11
REMOTE GAIN
CONTROL MODULE
IR
IN G
15VAC
V V
CD Changer
Cassette DecK
781RG
Power Supply
To 120 V AC
(unswitched)
STEREO RECEIVER, INTEGRATED AMPLIFIER, ETC.
WITHOUT
IR REMOTE CONTROL
(Back Panel) IR Receiver
(e.g.) cabinet mounted for
IR control in main room)
SPEAKER TERMINALS
490-30
"Micro Link"
789-44
Connecting Block
L R
+ - - +
SOURCE COMPONENTS
RCA Type
Patch Cords
PRE
OUT
L
R
15V AC
Power
Supply
(included)
(+)
MAIN
IN
SWITCHED
AC OUTLET
L
R
283M
Blink IR™
Mouse Emitter
283M
Blink IR™
12VDC
+12
VDC
GND
STAT US
IR IN
EMITTERS
IR
RCVR
789-44
CONNECTING BLOCK
®
Fig. 5 Daisy-Chaining 793-00's in Multiple RGC11 Dedicated IR Bus Systems
1-11-01
Rev.B
RGC11