Pdf S86A Installation Manual User
2017-06-28
User Manual: Manual Pdf S86A Installation-Manual pdf_S86A_installation-manual S86A products
Open the PDF directly: View PDF
.
Page Count: 112 [warning: Documents this large are best viewed by clicking the View PDF Link!]


ELAN HOME SYSTEMS INSTALLATION MANUAL
© ELAN Home Systems 2009 • All rights reserved. Page 1
S86A
Preface
Purpose of This Manual
This manual provides step-by-step installation instructions and connection examples, along with basic user infor-
mation for installation and ongoing use of the S86A Multi-Room Integrated Contoller. This manual is written for the
installer of this equipment.
Organization
The following information is contained in this manual:
Safety Information Provides a comprehensive list of safety practices and procedures allowing for
the safe installation and operation of ELAN Home Systems’ S86A Integrated Multi-Room
A/V Controller.
S86A Introduction Provides an introduction to ELAN Home Systems’ S86A Integrated Multi-
Room A/V Controller, along with system features to include Front and
Rear panel controls, indicators and connections, along with a short description
of each.
S86A System Design
Overview
Provides a system design application overview of the S86A Integrated
Multi-Room A/V Controller for use in audio, video and automation applications.
S86A Connections Provides a description of S86A Integrated Multi-Room A/V Controller system connections to
included connections made with an ELAN System Precision Panel (SPP) and direct connec-
tions from the S86A to all other components.
Troubleshooting Provides troubleshooting tables to help fix common discrepancies that may
be associated with the S86A Integrated Multi-Room A/V Controller.
Specifications Appendix A provides equipment specifications for the S86A Integrated
Multi-Room A/V Controller.
Programming Appendix B provides a basic overview of steps necessary to download programming infor-
mation from VIA!®TOOLS or ELAN®TOOLS Setup software to the S86A Integrated Multi-
Room A/V Controller.
RS-232 Protocol Appendix C contains all information necessary to create RS-232 command
structures when controlling the S86A Integrated Multi-Room A/V Controller with a third-
party RS-232 control device.
Rack Mounting Appendix D contains all information necessary to mount the S86A to the optional
ELAN RMK3 Rack-Mount Kit.

ELAN HOME SYSTEMS
INSTALLATION MANUAL
Page 2 © ELAN Home Systems 2009 • All rights reserved.
S86A
Safety Information
RISK OF ELECTRIC SHOCK
DO NOT OPEN!
WARNING
CAUTION: TO REDUCE THE RISK OF ELECTRIC SHOCK, DO NOT
REMOVE COVER (OR BACK). NO USER SERVICEABLE PARTS INSIDE.
REFER SERVICING TO QUALIFIED SERVICE PERSONNEL.
WARNING: TO REDUCE THE RISK OF FIRE OR SHOCK,
DO NOT EXPOSE THIS APPLIANCE TO RAIN OR MOISTURE.
The lightning flash with arrowhead symbol within an equilateral triangle is intended to
alert the user to the presence of uninsulated "dangerous voltage" within the product's
enclosure that may be of sufficient magnitude to constitute a risk of electric shock to persons.
The exclamation point within an equilateral triangle is intended to alert the user to the presence
of important operating and maintenance (servicing) instruction in the literature accompanying
the appliance.
CAUTION
SOME DETACHABLE POWER CORD SOCKETS HAVE THIS FUSE SYMBOL
WHICH INDICATES THERE IS A REPLACEABLE FUSE WITHIN THE SOCKET.
FOR SAFETY PURPOSES REPLACE ONLY WITH SPECIFIED FUSE.
IMPORTANT SAFETY INFORMATION
Read Information—All the safety and operating information should be read before the appliance is operated.
Follow Information—All operating and use information should be followed.
Retain Information—The safety and operating information should be retained for future reference.
Heed Warnings—All warnings on the appliance and in the operating instructions should be heeded.
Wall Mounting—Mounting of this appliance should be done only by an authorized installer.
Ventilation—The appliances should be situated so that their location or position does not interfere with their proper
ventilation. These appliances should never be placed near or over a radiator or heat register.
-These appliances should not be placed in a built-in installation such as a bookcase or cabinet that may impede the flow of air
through the ventilation openings.
Non-Use Periods—Appliances that are left unattended and unused for long periods of time should be de-energized.
Grounding or Polarization—Do not defeat the safety purpose of the polarized or grounding-type plug. A polarized
plug has two blades with one blade wider than the other blade. A grounding type plug has two blades and a third
grounding prong. The polarized wide blade and the third prong are provided for your safety. If the provided plug does not fit your
outlet, consult an electrician for replacement of the obsolete outlet.
Power Cord Protection—Protect the power cord from being walked on or pinched particularly at plugs, convenience
receptacles and the point where they exit from the apparatus.
Water—Do not use the apparatus near water.

ELAN HOME SYSTEMS INSTALLATION MANUAL
© ELAN Home Systems 2009 • All rights reserved. Page 3
S86A
Cleaning—Unplug the apparatus from the power outlet before cleaning. Use only a dry cloth to clean the apparatus.
Power Lines—An outdoor antenna should be located away from power lines. When installing an outside antenna
system, extreme care should be taken to avoid touching power lines or circuits, as contact with them may be fatal.
Object and Liquid Entry—Never insert objects of any kind through the openings of these appliances, as they may
touch dangerous voltage points or short-out parts that could result in a fire or electric shock. Care should be taken so
that objects do not fall and liquids are not spilled into the appliance through openings in the enclosure.
Servicing—Do not attempt to service these appliances yourself, as opening or removing covers may expose you to
dangerous voltage or other hazards. Refer all servicing to qualified service personnel.
Damage Requiring Service—These appliances should be serviced by qualified service personnel when:
• A power supply connection or a plug has been damaged or
• If liquid has been spilled into the appliance or objects have fallen into the appliance or
• The appliance has been exposed to water or moisture or
• The appliance does not appear to operate normally or exhibits a marked change in performance or
• The appliance has been dropped or the enclosure damaged.
Replacement Parts—When replacement parts are required, be sure the service technician has used replacement
parts specified by the manufacturer or that have the same characteristics as the original part. Unauthorized substitutions
may result in fire, electric shock, or other hazards. The Master Control Unit battery should be replaced only after
turning the power off and only by an authorized installer.
Safety Check—Upon completion of any service or repairs to this audio product, ask the service technician to perform
safety checks to determine that the audio product is in proper operating condition.
Lightning Storms—Unplug this apparatus during lightning storms or when unused for long periods of time.
Attachments and Accessories—Use only attachments/accessories specified by the manufacturer.
Cart, Stand, Tripod, Bracket or Table—Use only with a cart, stand, tripod, bracket or table specified
by the manufacturer, or sold with the apparatus. When a cart is used, use caution when moving the
cart/apparatus combination to avoid injury from tip over.
Disconnect Device—Where the mains plug or an appliance coupler is used as the disconnect
device, the disconnect device shall remain operable.
NOTE:
This equipment has been tested and found to comply with the limits for a Class B digital device, pursuant to
part 15 of the FCC Rules. These limits are designed to provide reasonable protection against harmful interference in a
residential installation. This equipment generates, uses and can radiate radio frequency energy and, if not in-stalled
and used in accordance with the instructions, may cause harmful interference to radio communications. However,
there is no guarantee that interference will not occur in a particular installation. If this equipment does cause harmful
interference to radio or television reception, which can be determined by turning the equipment off and on, the user is
encouraged to try to correct the interference by one or more of the following measures:
• Reorient or relocate the receiving antenna.
• Increase the separation between the equipment and receiver.
• Connect the equipment into an outlet on a circuit different from that to which the receiver is connected.
• Consult the dealer or an experienced radio/TV technician for help.
CAUTION:
Changes or modifications not expressly approved by Elan Home Systems could void the user’s authority
to operate the equipment

ELAN HOME SYSTEMS
INSTALLATION MANUAL
Page 4 © ELAN Home Systems 2009 • All rights reserved.
S86A

ELAN HOME SYSTEMS INSTALLATION MANUAL
© ELAN Home Systems 2009 • All rights reserved. Page 5
S86A
Purpose of This Manual ...................................................................................................................... 1
Organization .......................................................................................................................................... 1
Safety Information ............................................................................................................................... 2
Chapter 1: Introduction
The ELAN Story .................................................................................................................................... 9
S86A Features .................................................................................................................................... 10
System S86A Functions & Indicators ............................................................................................ 12
Front Panel ........................................................................................................................................ 12
S86A Front Panel Table ....................................................................................................................... 12
Rear Panel ......................................................................................................................................... 13
S86A Rear Panel Table ...................................................................................................................... 13
Chapter 2: S86A System Design Overview
Introduction ......................................................................................................................................... 14
Pre-Wire ............................................................................................................................................ 15
Applications ........................................................................................................................................ 16
Zone/Sub-Zone Definitions ................................................................................................................ 16
Stereo Zones .................................................................................................................................... 17
Stereo Zone w/ Stereo Sub-Zone ......................................................................................................... 18
Stereo Zone w/ Mono Sub-Zone .......................................................................................................... 19
Stereo Zone w/ Multiple Sub-Zones ..................................................................................................... 20
Video Applications ............................................................................................................................. 21
Chapter 3:S86A Connections
SPP System Precision Panel ........................................................................................................... 22
Connections When Using an ELAN SPP Precision Panel-Rear ................................................ 24
VIA! Touch Panel Connections ........................................................................................................... 25
Olé Film Interactive Touchpads .......................................................................................................... 27
“A” Punchdown Locations .................................................................................................................. 27
“B” Punchdown Locations-16V ........................................................................................................... 28
“B” Punchdown Locations-12V ........................................................................................................... 29
“C” Punchdown Locations ................................................................................................................. 30
Z•Pad Connections ........................................................................................................................... 30
“C” Punchdown Locations ................................................................................................................ 31
IR Receiver Connections ................................................................................................................... 31
Sense Input Connections ................................................................................................................... 31
Programmable Trigger Connections ................................................................................................... 32
LINK IN/LINK OUT Connections ......................................................................................................... 32
External Power Connections .............................................................................................................. 33
RS-485 Expansion Connections ......................................................................................................... 33
Switches ........................................................................................................................................... 34
INT 12V-EXT 16V Switch ..................................................................................................................... 34
ZNET/VNET Switch ........................................................................................................................... 34
SS/SC4-NO SS/SC4 Switch ................................................................................................................ 35

ELAN HOME SYSTEMS
INSTALLATION MANUAL
Page 6 © ELAN Home Systems 2009 • All rights reserved.
S86A
Connections When Using an ELAN SPP Precision Panel-Front ............................................... 36
VIA!NET Connection .......................................................................................................................... 36
EXT IR Connections .......................................................................................................................... 36
Sense Input Connections .................................................................................................................. 36
SS/SC4 Connection ........................................................................................................................... 37
ZONE 1-8 Connections ...................................................................................................................... 37
Triggers Connections ......................................................................................................................... 38
Power Connections ........................................................................................................................... 39
S86A Connections When NOT Using an ELAN SPP Precision Panel ...................................... 40
Sense Input Connections ................................................................................................................... 40
VIA! Touch Panel Connections ........................................................................................................... 41
Olé Touchpad Connections ................................................................................................................ 42
Keypad Connections ......................................................................................................................... 42
Programmable Trigger Output Connections ........................................................................................ 43
SYSTEM TRIGGER OUT Connections ................................................................................................ 43
Additional S86A Connections-With or Without SPP Precision Panel ..................................... 44
SOURCE IR OUTPUT Connections .................................................................................................... 44
ALL IR OUT Port Connections ........................................................................................................... 45
Audio/Video Connections .................................................................................................................. 45
Loop Output Connections ................................................................................................................. 46
Advanced Video Switching-Composite Video ..................................................................................... 47
V8 Video Controller ............................................................................................................................ 47
VIA!®Quad Video Controller ................................................................................................................ 48
Advanced Video Switching-Component Video ............................................................................. 49
V85 Component Video Controller ....................................................................................................... 49
Zone Preamp Outputs-Audio ............................................................................................................. 50
Zone Preamp Outputs-Video .............................................................................................................. 51
Speaker Outputs ............................................................................................................................... 52
ELAN RS-232 Ports ........................................................................................................................... 53
SC-4 RS-232 System Controller ........................................................................................................... 53
SS1 System Station ........................................................................................................................... 53
C2 Communications Controller Connections ...................................................................................... 54
VSE2 Electronic Volume Control Connections ..................................................................................... 55
Multi-Chassis Connections ................................................................................................................ 56
AC Power Connections ..................................................................................................................... 59
Chapter 4: Operations and Settings .............................................................................................. 60
Pull-Open Access Door ..................................................................................................................... 60
Unit I.D. Settings ............................................................................................................................... 60
Unit I.D. DIP Switches ....................................................................................................................... 61
Front Panel LED's ............................................................................................................................. 61
Chapter 5: Troubleshooting ............................................................................................................. 62
Appendix A: Specifications ................................................................................................................ 68

ELAN HOME SYSTEMS INSTALLATION MANUAL
© ELAN Home Systems 2009 • All rights reserved. Page 7
S86A
Appendix B: Programming ................................................................................................................. 70
Appendix C: RS-232 Serial Control Commands ............................................................................... 71
General Information ........................................................................................................................... 71
S86A Communication Port Settings ................................................................................................... 72
RS-232 Commands ........................................................................................................................... 73
Appendix D: Rack Mounting ............................................................................................................ 106
Warranty ................................................................................................................................ Back Page

ELAN HOME SYSTEMS
INSTALLATION MANUAL
Page 8 © ELAN Home Systems 2009 • All rights reserved.
S86A
Items in package:
• S86AIntegratedMulti-RoomA/VController
• PowerCord
• InstallationManual

ELAN HOME SYSTEMS INSTALLATION MANUAL
© ELAN Home Systems 2009 • All rights reserved. Page 9
S86A
Chapter 1: Introduction
The S86A Integrated Multi-Room A/V Controller is designed to be an affordable, feature rich solution for whole-
house audio and video distribution, combining amplification, audio switching, video switching, triggers, and source
control options in a combination found in no other product at this price point. The S86A Controller is an eight
source, six zone controller with twelve channels of amplification and on-board composite video switching. Up to
four S86A Controllers can be linked for a total of twenty-four zones. Controllable by IR or Serial commands, this unit
works with ELAN VIA!® Touch Panels, Olé™ Film Interactive Touchpads, Z•Series Keypads, and/or IR receivers, as
well as interfacing with the VIA!®-SR1 Sense/Relay Module, and SS1 System Station.
This unit has been designed with ultimate flexibility in mind. Multiple control methods combine with expandability
to offer the perfect solution for medium and larger whole-house audio/video and automation control systems, and
advanced trigger options allow flexible automation opportunities.
The S86A Controller contains a built-in composite video switcher which facilitates the routing of composite video
sources like VCRs, satellite receivers, DVRs, and CCTV cameras throughout the home. Loaded with all the
features a custom installer requires, the S86A Controller includes audio/video signal sensing and system-status
feedback, eight source-specific IR ports, an IR ‘All’ port, six Sense Inputs, six Trigger outputs plus a System
Trigger output, a Music-On-Hold output, Page/Doorbell audio and Trigger jacks for easy integration with ELAN’s
C2 Communications Controller, IR Expansion ports, and Serial In/Out ports for RS-232 control. The SPP System
Precision Panel makes all system connections quick, neat and reliable!
The ELAN Story
Located in Lexington, KY, USA, ELAN Home Systems has designed innovative multi-room audio/video systems
since 1989. ELAN systems were the first to integrate music, intercom and TV distribution features that used the
homeowner’s stereos, televisions and telephones to create the whole-house entertainment experience. These
systems allow people to move from room to room, controlling centrally located equipment with ease.
ELAN’s product line includes:
• Power Amplifiers
• Multi-Zone Pre-Amps
• Intelligent Keypads
• In-Wall LCD Color Touch Panels
• Wireless LCD Color Touch Panels
• Film Interactive Touchpads
• In-Wall and In-Ceiling Speakers
• Outdoor Speakers
• System Controllers
• Volume Controls
• Telephone-Based Intercom Controllers
• Video Switchers
• Digital Music and DVD Management Systems
• Satellite Radios
• Accessories for Home Systems Installation

ELAN HOME SYSTEMS
INSTALLATION MANUAL
Page 10 © ELAN Home Systems 2009 • All rights reserved.
S86A
S86A Features
8 Sources
• Connect up to 8 Audio or A/V components.
8 Video Inputs
• Switch independently or in synchronization with audio.
6 Zones
• Each chassis has six zone output capability.
24 Zone Capability
• Link up to 4 S86A Controllers to independently control up to 6, 12, 18 or 24 zones.
Buffered Loop Audio and Video Outputs
• Easily share sources w/ Home Theaters, etc.
Variable & Fixed Zone Preamp Outputs
• Each zone output can be configured for variable or fixed volume for flexible system
configuration.
Independent Zone Control of Bass, Treble, and Volume
• Adjust the sound for each zone.
Independent Turn-On Settings for Bass, Treble, Page Volume, & Minimum/
Maximum Volume for Each Zone
• Program default values for bass, treble, min & max volume, page volume. Choose
preset settings or last used setting each time.
Audio & Video Source Sensing for System Feedback
• Advanced signal sensing for source and zone status feedback and automated
sequences.
Input Source Levelling
• Optimize the input level of each audio source for smooth source switching.
• Available for Variable Pre-Amp outputs and speaker outputs (not Fixed-mode
Preamp Outputs).
Source-Specific IR Routing/ALL Port
• 8 source-specific IR Output ports
• 1 IR ‘ALL’ Output port
Full ELAN Control Capability
• Use with any ELAN keypad, touchpad, or LCD touch panel.
• IR or RS-232 Control
• Uses VIA!®TOOLS or ELAN®TOOLS setup software for all programming.
Whole-House Music (WHM)
• Play one source throughout the house with the touch of a button.

ELAN HOME SYSTEMS INSTALLATION MANUAL
© ELAN Home Systems 2009 • All rights reserved. Page 11
S86A
Do-Not-Disturb
• Temporarily disable Page, Doorbell AND WHM, in any zone.
6 Sense Inputs
• Trigger complex IR sequences and automated functions using VIA! Touch Panels
and Olé Film Interactive Touchpads.
6 Programmable Trigger Outputs/1 System Trigger Output
• Turn on a specific amp channel when a specific zone is activated or turn on the
whole amp when any zone in the system is activated.
Rear Panel Expansion Ports
• Easily route IR and RS-485 data between multiple S86A chassis.
Programming and Firmware Download Functions
• Front Panel USB
RMK3 Rack-Mount Kit Available
• Easily mount in a standard equipment rack.
Available in 240 Volt Version
cTUVus Certified, CE®, and C-tick

ELAN HOME SYSTEMS
INSTALLATION MANUAL
Page 12 © ELAN Home Systems 2009 • All rights reserved.
S86A
S86A Functions & Indicators
Front Panel
1
6
7
3
8
4
25
Figure 1-1: S86A Front Panel Controls & Indicators
Item Name Item Name
1
Six Zone Activity LEDs (Blue)
5
Power LED (Blue)
2
IR Activity LED (Green)
6
USB-Mini-B Connection
3
Six Zone Pre-Amp Output
Mode DIP Switches
7
Unit ID Expansion DIP Switches
4
IR Learning Button (future use)
8
Access Door (Shown Open)
Table 1-1: S86A Front Panel Controls & Indicators

ELAN HOME SYSTEMS INSTALLATION MANUAL
© ELAN Home Systems 2009 • All rights reserved. Page 13
S86A
Rear Panel
1
2 3 4 6 7 8
9
10
11
12
13
14
15
17 16
5
Figure 1-2: S86A Rear Panel Connections
Item# Name Item# Name
1
Zone IR Inputs
10
Page Trigger Input/Output
2
Speaker Outputs
11
System Trigger Output
3
ELAN RS-232 Ports
12
ELAN Sense Inputs
4
Source IR Expansion Ports
13
Programmable Trigger Outputs
5
Zone Pre-Amp Outputs
14
ALL IR Output
6
Music On Hold Output
15
Source-Specific IR Outputs
7
Page Audio Input/Output
16
VIA!NET Input/Output
8
Source Audio/Video Loop Outputs
17
AC Power Connector
9
Source Audio/Video Inputs
Table 1-2: Rear Panel Connections

ELAN HOME SYSTEMS
INSTALLATION MANUAL
Page 14 © ELAN Home Systems 2009 • All rights reserved.
S86A
Chapter 2: S86A System Design Overview
Introduction
The first step to a good design is to map the system. It is advisable to mark up a copy of the house floor plan with
speaker, keypad, touch panel, volume control, and equipment locations etc. Make sure that all locations are
decided upon before pre-wiring commences so that all necessary wiring and installation hardware is in place. This
unit will be interfacing with other components such as amplifiers, source components, communications controllers,
serial controllers, and user interfaces, so it is essential that ALL system components are accounted for prior to the
pre-wire stage.
Secondly, make a detailed list of all components. Include source equipment, keypads, touch panels, volume
controls, amplifiers, communications gear and the S86A itself. Be sure to include necessary electrical boxes,
structured wiring enclosures, telephone lines, rough-in brackets, patch cords, power supplies, etc.
Rack Mounting
Use ELAN’s RMK3 Rack-Mount Kit when installing the S86A in an equipment rack.The RMK3 is designed to facili-
tate mounting ELAN dual rack-space integrated Multi-Room Controllers and Amplifiers into standard 19” equipment
racks in order to provide optimum air flow and heat dispersion for these units. The RMK3 will take up three rack
spaces when installed.
Pre-Wire
This section will explain the specifics of pre-wiring for an S86A system. Care should be taken at this stage to ensure
a properly operational system.
Most system wiring is “home-run” from the device being installed (a keypad, for example) back to the equipment
location.

ELAN HOME SYSTEMS INSTALLATION MANUAL
© ELAN Home Systems 2009 • All rights reserved. Page 15
S86A
Table 2-1 displays the ELAN pre-wiring recommendations for connections to the S86A
Item Description
VIA! Touch Panels Cat-5 network cable
16-18 AWG 2 conductor wire (On runs greater than 100 feet) RG-6 or RG-59 Coaxial cable
Olé Film Interactive
Touchpads
Cat-5 network cable
ELAN Keypads Cat-5 network cable
IR Receivers Cat-5 network cable
Volume Controls Cat-5 network cable
16-18 AWG 2 conductor wire
Use stranded, twisted pair speaker wire between amplifiers and volume controls, and between
volume controls and speakers.
Use Cat-5 to power electronic volume controls and for volume control override when used with
a C2 Communications Controller.
Speakers 16-18 AWG speaker wire
Use stranded, twisted pair speaker wire between amplifiers and
speakers.
Remotely Located Sources Cat-5
RG6 or RG59 coax (if necessary) Remotely located sources connect to the S86A using an
ELAN RSWP Remote Source Wall Plate Kit with Cat-5.
C2 Communications
Controller
Cat-5
18 AWG
When using an ELAN C2 Communications Controller, run Cat-5 for telephones and door sta-
tions. See the C2 Installation Manual for details.
Serial Devices Cat-5 or Serial Cable
Run Cat-5 or serial cables between RS-232 controllers and the S86A.
Sense Inputs Cat-5 (3 conductors used)
Use Cat-5 to extend sensor leads, if necessary.
System Video RG-6 coax for RF or base-band video.
RG-59 coax for base-band video only.
Use coaxial cable to distribute video to TVs and VIA! Touch Panels throughout the house.
System Audio RCA Interconnect Cables
Table 2-1: ELAN Pre-Wiring Recommendations
ELAN Precision Panels save
time and make sense out
of complex wiring jobs!
+
--
VIA!NET
16VDC / 10A
16VDC / 4A
16VDC/1.5A
1
ZONE
2
ZONE
3
ZONE
4
ZONE
SS/SC4
5
ZONE
6
ZONE
7
ZONE
8
ZONE
TO SENSE INPUTSEXT IR
123
USE STEREO 3.5mm PLUGS ONLY
456
1
TRIGGERS
234
5678
POWER

ELAN HOME SYSTEMS
INSTALLATION MANUAL
Page 16 © ELAN Home Systems 2009 • All rights reserved.
S86A
Applications
This section describes typical applications using the S86A in audio/video distribution and automation
installations. These are all basic in nature and should be used for guideline purposes
only. Each application can be augmented as needed for individual circumstances. This section
is for overall design purposes. Please see Chapter 3: S86A Connections for specific
wiring configurations.
Zone/Sub-Zone Definitions
A zone is defined as an area within a system that has independent source selection ability. A zone may be one
room, or several combined areas. A sub-zone is a part of a zone - it shares source selection - but has inde-
pendent control of volume. Typically, sub-zones use volume controls for volume up/down. Figure 2-1 shows a
typical zone/sub-zone example
S86A
Figure 2-1: Zone/Sub-Zone Definitions

ELAN HOME SYSTEMS INSTALLATION MANUAL
© ELAN Home Systems 2009 • All rights reserved. Page 17
S86A
Stereo Zones
To create an independent stereo zone, simply connect the S86A’s Speaker Outputs to a pair of speakers. Make sure
to take into account the amplifier’s 8 Ohm minimum impedance when choosing and configuring speakers. Volume
will be controlled using IR or RS-232 commands at pre-amp level. Any and all speakers connected to these chan-
nels will ramp volume up/down together. Use a VIA! Touch Panel, keypad, Olé touchpad or hand-held remote con-
trol to control functions (including volume) in zones with this configuration. Figure 2-2 shows a typical example of
independent stereo zones.
S86A
Figure 2-2: Stereo Zones

ELAN HOME SYSTEMS
INSTALLATION MANUAL
Page 18 © ELAN Home Systems 2009 • All rights reserved.
S86A
Stereo Zone w/ Stereo Sub-Zone
Connect the Zone Pre-Amp Output to a pair of amp channels. Set the DIP switch for that zone to FIXED. Use an
impedance matching volume control on the external amplifier’s speaker outputs to maintain independent volume
control capabilities in each room. The main zone ramps volume up/down at preamp level using IR or RS-232
commands sent from a keypad, Olé Touchpad, or VIA! Touch Panel, while the sub-zone ramps volume up/down at
speaker level using the volume control. If using ELAN electronic volume controls, system and source control is
possible using a hand-held remote control. This application uses one pair of amplifier channels from the S86A and
one pair of amp channels from the external amplifier. Many areas of the home are ideal for zone/sub-zone
configuration. Examples include Master Bedroom/Master Bath or Kitchen/Dining Area. Figure 2-3 shows a typical
example showing a stereo zone with a stereo sub-zone.
S86A
US
C
Figure 2-3: Stereo Zone/Stereo Sub-Zone

ELAN HOME SYSTEMS INSTALLATION MANUAL
© ELAN Home Systems 2009 • All rights reserved. Page 19
S86A
Stereo Zone w/ Mono Sub-Zone
Rooms with no definite listening area (kitchens, hallways, L-shaped rooms, for example) are ideal for mono
configuration. Use a male-to-male RCA “Y” cable to combine the Left and Right Zone Pre-Amp Outputs to create a
mono sub-zone. The main zone ramps volume up/down at preamp level using IR or RS-232 commands sent from a
keypad, Olé Touchpad, or VIA! Touch Panel, while the sub-zone ramps volume up/down at speaker level using a
volume control. Although the subzone has independent control of volume, it always shares the same source with
the main zone. If using an ELAN electronic volume control in the sub-zone, system and source control is possible
using a hand-held remote control. Figure 2-4 shows a typical example showing a stereo zone with a mono
sub-zone.
S86A
US
C
Figure 2-4: Stereo Zone/Mono Sub-Zone

ELAN HOME SYSTEMS
INSTALLATION MANUAL
Page 20 © ELAN Home Systems 2009 • All rights reserved.
S86A
Stereo Zone w/ Multiple Sub-Zones
This application is ideal for large areas where independent volume control is needed in separate locations. Volume
is controlled in a variable zone using keypads, Olé Touchpads, IR sensors, or VIA! Touch Panels. Sources for the
entire zone are selected and controlled from this same keypad, touchpad, IR sensor, or touch panel.
Connect the speaker outputs of the S86A to a pair of speakers in the main zone. Volume in this area will ramp
up/down using IR or RS-232 commands from the zone’s keypad, touchpad, IR sensor, or touch panel. Connect the
Zone Pre-Amp Outputs of the S86A to the inputs of an external amplifier. Connect the speaker outputs of the exter-
nal amp to two impedance matching volume controls, then to two pairs of speakers. Set the DIP switch for the zone
to FIXED. The volume controls will ramp volume up/down only for the speakers that they are connected to, giving
separate volume control in each areas of the zone. The volume up/down commands from the keypad, touchpad,
IR sensor, or touch panel will have no effect in the sub-zones. For mono sub-zones, use an RCA “Y” cable from the
Loop Output of the amplifier to an additional Zone Input of the amplifier. This application provides a stereo zone
(connected to the S86As built-in amp), a stereo sub-zone (connected to a pair of external amplifier channels) and a
mono sub-zone (connected to an additional channel of the external amplifier). If using electronic volume controls, a
hand-held IR remote control can be used for source select and control in the sub-zone areas. If using rotary volume
controls, all source selection and control must be done from the keypad, touchpad, IR sensor, or touch panel. This
application has cost-saving advantages. Only two pairs of amp channels are needed (one pair from the S86A’s built-
in amp, and one pair from the external amplifier). Mono sub-zones require only one amplifier channel per sub-zone
area. If using electronic volume controls, independent volume up/down is available as well as source selection and
control. See Figure 2-5 for an example of a stereo zone/multiple sub-zone application.
S86A
US
C
Figure 2-5: Stereo Zone/Multiple Sub-Zones

ELAN HOME SYSTEMS INSTALLATION MANUAL
© ELAN Home Systems 2009 • All rights reserved. Page 21
S86A
Video Applications
The S86A has built-in Composite Video switching capabilities that allow for multiple configuration options. Each
audio Source Input has a corresponding Video Input, so that up to eight video sources can be utilized. Each Loop
Output also has a corresponding video output, for applications that share sources, or for multi-chassis S86A con-
figurations. Each Zone Preamp Output has a video output, so that up to six TVs, VIA! Touch Panels, or monitors can
receive video from any Source Input
Audio and video can track each other on a one-to-one, source-for-source, zone-for-zone basis, or can be pro-
grammed for independent switching. This will allow multiple video inputs to be assigned to a single source, or
multiple video outputs to be routed to a single zone. Figure 2-6 shows a six zone system with certain zones that
have multiple video outputs, other zones with a single video output, and others with no video outputs. See
Chapter 3: Connections for specific examples of Source Video Input applications.
S86A
Figure 2-6: Video Zone Output Application Example

ELAN HOME SYSTEMS
INSTALLATION MANUAL
Page 22 © ELAN Home Systems 2009 • All rights reserved.
S86A
Chapter 3: S86A Connections
SPP System Precision Panel
The SPP System Precision Panel is designed to be the connectivity solution for all ELAN C Series Multi-Room
Controllers. The rear panel of the SPP features a neatly laid out array of all the 110 punch-downs necessary to
ensure quick, reliable connection of keypads, touch panels, touchpads, Sense Inputs and Triggers in every zone.
Clearly labeled overlays show the color-code and function of every connection for the S86A Controller as well as
other ELAN Multi-Room Controllers.
Note: Each S86A chassis in a multi-chassis system requires its own
SPP Precisionpanel.
S86A
C2
SS1
A/V Sources
Figure 3-1: SPP Connection Overview
Keypads, touch panels and touchpads connect to the back of the SPP Precision Panel. RJ-45 connectors on the
front provide an easy interface to the Zone IR Inputs on the S86A Controller. Use one or two meter RJ-45-to-RJ-45
interconnect cables for reliable connections. Six Sense Input jacks use stereo 3.5mm interconnect cables to go
directly to the Sense Inputs on the S86A. The front panel also features DC power jacks for 1.5A, 4A and 10A VIA!
power supplies .The front panel of the SPP is removable, to facilitate easy access when connecting wires.
New-construction brackets are available, or the SPP can easily be retro-fitted using the four clamping legs attached
to the frame, which secure the panel securely to drywall. Additional panels are required for systems with two, three
or four S86A Controllers (one SPP per chassis).

ELAN HOME SYSTEMS INSTALLATION MANUAL
© ELAN Home Systems 2009 • All rights reserved. Page 23
S86A
Each SPP punchdown location can contain two wires; one on top of the other. Use the included 110 punch-down
tool to make connections to the rear panel of the SPP. Make sure to use the included punchdown caps so that
connections do not inadvertently become loose! Use the included Rear Panel Overlay to simplify punchdowns. The
SPP Precision Panel includes two Overlays - choose the one labelled “S86”. This Overlay provides a color-by-color
punchdown template specifically for the S86A Multi-Room Controller.
P/N9801438 REV:X6
Figure 3-2: SPP Precision Panel

ELAN HOME SYSTEMS
INSTALLATION MANUAL
Page 24 © ELAN Home Systems 2009 • All rights reserved.
S86A
Connections When Using an ELAN SPP
System Precision Panel - Rear
Note: Prior to making any connections on the SPP, place the
appropriate overlay on the rear of the Precision Panel for the
system type that is being installed. For S86A-based systems, use
the overlay called S86.
P/N9801438 REV:X6
Figure 3-3: SPP “S86A” Overlay

ELAN HOME SYSTEMS INSTALLATION MANUAL
© ELAN Home Systems 2009 • All rights reserved. Page 25
S86A
VIA! Touch Panel Connections
The S86A is designed to work flawlessly with ELAN VIA! Touch Panels. VIA! Touch Panels require ELAN 16 Volt
DC power supplies. Use the PWR10 16V/10A power supply to power up to ten VIA! Touch Panels. Use the PWR4
16V/4A power supply to power up to 4 VIA! Touch Panels. Use the PWR1 16V/1.5A power supply to power a single
touch panel.
When using a VIA! Valet 10.0 Tabletop/Under-Cabinet Color Touch Panel, a PVIA1 Valet Wall Plate must be used.
One PVIA Wall Plate is included with each VIA! Valet. The installer has the option of using the included PVIA1 power
supply, or one of the other 16V power supplies to provide power to the Valet.
VIA! Touch Panels punch-down to the rear of the SPP at two locations, depending on system configuration. These
locations are labelled “ZXA 16V VIA!/OLÉ” and “ZXB 16V/12V VIA!/OLÉ” where “X” corresponds to the zone that the
touch panel(s) will control. Two touch panels can connect to each punch-down location for each zone. If using more
than 2 touch panelsper location, make connections off of the SPP and use jumper wires to punch-down to the cor-
rect location. Figure 3-4 shows the correct wiring for one touch panel in Zone 1 connected to the “A” location and
utilizing 16VDC power from the PWR1, PWR4, or PWR10 power supply connected to the front of the SPP.
Figure 3-4: VIA! Touch Panel Connections

ELAN HOME SYSTEMS
INSTALLATION MANUAL
Page 26 © ELAN Home Systems 2009 • All rights reserved.
S86A
Figure 3-5 shows VIA! Touch Panel connections when the “B” punch-down location is used.
Note: Place the “INT 12V/EXT 16V” switch in the DOWN (“EXT
16V”) position for this application. This allows the external
16VDC power from the PWR1, PWR4, or PWR10 power supply
connected to the front of the SPP to reach the touch panel(s).
Note: Refer to Figure 3-4 for VIA! Valet6.4 connectivity. The “INT
12V/EXT 16V” switch will be in the “EXT 16V” position as
shown in Figure 3-4.
Figure 3-5: VIA! Touch Panel Connections

ELAN HOME SYSTEMS INSTALLATION MANUAL
© ELAN Home Systems 2009 • All rights reserved. Page 27
S86A
Olé Film Interactive Touchpads
Olé Film Interactive Touchpads punch-down to the rear of the SPP at three locations, depending on system configu-
ration. These locations are labelled “ZXA 16V VIA!/OLÉ”, “ZXB 16V/12V VIA!/OLÉ” and “ZXC 12V OLÉ/ZPAD” where
“X” corresponds to the zone that the touchpad(s) will control. Two touchpads can connect to each punch-down
location for eachzone. If using more than 2 touchpads per location, make connections off of the SPP and use
jumper wires to punch-down to the correct location.
Note: Whenever Olé Touchpads are used with the S86A Controller, set
the switch on the rear of the touchpad to the “VIA!NET”
position.
“A” Punchdown Locations
Figure 3-6 shows connectivity to the “A” location and utilizing 16VDC power from a PWR1, PWR4, or PWR10
16VDC power supply connected to the front of the SPP.
Note: The “A” punchdown location is always connected to the
external 16VDC power from a PWR1, PWR4, or PWR10 16VDC
power supply connected to the front of the SPP.
IMPORTANT NOTE
Olé Touchpads
Use the correct power
supply connected to the front
of the SPP for the number
or Olé Touchpads and VIA!
Touch Panels in the system.
Figure 3-6: Olé Touchpad “A” External 16VDC Connections

ELAN HOME SYSTEMS
INSTALLATION MANUAL
Page 28 © ELAN Home Systems 2009 • All rights reserved.
S86A
“B” Punchdown Locations-16V
Figure 3-7 shows connectivity to the “B” location and utilizing 16VDC power from a PWR1, PWR4, or PWR10
16VDC power supply connected to the front of the SPP.
Note: Place the “INT 12V/EXT 16V” switch in the DOWN (“EXT
16V”) position for this application.
IMPORTANT NOTE
Olé Touchpads
Use the correct power
supply connected to the front
of the SPP for the number
or Olé Touchpads and VIA!
Touch Panels in the system.
BLUE
WHITE/BLUE
ORANGE
WHITE/ORANGE
GREEN
WHITE/GREEN
BROWN
WHITE/BROWN
1
2
3
4
5
6
7
8
PIN # COLOR CODE
FRONT
CABLE
Standard ELAN RJ-45 Pin-Out
TA B
Figure 3-7: Olé Touchpad “B” External 16VDC Connections

ELAN HOME SYSTEMS INSTALLATION MANUAL
© ELAN Home Systems 2009 • All rights reserved. Page 29
S86A
“B” Punchdown Locations-12V
The SPP Precision panel has the ability to connect touchpanels, keypads and Olé Touchpads in various combina-
tions in each zone. The “B” punchdown location can either pass 12VDC power from the S86A Controller (Internal
Power) or 16VDC from a power supply connected to the front of the SPP (External). Figure 3-8 shows connectivity
to the “B” location and utilizing internal 12VDC power from the S86A Muli-Room Controller.
Note: Place the “INT 12V/EXT 16V” switch in the UP (“INT 12V”)
position for this application.
S86A
S86A
S86A
BLUE
WHITE/BLUE
ORANGE
WHITE/ORANGE
GREEN
WHITE/GREEN
BROWN
WHITE/BROWN
1
2
3
4
5
6
7
8
PIN # COLOR CODE
FRONT
CABLE
Standard ELAN RJ-45 Pin-Out
TAB
Figure 3-8: Olé Touchpad “B” Internal 12VDC Connections

ELAN HOME SYSTEMS
INSTALLATION MANUAL
Page 30 © ELAN Home Systems 2009 • All rights reserved.
S86A
“C” Punchdown Locations
Figure 3-9 shows connectivity to the “C” location and utilizing internal 12VDC power from the S86A Multi-Room
Controller.
S86A
S86A
S86A
Figure 3-9: Olé Touchpad “C” Internal 12VDC Connections
Z•Pad Connections
“C” Punchdown Locations
It is possible to use ELAN Z•Pad keypads as zone controllers in an S86A-based system. These keypads will con-
trol IR sources and S86A Controller function, but they WILL NOT receive RS- 485 status feedback. This means that
source selection status, shared source status, etc. will not be available to these keypads. Source selection and con-
trol are enabled and will function correctly.
Figure 3-10. Z•Pad Connections
Note: ELAN Z PAD keypads will NOT receive status feedback when
connected to the S86A.

ELAN HOME SYSTEMS INSTALLATION MANUAL
© ELAN Home Systems 2009 • All rights reserved. Page 31
S86A
IR Receiver Connections
Stand-alone IR receivers for use with hand-held remotes can easily connect to the SPP “C” punchdown locations.
Connect +12V, IR, and GND to the specific zone that is to be controlled.
Figure 3-11: IR Receiver Connections
Sense Input Connections
The Sense Trigger Inputs of the S86A are primarily for use with VIA! Touch Panels and Olé Touchpads. An
ELAN™SENSE Sensor can be connected that will cause VIA! Touch Panels and Olé Touchpads to execute IR or
serial commands. Use VIA!TOOLS or ELANTOOLS setup software to program Trigger Input functionality. Wiring the
Sense Inputs consists of punching down Voltage (V), Sense (S), and Ground (G) as shown in Figure 3-12.
Cat-5
Head End
RJ-45
Wall Plate
Butt splice
or equivalent
Butt splice
or equivalent
Cat-5
Figure 3-12: Sense Input to SPP Connections
ELANSENSE Sensors provide for a multitude of automation requirements:
• Audio Sensor: Detects line-level audio utilizing an RCA adaptor.
• Video Sensor: Detects Composite video utilizing an RCA adaptor.
• Light/LED Sensor: Detects ambient light or multi-color LEDs.
• Contact Closure Sensor: Detects closed-contact ON/OFF status.
• Current/Magnetic Sensor: Detects electrical current through power cords or
magnetic flyback.
• Voltage Sensor: Detects 3-24 Volts AC or DC. Doorbell Sensor: Detects multiple
doorbell signals for advanced switching functionality.

ELAN HOME SYSTEMS
INSTALLATION MANUAL
Page 32 © ELAN Home Systems 2009 • All rights reserved.
S86A
Programmable Trigger Connections
Devices that are remotely located can utilize the SPP’s TRIGGERS Connections in order to receive signals based
on zone activation or system activation. The Programmable Trigger Outputs can be controlled using IR or Serial
Commands. Examples include remotely located amplifiers and/or power controllers.
Figure 3-13: Programmable Trigger Connections
LINK IN/LINK OUT Connections
Use the LINK IN and LINK OUT RJ-45 connectors to link multiple S86A chassis and multiple SPP Precision Panels.
Use an RJ-45 to RJ-45 Interconnect cable from the LINK IN jack of the first SPP Panel to the LINK IN jack of the
second SPP Panel and so on.
Figure 3-14: Link In/Link Out Connections

ELAN HOME SYSTEMS INSTALLATION MANUAL
© ELAN Home Systems 2009 • All rights reserved. Page 33
S86A
External Power Connections
Use the V+ and G screw terminal connections at the bottom edge of the SPP Precision Panel to connect 2
conductor wires (14-18AWG) to power VIA! Touch Panels that DO NOT use the Cat-5 power wiring option and DO
use the external power connector located on the touch panel. This application is typically used for long wire runs
greater than 110 feet in length. It is not necessary to use both the Cat-5 power connection (located on the ZONE
punchdown locations) and the External Power connectors described here.
Figure 3-15: External Power Connections
RS-485 Expansion Connections
The RS-485 EXPANSION punchdown connectors channel RS-485 signals (VNET) generated by the multi-room
controller. The RS-485 information sent to these punchdowns is identical to that sent to the ZONE locations (Z#A,
Z#B, and Z#C). The RS-485 EXPANSION locations simply allow additional punchdown positions and typically WILL
NOT be needed when installing touch panels, touchpads, and keypads in an S86A system.
Note: The S86A Controller, generates VNET information for status
feedback. Make sure to set the ZNET/VNET switch to the VNET
position in any S86A-based system.
+
+
+
+
-
-
-
-
Figure 3-16: RS-485 Expansion Connections

ELAN HOME SYSTEMS
INSTALLATION MANUAL
Page 34 © ELAN Home Systems 2009 • All rights reserved.
S86A
Switches
There are three types of switches located on the rear of the SPP Precision panel: The INT 12V-EXT 16V switches
(one per zone), the ZNET/VNET switch and the SS/SC4-NO SS/SC4 switch. These switches affect the function of
the S86A Multi-Room Controller in various ways depending upon system configuration.
INT 12V-EXT 16V Switch
As previously described, the INT 12V-EXT 16V switch selects between internally generated voltage from the S86A
Controller (+12 Volts DC) for use with Z•Pad Keypads and Olé Touchpads, or externally generated voltage from a
power supply connected to the front of the SPP Precision Panel to be utilized by Olé Touchpads and VIA! Touch
Panels. This selection applies only to the “Z#B 16V/12V OLÉ/ZPAD” punchdown location. Select INT 12V (UP) when
12VDC is required for keypads or touchpads. Selects EXT 16V (DOWN) when using an external 16VDC power supply
for touch panels or touchpads.
Figure 3-17: Internal/External Voltage Switch
ZNET/VNET Switch
The ZNET-VNET switch selects between systems based on ELAN’s ZNET (S66A and S128P Multi- Room Controllers)
and VNET (S86A ). This switch will always be in the VNET position when installing the SPP with the S86A Controller.
Figure 3-18: ZNET/VNET Switch

ELAN HOME SYSTEMS INSTALLATION MANUAL
© ELAN Home Systems 2009 • All rights reserved. Page 35
S86A
SS/SC4-NO SS/SC4 Switch
If the system contains an SS1 System Station or SC-4* Serial Controller, set this switch to the SS/SC4 position.
If the system does not contain an SS1 System Station or SC-4 Serial Controller, set the switch to the NO SS/SC4
position.
Figure 3-19: SS/SC4-No SS/SC4 Switch
*Note: The ELAN SC-4 is a discontinued product.

ELAN HOME SYSTEMS
INSTALLATION MANUAL
Page 36 © ELAN Home Systems 2009 • All rights reserved.
S86A
Connections When Using an ELAN SPP System Precision Panel - Front
VIA!NET Connection
This RJ-45 connector is reserved for future use.
Figure 3-20: VIA!NET Connection (Future Use)
EXT IR Connections
The EXT IR connector is NOT used for S86A-based systems.
Figure 3-21: EXT IR Connection (Not Used)
Sense Input Connections
Information from ELAN™SENSE Sensors connected to the S86A’s ELAN SENSE INPUTS is used to trigger events
that have been programmed into VIA! Touch Panels. Typically, sensors will connect to the back of the SPP precision
Panel, then 3.5mm stereo interconnect cables will be used between the Precision Panel’s TO SENSE INPUTS jacks
and the S86A Controller’s ELAN SENSE INPUTS jacks. Utilize VIA!TOOLS or ELANTOOLS Setup Software to create
IR or serial command strings for automated functions. See the VIA!TOOLS or ELANTOOLS Help file for additional
informationabout programming Sense Inputs.
S86A
Figure 3-22: Sense Input Connections

ELAN HOME SYSTEMS INSTALLATION MANUAL
© ELAN Home Systems 2009 • All rights reserved. Page 37
S86A
SS/SC4 Connection
Use the SS/SC4* RJ-45 connector to integrate an ELAN SS1 System Station or SC-4 System Controller to the S86A
Multi-Room Controller in order to facilitate integration of RS-232 controlled systems such as security, lighting or
HVAC. Use an RJ-45 Interconnect Cable for this purpose.
Figure 3-23: SS/SC4
*Note: The SC-4 is a discontinued product.
ZONE 1-8 Connections
Connect a straight-through RJ-45 interconnect cable (1 or 2 meter Interconnect Cable) between the S86A’s 1-6
Zone Inputs and the SPP Zone 1-8 RJ-45 jacks. This routes all keypads, touch panels, touchpads and IR receivers
punched-down on the back of the SPP directly to the S86A. Zones 7-8 are not connected in S86A systems.
Note: In order to facilitate RS-485 communication, Zone 1 must
ALWAYS be connected between the S86A Controller and the
SPP Precision Panel.
SPP to S86A Zone Connections (Zone 1 shown)
S86A
Figure 3-24: Zone Keypad Input Connections

ELAN HOME SYSTEMS
INSTALLATION MANUAL
Page 38 © ELAN Home Systems 2009 • All rights reserved.
S86A
Triggers Connections
There are 6 PROGRAMMABLE TRIGGER OUTPUTS on the S86A Controller. By default, these are zone-specific;
each becomes active when its corresponding zone becomes active. Use these when zone-specific functions are
desired; for example, use the PROGRAMMABLE TRIGGER OUTPUTS to mute/un-mute specific channels on an
A12 or D12 amplifier. These outputs can be programmed in VIA!TOOLS or ELANTOOLS Setup Software to become
active with IR orserial commands to create automated events. Use 3.5mm mono interconnect cables to connect the
S86A Controller’s PROGRAMMABLE TRIGGER OUTPUTS to the SPP Precision Panel’s TRIGGERS
connections. The TRIGGERS 7-8 on the SPP are unused in S86A systems.
1 2 3 4 5 6
PROGRAMMABLE TRIGGER OUTPUTS
S86A
Figure 3-25: Triggers Connection

ELAN HOME SYSTEMS INSTALLATION MANUAL
© ELAN Home Systems 2009 • All rights reserved. Page 39
S86A
Power Connections
It is possible to connect and power up to ten VIA! Touch Panels using the SPP and a 16VDC power supply. Use
punchdown locations “A” and “B” and place the INT V-EXT V switch in the EXT position for each zone that utilizes
16VDC from the connected power supply. Use an ELAN PWR1 16VDC/1A power supply for one VIA! Touch Panels.
Use an ELAN PWR4 16VDC/ 4A power supply for up to four VIA! Touch Panels. Use an ELAN PWR10 16VDC/10A
power supply for five-to-ten VIA! Touch Panels. It is also possible to connect up to 66 Olé Touchpads using the
same 16VDC power supplies. A PVIA1 will power up to 6 Olé touchpads, a PVIA4 can power up to 26 Olé touchpads
and a PVIA10 Power Supply can support 66 Olé touchpads. A combination of VIA! Touch panels and Olé Touchpads
can be accomodated. Please consult the chart below for maximum current draw of each device.
Note: Only one power supply should be connected to the SPP
Precision Panel at any time!
Figure 3-26: SPP Power Connections

ELAN HOME SYSTEMS
INSTALLATION MANUAL
Page 40 © ELAN Home Systems 2009 • All rights reserved.
S86A
S86A Connections When NOT Using a
System Precision Panel
Sense Input Connections
Information from ELAN™SENSE Sensors connected to the S86A’s ELAN SENSE INPUTS is used to trigger events
that have been programmed into VIA! Touch Panels. To connect ELANSENSE Sensors directly to the S86A, sim-
ply plug the 3.5 mm stereo plug of the Sensor into the desired ELAN SENSE INPUT. If long runs are required,
the 3.5 mm stereo interconnect cable must be cut off and the cable extended using Cat-5. Utilize VIA!TOOLS or
ELANTOOLS Setup Software to create IR or serial command strings for automated functions. See the VIA!TOOLS or
ELANTOOLS Help file for additional information about programming Sense Inputs.
S86A
Figure 3-27: Sense Trigger Input Connections

ELAN HOME SYSTEMS INSTALLATION MANUAL
© ELAN Home Systems 2009 • All rights reserved. Page 41
S86A
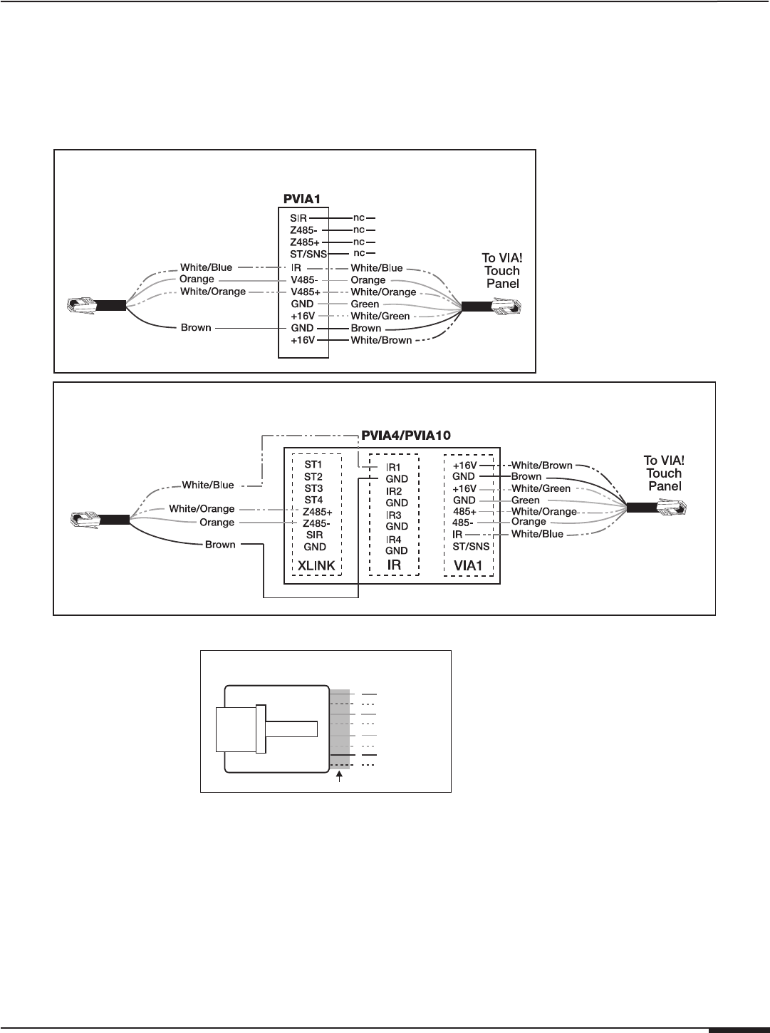
VIA! Touch Panel Connections
If not using the SPP Precision Panel, it is necessary to use a PVIA1, PVIA4, or PVIA10 Wall Plate when connecting
VIA! Touch Panels to the S86A. VIA! Touch Panels require the 16V power supplies that are included with each PVIA
wall plate (PVIA1, PVIA4, and PVIA10).
BLUE
WHITE/BLUE
ORANGE
WHITE/ORANGE
GREEN
WHITE/GREEN
BROWN
WHITE/BROWN
1
2
3
4
5
6
7
8
PIN # COLOR CODE
FRONT
CABLE
Standard ELAN RJ-45 Pin-Out
TA B
S86A to PVIA1 (No SPP)
S86A to PVIA4/PVIA10 (No SPP)
To S86A
To S86A
Zone 1
(Shown Connected to Zone 1)
Figure 3-28: VIA! Touch Panel Connections (No SPP)

ELAN HOME SYSTEMS
INSTALLATION MANUAL
Page 42 © ELAN Home Systems 2009 • All rights reserved.
S86A
Olé Touchpad Connections
ELAN Olé Touchpads require IR, RS-485+, RS-485-, 12 Volts DC, and Ground to function. Make these connections
as shown below. Multiple keypads in the same zone require parallel connections. For simplicity, all eight wires can
be connected straight through.
BLUE
WHITE/BLUE
ORANGE
WHITE/ORANGE
GREEN
WHITE/GREEN
BROWN
WHITE/BROWN
1
2
3
4
5
6
7
8
PIN # COLOR CODE
FRONT
CABLE
Standard ELAN RJ-45 Pin-Out
TAB
S86A
Figure 3-29: Olé Touchpad Connections (No SPP)
Keypad Connections
ELAN keypads require IR, 12 Volts DC, and Ground to function. Make these connections as shown below. Multiple
keypads in the same zone require parallel connections.
Note: ELAN Z•PAD keypads will NOT receive status feedback when
connected to the S86A.
S86A
Figure 3-30: Keypad Connections (No SPP)

ELAN HOME SYSTEMS INSTALLATION MANUAL
© ELAN Home Systems 2009 • All rights reserved. Page 43
S86A
Programmable Trigger Output Connections
There are 6 zone-specific Trigger outputs on the S86A Controller. Use these when zone-specific functions are
desired; for example, use the PROGRAMMABLE TRIGGER OUTPUTS to mute/un-mute specific channels on an
A12 or D12 amplifier. Use 3.5mm mono interconnect cables to connect the S86A Controller’s PROGRAMMABLE
TRIGGER OUTPUTS to the device that needs to be turned on.
Figure 3-31: Programmable Trigger Output Connections
SYSTEM TRIGGER OUT Connections
Use the SYSTEM TRIGGER OUT to connect devices that need to be turned on when any zone of the system is
turned on. The SYSTEM TRIGGER OUT sends a signal when any zone of the S86A controller is turned on. Using
VIA!TOOLS or ELANTOOLS Setup Software, the SYSTEM TRIGGER OUT can be programmed to become active
based on IR or Serial commands. Use 3.5mm mono interconnect cables to connect the S86A Controller’s SYSTEM
TRIGGER OUT to the device that needs to be turned on.
Figure 3-32: System Trigger Out

ELAN HOME SYSTEMS
INSTALLATION MANUAL
Page 44 © ELAN Home Systems 2009 • All rights reserved.
S86A
Additional S86A Connections (With or Without SPP
Precision Panel)
The information below describes all connections that are made directly to the S86A regardless of the use of the SPP
Precision Panel.
SOURCE IR OUTPUT Connections
The S86A features 8 source-specific IR emitter outputs. Each of these outputs is active only when the assigned
source is selected. This makes it possible to use identical source components and still have the capability of sepa-
rate control. For ELAN multi-output sources such as VIA!dj or DTNR, VIA!TOOLS or ELANTOOLS setup software will
automatically route IR out of each IR port that the source is assigned to. The example below shows a VIA!dj that is
connected to Audio Inputs 1, 2, 3, and 4. Any of IR Emitter Outputs 1 through 4 can be used to control the VIA!dj. To
connect non-ELAN multi-output sources, see IR ‘ALL’ Output Port Connections below.
When connecting multiple S86A chassis, it is only necessary to connect IR sources to chassis #1. SOURCE IR
EXPANSION PORTS provide a link between chassis to facilitate this function.
S86A
Figure 3-33: Source IR Emitter Output Connections

ELAN HOME SYSTEMS INSTALLATION MANUAL
© ELAN Home Systems 2009 • All rights reserved. Page 45
S86A
ALL IR OUT Port Connections
An ALL IR OUT port is provided for controlling additional components such as Televisions or A/V Receivers that may
require control regardless of the source currently selected. The ALL IR OUT ports are active from chassis to chassis
in multiple chassis configurations and are always active: any IR signal sent into any S86A Chassis comes out the
ALL IR OUT port of each chassis, as shown below. The ALL IR OUT port is also useful when controlling several non-
identical sources. For really large installations, an ALL IR OUT port can be routed to an IR Distribution Block (such
as ELAN’s IRD4) and sent to several sources.
S86A
Figure 3-34: All IR OUT Port Connections
Audio/Video Connections
There are eight Audio SOURCE INPUTs and eight Audio LOOP OUTPUTS on the S86A. Each system source will be
connected to a specific SOURCE INPUT, allowing audio distribution to any zone of the S86A. Each SOURCE INPUT
corresponds to the same-numbered SOURCE IR port.
S86A
Figure 3-35: Audio/Video Connections

ELAN HOME SYSTEMS
INSTALLATION MANUAL
Page 46 © ELAN Home Systems 2009 • All rights reserved.
S86A
Loop Output Connections
Ideal for sharing sources with Home Theaters, the Loop Outputs pass line-level audio and composite video directly
out of the corresponding Source Input. The audio and video are buffered, therefore no signal loss will occur. Use
RCA audio/video cables to connect a Loop Output to additional S86A chassis or a Home Theater receiver.
S86A #1
S86A #2 S86A #4
S86A #3
Figure 3-36: Loop Output Connections-Multiple Chassis
S86A
Figure 3-37: Loop Output Connections-A/V Receiver

ELAN HOME SYSTEMS INSTALLATION MANUAL
© ELAN Home Systems 2009 • All rights reserved. Page 47
S86A
Advanced Video Switching-Composite Video
By default, each ZONE PREAMP OUTPUT automatically switches audio and video signals simultaneously. It is
possible to have multiple outputs going to the same zone. Use VIA!TOOLS or ELANTOOLS setup software to con-
figure these outputs. Make connections as shown in Figure 3-38.
S86A
Figure 3-38: Advanced Video Switching-Composite Video Connections
V8 Video Controller
In advanced systems that require more than six composite video outputs (per chassis) to some or all of the S86A’s
zones, use an ELAN V8 Video Controller to switch up to eight sources to up to eight zones (or use up to three V8s
to switch up to eight sources to up to twenty-four zones). Connect a composite video cable from each source’s
Video Loop Output to an input of the V8. Connect each output of the V8 to a TV, VIA! Touch Panel, or moni-
tor located in a zone, (see Figure 3-39). Use the ALL IR port on the S86A to control the V8 (see All IR Out Port
Connections), or control it serially from VIA! Touch Panels or Olé Touchpads using a SS1 System Station connected
to the ELAN RS-232 Port (see RS-232 Connections).
V8
S86A
Figure 3-39: V8 Video Controller

ELAN HOME SYSTEMS
INSTALLATION MANUAL
Page 48 © ELAN Home Systems 2009 • All rights reserved.
S86A
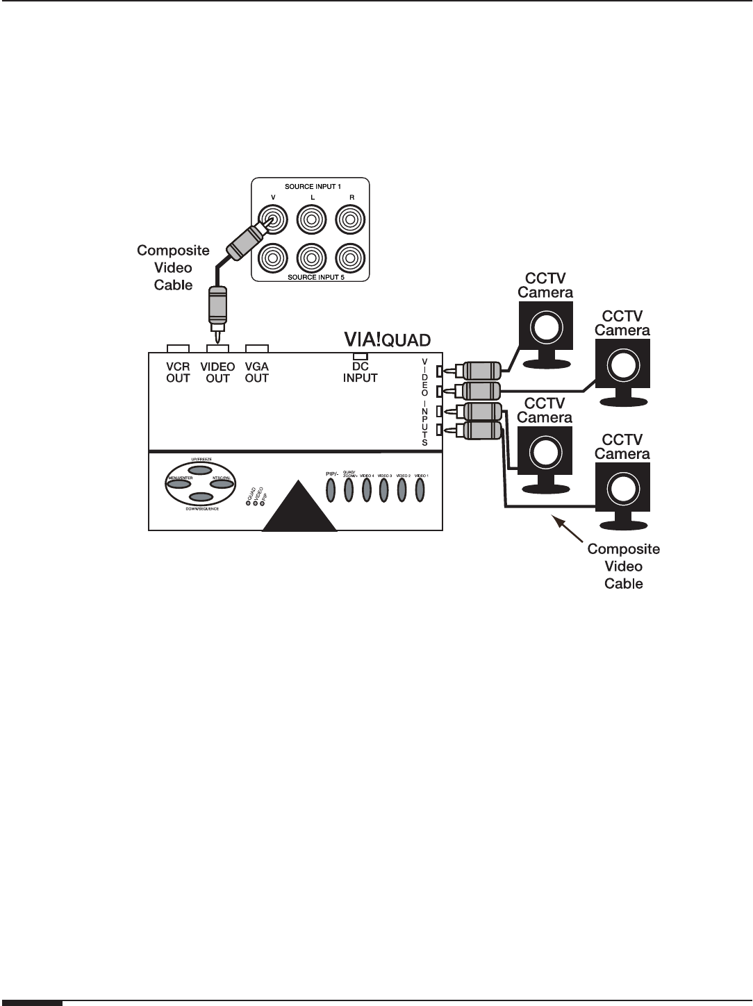
VIA!®QUAD 4-Channel Video Processor
The VIA!QUAD allows four video signals to be displayed simultaneously, sequentially, or independently. By connect-
ing the output of the VIA!QUAD to a single video input of the S86A, up to four cameras can be connected while only
using up one of the S86A’s Source Inputs. The video sources/cameras that are connected in this way can then be
switched and displayed on any TV, VIA! Touch Panel, or monitor that is connected to the system.
S86A
Figure 3-40: VIA!QUAD 4-Channel Video Processor

ELAN HOME SYSTEMS INSTALLATION MANUAL
© ELAN Home Systems 2009 • All rights reserved. Page 49
S86A
Advanced Video Switching-Component Video
V85 Component Video Controller
Use an ELAN V85 (or multiple V85s) to switch component video. Up to 8 sources can be switched to up to 32 loca-
tions using multiple V85s. Connect RCA audio patch cables from a source to the S86A’s Source Audio Inputs.
Connect component video cables from the source to the V85’s Component Video Inputs. Control using IR (see All IR
Out Port Connections) or RS-232 (see RS-232 Connections) is possible.
Note: The S86A is used to switch composite video only in this
application. Use ELAN’s V85 Component Video Controller to
switch component video.
S86A
V85
Figure 3-41: Advanced Video Switching Connectiions
Note: The V85 also has an optional CAT-5 Zone Output that is
compatible with CVWP Receive Wallplates.

ELAN HOME SYSTEMS
INSTALLATION MANUAL
Page 50 © ELAN Home Systems 2009 • All rights reserved.
S86A
Zone Preamp Outputs-Audio
Each zone of the S86A has a corresponding Zone Preamp Output for both audio and video. The audio outputs are
used to send signals to auxiliary amplifiers-typically for sub-zone applications. Each zone’s audio is sent out of both
the Speaker Outputs and the Zone Preamp Outputs simultaneously. Use the FIXED/VARIABLE DIP switch for each
zone to correctly configure this output. FIXED zones are set to full volume at all times (volume is controlled using
a volume control located in the zone). FIXED subzones each typically have their own volume control in order to
have independent volume Up/Down and will always share the source that the rest of the zone is playing. VARIABLE
zones ramp volume Up and Down using IR or serial commands sent from a touch panel, touchpad, keypad, or
hand-held remote. VARIABLE sub-zones share both source selection and volume Up/Down functionality (all speak-
ers ramp volume Up/Down simultaneously). Default DIP switch settings are VARIABLE (all DOWN).
Variable
Figure 3-42: Zone Preamp Outputs-Audio

ELAN HOME SYSTEMS INSTALLATION MANUAL
© ELAN Home Systems 2009 • All rights reserved. Page 51
S86A
Zone Preamp Outputs-Video
The video Zone Preamp Outputs are used to send signals to TVs, VIA! Touch Panels, or monitors located in the
various zones of the house. By default, each zone has a single video output. It is possible to have multiple outputs
going to the same zone. Use VIA!TOOLS or ELANTOOLS setup software to configure these outputs (see Advanced
Video Switching-Composite Video). If more complex video switching is needed for a particular system, ELAN rec-
ommends the use of a V8 Video Controller to switch up to eight sources to up to eight zones (or use up to three
V8s to switch up to eight sources to up to twenty-four zones). See Loop Output Connections- Advanced Video
Switching for details.
Figure 3-43: Zone Preamp Outputs-Video

ELAN HOME SYSTEMS
INSTALLATION MANUAL
Page 52 © ELAN Home Systems 2009 • All rights reserved.
S86A
Speaker Outputs
The Quick Lock connectors on the S86A can accept 28 to 16 AWG speaker wires. These wires can be directly con-
nected to speakers located throughout the home, or, for a professional appearance, can be connected to ELAN’s
PSP12 Speaker Precision Panel using bare leads or banana plugs.
Note: Speaker Outputs are always VARIABLE and are unaffected by
the ZONE Preamp Output DIP Switches.
Note: Because the Speaker Outputs are Variable, it is NOT
RECOMMENDED to use Volume Controls with the S86A’s builtin
amplifier. Unanticipated volume functionality may result. Subzones
requiring the use of Volume Controls should utilize an
external amplifier connected to the S86A’s ZONE PREAMP
OUTPUTS. The ZONE PREAMP OUTPUTS should be set to
FIXED.
Figure 3-44: Speaker Output Connections
To Connect Speaker leads:
1. Open each Quick Lock connector.
2. Strip approximately 1/2” of the insulation from each speaker lead.
3. Twist the speaker wires to remove any loose strands.
4. Insert the leads into the connectors.
5. Close the connectors. Tug slightly on the speaker lead to ensure connectivity.
Figure 3-45: Quick Lock Connector
• Use 28-16 AWG Stranded Copper Speaker Wire
• Amplifier is Rated at 8 Ohms.
Do Not Configure Impedance Below 8 Ohms.
• The built-in amplifier is NOT bridgeable. Do NOT
attempt to bridge or combine channels.
• Volume Controls Are NOT Recommended.
Important Notes:

ELAN HOME SYSTEMS INSTALLATION MANUAL
© ELAN Home Systems 2009 • All rights reserved. Page 53
S86A
ELAN RS-232 Ports
SC-4* RS-232 System Controller
When controlling the S86A with ELAN’s SC-4 System Controller, use the 6-Pin DIN-to-9-Pin serial cable and the
male-to-male DB9 gender-changer that is included with the SC4. Plug the 6-Pin DIN (round) connector into the
SC-4’s ELAN RS-232 OUT port. Using the gender-changer, plug the other end of the serial cable into the ELAN
RS-232 IN port on the S86A. The SC-4 will always be connected to Chassis #1 in a multi-chassis system.
*Note: SC-4 is a discontinued product
To V8,V85, etc.
S86A
Figure 3-46: SC-4 Connections
SS1 System Station
When controlling the S86A with ELAN’s SS1 System Station, use the DB-9 to DB-9 serial cable that is included with
the SS1. Connect the cable from the SS1’s ELAN RS-232 port to the S86A’s ELAN RS-232 IN port. The SS1 will
always be connected to Chassis #1 in a multi-chassis system.
S86A
Figure 3-47: SS1 Connections

ELAN HOME SYSTEMS
INSTALLATION MANUAL
Page 54 © ELAN Home Systems 2009 • All rights reserved.
S86A
C2 Communications Controller Connections
ELAN’s C2 Communications Controller provides whole-house paging when used with the S86A. The S86A’s MOH
OUT port provides Music On Hold to telephones connected to the C2. The audio from Source 1 of the S86A is rout-
ed out of the MOH OUT port and into the C2 as shown in Figure 3-48. The C2 sends a Trigger signal when a page
or Door Chime is initiated that causes the S86A to mute any audio that is playing and pass the Page or Door Chime
signals into speakers within the S86A’s zones at a preset level. Use a mono 3.5mm interconnect cable to connect
the SUM TRIGGER OUT from the C2 Communications Controller to the S86A’s PAGE TRIGGER IN port. Use a stereo
RCA patch cable between the C2’s PG/DB OUT connector and the S86A’s PG IN connector as well as
between the C2’s MOH IN connector and the S86A’s MOH OUT port.
C2 Communications
Controller
S86A
Figure 3-48: PG/DB Out and MOH Connections

ELAN HOME SYSTEMS INSTALLATION MANUAL
© ELAN Home Systems 2009 • All rights reserved. Page 55
S86A
VSE2 Electronic Volume Control
Connections
VSE2 Electronic Volume controls are excellent for use in sub-zones. Use an external amplifier connected to the
appropriate ZONE PREAMP OUTPUTs. Make sure to set the dip switch for the specific zone to FIXED. If not using
an SPP Precision Panel, interconnects will need to be made between the Electronic Volume Control, the S86A, the
C2 Communications Controller, and the amplifier used for sub-zones. This application will provide IR source con-
trol, subzone volume control and Override in both the zone and sub-zone. These connections include IR, 12VDC,
Ground, and Override, as shown in Figure 3-50.
Note: Because the S86A’s Speaker Outputs are Variable, it is NOT
RECOMMENDED to use Volume Controls with the S86A’s builtin
amplifier. Unanticipated volume functionality may result. Subzones
requiring the use of Volume Controls should utilize an
external amplifier connected to the S86A’s ZONE PREAMP
OUTPUTS. The ZONE PREAMP OUTPUTS should be set to
FIXED. (see Figure 3-49)
R
C2
A12
VCO+
VCO-
FIXED
Speaker
Outputs
FIXED
Zone
Preamp
Outputs
Zone Sub Zone
Electronic
Volume
Control
IR
12V
GND
Page
Trigger
S86A
Amplifier
Speaker
Outputs
Figure 3-49: Sub-Zone Configuration w/ Volume Control
C2 VCO
Connector
VCO
+ - + - + - + -
VCO-
V
CO
+
Electronic
Volume
Control
Olé
Touchpad
S86A
Zone IR
Input
Figure 3-50: VSE2 Volume Control Connections

ELAN HOME SYSTEMS
INSTALLATION MANUAL
Page 56 © ELAN Home Systems 2009 • All rights reserved.
S86A
Multi-Chassis Connections
It is necessary to purchase and use ELAN’s S12XK Expansion Kit when installing more than one S86A chassis. One
S12XK Kit must be used for each additional chassis. All required cables are included in the S12XK Kit. Figure 3-51
through 3-55 show all connections necessary when installing multiple S86A chassis. See Figure 4-3 for required
Unit ID DIP switch settings.
Relevent connections are:
• Audio and Video LOOP OUTPUTS/SOURCE INPUTS
• SOURCE IR EXPANSION PORTS
• ELAN RS-232 PORTS (if controlling the S86A with RS-232)
• C2 Connections (if using a C2 Communications Controller)
Loop Outputs/Source Inputs
Use RCA Audio and Video cables to connect a source to S86A #1. Use additional cables to add additional chas-
sis, as shown in Figure 3-51. Route cables from each source’s LOOP OUTPUT of S86A #1 to the corresponding
SOURCE INPUT of S86A #2. Follow this pattern through S86A #4, if applicable.
S86A #1
S86A #2 S86A #4
S86A #3
Figure 3-51: Multi-Chassis Loop Output/Source Input Connections

ELAN HOME SYSTEMS INSTALLATION MANUAL
© ELAN Home Systems 2009 • All rights reserved. Page 57
S86A
Source IR Expansion Ports
Use the DB15 Cables included with the S12XK KIT to connect the SOURCE IR EXPANSION PORTS between chassis
as shown in Figure 3-52.
S86A S86A S86A S86A
Figure 3-52: Multi-Chassis Source IR Expansion Port Connections
VIA!NET IN/OUT Ports
Use RJ-45 Interconnect Cables to connect The VIA!NET OUT port of Chassis #1 to the VIA!NET IN port on Chassis
#2. Follow this pattern for additional chassis as shown in Figure 3-53.
S86A
S86A
S86A
S86A
Figure 3-53: Multi-Chassis Source IR Expansion Port Connection

ELAN HOME SYSTEMS
INSTALLATION MANUAL
Page 58 © ELAN Home Systems 2009 • All rights reserved.
S86A
ELAN RS-232 Ports
Use the DB-9 connectors included in the S12XK Kit to connect the ELAN RS-232 PORTS as shown in Figure 3-54 if
RS-232 is being used to control the S86A system. These connections are not necessary if controlling the S86A with
IR. These connections are not required for RS-232 devices that are connected to an ELAN SS1 System Station or
SC-4 System Controller.
S86A S86A S86A S86A
Figure 3-54: Multi-Chassis ELAN RS-232 Connections
C2 Connections
If using ELAN’s C2 Communications Controller with the S86A, it is necessary to connect PAGE TRIGGER OUT from
S86A #1 to the PAGE TRIGGER IN of S86A #2 using a 3.5mmm mono interconnect cable. Follow the same pattern
for additional S86A chassis. Use a stereo RCA interconnect cable (or two mono cables) to connect the PG/DB OUT
port from the C2 to the PG IN connection of S86A #1 and the MOH OUT from S86A #1 to the MOH IN port on the
C2. Use mono RCA interconnect cables to route audio from the PG OUT connector on S86A #1 to the PG IN con-
nector on S86A #2. Follow this patter for additional S86A chassis as show in Figure 3-55.
S86A
S86A
S86A
S86A
C2
Figure 3-55: Multi-Chassis C2 Connections

ELAN HOME SYSTEMS INSTALLATION MANUAL
© ELAN Home Systems 2009 • All rights reserved. Page 59
S86A
AC Power Connector
The AC Power Connector connects to a 120VAC (240VAC for International model) power source to provide power to
the S86A Multi-Room Integrated Controller (see Figure 3-56).
120VAC 60Hz.
400W
Figure 3-56: AC Power Receptacle

ELAN HOME SYSTEMS
INSTALLATION MANUAL
Page 60 © ELAN Home Systems 2009 • All rights reserved.
S86A
Chapter 4: Operation and Settings
Access Door
The Access Door on the Front Panel allows access to DIP switches and the USB Download port. (see Figure 4-1).
The door may be pulled open using Access Point A or by pushing Access Point B, the door swings out.
Door Open
Door Closed
Access
Point A
Access
Point B
Figure 4-1: Pull-Open Access Door
Unit ID DIP Switch Settings
The S86A has two DIP switches on the front panel located behind the Access Door used for Unit ID addressing
when connecting multiple S86A chassis (see Figure 4-2). Factory Default position is Unit ID #1 (UP, UP). Single-
chassis systems require Unit ID #1 setting (UP, UP).
Unit ID
DIP Switch
Figure 4-2: Unit ID DIP Switch

ELAN HOME SYSTEMS INSTALLATION MANUAL
© ELAN Home Systems 2009 • All rights reserved. Page 61
S86A
UNIT ID DIP Switches
Figure 4-3 shows the correct UNIT ID DIP Switch seetings for each chassis. Factory Default is Unit ID #1 (UP, UP).
Figure 4-3: UNIT ID DIP Switch Settings
Front Panel LEDs
The S86A has six Zone Activity Status LEDs, an IR Activity LED, and a Power LED indicator (see Figure 4-4). The
Zone Activity Status LEDs are lit when a zone is active and an IR Activity LED will flash when IR signals are sent
from a particular zone.
1 2
Figure 4-4: Front Panel LEDs
Item# Name Item# Name
1
6 Zone ON/OFF Status LEDs (Red)
& IR Activity (Green)
2
Power LED (Blue)
Table 4-1: S86A Front Panel LEDs

ELAN HOME SYSTEMS
INSTALLATION MANUAL
Page 62 © ELAN Home Systems 2009 • All rights reserved.
S86A
Chapter 5: Troubleshooting
The tables in Chapter 4 provide troubleshooting symptoms along with possible causes and corrections for the S86A
Multi-Room Controller.
Table 5-1 Audio Troubleshooting Procedures
Symptom Possible Cause/s What an authorized installer can do
No audio in a
specific zone.
1. Source not
playing.
2. No source
selected in
zone.
3. Source
selected in
wrong zone. IR
zone controller
(keypad etc.)
connected to
wrong zone
4. Variable output’s
volume
turned all the
way down.
5. Speakers or
volume controls
miswired
or defective.
6. Zone audio
output(s) connected
to
wrong amplifier
input(s).
Press Play, tune station, turn on etc.
Select source on front panel, keypad, or other zone controller.
a. Consult front panel display to determine Zone selection.
b. Connect IR keypad or touch panel to correct zone.
Increase volume.
Test known good speaker/volume control at amplifier.
Verify connections.
No audio
present in
any zone.
1. See above.
2. External
amplifier powered
down.
3. External amp
in protect
mode.
Perform steps above.
Turn amp ON. Ensure that any remote turn on cables are connected
at both ends.
Find cause of amp’s protection mode and correct. Miswired
speakers or volume controls most likely cause.
Audio quits,
zone LEDs
turn off, no
control over
system, red
power LED
blinking
slowly
.
Poor ventilation,
fan failure.
Check the ventilation.
Check to see if the fans are working.
Let the system cool until the power LED stops blinking, then
turn the zone(s) on at a low volume. If problems persist, contact
ELAN Technical Support.

ELAN HOME SYSTEMS INSTALLATION MANUAL
© ELAN Home Systems 2009 • All rights reserved. Page 63
S86A
Table 5-1 Audio Troubleshooting Procedures
Symptom Possible Cause/s What an authorized installer can do
Audio “hum”
or buzz
through system
speakers
when audio
playing.
1. Ground Loop
2. Source Input
level too high.
3. Faulty/damaged
cables.
4. Faulty wiring.
a. Ensure proper grounding using a three prong grounded AC
outlet.
b. Isolate problem by disconnecting each source one-by-one.
Reduce level settings in VIA!TOOLS or ELANTOOLS.
Check source equipment cables for damaged cables and
faulty connections.
a. Make sure any volume controls are not hooked up backwards.
b. Check for shorts in wiring.
Poor Audio
quality.
Audio is
unclear, Bass
response is
low.
1. Speakers out
of phase.
2.Incorrect left/
right assignment
of source
or zone RCA
cables.
3. Source level
programming
too high/too
low.
Carefully check polarity of each speaker.
Isolate to source or zone and correct.
Increase/decrease source level (+9/- 6dB).
Audio plays at
full volume in
a variable
zone. No volume
control
with IR zone
controller
(Keypad,
etc.).
1. Fixed zone
output connected
to amp
in variable
zone.
2. Loop output
connected
instead of variable
zone output
Set DIP switches to Variable.
Connect Variable zone output to amplifier.
No audio from
one or more
channels
1. Loose/bad
speaker cable
connection
2. Break/short
in speaker
cable.
3. Speaker is
defective.
4. Source not
sending audio.
Check cable ends at binding posts and speaker terminals.
Check continuity of each speaker cable using a multimeter. If
short or open is indicated, check wiring for proper connections.
Swap with known good speaker.
Verify source is powered up and playing. Check any Tape
Monitor settings on A/V Receiver.
Audio very
distorted in
areas using
volume controls
Impedance-
Match settings
incorrect.
Volume control
miswired
Correct Impedance-Match jumper settings on volume control(s)
Check for proper input/output connections at volume control.
Input comes from amplifier, output goes to speakers.

ELAN HOME SYSTEMS
INSTALLATION MANUAL
Page 64 © ELAN Home Systems 2009 • All rights reserved.
S86A
Table 5-1 Audio Troubleshooting Procedures
Symptom Possible Cause/s What an authorized installer can do
Distorted
audio at normal
volume
levels
1. Input level
too high.
2. Defective/
incompatible
speaker.
3. Volume control
miswired.
Reduce level settings in VIA!TOOLS or ELANTOOLS.
a. Check for physical damage to speaker.
b. Ensure speakers have an appropriate power rating for amp.
Check for proper input/output connections at volume control.
Input comes from amplifier, output goes to speakers.
Hum in
speakers
when audio is
not present.
Ground loop. Plug all sources into same AC outlet.
Test AC outlet using ground tester.
Table 5-2 VideoTroubleshooting Procedures
Symptom Possible Cause/s What an authorized installer can do
No video to tv
monitors or
VIA! Touch
Panels
1. Source not
playing.
2. No source
selected in
zone.
3. Wiring;
video inputs
and/or outputs
incorrectly
connected.
4. Programming;
video
inputs and/or
outputs incorrectly
programmed
.
Press Play, Tune station etc.
Select source on front panel, keypad, or other zone controller.
Verify and correct wiring.
Verify and correct programming.
Video image
is not optimal
( ie., smeared,
ghosted,
blurry, or
dull).
1. Wiring; inhouse
coax
runs picking
up noise from
high voltage
lines etc.
2. Wiring; coax
has sharp
bends or poor
quality wire.
3. Source output
too high.
Certain satellite
receivers
have especially
high output
Do not run video cables near AC lines. Cross AC lines at 90
degrees.
Make gradual bends in coax when running wire. Use high
quality wire.
Use an RCA ‘Y’ cable with a 75 Ohm terminator connected to
one leg. This will reduce the source output strength.
.

ELAN HOME SYSTEMS INSTALLATION MANUAL
© ELAN Home Systems 2009 • All rights reserved. Page 65
S86A
Table 5-3 Triggers Troubleshooting Procedures
Symptom Possible Cause/s What an authorized installer can do
Sense Trigger
Inputs:
Triggered
event fails to
occur.
Example: VIA!
Touch Panel
does not
switch to
Camera
Mode.
1. Wiring;
Sense Inputs
incorrectly
connected or
incorrect type
of Sensor/
faulty Sensor.
2. Programming;
Sense
Inputs incorrectly
programmed
in
VIA!TOOLS or ELANTOOLS
a. Connect a 3.5 mm mono mini cable to Sense Input. This
simulates a contact closure and should trigger the event.
b. Replace Sensor or use different type
Verify and correct programming. See VIA!TOOLS or ELANTOOLS Help file.
Zone/System
Trigger Outputs:
Triggered
event fails to
occur.
Example:
Amplifier
does not turn
ON when
zone
becomes
active.
1. Wiring; bad
mini-cable or
using 3.5 mm
stereo cable
instead of
mono.
2. Test for
voltage w/ Digital
Multi-
Meter.
3. Programming
a. Must use MONO mini cable.
b. Replace defective cable.
Correct reading is +12 VDC.
Correct programming in VIA!TOOLS or ELANTOOLS.
Page Trigger
Inputs/Outputs:
Triggered
event fails to
occur.
Example:
Volume Control
Override
does not
function
.
Wiring: incorrect
connections
between
C2 and
S86A/SPP.
See ‘Communications’

ELAN HOME SYSTEMS
INSTALLATION MANUAL
Page 66 © ELAN Home Systems 2009 • All rights reserved.
S86A
Table 5-4 Communications Troubleshooting Procedures
Symptom Possible Cause/s What an authorized installer can do
No Music-On-
Hold
1. Source #1 is
not playing.
2. The MOH
input level on
the C2 is
turned down.
Press Play, tune station, turn ON, etc.Adjust levels.
Consult the C2 manual.
No Page or
Door Chime
audio. Music
does not
mute when
page or doorbell
is activated.
1. Zone is in
Do-Not-Disturb.
2. Page/DB
output from
C2 is not
connected to
Page/DB input
on S86A.
3. Page/DB
trigger wiring
incorrect
between the
S86A and the
C2.
4. Programming
De-activate Do-Not-Disturb using IR or RS-232 commands.
Correctly connect Page/DB Output from C2 to Page/DB
Input on S86A. See C2 Connections
Correct wiring error. See C2 Connections and the C2
manual.
Check VIA!TOOLS or ELANTOOLS for the Disable checkbox.
No Page or
Door Chime
audio. Music
mutes when
page or doorbell
is activated.
1. C2 Page/
DB Output
level turned all
the way down.
2. Page/DB
output from
C2 not
plugged into
Page/DB input
on S86A.
3. S86A has
Volume set too
low
.
Increase Page/DB level adjustment on C2.
See Above.
Increase setting on S86A, check VIA!TOOLS or ELANTOOLS program for
volume setting.

ELAN HOME SYSTEMS INSTALLATION MANUAL
© ELAN Home Systems 2009 • All rights reserved. Page 67
S86A
Table 5-5 Multi-Chassis Troubleshooting Procedures
Symptom Possible Cause/s What an authorized installer can do
In Chassis
#2-4 only;
•WHM, Paging,
Doorbell,
System Off do
not function
•Sense information
not
correct
•IR information
does not
reach source
equipment
•Incorrect
system On/
Off status
IR/RS-485
Expansion
ports not connected
or
incorrectly
connected.
Connect Expansion Port OUT of Chassis #1 to Expansion
Port IN of Chassis 2, etc. using ELAN’s S12XK Expansion Kit.
In Chassis
#2-4 only;
•No RS-232
control of
S86A
•No RS-232
control of
sources
RS-232 Serial
ports not connected
or
incorrectly
connected.
Connect RS-232 Serial Port OUT of Chassis #1 to RS-232
Serial Port IN of Chassis 2, etc. using ELAN’s S12XK Expansion
Kit.
Technical Support
If, after carefully following the steps in the Troubleshooting section, you are
unable to resolve issues with the installation or operation of the S86A,
please call ELAN Technical Support at 1-800-622-ELAN (3526).

ELAN HOME SYSTEMS
INSTALLATION MANUAL
Page 68 © ELAN Home Systems 2009 • All rights reserved.
S86A
Appendix A: Specifications
Table A-1 shows the equipment specifications for the S86A Multi-Room Integrated Controller.
Table A-1 S86A Multi-Room Integrated Controller Specifications
Item Description
System Multi-Source/Multi-Zone Integrated Controller
Source Inputs
Input Sensitivity
Input Impedance
0-2V RMS
47K Ohms
Pre-Amplifier Output
Max. Output Power
Frequency Response
THD+Noise(@1KHz)
Signal-to-Noise (A Weighted)
Crosstalk (Zone to Zone)
Output Impedance
6dB
20Hz to 20kHz, +/-0.5dB
< 0.02%
>95dB
>105dB
600 Ohms
Amplifier Output
Max. Output Power
Speaker Impedance
Frequency Response
THD+Noise(@1KHz
Signal-to-Noise (A Weighted)
Crosstalk (Zone to Zone)
40W @ 8 Ohms
8 Ohms
20Hz to 20kHz, +/-1dB
< 0.02%
>95dB
>70dB
Music On Hold Output
Output Impedance
Max Output Level: 600 Ohms
+6dB
Page & Doorbell Input
Input Sensitivity
Input Impedance 0-2V RMS
47k Ohms
Video
Gain
Bandwidth (-3dB)
Gain Flatness (1dB)
Input Impedance
Output Impedance
Crosstalk
Unity
12MHz
6MHz
75 Ohms
75 Ohms
>40dB@3.58MHz

ELAN HOME SYSTEMS INSTALLATION MANUAL
© ELAN Home Systems 2009 • All rights reserved. Page 69
S86A
Table A-1 S86A Multi-Room Integrated Controller Specifications
Item Description
Connector Interfaces
AC Power
VIA!NET IN/OUT
VIA!/Keypad Inputs (6)
RS-232 IN/OUT
Zone Speaker Outputs (6)
Source IR Expansion IN/OUT
Zone A/V Pre-Amp Outputs (6)
Music On-Hold (MOH OUT)
Page In/Out (PG IN/OUT)
Source Loop Audio/Video Outputs (8)
Source Audio/Video Inputs (8)
Page Trigger In/Out
System Trigger Out
ELAN Sense Inputs (6)
Programmable Trigger Outputs (6)
Source IR Outputs (8)
3-Prong Heavy Duty Cord
RJ-45
RJ-45
DB9 Connection
Removable Locking Connectors
15-Pin Connection
RCA Type, Line Level Only
RCA Type, Line Level Only
RCA Type, Line Level Only
RCA Type, Line Level Only
RCA Type, Line Level Only
3.5mm Connectors (mono)
3.5mm Connectors (mono)
3.5mm Connectors (stereo)
3.5mm Connectors (mono)
3.5mm Connectors (mono
General
Trigger Outputs
Keypad Power
Power Requirements
Power Consumption
+12VDC @ 100mA each
300mA @ 12VDC per zone
120VAC 50/60Hz
(S86A.6240) 230~240VAC 50/60Hz
400W
Dimensions w/ Feet (2U w/o Feet)
Weight
17 W) x 4 1/8 H x 15 3/8 D (in)
432 W x 105 H x 391 D (mm)
22.5 lbs/10.2 kgs

ELAN HOME SYSTEMS
INSTALLATION MANUAL
Page 70 © ELAN Home Systems 2009 • All rights reserved.
S86A
Appendix B: Programming
While the S86A Multi-Room Controller is designed to work right out of the box, VIA!TOOLS 8.0 & higher or
ELANTOOLS Setup Software provides customized functionality for the specific environment for which it is being
configured. Variables can be set for:
• IR Routing
• Trigger Output Functionality
• Page/DB Volume
• Page/DB Enable/Disable
• WHM/DND Enable/Disable
• Zone Turn On Volume
• Zone Bass/Treble/Loudness
• Source Input Levels
In order to download information into the S86A Controller, pull out on the Access Door from the right side of the
S86A Front Panel. From a computer running Windows XP or Vista connect a standard USB A to USB Mini B cable
to the USB Download port on the front of the S86A.
Note: Consult VIA!TOOLS or ELANTOOLS HELP file for specific programming steps.
Note: Once programming steps are completed, remove power for the S86A, the reapply
power in order to reboot the unit.
Figure B-1: USB Download Port

ELAN HOME SYSTEMS INSTALLATION MANUAL
© ELAN Home Systems 2009 • All rights reserved. Page 71
S86A
Appendix C: RS-232 Serial Control Commands
General Information
The S86A serial interface is a 3-wire RS-232 (Tx, Rx, Ground-Pins 2, 3, and 5 respectively).
S86A Communication Port Settings
Baud Rate: 19200
Data Bits: 8
Parity: None
Stop Bits: 1
Flow Control: None
All commands are in all capitals and the comma separation is required.
• Prefix: Must be present for every command string (Required)
• Command: See list below for all commands (Required)
• Parameter 1: Usually Zone 01-24 command
(Optional for some commands, required for others)
• Parameter 2
(Optional for some commands, required for others)
• Carriage Return: 0x0d or Decimal 13 (Required)
&S86, cmd, par 1, par 2 <cr>
&ELAN
&ELAN may be used as the prefix on S128P and S86A system controllers interchangeably. Some commands have a
different range of values, for example, there are 12 sources in the S12 and only 8 sources in the S86A. There are no
differences in the commands for an S86A and the S86P.

ELAN HOME SYSTEMS
INSTALLATION MANUAL
Page 72 © ELAN Home Systems 2009 • All rights reserved.
S86A
&S86,ACK
&S86,ACK<cr> is a command that is transmitted by the S86A whenever it receives a command with the correct
structure. It does not mean that the command was performed. To ensure that the command was performed cor-
rectly, the S86A needs to be queried.
The following are correct serial command structures:
• &S86,SYSOFF
• &S86,PWR,01,1
If &S86,SYSOFF command is transmitted to the S86A, the S86A will respond with &S86,ACK.If &S86,PWR,100,1
is transmitted to the S86A, the S86A will NOT respond with a &S86,ACK because 100 is out of the scope. That
field supports Zones 01-24 for this particular command. If there is only one S86A in the System, Zones 1-6, and
&S86,PWR,09,1 is transmitted to the S86A, the S86A will NOT respond with a &S86,ACK because Chassis 1 does
not support Zone 09. Chassis 1 supports Zones 01-06 for this particular command.
If an &S86,ACK is not received within 200ms:
• the command was formatted incorrectly
• an error has occurred in the S86A
• serial cable not connected or defective
• S86A does not have power
The S86A requires at least 50ms between each serial command transmitted to it. However, if the &S86,ACK is
received prior to 50ms, another command can be transmitted immediately.
RS-232 Commands
The following list contains the RS-232 commands for the S86A. These commands are included in the IR Library of
VIA!TOOLS or ELANTOOLS. Please refer to VIA!TOOLS or ELANTOOLS Help for specific information about these
commands and how to use them.
There are four types of commands:
• System Commands
• Video Commands
• Audio Commands
• Query Commands

ELAN HOME SYSTEMS INSTALLATION MANUAL
© ELAN Home Systems 2009 • All rights reserved. Page 73
S86A
System Commands
BAS (Bass)
Description:
• Sets Zone zz to bass xy.
• Increment Zone zz bass.
• Decrement Zone zz bass.
• Has no effect if zone is off.
• If sending 00, the + or - can be omitted.
Command:
&S86,BAS,zz,a<cr>
&S86,BAS,zz,xy<cr>
Query:
&S86,BAS,zz?<cr>
Reply:
&S86,BAS,zz,xy<cr>
Parameters:
<cr>:
carriage return: Hexadecimal 0x0D or Decimal 13
zz:
Zone: 01-24
a:
+ = Increments by 1 step of 2dB (plus symbol)
- = Decrements by 1 step of 2dB (minus symbol)
x:
+ Sets to positive number (plus symbol)
- Sets to negative number (minus symbol)

ELAN HOME SYSTEMS
INSTALLATION MANUAL
Page 74 © ELAN Home Systems 2009 • All rights reserved.
S86A
y:
0 - 6
0 = Flat
Examples:
• &S86,BAS,13,+<cr> Increments Zone 13’s bass by 1 step.
• &S86,BAS,02?<cr> queries Zone 2 for its bass.
• &S86,BAS,13,-2<cr> sets Zone 13’s bass to -4 dB.
• &S86,BAS,13,0<cr> Zone 13 bass is flat
DND (Do Not Disturb)
Description:
• Turns specified Zone zz’s DND off/on/toggle.
• Works if zone is off or on.
Command:
&S86,DND,zz,a<cr>
Query:
&S86,DND,zz?<cr>
Reply:
&S86,DND,zz,a<cr>
Parameters:
<cr>:
carriage return: Hexadecimal 0x0D or Decimal 13
zz:
Zone: 01-24
a:
0 = OFF
1 = ON
2 = TOG

ELAN HOME SYSTEMS INSTALLATION MANUAL
© ELAN Home Systems 2009 • All rights reserved. Page 75
S86A
Examples:
• &S86,DND,13,0<cr> turns Zone 13’s DND off.
• &S86,DND,02?<cr> queries Zone 2’s DND.
• &S86,DND,13,1<cr> turns Zone 13’s DND on.
• &S86,DND,13,2<cr> toggles Zone 13’s DND from on to off or off to on.
DB
Description:
• Turns specified DB off/on/toggle. This will initiate a DB that will route audio present at
the S86’s Page In audio jack to zones that have DB enabled.
• Works if the System/Zone is on or off.
• Only chassis one will respond.
Command:
&S86,DB,a<cr>
Query:
&S86,DB?<cr>
Reply:
&S86,DB,a<cr>
Parameters:
<cr>:
carriage return: Hexadecimal 0x0D or Decimal 13
a:
0 = OFF
1 = ON
2 = Toggle
Examples:
• &S86,DB,0<cr> turns Doorbell off.
• &S86,DB?<cr> queries Doorbell status.
• &S86,DB,2<cr> toggles Doorbell from on to off or off to on.

ELAN HOME SYSTEMS
INSTALLATION MANUAL
Page 76 © ELAN Home Systems 2009 • All rights reserved.
S86A
KEY
Description:
These are the same commands as the S86A IR commands.
Command:
&S86,KEY,zz,abcd<cr>
Query:
N/A
Reply:
N/A
Parameters:
<cr>:
carriage return: Hexadecimal 0x0D or Decimal 13
zz:
Zone: 01-24
abcd:
0000 = All zones off (System OFF)
0004 = Return all zones to previous audio source (Page OFF)
0005 = Route ‘Page Aud In’ to all enabled zones (Page ON group 0)
0006 = Page on/off toggle - group 0
0007 = Return all zones to previous audio source (Doorbell OFF)
0008 = Route ‘Page Aud In’ to all zones (Doorbell ON)
0009 = Doorbell on/off toggle
0010 = Allow zone to be included in WHM & PAGE (DND OFF)
0011 = Exempt zone from WHM & PAGE (DND ON)
0012 = Do Not Disturb on/off toggle
0013 = All zones independent - no source tracking (WHM OFF)
0014 = All zones track current A/V source (WHM ON)
0015 = Whole House Music on/off toggle
0016 = Zone OFF

ELAN HOME SYSTEMS INSTALLATION MANUAL
© ELAN Home Systems 2009 • All rights reserved. Page 77
S86A
0017 = Zone ON
0018 = Zone ON/OFF toggle
0019 = Zone audio unmute
0020 = Zone audio mute
0021 = Zone audio mute toggle
0022 = Disable loudness filter
0023 = Enable loudness filter
0024 = Loudness on/off toggle
0024 = Zone treble down (XdB steps, Z steps)
0032 = Zone treble up (XdB steps, Z steps)
0033 = Zone bass down (XdB steps, Z steps)
0034 = Zone bass up (XdB steps, Z steps)
0035 = Zone volume down (Xdb step, Y steps)
0036 = Zone volume up (Xdb step, Y steps)
0037 = Page volume down (Xdb step, Y steps)
0038 = Page volume up (Xdb step, Y steps)
0039 = Doorbell volume down (Xdb step, Y steps)
0040 = Doorbell volume up (Xdb step, Y steps)
0041 = Source level adjustment down (Xdb step, Y steps)
0042 = Source level adjustment up (Xdb step, Y steps)
0043 = Zone EQ Flat - return bass & treble to 0dB
0047 = Video Mute (based on zone IR)
0048 = Select Combined A/V Source 1
0049 = Select Combined A/V Source 2
0050 = Select Combined A/V Source 3
0051 = Select Combined A/V Source 4
0052 = Select Combined A/V Source 5
0053 = Select Combined A/V Source 6
0054 = Select Combined A/V Source 7

ELAN HOME SYSTEMS
INSTALLATION MANUAL
Page 78 © ELAN Home Systems 2009 • All rights reserved.
S86A
0055 = Select Combined A/V Source 8
0064 = Select Audio Source 1
0065 = Select Audio Source 2
0066 = Select Audio Source 3
0067 = Select Audio Source 4
0068 = Select Audio Source 5
0069 = Select Audio Source 6
0070 = Select Audio Source 7
0071 = Select Audio Source 8
0080 = VIDEO OUTPUT 1
0081 = VIDEO OUTPUT 2
0082 = VIDEO OUTPUT 3
0083 = VIDEO OUTPUT 4
0084 = VIDEO OUTPUT 5
0085 = VIDEO OUTPUT 6
0096 = VIDEO INPUT 1
0097 = VIDEO INPUT 2
0098 = VIDEO INPUT 3
0099 = VIDEO INPUT 4
0100 = VIDEO INPUT 5
0101 = VIDEO INPUT 6
0102 = VIDEO INPUT 7
0103 = VIDEO INPUT 8
0176 = Following Command is for Zone 1
0177 = Following Command is for Zone 2
0178 = Following Command is for Zone 3
0179 = Following Command is for Zone 4
0180 = Following Command is for Zone 5
0181 = Following Command is for Zone 6

ELAN HOME SYSTEMS INSTALLATION MANUAL
© ELAN Home Systems 2009 • All rights reserved. Page 79
S86A
0182 = Following Command is for Zone 7
0183 = Following Command is for Zone 8
0184 = Following Command is for Zone 9
0185 = Following Command is for Zone 10
0186 = Following Command is for Zone 11
0187 = Following Command is for Zone 12
0188 = Following Command is for Zone 13
0189 = Following Command is for Zone 14
0190 = Following Command is for Zone 15
0191 = Following Command is for Zone 16
0192 = Following Command is for Zone 17
0193 = Following Command is for Zone 18
0194 = Following Command is for Zone 19
0195 = Following Command is for Zone 20
0196 = Following Command is for Zone 21
0197 = Following Command is for Zone 22
0198 = Following Command is for Zone 23
0199 = Following Command is for Zone 24
0256 = Trigger Output 1 OFF
0257 = Trigger Output 2 OFF
0258 = Trigger Output 3 OFF
0259 = Trigger Output 4 OFF
0260 = Trigger Output 5 OFF
0261 = Trigger Output 6 OFF
0262 = Trigger Output 7 OFF
0263 = Trigger Output 8 OFF
0264 = Trigger Output 9 OFF
0265 = Trigger Output 10 OFF
0266 = Trigger Output 11 OFF

ELAN HOME SYSTEMS
INSTALLATION MANUAL
Page 80 © ELAN Home Systems 2009 • All rights reserved.
S86A
0267 = Trigger Output 12 OFF
0268 = Trigger Output 13 OFF
0269 = Trigger Output 14 OFF
0270 = Trigger Output 15 OFF
0271 = Trigger Output 16 OFF
0272 = Trigger Output 17 OFF
0273 = Trigger Output 18 OFF
0274 = Trigger Output 19 OFF
0275 = Trigger Output 20 OFF
0276 = Trigger Output 21 OFF
0277 = Trigger Output 22 OFF
0278 = Trigger Output 23 OFF
0279 = Trigger Output 24 OFF
0288 = Trigger Output 1 ON
0289 = Trigger Output 2 ON
0290 = Trigger Output 3 ON
0291 = Trigger Output 4 ON
0292 = Trigger Output 5 ON
0293 = Trigger Output 6 ON
0294 = Trigger Output 7 ON
0295 = Trigger Output 8 ON
0296 = Trigger Output 9 ON
0297 = Trigger Output 10 ON
0298 = Trigger Output 11 ON
0299 = Trigger Output 12 ON
0300 = Trigger Output 13 ON
0301 = Trigger Output 14 ON
0302 = Trigger Output 15 ON
0303 = Trigger Output 16 ON

ELAN HOME SYSTEMS INSTALLATION MANUAL
© ELAN Home Systems 2009 • All rights reserved. Page 81
S86A
0304 = Trigger Output 17 ON
0305 = Trigger Output 18 ON
0306 = Trigger Output 19 ON
0307 = Trigger Output 20 ON
0308 = Trigger Output 21 ON
0309 = Trigger Output 22 ON
0310 = Trigger Output 23 ON
0311 = Trigger Output 24 ON
0320 = Trigger Output 1 TOGGLE
0321 = Trigger Output 2 TOGGLE
0322 = Trigger Output 3 TOGGLE
0323 = Trigger Output 4 TOGGLE
0324 = Trigger Output 5 TOGGLE
0325 = Trigger Output 6 TOGGLE
0326 = Trigger Output 7 TOGGLE
0327 = Trigger Output 8 TOGGLE
0328 = Trigger Output 9 TOGGLE
0329 = Trigger Output 10 TOGGLE
0330 = Trigger Output 11 TOGGLE
0331 = Trigger Output 12 TOGGLE
0332 = Trigger Output 13 TOGGLE
0333 = Trigger Output 14 TOGGLE
0334 = Trigger Output 15 TOGGLE
0335 = Trigger Output 16 TOGGLE
0336 = Trigger Output 17 TOGGLE
0337 = Trigger Output 18 TOGGLE
0338 = Trigger Output 19 TOGGLE
0339 = Trigger Output 20 TOGGLE

ELAN HOME SYSTEMS
INSTALLATION MANUAL
Page 82 © ELAN Home Systems 2009 • All rights reserved.
S86A
0340 = Trigger Output 21 TOGGLE
0341 = Trigger Output 22 TOGGLE
0342 = Trigger Output 23 TOGGLE
0343 = Trigger Output 24 TOGGLE
0352 = System Trigger Output Unit 1 ON
0353 = System Trigger Output Unit 2 ON
0354 = System Trigger Output Unit 3 ON
0355 = System Trigger Output Unit 4 ON
0356 = System Trigger Output Unit 1 OFF
0357 = System Trigger Output Unit 2 OFF
0358 = System Trigger Output Unit 3 OFF
0359 = System Trigger Output Unit 4 OFF
0360 = System Trigger Output Unit 1 TOGGLE
0361 = System Trigger Output Unit 2 TOGGLE
0362 = System Trigger Output Unit 3 TOGGLE
0363 = System Trigger Output Unit 4 TOGGLE
0400 = VIDEO MUTE 1
0401 = VIDEO MUTE 2
0402 = VIDEO MUTE 3
0403 = VIDEO MUTE 4
0404 = VIDEO MUTE 5
0405 = VIDEO MUTE 6
0512 = VIDEO OUTPUT1 INPUT1
0513 = VIDEO OUTPUT1 INPUC2
0514 = VIDEO OUTPUT1 INPUT3
0515 = VIDEO OUTPUT1 INPUT4
0516 = VIDEO OUTPUT1 INPUT5
0517 = VIDEO OUTPUT1 INPUT6
0518 = VIDEO OUTPUT1 INPUT7

ELAN HOME SYSTEMS INSTALLATION MANUAL
© ELAN Home Systems 2009 • All rights reserved. Page 83
S86A
0519 = VIDEO OUTPUT1 INPUT8
0528 = VIDEO OUTPUC2 INPUT1
0529 = VIDEO OUTPUC2 INPUC2
0530 = VIDEO OUTPUC2 INPUT3
0531 = VIDEO OUTPUC2 INPUT4
0532 = VIDEO OUTPUC2 INPUT5
0533 = VIDEO OUTPUC2 INPUT6
0534 = VIDEO OUTPUC2 INPUT7
0535 = VIDEO OUTPUC2 INPUT8
0544 = VIDEO OUTPUT3 INPUT1
0545 = VIDEO OUTPUT3 INPUC2
0546 = VIDEO OUTPUT3 INPUT3
0547 = VIDEO OUTPUT3 INPUT4
0548 = VIDEO OUTPUT3 INPUT5
0549 = VIDEO OUTPUT3 INPUT6
0550 = VIDEO OUTPUT3 INPUT7
0551 = VIDEO OUTPUT3 INPUT8
0560 = VIDEO OUTPUT4 INPUT1
0561 = VIDEO OUTPUT4 INPUC2
0562 = VIDEO OUTPUT4 INPUT3
0563 = VIDEO OUTPUT4 INPUT4
0564 = VIDEO OUTPUT4 INPUT5
0565 = VIDEO OUTPUT4 INPUT6
0566 = VIDEO OUTPUT4 INPUT7
0567 = VIDEO OUTPUT4 INPUT8
0576 = VIDEO OUTPUT5 INPUT1
0577 = VIDEO OUTPUT5 INPUC2
0578 = VIDEO OUTPUT5 INPUT3
0579 = VIDEO OUTPUT5 INPUT4

ELAN HOME SYSTEMS
INSTALLATION MANUAL
Page 84 © ELAN Home Systems 2009 • All rights reserved.
S86A
0580 = VIDEO OUTPUT5 INPUT5
0581 = VIDEO OUTPUT5 INPUT6
0582 = VIDEO OUTPUT5 INPUT7
0583 = VIDEO OUTPUT5 INPUT8
0592 = VIDEO OUTPUT6 INPUT1
0593 = VIDEO OUTPUT6 INPUC2
0594 = VIDEO OUTPUT6 INPUT3
0595 = VIDEO OUTPUT6 INPUT4
0596 = VIDEO OUTPUT6 INPUT5
0597 = VIDEO OUTPUT6 INPUT6
0598 = VIDEO OUTPUT6 INPUT7
0599 = VIDEO OUTPUT6 INPUT8
Examples:
• &S86,KEY,13,0000<cr> turns System off.
• &S86,KEY,02,0004<cr> turns Zone 2 Page off
• &S86,KEY,13,0009<cr> turns Zone 13 Doorbell off to on or on to off.

ELAN HOME SYSTEMS INSTALLATION MANUAL
© ELAN Home Systems 2009 • All rights reserved. Page 85
S86A
MUT (Mute)
Description:
• Controls the mute function of specified Zone zz
Command:
&S86,MUT,zz,a<cr>
Query:
&S86,MUT,zz?<cr>
Reply:
&S86,MUT,zz,a<cr>
Parameters:
<cr>:
carriage return: Hexadecimal 0x0D or Decimal 13
zz:
Zone: 01-24
a:
0 = OFF
1 = ON
2 = TOG
Examples:
• &S86,MUT,13,0<cr> turns Zone 13’s Mute off.
• &S86,MUT,02?<cr> queries Zone 2’s Mute.
• &S86,MUT,13,1<cr> turns Zone 13’s Mute on.
• &S86,MUT,13,2<cr> toggles Zone 13’s Mute from on to off or off to on.

ELAN HOME SYSTEMS
INSTALLATION MANUAL
Page 86 © ELAN Home Systems 2009 • All rights reserved.
S86A
PWR (Power)
Description:
• Turns specified Zone zz off/on/toggle.
• Zone turns on to last selected source.
Command:
&S86,PWR,zz,a<cr>
Query:
&S86,PWR,zz?<cr>
Reply:
&S86,PWR,zz,a<cr>
Parameters:
<cr>:
carriage return: Hexadecimal 0x0D or Decimal 13
zz:
Zone: 01-24
a:
0 = OFF
1 = ON
2 = TOG
Examples:
• &S86,PWR,13,0<cr> turns Zone 13 off.
• &S86,PWR,02?<cr> queries Zone 2.
• &S86,PWR,13,1<cr> turns Zone 13 on.
• &S86,PWR,13,2<cr> toggles Zone 13 from on to off or off to on.

ELAN HOME SYSTEMS INSTALLATION MANUAL
© ELAN Home Systems 2009 • All rights reserved. Page 87
S86A
SRC (Source)
Description:
• Selects a specified Source as in a Zone zz.
• Automatically switches both audio and video inputs.
• If the zone is off, zone will turn on with ss = 01-08.
Command:
&S86,SRC,zz,ss<cr>
Query:
&S86,SRC,zz?<cr>
Reply:
&S86,SRC,zz,ab<cr>
&S86,SRC,zz,A/V MATRIX MODE<cr> if audio and video are different sources.
Parameters:
<cr>:
carriage return: Hexadecimal 0x0D or Decimal 13
zz:
Zone: 01-24
ss:
Source 01-08
00 is zone off
Examples:
• &S86,SRC,13,01<cr> selects Source 1 in Zone 13.
• &S86,SRC,02?<cr> queries Zone 2 for selected source.
• &S86,SRC,09,00<cr> turns Zone 9 off

ELAN HOME SYSTEMS
INSTALLATION MANUAL
Page 88 © ELAN Home Systems 2009 • All rights reserved.
S86A
SYSOFF (System Off)
Description:
• Turns all zones off.
• Only Chassis 1 will respond.
Command:
&S86,SYSOFF<cr>
Query:
&S86,SYSOFF?<cr>
Reply:
&S86,SYSOFF,a<cr>
Parameters:
<cr>:
carriage return: Hexadecimal 0x0D or Decimal 13
a:
0 = OFF
1 = ON
Examples:
• &S86,SYSOFF<cr> turns System off.
• &S86,SYSOFF?<cr> queries System status.
• &S86,SYSOFF,0<cr> S86A returns System is off.

ELAN HOME SYSTEMS INSTALLATION MANUAL
© ELAN Home Systems 2009 • All rights reserved. Page 89
S86A
TRE (Treble)
Description:
• Sets Zone zz to treble xyz.
• Increment Zone zz treble.
• Decrement Zone zz treble.
• Has no affect if zone is off.
• If sending 00, the + or - can be omitted.
Command:
&S86,TRE,zz,a<cr>
&S86,TRE,zz,xy<cr>
Query:
&S86,TRE,zz?<cr>
Reply:
&S86,TRE,zz,xyz<cr>
Parameters:
<cr>:
carriage return: Hexadecimal 0x0D or Decimal 13
zz:
Zone: 01-24
a:
+ = Increments by 1 step of 2dB (plus symbol)
- = Decrements by 1 step of 2dB(minus symbol)
x:
+ Sets to positive number (plus symbol)
- Sets to negative number (minus symbol)
y:
0 - 6
0 = Flat

ELAN HOME SYSTEMS
INSTALLATION MANUAL
Page 90 © ELAN Home Systems 2009 • All rights reserved.
S86A
Examples:
• &S86,TRE,13,+<cr> Increments Zone 13’s treble by 1 step.
• &S86,TRE,02?<cr> queries Zone 2 for its treble.
• &S86,TRE,13,-2<cr> sets Zone 13’s treble to -4dB
• &S86,TRE,3,0<cr> Zone 3 treble is flat.
VOL (Volume)
Description:
• Sets Zone zz to volume abc.
• Increment Zone zz volume.
• Decrement Zone zz volume.
• Volume increment will end mute.
Command:
&S86,VOL,zz,a<cr>
&S86,VOL,zz,abc<cr>
Query:
&S86,VOL,zz?<cr>
Reply:
&S86,VOL,zz,abc<cr>
Parameters:
<cr>:
carriage return: Hexadecimal 0x0D or Decimal 13
zz:
Zone: 01-24
a:
+ = Increments by 1 step (plus symbol)
- = Decrements by 1 step (minus symbol)

ELAN HOME SYSTEMS INSTALLATION MANUAL
© ELAN Home Systems 2009 • All rights reserved. Page 91
S86A
abc:
000 – 100 (percent volume level)
000 = Mute
Examples:
• &S86,VOL,13,+<cr> Increments Zone 13’s volume.
• &S86,VOL,02?<cr> queries Zone 2 for its volume.
• &S86,VOL,13,19<cr> sets Zone 13’s volume to 19%.
• &S86,VOL,13,000<cr> mutes Zone 13.
WHM (Whole House Music)
Description:
• Turns specified Zone zz’s WHM off/on/toggle.
• Has no effect if the zone is off.
• If zone is turned off, WHM is disabled.
Command:
&S86,WHM,zz,a<cr>
Query:
&S86,WHM,zz?<cr>
Reply:
&S86,WHM,zz,a<cr>
Parameters:
<cr>:
carriage return: Hexadecimal 0x0D or Decimal 13
zz:
Zone: 01-24
a:
0 = OFF
1 = ON
2 = TOG

ELAN HOME SYSTEMS
INSTALLATION MANUAL
Page 92 © ELAN Home Systems 2009 • All rights reserved.
S86A
Examples:
• &S86,WHM,13,0<cr> turns Zone 13’s WHM off.
• &S86,WHM,02?<cr> queries Zone 2’s WHM.
• &S86,WHM,13,1<cr> turns Zone 13’s WHM on.
• &S86,WHM,13,2<cr> toggles Zone 13’s WHM from on to off or off to on.
The Following Commands Are Significantly Different From The S12 System
Controller:
LUD (Loudness)
Description:
• Turns loudness feature of specified Zone zz
• Has no effect if the zone is off.
Command:
&S86,LUD,zz,a<cr>
Query:
&S86,LUD,zz?<cr>
Reply:
&S86,LUD,zz,a<cr>
Parameters:
<cr>:
carriage return: Hexadecimal 0x0D or Decimal 13
zz:
Zone: 01-24
a:
0 = OFF
1 = ON
2 = TOG

ELAN HOME SYSTEMS INSTALLATION MANUAL
© ELAN Home Systems 2009 • All rights reserved. Page 93
S86A
Examples:
• &S86,LUD,13,0<cr> turns Zone 13’s Loudness off.
• &S86,LUD,02?<cr> queries Zone 2’s Loudness.
• &S86,LUD,13,1<cr> turns Zone 13’s Loudness on.
• &S86,LUD,13,2<cr> toggles Zone 13’s Loudness from on to off or off to on.
PG
Description:
• Turns PG off/on/toggle. This will initiate a PG that will route audio present at the S86A’s
Page In audio jack to all zones that have PG enabled.
• Works if the System/Zone is on or off.
Command:
&S86,PG,0,a<cr>
Query any page activity:
&S86,PG?<cr>
Reply:
&S86,PG,a<cr>
Parameters:
<cr>:
carriage return: Hexadecimal 0x0D or Decimal 13
a:
0 = OFF
1 = ON
2 = Toggle
Examples:
• &S86,PG,0,1<cr> Activates all zones to Page ON.
• &S86,PG,0,2<cr> Toggles all zones Page from on to off or off to on.

ELAN HOME SYSTEMS
INSTALLATION MANUAL
Page 94 © ELAN Home Systems 2009 • All rights reserved.
S86A
TRI (Trigger Output)
Description:
• Turns specified Programmable Trigger Output’s state off/on/toggle.
• Only works if Trigger is enabled in VIA!TOOLS or ELANTOOLS
Command:
&S86,TRI,tt,a<cr>
Query:
&S86,TRI,tt?<cr>
Reply:
&S86,TRI,tt,a<cr>
Parameters:
<cr>:
carriage return: Hexadecimal 0x0D or Decimal 13
tt:
Trigger Output: 1-24
a:
0 = OFF
1 = ON
2 = TOG
Examples:
• &S86,TRI,13,0<cr> turns Trigger Output 13 off.
• &S86,TRI,03,2<cr> toggles Trigger Output 3 from on to off or off to on.

ELAN HOME SYSTEMS INSTALLATION MANUAL
© ELAN Home Systems 2009 • All rights reserved. Page 95
S86A
Video Commands
VID (Video)
Description:
Switches S86A video outputs in Zone zz to a specific Video a input.
Command:
&S86,VID,zz,a<cr>
Query:
&S86,VID,zz?<cr>
Reply:
&S86,VID,zz,a<cr>
Parameters:
<cr>:
carriage return: Hexadecimal 0x0D or Decimal 13
zz:
Zone: 01-24
a:
Input 0-8, where zero is video mute.
Examples:
• &S86,VID,03,2<cr> S86 Zone 3 selects Input 2.
• &S86,VID,20?<cr> Queries S86 in Zone 20 for selected video input.
• &S86,VID,07,7<cr> S86 in Zone 7 selects Input 7.

ELAN HOME SYSTEMS
INSTALLATION MANUAL
Page 96 © ELAN Home Systems 2009 • All rights reserved.
S86A
Audio Commands
AUD (Audio)
Description:
Switches S86A audio outputs in Zone zz to a specific Audio a input.
Command:
&S86,AUD,zz,a<cr>
Query:
&S86,AUD,zz?<cr>
Reply:
&S86,AUD,zz,a<cr>
Parameters:
<cr>:
carriage return: Hexadecimal 0x0D or Decimal 13
zz:
Zone: 01-24
a:
Input 1-8
Examples:
• &S86,AUD,03,2<cr> S86 Zone 3 selects audio Input 2.
• &S86,AUD,20?<cr> Queries S86 in Zone 20 for selected audio input.
• &S86,AUD,07,7<cr> S86 in Zone 7 selects audio Input 7.

ELAN HOME SYSTEMS INSTALLATION MANUAL
© ELAN Home Systems 2009 • All rights reserved. Page 97
S86A
Query Commands
ASD (Audio Signal Detect)
Description:
• Queries Unit u Audio Source Inputs to determine if an audio signal is present.
• The S86 can either sense audio from the Left, Right or both Left and Right.
• The S86 can detect the audio instantaneously, however the it can take up to 30 seconds
before the S86 detects the absence of audio once the audio is removed.
• Works if System is off or on.
Command:
N/A
Query:
&S86,ASD,u?<cr>
Reply:
&S86,ASD,u,aaaaaaaa<cr>
Parameters:
<cr>:
carriage return: Hexadecimal 0x0D or Decimal 13
u:
Unit 1-4
a:
0 = Not Detected
1 = Detected
Examples:
• &S86,ASD,1?<cr> Queries Unit 1.
• &S86,ASD,2?<cr> Queries Unit 2.
• &S86,ASD,1,11111100<cr> S86 Unit 1 reply.
Audio Signals 1 thru 6 are ON and Audio Signal 7-8 are OFF.
• &S86,ASD,2,00001000<cr> S86 Unit 2 reply.
Audio Signals 5 is ON, Audio Signals 1, 2,3, 4, 6, 7, and 8 are OFF

ELAN HOME SYSTEMS
INSTALLATION MANUAL
Page 98 © ELAN Home Systems 2009 • All rights reserved.
S86A
PGD (Page Detect Query)
Description:
• Queries Unit u to determine if the Page Trigger In jack is active.
• If all zones in a chassis/system do NOT have PG enabled, this command will still return
the correct status of the Page Trigger In jack.
• PG enabled is programmed in VIA!TOOLS or ELANTOOLS S86 Init Screen Zones page.
• Works if System is off or on.
Command:
N/A
Query:
&S86,PGD,u?<cr>
Reply:
&S86,PGD,u,a<cr>
Parameters:
<cr>:
carriage return: Hexadecimal 0x0D or Decimal 13
u:
Unit 1-4
a:
0 = Off/Inactive
1 = On/Active
Examples:
• &S86,PGD,1?<cr> Queries Unit 1.
• &S86,PGD,1,0<cr> S86 Unit 1 reply. Page Trigger In jack is Off/Inactive.

ELAN HOME SYSTEMS INSTALLATION MANUAL
© ELAN Home Systems 2009 • All rights reserved. Page 99
S86A
STI (Sense Trigger Inputs)
Description:
• Queries Unit u’s Sense Trigger Inputs to determine if they are on or off.
• You must have the expansion cable connected if more than one chassis is in the system.
If you do not, the returned data will not be reliable.
Command:
N/A
Query:
&S86,STI,u?<cr>
Reply:
&S86,STI,u,aaaaaa<cr>
Parameters:
<cr>:
carriage return: Hexadecimal 0x0D or Decimal 13
u:
Unit 1-4
a:
0 = OFF
1 = ON
Examples:
• &S86,STI,1?<cr> Queries Unit 1.
• &S86,STI,2?<cr> Queries Unit 2.
• &S86,STI,1,111111<cr> S86 Unit 1 reply.
All Sense Trigger Inputs are ON.
• &S86,STI,2,000010<cr> S86 Unit 2 reply.
Sense Trigger Input 5 ON, Sense Trigger Inputs 1, 2, 3, 4 and 6 OFF.

ELAN HOME SYSTEMS
INSTALLATION MANUAL
Page 100 © ELAN Home Systems 2009 • All rights reserved.
S86A
VSD (Video Signal Detect)
Description:
• Queries Unit u Video Inputs to determine if a video signal is present.
• The S86 can detect the video instantaneously and detect the absence of video instantaneously.
• Works if System is off or on.
Command:
N/A
Query:
&S86,VSD,u?<cr>
Reply:
&S86,VSD,u,aaaaaaaa<cr>
Parameters:
<cr>:
carriage return: Hexadecimal 0x0D or Decimal 13
u:
Unit 1-4
a:
0 = Not Detected
1 = Detected
Examples:
• &S86,VSD,1?<cr> Queries Unit 1.
• &S86,VSD,2?<cr> Queries Unit 2.
• &S86,VSD,1,11111100<cr> S86A Unit 1 reply.
Video Signals 1 thru 6 are ON and Video Signals 7-8 are OFF.
• &S86,VSD,2,00001000<cr> S86A Unit 2 reply.
Video Signal 5 is ON, Video Signals 1, 2, 3, 4, 6, 7, and 8 are OFF.

ELAN HOME SYSTEMS INSTALLATION MANUAL
© ELAN Home Systems 2009 • All rights reserved. Page 101
S86A
VER (Firmware Version)
Description:
• Queries Unit u to determine firmware version.
• Works if System is off or on.
Command:
N/A
Query:
&S86,VER,u?<cr>
Reply:
&S86,VER,u,Firmware abcdefghijklmnop<cr>
Parameters:
<cr>:
carriage return: Hexadecimal 0x0D or Decimal 13
u:
Unit 1-4
abcdefghijklmnop:
Version can be variable length, 16 ASCII char maximum. Always begins with “&S86” even
if command sent used the common system header of “&ELAN”
Examples:
• &S86,VER,1?<cr> Queries Unit 1.
• &ELAN,VER,2?<cr> Queries Unit 2.
• &S86,VER,1,Firmware 2.0.1.9<cr> S86 Unit 1 reply.
• &S86,VER,2,Firmware 2.0.2.0<cr> S86 Unit 2 reply.

ELAN HOME SYSTEMS
INSTALLATION MANUAL
Page 102 © ELAN Home Systems 2009 • All rights reserved.
S86A
QRY (Query Chassis)
Description:
• Replies with all the Zone status data for a requested chassis, u, in 6 byte hex format per
zone, ABCDEF.
• Works if System is off or on.
Command:
N/A
Query:
&S86,QRY,u?<cr>
Reply:
&S86,QRY,u,ABCDEFABCDEFABCDEFABCDEFABCDEFABCDEF <cr>
Parameters:
<cr>:
carriage return: Hexadecimal 0x0D or Decimal 13
u:
Unit ID: 1-4
The most significant bit is shown as “a” and least significant bit is shown as “h”:
A: abcdefgh:
100z zzzz = Zone Number (81h = Zone 1)
B: abcdefgh:
a = 0
b = System Status (0 = OFF, 1 = ON)
c = DND Status (0 = OFF, 1 = ON)
d = Mute Status (0 = OFF, 1 = ON)
e = Audio + Video Detect Status (0 = Neither Detected, 1 = Either one has been Detected)
fgh = Source Selected (0 = Zone OFF, 1-6 = Source 1-6, 7 = Source > 6 see next byte)

ELAN HOME SYSTEMS INSTALLATION MANUAL
© ELAN Home Systems 2009 • All rights reserved. Page 103
S86A
C: abcdefgh:
a = 0
b = WHM Status (0 = OFF, 1 = ON)
c = Page Trigger Status (0 = OFF, 1 = ON)
d = {DRC Status for S12 (0 = OFF, 1 = ON)} Always 0 for S86A
e = Loudness Status (0 = OFF, 1 = ON) {Always 0 for S12}
fgh = Source Selected (0 = Zone OFF, 1-6 = Source 7-12, 7 = Source < 6 see previous
byte)
D: abcdefgh:
a = 0
b = X usually 0, but could be 1
cdefgh = Volume Level(0 = Max, 48 = Min)
E: abcdefgh:
a = 0
b = X usually 0, but could be 1
c = X usually 0, but could be 1
defgh = Treble Level(28 = Max +dB, 4 = Min -dB)
F: abcdefgh:
a = 0
b = X usually 0, but could be 1
c = X usually 0, but could be 1
defgh = Bass Level(28 = Max +dB, 4 = Min -dB)
Examples:
• &S86,QRY,1?<cr> Queries chassis unit ID #1. Useful for third party UI.
• Given Zone 1 is ON with Source 2 playing at 50% volume level and flat EQ the reply for
that zone would look like this in HEX format:
0x26 0x53 0x38 0x36 0x2C 0x51 0x52 0x59 0x2C 0x31 0x2C 0x81 0x4A 0x07 0x18
0x10 0x10.

ELAN HOME SYSTEMS
INSTALLATION MANUAL
Page 104 © ELAN Home Systems 2009 • All rights reserved.
S86A
NAM (Get Zone Name)
Description:
• Replies the Zone, zz, name stored in memory from VIA!TOOLS or ELANTOOLS called, abcdefghijklmno.
• Works if System is off or on.
Command:
N/A
Query:
&S86,NAM,zz?<cr>
Reply:
&S86,NAM,zz,abcdefghijklmno<cr>
Parameters:
<cr>:
carriage return: Hexadecimal 0x0D or Decimal 13
zz:
Zone: 1-24
abcdefghijklmno:
Name can be variable length of 14ASCII char maximum.
Examples:
• &S86,NAM,1?<cr> Queries where Zone 1’s Name. Useful for third party UI.
• &S86,NAM,2,Master Bedroom<cr> Replies Zone 2’s Name is Master Bedroom.
• &S86,NAM,1,Kitchen<cr> Replies Zone 1’s Name is Kitchen.

ELAN HOME SYSTEMS INSTALLATION MANUAL
© ELAN Home Systems 2009 • All rights reserved. Page 105
S86A
SRCNAM (Get Source Name)
Description:
• Replies the source, s, name stored in memory from VIA!TOOLS or ELANTOOLS called, abcdefghijklmno.
• Works if System is off or on.
Command:
N/A
Query:
&S86,SRCNAM,s?<cr>
Reply:
&S86,SRCNAM,s,abcdefghijklmno<cr>
Parameters:
<cr>:
carriage return: Hexadecimal 0x0D or Decimal 13
s:
Source: 1-8
abcdefghijklmno:
Name can be variable length of 14ASCII char maximum.
Examples:
• &S86,SRCNAM,1?<cr> Queries where Source 1’s Name. Useful for third party UI.
• &S86,SRCNAM,2,VIAdj<cr> Replies Source 2’s Name is VIAdj.
• &S86,SRCNAM,1,DVDR<cr> Replies Source 1’s Name is DVDR.
Restore Factory Defaults
Description:
• Resets system to factory default values.
• Works if System is off or on.
Command:
&S86,DEF<cr>

ELAN HOME SYSTEMS
INSTALLATION MANUAL
Page 106 © ELAN Home Systems 2009 • All rights reserved.
S86A
Appendix D: Rack Mounting
RMK3 Rack-Mount Kit
When mounting the S86A controller in an equipment rack, use the optional RMK3 Rack Mount Kit for secure mount-
ing and proper ventilation. The RMK3 requires three rack spaces. To install the RMK3 into a standard 19” equipment
rack:
1. Slide the rack mount kit onto the S86A chassis from the front as shown in Figure D-1.
Figure: D-1
2. Ensure that the unit is flush with the front of the mounting kit. Install each of the eight screws (included) through
the side mounting flanges into the holes in the sides of the unit as shown in Figure D-2. Hand tighten screws!
Over-tightening could cause damage to the S86A Controller.
Figure: D-2.
3. Once the unit is securely mounted into the RMK3, install the entire assembly into a standard 19” equipment rack
from the front using four rack screws (not included).
19" Equipment Rack
Rack Screws
Figure: D-3.

ELAN HOME SYSTEMS INSTALLATION MANUAL
© ELAN Home Systems 2009 • All rights reserved. Page 107
S86A
Notes:

ELAN HOME SYSTEMS
INSTALLATION MANUAL
Page 108 © ELAN Home Systems 2009 • All rights reserved.
S86A
Notes:

ELAN HOME SYSTEMS L.L.C. (“ELAN”) warrants the S86A Integrated Multi-Room A/V Controller to be free from
defects in materials and workmanship for the period of two years (2 years) from date of purchase. If within the
applicable warranty period above purchaser discovers that such item was not as warranted above and promptly
notifies ELAN in writing, ELAN shall repair or replace the item at the company’s option. This warranty shall not apply
(a) to equipment not manufactured by ELAN, (b) to equipment which shall have been installed by other than an
ELAN authorized installer, (c) to installed equipment which is not installed to ELAN’s specifications, (d) to equipment
which shall have been repaired or altered by others than ELAN, (e) to equipment which shall have been subjected to
negligence, accident, or damage by circumstances beyond ELAN’s control, including, but not limited to, lightning,
flood, electrical surge, tornado, earthquake, or other catastrophic events beyond ELAN’s control, or to improper
operation, maintenance or storage, or to other than normal use of service. With respect to equipment sold by, but
not manufactured by ELAN, the warranty obligations of ELAN shall in all respects conform to the warranty actually
extended to ELAN by its supplier. The foregoing warranties do not cover reimbursement for labor, transportation,
removal, installation or other expenses which may be incurred in connection with repair or replacement.
Except as may be expressly provided and authorized in writing by ELAN, ELAN shall not be subject to any other
obligations or liabilities whatsoever with respect to equipment manufactured by ELAN or services rendered by ELAN.
THE FOREGOING WARRANTIES ARE EXCLUSIVE AND IN LIEU OF ALL OTHER EXPRESSED AND IMPLIED
WARRANTIES EXCEPT WARRANTIES OF TITLE, INCLUDING BUT NOT LIMITED TO IMPLIED WARRANTIES OF
MERCHANTABILITY AND FITNESS FOR A PARTICULAR PURPOSE.
ATTENTION: TO OUR VALUED CONSUMERS
To ensure that consumers obtain quality pre-sale and after-sale support and service, ELAN Home Systems products
are sold exclusively through authorized dealers. ELAN products are not sold online. The warranties on ELAN products
are NOT VALID if the products have been purchased from an unauthorized dealer or an online E-tailer. To determine
if your ELAN reseller is authorized, please contact ELAN Home Systems at (859) 269-7760.
www.elanhomesystems.com
Limited Warranty
www.elanhomesystems.com
Lexington, KY
P/N 9900986 REV:C