Pdf Sim2 Installation Manual 9900783REVB_SIM2Manual User
2017-06-28
User Manual: Manual Pdf Sim2 Installation-Manual pdf_SIM2_installation-manual SIM2 products
Open the PDF directly: View PDF
.
Page Count: 16

SIM2
SENSOR INTEGRATION MODULE
2428 Palumbo Dr.
Lexington, KY USA 40509
Voice 859-269-7760
Tech Support 800-622-3526
www.elanhomesystems.com

© ELAN Home Systems 2006 • All rights reserved. Page 1
ELAN HOME SYSTEMS SIM2 INSTALLATION MANUAL
Contents
Introduction ....................................................... 2
Connections ...................................................... 4
DIP Switch Settings ......................................... 7
Applications ....................................................... 8
Warranty ............................................. Back Page

Page 2 © ELAN Home Systems 2006 • All rights reserved.
SIM2 INSTALLATION MANUAL ELAN HOME SYSTEMS
Introduction
The SIM2 Sensor Integration Module is designed to provide
dry contact closure or 12 VDC output in response to input
status from ELAN®SENSE Automation Sensors in home
automation applications. Capable of being used as a
stand-alone device, the SIM2 integrates four sensor inputs
with two relay outputs and provides simple setup and
operation with no programming required. Relays respond
to sensor triggers differently based on conditional logic DIP
switch settings.
Features
• Stand-Alone Interface for ELANSENSE Automation
Sensors
• Any ELANSENSE Sensor Can Trigger Either Of Two
On-board Relays
• All Four Sense Inputs Can Be Linked To One Relay
• Conditional Logic AND/OR Settings
• Simple Setup & Operation-No Software Required
Specifi cations
Sense Inputs (x4) .............................................. 3.5mm Stereo Mini Plug
Relay Outputs (x2) ............................................ 8 pin WECO Connection
NO, NC, COM, GND,12VDC
Accepts 24 AWG (Cat-5) Wire
Rated Load ................................................ .5A @ 120VAC or 1A @ 24VDC
Power Output ................................................................. 12VDC @ 650ma
Power Requirements .................................................... 12VDC 2.1 Amps
PWR3 Power Supply Included
Mounting ........................ Adhesive Strip and Mounting Screws Included

© ELAN Home Systems 2006 • All rights reserved. Page 3
ELAN HOME SYSTEMS SIM2 INSTALLATION MANUAL
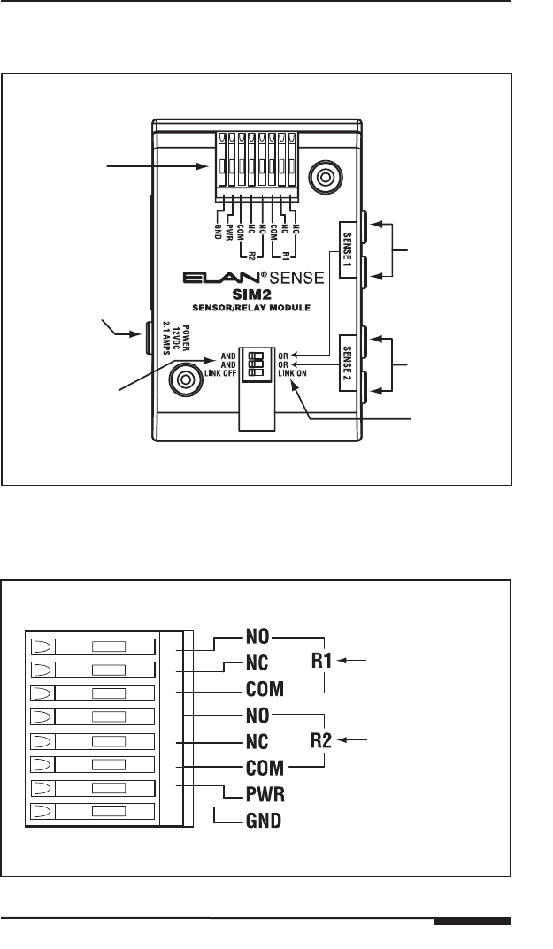
Sense 1
Inputs (x2)
AND/OR
Logic
DIP Switches
(x2)
12VDC
Power
Input
LINK
DIP Switch
Relay
Connector
Sense 2
Inputs (x2)
Relay 1
Connectors
Relay 2
Connectors
Relay Connector
Connectors & Switches

Page 4 © ELAN Home Systems 2006 • All rights reserved.
SIM2 INSTALLATION MANUAL ELAN HOME SYSTEMS
Connections
Power: 12VDC, 2.1A
Connect the included PWR3 power supply.
SENSE1/SENSE2 Ports
Connect an ELAN®SENSE Sensor to the SENSE1 and/or
SENSE2 ports located on the side of the SIM2. The type
of sensor used will depend on the application. Consult the
ELANSENSE Installation Manual for details about specific
sensor applications.
L
R
L
R
Preamp/
Amplifier
RCA
Interconnect
Cables
AUDIO SENSOR
Audio Source
PWR3
12VDC
1.2A

© ELAN Home Systems 2006 • All rights reserved. Page 5
ELAN HOME SYSTEMS SIM2 INSTALLATION MANUAL
Relay - R1 & R2
There are four basic connection types when confi guring the
SIM2. Each of these basic connections can be customized
for specifi c applications to provide hundreds of possible uses.
Contact Closure - N.O. (Normally Open)
Use this method to wire devices that require a simple
closed-contact to activate them.
Contact Closure - N.C. (Normally Closed)
Use this method to wire devices that require an interruption of
power to activate them.
- +
Relay
Controlled
Device
- +
Relay
Controlled
Device

Page 6 © ELAN Home Systems 2006 • All rights reserved.
SIM2 INSTALLATION MANUAL ELAN HOME SYSTEMS
+12 Volt Trigger - N.O. (Normally Open)
Use this method to wire devices that require a powered
+12VDC trigger.
- +
Relay
Controlled
Device
+12 Volt Trigger - N.C. (Normally Closed)
Use this method to wire devices that require a 12VDC
triggered interruption of power to activate them.
- +
Relay
Controlled
Device

© ELAN Home Systems 2006 • All rights reserved. Page 7
ELAN HOME SYSTEMS SIM2 INSTALLATION MANUAL
DIP Switch Settings
There are two DIP switches on the SIM2 that provideAND/OR
logic functionality for each pair of Sense Inputs, and one DIP
switch that links the two Relay Outputs.
AND/OR Logic DIP Switches
Each Sense Input (SENSE1 and SENSE2) has two ports. If
a single sensor is connected to a Sense Input, select OR for
that input. If a sensor is connected to both ports of a Sense
Input, use the AND/OR DIP switch to determine the function-
ality as follows:
• AND - Relay will trip only if both of the connected
sensors are active.
• OR - Relay will trip if either of the connected sensors
is active.
LINK OFF/LINK ON Switch
The LINK OFF/LINK ON DIP switch links the two Relay Out-
puts (R1 & R2). If the switch is set to LINK OFF, the sensors
connected to SENSE1 control Relay 1 and the sensors con-
nected to SENSE2 control Relay 2. If the switch is set to LINK
ON, either Sense Input will trigger both R1 and R2. The AND/
OR DIP switches determine whether one or both individual
inputs of SENSE1 or SENSE2 activate the relay(s).
Examples:
• SENSE1/R1/LINK OFF
AND - R1 active if BOTH connected sensors are active
OR - R1 active if EITHER connected sensor is active
• SENSE2/R2/LINK OFF
AND - R2 active if BOTH connected sensors are active
OR - R2 active if EITHER connected sensor is active
• SENSE1/LINK ON
AND - R1 & R2 active if BOTH connected sensors are active
OR - R1 & R2 active if EITHER connected sensor is active
• SENSE2/LINK ON
AND - R1 & R2 active if BOTH connected sensors are active
OR - R1 & R2 active if EITHER connected sensor is active

Page 8 © ELAN Home Systems 2006 • All rights reserved.
SIM2 INSTALLATION MANUAL ELAN HOME SYSTEMS
Applications
This section provides a few basic examples that illustrate
the types of things that the SIM2 is capable of. Many more
applications are possible.
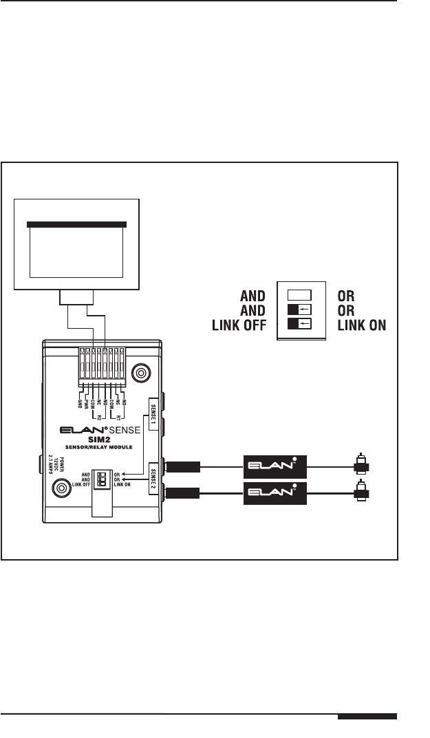
Basic Home Theater Automation
This application utilizes an ELAN®SENSE Video Sensor to
automatically lower a projection screen in a Home Theater
when video is detected. Set the SENSE1 DIP switch to OR
and the LINK DIP switch to OFF.
Screen
- +
Preamp/
Amplifier
Composite
Video
Cable
VIDEO SENSOR
Video Source
N/A

© ELAN Home Systems 2006 • All rights reserved. Page 9
ELAN HOME SYSTEMS SIM2 INSTALLATION MANUAL
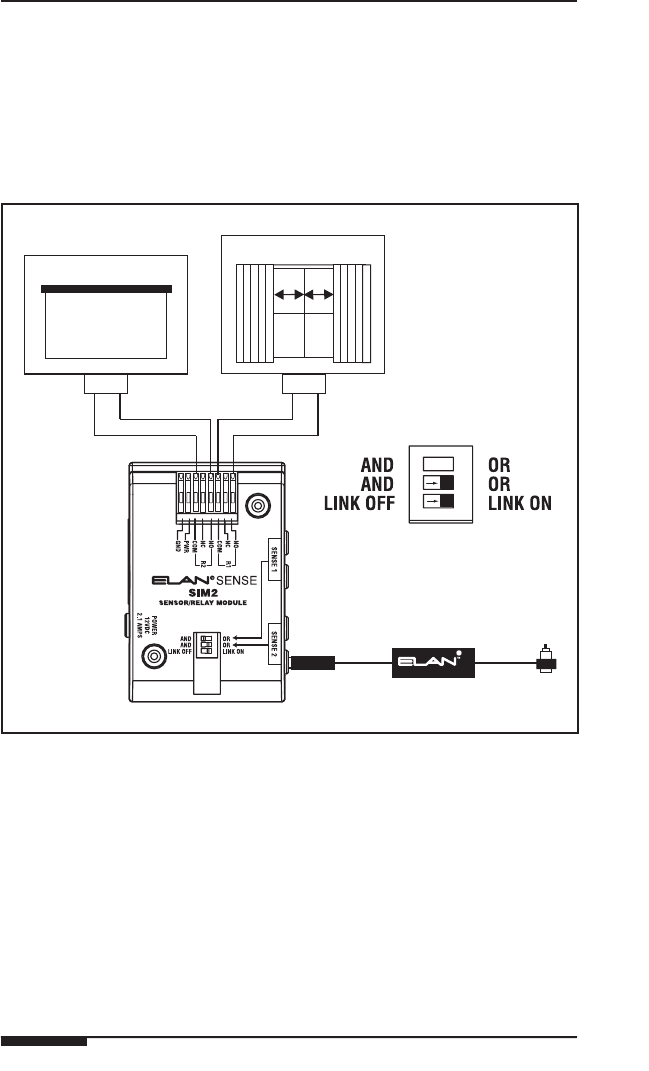
Multiple ELANSENSE Sensors
This application utilizes an ELANSENSE Video Sensor and an
Audio Sensor to automatically lower a projection screen in a
Home Theater. This application adds some sophistication in
that both audio and video must be detected in order for the
screen to drop. Set the SENSE2 DIP switch to AND and the
LINK DIP switch to OFF.
Screen
- +
AUDIO SENSOR
VIDEO SENSOR
N/A

Page 10 © ELAN Home Systems 2006 • All rights reserved.
SIM2 INSTALLATION MANUAL ELAN HOME SYSTEMS
Multiple Relay Controlled Devices
This application utilizes an ELANSENSE Video Sensor to
automatically lower a projection screen and close drapes in a
Home Theater. This application utilizes the LINK feature of the
SIM2 to activate both on-board relays . Set the SENSE2 DIP
switch to OR and the LINK DIP switch to ON.
Screen
- +
VIDEO SENSOR
Drapes
- +
N/A

© ELAN Home Systems 2006 • All rights reserved. Page 11
ELAN HOME SYSTEMS SIM2 INSTALLATION MANUAL
Multiple Sensors/Multiple Relay Controlled
Devices
In this application, either the SENSE1 or SENSE2 input will
trigger both R1 and R2 outputs. For the SENSE1 port, if either
the Contact Sensor or the Light/LED Sensor is activated, both
R1 and R2 will become active; the Screen will lower and the
Drapes will close. For SENSE2, both the Audio Sensor and
Video Sensor must be activated for R1 and R2 to become
active. This application utilizes the LINK feature of the SIM2
to activate both on-board relays . Set the SENSE1 DIP switch
to OR, the SENSE1 DIP switch to AND, and the LINK DIP
switch to ON.
Screen
- +
AUDIO SENSOR
Drapes
- +
VIDEO SENSOR
LED/LIGHT SENSOR
CONTACT SENSOR

Page 12 © ELAN Home Systems 2006 • All rights reserved.
SIM2 INSTALLATION MANUAL ELAN HOME SYSTEMS
VIA! Local/System Port Applications
VIA! Color LCD Touch Panels (with the exception of the VIA!40)
have the ability to perform IR or RS-232 functions when Pins 1
& 7 of the SYSTEM and/or LOCAL ports are shorted. This
application allows for specific codes to be sent to devices
when sensors connected to the SIM2 are activated. In the
drawing below, two Doorbell Sensors are connected to the
SIM2. When the sensor connected to Sense1 is activated
(the front doorbell button is pressed), the R1 output of the
SIM2 creates a closed contact that triggers the VIA!’s SYS-
TEM port, causing it to perform whatever sequence steps are
programmed on the VIA!TOOLS “Trigger” page. The sensor
connected to Sense2 causes the same effect for the VIA!’s
LOCAL port. This functionality allows the installer to easily
have a VIA! Touch Panel display different cameras when
different doorbell buttons are pressed. Creative installers may
devise useful IR or RS-232 sequences to perform a myriad of
different functions using this same method.
+-
Doorbell #1
(End View)
DORBELL SENSOR
DB-
DB+
+-
Doorbell #2
(End View)
DORBELL SENSOR
DB-
DB+
Insert wires in this order:
Blue
White/Blue
Orange
White/Orange
Green
White Green
Brown
White/Brown
BLUE
WHITE/BLUE
ORANGE
WHITE/ORANGE
GREEN
WHITE/GREEN
BROWN
WHITE/BROWN
1
2
3
4
5
6
7
8
PIN # COLOR CODE
FRONT
CABLE
Standard ELAN RJ-45 Pin-Out
TA B
SYS
LOC
SYSTEM
LOCAL
1
71
7

Limited Warranty
ELAN HOME SYSTEMS L.L.C. (“ELAN”) warrants the SIM2 Sensor
Integration Module to be free from defects in materials and workman-
ship for the period of two years (2 years) from date of purchase. If within
the applicable warranty period above purchaser discovers that such
item was not as warranted above and promptly notifi es ELAN in writing,
ELAN shall repair or replace the item at the company’s option. This
warranty shall not apply (a) to equipment not manufactured by ELAN,
(b) to equipment which shall have been installed by other than an ELAN
authorized installer, (c) to installed equipment which is not installed to
ELAN’s specifi cations, (d) to equipment which shall have been repaired
or altered by others than ELAN, (e) to equipment which shall have been
subjected to negligence, accident, or damage by circumstances beyond
ELAN’s control, including, but not limited to, lightning, fl ood, electrical
surge, tornado, earthquake, or other catastrophic events beyond ELAN’s
control, or to improper operation, maintenance or storage, or to other
than normal use of service. With respect to equipment sold by, but not
manufactured by ELAN, the warranty obligations of ELAN shall in all
respects conform to the warranty actually extended to ELAN by its sup-
plier. The foregoing warranties do not cover reimbursement for labor,
transportation, removal, installation or other expenses which may be
incurred in connection with repair or replacement.
Except as may be expressly provided and authorized in writing by ELAN,
ELAN shall not be subject to any other obligations or liabilities what-
soever with respect to equipment manufactured by ELAN or services
rendered by ELAN.
THE FOREGOING WARRANTIES ARE EXCLUSIVE AND IN LIEU OF ALL
OTHER EXPRESSED AND IMPLIED WARRANTIES EXCEPT WARRAN-
TIES OF TITLE, INCLUDING BUT NOT LIMITED TO IMPLIED WAR-
RANTIES OF MERCHANTABILITY AND FITNESS FOR A PARTICULAR
PURPOSE.
ATTENTION: TO OUR VALUED CONSUMERS
To ensure that consumers obtain quality pre-sale and after-sale support
and service, ELAN Home Systems products are sold exclusively through
authorized dealers. ELAN products are not sold online. The warranties
on ELAN products are NOT VALID if the products have been purchased
from an unauthorized dealer or an online E-tailer. To determine if your
ELAN reseller is authorized, please call ELAN Home Systems at (859)
269-7760.
P/N 9900783 REV:B