S7200C For CD S 7200C PARTS BOOK
S-7200C Parts Book S-7200C PARTS BOOK S-7200C PARTS BOOK BROTHER a.teamworksales.com
2016-10-16
: Manual S 7200C Parts Book S_7200C PARTS BOOK BROTHER
Open the PDF directly: View PDF
.
Page Count: 76
- Cover
- Description of model plate
- Notes for using this parts book
- A. Machine body
- B. Needle bar and thread take-up mechanism
- C. Presser foot mechanism
- D. Feed mechanism
- E. Knee lifter mechanism
- F. Quick reverse mechanism
- G. Rotary hook mechanism
- H. Lubrication
- J. Threading mechanism
- K. Bobbin winder mechanism
- L. Thread trimmer mechanism
- M. Tension release mechanism
- N. Thread wiper mechanism (-4[][] or Option parts)
- P1. Control box and motor mechanism
- P2. Control box mechanism
- P3. Control box mechanism
- P4. Control box mechanism (Option parts)
- Q. Power supply equipment mechanism
- R. Knee switch mechanism (Option parts)
- S. Quick reverse switch mechanism
- T. Presser foot lifting set mechanism (Option parts)
- Z. Accessories
- Sp1. Different parts list (For Japan)
- Sp2. Different parts list (For USA, China and General export)
- Sp3. Different parts list (For Europe)
- Ga1. Gauge parts list (Light & medium-weight materials : 3ROW)
- Ga2. Gauge parts list (Light & medium-weight materials : 3ROW)
- Ga3. Gauge parts list (Heavy-weight materials : 3ROW)
- Ga4. Gauge parts list (Difficult-to-sew materials & Shin-gosen : 4ROW)
- Ga5. Gauge parts list (Light & medium-weight materials : 4ROW)
- Ga6. Gauge parts list (Light & medium-weight materials : 4ROW)
- Ga7. Gauge parts list (Light & medium-weight materials : 4ROW)
- Ga8. Gauge parts list (Light & medium-weight materials : 4ROW)
- Ga9. Gauge parts list (Heavy-weight materials : 4ROW)
- Wa. Warning labels
- Index
- Back Cover

Parts Navigation http://partsbook.brother.co.jp/partsnavi/jpn/
The latest parts information, refer to the Parts Navigation. http://partsbook.brother.co.jp/partsnavi/eng/
S-7200C
SINGLE NEEDLE DIRECT DRIVE STRAIGHT LOCK STITCHER WITH
THREAD TRIMMER
PARTS BOO
K




Notes for using this parts book
1. This book was prepared based on information available in July 2008.
2. Parts & subject to changes in design without prior notice.
3. Parts supplied as complete assemblies are circled by a dotted line.
4.
CONTENTS
A. Machine body ........................................ 1 Sp2. Different parts list
B. Needle bar and (For USA, China and General export)……
…
54
thread take-up mechanism .................... 3 Sp3. Different parts list
C. Presser foot mechanism ........................ 7(For Europe) ................................................. 55
D. Feed mechanism ................................... 9 Ga1. Gauge parts list
E. Knee lifter mechanism ........................... 13 (Light & medium-weight materials : 3ROW) .............. 56
. Quick reverse mechanism ..................... 15 Ga2. Gauge parts list
. Rotary hook mechanism ........................ 17 (Light & medium-weight materials : 3ROW) .............. 57
H. Lubrication ............................................. 19 Ga3. Gauge parts list
J. Threading mechanism ........................... 23 (Heavy-weight materials : 3ROW) ............................. 58
K. Bobbin winder mechanism ....................
.
25 Ga4. Gauge parts list
L. Thread trimmer mechanism ................... 27 (Difficult-to-sew materials & Shin-gosen : 4ROW) ....
.
59
M. Tension release mechanism .................. 29 Ga5. Gauge parts list
N. Thread wiper mechanism (Light & medium-weight materials : 4ROW) .............. 60
(-4[][] or Option parts) ............................ 31 Ga6. Gauge parts list
P1. Control box and motor mechanism ........ 33 (Light & medium-weight materials : 4ROW) .............. 61
P2. Control box mechanism ......................... 35 Ga7. Gauge parts list
P3. Control box mechanism ......................... 37 (Light & medium-weight materials : 4ROW) .............. 62
P4. Control box mechanism (Option parts) .. 39 Ga8. Gauge parts list
Q. Power supply equipment mechanism..... 41 (Light & medium-weight materials : 4ROW) .............. 63
R. Knee switch mechanism (Option parts)
…
43 Ga9. Gauge parts list
S. Quick reverse switch mechanism ……
…
45 (Heavy-weight materials : 4ROW) ............................. 64
T. Presser foot lifting set mechanism Wa. Warning labels ...........................................
.
65
(Option parts) ........................................ 47 Index ..........................................................
.
66
Z.
A
ccessories ……………………………… 49
Sp1. Different parts list (For Japan) …………
…
53
The part which has the symbol "+" on its number (REF.NO) in the figure differs depending on the
specification. For details, refer to the parts list.

1
A. / Machine body
REF.NO CODE Q'TY NAME OF PARTS RM
1 SA1106001 2 STAND R
2 SA1107001 2 STAND L
3 SA9622101 1
MOTOR COVER
4 062501816 5 SCREW, PAN M5X18
5 028050246 5
WASHER SPRING 2-5
6 026050136 5
WASHER PLAIN S 5
7 SA9623101 1
SIDE PLATE
8 062501216 8 SCREW PAN M5X12
9 104450101 2
RUBBER CAP, 8
10 104450101 1
RUBBER CAP, 8
11 S32263001 1
RUBBER CAP, 8.5
12 104450101 1
RUBBER CAP, 8
13 104449001 2
RUBBER CAP, 15.5
14 117936001 1
RUBBER CAP, 9.4
15 S09621151 1
RULER PLATE
16 062400616 1 SCREW PAN M4X6
17 S37060001 1 LABEL, GROUNDING
18 SA9826001 1 LABEL CAUTION
19 SA9957001 1
INJURY MAR
K
20 SA9957002 1
INJURY MAR
K
<-5S, -53> <For -5S and -53>
21 S45050001 1 MARK, RP
S-7200C-050
2

2
A. / Machine body
REF.NO CODE Q'TY NAME OF PARTS RM
1 SA1106001 2 STAND R
2 SA1107001 2 STAND L
3 SA9622101 1
MOTOR COVER
4 062501816 5 SCREW, PAN M5X18
5 028050246 5
WASHER SPRING 2-5
6 026050136 5
WASHER PLAIN S 5
7 SA9623101 1
SIDE PLATE
8 062501216 8 SCREW PAN M5X12
9 104450101 2
RUBBER CAP, 8
10 104450101 1
RUBBER CAP, 8
11 S32263001 1
RUBBER CAP, 8.5
12 104450101 1
RUBBER CAP, 8
13 104449001 2
RUBBER CAP, 15.5
14 117936001 1
RUBBER CAP, 9.4
15 S09621151 1
RULER PLATE
16 062400616 1 SCREW PAN M4X6
17 S37060001 1 LABEL, GROUNDING
18 SA9826001 1 LABEL CAUTION
19 SA9957001 1
INJURY MAR
K
20 SA9957002 1
INJURY MAR
K
<-5S, -53> <For -5S and -53>
21 S45050001 1 MARK, RP
S-7200C-050
2

3
B. / Needle bar and thread take-up mechanism
REF.NO CODE Q'TY NAME OF PARTS RM
1 SA7209201 1
UPPER SHAFT ASS
Y
2 S23651001 3 SET SCREW SOCKET (FT) M6X6
3 S25235001 1
SCREW M8
4 S25236001 1 SET SCREW SOCKET (FT) M6X10
5 SA1120001 1 BOBBIN WINDER DRIVING WHEE
L
6 S23651001 2 SET SCREW SOCKET (FT) M6X6
7 110367001 1
WASHER, PLAIN SPECIAL
8
<-03> <For -03>
8+ SA9646001 1
NEEDLE BAR CONNECTING ROD UNI
T
9+ SA7625001 1
NEEDLE BAR CRAN
K
<-05> <For -05>
8+ SA9651001 1
NEEDLE BAR CONNECTING ROD UNI
T
9+ SA7626001 1
NEEDLE BAR CRAN
K
<-33, -53> <For -33 and -53>
8+ SA9748001 1
NEEDLE BAR CONNECTING ROD SE
T
9+ SA7625001 1
NEEDLE BAR CRAN
K
<-S> <For -S>
8+ SA9751001 1
NEEDLE BAR CONNECTING ROD SE
T
9+ SA7627001 1
NEEDLE BAR CRAN
K
<-3, -5> <For -3and -5>
10 SA8061001 1
SET SCREW SOCKET(CP)M3X4 SEA
L
11 SA2422001 1
SCREW, SM3.57L
12 012400436 2 SET SCREW SOCKET (FT) M4X4
13 SA2161001 1
WASHE
R
14 048060342 1 RETAINING RING E6
15 140004001 1
SCREW, SM3.57-40X7
16 SA7239101 1
STOPPER PIN
17 012500536 1 SET SCREW SOCKET (FT) M5X5
18 012061036 2 SET SCREW SOCKET (FT) M6X10
19 102630001 1
NEEDLE BAR GUIDE SLIDE BLOC
K
20+ 1
NEEDLE BA
R
21 SA2194201 1
NEEDLE BAR BUSH U
<-S, -3> <For - and -3>
22+ SA1138101 1
NEEDLE BAR BUSH D
<-5> <For ->
22+ SA1139101 1
NEEDLE BAR BUSH D
23 012500536 1 SET SCREW SOCKET (FT) M5X5
24 062500616 1 SCREW PAN M5X6
25 140553102 1
SET SCREW, SM3.18
26 S23651001 2 SET SCREW SOCKET (FT) M6X6
27 SA2250101 1
TIMING PULLEY, U
28 S38712001 1
FLANGE
29 SA9377001 1 FAN
30 SA2404001 3
SCREW, PAN (S WASHER) M4X35
31 151594001 1
NEEDL BAR THREAD GUIDE
32 151267001 2
SCREW, FLAT SM4.37-40X8
33 180018151 1 SLIDE PLATE ASS
Y
34 114561001 1
SPRING, PLATE
35 122771051 2
SCREW, SM2.38
36 SA1143101 1
LOWER SHAFT ASS
Y
37 SA1144001 1
LOWER SHAFT
38 048120142 1
RETAINING RING EXTERNAL C12
39 S25401100 1 OIL SEAL
40 SA1317101 1 OIL SEAL
41 SA1167001 1
LOWER SHAFT GEA
R
42 S23651001 2 SET SCREW SOCKET (FT) M6X6
43 SA2251001 1
TIMING PULLEY, D
S-7200C-101
4
S-7200C-101
3
B . / Needle bar and thread take-up mechanism
< -[ ]03 / For -[ ]03 >
< -[ ][ ]S / For -[ ][ ]S >
< -[ ]05 / For -[ ]05 >
< -[ ]33 / For -[ ]33 >
< -[ ]53 / For -[ ]53 >
34
33
626
49
29
2
37
47
5
2
18
27 28
42
6
2
4
16
17
22+
31
62+
35
44
51
32
25
45
48
30
24 46
41
1
7
39
50
40
38
43 45 44
19
15
12
12
13
14
19
18
13
14
10
23
21
11 11
3
36
12
12
52
54
60
57
59
58
53
55
56
9+
8+8+
9+
15
20+
61+

34
S-7200C-101
3
B . / Needle bar and thread take-up mechanism
< -[ ]03 / For -[ ]03 >
< -[ ][ ]S / For -[ ][ ]S >
< -[ ]05 / For -[ ]05 >
< -[ ]33 / For -[ ]33 >
< -[ ]53 / For -[ ]53 >
34
33
626
49
29
2
37
47
5
2
18
27 28
42
6
2
4
16
17
22+
31
62+
35
44
51
32
25
45
48
30
24 46
41
1
7
39
50
40
38
43 45 44
19
15
12
12
13
14
19
18
13
14
10
23
21
11 11
3
36
12
12
52
54
60
57
59
58
53
55
56
9+
8+8+
9+
15
20+
61+
B. / Needle bar and thread take-up mechanism
REF.NO CODE Q'TY NAME OF PARTS RM
1 SA7209201 1
UPPER SHAFT ASS
Y
2 S23651001 3 SET SCREW SOCKET (FT) M6X6
3 S25235001 1
SCREW M8
4 S25236001 1 SET SCREW SOCKET (FT) M6X10
5 SA1120001 1 BOBBIN WINDER DRIVING WHEE
L
6 S23651001 2 SET SCREW SOCKET (FT) M6X6
7 110367001 1
WASHER, PLAIN SPECIAL
8
<-03> <For -03>
8+ SA9646001 1
NEEDLE BAR CONNECTING ROD UNI
T
9+ SA7625001 1
NEEDLE BAR CRAN
K
<-05> <For -05>
8+ SA9651001 1
NEEDLE BAR CONNECTING ROD UNI
T
9+ SA7626001 1
NEEDLE BAR CRAN
K
<-33, -53> <For -33 and -53>
8+ SA9748001 1
NEEDLE BAR CONNECTING ROD SE
T
9+ SA7625001 1
NEEDLE BAR CRAN
K
<-S> <For -S>
8+ SA9751001 1
NEEDLE BAR CONNECTING ROD SE
T
9+ SA7627001 1
NEEDLE BAR CRAN
K
<-3, -5> <For -3and -5>
10 SA8061001 1
SET SCREW SOCKET(CP)M3X4 SEA
L
11 SA2422001 1
SCREW, SM3.57L
12 012400436 2 SET SCREW SOCKET (FT) M4X4
13 SA2161001 1
WASHE
R
14 048060342 1 RETAINING RING E6
15 140004001 1
SCREW, SM3.57-40X7
16 SA7239101 1
STOPPER PIN
17 012500536 1 SET SCREW SOCKET (FT) M5X5
18 012061036 2 SET SCREW SOCKET (FT) M6X10
19 102630001 1
NEEDLE BAR GUIDE SLIDE BLOC
K
20+ *P. 53-55 1
NEEDLE BA
R
21 SA2194201 1
NEEDLE BAR BUSH U
<-S, -3> <For - and -3>
22+ SA1138101 1
NEEDLE BAR BUSH D
<-5> <For ->
22+ SA1139101 1
NEEDLE BAR BUSH D
23 012500536 1 SET SCREW SOCKET (FT) M5X5
24 062500616 1 SCREW PAN M5X6
25 140553102 1
SET SCREW, SM3.18
26 S23651001 2 SET SCREW SOCKET (FT) M6X6
27 SA2250101 1
TIMING PULLEY, U
28 S38712001 1
FLANGE
29 SA9377001 1 FAN
30 SA2404001 3
SCREW, PAN (S WASHER) M4X35
31 151594001 1
NEEDL BAR THREAD GUIDE
32 151267001 2
SCREW, FLAT SM4.37-40X8
33 180018151 1 SLIDE PLATE ASS
Y
34 114561001 1
SPRING, PLATE
35 122771051 2
SCREW, SM2.38
36 SA1143101 1
LOWER SHAFT ASS
Y
37 SA1144001 1
LOWER SHAFT
38 048120142 1
RETAINING RING EXTERNAL C12
39 S25401100 1 OIL SEAL
40 SA1317101 1 OIL SEAL
41 SA1167001 1
LOWER SHAFT GEA
R
42 S23651001 2 SET SCREW SOCKET (FT) M6X6
43 SA2251001 1
TIMING PULLEY, D
S-7200C-101
4

5
B. / Needle bar and thread take-up mechanism
REF.NO CODE Q'TY NAME OF PARTS RM
44 S23651001 2 SET SCREW SOCKET (FT) M6X6
45 SA2378001 2
SPACER,4.8
46 SA1150101 1
BEARING BUSH ASS
Y
47 S23651001 2 SET SCREW SOCKET (FT) M6X6
48 SA2252101 1
TIMING BELT
49 S23651001 2 SET SCREW SOCKET (FT) M6X6
50 SA2254101 1
LOWER SHAFT BUSH
51 SA8058301 1
TENSION PULLEY UNIT
52 SA9763001 1
TENSION PULLEY ASS
Y
53 S50165001 1
COLLAR
54 018102536 1
BOLT SOCKET M10X25
55 021100302 1 NUT 3 M10
56 SA8059101 1
PULLEY BASE
57 SA8060201 1
TENSION PULLEY PLATE
58 018061036 2
BOLT SOCKET M6X10
59 025060136 2
WASHER PLAIN S 6
60 018061236 2
BOLT SOCKET M6X12
61+ 1 NEEDLE PLATE
62+ .- 1 NEEDLE
S-7200C-101
6
S-7200C-101
5
B . / Needle bar and thread take-up mechanism
< -[ ]03 / For -[ ]03 >
< -[ ][ ]S / For -[ ][ ]S >
< -[ ]05 / For -[ ]05 >
< -[ ]33 / For -[ ]33 >
< -[ ]53 / For -[ ]53 >
34
33
626
49
29
2
37
47
5
2
18
27 28
42
6
2
4
16
17
22+
31
62+
35
44
51
32
25
45
48
30
24 46
41
1
7
39
50
40
38
43 45 44
19
15
12
12
13
14
19
18
13
14
10
23
21
11 11
3
36
12
12
52
54
60
57
59
58
53
55
56
9+
8+8+
9+
15
20+
61+

56
S-7200C-101
5
B . / Needle bar and thread take-up mechanism
< -[ ]03 / For -[ ]03 >
< -[ ][ ]S / For -[ ][ ]S >
< -[ ]05 / For -[ ]05 >
< -[ ]33 / For -[ ]33 >
< -[ ]53 / For -[ ]53 >
34
33
626
49
29
2
37
47
5
2
18
27 28
42
6
2
4
16
17
22+
31
62+
35
44
51
32
25
45
48
30
24 46
41
1
7
39
50
40
38
43 45 44
19
15
12
12
13
14
19
18
13
14
10
23
21
11 11
3
36
12
12
52
54
60
57
59
58
53
55
56
9+
8+8+
9+
15
20+
61+
B. / Needle bar and thread take-up mechanism
REF.NO CODE Q'TY NAME OF PARTS RM
44 S23651001 2 SET SCREW SOCKET (FT) M6X6
45 SA2378001 2
SPACER,4.8
46 SA1150101 1
BEARING BUSH ASS
Y
47 S23651001 2 SET SCREW SOCKET (FT) M6X6
48 SA2252101 1
TIMING BELT
49 S23651001 2 SET SCREW SOCKET (FT) M6X6
50 SA2254101 1
LOWER SHAFT BUSH
51 SA8058301 1
TENSION PULLEY UNIT
52 SA9763001 1
TENSION PULLEY ASS
Y
53 S50165001 1
COLLAR
54 018102536 1
BOLT SOCKET M10X25
55 021100302 1 NUT 3 M10
56 SA8059101 1
PULLEY BASE
57 SA8060201 1
TENSION PULLEY PLATE
58 018061036 2
BOLT SOCKET M6X10
59 025060136 2
WASHER PLAIN S 6
60 018061236 2
BOLT SOCKET M6X12
61+ *P. 53-64 1 NEEDLE PLATE
62+ *P. 49, 53-55 1 NEEDLE
S-7200C-101
6

7
C. / Presser foot mechanism
REF.NO CODE Q'TY NAME OF PARTS RM
<-S, -3> <For - and ->
1+ SA9359001 1
PRESSER BA
R
<-5> <For >
1+ SA1173001 1
PRESSER BA
R
2 SA7242001 1
PRESSER BAR BUSH
3 062500616 1 SCREW PAN M5X6
4 026050136 1
WASHER PLAIN S 5
5 SA1174002 1
PESSER ADJUSTING SCREW, M14
6 SA7607101 1
SPRING GUIDE
<-3> <For >
7+ S13561101 1
PRESSER BAR SPRING
<-5> <For >
7+ 141728001 1
PRESSER BAR SPRING
<-S> <For >
7+ 147514001 1
PRESSER BAR SPRING
< SS> <For difficult to sew materials SS>
7+ S42893001 1
PRESSER BAR SPRING
< S> <For difficult to sew materials S>
7+ SA2348001 1
PRESSER BAR SPRING
8 140407001 1
WASHE
R
9+ � 1 PRESSER FOOT ASS
Y
10+ 1 PRESSER FOOT ASSY W/F-GUARD
11 S13385001 1
SCREW, SM3.57-40X10
12 SA1176101 1
PRESSER BAR LIFTER LEVER ASS
Y
13 SA1177001 1
PRESSER BAR LIFTER LEVE
R
14 SA1178101 1
KNEE LIFTER CONNECTING ROD
15 SA1179001 1
SHOULDER SCREW, M5
16 SA3980101 1
KNEE LIFTER LEVE
R
17 SA1181101 1
PRESSER BAR LIFTER LEVER SHAF
T
18 012500536 1 SET SCREW SOCKET (FT) M5X5
19 SA1182201 1 TENSION RELEASE PLATE ASS
Y
20 SA9154001 1 TENSION RELEASE PLATE
21 SA8069001 1 T-RELEASE PLATE
22 018400532 1
BOLT SOCKET M4X5
23 025040232 1
WASHER PLAIN M 4
24 SA1186001 1
P-BAR LIFTER LEVER SPRING
25 S07350001 1
WASHER PLAIN
26 048050342 2 RETAINING RING E5
27 SA1179001 1
SHOULDER SCREW, M5
28 SA2165001 1
SHOULDER SCREW, M6
29 SA1190001 1
KNEE LIFTER BA
R
30 SA1179001 1
SHOULDER SCREW, M5
31 S31006002 1
LIFTING LEVER
32 S39051001 1
SCREW, PAN (S/P W) M3.5X12
33 S45837001 1
PRESSER BAR LIFTER CRAN
K
34 SA1175002 1
A
DJUST SCREW NU
T
35 SA9657001 1
PRESSER BAR GUIDE BRACKET ASS
Y
<> <Except for Europe>
36 SA8100001 1
FINGER GUARD
37 025350132 1
WASHER PLAIN S 3.5
38 SA8903001 1
SCREW M4X12
39 SA1189101 1
A
DJUSTING SCREW M6
40 021060306 1 NUT 3 M6
S-7200C-201
8
C . / Presser foot mechanism
7
S-7200C-201
35
9+
1+
8
2
31
17
33
13
12 16
32
29
5
6
34
14
15
28
26
10+
11
3637
38
11
19
18
21 20
25
22 23
24
30
39
40
3
4
27
7+

78
C . / Presser foot mechanism
7
S-7200C-201
35
9+
1+
8
2
31
17
33
13
12
16
32
29
5
6
34
14
15
28
26
10+
11
3637
38
11
19
18
21 20
25
22 23
24
30
39
40
3
4
27
7+
C. / Presser foot mechanism
REF.NO CODE Q'TY NAME OF PARTS RM
<-S, -3> <For - and ->
1+ SA9359001 1
PRESSER BA
R
<-5> <For >
1+ SA1173001 1
PRESSER BA
R
2 SA7242001 1
PRESSER BAR BUSH
3 062500616 1 SCREW PAN M5X6
4 026050136 1
WASHER PLAIN S 5
5 SA1174002 1
PESSER ADJUSTING SCREW, M14
6 SA7607101 1
SPRING GUIDE
<-3> <For >
7+ S13561101 1
PRESSER BAR SPRING
<-5> <For >
7+ 141728001 1
PRESSER BAR SPRING
<-S> <For >
7+ 147514001 1
PRESSER BAR SPRING
< SS> <For difficult to sew materials SS>
7+ S42893001 1
PRESSER BAR SPRING
< S> <For difficult to sew materials S>
7+ SA2348001 1
PRESSER BAR SPRING
8 140407001 1
WASHE
R
9+ *P. 53-64 1 PRESSER FOOT ASS
Y
10+ *P. 53-64 1 PRESSER FOOT ASSY W/F-GUARD
11 S13385001 1
SCREW, SM3.57-40X10
12 SA1176101 1
PRESSER BAR LIFTER LEVER ASS
Y
13 SA1177001 1
PRESSER BAR LIFTER LEVE
R
14 SA1178101 1
KNEE LIFTER CONNECTING ROD
15 SA1179001 1
SHOULDER SCREW, M5
16 SA3980101 1
KNEE LIFTER LEVE
R
17 SA1181101 1
PRESSER BAR LIFTER LEVER SHAF
T
18 012500536 1 SET SCREW SOCKET (FT) M5X5
19 SA1182201 1 TENSION RELEASE PLATE ASS
Y
20 SA9154001 1 TENSION RELEASE PLATE
21 SA8069001 1 T-RELEASE PLATE
22 018400532 1
BOLT SOCKET M4X5
23 025040232 1
WASHER PLAIN M 4
24 SA1186001 1
P-BAR LIFTER LEVER SPRING
25 S07350001 1
WASHER PLAIN
26 048050342 2 RETAINING RING E5
27 SA1179001 1
SHOULDER SCREW, M5
28 SA2165001 1
SHOULDER SCREW, M6
29 SA1190001 1
KNEE LIFTER BA
R
30 SA1179001 1
SHOULDER SCREW, M5
31 S31006002 1
LIFTING LEVER
32 S39051001 1
SCREW, PAN (S/P W) M3.5X12
33 S45837001 1
PRESSER BAR LIFTER CRAN
K
34 SA1175002 1
A
DJUST SCREW NU
T
35 SA9657001 1
PRESSER BAR GUIDE BRACKET ASS
Y
<> <Except for Europe>
36 SA8100001 1
FINGER GUARD
37 025350132 1
WASHER PLAIN S 3.5
38 SA8903001 1
SCREW M4X12
39 SA1189101 1
A
DJUSTING SCREW M6
40 021060306 1 NUT 3 M6
S-7200C-201
8

9
D. / Feed mechanism
REF.NO CODE Q'TY NAME OF PARTS RM
<-3, -5> <For - and ->
1 SA7245002 1
STITCH LENGTH DIAL
<-S> <For ->
2 SA7247002 1
STITCH LENGTH DIAL
3 SA4494001 1
SCREW SM4.76
4 SA7244001 1
FEED REGULATING STUD
5 108549001 1
O RING
6 S50098101 1
POSITIONING PIN
7 100328001 1
NOTCH SPRING
8 SA9944001 1
FEED REGULATOR SMALL ASS
Y
9 SA9817001 1 F-REGULATOR CONNECTING ROD
10 SA9818001 1
STUD
11 012500536 1 SET SCREW SOCKET (FT) M5X5
12 SA1205001 1
FEED REGULATOR SHAFT
13 048080342 1 RETAINING RING E8
14 S20356001 1
WASHER, PLAIN 10
15 012060536 2 SET SCREW, SOCKET (FT) M6X5
16 SA1206001 1
REVERSE SEWING SHAF
T
17 S25469100 2
BUSH DRY :L=12
18 025100132 1
WASHER PLAIN S 10
19 048080342 1 RETAINING RING E8
20 SA1207001 1
SPACE
R
21 062500816 2 SCREW PAN M5X8
22 SA7321002 1
REVERSE LEVE
R
23 062501416 1 SCREW PAN M5X14
24 SA9712001 1
SPRING
25 153132000 1
NYLON TUBE, L=13.5
26 SA1210101 1
HANDLE SHAFT ARM ASS
Y
27 SA1211101 1
HANDLE SHAFT ARM
28 156958021 1
FEED ROCK ARM SHAFT
29 012500536 1 SET SCREW SOCKET (FT) M5X5
30 018501636 1
BOLT SOCKET M5X16
31 SA9746001 1
FEED REGULATOR SHAFT ARM
32 SA9747001 1
FEED REGULATOR SHAFT
33 018061636 1
BOLT SOCKET M6X16
34 SA9819001 1
ECCENTRIC PIN
35 012500536 1 SET SCREW SOCKET (FT) M5X5
36 SA7252101 1
FEED REGULATOR SHAFT BUSH(R)
37 SA7253101 1
FEED REGULATOR SHAFT BUSH(L)
38 012060536 1 SET SCREW, SOCKET (FT) M6X5
39 SA1269001 1 OIL SEAL
40 SA9821001 1 F-REGULATOR CONNECTING ROD S
41 SA9858001 1
FEED REGULATOR SHAFT JOINT
42 SA9818001 1
STUD
43 012500536 1 SET SCREW SOCKET (FT) M5X5
44 SA9823001 1 FEED REGULATOR ASS
Y
45 SA9824001 1
FEED LINK SHAFT
46 SA9825001 1
FEED LINK SHAFT R
47 012500536 2 SET SCREW SOCKET (FT) M5X5
48 SA1223001 1 LEVEL FEED CONNECTING ROD
49 SA7254001 1
LINK SHAFT
50 012500536 2 SET SCREW SOCKET (FT) M5X5
51 S16335001 1 LEVEL FEED LINK ASS
Y
52 S16337001 1
FEED ROCKER ARM LINK ASS
Y
53 156958021 1
FEED ROCK ARM SHAFT
54 SA1225001 1
FEED ROCK ARM
55 048040342 1 RETAINING RING E4
<-3, -5> <For - and ->
56+ SA1263001 1
ECCENTRIC WHEEL, W/SCRE
W
<-S> <For >
56+ SA1261001 1
ECCENTRIC WHEEL, W/SCRE
W
S-7200C-202
10

10
D. / Feed mechanism
REF.NO CODE Q'TY NAME OF PARTS RM
<-3, -5> <For - and ->
1 SA7245002 1
STITCH LENGTH DIAL
<-S> <For ->
2 SA7247002 1
STITCH LENGTH DIAL
3 SA4494001 1
SCREW SM4.76
4 SA7244001 1
FEED REGULATING STUD
5 108549001 1
O RING
6 S50098101 1
POSITIONING PIN
7 100328001 1
NOTCH SPRING
8 SA9944001 1
FEED REGULATOR SMALL ASS
Y
9 SA9817001 1 F-REGULATOR CONNECTING ROD
10 SA9818001 1
STUD
11 012500536 1 SET SCREW SOCKET (FT) M5X5
12 SA1205001 1
FEED REGULATOR SHAFT
13 048080342 1 RETAINING RING E8
14 S20356001 1
WASHER, PLAIN 10
15 012060536 2 SET SCREW, SOCKET (FT) M6X5
16 SA1206001 1
REVERSE SEWING SHAF
T
17 S25469100 2
BUSH DRY :L=12
18 025100132 1
WASHER PLAIN S 10
19 048080342 1 RETAINING RING E8
20 SA1207001 1
SPACE
R
21 062500816 2 SCREW PAN M5X8
22 SA7321002 1
REVERSE LEVE
R
23 062501416 1 SCREW PAN M5X14
24 SA9712001 1
SPRING
25 153132000 1
NYLON TUBE, L=13.5
26 SA1210101 1
HANDLE SHAFT ARM ASS
Y
27 SA1211101 1
HANDLE SHAFT ARM
28 156958021 1
FEED ROCK ARM SHAFT
29 012500536 1 SET SCREW SOCKET (FT) M5X5
30 018501636 1
BOLT SOCKET M5X16
31 SA9746001 1
FEED REGULATOR SHAFT ARM
32 SA9747001 1
FEED REGULATOR SHAFT
33 018061636 1
BOLT SOCKET M6X16
34 SA9819001 1
ECCENTRIC PIN
35 012500536 1 SET SCREW SOCKET (FT) M5X5
36 SA7252101 1
FEED REGULATOR SHAFT BUSH(R)
37 SA7253101 1
FEED REGULATOR SHAFT BUSH(L)
38 012060536 1 SET SCREW, SOCKET (FT) M6X5
39 SA1269001 1 OIL SEAL
40 SA9821001 1 F-REGULATOR CONNECTING ROD S
41 SA9858001 1
FEED REGULATOR SHAFT JOINT
42 SA9818001 1
STUD
43 012500536 1 SET SCREW SOCKET (FT) M5X5
44 SA9823001 1 FEED REGULATOR ASS
Y
45 SA9824001 1
FEED LINK SHAFT
46 SA9825001 1
FEED LINK SHAFT R
47 012500536 2 SET SCREW SOCKET (FT) M5X5
48 SA1223001 1 LEVEL FEED CONNECTING ROD
49 SA7254001 1
LINK SHAFT
50 012500536 2 SET SCREW SOCKET (FT) M5X5
51 S16335001 1 LEVEL FEED LINK ASS
Y
52 S16337001 1
FEED ROCKER ARM LINK ASS
Y
53 156958021 1
FEED ROCK ARM SHAFT
54 SA1225001 1
FEED ROCK ARM
55 048040342 1 RETAINING RING E4
<-3, -5> <For - and ->
56+ SA1263001 1
ECCENTRIC WHEEL, W/SCRE
W
<-S> <For >
56+ SA1261001 1
ECCENTRIC WHEEL, W/SCRE
W
S-7200C-202
10

11
D. / Feed mechanism
REF.NO CODE Q'TY NAME OF PARTS RM
57 S25236001 2 SET SCREW SOCKET (FT) M6X10
58 S12915001 1
ROLLER BEARING RADIAL 25
59 S25321001 1 HOLDER
60 062350616 2 SCREW PAN M3.5X6
61 062501416 1 SCREW PAN M5X14
62 SA1226201 1
FEED REGULATOR SHAFT, L
63 104449001 1
RUBBER CAP, 15.5
64 SA1227301 1
FEED REGULATOR SUPPORT SHAF
T
65 SA1228001 1
RUBBER CAP, 14.5
66 012060536 2 SET SCREW, SOCKET (FT) M6X5
67 SA1229101 1
SET SCREW (FT) M6X6
68 S23651001 2 SET SCREW SOCKET (FT) M6X6
69 SA2377001 1
RUBBER CAP LABE
L
70 S34352101 1
RUBBER CAP, 13.5
71 SA1230001 1
FEED ROCK SHAFT ASS
Y
72 SA1231001 1
FEED ROCK SHAFT
73 SA2162001 1 FELT
74 SA7255101 1
FEED SHAFT BUSH(R)
75 SA1237101 1 OIL SEAL
76 SA9357001 1
FEED SHAFT BUSH L
77 012061036 1 SET SCREW, SOCKET (FT) M6X10
78 156243021 1
THRUST RING
79 048150142 1
RETAINING RING EXTERNAL C15
80 SA1234001 1 SET SCREW COLLA
R
81 S23651001 2 SET SCREW SOCKET (FT) M6X6
82 014300432 1
SET SCREW SOCKET (CP) M3X4
83 SA1239201 1
FEED BA
R
84 SA7330001 1
FEED ROCK BRACKET ARM
85 SA2400101 1
FEED BAR SHAFT SE
T
86 158722001 1
WASHER PLAIN 4.2
87 SA1242001 1
SET SCREW 5X7
88 SA7257001 2
SCREW 5X12
89+ . 1
FEED DOG
<-3> <For >
90+ SA9661001 1
F-LIFTING ECCENTRIC WHEEL ASS
Y
91+ SA1247101 1
ECCENTRIC WHEEL, W/SCRE
W
<-5> <For >
90+ SA9666001 1
F-LIFTING ECCENTRIC WHEEL ASS
Y
91+ SA1251101 1
ECCENTRIC WHEEL W/SCRE
W
<-S> <For >
90+ SA9669001 1
F-LIFTING ECCENTRIC WHEEL ASS
Y
91+ SA1254101 1
ECCENTRIC WHEEL W/SCRE
W
92 S25236001 2 SET SCREW SOCKET (FT) M6X10
93 S25339301 1
FEED BAR ARM PRESSE
R
94 062300616 2 SCREW PAN M3X6
95 100080004 2
SCREW, SM3.18-44X6.5
96 SA2401001 1
LIFTING FEED SHAFT ASS
Y
97 SA1242001 1
SET SCREW 5X7
98 014300432 1
SET SCREW SOCKET (CP) M3X4
99 S47508101 1
DIAL LOCK LEVE
R
100 S39830101 1
SPRING
101 SA7422001 1
ROCK LEVER PIN
102 SA9672001 1
CONDENSED STOPPE
R
103 021060306 1 NUT 3 M6
104 SA9749001 1
SPRING HOOK ARM ASS
Y
105 S23651001 2 SET SCREW SOCKET (FT) M6X6
106 S25427101 1
SHOULDER SCREW, M4
107 SA3152001 1
SPRING ASS
Y
108 SA2294101 1
SPRING
109 SA3114001 1
VINYL TUBE
110 SA2293101 1
SPRING SET PLATE
111 062500816 2 SCREW PAN M5X8
112 048100142 1
RETAINING RING EXTERNAL C10
S-7200C-202
12
S-7200C-202
11
D . / Feed mechanism
< -[ ][ ]S / For -[ ][ ]S >
85
99
100
16
10
11 812 13
15
17 18 19
20 21 24
22
25
29
17
31
32
30
2728
34
6
7
14
101
35
33
36
104
37 39
55
88
9
40
80
109
98
97
82
84 87
60 66
81
68
41 43
38
42
108
107
77
95
66 67
26
47
9394
92
83 86
58
48
46
59
49
54
53
50
72
73
71
68 110
111
70
69
74
75
61
76
78
79
44
45
62
63
64 65
52
51
96
57
23
105
106
103
102
112
5
5
2
4
1
4
3
3
90+
89+
91+
89+
56+

11 12
S-7200C-202
11
D . / Feed mechanism
< -[ ][ ]S / For -[ ][ ]S >
85
99
100
16
10
11
812 13
15
17 18 19
20 21 24
22
25
29
17
31
32
30
2728
34
6
7
14
101
35
33
36
104
37 39
55
88
9
40
80
109
98
97
82
84 87
60 66
81
68
41 43
38
42
108
107
77
95
66 67
26
47
9394
92
83 86
58
48
46
59
49
54
53
50
72
73
71
68 110
111
70
69
74
75
61
76
78
79
44
45
62
63
64 65
52
51
96
57
23
105
106
103
102
112
5
5
2
4
1
4
3
3
90+
89+
91+
89+
56+
D. / Feed mechanism
REF.NO CODE Q'TY NAME OF PARTS RM
57 S25236001 2 SET SCREW SOCKET (FT) M6X10
58 S12915001 1
ROLLER BEARING RADIAL 25
59 S25321001 1 HOLDER
60 062350616 2 SCREW PAN M3.5X6
61 062501416 1 SCREW PAN M5X14
62 SA1226201 1
FEED REGULATOR SHAFT, L
63 104449001 1
RUBBER CAP, 15.5
64 SA1227301 1
FEED REGULATOR SUPPORT SHAF
T
65 SA1228001 1
RUBBER CAP, 14.5
66 012060536 2 SET SCREW, SOCKET (FT) M6X5
67 SA1229101 1
SET SCREW (FT) M6X6
68 S23651001 2 SET SCREW SOCKET (FT) M6X6
69 SA2377001 1
RUBBER CAP LABE
L
70 S34352101 1
RUBBER CAP, 13.5
71 SA1230001 1
FEED ROCK SHAFT ASS
Y
72 SA1231001 1
FEED ROCK SHAFT
73 SA2162001 1 FELT
74 SA7255101 1
FEED SHAFT BUSH(R)
75 SA1237101 1 OIL SEAL
76 SA9357001 1
FEED SHAFT BUSH L
77 012061036 1 SET SCREW, SOCKET (FT) M6X10
78 156243021 1
THRUST RING
79 048150142 1
RETAINING RING EXTERNAL C15
80 SA1234001 1 SET SCREW COLLA
R
81 S23651001 2 SET SCREW SOCKET (FT) M6X6
82 014300432 1
SET SCREW SOCKET (CP) M3X4
83 SA1239201 1
FEED BA
R
84 SA7330001 1
FEED ROCK BRACKET ARM
85 SA2400101 1
FEED BAR SHAFT SE
T
86 158722001 1
WASHER PLAIN 4.2
87 SA1242001 1
SET SCREW 5X7
88 SA7257001 2
SCREW 5X12
89+ *. 53-64 1
FEED DOG
<-3> <For >
90+ SA9661001 1
F-LIFTING ECCENTRIC WHEEL ASS
Y
91+ SA1247101 1
ECCENTRIC WHEEL, W/SCRE
W
<-5> <For >
90+ SA9666001 1
F-LIFTING ECCENTRIC WHEEL ASS
Y
91+ SA1251101 1
ECCENTRIC WHEEL W/SCRE
W
<-S> <For >
90+ SA9669001 1
F-LIFTING ECCENTRIC WHEEL ASS
Y
91+ SA1254101 1
ECCENTRIC WHEEL W/SCRE
W
92 S25236001 2 SET SCREW SOCKET (FT) M6X10
93 S25339301 1
FEED BAR ARM PRESSE
R
94 062300616 2 SCREW PAN M3X6
95 100080004 2
SCREW, SM3.18-44X6.5
96 SA2401001 1
LIFTING FEED SHAFT ASS
Y
97 SA1242001 1
SET SCREW 5X7
98 014300432 1
SET SCREW SOCKET (CP) M3X4
99 S47508101 1
DIAL LOCK LEVE
R
100 S39830101 1
SPRING
101 SA7422001 1
ROCK LEVER PIN
102 SA9672001 1
CONDENSED STOPPE
R
103 021060306 1 NUT 3 M6
104 SA9749001 1
SPRING HOOK ARM ASS
Y
105 S23651001 2 SET SCREW SOCKET (FT) M6X6
106 S25427101 1
SHOULDER SCREW, M4
107 SA3152001 1
SPRING ASS
Y
108 SA2294101 1
SPRING
109 SA3114001 1
VINYL TUBE
110 SA2293101 1
SPRING SET PLATE
111 062500816 2 SCREW PAN M5X8
112 048100142 1
RETAINING RING EXTERNAL C10
S-7200C-202
12

13
E. / Knee lifter mechanism
REF.NO CODE Q'TY NAME OF PARTS RM
1 SA9674001 1
KNEE LIFTER BRACKE
T
2 017061413 1
BOLT M6X14
3 017062013 1
BOLT M6X20
4 S38278001 1
KNEE LIFTER BA
R
5 S34756021 1
KNEE LIFTER PLATE
6 SA9676001 1
KNEE LIFTER PLATE STOPPE
R
7 017060813 1
BOLT M6X8
8 S31885001 1
KNEE LIFTER PLATE COVE
R
S-7200C-203
14

14
E. / Knee lifter mechanism
REF.NO CODE Q'TY NAME OF PARTS RM
1 SA9674001 1
KNEE LIFTER BRACKE
T
2 017061413 1
BOLT M6X14
3 017062013 1
BOLT M6X20
4 S38278001 1
KNEE LIFTER BA
R
5 S34756021 1
KNEE LIFTER PLATE
6 SA9676001 1
KNEE LIFTER PLATE STOPPE
R
7 017060813 1
BOLT M6X8
8 S31885001 1
KNEE LIFTER PLATE COVE
R
S-7200C-203
14

15
F. / Quick reverse mechanism
REF.NO CODE Q'TY NAME OF PARTS RM
1 SA9677001 1
QUICK REVERSE SOLENOID ASS
Y
2 SA9680001 1
SOLENOID BASE
3 062500816 3 SCREW PAN M5X8
4 062061016 2 SCREW PAN M6X10
5 SA9813001 1
SOLENOID LEVE
R
6 SA8083001 1
SOLENOID LEVER SHAF
T
7 SA2848001 1 SET COLLAR ASS
Y
8 012500536 2 SET SCREW SOCKET (FT) M5X5
9 SA2992001 1
PIN
10 153138001 1
WASHER, PLAIN 6.5
11 048060142 1
RETAINING RING EXTERNAL C6
12 012061036 1 SET SCREW, SOCKET (FT) M6X10
13 012500536 1 SET SCREW SOCKET (FT) M5X5
S-7200C-205
16
S-7200C-205
15
F . / Quick reverse mechanism
4
4
11
1
3
10
9
6
7
2
5
12
13
8
8

16
F. / Quick reverse mechanism
REF.NO CODE Q'TY NAME OF PARTS RM
1 SA9677001 1
QUICK REVERSE SOLENOID ASS
Y
2 SA9680001 1
SOLENOID BASE
3 062500816 3 SCREW PAN M5X8
4 062061016 2 SCREW PAN M6X10
5 SA9813001 1
SOLENOID LEVE
R
6 SA8083001 1
SOLENOID LEVER SHAF
T
7 SA2848001 1 SET COLLAR ASS
Y
8 012500536 2 SET SCREW SOCKET (FT) M5X5
9 SA2992001 1
PIN
10 153138001 1
WASHER, PLAIN 6.5
11 048060142 1
RETAINING RING EXTERNAL C6
12 012061036 1 SET SCREW, SOCKET (FT) M6X10
13 012500536 1 SET SCREW SOCKET (FT) M5X5
S-7200C-205
16

17
G. / Rotary hook mechanism
REF.NO CODE Q'TY NAME OF PARTS RM
<-3, -0> <For - ->
1 SA9682101 1
ROTARY HOOK SHAFT
2 SA9945001 1
SCREW CAP W/HOLE ASS
Y
3 SA8055001 1 FELT
4 SA7263401 1
PUMP BUSH UNIT
5 SA7879101 1
PUMP BUSH ASS
Y
6 081025870 1
O RING S25
7 SA7320001 1 OIL SEAL
8 142274101 1
RUBBER CAP, 4.2
9 SA9684001 1 OIL SEAL
<-5> <For ->
10 SA1273001 1
ROTARY HOOK SHAFT
11 SA7266201 1 ROTARY HOOK UNIT
12 S23651001 2 SET SCREW SOCKET (FT) M6X6
13 SA7554101 1
BEARING BUSH ASS
Y
14 S23651001 2 SET SCREW SOCKET (FT) M6X6
15 SA1284101 1 OIL SEAL
16 SA1285001 1
ROTARY HOOK SHAFT GEAR BUSH
17 012061036 1 SET SCREW, SOCKET (FT) M6X10
18 SA1287001 1
ROTARY HOOK SHAFT GEA
R
19 S23651001 2 SET SCREW SOCKET (FT) M6X6
<-3, -5> <For - ->
20+ S02602001 1 HOOK STOPPE
R
<-05> <For ->
20+ 159324001 1 HOOK STOPPE
R
21 SA8903001 1
SCREW M4X12
22 S03245001 1
BOBBIN CASE ASS
Y
23 183388001 1
TENSION SPRING
24 183389001 1
A
DJUSTING SCRE
W
25 183390001 1
SET SCRE
W
26 S03246001 1
A
NTI-SPIN SPRING
<-3, -S> <For - >
27 146290001 1
BOBBIN
<-5> <For ->
28 117132001 1
BOBBIN
29+ 1 ROTARY HOOK ASSY W/BO
X
<> <For supply parts>
<-5 > <For ->
30 SA2875001 1 I-ROTARY HOOK,W/BOX SA2876
S-7200C-301
18
G . / Rotary hook mechanism
S-7200C-301
17
< -[ ]5[ ] / For -[ ]5[ ] >
< -[ ][ ]5 / For -[ ][ ]5 >
< -[ ]5[ ] / For -[ ]5[ ] >
<
/ For supply parts >
21
1
20+
29+
27
8
10
15
3
16
28
22
2
2623
24 25
12
7
5
9
11
4
6
14
18
19
17
13
30

17 18
G . / Rotary hook mechanism
S-7200C-301
17
< -[ ]5[ ] / For -[ ]5[ ] >
< -[ ][ ]5 / For -[ ][ ]5 >
< -[ ]5[ ] / For -[ ]5[ ] >
<
/ For supply parts >
21
1
20+
29+
27
8
10
15
3
16
28
22
2
2623
24 25
12
7
5
9
11
4
6
14
18
19
17
13
30
G. / Rotary hook mechanism
REF.NO CODE Q'TY NAME OF PARTS RM
<-3, -0> <For - ->
1 SA9682101 1
ROTARY HOOK SHAFT
2 SA9945001 1
SCREW CAP W/HOLE ASS
Y
3 SA8055001 1 FELT
4 SA7263401 1
PUMP BUSH UNIT
5 SA7879101 1
PUMP BUSH ASS
Y
6 081025870 1
O RING S25
7 SA7320001 1 OIL SEAL
8 142274101 1
RUBBER CAP, 4.2
9 SA9684001 1 OIL SEAL
<-5> <For ->
10 SA1273001 1
ROTARY HOOK SHAFT
11 SA7266201 1 ROTARY HOOK UNIT
12 S23651001 2 SET SCREW SOCKET (FT) M6X6
13 SA7554101 1
BEARING BUSH ASS
Y
14 S23651001 2 SET SCREW SOCKET (FT) M6X6
15 SA1284101 1 OIL SEAL
16 SA1285001 1
ROTARY HOOK SHAFT GEAR BUSH
17 012061036 1 SET SCREW, SOCKET (FT) M6X10
18 SA1287001 1
ROTARY HOOK SHAFT GEA
R
19 S23651001 2 SET SCREW SOCKET (FT) M6X6
<-3, -5> <For - ->
20+ S02602001 1 HOOK STOPPE
R
<-05> <For ->
20+ 159324001 1 HOOK STOPPE
R
21 SA8903001 1
SCREW M4X12
22 S03245001 1
BOBBIN CASE ASS
Y
23 183388001 1
TENSION SPRING
24 183389001 1
A
DJUSTING SCRE
W
25 183390001 1
SET SCRE
W
26 S03246001 1
A
NTI-SPIN SPRING
<-3, -S> <For - >
27 146290001 1
BOBBIN
<-5> <For ->
28 117132001 1
BOBBIN
29+ *P. 53-55 1 ROTARY HOOK ASSY W/BO
X
<> <For supply parts>
<-5 > <For ->
30 SA2875001 1 I-ROTARY HOOK,W/BOX SA2876
S-7200C-301
18

19
H. / Lubrication
REF.NO CODE Q'TY NAME OF PARTS RM
<-0> <For ->
1 SA1292001 1
WICK HOLDER ASS
Y
2 SA1295001 1 CORD HOLDER, T2
3 062500816 1 SCREW PAN M5X8
4 SA9689001 1
OIL TUBE ASS
Y
5 S25382001 1 OIL FEEDING PIPE
<-0> <For ->
6+ SA9671001 1 OIL TANK SET
<-3> <For ->
6+ SA9670001 1 OIL TANK SET
7 062500816 1 SCREW PAN M5X8
8 062500616 1 SCREW PAN M5X6
9 S38769000 1 FELT
10 145737001 1 FELT SUPPORT
11 081004070 1
O RING P4
<-3, -S> <For - ->
12+ S04630000 1
NEEDLE BAR COR
K
<-5> <For ->
12+ 111863001 1
NEEDLE BAR COR
K
<-0, -3> <For - ->
13 144875001 1
PLUNGE
R
14 SA7636201 1
PUMP CAP SCREW ASS
Y
15 S25380601 1
CAP SCREW PUMP
16 S52764001 1
SPRING COMPRESSION
17 104821001 1
RUBBER CAP, 10.5
18 SA9792001 1
A
DJUSTING SCRE
W
19 081004870 1
O RING S4
20 140327001 1
RUBBER CAP, 6.3
21 S25382001 2 OIL FEEDING PIPE
22 SA9735001 1
OIL TANK MIDDLE UNIT
23 S25382001 1 OIL FEEDING PIPE
24 S51815001 2 OIL FEEDING PIPE, 8.6
25 SA1303101 1
SCREW M8
26 081008070 1
O RING P8
27 SA8989001 1 OIL FEEDING PIPE
28 081006670 1
O RING PW6
29 SA8987001 1 FILTER
30 SA8991001 1
RUBBER CAP 35-12
31 SA9696001 1
VINYL TUBE
32 SA9793001 1
VINYL TUBE L=122
33 SA9794001 1
VINYL TUBE L=110
34 0A4501206 2
SCREW PAN (S/P WASHER) M5X12
35 SA1306001 1
SUB TANK ASS
Y
36 SA1307001 1
SUB TAN
K
37 S51815001 1 OIL FEEDING PIPE, 8.6
38 081022870 1
O RING S22
39 SA9795001 1
FLOAT ASS
Y
40 S47509001 1 OIL GAUGE WINDO
W
<-5> <For ->
41 SA2779002 1 OIL GAUGE WINDO
W
42 SA9828101 1 OIL GAUGE WINDO
W
S-7200C-350
20

19 20
H. / Lubrication
REF.NO CODE Q'TY NAME OF PARTS RM
<-0> <For ->
1 SA1292001 1
WICK HOLDER ASS
Y
2 SA1295001 1 CORD HOLDER, T2
3 062500816 1 SCREW PAN M5X8
4 SA9689001 1
OIL TUBE ASS
Y
5 S25382001 1 OIL FEEDING PIPE
<-0> <For ->
6+ SA9671001 1 OIL TANK SET
<-3> <For ->
6+ SA9670001 1 OIL TANK SET
7 062500816 1 SCREW PAN M5X8
8 062500616 1 SCREW PAN M5X6
9 S38769000 1 FELT
10 145737001 1 FELT SUPPORT
11 081004070 1
O RING P4
<-3, -S> <For - ->
12+ S04630000 1
NEEDLE BAR COR
K
<-5> <For ->
12+ 111863001 1
NEEDLE BAR COR
K
<-0, -3> <For - ->
13 144875001 1
PLUNGE
R
14 SA7636201 1
PUMP CAP SCREW ASS
Y
15 S25380601 1
CAP SCREW PUMP
16 S52764001 1
SPRING COMPRESSION
17 104821001 1
RUBBER CAP, 10.5
18 SA9792001 1
A
DJUSTING SCRE
W
19 081004870 1
O RING S4
20 140327001 1
RUBBER CAP, 6.3
21 S25382001 2 OIL FEEDING PIPE
22 SA9735001 1
OIL TANK MIDDLE UNIT
23 S25382001 1 OIL FEEDING PIPE
24 S51815001 2 OIL FEEDING PIPE, 8.6
25 SA1303101 1
SCREW M8
26 081008070 1
O RING P8
27 SA8989001 1 OIL FEEDING PIPE
28 081006670 1
O RING PW6
29 SA8987001 1 FILTER
30 SA8991001 1
RUBBER CAP 35-12
31 SA9696001 1
VINYL TUBE
32 SA9793001 1
VINYL TUBE L=122
33 SA9794001 1
VINYL TUBE L=110
34 0A4501206 2
SCREW PAN (S/P WASHER) M5X12
35 SA1306001 1
SUB TANK ASS
Y
36 SA1307001 1
SUB TAN
K
37 S51815001 1 OIL FEEDING PIPE, 8.6
38 081022870 1
O RING S22
39 SA9795101 1
FLOAT ASS
Y
40 S47509001 1 OIL GAUGE WINDO
W
<-5> <For ->
41 SA2779002 1 OIL GAUGE WINDO
W
42 SA9828101 1 OIL GAUGE WINDO
W
S-7200C-350
20

21
H. / Lubrication
REF.NO CODE Q'TY NAME OF PARTS RM
43 SA9691001 1 BED BOTTOM COVER UNIT
44 S51272100 1 OIL WINDOW, B-COVE
R
45 081015870 1
O RING S15
46 SA1313101 1 WINDOW COVE
R
47 062500616 4 SCREW PAN M5X6
48 SA1303101 1
SCREW M8
49 081008070 1
O RING P8
50 SA9639001 1 BOTTOM COVER FELT
51 SA1315301 1 BOTTOM COVER FELT
52 062400616 3 SCREW PAN M4X6
53 025040332 3
WASHER PLAIN L 4
54 SA1314001 1 BOTTOM COVER PACKING
55 062501216 9 SCREW PAN M5X12
56 SA9694001 1 CORD HOLDER PLATE
57 062500616 1 SCREW PAN M5X6
<-0, -3> <For - ->
58 081029870 1
O RING S29
59 SA9942001 1 OIL PAN UNIT
60 SA9943001 1 EARTH CORD
61 0A5400806 1
SCREW PAN (S/P WASHER) M4X
8
62 SA1321701 1 OIL PAN ASS
Y
63 SA1322401 1 OIL PAN
64 149578000 4
BUSH
65 SA1323101 1
KNEE LIFTER SHAFT L
66 SA1324001 1
KNEE LIFTER SHAFT R
67 SA1325101 1
KNEE LIFTER
68 SA1326101 1
KNEE LIFTER, R
69 S25344001 2
BOLT M6
70 S25475101 2
SET SCREW M6X19
71 021060306 2 NUT 3 M6
72 SA3508001 1
TWIST SPRING
73 146293001 2 RETAINING RING, E10
74 SA1327101 1
KNEE LIFTER CONNECTING ROD
75 SA1179001 2
SHOULDER SCREW, M5
<-0, -3> <For - ->
76 SA9753101 1 OIL FEEDING POCKET UNIT
77 SA9697001 1
TUBE HOLDE
R
78 062500616 1 SCREW PAN M5X6
79 SA9917001 1 OIL FEEDING POCKET COVE
R
S-7200C-350
22

22
H. / Lubrication
REF.NO CODE Q'TY NAME OF PARTS RM
43 SA9691001 1 BED BOTTOM COVER UNIT
44 S51272100 1 OIL WINDOW, B-COVE
R
45 081015870 1
O RING S15
46 SA1313101 1 WINDOW COVE
R
47 062500616 4 SCREW PAN M5X6
48 SA1303101 1
SCREW M8
49 081008070 1
O RING P8
50 SA9639001 1 BOTTOM COVER FELT
51 SA1315301 1 BOTTOM COVER FELT
52 062400616 3 SCREW PAN M4X6
53 025040332 3
WASHER PLAIN L 4
54 SA1314001 1 BOTTOM COVER PACKING
55 062501216 9 SCREW PAN M5X12
56 SA9694001 1 CORD HOLDER PLATE
57 062500616 1 SCREW PAN M5X6
<-0, -3> <For - ->
58 081029870 1
O RING S29
59 SA9942001 1 OIL PAN UNIT
60 SA9943001 1 EARTH CORD
61 0A5400806 1
SCREW PAN (S/P WASHER) M4X
8
62 SA1321701 1 OIL PAN ASS
Y
63 SA1322401 1 OIL PAN
64 149578000 4
BUSH
65 SA1323101 1
KNEE LIFTER SHAFT L
66 SA1324001 1
KNEE LIFTER SHAFT R
67 SA1325101 1
KNEE LIFTER
68 SA1326101 1
KNEE LIFTER, R
69 S25344001 2
BOLT M6
70 S25475101 2
SET SCREW M6X19
71 021060306 2 NUT 3 M6
72 SA3508001 1
TWIST SPRING
73 146293001 2 RETAINING RING, E10
74 SA1327101 1
KNEE LIFTER CONNECTING ROD
75 SA1179001 2
SHOULDER SCREW, M5
<-0, -3> <For - ->
76 SA9753101 1 OIL FEEDING POCKET UNIT
77 SA9697001 1
TUBE HOLDE
R
78 062500616 1 SCREW PAN M5X6
79 SA9917001 1 OIL FEEDING POCKET COVE
R
S-7200C-350
22

23
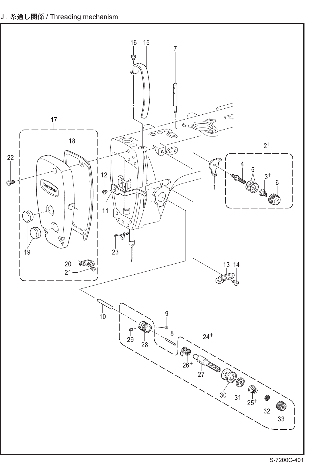
J. / Threading mechanism
REF.NO CODE Q'TY NAME OF PARTS RM
1 SA9699001 1 THREAD GUIDE
<-3, -5> <For - ->
2+ SA9698001 1
PRE-TENSION ASSY B
3+ SA2358101 1
PRE-TENSION SPRING B
<-S> <For ->
2+ SA9701001 1
PRE-TENSION ASSY
A
3+ SA2356101 1
PRE-TENSION SPRING
A
4 SA9700001 1
THREAD GUIDE TENSION STUD
5 144504001 2 THREAD GUIDE DISC
6 SA6167002 1 THREAD TENSION NUT
7 SA1359001 1
SPOOL PIN
8 S01419000 1
TENSION RELEASE PIN
9 SA1229101 1
SET SCREW (FT) M6X6
10 SA1343001 1
TENSION RELEASE STUD
11 SA2417301 1
THREAD GUIDE P-BAR BRACKE
T
12 060400816 1
SCREW BIND M4X8
13 SA1345001 1
A
RM THREAD GUIDE,
R
14 060500616 1
SCREW BIND M5X6
15 SA9854001 1
THREAD TAKE-UP LEVER COVE
R
16 062500816 1 SCREW PAN M5X8
17 SA9702001 1 FACE PLATE ASS
Y
18 SA9704001 1 FACE PLATE PACKING
19 SA7849001 2
RUBBER CAP
20 SA7271001 1 FACE PLATE THREAD GUIDE
21 060350616 1
SCREW BIND M3.5X6
22 062501216 3 SCREW PAN M5X12
23 SA7272201 1
THREAD GUIDE D
<-3> <For ->
24+ SA7273202 1
THREAD TENSION BRACKET ASS
Y
25+ SA7275001 1
TENSION SPRING
26+ S02620401 1
THREAD TAKE-UP SPRING
<-5> <For ->
24+ SA9788001 1
THREAD TENSION BRACKET ASS
Y
25+ S04632101 1
TENSION SPRING
26+ S02620401 1
THREAD TAKE-UP SPRING
<-S> <For ->
24+ SA9789001 1
THREAD TENSION BRACKET ASS
Y
25+ 115188101 1
TENSION SPRING
26+ SA9960001 1
THREAD TAKE-UP SPRING
27 116922001 1
TENSION STUD
28 SA9786001 1
TENSION BRACKET ASS
Y
29 100402004 1
SET SCREW, SM3.57
30 145446001 2 DISC, TENSION
31 159805001 1 TENSION DISC PRESSE
R
32 S12441001 1
WASHE
R
33 S31032002 1 TENSION NUT
S-7200C-401
24

24
J. / Threading mechanism
REF.NO CODE Q'TY NAME OF PARTS RM
1 SA9699001 1 THREAD GUIDE
<-3, -5> <For - ->
2+ SA9698001 1
PRE-TENSION ASSY B
3+ SA2358101 1
PRE-TENSION SPRING B
<-S> <For ->
2+ SA9701001 1
PRE-TENSION ASSY
A
3+ SA2356101 1
PRE-TENSION SPRING
A
4 SA9700001 1
THREAD GUIDE TENSION STUD
5 144504001 2 THREAD GUIDE DISC
6 SA6167002 1 THREAD TENSION NUT
7 SA1359001 1
SPOOL PIN
8 S01419000 1
TENSION RELEASE PIN
9 SA1229101 1
SET SCREW (FT) M6X6
10 SA1343001 1
TENSION RELEASE STUD
11 SA2417301 1
THREAD GUIDE P-BAR BRACKE
T
12 060400816 1
SCREW BIND M4X8
13 SA1345001 1
A
RM THREAD GUIDE,
R
14 060500616 1
SCREW BIND M5X6
15 SA9854001 1
THREAD TAKE-UP LEVER COVE
R
16 062500816 1 SCREW PAN M5X8
17 SA9702001 1 FACE PLATE ASS
Y
18 SA9704001 1 FACE PLATE PACKING
19 SA7849001 2
RUBBER CAP
20 SA7271001 1 FACE PLATE THREAD GUIDE
21 060350616 1
SCREW BIND M3.5X6
22 062501216 3 SCREW PAN M5X12
23 SA7272201 1
THREAD GUIDE D
<-3> <For ->
24+ SA7273202 1
THREAD TENSION BRACKET ASS
Y
25+ SA7275001 1
TENSION SPRING
26+ S02620401 1
THREAD TAKE-UP SPRING
<-5> <For ->
24+ SA9788001 1
THREAD TENSION BRACKET ASS
Y
25+ S04632101 1
TENSION SPRING
26+ S02620401 1
THREAD TAKE-UP SPRING
<-S> <For ->
24+ SA9789001 1
THREAD TENSION BRACKET ASS
Y
25+ 115188101 1
TENSION SPRING
26+ SA9960001 1
THREAD TAKE-UP SPRING
27 116922001 1
TENSION STUD
28 SA9786001 1
TENSION BRACKET ASS
Y
29 100402004 1
SET SCREW, SM3.57
30 145446001 2 DISC, TENSION
31 159805001 1 TENSION DISC PRESSE
R
32 S12441001 1
WASHE
R
33 S31032002 1 TENSION NUT
S-7200C-401
24

25
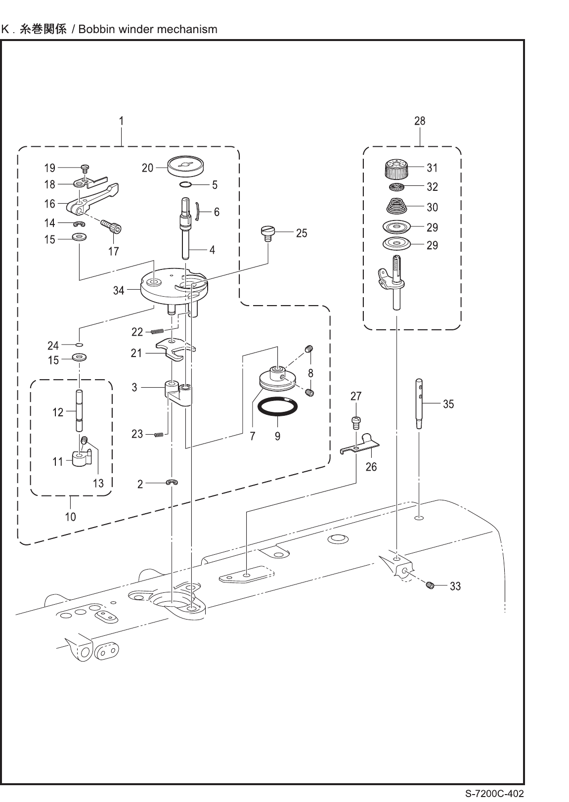
K. / Bobbin winder mechanism
REF.NO CODE Q'TY NAME OF PARTS RM
1 SA1971402 1 BOBBIN WINDER UNI
T
2 048040342 1 RETAINING RING, E4
3 SA8508001 1
B-WINDER SHAFT SUPPORT ASS
Y
4 SA8511101 1
BOBBIN WINDER SHAF
T
5 108549001 1
O RING
6 SA9563001 1
BOBBIN FIXED SPRING
7 SA8507001 1 BOBBIN WINDER WHEE
L
8 012400636 2 SET SCREW SOCKET (FT) M4X6
9 SA8503001 1
RUBBER RING
10 SA1981301 1
BOBBIN PRESSER CAM ASS
Y
11 SA1982101 1
BOBBIN PRESSER CAM
12 SA1983201 1
BOBBIN WINDER ARM SHAF
T
13 012500536 1 SET SCREW SOCKET (FT) M5X5
14 048040342 1 RETAINING RING E4
15 025060136 2
WASHER PLAIN S 6
16 SA1984001 1
BOBBIN PRESSER ARM
17 018401236 1
BOLT SOCKET M4X12
18 SA1985001 1
BOBBIN PRESSE
R
19 S23418002 1
SCREW M4X5
20 SA8510101 1
BOBBIN SUPPOR
T
21 SA8512101 1
BOBBIN WINDER LEVE
R
22 SA1990101 1
SPRING
23 SA8509001 1
BOBBIN WINDER BASE SPRIN
G
24 SA2190001 1
O RING, SS5
25 SA1992101 3
BOBBIN WINDER FIXED SCRE
W
26 SA1360101 1 KNIFE
27 062500616 1 SCREW, PAN M5X6
28 SA9973001 1 BOBBIN WINDER TENSION ASS
Y
29 145446002 2 DISC, TENSION
30 SA9855001 1
TENSION SPRING
31 S31032002 1 TENSION NUT
32 S12441001 1
WASHE
R
33 012500536 1 SET SCREW, SOCKET (FT) M5X5
34 SA8982102 1 BOBBIN WINDER BASE
35 SA1359001 1
SPOOL PIN
S-7200C-402
26

26
K. / Bobbin winder mechanism
REF.NO CODE Q'TY NAME OF PARTS RM
1 SA1971402 1 BOBBIN WINDER UNI
T
2 048040342 1 RETAINING RING, E4
3 SA8508001 1
B-WINDER SHAFT SUPPORT ASS
Y
4 SA8511101 1
BOBBIN WINDER SHAF
T
5 108549001 1
O RING
6 SA9563001 1
BOBBIN FIXED SPRING
7 SA8507001 1 BOBBIN WINDER WHEE
L
8 012400636 2 SET SCREW SOCKET (FT) M4X6
9 SA8503001 1
RUBBER RING
10 SA1981301 1
BOBBIN PRESSER CAM ASS
Y
11 SA1982101 1
BOBBIN PRESSER CAM
12 SA1983201 1
BOBBIN WINDER ARM SHAF
T
13 012500536 1 SET SCREW SOCKET (FT) M5X5
14 048040342 1 RETAINING RING E4
15 025060136 2
WASHER PLAIN S 6
16 SA1984001 1
BOBBIN PRESSER ARM
17 018401236 1
BOLT SOCKET M4X12
18 SA1985001 1
BOBBIN PRESSE
R
19 S23418002 1
SCREW M4X5
20 SA8510101 1
BOBBIN SUPPOR
T
21 SA8512101 1
BOBBIN WINDER LEVE
R
22 SA1990101 1
SPRING
23 SA8509001 1
BOBBIN WINDER BASE SPRIN
G
24 SA2190001 1
O RING, SS5
25 SA1992101 3
BOBBIN WINDER FIXED SCRE
W
26 SA1360101 1 KNIFE
27 062500616 1 SCREW, PAN M5X6
28 SA9973001 1 BOBBIN WINDER TENSION ASS
Y
29 145446002 2 DISC, TENSION
30 SA9855001 1
TENSION SPRING
31 S31032002 1 TENSION NUT
32 S12441001 1
WASHE
R
33 012500536 1 SET SCREW, SOCKET (FT) M5X5
34 SA8982102 1 BOBBIN WINDER BASE
35 SA1359001 1
SPOOL PIN
S-7200C-402
26

27
L. / Thread trimmer mechanism
REF.NO CODE Q'TY NAME OF PARTS RM
1 SA7552101 1 THREAD TRIMMER CAM
2 154567000 2
SPACER, 5.3
3 014771032 2
SET SCREW SOCKET SM6.35-40X10
4 S02637101 1 FIXED KNIFE
5 102843004 1
SCREW, FLAT SM3.57
6 S02643001 1
LOWER THREAD FINGE
R
7 026040236 1
WASHER PLAIN M 4
8 062400616 1 SCREW PAN M4X6
9 SA9643001 1
HOLDER M-KNIFE
10 S25426101 1 THREAD TRIMMER CONNECTING ROD
11 060401016 2
SCREW BIND M4X10
12 SA5329001 2 COLLAR
13 100645003 2
WASHE
R
14 021400306 2 NUT 3 M4
15 SA9755001 1
THREAD TRIMMER LEVE
R
16 SA7285101 1
LEVER STOPPE
R
17 SA7341301 1 THREAD TRIMMER STOPPER BASE
18 062400616 1 SCREW PAN M4X6
19 S02645001 1 MOVABLE KNIFE
20 148537101 2
SCREW, FLAT (W/SOCKET) SM4.37
21 062501416 1 SCREW PAN M5X14
22 SA7287001 1
KNIFE HOLDER PRESSER PLATE
23 004301016 3 SCREW FLAT M3X10
24 S02647021 1
FORKED SHAFT
25 SA9710001 1
FORKED SHAFT BUGH
26 012060536 1 SET SCREW, SOCKET (FT) M6X5
27 SA1362201 1
THREAD TRIMMER LEVER UNIT
28 SA1363001 1
THREAD TRIMMER LEVER ASS
Y
29 SA2258101 1
ROLLER SHAFT C ASS
Y
30 105234003 1 NUT SM4.37
31 S23651001 1 SET SCREW SOCKET (FT) M6X6
32 SA9371101 1
THREAD TRIMMER LEVER SPRING
33 154593201 1
THREAD TRIMMER CAM LEVER SHAF
T
34 154594000 1 COLLAR
35 S25434000 1
RUBBER CUSHION
36 154595001 1
SPRING, EXTENSION
37 154596000 1
CUSHION
38 110367001 1
WASHER, PLAIN SPECIAL
8
39 048060342 1 RETAINING RING E6
40 SA1366101 1
CAM LEVER SHAFT BUSH
41 012060536 1 SET SCREW, SOCKET (FT) M6X5
42 SA9713001 1 THREAD TRIMMER SOLENOID ASS
Y
43 SA9798001 1 THREAD TRIMMER SOLENOID
44 S36893150 1
RUBBER CUSHION
45 SA9715001 1
THREAD TRIMMER SOLENOID BASE
46 SA9800001 1
SOLENOID LEVE
R
47 018062536 1
BOLT SOCKET M6X25
48 SA9801001 1 COLLAR
49 SA9827001 2
WASHER PLAIN
50 021060306 1 NUT 3 M6
51 SA9716001 1
PIN
52 026050136 1
WASHER PLAIN S 5
53 048050142 1
RETAINING RING EXTERNAL C5
54 062400816 4 SCREW PAN M4X8
55 062501216 3 SCREW PAN M5X12
56 S38687000 1 CONNECTOR 5557-14R
57 SA1998001 1 GROUND WIRE ASS
Y
58 062500816 1 SCREW PAN M5X8
59 S04159000 3
BAND 1M
60 SA1394101 1 CORD HOLDER U3
61 062500816 1 SCREW PAN M5X8
<
> <OPTION PARTS>
62 S02646001 1 MOVABLE KNIFE, S
S-7200C-403
28

28
L. / Thread trimmer mechanism
REF.NO CODE Q'TY NAME OF PARTS RM
1 SA7552101 1 THREAD TRIMMER CAM
2 154567000 2
SPACER, 5.3
3 014771032 2
SET SCREW SOCKET SM6.35-40X10
4 S02637101 1 FIXED KNIFE
5 102843004 1
SCREW, FLAT SM3.57
6 S02643001 1
LOWER THREAD FINGE
R
7 026040236 1
WASHER PLAIN M 4
8 062400616 1 SCREW PAN M4X6
9 SA9643001 1
HOLDER M-KNIFE
10 S25426101 1 THREAD TRIMMER CONNECTING ROD
11 060401016 2
SCREW BIND M4X10
12 SA5329001 2 COLLAR
13 100645003 2
WASHE
R
14 021400306 2 NUT 3 M4
15 SA9755001 1
THREAD TRIMMER LEVE
R
16 SA7285101 1
LEVER STOPPE
R
17 SA7341301 1 THREAD TRIMMER STOPPER BASE
18 062400616 1 SCREW PAN M4X6
19 S02645001 1 MOVABLE KNIFE
20 148537101 2
SCREW, FLAT (W/SOCKET) SM4.37
21 062501416 1 SCREW PAN M5X14
22 SA7287001 1
KNIFE HOLDER PRESSER PLATE
23 004301016 3 SCREW FLAT M3X10
24 S02647021 1
FORKED SHAFT
25 SA9710001 1
FORKED SHAFT BUGH
26 012060536 1 SET SCREW, SOCKET (FT) M6X5
27 SA1362201 1
THREAD TRIMMER LEVER UNIT
28 SA1363001 1
THREAD TRIMMER LEVER ASS
Y
29 SA2258101 1
ROLLER SHAFT C ASS
Y
30 105234003 1 NUT SM4.37
31 S23651001 1 SET SCREW SOCKET (FT) M6X6
32 SA9371101 1
THREAD TRIMMER LEVER SPRING
33 154593201 1
THREAD TRIMMER CAM LEVER SHAF
T
34 154594000 1 COLLAR
35 S25434000 1
RUBBER CUSHION
36 154595001 1
SPRING, EXTENSION
37 154596000 1
CUSHION
38 110367001 1
WASHER, PLAIN SPECIAL
8
39 048060342 1 RETAINING RING E6
40 SA1366101 1
CAM LEVER SHAFT BUSH
41 012060536 1 SET SCREW, SOCKET (FT) M6X5
42 SA9713001 1 THREAD TRIMMER SOLENOID ASS
Y
43 SA9798001 1 THREAD TRIMMER SOLENOID
44 S36893150 1
RUBBER CUSHION
45 SA9715001 1
THREAD TRIMMER SOLENOID BASE
46 SA9800001 1
SOLENOID LEVE
R
47 018062536 1
BOLT SOCKET M6X25
48 SA9801001 1 COLLAR
49 SA9827001 2
WASHER PLAIN
50 021060306 1 NUT 3 M6
51 SA9716001 1
PIN
52 026050136 1
WASHER PLAIN S 5
53 048050142 1
RETAINING RING EXTERNAL C5
54 062400816 4 SCREW PAN M4X8
55 062501216 3 SCREW PAN M5X12
56 S38687000 1 CONNECTOR 5557-14R
57 SA1998001 1 GROUND WIRE ASS
Y
58 062500816 1 SCREW PAN M5X8
59 S04159000 3
BAND 1M
60 SA1394101 1 CORD HOLDER U3
61 062500816 1 SCREW PAN M5X8
<
> <OPTION PARTS>
62 S02646001 1 MOVABLE KNIFE, S
S-7200C-403
28

29
M. / Tension release mechanism
REF.NO CODE Q'TY NAME OF PARTS RM
1 SA1371501 1 TENSION RELEASE WIRE
2 SA9718001 1 WIRE HOLDER U
3 062401216 1 SCREW PAN M4X12
4 SA9719001 1 WIRE HOLDER D
5 060400816 1
SCREW BIND M4X8
6 110161004 2 NUT, SM4.76
7 SA9720001 1
WIRE CORD HOLDE
R
8 062500816 1 SCREW PAN M5X8
S-7200C-404
30

30
M. / Tension release mechanism
REF.NO CODE Q'TY NAME OF PARTS RM
1 SA1371501 1 TENSION RELEASE WIRE
2 SA9718001 1 WIRE HOLDER U
3 062401216 1 SCREW PAN M4X12
4 SA9719001 1 WIRE HOLDER D
5 060400816 1
SCREW BIND M4X8
6 110161004 2 NUT, SM4.76
7 SA9720001 1
WIRE CORD HOLDE
R
8 062500816 1 SCREW PAN M5X8
S-7200C-404
30

31
N. (-4) / Thread wiper mechanism (-4 or Option parts)
REF.NO CODE Q'TY NAME OF PARTS RM
1 SA9777001 1 THREAD WIPER SE
T
2 SA9769001 1 THREAD WIPER SOLENOID ASS
Y
3 SA9853001 1
PLUNGER RUBBE
R
4 SA9771001 1
THREAD WIPER SPRING
5 S41205001 1
WASHER, PLAIN
6 062300616 2 SCREW PAN M3X6
7 026030136 2
WASHER PLAIN S 3
8 S04159000 1
BAND 1M
9 SA9356001 1
THREAD WIPER BASE
10 SA9773001 1
SOLENOID COVE
R
11 060400516 1
SCREW BIND M4X5
12 SA9774001 1 THREAD WIPER CRANK ASS
Y
13 048040342 1 RETAINING RING E4
14 SA9352001 1
WIPER SPRING
15 SA9778001 1 THREAD WIPER ROD
16 110735002 1
WASHE
R
17 048030342 1 RETAINING RING E3
18 S25456001 1
PLUNGER PIN
19 SA9779001 1 THREAD WIPE
R
20 060400516 1
SCREW BIND M4X5
21 146288001 1
THREAD WIPER STUD COLLA
R
22 SA8085001 1
WASHE
R
23 S25456001 2
PLUNGER PIN
24 SA1394101 2 CORD HOLDER U3
25 062500816 2 SCREW PAN M5X8
S-7200C-405
32

32
N. (-4) / Thread wiper mechanism (-4 or Option parts)
REF.NO CODE Q'TY NAME OF PARTS RM
1 SA9777001 1 THREAD WIPER SE
T
2 SA9769001 1 THREAD WIPER SOLENOID ASS
Y
3 SA9853001 1
PLUNGER RUBBE
R
4 SA9771001 1
THREAD WIPER SPRING
5 S41205001 1
WASHER, PLAIN
6 062300616 2 SCREW PAN M3X6
7 026030136 2
WASHER PLAIN S 3
8 S04159000 1
BAND 1M
9 SA9356001 1
THREAD WIPER BASE
10 SA9773001 1
SOLENOID COVE
R
11 060400516 1
SCREW BIND M4X5
12 SA9774001 1 THREAD WIPER CRANK ASS
Y
13 048040342 1 RETAINING RING E4
14 SA9352001 1
WIPER SPRING
15 SA9778001 1 THREAD WIPER ROD
16 110735002 1
WASHE
R
17 048030342 1 RETAINING RING E3
18 S25456001 1
PLUNGER PIN
19 SA9779001 1 THREAD WIPE
R
20 060400516 1
SCREW BIND M4X5
21 146288001 1
THREAD WIPER STUD COLLA
R
22 SA8085001 1
WASHE
R
23 S25456001 2
PLUNGER PIN
24 SA1394101 2 CORD HOLDER U3
25 062500816 2 SCREW PAN M5X8
S-7200C-405
32

33
P1. / Control box and motor mechanism
REF.NO CODE Q'TY NAME OF PARTS RM
1 SB0100001 1 SAFETY SWITCH ASS
Y
2 SA7325001 1 MICRO SWITCH ASS
Y
3 SA7292101 1
SAFETY SWITCH PLATE
4 SA9865001 1
SAFETY SWITCH BASE
5 SA9866001 1
SAFETY SWITCH LEVE
R
6 SA9867001 1
SAFETY SWITCH SPRING
7 SA7293001 2
SCREW PAN (S/P W) M3X12
8 S04159000 1
BAND 1M
9 062060816 1 SCREW PAN M6X8
10 025060136 1
WASHER PLAIN S 6
11 SA9442001 1 MOTOR S SUPPL
Y
12 SA9437001 1
RESOLVER STATOR ASS
Y
13 0A4301206 3
SCREW PAN (S/P WASHER) M3X12
14 SA9443001 1
PULLEY HOLDER S ASS
Y
15 012501032 2 SET SCREW SOCKET (FT) M5X10
16 SA9447001 1 CORD HOLDER
A
17 SA9448001 1 CORD HOLDER B
18 0A4401606 2
SCREW PAN (S/P WASHER) M4X16
19 0A4401006 1
SCREW PAN (S/P WASHER) M4X10
20 SA9449001 1
RESOLVER COVE
R
21 0A4300806 3
SCREW PAN (S/P WASHER) M3X
8
22 SA9856001 3
SCREW PAN M5X20
23 SA9759001 1
HEAD DETECTOR UNIT #4
24 0A4501206 2
SCREW PAN (S/P WASHER) M5X12
25 SA9384001 1
PULLE
Y
26 SA9452001 3
PULLEY WASHE
R
27 060501016 3
SCREW BIND M5X10
28 S04159000 2
BAND 1M
S-7200C-502
34
S-7200C-502
33
P1 . / Control box and motor mechanism
14
20
15
21
11
17
19
16
25
13
12
22
18
24
27
26
23
2
3
6
4
28
1
5
7
910
8

34
P1. / Control box and motor mechanism
REF.NO CODE Q'TY NAME OF PARTS RM
1 SB0100001 1 SAFETY SWITCH ASS
Y
2 SA7325001 1 MICRO SWITCH ASS
Y
3 SA7292101 1
SAFETY SWITCH PLATE
4 SA9865001 1
SAFETY SWITCH BASE
5 SA9866001 1
SAFETY SWITCH LEVE
R
6 SA9867001 1
SAFETY SWITCH SPRING
7 SA7293001 2
SCREW PAN (S/P W) M3X12
8 S04159000 1
BAND 1M
9 062060816 1 SCREW PAN M6X8
10 025060136 1
WASHER PLAIN S 6
11 SA9442001 1 MOTOR S SUPPL
Y
12 SA9437001 1
RESOLVER STATOR ASS
Y
13 0A4301206 3
SCREW PAN (S/P WASHER) M3X12
14 SA9443001 1
PULLEY HOLDER S ASS
Y
15 012501032 2 SET SCREW SOCKET (FT) M5X10
16 SA9447001 1 CORD HOLDER
A
17 SA9448001 1 CORD HOLDER B
18 0A4401606 2
SCREW PAN (S/P WASHER) M4X16
19 0A4401006 1
SCREW PAN (S/P WASHER) M4X10
20 SA9449001 1
RESOLVER COVE
R
21 0A4300806 3
SCREW PAN (S/P WASHER) M3X
8
22 SA9856001 3
SCREW PAN M5X20
23 SA9759001 1
HEAD DETECTOR UNIT #4
24 0A4501206 2
SCREW PAN (S/P WASHER) M5X12
25 SA9384001 1
PULLE
Y
26 SA9452001 3
PULLEY WASHE
R
27 060501016 3
SCREW BIND M5X10
28 S04159000 2
BAND 1M
S-7200C-502
34

35
P2. / Control box mechanism
REF.NO CODE Q'TY NAME OF PARTS RM
<> <For Japan only>
BMP206A-0000000-JG10 G-10-PANEL-JAPAN
<> <For China only>
BMP206A-0000000-CG10 G-10-PANEL-CHIN
A
<
> <For General export>
BMP206A-0000000-0G10 G-10-PANEL
<> <For Japan only>
2+ BMP206A-0000000-JG50 G-50-PANEL-JAPAN
<> <For China only>
2+ BMP206A-0000000-CG50 G-50-PANEL-CHIN
A
<> <For Europe only>
2+ BMP206A-0000000-EG50 G-50-PANEL-EU
<
> <For General export>
2+ BMP206A-0000000-0G50 G-50-PANEL
S-7200C-502
36

36
P2. / Control box mechanism
REF.NO CODE Q'TY NAME OF PARTS RM
<> <For Japan only>
BMP206A-0000000-JG10 G-10-PANEL-JAPAN
<> <For China only>
BMP206A-0000000-CG10 G-10-PANEL-CHIN
A
<
> <For General export>
BMP206A-0000000-0G10 G-10-PANEL
<> <For Japan only>
2+ BMP206A-0000000-JG50 G-50-PANEL-JAPAN
<> <For China only>
2+ BMP206A-0000000-CG50 G-50-PANEL-CHIN
A
<> <For Europe only>
2+ BMP206A-0000000-EG50 G-50-PANEL-EU
<
> <For General export>
2+ BMP206A-0000000-0G50 G-50-PANEL
S-7200C-502
36

37
P3. / Control box mechanism
REF.NO CODE Q'TY NAME OF PARTS RM
1 SA9546001 1
BOX COVER 7200C
2 SA9549001 1 CEMENT RESISTOR ASSY 60/220
3 SA9727001 1
SW POWER PCB ASS
Y
4 SA9553001 1
D PCB ASS
Y
5 SA9575001 1
S PCB ASS
Y
<
> <Type forward 1 step, backward 1 step>
6+ SA9587001 1 TREADLE UNIT -DM
<
> <Type forward 2 step, backward 2 step>
6+ SA9602001 1 TREADLE UNIT -EX
<> <For Europe>
7 SA9564001 1 CE FILTER CASE
8 SA9565001 1
CE FILTER PCB ASS
Y
9 J04210101 1 BOLT ASSY SQUARE M8X65
10 SA9894001 1
REPEATE CABLE TIE ASS
Y
11 S37060001 2 LABEL, GROUNDING
12 SA9725001
LABEL ELECTRICAL SHOCK 36 X 150
S-7200C-502
38

38
P3. / Control box mechanism
REF.NO CODE Q'TY NAME OF PARTS RM
1 SA9546001 1
BOX COVER 7200C
2 SA9549001 1 CEMENT RESISTOR ASSY 60/220
3 SA9727001 1
SW POWER PCB ASS
Y
4 SA9553001 1
D PCB ASS
Y
5 SA9575001 1
S PCB ASS
Y
<
> <Type forward 1 step, backward 1 step>
6+ SA9587001 1 TREADLE UNIT -DM
<
> <Type forward 2 step, backward 2 step>
6+ SA9602001 1 TREADLE UNIT -EX
<> <For Europe>
7 SA9564001 1 CE FILTER CASE
8 SA9565001 1
CE FILTER PCB ASS
Y
9 J04210101 1 BOLT ASSY SQUARE M8X65
10 SA9894001 1
REPEATE CABLE TIE ASS
Y
11 S37060001 2 LABEL, GROUNDING
12 SA9725001
LABEL ELECTRICAL SHOCK 36 X 150
S-7200C-502
38

39
P4. () / Control box mechanism (Option parts)
REF.NO CODE Q'TY NAME OF PARTS RM
1 SA9982001 1 OPTION ACTUATOR SET
2 SA9983001 1
OPTION ACTUATOR ASS
Y
3 SA9723001 1
REVERSE SWITCH BRACKE
T
4 SA4098201 1
A
CTUATOR
5 SA4099001 1
REVERSE SWITCH SPRING
6 SA9984001 1
OPTION SWITCH SETTING PLATE
7 SA9985001 1
OPTION SWITCH ASS
Y
8 060300606 1
SCREW BIND M3X6
9 S04159000 1
BAND, 1M
10 062500616 2 SCREW, PAN M5X6
11 SA1388101 1 CORD HOLDER
12 SA2390101 1 CORD HOLDER, U4
13 S04159000 2
BAND, 1M
<> <For Europe only>
14+ J803800E0 1
PEDAL STAND OPE DD 3P VARI 40
<> <Except for Europe>
14+ J80380040 1
PEDAL STAND OPE DD 3P VARI 40
15 J04099101 1
FOOT PLUG ASSY CDD
S-7200C-502
40
39
P4 . / Control box mechanism (Option parts)
S-7200C-502
1
14+15
2
8
3
7
9
10
13
4
5
6
12 11

40
P4. () / Control box mechanism (Option parts)
REF.NO CODE Q'TY NAME OF PARTS RM
1 SA9982001 1 OPTION ACTUATOR SET
2 SA9983001 1
OPTION ACTUATOR ASS
Y
3 SA9723001 1
REVERSE SWITCH BRACKE
T
4 SA4098201 1
A
CTUATOR
5 SA4099001 1
REVERSE SWITCH SPRING
6 SA9984001 1
OPTION SWITCH SETTING PLATE
7 SA9985001 1
OPTION SWITCH ASS
Y
8 060300606 1
SCREW BIND M3X6
9 S04159000 1
BAND, 1M
10 062500616 2 SCREW, PAN M5X6
11 SA1388101 1 CORD HOLDER
12 SA2390101 1 CORD HOLDER, U4
13 S04159000 2
BAND, 1M
<> <For Europe only>
14+ J803800E0 1
PEDAL STAND OPE DD 3P VARI 40
<> <Except for Europe>
14+ J80380040 1
PEDAL STAND OPE DD 3P VARI 40
15 J04099101 1
FOOT PLUG ASSY CDD
S-7200C-502
40

41
Q. / Power supply equipment mechanism
REF.NO CODE Q'TY NAME OF PARTS RM
< 200V AC > <For Three phase 200V AC>
<
> < For Japan >
1+ SA9616001 1
POWER SWITCH ASSY SJT
< 220V AC > <For Three phase 220V AC>
<
> < For USA, Canada and Mexico >
1+ SA9831001 1
POWER SWITCH ASSY SJT#2
<
220V AC> <For Sin
g
le phase 220V AC>
<
> < For General of Asia >
2+ SA9535001 1
POWER SUPPLY SWITCH ASSY CCC
<
220V AC> <For Sin
g
le phase 220V AC>
<
> < For China >
2+ BMP3010-0000001-3S00 1
POWER SUPPLY SWITCH ASSY CCC#2
<
100V/110V> <For Sin
g
le phase 100V/110V>
3 SA9923001 1 TRANSFORMER 100/110/220V
< 380V/400V> <For Three phase 380V/400V>
4 SA9901001 1 TRANSFORMER 400/230V
5 SA9896001 1
TR BOX COVER
6 SA9914001 1
LABEL ELECTRICAL SHOCK 25 X 28
S-7200C-515
42
S-7200C-515
41
Q . / Power supply equipment mechanism
OFFON
OFFON
OFFON
OFFON
< 100V / 110V
For Single phase 100V / 110V >
< 380V / 400V
For Three phase 380V / 400V >
OFFON
OFFON
OFFON
OFFON
6
34
5
1+2+

42
Q. / Power supply equipment mechanism
REF.NO CODE Q'TY NAME OF PARTS RM
< 200V AC > <For Three phase 200V AC>
<
> < For Japan >
1+ SA9616001 1
POWER SWITCH ASSY SJT
< 220V AC > <For Three phase 220V AC>
<
> < For USA, Canada and Mexico >
1+ SA9831001 1
POWER SWITCH ASSY SJT#2
<
220V AC> <For Sin
g
le phase 220V AC>
<
> < For General of Asia >
2+ SA9535001 1
POWER SUPPLY SWITCH ASSY CCC
<
220V AC> <For Sin
g
le phase 220V AC>
<
> < For China >
2+ BMP3010-0000001-3S00 1
POWER SUPPLY SWITCH ASSY CCC#2
<
100V/110V> <For Sin
g
le phase 100V/110V>
3 SA9923001 1 TRANSFORMER 100/110/220V
< 380V/400V> <For Three phase 380V/400V>
4 SA9901001 1 TRANSFORMER 400/230V
5 SA9896001 1
TR BOX COVER
6 SA9914001 1
LABEL ELECTRICAL SHOCK 25 X 28
S-7200C-515
42

43
R. () / Knee switch mechanism (Option parts)
REF.NO CODE Q'TY NAME OF PARTS RM
1 S25457101
2 142026003
3 142027001
4 100463001
5 114967001
6 110087001
7 S07027001
8 062401006
9 025040233
10 028040243
11 021400164
12 S31938001
13 S31939001
14 143549000
15 143548000
16 146046000
17 146194000
18 149799000
19 034422503
S-7200C-507
44
43
S-7200C-507
R . / Knee switch mechanism (Option parts)
19
1
11
17
15
13
810
5
18
6
3
7
4
2
9
16
14 12

44
R. () / Knee switch mechanism (Option parts)
REF.NO CODE Q'TY NAME OF PARTS RM
1 S25457101
2 142026003
3 142027001
4 100463001
5 114967001
6 110087001
7 S07027001
8 062401006
9 025040233
10 028040243
11 021400164
12 S31938001
13 S31939001
14 143549000
15 143548000
16 146046000
17 146194000
18 149799000
19 034422503
S-7200C-507
44

45
S. / Quick reverse switch mechanism
REF.NO CODE Q'TY NAME OF PARTS RM
1 SA9721101 1 R-ACTUATOR ASS
Y
2 SA9722101 1 REVERSE SWITCH BRACKE
T
3 SA9723001 1
REVERSE SWITCH BRACKE
T
4 SA4098201 1
A
CTUATOR
5 SA9724001 1
REVERSE SWITCH SPRING
6 SA1390001 1 R-SWITCH ASS
Y
7 060300606 1
SCREW BIND M3X6
8 S04159000 1
BAND 1M
9 062500816 2 SCREW PAN M5X8
10 062500816 3 SCREW PAN M5X8
<-4> <For -4>
11 SA1388101 1 CORD HOLDER
12 SA1394101 2 CORD HOLDER U3
<-3> <For -3>
11 SA1388101 2 CORD HOLDER
13 SA2689101 1 CORD HOLDER
S-7200C-508
46

46
S. / Quick reverse switch mechanism
REF.NO CODE Q'TY NAME OF PARTS RM
1 SA9721101 1 R-ACTUATOR ASS
Y
2 SA9722101 1 REVERSE SWITCH BRACKE
T
3 SA9723001 1
REVERSE SWITCH BRACKE
T
4 SA4098201 1
A
CTUATOR
5 SA9724001 1
REVERSE SWITCH SPRING
6 SA1390001 1 R-SWITCH ASS
Y
7 060300606 1
SCREW BIND M3X6
8 S04159000 1
BAND 1M
9 062500816 2 SCREW PAN M5X8
10 062500816 3 SCREW PAN M5X8
<-4> <For -4>
11 SA1388101 1 CORD HOLDER
12 SA1394101 2 CORD HOLDER U3
<-3> <For -3>
11 SA1388101 2 CORD HOLDER
13 SA2689101 1 CORD HOLDER
S-7200C-508
46

47
T. / Presser foot lifting set mechanism (Option parts)
REF.NO CODE Q'TY NAME OF PARTS RM
<> <For Europe Only>
1+ SA96640E1 1
SOLENOID P-FOOT LIFTER SET B
2+ SA96650E1 1
SOLENOID P-FOOT LIFTER ASS
Y
<> <Except for Europe>
1+ SA9664001 1
SOLENOID P-FOOT LIFTER SET B
2+ SA9665001 1
SOLENOID P-FOOT LIFTER ASS
Y
3 SA1942001 1
P-FOOT LIFTER SOLENOID ASS
Y
4 S16625050 1
RUBBER STOPPE
R
5 S38803051 1 B-CORD ASSY 100
6 S38804050 1 W-CORD ASSY 100
7 SA2177001 1 CONNECTOR:5557-6R
8 SA1335001 1
SOLENOID BASE
R
9 S16629151 1 SOLENOID STOPPE
R
10 018761832 3
BOLT, SOCKET SM5.95-28X14
11 SA1336001 1
SOLENOID BASE L
12 SA9667001 1
REAR PLATE ASS
Y
13 SA2296001 1 NUT M20
14 017061216 4
BOLT M6X12
15 021060216 4 NUT 2 M6
16 S16630051 1
PIN
17 048050142 2
RETAINING RING EXTERNAL C5
18 SA1332001 1
KNEE LIFTER SHAFT
19 S20356001 2
WASHER, PLAIN 10
20 048080342 2 RETAINING RING E8
21 SA1338001 1
PRESSER FOOT LIFTER ARM
22 SA9111001 1
BOLT SOCKET M5X15
23 S16643009 1
COVE
R
24 062670612 2 SCREW PAN SM3.57-40X6
25 SA2165001 1
SHOULDER SCREW, M6
S-7200C-943
48

48
T. / Presser foot lifting set mechanism (Option parts)
REF.NO CODE Q'TY NAME OF PARTS RM
<> <For Europe Only>
1+ SA96640E1 1
SOLENOID P-FOOT LIFTER SET B
2+ SA96650E1 1
SOLENOID P-FOOT LIFTER ASS
Y
<> <Except for Europe>
1+ SA9664001 1
SOLENOID P-FOOT LIFTER SET B
2+ SA9665001 1
SOLENOID P-FOOT LIFTER ASS
Y
3 SA1942001 1
P-FOOT LIFTER SOLENOID ASS
Y
4 S16625050 1
RUBBER STOPPE
R
5 S38803051 1 B-CORD ASSY 100
6 S38804050 1 W-CORD ASSY 100
7 SA2177001 1 CONNECTOR:5557-6R
8 SA1335001 1
SOLENOID BASE
R
9 S16629151 1 SOLENOID STOPPE
R
10 018761832 3
BOLT, SOCKET SM5.95-28X14
11 SA1336001 1
SOLENOID BASE L
12 SA9667001 1
REAR PLATE ASS
Y
13 SA2296001 1 NUT M20
14 017061216 4
BOLT M6X12
15 021060216 4 NUT 2 M6
16 S16630051 1
PIN
17 048050142 2
RETAINING RING EXTERNAL C5
18 SA1332001 1
KNEE LIFTER SHAFT
19 S20356001 2
WASHER, PLAIN 10
20 048080342 2 RETAINING RING E8
21 SA1338001 1
PRESSER FOOT LIFTER ARM
22 SA9111001 1
BOLT SOCKET M5X15
23 S16643009 1
COVE
R
24 062670612 2 SCREW PAN SM3.57-40X6
25 SA2165001 1
SHOULDER SCREW, M6
S-7200C-943
48

49
Z. / Accessories
REF.NO CODE Q'TY NAME OF PARTS RM
1 S17774001 1
SCREW-DRIVER, 4.7X250
<-3> <For ->
2+ SA9969011 1 NEEDLE 2PIECE ASSY 100265……<#11>
2+ SA9969014 1 NEEDLE 2PIECE ASSY 100265……<#14>
2+ SA9970014 1 NEEDLE 2PIECE ASSY 107415……<#14>
<-5> <For ->
2+ SA9969022 1 NEEDLE 2PIECE ASSY 100265……<#22>
2+ SA9970022 1 NEEDLE 2PIECE ASSY 107415……<#22>
<-S> <For ->
2+ SA9971010 1 NEEDLE 2PIECE ASSY S35775……<#10>
2+ SA9972010 1 NEEDLE 2PIECE ASSY S37061……<#10>
<-3, -S> <For - and ->
3 146290001 1
BOBBIN
<-5> <For ->
4 117132001 1
BOBBIN
5 S06055009 1 HEAD REST, S
6 S09634000 1
KNEE LIFTER COMPLYING BA
R
7 SA1969001 1
RUBBER HINGE ASS
Y
8 143882001 2
HEAD HINGE
9 143910009 2
RUBBER CUSHION
10 SA1962001 2
HEAD CUSHION<For left side>
11 SA1963001 2
HEAD CUSHION<For right side>
12 109714000 4
NAIL
13 SA8239101 1 OIL TANK ASS
Y
14 144226001 1
HEAD COVE
R
15 S02763602 1
COTTON STAND ASSY 2D
R
16 S51283001 2
SPOOL STAND BASE
17 150182000 2
SPOOL MAT
18 S51282101 2
SPOOL CUSHION
19 150206002 1
WASHER PLAIN 16
20 SA6629001 1 NUT M16
21 150174000 1
COLUMN CAP
22 S01005000 2
RUBBER WASHE
R
23 S02747101 1
SPRING
24 150172003 1
COLUMN PIPE
25 150174000 1
COLUMN CAP
26 150207001 1
COLUMN PIPE W/SCRE
W
27 150206000 1
WASHER PLAIN 16
28 SA6606001 1
COLUMN JOINT
29 150179002 2
SPOOL SHAFT B
30 028050244 2
WASHER SPRING 2-5
31 021500104 2 NUT 1 M5
32 SA6607001 1
SPOOL HOLDER 2
33 SA6607001 1
SPOOL HOLDER 2
34 150183000 2
THREAD HANGER BASE
35 142990001 2
THREAD BUSH
36 SA6609001 2
SPOOL HOLDER SUPPORTE
R
37 021500104 2 NUT 1 M5
38 062061604 2 SCREW PAN M6X16
39 062501404 2 SCREW PAN M5X14
40 142443101 1
SCREW-DRIVER, 1.9X52
41 118837001 1
SCREW-DRIVER, 3.4X70
42 100887001 1 WRENCH, 8X9
43 142002001 1
HEXAGONAL WRENCH, 2
44 142721001 1
HEXAGONAL WRENCH, 3
45 107780001 1 WRENCH, 10X12
46 154125001 1
HEXAGONAL WRENCH, 2.5
47 S07783001 1
HEXAGONAL WRENCH, 1.5
S-7200C-910
50

50
Z. / Accessories
REF.NO CODE Q'TY NAME OF PARTS RM
1 S17774001 1
SCREW-DRIVER, 4.7X250
<-3> <For ->
2+ SA9969011 1 NEEDLE 2PIECE ASSY 100265……<#11>
2+ SA9969014 1 NEEDLE 2PIECE ASSY 100265……<#14>
2+ SA9970014 1 NEEDLE 2PIECE ASSY 107415……<#14>
<-5> <For ->
2+ SA9969022 1 NEEDLE 2PIECE ASSY 100265……<#22>
2+ SA9970022 1 NEEDLE 2PIECE ASSY 107415……<#22>
<-S> <For ->
2+ SA9971010 1 NEEDLE 2PIECE ASSY S35775……<#10>
2+ SA9972010 1 NEEDLE 2PIECE ASSY S37061……<#10>
<-3, -S> <For - and ->
3 146290001 1
BOBBIN
<-5> <For ->
4 117132001 1
BOBBIN
5 S06055009 1 HEAD REST, S
6 S09634000 1
KNEE LIFTER COMPLYING BA
R
7 SA1969001 1
RUBBER HINGE ASS
Y
8 143882001 2
HEAD HINGE
9 143910009 2
RUBBER CUSHION
10 SA1962001 2
HEAD CUSHION<For left side>
11 SA1963001 2
HEAD CUSHION<For right side>
12 109714000 4
NAIL
13 SA8239101 1 OIL TANK ASS
Y
14 144226001 1
HEAD COVE
R
15 S02763602 1
COTTON STAND ASSY 2D
R
16 S51283001 2
SPOOL STAND BASE
17 150182000 2
SPOOL MAT
18 S51282101 2
SPOOL CUSHION
19 150206002 1
WASHER PLAIN 16
20 SA6629001 1 NUT M16
21 150174000 1
COLUMN CAP
22 S01005000 2
RUBBER WASHE
R
23 S02747101 1
SPRING
24 150172003 1
COLUMN PIPE
25 150174000 1
COLUMN CAP
26 150207001 1
COLUMN PIPE W/SCRE
W
27 150206000 1
WASHER PLAIN 16
28 SA6606001 1
COLUMN JOINT
29 150179002 2
SPOOL SHAFT B
30 028050244 2
WASHER SPRING 2-5
31 021500104 2 NUT 1 M5
32 SA6607001 1
SPOOL HOLDER 2
33 SA6607001 1
SPOOL HOLDER 2
34 150183000 2
THREAD HANGER BASE
35 142990001 2
THREAD BUSH
36 SA6609001 2
SPOOL HOLDER SUPPORTE
R
37 021500104 2 NUT 1 M5
38 062061604 2 SCREW PAN M6X16
39 062501404 2 SCREW PAN M5X14
40 142443101 1
SCREW-DRIVER, 1.9X52
41 118837001 1
SCREW-DRIVER, 3.4X70
42 100887001 1 WRENCH, 8X9
43 142002001 1
HEXAGONAL WRENCH, 2
44 142721001 1
HEXAGONAL WRENCH, 3
45 107780001 1 WRENCH, 10X12
46 154125001 1
HEXAGONAL WRENCH, 2.5
47 S07783001 1
HEXAGONAL WRENCH, 1.5
S-7200C-910
50

51
Z. / Accessories
REF.NO CODE Q'TY NAME OF PARTS RM
<
> <OPTION PARTS>
48 S40765001 1 CONNECTING ROD ASS
Y
49 021060106 2 NUT 1 M6
50 119101001 2
CONNECTING ROD CLAMP
51 017081606 2
BOLT M8X16
52 021080106 2 NUT 1 M8
53 S36119021 2 NUT 1 M6
54 S36121021 2
WASHER SPRING 2-6
55 114859001 1 COLLAR
56 SA8837001 1
GREASE UNI
T
S-7200C-910
52

52
Z. / Accessories
REF.NO CODE Q'TY NAME OF PARTS RM
<
> <OPTION PARTS>
48 S40765001 1 CONNECTING ROD ASS
Y
49 021060106 2 NUT 1 M6
50 119101001 2
CONNECTING ROD CLAMP
51 017081606 2
BOLT M8X16
52 021080106 2 NUT 1 M8
53 S36119021 2 NUT 1 M6
54 S36121021 2
WASHER SPRING 2-6
55 114859001 1 COLLAR
56 SA8837001 1
GREASE UNI
T
S-7200C-910
52

53
Sp1 . () / Different parts list (For Japan)
B-20 Needle bar
B-62 (Needle, w/bag
B-61 Needle plate
C-9 Presser foot assy
D-89 Feed dog
G-20 Hook stopper
G-27 Bobbin
G-28 Bobbin
B-20 Needle bar
B-62 ( Needle, w/bag
B-61 Needle plate
C-9 Presser foot assy
D-89 Feed dog
G-20 Hook stopper
G-27 Bobbin
B-20 Needle bar
B-62 (Needle, w/bag
B-61 Needle plate
C-9 Presser foot assy
D-89 Feed dog
G-20 Hook stopper
G-27 Bobbin
S-7200C-Sp1
53
146290001
SA9642001
SA9971010
S35776101
147514001
S35777101
S02748001
S02602001
S52936001
5S
146290001
SA7686102
53
S02748001
S02602001
S13561101
153037201
S02742001
117132001
147514001
S35777101
145971101
SA9642001
SA9971010
SA9969011
S35776101
146290001
153037201
S02742001
Name of parts
G-29 Rotary hook assy,
w/box
Presser bar spring
Minimum lubrication type
Name of parts
SA9353001
SA9969011
S02602001
SA7686102
145971101
147245101
141728001
G-29
REF.NO Name of parts
Medium-weight
materials
C-7 Presser bar spring S13561101
Specification
Rotary hook assy,
w/box
C-7 Presser bar spring
Specification
C-7
G-29 Rotary hook assy,
w/box SA7687101
Light-weight
materials & for Difficult-to-
sew materials
Complete dry type
REF.NO
REF.NO
Specification
Light-weight
materials & for Difficult-to-
sew materials
Semi dry type
3S
Medium-weight materials
33
Heavy-weight materials
SA9641001
SA9969022
SA7688101
145157101
S02743001
159324001
Medium-weight materials
SA9969011
145971101
S13561101
153037201
S02742001

54
Sp2
/ Different parts list (For USA, China and General export )
B-20 Needle bar
B-62 Needle, w/bag
B-61 Needle plate
C-7 Presser bar spring
C-9 Presser foot assy
D-89 Feed dog
G-20 Hook stopper
G-27 Bobbin
G-28 Bobbin
B-20 Needle bar
B-62 Needle, w/bag
B-61 Needle plate
C-9 Presser foot assy
D-89 Feed dog
G-20 Hook stopper
G-27 Bobbin
B-20 Needle bar
B-62 Needle, w/bag
B-61 Needle plate
C-9 Presser foot assy
D-89 Feed dog
G-20 Hook stopper
G-27 Bobbin
S-7200C-Sp2
54
146290001
SA9971010
S03883201
147514001
S35777101
S52936001
SA2346001
S02602001
5S
SA9642001
53
Medium-weight materials
146290001
SA2345001
SA7686102
SA9969014
111859301
S13561101
G-29 Rotary hook assy,
w/box
Presser bar spring
SA9642001
S03883201
147514001
S35777101
SA2346001
S02602001
SA7687101
SA2345001
S13561101
SA9971010
SA9353001
SA9969014
111859301
153037201
G-29
REF.NO Name of parts
Medium-weight
materials
03
S02602001
SA7686102
Specification
Minimum lubrication type
05
C-7 Presser bar spring
Specification
C-7
Light-weight
materials & for Difficult-to-
sew materials
Complete dry type
REF.NO
G-29 Rotary hook assy,
w/box
Name of parts
REF.NO
Rotary hook assy,
w/box
Specification
Light-weight
materials & for Difficult-to-
sew materials
Semi dry type
3S 33
Medium-weight materials
146290001
Name of parts
Heavy-weight materials
SA9641001
SA9969022
SA9969014
111859301
S13561101
153037201
SA2345001
150792101
150789101
150793001
141728001
159324001
SA7688101
117132001
153037201

55
Sp3 . () / Different parts list (For Europe)
B-20 Needle bar
B-62 Needle, w/bag
B-61 Needle plate
C-9 Presser foot assy
D-89 Feed dog
G-20 Hook stopper
G-27 Bobbin
G-28 Bobbin
B-20 Needle bar
B-62 Needle, w/bag
B-61 Needle plate
C-9 Presser foot assy
D-89 Feed dog
G-20 Hook stopper
G-27 Bobbin
B-20 Needle bar
B-62 Needle, w/bag
B-61 Needle plate
C-9 Presser foot assy
D-89 Feed dog
G-20 Hook stopper
G-27 Bobbin
S-7200C-Sp3
55
S13561101
SA8102001
SA2345001SA2346001
S02602001
S52936001
146290001
SA8096001
SA2346001
SA9972010
S03883201
Specification
S02602001
SA7687101
146290001
SA7686102
147514001
SA9640001
SA9972010
S13561101
S03883201
SA9970014
111859301
Light-weight
materials & for Difficult-to-
sew materials
Semi dry type
Medium-weight materials
SA2345001
S02602001
150793001
159324001
C-7 Presser bar spring
Name of partsREF.NO
REF.NO
G-29 Rotary hook assy,
w/box
C-7 Presser bar spring
SA8102001
Name of parts
Medium-weight
materials
Specification
Minimum lubrication type
03 05
Heavy-weight materials
SA8103001
SA9731001
SA9970014
111859301
S13561101
G-29 Rotary hook assy,
w/box
Presser bar springC-7
REF.NO
SA9640001
Name of parts
G-29 Rotary hook assy,
w/box
Light-weight
materials & for Difficult-to-
sew materials
Complete dry type
5S 53
147514001
SA8096001
SA9641001
SA9970022
150792101
141728001
SA7688101
117132001
33
Specification
SA7686102
146290001
3S
SA9970014
111859301
SA8102001
SA2345001
Medium-weight materials

56

57

58

59

60

61

62

63

64

65

66
/ Index
CODE Page CODE Page CODE Page CODE Page
004301016 L - 23 28 026030136 N - 7 32 062500816 L - 58 28 111856101 Ga6 61
012060536 D - 15 10 026040236 L - 7 28 062500816 L - 61 28 111856101 Ga7 62
012060536 D - 38 10 026050136 A - 6 2 062500816 M - 8 30 111856101 Ga8 63
012060536 D - 66 12 026050136 C - 4 8 062500816 N - 25 32 111859301 Sp2 54
012060536 L - 26 28 026050136 L - 52 28 062500816 S - 9 46 111859301 Sp3 55
012060536 L - 41 28 028040243 R - 10 44 062500816 S - 10 46 111859301 Ga6 61
012061036 B - 18 4 028050244 Z - 30 50 062501216 A - 8 2 111859301 Ga8 63
012061036 D - 77 12 028050246 A - 5 2 062501216 H - 55 22 111863001 H - 12+ 20
012061036 F - 12 16 034422503 R - 19 44 062501216 J - 22 24 113280101 Ga1 56
012061036 G - 17 18 048030342 N - 17 32 062501216 L - 55 28 113280101 Ga2 57
012400436 B - 12 4 048040342 D - 55 10 062501404 Z - 39 50 113280101 Ga3 58
012400636 K - 8 26 048040342 K - 2 26 062501416 D - 23 10 113280101 Ga5 60
012500536 B - 17 4 048040342 K - 14 26 062501416 D - 61 12 113280101 Ga6 61
012500536 B - 23 4 048040342 N - 13 32 062501416 L - 21 28 113280101 Ga7 62
012500536 C - 18 8 048050142 L - 53 28 062501816 A - 4 2 113280101 Ga8 63
012500536 D - 11 10 048050142 T - 17 48 062670612 T - 24 48 114561001 B - 34 4
012500536 D - 29 10 048050342 C - 26 8 081004070 H - 11 20 114859001 Z - 55 52
012500536 D - 35 10 048060142 F - 11 16 081004870 H - 19 20 114967001 R - 5 44
012500536 D - 43 10 048060342 B - 14 4 081006670 H - 28 20 115188101 J - 25+ 24
012500536 D - 47 10 048060342 L - 39 28 081008070 H - 26 20 116922001 J - 27 24
012500536 D - 50 10 048080342 D - 13 10 081008070 H - 49 22 117132001 G - 28 18
012500536 F - 8 16 048080342 D - 19 10 081015870 H - 45 22 117132001 Z - 4 50
012500536 F - 13 16 048080342 T - 20 48 081022870 H - 38 20 117132001 Sp1 53
012500536 K - 13 26 048100142 D - 112 12 081025870 G - 6 18 117132001 Sp2 54
012500536 K - 33 26 048120142 B - 38 4 081029870 H - 58 22 117132001 Sp3 55
012501032 P1 - 15 34 048150142 D - 79 12 0A4300806 P1 - 21 34 117442001 Ga2 57
014300432 D - 82 12 060300606 P4 - 8 40 0A4301206 P1 - 13 34 117936001 A - 14 2
014300432 D - 98 12 060300606 S - 7 46 0A4401006 P1 - 19 34 118837001 Z - 41 50
014771032 L - 3 28 060350616 J - 21 24 0A4401606 P1 - 18 34 119101001 Z - 50 52
017060813 E - 7 14 060400516 N - 11 32 0A4501206 H - 34 20 122771051 B - 35 4
017061216 T - 14 48 060400516 N - 20 32 0A4501206 P1 - 24 34 140004001 B - 15 4
017061413 E - 2 14 060400816 J - 12 24 0A5400806 H - 61 22 140327001 H - 20 20
017062013 E - 3 14 060400816 M - 5 30 100080004 D - 95 12 140407001 C - 8 8
017081606 Z - 51 52 060401016 L - 11 28 100266101 Ga2 57 140553102 B - 25 4
018061036 B - 58 6 060500616 J - 14 24 100267001 Ga3 58 140957101 Ga1 56
018061236 B - 60 6 060501016 P1 - 27 34 100328001 D - 7 10 140957101 Ga2 57
018061636 D - 33 10 062060816 P1 - 9 34 100402004 J - 29 24 140957101 Ga5 60
018062536 L - 47 28 062061016 F - 4 16 100463001 R - 4 44 140957101 Ga6 61
018102536 B - 54 6 062061604 Z - 38 50 100645003 L - 13 28 140957101 Ga7 62
018400532 C - 22 8 062300616 D - 94 12 100887001 Z - 42 50 140957101 Ga8 63
018401236 K - 17 26 062300616 N - 6 32 102630001 B - 19 4 141096001 Ga2 57
018501636 D - 30 10 062350616 D - 60 12 102843004 L - 5 28 141728001 C - 7+ 8
018761832 T - 10 48 062400616 A - 16 2 104449001 A - 13 2 141728001 Sp1 53
021060106 Z - 49 52 062400616 H - 52 22 104449001 D - 63 12 141728001 Sp2 54
021060216 T - 15 48 062400616 L - 8 28 104450101 A - 9 2 141728001 Sp3 55
021060306 C - 40 8 062400616 L - 18 28 104450101 A - 10 2 142002001 Z - 43 50
021060306 D - 103 12 062400816 L - 54 28 104450101 A - 12 2 142026003 R - 2 44
021060306 H - 71 22 062401006 R - 8 44 104821001 H - 17 20 142027001 R - 3 44
021060306 L - 50 28 062401216 M - 3 30 105234003 L - 30 28 142274101 G - 8 18
021080106 Z - 52 52 062500616 B - 24 4 107780001 Z - 45 50 142443101 Z - 40 50
021100302 B - 55 6 062500616 C - 3 8 108549001 D - 5 10 142721001 Z - 44 50
021400164 R - 11 44 062500616 H - 8 20 108549001 K - 5 26 142990001 Z - 35 50
021400306 L - 14 28 062500616 H - 47 22 109714000 Z - 12 50 143548000 R - 15 44
021500104 Z - 31 50 062500616 H - 57 22 110087001 R - 6 44 143549000 R - 14 44
021500104 Z - 37 50 062500616 H - 78 22 110161004 M - 6 30 143711101 Ga1 56
025040232 C - 23 8 062500616 K - 27 26 110367001 B - 7 4 143711101 Ga2 57
025040233 R - 9 44 062500616 P4 - 10 40 110367001 L - 38 28 143711101 Ga5 60
025040332 H - 53 22 062500816 D - 21 10 110735002 N - 16 32 143711101 Ga6 61
025060136 B - 59 6 062500816 D - 111 12 111241001 Ga3 58 143711101 Ga7 62
025060136 K - 15 26 062500816 F - 3 16 111508001 Ga3 58 143711101 Ga8 63
025060136 P1 - 10 34 062500816 H - 3 20 111856101 Ga1 56 143882001 Z - 8 50
025100132 D - 18 10 062500816 H - 7 20 111856101 Ga2 57 143910009 Z - 9 50
025350132 C - 37 8 062500816 J - 16 24 111856101 Ga5 60 144226001 Z - 14 50
66
REF.NO REF.NO REF.NO REF.NO

67
/ Index
CODE Page CODE Page CODE Page CODE Page
144504001 J - 5 24 153037201 Ga2 57 S02602001 G - 20+ 18 S16629151 T - 9 48
144875001 H - 13 20 153037201 Ga5 60 S02602001 Sp1 53 S16630051 T - 16 48
145157101 Sp1 53 153037201 Ga6 61 S02602001 Sp2 54 S16643009 T - 23 48
145157101 Ga3 58 153037201 Ga7 62 S02602001 Sp3 55 S17774001 Z - 1 50
145446001 J - 30 24 153037201 Ga8 63 S02620401 J - 26+ 24 S20356001 D - 14 10
145446002 K - 29 26 153132000 D - 25 10 S02637101 L - 4 28 S20356001 T - 19 48
145737001 H - 10 20 153138001 F - 10 16 S02643001 L - 6 28 S23418002 K - 19 26
145971101 Sp1 53 153147001 Ga1 56 S02645001 L - 19 28 S23651001 B - 2 4
145971101 Ga2 57 153190001 Ga1 56 S02646001 L - 62 28 S23651001 B - 6 4
146046000 R - 16 44 154125001 Z - 46 50 S02647021 L - 24 28 S23651001 B - 26 4
146050001 Ga1 56 154567000 L - 2 28 S02742001 Sp1 53 S23651001 B - 42 4
146194000 R - 17 44 154593201 L - 33 28 S02742001 Ga1 56 S23651001 B - 44 6
146231001 Ga1 56 154594000 L - 34 28 S02742001 Ga2 57 S23651001 B - 47 6
146231001 Ga2 57 154595001 L - 36 28 S02743001 Sp1 53 S23651001 B - 49 6
146232001 Ga2 57 154596000 L - 37 28 S02743001 Ga3 58 S23651001 D - 68 12
146233001 Ga1 56 154742001 Ga3 58 S02744001 Ga5 60 S23651001 D - 81 12
146288001 N - 21 32 155676001 Ga7 62 S02747101 Z - 23 50 S23651001 D - 105 12
146290001 G - 27 18 156114001 Ga7 62 S02748001 Sp1 53 S23651001 G - 12 18
146290001 Z - 3 50 156115001 Ga6 61 S02748001 Ga4 59 S23651001 G - 14 18
146290001 Sp1 53 156116001 Ga6 61 S02748001 Ga5 60 S23651001 G - 19 18
146290001 Sp2 54 156243021 D - 78 12 S02763602 Z - 15 50 S23651001 L - 31 28
146290001 Sp3 55 156958021 D - 28 10 S02999201 Ga5 60 S25235001 B - 3 4
146293001 H - 73 22 156958021 D - 53 10 S03000201 Ga5 60 S25236001 B - 4 4
147238001 Ga1 56 158722001 D - 86 12 S03245001 G - 22 18 S25236001 D - 57 12
147239001 Ga1 56 159324001 G - 20+ 18 S03246001 G - 26 18 S25236001 D - 92 12
147245101 Sp1 53 159324001 Sp1 53 S03882201 Ga5 60 S25321001 D - 59 12
147245101 Ga3 58 159324001 Sp2 54 S03883201 Sp2 54 S25339301 D - 93 12
147322201 Ga3 58 159324001 Sp3 55 S03883201 Sp3 55 S25344001 H - 69 22
147514001 C - 7+ 8 159805001 J - 31 24 S03883201 Ga5 60 S25380601 H - 15 20
147514001 Sp1 53 159859201 Ga5 60 S03884301 Ga6 61 S25382001 H - 5 20
147514001 Sp2 54 180018151 B - 33 4 S04159000 L - 59 28 S25382001 H - 21 20
147514001 Sp3 55 183388001 G - 23 18 S04159000 N - 8 32 S25382001 H - 23 20
147531101 Ga1 56 183389001 G - 24 18 S04159000 P1 - 8 34 S25401100 B - 39 4
147531101 Ga2 57 183390001 G - 25 18 S04159000 P1 - 28 34 S25426101 L - 10 28
147531101 Ga5 60 BMP206A-0000000-0G10 S04159000 P4 - 9 40 S25427101 D - 106 12
147531101 Ga6 61 P2 - 1+ 36 S04159000 P4 - 13 40 S25434000 L - 35 28
147531101 Ga7 62 BMP206A-0000000-0G50 S04159000 S - 8 46 S25456001 N - 18 32
147531101 Ga8 63 P2 - 2+ 36 S04630000 H - 12+ 20 S25456001 N - 23 32
148537101 L - 20 28 BMP206A-0000000-CG10 S04632101 J - 25+ 24 S25457101 R - 1 44
149578000 H - 64 22 P2 - 1+ 36 S06055009 Z - 5 50 S25469100 D - 17 10
149799000 R - 18 44 BMP206A-0000000-CG50 S07027001 R - 7 44 S25475101 H - 70 22
150172003 Z - 24 50 P2 - 2+ 36 S07350001 C - 25 8 S25821001 Ga9 64
150174000 Z - 21 50 BMP206A-0000000-EG50 S07649001 Ga1 56 S25822001 Ga8 63
150174000 Z - 25 50 P2 - 2+ 36 S07649001 Ga2 57 S25822001 Ga9 64
150179002 Z - 29 50 BMP206A-0000000-JG10 S07783001 Z - 47 50 S29644001 Ga3 58
150182000 Z - 17 50 P2 - 1+ 36 S09621151 A - 15 2 S29645001 Ga2 57
150183000 Z - 34 50 BMP206A-0000000-JG50 S09634000 Z - 6 50 S29646001 Ga1 56
150206000 Z - 27 50 P2 - 2+ 36 S11222001 Ga2 57 S29647101 Ga6 61
150206002 Z - 19 50 BMP3010-0000001-3S00 S12441001 J - 32 24 S29647101 Ga8 63
150207001 Z - 26 50 Q - 2+ 42 S12441001 K - 32 26 S29648101 Ga6 61
150789101 Sp2 54 J04099101 P4 - 15 40 S12915001 D - 58 12 S29649001 Ga1 56
150789101 Ga9 64 J04210101 P3 - 9 38 S13385001 C - 11 8 S30103001 Ga8 63
150792101 Sp2 54 J80380040 P4 - 14+ 40 S13561101 C - 7+ 8 S31006002 C - 31 8
150792101 Sp3 55 J803800E0 P4 - 14+ 40 S13561101 Sp1 53 S31032002 J - 33 24
150792101 Ga9 64 S01005000 Z - 22 50 S13561101 Sp2 54 S31032002 K - 31 26
150793001 Sp2 54 S01107101 Ga5 60 S13561101 Sp3 55 S31885001 E - 8 14
150793001 Sp3 55 S01419000 J - 8 24 S13684001 Ga5 60 S31910001 Ga6 61
150793001 Ga9 64 S01904101 Ga1 56 S13684001 Ga6 61 S31938001 R - 12 44
151267001 B - 32 4 S01904101 Ga2 57 S13684001 Ga7 62 S31939001 R - 13 44
151594001 B - 31 4 S01904101 Ga5 60 S13684001 Ga8 63 S32263001 A - 11 2
153037201 Sp1 53 S01904101 Ga6 61 S16335001 D - 51 10 S34352101 D - 70 12
153037201 Sp2 54 S01904101 Ga7 62 S16337001 D - 52 10 S34756021 E - 5 14
153037201 Ga1 56 S01904101 Ga8 63 S16625050 T - 4 48 S35776101 Sp1 53
67
REF.NO REF.NO REF.NO REF.NO

68
/ Index
CODE Page CODE Page CODE Page CODE Page
S35776101 Ga4 59 SA1207001 D - 20 10 SA1942001 T - 3 48 SA6606001 Z - 28 50
S35777101 Sp1 53 SA1210101 D - 26 10 SA1962001 Z - 10 50 SA6607001 Z - 32 50
S35777101 Sp2 54 SA1211101 D - 27 10 SA1963001 Z - 11 50 SA6607001 Z - 33 50
S35777101 Ga4 59 SA1223001 D - 48 10 SA1969001 Z - 7 50 SA6609001 Z - 36 50
S36119021 Z - 53 52 SA1225001 D - 54 10 SA1971402 K - 1 26 SA6629001 Z - 20 50
S36121021 Z - 54 52 SA1226201 D - 62 12 SA1981301 K - 10 26 SA7209201 B - 1 4
S36893150 L - 44 28 SA1227301 D - 64 12 SA1982101 K - 11 26 SA7239101 B - 16 4
S37060001 A - 17 2 SA1228001 D - 65 12 SA1983201 K - 12 26 SA7242001 C - 2 8
S37060001 P3 - 11 38 SA1229101 D - 67 12 SA1984001 K - 16 26 SA7244001 D - 4 10
S37060001 Wa 65 SA1229101 J - 9 24 SA1985001 K - 18 26 SA7245002 D - 1 10
S38278001 E - 4 14 SA1230001 D - 71 12 SA1990101 K - 22 26 SA7247002 D - 2 10
S38687000 L - 56 28 SA1231001 D - 72 12 SA1992101 K - 25 26 SA7252101 D - 36 10
S38712001 B - 28 4 SA1234001 D - 80 12 SA1998001 L - 57 28 SA7253101 D - 37 10
S38760001 Ga4 59 SA1237101 D - 75 12 SA2161001 B - 13 4 SA7254001 D - 49 10
S38769000 H - 9 20 SA1239201 D - 83 12 SA2162001 D - 73 12 SA7255101 D - 74 12
S38803051 T - 5 48 SA1242001 D - 87 12 SA2165001 C - 28 8 SA7257001 D - 88 12
S38804050 T - 6 48 SA1242001 D - 97 12 SA2165001 T - 25 48 SA7263401 G - 4 18
S39051001 C - 32 8 SA1247101 D - 91+ 12 SA2177001 T - 7 48 SA7266201 G - 11 18
S39830101 D - 100 12 SA1251101 D - 91+ 12 SA2190001 K - 24 26 SA7271001 J - 20 24
S40765001 Z - 48 52 SA1254101 D - 91+ 12 SA2194201 B - 21 4 SA7272201 J - 23 24
S41205001 N - 5 32 SA1261001 D - 56+ 10 SA2250101 B - 27 4 SA7273202 J - 24+ 24
S42893001 C - 7+ 8 SA1263001 D - 56+ 10 SA2251001 B - 43 4 SA7275001 J - 25+ 24
S45050001 A - 21 2 SA1269001 D - 39 10 SA2252101 B - 48 6 SA7285101 L - 16 28
S45837001 C - 33 8 SA1273001 G - 10 18 SA2254101 B - 50 6 SA7287001 L - 22 28
S47508101 D - 99 12 SA1284101 G - 15 18 SA2258101 L - 29 28 SA7292101 P1 - 3 34
S47509001 H - 40 20 SA1285001 G - 16 18 SA2293101 D - 110 12 SA7293001 P1 - 7 34
S50098101 D - 6 10 SA1287001 G - 18 18 SA2294101 D - 108 12 SA7320001 G - 7 18
S50165001 B - 53 6 SA1292001 H - 1 20 SA2296001 T - 13 48 SA7321002 D - 22 10
S51272100 H - 44 22 SA1295001 H - 2 20 SA2345001 Sp2 54 SA7325001 P1 - 2 34
S51282101 Z - 18 50 SA1303101 H - 25 20 SA2345001 Sp3 55 SA7330001 D - 84 12
S51283001 Z - 16 50 SA1303101 H - 48 22 SA2345001 Ga6 61 SA7341301 L - 17 28
S51815001 H - 24 20 SA1306001 H - 35 20 SA2345001 Ga8 63 SA7422001 D - 101 12
S51815001 H - 37 20 SA1307001 H - 36 20 SA2346001 Sp2 54 SA7552101 L - 1 28
S52764001 H - 16 20 SA1313101 H - 46 22 SA2346001 Sp3 55 SA7554101 G - 13 18
S52936001 Sp1 53 SA1314001 H - 54 22 SA2346001 Ga5 60 SA7607101 C - 6 8
S52936001 Sp2 54 SA1315301 H - 51 22 SA2346001 Ga6 61 SA7625001 B - 9+ 4
S52936001 Sp3 55 SA1317101 B - 40 4 SA2346001 Ga8 63 SA7626001 B - 9+ 4
SA1106001 A - 1 2 SA1321701 H - 62 22 SA2348001 C - 7+ 8 SA7627001 B - 9+ 4
SA1107001 A - 2 2 SA1322401 H - 63 22 SA2356101 J - 3+ 24 SA7636201 H - 14 20
SA1120001 B - 5 4 SA1323101 H - 65 22 SA2358101 J - 3+ 24 SA7686102 Sp1 53
SA1138101 B - 22+ 4 SA1324001 H - 66 22 SA2377001 D - 69 12 SA7686102 Sp2 54
SA1139101 B - 22+ 4 SA1325101 H - 67 22 SA2378001 B - 45 6 SA7686102 Sp3 55
SA1143101 B - 36 4 SA1326101 H - 68 22 SA2390101 P4 - 12 40 SA7687101 Sp1 53
SA1144001 B - 37 4 SA1327101 H - 74 22 SA2400101 D - 85 12 SA7687101 Sp2 54
SA1150101 B - 46 6 SA1332001 T - 18 48 SA2401001 D - 96 12 SA7687101 Sp3 55
SA1167001 B - 41 4 SA1335001 T - 8 48 SA2404001 B - 30 4 SA7688101 Sp1 53
SA1173001 C - 1+ 8 SA1336001 T - 11 48 SA2417301 J - 11 24 SA7688101 Sp2 54
SA1174002 C - 5 8 SA1338001 T - 21 48 SA2422001 B - 11 4 SA7688101 Sp3 55
SA1175002 C - 34 8 SA1343001 J - 10 24 SA2689101 S - 13 46 SA7849001 J - 19 24
SA1176101 C - 12 8 SA1345001 J - 13 24 SA2779002 H - 41 20 SA7879101 G - 5 18
SA1177001 C - 13 8 SA1359001 J - 7 24 SA2848001 F - 7 16 SA8055001 G - 3 18
SA1178101 C - 14 8 SA1359001 K - 35 26 SA2875001 G - 30 18 SA8058301 B - 51 6
SA1179001 C - 15 8 SA1360101 K - 26 26 SA2992001 F - 9 16 SA8059101 B - 56 6
SA1179001 C - 27 8 SA1362201 L - 27 28 SA3114001 D - 109 12 SA8060201 B - 57 6
SA1179001 C - 30 8 SA1363001 L - 28 28 SA3152001 D - 107 12 SA8061001 B - 10 4
SA1179001 H - 75 22 SA1366101 L - 40 28 SA3508001 H - 72 22 SA8069001 C - 21 8
SA1181101 C - 17 8 SA1371501 M - 1 30 SA3980101 C - 16 8 SA8083001 F - 6 16
SA1182201 C - 19 8 SA1388101 P4 - 11 40 SA4098201 P4 - 4 40 SA8085001 N - 22 32
SA1186001 C - 24 8 SA1388101 S - 11 46 SA4098201 S - 4 46 SA8096001 Sp3 55
SA1189101 C - 39 8 SA1390001 S - 6 46 SA4099001 P4 - 5 40 SA8096001 Ga4 59
SA1190001 C - 29 8 SA1394101 L - 60 28 SA4494001 D - 3 10 SA8100001 C - 36 8
SA1205001 D - 12 10 SA1394101 N - 24 32 SA5329001 L - 12 28 SA8102001 Sp3 55
SA1206001 D - 16 10 SA1394101 S - 12 46 SA6167002 J - 6 24 SA8102001 Ga1 56
68
REF.NO REF.NO REF.NO REF.NO

69
/ Index
CODE Page CODE Page CODE Page CODE Page
SA8102001 Ga2 57 SA9377001 B - 29 4 SA9713001 L - 42 28 SA9867001 P1 - 6 34
SA8102001 Ga5 60 SA9384001 P1 - 25 34 SA9715001 L - 45 28 SA9894001 P3 - 10 38
SA8102001 Ga6 61 SA9437001 P1 - 12 34 SA9716001 L - 51 28 SA9896001 Q - 5 42
SA8102001 Ga7 62 SA9442001 P1 - 11 34 SA9718001 M - 2 30 SA9901001 Q - 4 42
SA8102001 Ga8 63 SA9443001 P1 - 14 34 SA9719001 M - 4 30 SA9914001 Q - 6 42
SA8103001 Sp3 55 SA9447001 P1 - 16 34 SA9720001 M - 7 30 SA9914001 Wa 65
SA8103001 Ga9 64 SA9448001 P1 - 17 34 SA9721101 S - 1 46 SA9917001 H - 79 22
SA8104001 Ga3 58 SA9449001 P1 - 20 34 SA9722101 S - 2 46 SA9923001 Q - 3 42
SA8105001 Ga1 56 SA9452001 P1 - 26 34 SA9723001 P4 - 3 40 SA9942001 H - 59 22
SA8105001 Ga2 57 SA9535001 Q - 2+ 42 SA9723001 S - 3 46 SA9943001 H - 60 22
SA8105001 Ga3 58 SA9546001 P3 - 1 38 SA9724001 S - 5 46 SA9944001 D - 8 10
SA8105001 Ga5 60 SA9549001 P3 - 2 38 SA9725001 P3 - 12 38 SA9945001 G - 2 18
SA8105001 Ga6 61 SA9553001 P3 - 4 38 SA9725001 Wa 65 SA9957001 A - 19 2
SA8105001 Ga7 62 SA9563001 K - 6 26 SA9727001 P3 - 3 38 SA9957001 Wa 65
SA8105001 Ga8 63 SA9564001 P3 - 7 38 SA9731001 Sp3 55 SA9957002 A - 20 2
SA8106001 Ga1 56 SA9565001 P3 - 8 38 SA9735001 H - 22 20 SA9957002 Wa 65
SA8106001 Ga2 57 SA9575001 P3 - 5 38 SA9746001 D - 31 10 SA9960001 J - 26+ 24
SA8106001 Ga5 60 SA9587001 P3 - 6+ 38 SA9747001 D - 32 10 SA9969011 Z - 2+ 50
SA8106001 Ga6 61 SA9602001 P3 - 6+ 38 SA9748001 B - 8+ 4 SA9969011 Sp1 53
SA8106001 Ga7 62 SA9616001 Q - 1+ 42 SA9749001 D - 104 12 SA9969014 Z - 2+ 50
SA8106001 Ga8 63 SA9622101 A - 3 2 SA9751001 B - 8+ 4 SA9969014 Sp2 54
SA8107001 Ga1 56 SA9623101 A - 7 2 SA9753101 H - 76 22 SA9969022 Z - 2+ 50
SA8107001 Ga2 57 SA9639001 H - 50 22 SA9755001 L - 15 28 SA9969022 Sp1 53
SA8107001 Ga5 60 SA9640001 Sp3 55 SA9759001 P1 - 23 34 SA9969022 Sp2 54
SA8107001 Ga6 61 SA9641001 Sp1 53 SA9763001 B - 52 6 SA9970014 Z - 2+ 50
SA8107001 Ga7 62 SA9641001 Sp2 54 SA9769001 N - 2 32 SA9970014 Sp3 55
SA8107001 Ga8 63 SA9641001 Sp3 55 SA9771001 N - 4 32 SA9970022 Z - 2+ 50
SA8108001 Ga1 56 SA9642001 Sp1 53 SA9773001 N - 10 32 SA9970022 Sp3 55
SA8108001 Ga2 57 SA9642001 Sp2 54 SA9774001 N - 12 32 SA9971010 Z - 2+ 50
SA8108001 Ga5 60 SA9643001 L - 9 28 SA9777001 N - 1 32 SA9971010 Sp1 53
SA8108001 Ga6 61 SA9646001 B - 8+ 4 SA9778001 N - 15 32 SA9971010 Sp2 54
SA8108001 Ga7 62 SA9651001 B - 8+ 4 SA9779001 N - 19 32 SA9972010 Z - 2+ 50
SA8108001 Ga8 63 SA9657001 C - 35 8 SA9786001 J - 28 24 SA9972010 Sp3 55
SA8109001 Ga1 56 SA9661001 D - 90+ 12 SA9788001 J - 24+ 24 SA9973001 K - 28 26
SA8109001 Ga2 57 SA9664001 T - 1+ 48 SA9789001 J - 24+ 24 SA9982001 P4 - 1 40
SA8109001 Ga5 60 SA96640E1 T - 1+ 48 SA9792001 H - 18 20 SA9983001 P4 - 2 40
SA8109001 Ga6 61 SA9665001 T - 2+ 48 SA9793001 H - 32 20 SA9984001 P4 - 6 40
SA8109001 Ga7 62 SA96650E1 T - 2+ 48 SA9794001 H - 33 20 SA9985001 P4 - 7 40
SA8109001 Ga8 63 SA9666001 D - 90+ 12 SA9795101 H - 39 20 SB0100001 P1 - 1 34
SA8239101 Z - 13 50 SA9667001 T - 12 48 SA9798001 L - 43 28
SA8503001 K - 9 26 SA9669001 D - 90+ 12 SA9800001 L - 46 28
SA8507001 K - 7 26 SA9670001 H - 6+ 20 SA9801001 L - 48 28
SA8508001 K - 3 26 SA9671001 H - 6+ 20 SA9813001 F - 5 16
SA8509001 K - 23 26 SA9672001 D - 102 12 SA9817001 D - 9 10
SA8510101 K - 20 26 SA9674001 E - 1 14 SA9818001 D - 10 10
SA8511101 K - 4 26 SA9676001 E - 6 14 SA9818001 D - 42 10
SA8512101 K - 21 26 SA9677001 F - 1 16 SA9819001 D - 34 10
SA8837001 Z - 56 52 SA9680001 F - 2 16 SA9821001 D - 40 10
SA8903001 C - 38 8 SA9682101 G - 1 18 SA9823001 D - 44 10
SA8903001 G - 21 18 SA9684001 G - 9 18 SA9824001 D - 45 10
SA8982102 K - 34 26 SA9689001 H - 4 20 SA9825001 D - 46 10
SA8987001 H - 29 20 SA9691001 H - 43 22 SA9826001 A - 18 2
SA8989001 H - 27 20 SA9694001 H - 56 22 SA9826001 Wa 65
SA8991001 H - 30 20 SA9696001 H - 31 20 SA9827001 L - 49 28
SA9111001 T - 22 48 SA9697001 H - 77 22 SA9828101 H - 42 20
SA9154001 C - 20 8 SA9698001 J - 2+ 24 SA9831001 Q - 1+ 42
SA9352001 N - 14 32 SA9699001 J - 1 24 SA9853001 N - 3 32
SA9353001 Sp1 53 SA9700001 J - 4 24 SA9854001 J - 15 24
SA9353001 Sp2 54 SA9701001 J - 2+ 24 SA9855001 K - 30 26
SA9356001 N - 9 32 SA9702001 J - 17 24 SA9856001 P1 - 22 34
SA9357001 D - 76 12 SA9704001 J - 18 24 SA9858001 D - 41 10
SA9359001 C - 1+ 8 SA9710001 L - 25 28 SA9865001 P1 - 4 34
SA9371101 L - 32 28 SA9712001 D - 24 10 SA9866001 P1 - 5 34
69
REF.NO REF.NO REF.NO REF.NO

70
126
MEMO

71
PARTS BOOK
http://www.brother.co.jp/
467-8561 15 1 TEL : 0120-33-2392
BROTHER INDUSTRIES, LTD. http://www.brother.com/
15-1, Naeshiro-cho, Mizuho-ku, Nagoya 467-8561, Japan. Phone : 81-52-824-2177
©2008 Brother Industries, Ltd. All Rights Reserved. S-7200C
SA9810-001.J/E
2008.07.B (1)