T 8752C PARTS BOOK
T-8750C Parts Book T-8750C PARTS BOOK T-8750C PARTS BOOK BROTHER a.teamworksales.com
2016-10-16
: Manual T 8752C Parts Book T_8752C_PARTS BOOK BROTHER
Open the PDF directly: View PDF .
Page Count: 72
- Cover
- Description of model plate
- Notes for using this parts book
- A. Machine body
- B. Upper shaft mechanism
- C. Needle bar rocking mechanism
- D. Needle bar flip-up mechanism
- E. Presser foot mechanism
- F. Feed mechanism
- G. Quick reverse mechanism
- H. Feed shaft mechanism
- J. Gauge parts
- K1. Rotary hook mechanism
- K2. Rotary hook mechanism
- L. Lower shaft mechanism
- M. Lubrication
- N. Threading mechanism
- P. Bobbin winder mechanism
- Q. Thread trimmer mechanism
- R. Tension release mechanism
- S. Thread wiper mechanism
- T1. Control box and motor mechanism
- T2. Control box
- T3. Control box
- U. Quick reverse switch mechanism
- V. Power supply equipment
- Z1. Accessories
- Z2. Accessories
- Wa. Warning labels
- Ga. Gauge parts list
- Index
- Back Cover

Parts Navigation http://partsbook.brother.co.jp/partsnavi/jpn/
The latest parts information, refer to the Parts Navigation. http://partsbook.brother.co.jp/partsnavi/eng/
T-8752C
2
TWIN NEEDLE DIRECT DRIVE SPLIT NEEDLE BAR LOCK STITCHER
WITH LARGE HOOK AND THREAD TRIMMER
PARTS BOOK

BROTHER INDUSTRIES, LTD.
T-8752C-40
3:
5:
7:

3: Medium-weight materials
5: Heavy-weight materials
Description of model plate
BROTHER INDUSTRIES, LTD.
T-8752C-40
7: Heavy-weight materials
(For extra-thick thread)

1.
2.
3.
4.
A. 1
B. 3
C. 5
D. 9
E.
11
F. 13
G. 15
H. 17
J. 19
K1.
21
K2.
25
L. 27
M. 29
N. 33
P. 35
Q. 37
R. 41
S. 43
T1. 45
T2. 47
T3. 49
U.
51
V. 53
Z1. 55
Z2. 57
Wa. 59
Ga. 61
63

1. This book was prepared based on information available in October 2011.
2. Parts are subject to changes in design without prior notice.
3. Parts supplied as complete assemblies are circled by a dotted line.
4.
A. Machine body ......................................................................... 1
B. Upper shaft mechanism ......................................................... 3
C. Needle bar rocking mechanism .............................................
.
5
D. Needle bar flip-up mechanism ............................................... 9
E. Presser foot mechanism ........................................................
.
11
F. Feed mechanism ...................................................................
.
13
G. Quick reverse mechanism .....................................................
.
15
H. Feed shaft mechanism ........................................................... 17
J. Gauge parts ...........................................................................
.
19
K1. Rotary hook mechanism ........................................................
.
21
K2. Rotary hook mechanism ........................................................
.
25
L. Lower shaft mechanism ......................................................... 27
M. Lubrication .............................................................................
.
29
N. Threading mechanism ...........................................................
.
33
P. Bobbin winder mechanism ..................................................... 35
Q. Thread trimmer mechanism ................................................... 37
R. Tension release mechanism .................................................. 41
S. Thread wiper mechanism ....................................................... 43
T1. Control box and motor mechanism ........................................ 45
T2. Control box ............................................................................. 47
T3. Control box ............................................................................. 49
U. Quick reverse switch mechanism ..........................................
.
51
V. Power supply equipment ........................................................ 53
Z1.
A
ccessories ............................................................................ 55
Z2.
A
ccessories ............................................................................ 57
Wa. Warning labels .......................................................................
.
59
Ga. Gauge parts list ...................................................................... 61
Index ......................................................................................
.
63
Notes for using this parts book
CONTENTS
The part which has the symbol "+" on its number (REF.NO) in the figure differs depending
on the specification or application. For details, refer to the parts list.

1
A. / Machine body
REF.NO CODE Q'TY NAME OF PARTS RM
1 140063001 2
DOWEL PIN
2 SA3924001 1
POSITIONING PIN
3 SB1311001 1 FACE PLATE ASS
Y
4 104449001 1
RUBBER CAP, 15.5
5 062501416 2 SCREW PAN M5X14
6 SA2441101 1
REAR COVE
R
7 062501216 7 SCREW PAN M5X12
8 SA2442201 1
MOTOR COVER
9 062501416 3 SCREW PAN M5X14
10 SA4370101 1
DUST PROTECTOR
11 062500616 2 SCREW PAN M5X6
12 SA2444101 1 BED LEG L
13 SA2445101 1 BED LED S
14 SA2448101 1 SLIDE PLATE L
A
15 SA2450101 1 SLIDE PLATE
R
16 S36663001 1 SLIDE PLATE F ASS
Y
17 S34438001 4
SCREW, FLAT SM3.18-40X4
18 116010001 1
SET SCREW, SM5.16-40X4
19 SA2929001 2
RUBBER CAP, 12.5
20 S37060001 1 LABEL, GROUNDING
21 SA9826001 1 LABEL CAUTION
22 062500816 2 SCREW PAN M5X8
23 SA9957001 1
INJURY MAR
K
24 SA9957002 1
INJURY MAR
K
T-8752C-050
2
1
T-8752C-050
A. / Machine body
17
16
13
18
1
4
3
22
7
11 10
19
6
20
2
15
14
5
21
9
8
12
24
23

2
A. / Machine body
REF.NO CODE Q'TY NAME OF PARTS RM
1 140063001 2
DOWEL PIN
2 SA3924001 1
POSITIONING PIN
3 SB1311001 1 FACE PLATE ASS
Y
4 104449001 1
RUBBER CAP, 15.5
5 062501416 2 SCREW PAN M5X14
6 SA2441101 1
REAR COVE
R
7 062501216 7 SCREW PAN M5X12
8 SA2442201 1
MOTOR COVER
9 062501416 3 SCREW PAN M5X14
10 SA4370101 1
DUST PROTECTOR
11 062500616 2 SCREW PAN M5X6
12 SA2444101 1 BED LEG L
13 SA2445101 1 BED LED S
14 SA2448101 1 SLIDE PLATE L
A
15 SA2450101 1 SLIDE PLATE
R
16 S36663001 1 SLIDE PLATE F ASS
Y
17 S34438001 4
SCREW, FLAT SM3.18-40X4
18 116010001 1
SET SCREW, SM5.16-40X4
19 SA2929001 2
RUBBER CAP, 12.5
20 S37060001 1 LABEL, GROUNDING
21 SA9826001 1 LABEL CAUTION
22 062500816 2 SCREW PAN M5X8
23 SA9957001 1
INJURY MAR
K
24 SA9957002 1
INJURY MAR
K
T-8752C-050
2

3
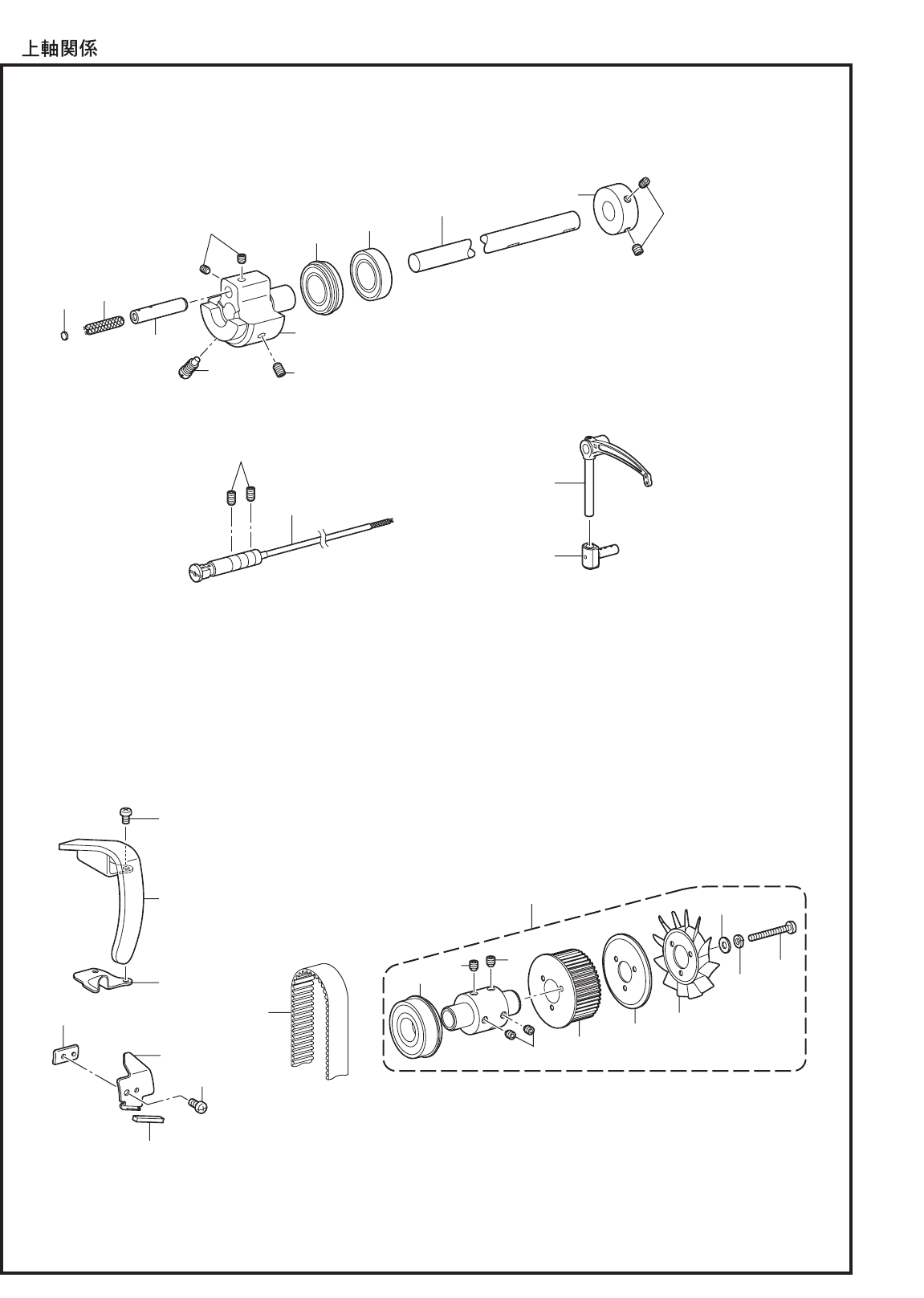
B. / Upper shaft mechanism
REF.NO CODE Q'TY NAME OF PARTS RM
1 SA4551001 1
UPPER SHAFT, DD
2 SA4373001 1
THREAD TAKE-UP CRAN
K
3 SB1485001 1
BALL BEARING, 6004ZZ
4 SB1484001 1
BALL BEARING, 6004ZZNR
5 SA6166001 1
CRANKSHAFT
6 117006001 1 WICK, L=60
7 113014000 1 PUSHE
R
8 S25260001 2 SET SCREW SOCKET (FT) M6X5
9 SA1120001 1 BOBBIN WINDER DRIVING WHEE
L
10 S23651001 2 SET SCREW SOCKET (FT) M6X6
11 S25235001 1
SCREW M8
12 S25236001 1 SET SCREW SOCKET (FT) M6X10
13 SA2861201 1
THREAD TAKE-UP S-SHAFT UNI
T
14 SA4368001 1
THREAD TAKE-UP LEVER ASSY,L5-
L
15 S13160001 1
T-TAKE-UP SLIDE BLOCK ASSY, 2
16 SA2460101 1
PRESSER ADJUSTING UNI
T
17 SB1536001 1
BALL BEARING, 6204ZZNR
18 S23651001 4 SET SCREW SOCKET (FT) M6X6
19 SA2461001 1
TIMING PULLEY, U DD
20 S38713100 1 FAN
21 062403512 3 SCREW PAN M4X35
22 028040242 3
WASHER SPRING 2-4
23 025040232 3
WASHER PLAIN M 4
24 SA2463001 1
TIMING BELT
25 012061036 2 SET SCREW SOCKET (FT) M6X10
26 SA2469101 1
THREAD TAKE-UP LEVER COVE
R
27 062500816 2 SCREW PAN M5X8
28 SA4537001 1
DUST COVE
R
29 SA4376101 1
SHELTER PLATE
30 SA3065001 1 FELT
31 SA3059101 1
HOLDER, SHELTER PLATE
32 062500816 1 SCREW PAN M5X8
33 SA2462001 1
U
PULLEY U FLANGE
T-8752C-109
4
T-8752C-109
3
B. / Upper shaft mechanism
8
11
5
7
3
4
6
26
28
27
12
2
10
9
29
32
31
30
1
24
18
19 33
18
20
22
21
23
16
17
18
14
13
15
25

4
B. / Upper shaft mechanism
REF.NO CODE Q'TY NAME OF PARTS RM
1 SA4551001 1
UPPER SHAFT, DD
2 SA4373001 1
THREAD TAKE-UP CRAN
K
3 SB1485001 1
BALL BEARING, 6004ZZ
4 SB1484001 1
BALL BEARING, 6004ZZNR
5 SA6166001 1
CRANKSHAFT
6 117006001 1 WICK, L=60
7 113014000 1 PUSHE
R
8 S25260001 2 SET SCREW SOCKET (FT) M6X5
9 SA1120001 1 BOBBIN WINDER DRIVING WHEE
L
10 S23651001 2 SET SCREW SOCKET (FT) M6X6
11 S25235001 1
SCREW M8
12 S25236001 1 SET SCREW SOCKET (FT) M6X10
13 SA2861201 1
THREAD TAKE-UP S-SHAFT UNI
T
14 SA4368001 1
THREAD TAKE-UP LEVER ASSY,L5-
L
15 S13160001 1
T-TAKE-UP SLIDE BLOCK ASSY, 2
16 SA2460101 1
PRESSER ADJUSTING UNI
T
17 SB1536001 1
BALL BEARING, 6204ZZNR
18 S23651001 4 SET SCREW SOCKET (FT) M6X6
19 SA2461001 1
TIMING PULLEY, U DD
20 S38713100 1 FAN
21 062403512 3 SCREW PAN M4X35
22 028040242 3
WASHER SPRING 2-4
23 025040232 3
WASHER PLAIN M 4
24 SA2463001 1
TIMING BELT
25 012061036 2 SET SCREW SOCKET (FT) M6X10
26 SA2469101 1
THREAD TAKE-UP LEVER COVE
R
27 062500816 2 SCREW PAN M5X8
28 SA4537001 1
DUST COVE
R
29 SA4376101 1
SHELTER PLATE
30 SA3065001 1 FELT
31 SA3059101 1
HOLDER, SHELTER PLATE
32 062500816 1 SCREW PAN M5X8
33 SA2462001 1
U
PULLEY U FLANGE
T-8752C-109
4

5
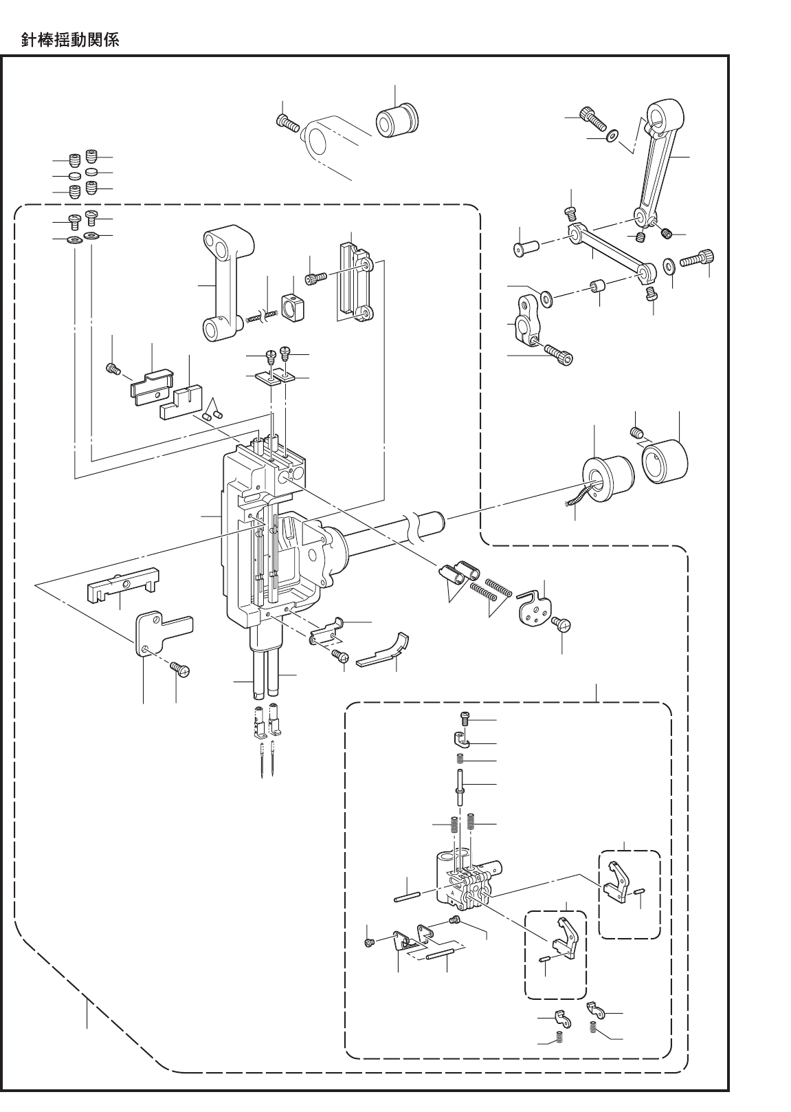
C. / Needle bar rocking mechanism
REF.NO CODE Q'TY NAME OF PARTS RM
1 SA8738101 1
NEEDLE BAR ROCKER SHAFT UNI
T
2 SB1434001 1
NEEDLE BAR BASE ASS
Y
3 SB1425001 1
SLIDE BLOCK SLIDE
R
4 018401036 2
BOLT SOCKET M4X10
5 SA4382001 1
NEEDLE BAR ASSY
L
6 SA4385001 1
NEEDLE BAR ASSY
R
7 SA8749001 1
NEEDLE BAR CLAMP ASSY <Mark Z>
8 149604001 2
PIN, 1.5X5.8
9 149605001 2
SPRING, CLUTCH LEVE
R
10 149827001 1
PIN, 2X15.8
11 S34561101 1 CLUTCH STOPPER L
12 S34562101 1 CLUTCH STOPPER
R
13 149608001 1
PIN, 2X17.8
14 112609001 2
SPRING
15 SA4391101 1
SPRING HOLDE
R
16 062260316 2 SCREW PAN M2.6X3
17 149610001 1
PIN
18 149611101 1
SPRING, RELEASE PIN
19 SA4392001 1
PIN COVE
R
20 002260516 1 SCREW PAN M2.6X5
21 SA4389101 2 CLUTCH LEVER ASS
Y
22 SA4395001 1 SLIDE BLOCK GUIDE PLATE
Need check the "Mark" the following parts before ordering
.
23+ S07575000 1 SLIDE BLOCK ASSY, 25 <Mark 25>
23+ S07575001 1 SLIDE BLOCK ASSY, 30 <Mark 30>
23+ S07575002 1 SLIDE BLOCK ASSY, 35 <Mark 35>
23+ S07575003 1 SLIDE BLOCK ASSY, 40 <Mark 40>
23+ S07575004 1 SLIDE BLOCK ASSY, 45 <Mark 45>
23+ S07575005 1 SLIDE BLOCK ASSY, 50 <Mark 50>
23+ S07575006 1 SLIDE BLOCK ASSY, 55 <Mark 55>
23+ S07575007 1 SLIDE BLOCK ASSY, 60 <Mark 60>
23+ S07575008 1 SLIDE BLOCK ASSY, 65 <Mark 65>
23+ S07575009 1 SLIDE BLOCK ASSY, 70 <Mark 70>
23+ S07575010 1 SLIDE BLOCK ASSY, 75 <Mark 75>
23+ S07575011 1 SLIDE BLOCK ASSY, 80 <Mark 80>
24 SA4583001 2
STOPPER, N-BA
R
25 149622001 2
SPRING, N-BAR STOPPE
R
26 SA4396001 1
SPRING COVE
R
27 060350616 1
SCREW BIND M3.5X6
28 SA4397001 2
ROTATE STOPPER, N-BA
R
29 SA4398001 2
SCREW, SM3.5
30 060350616 2
SCREW BIND M3.5X6
31 SA4399001 2
WASHER, PLANE
32 062350816 2 SCREW PAN M3.5X8
33 112728001 1 WICK, L=50
34 SA4393101 1
CRANK ROD, N-BA
R
35 SA4394001 1 SLIDE BLOC
K
36 SA4401001 1 FELT SUPPORT, D
37 062350516 2 SCREW PAN M3.5X5
38 SA4400001 1 FELT
39 107155001 2 FELT
40 SA5155001 1 FELT SUPPORT
41 SA5237101 1
FELT
42 062350516 1
SCREW PAN M3.5X5
43 014080831 4
SET SCREW SOCKET (CP) M8X8
44 154567000 2
SPACER, 5.3
45 SA2485001 1 SET SCREW COLLA
R
46 S25260001 2 SET SCREW SOCKET (FT) M6X5
47 SA2486101 1
BUSH,
R
48 062061616 1 SCREW PAN M6X16
49 SA2489001 1
NEEDLE BAR ROCKER LEVE
R
T-8752C-115
6
T-8752C-115
5
C. / Needle bar rocking mechanism
43
43 44
44
43
43
30
30
31
31
6
5
2
29
28
12
18
19
20
36
17
9
8
8
15 13
16
25
24
11
14
14
9
10
21
21
16
26
46 45
61
7
3
47
48
39
49
55
56
52
53
57
58
58
59
55
60
50
51
54
53
29
28
34
3533
41
40
42
22
27
62
3837
32
1
4
23+

6
C. / Needle bar rocking mechanism
REF.NO CODE Q'TY NAME OF PARTS RM
1 SA8738101 1
NEEDLE BAR ROCKER SHAFT UNI
T
2 SB1434001 1
NEEDLE BAR BASE ASS
Y
3 SB1425001 1
SLIDE BLOCK SLIDE
R
4 018401036 2
BOLT SOCKET M4X10
5 SA4382001 1
NEEDLE BAR ASSY
L
6 SA4385001 1
NEEDLE BAR ASSY
R
7 SA8749001 1
NEEDLE BAR CLAMP ASSY <Mark Z>
8 149604001 2
PIN, 1.5X5.8
9 149605001 2
SPRING, CLUTCH LEVE
R
10 149827001 1
PIN, 2X15.8
11 S34561101 1 CLUTCH STOPPER L
12 S34562101 1 CLUTCH STOPPER
R
13 149608001 1
PIN, 2X17.8
14 112609001 2
SPRING
15 SA4391101 1
SPRING HOLDE
R
16 062260316 2 SCREW PAN M2.6X3
17 149610001 1
PIN
18 149611101 1
SPRING, RELEASE PIN
19 SA4392001 1
PIN COVE
R
20 002260516 1 SCREW PAN M2.6X5
21 SA4389101 2 CLUTCH LEVER ASS
Y
22 SA4395001 1 SLIDE BLOCK GUIDE PLATE
Need check the "Mark" the following parts before ordering
.
23+ S07575000 1 SLIDE BLOCK ASSY, 25 <Mark 25>
23+ S07575001 1 SLIDE BLOCK ASSY, 30 <Mark 30>
23+ S07575002 1 SLIDE BLOCK ASSY, 35 <Mark 35>
23+ S07575003 1 SLIDE BLOCK ASSY, 40 <Mark 40>
23+ S07575004 1 SLIDE BLOCK ASSY, 45 <Mark 45>
23+ S07575005 1 SLIDE BLOCK ASSY, 50 <Mark 50>
23+ S07575006 1 SLIDE BLOCK ASSY, 55 <Mark 55>
23+ S07575007 1 SLIDE BLOCK ASSY, 60 <Mark 60>
23+ S07575008 1 SLIDE BLOCK ASSY, 65 <Mark 65>
23+ S07575009 1 SLIDE BLOCK ASSY, 70 <Mark 70>
23+ S07575010 1 SLIDE BLOCK ASSY, 75 <Mark 75>
23+ S07575011 1 SLIDE BLOCK ASSY, 80 <Mark 80>
24 SA4583001 2
STOPPER, N-BA
R
25 149622001 2
SPRING, N-BAR STOPPE
R
26 SA4396001 1
SPRING COVE
R
27 060350616 1
SCREW BIND M3.5X6
28 SA4397001 2
ROTATE STOPPER, N-BA
R
29 SA4398001 2
SCREW, SM3.5
30 060350616 2
SCREW BIND M3.5X6
31 SA4399001 2
WASHER, PLANE
32 062350816 2 SCREW PAN M3.5X8
33 112728001 1 WICK, L=50
34 SA4393101 1
CRANK ROD, N-BA
R
35 SA4394001 1 SLIDE BLOC
K
36 SA4401001 1 FELT SUPPORT, D
37 062350516 2 SCREW PAN M3.5X5
38 SA4400001 1 FELT
39 107155001 2 FELT
40 SA5155001 1 FELT SUPPORT
41 SA5237101 1
FELT
42 062350516 1
SCREW PAN M3.5X5
43 014080831 4
SET SCREW SOCKET (CP) M8X8
44 154567000 2
SPACER, 5.3
45 SA2485001 1 SET SCREW COLLA
R
46 S25260001 2 SET SCREW SOCKET (FT) M6X5
47 SA2486101 1
BUSH,
R
48 062061616 1 SCREW PAN M6X16
49 SA2489001 1
NEEDLE BAR ROCKER LEVE
R
T-8752C-115
6

7
C. / Needle bar rocking mechanism
REF.NO CODE Q'TY NAME OF PARTS RM
50 018062032 1
BOLT SOCKET M6X20
51 118735002 1
WASHE
R
52 SA2490101 1
ROCKER LINK N-BA
R
53 S23460001 2 SCREW PAN M6X5
54 SB1437001 1
LINK SHAFT, N-BAR ROCKE
R
55 012060636 2 SET SCREW SOCKET (FT) M6X6
56 SB1438001 1 ZIGZAG LINK BUSH
57 018062532 1
BOLT SOCKET M6X25
58 SA2493001 2
WASHER, PLAIN
59 SA2494001 1
NEEDLE BAR ROCK ARM
60 018062032 1
BOLT SOCKET M6X20
61 SA5332001 1
BUSH L
62 S48204000 1 WICK, 4X4 L=150
T-8752C-115
8
T-8752C-115
7
C. / Needle bar rocking mechanism
43
43 44
44
43
43
30
30
31
31
6
5
2
29
28
12
18
19
20
36
17
9
8
8
15 13
16
25
24
11
14
14
9
10
21
21
16
26
46 45
61
7
3
47
48
39
49
55
56
52
53
57
58
58
59
55
60
50
51
54
53
29
28
34
3533
41
40
42
22
27
62
3837
32
1
4
23+

8
C. / Needle bar rocking mechanism
REF.NO CODE Q'TY NAME OF PARTS RM
50 018062032 1
BOLT SOCKET M6X20
51 118735002 1
WASHE
R
52 SA2490101 1
ROCKER LINK N-BA
R
53 S23460001 2 SCREW PAN M6X5
54 SB1437001 1
LINK SHAFT, N-BAR ROCKE
R
55 012060636 2 SET SCREW SOCKET (FT) M6X6
56 SB1438001 1 ZIGZAG LINK BUSH
57 018062532 1
BOLT SOCKET M6X25
58 SA2493001 2
WASHER, PLAIN
59 SA2494001 1
NEEDLE BAR ROCK ARM
60 018062032 1
BOLT SOCKET M6X20
61 SA5332001 1
BUSH L
62 S48204000 1 WICK, 4X4 L=150
T-8752C-115
8

9
T-8752C-122
9
D. / Needle bar flip-up mechanism
23
15+
9
2
5
7
8
30
30
14
16
29
29 17
4
18
19
26
28
6
10
31
13
12
16
1
3
25 30
23
24
11
22
20 21
27
30
29

10
D. / Needle bar flip-up mechanism
REF.NO CODE Q'TY NAME OF PARTS RM
1 SA4402001 1
INDICATION PLATE ASS
Y
2 104833001 2
RUBBER CAP, 4.3
3 SA5336001 1
HOLDER PLATE COVE
R
4 062501016 2 SCREW PAN M5X10
5 SA4404001 1
PUSH LEVE
R
6 SA4441001 2
SHOULDER SCREW, M4
7 SA4405001 1
PLATE, PUSH LEVE
R
8 062350516 2 SCREW PAN M3.5X5
9 SA5333001 1
SPRING
10 SA4406001 1
STOP LEVER SHAFT ASS
Y
11 047301842 1
PIN SPRING ROLL AW3
12 SA4408001 1 STUD, L
13 SA4409001 1 STUD, S
14 SA4411101 1
FLIP-UP HOLDER PLATE
<> <Except for China>
15+ S18964001 1
LABEL
<> <For China only>
15+ SA4419001 1
LABEL
16 062500816 2 SCREW PAN M5X8
17 SA4412001 1
BALL GUIDE BUSH
18 150820001 1
SPRING
19 071063550 1 BEARING BALL, 1/4
20 SA4413001 1
A
RM LEVER SHAF
T
21 062501416 1 SCREW PAN M5X14
22 SA5588001 1
SHOULDER SCREW M4
23 SA4414001 2
SPRING
24 SA4415001 1
SLIDE SHAFT BRACKE
T
25 062500816 2 SCREW PAN M5X8
26 S07588101 1
SLIDE SHAFT
27 SA4416001 1
SUPPORT PLATE, SLIDE SHAF
T
28 149863001 2
SPRING, PLATE
29 SA4417001 3 SET SCREW COLLA
R
30 014400432 5
SET SCREW SOCKET (CP) M4X4
31 SA4418001 1
GUIDE SCRE
W
T-8752C-122
10

11
E. / Presser foot mechanism
REF.NO CODE Q'TY NAME OF PARTS RM
1 SA2495001 1
PRESSER BAR BUSH
2 062500816 1 SCREW PAN M5X8
3 SA1174002 1
PESSER ADJUSTING SCREW, M14
4 SA1175002 1
A
DJUST SCREW NU
T
5 SA7607101 1
SPRING GUIDE
6 S07346101 1
PRESSER BAR SPRING, -
5
7 SB1439001 1
PRESSER BA
R
8 SA2498001 1
GUIDE BRACKET, P-BA
R
9 S25289001 1
BOLT (CP) M6X10
10 SA2499001 1
PRESSER BAR LIFTING CRAN
K
11 S31006002 1
LIFTING LEVER
12 S39051001 1
SCREW PAN (S/P W) M3.5X12
13 S07351001 1 TENSION RELEASE PLATE ASS
Y
14 S07529001 1 T-RELEASE CONNECTING ROD ASS
Y
15 048030342 2 RETAINING RING E3
16 SA2677101 1 TENSION RELEASE WIRE
17 012061832 1 SET SCREW, SOCKET (FT) M6X18
18 021060306 1 NUT 3 M6
19 SA2500001 1
KNEE LIFTER C-ROD ASS
Y
20 SA2501001 1
PRESSER BAR LIFTING LEVE
R
21 SA2502001 1
KNEE LIFTER CONNECTING ROD
22 SA1179001 1
SHOULDER SCREW, M5
23 S07349001 1
P-BAR LIFTING LEVER SHAFT
24 SA2504001 1 SET SCREW COLLA
R
25 012500536 2 SET SCREW SOCKET (FT) M5X5
26 S07355051 2
SPRING, EXTENSION
27 062501216 1 SCREW PAN M5X12
28 021500106 1 NUT, 1 M5
29 SA2506001 1
KNEE LIFTER LEVE
R
30 SA2507001 1
KNEE LIFTER BA
R
31 SA1179001 1
SHOULDER SCREW, M5
32 SA2165001 1
SHOULDER SCREW, M6
33 SA1179001 1
SHOULDER SCREW, M5
34 SA4149101 1
A
DJUSTING SCREW 6
35 021060306 1 NUT 3 M6
36 S07350001 1
WASHER, PLAIN
<
> <Option parts>
37 S10780001 1 TENSION RELEASE PLATE ASS
Y
38 S07529001 1 T-RELEASE CONNECTING ROD ASS
Y
39 048030342 2 RETAINING RING E3
40 SA2677101 1 TENSION RELEASE WIRE
41 SA2578001 1
PRESSER BAR LIFTING LEVE
R
T-8752C-201
12
T-8752C-201
11
E. / Presser foot mechanism
< / Option parts >
14
15 16
15
25
28
26
27
17 18
23
19
9
1
7
8
5
4
3
6
10
24
22
21
29
1112
20
32
33 31
30
13
2
35
34
36
38
39
41
37
39
40

12
E. / Presser foot mechanism
REF.NO CODE Q'TY NAME OF PARTS RM
1 SA2495001 1
PRESSER BAR BUSH
2 062500816 1 SCREW PAN M5X8
3 SA1174002 1
PESSER ADJUSTING SCREW, M14
4 SA1175002 1
A
DJUST SCREW NU
T
5 SA7607101 1
SPRING GUIDE
6 S07346101 1
PRESSER BAR SPRING, -
5
7 SB1439001 1
PRESSER BA
R
8 SA2498001 1
GUIDE BRACKET, P-BA
R
9 S25289001 1
BOLT (CP) M6X10
10 SA2499001 1
PRESSER BAR LIFTING CRAN
K
11 S31006002 1
LIFTING LEVER
12 S39051001 1
SCREW PAN (S/P W) M3.5X12
13 S07351001 1 TENSION RELEASE PLATE ASS
Y
14 S07529001 1 T-RELEASE CONNECTING ROD ASS
Y
15 048030342 2 RETAINING RING E3
16 SA2677101 1 TENSION RELEASE WIRE
17 012061832 1 SET SCREW, SOCKET (FT) M6X18
18 021060306 1 NUT 3 M6
19 SA2500001 1
KNEE LIFTER C-ROD ASS
Y
20 SA2501001 1
PRESSER BAR LIFTING LEVE
R
21 SA2502001 1
KNEE LIFTER CONNECTING ROD
22 SA1179001 1
SHOULDER SCREW, M5
23 S07349001 1
P-BAR LIFTING LEVER SHAFT
24 SA2504001 1 SET SCREW COLLA
R
25 012500536 2 SET SCREW SOCKET (FT) M5X5
26 S07355051 2
SPRING, EXTENSION
27 062501216 1 SCREW PAN M5X12
28 021500106 1 NUT, 1 M5
29 SA2506001 1
KNEE LIFTER LEVE
R
30 SA2507001 1
KNEE LIFTER BA
R
31 SA1179001 1
SHOULDER SCREW, M5
32 SA2165001 1
SHOULDER SCREW, M6
33 SA1179001 1
SHOULDER SCREW, M5
34 SA4149101 1
A
DJUSTING SCREW 6
35 021060306 1 NUT 3 M6
36 S07350001 1
WASHER, PLAIN
<
> <Option parts>
37 S10780001 1 TENSION RELEASE PLATE ASS
Y
38 S07529001 1 T-RELEASE CONNECTING ROD ASS
Y
39 048030342 2 RETAINING RING E3
40 SA2677101 1 TENSION RELEASE WIRE
41 SA2578001 1
PRESSER BAR LIFTING LEVE
R
T-8752C-201
12

13
F. / Feed mechanism
REF.NO CODE Q'TY NAME OF PARTS RM
1 SA3062001 1 FEED REGULATOR ASSY, 11
2 SA2511001 2 GUIDE PLATE
3 062501016 4 SCREW PAN M5X10
4 SA2512001 1 SLIDE BLOCK ASS
Y
5 SA2515001 3 FELT
6 SA2516001 1 STOPEE
R
7 062060816 1 SCREW PAN M6X8
8 143611201 1 F-ROCKER CONNECTING ROD ASS
Y
9 143612100 1 FEED ROCKER CONNECTING ROD
10 118954000 1
NEEDLE BEARING
11 SA2791001 1 LEVEL FEED ECCENTRIC WHEEL 7
12 SA2585001 1
SET SCREW, SOCKET (FT) M6
13 S25236001 1 SET SCREW SOCKET (FT) M6X10
14 SA2793001 1
FEED ROCKER ARM 7
15 018062032 1
BOLT SOCKET M6X20
16 143613051 1
LIN
K
17 143616001 1
SHAFT
18 048060342 2 RETAINING RING E6
19 S38428002 1
STITCH LENGTH DIAL, 7
20 SA3056001 1
FEED REGULATING STUD
21 142746122 1 FEED REGULATING SUPPORTE
R
22 129458202 1
SCREW SM4.76
23 108549001 1
O RING
24 S50098101 1
POSITIONING PIN
25 100328001 1
NOTCH SPRING
26 SA2523001 1
DIAL LOCK LEVE
R
27 S39830101 1
SPRING
28 SA2796001 1 FEED REGULATOR 7
29 016061031 2
SET SCREW SOCKET (CN) M6X10
30 SA2526001 1 CONNECTING ROD
31 SB1440001 1
ECCENTRIC SHAFT
32 012060636 1 SET SCREW SOCKET (FT) M6X6
33 SB1413001 1
SHOULDER SCREW M6
34 SA2529101 1
SHAFT, R-LEVER TR
35 048080342 1 RETAINING RING E8
36 025100132 1
WASHER PLAIN S 10
37 SA2530001 1
SPACE
R
38 S07374209 1
REVERSE STITCHING LEVE
R
39 SA2531001 1
SPRING
40 SA2541001 1
REVERSE STITCHING LEVER PLATE
41 SA6592001 1
SCREW M5
42 104821001 1
RUBBER CAP, 10.5
43 062500816 2 SCREW PAN M5X8
44 SA2532001 1 STOPPE
R
45 062501216 1 SCREW PAN M5X12
46 025050236 1
WASHER PLAIN M 5
47 S07376101 1
FEED REGULATOR SPRING
48 SA2533001 1
SPRING HOO
K
49 062060816 1 SCREW PAN M6X8
50 062501216 1 SCREW PAN M5X12
51 021500106 1 NUT 1 M5
T-8752C-202
14
13
F. / Feed mechanism
T-8752C-202
3
2
4
5
7
6
9 10
13 12
1817
15
14
16
18
20
2726
23
19
21
22
24
25
47
29
28
33
30
8
32
31
1
11
4644 45
49
39
34
35 36 37
38
41
40
43
42
48 51 50

14
F. / Feed mechanism
REF.NO CODE Q'TY NAME OF PARTS RM
1 SA3062001 1 FEED REGULATOR ASSY, 11
2 SA2511001 2 GUIDE PLATE
3 062501016 4 SCREW PAN M5X10
4 SA2512001 1 SLIDE BLOCK ASS
Y
5 SA2515001 3 FELT
6 SA2516001 1 STOPEE
R
7 062060816 1 SCREW PAN M6X8
8 143611201 1 F-ROCKER CONNECTING ROD ASS
Y
9 143612100 1 FEED ROCKER CONNECTING ROD
10 118954000 1
NEEDLE BEARING
11 SA2791001 1 LEVEL FEED ECCENTRIC WHEEL 7
12 SA2585001 1
SET SCREW, SOCKET (FT) M6
13 S25236001 1 SET SCREW SOCKET (FT) M6X10
14 SA2793001 1
FEED ROCKER ARM 7
15 018062032 1
BOLT SOCKET M6X20
16 143613051 1
LIN
K
17 143616001 1
SHAFT
18 048060342 2 RETAINING RING E6
19 S38428002 1
STITCH LENGTH DIAL, 7
20 SA3056001 1
FEED REGULATING STUD
21 142746122 1 FEED REGULATING SUPPORTE
R
22 129458202 1
SCREW SM4.76
23 108549001 1
O RING
24 S50098101 1
POSITIONING PIN
25 100328001 1
NOTCH SPRING
26 SA2523001 1
DIAL LOCK LEVE
R
27 S39830101 1
SPRING
28 SA2796001 1 FEED REGULATOR 7
29 016061031 2
SET SCREW SOCKET (CN) M6X10
30 SA2526001 1 CONNECTING ROD
31 SB1440001 1
ECCENTRIC SHAFT
32 012060636 1 SET SCREW SOCKET (FT) M6X6
33 SB1413001 1
SHOULDER SCREW M6
34 SA2529101 1
SHAFT, R-LEVER TR
35 048080342 1 RETAINING RING E8
36 025100132 1
WASHER PLAIN S 10
37 SA2530001 1
SPACE
R
38 S07374209 1
REVERSE STITCHING LEVE
R
39 SA2531001 1
SPRING
40 SA2541001 1
REVERSE STITCHING LEVER PLATE
41 SA6592001 1
SCREW M5
42 104821001 1
RUBBER CAP, 10.5
43 062500816 2 SCREW PAN M5X8
44 SA2532001 1 STOPPE
R
45 062501216 1 SCREW PAN M5X12
46 025050236 1
WASHER PLAIN M 5
47 S07376101 1
FEED REGULATOR SPRING
48 SA2533001 1
SPRING HOO
K
49 062060816 1 SCREW PAN M6X8
50 062501216 1 SCREW PAN M5X12
51 021500106 1 NUT 1 M5
T-8752C-202
14

15
G. / Quick reverse mechanism
REF.NO CODE Q'TY NAME OF PARTS RM
1 SB1441001 1
QUICK REVERSE SOLENOID UNI
T
2 154730001 1 RETAINING RING E15
3 154731000 1
RUBBER STOPPE
R
4 SA2535101 1
SOLENOID BRACKE
T
5 062500812 3 SCREW PAN M5X8
6 062061016 2 SCREW PAN M6X10
7 SA2992001 1
PIN
8 048060142 1
RETAINING RING EXTERNAL C6
9 153138001 1
WASHER, PLAIN 6.5
10 SA2536001 1
SOLENOID LEVER ASS
Y
11 SA2540001 1
QUICK REVERSE LEVE
R
12 016061031 2
SET SCREW SOCKET (CN) M6X10
13 SA2992001 1
PIN
14 012060636 2 SET SCREW SOCKET (FT) M6X6
15 SA2539001 1
SOLENOID LEVER SHAF
T
16 018062032 1
BOLT SOCKET M6X20
17 149095001 1
WASHER, PLAIN 6
18 153132000 1
NYLON TUBE, L=13.5
T-8752C-205
16
T-8752C-205
15
G. / Quick reverse mechanism
18
14
11
13
15
17 16
10
1
3
98 2
7
6
5
4
14
12

16
G. / Quick reverse mechanism
REF.NO CODE Q'TY NAME OF PARTS RM
1 SB1441001 1
QUICK REVERSE SOLENOID UNI
T
2 154730001 1 RETAINING RING E15
3 154731000 1
RUBBER STOPPE
R
4 SA2535101 1
SOLENOID BRACKE
T
5 062500812 3 SCREW PAN M5X8
6 062061016 2 SCREW PAN M6X10
7 SA2992001 1
PIN
8 048060142 1
RETAINING RING EXTERNAL C6
9 153138001 1
WASHER, PLAIN 6.5
10 SA2536001 1
SOLENOID LEVER ASS
Y
11 SA2540001 1
QUICK REVERSE LEVE
R
12 016061031 2
SET SCREW SOCKET (CN) M6X10
13 SA2992001 1
PIN
14 012060636 2 SET SCREW SOCKET (FT) M6X6
15 SA2539001 1
SOLENOID LEVER SHAF
T
16 018062032 1
BOLT SOCKET M6X20
17 149095001 1
WASHER, PLAIN 6
18 153132000 1
NYLON TUBE, L=13.5
T-8752C-205
16

17
H. / Feed shaft mechanism
REF.NO CODE Q'TY NAME OF PARTS RM
1 SA3855001 1
BUSH, L: F-ROCKER SHAFT
2 SA3965001 1 FELT
3 SA4028001 1 WICK, 4X4 L=220
4 SA2543001 1
FEED ROCKER SHAFT BUSH,
R
5 108802001 1 WICK, 4X4 L=250
6 SA2544001 1
SET SCREW M6
7 012060636 1 SET SCREW SOCKET (FT) M6X6
8 SA2546001 2 SET SCREW COLLA
R
9 S23651001 4 SET SCREW SOCKET (FT) M6X6
10 SA3840001 1
FEED ROCKER SHAF
T
11 SA6150101 1
FEED BAR TR FORK ASS
Y
12 SA2927001 1
SCREW, M6X14
13 025060132 1
WASHER PLAIN S 6
14 SA2566001 1
SET SCREW, M3.5
15 021350106 1 NUT 1 M3.5
16 SA2553001 1
FORKED PLATE
17 SA2554001 1
A
DJUSTING SCRE
W
18 062400616 1 SCREW PAN M4X6
19 SA3990001 1 FELT
20 SA3887001 1 FELT
21 SA3888001 1 FELT HOLDER
22 025030132 1
WASHER PLAIN S 3
23 062300416 1 SCREW PAN M3X4
24 SB1445001 1
FEED BAR SHAF
T
25 SA2551001 2
THRUST RING
26 012060636 1 SET SCREW SOCKET (FT) M6X6
27 SA2555001 1
FEED ROCKER BASE ARM
28 SA2928001 2
SCREW, M5X12
29 SA4538001 1 WICK, 3X3 L=200
30 SA2806101 1
FEED BAR SLIDE BLOCK ASS
Y
31 SA6308001 4 SCREW FLAT #0 M2X4
32 SA4009001 1 WICK SUPPOR
T
33 062400616 2 SCREW PAN M4X6
34 SA2724001 1 WICK, L=400
35 SA4011001 1
OIL TUBE, L=100
T-8752C-211
18
T-8752C-211
17
H. / Feed shaft mechanism
7
6
9
8
9
8
4
5
34
35
32
9
9
2
1
10
3
31
31 30
33
17
15
14
25
20
23
28
1213
24
18
16
21
29
22
26
25
27
11
19

18
H. / Feed shaft mechanism
REF.NO CODE Q'TY NAME OF PARTS RM
1 SA3855001 1
BUSH, L: F-ROCKER SHAFT
2 SA3965001 1 FELT
3 SA4028001 1 WICK, 4X4 L=220
4 SA2543001 1
FEED ROCKER SHAFT BUSH,
R
5 108802001 1 WICK, 4X4 L=250
6 SA2544001 1
SET SCREW M6
7 012060636 1 SET SCREW SOCKET (FT) M6X6
8 SA2546001 2 SET SCREW COLLA
R
9 S23651001 4 SET SCREW SOCKET (FT) M6X6
10 SA3840001 1
FEED ROCKER SHAF
T
11 SA6150101 1
FEED BAR TR FORK ASS
Y
12 SA2927001 1
SCREW, M6X14
13 025060132 1
WASHER PLAIN S 6
14 SA2566001 1
SET SCREW, M3.5
15 021350106 1 NUT 1 M3.5
16 SA2553001 1
FORKED PLATE
17 SA2554001 1
A
DJUSTING SCRE
W
18 062400616 1 SCREW PAN M4X6
19 SA3990001 1 FELT
20 SA3887001 1 FELT
21 SA3888001 1 FELT HOLDER
22 025030132 1
WASHER PLAIN S 3
23 062300416 1 SCREW PAN M3X4
24 SB1445001 1
FEED BAR SHAF
T
25 SA2551001 2
THRUST RING
26 012060636 1 SET SCREW SOCKET (FT) M6X6
27 SA2555001 1
FEED ROCKER BASE ARM
28 SA2928001 2
SCREW, M5X12
29 SA4538001 1 WICK, 3X3 L=200
30 SA2806101 1
FEED BAR SLIDE BLOCK ASS
Y
31 SA6308001 4 SCREW FLAT #0 M2X4
32 SA4009001 1 WICK SUPPOR
T
33 062400616 2 SCREW PAN M4X6
34 SA2724001 1 WICK, L=400
35 SA4011001 1
OIL TUBE, L=100
T-8752C-211
18

19
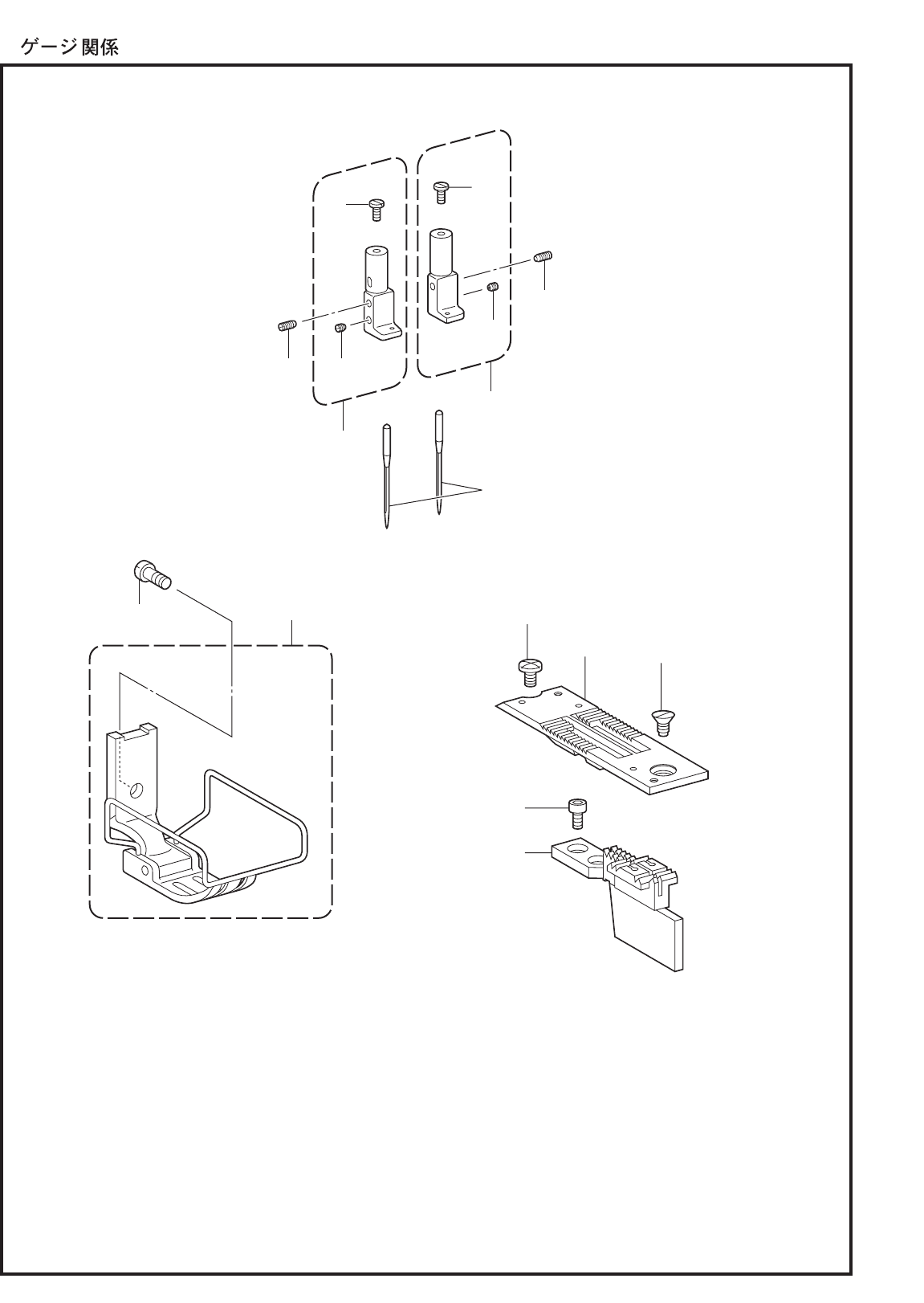
J. / Gauge parts
REF.NO CODE Q'TY NAME OF PARTS RM
1+ * P.61-62 1
NEEDLE CLAMP ASSY,
L
2+ * P.61-62 1
NEEDLE CLAMP ASSY,
R
3 013660412 2
SET SCREW (CP) SM3.18-40X4
4 S13085001 2
SET SCREW, SM3.18
5 149831101 2
SET SCREW, SM3.18
6+ * P.61-62 1 NEEDLE PLATE
7 S11244001 1
SCREW, SM4.37
8 100032004 1
SCREW, FLAT SM4.37-40X8
9+ * P.61-62 1 PRESSER FOOT ASS
Y
10 113050001 1
SCREW, SM3.57
11+ * P.61-62 1
FEED DOG
12 S07494001 2
SCREW, W/SOCKET SM3.18X7
<> <For -403>
13+ NEEDLE DPX5…(#14)
<,> <For -405, -407>
13+ NEEDLE DPX5…(#22)
T-8752C-231
20
T-8752C-231
19
J. / Gauge parts
10
34
4
3
5
13+
11+
2+
1+
9+
6+
7
8
12
5

20
J. / Gauge parts
REF.NO CODE Q'TY NAME OF PARTS RM
1+ * P.61-62 1
NEEDLE CLAMP ASSY,
L
2+ * P.61-62 1
NEEDLE CLAMP ASSY,
R
3 013660412 2
SET SCREW (CP) SM3.18-40X4
4 S13085001 2
SET SCREW, SM3.18
5 149831101 2
SET SCREW, SM3.18
6+ * P.61-62 1 NEEDLE PLATE
7 S11244001 1
SCREW, SM4.37
8 100032004 1
SCREW, FLAT SM4.37-40X8
9+ * P.61-62 1 PRESSER FOOT ASS
Y
10 113050001 1
SCREW, SM3.57
11+ * P.61-62 1
FEED DOG
12 S07494001 2
SCREW, W/SOCKET SM3.18X7
<> <For -403>
13+ NEEDLE DPX5…(#14)
<,> <For -405, -407>
13+ NEEDLE DPX5…(#22)
T-8752C-231
20

21
K1. / Rotary hook mechanism
REF.NO CODE Q'TY NAME OF PARTS RM
1 SA4439401 1
ROTARY HOOK BASE 875TR (L)
2 SA2562201 1
ROTARY HOOK BASE COVER
L
3 SA3054001 1
THRUST WASHER, L
4 SA6424101 1 FELT UL ASS
Y
5 SA4044001 1 FELT DL ASS
Y
6 SA2671001 1
THREAD TRIMMER LEVER, L
7 SA6462001 1
ROTARY HOOK BASE COVER F
L
8 SA4440501 1
ROTARY HOOK BASE 875TR (R)
9 SA2563301 1
ROTARY HOOK BASE COVER
R
10 SA2579001 1
SPECE
R
11 SA6425101 1 FELT UR ASS
Y
12 SA4045001 1 FELT DR ASS
Y
13 SA2670101 1
THREAD TRIMMER LEVER
R
14 SA6463001 1
ROTARY HOOK BASE COVER F
R
15 S09259001 2
ROTARY HOOK BUSH, U
16+ S09260001 2
THRUST RING, A: 1.2MM < t=1.2 >
16+ SA4038001 2
THRUST RING < t=1.0 >
16+ S09261001 2
THRUST RING, B: 1.4MM < t=1.4 >
16+ SA4444001 2
THRUST RING 0.8MM < t=0.8 >
17 S07420000 2
NEEDLE BEARING
18 S07419001 2
RETAINING RING
19 SA6474001 2
ROTARY HOOK SHAFT BUSH
20 SB1447001 2
OPENER LIN
K
21 SA3861101 2
OPENER LEVE
R
22 SA2560001 2
SHAFT, O-LINK
23 021500316 2 NUT 3 M5
24 SA3889101 2
O-LEVER SHAFT
25 SA4026001 2 WICK, 4X4 L=100
26 012501031 2 SET SCREW SOCKET (FT) M5X10
27 S38212001 2
OPENE
R
28 154965001 2
BOLT, SOCKET SM3.57X8
29 062300612 8 SCREW PAN M3X6
30 SA2572001 2
SPIRAL GEAR SCREW ASS
Y
31 SA2574001 4
SET SCREW, (FT) M6
32 SA2575001 2
SET SCREW, (FT) M6
33 SA6301001 2
PINION GEAR SCREW ASS
Y
34 SA2574001 6
SET SCREW, (FT) M6
35 062400616 2 SCREW PAN M4X6
36 062400616 2 SCREW PAN M4X6
37 SA4012001 2 FELT
38 SA3894001 2 FELT SUPPORT
39 062400616 2 SCREW PAN M4X6
40 SA2717001 4
STOPPER SCRE
W
41 SA2676001 2 MOVABLE KNIFE BRACKE
T
42 062400812 4 SCREW PAN M4X8
43 S07525100 2
SPRING, PLATE
44 141544001 4
SCREW, SM3.18-40X3
45 SA3912001 2
MOVABLE KNIFE LEVE
R
46 SA2675001 2 SET SCREW COLLA
R
47 S23651001 2 SET SCREW SOCKET (FT) M6X6
48 018501232 2
BOLT SOCKET M5X12
49 SA6294101 2
THRUST RING
50 SA6307101 2
PINION GEAR SE
T
51 SB2330001 2
WASHER PLAIN S SM4.76
52 SA2826001 2
SPRING, EXTENSION
53 SA6417001 4
SCREW M4X12
54 SA2556001 2
SCREW, M6X25
55 115947101 2
WASHER PLAIN 6.35
56 SA2722001 2
PINCH SLEEVE
A
57 SA2565001 2
PINCH SLEEVE B
58 SA2556001 2
SCREW, M6X25
T-8752C-301
22
T-8752C-301
21
K1. / Rotary hook mechanism
< Refer to P.25 >
< P.25 >
< Refer to P.25 >
< P.25 >
1
19
34 34
33
34
49
50
34 34
33
34
19
50
3131
31
27
5
36
10
29
26
31
30
30
37
26
38
15
39
39
38
37
24
22
27
28
25
17
28
18
15
21
51
23
12
17
18
24
25
21
32
32
23
51
9
62
61
62
56
57
58
61
29
2
42
42
3
20
22
20
36
14
54
59
55
60
59
60
53
753
56
57
58
54
55
8
48
13
40 40
46 47
45
41
43 44
45
41
43
44
47 46
40
40
52
52
6
49
4
35 11
35
48
64
63
16+
16+

22
K1. / Rotary hook mechanism
REF.NO CODE Q'TY NAME OF PARTS RM
1 SA4439401 1
ROTARY HOOK BASE 875TR (L)
2 SA2562201 1
ROTARY HOOK BASE COVER
L
3 SA3054001 1
THRUST WASHER, L
4 SA6424101 1 FELT UL ASS
Y
5 SA4044001 1 FELT DL ASS
Y
6 SA2671001 1
THREAD TRIMMER LEVER, L
7 SA6462001 1
ROTARY HOOK BASE COVER F
L
8 SA4440501 1
ROTARY HOOK BASE 875TR (R)
9 SA2563301 1
ROTARY HOOK BASE COVER
R
10 SA2579001 1
SPECE
R
11 SA6425101 1 FELT UR ASS
Y
12 SA4045001 1 FELT DR ASS
Y
13 SA2670101 1
THREAD TRIMMER LEVER
R
14 SA6463001 1
ROTARY HOOK BASE COVER F
R
15 S09259001 2
ROTARY HOOK BUSH, U
16+ S09260001 2
THRUST RING, A: 1.2MM < t=1.2 >
16+ SA4038001 2
THRUST RING < t=1.0 >
16+ S09261001 2
THRUST RING, B: 1.4MM < t=1.4 >
16+ SA4444001 2
THRUST RING 0.8MM < t=0.8 >
17 S07420000 2
NEEDLE BEARING
18 S07419001 2
RETAINING RING
19 SA6474001 2
ROTARY HOOK SHAFT BUSH
20 SB1447001 2
OPENER LIN
K
21 SA3861101 2
OPENER LEVE
R
22 SA2560001 2
SHAFT, O-LINK
23 021500316 2 NUT 3 M5
24 SA3889101 2
O-LEVER SHAFT
25 SA4026001 2 WICK, 4X4 L=100
26 012501031 2 SET SCREW SOCKET (FT) M5X10
27 S38212001 2
OPENE
R
28 154965001 2
BOLT, SOCKET SM3.57X8
29 062300612 8 SCREW PAN M3X6
30 SA2572001 2
SPIRAL GEAR SCREW ASS
Y
31 SA2574001 4
SET SCREW, (FT) M6
32 SA2575001 2
SET SCREW, (FT) M6
33 SA6301001 2
PINION GEAR SCREW ASS
Y
34 SA2574001 6
SET SCREW, (FT) M6
35 062400616 2 SCREW PAN M4X6
36 062400616 2 SCREW PAN M4X6
37 SA4012001 2 FELT
38 SA3894001 2 FELT SUPPORT
39 062400616 2 SCREW PAN M4X6
40 SA2717001 4
STOPPER SCRE
W
41 SA2676001 2 MOVABLE KNIFE BRACKE
T
42 062400812 4 SCREW PAN M4X8
43 S07525100 2
SPRING, PLATE
44 141544001 4
SCREW, SM3.18-40X3
45 SA3912001 2
MOVABLE KNIFE LEVE
R
46 SA2675001 2 SET SCREW COLLA
R
47 S23651001 2 SET SCREW SOCKET (FT) M6X6
48 018501232 2
BOLT SOCKET M5X12
49 SA6294101 2
THRUST RING
50 SA6307101 2
PINION GEAR SE
T
51 SB2330001 2
WASHER PLAIN S SM4.76
52 SA2826001 2
SPRING, EXTENSION
53 SA6417001 4
SCREW M4X12
54 SA2556001 2
SCREW, M6X25
55 115947101 2
WASHER PLAIN 6.35
56 SA2722001 2
PINCH SLEEVE
A
57 SA2565001 2
PINCH SLEEVE B
58 SA2556001 2
SCREW, M6X25
T-8752C-301
22

23
K1. / Rotary hook mechanism
REF.NO CODE Q'TY NAME OF PARTS RM
59 SA2567001 2 NEEDLE UPPER POSITIONING PLATE
60 SA2568001 2
NEEDLE UPPER POSITIONING SHAF
T
61 062061016 4 SCREW PAN M6X10
62 025060136 4
WASHER PLAIN S 6
63 S09285051 2
BOBBIN
64 S09286000 2
A
NTI-SPIN SPRING
T-8752C-301
24
T-8752C-301
23
K1. / Rotary hook mechanism
< Refer to P.25 >
< P.25 >
< Refer to P.25 >
< P.25 >
1
19
34 34
33
34
49
50
34 34
33
34
19
50
3131
31
27
5
36
10
29
26
31
30
30
37
26
38
15
39
39
38
37
24
22
27
28
25
17
28
18
15
21
51
23
12
17
18
24
25
21
32
32
23
51
9
62
61
62
56
57
58
61
29
2
42
42
3
20
22
20
36
14
54
59
55
60
59
60
53
753
56
57
58
54
55
8
48
13
40 40
46 47
45
41
43 44
45
41
43
44
47 46
40
40
52
52
6
49
4
35 11
35
48
64
63
16+
16+

24
K1. / Rotary hook mechanism
REF.NO CODE Q'TY NAME OF PARTS RM
59 SA2567001 2 NEEDLE UPPER POSITIONING PLATE
60 SA2568001 2
NEEDLE UPPER POSITIONING SHAF
T
61 062061016 4 SCREW PAN M6X10
62 025060136 4
WASHER PLAIN S 6
63 S09285051 2
BOBBIN
64 S09286000 2
A
NTI-SPIN SPRING
T-8752C-301
24

25
K2. / Rotary hook mechanism
REF.NO CODE Q'TY NAME OF PARTS RM
1 SB0772001 1 ROTARY HOOK BOX ASS
Y
2 155479001 1
TENSION SPRING
3 151029001 1
TENSION ADJUSTING SCRE
W
4 151030001 1
SET SCRE
W
5 151035001 1
SET SCRE
W
6 155478001 1
TENSION SPRING
7 151027001 2
SET SCRE
W
8 S09284001 1
LOW THREAD HOLDING PLATE
9 SA8266001 1
SCREW SM1.59X1.6
10 S09280001 1
CAP ASS
Y
T-8752C-301
26
T-8752C-301
25
K2. / Rotary hook mechanism
8
9
1
3
6
4
2
7
5
10

26
K2. / Rotary hook mechanism
REF.NO CODE Q'TY NAME OF PARTS RM
1 SB0772001 1 ROTARY HOOK BOX ASS
Y
2 155479001 1
TENSION SPRING
3 151029001 1
TENSION ADJUSTING SCRE
W
4 151030001 1
SET SCRE
W
5 151035001 1
SET SCRE
W
6 155478001 1
TENSION SPRING
7 151027001 2
SET SCRE
W
8 S09284001 1
LOW THREAD HOLDING PLATE
9 SA8266001 1
SCREW SM1.59X1.6
10 S09280001 1
CAP ASS
Y
T-8752C-301
26

27
L. / Lower shaft mechanism
REF.NO CODE Q'TY NAME OF PARTS RM
1 SA3890001 1
ROTARY HOOK BASE BUSH,
L
2 SA4585001 1 FELT
3 SA3891001 1
ROTARY HOOK BASE BUSH,
R
4 SA4585001 1 FELT
5 SA2571101 1
LOWER SHAFT
6 SA2580101 1
F-LIFTING ECCENTRIC WHEEL ASS
Y
7 SA2575001 1
SET SCREW (FT) M6
8 SA2584001 1
BALL BEARING BUSH
9 SB1484001 1
BALL BEARING, 6004ZZNR
10 SA2585001 1
SET SCREW, SOCKET (FT) M6
11 S23651001 1 SET SCREW SOCKET (FT) M6X6
12 SA2587101 1
TIMING PULLEY ASSY, D
13 SB1536001 1
BALL BEARING, 6204ZZNR
14 SA2585001 1
SET SCREW, SOCKET (FT) M6
15 SA4213001 1
SET SCREW SOCKET (CP) M6X10
T-8752C-305
28
T-8752C-305
27
L. / Lower shaft mechanism
15
10
8
14
13 12
7
911
1
6
3
2
4
5

28
L. / Lower shaft mechanism
REF.NO CODE Q'TY NAME OF PARTS RM
1 SA3890001 1
ROTARY HOOK BASE BUSH,
L
2 SA4585001 1 FELT
3 SA3891001 1
ROTARY HOOK BASE BUSH,
R
4 SA4585001 1 FELT
5 SA2571101 1
LOWER SHAFT
6 SA2580101 1
F-LIFTING ECCENTRIC WHEEL ASS
Y
7 SA2575001 1
SET SCREW (FT) M6
8 SA2584001 1
BALL BEARING BUSH
9 SB1484001 1
BALL BEARING, 6004ZZNR
10 SA2585001 1
SET SCREW, SOCKET (FT) M6
11 S23651001 1 SET SCREW SOCKET (FT) M6X6
12 SA2587101 1
TIMING PULLEY ASSY, D
13 SB1536001 1
BALL BEARING, 6204ZZNR
14 SA2585001 1
SET SCREW, SOCKET (FT) M6
15 SA4213001 1
SET SCREW SOCKET (CP) M6X10
T-8752C-305
28

29
M. / Lubrication
REF.NO CODE Q'TY NAME OF PARTS RM
1 SA2814201 1 OIL TANK ASS
Y
2 SA3040001 3 OIL FEEDING PIPE
3 SA3946001 1 OIL TERMINAL
4 SA2956001 2
OIL TUBE, L=135
5 SA2957001 4 FELT
6 SA6178001 4
CLIP
7 SA3055101 2
TUBE CLIP
8 062500816 1 SCREW PAN M5X8
9 SA2929001 2
RUBBER CAP, 12.5
10 S38266000 2
ROTARY HOOK SHAFT FELT
11 SA5224001 1 FELT ASS
Y
12 SA4033101 1 FELT SUPPORT
13 228475000 1
FASTENING BAND 1.9X80
14 S49623000 1
OIL TUBE, L=280
15 SA5293001 1 WICK L=410
16 SA5154201 1 OIL SUPPORT
17 062501016 1 SCREW PAN M5X10
18 SA2929001 2
RUBBER CAP, 12.5
19 104450101 1
RUBBER CAP, 8
20 081038070 1
O RING P38
21 SA2723001 1
OIL TUBE, L=210
22 SA2724001 1 WICK, L=400
23 SA3055101 1
TUBE CLIP
24 0A5501006 2
SCREW PAN (S/P WASHER) M5X10
25 SA7540001 1
OIL BLOCK SET
26 SA6475001 2
OIL ADJUSTING SCRE
W
27 081004070 2
O RING P4
28 SA6468001 2
RUBBER PACKING
29 SA6423001 2
ROTARY HOOK SHAFT FELT
30 SA6415001 2 WICK L=80
31 142274101 2
RUBBER CAP, 4.2
32 SA7548001 1
SUB-TANK SE
T
33 SA3040001 1 OIL FEEDING PIPE
34 SA3060001 1
VALVE PACKING
35 104450101 1
RUBBER CAP, 8
36 0A4400806 2
SCREW PAN (S/P WASHER) M4X
8
37 SA3045201 1
SUB-TANK SETTING PLATE
A
38 SA3046001 1
SUB-TANK SETTING PLATE, B
39 062060816 2 SCREW PAN M6X8
40 SA3044001 1
OIL TUBE, L=242
41 SA3055101 2
TUBE CLIP
42 SA6472001 1
TUBE SUPPOR
T
43 SA3923101 2
ROTARY HOOK BASE D PACKING
44 062401616 4 SCREW PAN M4X16
45 SA2604001 1 FEED REGULATOR FELT
46 SA2605001 1 FELT SUPPORT
47 062500616 1 SCREW PAN M5X6
48 109405001 1 WICK 4X4 (L=100)
49 108801001 1 WICK, 4X4 L=350
50 SA2606101 1
OIL COVER
51 104450101 1
RUBBER CAP, 8
52 SA3048101 1
TUBE SUPPORT,
A
53 SA3049001 1
TUBE SUPPORT, B
54 062400616 1 SCREW PAN M4X6
55 SA6473001 1
TUBE GUIDE
56 140890009 1
OIL CAP
57 112753001 2 FELT
58 062061016 3 SCREW PAN M6X10
59 025060236 1
WASHER PLAIN M 6
60 SA6423001 2
ROTARY HOOK SHAFT FELT
T-8752C-350
30
T-8752C-350
29
M. / Lubrication
47
45
46
49
48
64
64
41
41
57
56
57
29
28 30
60
43
31
63
44
63
42
61
25
27
26 27
61
31
26
29
43
28
30
60
62
62
44
33
34
38
39
35
36
36
58
58
59
53
58
52
51
50
37
55
54
32
13
11
15
14
1617
12
40
9
347
10
5
5
8
18
2
24
19
1
2
21
22
20
23
2
7
4
6
6
6
6

30
M. / Lubrication
REF.NO CODE Q'TY NAME OF PARTS RM
1 SA2814201 1 OIL TANK ASS
Y
2 SA3040001 3 OIL FEEDING PIPE
3 SA3946001 1 OIL TERMINAL
4 SA2956001 2
OIL TUBE, L=135
5 SA2957001 4 FELT
6 SA6178001 4
CLIP
7 SA3055101 2
TUBE CLIP
8 062500816 1 SCREW PAN M5X8
9 SA2929001 2
RUBBER CAP, 12.5
10 S38266000 2
ROTARY HOOK SHAFT FELT
11 SA5224001 1 FELT ASS
Y
12 SA4033101 1 FELT SUPPORT
13 228475000 1
FASTENING BAND 1.9X80
14 S49623000 1
OIL TUBE, L=280
15 SA5293001 1 WICK L=410
16 SA5154201 1 OIL SUPPORT
17 062501016 1 SCREW PAN M5X10
18 SA2929001 2
RUBBER CAP, 12.5
19 104450101 1
RUBBER CAP, 8
20 081038070 1
O RING P38
21 SA2723001 1
OIL TUBE, L=210
22 SA2724001 1 WICK, L=400
23 SA3055101 1
TUBE CLIP
24 0A5501006 2
SCREW PAN (S/P WASHER) M5X10
25 SA7540001 1
OIL BLOCK SET
26 SA6475001 2
OIL ADJUSTING SCRE
W
27 081004070 2
O RING P4
28 SA6468001 2
RUBBER PACKING
29 SA6423001 2
ROTARY HOOK SHAFT FELT
30 SA6415001 2 WICK L=80
31 142274101 2
RUBBER CAP, 4.2
32 SA7548001 1
SUB-TANK SE
T
33 SA3040001 1 OIL FEEDING PIPE
34 SA3060001 1
VALVE PACKING
35 104450101 1
RUBBER CAP, 8
36 0A4400806 2
SCREW PAN (S/P WASHER) M4X
8
37 SA3045201 1
SUB-TANK SETTING PLATE
A
38 SA3046001 1
SUB-TANK SETTING PLATE, B
39 062060816 2 SCREW PAN M6X8
40 SA3044001 1
OIL TUBE, L=242
41 SA3055101 2
TUBE CLIP
42 SA6472001 1
TUBE SUPPOR
T
43 SA3923101 2
ROTARY HOOK BASE D PACKING
44 062401616 4 SCREW PAN M4X16
45 SA2604001 1 FEED REGULATOR FELT
46 SA2605001 1 FELT SUPPORT
47 062500616 1 SCREW PAN M5X6
48 109405001 1 WICK 4X4 (L=100)
49 108801001 1 WICK, 4X4 L=350
50 SA2606101 1
OIL COVER
51 104450101 1
RUBBER CAP, 8
52 SA3048101 1
TUBE SUPPORT,
A
53 SA3049001 1
TUBE SUPPORT, B
54 062400616 1 SCREW PAN M4X6
55 SA6473001 1
TUBE GUIDE
56 140890009 1
OIL CAP
57 112753001 2 FELT
58 062061016 3 SCREW PAN M6X10
59 025060236 1
WASHER PLAIN M 6
60 SA6423001 2
ROTARY HOOK SHAFT FELT
T-8752C-350
30

31
M. / Lubrication
REF.NO CODE Q'TY NAME OF PARTS RM
61 SA6416001 2
RUBBER PRESSE
R
62 SA6414001 2
TUBE CLIP
63 140327001 2
RUBBER CAP, 6.3
64 148743001 2 FELT
T-8752C-350
32
T-8752C-350
31
M. / Lubrication
47
45
46
49
48
64
64
41
41
57
56
57
29
28 30
60
43
31
63
44
63
42
61
25
27
26 27
61
31
26
29
43
28
30
60
62
62
44
33
34
38
39
35
36
36
58
58
59
53
58
52
51
50
37
55
54
32
13
11
15
14
1617
12
40
9
347
10
5
5
8
18
2
24
19
1
2
21
22
20
23
2
7
4
6
6
6
6

32
M. / Lubrication
REF.NO CODE Q'TY NAME OF PARTS RM
61 SA6416001 2
RUBBER PRESSE
R
62 SA6414001 2
TUBE CLIP
63 140327001 2
RUBBER CAP, 6.3
64 148743001 2 FELT
T-8752C-350
32

33
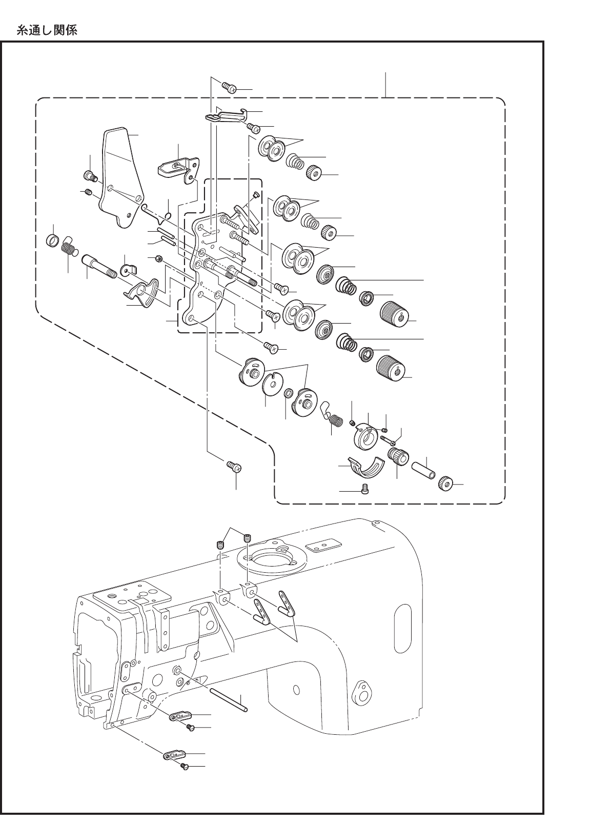
N. / Threading mechanism
REF.NO CODE Q'TY NAME OF PARTS RM
<> <For -403>
1+ SA3417401 1 UPPER THREAD TENSION ASSY -
3
2+ SA3415001 2
TENSION SPRING, L
<,> <For -405, -407>
1+ SA2607401 1 UPPER THREAD TENSION ASSY -
5
2+ SA3416101 2
TENSION SPRING LL
3 SA4212001 1
TENSION PLATE ASS
Y
4 SA2613001 1
TENSION STUD
5 SA2614201 1
THREAD TAKE-UP SPRING L
6 SA2615001 2
GUIDE ASSY, T/TAKE-UP SPRING
7 SA2619001 1 SPACE
R
8 SA2623201 1
THREAD TAKE-UP SPRING
R
9 SA2620001 1 COLLAR
10 SA2621001 1
STOPPER SUPPOR
T
11 021300106 1 NUT 1 M3
12 SA2626001 1
SET SCREW, (CP) M3.5
13 SA2624001 1
SPRING GUIDE SET SCRE
W
14 SA2625001 1
A
DJUSTING THUMB
15 SA2626001 1
SET SCREW, (CP) M3.5
16 SA2627001 1 COLLAR
17 SA2628001 1 TENSION NUT
18 SA2629001 1
STOPPE
R
19 004350616 1 SCREW FLAT M3.5X6
20 SA2824001 1
NUT, WHIRL-STOP M3.5
21 SA2630001 1
STOPPE
R
22 062350516 1 SCREW PAN M3.5X5
23 145446001 4 DISC, TENSION
24 159805001 2 TENSION DISC PRESSE
R
25 S20681000 2
WASHE
R
26 S20682111 2 TENSION NUT
27 144504001 4 THREAD GUIDE DISC
28 154560101 2
PRE-TENSION SPRING
A
29 155510001 2 TENSION NUT
30 SA2632001 1 TENSION RELEASE PLATE
31 012500536 1 SET SCREW SOCKET (FT) M5X5
32 S38274001 1
T-RELEASE SPRING
33 SA2633001 2
SHOULDER SCREW, M3.5
34 SA4506001 1
TENSION RELEASE PIN, L
35 SA4507001 1
TENSION RELEASE PIN,
R
36 SA2634001 1 THREAD GUIDE, U: ARM
37 004350616 2 SCREW FLAT M3.5X6
38 SA2635001 1 THREAD QUANTITY ADJUS
T
39 062300616 1 SCREW PAN M3X6
40 SA6378001 1
CAP
41 062500816 2 SCREW PAN M5X8
42 SA2636001 2 THREAD RETAINE
R
43 012060636 2 SET SCREW SOCKET (FT) M6X6
44 SA2637001 1
BAR, TENSION RELEASE
45 SA2638001 2 THREAD GUIDE, M: ARM
46 SA2640001 2
SCREW FLAT M5X8
T-8752C-401
34
33
T-8752C-401
N. / Threading mechanism
29
28
27
29
28
26
24
25
25
27
23
26
17
24
23
4
5
8
41
44
9
14
12
7
22
18
35
21
3
20
40
31
34
6
15
10
16
13
33
36
32
41
38
39
37
19
11
30
37
42
43
46
45
46
45
2+
2+
1+

34
N. / Threading mechanism
REF.NO CODE Q'TY NAME OF PARTS RM
<> <For -403>
1+ SA3417401 1 UPPER THREAD TENSION ASSY -
3
2+ SA3415001 2
TENSION SPRING, L
<,> <For -405, -407>
1+ SA2607401 1 UPPER THREAD TENSION ASSY -
5
2+ SA3416101 2
TENSION SPRING LL
3 SA4212001 1
TENSION PLATE ASS
Y
4 SA2613001 1
TENSION STUD
5 SA2614201 1
THREAD TAKE-UP SPRING L
6 SA2615001 2
GUIDE ASSY, T/TAKE-UP SPRING
7 SA2619001 1 SPACE
R
8 SA2623201 1
THREAD TAKE-UP SPRING
R
9 SA2620001 1 COLLAR
10 SA2621001 1
STOPPER SUPPOR
T
11 021300106 1 NUT 1 M3
12 SA2626001 1
SET SCREW, (CP) M3.5
13 SA2624001 1
SPRING GUIDE SET SCRE
W
14 SA2625001 1
A
DJUSTING THUMB
15 SA2626001 1
SET SCREW, (CP) M3.5
16 SA2627001 1 COLLAR
17 SA2628001 1 TENSION NUT
18 SA2629001 1
STOPPE
R
19 004350616 1 SCREW FLAT M3.5X6
20 SA2824001 1
NUT, WHIRL-STOP M3.5
21 SA2630001 1
STOPPE
R
22 062350516 1 SCREW PAN M3.5X5
23 145446001 4 DISC, TENSION
24 159805001 2 TENSION DISC PRESSE
R
25 S20681000 2
WASHE
R
26 S20682111 2 TENSION NUT
27 144504001 4 THREAD GUIDE DISC
28 154560101 2
PRE-TENSION SPRING
A
29 155510001 2 TENSION NUT
30 SA2632001 1 TENSION RELEASE PLATE
31 012500536 1 SET SCREW SOCKET (FT) M5X5
32 S38274001 1
T-RELEASE SPRING
33 SA2633001 2
SHOULDER SCREW, M3.5
34 SA4506001 1
TENSION RELEASE PIN, L
35 SA4507001 1
TENSION RELEASE PIN,
R
36 SA2634001 1 THREAD GUIDE, U: ARM
37 004350616 2 SCREW FLAT M3.5X6
38 SA2635001 1 THREAD QUANTITY ADJUS
T
39 062300616 1 SCREW PAN M3X6
40 SA6378001 1
CAP
41 062500816 2 SCREW PAN M5X8
42 SA2636001 2 THREAD RETAINE
R
43 012060636 2 SET SCREW SOCKET (FT) M6X6
44 SA2637001 1
BAR, TENSION RELEASE
45 SA2638001 2 THREAD GUIDE, M: ARM
46 SA2640001 2
SCREW FLAT M5X8
T-8752C-401
34

35
P. / Bobbin winder mechanism
REF.NO CODE Q'TY NAME OF PARTS RM
1 SA1971502 1 BOBBIN WINDER UNI
T
2 048040342 1 RETAINING RING, E4
3 SA8508001 1
B-WINDER SHAFT SUPPORT ASS
Y
4 108549001 1
O RING
5 SA8511101 1
BOBBIN WINDER SHAF
T
6 SB1639001 1 SHEET
7 SA9563001 1
BOBBIN FIXED SPRING
8 SA8507001 1 BOBBIN WINDER WHEE
L
9 012400636 2 SET SCREW SOCKET (FT) M4X6
10 SA8503001 1
RUBBER RING
11 SA1981301 1
BOBBIN PRESSER CAM ASS
Y
12 SA1982101 1
BOBBIN PRESSER CAM
13 SA1983201 1
BOBBIN WINDER ARM SHAF
T
14 012500536 1 SET SCREW SOCKET (FT) M5X5
15 048040342 1 RETAINING RING E4
16 025060136 2
WASHER PLAIN S 6
17 SA1984001 1
BOBBIN PRESSER ARM
18 018401236 1
BOLT SOCKET M4X12
19 SA1985001 1
BOBBIN PRESSE
R
20 S23418002 1
SCREW M4X5
21 SA8510101 1
BOBBIN SUPPOR
T
22 SA8512101 1
BOBBIN WINDER LEVE
R
23 SA1990101 1
SPRING
24 SA8509001 1
BOBBIN WINDER BASE SPRIN
G
25 SA2190001 1
O RING, SS5
26 SA1992101 3
BOBBIN WINDER FIXED SCRE
W
27 SA1360101 1 KNIFE
28 062500616 1 SCREW, PAN M5X6
29 SA1994102 1 BOBBIN WINDER TENSION ASS
Y
30 145446002 2 DISC, TENSION
31 100401022 1
TENSION SPRING
32 S31032002 1 TENSION NUT
33 S12441001 1
WASHE
R
34 012500536 1 SET SCREW, SOCKET (FT) M5X5
35 SA8982202 1 BOBBIN WINDER BASE
T-8752C-402
36
35
T-8752C-402
P. / Bobbin winder mechanism
30
31
33
32
30
18
26
27
3
22
25
35
16
23
24
2
5
7
4
8 10
9
13
12
14
11
16
15
17
19
20
21
6
28
34
1
29

36
P. / Bobbin winder mechanism
REF.NO CODE Q'TY NAME OF PARTS RM
1 SA1971502 1 BOBBIN WINDER UNI
T
2 048040342 1 RETAINING RING, E4
3 SA8508001 1
B-WINDER SHAFT SUPPORT ASS
Y
4 108549001 1
O RING
5 SA8511101 1
BOBBIN WINDER SHAF
T
6 SB1639001 1 SHEET
7 SA9563001 1
BOBBIN FIXED SPRING
8 SA8507001 1 BOBBIN WINDER WHEE
L
9 012400636 2 SET SCREW SOCKET (FT) M4X6
10 SA8503001 1
RUBBER RING
11 SA1981301 1
BOBBIN PRESSER CAM ASS
Y
12 SA1982101 1
BOBBIN PRESSER CAM
13 SA1983201 1
BOBBIN WINDER ARM SHAF
T
14 012500536 1 SET SCREW SOCKET (FT) M5X5
15 048040342 1 RETAINING RING E4
16 025060136 2
WASHER PLAIN S 6
17 SA1984001 1
BOBBIN PRESSER ARM
18 018401236 1
BOLT SOCKET M4X12
19 SA1985001 1
BOBBIN PRESSE
R
20 S23418002 1
SCREW M4X5
21 SA8510101 1
BOBBIN SUPPOR
T
22 SA8512101 1
BOBBIN WINDER LEVE
R
23 SA1990101 1
SPRING
24 SA8509001 1
BOBBIN WINDER BASE SPRIN
G
25 SA2190001 1
O RING, SS5
26 SA1992101 3
BOBBIN WINDER FIXED SCRE
W
27 SA1360101 1 KNIFE
28 062500616 1 SCREW, PAN M5X6
29 SA1994102 1 BOBBIN WINDER TENSION ASS
Y
30 145446002 2 DISC, TENSION
31 100401022 1
TENSION SPRING
32 S31032002 1 TENSION NUT
33 S12441001 1
WASHE
R
34 012500536 1 SET SCREW, SOCKET (FT) M5X5
35 SA8982202 1 BOBBIN WINDER BASE
T-8752C-402
36

37
Q. / Thread trimmer mechanism
REF.NO CODE Q'TY NAME OF PARTS RM
1 SB1449001 1 THREAD TRIMMER SOLENOID
2 SA2643001 1
SOLENOID BRACKE
T
3 SA2644001 1
SOLENOID JOINT
4 SA2645001 1
SHOULDER SCREW, M5
5 012500536 1 SET SCREW SOCKET (FT) M5X5
6 SA2646001 1
SOLENOID LEVE
R
7 SA2728001 1
SOLENOID LEVER BRACKE
T
8 062501016 2 SCREW PAN M5X10
9 SA2647001 1
SOLENOID LEVER SHAF
T
10 062061012 2 SCREW PAN M6X10
11 SA2648001 1 CORD HOLDER
12 062060816 1 SCREW PAN M6X8
13 SA2651001 1
DRIVING ROD
14 148546001 1
PLUNGER PIN
15 SA2652101 1
DRIVING ROD PLATE, TR
16 SA2860001 1
WASHE
R
17 SA6395001 1
SPRING
18 062501016 1 SCREW PAN M5X10
19 116662003 1
WASHE
R
20 SA2655001 1
SHOULDER SCREW, M4
21 062351216 1 SCREW PAN M3.5X12
22 021350106 1 NUT 1 M3.5
23 SA6392001 1 ROLLER
24 SA6393001 1
ROLLER SHAFT
25 SA6394001 1
TENSION RELEASE LEVE
R
26 113431002 1
WASHER, PLAIN
27 028050246 1
WASHER SPRING 2-5
28 021500106 1 NUT 1 M5
29 SA2657001 1
MAIN LEVER SUPPORT SHAF
T
30 SA2658001 1
MAIN LEVER SHAFT
31 012060636 2 SET SCREW SOCKET (FT) M6X6
32 SB1450001 1
MAIN LEVER ASS
Y
33 SB1452001 1
ROLLER SHAFT ASS
Y
34 105234003 1 NUT SM4.37
35 148559100 1
RUBBE
R
36 S07509001 1
MAIN LEVER SPRING
37 048070342 1 RETAINING RING E7
38 062061616 2 SCREW PAN M6X16
39 SA2661001 1 THREAD TRIMMER CAM
40 SA2378001 4
SPACER, 4.8
41 S25236001 4 SET SCREW SOCKET (FT) M6X10
42 SA2663001 1
ROUND JOINT ASSY
R
43 141331002 1
BUSH
44 SA2665001 1
ROUND JOINT ASSY L
45 141331002 1
BUSH
46 SA2667001 1
L-ADJUSTING CONNECTING ROD
47 021060306 1 NUT 3 M6
48 SA2668001 1
NUT M6 LEFT
49 SA2669001 2
SHOULDER SCREW, SM5.95-28
50 SA2672001 1 T-TRIMMER CONNECTING ROD, R
51 SA2673001 1 T-TRIMMER CONNECTING ROD, L
52 017500812 2
BOLT M5X8
53 025050236 2
WASHER PLAIN M 5
54 SA2645001 2
SHOULDER SCREW, M5
55 S07526301 2 MOVABLE KNIFE
56 148536001 4
SCREW, W/SOCKET SM4.37-40X4.2
57 S07527001 2 FIXED KNIFE
58 148539101 2
SHOULDER SCREW, SM2.38
59 SA8364001 1
TENSION RELEASE LEVER ASS
Y
60 SA8365001 1
- TENSION RELEASE LEVER SE
T
61 S38687000 1 CONNECTOR, 5557-14R
62 SA1998001 1 GROUND WIRE ASS
Y
63 062500816 1 SCREW PAN M5X8
T-8752C-403
38
T-8752C-403
37
Q. / Thread trimmer mechanism
63
65
66 67
5
60
8
61
4
7
2
9
63
64
55
56
58
57
56
55
51
54
53
52
53
52
50
54
39
40
41 40
41
41
40
20
28
27
26
25
23
24
30
33
29
38
41
40
14
15
13
10
35
31
37
32
34
36
31
16
17 59
19
18
21 22
44
49
46 47
48
43
42
49
62
45
1
11
12

38
Q. / Thread trimmer mechanism
REF.NO CODE Q'TY NAME OF PARTS RM
1 SB1449001 1 THREAD TRIMMER SOLENOID
2 SA2643001 1
SOLENOID BRACKE
T
3 SA2644001 1
SOLENOID JOINT
4 SA2645001 1
SHOULDER SCREW, M5
5 012500536 1 SET SCREW SOCKET (FT) M5X5
6 SA2646001 1
SOLENOID LEVE
R
7 SA2728001 1
SOLENOID LEVER BRACKE
T
8 062501016 2 SCREW PAN M5X10
9 SA2647001 1
SOLENOID LEVER SHAF
T
10 062061012 2 SCREW PAN M6X10
11 SA2648001 1 CORD HOLDER
12 062060816 1 SCREW PAN M6X8
13 SA2651001 1
DRIVING ROD
14 148546001 1
PLUNGER PIN
15 SA2652101 1
DRIVING ROD PLATE, TR
16 SA2860001 1
WASHE
R
17 SA6395001 1
SPRING
18 062501016 1 SCREW PAN M5X10
19 116662003 1
WASHE
R
20 SA2655001 1
SHOULDER SCREW, M4
21 062351216 1 SCREW PAN M3.5X12
22 021350106 1 NUT 1 M3.5
23 SA6392001 1 ROLLER
24 SA6393001 1
ROLLER SHAFT
25 SA6394001 1
TENSION RELEASE LEVE
R
26 113431002 1
WASHER, PLAIN
27 028050246 1
WASHER SPRING 2-5
28 021500106 1 NUT 1 M5
29 SA2657001 1
MAIN LEVER SUPPORT SHAF
T
30 SA2658001 1
MAIN LEVER SHAFT
31 012060636 2 SET SCREW SOCKET (FT) M6X6
32 SB1450001 1
MAIN LEVER ASS
Y
33 SB1452001 1
ROLLER SHAFT ASS
Y
34 105234003 1 NUT SM4.37
35 148559100 1
RUBBE
R
36 S07509001 1
MAIN LEVER SPRING
37 048070342 1 RETAINING RING E7
38 062061616 2 SCREW PAN M6X16
39 SA2661001 1 THREAD TRIMMER CAM
40 SA2378001 4
SPACER, 4.8
41 S25236001 4 SET SCREW SOCKET (FT) M6X10
42 SA2663001 1
ROUND JOINT ASSY
R
43 141331002 1
BUSH
44 SA2665001 1
ROUND JOINT ASSY L
45 141331002 1
BUSH
46 SA2667001 1
L-ADJUSTING CONNECTING ROD
47 021060306 1 NUT 3 M6
48 SA2668001 1
NUT M6 LEFT
49 SA2669001 2
SHOULDER SCREW, SM5.95-28
50 SA2672001 1 T-TRIMMER CONNECTING ROD, R
51 SA2673001 1 T-TRIMMER CONNECTING ROD, L
52 017500812 2
BOLT M5X8
53 025050236 2
WASHER PLAIN M 5
54 SA2645001 2
SHOULDER SCREW, M5
55 S07526301 2 MOVABLE KNIFE
56 148536001 4
SCREW, W/SOCKET SM4.37-40X4.2
57 S07527001 2 FIXED KNIFE
58 148539101 2
SHOULDER SCREW, SM2.38
59 SA8364001 1
TENSION RELEASE LEVER ASS
Y
60 SA8365001 1
- TENSION RELEASE LEVER SE
T
61 S38687000 1 CONNECTOR, 5557-14R
62 SA1998001 1 GROUND WIRE ASS
Y
63 062500816 1 SCREW PAN M5X8
T-8752C-403
38

39
Q. / Thread trimmer mechanism
REF.NO CODE Q'TY NAME OF PARTS RM
64 340400001 1
BEAD BAND
65 060400816 2
SCREW BIND M4X8
66 028040246 2
WASHER SPRING 2-4
67 025040236 2
WASHER PLAIN M 4
T-8752C-403
40
T-8752C-403
39
Q. / Thread trimmer mechanism
63
65
66 67
5
60
8
61
4
7
2
9
63
64
55
56
58
57
56
55
51
54
53
52
53
52
50
54
39
40
41 40
41
41
40
20
28
27
26
25
23
24
30
33
29
38
41
40
14
15
13
10
35
31
37
32
34
36
31
16
17 59
19
18
21 22
44
49
46 47
48
43
42
49
62
45
1
11
12

40
Q. / Thread trimmer mechanism
REF.NO CODE Q'TY NAME OF PARTS RM
64 340400001 1
BEAD BAND
65 060400816 2
SCREW BIND M4X8
66 028040246 2
WASHER SPRING 2-4
67 025040236 2
WASHER PLAIN M 4
T-8752C-403
40

41
R. / Tension release mechanism
REF.NO CODE Q'TY NAME OF PARTS RM
1 110161004 2 NUT, SM4.76
2 SA2678001 1 TENSION RELEASE WIRE HOLDE
R
3 062500816 2 SCREW PAN M5X8
4 SA2679001 1 TENSION RELEASE WIRE HOLDE
R
5 062060816 2 SCREW PAN M6X8
T-8752C-404
42
T-8752C-404
41
R. / Tension release mechanism
4
5
1
1
3
2

42
R. / Tension release mechanism
REF.NO CODE Q'TY NAME OF PARTS RM
1 110161004 2 NUT, SM4.76
2 SA2678001 1 TENSION RELEASE WIRE HOLDE
R
3 062500816 2 SCREW PAN M5X8
4 SA2679001 1 TENSION RELEASE WIRE HOLDE
R
5 062060816 2 SCREW PAN M6X8
T-8752C-404
42

43
S. / Thread wiper mechanism
REF.NO CODE Q'TY NAME OF PARTS RM
1 SA2680001 1 THREAD WIPER SOLENOID ASS
Y
2 048090342 1 RETAINING RING E9
3 S38426000 1
PLUNGER RUBBE
R
4 S02664001 1 THREAD WIPER SWITCH
5 S02665000 1
TERMINAL CONNECTOR
6 S39048001 4
SCREW, PAN (S/P W) M4X10
7 062300616 2 SCREW PAN M3X6
8 140647101 1 CORD HOLDER
9 062400616 1 SCREW PAN M4X6
10 SA2732001 1
SOLENOID HOLDING PLATE
11 SA2696101 1
SOLENOID COVE
R
12 060400516 1
SCREW BIND M4X5
13 062501016 2 SCREW PAN M5X10
14 148546001 1
PLUNGER PIN
15 SA2682101 1 THREAD WIPER LINK ASS
Y
16 SA2683001 1 SOLENOID LIN
K
17 S07549101 2 THREAD WIPER LINK, C
18 S07550001 1
LINK STUD
19 SA2504001 1 SET SCREW COLLA
R
20 012500536 2 SET SCREW SOCKET (FT) M5X5
21 SA8745001 1 STOPPE
R
22 062500816 2 SCREW PAN M5X8
23 025050236 2
WASHER PLAIN M 5
24 S07552101 2 THREAD WIPER SUPPOR
T
25 062661212 2 SCREW PAN SM3.18-40X12
26 SA2684001 1
THREAD WIPER SPRING
27 062501016 2 SCREW PAN M5X10
28 S07553001 2 THREAD WIPE
R
29 S07424001 2
SET SCREW, W/SOCKET SM3.18X4
T-8752C-405
44
T-8752C-405
43
S. / Thread wiper mechanism
29
15
27
16
17 17
26
21 25
19 24
28
20
28
22
29
24
25
18
23
3
12
2
5
7
14
11
9
10
13
8
4
1
6

44
S. / Thread wiper mechanism
REF.NO CODE Q'TY NAME OF PARTS RM
1 SA2680001 1 THREAD WIPER SOLENOID ASS
Y
2 048090342 1 RETAINING RING E9
3 S38426000 1
PLUNGER RUBBE
R
4 S02664001 1 THREAD WIPER SWITCH
5 S02665000 1
TERMINAL CONNECTOR
6 S39048001 4
SCREW, PAN (S/P W) M4X10
7 062300616 2 SCREW PAN M3X6
8 140647101 1 CORD HOLDER
9 062400616 1 SCREW PAN M4X6
10 SA2732001 1
SOLENOID HOLDING PLATE
11 SA2696101 1
SOLENOID COVE
R
12 060400516 1
SCREW BIND M4X5
13 062501016 2 SCREW PAN M5X10
14 148546001 1
PLUNGER PIN
15 SA2682101 1 THREAD WIPER LINK ASS
Y
16 SA2683001 1 SOLENOID LIN
K
17 S07549101 2 THREAD WIPER LINK, C
18 S07550001 1
LINK STUD
19 SA2504001 1 SET SCREW COLLA
R
20 012500536 2 SET SCREW SOCKET (FT) M5X5
21 SA8745001 1 STOPPE
R
22 062500816 2 SCREW PAN M5X8
23 025050236 2
WASHER PLAIN M 5
24 S07552101 2 THREAD WIPER SUPPOR
T
25 062661212 2 SCREW PAN SM3.18-40X12
26 SA2684001 1
THREAD WIPER SPRING
27 062501016 2 SCREW PAN M5X10
28 S07553001 2 THREAD WIPE
R
29 S07424001 2
SET SCREW, W/SOCKET SM3.18X4
T-8752C-405
44

45
T1. / Control box and motor mechanism
REF.NO CODE Q'TY NAME OF PARTS RM
1 SA2685001 1 SAFETY SWITCH ASS
Y
2 SA1385001 1 MICRO SWITCH ASS
Y
3 S38744101 1
SWITCH PLATE SPRING
4 SA2686001 1
SWITCH BASE
5 062020806 2 SCREW PAN M2X8
6 140647101 1 CORD HOLDER
7 062400616 1 SCREW PAN M4X6
8 062401216 1 SCREW PAN M4X12
9 026040236 1
WASHER PLAIN M 4
10 154514001 1 SPACE
R
11 021400106 1 NUT 1 M4
12 SB1454001 1
PULLE
Y
13 SB2984001 1
GUARD PLATE
14 062060812 1 SCREW PAN M6X8
15 025060136 1
WASHER PLAIN S 6
16 SA2712001 1 CORD HOLDER
17 062500816 1 SCREW PAN M5X8
18 SB1211001 1 MOTOR 8400 SUPPLY
19 018501632 3
BOLT SOCKET M5X16
20 028050247 3
WASHER SPRING 2-5
21 SA9436001 3
WASHER PLAIN 5
22 SA9437001 1
RESOLVER STATOR ASS
Y
23 0A4301206 3
SCREW PAN (S/P WASHER) M3X12
24 SA9443001 1
PULLEY HOLDER S ASS
Y
25 012501032 2 SET SCREW SOCKET (FT) M5X10
26 0A4401005 1
SCREW, PAN (S/P WASHER) M4X10
27 J04230001 1 CORD HOLDER CDD-HT
28 0A4401006 2
SCREW PAN (S/P WASHER) M4X10
29 SA9449001 1
RESOLVER COVE
R
30 0A4300806 3
SCREW PAN (S/P WASHER) M3X
8
31 SA2354001 5
SCREW PAN M5X18
32 060501016 3
SCREW BIND M5X10
33 SA9452001 3
PULLEY WASHE
R
34 SA2687001 1 CORD HOLDER
35 062500816 1 SCREW PAN M5X8
T-8752C-502
46
T-8752C-502
45
T1. / Control box and motor mechanism
15
14
18
31
21
19
20
22 23
30
24
29
25
5
9
10
3
834 35
11
6 7 16 17
132
33
12
13
2
4
26
27
28

46
T1. / Control box and motor mechanism
REF.NO CODE Q'TY NAME OF PARTS RM
1 SA2685001 1 SAFETY SWITCH ASS
Y
2 SA1385001 1 MICRO SWITCH ASS
Y
3 S38744101 1
SWITCH PLATE SPRING
4 SA2686001 1
SWITCH BASE
5 062020806 2 SCREW PAN M2X8
6 140647101 1 CORD HOLDER
7 062400616 1 SCREW PAN M4X6
8 062401216 1 SCREW PAN M4X12
9 026040236 1
WASHER PLAIN M 4
10 154514001 1 SPACE
R
11 021400106 1 NUT 1 M4
12 SB1454001 1
PULLE
Y
13 SB2984001 1
GUARD PLATE
14 062060812 1 SCREW PAN M6X8
15 025060136 1
WASHER PLAIN S 6
16 SA2712001 1 CORD HOLDER
17 062500816 1 SCREW PAN M5X8
18 SB1211001 1 MOTOR 8400 SUPPLY
19 018501632 3
BOLT SOCKET M5X16
20 028050247 3
WASHER SPRING 2-5
21 SA9436001 3
WASHER PLAIN 5
22 SA9437001 1
RESOLVER STATOR ASS
Y
23 0A4301206 3
SCREW PAN (S/P WASHER) M3X12
24 SA9443001 1
PULLEY HOLDER S ASS
Y
25 012501032 2 SET SCREW SOCKET (FT) M5X10
26 0A4401005 1
SCREW, PAN (S/P WASHER) M4X10
27 J04230001 1 CORD HOLDER CDD-HT
28 0A4401006 2
SCREW PAN (S/P WASHER) M4X10
29 SA9449001 1
RESOLVER COVE
R
30 0A4300806 3
SCREW PAN (S/P WASHER) M3X
8
31 SA2354001 5
SCREW PAN M5X18
32 060501016 3
SCREW BIND M5X10
33 SA9452001 3
PULLEY WASHE
R
34 SA2687001 1 CORD HOLDER
35 062500816 1 SCREW PAN M5X8
T-8752C-502
46

47
T2. / Control box
REF.NO CODE Q'TY NAME OF PARTS RM
<> <For China only>
BMP206A-1000000-CG10 G-10-PANEL-CHIN
A
<> <For Japan only>
BMP206A-1000000-JG10 G-10-PANEL-JAPAN
<
> <For General export>
BMP206A-1000000-0G10 G-10-PANEL
<> <For China only>
2+ BMP206A-1000000-CG50 G-50-PANEL-CHIN
A
<> <For Japan only>
2+ BMP206A-1000000-JG50 G-50-PANEL-JAPAN
<> <For Europe only>
2+ BMP206A-1000000-EG50 G-50-PANEL-EU
<
> <For General export>
2+ BMP206A-1000000-0G50 G-50-PANEL
T-8752C-502
48
47
T2. / Control box
T-8752C-502
G10
G50
1+
2+

48
T2. / Control box
REF.NO CODE Q'TY NAME OF PARTS RM
<> <For China only>
BMP206A-1000000-CG10 G-10-PANEL-CHIN
A
<> <For Japan only>
BMP206A-1000000-JG10 G-10-PANEL-JAPAN
<
> <For General export>
BMP206A-1000000-0G10 G-10-PANEL
<> <For China only>
2+ BMP206A-1000000-CG50 G-50-PANEL-CHIN
A
<> <For Japan only>
2+ BMP206A-1000000-JG50 G-50-PANEL-JAPAN
<> <For Europe only>
2+ BMP206A-1000000-EG50 G-50-PANEL-EU
<
> <For General export>
2+ BMP206A-1000000-0G50 G-50-PANEL
T-8752C-502
48

49
T3. / Control box
REF.NO CODE Q'TY NAME OF PARTS RM
1 SA9546001 1
BOX COVER 7200C
2 SA9549001 1 CEMENT RESISTOR ASSY 60/220
3 SA9727001 1
SW POWER PCB ASS
Y
4 SA9553001 1
D PCB ASS
Y
5 SA9575001 1
S PCB ASS
Y
<
> <Type forward 1 step, backward 1 step>
<> <For Japan>
6+ SA9587001 1 TREADLE UNIT -DM
<
> <Type forward 2 step, backward 2 step>
<
> <For General export>
6+ SA9602001 1 TREADLE UNIT -EX
<> <For Europe>
7 SA9564001 1 CE FILTER CASE
8 SA9565001 1
CE FILTER PCB ASS
Y
9 J04210101 1 BOLT ASSY SQUARE M8X65
10 SA9894001 1
REPEATE CABLE TIE ASS
Y
11 S37060001 2 LABEL, GROUNDING
12 SA9725001 1
LABEL ELECTRICAL SHOCK 36 X 150
T-8752C-502
50
T-8752C-502
49
T3. / Control box
3
6+
10
12
5
4
1
11 11
9
2
8
7

50
T3. / Control box
REF.NO CODE Q'TY NAME OF PARTS RM
1 SA9546001 1
BOX COVER 7200C
2 SA9549001 1 CEMENT RESISTOR ASSY 60/220
3 SA9727001 1
SW POWER PCB ASS
Y
4 SA9553001 1
D PCB ASS
Y
5 SA9575001 1
S PCB ASS
Y
<
> <Type forward 1 step, backward 1 step>
<> <For Japan>
6+ SA9587001 1 TREADLE UNIT -DM
<
> <Type forward 2 step, backward 2 step>
<
> <For General export>
6+ SA9602001 1 TREADLE UNIT -EX
<> <For Europe>
7 SA9564001 1 CE FILTER CASE
8 SA9565001 1
CE FILTER PCB ASS
Y
9 J04210101 1 BOLT ASSY SQUARE M8X65
10 SA9894001 1
REPEATE CABLE TIE ASS
Y
11 S37060001 2 LABEL, GROUNDING
12 SA9725001 1
LABEL ELECTRICAL SHOCK 36 X 150
T-8752C-502
50

51
U. / Quick reverse switch mechanism
REF.NO CODE Q'TY NAME OF PARTS RM
1 SA2688301 1 REVERSE ACTUATOR ASS
Y
2 SA2270001 1 REVERSE SWITCH BRACKE
T
3 SA7295001 1
REVERSE SWITCH BRACKE
T
4 SA4098201 1
A
CTUATOR
5 SA4099001 1
REVERSE SWITCH SPRING
6 SA1390001 1 R-SWITCH ASS
Y
7 S32907050 1 MICRO SWITCH
8 060300606 1
SCREW BIND M3X6
9 062500616 2 SCREW PAN M5X6
10 SA2689101 1 CORD HOLDER
11 062500616 1 SCREW PAN M5X6
12 SA1388101 3 CORD HOLDER
13 062500616 1 SCREW PAN M5X6
T-8752C-508
52
T-8752C-508
51
U. / Quick reverse switch mechanism
3
10
11
12
13
5
4
2
9
8
7
6
1

52
U. / Quick reverse switch mechanism
REF.NO CODE Q'TY NAME OF PARTS RM
1 SA2688301 1 REVERSE ACTUATOR ASS
Y
2 SA2270001 1 REVERSE SWITCH BRACKE
T
3 SA7295001 1
REVERSE SWITCH BRACKE
T
4 SA4098201 1
A
CTUATOR
5 SA4099001 1
REVERSE SWITCH SPRING
6 SA1390001 1 R-SWITCH ASS
Y
7 S32907050 1 MICRO SWITCH
8 060300606 1
SCREW BIND M3X6
9 062500616 2 SCREW PAN M5X6
10 SA2689101 1 CORD HOLDER
11 062500616 1 SCREW PAN M5X6
12 SA1388101 3 CORD HOLDER
13 062500616 1 SCREW PAN M5X6
T-8752C-508
52

53
V. / Power supply equipment
REF.NO CODE Q'TY NAME OF PARTS RM
< 200V AC > <For Three phase 200V AC>
<> <For Japan>
1+ SA9616001 1
POWER SWITCH ASSY SJ
T
< 220V AC > <For Three phase 220V AC>
<> <For USA, Canada and Mexico>
1+ SA9831001 1
POWER SWITCH ASSY SJT#2
< 220V AC> <For Single phase 220V AC>
<
> <For Asia, General and Europe>
2+ SA9535001 1
POWER SUPPLY SWITCH ASSY CC
C
< 220V AC> <For Single phase 220V AC>
<> <For China>
2+ BMP3010-0000001-3S00 1
POWER SWITCH 220
V
< 100V> <For Single phase 100V>
<> <For Japan>
3+ SB1229001 1
TRANCE BOX 100V SUPPL
Y
<> <For USA, Canada and Mexico>
3+ BMP3010-0000000-2ST1 1
TRANSFORMER BOX
< 380V> <For Three phase 380V>
<
> <For General and Asia>
4+ BMP3010-0000000-3ST4 1
TRANSFORMER BOX
<> <For China>
4+ BMP3010-0000001-3ST4 1
TRANSFORMER BOX
< 400V> <For Three phase 400V>
<> <For Europe>
4+ BMP3010-0000000-4ST4 1
TRANSFORMER BOX
5 SA9914001 1
LABEL ELECTRICAL SHOCK 25 X 28
T-8752C-515
54
T-8752C-515
53
V. / Power supply equipment
OFFON
OFFON
OFFON
OFFON
OFFON
OFFON
OFFON
OFFON
OFFON
OFFON
OFFON
OFFON
OFFON
OFFON
OFFON
OFFON
< / For Japan >
5
5
1+
2+
3+
4+

54
V. / Power supply equipment
REF.NO CODE Q'TY NAME OF PARTS RM
< 200V AC > <For Three phase 200V AC>
<> <For Japan>
1+ SA9616001 1
POWER SWITCH ASSY SJ
T
< 220V AC > <For Three phase 220V AC>
<> <For USA, Canada and Mexico>
1+ SA9831001 1
POWER SWITCH ASSY SJT#2
< 220V AC> <For Single phase 220V AC>
<
> <For Asia, General and Europe>
2+ SA9535001 1
POWER SUPPLY SWITCH ASSY CC
C
< 220V AC> <For Single phase 220V AC>
<> <For China>
2+ BMP3010-0000001-3S00 1
POWER SWITCH 220
V
< 100V> <For Single phase 100V>
<> <For Japan>
3+ SB1229001 1
TRANCE BOX 100V SUPPL
Y
<> <For USA, Canada and Mexico>
3+ BMP3010-0000000-2ST1 1
TRANSFORMER BOX
< 380V> <For Three phase 380V>
<
> <For General and Asia>
4+ BMP3010-0000000-3ST4 1
TRANSFORMER BOX
<> <For China>
4+ BMP3010-0000001-3ST4 1
TRANSFORMER BOX
< 400V> <For Three phase 400V>
<> <For Europe>
4+ BMP3010-0000000-4ST4 1
TRANSFORMER BOX
5 SA9914001 1
LABEL ELECTRICAL SHOCK 25 X 28
T-8752C-515
54

55
Z1. / Accessories
REF.NO CODE Q'TY NAME OF PARTS RM
1 144226001 1
HEAD COVE
R
2 S09285051 2
BOBBIN
3 100477009 1 HEAD RES
T
4 SA8239201 1 OIL TANK ASS
Y
5 SB1271001 1
OIL WARNING LABEL JP
6 SB1270001 1
OIL WARNING LABEL EN
7 145573000 1
KNEE LIFTER COMPLYING BA
R
8 SB1414001 1 OIL PAN UNIT
9 SA2692101 1
OIL PAN
10 149578000 2
BUSH
11 SA2582001 1
KNEE LIFTER SHAFT
12 SA2590001 1
KNEE LIFTER
13 S25344001 1
BOLT M6
14 SB0687001 2
SET SCREW M6X24
15 021060306 2 NUT 3 M6
16 S15889001 1
TWIST SPRING
17 146293001 1 RETAINING RING, E10
18 153230101 1
DRAIN
19 S23418002 2
SCREW, M4X5
20 SA9943001 1 EARTH CORD
21 0A5400806 1
SCREW PAN (S/P WASHER) M4X
8
22 SA1969001 1
RUBBER HINGE ASS
Y
23 143882001 2
HEAD HINGE
24 143910009 2
RUBBER CUSHION
25 SA1962001 2
HEAD CUSHION
26 SA1963001 2
HEAD CUSHION
27 109714000 4
NAIL
28 114486002 1
OILER
29 S38300001 1
KNEE LIFTER ASS
Y
30 146039121 1
KNEE LIFTER BRACKE
T
31 100463021 1
BOLT, SQUARE SM7.94
32 S35820021 1
BOLT, SM5.95X20
33 S38278001 1
KNEE LIFTER BA
R
34 S34756021 1
KNEE LIFTER PLATE
35 114967021 1
KNEE LIFTER PLATE STOPPE
R
36 110087021 1
BOLT, SM5.95-28X8
37 S31885001 1
KNEE LIFTER PLATE COVE
R
T-8752C-910
56
T-8752C-910
Z1. / Accessories
55
3437
4
8
5
6
13
11
15
14
24
22
2
12 16
9
28
3
36
29
25
25
35
3032 33
31
17
15
14
23
26
27
26
18
19
10
20
21
7
1

56
Z1. / Accessories
REF.NO CODE Q'TY NAME OF PARTS RM
1 144226001 1
HEAD COVE
R
2 S09285051 2
BOBBIN
3 100477009 1 HEAD RES
T
4 SA8239201 1 OIL TANK ASS
Y
5 SB1271001 1
OIL WARNING LABEL JP
6 SB1270001 1
OIL WARNING LABEL EN
7 145573000 1
KNEE LIFTER COMPLYING BA
R
8 SB1414001 1 OIL PAN UNIT
9 SA2692101 1
OIL PAN
10 149578000 2
BUSH
11 SA2582001 1
KNEE LIFTER SHAFT
12 SA2590001 1
KNEE LIFTER
13 S25344001 1
BOLT M6
14 SB0687001 2
SET SCREW M6X24
15 021060306 2 NUT 3 M6
16 S15889001 1
TWIST SPRING
17 146293001 1 RETAINING RING, E10
18 153230101 1
DRAIN
19 S23418002 2
SCREW, M4X5
20 SA9943001 1 EARTH CORD
21 0A5400806 1
SCREW PAN (S/P WASHER) M4X
8
22 SA1969001 1
RUBBER HINGE ASS
Y
23 143882001 2
HEAD HINGE
24 143910009 2
RUBBER CUSHION
25 SA1962001 2
HEAD CUSHION
26 SA1963001 2
HEAD CUSHION
27 109714000 4
NAIL
28 114486002 1
OILER
29 S38300001 1
KNEE LIFTER ASS
Y
30 146039121 1
KNEE LIFTER BRACKE
T
31 100463021 1
BOLT, SQUARE SM7.94
32 S35820021 1
BOLT, SM5.95X20
33 S38278001 1
KNEE LIFTER BA
R
34 S34756021 1
KNEE LIFTER PLATE
35 114967021 1
KNEE LIFTER PLATE STOPPE
R
36 110087021 1
BOLT, SM5.95-28X8
37 S31885001 1
KNEE LIFTER PLATE COVE
R
T-8752C-910
56

57
Z2. / Accessories
REF.NO CODE Q'TY NAME OF PARTS RM
1 S07558409 1
COTTON STAND ASSY 3DRTHF
2 S51283001 3
SPOOL STAND BASE
3 150182000 3
SPOOL MAT
4 S51282101 3
SPOOL CUSHION
5 S04109001 1
THREAD GUIDE SUPPORT BA
R
6 142997001 1 THREAD GUIDE, 3
7 S02747101 1
SPRING
8 150179002 3
SPOOL SHAFT B
9 028050243 3
WASHER, SPRING 2-5
10 021500203 3 NUT, 2 M5
11 150188009 1
SPOOL HOLDER SUPPORT,
A
12 SA6610001 1
SPOOL HOLDER 3
13 SA6610001 1
SPOOL HOLDER 3
14 150183000 3
THREAD HANGER BASE
15 142990001 3
THREAD BUSH
16 SA6615001 1
THREAD GUIDE HOLDE
R
17 138843001 1
JOINT
18 062061603 2 SCREW PAN M6X16
19 S37037001 1
SCREW PAN (S/P WASHER) M5X32
20 014060632 2
SET SCREW SOCKET (CP) M6X6
21 021500203 1 NUT, 2 M5
22 S37037001 1
SCREW PAN (S/P WASHER) M5X32
23 021500203 1 NUT, 2 M5
24 031452203 1 WOOD SCREW ROUND M4.5X22
25 062501003 1 SCREW PAN M5X10
26 SA6609001 2
SPOOL HOLDER SUPPORTE
R
T-8752C-910
58
T-8752C-910
57
Z2. / Accessories
25
9
10
18
21
19
16
20
18
12
6
5
13
7
2
23
11
24
3
4
8
17
26
22
1
26
15
14

58
Z2. / Accessories
REF.NO CODE Q'TY NAME OF PARTS RM
1 S07558409 1
COTTON STAND ASSY 3DRTHF
2 S51283001 3
SPOOL STAND BASE
3 150182000 3
SPOOL MAT
4 S51282101 3
SPOOL CUSHION
5 S04109001 1
THREAD GUIDE SUPPORT BA
R
6 142997001 1 THREAD GUIDE, 3
7 S02747101 1
SPRING
8 150179002 3
SPOOL SHAFT B
9 028050243 3
WASHER, SPRING 2-5
10 021500203 3 NUT, 2 M5
11 150188009 1
SPOOL HOLDER SUPPORT,
A
12 SA6610001 1
SPOOL HOLDER 3
13 SA6610001 1
SPOOL HOLDER 3
14 150183000 3
THREAD HANGER BASE
15 142990001 3
THREAD BUSH
16 SA6615001 1
THREAD GUIDE HOLDE
R
17 138843001 1
JOINT
18 062061603 2 SCREW PAN M6X16
19 S37037001 1
SCREW PAN (S/P WASHER) M5X32
20 014060632 2
SET SCREW SOCKET (CP) M6X6
21 021500203 1 NUT, 2 M5
22 S37037001 1
SCREW PAN (S/P WASHER) M5X32
23 021500203 1 NUT, 2 M5
24 031452203 1 WOOD SCREW ROUND M4.5X22
25 062501003 1 SCREW PAN M5X10
26 SA6609001 2
SPOOL HOLDER SUPPORTE
R
T-8752C-910
58

59
59
T-8752C-Wa
Wa. / Warning labels
/ Name of parts / Warning labels Size(mm) Code
56 X 43
12
Label caution
Label, grounding
L=16
L
L
L=25
Injury mark
Injury mark
36 X 150
Label electrical shock 36 X 150
6
L=28.4
Label electrical shock 25 X 28
25 X 28
L
SA9826-001
SA9957-002
SA9957-001
S37060-001
SA9725-001
SA9914-001

60
T-8752C-Wa
60
Wa. / Warning labels
Oil warning label JP
Oil warning label EN
68 X 30
68 X 30
/ Name of parts / Warning labels Size(mm) Code
SB1271-001
SB1270-001

61
61
Ga. / Gauge parts list
T-8752C-Ga
標準品 /For normal
* The thread trimming fixed knife (part No. S07527-001) and the installation screw (part No. 148539-101) are not
provided with the needle plate, so they must be ordered separately if required.
* A maximum stitch width specification of 15.9mm is available.
3.2mm
4.0mm
4.8mm
6.4mm
7.9mm
9.5mm
12.7mm
15.9mm
(1/8)
(5/32)
(3/16)
(1/4)
5.6mm (7/32)
2.4mm (3/32)
(5/16)
(3/8)
(1/2)
(5/8)
* In case of using the gauge set 2.4mm (3/32), use needle size DBX1( #7 - #18).
*糸切り用固定刃(S07527-001)と取付ねじ(148539-101)は、針板には付けてありませんので、必要に応じて別途ご注文くだ
さい。
*最大針幅15.9mmまで出来ます。
* 2.4mm (3/32) のゲージを使用する場合は、DBX1 (#7 - #18) の針をご使用ください。
針幅
Needle gauge
針板
Needle plate
送り歯
Feed dog
押え組
Presser foot assy
針抱き組
Needle clamp
assy
針抱きセット
Needle clamp
set 中厚物用
(-403)
For medium
materials
厚物用
(-405)
For heavy
materials
22.2
2913.8
1.7
16
1.2
16 3.9
1.7
1.2
厚物用 (-405)
For heavy materials
中厚物用 (-403)
For medium materials
針板
Needle plate
押え組
Presser foot assy
針抱き組
Needle clamp assy
針抱きセット
Needle clamp set
送り歯 Feed dog
面取り(大)
Chamfering(L)
45°
45°
φ2
φ1.5*1
φ1.7 : 148704-101のみ
φ1.7 : 148704-101only
L:
R:
L:
R:
L:
R:
L:
R:
L:
R:
L:
R:
L:
R:
L:
R:
L:
R:
L:
R:
L:
R:
L:
R:
L:
R:
L:
R:
L:
R:
L:
R:
L:
R:
L:
R:
L:
R:
L:
R:
16
1.7
1.2
45°
3
2
中国向 :ジーンズ用
For China : for denim
*2
*1158756-001
155853-001
159398-001
155722-001
155724-001
155851-001
156816-001
155855-001
155857-001
149677-001
148698-001
148700-001
148702-001
156818-001
149692-001
149939-001
149676-001
149954-001 149949-001
148705-001
148697-001
148699-001
148701-001
148703-001
S16223-001
149691-001
149938-001
149675-001
149948-001
SA4052-101
S36562-001
S20223-001
155455-001
S36564-001
S16224-001
155459-001
155461-001
S09367-101
159575-101
S15705-001
S15706-001
S15711-001
S15717-001
S15723-001
S15729-001
S15735-001
S15736-001
S15747-001
S15753-001
S15765-001
S15771-001
S15712-001
S15718-001
S15724-001
S15730-001
S15748-001
S15754-001
S15766-001
S15772-001
S15707-001
S15708-001
S15713-001
S15719-001
S15725-001
S15731-001
S15737-001
S15738-001
S15749-001
S15755-001
S15767-001
S15773-001
S15714-001
S15720-001
S15726-001
S15732-001
S15750-001
S15756-001
S15768-001
S15774-001
148704-101 *1 158756-001 *2

62
T-8752C-Ga
62
Ga. / Gauge parts list
16
3
2
1.2
1.7
送り歯
Feed dog
45°
厚物用 /For heavy materials
*送り歯が標準品と異なります。
* The feed dog is different from normal parts.
4.8mm
6.4mm
(3/16)
(1/4)
針幅
Needle gauge
針板
Needle plate
送り歯
Feed dog
押え組
Presser foot assy
針抱き組
Needle clamp assy
針抱きセット
Needle clamp set
標準品
Normal
標準品
Normal
標準品
Normal
標準品
Normal
針板
Needle plate
送り歯
Feed dog
押え組
Presser foot assy
6.4mm (1/4)
針幅
Needle gauge
針板
Needle plate
送り歯
Feed dog
押え組
Presser foot assy
固定刃押えばね :板厚0.4mm
Thickness of fix knife spring : 0.4mm
針抱き組
Needle clamp assy
標準品/Normal
極太糸用(-407) /For extra-thick thread(-407)
22.2
2913.8
16
1.7
1.2
45°
3
2
1.5
2.5
5
S07905-001
158756-001
SB0362-001 SB0361-001 SB0359-001

63
/ Index
CODE Page CODE Page CODE Page CODE Page
002260516 C - 20 6 025100132 F - 36 14 062500616 P - 28 36 109714000 Z1 - 27 56
004350616 N - 19 34 026040236 T1 - 9 46 062500616 U - 9 52 110087021 Z1 - 36 56
004350616 N - 37 34 028040242 B - 22 4 062500616 U - 11 52 110161004 R - 1 42
012060636 C - 55 8 028040246 Q - 66 40 062500616 U - 13 52 112609001 C - 14 6
012060636 F - 32 14 028050243 Z2 - 9 58 062500812 G - 5 16 112728001 C - 33 6
012060636 G - 14 16 028050246 Q - 27 38 062500816 A - 22 2 112753001 M - 57 30
012060636 H - 7 18 028050247 T1 - 20 46 062500816 B - 27 4 113014000 B - 7 4
012060636 H - 26 18 031452203 Z2 - 24 58 062500816 B - 32 4 113050001 J - 10 20
012060636 N - 43 34 047301842 D - 11 10 062500816 D - 16 10 113431002 Q - 26 38
012060636 Q - 31 38 048030342 E - 15 12 062500816 D - 25 10 114486002 Z1 - 28 56
012061036 B - 25 4 048030342 E - 39 12 062500816 E - 2 12 114967021 Z1 - 35 56
012061832 E - 17 12 048040342 P - 2 36 062500816 F - 43 14 115947101 K1 - 55 22
012400636 P - 9 36 048040342 P - 15 36 062500816 M - 8 30 116010001 A - 18 2
012500536 E - 25 12 048060142 G - 8 16 062500816 N - 41 34 116662003 Q - 19 38
012500536 N - 31 34 048060342 F - 18 14 062500816 Q - 63 38 117006001 B - 6 4
012500536 P - 14 36 048070342 Q - 37 38 062500816 R - 3 42 118735002 C - 51 8
012500536 P - 34 36 048080342 F - 35 14 062500816 S - 22 44 118954000 F - 10 14
012500536 Q - 5 38 048090342 S - 2 44 062500816 T1 - 17 46 129458202 F - 22 14
012500536 S - 20 44 060300606 U - 8 52 062500816 T1 - 35 46 138843001 Z2 - 17 58
012501031 K1 - 26 22 060350616 C - 27 6 062501003 Z2 - 25 58 140063001 A - 1 2
012501032 T1 - 25 46 060350616 C - 30 6 062501016 D - 4 10 140327001 M - 63 32
013660412 J - 3 20 060400516 S - 12 44 062501016 F - 3 14 140647101 S - 8 44
014060632 Z2 - 20 58 060400816 Q - 65 40 062501016 M - 17 30 140647101 T1 - 6 46
014080831 C - 43 6 060501016 T1 - 32 46 062501016 Q - 8 38 140890009 M - 56 30
014400432 D - 30 10 062020806 T1 - 5 46 062501016 Q - 18 38 141331002 Q - 43 38
016061031 F - 29 14 062060812 T1 - 14 46 062501016 S - 13 44 141331002 Q - 45 38
016061031 G - 12 16 062060816 F - 7 14 062501016 S - 27 44 141544001 K1 - 44 22
017500812 Q - 52 38 062060816 F - 49 14 062501216 A - 7 2 142274101 M - 31 30
018062032 C - 50 8 062060816 M - 39 30 062501216 E - 27 12 142746122 F - 21 14
018062032 C - 60 8 062060816 Q - 12 38 062501216 F - 45 14 142990001 Z2 - 15 58
018062032 F - 15 14 062060816 R - 5 42 062501216 F - 50 14 142997001 Z2 - 6 58
018062032 G - 16 16 062061012 Q - 10 38 062501416 A - 5 2 143611201 F - 8 14
018062532 C - 57 8 062061016 G - 6 16 062501416 A - 9 2 143612100 F - 9 14
018401036 C - 4 6 062061016 K1 - 61 24 062501416 D - 21 10 143613051 F - 16 14
018401236 P - 18 36 062061016 M - 58 30 062661212 S - 25 44 143616001 F - 17 14
018501232 K1 - 48 22 062061603 Z2 - 18 58 071063550 D - 19 10 143882001 Z1 - 23 56
018501632 T1 - 19 46 062061616 C - 48 6 081004070 M - 27 30 143910009 Z1 - 24 56
021060306 E - 18 12 062061616 Q - 38 38 081038070 M - 20 30 144226001 Z1 - 1 56
021060306 E - 35 12 062260316 C - 16 6 0A4300806 T1 - 30 46 144504001 N - 27 34
021060306 Q - 47 38 062300416 H - 23 18 0A4301206 T1 - 23 46 145446001 N - 23 34
021060306 Z1 - 15 56 062300612 K1 - 29 22 0A4400806 M - 36 30 145446002 P - 30 36
021300106 N - 11 34 062300616 N - 39 34 0A4401005 T1 - 26 46 145573000 Z1 - 7 56
021350106 H - 15 18 062300616 S - 7 44 0A4401006 T1 - 28 46 146039121 Z1 - 30 56
021350106 Q - 22 38 062350516 C - 37 6 0A5400806 Z1 - 21 56 146293001 Z1 - 17 56
021400106 T1 - 11 46 062350516 C - 42 6 0A5501006 M - 24 30 148536001 Q - 56 38
021500106 E - 28 12 062350516 D - 8 10 100032004 J - 8 20 148539101 Q - 58 38
021500106 F - 51 14 062350516 N - 22 34 100328001 F - 25 14 148546001 Q - 14 38
021500106 Q - 28 38 062350816 C - 32 6 100401022 P - 31 36 148546001 S - 14 44
021500203 Z2 - 10 58 062351216 Q - 21 38 100463021 Z1 - 31 56 148559100 Q - 35 38
021500203 Z2 - 21 58 062400616 H - 18 18 100477009 Z1 - 3 56 148697001 Ga 61
021500203 Z2 - 23 58 062400616 H - 33 18 104449001 A - 4 2 148698001 Ga 61
021500316 K1 - 23 22 062400616 K1 - 35 22 104450101 M - 19 30 148699001 Ga 61
025030132 H - 22 18 062400616 K1 - 36 22 104450101 M - 35 30 148700001 Ga 61
025040232 B - 23 4 062400616 K1 - 39 22 104450101 M - 51 30 148701001 Ga 61
025040236 Q - 67 40 062400616 M - 54 30 104821001 F - 42 14 148702001 Ga 61
025050236 F - 46 14 062400616 S - 9 44 104833001 D - 2 10 148703001 Ga 61
025050236 Q - 53 38 062400616 T1 - 7 46 105234003 Q - 34 38 148704101 Ga 61
025050236 S - 23 44 062400812 K1 - 42 22 107155001 C - 39 6 148705001 Ga 61
025060132 H - 13 18 062401216 T1 - 8 46 108549001 F - 23 14 148743001 M - 64 32
025060136 K1 - 62 24 062401616 M - 44 30 108549001 P - 4 36 149095001 G - 17 16
025060136 P - 16 36 062403512 B - 21 4 108801001 M - 49 30 149578000 Z1 - 10 56
025060136 T1 - 15 46 062500616 A - 11 2 108802001 H - 5 18 149604001 C - 8 6
025060236 M - 59 30 062500616 M - 47 30 109405001 M - 48 30 149605001 C - 9 6
63
REF.NO REF.NO REF.NO REF.NO

64
/ Index
CODE Page CODE Page CODE Page CODE Page
149608001 C - 13 6 BMP206A-1000000-CG50 S09280001 K2 - 10 26 S23651001 H - 9 18
149610001 C - 17 6 T2 - 2+ 48 S09284001 K2 - 8 26 S23651001 K1 - 47 22
149611101 C - 18 6 BMP206A-1000000-EG50 S09285051 K1 - 63 24 S23651001 L - 11 28
149622001 C - 25 6 T2 - 2+ 48 S09285051 Z1 - 2 56 S25235001 B - 11 4
149675001 Ga 61 BMP206A-1000000-JG10 S09286000 K1 - 64 24 S25236001 B - 12 4
149676001 Ga 61 T2 - 1+ 48 S09367101 Ga 61 S25236001 F - 13 14
149677001 Ga 61 BMP206A-1000000-JG50 S10780001 E - 37 12 S25236001 Q - 41 38
149691001 Ga 61 T2 - 2+ 48 S11244001 J - 7 20 S25260001 B - 8 4
149692001 Ga 61 BMP3010-0000000-2ST1 S12441001 P - 33 36 S25260001 C - 46 6
149827001 C - 10 6 V - 3+ 54 S13085001 J - 4 20 S25289001 E - 9 12
149831101 J - 5 20 BMP3010-0000000-3ST4 S13160001 B - 15 4 S25344001 Z1 - 13 56
149863001 D - 28 10 V - 4+ 54 S15705001 Ga 61 S31006002 E - 11 12
149938001 Ga 61 BMP3010-0000000-4ST4 S15706001 Ga 61 S31032002 P - 32 36
149939001 Ga 61 V - 4+ 54 S15707001 Ga 61 S31885001 Z1 - 37 56
149948001 Ga 61 BMP3010-0000001-3S00 S15708001 Ga 61 S32907050 U - 7 52
149949001 Ga 61 V - 2+ 54 S15711001 Ga 61 S34438001 A - 17 2
149954001 Ga 61 BMP3010-0000001-3ST4 S15712001 Ga 61 S34561101 C - 11 6
150179002 Z2 - 8 58 V - 4+ 54 S15713001 Ga 61 S34562101 C - 12 6
150182000 Z2 - 3 58 J04210101 T3 - 9 50 S15714001 Ga 61 S34756021 Z1 - 34 56
150183000 Z2 - 14 58 J04230001 T1 - 27 46 S15717001 Ga 61 S35820021 Z1 - 32 56
150188009 Z2 - 11 58 S02664001 S - 4 44 S15718001 Ga 61 S36562001 Ga 61
150820001 D - 18 10 S02665000 S - 5 44 S15719001 Ga 61 S36564001 Ga 61
151027001 K2 - 7 26 S02747101 Z2 - 7 58 S15720001 Ga 61 S36663001 A - 16 2
151029001 K2 - 3 26 S04109001 Z2 - 5 58 S15723001 Ga 61 S37037001 Z2 - 19 58
151030001 K2 - 4 26 S07346101 E - 6 12 S15724001 Ga 61 S37037001 Z2 - 22 58
151035001 K2 - 5 26 S07349001 E - 23 12 S15725001 Ga 61 S37060001 A - 20 2
153132000 G - 18 16 S07350001 E - 36 12 S15726001 Ga 61 S37060001 T3 - 11 50
153138001 G - 9 16 S07351001 E - 13 12 S15729001 Ga 61 S37060001 Wa 59
153230101 Z1 - 18 56 S07355051 E - 26 12 S15730001 Ga 61 S38212001 K1 - 27 22
154514001 T1 - 10 46 S07374209 F - 38 14 S15731001 Ga 61 S38266000 M - 10 30
154560101 N - 28 34 S07376101 F - 47 14 S15732001 Ga 61 S38274001 N - 32 34
154567000 C - 44 6 S07419001 K1 - 18 22 S15735001 Ga 61 S38278001 Z1 - 33 56
154730001 G - 2 16 S07420000 K1 - 17 22 S15736001 Ga 61 S38300001 Z1 - 29 56
154731000 G - 3 16 S07424001 S - 29 44 S15737001 Ga 61 S38426000 S - 3 44
154965001 K1 - 28 22 S07494001 J - 12 20 S15738001 Ga 61 S38428002 F - 19 14
155455001 Ga 61 S07509001 Q - 36 38 S15747001 Ga 61 S38687000 Q - 61 38
155459001 Ga 61 S07525100 K1 - 43 22 S15748001 Ga 61 S38713100 B - 20 4
155461001 Ga 61 S07526301 Q - 55 38 S15749001 Ga 61 S38744101 T1 - 3 46
155478001 K2 - 6 26 S07527001 Q - 57 38 S15750001 Ga 61 S39048001 S - 6 44
155479001 K2 - 2 26 S07529001 E - 14 12 S15753001 Ga 61 S39051001 E - 12 12
155510001 N - 29 34 S07529001 E - 38 12 S15754001 Ga 61 S39830101 F - 27 14
155722001 Ga 61 S07549101 S - 17 44 S15755001 Ga 61 S48204000 C - 62 8
155724001 Ga 61 S07550001 S - 18 44 S15756001 Ga 61 S49623000 M - 14 30
155851001 Ga 61 S07552101 S - 24 44 S15765001 Ga 61 S50098101 F - 24 14
155853001 Ga 61 S07553001 S - 28 44 S15766001 Ga 61 S51282101 Z2 - 4 58
155855001 Ga 61 S07558409 Z2 - 1 58 S15767001 Ga 61 S51283001 Z2 - 2 58
155857001 Ga 61 S07575000 C - 23+ 6 S15768001 Ga 61 SA1120001 B - 9 4
156816001 Ga 61 S07575001 C - 23+ 6 S15771001 Ga 61 SA1174002 E - 3 12
156818001 Ga 61 S07575002 C - 23+ 6 S15772001 Ga 61 SA1175002 E - 4 12
158756001 Ga 61 S07575003 C - 23+ 6 S15773001 Ga 61 SA1179001 E - 22 12
158756001 Ga 62 S07575004 C - 23+ 6 S15774001 Ga 61 SA1179001 E - 31 12
159398001 Ga 61 S07575005 C - 23+ 6 S15889001 Z1 - 16 56 SA1179001 E - 33 12
159575101 Ga 61 S07575006 C - 23+ 6 S16223001 Ga 61 SA1360101 P - 27 36
159805001 N - 24 34 S07575007 C - 23+ 6 S16224001 Ga 61 SA1385001 T1 - 2 46
228475000 M - 13 30 S07575008 C - 23+ 6 S18964001 D - 15+ 10 SA1388101 U - 12 52
340400001 Q - 64 40 S07575009 C - 23+ 6 S20223001 Ga 61 SA1390001 U - 6 52
BMP206A-1000000-0G10 S07575010 C - 23+ 6 S20681000 N - 25 34 SA1962001 Z1 - 25 56
T2 - 1+ 48 S07575011 C - 23+ 6 S20682111 N - 26 34 SA1963001 Z1 - 26 56
BMP206A-1000000-0G50 S07588101 D - 26 10 S23418002 P - 20 36 SA1969001 Z1 - 22 56
T2 - 2+ 48 S07905001 Ga 62 S23418002 Z1 - 19 56 SA1971502 P - 1 36
BMP206A-1000000-CG10 S09259001 K1 - 15 22 S23460001 C - 53 8 SA1981301 P - 11 36
T2 - 1+ 48 S09260001 K1 - 16+ 22 S23651001 B - 10 4 SA1982101 P - 12 36
S09261001 K1 - 16+ 22 S23651001 B - 18 4 SA1983201 P - 13 36
64
REF.NO REF.NO REF.NO REF.NO

65
/ Index
CODE Page CODE Page CODE Page CODE Page
SA1984001 P - 17 36 SA2560001 K1 - 22 22 SA2663001 Q - 42 38 SA3056001 F - 20 14
SA1985001 P - 19 36 SA2562201 K1 - 2 22 SA2665001 Q - 44 38 SA3059101 B - 31 4
SA1990101 P - 23 36 SA2563301 K1 - 9 22 SA2667001 Q - 46 38 SA3060001 M - 34 30
SA1992101 P - 26 36 SA2565001 K1 - 57 22 SA2668001 Q - 48 38 SA3062001 F - 1 14
SA1994102 P - 29 36 SA2566001 H - 14 18 SA2669001 Q - 49 38 SA3065001 B - 30 4
SA1998001 Q - 62 38 SA2567001 K1 - 59 24 SA2670101 K1 - 13 22 SA3415001 N - 2+ 34
SA2165001 E - 32 12 SA2568001 K1 - 60 24 SA2671001 K1 - 6 22 SA3416101 N - 2+ 34
SA2190001 P - 25 36 SA2571101 L - 5 28 SA2672001 Q - 50 38 SA3417401 N - 1+ 34
SA2270001 U - 2 52 SA2572001 K1 - 30 22 SA2673001 Q - 51 38 SA3840001 H - 10 18
SA2354001 T1 - 31 46 SA2574001 K1 - 31 22 SA2675001 K1 - 46 22 SA3855001 H - 1 18
SA2378001 Q - 40 38 SA2574001 K1 - 34 22 SA2676001 K1 - 41 22 SA3861101 K1 - 21 22
SA2441101 A - 6 2 SA2575001 K1 - 32 22 SA2677101 E - 16 12 SA3887001 H - 20 18
SA2442201 A - 8 2 SA2575001 L - 7 28 SA2677101 E - 40 12 SA3888001 H - 21 18
SA2444101 A - 12 2 SA2578001 E - 41 12 SA2678001 R - 2 42 SA3889101 K1 - 24 22
SA2445101 A - 13 2 SA2579001 K1 - 10 22 SA2679001 R - 4 42 SA3890001 L - 1 28
SA2448101 A - 14 2 SA2580101 L - 6 28 SA2680001 S - 1 44 SA3891001 L - 3 28
SA2450101 A - 15 2 SA2582001 Z1 - 11 56 SA2682101 S - 15 44 SA3894001 K1 - 38 22
SA2460101 B - 16 4 SA2584001 L - 8 28 SA2683001 S - 16 44 SA3912001 K1 - 45 22
SA2461001 B - 19 4 SA2585001 F - 12 14 SA2684001 S - 26 44 SA3923101 M - 43 30
SA2462001 B - 33 4 SA2585001 L - 10 28 SA2685001 T1 - 1 46 SA3924001 A - 2 2
SA2463001 B - 24 4 SA2585001 L - 14 28 SA2686001 T1 - 4 46 SA3946001 M - 3 30
SA2469101 B - 26 4 SA2587101 L - 12 28 SA2687001 T1 - 34 46 SA3965001 H - 2 18
SA2485001 C - 45 6 SA2590001 Z1 - 12 56 SA2688301 U - 1 52 SA3990001 H - 19 18
SA2486101 C - 47 6 SA2604001 M - 45 30 SA2689101 U - 10 52 SA4009001 H - 32 18
SA2489001 C - 49 6 SA2605001 M - 46 30 SA2692101 Z1 - 9 56 SA4011001 H - 35 18
SA2490101 C - 52 8 SA2606101 M - 50 30 SA2696101 S - 11 44 SA4012001 K1 - 37 22
SA2493001 C - 58 8 SA2607401 N - 1+ 34 SA2712001 T1 - 16 46 SA4026001 K1 - 25 22
SA2494001 C - 59 8 SA2613001 N - 4 34 SA2717001 K1 - 40 22 SA4028001 H - 3 18
SA2495001 E - 1 12 SA2614201 N - 5 34 SA2722001 K1 - 56 22 SA4033101 M - 12 30
SA2498001 E - 8 12 SA2615001 N - 6 34 SA2723001 M - 21 30 SA4038001 K1 - 16+ 22
SA2499001 E - 10 12 SA2619001 N - 7 34 SA2724001 H - 34 18 SA4044001 K1 - 5 22
SA2500001 E - 19 12 SA2620001 N - 9 34 SA2724001 M - 22 30 SA4045001 K1 - 12 22
SA2501001 E - 20 12 SA2621001 N - 10 34 SA2728001 Q - 7 38 SA4052101 Ga 61
SA2502001 E - 21 12 SA2623201 N - 8 34 SA2732001 S - 10 44 SA4098201 U - 4 52
SA2504001 E - 24 12 SA2624001 N - 13 34 SA2791001 F - 11 14 SA4099001 U - 5 52
SA2504001 S - 19 44 SA2625001 N - 14 34 SA2793001 F - 14 14 SA4149101 E - 34 12
SA2506001 E - 29 12 SA2626001 N - 12 34 SA2796001 F - 28 14 SA4212001 N - 3 34
SA2507001 E - 30 12 SA2626001 N - 15 34 SA2806101 H - 30 18 SA4213001 L - 15 28
SA2511001 F - 2 14 SA2627001 N - 16 34 SA2814201 M - 1 30 SA4368001 B - 14 4
SA2512001 F - 4 14 SA2628001 N - 17 34 SA2824001 N - 20 34 SA4370101 A - 10 2
SA2515001 F - 5 14 SA2629001 N - 18 34 SA2826001 K1 - 52 22 SA4373001 B - 2 4
SA2516001 F - 6 14 SA2630001 N - 21 34 SA2860001 Q - 16 38 SA4376101 B - 29 4
SA2523001 F - 26 14 SA2632001 N - 30 34 SA2861201 B - 13 4 SA4382001 C - 5 6
SA2526001 F - 30 14 SA2633001 N - 33 34 SA2927001 H - 12 18 SA4385001 C - 6 6
SA2529101 F - 34 14 SA2634001 N - 36 34 SA2928001 H - 28 18 SA4389101 C - 21 6
SA2530001 F - 37 14 SA2635001 N - 38 34 SA2929001 A - 19 2 SA4391101 C - 15 6
SA2531001 F - 39 14 SA2636001 N - 42 34 SA2929001 M - 9 30 SA4392001 C - 19 6
SA2532001 F - 44 14 SA2637001 N - 44 34 SA2929001 M - 18 30 SA4393101 C - 34 6
SA2533001 F - 48 14 SA2638001 N - 45 34 SA2956001 M - 4 30 SA4394001 C - 35 6
SA2535101 G - 4 16 SA2640001 N - 46 34 SA2957001 M - 5 30 SA4395001 C - 22 6
SA2536001 G - 10 16 SA2643001 Q - 2 38 SA2992001 G - 7 16 SA4396001 C - 26 6
SA2539001 G - 15 16 SA2644001 Q - 3 38 SA2992001 G - 13 16 SA4397001 C - 28 6
SA2540001 G - 11 16 SA2645001 Q - 4 38 SA3040001 M - 2 30 SA4398001 C - 29 6
SA2541001 F - 40 14 SA2645001 Q - 54 38 SA3040001 M - 33 30 SA4399001 C - 31 6
SA2543001 H - 4 18 SA2646001 Q - 6 38 SA3044001 M - 40 30 SA4400001 C - 38 6
SA2544001 H - 6 18 SA2647001 Q - 9 38 SA3045201 M - 37 30 SA4401001 C - 36 6
SA2546001 H - 8 18 SA2648001 Q - 11 38 SA3046001 M - 38 30 SA4402001 D - 1 10
SA2551001 H - 25 18 SA2651001 Q - 13 38 SA3048101 M - 52 30 SA4404001 D - 5 10
SA2553001 H - 16 18 SA2652101 Q - 15 38 SA3049001 M - 53 30 SA4405001 D - 7 10
SA2554001 H - 17 18 SA2655001 Q - 20 38 SA3054001 K1 - 3 22 SA4406001 D - 10 10
SA2555001 H - 27 18 SA2657001 Q - 29 38 SA3055101 M - 7 30 SA4408001 D - 12 10
SA2556001 K1 - 54 22 SA2658001 Q - 30 38 SA3055101 M - 23 30 SA4409001 D - 13 10
SA2556001 K1 - 58 22 SA2661001 Q - 39 38 SA3055101 M - 41 30 SA4411101 D - 14 10
65
REF.NO REF.NO REF.NO REF.NO

66
/ Index
CODE Page CODE Page CODE Page CODE Page
SA4412001 D - 17 10 SA7548001 M - 32 30 SB1437001 C - 54 8
SA4413001 D - 20 10 SA7607101 E - 5 12 SB1438001 C - 56 8
SA4414001 D - 23 10 SA8239201 Z1 - 4 56 SB1439001 E - 7 12
SA4415001 D - 24 10 SA8266001 K2 - 9 26 SB1440001 F - 31 14
SA4416001 D - 27 10 SA8364001 Q - 59 38 SB1441001 G - 1 16
SA4417001 D - 29 10 SA8365001 Q - 60 38 SB1445001 H - 24 18
SA4418001 D - 31 10 SA8503001 P - 10 36 SB1447001 K1 - 20 22
SA4419001 D - 15+ 10 SA8507001 P - 8 36 SB1449001 Q - 1 38
SA4439401 K1 - 1 22 SA8508001 P - 3 36 SB1450001 Q - 32 38
SA4440501 K1 - 8 22 SA8509001 P - 24 36 SB1452001 Q - 33 38
SA4441001 D - 6 10 SA8510101 P - 21 36 SB1454001 T1 - 12 46
SA4444001 K1 - 16+ 22 SA8511101 P - 5 36 SB1484001 B - 4 4
SA4506001 N - 34 34 SA8512101 P - 22 36 SB1484001 L - 9 28
SA4507001 N - 35 34 SA8738101 C - 1 6 SB1485001 B - 3 4
SA4537001 B - 28 4 SA8745001 S - 21 44 SB1536001 B - 17 4
SA4538001 H - 29 18 SA8749001 C - 7 6 SB1536001 L - 13 28
SA4551001 B - 1 4 SA8982202 P - 35 36 SB1639001 P - 6 36
SA4583001 C - 24 6 SA9436001 T1 - 21 46 SB2330001 K1 - 51 22
SA4585001 L - 2 28 SA9437001 T1 - 22 46 SB2984001 T1 - 13 46
SA4585001 L - 4 28 SA9443001 T1 - 24 46
SA5154201 M - 16 30 SA9449001 T1 - 29 46
SA5155001 C - 40 6 SA9452001 T1 - 33 46
SA5224001 M - 11 30 SA9535001 V - 2+ 54
SA5237101 C - 41 6 SA9546001 T3 - 1 50
SA5293001 M - 15 30 SA9549001 T3 - 2 50
SA5332001 C - 61 8 SA9553001 T3 - 4 50
SA5333001 D - 9 10 SA9563001 P - 7 36
SA5336001 D - 3 10 SA9564001 T3 - 7 50
SA5588001 D - 22 10 SA9565001 T3 - 8 50
SA6150101 H - 11 18 SA9575001 T3 - 5 50
SA6166001 B - 5 4 SA9587001 T3 - 6+ 50
SA6178001 M - 6 30 SA9602001 T3 - 6+ 50
SA6294101 K1 - 49 22 SA9616001 V - 1+ 54
SA6301001 K1 - 33 22 SA9725001 T3 - 12 50
SA6307101 K1 - 50 22 SA9725001 Wa 59
SA6308001 H - 31 18 SA9727001 T3 - 3 50
SA6378001 N - 40 34 SA9826001 A - 21 2
SA6392001 Q - 23 38 SA9826001 Wa 59
SA6393001 Q - 24 38 SA9831001 V - 1+ 54
SA6394001 Q - 25 38 SA9894001 T3 - 10 50
SA6395001 Q - 17 38 SA9914001 V - 5 54
SA6414001 M - 62 32 SA9914001 Wa 59
SA6415001 M - 30 30 SA9943001 Z1 - 20 56
SA6416001 M - 61 32 SA9957001 A - 23 2
SA6417001 K1 - 53 22 SA9957001 Wa 59
SA6423001 M - 29 30 SA9957002 A - 24 2
SA6423001 M - 60 30 SA9957002 Wa 59
SA6424101 K1 - 4 22 SB0359001 Ga 62
SA6425101 K1 - 11 22 SB0361001 Ga 62
SA6462001 K1 - 7 22 SB0362001 Ga 62
SA6463001 K1 - 14 22 SB0687001 Z1 - 14 56
SA6468001 M - 28 30 SB0772001 K2 - 1 26
SA6472001 M - 42 30 SB1211001 T1 - 18 46
SA6473001 M - 55 30 SB1229001 V - 3+ 54
SA6474001 K1 - 19 22 SB1270001 Z1 - 6 56
SA6475001 M - 26 30 SB1270001 Wa 60
SA6592001 F - 41 14 SB1271001 Z1 - 5 56
SA6609001 Z2 - 26 58 SB1271001 Wa 60
SA6610001 Z2 - 12 58 SB1311001 A - 3 2
SA6610001 Z2 - 13 58 SB1413001 F - 33 14
SA6615001 Z2 - 16 58 SB1414001 Z1 - 8 56
SA7295001 U - 3 52 SB1425001 C - 3 6
SA7540001 M - 25 30 SB1434001 C - 2 6
66
REF.NO REF.NO REF.NO REF.NO

67
PARTS BOOK
©2010, 2012 Brother Industries, Ltd. All Rights Reserved. T-8752C
SB1472-101.J/E
2012.01.B (1)