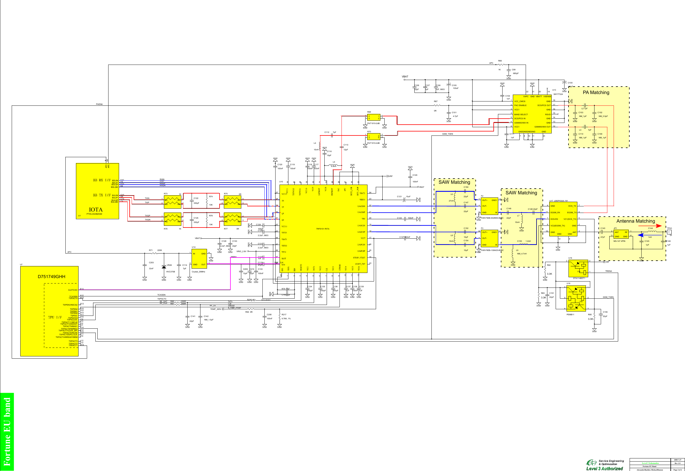
Motorolla C118 Schematics
User Manual: Manual Motorola - Schematics & Service Manuals PDF
Open the PDF directly: View PDF
.
Page Count: 2


User Manual: Manual Motorola - Schematics & Service Manuals PDF
Open the PDF directly: View PDF
.
Page Count: 2

