Maytag MDB7100AWW User Manual To The 493ed657 6980 42dd Bdbe 1cb9762e1d26
User Manual: Maytag MDB7100AWW to the manual
Open the PDF directly: View PDF .
Page Count: 17

Repair
Parts
List
MODEL NUMBER
MDB7100AWW
When requesting service or ordering parts, always
provide the following information:
- Product Type - Part Number
- Model Number - Part Description
DISHWASHER
©2005 Maytag Services

Section: CONTROL PANEL
DW11-57
Model: MDB7100AWW
1

CONTROL PANEL
No. Part No. Description
Section:
Series Qty
1 99002090 PANEL, CONTROL (WHT) Note: PANEL, CONTROL (WHT) 10 1
- 912615 SCREW, #8X1/2 HEX WASHER HEAD Note: SCREW, PANEL 10 4
2 99002232 PCB ASSEMBLY 11 1
2 99002078 PCB ASSEMBLY 10 1
2 99002365 PCB ASSEMBLY (11-BUTTON) 24 1
- 912615 SCREW, #8X1/2 HEX WASHER HEAD Note: SCREW, GROUND WIRE & PCB 10 2
- 99002268 BARRIER, MOISTURE 10 1
2 99002259 PCB ASSEMBLY (11-BUTTON) 14 1
3 99002240 HOLDER, SWITCH 12 1
3 99001077 HOLDER, DOOR SWITCH Note: HOLDER, SWITCH 10 1
- 912615 SCREW, #8X1/2 HEX WASHER HEAD Note: SCREW, SWITCH HOLDER 10 1
4 99002080 BARRIER, CONTROL PANEL 10 1
5 99002207 SWITCH, DOOR 12 1
- 99001401 PAD, LATCH 10 1
6 99001079 HANDLE, LATCH (WHT) Note: HANDLE, LATCH (WHT) 10 1
- 99001402 FOAM, LATCH HANDLE 10 2
7 99001420 LINER, HANDLE HOLE 10 2
8 99002009 INSERT, VENT LINER 10 1
9 99002049 HARNESS, WIRE 10 1
- 99002104 WIRE, JUMPER (MOTOR) 10 1
9 99002237 HARNESS, WIRE--++*** 11 1
9 99002264 HARNESS, WIRE--++*** 14 1
9 99002486 HARNESS, WIRE 27 1
- 99002374 MANUAL, USE & CARE (ENG/FRCH) 24 1
- 99002321 MANUAL, USE & CARE (ENG & FCH) Note: MANUAL, USE & CARE (ENG/FRCH) 10 1
2
*Color Code (-)=Not Shown #=Series, Serial Prefix or Run No., N=Not Available

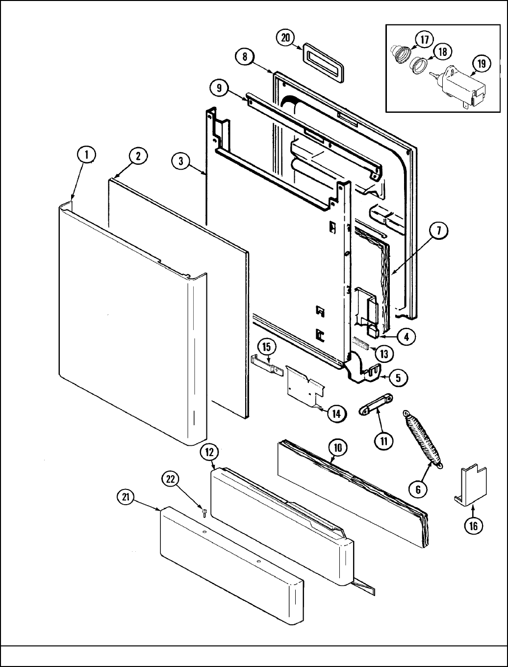
Section: DOOR
DW12-53
Model: MDB7100AWW
3

DOOR
No. Part No. Description
Section:
Series Qty
- 99001445 SCREW, DECORATOR PANEL (WHT) Note: SCREW, PANEL (WHT) 10 2
1 99001416 PANEL, DECORATOR (WHT) 10 1
2 99001415 FILLER, FRONT PANEL 10 1
- 99001688 GROUND WIRE, REINFORCEMENT 10 1
3 99001892 DOOR, OUTER 10 1
- 912615 SCREW, #8X1/2 HEX WASHER HEAD Note: SCREW, RETAINER 10 2
4 912666 RETAINER, WIRE 10 1
- 99002362 SPACER, FOAM --++*** 10 1
5 99001899 HINGE (RT) Note: HINGE (RT) 10 1
- 99001075 SCREW Note: SCREW, HINGE 10 6
5 99001898 HINGE (LT) Note: HINGE (LT) 10 1
6 99002469 SPRING, DOOR 10 2
7 912669 INSULATION, DOOR 10 1
- 99001215 DAMPER, SOUND (TOP) 10 1
- 912751 DAMPER, SOUND (BTM) 10 1
- 912620 SCREW 10 7
8 99001775 DOOR, INNER (W/VENT ASSY)--SUB 10 1
8 99002383 DOOR, INNER 25 1
9 912668 BAR, REINFORCEMENT 10 1
- 99001990 DAMPER, ACCESS PANEL 10 1
10 99001195 INSULATION, ACCESS PANEL 10 1
11 912653 LINK, DOOR SPRING 10 2
12 99002060 PANEL, ACCESS (WHT) 10 1
- 99001194 SCREW, ACCESS PANEL Note: SCREW, ACCESS PANEL (WHT) 10 4
- 99001205 SEAL, ACCESS PANEL 10 1
13 903233 FOAM STRIP, INSULATION 10 1
- 912266 STRAP, CABLE--++*** 10 1
14 99001414 SHIELD, TUB 10 1
- 912366 SCREW --++*** Note: SCREW, TUB SHIELD 10 1
- 912365 SCREW Note: SCREW, STRAP 10 1
15 99001444 STRAP, HARNESS 10 1
- 912366 SCREW --++*** Note: SCREW, ACCESS PANEL SHIELD 10 4
16 912809 SHIELD, ACCESS PANEL (RT) Note: SHIELD, ACCESS PANEL (RT) 10 1
16 912810 SHIELD, ACCESS PANEL (LT) Note: SHEILD, ACCESS PANEL (LT) 10 1
17 99001805 GROMMET, VENT 10 1
18 99001806 RETAINER, GROMMET 10 1
19 99001807 MOTOR, WAX 10 1
20 99001783 SEAL, VENT BACK 10 1
4
*Color Code (-)=Not Shown #=Series, Serial Prefix or Run No., N=Not Available

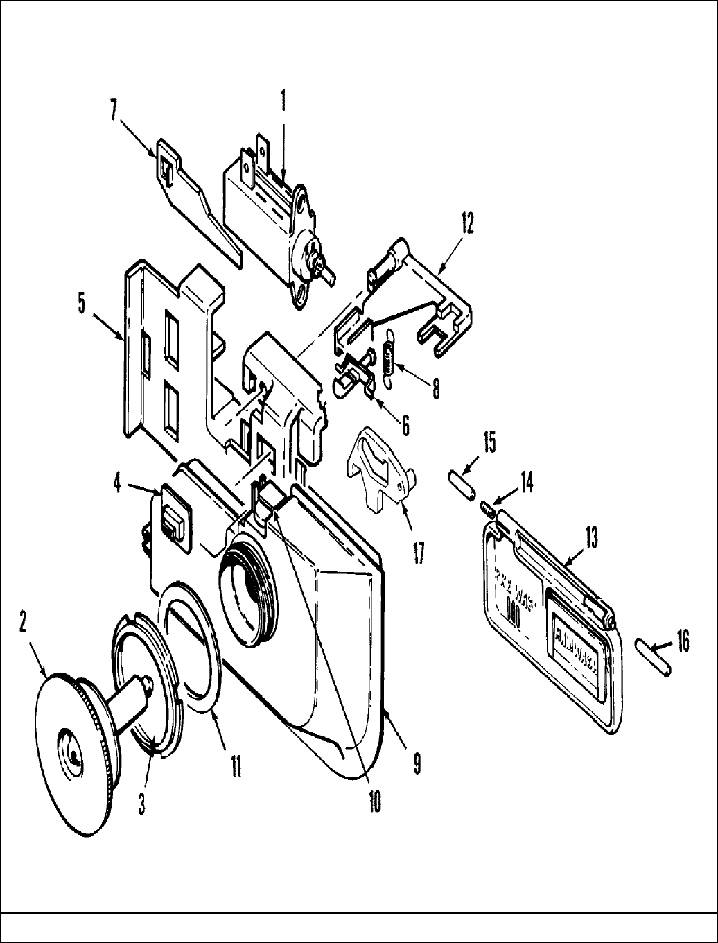
Section: RINSE AID & SOAP DISPENSER
DW17-10
Model: MDB7100AWW
5

RINSE AID & SOAP DISPENSER
No. Part No. Description
Section:
Series Qty
1 902899 MOTOR, WAX 10 1
2 903184 KNOB, RINSE AID (GRAY) Note: KNOB, RINSE AID 10 1
3 913060 NUT, RESERVOIR Note: NUT, RESERVOIR 10 1
4 99001553 GROMMET, DISPENSER 10 1
- 912615 SCREW, #8X1/2 HEX WASHER HEAD 10 2
5 99001288 RETAINER Note: RETAINER, MOTOR & SLIDER 10 1
6 99001291 LATCH, DISPENSER Note: LATCH, LID 10 1
7 99001289 SLIDER Note: LATCH, SLIDER 10 1
8 912676 SPRING, DISPENSER LATCH 10 1
9 99002004 RESERVOIR, RINSE AID Note: RESERVOIR, RINSE AID 10 1
10 903124 PLUNGER ASSEMBLY Note: PLUNGER ASSEMBLY 10 1
11 913061 GASKET, RESERVOIR Note: GASKET, RESERVOIR 10 1
12 99001290 ACTUATOR, RINSE AID Note: ACTUATOR, RINSE AID 10 1
13 903108 LID, DETERGENT CUP 10 1
14 912547 SPRING, CUP LID Note: SPRING, SOAP DISPENSER 10 1
15 912679 PIN, HINGE (SHORT) Note: PIN (SHORT) 10 1
16 912678 PIN, HINGE (LONG) Note: PIN (LONG) 10 1
17 99001287 PIVOT 10 1
6
*Color Code (-)=Not Shown #=Series, Serial Prefix or Run No., N=Not Available

Section: TRACK & RACK ASSEMBLY
DW15-63
Model: MDB7100AWW
7

TRACK & RACK ASSEMBLY
No. Part No. Description
Section:
Series Qty
1 99002037 RACK ASSEMBLY (UPR) Note: RACK ASSEMBLY (UPR) 10 1
2 903093 WHEEL ASSEMBLY (UPR) Note: WHEEL ASSEMBLY (UPR) 10 4
3 99002034 RACK, LOWER Note: RACK ASSEMBLY (LWR) 10 1
3 99002398 RACK ASSEMBLY (LWR) 25 1
4 903095 WHEEL ASSEMBLY (LWR) Note: WHEEL ASSEMBLY (LWR) 10 6
5 912709 CLIP, ADJUSTABLE PEG Note: CLIP, ADJUSTABLE PEG (LWR) 10 2
- 99002031 COVER, BASKET 10 2
6 99002028 BASKET, SPLIT & FIT (W/COVER) 10 1
- 99002029 BASKET/HALF, SILVERWARE 10 2
7 99002139 SHELF, RACK (LWR) Note: SHELF, RACK (LWR) 10 1
8 99002138 TINE, BOWL (REAR) 10 1
9 99002137 TINE, BOWL (FRT) 10 1
10 99001533 TOWER, SPRAY (W/SHAFT-GRAY) 10 1
11 99001442 DIVERTER, SPRAY (GRAY) 10 1
12 99001443 CAP, SPRAY DIVERTER (GRAY) 10 1
13 99001426 NUT, DISCHARGE HOUSING 10 1
14 912545 TRACK, RACK 10 2
- 912798 WASHER, TUB WHEEL 10 8
15 912548 WHEEL, TUB 10 8
16 912549 SHAFT, TUB WHEEL 10 8
17 912710 SLEEVE, FOLDING TINES 10 4
18 99002135 STOP, RACK (GRAY) 10 4
19 99001429 SHELF, RACK (UPR) 10 1
20 99002075 BASKET, AUXILLARY 10 1
21 99002107 HANDLE, RACK (LT) 10 1
21 99002108 HANDLE, RACK (RT) 10 1
22 99002072 STRIP, WHEEL MOUNTING 10 1
23 99002073 PLATE, WHEEL MOUNTING 10 2
24 99002106 WHEEL, MOUNTING STRIP 10 2
- 99002017 CAP, RACK (LIGHT GRAY) 10 1
8
*Color Code (-)=Not Shown #=Series, Serial Prefix or Run No., N=Not Available

Section: TUB
DW13-78
Model: MDB7100AWW
9

TUB
No. Part No. Description
Section:
Series Qty
1 902894 SEAL, DOOR--++*** 10 1
2 99001359 VALVE, WATER 10 1
- 912365 SCREW Note: SCREW, WATER VALVE 10 2
3 911856 CLAMP, SPRING Note: CLAMP, INJECTOR HOSE 10 1
4 912633 HOSE, INJECTOR 10 1
5 912533 INJECTOR, WATER 10 1
6 904030 CLAMP, HOSE (1 1/4") Note: CLAMP, HOSE 10 1
- 99001194 SCREW, ACCESS PANEL Note: SCREW, TOE PANEL (WHT) 10 2
7 99001106 PANEL, TOE (WHT) Note: PANEL, TOE (WHT) 10 1
- 912650 RETAINER, LATCH 10 1
8 903098 DOOR LATCH HOOK ASSY Note: DOOR LATCH HOOK ASSEMBLY 10 1
- 912648 SPRING, LATCH 10 1
- 912873 SCREW, LATCH Note: SCREW, LATCH HOOK 10 1
- 99001355 HOOK, LATCH 10 1
9 912647 HOSE, TOP SHOWER Note: HOSE, TOP SHOWER 10 1
10 913095 VENT, INLET 10 1
11 910069 WASHER, TUB TOP Note: WASHER, TOP SHOWER HOSE 10 1
12 912014 LEVER, ACTUATOR 10 1
13 912015 PIN, LEVER PIVOT 10 1
14 912686 RING, LOCKING 10 1
15 99001393 BARRIER (WHT) Note: BARRIER, TOE PANEL (WHT) 10 2
- 99001008 CLIP, THERMOSTAT 10 1
16 99001852 THERMOSTAT, LIMITING 10 1
17 913096 TUBE, INLET 10 1
18 912651 BRACKET, ADJUSTING 10 2
19 912613 SCREW, ADJUSTING BRACKET Note: SCREW, BRACKET 10 2
20 912645 NUT, HEATING ELEMENT 10 2
- 99001333 SLEEVE, INSULATING Note: SLEEVE, INSULATING 10 1
21 912659 CAP, AIR INLET 10 1
- 912622 SCREW 10 1
22 913079 O-RING, HEATER Note: WASHER, HEATING ELEMENT 10 2
23 99001773 ELEMENT, HEATING (830W/650W) Note: ELEMENT, HEATING 10 1
23 99002360 ELEMENT, HEATING 25 1
24 912541 BRACKET, HEATING ELEMENT Note: BRACKET, ELEMENT 10 2
24 99002361 BRACKET, ELEMENT 25 2
25 911265 PALNUT, FLOAT 10 1
26 912579 LEG, LEVELING 10 4
27 912563 BOX, TERMINAL 10 1
- 400321 CLAMP, CABLE Note: CLAMP, CABLE 10 1
- 912365 SCREW Note: SCREW, BOX 10 2
28 99001004 FLOAT 10 1
29 99002560 SWITCH, WATER LEVEL CONTROL 10 1
- 912012 SCREW Note: SCREW, SWITCH 10 1
30 912656 BRACKET, WATER LEVEL SWITCH 10 1
- 912365 SCREW Note: SCREW, BRACKET 10 1
31 912799 SCREW, CABINET MOUNT 10 2
32 911917 FASTENER, INSULATION Note: FASTENER, INSULATION 10 6
- 99002415 FASTENER, INSULATION (COLLAR) 10 4
33 99001691 INSULATION, TUB 10 1
- 912744 DAMPER, SOUND (LT) 10 1
- N 912749 DAMPER, SOUND (BACK) 10 1
- 99001834 DAMPER, SOUND (TOP-BACK) 10 1
- 99001692 INSULATION, TUB (BACK) 10 1
- 99001833 DAMPER, SOUND (TOP-FRT) Note: DAMPER, SOUND (TOP-FRT) 10 1
- 912745 DAMPER, SOUND (RT) Note: DAMPER, SOUND (SIDE-RT) 10 1
34 912790 HOOK, DRAIN HOSE Note: HOOK, DRAIN HOSE 10 1
10
*Color Code (-)=Not Shown #=Series, Serial Prefix or Run No., N=Not Available

Section: TUB
DW13-78
Model: MDB7100AWW
11

TUB
No. Part No. Description
Section:
Series Qty
35 912644 SEAL RING, INJECTOR 10 1
36 912654 STRAP, SUPPORT 10 1
- 912365 SCREW Note: SCREW, STRAP 10 2
37 99001201 SEAL, SOUND (WHT) Note: SEAL, SOUND (WHT) 10 3
38 99001885 DEFLECTOR, WATER 10 2
39 99001204 DAMPER, TOE PANEL 10 1
40 912742 INSULATION, TOE PANEL 10 1
41 99001395 INSULATION, BARRIER 10 2
12
*Color Code (-)=Not Shown #=Series, Serial Prefix or Run No., N=Not Available

Section: PUMP & MOTOR
DW14-54
Model: MDB7100AWW
13

PUMP & MOTOR
No. Part No. Description
Section:
Series Qty
1 99001787 NOZZLE, JUMP UP (GRAY) 10 1
2 99001788 ARM ASSY., WASH (LWR-GRAY) 10 1
3 912313 RING, SEAL Note: SEAL, RING 10 2
4 99001789 FILTER ASSY., SECONDARY 10 1
5 99001790 SCREW, SECONDARY FILTER 10 3
6 99001791 FILTER, PUMP Note: FILTER, PUMP 10 1
7 99002043 ASSEMBLY, RINSE ARM 10 1
8 99001426 NUT, DISCHARGE HOUSING 10 1
9 99002041 SUPPORT, WASH ARM 10 1
10 99002103 SEAL KIT (MOTOR/PUMP) 10 1
11 99002461 DISCHARGE HOUSING ASSY (UPR) 10 1
12 910654 SCREW, IMPELLER Note: SCREW, IMPELLER 10 1
13 910934 SEAL, O-RING Note: SEAL, O-RING 10 1
14 99002069 IMPELLER ASSEMBLY 10 1
15 99002279 PLATE, SUCTION 15 1
15 99001793 PLATE, SUCTION 10 1
16 99001794 SUPPORT, FILTER 10 1
16 99002280 SUPPORT, FILTER 15 1
17 912510 O-RING Note: O-RING 10 1
18 912310 DISC, CUTTER Note: DISC, CUTTER 10 1
19 99001081 SCREW Note: SCREW, CHOPPER PLATE 10 6
20 99001795 COVER, DRAIN 10 1
21 99001799 FLAPPER, VALVE 10 1
22 903304 DRAIN IMPELLER ASSEMBLY Note: DRAIN IMPELLER ASSEMBLY 10 1
23 99001800 CLIP, RETAINER 10 1
24 902882 SEAL, PUMP Note: SEAL, PUMP 10 1
25 912529 GASKET, PUMP Note: GASKET (W/FASTENERS) 10 1
26 99002482 MOTOR/PUMP HOUSING ASSEMBLY 25 1
26 99002089 MOTOR&PUMP HOUSING ASSEMBLY 10 1
27 912383 SCREW Note: SCREW, DISCHARGE HOUSING (UPR) 10 3
28 99001782 HOSE, DRAIN 10 1
29 99001774 CLAMP, HOSE (1 3/8") 10 1
30 99002071 SENSOR, TURBITITY 10 1
31 912681 RETAINER, SNAP SPRAY 10 1
32 912680 OUTLET, SNAP 10 1
33 99002418 ARM, WASH (UPR-WHT) 10 1
34 99001428 CAP, WASH ARM (GRAY) 10 1
35 912895 SHIELD, RADIANT 10 2
36 99001796 GUARD, FILTER (GRAY) 10 1
37 99001797 O-RING 10 1
38 99001326 GASKET, DISCHARGE HSNG (UPR) 10 1
39 99001798 BALL, CHECK 10 1
39 99002281 BALL, CHECK 15 1
40 99002123 SEAL, SENSOR 10 1
41 99002070 THERMISTOR 10 1
- 99001979 O-RING, PUMP THERMOSTAT 10 1
- 99001980 FLANGE, THERMOSTAT/THERMISTOR Note: FLANGE, THERMISTER 10 1
- 912615 SCREW, #8X1/2 HEX WASHER HEAD Note: SCREW, FLANGE 10 2
- ------ NOT REQUIRED PART OR SEE NOTE 14 0
- 99002104 WIRE, JUMPER (MOTOR) 10 1
14
*Color Code (-)=Not Shown #=Series, Serial Prefix or Run No., N=Not Available

Section: WIRING INFORMATION
15002657
Model: MDB7100AWW
15