Maytag Washer Mav7000Aww Users Manual
MAV7000AWW to the manual 91b20abd-4ab8-47ae-8fbf-9cda2c6af23a
2015-01-23
: Maytag Maytag-Maytag-Washer-Mav7000Aww-Users-Manual-270828 maytag-maytag-washer-mav7000aww-users-manual-270828 maytag pdf
Open the PDF directly: View PDF
.
Page Count: 15

Repair
Parts
List
MODEL NUMBER
MAV7000AWW
When requesting service or ordering parts, always
provide the following information:
- Product Type - Part Number
- Model Number - Part Description
WASHER
©2005 Maytag Services

Section: CONTROL PANEL
LW11-71
Model: MAV7000AWW
1

CONTROL PANEL
No. Part No. Description
Section:
Series Qty
1 22001664 TIMER KNOB INSERT/CAP (WHT) 10 1
2 211605 RETAINER, TIMER KNOB 10 1
3 22001659 TIMER KNOB - GREY 10 1
4 211065 SPRING, TIMER KNOB 10 1
5 22001660 DIAL SKIRT - WHITE Note: BEZEL, TIMER DIAL (WHT) 10 1
6 22002728 WIRE HARNESS 10 1
7 22002725 PANEL, CONTROL Note: PANEL, CONTROL (WHT) 10 1
8 33002286 CONSOLE (WHT) 10 1
9 22002705 SWITCH, PRESSURE Note: SWITCH, PRESSURE (WHT) 10 1
- 22003461 PAD, PRESSURE SWITCH 14 1
- 22001789 BUTTON, SWITCH (WHT-MDL) Note: BUTTON, SWITCH (WHT-MDL) 10 2
- 22001788 BUTTON, SWITCH (WHT-END) 10 2
10 22002936 SWITCH, TEMPERATURE (4POS.WHT) 10 1
11 22002743 TUBE, WATER LEVEL SWITCH Note: TUBE, WATER LEVEL (AIRDOME) 10 1
11 22003237 AIR DOME HOSE 12 1
11 22003422 HOSE, AIR DOME Note: TUBE, WATER LEVEL (AIRDOME) 14 1
- 22001788 BUTTON, SWITCH (WHT-END) 10 2
12 22002710 SWITCH, (4 POS. WHT) Note: SWITCH, OPTION (WHT) 10 1
- 22001789 BUTTON, SWITCH (WHT-MDL) Note: BUTTON (WHT-MDL) 10 2
13 22002717 TIMER 10 1
- 22001661 SCREW, TIMER 10 2
14 22002529 CONSOLE BACK PANEL 10 1
15 22002857 BOARD, CONTROL 10 1
16 22002856 BRACKET, MTG. (CTL. BOARD) 10 1
- 22001948 LENS, INDICATOR LIGHT 10 1
17 903115 LOCK LIGHT 10 1
- N 16000327 GUIDE, QUICK REF. - MAYTAG 10 1
- 16009485 MANUAL, SERVICE-NO REFUND 10 1
- 22002806 MANUAL, USE & CARE 10 1
- 22002807 MANUAL, USE & CARE (FRENCH) Note: (FRENCH) 10 1
2
*Color Code (-)=Not Shown #=Series, Serial Prefix or Run No., N=Not Available

Section: CABINET
LW12-10
Model: MAV7000AWW
3

CABINET
No. Part No. Description
Section:
Series Qty
- 22002293 INSULATION, CABINET 10 1
1 22002548 CABINET ASSY. (WHT) 10 1
2 22002708 VALVE, WATER 10 1
3 22002852 RETAINER, WIRE 10 1
4 22002838 CLAMP, SPRING----S 10 1
5 22003410 HOSE, DRAIN 10 1
- 12001586 ANTI-SIPHON ACCESSORY Note: ANTI-SIPHON KIT (ACCESSORY) 10 1
- 22003596 CLAMP, HOSE Note: CLAMP, DRAIN HOSE 10 1
6 22002761 HOSE, INJECTOR 10 1
7 216169 CLAMP,HOSE-INJEC.HOSE TO VALVE Note: CLAMP, INJECTOR HOSE 10 1
8 22002765 CLIP, HOSE 10 1
9 33002190 SCREW (#10-3/8") Note: SCREW, WATER VALVE BRACKET 10 2
10 22002701 RETAINER, DRAIN HOSE 10 1
11 22001995 SCREW Note: SCREW (#12 X 1/2") 10 2
12 22002839 BRACE, CABINET (RT) 10 1
12 22002840 BRACE, CABINET (LT) Note: (RT) 10 1
13 22002092 PANEL, ACCESS 10 1
14 200961 SCREEN WASHER, INLET HOSE 10 2
15 22002737 PANEL, FRONT (WHT) 10 1
- 22002854 PAD, SOUND BARRIER 10 1
16 22002763 INLET HOSE ASSY. (HOT) Note: INLET HOSE ASSY. (HOT) 10 1
16 22002764 INLET HOSE ASSY. (COLD) Note: (COLD) 10 1
17 013783 GASKET, INLET HOSE Note: WASHER, INLET HOSE 10 4
18 22002704 COVER, DRAIN HOSE 10 1
19 22002762 BRACKET, WATER VALVE 10 1
20 22002748 FRONT PANEL BRACKET Note: FASTENER, FRONT PANEL 10 2
21 22002759 FLUME, WATER INJECTOR (UPR) Note: FLUME, WATER INJECTOR (UPR) 10 1
22 22002760 FLUME, WATER INJECTOR (LWR) 10 1
23 22002722 INJECTOR FLUME ASSY. 10 1
24 22002767 BRACE, CROSS 10 2
25 22002013 STOP, SHIPPING 10 4
26 25-7220 CLIP, CABINET TOP 10 2
27 22002362 SCREW----NA Note: SCREW, WATER VALVE 10 2
28 22002965 HOLE PLUG 10 2
29 22003086 CLIP, AIR DOME HOSE 10 1
- 22002229 STRAINER Note: STRAINER (HDWR.PKG.) 10 2
- 013783 GASKET, INLET HOSE Note: WASHER,INLET HOSE (HDWR.PKG.) 10 2
- N 33001245 SCREW----NA Note: SCREW (HDWR.PKG.) 10 1
- 33002388 WASHER (HDWR PKG) Note: WASHER (HDWR.PKG.) 10 1
- 35-2890 CABLE TIE Note: CABLE TIE (HDWR.PKG.) 10 1
- 22002702 TIE, BEADED Note: TIE, BEADED (HDWR.PKG.) 10 1
4
*Color Code (-)=Not Shown #=Series, Serial Prefix or Run No., N=Not Available

Section: TUB
LW13-26
Model: MAV7000AWW
5

TUB
No. Part No. Description
Section:
Series Qty
1 22002735 AGITATOR/AUGER ASSY. Note: AGITATOR 10 1
2 21001510 SCREW Note: SCREW, TUB 10 4
3 22002933 SCREW 10 6
4 25-7948 SCREW, AGITATOR RETENTION Note: BOLT, AGITATOR 10 1
5 35-3685 GASKET, BASKET TO CENTERPOST Note: GASKET, BASKET 10 1
6 35-3686 GASKET, TUB TO HOUSING Note: GASKET, TUB 10 1
7 25-7967 SCREW, SHOULDER Note: SCREW, BASKET 10 4
8 35-2328 SEAL, TUB TOP Note: SEAL, TUB TOP 10 1
9 22004336 DISPENSER, (ATLANTIS ONLY) Note: ITEMS 9 AND 14 ARE THE SAME. THEY ARE NOW SOLD
ONLY AS AS ASSEMBLY
10 1
10 22002741 SPINNER ASSEMBLY, PLASTIC 10 1
11 35-2978 SEAL, TUB/HOUSING 10 1
12 22002742 TUB, OUTER 10 1
13 22002736 TUB COVER ASSY. (TUB TOP) 10 1
14 22004336 DISPENSER, (ATLANTIS ONLY) Note: (INCL DISPENSER CUP) 10 1
- 22003458 BLOCK, TUB (ATL) 10 1
6
*Color Code (-)=Not Shown #=Series, Serial Prefix or Run No., N=Not Available

Section: BASE
LW10-22
Model: MAV7000AWW
7

BASE
No. Part No. Description
Section:
Series Qty
1 22004376 SPRING, MOTOR PIVOT 10 1
2 21001516 MOTOR & PULLEY ASSY. 10 1
3 22002721 SHIELD, MOTOR 10 1
- 22003438 SLEEVE, PUMP (ATL) 16 1
4 21001732 PUMP 10 1
5 25-7833 SCREW Note: SCREW, MOTOR/BASE 10 2
6 25-7834 WASHER Note: WASHER, MOTOR/BASE SCREW 10 2
7 33-9946 ISOLATOR, MOTOR 10 2
8 35-3570 WASHER, MOTOR PIVOT Note: WASHER, PIVOT 10 2
9 21001366 PLATE, MOTOR 10 1
- 35-2065 PAD, MOTOR PLATE 10 1
10 35-3646 ISOLATOR, MOTOR PLATE 10 3
- 22004348 SLIDE, MOTOR PIVOT Note: FOOT SLIDE, ISOLATOR 10 1
11 25-7831 SPACER Note: SPACER, MOUNTING 10 2
12 22004297 PULLEY 21 1
12 21001506 PULLEY, MOTOR-60 HZ 10 1
13 22002853 CLAMP, HOSE Note: CLAMP, HOSE 10 2
14 35-3571 SLIDE, MOTOR PIVOT Note: SLIDE, MOTOR 10 2
15 33-9967 WASHER, MOTOR ISOLATOR 10 2
16 25-7047 WASHER, FLAT 10 2
17 25-7325 NUT, MOTOR PLATE ASY TO MOTOR Note: NUT, MOTOR PLATE ASSEMBLY 10 2
18 21001598 SPRING, SUSPENSION 10 6
19 21001166 HOOK, SUSPENSION SPRING 10 3
20 21001754 BAR, STABILIZER 10 1
21 35-2046 BRACKET, STABILIZER 10 2
22 35-2052 PIN, STABILIZER 10 2
23 35-3020 FOOT PAD ASSY. (REAR) Note: FOOT & PAD ASSEMBLY (REAR) 10 2
24 31001041 SCREW Note: SCREW, BRACKET/BASE 10 6
25 22002841 BASE 10 1
26 25-7845 SPEEDNUT Note: SPEEDNUT, MOTOR 10 2
27 22003285 HOSE, TUB TO PUMP 15 1
27 35-3584 HOSE, TUB TO PUMP 10 1
28 35-3507 FOOT & PAD ASSY Note: FOOT & PAD ASSEMBLY (FRONT) 10 2
29 N 25-7951 WASHER, SUSPENSION HOOK 10 3
30 22002709 BELT, DRIVE 10 1
31 25-7830 SPACER 10 2
32 22002239 CLIP, LOWER FRONT PANEL 10 2
- 22002966 U-NUTS, TINNERMAN (FRT PNL) 10 2
33 22002782 PAD, FOAM (SOUND DAMPENER) 10 8
8
*Color Code (-)=Not Shown #=Series, Serial Prefix or Run No., N=Not Available

Section: TOP
LW16-32
Model: MAV7000AWW
9

TOP
No. Part No. Description
Section:
Series Qty
1 22002739 COVER, TOP (WHT) 10 1
2 22002835 CUP, BLEACH (WHT) Note: (WHT) 10 1
3 22001967 SWITCH, LID 10 1
4 22002751 HINGE PIN (WHT) 10 2
5 22002872 LID, WASHER (WHT-W/MEDALLION) Note: (WHT) 10 1
6 22002753 BUSHING, HINGE 10 2
7 22002754 PLUNGER 10 1
8 22002755 CAM, LID (WHT) Note: CAM, LID (WHT) 10 1
9 22002757 GUIDE TUBE 10 1
10 22002837 CORD, POWER 10 1
11 33002053 GROMMET, CORD 10 1
12 2016090 SCREW, LID SWITCH TO BRACKET Note: SCREW/WASHER (GUIDE TUBE) 10 2
13 705026 SCREW Note: SCREW, GROUNDING 10 1
14 22002773 DOSING LID ASSY. 10 1
15 22002774 LOCK, TWIST 10 4
16 22002775 CAP 10 1
17 22002776 SLIDER, SIGHT GLASS 10 1
18 22002777 PLUNGER VALVE ASSEMBLY 10 1
19 22002771 RETAINER, TORSION ROD (LT) 10 1
20 22002772 SUPPORT, CTR. (TORSION ROD) 10 1
21 22002842 TORSION ROD 10 1
22 22002843 RETAINER, TORSION ROD (RT) 10 1
23 22002844 BEARING, TORSION ROD 10 1
24 22002779 RETAINER, PLUNGER VALVE (CLIP) 10 1
10
*Color Code (-)=Not Shown #=Series, Serial Prefix or Run No., N=Not Available

Section: TRANSMISSION
LW15-23
Model: MAV7000AWW
11

TRANSMISSION
No. Part No. Description
Section:
Series Qty
1 25-7941 "O" RING Note: "O" RING, AGTR DRIVE SHAFT 10 1
2 21001065 SCREW,#10-24X.50 HXNIBHD Note: SCREW, STATOR 10 6
3 35-3829 PULLEY, DRIVE Note: PULLEY, DRIVE (PLASTIC) 10 1
3 12001797 KIT, PULLEY & DUST CAP 13 1
4 LA-2007 CAM REPLACEMENT KIT 10 1
5 21001533 SEAL NUT ASSEMBLY 10 1
- 35-2132 WASHER,1.25ODX.530IDX.032 Note: WASHER, FLAT 10 1
6 35-2082 WASHER,1.25ODX.530IDX.062 Note: WASHER, FLAT 10 1
7 21001515 BASKET HUB ASSEMBLY 10 1
8 25-7854 RING, RETAINING 10 1
9 21001508 HOUSING/BEARING ASSY. 10 1
10 35-2205 BEARING, SPIN 10 1
11 35-2007 CAP, DUST 10 1
11 ------ NOT REQUIRED PART OR SEE NOTE 13 0
- 35-2205 BEARING, SPIN 10 1
12 21001511 HOUSING/LWR.BEARING ASSY. 10 1
13 21001518 SUPPORT, TUB 10 1
14 21001532 BRACE, TUB 10 3
15 25-7895 SCREW, SUSP HSG TO LWR BRG ASY Note: SCREW, TUB BRACE 10 6
16 21001163 HOUSING, SUSPENSION 10 1
17 35-2017 RETAINER, BRAKE SPRING 10 1
18 31001285 SPRING, BRAKE 10 1
19 25-7930 SCREW 5/16-18X3/4 Note: SCREW, TUB BRACE 10 6
20 21001509 SCREW,HIGH PERFORMANCE PLASTIC Note: SCREW, SUSPENSION HOUSING 10 3
21 35-2948 BRAKE ROTOR & LINING ASSY Note: BRAKE ROTOR & LINING ASSEMBLY 10 1
22 21001161 SNUBBER 10 1
23 35-2018 STATOR, BRAKE 10 1
24 12500036 THRUST BEARING KIT 10 1
25 21001536 TRANS. ASSY.(W/O SEAL/BEARING) Note: TRANSMISSION ASSY.(DUAL DRIVE)COMPONENTS OF
THIS ASSEMBLY NOT SOLD SEPARATELY
10 1
26 12001598 TUB SEAL ASSEMBLY Note: (INCL TUB SEAL, TUB GASKET BASKET GASKET) 10 1
27 35-2974 TUB SEAL/HUB ASSY (HT TRANS) 10 1
28 35-2010 SEAL,TRANSMISSION HOUSING(LIP) 10 1
12
*Color Code (-)=Not Shown #=Series, Serial Prefix or Run No., N=Not Available

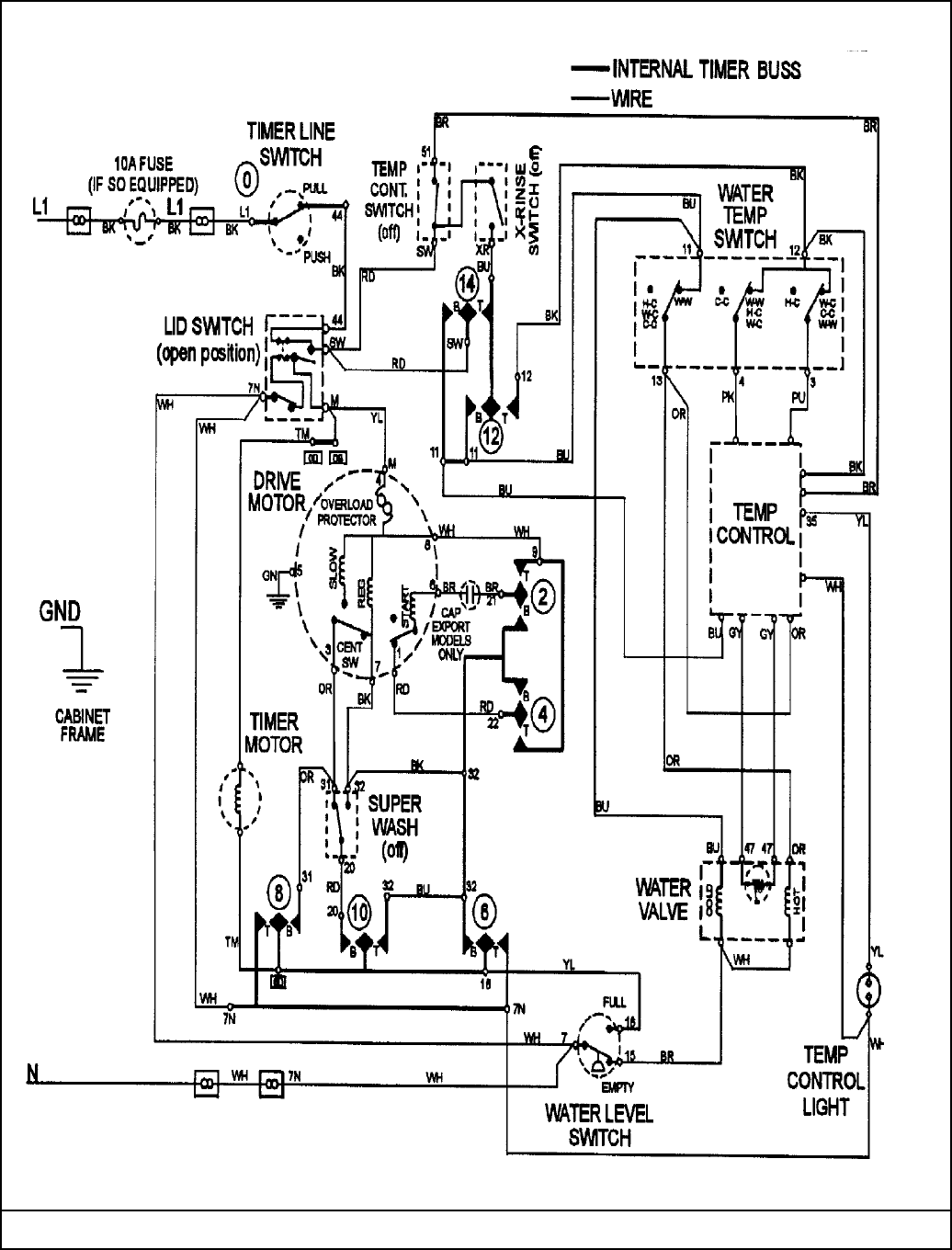
Section: WIRING INFORMATION
15002583
Model: MAV7000AWW
13