Maytag Uxw7230Bss Use And Care Manual W10526057C
2015-03-30
: Maytag Maytag-Uxw7230Bss-Use-And-Care-Manual-677356 maytag-uxw7230bss-use-and-care-manual-677356 maytag pdf
Open the PDF directly: View PDF
.
Page Count: 32

LI31IB/W10526057C
30" (76.2 CM) WALL-MOUNT CANOPY
RANGE HOOD
Installation Instructions and Use & Care Guide
For questions about features, operation/performance parts, accessories or service, call: 1-800-253-1301
In Canada, for assistance, installation and service, call: 1-800-807-6777
or visit our website at...www.whirlpool.com or www.whirlpool.ca
HOTTE DE CUISINIÈRE CONFIGURÉE EN ÎLOT
À MONTAGE MURAL 30" (76,2 CM)
Instructions d’installation et Guide d’utilisation et d’entretien
Au Canada, pour assistance, installation ou service composez le 1-800-807-6777
ou visitez notre site web à www.whirlpool.ca
Table of Contents/Table des matières.............................................................................2
IMPORTANT: READ AND SAVE THESE INSTRUCTIONS.
FOR RESIDENTIAL USE ONLY.
IMPORTANT : LIRE ET CONSERVER CES INSTRUCTIONS.
POUR UTILISATION RÉSIDENTIELLE UNIQUEMENT.

2
TABLE OF CONTENTS
RANGE HOOD SAFETY .................................................................3
INSTALLATION REQUIREMENTS ................................................5
Tools and Parts ............................................................................5
Location Requirements................................................................5
Venting Requirements..................................................................6
Electrical Requirements ...............................................................7
INSTALLATION INSTRUCTIONS ..................................................8
Prepare Location..........................................................................8
Install Range Hood.......................................................................9
Connect Vent System ..................................................................9
Make Electrical Connection .......................................................10
Install Vent Covers .....................................................................10
Complete Installation .................................................................10
RANGE HOOD USE......................................................................11
Range Hood Controls ................................................................11
RANGE HOOD CARE ...................................................................12
Cleaning......................................................................................12
WIRING DIAGRAM .......................................................................13
ASSISTANCE OR SERVICE.........................................................14
In the U.S.A. ...............................................................................14
In Canada ...................................................................................14
Accessories................................................................................14
WARRANTY ..................................................................................15
TABLE DES MATIÈRES
SÉCURITÉ DE LA HOTTE DE CUISINIÈRE................................16
EXIGENCES D'INSTALLATION...................................................18
Outils et pièces...........................................................................18
Exigences d’emplacement.........................................................18
Exigences concernant l’évacuation ...........................................19
Spécifications électriques ..........................................................21
INSTRUCTIONS D'INSTALLATION.............................................22
Préparation de l'emplacement...................................................22
Installation de la hotte ................................................................23
Raccordement du circuit d'évacuation......................................23
Raccordement électrique...........................................................24
Installation des cache-conduits .................................................25
Achever l’installation ..................................................................25
UTILISATION DE LA HOTTE .......................................................26
Commandes de la hotte de cuisinière .......................................26
ENTRETIEN DE LA HOTTE..........................................................27
Nettoyage ...................................................................................27
SCHÉMA DE CÂBLAGE...............................................................29
ASSISTANCE OU SERVICE.........................................................30
Au Canada..................................................................................30
Accessoires ................................................................................30
GARANTIE.....................................................................................31

3
RANGE HOOD SAFETY
You can be killed or seriously injured if you don't immediately
You can be killed or seriously injured if you don't follow
All safety messages will tell you what the potential hazard is, tell you how to reduce the chance of injury, and tell you what can
happen if the instructions are not followed.
Your safety and the safety of others are very important.
We have provided many important safety messages in this manual and on your appliance. Always read and obey all safety
messages.
This is the safety alert symbol.
This symbol alerts you to potential hazards that can kill or hurt you and others.
All safety messages will follow the safety alert symbol and either the word “DANGER” or “WARNING.”
These words mean:
follow instructions.
instructions.
DANGER
WARNING
State of California Proposition 65 Warnings:
WARNING: This product contains one or more chemicals known to the State of California to cause cancer.
WARNING: This product contains one or more chemicals known to the State of California to cause birth defects or other
reproductive harm.

4
IMPORTANT SAFETY INSTRUCTIONS
READ AND SAVE THESE INSTRUCTIONS

5
INSTALLATION REQUIREMENTS
Tools and Parts
Gather the required tools and parts before starting installation.
Read and follow the instructions provided with any tools listed here.
Tools needed
■Level
■
Drill with 1¼" (3.0 cm),
³⁄₈
" (9.5 mm), and
³⁄₁₆
" (4.8 mm) drill bits
■Pencil
■Wire stripper or utility knife
■Tape measure or ruler
■Pliers
■Caulking gun and weatherproof caulking compound
■Vent clamps
■Jigsaw or keyhole saw
■Flat-blade screwdriver
■Metal snips
■Phillips screwdriver
Parts needed
■Home power supply cable
■½" (12.7 mm) UL listed or CSA approved strain relief
■3 UL listed wire connectors
For vented installations, you will also need:
■1 wall or roof cap
■Metal vent system
For non-vented (recirculating) installations, you will also
need:
■Recirculation Kit Part Number W10349327 for non-vented
(recirculating) installations only. See “Assistance or Service”
section to order.
■6" (15.2 cm) dia. round metal vent duct - length required
is determined by ceiling height.
Parts supplied
Remove parts from packages. Check that all parts are included.
■Hood canopy assembly with ventilator and light bulbs
installed
■Vent transition with back draft dampers installed
■Metal grease filter(s)
■Vent cover support bracket
■Mounting template
■2-piece vent cover
■2 - 3.5 x 9.5 mm screws
■4 - 2.9 x 6.5 mm screws
■6 - 5 x 45 mm mounting screws
■2 - 8 x 40 mm wall anchors
■4 - 10 x 60 mm wall anchors
■4 - 5.4 x 75 mm screws (for 10 x 60 mm wall anchors)
■T10 Torx®† adapter
Location Requirements
IMPORTANT: Observe all governing codes and ordinances.
Have a qualified technician install the range hood. It is the
installer's responsibility to comply with installation clearances
specified on the model/serial/rating plate. The model/serial/rating
plate is located behind the filter on the rear wall of the vent hood.
Canopy hood location should be away from strong draft areas,
such as windows, doors and strong heating vents.
Cabinet opening dimensions that are shown must be used.
Given dimensions provide minimum clearance.
Grounded electrical outlet is required. See “Electrical
Requirements” section.
The canopy hood is factory set for venting through the roof or
wall. For non-vented (recirculating) Installation see “For Non-
vented (recirculating) Installations Only” in “Connect Vent
System” section. Recirculation Kit Part Number W10349327
is available from your dealer or an authorized parts distributor.
All openings in ceiling and wall where canopy hood will be
installed must be sealed.
For Mobile Home Installations
The installation of this range hood must conform to the
Manufactured Home Construction Safety Standards, Title 24
CFR, Part 328 (formerly the Federal Standard for Mobile Home
Construction and Safety, Title 24, HUD, Part 280) or when such
standard is not applicable, the standard for Manufactured Home
Installation 1982 (Manufactured Home Sites, Communities and
Setups) ANSI A225.1/NFPA 501A, or latest edition, or with local
codes.
Product Dimensions
*For non-vented (recirculating) installations
**For vented installations
®†TORX is a registered trademark of Acument Intellectual Properties, LLC.
30" (76.2 cm)
10"
(25.4 cm)
20" (50.8 cm)
14¹⁄₈"
(35.9 cm)
7¹⁄₄"
(18.4 cm) 8¹⁄₈"
(20.6 cm)
*28⁷⁄₈" (73.3 cm) min.
42¹⁄₁₆" (106.8 cm) max.
**28³⁄₈" (72.0 cm) min.
38" (96.5 cm) max.
1¹₂" (3.8 cm)

6
Cabinet Dimensions
*For non-vented (recirculating) installations
IMPORTANT:
Minimum distance “X”: 24" (61.0 cm) from electric cooking
surface.
Minimum distance “X”: 27" (68.6 cm) from gas cooking
surfaces.
Suggested maximum distance “X”: 36" (91.4 cm)
The chimneys can be adjusted for different ceiling heights.
See the following chart.
NOTE: The range hood chimneys are adjustable and designed to
meet varying ceiling or soffit heights depending on the distance
“X” between the bottom of the range hood and the cooking
surface. For higher ceilings, a Stainless Steel Chimney Extension
Kit Part Number W10337357 is available from your dealer or an
authorized parts distributor. The chimney extension replaces the
chimney shipped with the range hood.
Venting Requirements
(vented models only)
■Vent system must terminate to the outdoors except for
non-vented (recirculating) installations.
■Do not terminate the vent system in an attic or other
enclosed area.
■Do not use 4" (10.2 cm) laundry-type wall cap.
■Use metal vent only. Rigid metal vent is recommended.
Plastic or metal foil vent is not recommended.
■The length of vent system and number of elbows should
be kept to a minimum to provide efficient performance.
For the most efficient and quiet operation:
■Use no more than three 90° elbows.
■Make sure there is a minimum of 24" (61 cm) of straight
vent between the elbows if more than 1 elbow is used.
■Do not install 2 elbows together.
■Use clamps to seal all joints in the vent system.
■The vent system must have a damper. If the roof or wall
cap has a damper, do not use the damper supplied with
the range hood.
■Use caulking to seal exterior wall or roof opening around
the cap.
■The size of the vent should be uniform.
Cold Weather Installations
An additional back draft damper should be installed to minimize
backward cold air flow and a thermal break should be installed to
minimize conduction of outside temperatures as part of the vent
system. The damper should be on the cold air side of the thermal
break.
The break should be as close as possible to where the
vent system enters the heated portion of the house.
Makeup Air
Local building codes may require the use of makeup air systems
when using ventilation systems greater than specified CFM of
air movement. The specified CFM varies from locale to locale.
Consult your HVAC professional for specific requirements in
your area.
Venting Methods
This canopy hood is factory set for venting through the roof
or wall.
A 6" (15.2 cm) round vent system is needed for installation
(not included). The hood exhaust opening is 6" (15.2 cm) round.
NOTE: Flexible vent is not recommended. Flexible vent creates
back pressure and air turbulence that greatly reduce
performance.
Vent system can terminate either through the roof or wall.
To vent through a wall, a 90° elbow is needed.
Rear Discharge
A 90° elbow may be installed immediately above the hood.
Vented Installations
Min. ceiling height Max. ceiling height
Electric cooking
surface 7' 5" (2.26 m) 9' 2" (2.79 m)
Gas cooking
surface 7' 8" (2.34 m) 9' 2" (2.79 m)
Non-vented (recirculating) Installations
Min. ceiling height Max. ceiling height
Electric cooking
surface 7' 5" (2.26 m) 9' 6" (2.9 m)
Gas cooking
surface 7' 8" (2.34 m) 9' 6" (2.9 m)
7¹⁄₄" (18.4 cm)
6⁵⁄₈" (16.8 cm)
2" (5.1 cm) min.
6" (15.2 cm) min.*
Centerline
Side
cabinet Side
cabinet
Vent and power
supply cable
entry location
Cooking surface
30" (76.2 cm)
15" (38.1 cm)
7³⁄₈" (18.7 cm)
“X”
bottom of
canopy
to cooking
surface

7
For Non-Vented (recirculating) Installations
If it is not possible to vent cooking fumes and vapors to the
outside, the hood can be used in the non-vented (recirculating)
version by fitting a charcoal filter and the deflector. Fumes and
vapors are recycled through the top grille. See the “Assistance
or Service” section for information on ordering.
Calculating Vent System Length
To calculate the length of the system you need, add the
equivalent feet (meters) for each vent piece used in the system.
Maximum equivalent vent length is 35 ft (10.7 m).
Example vent system
The following example falls within the maximum recommended
vent length of 35 ft (10.7 m).
Electrical Requirements
Observe all governing codes and ordinances.
Ensure that the electrical installation is adequate and in
conformance with National Electrical Code, ANSI/NFPA 70 (latest
edition), or CSA Standards C22.1-94, Canadian Electrical Code,
Part 1 and C22.2 No. 0-M91 (latest edition) and all local codes
and ordinances.
If codes permit and a separate ground wire is used, it is
recommended that a qualified electrician determine that
the ground path is adequate.
A copy of the above code standards can be obtained from:
National Fire Protection Association
1 Batterymarch Park
Quincy, MA 02169-7471
CSA International
8501 East Pleasant Valley Road
Cleveland, OH 44131-5575
■A 120 volt, 60 Hz., AC only, 15-amp, fused electrical circuit
is required.
■If the house has aluminum wiring, follow the procedure
below:
1. Connect a section of solid copper wire to the pigtail
leads.
2. Connect the aluminum wiring to the added section
of copper wire using special connectors and/or tools
designed and UL listed for joining copper to aluminum.
Follow the electrical connector manufacturer's recommended
procedure. Aluminum/copper connection must conform with
local codes and industry accepted wiring practices.
■Wire sizes and connections must conform with the rating
of the appliance as specified on the model/serial/rating plate.
The model/serial/rating plate is located behind the left filter
on the rear wall of the range hood.
■Wire sizes must conform to the requirements of the National
Electrical Code, ANSI/NFPA 70 (latest edition), or CSA
Standards C22. 1-94, Canadian Electrical Code, Part 1
and C22.2 No. 0-M91 (latest edition) and all local codes
and ordinances.
Roof Venting Wall Venting Non-vented
(recirculating)
A. Roof cap
B. 6" (15.2 cm)
round vent
A. Wall cap
B. 6" (15.2 cm)
round vent
A. Deflector
B. 6" (15.2 cm)
round vent
Vent Piece 6" (15.2 cm) Round
45° elbow 2.5 ft
(0.8 m)
90° elbow 5.0 ft
(1.5 m)
1 - 90° elbow = 5.0 ft (1.5 m)
1 - wall cap = 0.0 ft (0.0 m)
8 ft (2.4 m) straight = 8.0 ft (2.4 m)
Length of system = 13.0 ft (3.9 m)
A
A
B
B
B
A
90 elbow 6 ft (1.8 m)
2 ft
(0.6 m)
Wall cap

8
INSTALLATION INSTRUCTIONS
Prepare Location
■It is recommended that the vent system be installed before
hood is installed.
■Before making cutouts, make sure there is proper clearance
within the ceiling or wall for exhaust vent.
■Check your ceiling height and the hood height maximum
before you select your hood.
1. Disconnect power.
2. Determine which venting method to use: roof, wall, or
non-vented.
3. Select a flat surface for assembling the range hood.
Place covering over that surface.
4. Using 2 or more people, lift range hood onto covered surface.
Range Hood Mounting Screws Installation
1. Determine and mark the centerline on the wall where
the canopy hood will be installed.
2. Select a mounting height between a minimum of 24"
(61.0 cm) for an electric cooking surface, a minimum of
27" (68.6 cm) for a gas cooking surface, and a suggested
maximum of 36" (91.4 cm) above the range to the bottom
of the hood. Mark a reference line on the wall.
3. Tape template in place, aligning the template centerline
and bottom of template with hood bottom line and with
the centerline marked on the wall.
4. Mark centers of the fastener locations through the template
to the wall.
IMPORTANT: All canopy mounting screws must be installed
into wood where possible. If there is no wood to screw into,
additional wall framing supports may be required, or use the
(4) 10 x 60 mm wall anchors and 5.4 x 75 mm screws.
Remove the template.
5. For wood, drill ³⁄₁₆" (4.8 mm) pilot holes at all locations
where screws are being installed into wood.
For wall anchors, drill ⁷⁄₁₆" (10 mm) holes at all locations
where wall anchors are being used.
6. For wood, install (2) 5 x 45 mm mounting screws. Leave
a¹⁄₄" (6.4 mm) gap between the wall and the back of the
screw head to slide range hood into place.
For wall anchors, install the 10 x 60 mm wall anchors
and install the 5.4 x 75 mm screws into the wall anchors.
Tighten until the wall anchors are secure. Back the screws
out ¹⁄₄" (6.4 mm).
Vent Cover Support Bracket Installation
Installations using telescoping upper and lower vent
cover assembly
1. Position vent cover bracket on wall about ¹⁄₈" (3.0 mm)
away from the ceiling.
2. Mark the hole locations.
3. Drill (2) ³⁄₈" (9.5 mm) holes for 8 x 40 mm wall anchors
and insert anchors flush with the wall.
4. Attach vent cover support bracket to wall.
Complete Preparation
1. Determine and make all necessary cuts in the wall for the
vent system. Install the vent system before installing the
hood. See “Venting Requirements” section.
2. Determine the required height for the home power supply
cable and drill a 1¼" (3.2 cm) hole at this location.
3. Run the home power supply cable according to the National
Electrical Code or CSA Standards and local codes and
ordinances. There must be enough ½" conduit and wires
from the fused disconnect (or circuit breaker) box to make
the connection in the hood’s electrical terminal box.
NOTE: Do not reconnect power until installation is complete.
4. Use caulk to seal all openings.
A. Centerline
B. Fastener locations
C. Mounting height reference
WARNING
Excessive Weight Hazard
Use two or more people to move and install
range hood.
Failure to do so can result in back or other injury.
Vertical Centerline
C
L
LLAW RAER
ETALPMET GNITNUOM
EGDE MOTTOB NGILA
ENIL LICNEP HTIW
MOTTOB GNITACIDNI
DOOH EHT FO
thgieH noitallatsnI
TROPPUS LLAW RAER RO SDUTS HGUORHT SELOH TOLIP "61/3 )OWT( 2 LLIRD
eniL latnoziroH
A
C
B
A. 8 x 40 mm wall anchors
B. Centerline on wall
C. Vent cover support bracket
D. 5 x 45 mm screws
¹⁄₄"
(6.4 mm)
A
B
C
D

9
Install Range Hood
1. Using 2 or more people, hang range hood on 2 mounting
screws through the mounting slots on back of hood.
2. Remove the grease filter. See “Range Hood Care” section.
3. Level the range hood and tighten upper mounting screws.
4. Install (2) 5 x 45 mm lower mounting screws and tighten.
Use the optional wall anchors if needed.
Connect Vent System
1. Install transition on top of hood (if removed for shipping)
with (2) 3.5 x 9.5 mm sheet metal screws.
For vented installations only:
1. Fit vent system over transition piece.
2. Seal connection with clamps.
3. Check that back draft dampers work properly.
For non-vented (recirculating) installations only:
1. Assemble the air deflector with the duct cover bracket with
2 assembly screws provided with the Recirculation Kit.
2. Measure from the bottom of the air deflector to the bottom
of the hood outlet.
3. Cut the duct to the measured size “X.”
4. Remove the air deflector.
5. Slide the duct onto the bottom of the air deflector.
6. Place the assembled air deflector and duct over the
exhaust outlet from the hood.
7. Reassemble the air deflector to the duct cover bracket
with 2 assembly screws.
8. Seal connections with vent clamps.
A. Mounting screws
B. Mounting slots
C. Lower mounting screws
A. Vent transition
B. 3.5 x 9.5 mm screw
A
B
C
A
B
A. Vent cover bracket
B. 2.9 x 6.5 mm screws
C. Deflector
A. Air deflector
B. Vent clamp
C. X = length to cut vent duct
D. Vent duct
E. Exhaust outlet
A
C
B
B
X
A
C
D
B
E

10
Make Electrical Connection
1. Disconnect power.
2. Remove terminal box cover.
3. Remove the knockout in the terminal box and install
a UL listed or CSA approved ¹⁄₂" strain relief.
4. Run home power supply wiring through ¹⁄₂" strain relief
into terminal box.
5. Use UL listed wire connectors and connect white
wires (B) together.
6. Use UL listed wire connectors and connect black
wires (C) together.
7. Connect green (or bare) ground wire from home power supply
to the 2 yellow-green ground wires (D) in terminal box using
UL listed wire connectors.
8. Tighten strain relief screw.
9. Install terminal box cover.
10. Reconnect power.
Install Vent Covers
1. When using both upper and lower vent covers, push lower
cover down onto hood and lift upper cover to ceiling and
install with (2) 2.9 x 6.5 mm screws.
NOTE: For vented installations, the upper vent cover may
be reversed to hide slots.
Complete Installation
1. For non-vented (recirculating) installations only, install
charcoal filters over the grease filters, using the clips
provided in the kit. See the “Range Hood Care” section.
2. Install metal filters. See the “Range Hood Care” section.
3. Check the operation of the range hood blower and light.
See the “Range Hood Use” section.
NOTE: To get the most efficient use from your new range
hood, read the “Range Hood Use” section.
A. UL listed wire connectors
B. White wires
C. Black wires
D. Green (or bare) wire connected to
yellow-green wires
E. Home power supply
WARNING
Electrical Shock Hazard
Disconnect power before servicing.
Replace all parts and panels before operating.
Failure to do so can result in death or electrical shock.
A
B
C
D
E
WARNING
Electrical Shock Hazard
Electrically ground blower.
Connect ground wire to green and yellow ground wire
in terminal box.
Failure to do so can result in death or electrical shock.
A. Upper vent cover
B. Lower vent cover
C. 2.9 x 6.5 mm screws
D. Bracket
A
B
C
C
D

11
RANGE HOOD USE
The range hood is designed to remove smoke, cooking vapors
and odors from the cooktop area. For best results, start the
hood before cooking and allow it to operate several minutes
after the cooking is complete to clear all smoke and odors
from the kitchen.
The hood controls are located on the front panel on the right
side of the range hood.
Range Hood Controls
Operating the light
The On/Off light button controls both lights. Press once for On
and again for Off.
Operating the blower
The Blower Speed buttons turn the blower On and control the
blower speed and sound level for quiet operation. The speed
can be changed anytime during fan operation by pressing the
desired blower speed button.
Press the Blower Off button a second time to turn the blower Off.
A. Grease filter
B. Grease filter handle
C. Blower and light controls
D. Incandescent lamp housings
A
B
C
D
A. On/Off light button
B. Blower off and speed minimum button
C. Blower speed medium button
D. Blower speed maximum button
ABCD

12
RANGE HOOD CARE
Cleaning
IMPORTANT: Clean the hood and grease filters frequently
according to the following instructions. Replace grease filters
before operating hood.
Exterior Surfaces:
To avoid damage to the exterior surface, do not use steel wool
or soap-filled scouring pads.
Always wipe dry to avoid water marks.
Cleaning Method:
■Liquid detergent soap and water, or all-purpose cleanser
■Wipe with damp soft cloth or nonabrasive sponge, then
rinse with clean water and wipe dry.
Metal Grease Filter:
1. Remove each filter by pulling the spring release handle
and then pulling down the filter.
2. Wash metal filters as needed in dishwasher or hot detergent
solution.
3. Reinstall the filter by making sure the spring release handles
are toward the front. Insert aluminum filter into upper track.
4. Push in spring release handle.
5. Push up on metal filter and release handle to latch into place.
6. Repeat steps 1-5 for the other filter.
Non-Vented (recirculating) Installation Filters:
The charcoal filter is not washable. It should last up to 6 months
with normal use. Replace with Charcoal Filter Kit. See the
“Assistance or Service” section for information on ordering.
To replace charcoal filter:
1. Remove metal grease filter from range hood. See “Metal
Grease Filter” in this section.
2. Bend spring clips away from metal grease filter.
3. Place charcoal filter into top side of metal filter.
4. Bend spring clips back into place to secure the charcoal
filter to the metal filter.
5. Replace metal grease filter. See “Metal Grease Filter” in
this section.
Replacing the Incandescent Bulb
Turn off the range hood and allow the bulb to cool. To avoid
damage or decreasing the life of the new bulb, do not touch
bulb with bare fingers. Replace bulb using tissue or wearing
cotton gloves to handle bulb.
If new bulbs do not operate, make sure the bulbs are inserted
correctly before calling service.
1. Disconnect power.
2. Use the T10 Torx® adapter with a Phillips screwdriver to
remove screw from lens cover.
3. Remove lens cover and set lens cover and the screw aside.
4. Remove bulb and replace with a new 120 volt, 40 watt
maximum E-12 bulb.
5. Replace lens cover and reinstall screw.
6. Repeat steps 2-5 for the other bulb.
7. Reconnect power.
A. Spring release handle
A
A. Lens covers
B. Screws
B
A

13
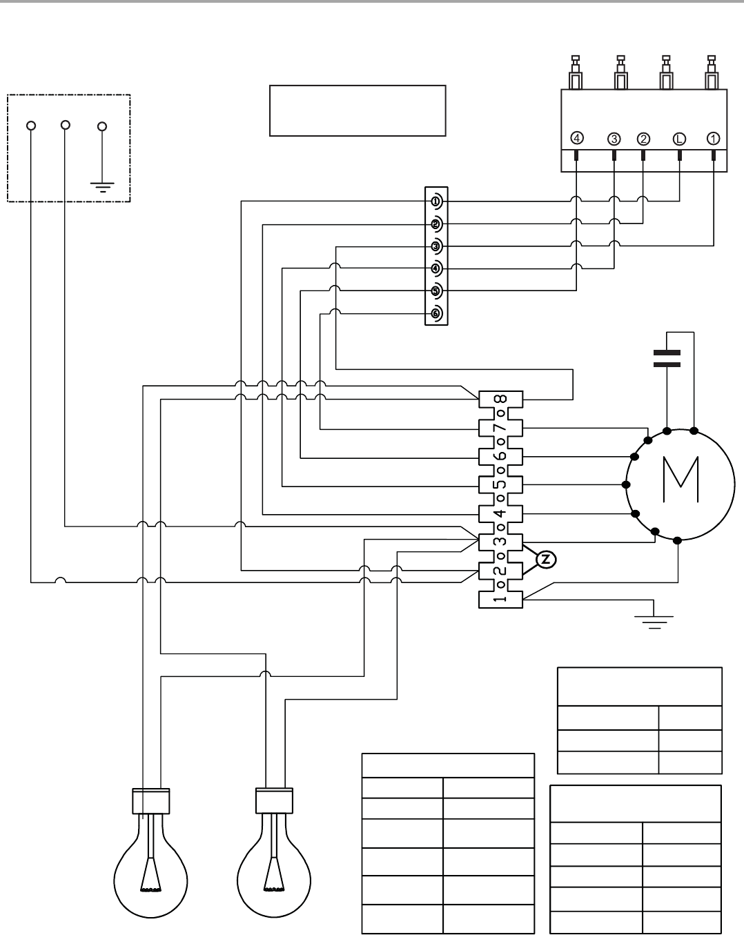
WIRING DIAGRAM
S40
Junction Box
LNGnd
BK
WH
BR (Line)
YL (Min. Voltage)
GY (Lamps)
RD (Med. Voltage)
BK (Max. Voltage)
BR
BU
YL
WH
RD
BK
YL
YL
BK
RD
BU
WH
WH
BU
WH
BR
BK
Mechanical Push Buttons
(4 buttons 3 speeds)
SE12DA
12.5uF
Max. Voltage
High Voltage
Medium Voltage
Minimum Voltage
Common
YL/GN
YL/GN
YL
GY
BK
WH
RD
BU
Motor
Characteristics
Power Supply
Frequency
Power Absorption 240 Watts
120 VAC
60 Hz
Motor Resistance
(Ohms)
Blue - Black
Blue - Gray
Blue - Red
Blue - White
Room Temp.
28.8
±10%
30.3
±10%
37.7
±10%
45.1
±10%
73.4˚F (23˚C)
Motor
Chassis
Switch Operation
POSITION FUNCTION
Off
Lamps
Low Speed
Medium
Speed
High Speed
No Connection
Brown - Gray
(L - 1)
Brown - Yellow
(L - 2)
Brown - Red
(L - 3)
Brown - Black
(L - 4)
BU
WH
YL
YL
BR
YL

14
ASSISTANCE OR SERVICE
If you need service
Please refer to the warranty page in this manual.
If you need replacement parts
If you need to order replacement parts, we recommend that
you use only factory specified parts. Factory specified parts
will fit right and work right because they are made with the
same precision used to build every new appliance.
To locate factory specified replacement parts in your area,
call the following customer assistance telephone number
or your nearest designated service center.
In the U.S.A.
Call the Whirlpool Customer eXperience Center toll free:
1-800-253-1301 or visit our website at www.whirlpool.com.
Our consultants provide assistance with:
■Scheduling of service. Whirlpool designated service
technicians are trained to fulfill the product warranty and
provide after-warranty service anywhere in the United States.
■Features and specifications on our full line of appliances.
■Referrals to local dealers.
■Installation information.
■Use and maintenance procedures.
■Accessory and repair parts sales.
■Specialized customer assistance (Spanish speaking,
hearing impaired, limited vision, etc.).
For further assistance
If you need further assistance, you can write to Whirlpool
Corporation with any questions or concerns at:
Whirlpool Brand Home Appliances
Customer eXperience Center
553 Benson Road
Benton Harbor, MI 49022-2692
Please include a daytime phone number in your correspondence.
In Canada
Call the Whirlpool Canada LP Customer eXperience Centre toll
free: 1-800-807-6777 or visit our webpage www.whirlpool.ca.
Our consultants provide assistance with:
■Scheduling of service. Whirlpool designated service
technicians are trained to fulfill the product warranty and
provide after-warranty service anywhere in Canada.
■Features and specifications on our full line of appliances.
■Referrals to local Whirlpool dealers.
■Use and maintenance procedures.
■Accessory and repair parts sales.
■Referrals to local dealers, repair parts distributors, and
service companies. Whirlpool Canada LP designated service
technicians are trained to fulfill the product warranty and
provide after-warranty service anywhere in Canada.
For further assistance
If you need further assistance, you can write to Whirlpool
Canada LP with any questions or concerns at:
Whirlpool Brand Home Appliances
Customer eXperience Centre
Whirlpool Canada LP
200 - 6750 Century Ave.
Mississauga, Ontario L5N 0B7
Please include a daytime phone number in your correspondence.
Accessories
Recirculation Kit
(for non-vented installations only)
Order Part Number W10349327
Replacement Charcoal Filters
(for non-vented installations only)
Order Part Number W10412939
Chimney Extension Kit
Order Part Number W10337357
6" (15.2 cm) Makeup Air Kit
(consult local building code)
Order Part Number W10446915

15
11/14
WHIRLPOOL®
MAJOR APPLIANCE
LIMITED WARRANTY
ATTACH YOUR RECEIPT HERE. PROOF OF PURCHASE IS REQUIRED
TO OBTAIN WARRANTY SERVICE.
Please have the following information available when you call the
Customer eXperience Center:
■Name, address and telephone number
■Model number and serial number
■A clear, detailed description of the problem
■Proof of purchase including dealer or retailer name and address
IF YOU NEED SERVICE:
1. Before contacting us to arrange service, please determine whether your product requires repair. Some
questions can be addressed without service. Please take a few minutes to review the Troubleshooting or
Problem Solver section of the Use and Care Guide, scan the QR code on the right to access additional
resources, or visit www.whirlpool.com/product_help.
2. All warranty service is provided exclusively by our authorized Whirlpool Service Providers. In the U.S. and
Canada, direct all requests for warranty service to:
Whirlpool Customer eXperience Center
In the U.S.A., call 1-800-253-1301. In Canada, call 1-800-807-6777.
If outside the 50 United States or Canada, contact your authorized Whirlpool dealer to determine whether another warranty applies.
www.whirlpool.com/product_help
ONE YEAR LIMITED WARRANTY
WHAT IS COVERED WHAT IS NOT COVERED
For one year from the date of purchase, when this
major appliance is installed, operated and maintained
according to instructions attached to or furnished with
the product, Whirlpool Corporation or Whirlpool
Canada LP (hereafter “Whirlpool”) will pay for Factory
Specified Replacement Parts and repair labor to
correct defects in materials or workmanship that
existed when this major appliance was purchased, or
at its sole discretion replace the product. In the event
of product replacement, your appliance will be
warranted for the remaining term of the original unit's
warranty period.
YOUR SOLE AND EXCLUSIVE REMEDY UNDER THIS
LIMITED WARRANTY SHALL BE PRODUCT REPAIR
AS PROVIDED HEREIN. Service must be provided by a
Whirlpool designated service company. This limited
warranty is valid only in the United States or Canada
and applies only when the major appliance is used in
the country in which it was purchased. This limited
warranty is effective from the date of original consumer
purchase. Proof of original purchase date is required to
obtain service under this limited warranty.
1. Commercial, non-residential, multiple-family use, or use inconsistent with published
user, operator or installation instructions.
2. In-home instruction on how to use your product.
3. Service to correct improper product maintenance or installation, installation not in
accordance with electrical or plumbing codes or correction of household electrical or
plumbing (i.e. house wiring, fuses or water inlet hoses).
4. Consumable parts (i.e. light bulbs, batteries, air or water filters, preservation
solutions, etc.).
5. Defects or damage caused by the use of non-genuine Whirlpool parts or accessories.
6. Conversion of products from natural gas or L.P. gas.
7. Damage from accident, misuse, abuse, fire, floods, acts of God or use with products
not approved by Whirlpool.
8. Repairs to parts or systems to correct product damage or defects caused by
unauthorized service, alteration or modification of the appliance.
9. Cosmetic damage including scratches, dents, chips, and other damage to the
appliance finishes unless such damage results from defects in materials and
workmanship and is reported to Whirlpool within 30 days.
10. Discoloration, rust or oxidation of surfaces resulting from caustic or corrosive
environments including but not limited to high salt concentrations, high moisture or
humidity or exposure to chemicals.
11. Food or medicine loss due to product failure.
12. Pick-up or delivery. This product is intended for in-home repair.
13. Travel or transportation expenses for service in remote locations where an authorized
Whirlpool servicer is not available.
14. Removal or reinstallation of inaccessible appliances or built-in fixtures (i.e. trim,
decorative panels, flooring, cabinetry, islands, countertops, drywall, etc.) that
interfere with servicing, removal or replacement of the product.
15. Service or parts for appliances with original model/serial numbers removed, altered
or not easily determined.
The cost of repair or replacement under these excluded circumstances shall be
borne by the customer.
DISCLAIMER OF IMPLIED WARRANTIES
IMPLIED WARRANTIES, INCLUDING ANY IMPLIED WARRANTY OF MERCHANTABILITY OR IMPLIED WARRANTY OF FITNESS FOR A
PARTICULAR PURPOSE, ARE LIMITED TO ONE YEAR OR THE SHORTEST PERIOD ALLOWED BY LAW. Some states and provinces do not allow
limitations on the duration of implied warranties of merchantability or fitness, so this limitation may not apply to you. This warranty gives you
specific legal rights, and you also may have other rights that vary from state to state or province to province.
DISCLAIMER OF REPRESENTATIONS OUTSIDE OF WARRANTY
Whirlpool makes no representations about the quality, durability, or need for service or repair of this major appliance other than the representations
contained in this warranty. If you want a longer or more comprehensive warranty than the limited warranty that comes with this major appliance,
you should ask Whirlpool or your retailer about buying an extended warranty.
LIMITATION OF REMEDIES; EXCLUSION OF INCIDENTAL AND CONSEQUENTIAL DAMAGES
YOUR SOLE AND EXCLUSIVE REMEDY UNDER THIS LIMITED WARRANTY SHALL BE PRODUCT REPAIR AS PROVIDED HEREIN. WHIRLPOOL
SHALL NOT BE LIABLE FOR INCIDENTAL OR CONSEQUENTIAL DAMAGES. Some states and provinces do not allow the exclusion or limitation
of incidental or consequential damages, so these limitations and exclusions may not apply to you. This warranty gives you specific legal rights, and
you also may have other rights that vary from state to state or province to province.

16
SÉCURITÉ DE LA HOTTE DE CUISINIÈRE
Risque possible de décès ou de blessure grave si vous ne
suivez pas immédiatement les instructions.
Risque possible de décès ou de blessure grave si vous
ne suivez pas les instructions.
Tous les messages de sécurité vous diront quel est le danger potentiel et vous disent comment réduire le risque de blessure et
ce qui peut se produire en cas de non-respect des instructions.
Votre sécurité et celle des autres est très importante.
Nous donnons de nombreux messages de sécurité importants dans ce manuel et sur votre appareil ménager. Assurez-vous de
toujours lire tous les messages de sécurité et de vous y conformer.
AVERTISSEMENT
DANGER
Voici le symbole d’alerte de sécurité.
Ce symbole d’alerte de sécurité vous signale les dangers potentiels de décès et de blessures graves à vous
et à d’autres.
Tous les messages de sécurité suivront le symbole d’alerte de sécurité et le mot “DANGER” ou
“AVERTISSEMENT”. Ces mots signifient :
Avertissements de la proposition 65 de l'État de Californie :
AVERTISSEMENT : Ce produit contient au moins un produit chimique connu par l’État de Californie pour être à l’origine de
cancers.
AVERTISSEMENT : Ce produit contient au moins un produit chimique connu par l’État de Californie pour être à l’origine de
malformations et autres déficiences de naissance.

17
IMPORTANTES INSTRUCTIONS DE SÉCURITÉ
LIRE ET CONSERVER CES INSTRUCTIONS
AVERTISSEMENT : POUR RÉDUIRE LE RISQUE
D'INCENDIE, CHOC ÉLECTRIQUE OU DOMMAGES
CORPORELS, RESPECTER LES INSTRUCTIONS
SUIVANTES :
■ Utiliser cet appareil uniquement dans les applications
envisagées par le fabricant. Pour toute question, contacter
le fabricant.
■ Avant d'entreprendre un travail d'entretien ou de nettoyage,
interrompre l'alimentation de la hotte au niveau du tableau
de disjoncteurs, et verrouiller le tableau de disjoncteurs
pour empêcher tout rétablissement accidentel de
l'alimentation du circuit. Lorsqu'il n'est pas possible de
verrouiller le tableau de disjoncteurs, placer sur le tableau
de disjoncteurs une étiquette d'avertissement proéminente
interdisant le rétablissement de l'alimentation.
■ Tout travail d'installation ou câblage électrique doit être
réalisé par une personne qualifiée, dans le respect des
prescriptions de tous les codes et normes applicables, y
compris les codes du bâtiment et de protection contre les
incendies.
■ Ne pas faire fonctionner un ventilateur dont le cordon ou la
fiche est endommagé(e). Jeter le ventilateur ou le retourner
à un centre de service agréé pour examen et/ou réparation.
■ Une source d'air de débit suffisant est nécessaire pour le
fonctionnement correct de tout appareil à gaz (combustion
et évacuation des gaz à combustion par la cheminée), pour
qu'il n'y ait pas de reflux des gaz de combustion. Respecter
les directives du fabricant de l'équipement de chauffage et
les prescriptions des normes de sécurité - comme celles
publiées par la National Fire Protection Association (NFPA)
et l'American Society for Heating, Refrigeration and Air
Conditioning Engineers (ASHRAE), et les prescriptions des
autorités réglementaires locales.
■ Lors des opérations de découpage et de perçage dans un
mur ou un plafond, ne pas endommager les câblages
électriques et les canalisations qui peuvent s’y trouver.
■ Les ventilateurs d'évacuation doivent toujours décharger
l'air à l'extérieur.
MISE EN GARDE : Cet appareil est conçu uniquement
pour la ventilation générale. Ne pas l'utiliser pour l'extraction
de matières ou vapeurs dangereuses ou explosives.
MISE EN GARDE : Pour minimiser le risque d'incendie
et évacuer adéquatement les gaz, veiller à acheminer l'air
aspiré par un conduit jusqu'à l'extérieur - ne pas décharger
l'air aspiré dans un espace vide du bâtiment comme une
cavité murale, un plafond, un grenier, un vide sanitaire ou
un garage.
AVERTISSEMENT : POUR RÉDUIRE LE RISQUE
D'INCENDIE, UTILISER UNIQUEMENT DES CONDUITS
MÉTALLIQUES.
AVERTISSEMENT : POUR MINIMISER LE RISQUE
D'UN FEU DE GRAISSE SUR LA CUISINIÈRE :
■ Ne jamais laisser un élément de surface fonctionner à
puissance de chauffage maximale sans surveillance. Un
renversement/débordement de matière graisseuse pourrait
provoquer une inflammation et la génération de fumée.
Utiliser une puissance de chauffage moyenne ou basse
pour le chauffage d'huile.
■ Veiller à toujours faire fonctionner le ventilateur de la hotte
lors de la cuisson avec une puissance de chauffage élevée
ou lors de la cuisson d'un mets à flamber (à savoir crêpes
Suzette, cerise jubilée, steak au poivre flambé).
■ Nettoyer fréquemment les ventilateurs d'extraction. Veiller à
ne pas laisser la graisse s'accumuler sur les surfaces du
ventilateur ou des filtres.
■ Utiliser toujours un ustensile de taille appropriée. Utiliser
toujours un ustensile adapté à la taille de l'élément
chauffant.
AVERTISSEMENT : POUR RÉDUIRE LE RISQUE DE
DOMMAGES CORPORELS APRÈS LE DÉCLENCHEMENT
D'UN FEU DE GRAISSE SUR LA CUISINIÈRE, APPLIQUER
LES RECOMMANDATIONS SUIVANTES :a
■ Placer sur le récipient un couvercle bien ajusté, une tôle à
biscuits ou un plateau métallique POUR ÉTOUFFER LES
FLAMMES, puis éteindre le brûleur. VEILLER À ÉVITER
LES BRÛLURES. Si les flammes ne s'éteignent pas
immédiatement, ÉVACUER LA PIÈCE ET APPELER LES
POMPIERS.
■ NE JAMAIS PRENDRE EN MAIN UN RÉCIPIENT
ENFLAMMÉ - vous risquez de vous brûler.
■ NE PAS UTILISER D'EAU, ni un torchon humide - ceci
pourrait provoquer une explosion de vapeur brûlante.
■ Utiliser un extincteur SEULEMENT si :
– Il s'agit d'un extincteur de classe ABC, dont on connaît le
fonctionnement.
– Il s'agit d'un petit feu encore limité à l'endroit où il s'est
déclaré.
– Les pompiers ont été contactés.
– Il est possible de garder le dos orienté vers une sortie
pendant l'opération de lutte contre le feu.
aRecommandations tirées des conseils de sécurité en cas
d'incendie de cuisine publiés par la NFPA.
■ AVERTISSEMENT : Pour réduire le risque d'incendie
ou de choc électrique, ne pas utiliser ce ventilateur avec un
quelconque dispositif de réglage de la vitesse à semi-
conducteurs.

18
EXIGENCES D'INSTALLATION
Outils et pièces
Rassembler les outils et composants nécessaires avant
d’entreprendre l’installation. Lire et observer les instructions
fournies avec chacun des outils de la liste ci-dessous.
Outils nécessaires
■Niveau
■Perceuse avec forets de 1¼" (3,0 cm), ³⁄₈" (9,5 mm),
et ³⁄₁₆" (4,8 mm)
■Crayon
■Pince à dénuder ou couteau utilitaire
■Mètre-ruban ou règle
■Pince
■Pistolet à calfeutrage et composé de calfeutrage résistant
aux intempéries
■Brides de conduit
■Scie sauteuse ou scie à guichet
■Tournevis à lame plate
■Cisaille de ferblantier
■Tournevis Phillips
Pièces nécessaires
■Câble d'alimentation électrique du domicile
■Serre-câble de ½" (12,7 mm) (homologation UL ou CSA)
■3 connecteurs de fils homologués UL
Pour les installations avec décharge à l’extérieur, il vous
faudra aussi :
■1 bouche de décharge (décharge à travers le mur ou à
travers le toit)
■Circuit d’évacuation métallique
Pour les installations sans décharge à l’extérieur (recyclage),
il faudra aussi :
■Ensemble de recyclage, pièce numéro W10349327 pour
les installations sans décharge à l'extérieur (recyclage)
uniquement. Voir la section “Assistance ou service” pour
commander.
■Conduit d'évacuation métallique circulaire de 6" (15,2 cm) de
diamètre - longueur déterminée par la hauteur de plafond.
Pièces fournies
Retirer les pièces de leur emballage. Vérifier que toutes
les pièces sont présentes.
■Auvent de hotte avec ventilateur et lampes installés
■Raccord de transition avec clapets anti-reflux installés
■Filtre(s) à graisse métallique(s)
■Bride de support du cache-conduit
■Gabarit de montage
■Cache-conduit - 2 pièces
■2 vis de 3,5 x 9,5 mm
■4 vis de 2,9 x 6,5 mm
■6 vis de montage de 5 x 45 mm
■2 chevilles d’ancrage de 8 x 40 mm
■4 chevilles d’ancrage de 10 x 60 mm
■
4 vis de 5,4 x 75 mm (pour chevilles d’ancrage de 10 x 60 mm)
■Adaptateur T10 Torx®†
Exigences d’emplacement
IMPORTANT : Observer les dispositions de tous les codes
et règlements en vigueur.
Confier l'installation de la hotte à un technicien qualifié. C'est
à l'installateur qu'incombe la responsabilité de respecter les
distances de séparation spécifiées sur la plaque signalétique
de l'appareil. La plaque signalétique de l'appareil est située
derrière le filtre, sur la paroi arrière de la hotte.
On doit toujours installer la hotte à distance des sources
de courant d’air (fenêtres, portes et bouches de chauffage).
Respecter les dimensions indiquées pour les ouvertures à
découper dans les placards. Ces dimensions tiennent compte
des valeurs minimales des dégagements de séparation.
On doit disposer d'une prise de courant électrique reliée à
la terre. Voir la section “Spécifications électriques”.
La hotte est configurée à l’usine pour la décharge à travers le
toit ou un mur. Pour une installation sans décharge à l'extérieur
(recyclage), voir “Installations sans décharge à l’extérieur
(recyclage) uniquement” à la section “Raccordement du circuit
d’évacuation”. L'ensemble de recyclage pièce numéro
W10349327 est disponible chez votre marchand ou chez un
distributeur de pièces autorisé.
On doit assurer l’étanchéité au niveau de chaque ouverture
découpée dans le plafond ou un mur traversé par l’équipement
de la hotte.
Installation dans une résidence mobile
L’installation de cette hotte doit satisfaire aux exigences de la
norme Manufactured Home Construction Safety Standards, Titre
24 CFR, partie 328 (anciennement Federal Standard for Mobile
Home Construction and Safety, titre 24, HUD, partie 280); lorsque
cette norme n’est pas applicable, l’installation doit satisfaire aux
critères de la plus récente édition de la norme Manufactured
Home Installation 1982 (Manufactured Home Sites, Communities
and Setups) ANSI A225.1/NFPA 501A, ou des codes locaux.
®†TORX est une marque déposée de Acument Intellectual Properties, LLC.

19
Dimensions du produit
*Pour installations sans décharge à l'extérieur (recyclage)
**Pour installations avec décharge à l'extérieur
Dimensions du placard
*Installations sans décharge à l'extérieur (recyclage)
IMPORTANT :
Valeur minimale de la distance “X” : 24" (61 cm) à partir
de la surface de cuisson électrique.
Valeur minimale de la distance “X” : 27" (68,6 cm) à partir
des surfaces de cuisson au gaz.
Valeur maximale suggérée pour la distance “X” :
36" (91,4 cm)
Les cache-conduits peuvent être adaptés à différentes hauteurs
de plafond. Voir le tableau suivant.
REMARQUE : Les cache-conduits de hotte sont réglables; on
peut les ajuster en fonction de la hauteur disponible sous plafond
ou soffite, selon la distance “X” entre le bas de la hotte et la
surface de cuisson. Pour des plafonds de hauteur supérieure,
un ensemble d'extension de cache-conduit en acier inoxydable,
pièce numéro W10337357 est disponible chez votre marchand
ou chez un distributeur de pièces autorisé. L’extension de cache-
conduit remplace la section de cache-conduit fournie avec la
hotte.
Exigences concernant l’évacuation
(seulement pour un modèle avec décharge
àl'extérieur)
■Le circuit d'évacuation doit décharger l'air à l'extérieur,
excepté pour une installation sans décharge à l'extérieur
(recyclage).
■Ne pas terminer le circuit d'évacuation dans un grenier
ou dans un autre espace fermé.
■Ne pas utiliser une bouche de décharge murale de
4" (10,2 cm) normalement utilisée pour un équipement
de buanderie.
■Utiliser uniquement du conduit métallique. Le conduit en
métal rigide est recommandé. Ne pas utiliser de conduit
de plastique ou en aluminium.
■La longueur du circuit d'évacuation et le nombre de coudes
doivent être réduits au minimum pour fournir une bonne
performance.
Pour un fonctionnement efficace et silencieux :
■Ne pas utiliser plus de trois coudes à 90°.
■Veiller à ce qu'il y ait une section droite de conduit de
24" (61,0 cm) ou plus entre deux coudes, si on doit utiliser
plus de un raccord coudé.
■Ne pas connecter 2 coudes ensemble.
■Au niveau de chaque jointure du circuit d'évacuation, assurer
l'étanchéité avec les brides de serrage pour conduit.
■Le circuit d'évacuation doit comporter un clapet anti-reflux.
Si la bouche de décharge murale ou par le toit comporte
un clapet, ne pas utiliser le clapet fourni avec la hotte.
■Autour de la bouche de décharge à l'extérieur (mur ou toit),
assurer l'étanchéité avec un composé de calfeutrage.
■La taille du conduit doit être uniforme.
30" (76,2 cm)
10"
(25,4 cm)
20" (50,8 cm)
14¹⁄₈"
(35,9 cm)
7¹⁄₄"
(18,4 cm) 8¹⁄₈"
(20,6 cm)
*28⁷⁄₈" (73,3 cm) min.
42¹⁄₁₆" (106,8 cm) max.
**28³⁄₈" (72,0 cm) min.
38" (96,5 cm) max.
1¹₂" (3,8 cm)
7¹⁄₄" (18,4 cm)
6⁵⁄₈" (16,8 cm)
2" (5,1 cm) min.
6" (15,2 cm) min.*
15" (38,1 cm)
7³⁄₈" (18,7 cm)
Point d'entrée
du circuit
d'évacuation
et du câble
d'alimentation
électrique
Placard
adjacent Placard
adjacent
Axe central
Surface de cuisson
Distance “X”
entre le bas de
l'auvent et la
surface de cuisson
30" (76,2 cm)
Installations avec décharge à l’extérieur
Hauteur min.
sous plafond Hauteur max.
sous plafond
Surface de
cuisson électrique 7' 5" (2,26 m) 9' 2" (2,79 m)
Surface de
cuisson à gaz 7' 8" (2,34 m) 9' 2" (2,79 m)
Installations sans décharge à l’extérieur (recyclage)
Hauteur min.
sous plafond Hauteur max.
sous plafond
Surface de
cuisson électrique 7' 5" (2,26 m) 9' 6" (2,9 m)
Surface de
cuisson à gaz 7' 8" (2,34 m) 9' 6" (2,9 m)

20
Installation dans une région à climat froid
On doit installer un clapet anti-reflux additionnel pour minimiser
le reflux d'air froid, et incorporer un élément d'isolation thermique
pour minimiser la perte de chaleur par conduction par
l'intermédiaire du circuit d'évacuation, de l'intérieur de la maison
à l'extérieur. Le clapet anti-reflux doit être placé du côté froid
par rapport à l'élément d'isolation thermique.
L'élément d'isolation thermique doit être aussi proche que
possible de l'endroit où le circuit d'évacuation pénètre la partie
chauffée de la maison.
Air d'appoint
Les codes du bâtiment locaux peuvent exiger l'emploi d'un
système de renouvellement de l'air/introduction d'air d'appoint,
lors de l'utilisation d'un système d'aspiration de débit supérieur
à une valeur (pieds cubes par minute) spécifiée. Le débit spécifié,
pieds cubes par minute, est variable d'une juridiction à une autre.
Consulter un professionnel des installations de chauffage/
ventilation/climatisation au sujet des exigences spécifiques
applicables dans la juridiction locale.
Méthodes d’évacuation
Cette hotte a été configurée à l'usine pour la décharge de l'air
aspiré à travers le toit ou à travers un mur.
Un circuit d'évacuation en conduit rond de 6" (15,2 cm) (non
fourni) est nécessaire pour l'installation. La hotte comporte une
ouverture de sortie de diamètre 6" (15,2 cm).
REMARQUE : On déconseille l'emploi de conduit flexible. Un
conduit flexible peut causer une rétropression et des turbulences
de l'air, ce qui réduit considérablement la performance.
La sortie à l'extérieur du circuit d'évacuation peut se faire
à travers le toit ou à travers un mur. Pour la sortie à travers
un mur, on doit employer un raccord coudé (90°).
Décharge par l'arrière
Le raccord coudé à 90° peut être installé immédiatement au-
dessus de la hotte.
Installations sans décharge à l'extérieur (recyclage)
S’il n’est pas possible d'évacuer les fumées et vapeurs de
cuisson à l’extérieur, on peut employer la version d'installation
sans décharge à l'extérieur (recyclage) de la hotte à l'aide
du déflecteur et d'un filtre à charbon. Les vapeurs et la fumée
sont évacuées par la grille supérieure. Pour commander, voir
la section “Assistance ou service”.
Calcul de la longueur effective du circuit d'évacuation
Pour calculer la longueur effective du circuit d'évacuation
nécessaire, additionner les longueurs équivalentes (pieds/mètres)
de tous les composants utilisés dans le circuit.
La longueur équivalente maximum est de 35 pi (10,7 cm).
Exemple de circuit d'évacuation
Dans l'exemple suivant, la longueur théorique du circuit
est inférieure au maximum recommandé de 35 pi (10,7 m).
Décharge à
travers le toit Décharge à
travers le mur Installation
sans décharge
à l'extérieur
(recyclage)
A. Bouche de
décharge sur toit
B. Conduit rond
6" (15,2 cm)
A. Bouche de
décharge murale
B. Conduit rond 6"
(15,2 cm)
A. Déflecteur d'air
B. Conduit rond 6"
(15,2 cm)
Composants de circuit
d'évacuation Diam. 6" (15,2 cm)
Coude à 45° 2,5 pi
(0,8 m)
Coude à 90° 5 pi
(1,5 m)
1 coude à 90° = 5 pi (1,5 m)
1 bouche de décharge murale = 0 pi (0,0 m)
Section droite de 8 pi (2,4 m) = 8 pi (2,4 m)
Longueur du circuit = 13 pi (3,9 m)
A
A
B
B
B
A
Coude à 90˚
6 pi (1,8 m)
2 pi
(0,6 m)
Bouche de
décharge murale

21
Spécifications électriques
Observer les dispositions de tous les codes et règlements
en vigueur.
S'assurer que l’installation électrique est correcte et qu'elle
satisfait aux exigences de la plus récente édition de la norme
National Electrical Code, ANSI/NFPA 70, ou de la norme CSA
C22. 1-94, Code canadien de l’électricité, partie 1 et C22.2 n°
0-M91 (dernière édition) et de tous les codes et règlements en
vigueur.
Si les codes le permettent et si l'on utilise un conducteur distinct
de liaison à la terre, il est recommandé qu'un électricien qualifié
vérifie la qualité de la liaison à la terre.
Pour obtenir un exemplaire des normes des codes ci-dessus,
contacter :
National Fire Protection Association
1 Batterymarch Park
Quincy, MA 02169-7471
CSA International
8501 East Pleasant Valley Road
Cleveland, OH 44131-5575
■L'appareil doit être alimenté par un circuit de 120 V CA
seulement, 60 Hz, 15 ampères, protégé par fusible.
■Si le domicile possède un câblage en aluminium, suivre
la procédure ci-dessous :
1. Raccorder une section de câble en cuivre massif
aux conducteurs en queue de cochon.
2. Connecter le câblage en aluminium à la section ajoutée
de câblage en cuivre en utilisant des connecteurs et/ou
des outils spécialement conçus et homologués UL pour
fixer le cuivre à l’aluminium.
Suivre la procédure recommandée par le fabricant de
connecteurs électriques. Les raccordements aluminium/cuivre
doivent satisfaire aux prescriptions des codes locaux et de
l’industrie, et être conformes aux pratiques de câblage
reconnues.
■Le calibre des conducteurs et les connexions doivent être
compatibles avec les caractéristiques électriques de l'appareil
spécifiées sur la plaque signalétique. La plaque signalétique
de l'appareil est située derrière le filtre, sur la paroi arrière de
la hotte.
■Le calibre des conducteurs doit être conforme aux exigences
du National Electrical Code, de la plus récente édition de la
norme ANSI/NFPA 70 ou des normes CSA C22. 1-94, Code
canadien de l'électricité, partie 1 et C22.2 n° 0-M91 (édition la
plus récente) et de tous les codes et règlements en vigueur.

22
INSTRUCTIONS D'INSTALLATION
Préparation de l'emplacement
■Il est recommandé d'installer le circuit d'évacuation avant
de procéder à l'installation de la hotte.
■Avant d’exécuter les découpages, vérifier la disponibilité
d’un dégagement suffisant dans le plafond ou le mur pour
le conduit d’évacuation.
■Avant de sélectionner la hotte à installer, mesurer la hauteur
libre sous plafond et la hauteur maximum disponible sous
la hotte.
1. Déconnecter la source de courant électrique.
2. Déterminer la méthode d’évacuation à utiliser : décharge
à travers le mur, le toit ou sans décharge à l'extérieur.
3. Sélectionner une surface plane pour l’assemblage de la
hotte. Placer le matériau de protection sur cette surface.
4. À l’aide de deux personnes ou plus, soulever la hotte
et la poser sur la surface couverte.
Installation des vis de montage de la hotte
1. Déterminer et marquer la position de l’axe central sur
le mur où la hotte sera installée.
2. Sélectionner une hauteur de montage comprise entre un
minimum de 24" (61,0 cm) pour une surface de cuisson
électrique, un minimum de 27" (68,6 cm) pour une surface
de cuisson au gaz et un maximum suggéré de 36" (91,4 cm)
entre le dessus et le bas de la hotte. Marquer la ligne de
repérage sur le mur.
3. Fixer le gabarit en place avec du ruban adhésif; aligner
l’axe central du gabarit et le bas du gabarit avec la ligne
correspondant au bas de la hotte, et avec l’axe central
déjà tracé sur le mur.
4. À l’aide du gabarit, marquer sur le mur le centre des attaches.
IMPORTANT : Toutes les vis de montage de la hotte en îlot
doivent être vissées dans du bois où cela est possible. Si l'on
ne peut pas visser les vis de montage de la hotte dans du
bois, des tasseaux supplémentaires pour accrochage mural
seront peut-être nécessaires, ou utiliser quatre chevilles
d’ancrage de 10 x 60 mm et vis de 5,4 x 75 mm.
Retirer le gabarit.
5. Pour bois, percer des avant-trous de ³⁄₁₆" (4,8 mm) à tous
les emplacements de pose des vis dans du bois.
Pour les chevilles d’ancrage, percer des trous de ⁷⁄₁₆" (10 mm)
à tous les emplacements des chevilles d’ancrage.
6. Pour bois, installer les 2 vis de montage de 5 x 45 mm. Laisser
un espace de ¹⁄₄" (6,4 mm) entre le mur et l’arrière de la tête de
vis pour faire glisser la hotte et la mettre en place.
Pour les chevilles d’ancrage, installer les chevilles d’ancrage
de 10 x 60 mm et installer les vis de montage de 5,4 x 75 mm
dans les chevilles d’ancrage. Serrer les vis jusqu'à ce que les
chevilles d'ancrage mural soient solidement fixées. Desserrer
les vis de ¼" (6,4 mm).
Installation de la bride de cache-conduit
Installation avec utilisation des sections télescopiques
supérieure et inférieure du cache-conduit
1. Positionner la bride de cache-conduit sur le mur à environ
¹⁄₈" (3,0 mm) du plafond.
2. Faire des repères aux emplacements des trous.
3. Percer 2 trous de ³⁄₈" (9,5 mm) pour les chevilles de
8 x 40 mm et insérer ces dernières en affleurement
avec le mur.
4. Fixer la bride de support du cache-conduit au mur.
A. Axe central
B. Emplacements des attaches
C. Ligne de référence pour
la hauteur de montage
AVERTISSEMENT
Risque du poids excessif
Utiliser deux ou plus de personnes pour déplacer et
installer la hotte de la cuisinière.
Le non-respect de cette instruction peut causer
une blessure au dos ou d'autre blessure.
Vertical Centerline
C
L
LLAW RAER
ETALPMET GNITNUOM
EGDE MOTTOB NGILA
ENIL LICNEP HTIW
MOTTOB GNITACIDNI
DOOH EHT FO
thgieH noitallatsnI
TROPPUS LLAW RAER RO SDUTS HGUORHT SELOH TOLIP "61/3 )OWT( 2 LLIRD
eniL latnoziroH
A
C
B
A. Chevilles d'ancrage de 8 x 40 mm
B. Axe central sur le mur
C. Bride de support du cache-conduit
D. Vis de 5 x 45 mm
¹⁄₄"
(6,4 mm)
A
B
C
D

23
Achever la préparation
1. Déterminer et effectuer tous les découpages nécessaires
dans le mur pour le passage du circuit d’évacuation. Installer
le circuit d’évacuation avant la hotte. Voir la section
“Exigences concernant l'évacuation”.
2. Déterminer la hauteur appropriée pour le cordon
d'alimentation du domicile et percer un trou de 1¼" (3,2 cm)
àcet endroit.
3. Acheminer le câble d'alimentation du domicile selon les
prescriptions du Code national de l’électricité, des normes
CSA et des codes et règlements locaux. Il faut que la
longueur du conduit de ½" et des conducteurs soit suffisante
depuis le tableau de distribution (avec fusibles ou
disjoncteurs) pour réaliser le raccordement dans le boîtier
de connexion de la hotte.
REMARQUE : Ne pas remettre le système sous tension avant
d’avoir complètement terminé l’installation.
4. Utiliser un calfeutrant pour assurer l’étanchéité au niveau
de chaque ouverture.
Installation de la hotte
1. À deux personnes au moins, suspendre la hotte aux
2 crochets de montage, à travers les encoches de montage
à l’arrière de la hotte.
2. Ôter le filtre à graisse. Voir la section “Entretien de la hotte”.
3. Mettre la hotte de niveau et serrer les vis de montage
supérieures.
4. Installer les 2 vis de montage inférieures de 5 x 45 mm
et serrer. Utiliser des chevilles d'ancrage facultative si
nécessaire.
Raccordement du circuit d'évacuation
1. Installer le raccord de transition au sommet de la hotte
(s’il a été enlevé pour expédition), avec 2 vis de tôlerie
de 3,5 x 9,5 mm.
Pour les installations avec décharge à l’extérieur
uniquement:
1. Installer le circuit d’évacuation sur le raccord de transition.
2. Serrer le point de connexion avec des brides de serrage.
3. Vérifier que les clapets anti-retour fonctionnent correctement.
Installations sans décharge à l'extérieur (recyclage)
uniquement :
1. Assembler le déflecteur d'air sur la bride du cache-conduit
à l'aide des 2 vis de montage fournies avec l'ensemble
de recyclage.
A. Vis de montage
B. Encoches de montage
C. Vis de montage inférieures
A
B
C
A. Raccord de transition
B. Vis de 3,5 x 9,5 mm
A. Bride de cache-conduit
B. Vis de 2,9 x 6,5 mm
C. Déflecteur
A
B
A
C
B
B

24
2. Mesurer la distance entre le bas du déflecteur d'air
et le bas de la sortie de la hotte.
3. Tailler le conduit à la taille mesurée “X”.
4. Retirer le déflecteur d’air.
5. Faire coulisser le conduit sur le bas du déflecteur d’air.
6. Placer le déflecteur d’air et le conduit assemblés sur la sortie
d’évacuation de la hotte.
7. Réassembler le déflecteur d'air sur la bride du cache-conduit
à l'aide des 2 vis de montage.
8. Assurer l’étanchéité des raccordements avec une bride
de conduit.
Raccordement électrique
1. Déconnecter la source de courant électrique.
2. Ôter le couvercle du boîtier de connexion.
3. Ôter l’opercule arrachable du boîtier de connexion et installer
un serre-câble de ¹⁄₂" (homologation UL ou CSA).
4. Acheminer le cordon d'alimentation du domicile à travers
le serre-câble de ¹⁄₂" jusque dans le boîtier de connexion.
5. Connecter ensemble les conducteurs blancs (B) à l'aide
de connecteurs de fils (homologation UL).
A. Déflecteur d’air
B. Bride pour conduit
C. X = longueur à laquelle couper
le conduit d’évacuation
D. Conduit d’évacuation
E. Sortie d’évacuation
X
A
C
D
B
E
A. Connecteurs de fils (homologation UL)
B. Conducteurs blancs
C. Conducteurs noirs
D. Conducteur vert (ou nu) connecté aux
conducteurs jaune-vert
E. Câble d'alimentation électrique du domicile
AVERTISSEMENT
Risque de choc électrique
Déconnecter la source de courant électrique avant
l'entretien.
Replacer pièces et panneaux avant de faire la remise
en marche.
Le non-respect de ces instructions peut causer
un décès ou un choc électrique.
A
B
C
D
E

25
6. Connecter ensemble les conducteurs noirs (C) à l'aide
de connecteurs de fils (homologation UL).
7. À l'aide des connecteurs de fils (homologation UL), connecter
le conducteur de liaison à la terre (vert ou nu) du câble
d’alimentation du domicile aux 2 conducteurs jaune-vert
de liaison à la terre (D) dans le boîtier de connexion.
8. Serrer la vis du serre-câble.
9. Installer le couvercle du boîtier de connexion.
10. Reconnecter la source de courant électrique.
Installation des cache-conduits
1. En cas d’utilisation des sections supérieure et inférieure
du cache-conduit, pousser la section inférieure vers le bas,
sur la hotte et soulever la section supérieure vers le plafond
pour installer les deux vis de 2,9 x 6,5 mm.
REMARQUE : Pour les installations avec décharge à
l'extérieur, le cache-conduit supérieur peut être inversé
pour dissimuler les fentes.
Achever l’installation
1. Pour les installations sans décharge à l’extérieur (recyclage)
uniquement, installer les filtres à charbon sur les filtres à
graisse à l'aide des attaches fournies avec l'ensemble.
Voir la section “Entretien de la hotte”.
2. Installer les filtres métalliques. Voir la section “Entretien
de la hotte”.
3. Contrôler le fonctionnement du ventilateur et de la lampe
de la hotte. Voir la section “Utilisation de la hotte”.
REMARQUE : Pour pouvoir tirer le plus grand parti de la nouvelle
hotte de cuisinière, lire la section “Utilisation de la hotte”.
AVERTISSEMENT
Risque de choc électrique
Relier le ventilateur à la terre.
Brancher le fil relié à la terre au fil vert et jaune relié à
la terre dans la boîte de la borne.
Le non-respect de ces instructions peut causer un
décès ou un choc électrique.
A.Section supérieure du cache-conduit
B.Cache-conduit – section inférieure
C.Vis de 2,9 x 6,5 mm
D.Bride
A
B
C
C
D

26
UTILISATION DE LA HOTTE
La hotte de cuisinière est conçue pour extraire fumée, vapeurs de
cuisson et odeurs de la zone de la table de cuisson. Pour obtenir
les meilleurs résultats, mettre le ventilateur de la hotte en marche
avant d’entreprendre une cuisson, et la laisser fonctionner
pendant plusieurs minutes après l’achèvement d’une cuisson
pour pouvoir évacuer de la cuisine toute trace d’odeur de
cuisson, vapeur ou fumée.
Les commandes de la hotte sont situées sur le panneau avant
de celle-ci, du côté droit.
Commandes de la hotte de cuisinière
Utilisation de la lampe
Le bouton d'éclairage marche/arrêt contrôle les deux lampes.
Appuyer une fois pour marche et une deuxième fois pour arrêt.
Utilisation du ventilateur
Les boutons vitesse du ventilateur activent le ventilateur et
contrôlent la vitesse du ventilateur et le niveau sonore pour
un fonctionnement silencieux. On peut modifier la vitesse
à tout moment pendant le fonctionnement du ventilateur
en appuyant sur le bouton de vitesse du ventilateur souhaité.
Appuyer une deuxième fois sur le bouton arrêt ventilateur
pour éteindre le ventilateur.
A. Filtre à graisse
B. Poignée du filtre à graisse
C. Commandes du ventilateur et de l'éclairage
D. Logements des lampes à incandescence
A
B
C
D
A. Bouton d'éclairage marche/arrêt
B. Bouton de vitesse minimale et d'arrêt
du ventilateur
C. Bouton de vitesse moyenne du ventilateur
D. Bouton de vitesse maximale du ventilateur
ABCD

27
ENTRETIEN DE LA HOTTE
Nettoyage
IMPORTANT : Nettoyer fréquemment la hotte et les filtres
à graisse en suivant les instructions suivantes. Réinstaller
les filtres à graisse avant de faire fonctionner la hotte.
Surfaces externes :
Afin d'éviter d'endommager la surface externe, ne pas utiliser
de tampons en laine d'acier ou de tampons à récurer savonneux.
Toujours essuyer pour éviter de laisser des traces d'eau.
Méthode de nettoyage :
■Savon détergent liquide et eau, ou produit de nettoyage
polyvalent.
■Frotter avec un chiffon doux humide ou une éponge non
abrasive, puis rincer avec de l’eau propre et essuyer.
Filtre à graisse métallique :
1. Retirer chaque filtre en tirant sur la poignée à ressort puis
en tirant le filtre vers le bas.
2. Laver les filtres métalliques selon le besoin au lave-vaisselle
ou avec une solution de détergent chaude.
3. Réinstaller le filtre en s'assurant que les poignées à ressort
sont orientées vers l'avant. Insérer le filtre d'aluminium dans
la rainure supérieure.
4. Enfoncer la poignée à ressort.
5. Pousser le filtre métallique vers le haut et relâcher la poignée
pour l'emboîter.
6. Répéter les étapes 1 à 5 pour l'autre filtre.
Filtres d'installation sans décharge à l’extérieur
(recyclage) :
Le filtre à charbon n’est pas lavable. Celui-ci devrait durer
pendant 6 mois dans des conditions d'utilisation normales.
Remplacer par l'ensemble de filtre à charbon. Voir la section
“Assistance ou service” pour plus d’informations sur le
processus de commande.
Remplacement du filtre à charbon :
1. Retirer le filtre à graisse métallique de la hotte. Voir “Filtre
à graisse métallique” dans cette section.
2. Déplier les attaches à ressort pour les écarter du filtre
à graisse métallique.
3. Placer le filtre à charbon dans la partie supérieure du filtre
métallique.
4. Replier les attaches à ressort pour les remettre en place
afin de fixer le filtre à charbon au filtre métallique.
5. Réinstaller le filtre à graisse métallique. Voir “Filtre à graisse
métallique” dans cette section.
A.Poignée à ressort
A

28
Remplacement de la lampe à incandescence
Éteindre la hotte; attendre le refroidissement de la lampe. Pour
éviter d’endommager ou de réduire la longévité de l’ampoule
neuve, ne pas toucher l’ampoule avec les doigts nus. Remplacer
l’ampoule en la manipulant avec un mouchoir de papier ou des
gants de coton.
Si les nouvelles lampes ne fonctionnent pas, vérifier que chaque
lampe est correctement insérée dans sa douille avant de
demander l’intervention d’un dépanneur.
1. Déconnecter la source de courant électrique.
2. Utiliser l'adaptateur T10 Torx® avec un tournevis Phillips
pour retirer la vis du protège-ampoule.
3. Retirer le protège-ampoule et le mettre de côté avec la vis.
4. Retirer l'ampoule et la remplacer par une ampoule neuve
de 120 volts, 40 watts maximum et de type E-12.
5. Réinstaller le protège-ampoule et la vis.
6. Répéter les étapes 2 à 5 pour l'autre ampoule.
7. Reconnecter la source de courant électrique.
A. Protège-ampoules
B. Vis
B
A

29
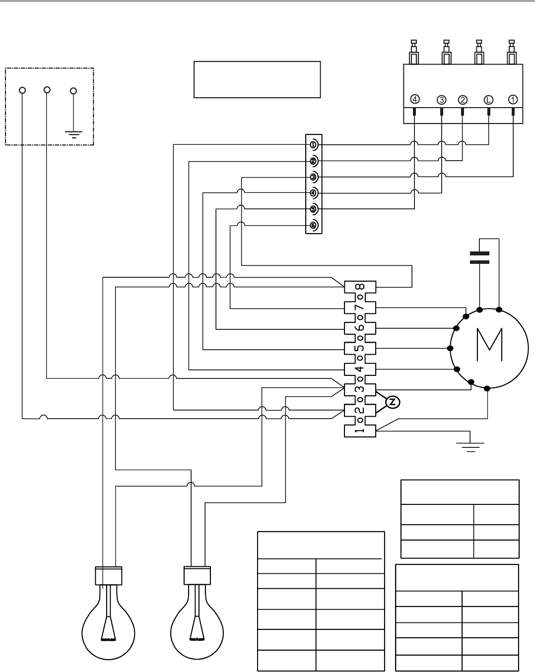
SCHÉMA DE CÂBLAGE
S40
Boîtier de connexion
LNeu Terre
N
BL
MAR (Ligne)
JA (Tension min.)
GRIS (Lampes)
R (Tension moy.)
N (Tension max.)
MAR
BU
JA
BL
R
N
JA
JA
N
R
BU
BL
BL
BU
BL
MAR
N
Boutons-poussoirs mécaniques
4 boutons 3 vitesses
SE12DA
12.5uF
Tension max.
Tension élevée
Tension moyenne
Tension minimum
Commun
JA/VE
JA/VE
JA
GRIS
N
BL
R
BU
Châssis à
moteur
BU
BL
JA
JA
MAR
JA
Caractéristiques
du moteur
Alimentation
électrique
Fréquence
Absorption
de courant
240 Watts
120 VAC
60 Hz
Résistance du moteur
(ohms)
Bleu - Noir
Bleu - Gris
Bleu - Rouge
Bleu - Blanc
Temp. ambiante
28,8
±10%
30,3
±10%
37,7
±10%
45,1
±10%
73,4˚F (23˚C)
Commutateur de
fonctionnement
POSITION FONCTION
Arrêt
Lampes
Vitesse Basse
Vitesse
Moyenne
Vitesse
Haute
Pas de connexion
Marron - Gris
(L - 1)
Marron - Jaune
(L - 2)
Marron - Rouge
(L - 3)
Marron - Noir
(L - 4)

30
ASSISTANCE OU SERVICE
Si vous avez besoin de service
Consulter la page de garantie du présent manuel.
Si vous avez besoin de pièces de rechange
Si vous avez besoin de commander des pièces de rechange,
nous vous recommandons d'utiliser seulement des pièces
spécifiées par l'usine. Les pièces spécifiées par l'usine
conviendront et fonctionneront bien car elles sont fabriquées
avec la même précision que celles utilisées pour fabriquer
chaque nouvel appareil.
Pour localiser des pièces spécifiées par l'usine dans votre région,
composer le numéro de téléphone d'aide à la clientèle suivant ou
appeler le centre de service désigné le plus proche.
Au Canada
Veuillez appeler sans frais le Centre pour l’eXpérience de la
clientèle de Whirlpool Canada au : 1-800-807-6777 ou visitez
notre site web à www.whirlpool.ca.
Nos consultants vous renseigneront sur les sujets
suivants :
■Programmation d’une intervention de dépannage. Les
techniciens de service désignés par Whirlpool sont formés
pour remplir la garantie des produits et fournir un service
après garantie partout au Canada.
■Caractéristiques et spécifications sur toute notre gamme
d’appareils électroménagers.
■Références aux marchands locaux.
■Consignes d’utilisation et d’entretien.
■Vente d’accessoires et de pièces de rechange.
■
Orientation vers des concessionnaires, distributeurs de pièces
de rechange et services de réparation locaux. Les techniciens
de service désignés par Whirlpool Canada LP sont formés
pour remplir la garantie des produits et fournir un service
après la garantie, partout au Canada.
Pour plus d’assistance
Si vous avez besoin de plus d’assistance, vous pouvez
soumettre par écrit toute question ou préoccupation
à Whirlpool Canada à l’adresse suivante :
Whirlpool Brand Home Appliances
Customer eXperience Centre
Whirlpool Canada
200 - 6750 Century Ave.
Mississauga, Ontario L5N 0B7
Veuillez inclure dans votre correspondance un numéro
de téléphone où l’on peut vous joindre dans la journée.
Accessoires
Ensemble de recyclage
(pour installations sans décharge à l'extérieur uniquement)
Commander la pièce numéro W10349327
Filtres à charbon de rechange
(pour installations sans décharge à l'extérieur uniquement)
Commander la pièce numéro W10412939
Ensemble d’extension de cheminée
Commander la pièce numéro W10337357
Ensemble d'air de compensation de 6" (15,2 cm)
(consulter le code du bâtiment local)
Commander la pièce numéro W10446915

31
11/14
GARANTIE LIMITÉE DES
GROS APPAREILS
MÉNAGERS
WHIRLPOOL®
ATTACHEZ ICI VOTRE REÇU DE VENTE. UNE PREUVE D’ACHAT EST
OBLIGATOIRE POUR OBTENIR L'APPLICATION DE LA GARANTIE.
Lorsque vous appelez le centre d'eXpérience de la clientèle, veuillez garder à
disposition les renseignements suivants :
■Nom, adresse et numéro de téléphone
■Numéros de modèle et de série
■Une description claire et détaillée du problème rencontré
■Une preuve d'achat incluant le nom et l'adresse du marchand ou du détaillant
SI VOUS AVEZ BESOIN DE SERVICE :
1. Avant de nous contacter pour obtenir un dépannage, veuillez déterminer si des réparations sont nécessaires pour
votre produit. Certains problèmes peuvent être résolus sans intervention de dépannage. Prenez quelques minutes
pour parcourir la section Dépannage ou Résolution de problèmes du guide d'utilisation et d'entretien, scannez le code
QR ci-contre avec votre téléphone intelligent pour accéder à des ressources supplémentaires, ou rendez-vous sur le
site http://www.whirlpool.ca.
2. Tout service sous garantie doit être effectué exclusivement par nos fournisseurs de dépannage autorisés
Whirlpool. Aux É.-U. et au Canada, dirigez toutes vos demandes de service sous garantie au
Centre d’eXpérience de la clientèle Whirlpool
Aux É.-U., composer le 1-800-253-1301. Au Canada, composer le 1-800-807-6777.
Si vous résidez à l'extérieur du Canada et des 50 États des États-Unis, contactez votre marchand Whirlpool autorisé pour déterminer si une autre
garantie s'applique.
http://www.whirlpool.ca
GARANTIE LIMITÉE DE UN AN
CE QUI EST COUVERT CE QUI N’EST PAS COUVERT
Pendant un an à compter de la date
d’achat, lorsque ce gros appareil ménager
est installé, utilisé et entretenu
conformément aux instructions jointes à ou
fournies avec le produit, Whirlpool
Corporation ou Whirlpool Canada, LP (ci-
après désignées “Whirlpool”) décidera à sa
seule discrétion de remplacer le produit ou
de couvrir le coût des pièces spécifiées par
l’usine et de la main-d’œuvre nécessaires
pour corriger les vices de matériaux ou de
fabrication qui existaient déjà lorsque ce
gros appareil ménager a été acheté. S’il est
remplacé, l'appareil sera couvert pour la
période restant à courir de la garantie
limitée d’un an du produit d’origine.
LE SEUL ET EXCLUSIF RECOURS DU
CLIENT DANS LE CADRE DE LA
PRÉSENTE GARANTIE LIMITÉE CONSISTE
EN LA RÉPARATION PRÉVUE PAR LA
PRÉSENTE. Le service doit être fourni par
une compagnie de service désignée par
Whirlpool. Cette garantie limitée est valide
uniquement aux États-Unis ou au Canada
et s’applique exclusivement lorsque le gros
appareil ménager est utilisé dans le pays où
il a été acheté. La présente garantie limitée
est valable à compter de la date d'achat
initial par le consommateur. Une preuve de
la date d’achat initial est exigée pour obtenir
un dépannage dans le cadre de la présente
garantie limitée.
1. Usage commercial, non résidentiel ou par plusieurs familles, ou non-respect des instructions de
l'utilisateur, de l'opérateur ou des instructions d'installation.
2. Visite d'instruction à domicile pour montrer à l'utilisateur comment utiliser l'appareil.
3. Visites de service pour rectifier une installation ou un entretien fautifs du produit, une installation non
conforme aux codes d’électricité ou de plomberie, ou la rectification de l'installation électrique ou de
la plomberie du domicile (ex : câblage électrique, fusibles ou tuyaux d'arrivée d'eau du domicile).
4. Pièces consomptibles (ex : ampoules, batteries, filtres à air ou à eau, solutions de conservation, etc.).
5. Défauts ou dommage résultant de l'utilisation de pièces ou accessoires Whirlpool non authentiques.
6. Conversion de votre produit du gaz naturel ou du gaz de pétrole liquéfié.
7. Dommages causés par : accident, mésusage, abus, incendie, inondations, catastrophe naturelle ou
l'utilisation de produits non approuvés par Whirlpool.
8. Réparations aux pièces ou systèmes dans le but de rectifier un dommage ou des défauts résultant
d'une réparation, altération ou modification non autorisée faite à l'appareil.
9. Défauts d'apparence, notamment les éraflures, traces de choc, fissures ou tout autre dommage subi
par le fini de l'appareil ménager, à moins que ces dommages ne résultent de vices de matériaux ou
de fabrication et ne soient signalés à Whirlpool dans les 30 jours suivant la date d'achat.
10. Décoloration, rouille ou oxydation des surfaces résultant d'environnements caustiques ou corrosifs
incluant des concentrations élevées de sel, un haut degré d'humidité ou une exposition à des
produits chimiques (exemples non exhaustifs).
11. Perte d'aliments ou de médicaments due à la défaillance du produit.
12. Enlèvement ou livraison. Ce produit est conçu pour être réparé à l'intérieur du domicile.
13. Frais de déplacement et de transport pour le dépannage/la réparation dans une région éloignée où
une compagnie de service Whirlpool autorisée n’est pas disponible.
14. Retrait ou réinstallation d'appareils inaccessibles ou de dispositifs préinstallés (ex : garnitures,
panneaux décoratifs, plancher, meubles, îlots de cuisine, plans de travail, panneaux de gypse, etc.)
qui entravent le dépannage, le retrait ou le remplacement du produit.
15. Service et pièces pour des appareils dont les numéros de série et de modèle originaux ont été
enlevés, modifiés ou ne peuvent pas être facilement identifiés.
Le coût d’une réparation ou d’un remplacement dans le cadre de ces circonstances exclues est à
la charge du client.
CLAUSE D'EXONÉRATION DE RESPONSABILITÉ AU TITRE DES GARANTIES IMPLICITES
LES GARANTIES IMPLICITES, Y COMPRIS LES GARANTIES APPLICABLES DE QUALITÉ MARCHANDE OU D'APTITUDE À UN USAGE
PARTICULIER, SONT LIMITÉES À UN AN OU À LA PLUS COURTE PÉRIODE AUTORISÉE PAR LA LOI. Certains États et provinces ne permettent pas
de limitation sur la durée des garanties implicites de qualité marchande ou d'aptitude à un usage particulier, de sorte que la limitation ci-dessus peut ne
pas être applicable dans votre cas. Cette garantie vous confère des droits juridiques spécifiques et vous pouvez également jouir d’autres droits qui
peuvent varier d’une juridiction à l'autre.
EXONÉRATION DE RESPONSABILITÉ DANS LES DOMAINES NON COUVERTS PAR LA GARANTIE
Whirlpool décline toute responsabilité au titre de la qualité, de la durabilité ou en cas de dépannage ou de réparation nécessaire sur ce gros appareil
ménager autre que les responsabilités énoncées dans la présente garantie. Si vous souhaitez une garantie plus étendue ou plus complète que la
garantie limitée fournie avec ce gros appareil ménager, adressez-vous à Whirlpool ou à votre détaillant pour obtenir les modalités d'achat d'une garantie
étendue.
LIMITATION DES RECOURS; EXCLUSION DES DOMMAGES FORTUITS OU INDIRECTS
LE SEUL ET EXCLUSIF RECOURS DU CLIENT DANS LE CADRE DE LA PRÉSENTE GARANTIE LIMITÉE CONSISTE EN LA RÉPARATION PRÉVUE
PAR LA PRÉSENTE. WHIRLPOOL N’ASSUME AUCUNE RESPONSABILITÉ POUR LES DOMMAGES FORTUITS OU INDIRECTS. Certains États et
certaines provinces ne permettent pas l’exclusion ou la limitation des dommages fortuits ou indirects de sorte que ces limitations et exclusions peuvent
ne pas être applicables dans votre cas. Cette garantie vous confère des droits juridiques spécifiques et vous pouvez également jouir d’autres droits qui
peuvent varier d’une juridiction à l'autre.
W10526057C
©2015.
All rights reserved. Used under license in Canada.
Tous droits réservés. Utilisé sous licence au Canada.
3/15
Printed in Mexico
Imprimé au Mexique