McCulloch MC20V42YT (96048002801) IPL, MCCULLOCH, MC20V42YT, 96048002801, 2012 08, TRACTOR User Manual To The 961681cb 6b5d 4fe5 9909 966064ca604b
User Manual: McCulloch MC20V42YT (96048002801) to the manual
Open the PDF directly: View PDF
.
Page Count: 20

REPAIR PARTS MANUAL
MODEL NO. MC20V42YT (96048002801)
LAWN TRACTOR
09.05.12 BD
581 56 51-27 Printed in the U.S.A.
www.mcculloch.biz
HOW TO USE THIS MANUAL
This manual is designed to provide the customer with a means to identify the parts on his/her tractor
when ordering repair parts. The illustrations may or may not represent the actual assemblies; therefore,
it is not recommended to use this manual as a guide to assemble or disassemble the tractor. Some
hardware and parts are drawn larger in order to more readily identify them.
Each tractor has its own model number.
The model number for your tractor can be found on the fender under the seat.
When ordering parts, always give the following information:
• Product - “TRACTOR”
• MODEL NUMBER - “MC20V42YT (96048002801)”
• Part Number
• Part Description
TABLE OF CONTENTS
SCHEMATIC ................................................................................................................3
ELECTRICAL ............................................................................................................4-5
CHASSIS ..................................................................................................................6-7
DRIVE........................................................................................................................8-9
ENGINE .................................................................................................................10-11
STEERING ............................................................................................................12-13
MOWER DECK .....................................................................................................14-15
MOWER LIFT ............................................................................................................. 16
SEAT ..........................................................................................................................17
DECALS .....................................................................................................................18
WARRANTY ...............................................................................................................20

3
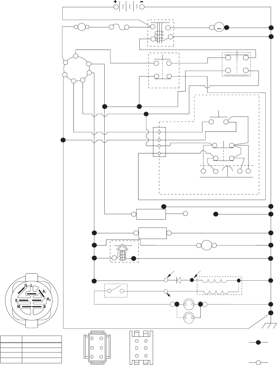
M
FUSE
STARTER
SOLENOID
BATTERY
CLUTCH/BRAKE
(PEDAL UP)
REVERSE SWITCH
(NOT IN REVERSE)
SEAT SWITCH
(NOT OCCUPIED)
SHORTING
CONNECTOR
CHASSIS
HARNESS
IGNITION
UNIT
HOUR
METER
CHASSIS HARNESS
CONNECTOR
(MATING SIDE)
DASH HARNESS
CONNECTOR
(MATING SIDE)
FUEL
LINE
FUEL SHUT-OFF
SOLENOID
(IF SO EQUIPPED)
JUNCTION
CONNECTOR
S
M
B
G
L
2
3
1
6
A2
A1
M
63
52
41
6
5
4
3
2
1
SPARK
PLUGS GAP
(2 PLUGS ON
TWIN CYL. ENGINES)
(OPTIONAL)
NON-REMOVABLE
CONNECTIONS
REMOVABLE
CONNECTIONS
WIRING INSULATED CLIPS
NOTE: IF WIRING INSULATED
CLIPS WERE REMOVED FOR
SERVICING OF UNIT, THEY
SHOULD BE RE-INSTALLED TO
PROPERLY SECURE YOUR
WIRING.
SCH11
IGNITION SWITCH
CIRCUIT
POSITION
OFF
B+A1
RUN/OVERRIDE
B+S+A1START
M+G+A1
B+A1RUN
“MAKE”
L+A2
ATTACHMENT CLUTCH
(CLUTCH OFF)
BLACK
BLACK /WHITE
BLUE
BLUE BLACK
BLACKBLACK
BLACK
BLACK
BLACK
BLACK
BLACK
D
E
R
RED
WHITE
WHITE
GRAY
GRAY
BLACK
BLACK
POWER OUTLET
(OPTIONAL)
12V
BLACK
A
AMMETER
(OPTIONAL)
RED
BLACK
BROWN
HEADLIGHTS
LIGHT SWITCH
ORANGE
LIGHTING SYSTEM OUTPUT
5 AMP AC @ 3600 RPM ALTERNATOR
14 VOLTS AC MIN. @ 3600 RPM (LIGHTS OFF)
DIODE
28 VOLTS AC MIN. @ 3600 RPM
(CHARGING SYSTEM DISCONNECTED)
CHARGING SYSTEM OUTPUT
3 AMP DC @ 3600 RPM
NOTE
YOUR TRACTOR IS
EQUIPPED WITH A SPECIAL
ALTERNATOR SYSTEM.
THE LIGHTS ARE NOT
CONNECTED TO THE
BATTERY, BUT HAVE THEIR
OWN ELECTRICAL SOURCE.
BECAUSE OF THIS, THE
BRIGHTNESS OF THE LIGHTS
WILL CHANGE WITH ENGINE
SPEED. AT IDLE THE LIGHTS
WILL DIM. AS THE ENGINE IS
SPEEDED UP, THE LIGHTS
WILL BECOME THEIR
BRIGHTEST.
TRACTOR - MODEL NO. MC20V42YT (96048002801), PRODUCT NO. 960 48 00-28
SCHEMATIC

4
TRACTOR - MODEL NO. MC20V42YT (96048002801), PRODUCT NO. 960 48 00-28
ELECTRICAL
30
33
34
90
22
79 21
41
42
26
8
1
99
100
91
227
43
27
24
40
71
28
55
16
87
With 12V Outlet Option
59
103
With Service Minder Option
4646
25
T01S
94
92
29
93
5
TRACTOR - MODEL NO. MC20V42YT (96048002801), PRODUCT NO. 960 48 00-28
ELECTRICAL
KEY PART
NO. NO. DESCRIPTION
1 532 16 34-65 Battery
2 874 76 04-12 Bolt Hex Head 1/4-20 x 3/4
8 532 18 64-91 Box Battery
16 532 17 61-38 Switch Interlock Push-In
21 532 18 37-59 Harness Socket Light w/4152J
22 532 00 41-52 Bulb Light
24 532 40 02-53 Cable Battery
25 532 41 28-94 Cable Starter
26 532 17 51-58 Fuse
27 873 51 04-00 Nut Keps Hex 1/4-20 unc
28 532 14 54-91 Cable, Ground
29 532 40 15-45 Switch, Seat
30 532 19 33-50 Switch, Ignition
33 532 41 19-35 Key/Chain
34 532 11 07-12 Switch Light/Reset
40 532 40 10-98 Harness Ignition Dash
41 817 72 04-08 Screw Thd Cut 1/4-20 x 1/2
42 532 13 15-63 Cover, Terminal
43 532 19 25-07 Solenoid
55 817 06 05-12 Screw Thdrol 5/16-18 x 3/4 TYTT
71 532 19 42-76 Harness Ignition Chassis
79 532 17 52-42 Socket Asm Bulb Twistlock
87 532 19 78-02 Switch Interlock Clutch Cable
90 532 43 53-95 Cover Terminal Battery
91 532 19 02-70 Strap Battery Mount Front
92 532 19 66-15 Harness Pigtail Console ROS
93 532 19 25-40 Screw Plastite 10-14 x 2.0
94 532 19 18-34 Module Reverse ROS
99 817 67 04-12 Screw Thdrol 1/4-20 x 3/4
100 819 09 14-16 Washer 9/32 x 7/8 x 16 Ga.
NOTE: All component dimensions given in U.S. inches
1 inch = 25.4 mm

6
TRACTOR - MODEL NO. MC20V42YT (96048002801), PRODUCT NO. 960 48 00-28
CHASSIS
68 68
68
183
236
236
34
235
235
150
151
130
182
176
176
176
175
177
37
181
181
194
194
36
36
162
196
287
138
161
14
137
130
18
191
297
15
25
205
206
5
176
176
chassis-tex_elite sv tv husq_13
189
189
152
228
228
194
180
68
68
213
218
159
159
165
52
217
289
7
TRACTOR - MODEL NO. MC20V42YT (96048002801), PRODUCT NO. 960 48 00-28
CHASSIS
5 532 44 68-34 Dash Upper
14 532 43 27-74 Hood
15 532 18 99-82 Lens Elite-Husq Clear LH
18 532 43 27-78 Grille
25 532 18 99-81 Lens Elite-Husq Clear RH
34 580 91 08-01 Plate Engine Welded Chassis
36 817 06 05-12 Screw 5/16-18 x 3/4 Smgml Tap/R
37 532 44 15-92 Fender
52 873 68 05-00 Nut, Hex, Crownlock 5/16-18
68 817 49 05-08 Screw Thdrol 5/16-18 x 1/2 tytt
130 532 41 63-58 Screw
137 532 18 49-21 Bumper Hood Large 1 75"
138 532 40 97-30 Cupholder TL Tex 428
150 532 43 16-32 Air Duct
151 532 40 78-07 Bracket Pivot Lasr/Elte/Husq LT
152 532 19 95-35 Shield browning w/tex
159 817 00 06-12 Screw Hexwsh Thdr 3/8-16 x 3/4
161 532 41 20-72 Window Fuel
162 532 14 24-32 Screw 1/4 x 1/2
165 532 19 68-26 Support Tank Rear
175 532 19 32-43 Crossmember LT
176 532 40 07-76 Screw #10-24x5/8 Rnd Qudrx Gim
177 532 19 52-27 Bushing Steering YT/GT
180 532 19 54-57 Chass Wldmt TL 12 Ga.
181 532 40 47-96 Bushing Mnt Fend Crgo Blk Tex
182 532 19 30-57 Dash Lower LT ccs
183 874 52 05-20 Bolt Fin Hex 5/16-18 x 1-1/4
189 817 00 05-12 Screw 5/16-18 x 3/4 Smgml Tap/Bl
191 532 41 65-00 Insert reflective RH
194 873 90 05-00 Nut, Lock Hex Flange 5/16-18 unc
196 532 41 45-79 Console Asm Decklft Bl/Rbt Tlt
205 581 53 26-01 Skirt Side RH
206 581 53 26-02 Skirt Side LH
213 874 76 05-12 Bolt, Hex Head 5/16-18 x 3/4
217 532 40 91-67 Rod Pivot Hood
218 532 19 63-95 X-Piece Hood Stop Non/Stealth
228 532 19 51-61 Stud Fastner w/'D'anti-Rotatio
235 532 40 61-29 Spacer Fender
236 873 93 05-00 Nut Center Lock 5/16-18 unc
287 817 60 04-06 Screw Hex Washead 1/4-20 x 3/8
289 532 43 27-81 Plug Cruise Hook Phone
297 532 18 82-67 Insert Lens Rflct LH
NOTE: All component dimensions given in U.S. inches
1 inch = 25.4 mm
KEY PART
NO. NO. DESCRIPTION

8
TRACTOR - MODEL NO. MC20V42YT (96048002801), PRODUCT NO. 960 48 00-28
DRIVE
64
161
184
42
125
226
227
125
80 125
221
225
125
drive-tex_K46_fender_24_r2
211
70
74
116
2
2
73
73
33
205
1
116
33
230
230
183
183
205
175
279 176
178
174
22
23
166
232
153
233
166
99
17
159 15
35
167
160
188
186
189
49
29
187
50
51
52
51
185
159
171
51
52
170
216
56
143
190
9
TRACTOR - MODEL NO. MC20V42YT (96048002801), PRODUCT NO. 960 48 00-28
DRIVE
KEY PART
NO. NO. DESCRIPTION
1 – – – – – – Transaxle, Tufftorq K46 BA
(448348)(Order parts from
transaxle manufacturer.)
2 532 12 35-83 Key Square
15 819 13 13-16 Washer 13/32 x 13/16 x 16 Ga.
17 532 41 36-78 Spring, Brake
22 532 19 76-60 Rod Shift
23 532 14 08-45 Knob
29 532 40 38-06 Rod, Brake
33 812 00 00-01 Ring E
35 532 19 77-22 Rod, Brake, Park
42 532 12 48-72 Cover, Foot Pedal
49 872 11 06-14 Bolt
50 532 19 43-27 Pulley Idler Flat
51 873 90 06-00 Lock Nut 3/8-16
52 532 19 43-26 Idler V-Groove
56 532 13 09-69 V-Belt, Drive
64 532 19 62-00 Shaft Asm. Pedal Brake Control
70 532 41 13-29 Console
73 874 49 05-40 Bolt 5/16-18 x 2 1/2
74 532 14 24-32 Screw 1/4 x 1/2
80 532 44 06-19 Strap Torque
99 532 41 57-42 Rod Asm Bypass
116 873 90 05-00 Nut Lock Hex Flange 5/16-18
125 817 00 05-12 Screw 5/16-18 x 3/4
143 817 49 05-08 Screw 5/16-18 x 1/2
153 532 12 47-88 Retainer Spring
159 876 02 04-12 Pin Cotter 1/8 x 3/4
160 532 16 94-84 Retainer Clip
161 532 10 57-09 Spring, Return, Clutch
166 532 42 91-64 Nut Push .625
167 532 40 52-57 Latch Brake Parking
170 532 19 43-22 Keeper Belt Centerspan
171 872 11 06-16 Bolt Rdhd Sqnk 3/8-16 x 2
174 532 19 72-89 Nut Push
175 532 40 62-08 Shaft Asm Shift
176 532 19 62-14 Arm Clevis Rod Shift
178 532 19 74-56 Spring Shift
183 532 13 70-57 Spacer, Axle
184 532 44 15-04 Handle Parking Brake
185 872 11 06-22 Bolt
186 532 19 43-21 Spacer Retainer
187 819 13 32-10 Washer
188 532 19 43-23 Link Clutch Ground Drive
189 532 19 43-17 Bellcrank Ground Drive
190 532 19 43-18 Keeper Bellcrank Ground Drive
205 532 12 17-48 Washer 25/32 x 1-5/8 x 16 Ga.
211 532 19 62-12 Bushing Brake Shaft
216 532 19 61-31 Bracket Pulley Idler
221 532 40 31-87 Retainer Spring Clip Handle
225 532 40 33-19 Keeper Belt Trans.
226 532 40 15-64 Bracket Mount Torque
227 817 49 05-12 Screw Thdrol 5/16-18 x 3/4
230 532 18 89-67 Washer Hardened
232 874 78 07-16 Bolt 7/16-14 x 1 Gr. 5
233 532 40 52-96 Washer Serrated
279 532 40 62-07 Link Shift
NOTE: All component dimensions given in U.S. inches
1 inch = 25.4 mm
KEY PART
NO. NO. DESCRIPTION

10
TRACTOR - MODEL NO. MC20V42YT (96048002801), PRODUCT NO. 960 48 00-28
ENGINE
1
84
29
SPARK ARRESTER KIT
45
21
20
62
71
70
79
69
87
2
engine-tex_bs-2cyl_69
81
37
28
37
18
15
9
90
91
82
12
42
85
11
TRACTOR - MODEL NO. MC20V42YT (96048002801), PRODUCT NO. 960 48 00-28
ENGINE
KEY PART
NO. NO. DESCRIPTION
1 – – – – – – Engine B&S Model No.406777-6518-B1
(581081601)(Order parts from engine
manufacturer.)
2 532 14 97-23 Muffler
9 532 19 43-20 Keeper Belt Engine
12 532 40 54-71 Pulley Engine
15 532 43 80-80 Tank Fuel
18 532 43 02-14 Cap Fuel
20 532 42 35-02 Control Throttle/Choke
21 532 41 63-58 Screw #10 x 0.750 BOS Thread
28 532 40 11-35 Fuel Line
29 532 13 71-80 Spark Arrester Kit
37 532 12 34-87 Clamp Hose
42 810 04 07-00 Washer Lock 7/16
45 873 51 04-00 Nut Keps Hex 1/4-20 unc
62 532 43 40-17 Shield Heat Muffler
69 532 16 53-91 Gasket
70 532 15 99-55 Exhaust Tube LH
71 532 16 05-89 Exhaust Tube RH
79 532 18 39-06 Screw Socket HD 5/16-18 x 1
81 532 14 84-56 Tube Drain Oil Easy
82 532 42 82-87 Valve Drain Oil
84 817 06 06-20 Screw 3/8-16 x 1-1/4
85 532 17 39-37 Bolt 7/16-20 x 4 x Gr. 5-1.5
87 532 17 18-77 Bolt 5/16-18 unc x 3/4
90 817 00 06-16 Screw 3/8-16 x 1
91 532 18 74-95 Bushing
NOTE: All component dimensions given in U.S. inches
1 inch = 25.4 mm
For engine service and replacement parts, call the toll free
number for your engine manufacturer listed below:
Briggs & Stratton 1-800-233-3723
Engine Power Rating Information
The gross power rating for individual gas engine models is labeled in accordance with SAE (Society of Automotive En-
gineers) code J1940 (Small Engine Power & Torque Rating Procedure), and rating performance has been obtained and
corrected in accordance with SAE J1995 (Revision 2002-05). Torque values are derived at 3060 RPM; horsepower values
are derived at 3600 RPM. Actual gross engine power will be lower and is affected by, among other things, ambient operat-
ing conditions and engine-to-engine variability. Given both the wide array of products on which engines are placed and
the variety of environmental issues applicable to operating the equipment, the gas engine will not develop the rated gross
power when used in a given piece of power equipment (actual “on-site” or net power). This difference is due to a variety
of factors including, but not limited to, accessories (air cleaner, exhaust, charging, cooling, carburetor, fuel pump, etc.),
application limitations, ambient operating conditions (temperature, humidity, altitude), and engine-to-engine variability.
Due to manufacturing and capacity limitations, Briggs & Stratton may substitute an engine of higher rated power for this
Series engine.

12
TRACTOR - MODEL NO. MC20V42YT (96048002801), PRODUCT NO. 960 48 00-28
STEERING ASSEMBLY
6
5
13
13
53 8
9
9
8
8
7
7
62
4
35
19 60
59
58
70
68
69
67
67
66
15
15
14
14
61
2
6
steering-tex_STDSRR_1_r3
16
28
13 22
64
21
51
26
1
45
20
63
57
57
63
122
122
13
TRACTOR - MODEL NO. MC20V42YT (96048002801), PRODUCT NO. 960 48 00-28
STEERING ASSEMBLY
KEY PART
NO. NO. DESCRIPTION
1 532 42 41-46 Wheel, Steering
2 532 19 59-68 Axle Asm., Front
4 532 40 30-87 Spindle Asm., LH
5 532 40 30-88 Spindle Asm., RH
6 532 12 49-31 Bearing, Race Thrust Harden
7 532 12 17-48 Washer 25/32 x 1-5/8 x 16 Ga.
8 812 00 00-29 Ring, Clip #T5304-75
9 532 12 12-32 Cap, Spindle
13 532 12 17-49 Washer 25/32 x 1-1/4 x 16 Ga.
14 810 04 06-00 Washer, Lock Hvy Hlcl Spr 3/8
15 873 54 06-00 Nut, Crown Lock 3/8-24 unf
16 532 40 82-19 Shaft Steering
19 532 19 47-29 Plate Steering
20 532 43 27-84 Boot, Steering
21 532 18 67-37 Adapter, Wheel Steering
22 532 42 05-37 Steering Support Lower
26 532 42 41-47 Insert, Wheel Steering
28 817 00 06-12 Screw 3/8-16 x 3/4
35 532 19 47-32 Gear, Sector Plate
45 819 18 38-12 Washer 9/16 ID x 2-3/8 x 12 Ga.
51 873 94 08-00 Nut Hex Jam Toplock 1/2-20 unf
53 532 18 89-67 Washer Hardened .793 x 1.637 x .060
57 532 40 74-65 Bracket Upstop
58 532 19 47-47 Bolt Shoulder Sector Pivot CFM
59 532 19 47-48 Washer Thrust Sector Steering
60 873 97 10-00 Nut Flange Lock 5/8-11
61 532 19 47-40 Draglink, LH
62 532 19 47-41 Draglink, RH
63 817 00 05-12 Screw 5/16-18 x 3/4
64 532 19 98-49 Retainer Clip Spring Steering
66 871 02 07-48 Bolt Hex Fghd 7/16-14 x 3 Serr
67 532 19 47-37 Bushing PM Front Axle
68 873 90 07-00 Nut Lock Flange 7/16-14 Gr. 5
69 532 19 91-62 Washer 1.5 x .505 x .118
70 532 19 61-97 Bracket Deck Susp. Front
122 532 44 49-62 Cap Gear
NOTE: All component dimensions given in U.S. inches
1 inch = 25.4 mm

14
TRACTOR - MODEL NO. MC20V42YT (96048002801), PRODUCT NO. 960 48 00-28
MOWER DECK
68
30
43
42
60
38
63
46
147
55
64
47
192
30
30
32
38
195
122
123
195
31
33
34
56
56 57
59
62
188
189
1
69
21
21
69
69
20
40
145
42_D_man-tex_LT_33_r6
15
14
13
11
8
21
24
25
26
27
29
23
189
188
144
36
113
113
40
57
117
116
40
119
117
119
116
40
19
19
6
6
242
241
70
7
7
37
67
152
15
TRACTOR - MODEL NO. MC20V42YT (96048002801), PRODUCT NO. 960 48 00-28
MOWER DECK
1 532 19 64-95 Mower Housing
6 532 19 51-86 Arm Suspension
7 532 41 63-58 Screw #10 x 0.750 BOS Thread
8 532 19 30-03 Bolt/Washer Asm 7/16-20 unf
11 532 13 89-71 Blade, 42" Hi-Lift
(For bagging or discharge)
13 532 19 28-72 Shaft Assembly, Mandrel
14 532 18 72-81 Housing, Mandrel
15 532 11 04-85 Bearing, Ball, Mandrel
19 532 19 65-39 Bolt, Shoulder
20 532 15 97-70 Baffle, Vortex
21 873 68 05-00 Nut, Crownlock 5/16-18 unc
23 532 19 25-57 Bracket, Deflector
24 532 10 53-04 Cap, Sleeve
25 532 19 70-26 Spring, Torsion, Deflector
26 532 11 04-52 Nut, Push
27 532 40 30-04 Shield, Deflector
29 532 13 14-91 Rod, Hinge
30 532 17 39-84 Screw Thdrol Rolling Wsh Hd
31 532 18 76-90 Washer, Spacer
32 532 19 74-73 Pulley, Mandrel
33 532 40 02-34 Nut, Toplock, Flanged
34 872 11 06-12 Bolt Carr Sh. 3/8-16 x 1-1/2 Gr. 5
36 532 19 73-79 Pulley, Idler 4.50 RAW
37 819 13 13-16 Washer 13/32 x 13/16 x 16 Ga.
38 532 43 25-20 Keeper Belt Mandrel
40 873 90 06-00 Nut, Lock Flg. 3/8-16 unc
42 532 19 84-10 Spring Torsion Brake
43 532 19 72-56 Spring Torsion Retainer
46 532 13 77-29 Screw Thd Roll 1/4-20 x 5/8
47 532 19 72-50 Bracket Clutch Cable
55 532 43 71-10 Arm, Idler
56 532 19 90-92 Spacer, Retainer
57 817 00 06-16 Screw Hexwsh Thd 3/8-16 x 1
59 532 14 10-43 Guard, Tuv Idler (94)
60 532 19 72-61 Arm Brake Mower
62 872 11 06-16 Bolt Rdhd Sqnk 3/8-16 unc x 2
63 532 19 94-77 Arm Brake Mower
64 532 19 97-90 Linkage Brake
67 532 40 30-12 Handle, Clutch Cable
68 532 42 96-36 V-Belt
69 872 14 05-05 Bolt Rdhd Sqnk 5/16-18 x 5/8
70 532 19 97-79 Clutch Asm. Manual
113 817 00 05-10 Screw 5/16-18
116 532 12 48-42 Bolt Shoulder "A" 2.41 "B" 1.66
117 532 18 86-06 Wheel Gage
119 819 12 14-14 Washer 3/8 x 7/8 x 14 Ga.
122 532 19 72-58 Keeper Belt Eng. LH
123 532 19 72-59 Keeper Belt Eng. RH
144 532 19 92-04 Keeper Belt
145 532 19 31-97 Pulley Idler Primary
147 532 40 19-71 Spring Return
152 532 43 51-11 Cable Clutch Manual w/Spr.
188 532 19 51-61 Stud Fastener
189 873 90 05-00 Nut Lock Hex Flange
192 532 19 72-60 Bracket Brake Stand LH
195 817 00 06-12 Screw Hexwsh Thdr 3/8-16 x 3/4
241 532 15 29-27 Screw #10-32.5 3/8 Flange
242 532 41 55-98 Port Washout
- - 532 41 64-05 Coupling Quick Connect
- - 532 19 28-70 Mandrel Assembly (Includes
housing, shaft assembly, and
bearing only - pulley/nut/washer
and blade bolt/washers not in-
cluded)
- - 532 43 77-30 Replacement Mower, Complete
KEY PART
NO. NO. DESCRIPTION KEY PART
NO. NO. DESCRIPTION
NOTE: All component dimensions given in U.S. inches
1 inch = 25.4 mm

16
TRACTOR - MODEL NO. MC20V42YT (96048002801), PRODUCT NO. 960 48 00-28
MOWER LIFT
7
3
87
10
88
2
89
90 98
97
97
lift-tex_17_r3 *Key 91 may be substituted for Key 101
91
101*
87
100
89
89
87
2 532 42 20-27 Shaft Asm., Lift
3 532 19 52-31 Lever Asm., Lift RH
7 580 96 23-01 Grip, Lever
10 532 19 63-14 Spring Torsion
87 532 19 42-09 Pin Cotter 7/16 Bow Tie Lock
88 532 41 07-10 Spring Lift Assist
89 819 19 19-12 Washer Clear Zinc
90 532 19 42-08 Pin Cotter 5/16 Bow Tie Lock
91 532 19 51-81 Link Asm. Lift Rear
KEY PART
NO. NO. DESCRIPTION
NOTE: All component dimensions given in U.S. inches
1 inch = 25.4 mm
KEY PART
NO. NO. DESCRIPTION
97 817 00 06-12 Screw 3/8-16 x .75 Smgml Tap/R.Z
98 532 19 52-70 Link Lift Susp. Front Mower
100 873 93 06-00 Nut Centerlock 3/8-16 unc
101 532 40 70-03 Link Asm. Lift Fixed
16

17
TRACTOR - MODEL NO. MC20V42YT (96048002801), PRODUCT NO. 960 48 00-28
SEAT ASSEMBLY
1 532 19 75-11 Seat
2 532 18 01-66 Bracket Pivot Fender
3 532 14 06-75 Strap, Asm Fender
6 873 80 06-00 Nut, Lock w/Ins. 3/8-16 unc
7 532 12 41-81 Spring, Seat Cprsn
8 532 17 18-77 Bolt 5/16-18 unc x 3/4 w/Sems
10 532 19 69-77 Pan, Seat
21 532 17 18-52 Bolt, Shoulder 5/16-18
37 873 80 05-00 Nut, Lock 5/16-18 unc
40 532 19 76-61 Handle Slide Seat
41 532 19 82-00 Spring Latch Seat
43 874 76 06-12 Bolt Fin Hex 3/8-16 unc x 3/4
44 819 13 38-12 Washer 13/32 x 2-3/8 x 12 Ga.
KEY PART
NO. NO. DESCRIPTION
KEY PART
NO. NO. DESCRIPTION
NOTE: All component dimensions given in U.S. inches
1 inch = 25.4 mm
2
6
1
40
10
37
37
21
21
3
41
7
8
7
8
8
8
seat-tex_6.5SL_1_r1
44
43

18
TRACTOR - MODEL NO. MC20V42YT (96048002801), PRODUCT NO. 960 48 00-28
DECALS
NOTE: All component dimensions given in U.S. inches
1 inch = 25.4 mm
KEY PART
NO. NO. DESCRIPTION
6
2
1
3
11
410
59
8
7
wheel_art_1-vgt
WHEELS AND TIRES
KEY PART
NO. NO. DESCRIPTION KEY PART
NO. NO. DESCRIPTION
1 532 05 91-92 Cap, Valve, Tire
2 532 06 51-39 Stem, Valve
3 532 12 51-21 Rim Assembly, Front
4 532 05 99-04 Tube, Front
5 532 10 62-22 Tire, Front
6 532 12 49-57 Fitting, Grease
7 532 12 49-59 Bearing, Flange
8 532 19 32-68 Cap, Axle (Front Wheel Only)
9 532 13 84-68 Tire, Rear 20 x 8-8
10 532 12 49-26 Tube, Rear
11 532 12 51-22 Rim Assembly, Rear
- - 532 14 43-34 Sealant, Tire (10 oz. Tube)
1 532 43 83-82 Decal, Hood RH/LH
2 532 43 52-86 Decal, Warning Spark
3 532 44 52-21 Decal, Side Panel
4 532 44 44-52 Decal, Fender
5 581 25 84-01 Decal, Eng H.P.
6 532 41 16-58 Decal, Fender Warning
8 532 17 05-63 Decal, Warning
9 532 14 50-05 Decal, Battery Dnge/Poi
11 581 58 37-01 Decal, Replacement
13 532 43 79-66 Decal, Steering Wheel
14 532 16 03-96 Decal, Mower Schematic
- - 532 16 69-60 Decal, Bypass
- - 532 41 12-73 Pad, Footrest RH
- - 532 40 95-05 Pad, Footrest, LH
- - 581 56 51-32 Manual, Operator's(English/French)
- - 581 56 51-27 Manual, Parts (English/French)
1
5
1
6
3
13
2
9
14
8
11
4

19
SERVICE NOTES

20
LIMITED WARRANTY
The Manufacturer warrants to the original consumer purchaser that this product as manufactured is free from defects in mate-
rials and work man ship. For a period of two (2) years from date of purchase by the original consumer purchaser, we will repair
or replace, at our option, without charge for parts or labor incurred in replacing parts, any part which we find to be defective
due to materials or workmanship. This Warranty is subject to the following limitations and exclusions.
1. This warranty does not apply to the engine, transaxle/transmission components, battery (except as noted below) or com-
ponents parts thereof. Please refer to the applicable manufacturer's warranty on these items.
2. Transportation charges for the movement of any power equipment unit or attachment are the responsibility of the pur chas-
er. Transportation charges for any parts submitted for replacement under this warranty must be paid by the purchaser un-
less such return is requested by the manufacturer.
3. Battery Warranty: On products equipped with a Battery, we will replace, without charge to you, any battery which we find
to be defective in manufacture, during the first ninety (90) days of ownership. After ninety (90) days, we will exchange the
Battery, charging you 1/12 of the price of a new Battery for each full month from the date of the original sale. Battery must
be maintained in accordance with the instructions furnished.
4. The Warranty period for any products used for rental or commercial purposes is limited to 90 days from the date of origi-
nal purchase.
5. This Warranty applies only to products which have been properly assembled, adjusted, operated, and main tained in ac-
cor dance with the instructions furnished. This Warranty does not apply to any product which has been subjected to altera-
tion, misuse, abuse, improper assembly or installation, delivery damage, or to normal wear of the product.
6. Exclusions: Excluded from this Warranty are belts, blades, blade adapters, normal wear, normal adjustments, stan dard
hardware and normal maintenance.
7. In the event you have a claim under this Warranty, you must return the product to an authorized service dealer.
Should you have any unanswered questions concerning this Warranty, please contact:
giving the model number, serial number and date of purchase of your product and the name and address of the authorized
dealer from whom it was purchased.
THIS WARRANTY DOES NOT APPLY TO INCIDENTAL OR CONSEQUENTIAL DAMAGES AND ANY IMPLIED WAR RAN-
TIES ARE LIMITED TO THE SAME TIME PERIODS STATED HEREIN FOR OUR EXPRESSED WARRANTIES. Some areas
do not allow the limitation of consequential damages or limitations of how long an implied Warranty may last, so the above
limitations or exclusions may not apply to you. This Warranty gives you specific legal rights, and you may have other rights
which vary from locale to locale.
This is a limited Warranty within the meaning of that term as defined in the Magnuson-Moss Act of 1975.
In Canada contact:
HOP
5855 Terry Fox Way
Mississauga, Ontario
L5V 3E4
HOP
Outdoor Products Customer Service Dept.
9335 Harris Corners Parkway
Charlotte, NC 28269 USA