Mcculloch Mc17542St Users Manual OM, McCulloch, MC17542ST, MC17542STA, 964772903, 2004 09, Tractor, EN
MC17542STA MCCO2004_EUenAPen_OP0409001_
MC17542STA to the manual 1a418dca-aab0-49f3-9403-c37fb9a837d2
2014-12-13
: Mcculloch Mcculloch-Mc17542St-Users-Manual-125145 mcculloch-mc17542st-users-manual-125145 mcculloch pdf
Open the PDF directly: View PDF
.
Page Count: 44

MODEL NO. MC17542ST (MC17542STA)
17.5 HP 42 Inch
Lawn Tractor
For Parts and Service, contact our authorized distributor: call 1-800-849-1297
For Technical Assistance: call 1-800-829-5886
193190 Rev. 1 09.21.04 MH/TR
PRINTED IN U.S.A.

2
I. GENERAL OPERATION
• Read, understand, and follow all instructions on the
machine and in the manual before starting.
• Do not put hands or feet near rotating parts or under
the machine. Keep clear of the discharge opening at
all times.
• Only allow responsible adults, who are familiar with the
in struc tions, to operate the machine.
• Clear the area of objects such as rocks, toys, wire, etc.,
which could be picked up and thrown by the blades.
• Be sure the area is clear of bystanders before operat-
ing. Stop machine if anyone enters the area.
• Never carry passengers.
• Do not mow in reverse unless absolutely necessary.
Always look down and behind before and while back-
ing.
• Never direct discharged material toward anyone. Avoid
discharging material against a wall or obstruction. Ma-
terial may ricochet back toward the operator. Stop the
blades when crossing gravel surfaces.
• Do not operate machine without the entire grass catcher,
discharge guard, or other safety devices in place and
working.
• Slow down before turning.
• Never leave a running machine unattended. Always
turn off blades, set parking brake, stop engine, and
remove keys before dismounting.
SAFETY RULES
Safe Operation Practices for Ride-On Mowers
IMPORTANT: THIS CUTTING MACHINE IS CAPABLE OF AMPUTATING HANDS AND FEET AND THROW ING OBJECTS. FAILURE
TO OBSERVE THE FOLLOWING SAFETY INSTRUCTIONS COULD RESULT IN SERIOUS INJURY OR DEATH.
WARNING: In order to prevent ac-
ci den tal starting when setting up,
trans port ing, ad just ing or making re-
pairs, al ways dis con nect spark plug
wire and place wire where it can not
contact spark plug.
WARNING: Do not coast down a hill
in neutral, you may lose control of the
tractor.
WARNING: Tow only the attachments
that are rec om mend ed by and com-
ply with spec i fi ca tions of the man u -
fac tur er of your tractor. Use common
sense when towing. Operate only at
the low est possible speed when on a
slope. Too heavy of a load, while on
a slope, is dan ger ous. Tires can lose
trac tion with the ground and cause you
to lose control of your tractor.
• Disengage blades when not mowing. Shut off engine
and wait for all parts to come to a complete stop before
cleaning the machine, removing the grass catcher, or
unclogging the discharge guard.
• Operate machine only in daylight or good artifi cial
light.
• Do not operate the machine while under the infl uence
of alcohol or drugs.
• Watch for traffi c when operating near or crossing road-
ways.
• Use extra care when loading or unloading the machine
into a trailer or truck.
• Always wear eye protection when operating ma-
chine.
• Data indicates that operators, age 60 years and above,
are involved in a large percentage of riding mower-re-
lated injuries. These operators should evaluate their
ability to operate the riding mower safely enough to
protect them selves and others from serious injury.
• Follow the manufacturer's recommendation for wheel
weights or counterweights.
• Keep machine free of grass , leaves or other debris
build-up which can touch hot exhaust / engine parts
and burn. Do not allow the mower deck to plow leaves
or other debris which can cause build-up to occur.
Clean any oil or fuel spillage before operating or
storing the machine. Allow machine to cool before
storage.
II. SLOPE OPERATION
Slopes are a major factor related to loss of control and
tip-over accidents, which can result in severe injury or
death. Operation on all slopes requires extra caution. If
you cannot back up the slope or if you feel uneasy on it,
do not mow it.
• Mow up and down slopes, not across.
• Watch for holes, ruts, bumps, rocks, or other hidden
objects. Uneven terrain could overturn the machine.
Tall grass can hide obstacles.
• Choose a low ground speed so that you will not have
to stop or shift while on the slope.
• Do not mow on wet grass. Tires may lose traction.
Always keep the machine in gear when going down
slopes. Do not shift to neutral and coast downhill.
• Avoid starting, stopping, or turning on a slope. If the
tires lose traction, disengage the blades and proceed
slowly straight down the slope.
• Keep all movement on the slopes slow and gradual.
Do not make sudden changes in speed or direction,
which could cause the machine to roll over.
• Use extra care while operating machine with grass
catchers or other at tach ments; they can affect the
stability of the machine. Do no use on steep slopes.
• Do not try to stabilize the machine by putting your foot
on the ground.
• Do not mow near drop-offs, ditches, or embankments.
The machine could suddenly roll over if a wheel is over
the edge or if the edge caves in.

3
• Be sure the area is clear of bystanders before operat-
ing. Stop machine if anyone enters the area.
• Never carry passengers.
• Do not mow in reverse unless absolutely necessary.
Al ways look down and behind before and while back-
ing.
• Never carry children, even with the blades shut off. They
may fall off and be seriously injured or interfere with
safe machine operation. Children who have been given
rides in the past may suddenly appear in the mowing
area for another ride and be run over or backed over
by the machine.
• Keep children out of the mowing area and in the watchful
care of a responsible adult other than the operator.
• Be alert and turn machine off if a child enters the
area.
• Before and while backing, look behind and down for
small children.
• Mow up and down slopes (15° Max), not across.
• Choose a low ground speed so that you will not have
to stop or shift while on the slope.
• Avoid starting, stopping, or turning on a slope. If the
tires lose traction, disengage the blades and proceed
slowly straight down the slope.
• If machine stops while going uphill, disengage blades,
shift into reverse and back down slowly.
• Do not turn on slopes unless necessary, and then, turn
slowly and gradually downhill, if possible.
SAFETY RULES
Safe Operation Practices for Ride-On Mowers
III. CHILDREN
Tragic accidents can occur if the operator is not alert to
the presence of children. Children are often attracted to
the ma chine and the mowing activity.
Never
assume that
children will remain where you last saw them.
• Keep children out of the mowing area and in the watchful
care of a responsible adult other than the operator.
• Be alert and turn machine off if a child enters the
area.
• Before and while backing, look behind and down for
small children.
• Never carry children, even with the blades shut off. They
may fall off and be seriously injured or interfere with
safe machine operation. Children who have been given
rides in the past may suddenly appear in the mowing
area for another ride and be run over or backed over
by the machine.
• Never allow children to operate the machine.
• Use extra care when approaching blind corners, shrubs,
trees, or other objects that may block your view of a
child.
IV. TOWING
• Tow only with a machine that has a hitch designed for
towing. Do not attach towed equipment except at the
hitch point.
• Follow the manufacturer's recommendation for weight
limits for towed equipment and towing on slopes.
• Never allow children or others in or on towed equip-
ment.
• On slopes, the weight of the towed equipment may
cause loss of traction and loss of control.
• Travel slowly and allow extra distance to stop.
V. SERVICE
SAFE HANDLING OF GASOLINE
To avoid personal injury or property damage, use extreme
care in handling gasoline. Gasoline is extremely fl ammable
and the vapors are explosive.
• Extinguish all cigarettes, cigars, pipes, and other
sources of ignition.
• Use only approved gasoline container.
• Never remove gas cap or add fuel with the engine run-
ning. Allow engine to cool before refueling.
• Never fuel the machine indoors.
• Never store the machine or fuel container where there
is an open fl ame, spark, or pilot light such as on a water
heater or other appliances.
• Never fi ll containers inside a vehicle or on a truck or
trailer bed with plastic liner. Always place containers
on the ground away from your vehicle when fi lling.
• Remove gas-powered equipment from the truck or trailer
and refuel it on the ground. If this is not possible, then
refuel such equipment with a portable container, rather
than from a gasoline dispenser nozzle.
• Keep the nozzle in contact with the rim of the fuel tank
or container opening at all times until fueling is complete.
Do not use a nozzle lock-open device.
• If fuel is spilled on clothing, change clothing immedi-
ately.
• Never overfi ll fuel tank. Replace gas cap and tighten
securely.
GENERAL SERVICE
• Never operate machine in a closed are.
• Keep all nuts and bolts tight to be sure the equipment
is in safe working condition.
• Never tamper with safety devices. Check their proper
operation regularly.
• Keep machine free of grass, leaves, or other debris
build-up. Clean oil or fuel spillage and remove any fuel-
soaked debris. Allow machine to cool before storing.
• If you strike a foreign object, stop and inspect the
machine. Repair, if necessary, before restarting.
• Never make any adjustments or repairs with the engine
run ning.
• Check grass catcher components and the discharge
guard frequently and replace with manufacturer's rec-
ommended parts, when necessary.
• Mower blades are sharp. Wrap the blade or wear
gloves, and use extra caution when servicing them.
• Check brake operation frequently. Adjust and service
as required.
• Maintain or replace safety and instruction labels, as
necessary.

4
TABLE OF CONTENTS
SAFETY RULES ......................................................... 2-3
PRODUCT SPECIFICATIONS ....................................... 4
CUSTOMER RESPONSIBILITIES................................. 4
ASSEMBLY ................................................................. 6-8
OPERATION ............................................................. 9-14
MAINTENANCE SCHEDULE ...................................... 15
MAINTENANCE ..................................................... 15-18
SERVICE AND AD JUST MENTS ............................ 19-23
STORAGE .................................................................... 24
TROU BLE SHOOT ING ............................................ 25-26
REPAIR PARTS ......................................................28-41
CONGRATULATIONS on your purchase of a new tractor.
It has been designed, engineered and manu fac tured to give
you the best possible dependability and performance.
Should you experience any problem you cannot easily rem-
edy, please contact your nearest authorized service center/
department. We have com pe tent, well-trained tech ni cians
and the proper tools to ser vice or repair this tractor.
Please read and retain this manual. The instructions will
enable you to assemble and maintain your tractor prop erly.
Always observe the “SAFETY RULES”.
CUSTOMER RESPONSIBILITIES
• Read and observe the safety rules.
• Follow a regular schedule in maintaining, caring for
and using your tractor.
• Follow the instructions under “Maintenance” and “Stor-
age” sec tions of this own er’s manual.
WARNING: This tractor is equipped with an internal com-
bus tion engine and should not be used on or near any
un im proved forest-covered, brush-covered or grass-cov ered
land unless the engine’s exhaust system is equipped with
a spark arrester meeting applicable local or state laws (if
any). If a spark arrester is used, it should be maintained
in effective working order by the operator.
A spark arrester for the muffl er is available through your
nearest authorized service center/department (See RE PA I R
PARTS section of this manual).
GASOLINE CAPACITY 2.0 GALLONS
AND TYPE: UNLEADED REGULAR
OIL TYPE (API-SG-SL): SAE 30 (above 32°F)
SAE 5W-30 (below 32°F)
OIL CAPACITY: W/FILTER 3.5 PINTS
W/O FILTER 3.0 PINTS
SPARK PLUG: CHAMPION RC12YC
(GAP: .030")
GROUND SPEED (MPH): FORWARD:
1st 1.2
2nd 1.5
3rd 2.4
4th 3.5
5th 4.8
6th 5.3
REVERSE: 1.5
TIRE PRESSURE: FRONT: 14 PSI
REAR: 10 PSI
CHARGING SYSTEM: 3 AMPS BATTERY
5 AMPS HEADLIGHTS
BATTERY: AMP/HR: 28
MIN. CCA: 230
CASE SIZE: U1R
BLADE BOLT TORQUE: 27-35 FT. LBS.
PRODUCT SPECIFICATIONS

5
CONTENTS OF HARDWARE PACK
Steering Wheel
Steering
Wheel
Insert
(1) Large Flat
Washer
Steering
Boot
Steering
Extension
Shaft
Steering
Wheel
Adapter
Seat
(2) Keys
Slope Sheet
Key
(1) Hex Bolt 1/4-28 x 1-1/4
(1) Locknut 1/4-28
(1) Locknut 1/2-20
(1) Oil Drain Tube
(1) Knob
(1) Washer
17/32 x 1-3/16 x 12 Gauge

6
ASSEMBLY
TOOLS REQUIRED FOR ASSEMBLY
A socket wrench set will make assembly easier. Stan dard
wrench sizes are listed.
(2) 7/16" wrenches Utility knife
(2) 3/4" wrench Tire pres sure gauge
Pliers
When right or left hand is mentioned in this man ual, it means
when you are in the operating po si tion (seated be hind the
steer ing wheel).
TO REMOVE TRACTOR FROM
CAR TON
UNPACK CARTON
• Remove all accessible loose parts and parts cartons
from carton.
• Cut along dotted lines on all four panels of carton.
Remove end panels and lay side panels fl at.
• Check for any additional loose parts or cartons and
remove.
Your new tractor has been assembled at the factory with exception of those parts left unassembled for shipping purposes.
To ensure safe and proper operation of your tractor all parts and hardware you assemble must be tightened securely. Use
the correct tools as necessary to insure proper tightness.
FIG. 1
02601
1/4 LOCKNUT
LOWER
STEERING
SHAFT
STEERING
BOOT
EXTENSION SHAFT
1/4 HEX BOLT
STEERING
WHEEL
INSERT
ADAPTER
1/2 HEX NUT
LARGE FLAT
WASHER
TABS
TAB
SLOTS
BEFORE REMOVING TRACTOR FROM
SKID
ATTACH STEERING WHEEL (See Fig. 1)
ASSEMBLE EXTENSION SHAFT AND BOOT
• Slide extension shaft onto lower steering shaft. Align
mount ing holes in extension and lower shafts and install
1/4 hex bolt and lock nut. Tighten securely.
IMPORTANT: TIGHTEN BOLT AND NUT SECURELY TO
10-12 FT. LBS TORQUE.
• Place tabs of steering boot over tab slots in dash and
push down to secure.
INSTALL STEERING WHEEL
• Position front wheels of the tractor so they are pointing
straight forward.
• Remove steering wheel adapter from steering wheel
and slide adapter onto steer ing shaft ex ten sion.
• Position steering wheel so cross bars are hor i zon tal
(left to right) and slide inside boot and onto adapt er.
• Assemble large fl at washer, 1/2 hex nut and tighten
se cure ly.
• Snap steering wheel insert into center of steer ing
wheel.
• Remove protective materials from tractor hood and
grill.
IMPORTANT: CHECK FOR AND RE MOVE ANY STA PLES
IN SKID THAT MAY PUNC TURE TIRES WHERE TRACTOR
IS TO ROLL OFF SKID.
INSTALL SEAT (See Fig. 2)
Adjust seat before tightening adjustment knob.
• Remove adjustment knob and fl at washer securing
seat to cardboard packing and set aside for assembly
of seat to tractor.
• Pivot seat upward and remove from the cardboard pack-
ing. Remove the cardboard packing and discard.
• Place seat on seat pan so head of shoulder bolts are
positioned over the large slotted holes in pan.
• Push down on seat to engage shoulder bolts in slots
and pull seat towards rear of tractor.
• Pivot seat and pan forward and as sem ble adjustment
knob and fl at washer loosely. Do not tighten.
• Lower seat into operating position and sit in seat.
• Slide seat until a comfortable position is reached
which allows you to press clutch/brake pedal all the
way down.
• Get off seat without moving its ad just ed position.
• Raise seat and tighten adjustment knob securely.

7
ASSEMBLY
FIG. 2
NOTE: You may now roll or drive your tractor off the skid.
Follow the appropriate instruction below to remove the
tractor from the skid.
TO ROLL TRACTOR OFF SKID (See Op-
er a tion section for location and func tion of
con trols)
• Press lift lever plunger and raise attachment lift lever
to its highest po si tion.
• Release parking brake by depressing clutch/brake
ped al.
• Place gearshift lever in neutral (N) po si tion.
• Roll tractor forward off skid.
• Remove banding holding defl ector shield up against
tractor.
TO DRIVE TRACTOR OFF SKID (See Op-
er a tion sec tion for lo ca tion and func tion of
con trols)
WARNING: Before starting, read, un der stand and follow
all in struc tions in the Operation section of this manual. Be
sure tractor is in a well-ventilated area. Be sure the area in
front of tractor is clear of other people and objects.
• Be sure all the above assembly steps have been com-
pleted.
• Check engine oil level and fi ll fuel tank with gasoline.
• Sit on seat in operating position, depress clutch/brake
pedal and set the parking brake.
• Place gear shift lever in neutral (N) position.
• Press lift lever plunger and raise attachment lift lever
to its highest position.
• Start the engine. After engine has started, move throttle
control to idle position.
• Depress clutch/brake pedal into full “BRAKE” position
and hold. Move gearshift lever to 1st gear.
• Slowly release clutch/brake pedal and slowly drive
tractor off skid.
• Apply brake to stop tractor, set parking brake and place
gearshift lever in neutral position.
• Turn ignition key to “OFF” position.
Continue with the instructions that follow.
ADJUSTMENT
KNOB
FLAT WASHER
02615
02617
SEAT PAN
SHOULDER
BOLTS
SEAT
02602
CONNECT BATTERY (See Figs. 3 and 4)
CAUTION: Do not short battery termi-
nals by allowing a wrench or any other
object to contact both terminals at the
same time. Before connecting battery,
remove metal bracelets, wristwatch
bands, rings, etc.
Positive terminal must be connected
fi rst to prevent sparking from accidental
ground ing.
• Lift seat pan to raised position.
• Remove terminal protective caps and discard.
• If this battery is put into service after month and year
indicated on label (label located between terminals)
charge battery for minimum of one hour at 6-10 amps.
(See "BATTERY" in the Maintenance section of this
manual for charg ing in struc tions).
• First connect RED battery cable to positive (+) terminal
with hex bolt and keps nut as shown. Tighten securely.
Slide terminal cover over terminal.
• Connect BLACK grounding cable to negative (-) ter-
minal with remaining hex bolt and keps nut. Tighten
securely.
02604
FIG. 3
FIG. 4
HEX BOLT
NEGATIVE (BLACK) CABLEPOSITIVE (RED) CABLE
KEPS
NUT
SEAT PAN
TERMINAL
COVER
DISCARD TER MI NAL
PROTECTIVE CAPS
LABEL

8
INSTALL MULCHER PLATE (See Fig. 5)
(If previously removed)
• Raise and hold defl ector shield in up right po si tion.
• Place front of mulcher plate over front of mower deck
open ing and slide into place, as shown.
• Hook front latch into hole on front of mower deck.
• Hook rear latch into hole on back of mower deck.
CAUTION: Do not remove defl ector shield
from mow er.
TO CONVERT TO BAGGING OR
DISCHARGING
Simply remove mulcher plate and store in a safe place.
Your mower is now ready for discharging or installation of
optional grass catcher accessory.
NOTE: It is not necessary to change blades. The mulcher
blades are designed for discharging and bagging also.
ASSEMBLY
✓
CHECKLIST
BEFORE YOU OPERATE AND ENJOY YOUR NEW TRAC-
TOR, WE WISH TO ASSURE THAT YOU RECEIVE THE
BEST PER FOR MANCE AND SATISFACTION FROM THIS
QUALITY PROD UCT.
PLEASE REVIEW THE FOLLOWING CHECKLIST:
✓ All assembly instructions have been completed.
✓ No remaining loose parts in carton.
✓ Battery is properly prepared and charged. (Minimum
1 hour at 6 amps).
✓ Seat is adjusted comfortably and tightened securely.
✓ All tires are properly infl ated. (For shipping purposes,
the tires were overinfl ated at the factory).
✓ Be sure mower deck is properly leveled side-to-side/
front-to-rear for best cutting results. (Tires must be
properly infl ated for leveling).
✓ Check mower and drive belts. Be sure they are routed
properly around pulleys and inside all belt keepers.
✓ Check wiring. See that all connections are still secure
and wires are properly clamped.
WHILE LEARNING HOW TO USE YOUR TRACTOR, PAY
EX TRA ATTENTION TO THE FOLLOWING IMPORTANT
ITEMS:
✓ Engine oil is at proper level.
✓ Fuel tank is fi lled with fresh, clean, regular unleaded
gas o line.
✓ Become familiar with all controls - their location and
function. Operate them before you start the engine.
✓ Be sure brake system is in safe operating condition.
CHECK TIRE PRESSURE
The tires on your tractor were overinfl ated at the factory
for shipping purposes. Correct tire pressure is important
for best cutting performance.
• Reduce tire pressure to PSI shown in “PRODUCT
SPEC I FI CA TIONS” section of this manual.
CHECK DECK LEVELNESS
For best cutting results, mower housing should be properly
leveled. See “TO LEVEL MOWER HOUSING” in the Service
and Adjustments section of this manual.
CHECK FOR PROPER POSITION OF ALL
BELTS
See the fi gures that are shown for replacing motion and
mower blade drive belts in the Service and Adjustments
sec tion of this manual. Verify that the belts are routed
correctly.
CHECK BRAKE SYSTEM
After you learn how to operate your tractor, check to see that
the brake is properly adjusted. See “TO ADJUST BRAKE”
in the Service and Adjustments section of this manual.
FIG. 5
01233
DEFLECTOR
SHIELD
LATCH
HOOKS
MULCHER
PLATE

9
OPERATION
These symbols may appear on your tractor or in literature supplied with the product. Learn and understand their mean-
ing.
DANGER, KEEP HANDS
AND FEET AWAY
FREE WHEEL
(Automatic Models only)
OVER TEMP
LIGHT
KEEP AREA CLEAR SLOPE HAZARDS
15
15
(SEE SAFETY RULES SECTION)
BATTERY REVERSE FORWARD
FAST SLOW
ENGINE ON
ENGINE OFF
OIL PRESSURE
LIGHTS ON
FUEL
CHOKE
MOWER HEIGHT
PARKING BRAKE
LOCKED
PARKING BRAKE
UNLOCKED
REVERSE NEUTRAL HIGH LOW
ATTACHMENT
CLUTCH ENGAGED
PARKING BRAKE
IGNITION
ATTACHMENT
CLUTCH DISENGAGED
P
ENGINE START
MOWER LIFT
Failure to follow instructions
could result in serious injury or
death. The safety alert symbol
is used to identify safety inform-
ation about hazards which can
result in death, serious injury
and/or property damage.
DANGER indicates a hazard which, if not avoided,
will result in death or serious injury.
WARNING indicates a hazard which, if not avoided,
could result in death or serious injury.
CAUTION indicates a hazard which, if not avoided,
might result in minor or moderate injury.
CAUTION when used without the alert symbol,
indicates a situation that could result in damage
to the tractor and/or engine.
FIRE indicates a hazard which, if not avoided,
could result in death, serious injury and/or
property damage.
HOT SURFACES indicates a hazard which,
if not avoided, could result in death, serious injury
and/or property damage.

10
OPERATION
KNOW YOUR TRACTOR
READ THIS OWNER'S MANUAL AND SAFETY RULES BEFORE OPERATING YOUR TRACTOR
Compare the illustrations with your tractor to familiarize yourself with the locations of various controls and ad just ments.
Save this manual for future reference.
AMMETER - Indicates charging (+) or discharging (-) of
battery.
ATTACHMENT CLUTCH LEVER - Used to engage the
mower blades, or other attachments mounted to your
tractor.
ATTACHMENT LIFT LEVER - Used to raise, lower, and
adjust the mower deck or other attachments mounted to
your tractor.
CLUTCH/BRAKE PEDAL - Used for declutching and brak-
ing the tractor and starting the engine.
GEARSHIFT LEVER - Selects the speed and di rec tion
of the tractor.
Our tractors conform to the safety standards of the American National Standards Institute.
FIG. 6
PARKING
BRAKE
CLUTCH/
BRAKE
PEDAL
THROTTLE/
CHOKE
CONTROL
GEAR SHIFT
LEVER
ATTACHMENT
LIFT LEVER
LIFT LEVER
PLUNGER
IGNITION
SWITCH
ATTACHMENT
CLUTCH LEVER
LIGHT SWITCH
POSITION
HEIGHT
ADJUSTMENT
INDICATOR
AMMETER
IGNITION SWITCH - Used for starting and stopping the
engine.
LIFT LEVER PLUNGER - Used to release attachment lift
lever when changing its position.
LIGHT SWITCH POSITION - Turns the headlights on and
off.
THROTTLE/CHOKE CONTROL - Used for starting and
con trol ling engine speed.
PARKING BRAKE - Locks clutch/brake pedal into the
brake position.

11
NOTE: Under certain conditions when tractor is standing
idle with the engine running, hot engine exhaust gases may
cause “browning” of grass. To eliminate this possibility, al-
ways stop engine when stopping tractor on grass areas.
CAUTION: Always stop tractor com-
plete ly, as described above, before leav-
ing the operator's position; to empty
grass catcher, etc.
OPERATION
The operation of any tractor can result in foreign objects thrown into the eyes, which can result
in severe eye dam age. Always wear safety glass es or eye shields while operating your tractor or
per form ing any adjustments or repairs. We rec om mend a wide vision safety mask over spectacles
or stan dard safety glasses.
HOW TO USE YOUR TRACTOR
TO SET PARKING BRAKE (See Fig. 7)
Your tractor is equipped with an operator presence sens-
ing switch. When engine is running, any attempt by the
op er a tor to leave the seat without fi rst setting the parking
brake will shut off the engine.
• Depress clutch/brake pedal into full “BRAKE” position
and hold.
• Place parking brake lever in “ENGAGED” position and
re lease pressure from clutch/brake pedal. Pedal should
re main in “BRAKE” position. Make sure parking brake
will hold tractor secure.
PARKING BRAKE
"DISENGAGED"
POSITION
FIG. 7
CLUTCH/BRAKE
PEDAL "DRIVE"
POSITION
STOPPING (See Fig. 7)
MOWER BLADES -
• To stop mower blades,move attachment clutch lever
to “DIS EN GAGED” po si tion.
GROUND DRIVE -
• To stop ground drive, depress clutch/brake pedal into
full “BRAKE” po si tion.
• Move gearshift lever to neutral (N) po si tion.
ENGINE -
• Move throttle control between half and full speed (fast)
position.
NOTE: Failure to move throttle control between half and
full speed (fast) position, before stop ping may cause engine
to “back fi r e ” .
• Turn ignition key to “STOP” position and remove key.
Always remove key when leaving tractor to prevent
un au tho rized use.
• Never use choke to stop engine.
IMPORTANT: LEAVING THE IGNITION SWITCH IN ANY
POSITION OTHER THAN "STOP" WILL CAUSE THE BATTERY
TO BE DIS CHARGED, (DEAD).
ATTACHMENT CLUTCH
LEVER "ENGAGED"
POSITION
IGNITION KEY
"DIS EN GAGED"
POSITION
PARKING BRAKE
"EN GAGED"
POSITION
GEAR SHIFT
LEVER
THROT TLE/
CHOKE
CONTROL
LEVER
"BRAKE"
POSITION
TO USE THROTTLE CONTROL (See Fig. 7)
Always operate engine at full throttle.
• Operating engine at less than full throttle reduces the
battery charging rate.
• Full throttle of fers the best bagging and mower per for -
mance.
TO MOVE FORWARD AND BACKWARD
(See Fig. 7)
The direction and speed of movement is controlled by the
gearshift lever.
• Start tractor with clutch/brake pedal depressed and
gearshift lever in neutral (N) position.
• Move gearshift lever to desired position.
• Slowly release clutch/brake pedal to start move-
ment.
IMPORTANT: BRING TRACTOR TO A COMPLETE STOP
BEFORE SHIFTING OR CHANGING GEARS. FAILURE
TO DO SO WILL SHORTEN THE USEFUL LIFE OF YOUR
TRANSAXLE.
TO ADJUST MOWER CUTTING HEIGHT
(See Fig. 7)
The position of the attachment lift lever determines the
cutting height.
• Grasp lift lever.
• Press plunger with thumb and move lever to desired
position.
The cutting height range is approximately 1-1/2 to 4".
The heights are measured from the ground to the blade tip
with the engine not running. These heights are approximate
and may vary depending upon soil conditions, height of
grass and types of grass being mowed.
• The average lawn should be cut to approximately 2-1/2
inches during the cool season and to over 3 inches
during hot months. For healthier and better looking
lawns, mow often and after moderate growth.
• For best cutting performance, grass over 6 inches
in height should be mowed twice. Make the fi rst cut
relatively high; the second to desired height.

12
TO OPERATE ON HILLS
WARNING: Do not drive up or down
hills with slopes great er than 15° and
do not drive across any slope.
• Choose the slowest speed before starting up or down
hills.
• Avoid stopping or changing speed on hills.
• If slowing is necessary, move throttle control lever to
slower position.
• If stopping is absolutely necessary, push clutch/brake
pedal quickly to brake position and engage parking
brake.
• Move gearshift lever to 1st gear. Be sure you have
allowed room for tractor to roll slightly as you restart
movement.
• To restart movement, slowly release parking brake and
clutch/brake pedal.
• Make all turns slowly.
OPERATION
AT TACH MENT
CLUTCH LEVER
"DISENGAGED"
PO SI TION
ATTACHMENT
LIFT LEVER
HIGH PO SI TION
"ENGAGED" POSITION
LOW
POSITION
FIG. 9
DEFLECTOR
SHIELD
TO TRANSPORT
• Raise attachment lift to highest position with at tach ment
lift control.
• When pushing or towing your tractor, be sure gearshift
lever is in neutral (N) position.
• Do not push or tow tractor at more than fi ve (5) MPH.
NOTE: To protect hood from damage when transporting
your tractor on a truck or a trailer, be sure hood is closed
and secured to tractor. Use an appropriate means of tying
hood to tractor (rope, cord, etc.).
TOWING CARTS AND OTHER AT TACH -
MENTS
Tow only the attachments that are recommended by and
comply with specifi cations of the manufacturer of your trac-
tor. Use common sense when towing. Too heavy of a load,
while on a slope, is dangerous. Tires can lose traction with
the ground and cause you to lose control of your tractor.
TO OPERATE MOWER (See Fig. 9)
Your tractor is equipped with an operator presence sensing
switch. Any attempt by the operator to leave the seat with
the engine running and the attachment clutch engaged
will shut off the engine. You must remain fully and centrally
positioned in the seat to prevent the engine from hesitating
or cutting off when operating your equipment on rough,
rolling terrain or hills.
• Select desired height of cut.
• Start mower blades by engaging attachment clutch
control.
• TO STOP MOWER BLADES - disengage attachment
clutch con trol.
CAUTION: Do not operate the mower
without either the en tire grass catcher,
on mowers so equipped, or the defl ector
shield in place.
FIG. 8
014
23
TO ADJUST GAUGE WHEELS (See Fig. 8)
Gauge wheels are properly adjusted when they are slightly
off the ground when mower is at the desired cutting height
in operating position. Gauge wheels then keep the deck
in proper position to help prevent scalping in most terrain
conditions.
NOTE:Adjust gauge wheels with tractor on a fl at level
surface.
• Adjust mower to desired cutting height (See “TO AD-
JUST MOWER CUT TING HEIGHT” in the Operation
sec tion of this manual).
• With mower in desired height of cut po si tion, gauge
wheels should be assembled so they are slightly off
the ground. In stall gauge wheel in appropriate hole
with shoulder bolt, 3/8 washer, and 3/8-16 locknut and
tighten se cure ly.
• Repeat for opposite side installing gauge wheel in same
adjustment hole.
3/8 WASH ER
3/8-16
LOCKNUT
GAUGE
WHEEL
MOUNTING
BRACKET
SHOULDER
BOLT
GAUGE WHEEL

13
OPERATION
TO START ENGINE (See Fig. 7)
When starting the engine for the fi rst time or if the engine
has run out of fuel, it will take extra cranking time to move
fuel from the tank to the engine.
• Sit on seat in operating position, depress clutch/brake
pedal and set parking brake.
• Place gear shift lever in neutral (N) position.
• Move attachment clutch to “DISENGAGED” position.
• Move throttle control to choke ( ) position.
NOTE: Before starting, read the warm and cold starting
pro ce dures below.
ADD GASOLINE
• Fill fuel tank to bottom of fi ller neck. Do not overfi ll.
Use fresh, clean, regular un lead ed gasoline with a
minimum of 87 octane. (Use of leaded gasoline will
increase carbon and lead oxide deposits and reduce
valve life). Do not mix oil with gasoline. Purchase fuel
in quan ti ties that can be used within 30 days to assure
fuel freshness.
CAUTION: Wipe off any spilled oil or
fuel. Do not store, spill or use gasoline
near an open fl ame.
IMPORTANT: WHEN OPERATING IN TEMPERATURES
BELOW32°F(0°C), USE FRESH, CLEAN WINTER GRADE
GAS O LINE TO HELP INSURE GOOD COLD WEATHER
START ING.
CAUTION: Alcohol blended fuels (called
gas o hol or using ethanol or methanol) can at-
tract moisture which leads to sep a ra tion and
for ma tion of acids during storage. Acidic gas
can damage the fuel system of an engine while
in storage. To avoid engine problems, the fuel
system should be emptied before stor age of
30 days or longer. Drain the gas tank, start
the engine and let it run until the fuel lines
and carburetor are empty. Use fresh fuel next
sea son. See Storage In struc tions for additional
information. Never use engine or carburetor
cleaner products in the fuel tank or permanent
damage may occur.
BEFORE STARTING THE ENGINE
CHECK ENGINE OIL LEVEL
The engine in your tractor has been shipped, from the
factory, already fi lled with sum mer weight oil.
• Check engine oil with tractor on level ground.
• Remove oil fi ll cap/dipstick and wipe clean, reinsert the
dipstick and screw cap tight, wait for a few seconds,
remove and read oil level. If necessary, add oil until
“FULL” mark on dipstick is reached. Do not overfi ll.
• For cold weather operation you should change oil for
easier starting (See “OIL VISCOSITY CHART” in the
Maintenance sec tion of this manual).
• To change engine oil, see the Maintenance section in
this manual.
• Insert key into ignition and turn key clockwise to “START”
position and release key as soon as engine starts.
Do not run starter continuously for more than fi fteen
sec onds per minute. If the engine does not start after
several attempts, move throttle control to fast position,
wait a few minutes and try again. If engine still does
not start, move the throttle control back to the choke (
) position and retry.
WARM WEATHER STARTING (50° F and above)
• When engine starts, move the throttle control to the
fast position.
• The attachments and ground drive can now be used. If
the engine does not accept the load, restart the engine
and allow it to warm up for one minute using the choke
as described above.
COLD WEATHER STARTING ( 50° F and below)
• When engine starts, allow engine to run with the throttle
control in the choke ( ) position until the engine runs
roughly, then move throttle control to fast position. This
may require an engine warm-up period from several
seconds to several minutes, depending on the tem-
per a ture.
• The attachments can also be used during the engine
warm-up period.
NOTE: If at a high altitude (above 3000 feet) or in cold
tem per a tures (below 32 F) the carburetor fuel mixture may
need to be adjusted for best engine performance. See “TO
ADJUST CAR BU RE TOR” in the Service and Adjustments
section of this manual.

14
MOWING TIPS
• Mower should be properly leveled for best mowing per-
for mance. See "TO LEVEL MOWER HOUSING" in the
Service and Adjustments section of this manual.
• The left hand side of mower should be used for trim-
ming.
• Drive so that clippings are discharged onto the area
that has been cut. Have the cut area to the right of the
machine. This will result in a more even distribution of
clippings and more uniform cutting.
• When mowing large areas, start by turning to the right so
that clippings will discharge away from shrubs, fences,
drive ways, etc. After one or two rounds, mow in the
opposite direction making left hand turns until fi nished
(See Fig. 10).
FIG. 10
• If grass is extremely tall, it should be mowed twice to
reduce load and possible fi re hazard from dried clip-
pings. Make fi rst cut relatively high; the second to the
desired height.
• Do not mow grass when it is wet. Wet grass will plug
mower and leave undesirable clumps. Allow grass to
dry before mowing.
• Always operate engine at full throttle when mow-
ing to assure better mowing performance and proper
dis charge of ma te ri al. Regulate ground speed by se-
lect ing a low enough gear to give the mower cutting
per for mance as well as the quality of cut desired.
• When operating attachments, select a ground speed
that will suit the terrain and give best performance of
the attachment being used.
MULCHING MOWING TIPS
IMPORTANT: FOR BEST PERFORMANCE, KEEP MOWER
HOUSING FREE OF BUILT-UP GRASS AND TRASH. CLEAN
AFTER EACH USE.
• The spe cial mulch ing blade will recut the grass clip-
pings many times and reduce them in size so that as
they fall onto the lawn they will disperse into the grass
and not be noticed. Also, the mulched grass will biode-
grade quick ly to provide nutrients for the lawn. Always
mulch with your highest engine (blade) speed as this
will pro vide the best recutting action of the blades.
• Avoid cutting your lawn when it is wet. Wet grass tends
to form clumps and interferes with the mulch ing action.
The best time to mow your lawn is the early afternoon.
At this time the grass has dried, yet the newly cut area
will not be exposed to direct sunlight.
• For best results, adjust the mower cutting height so
that the mower cuts off only the top one-third of the
grass blades (See Fig. 11). For ex tremely heavy mulch-
ing, re duce your width of cut on each pass and mow
slow ly.
MAX 1/3
FIG. 11
• Certain types of grass and grass con di tions may re quire
that an area be mulched a second time to com pletely
hide the clippings. When doing a sec ond cut, mow
across (perpendicular) to the fi rst cut path.
• Change your cutting pattern from week to week. Mow
north to south one week then change to east to west the
next week. This will help prevent matting and graining
of the lawn.
OPERATION

15
MAINTENANCE
BEFORE EACH USE
T
R
A
C
T
0
R
Inspect Muffler/Spark Arrester
Lubrication Chart
Check Brake Operation
Clean Air Filter
Change Engine Oil (with oil filter)
Replace Air Filter Paper Cartridge
Replace Spark Plug
Check Battery Level
Check Tire Pressure
Clean Battery and Terminals
FILL IN DATES
AS YOU COMPLETE
REGULAR SERVICE
MAINTENANCE SCHEDULE
EVERY 8 HOURS
EVERY 25 HOURS
EVERY 50 HOURS
EVERY 100 HOURS
EVERY SEASON
SERVICE DATES
Check for Loose Fasteners
BEFORE STORAGE
Check Engine Oil Level
Clean Engine Cooling Fins
Sharpen/Replace Mower Blades
Check Operator Presence and
Interlock Systems
Clean Air Screen
1 - Change more often when operating under a heavy load or
in high ambient temperatures.
2 - Service more often when operating in dirty or dusty conditions.
E
N
G
I
N
EReplace Oil Filter (If equipped)
Check Transaxle Cooling
Check V-Belts
Replace Fuel Filter
3
2
2
2
2
3 - Replace blades more often when mowing in sandy soil.
4 - Not required if equipped with maintenance-free battery.
5 - Tighten front axle pivot bolt to 35 ft.-lbs. maximum.
Do not overti
g
hten.
1,
1,2
2
4
5
Change Engine Oil (without oil filter) 1,2
LUBRICATION CHART
dSPINDLE ZERK
dFRONT WHEEL
BEARING ZERK
cSAE 30 OR 10W30 MOTOR OIL
dGENERAL PURPOSE GREASE
eREFER TO MAINTENANCE “ENGINE” SECTION
IMPORTANT: DO NOT OIL OR GREASE THE PIVOT POINTS WHICH
HAVE SPECIAL NYLON BEARINGS. VISCOUS LU BRI CANTS WILL
ATTRACT DUST AND DIRT THAT WILL SHORT EN THE LIFE OF
THE SELF-LU BRI CAT ING BEARINGS. IF YOU FEEL THEY MUST
BE LU BRI CAT ED, USE ONLY A DRY, POW DERED GRAPHITE TYPE
LU BRI CANT SPARINGLY.
dSPINDLE ZERK
dFRONT WHEEL
BEARING ZERK
eENGINE
cGEARSHIFT
PIVOTS
GENERAL RECOMMENDATIONS
The warranty on this tractor does not cover items that have
been subjected to operator abuse or negligence. To receive
full value from the warranty, operator must main tain tractor
as instructed in this manual.
Some adjustments will need to be made periodically to
properly maintain your tractor.
At least once a season, check to see if you should make
any of the adjustments described in the Service and
Adjustments section of this manual.
• At least once a year you should replace the spark
plug, clean or replace air fi lter, and check blades and
belts for wear. A new spark plug and clean air fi lter
assure proper air-fuel mixture and help your engine
run better and last longer.
BEFORE EACH USE
• Check engine oil level.
• Check brake operation.
• Check tire pressure.
• Check operator presence and
interlock systems for proper operation.
• Check for loose fasteners.

16
01202
MAINTENANCE
FIG. 13
FIG. 12
TRACTOR
Always observe safety rules when performing any main-
te nance.
BRAKE OPERATION
If tractor requires more than fi ve (5) feet to stop at highest
speed in highest gear on a level, dry concrete or paved
surface, then brake must be checked and adjusted.
TIRES
• Maintain proper air pressure in all tires (See “PROD UCT
SPECIFICATIONS” section of this man ual).
• Keep tires free of gasoline, oil, or insect control chemi-
cals which can harm rubber.
• Avoid stumps, stones, deep ruts, sharp objects and
other hazards that may cause tire damage.
NOTE: To seal tire punctures and prevent fl at tires due to
slow leaks, tire sealant may be purchased from your local
parts dealer. Tire sealant also prevents tire dry rot and
corrosion.
OPERATOR PRESENCE SYSTEM
Be sure operator presence and interlock sys tems are work-
ing properly. If your tractor does not function as described,
repair the problem immediately.
• The engine should not start unless the clutch/brake
pedal is fully depressed and attachement clutch control
is in the disengaged position.
• When the engine is running, any attempt by the op er a tor
to leave the seat without fi rst setting the parking brake
should shut off the engine.
• When the engine is running and the at tach ment clutch
is engaged, any attempt by the operator to leave the
seat should shut off the engine.
• The attachment clutch should never operate unless
the operator is in the seat.
BLADE CARE
For best results mower blades must be kept sharp. Re place
bent or damaged blades.
5/8" BOLT
OR PIN
BLADE
CENTER HOLE
TO SHARPEN BLADE (See Fig. 13)
NOTE: We do not recommend sharpening blade - but if
you do, be sure the blade is balanced.
Care should be taken to keep the blade balanced. An un-
bal anced blade will cause excessive vibration and even tual
dam age to mower and engine.
• The blade can be sharpened with a fi le or on a grind-
ing wheel. Do not attempt to sharpen while on the
mower.
• To check blade balance, you will need a 5/8" diameter
steel bolt, pin, or a cone balancer. (When using a
cone balancer, follow the instructions supplied with
bal anc er.)
NOTE: Do not use a nail for balancing blade. The lobes of
the center hole may appear to be centered, but are not.
• Slide blade on to an unthreaded portion of the steel bolt
or pin and hold the bolt or pin parallel with the ground.
If blade is balanced, it should remain in a horizontal
position. If either end of the blade moves downward,
sharpen the heavy end until the blade is balanced.
0
1
2
1
4
MANDREL
ASSEMBLY
BLADE
TRAILING
EDGE UP
LOCK WASHER
BLADE BOLT
BLADE REMOVAL (See Fig. 12)
• Raise mower to highest position to allow access to
blades.
• Remove blade bolt, lock washer and fl at washer se cur ing
blade.
• Install new or resharpened blade with trailing edge up
towards deck as shown.
IMPORTANT: TO ENSURE PROPER ASSEMBLY, CENTER
HOLE IN BLADE MUST ALIGN WITH STAR ON MANDREL
ASSEMBLY.
• Reassemble blade bolt, lock washer and fl at washer
in exact order as shown.
• Tight en blade bolt se cure ly (27-35 Ft. Lbs. torque).
IMPORTANT: BLADE BOLT IS HEAT TREATED. IF BOLT NEEDS
REPLACING, REPLACE ONLY WITH APPROVE BOLT SHOWN
IN THE REPAIR PARTS.
FLAT WASHER
CENTER
HOLE
STAR
BATTERY
Your tractor has a battery charging system which is suf fi cient
for normal use. However, periodic charging of the battery
with an automotive charger will extend its life.
• Keep battery and terminals clean.
• Keep battery bolts tight.
• Keep small vent holes open.
• Recharge at 6-10 amperes for 1 hour.
NOTE: The original equipment battery on your tractor is
maintenance free. Do not attempt to open or remove caps
or covers. Adding or checking level of electrolyte is not
nec es sary.
TO CLEAN BATTERY AND TERMINALS
Corrosion and dirt on the battery and terminals can cause
the battery to “leak” power.
• Disconnect BLACK battery cable fi rst then RED bat-
tery cable and remove battery from tractor.

17
MAINTENANCE
V-BELTS
Check V-belts for deterioration and wear after 100 hours and
replace if necessary. The belts are not adjustable. Re place
belts if they begin to slip from wear.
TRANSAXLE COOLING
Keep transaxle free from build-up of dirt and chaff which
can restrict cooling.
FIG. 14
ENGINE
LUBRICATION
Only use high quality detergent oil rated with API service
classifi cation SG-SL. Select the oil’s SAE viscosity grade
according to your expected operating temperature.
TEMPERATURE RANGE ANTICIPATED BEFORE NEXT OIL CHANGE
SAE VISCOSITY GRADES
-20 0 30 40 80 100
-30 -20 0 20 30 40
F
C
32
-10 10
60
5W-30
SAE 30
NOTE: Although multi-viscosity oils (5W30, 10W30 etc.)
improve starting in cold weather, these multi-viscosity oils
will result in increased oil consumption when used above
32°F. Check your engine oil level more frequently to avoid
possible engine damage from running low on oil.
Change the oil after every 50 hours of operation or at least
once a year if the tractor is not used for 50 hours in one
year.
Check the crankcase oil level before starting the engine
and after each eight (8) hours of operation. Tighten oil fi ll
cap/dipstick securely each time you check the oil level.
CLEAN AIR SCREEN
Air screen must be kept free of dirt and chaff to prevent
engine dam age from overheating. Clean with a wire brush
or com pressed air to re move dirt and stubborn dried gum
fi bers.
AIR FILTER
Your engine will not run properly using a dirty air fi lter.
Service air cleaner more often under dusty conditions. See
Engine Manual.
ENGINE OIL FILTER
Replace the engine oil fi lter every season or every other
oil change if the tractor is used more than 100 hours in
one year.
• Rinse the battery with plain water and dry.
• Clean terminals and battery cable ends with wire brush
until bright.
• Coat terminals with grease or petroleum jelly.
• Reinstall battery (See “CONNECT BATTERY” in the
Assembly sec tion of this manual).
TO CHANGE ENGINE OIL (See Figs. 14 and 15)
Determine temperature range expected before oil change.
All oil must meet API service classifi cation SG-SL.
• Be sure tractor is on level surface.
• Oil will drain more freely when warm.
• Catch oil in a suitable container.
• Remove oil fi ll cap/dipstick. Be careful not to allow dirt
to enter the engine when changing oil.
• Remove yellow cap from end of drain valve and install
the drain tube onto the fi tting.
02463
CLOSED
AND
LOCKED
POSITION
YEL LOW CAP
DRAIN
TUBE
OIL DRAIN VALVE
FIG. 15
• Unlock drain valve by pushing inward and turning
coun ter clock wise.
• To open, pull out on the drain valve.
• After oil has drained completely, close and lock the
drain valve by pushing inward and turning clockwise
until the pin is in the locked position as shown.
• Remove the drain tube and replace the cap onto to the
bottom fi tting of the drain valve.
• Refi ll engine with oil through oil fi ll dipstick tube. Pour
slowly. Do not overfi ll. For approximate capacity see
“PRODUCT SPECIFICATIONS” section of this man-
u al.
• Use gauge on oil fi ll cap/dipstick for checking level.
Be sure dipstick cap is tightened securely for accurate
reading. Keep oil at “FULL” line on dipstick. Tighten cap
onto the tube securely when fi nished.

18
MAINTENANCE
CLEANING
• Clean engine, battery, seat, fi nish, etc. of all foreign
matter.
• Keep fi nished surfaces and wheels free of all gasoline,
oil, etc.
• Protect painted surfaces with automotive type wax.
We do not recommend using a garden hose or pressure
washer to clean your tractor unless the engine and trans-
mission are covered to keep water out. Water in engine or
transmission will shorten the useful life of your tractor. Use
compressed air or a leaf blower to remove grass, leaves
and trash from tractor and mower.
IN-LINE FUEL FILTER (See Fig. 16)
The fuel fi lter should be replaced once each season. If fuel
fi lter becomes clogged, ob struct ing fuel fl ow to car bu re tor,
re place ment is re quired.
• With engine cool, remove fi lter and plug fuel line sec-
tions.
• Place new fuel fi lter in position in fuel line with arrow
pointing towards carburetor.
• Be sure there are no fuel line leaks and clamps are
properly positioned.
• Immediately wipe up any spilled gasoline.
FIG. 16
FUEL
FILTER
CLAMP
CLAMP
CLEAN AIR INTAKE/COOLING AREAS
To insure proper cooling, make sure the grass screen,
cooling fi ns, and other external surfaces of the engine are
kept clean at all times.
Every 100 hours of operation (more often under extremely
dusty, dirty conditions), remove the blower housing and
other cooling shrouds. Clean the cooling fi ns and external
surfaces as necessary. Make sure the cooling shrouds are
reinstalled.
NOTE: Operating the engine with a blocked grass screen,
dirty or plugged cooling fi ns, and/or cooling shrouds re moved
will cause engine damage due to overheating.
See Engine manual.
MUFFLER
Inspect and replace corroded muffl er and spark arrester
(if equipped) as it could create a fi re hazard and/or dam-
age.
SPARK PLUGS
Replace spark plugs at the beginning of each mowing sea-
son or after every 100 hours of use, whichever comes fi rst.
Spark plug type and gap setting is shown in "PROD UCT
SPECIFICATIONS" section of this manual.

19
SERVICE AND ADJUSTMENTS
WARNING: TO AVOID SE RI OUS IN JU RY, BEFORE PERFORMING ANY SERVICE OR ADJUST-
MENTS:
• Depress clutch/brake pedal fully and set parking brake.
• Place gearshift lever in neutral (N) position.
• Place attachment clutch in “DISENGAGED” position.
• Turn ignition key to “STOP” and remove key.
• Make sure the blades and all moving parts have completely stopped.
• Disconnect spark plug wire from spark plug and place wire where it cannot come in contact
with plug.
TRACTOR
TO REMOVE MOWER (See Fig. 17)
Mower will be easier to remove from the right side of trac-
tor.
• Place attachment clutch in “DIS EN GAGED” position.
• Move attachment lift lever forward to low er mower to
its lowest po si tion.
• Roll belt off engine pulley.
• Remove small retainer spring, and remove clutch spring
off pulley bolt.
• Remove large retainer spring, slide col lar off and push
housing guide out of brack et.
• Disconnect anti-swaybar from chas sis bracket by re-
mov ing re tain er spring.
• Disconnect suspension arms from rear deck brackets
by removing retainer springs.
• Disconnect front links from deck by re mov ing retainer
springs.
• Raise lift lever to raise suspension arms. Slide mower
out from under tractor.
IMPORTANT: IF AN ATTACHMENT OTHER THAN THE MOWER
DECK IS TO BE MOUNTED ON THE TRAC TOR, REMOVE THE
FRONT LINKS AND HOOK THE CLUTCH SPRING INTO SQUARE
HOLE IN FRAME.
TO INSTALL MOWER (See Fig. 17)
• Raise attachment lift lever to its high est position.
• Slide mower under tractor with defl ector shield to right
side of tractor.
• Lower lift lever to its lowest po si tion.
• Connect front links to mower deck and secure with
retainer springs..
• Connect suspension arms to rear deck brackets and
secure with retainer springs.
• Connect anti-swaybar to chassis bracket and secure
with retainer spring.
• Push clutch cable housing guide into bracket, slide col-
lar onto guide and secure with large retainer spring.
• Place fl at washer and clutch spring on idler pulley bolt
and secure with small retainer spring.
• Install belt onto engine pulley.
SUSPENSION
ARMS
RETAINER SPRINGS
(BOTH SIDES)
RETAINER SPRING
ANTI-SWAY BAR
HOUSING GUIDE
FRONT LINK
COLLAR
ENGINE PULLEY
LARGE
RETAINER
SPRING
CLUTCH SPRING
SMALL RETAINER SPRING
BRACKET
SQUARE HOLE
FIG. 17
DEFLECTOR SHIELD
SMALL RETAINER SPRING
CLUTCH SPRING
FLAT WASHER

20
TO REPLACE MOWER BLADE DRIVE BELT
(See Fig. 22)
The mower blade drive belt may be replaced without tools.
Park the tractor on level surface. Engage parking brake.
BELT REMOVAL -
• Remove mower from tractor (See “TO REMOVE
MOW ER” in this section of this manual).
• Work belt off both mandrel pulleys and idler pulleys.
• Pull belt away from mower.
BELT INSTALLATION -
• Install new belt in reverse order of removal.
• Make sure belt is in all pulley grooves and in side all
belt guides.
• Install mower in reverse order of removal instruc-
tions.
SERVICE AND ADJUSTMENTS
FRONT-TO-BACK ADJUSTMENT (See Figs. 20and 21)
IMPORTANT: DECK MUST BE LEVEL SIDE-TO-SIDE. IF THE
FOLLOWING FRONT-TO-BACK ADJUSTMENT IS NECESSARY,
BE SURE TO AD JUST BOTH FRONT LINKS EQUAL LY S O
MOWER WILL STAY LEVEL SIDE-TO-SIDE.
To obtain the best cutting results, the mower housing
should be adjusted so that the front is approximately 1/8"
to 1/2" lower than the rear when the mower is in its high-
est position.
Check adjustment on right side of tractor. Measure dis tance
“D” directly in front and behind the mandrel at bottom edge
of mower housing as shown.
• Before making any necessary adjustments, check that
both front links are equal in length.
• If links are not equal in length, adjust one link to same
length as other link.
• To lower front of mower loosen nut “E” on both front
links an equal number of turns.
FIG. 21
BOTH FRONT LINKS MUST BE EQUAL IN LENGTH
FIG. 20
TO LEVEL MOWER HOUSING
Adjust the mower while tractor is parked on level ground
or driveway. Make sure tires are properly infl ated (See
“PROD UCT SPECIFICATIONS” section of this manual). If
tires are over or underinfl ated, you will not properly adjust
your mower.
SIDE-TO-SIDE ADJUSTMENT (See Figs. 18 and 19)
• Raise mower to its highest position.
• At the midpoint of both sides of mower, measure height
from bot tom edge of mower to ground. Distance “A”
on both sides of mower should be the same or within
1/4" of each other.
• If adjustment is necessary, make adjustment on one
side of mower only.
• To raise one side of mower, tighten lift link ad just ment
nut on that side.
• To lower one side of mower, loosen lift link ad just ment
nut on that side.
NOTE: Each full turn of adjustment nut will change mow er
height about 1/8".
• Recheck measurements after adjusting.
BOTTOM EDGE
OF MOWER TO
GROUND
FIG. 18
FIG. 19
AA
GROUND LINE
BOTTOM EDGE
OF MOWER TO
GROUND
• When distance “D” is 1/8" to 1/2" lower at front than
rear, tighten nuts “F” against trunnion on both front
links.
• To raise front of mower, loosen nut “F” from trunnion on
both front links. Tighten nut “E” on both front links an
equal number of turns. The two front links must remain
equal in length.
• When distance “D” is 1/8" to 1/2" lower at front than rear,
tighten nut “F” against trunnion on both front links.
• Recheck side-to-side adjustment.
SUS PEN SION ARM
LIFT LINK
ADJUSTMENT NUT
“D”
“D”
MAN DREL
NUT “E”
TRUNNION
NUT “F”
FRONT LINKS

21
SERVICE AND ADJUSTMENTS
FIG. 22
TO REPLACE MOTION DRIVE BELT
(See Fig. 24)
Park the tractor on level surface. En gage parking brake.
For as sis tance, there is a belt installation guide decal on
bottom side of left footrest.
BELT REMOVAL -
• Remove mower (See “TO RE MOVE MOWER” in this
section of manual).
NOTE: Observe entire motion drive belt and position of all
belt guides and keepers.
• Remove belt from stationary idler and clutching idler.
• Remove belt downward from around en gine pulley.
• Pull belt slack toward rear of trac tor. Remove belt
upwards from transaxle pulley by de fl ect ing belt keep-
ers.
• Remove belt from center span keeper and pull belt
away from tractor.
BELT INSTALLATION -
• Carefully work new belt down be tween transaxle belt
keepers and onto the input pulley.
• Slide belt into the center span keeper.
• Pull belt toward front of tractor and roll around the top
groove of engine pulley.
• Install belt through stationary idler and clutch ing
idler.
• Make sure belt is in all pulley grooves and in side all
belt guides and keep ers.
• Install mower (See “TO IN STALL MOWER” in this sec-
tion of manual).
IDLER PULLEYS
MANDREL PULLEYS
1-1/2"
FIG. 23
TO CHECK AND ADJUST BRAKE
(See Fig. 23)
Your tractor is equipped with an ad just able brake system
which is mounted on the right side of the transaxle.
If tractor requires more than fi ve (5) feet to stop at highest
speed in high est gear on a level, dry concrete or paved
surface, then brake must be checked and ad just ed.
TO CHECK BRAKE
• Park tractor on a level, dry concrete or paved surface,
depress clutch/brake pedal all the way down and en-
gage parking brake.
• Place gear shift lever in neutral (N) position.
The rear wheels must lock and skid when you try to manually
push the tractor forward. If the rear wheels rotate, the brake
needs to be adjusted or the pads need to be replaced.
TO ADJUST BRAKE
• Depress clutch/brake pedal all the way down and en-
gage parking brake.
• Measure distance between brake operating arm and
nut “A” on brake rod.
• If distance is other than 1-1/2", loos en jam nut and turn
nut “A” until dis tance becomes 1-1/2". Re tight en jam
nut against nut “A”.
• Road test tractor for proper stopping distance as stated
above. Readjust if nec es sary. If stopping distance is
still greater than fi ve (5) feet in high est gear, further
main te nance is nec es sary. Replace brake pads or
contact a qualifi ed service center.
JAM NUT
WITH PARKING BRAKE “ENGAGED”
OPERATING ARM
NUT “A”

22
ADJUSTMENT
BOLT
NEUTRAL
LOCK GATE
GEARSHIFT LEVER
FIG. 25
SERVICE AND ADJUSTMENTS
TO ADJUST STEERING WHEEL ALIGN-
MENT
If steering wheel crossbars are not horizontal (left to right)
when wheels are positioned straight forward, remove steer-
ing wheel and reassemble per instructions in the Assembly
section of this manual.
FRONT WHEEL TOE-IN/CAMBER
The front wheel toe-in and camber are not adjustable on
your tractor. If damage has occurred to affect the front wheel
toe-in or camber, contact your nearest authorized service
center/department.
TO REMOVE WHEEL FOR REPAIRS
(See Fig. 26)
• Block up axle securely.
• Remove axle cover, retaining ring and washers to allow
wheel removal (rear wheel contains a square key - Do
not lose).
• Repair tire and reassemble.
• On rear wheels only: align grooves in rear wheel hub
and axle. Insert square key.
• Replace washers and snap retaining ring securely in
axle groove.
• Replace axle cover.
NOTE: To seal tire punctures and prevent fl at tires due to
slow leaks, tire sealant may be purchased from your local
parts dealer. Tire sealant also prevents tire dry rot and
corrosion.
FIG. 26
RE TAIN ING
RING
WASH ERS
SQUARE KEY (REAR
WHEEL ONLY)
AXLE
COVER
FIG. 24
TRANSAXLE
PULLEY
STA TION ARY
IDLER
CLUTCHING
IDLER
ENGINE
PULLEY
CENTER SPAN
KEEPER
TRANSAXLE GEAR SHIFT LEVER NEU TRAL-
ADJUSTMENT (See Fig. 25)
The transaxle should be in neutral when the gear shift
lever is in neutral (N) (lock gate) position. The adjustment
is preset at the factory; however, if adjustment is needed,
proceed as follows:
• Make sure transaxle is in neutral (N).
NOTE: When the tractor rear wheels move freely, the
transaxle is in neutral.
• Loosen adjustment bolt in front of the right rear
wheel.
• Position the gear shift lever in the neutral (N) posi-
tion.
• Tighten adjustment bolt securely.
NOTE: If additional clearance is needed to get to ad just ment
bolt, move mower deck height to the lowest position.

23
TO START ENGINE WITH A WEAK BATTERY
(See Fig. 27)
WARNING: Lead-acid batteries gen-
er ate ex plo sive gases. Keep sparks,
fl ame and smoking ma te ri als away from
bat ter ies. Always wear eye pro tec tion
when around batteries.
If your battery is too weak to start the engine, it should be
recharged. (See "BATTERY" in the Maintenance sec tion
of this man u al).
If “jumper ca bles” are used for emer gen cy starting, follow
this pro ce dure:
IMPORTANT: YOUR TRACTOR IS EQUIPPED WITH A 12 VOLT
SYSTEM. THE OTHER VEHICLE MUST ALSO BE A 12 VOLT
SYSTEM. DO NOT USE YOUR TRACTOR BATTERY TO START
OTHER VEHICLES.
TO ATTACH JUMPER CABLES -
• Connect one end of the RED cable to the POSITIVE
(+) terminal of each battery(A-B), taking care not to
short against tractor chassis.
• Connect one end of the BLACK ca ble to the NEGA TIVE
(-) terminal (C) of fully charged battery.
• Connect the other end of the BLACK cable (D) to good
chassis ground, away from fuel tank and bat tery.
TO REMOVE CABLES, REVERSE ORDER -
• BLACK cable fi rst from chassis and then from the fully
charged battery.
• RED cable last from both batteries.
FIG. 27
WEAK OR DEAD
BATTERY
FULLY CHARGED
BATTERY
SERVICE AND ADJUSTMENTS
01536
TO REPLACE HEADLIGHT BULB
• Raise hood.
• Pull bulb holder out of the hole in the backside of the
grill.
• Replace bulb in holder and push bulb holder securely
back into the hole in the backside of the grill.
• Close hood.
HOOD
HEADLIGHT WIRE
CONNECTOR
FIG. 28
TO REMOVE HOOD AND GRILL ASSEMBLY
(See Fig. 28)
• Raise hood.
• Unsnap headlight wire connector.
• Stand in front of tractor. Grasp hood at sides, tilt toward
engine and lift off of tractor.
• To replace, reverse above procedure.
ENGINE
TO AD JUST THROTTLE CON TROL CABLE
The throttle control has been preset at the factory and
ad just ment should not be necessary. If adjustment is nec-
es sary, see engine manual.
TO AD JUST CHOKE CON TROL
The choke control has been preset at the factory and ad-
just ment should not be necessary. If adjustment is neces-
sary, see engne manual.
TO ADJUST CARBURETOR
Your carburetor is not adjustable. If your engine does not
operate properly due to suspected carburetor problems,
take your tractor to an authorized service center for repair
and/or adjustment.
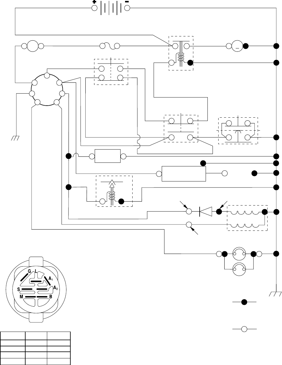
INTERLOCKS AND RELAYS
Loose or damaged wiring may cause your tractor to run
poorly, stop running, or prevent it from starting.
• Check wiring. See electrical wiring diagram in the
Repair Parts section.
TO REPLACE FUSE
Replace with 20 amp automotive-type plug-in fuse. The
fuse holder is located behind the dash.

24
STORAGE
Immediately prepare your tractor for storage at the end
of the season or if the tractor will not be used for 30 days
or more.
WARNING: Never store the trac tor with
gas o line in the tank inside a building
where fumes may reach an open fl ame
or spark. Allow the engine to cool before
storing in any en clo sure.
TRACTOR
Remove mower from tractor for winter storage. When mower
is to be stored for a period of time, clean it thor oughly, remove
all dirt, grease, leaves, etc. Store in a clean, dry area.
• Clean entire tractor (See “CLEANING” in the Main te -
nance section of this manual).
• Inspect and replace belts, if necessary (See belt re-
place ment instructions in the Service and Adjustments
section of this manual).
• Lubricate as shown in the Maintenance section of this
man ual.
• Be sure that all nuts, bolts and screws are securely
fastened. Inspect moving parts for damage, breakage
and wear. Replace if necessary.
• Touch up all rusted or chipped paint surfaces; sand
lightly before painting.
BATTERY
• Fully charge the battery for storage.
• After a period of time in storage, battery may require
recharging.
• To help prevent corrosion and power leakage during
long periods of storage, battery cables should be dis-
con nect ed and battery cleaned thoroughly (see “TO
CLEAN BATTERY AND TERMINALS” in the Mainte-
nance sec tion of this manual).
• After cleaning, leave cables disconnected and place
cables where they cannot come in contact with battery
terminals.
• If battery is removed from tractor for storage, do not
store battery directly on concrete or damp surfaces.
ENGINE
FUEL SYSTEM
IMPORTANT: IT IS IMPORTANT TO PREVENT GUM DEPOSITS
FROM FORMING IN ES SEN TIAL FUEL SYSTEM PARTS SUCH
AS CARBURETOR, FUEL FIL TER, FUEL HOSE, OR TANK
DURING STORAGE. ALSO, EXPERIENCE INDICATES THAT
ALCOHOL BLENDED FUELS (CALLED GASOHOL OR USING
ETHANOL OR METHANOL) CAN ATTRACT MOIS TURE WHICH
LEADS TO SEPARATION AND FOR MA TION OF ACIDS DURING
STOR AGE. ACIDIC GAS CAN DAMAGE THE FUEL SYSTEM
OF AN ENGINE WHILE IN STORAGE.
• Empty the fuel tank by starting the engine and let it run
until the fuel lines and carburetor are empty.
• Never use engine or carburetor cleaner products in the
fuel tank or permanent damage may occur.
• Use fresh fuel next season.
NOTE: Fuel stabilizer is an acceptable alternative in mini-
mizing the formation of fuel gum deposits during stor age.
Add stabilizer to gasoline in fuel tank or storage container.
Always follow the mix ratio found on stabilizer container.
Run engine at least 10 minutes after adding stabilizer to
allow the stabilizer to reach the carburetor. Do not empty
the gas tank and carburetor if using fuel stabilizer.
ENGINE OIL
Drain oil (with engine warm) and replace with clean en-
gine oil. (See “ENGINE” in the Maintenance section of
this man ual).
CYLINDER(S)
• Remove spark plug(s).
• Pour one ounce of oil through spark plug hole(s) into
cylinder(s).
• Turn ignition key to “START” position for a few seconds
to distribute oil.
• Replace with new spark plug(s).
OTHER
• Do not store gasoline from one season to another.
• Replace your gasoline can if your can starts to rust.
Rust and/or dirt in your gasoline will cause problems.
• If possible, store your tractor indoors and cover it to
give protection from dust and dirt.
• Cover your tractor with a suitable protective cover that
does not retain moisture. Do not use plastic. Plastic
cannot breathe which allows condensation to form and
will cause your tractor to rust.
IMPORTANT: NEVER COVER TRACTOR WHILE EN GINE AND
EXHAUST AREAS ARE STILL WARM.

25
TROUBLESHOOTING POINTS
Will not start 1. Out of fuel. 1. Fill fuel tank.
2. Engine not “CHOKED” properly. 2. See “TO START ENGINE” in Operation section.
3. Engine fl ooded. 3. Wait several minutes before attempting to start.
4. Bad spark plug. 4. Replace spark plug.
5. Dirty air fi lter. 5. Clean/replace air fi lter.
6. Dirty fuel fi lter. 6. Replace fuel fi lter.
7. Water in fuel. 7. Empty fuel tank and carburetor, refi ll tank with fresh
gasoline and replace fuel fi lter.
8. Loose or damaged wiring. 8. Check all wiring.
9. Carburetor out of adjustment. 9. See “To Adjust Carburetor” in Service Adjustments
section.
10. Engine valves out of adjustment. 10. Contact an authorized service center/department.
Hard to start 1. Dirty air fi lter. 1. Clean/replace air fi lter.
2. Bad spark plug. 2. Replace spark plug.
3. Weak or dead battery. 3. Recharge or replace battery.
4. Dirty fuel fi lter. 4. Replace fuel fi lter.
5. Stale or dirty fuel. 5. Empty fuel tank and refi ll tank with fresh, clean gasoline.
6. Loose or damaged wiring. 6. Check all wiring.
7. Carburetor out of adjustment. 7. See “To Adjust Carburetor” in Service Adjustments
section.
8. Engine valves out of adjustment. 8. Contact an authorized service center/department.
Engine will not turn over 1. Clutch/brake pedal not depressed. 1. Depress clutch/brake pedal.
2. Attachment clutch is engaged. 2. Disengage attachment clutch.
3. Weak or dead battery. 3. Recharge or replace battery.
4. Blown fuse. 4. Replace fuse.
5. Corroded battery terminals. 5. Clean battery terminals.
6. Loose or damaged wiring. 6. Check all wiring.
7. Faulty ignition switch. 7. Check/replace ignition switch.
8. Faulty solenoid or starter. 8. Check/replace solenoid or starter.
9. Faulty operator presence switch(es). 9. Contact an authorized service center/department.
Engine clicks but will not 1. Weak or dead battery. 1. Recharge or replace battery.
start 2. Corroded battery terminals. 2. Clean battery terminals.
3. Loose or damaged wiring. 3. Check all wiring.
4. Faulty solenoid or starter. 4. Check/replace solenoid or starter.
Loss of power 1. Cutting too much grass/too fast. 1. Raise cutting height/reduce speed.
2. Throttle in “CHOKE” position. 2. Adjust throttle control.
3. Build-up of grass, leaves and trash under mower. 3. Clean underside of mower housing.
4. Dirty air fi lter. 4. Clean/replace air fi lter.
5. Low oil level/dirty oil. 5. Check oil level/change oil.
6. Faulty spark plug. 6. Clean and regap or change spark plug.
7. Dirty fuel fi lter. 7. Replace fuel fi lter.
8. Stale or dirty fuel. 8. Empty fuel tank and refi ll tank with fresh, clean gasoline.
9. Water in fuel. 9. Empty fuel tank and carburetor, refi ll tank with fresh
gasoline and replace fuel fi lter.
10. Spark plug wire loose. 10. Connect and tighten spark plug wire.
11. Dirty engine air screen/fi ns. 11. Clean engine air screen/fi ns.
12. Dirty/clogged muffl er. 12. Clean/replace muffl er.
13. Loose or damaged wiring. 13. Check all wiring.
14. Carburetor out of adjustment. 14. See “To Adjust Carburetor” in Service Adjustments
section.
15. Engine valves out of adjustment. 15. Contact an authorized service center/department.
Excessive vibration 1. Worn, bent or loose blade. 1. Replace blade. Tighten blade bolt.
2. Bent blade mandrel. 2. Replace blade mandrel.
3. Loose/damaged part(s). 3. Tighten loose part(s). Replace damaged parts.
PROBLEM CAUSE CORRECTION

26
TROUBLESHOOTING POINTS
PROBLEM CAUSE CORRECTION
Engine continues to run 1. Faulty operator-safety presence control system. 1. Check wiring, switches and connections. If not
when operator leaves seat corrected, contact an authorized service center/
with attachment clutch department.
engaged
Poor cut - uneven 1. Worn, bent or loose blade. 1. Replace blade. Tighten blade bolt.
2. Mower deck not level. 2. Level mower deck.
3. Buildup of grass, leaves, and trash under mower. 3. Clean underside of mower housing.
4. Bent blade mandrel. 4. Replace blade mandrel.
5. Clogged mower deck vent holes from buildup of 5. Clean around mandrels to open vent holes.
grass, leaves, and trash around mandrels.
Mower blades will not 1. Obstruction in clutch mechanism. 1. Remove obstruction.
rotate 2. Worn/damaged mower drive belt. 2. Replace mower drive belt.
3. Frozen idler pulley. 3. Replace idler pulley.
4. Frozen blade mandrel. 4. Replace blade mandrel.
Poor grass discharge 1. Engine speed too slow. 1. Place throttle control in “FAST” position.
2. Travel speed too fast. 2. Shift to slower speed.
3. Wet grass. 3. Allow grass to dry before mowing.
4. Mower deck not level. 4. Level mower deck.
5. Low/uneven tire air pressure. 5. Check tires for proper air pressure.
6. Worn, bent or loose blade. 6. Replace/sharpen blade. Tighten blade bolt.
7. Buildup of grass, leaves and trash under mower. 7. Clean underside of mower housing.
8. Mower drive belt worn. 8. Replace mower drive belt.
9. Blades improperly installed. 9. Reinstall blades sharp edge down.
10. Improper blades used. 10. Replace with blades listed in this manual.
11. Clogged mower deck vent holes from buildup of 11. Clean around mandrels to open vent holes.
grass, leaves, and trash around mandrels.
Headlight(s) not working 1. Switch is “OFF”. 1. Turn switch “ON”.
(if so equipped) 2. Bulb(s) or lamp(s) burned out. 2. Replace bulb(s) or lamp(s).
3. Faulty light switch. 3. Check/replace light switch.
4. Loose or damaged wiring. 4. Check wiring and connections.
5. Blown fuse. 5. Replace fuse.
Battery will not charge 1. Bad battery cell(s). 1. Replace battery.
2. Poor cable connections. 2. Check/clean all connections.
3. Faulty regulator (if so equipped). 3. Replace regulator.
4. Faulty alternator. 4. Replace alternator.
Engine “backfi res” when 1. Engine throttle control not set between half and 1. Move throttle control between half and full speed
turning engine “OFF” full speed (fast) position before stopping engine. (fast) position before stopping engine.

27
REPAIR PARTS
TRACTOR - - MODEL NO. MC17542ST (MC17542STA), PRODUCT NO. 964 77 29-03
SCHEMATIC
BATTERY
FUSE
IGNITION
SWITCH
RED RED
RED BLACK
IGNITION
UNIT
HEADLIGHTS
REMOVABLE
CONNECTIONS
BLACK
BLACK BLACK
WHITE
WHITE
WHITE
RED
BLACK
ORANGE
BLACK
BROWN
BLACK
BLACK
BLACK
STARTER
M
SEAT SWITCH
(NOT OCCUPIED)
GROUNDING
CONNECTOR
ATT'MENT CLUTCH
(CLUTCH OFF)
CLUTCH / BRAKE
(PEDAL UP)
SOLENOID
BLACK
LIGHTING SYSTEM OUTPUT
5 AMP AC @ 3600 RPM ALTERNATOR
14 VOLTS AC MIN. @ 3600 RPM (LIGHTS OFF)
DIODE
28 VOLTS AC MIN. @ 3600 RPM
(CHARGING SYSTEM DISCONNECTED)
CHARGING SYSTEM OUTPUT
3 AMP DC @ 3600 RPM
NOTE
YOUR TRACTOR IS
EQUIPPED WITH A SPECIAL
ALTERNATOR SYSTEM.
THE LIGHTS ARE NOT
CONNECTED TO THE
BATTERY, BUT HAVE THEIR
OWN ELECTRICAL SOURCE.
BECAUSE OF THIS, THE
BRIGHTNESS OF THE LIGHTS
WILL CHANGE WITH ENGINE
SPEED. AT IDLE THE LIGHTS
WILL DIM. AS THE ENGINE IS
SPEEDED UP, THE LIGHTS
WILL BECOME THEIR BRIGHTEST.
WIRING INSULATED CLIPS
NOTE: IF WIRING INSULATED CLIPS WERE REMOVED FOR
SERVICING OF UNIT, THEY SHOULD BE REPLACED TO
PROPERLY SECURE YOUR WIRING.
A
AMMETER
RED
G
BSM
A1
A2
L
HOUR
METER
(OPTIONAL)
(OPTIONAL)
SPARK
PLUG
GAP
(2 PLUGS ON
TWIN CYL. ENGINES)
IGNITION SWITCH
CIRCUITPOSITION
OFF
B+A1RUN/LIGHT
B+S+A1START
M+G+A1
B+A1RUN
“MAKE”
A2+L
NONE
NONE
NONE
(IF SO EQUIPPED)
NON-REMOVABLE
CONNECTIONS
02363
BLUE
FUEL SHUT-OFF SOLENOID
FUEL
LINE

28
REPAIR PARTS
TRACTOR - - MODEL NO. MC17542ST (MC17542STA), PRODUCT NO. 964 77 29-03
ELECTRICAL
179720
28
29
26
24
42
43
27
27
25
41
27
27
40
33
30
8
2
1
27
52
16
D.C. AMPERES
45
22
21
16
90
29
REPAIR PARTS
TRACTOR - - MODEL NO. MC17542ST (MC17542STA), PRODUCT NO. 964 77 29-03
ELECTRICAL
KEY PART
NO. NO. DESCRIPTION
1 532 16 34-65 Battery
2 874 76 04-12 Bolt Hex Hd 1/4-20 unc x 3/4
8 532 17 66-89 Box Battery
16 532 17 61-38 Switch Interlock
21 532 18 37-59 Harness Asm Light W/4152j
22 532 00 41-52 Bulb Light #1156
24 532 12 47-80 Cable Battery 6 Ga. 11" red
25 532 14 61-47 Cable Battery 6 Ga. 44" red w/16 wire
26 532 17 51-58 Fuse
27 873 51 04-00 Nut Keps Hex 1/4-20 unc
28 532 12 47-73 Cable Ground 6 Ga. 12" black
29 532 12 13-05 Switch Plunger Gray
30 532 17 55-66 Switch Ign Delta
33 532 14 04-01 Key Ign Molded Generic
40 532 17 97-20 Harness Ign.
41 871 11 04-08 Bolt Blk Fin Hex 1/4 - 20 x 1/2
42 532 13 15-63 Cover Terminal Red
43 532 17 88-61 Solenoid
45 532 12 14-33 Ammeter
52 532 14 19-40 Protection Wire Loop
90 532 18 04-49 Cover Terminal Battery
NOTE: All component dimensions given in U.S. inches.
1 inch = 25.4 mm.

30
REPAIR PARTS
TRACTOR - - MODEL NO. MC17542ST (MC17542STA), PRODUCT NO. 964 77 29-03
CHASSIS AND ENCLOSURES
10
30
209
31
1
9
208
209
209
5
5
207
26
144
26
10
209
142
58
208
13
208 11
64
143
60
145
37
37
18
14
14
38
38
278
39
209
2
206
74
159
chassis_elite sv_pro_12
17
28
264
263
259
258
261
144
26
26
60
209
115
142
211
114
31
REPAIR PARTS
TRACTOR - - MODEL NO. MC17542ST (MC17542STA), PRODUCT NO. 964 77 29-03
CHASSIS AND ENCLOSURES
KEY PART
NO. NO. DESCRIPTION
NOTE: All component dimensions given in U.S. inches
1 inch = 25.4 mm
1 532 17 46-19 Chassis Stamping
2 532 17 65-54 Drawbar
5 532 15 52-72 Bumper
9 532 19 32-65 Dash
10 872 14 06-08 Bolt Rdhd Sqnk 3/8-16 unc x 1
11 532 17 49-96 Panel Dash Lh
13 532 18 69-52 Panel Dash Rh
14 817 49 06-08 Screw Thdrol 3/8-16 x 1/2
17 532 18 65-88 Hood
18 532 18 49-21 Bumper Hood
26 873 80 06-00 Nut Lock w/Insert 3/8-16 unc
28 532 18 82-24 Grille Lens Asm (Includes Key Nos. 258, 259, 261, 263 and 264)
30 532 19 22-58 Fender
31 532 13 99-76 Bracket
37 817 49 05-08 Screw Thdrol 5/16-18 x 1/2
38 532 17 57-10 Bracket Asm Pivot Mower Rear
39 532 17 47-14 Bracket Pivot Hood
58 532 15 01-27 Duct Air
60 872 14 06-06 Bolt RDHD SQNK 3/8-16 x 3/4
64 532 15 47-98 Dash Lower Stlt
74 873 68 06-00 Nut Crownlock 3/8-16
114 532 15 81-12 Keeper Belt Rear
115 817 49 06-20 Screw Thdrol 3/8-16 x 1-1/4
142 532 17 57-02 Plate Reinforcement Stlt
143 532 18 66-89 Bracket Swaybar Chassis
144 532 17 55-82 Bracket Ft Rest
145 532 15 65-24 Rod Pivot Chassis Hood
159 532 18 13-55 Cupholder
206 532 17 01-65 Bolt Shoulder 5/16-18 TT
207 817 67 05-08 Screw Thdrol 5/16-18 x 1/2 TYTT
208 817 67 06-08 Screw Thdrol 3/8-16 x 1/2 TY-TT
209 817 00 06-12 Screw 3/8-16 x 3/4
211 532 14 52-12 Nut Hexfl ange Lock
258 532 18 97-55 Lens RH
259 532 18 97-54 Lens LH
261 532 18 97-53 Insert, Grille
263 532 18 38-33 Bezel RH
264 532 18 38-32 Bezel LH
278 532 19 16-11 Screw 10 x 3/4 Single Lead-Hex
- - 532 00 54-79 Plug
- - 532 18 78-01 Plug Dome Plastic (Choke Hole)

32
REPAIR PARTS
TRACTOR - - MODEL NO. MC17542ST (MC17542STA), PRODUCT NO. 964 77 29-03
DRIVE
66
29
28
112
13
14
41
38
39
57
120
74
75
78 76
77
1
25
19
24
253
35
34
37
36 35
62
36
64
65
59
56 55
63
77
61
22 27
26
6
113
18
51
5
18
6
85
52 30
32
32
30
52
11
85
80 4
3
81
84
82
15
79
16
96
26
26 26
89
27
51
48
150
151
202
49
47
50
120
21
8
10
156
165
168
166
163
14
159
161
198
158
112 83
162
169
197
116
70
6
170
212
drive-fender.stlt_38
69
33
REPAIR PARTS
TRACTOR - - MODEL NO. MC17542ST (MC17542STA), PRODUCT NO. 964 77 29-03
DRIVE
KEY PART
NO. NO. DESCRIPTION
KEY PART
NO. NO. DESCRIPTION
NOTE: All component dimensions give in U.S. inches.
1 inch = 25.4 mm.
1 - - - - - - - - - Transaxle, Peerless 206-545C
(Order Parts From Transaxle
Manufactuer)
2 532 14 66-82 Spring Return Brake T/a Zinc
3 532 12 36-66 Pulley Transaxle 18" tires
4 812 00 00-28 Ring Retainer # 5100-62
5 532 12 15-20 Strap Torque 30 Degrees
6 817 06 05-12 Screw Thdrol 5/16-18 x 3/4 TYT
8 532 16 58-66 Rod Shift Fender Adjust STLT
10 876 02 04-16 Pin Cotter 1/8 x 1 Cad
11 532 10 57-01 Washer Plate Shf 388 Sq Hole
13 874 55 04-12 Bolt 1/4-28 unf Gr. 8 W/Patch
14 810 04 04-00 Washer Lock Hvy Helical 1/4
15 874 49 05-44 Bolt 5/16-18 Gr. 5
16 873 80 05-00 Nut Lock Hx W/Ins 5/16-18 unc Pl
18 874 78 06-16 Bolt, Fin Hex 3/8-16 unc x 1 Gr. 5
19 873 80 06-00 Nut Lock 3/8-16 unc
21 532 10 69-33 Knob
22 532 13 08-04 Rod Brake Blk Zinc 26 840
24 873 35 06-00 Nut Hex Jam 3/8-16 unc
25 532 10 68-88 Spring Rod Brake 2 00 Zinc
26 819 13 13-16 Washer 13/32 x 13/16 x 16 Ga
27 876 02 04-12 Pin Cotter 1/8 x 3/4 Cad
28 532 17 57-65 Rod Brake Parking LT/YT
29 532 07 16-73 Cap Brake Parking Black
30 532 16 95-92 Bracket Mtg Tran sax le
32 874 76 05-12 Bolt Hex Hd 5/16-18 unc x 3/4
34 532 17 55-78 Shaft Asm Pedal Foot
35 532 12 01-83 Bearing Nylon Blk 629 Id
36 819 21 16-16 Washer 21/32 x 1 x 16 Ga
37 532 12 49-63 Pin Roll 3/16 x 1"
38 532 17 91-14 Pulley Composite
39 872 11 06-22 Bolt Rdhd 3/8-16 x 2-3/4 Gr. 5
41 532 17 55-56 Keeper Belt Idler Flat
47 532 12 77-83 Pulley Idler V Groove Plastic
48 532 15 44-07 Bellcrank Clutch Grnd Drv Stl
49 532 12 32-05 Retainer Belt Style Spring
50 872 11 06-12 Bolt Carr. sh 3/8-16 x 1-1/2 Gr. 5
51 873 68 06-00 Nut Crownlock 3/8-16 unc
52 873 68 05-00 Nut Crownlock 5/16-18 unc
53 532 10 57-10 Link Clutch
55 532 10 57-09 Spring Return Clutch 6 75
56 817 06 06-20 Screw 3/8-16 x 1-1/4
57 532 13 08-01 V-Belt Ground Drive 95 25
59 532 16 96-91 Keeper Belt Span Ctr
61 817 12 06-14 Screw 3/8-16 x .875
62 532 12 48-72 Cover Pedal
63 532 17 54-10 Engine Pulley LT/YT
64 532 17 39-37 Bolt Hex
65 810 04 07-00 Washer Lock Hvy Hlcl Spr 7/16
66 532 15 47-78 Keeper Belt Engine Foolproof
69 532 14 24-32 Screw Hex Wsh Hi-Lo 1/4-1/2 unc
70 532 13 46-83 Guide Belt Mower Drive RH
74 532 13 70-57 Spacer Axle
75 532 12 17-49 Washer 25/32 x 1 1/4 x 16 Ga.
76 812 00 00-01 E-ring #5133-75
77 532 12 35-83 Key Square 2 0 x 1845/ 1865
78 532 12 17-48 Washer 25/32 x 1-5/8 x 16 Ga.
79 532 12 50-96 Key Woodruff #9 3/16 x 3/4
80 532 14 50-90 Arm Shift
81 532 16 55-92 Shaft Asm Cross Tapered
82 532 16 57-11 Spring Torsion T/a
83 819 17 12-16 Washer 17/32 x 3/4 x 16 Ga.
84 532 16 62-31 Transaxle Link
85 532 15 03-60 Nut Lock Center 1/4 - 28 FNTHD
89 532 19 18-75 Console Shift STLT
96 532 12 47-88 Retainer Spring 1"
112 819 09 12-10 Washer 9/32 x 3/4 x 10 Ga.
113 532 12 72-85 Strap Torque LT
116 872 14 06-08 Bolt Rdhd Sq Neck 3/8-16 x 1
120 873 90 06-00 Nut Lock Flg. 3/8-16
150 532 17 54-56 Spacer Retainer
151 819 13 32-10 Washer 13/32 x 2 x 10 Ga.
156 532 16 60-02 Washer Srrted 5/16 ID x 1.125
158 532 16 55-89 Bracket Shift Mount
159 532 18 39-00 Hub Shift
161 872 14 04-06 Bolt Rdhd Sqnk 1/4-20 x 3/4 Gr. 5
162 873 68 04-00 Nut Crownlock 1/4-20 unc
163 874 78 04-16 Bolt Hex Fin 1/4-20 unc x 1 Gr. 5
165 532 16 56-23 Bracket Pivot Lever
166 817 49 05-10 Screw 5/16-18 x 5/8
168 532 16 54-92 Bolt Shoulder 5/16-18 x .561
169 532 16 55-80 Plate Fastening STLT/CRD
170 532 18 74-14 Keeper Belt T/A
197 532 16 96-13 Nyliner Snap-In 5/8" ID
198 532 16 95-93 Washer Nyl 7/8 Id x .105" Hyd
202 872 11 06-14 Bolt 3/8-16 x 1-3/4 Gr 5
212 532 14 52-12 Nut Hex Flg Lock

34
REPAIR PARTS
TRACTOR - - MODEL NO. MC17542ST (MC17542STA), PRODUCT NO. 964 77 29-03
STEERING ASSEMBLY
5
5
3
43
95
43
8
10
40
11
8
6
87
46
46
8
6
87
29
88
71
17
43
91
2
1
41
42
37
36
37
38
12
39
44
51 54
68 67
67
67
13
65
68
15
15
15
29
29
82
4
32
26
30
28
steering_pl.lt_47
35
REPAIR PARTS
TRACTOR - - MODEL NO. MC17542ST (MC17542STA), PRODUCT NO. 964 77 29-03
STEERING ASSEMBLY
KEY PART
NO. NO. DESCRIPTION
1 532 18 59-58 Wheel Steering
2 532 18 47-06 Axle Asm
3 532 16 98-40 Spindle Asm LH
4 532 16 98-39 Spindle Asm RH
5 532 12 49-31 Bearing Race Thrust Harden
6 532 12 17-48 Washer 25/32 x 1-5/8 x 16 Ga.
8 812 00 00-29 Ring Klip #t5304-75
10 532 17 51-21 Link Drag
11 810 04 06-00 Washer Lock Hvy Hlcl Spr 3/8
12 873 94 08-00 Nut Hex Jam Toplock 1/2-20 unf
13 532 13 65-18 Spacer Brg Axle Front
15 532 14 52-12 Nut Hex Flange Lock
17 532 18 06-41 Shaft Asm Strg
26 532 12 68-47 Bushing Link Drag Blk LR
28 819 13 14-16 Washer 13/32 x 7/8 x 16 Ga.
29 817 00 06-12 Screw 3/8-16 x 3/4
30 876 02 04-12 Pin Cotter 1/8 x 3/4 Cad
32 532 13 04-65 Rod Tie Wire Form 19 75 Mech
36 532 15 50-99 Bushing Strg
37 532 15 29-27 Screw
38 532 17 20-93 Cap Wheel Steering
39 819 18 24-11 Washer 9/16 x 1-1/2 11 Ga.
40 873 54 06-00 Lock nut
41 532 15 99-45 Adaptor Wheel Strg
42 532 16 96-33 Boot Steering Shaft
43 532 12 17-49 Washer 25/32 x 1 1/4 x 16 Ga.
44 532 18 06-40 Extension Steering Shaft LR/LT
46 532 12 12-32 Cap Spindle Fr Top Blk
51 873 54 04-00 Nut Crownlock 1/4-28
54 871 13 04-20 Bolt Hex 1/4-28 unf x 1-1/4 Gr. 8
65 532 16 03-67 Spacer Brace Axle
67 872 11 06-18 Bolt Rdhd Sq 3/8-16 x 2-1/4
68 532 16 98-27 Axle, Brace
71 532 17 51-46 Steering Asm
82 532 16 98-35 Bracket Susp Chassis Front
88 532 17 51-18 Bolt Shoulder 7/16-20
87 532 17 39-66 Washer Flat .781 x 1-1/2 x .14
91 532 17 55-53 Clip Steering
95 532 18 89-67 Washer Hardened
NOTE: All component dimensions given in U.S. inches.
1 inch = 25.4 mm.

36
KEY PART
NO. NO. DESCRIPTION
KEY PART
NO. NO. DESCRIPTION
1 532 18 87-05 Seat
2 532 18 01-66 Bracket Pivot Seat
3 871 11 06-16 Bolt Fin Hex 3/8-16 unc x 1
4 819 13 16-10 Washer 13/32 x 1 x 10 Ga.
5 532 14 50-06 Clip Push-In
6 873 80 06-00 Nut Hex w/Ins. 3/8-16 unc
7 532 12 41-81 Spring Seat Cprsn 2 250 Blk Zi
8 817 00 06-16 Screw 3/8-16 x 1
9 819 13 16-14 Washer 13/32 x 1 x 14 Ga.
10 532 18 01-86 Pan Seat
11 532 16 63-69 Knob Seat
12 532 12 12-46 Bracket Mounting Switch
13 532 12 12-48 Bushing Snap Blk Nyl 50 Id
14 872 05 04-12 Bolt Rdhd Sqnk 1/4-20 x 1-1/2
15 532 13 43-00 Spacer Split 28 x 96 Yel Zinc
16 532 12 12-50 Spring Cprsn 1 27 Blk Pnt
17 532 12 39-76 Nut Lock 1/4 Lge Flg Gr. 5 Zinc
21 532 17 18-52 Bolt Shoulder 5/16-18 unc-2A
22 873 80 05-00 Nut Hex Lock W/Ins 5/16-18
24 819 17 19-12 Washer 17/32 x 1-3/16 x 12 Ga.
25 532 12 70-18 Bolt Shoulder 5/16-18 x 62
1
24
16
15
12
13
17
4
3
8
9
7
8
9
7
11
2
6
22
21
5
10
5
14
seat_lt.knob_9
NOTE: All component dimensions given in U.S. inches.
1 inch = 25.4 mm
REPAIR PARTS
TRACTOR - - MODEL NO. MC17542ST (MC17542STA), PRODUCT NO. 964 77 29-03
SEAT ASSEMBLY

37
REPAIR PARTS
TRACTOR - - MODEL NO. MC17542ST (MC17542STA), PRODUCT NO. 964 77 29-03
DECALS
KEY PART
NO. NO. DESCRIPTION
1 532 05 91-92 Cap Valve Tire
2 532 06 51-39 Stem Valve
3 532 10 62-22 Tire F Ts 15 x 6.0 - 6 Service
4 532 05 99-04 Tube Front (Service Item Only)
5 532 12 51-21 Rim Asm 6" front Service
6 532 12 49-57 Fit ting Grease (Front Wheel Only)
7 532 12 49-59 Bear ing Flange (Front Wheel Only)
8 532 12 51-22 Rim Asm 8" rear Service
9 532 13 84-68 Tire R Ts 20 x 8-8 C Service
10 532 12 49-26 Tube Rear (Service Item Only)
11 532 19 32-68 Cap Axle
- - 532 14 43-34 Sealant, Tire (10 oz. Tube)
1 532 15 63-68 Decal Oper.
2 532 17 35-87 Decal Refl ector RH
3 532 19 32-03 Decal Hood RH
4 532 19 32-08 Decal Fender
5 532 19 40-80 Decal Side Panel
6 532 19 32-10 Decal Engine
7 532 17 91-28 Decal Deck B 42
8 532 17 35-89 Decal Refl ector LH
10 532 15 70-02 Decal Fender Danger
KEY PART
NO. NO. DESCRIPTION
6
2
1
5,8
4,10
3,9
11
7
wheel_1
WHEELS & TIRES
11 532 16 88-69 Decal Tick Mark
12 532 18 57-33 Decal Steering Wheel
14 532 16 03-96 Decal V-Belt Schematic
20 532 14 50-05 Decal Bat Dan/Psn
- - 532 13 83-11 Decal Handle Lft Height Adjust
- - 532 18 82-53 Pad Footrest RH
- - 532 18 82-52 Pad Footrest LH
- - 532 19 31-90 Manual Owner's (English)
NOTE: All component dimensions given in U.S. inches
1 inch = 25.4 mm
10
3
3
8
8
20
14
2
1
6
7
12
KEY PART
NO. NO. DESCRIPTION
11
4
3

38
REPAIR PARTS
TRACTOR - - MODEL NO. MC17542ST (MC17542STA), PRODUCT NO. 964 77 29-03
ENGINE
NOTE: All component dimensions given in U.S. inches
1 inch = 25.4 mm
2
1
OPTIONAL EQUIPMENT
Spark Arrester
29
44
46
32
31
33
37
33
13 4
72
78
81
3
78
23
45
14
38
engine-bs.1cyl_48
62
1 532 17 05-51 Control Throttle/Choke
2 817 72 04-08 Screw Hex Thd Cut 1/4-20 x 1/2
3 - - - - - - - - Engine, Briggs 31G777
(Order parts from engine manu-
facturer)
4 532 13 73-52 Muffl er
13 532 16 52-91 Gasket Eng
14 532 14 84-56 Tube Drain Oil Easy
23 532 16 98-37 Shield Brn/Dbr Guard
29 532 13 71-80 Kit Spark Arrestor (Flat Scrn)
31 532 18 55-34 Tank Fuel
32 532 14 05-27 Cap Asm Fuel W/sym Vented
33 532 12 34-87 Clamp Hose Black
KEY PART
NO. NO. DESCRIPTION
KEY PART
NO. NO. DESCRIPTION
37 532 13 70-40 Line Fuel 20"
38 532 18 16-54 Plug Drain Oil Easy
44 817 67 04-12 Screw Hexwsh Thdrol 1/4-20 x 3/4
45 817 00 06-12 Screw Hexwsh Thdr 3/8-16 x 3/4
46 819 09 14-16 Washer 9/32 x 7/8 x 16 Ga.
62 810 01 05-00 Washer Split
72 871 07 05-12 Screw Hex Head Cap 5/16-18 x 3/4
78 817 06 06-20 Screw 3/8-16 x 1-1/4 SMGML
81 873 51 04-00 Nut Keps Hex 1/4-20 unc

39
REPAIR PARTS
TRACTOR - - MODEL NO. MC17542ST (MC17542STA), PRODUCT NO. 964 77 29-03
MOWER LIFT
15
20
1617 18 20
20
15
20
4
5
6
2
31
6
5
4
7
8
12
11
31
32
31
32
19
19
13
13
13
13
lift-rh.1piece_3
1 532 15 94-61 Wire Asm Inner W/plunger LT
2 532 15 94-76 Shaft Asm Lift
3 532 18 88-22 Pin Groove
4 812 00 00-02 E Ring #5133-62
5 819 21 16-21 Washer PLTD 21/32 x 1 x 21 Ga.
6 532 12 01-83 Bearing Nylon Blk 629 Id
7 532 12 56-31 Grip Handle
8 532 12 45-26 Button Plunger Black
11 532 13 98-65 Link Lift LH
12 532 13 98-66 Link Lift RH
13 532 12 46-70 Retainer Spring
KEY PART
NO. NO. DESCRIPTION
NOTE: All component dimensions given in U.S. inches
1 inch = 25.4 mm
KEY PART
NO. NO. DESCRIPTION
15 532 17 32-88 Link Front
16 873 35 08-00 Nut Jam Hex 1/2-13 unc
17 532 17 56-89 Trunnion
18 873 80 08-00 Nut Lock W/Wsh 1/2-13 unc
19 532 13 98-68 Arm Suspension Rear
20 532 16 35-52 Spring, Retainer
31 532 16 98-65 Bearing Pvt. Lift
32 873 54 06-00 Nut Crownlock 3/8-24

40
15
14
13
11
10
98
16
68
184
30
31
32
33
146
148
145
150
45
144
147
147
142
149
54
52
53 55
56
34
1
46
44
21
24
25
26
27
2
28
29
23
21
21
21
18
18
20
2
48
59
19
4
3
129
92
131
130
92
56
21
40
143
36
40
40
159
42_D_man-t-path_stlt_3
142
REPAIR PARTS
TRACTOR - - MODEL NO. MC17542ST (MC17542STA), PRODUCT NO. 964 77 29-03
MOWER DECK
185
67
158
42_clutch_mod_7
152
21
117
119
116
2
111
118
113
113
117
116
118
119
21
2112
102
102
104
103 105
106
104
105
106
103
101
42_mulch_plate
41
REPAIR PARTS
TRACTOR - - MODEL NO. MC17542ST (MC17542STA), PRODUCT NO. 964 77 29-03
MOWER DECK
1 532 16 58-92 Deck Asm MWR 42"weldment
2 872 14 05-06 Bolt Rdhd Sqnk 5/16-18 unc x 3/4
3 532 13 80-17 Bracket Asm Fr Sway Bar 38/42
4 532 16 54-60 Bracket Asm Deck 42"sway Bar
5 532 12 46-70 Retainer Spring
6 532 17 80-24 Deck Sway Bar
8 532 85 08-57 Bolt 3/8 - 24 x 1.25 Gr. 8
9 810 03 06-00 Washer Lock Hvy 3/8
10 532 14 02-96 Washer Hard Blade Mower Vented
11 532 13 41-49 Blade Mower 42"
13 532 13 76-45 Shaft Asm W/lower Bearing
14 532 12 87-74 Housing Mandrel Vented
15 532 11 04-85 Bearing Ball Man drel
16 532 17 44-93 Stripper Mower
18 872 14 05-05 Bolt Rdhd Sqnk 5/16-18 x 5/8
19 532 13 28-27 Bolt Shoulder
20 532 15 97-70 Baffl e Vortex 42
21 873 68 05-00 Nut Crownlock 5/16-18 unc
23 532 17 75-63 Bracket Defl ector Mower 42"
24 532 10 53-04 Cap Sleeve 80 x 112 Blk Mower
25 532 12 37-13 Spring Torsion Defl ector 2 52
26 532 11 04-52 Nut Push Phos & Oil
27 532 17 18-59 Shield Defl ector Mower 42" Blk
28 819 11 10-16 Washer 11/32 x 5/8 x 16 Ga.
29 532 13 14-91 Rod Hinge 42" 6 75 Wlg
30 532 17 39-84 Screw Thd Rolling
31 532 18 76-90 Washer Spacer
32 532 17 34-36 Pulley Mandrel 42"
33 532 17 83-42 Nut Toplock Flng
34 872 11 06-12 Bolt Rdhd 3/8-16 unc x 1-1/2 Gr. 5
36 532 17 34-38 Pulley Idler Flat
40 873 90 06-00 Nut Lock 3/8-16 unc
44 532 14 00-88 Guard Mandrel LH Black
45 532 12 47-88 Spring Retainer 1" Zinc/cad
46 532 13 77-29 Screw Hex Thd Cut 1/4-20 x 5/8 T
48 532 13 39-44 Washer Hardened Smaller
52 532 13 98-88 Bolt Shoulder 5/16-18 unc Blkz
53 532 18 49-07 Arm Asm Pad Brake
54 532 17 85-15 Washer Hardened
55 532 15 50-46 Arm Idler 42"mower LT/YT
56 532 12 20-52 Spacer Retainer Mower
59 532 17 34-42 Guard TUV Idler
67 532 17 15-98 Knob
68 532 14 49-59 V-Belt Mower 42"
92 873 80 06-00 Nut 3/8-16 unc
101 532 13 64-20 Cover Mulching
102 871 08 10-10 Screw 10-24 x 5/8
103 819 06 12-16 Washer #10
104 810 07 10-00 Washer Lock #10
105 532 16 07-93 Latch Asm.
106 532 12 50-04 Nut Weld
111 532 17 92-92 Bracket Wheel Guage LH
112 532 17 92-93 Bracket Wheel Guage RH
113 817 00 05-10 Bolt 5/16-18 Hex Whs-Hd Lck Ser.
116 532 12 48-42 Bolt Shoulder
117 532 18 86-06 Wheel Guage
118 873 93 06-00 Nut Lock 3/8-16 unc
119 819 12 14-14 Washer 3/8 x 7/8 x 14 Ga.
129 819 13 13-12 Washer 13/32 x 13/16 x 12 Ga.
130 874 78 06-16 Bolt 3/8-16 x 1 Gr. 5
131 872 14 06-08 Bolt 3/8-16 x 1
142 532 16 58-90 Arm Spring Brake Mower
143 532 15 71-09 Bracket Arm Idler 42"
144 532 17 34-41 Keeper Belt 42" Clutch
145 532 17 34-37 Pulley Idler Flat
146 532 17 34-43 Bolt Carriage Idler
147 532 13 13-35 Spring Extension
148 532 16 90-22 Spring Return Idler
149 532 16 58-98 Retainer Spring Yellow
150 819 09 12-10 Washer 9/32 x 3/4 x 10 Ga.
152 532 16 96-76 Clutch Cable 42"
158 817 72 04-08 Screw Hex Thd Cut 1/4-20 x 1/2
159 872 14 06-14 Bolt Rdhd Sqn 3/8-16 unc x 1-3/4
184 819 13 14-10 Washer 13/32 x 7/8 x 10 Ga.
185 532 18 82-34 Head Asm. Cable Clutch
- - 532 13 07-94 Mandrel Assembly(Includes Hous-
ing, Shaft and Shaft Hardware
Only-Pulley not Included)
- - 532 16 95-83 Replacement Mower, Complete
(Std. Deck - Order separately
gauge wheel and mulch cover
components key nos. 116-119
and 101-106)
KEY PART
NO. NO. DESCRIPTION
KEY PART
NO. NO. DESCRIPTION
NOTE: All component dimensions given in U.S. inches
1 inch = 25.4 mm

42
T
E
C
U
M
S
E
H
®
Issued January 1980
Revised January 1991
T
E
C
U
M
S
E
H
®
SERVICE
POLICY
WARRANTY
LIMITED WARRANTIES
FOR
NEW PEERLESS GEAR POWER TRAIN COMPONENTS
A. Products Warranted
Peerless Gear and Machine Division of Tecumseh Products Company (“Tecumseh”), subject to the limitations contained below,
will,at its option, repair or replace, without charge for parts or labor only, any part of a new Power Train Component (which as used
herein means and includes the transaxle, gear box, transmission, differential and right angle drives, and any part of the Power Train
Component), EXCEPT any new Power Train Component incorporated in equipment used for commercial or rental purposes, which is
found upon examination by any Tecumseh Authorized Service Outlet or by Tecumseh’s factory in Grafton, Wisconsin, to be DEFECTIVE
IN MATERIAL AND/OR WORKMANSHIP if received by Tecumseh or a Tecumseh Authorized Service Outlet for such examination within
TWO YEARS from the date of sale to the original consumer purchaser of Peerless Series 820, 900, 910, 915, 920, 930 transaxles and
Series 1100 angle drive and ONE YEAR for all other Peerless products. New Power Train Components incorporated in equipment used
for commercial purposes are warranted in the same manner and to the same extent EXCEPT such Power Train Components are war-
ranted for NINETY (90) DAYS ONLY, and must be received by Tecumseh or by a Tecumseh Authorized Service Outlet for such examina-
tion within 90 days from the date of sale to the original purchaser. New Power Train Components Incorporated in equipment used for
rental purposes are warranted in the same manner and to the same extent EXCEPT such Power Train Components are warranted for
THIRTY (30) DAYS ONLY, and must be received by Tecumseh or a Tecumseh Authorized Service Outlet within 30 days from the date
of sale to the original purchaser.
B. Products And Items Not Warranted
1. Alterations or Modifi cations of Power Train Components.
2. Accidents, Normal Maintenance, Failure to follow the Original Equipment Man u fac tur er’s Manual.
This warranty covers only parts of new Power Train Components which are found upon examination to be defective in material or
workmanship as delivered to the original purchaser. This warranty does not cover defects caused by depreciation or damage caused
by normal wear, accidents, improper main te nance, improper use or abuse of the product, failure to follow the instructions contained in
an Instruction Manual for the operation of the Power Train Component and parts. The cost of normal maintenance and replacement of
service items which are not defective shall be paid for by the original purchaser.
C. Securing Warranty Service
Warranty service can be arranged for by contacting either a Tecumseh Authorized Service Outlet (any Tecumseh Registered Service
Dealer, Tecumseh Authorized Service Distributor, or Tecumseh Central Warehouse Distributor) or by contacting Tecumseh, c/o Service
Manager, Engine and Transmission Group Service Division, 900 North Street, Grafton, Wisconsin 53024. Warranty service can only
be performed by a Tecumseh Authorized Service Outlet or by Tecumseh at its factory in Grafton, Wisconsin. At the time of requesting
warranty service, evidence must be presented of the date of sale to the original purchaser. The purchaser shall pay any charges for
making service calls and/or for transporting the product to and from the place where the inspection and/or warranty work is performed.
The purchaser shall be responsible for any damage or loss incurred in connection with the transportation of Power Train Components
and/or part(s) of the Power Train Components submitted for inspection and/or warranty work.
D. Limitation of Damages and Implied Warranties
The foregoing EXPRESSED WARRANTY IS IN LIEU OF ALL OTHER EXPRESS WARRANTIES. Neither Tecumseh nor any of its
affi liates makes any warranties, representations or promises, written or oral, as to the quality of the Power Train Component or any of
its parts, other than as set forth herein.
ANY IMPLIED WARRANTY OF MERCHANTABILITY OR FITNESS FOR A PARTICULAR PURPOSE, TO THE EXTENT THAT
EITHER MAY APPLY TO ANY PART(S) OF POWER TRAIN COMPONENTS, SHALL BE LIMITED IN DURATION TO THE PERIODS
OF THE EXPRESSED WARRANTIES DEFINED IN PARAGRAPH A HEREOF. IN NO EVENT WILL TECUMSEH BE LIABLE FOR ANY
INCIDENTAL, CONSEQUENTIAL OR SPECIAL DAMAGES AND/OR EXPENSES. Some states do not allow limitations on how long
an implied warranty lasts or the exclusion or limitation of incidental or consequential damages, so the above limitation(s) or exclusion(s)
may not apply to you. This warranty gives you specifi c legal rights and you may also have other legal rights which vary from state to
state.
E. No Dealer Warranty
Tecumseh neither assumes nor authorizes any other person, natural or corporate, to assume for Tecumseh any other obligations or
liabilities in connection with or with respect to any part(s) of a Power Train Component. The seller or dealer of part(s) of a Power Train
Component has no authority, whatsoever, to make any representations or promises on behalf of Tecumseh or to modify the terms or
limitations of Tecumseh’s warranty in any way.

43
15 DEGREES MAX.
FOLD ALONG DOTTED LINE
THIS IS A 15 DEGREE SLOPE
ONLY RIDE UP AND DOWN HILL,
NOT ACROSS HILL
SUGGESTED GUIDE FOR SIGHTING SLOPES FOR SAFE OPERATION
WARNING: To avoid serious injury, operate your tractor up and
down the face of slopes, never across the face. Do not mow
slopes greater than 15 degrees. Make turns gradually to prevent
tipping or loss of control. Exercise extreme caution when
changing direction on slopes.
1. Fold this page along dotted line indicated above.
2. Hold page before you so that its left edge is vertically parallel to a tree
trunk or other upright structure.
3. Sight across the fold in the direction of hill slope you want to measure.
4. Compare the angle of the fold with the slope of the hill.
