Mcintosh Mc 602 Users Manual
Mcintosh-Mc602-Users-Manual-554655 mcintosh-mc602-users-manual-554655
MC602 to the manual 8508e684-d641-486b-9485-49f44a172886
2015-07-14
: Mcintosh Mcintosh-Mc-602-Users-Manual-771593 mcintosh-mc-602-users-manual-771593 mcintosh pdf
Open the PDF directly: View PDF
.
Page Count: 20

McIntosh Laboratory, Inc. 2 Chambers Street Binghamton, New York 13903-2699 Phone: 607-723-3512 FAX: 607-724-0549
Owners
Manual
MC602
MC602 Power Amplifier

2
IMPORTANT SAFETY
INSTRUCTIONS!
PLEASE READ THEM BEFORE
OPERATING THIS EQUIPMENT.
WARNING - TO REDUCE RISK OF
FIRE OR ELECTRICAL SHOCK, DO
NOT EXPOSE THIS EQUIPMENT TO
RAIN OR MOISTURE.
The lightning flash with arrowhead,
within an equilateral triangle, is intended
to alert the user to the presence of
uninsulated dangerous voltage within
the products enclosure that may be of
sufficient magnitude to constitute a risk
of electric shock to persons.
NO USER-SERVICEABLE PARTS
INSIDE. REFER SERVICING TO
QUALIFIED PERSONNEL.
To prevent the risk of electric shock, do not remove cover or
back. No user serviceable parts inside.
The exclamation point within an equi-
lateral triangle is intended to alert the
user to the presence of important
operating and maintenance (servic-
ing) instructions in the literature ac-
companying the appliance.
General:
1. Read these instructions.
2. Keep these instructions.
3. Heed all warnings.
4. Follow all instructions.
5. Warning: To reduce risk of fire or electrical shock,
do not expose this equipment to rain or moisture.
This unit is capable of producing high sound pres-
sure levels. Continued exposure to high sound pres-
sure levels can cause permanent hearing impair-
ment or loss. User caution is advised and ear protec-
tion is recommended when playing at high volumes.
6. Caution: to prevent electrical shock do not use this
(polarized) plug with an extension cord, receptacle
or other outlet unless the blades can be fully in-
serted to prevent blade exposure.
Attention: pour pevenir les chocs elecriques pas
utiliser cette fiche polarisee avec un prolongateur,
une prise de courant ou un autre sortie de courant,
sauf si les lames peuvent etre inserees afond ans en
laisser aucune partie a decouvert.
7. Unplug this equipment during lightning storms or
when unused for long periods of time.
8. Only use attachments/accessories specified by the
manufacturer.
Installation:
9. The equipment shall be installed near the AC Socket
Outlet and the disconnect device shall be easily acces-
sible.
10. Do not block any ventilation openings. Install in accor-
dance with the manufacturers instructions.
11. Do not install near any heat sources such as radiators,
heat registers, stoves, or other equipment (including
amplifiers) that produce heat.
12. Do not use this equipment near water.
13. Do not expose this equipment to dripping or splashing
and ensure that no objects filled with liquids, such as
vases, are placed on the equipment.
14. Use only with the cart, stand, tripod,
bracket, or table specified by the manu-
facturer, or sold with the equipment.
When a cart is used, use caution when
moving the cart/equipment combination
to avoid injury from tip-over.
Connection:
15. Connect this equipment only to the type of AC power
source as marked on the unit.
16. Protect the power cord from being walked on or
pinched particularly at plugs, convenience receptacles,
and the point where they exit from the equipment.
17. Do not defeat the safety purpose of the polarized or
grounding-type plug.

3
A polarized plug has two blades with one wider
than the other. A grounding type plug has two
blades and a third grounding prong. The wide
blade or the third prong are provided for your
safety. If the provided plug does not fit into your
outlet, consult an electrician for replacement of the
obsolete outlet.
18. Do not overload wall outlets, extension cords or inte-
gral convenience receptacles as this can result in a risk
of fire or electric shock.
19. To completely disconnect this equipment from the AC
Mains, disconnect the power supply cord plug from the
AC receptacle.
Care of Equipment:
20. Clean only with a dry cloth.
21. Do not permit objects or liquids of any kind to be
pushed, spilled and/or fall into the equipment through
enclosure openings.
22. Unplug the power cord from the AC power outlet
when left unused for a long period of time.
Repair of Equipment:
23. Refer all servicing to qualified service personnel. Ser-
vicing is required when the equipment has been dam-
aged in any way, such as power-supply cord or plug is
damaged, liquid has been spilled or objects have fallen
into the equipment, the equipment has been exposed to
rain or moisture, does not operate normally, or has
been dropped.
24. Do not attempt to service beyond that described in the
operating instructions. All other service should be re-
ferred to qualified service personnel.
25. When replacement parts are required, be sure the ser-
vice technician has used replacement parts specified by
McIntosh or have the same characteristics as the origi-
nal part. Unauthorized substitutions may result in fire,
electric shock, or other hazards.
26. Upon completion of any service or repairs to this prod-
uct, ask the service technician to perform safety checks
to determine that the product is in proper operating
condition.
Customer Service
Technical Assistance
Please Take A Moment
Thank You
Copyright 2000 ã by McIntosh Laboratory, Inc.
The serial number, purchase date and McIntosh dealer
name are important to you for possible insurance claim or
future service. The spaces below have been provided for
you to record that information:
Your decision to own this McIntosh MC602 Power Ampli-
fier ranks you at the very top among discriminating music
listeners. You now have The Best. The McIntosh dedica-
tion to Quality, is assurance that you will receive many
years of musical enjoyment from this unit.
Please take a short time to read the information in this
manual. We want you to be as familiar as possible with all
the features and functions of your new McIntosh.
Serial Number:
Purchase Date:
Dealer Name:
If it is determined that your McIntosh product is in need of
repair, you can return it to your dealer. You can also return
it to the McIntosh Laboratory Service Department. For as-
sistance on factory repair return procedure, contact the
McIntosh Service Department at:
McIntosh Laboratory, Inc.
2 Chambers Street
Binghamton, New York 13903
Phone: 607-723-3515
Fax: 607-723-1917
If at any time you have questions about your McIntosh
product, contact your McIntosh dealer who is familiar with
your McIntosh equipment and any other brands that may
be part of your system. If you or your dealer wish addi-
tional help concerning a suspected problem, you can re-
ceive technical assistance for all McIntosh products at:
McIntosh Laboratory, Inc.
2 Chambers Street
Binghamton, New York 13903
Phone: 607-723-1545
Fax: 607-723-3636

4
Table of Contents
Safety Instructions ............................................................ 2
Thank You and Please Take a Moment............................. 3
Technical Assistance and Customer Service .................... 3
Table of Contents and General Notes ............................... 4
Introduction ...................................................................... 4
Performance Features ....................................................... 4
Dimensions ....................................................................... 5
Installation ........................................................................ 6
Rear Panel Connections and Switch ................................. 7
How to Connect ................................................................ 8
Front Panel Displays and Controls ................................. 10
How to Operate ............................................................... 11
Technical Description ..................................................... 12
Notes ............................................................................... 16
Specifications ................................................................. 18
Packing Instruction ......................................................... 19
General Notes
Caution: The MC602 Amplifier weight is 155 pounds
(70.31 kilograms). It requires two or more persons
to safely handle when moving the amplifier.
1. The following Connecting Cable is available from the
McIntosh Parts Department:
Power Control Cable Part No. 170-202
Six foot, 2 conductor shielded, with two 1/8 inch stereo
mini phone plugs.
2. For additional connection information, refer to the owners
manual(s) for any component(s) connected to the MC602.
3. The MC602 mutes the speaker outputs for approximately two
seconds when first turned on.
4. It is very important that loudspeaker cables of adequate size
be used, so that there will be no power loss. The size is
specified in Gauge Numbers or AWG, (American Wire Gauge).
The smaller the Gauge number, the larger the wire size:
If your loudspeaker cables are 50 feet (38.1m) or less,
use at least 14 Gauge.
If your loudspeaker cables are 100 feet (76.2m) or less,
use at least 12 Gauge.
5. Pin configuration for the XLR Balanced Input connectors on
the MC602: PIN 1: Shield or ground
PIN 2: + input
PIN 3: - input
6. In the event that the MC602 over heats, due to improper
ventilation and/or high ambient temperature, the protection
circuits will activate. The Front Panel Power Guard LEDs
will continuously indicate ON and the audio will be muted.
When the MC602 has returned to a safe operating
temperature, normal operation will resume.
7. The MC602 incorporates the very latest in Fully Double
Balanced Circuitry. As a result, the Loudspeaker Negative
Connections are above chassis ground and are not common
between channels. Do not combine any connections together
or ground them.
Performance Features
Introduction
·Power Output
The MC602 consists of two separate power amplifier chan-
nels, each capable of 600 watts into 2, 4 or 8 ohm speakers
with less than 0.005% distortion.
·Full Balanced Circuity
The MC602 is fully balanced from inputs to outputs. Each
channel consists of two matched power amplifiers operat-
ing in push-pull with their outputs combined in a McIntosh
Autoformer. The double balanced configuration cancels
virtually all distortion.
·Power Guard
Both channels include the patented McIntosh Power Guard
circuit that prevents the amplifier from being overdriven
into clipping, with its harsh distorted sound that can also
damage your valuable loudspeakers.
·Sentry Monitor and Thermal Protection
McIntosh Sentry Monitor power output stage protection
circuits ensure the MC602 will have a long and trouble free
operating life. Built-in Thermal Protection Circuits guard
against overheating.
·Patented Autoformers
McIntosh designed and manufactured Output Autoformers
provide an ideal match between the amplifier output stages
and speaker loads of 2, 4 and 8 ohms. The Autoformers
also provide perfect DC protection for your valuable loud-
speakers.
·Illuminated Power Meters
The Illuminated Power Output Watt Meters on the MC602
are peak responding, and indicate the true power output of
the amplifier. The Peak Watt Hold Mode allows the meters
to temporarily stay at the highest power output and then
slowly decay.
Now you can take advantage of traditional McIntosh stan-
dards of excellence in the MC602 Power Amplifier. Two
600 watt high current output channels will drive any high
quality loudspeaker system to its ultimate performance.
The MC602 reproduction is sonically transparent and abso-
lutely accurate. The McIntosh Sound is The Sound of the
Music Itself.

5
Introduction, Performance Features and Dimensions
The following dimensions can assist in determining the
best location for your MC602. There is additional informa-
tion on the next page pertaining to installing the MC602
into cabinets.

6
Installation
Caution: The MC602 Amplifier weight is 155 pounds
(70.31 kilograms). It requires two or more persons
to safely handle when moving the amplifier.
The MC602 can be placed upright on a table or shelf,
standing on its four feet. The
four feet may be removed
from the bottom of the
MC602 when it is custom in-
stalled as outlined below. The
four feet together with the
mounting screws should be
retained for possible future
use if the MC602 is removed
from the custom installation
and used free standing. It also
can be custom installed in a
piece of furniture or cabinet of
your choice. The required
panel cutout, ventilation cut-
out and unit dimensions are
shown.
Always provide adequate
ventilation for your MC602.
Cool operation ensures the
longest possible operating life
for any electronic instrument.
Do not install the MC602 di-
rectly above a heat generating
component such as a high
powered amplifier. If all the
components are installed in a
single cabinet, a quiet running
ventilation fan can be a defi-
nite asset in maintaining all
the system components at the
coolest possible operating
temperature.
A custom cabinet installa-
tion should provide the fol-
lowing minimum spacing di-
mensions for cool operation.
Allow at least 6 inches (15.24
cm) above the top, 2 inches
(3.81cm) below the bottom
and 1 inch (2.54 cm) on each
side of the amplifier, so that
airflow is not obstructed. Al-
low 22 inches (55.88 cm)
depth behind the front panel.
Installation
Allow 2 inches (5.08 cm) in front of the mounting panel for
handle clearance. Be sure to cut out a ventilation hole in
the mounting shelf according to the dimensions in the
drawing.

7
UNBALANCED INPUTS
for audio cables from a
preamplifier or control cen-
ter audio output
CIRCUIT BREAKER
Press to reset if the am-
plifier will not power
up
RIGHT OUTPUT
Connections for 8
ohm loudspeakers
MC602 Rear Panel Connections and Switch
Connect the MC602
power cord to a live
AC outlet. Refer to
information on the
back panel to deter-
mine the correct
voltage
BALANCED INPUTS for audio
cables from a preamplifier or
control center audio outputs
POWER CONTROL IN receives turn on/off
signals from a McIntosh component and the
POWER CONTROL OUT sends a turn On/
Off signal to the next McIntosh component
RIGHT OUTPUT
Connections for 2
ohm loudspeakers
INPUT MODE
switch selects
balanced or
unbalanced
inputs
RIGHT OUTPUT
Connections for 4
ohm loudspeakers
LEFT OUTPUT
Connections for 2
ohm loudspeakers
LEFT OUTPUT
Connections for 4
ohm loudspeakers
LEFT OUTPUT
Connections for 8
ohm loudspeakers
Caution: The Loudspeaker Negative Connections are above
chassis ground and are not common between channels.
Do not combine any connections together or ground them.

8
How to Connect the MC602
Caution: The supplied AC Power Cord should not be
connected to the Rear Panel of the MC602
Amplifier until after the Loudspeaker Connections
have been made and the supplied protective
Terminal Connections Cover has been installed.
Failure to observe this could result in Electric
Shock.
1. For Remote Power Control, connect a power control
cable from the Control Center or Preamplifier Power
Control Out to the MC602 Power Control In.
2. Connect cables from the Balanced Outputs of a McIn-
tosh Preamplifier or Control Center to the MC602 Bal-
anced Inputs.
Note: An optional hookup is to use unbalanced cables.
3. Prepare the Loudspeaker Hookup Cables that attach to
the MC602 Power Amplifier by choosing one of the
methods below:
Bare wire cable ends:
Carefully remove sufficient insulation from the cable
ends, refer to figures 1,
2 & 3. If the cable is
stranded, carefully twist
the strands together as
tightly as possible.
Note: If desired, the twisted ends can be tinned with
solder to keep the strands together, or attach spade
lug and/or banana connector.
Spade lug or prepared wire connection:
Insert the spade lug
connector or pre-
pared section of the
cable end into the
terminal side access
hole, and tighten the termi-
nal cap until the cable is
firmly clamped into the ter-
minal so the wires cannot
slip out. Refer to figures 4, 5
& 6.
Banana plug connection:
Insert the banana plug into the hole at the top of the
terminal. Tighten the top portion of the terminal post
and the set screw to secure the banana plug in place.
Note: The use of Banana Plugs is for use in the United
States and Canada only.
4. Connect the loudspeaker hookup cables to the output
terminals that match the impedance of your loudspeak-
ers, being careful to observe the correct polarities. Out-
put impedance connections of 2 ohms, 4 ohms and 8
ohms are provided. If the impedance of your loud-
speakers is in-between the available connections, use
the nearest lower impedance connection.
WARNING: Loudspeaker terminals are hazardous live
and present a risk of electric shock. For
additional instruction on making
Loudspeaker Connections contact your
McIntosh Dealer or McIntosh Technical
Support.
5. Attach the supplied Terminal Connections Cover with
the four Philip Head Mounting Screws (10-32 x 1/2
inch) to the Rear Panel of the MC602 Amplifier. Refer
to figure 7.
Note: There are six openings on the bottom edge of the
cover to allow for the Loudspeakers Cable to exit
the MC602. The Rear Chassis Handle (U
shaped) has tapped screw openings on both sides
for securing the cover to the MC602.
6. Connect the MC602 power cord to an active AC outlet.
Terminal
Connections
Cover
Cover
Mounting
Screw
Locations
Cable Openings
Rear
Chassis
Handle
Cover
Mounting
Screw
Locations
Figure 7

9
How to Connect the MC602
To AC Outlet
Right
Loudspeaker
4 ohm
Left
Loudspeaker
4 ohm
Caution: The Loudspeaker Negative Connections are above chassis ground and are not
common between channels. Do not combine any connections together or ground them.
McIntosh C200C Controller McIntosh C200P Preamplifier

10
MC602 Front Panel Displays and Controls
METER indicates the Left Channel
Power Output of the amplifier
METER Switch selects
the display modes of the
power output meters
POWER GUARD LEDs
light when the amplifier
channel POWER GUARD
circuit activates
POWER Switch Turns
AC power On/Off, or
On/Remote
Remote On Indicator lights
when the amplifier is in
the Remote Turn-On Mode
METER indicates the Right Channel
Power Output of the amplifier

11
How to Operate the MC602
How to Operate the MC602
Power On
To have the MC602 automatically turn On or Off when a
control center turns on or off, rotate the power switch to the
remote position. For manual operation, rotate the power
switch to the On or Off position
as desired. Refer to figure 8.
Note: There must be a power
control connection
between the MC602 and
the McIntosh Control
Center, in order for the
remote power turn-on to
function.
Meter Selection
Rotate the meter mode switch to select the meter operation
mode you desire. Refer to figures 9 and 10.
Lights Off - Meter lights are
turned off and the
meters will con-
tinue to indicate
the power output.
Watts- The meters re-
spond to all the
musical informa-
tion being pro-
duced by the am-
plifier. They indi-
cate to an accuracy of at least 95% of the
power output with only a single cycle of a
2000Hz tone burst.
Hold - The meter pointer is locked to the highest
power peak in a sequence of peaks. It is elec-
tronically held to this power level until a
higher
power
peak
passes
through
the ampli-
fier. The
meter pointer will then rise to the newer
higher indication. If no further power peaks
are reached, the meter pointer will very
slowly return to its rest position or lower
power level. The decay rate is approximately
6dB per minute.
Figure 11
Figure 9
Figure 8
Note: The MC602 Power Output Meters
indicate the actual wattage delivered to
the loudspeakers by responding to the
combination of current and voltage
output.
Input Mode Switch
The Input Mode Switch, which is located on the Rear
Panel of the MC602, allows you
to select either the Balanced or
Unbalanced Inputs. Refer to fig-
ure 11.
Figure 10

12
Technical Description
McIntosh Laboratory, the company who introduced the
worlds first amplifier that could be called High Fidelity,
has done it again. The McIntosh engineering staff has cre-
ated a power amplifier without compromise, using the most
advanced McIntosh circuit design concepts.
A continuous average power output rating of 600 watts
and with an output current of greater than 150 amperes per
channel, makes this not only the most advanced, but also
the most powerful amplifier McIntosh has ever manufac-
Inside of the MC602
tured. The distortion limits for the MC602 are no more
than 0.005% at rated power output for all frequencies from
20Hz to 20,000Hz. Typical performance at mid frequencies
is less than 0.002%. The true distortion readings on the
MC602 are so low, it takes special measuring techniques to
make accurate readings. The MC602 can deliver the best
possible performance from any type of high quality loud-
speaker system.
Creating an amplifier with this level of performance did

13
Technical Description
not come easily. Many months of design, testing and mea-
suring were required. Extensive controlled listening tests,
the ultimate form of measuring, were made before the final
design was accepted.
Design Philosophy
The design philosophy incorporated in the MC602 in-
volved several different techniques, all based on sound sci-
entific logic. Every stage of voltage or current amplifica-
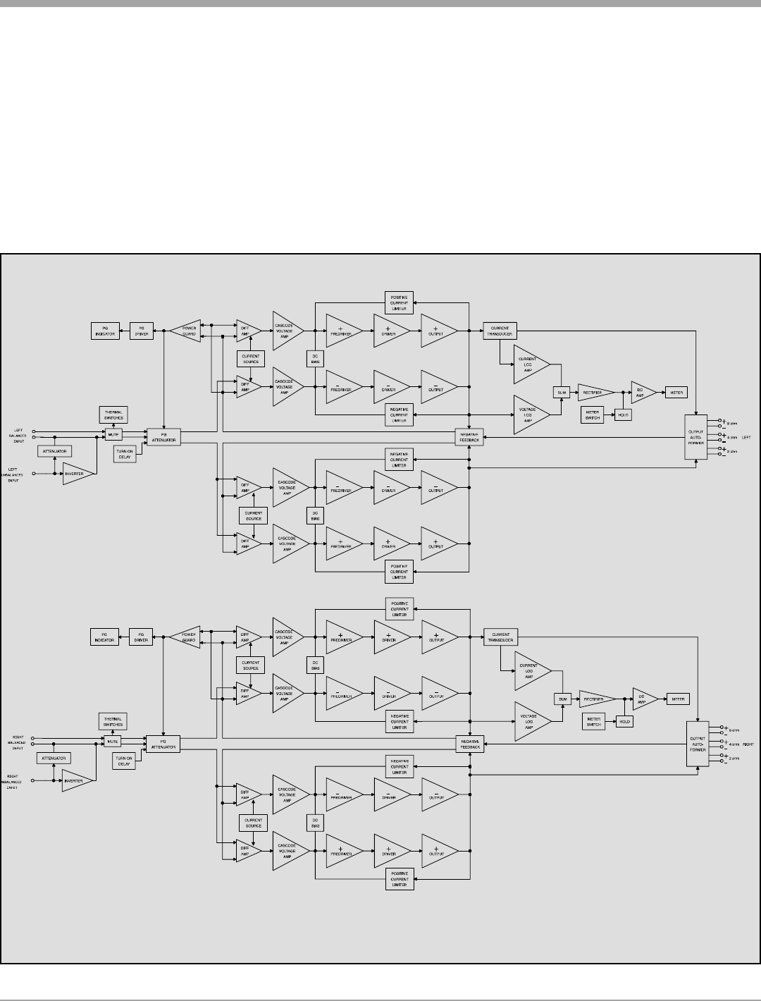
Figure 12
Block Diagram
of both
Amplifer Channels
tion must be as linear as possible prior to the use of nega-
tive feedback. McIntosh engineers know how to properly
design negative feedback circuits so they contribute to the
extremely low distortion performance expected from a
McIntosh amplifier. The typical McIntosh owner would
never accept the approximately 100 times higher distortion
of many non-feedback designs.
Double Balanced Push-Pull design is used from input to
output. Each half of the amplifier contains complimentary

14
Figure 15
Input Test Signal
balanced circuitry. The resulting double balanced configu-
ration cancels even order distortion. Refer to figure 12 on
page 13.
All transistors are selected to have nearly constant cur-
rent gain over the entire current range they must cover.
Output transistors in particular, have matched uniform cur-
rent gain, high current bandwidth product and large active
region safe operating area. An automatic tracking bias sys-
tem completely eliminates any trace of crossover distor-
tion. Precision metal film resistors and low dielectric ab-
sorption film capacitors are used in all critical circuit loca-
tions.
The output signals of the two balanced circuits are
coupled together in the unique McIntosh MC602 Output
Autoformer. It provides low distortion power transfer at
frequencies from below 20Hz to well beyond 20,000Hz
with optimum impedance points of two ohms, four ohms
and eight ohms. The unequaled expertise of McIntosh in
the design and manufacturing of autoformers is legendary
in the high fidelity industry.
The high efficiency circuit design of the MC602 con-
tributes to low operating temperatures. More than 290
square inches of heat sink area keep the MC602 operating
safely with convection cooling. No fans are needed.
Autoformers
All solid state power amplifier output circuits work best
into what is called an optimum load. This optimum load
may vary considerably from what a loudspeaker requires.
In the case of more than one loudspeaker connected in par-
allel, the load to the power amplifier may drop to two ohms
or even less. A power amplifier connected to a load that is
lower than optimum, causes more output current to flow,
which results in extra heat being generated in the power
output stage. This increase in temperature will result in a
reduced life expectancy for the amplifier.
The Autoformer creates an ideal match between the
power amplifier output stage and the loudspeaker. A McIn-
tosh amplifier with an Autoformer can be used to safely
drive multiple speakers without reducing the life expect-
ancy of the
power ampli-
fier. Refer to
figure 13.
There is ab-
solutely no per-
formance limi-
tation with an
Autoformer. Its
frequency re-
Figure 13
sponse exceeds that of the output circuit itself, and extends
well beyond the audible range. Its distortion level is so low
it is virtually impossible to measure.
In the rare event of a power amplifier output circuit fail-
ure, the McIntosh Autoformer provides absolute protection
from possible damage to your valuable loudspeakers. The
unequaled expertise of McIntosh in the design and manu-
facturing of Autoformers is legendary in the high fidelity
industry. McIntosh engineers know how to do it right.
Protection Circuits
The MC602 incorporates its version of the McIntosh Sen-
try Monitor output transistor protection circuit. Refer to
Figure 14. There is absolutely no compromise in sonic per-
formance with this circuit, and it ensures safe operation of
the amplifier under even the most extreme operating condi-
tions. The different types of protection circuits incorpo-
rated in the MC602 insure a long and safe operating life.
This is just one of the many characteristics of McIntosh
Power Amplifiers that make them world famous.
The MC602 also includes the unique patented McIntosh
Power Guard circuit.
Power Guard eliminates
the possibility of ever
overdriving the amplifier
into clipping. Refer to
figures 15, 16 and 17. An
overdriven amplifier can
produce both audible and
inaudible distortion levels
exceeding 40%. The au-
dible distortion is un-
pleasant to hear, but the
inaudible ultrasonic dis-
tortion is also undesir-
Figure 14

15
Technical Description, cont
Figure 17
With Power Guard
Figure 16
Without Power Guard
able, since it can damage
valuable loudspeaker sys-
tem tweeters. You will
never experience the
harsh and damaging dis-
tortion due to clipping.
The Power Guard cir-
cuit is a waveform com-
parator, monitoring both
the input and output
waveforms. Under nor-
mal operating conditions,
there are no differences
between the shape of
these waveforms. If an amplifier channel is overdriven,
there will be a difference between the two signal wave-
forms. When the difference exceeds 0.3% (equivalent to
0.3% harmonic distor-
tion), the Power Guard
activates the PG light and
a dynamic electronic at-
tenuator at the amplifier
input reduces the input
volume just enough to
prevent any further in-
crease in distortion. The
Power Guard circuit acts
so fast that there are ab-
solutely no audible side
effects and the sonic pu-
rity of the music repro-
duction is perfectly pre-
served. The MC602 Power Amplifier with Power Guard is
not limited to just the rated power output, but will actually
produce distortion free output well above its rated power
due to the McIntosh philosophy of conservative design.
Power Supply Circuits
To compliment the fully balanced design of the MC602,
there are two high voltage power supplies; one for each
channel, allowing each channel to be optimized using its
own power supply. Refer to figure 18. High power amplifi-
ers draw high current from the AC power line. Therefore, it
is important that they plug directly into the wall outlet.
Also, most owners desire that there be one power
switch for the whole audio system. The MC602 is equipped
with a circuit that provides remote Power Control from
your McIntosh Preamplifier or Control Center. When you
turn on your preamplifier a digital 1 (+5V) signal oper-
ates the power relay in the MC602. The MC602 also has a
remote Power Control Out Jack. The Power Control signal
from this jack is delayed by a fraction of a second so that
the turn on power surge of the next power amplifier occurs
at a later time. This helps prevent power circuit overload
that could trip circuit breakers or blow fuses, a very impor-
tant feature in a high power Home Theater System employ-
ing three MC602 Power Amplifiers.
The MC602 can provide greater than 150 amperes peak
output current to drive uneven speaker loads. Some poor
speaker designs have input impedance that dip to 1 or 2
ohms at various frequencies and the MC602 has the output
current reserve to drive them. It can deliver over 1,000
Watts Output on tone bursts. The MC602 has huge main
filter capacitors that guarantee an excellent signal to noise
ratio and the energy storage necessary for the wide dy-
namic range that Digital Audio demands.
Figure 18
Block Diagram
of the
Power Supply

16

17
Notes

18
Specifications
Specifications
Power Output
Minimum sine wave continuous average power output per
channel, all channels operating is:
600 watts into 2 ohm load
600 watts into 4 ohm load
600 watts into 8 ohm load
Rated Power Band
20Hz to 20,000Hz
Total Harmonic Distortion
Maximum Total Harmonic Distortion at any power
level from 250 milliwatts to rated power output is:
0.005% for 2, 4 or 8 ohm loads
Dynamic Headroom
2.1dB
Frequency Response
+0, -0.25dB from 20Hz to 20,000Hz
+0, -3dB from 10Hz to 100,000Hz
Sensitivity
2.45 Volts Balanced Input
4.9 Volts Unbalanced Input
A-Weighted Signal To Noise Ratio
93dB Unbalanced (120dB below rated output)
97dB Balanced (124dB below rated output)
Intermodulation Distortion
Maximum Intermodulation Distortion if instanta-
neous peak output per channel does not exceed
twice the rated output, for any combination of fre-
quencies from 20Hz to 20,000Hz, with all channels
operating is:
0.005% for 2, 4 or 8 ohm loads
Input Impedance
10,000 ohms Balanced or Unbalanced Inputs
Wide Band Damping Factor
100 @ 8ohms
Power Requirements
100 Volts, 50/60Hz at 18 amps
110 Volts, 50/60Hz at 16.5 amps
120 Volts, 50/60Hz at 15 amps
220 Volts, 50/60Hz at 8.2 amps
230 Volts, 50/60Hz at 7.8 amps
240 Volts, 50/60Hz at 7.5 amps
Note: Refer to the rear panel of the MC602 for the correct
voltage.
Dimensions
Front Panel: 17-3/4 inches (46cm) wide, 11 inches (28cm)
high. Depth behind front mounting panel is 19-5/8 inches
(49.83cm). Clearance required in front of the Front Panel is
1-3/4 inches (4.5cm) for handles.
Weight
155 pounds (70.31kg) net, 180 pounds (81.65kg) in ship-
ping carton

19
Packing Instructions
In the event it is necessary to repack the equipment for
shipment, the equipment must be packed exactly as shown
below. It is very important that the four feet are attached to
the bottom of the equipment. This will ensure the proper
equipment location on the bottom foam pad. Failure to do
this will result in shipping damage.
Use the original shipping carton and interior parts only
if they are all in good serviceable condition. If a shipping
carton or any of the interior part(s) are needed, please call
or write Customer Service Department of McIntosh Labo-
ratory. Please see the Part List for the correct part numbers.
Packing Instructions
Quantity Part Number Description
1 034104 Shipping carton bottom
1 034105 Shipping carton top
1 033739 Poly bag
4 018445 Feet
3 034106 Foam ring
2 034107 Foam pad (top and bottom)

McIntosh Part No. 04067501
McIntosh Laboratory, Inc.
2 Chambers Street
Binghamton, NY 13903