Medeco Security Locks 101501X Electronic Lock - Wireless IEEE802.15.4/2.4GHz and RFID/125kHz User Manual FCC Part 15
Medeco Security Locks, Inc. Electronic Lock - Wireless IEEE802.15.4/2.4GHz and RFID/125kHz FCC Part 15
User Manual

Rhein Tech Laboratories, Inc. Client: Medeco Security Locks, Inc.
360 Herndon Parkway Model #: 10-15013
Suite 1400 Standards: FCC 15.247/IC RSS-210
Herndon, VA 20170 ID’s: VR3-101501X/7465A-101501X
http://www.rheintech.com Report #: 2014065DTS
Page 35 of 39
Appendix K: Manual
Please refer to the following pages.

PK-120204
M100 Aperio
Mortise Lock Series
Installation Instructions
Machine
screw with
washer
Package Contents
Additional Tools Needed
Options not included:
Gang box to mount hub
Approved Credential:
HID iCLASS ID Credential
Flathead drivers 3/32”, 3/16”
#2 Phillips Driver
Pencil, Wire Stripper
Wireless Frequency: 2.4 GHz, IEEE 802.15.4, using AES 128bit encryption
Hub Power Requirement: 8-24VDC, 250mA
Lock Battery Type: CR2, providing 30,000 Cycles
Operating Temperature: -10C to 50C
FCC Part 15, Class B Compliant
Credentials Supported: 13.56MHz iCLASS credentials are supported
Product Specifications
For technical support please call 1-800-810-WIRE (9473)
Hub Mounting Bracket and
Hardware
(Hardware not shown)
Aperio Hub
Scan the QR code with
your Smartphone wherever
you see this symbol to
view our How-To videos
15
16

2
System Overview
The M100 wireless mortise lock extends access control to an office door, stockroom door or
any other door requiring additional accountability without the complexity and expense of
running wires to the opening. The M100 lock connects to an access control system through
the included communication hub. The communication hub connects to the access control
system with wiegand wiring typical of a wiegand reader.
When a credential card is presented to the reader on the lock the request for access is sent
wirelessly to the communication hub. The communication hub then communicates through
wiegand wiring to the access control system where the decision is made to grant or deny
access.

3
Installation Steps
A. 1 - Choose the hub location
It is recommended that the hub be mounted near the top of a wall, on the ceiling or
above the ceiling to reduce potential for interference.
For a stable and reliable radio link, it is recommended that the hub is located within forty-five (45)
feet of the lock. A maximum of two interior walls between the hub and lock is recommended
Recommended locations:
A: Wall Mount
B: Ceiling Mount
C: Inside Ceiling Mount
D: Wall Mount, Adjacent Room
C. Test the Lock
A. Locate and Mount the Hub
B. Connect the Hub
D. Install the Lock

4
A.2 - Mounting the Hub.
The included adapter plate can be used to mount the hub on a single or double gang box.
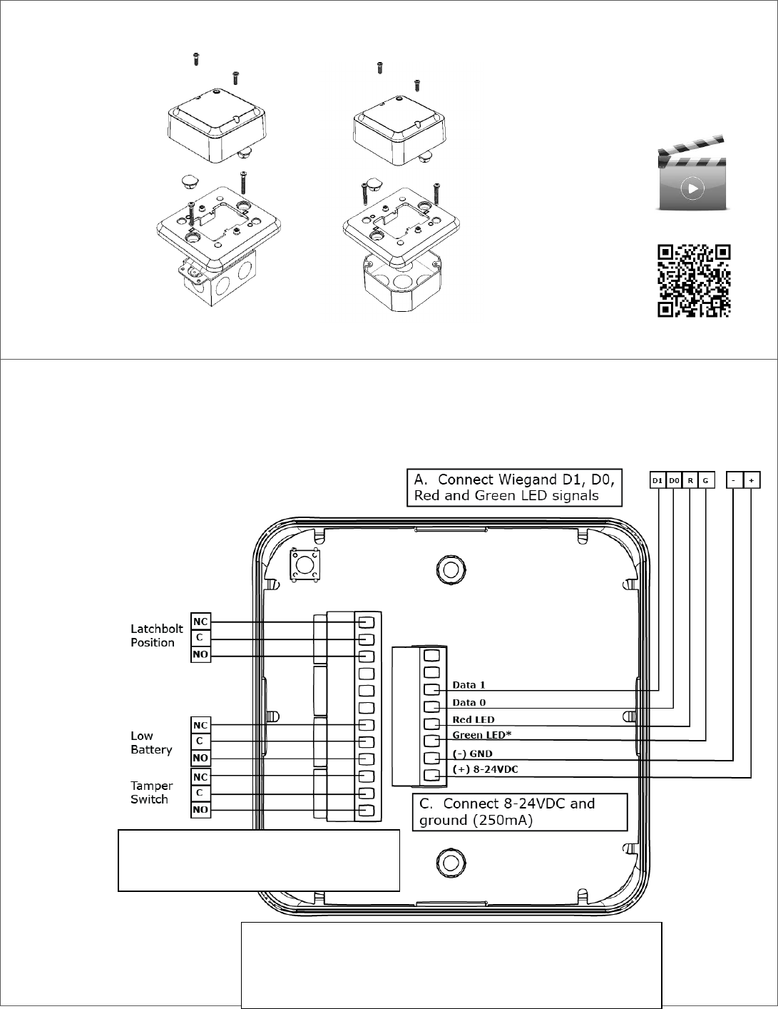
B. Wiring the Hub.
The Aperio Hub connects to the Access Control system via Wiegand wiring. The hub
requires 8-24VDC power (250mA). The hub includes three form C relays that can be used
to transmit Lock jamb status, low battery signal and a tamper signal. The hub connects to
the mortise lock wirelessly.
*Note: the Green LED input is used to grant access
to the M100 lock. If the Green LED signal is not
available to indicate approved access, the hub input
can be activated by another unlock signal or relay.
Connect Lock Jamb, Low Battery &
Tamper Detection Form C Relays

5
C. Testing the Lock with the Access Control System
With the hub connected to power and the access control system, test the lock with a known
good credential to confirm it will open as desired when installed.
D. Mounting the Lock
Before You Begin please verify the following:
You have the proper Cam for the door hardware being used
Verify the rotation of the lock matches the hardware on the door
Step 1: The M100 installs in a similar fashion to a mechanical mortise lock, and requires the same
adjustments to function properly with the mortise hardware. The following steps outline the mechanical
installation only.
Removal of Existing Cylinder
a) Remove the door-edge trim by removing the retaining screws and gently prying the trim plate loose
(Fig. 1).
b) Loosen the cylinder clamp screw far enough to allow the existing cylinder to be removed (Fig. 2).
c) Using a key partially inserted, rotate the mortise cylinder counter-clockwise to remove it. Also
remove any trim rings if they are used (Fig. 3).
Fig. 1
Fig. 2 Fig. 3
Step 2: Verify that the cam on the M100 is the same style as was on the cylinder that was just removed. If the
removed cylinder is a Medeco brand, the cam can be interchanged onto the M100 (Fig. 4).
Installing the M100

6
Fig. 4
Screw the M100 into the cylinder mounting hole on the mortise hardware (Fig. 5). It is important to not over
tighten, or to keep too loose on the door. The face of the M100 cylinder should stand proud of the
escutcheon approximately 3/16"-1/4". Please also see (Fig. 12) before proceeding (Fig. 6).
Fig. 5 Fig. 6
Step 3: Re-tighten the cylinder clamp screw with the M100 in a vertical position. The screw should engage
tightly in the slot along the edge of the cylinder so the cylinder cannot rotate (Fig. 7).
Fig. 7
Step 4: Add back plate and locking nut (Fig. 8). Warning: Wire harness goes through plate (Fig. 9).

7
Fig. 8 Fig. 9
Tighten with locking nut tool (Fig. 10). Warning: Only one or two threads should be visible for proper
operation (Fig. 11).
Fig. 10 Fig. 11
Step 5: Connect control unit to wire harness and install 4 mounting screws (Fig. 12 and Fig. 13).
Warning: Avoid pinching wire harness when mounting the control unit.
Fig. 12 Fig. 13

8
Step 6: Install Battery. Please verify the battery is inserted in the correct polarity position. Always use new
batteries installed with correct polarity (Fig. 14 and 15).
Fig. 14 Fig. 15
Step 7: Install cover assembly (Fig. 16) and cover screw (Fig. 17).
Fig. 16 Fig. 17

9
Step 8: Install thumbturn (Fig. 18), set screw (Fig. 19), and re-install door edge trim (Fig. 20).
Fig. 18 Fig. 19 Fig. 20
Warning:
FCC Statement
This device complies with Part 15 of the FCC Rules. Operation is subject to the following two conditions:
1. This device may not cause harmful interference, and
2. This device must accept any interference received, including interference that may cause undesired
operation.
Changes or modifications not expressly approved by the manufacturer could void the user’s authority to
operate
this equipment.
This device complies with Industry Canada license-exempt RSS standard(s).
Operation is subject to the following two conditions: (1) this device may not
cause interference, and (2) this device must accept any interference, including
interference that may cause undesired operation of the device.
Le présent appareil est conforme aux CNR d'Industrie Canada applicables aux appareils radio
exempts de licence. L'exploitation est autorisée aux deux conditions suivantes : (1) l'appareil ne
doit pas produire de brouillage, et (2) l'utilisateur de l'appareil doit accepter tout brouillage
radioélectrique subi, même si le brouillage est susceptible d'en compromettre le fonctionnement.

10
Tips and Trouble Shooting
Thumbturn drags on cover.
Thumbturn is not out far enough refer to Step 4, Fig. 12.
The cover does not sit flush on plate.
Cylinder is protruding out to far (included are optional spacers for proper spacing of cylinders) refer to
Step 4, Fig. 12.
For Technical Support please call 1-800-810-WIRE (9473)