Mge Ups Systems Eps 8000 Users Manual 86 132217 00 A00 SmUm
EPS 8000 to the manual 380bfdac-890c-44fe-ad8a-3835829c19af
2015-02-09
: Mge-Ups-Systems Mge-Ups-Systems-Eps-8000-Users-Manual-555666 mge-ups-systems-eps-8000-users-manual-555666 mge-ups-systems pdf
Open the PDF directly: View PDF
.
Page Count: 54
- Table of Contents
- Inside Front Cover
- Warranty ivi
- Revision History iv
- How To Use This Manual v
- Section 1 Introduction
- Section 2 Operation
- 2.0 Scope 2-1
- 2.1 Status Screen Display ...
- 2.2 Settings Selection Scr...
- 2.3 Alarms 2-2
- 2.4 Sensor Measurements 2-3
- 2.5 Voltage Measurements ...
- 2.6 Current Measurements ...
- 2.7 Power Frequency Measur...
- 2.8 Battery Measurements 2-7
- 2.9 LCD Messages 2-8
- 2.10 Preparations Before S...
- 2.11 Shutdown
- 2.12 Forced Transfers 2-18
- Section 3 Maintenance
- Glossary
- Figures
- EPS 8000 System, S-M Configu...
- Circuit Breaker Locations on...
- Circuit Breaker Locations on...
- Circuit Breaker Locations on...
- Normal Operation, Power Flow...
- On-Battery Operation, Power ...
- EPS 8000 Front Panel Indicat...
- Front Panel Indicators and C...
- Alphanumeric Display and Con...
- Hidden Panel Indicator Controls
- Default Status Screen Alphan...
- Settings Selection Display S...
- Sequential Alarm Messages fo...
- Measurement Sensors Located ...
- Voltage Measurement Displays...
- Current Measurements Displays
- Power and Frequency Measurem...
- Power and Frequency Measurem...
- Battery Measurements Displays

EPS 8000 UPS
Single Module
Users Manual
www.mgeups.com

IMPORTANT SAFETY INSTRUCTIONS
SAVE THESE INSTRUCTIONS – This manual contains important instructions for all EPS 8000 UPS Single Module
that must be followed during operation of the equipment.
WARNING: Opening enclosures expose hazardous voltages. Always refer
service to qualified personnel only.
ATTENTION: L'ouverture des cabinets expose des tensions dangereuses.
Assurez-vous toujours que le service ne soit fait que par des
personnes qualifiees.
WARNUNG! Das öffnen der Gehäuse legen gefährliche Spannungen bloss.
Service sollte immer nur von qualifizierten Personal durchgeführt
werden.
WARNING: As standards, specifications, and designs are subject to change,
please ask for confirmation of the information given in this
publication.
ATTENTION: Comme les normes, spécifications et produits peuvent changer,
veuillez demander confirmation des informations contenues dans
cette publication.
WARNUNG! Normen, Spezifizierungen und Pläne unterliegen Anderungen.
Bitte verlangen Sie eine Bestätigung über alle Informationen, die in
dieser Ausgabe gemacht wurden.
NOTE: This equipment generates, uses, and can radiate radio
frequency energy and, if not installed and used in accordance
with installation manual, may cause harmful interference to
radio communications. Operation of this equipment in a
residential area is likely to cause harmful interference in which
case the user will be required to correct the interference at his
own expense.
Important Safety information
EPS 8000 UPS Single Module
page ii

EPS 8000 UPS
Single Module
Users Manual
For service call
1-800-523-0142
86-132217-00 A02 06/03
Copyright © 2003 MGE UPS SYSTEMS, Inc.
All rights reserved. Printed in U.S.A.
MGE UPS SYSTEMS, Inc.
1660 Scenic Avenue
Costa Mesa, CA 92626
(714) 557-1636
page iii
Users Manual

EPS 8000 UPS Single Module
page iv
EPS 8000 UPS
Single Module Users Manual
Warranty Information
Warranty
The liability of MGE UPS SYSTEMS, Inc. hereunder is limited to replacing or repairing at MGE UPS
SYSTEMS, Inc.’s factory or on the job site at MGE UPS SYSTEMS, Inc.’s option, any part or parts which are
defective, including labor, for a period of 12 months from the date of purchase. The MGE UPS SYSTEMS, Inc.
shall have the sole right to determine if the parts are to be repaired at the job site or whether they are to be
returned to the factory for repair or replacement. All items returned to MGE UPS SYSTEMS, Inc. for repair or
replacement must be sent freight prepaid to its factory. Purchaser must obtain MGE UPS SYSTEMS, Inc.’s
Return Materials Authorization prior to returning items. The above conditions must be met if warranty is to be
valid. MGE UPS SYSTEMS, Inc. will not be liable for any damage done by unauthorized repair work, unautho-
rized replacement parts, from any misapplication of the item, or for damage due to accident, abuse, or Act of
God.In no event shall the MGE UPS SYSTEMS, Inc. be liable for loss, damage, or expense directly or indirectly
arising from the use of the units, or from any other cause, except as expressly stated in this warranty. MGE
UPS SYSTEMS, Inc. makes no warranties, express or implied, including any warranty as to merchantability or
fitness for a particular purpose or use. MGE UPS SYSTEMS, Inc. is not liable for and Purchaser waives any
right of action it has or may have against MGE UPS SYSTEMS, Inc. for any consequential or special damages
arising out of any breach of warranty, and for any damages Purchaser may claim for damage to any property or
injury or death to any person arising out of its purchase of the use, operation or maintenance of the product.
MGE UPS SYSTEMS, Inc. will not be liable for any labor subcontracted or performed by Purchaser for
preparation of warranted item for return to MGE UPS SYSTEMS, Inc.’s factory or for preparation work for field
repair or replacement. Invoicing of MGE UPS SYSTEMS, Inc. for labor either performed or subcontracted by
Purchaser will not be considered as a liability by the MGE UPS SYSTEMS, Inc.
This warranty shall be exclusive of any and all other warranties express or implied and may be modified
only by a writing signed by an officer of the MGE UPS SYSTEMS, Inc. This warranty shall extend to the
Purchaser but to no one else. Accessories supplied by MGE UPS SYSTEMS, Inc., but manufactured by others,
carry any warranty the manufacturers have made to MGE UPS SYSTEMS, Inc. and which can be passed on to
Purchaser.
MGE UPS SYSTEMS, Inc. makes no warranty with respect to whether the products sold hereunder
infringe any patent, U.S. or foreign, and Purchaser represents that any specially ordered products do not
infringe any patent. Purchaser agrees to indemnify and hold MGE UPS SYSTEMS, Inc. harmless from any
liability by virtue of any patent claims where Purchaser has ordered a product conforming to Purchaser’s speci-
fications, or conforming to Purchaser’s specific design.
Purchaser has not relied and shall not rely on any oral representation regarding the Product sold
hereunder and any oral representation shall not bind MGE UPS SYSTEMS, Inc. and shall not be part of any
warranty.
There are no warranties which extend beyond the description on the face hereof. In no event shall MGE
UPS SYSTEMS, Inc. be responsible for consequential damages or for any damages except as expressly stated
herein.
Service and Factory Repair - Call
1-800-523-0142
Direct questions about the operation, repair, or servicing of this equipment to MGE UPS SYSTEMS, Inc.
Technical Support Services. Include the part number and serial number of the unit in any correspondence.
Should you require factory service for your equipment, contact MGE UPS SYSTEMS, Inc. Technical Support
Services and obtain a Return Materials Authorization (RMA) prior to shipping your unit. Never ship equipment
to MGE UPS SYSTEMS, Inc. without first obtaining an RMA.
Proprietary Rights Statement
The information in this manual is the property of MGE UPS SYSTEMS, Inc., and represents a proprietary
article in which MGE UPS SYSTEMS, Inc., retains any and all patent rights, including exclusive rights of use
and/or manufacture and/or sale. Possession of this information does not convey any permission to reproduce,
print, or manufacture the article or articles shown herein. Such permission may be granted only by specific
written authorization, signed by an officer of MGE UPS SYSTEMS, Inc.
IBM, PC-AT, ES/9000, and AS/400 are trademarks of International Business Machines Corporation. MGE
and MGE UPS SYSTEMS are trademarks of MGE UPS SYSTEMS, Inc. Other trademarks that may be used
herein are owned by their respective companies and are referred to in an editorial fashion only.
Revision History
EPS 8000 UPS Single Module Users Manual
86-132217-00
Copyright © 2003 MGE UPS SYSTEMS, Inc. All rights reserved Printed in U.S.A.
Revision: A01 ECN#003192 04/2003
A02 ECN#003395 06/2003

How To Use This Manual page v
Users Manual
How To Use This Manual
This manual is designed for ease of use and easy location of information.
To quickly find the meaning of terms used within the text, look to the Glossary.
To quickly find a specific topic, look at the Table of Contents.
This manual uses Note lines and icons to convey important information.
Note lines and icons come in four variations.
WARNING: Indicates information provided to protect the User and
service personnel against safety hazards and possible
equipment damage.
CAUTION: Indicates information provided to protect the User and
service personnel against possible equipment damage.
NOTE: Indicates information provided as an operating tip or an
equipment feature.
IMPORTANT: Indicates information provided as an operating instruction
or as a tip.

CAUTION
RECORD ALL SERIAL NUMBERS FOR THE SINGLE
MODULE UPS SYSTEM.
THESE SERIAL NUMBERS WILL BE REQUIRED IF
YOUR SYSTEM NEEDS SERVICE. KEEP THIS
MANUAL IN A PLACE WHERE YOU CAN REFERENCE
THE SERIAL NUMBERS IF SERVICE IS REQUIRED!
UPS UNIT SERIAL NUMBER: _____________________________________________
MBP CABINET SERIAL NUMBER: ________________________________________
ADDITIONAL SERIAL NUMBERS:
__________________________ ______________________________
__________________________ ______________________________
__________________________ ______________________________
__________________________ ______________________________
__________________________ ______________________________
__________________________ ______________________________
__________________________ ______________________________
__________________________ ______________________________
__________________________ ______________________________
__________________________ ______________________________
CAUTION: Record All Serial Numbers
EPS 8000 UPS Single Module
page vi

page c i
Users Manual
Contents
section description . . . . . . . . . . . . . . . . . . . . . . . . . . . . . . . . . . . . . . . . .page
Important Safety Instructions . . . . . . . . . . . . . . . . .Inside Front Cover
Warranty . . . . . . . . . . . . . . . . . . . . . . . . . . . . . . . . . . . . . . . . . . . . .ivi
Revision History . . . . . . . . . . . . . . . . . . . . . . . . . . . . . . . . . . . . . . . .iv
How To Use This Manual . . . . . . . . . . . . . . . . . . . . . . . . . . . . . . . . .v
CAUTION: Record All Serial Numbers . . . . . . . . . . . . . . . . . . . . .vi
Table of Contents . . . . . . . . . . . . . . . . . . . . . . . . . . . . . . . . . . . . . .c-i
Section 1 Introduction
section description . . . . . . . . . . . . . . . . . . . . . . . . . . . . . . . . . . . . . .page
1.0 Scope . . . . . . . . . . . . . . . . . . . . . . . . . . . . . . . . . . . . . . . . . . .1-1
1.1 Reference Manuals . . . . . . . . . . . . . . . . . . . . . . . . . . . . . . . .1-1
1.2 Section Descriptions . . . . . . . . . . . . . . . . . . . . . . . . . . . . . . . .1-1
1.3 General Description . . . . . . . . . . . . . . . . . . . . . . . . . . . . . . . . .1-2
1.4 Specifications, Circuit Breakers and Powerflow Diagrams . . . .1-3
1.4.1 Circuit Breakers . . . . . . . . . . . . . . . . . . . . . . . . . . . . . . . . . . . .1-3
1.4.2 Power Flow Diagrams . . . . . . . . . . . . . . . . . . . . . . . . . . . . . . .1-5
1.4.2.1 Normal Operation . . . . . . . . . . . . . . . . . . . . . . . .1-5
1.4.2.2 On-Battery Operation . . . . . . . . . . . . . . . . . . . . . .1-5
1.5 Single Module Indicators and Controls . . . . . . . . . . . . . . . . . .1-6
1.5.1 Front Panel . . . . . . . . . . . . . . . . . . . . . . . . . . . . . . . . . . . . . . .1-7
1.5.2 Alphanumeric Display and Controls . . . . . . . . . . . . . . . . . . . . .1-8
1.5.2.1 Two-line Alphanumeric Display . . . . . . . . . . . . . .1-8
1.5.2.2 Alphanumeric Display Pushbuttons Descriptions .1-9
1.5.2.3 Numbered Lights . . . . . . . . . . . . . . . . . . . . . . . .1-10
1.5.3 Hidden Panel Indicators . . . . . . . . . . . . . . . . . . . . . . . . . . . .1-10
1.5.3.1 LED Alphanumeric Indicator . . . . . . . . . . . . . . .1-11
1.5.3.2 Hidden Panel Lower Pushbuttons . . . . . . . . . . .1-12
Content

Section 2 Operation
section description . . . . . . . . . . . . . . . . . . . . . . . . . . . . . . . . . . . . . .page
2.0 Scope . . . . . . . . . . . . . . . . . . . . . . . . . . . . . . . . . . . . . . . . . . .2-1
2.1 Status Screen Display . . . . . . . . . . . . . . . . . . . . . . . . . . . . . . .2-1
2.2 Settings Selection Screen . . . . . . . . . . . . . . . . . . . . . . . . . . . .2-2
2.3 Alarms . . . . . . . . . . . . . . . . . . . . . . . . . . . . . . . . . . . . . . . . . . .2-2
2.4 Sensor Measurements . . . . . . . . . . . . . . . . . . . . . . . . . . . . . . .2-3
2.5 Voltage Measurements . . . . . . . . . . . . . . . . . . . . . . . . . . . . . .2-4
2.6 Current Measurements . . . . . . . . . . . . . . . . . . . . . . . . . . . . . .2-5
2.7 Power Frequency Measurements . . . . . . . . . . . . . . . . . . . . . .2-6
2.8 Battery Measurements . . . . . . . . . . . . . . . . . . . . . . . . . . . . . . .2-7
2.9 LCD Messages . . . . . . . . . . . . . . . . . . . . . . . . . . . . . . . . . . . .2-8
2.9.1 General Alarms . . . . . . . . . . . . . . . . . . . . . . . . . . . . . . . . . . . .2-8
2.9.2 Secondary Alarms . . . . . . . . . . . . . . . . . . . . . . . . . . . . . . . . . .2-9
2.10 Preparations Before Start-up . . . . . . . . . . . . . . . . . . . . . . . . .2-13
2.10.1 Checks Before Start-up . . . . . . . . . . . . . . . . . . . . . . . . . . . . .2-13
2.10.2 Start-up . . . . . . . . . . . . . . . . . . . . . . . . . . . . . . . . . . . . . . . . .2-14
2.10.3 Checks After Start-up . . . . . . . . . . . . . . . . . . . . . . . . . . . . . . .2-15
2.11 Shutdown . . . . . . . . . . . . . . . . . . . . . . . . . . . . . . . . . . . . . . .2-15
2.11.1 Emergency Shutdown Using EPO . . . . . . . . . . . . . . . . . . . . .2-15
2.11.2 Normal Shutdown . . . . . . . . . . . . . . . . . . . . . . . . . . . . . . . . .2-16
2.11.3 With Maintenance Bypass . . . . . . . . . . . . . . . . . . . . . . . . . . .2-16
2.11.4 Without Maintenance Bypass . . . . . . . . . . . . . . . . . . . . . . . .2-17
2.12 Forced Transfers . . . . . . . . . . . . . . . . . . . . . . . . . . . . . . . . . .2-18
2.12.1 Uninterrupted Transfer Conditions . . . . . . . . . . . . . . . . . . . . .2-18
2.12.2 Forced Transfer from Bypass AC Input Source to Inverter . . .2-18
2.12.3 Forced Transfer from Inverter to Bypass AC Input . . . . . . . . .2-18
Section 3 Maintenance
section description . . . . . . . . . . . . . . . . . . . . . . . . . . . . . . . . . . . . . .page
3.0 Scope . . . . . . . . . . . . . . . . . . . . . . . . . . . . . . . . . . . . . . . . . . .3-1
3.1 Safety Instructions . . . . . . . . . . . . . . . . . . . . . . . . . . . . . . . . . .3-1
3.2 Important Safety Instructions for Servicing Batteries . . . . . . . . .3-1
3.3 Preventive Maintenance . . . . . . . . . . . . . . . . . . . . . . . . . . . . .3-2
3.4 Replacement Parts . . . . . . . . . . . . . . . . . . . . . . . . . . . . . . . . .3-2
Glossary g-1
Contents
EPS 8000 UPS Single Module
page c ii

Contents page c iii
Users Manual
Figures
figure description . . . . . . . . . . . . . . . . . . . . . . . . . . . . . . . . . . . . . . . . .page
1-1 EPS 8000 System, S-M Configuration, 1 GCC per Module . . . . . . .1-2
1-2 Circuit Breaker Locations on the EPS 8000. (Q4S not shown) . . . .1-3
1-3 Circuit Breaker Locations on the Maintenance Bypass Cabinet . . .1-4
1-4 Circuit Breaker Locations on the Q4S Cabinet. . . . . . . . . . . . . . . .1-4
1-5 Normal Operation, Power Flow Diagram . . . . . . . . . . . . . . . . . . . .1-5
1-6 On-Battery Operation, Power Flow Diagram . . . . . . . . . . . . . . . . . .1-5
1-7 EPS 8000 Front Panel Indicators and Controls. . . . . . . . . . . . . . . .1-6
1-8 Front Panel Indicators and Control Display . . . . . . . . . . . . . . . . . .1-7
1-9 Alphanumeric Display and Controls . . . . . . . . . . . . . . . . . . . . . . . .1-8
1-10 Hidden Panel Indicator Controls . . . . . . . . . . . . . . . . . . . . . . . . . .1-10
2-1 Default Status Screen Alphanumerical Display Configuration. . . . . .2-1
2-2 Settings Selection Display Screen. . . . . . . . . . . . . . . . . . . . . . . . .2-2
2-3 Sequential Alarm Messages for Viewing the Fault Log . . . . . . . . . .2-3
2-4 Measurement Sensors Located throughout the EPS 8000 S-M UPS2-3
2-5 Voltage Measurement Displays . . . . . . . . . . . . . . . . . . . . . . . . . . .2-4
2-6 Current Measurements Displays . . . . . . . . . . . . . . . . . . . . . . . . . .2-5
2-7 Power and Frequency Measurements Displays . . . . . . . . . . . . . . .2-6
2-8 Battery Measurements Displays . . . . . . . . . . . . . . . . . . . . . . . . . . .2-7

(This page left blank intentionally)
EPS 8000 UPS Single Module
page c iv

1.0 Scope
This manual provides User instructions for operating the EPS 8000 UPS Single Module system (S-M). Descriptions
include section descriptions, a general overview of system internal components, circuit breaker diagrams, descrip-
tions for front panel displays and control indicators.
Please read this manual before installing the EPS 8000 equipment. Please retain this manual for future reference.
1.1 Reference Manuals
The EPS 8000 UPS Installation Manual (MGE part number 86-132215-00) provides detailed operating instructions
for the EPS 8000 Single Module and Shared Systems. The EPS 8000 UPS Shared Systems Users Manual, (MGE
part number 86-132216-00) provides detailed operating instructions for shared systems.
86-132216-00 EPS 8000 Users Manual, Shared System
86-132215-00 EPS 8000 Installation Manual, Single Module and Shared Systems
86-132204-00 Graphical Command Center, User Manual
1.2 Section Descriptions
This manual is divided into four sections:
Section 1 Introduction
This section provides User instructions for operating the EPS 8000 UPS Single Module system. Descriptions
include section descriptions, a general overview of system internal components, circuit breaker diagrams, descrip-
tions for front panel displays and control indicators.
Section 2 Operation
This section describes procedures for normal operation of EPS 8000 Single Module systems. Including interactive
front panel display, settings for language configuration, alarms message displays, voltage, current, battery measure-
ments, with before and after start-up checks, emergency shutdown using EPO disconnects, and normal conditions
for using forced transfers.
Section 3 Maintenance
This section describes maintenance of the EPS 8000, including troubleshooting LCD alarm message, safety instruc-
tions, preventive maintenance, isolation for maintenance, and information about replacement parts.
AGlossary in the rear of this manual provides definitions of terms used within the text.
Users Manual
Introduction
Introduction
page 1 — 1

1.3 General Description
EPS 8000 is a family of compact, high-efficiency uninterruptible power systems. Standard power ratings for single-
module systems range from 555 to 800 kVA. EPS 8000 UPS are optimized for compatibility with non-linear
computer-type loads. Computer-aided UPS diagnostics and modular construction assures that any required service
on the UPS can be identified and completed rapidly. Remote system monitoring, remote annunciation of UPS
performance signals, and telecommunication capabilities allow total control of the UPS by the user.
The EPS 8000, SSC, battery, and all auxiliary equipment is listed for safety by Underwriter’s Laboratories, Inc. (UL)
under UL Standard 1778 and under Canadian Standards Association (CSA) standard C22.107.
Major components of the EPS 8000 Single Module include:
◗UPS Single Module
◗UPS maintenance bypass cabinet
◗UPS bypass cabinet
◗Battery disconnect
Each of these cabinets is described below. Figure 1-1 shows a single-module UPS.
Figure 1-1: EPS 8000 System, S-M Configuration, 1 GCC per Module.
Introduction
EPS 8000 UPS Single Module
page 1 — 2

Introduction page 1 — 3
Users Manual
1.4 Specifications, Circuit Breakers and Powerflow Diagrams
1.4.1 Circuit Breakers
EPS 8000 UPS circuit breakers (except the battery disconnect circuit breaker QF1) are located behind the doors of
the Input/Output cabinet. Following is a brief description of the available circuit breakers and contacts, and their
function (Figures 1-2, 1-3, and 1-4).
Q1 Input isolation circuit breaker, used to isolate the UPS from the main AC input (mains 1) and provide
input current protection.
QF1 Battery disconnect circuit breaker, external to the UPS, used to disconnect the battery from the UPS.
QF1 provides isolation and protection between the UPS and its battery system.
Q3BP (optional) Maintenance bypass circuit breaker, used to supply the attached load via the bypass source
while the UPS is being serviced.
Q5N Optional UPS isolation circuit breaker, used to isolate the UPS module from the attached load.
Q4S Bypass input circuit breaker; it is used to isolate the UPS from the bypass input (mains 2) source and
provide back-feed protection. This circuit breaker is mounted inside the Input/Output cabinet for 625
and 555 kVA units.
Figure 1-2: Circuit Breaker Locations on the EPS 8000. (Q4S not shown)
INPUT
CB, Q1

Figure 1-3: Circuit Breaker Locations on the Maintenance Bypass Cabinet.
Figure 1-4: Circuit Breaker Locations on the Q4S Cabinet.
Introduction
EPS 8000 UPS Single Module
page 1 — 4
BYPASS INPUT
A, B, C
NEUTRAL
GROUND
BYPASS INPUT CB
Q4S
GROUND
BYPASS INPUT
A, B, C
NEUTRAL
Q5N
OUTPUT
A, B, C
Q3BP
Q4S
(optional)

Introduction page 1 — 5
Users Manual
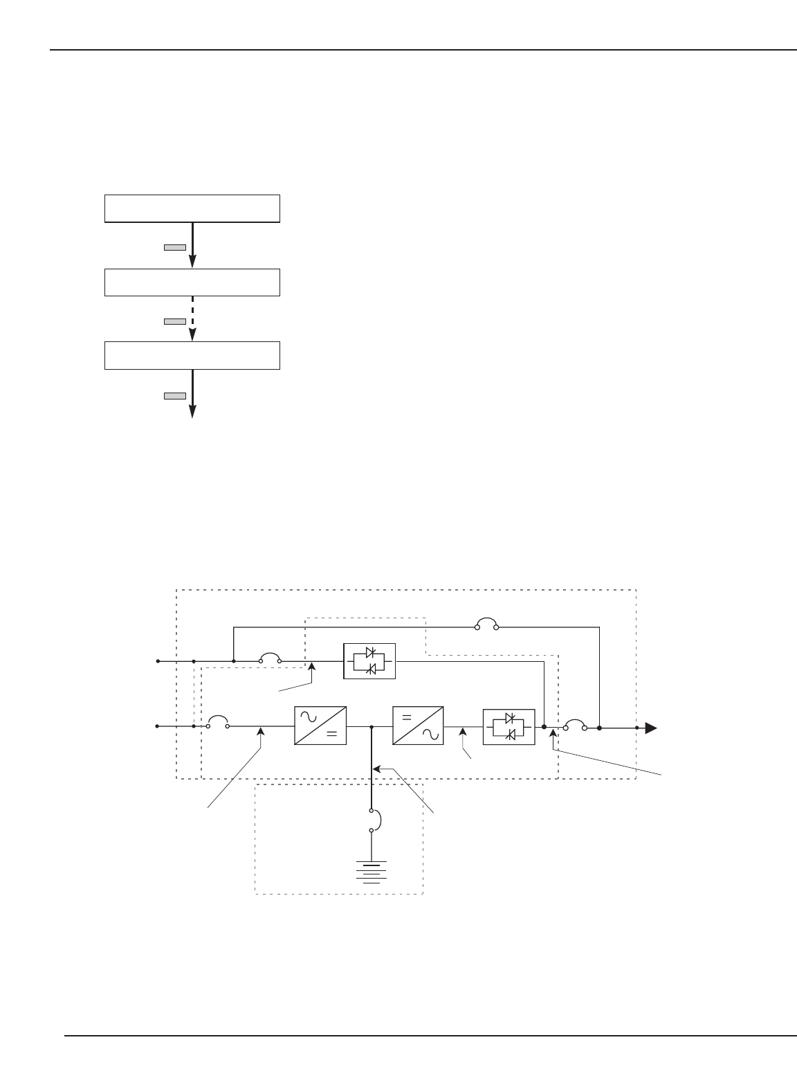
1.4.2 Power Flow Diagrams
1.4.2.1 Normal Operation
During normal operation, power flows from the main AC input source (mains 1) into the UPS rectifier/battery charger
section. The rectifier/battery charger converts the AC voltage to DC, maintains the charge of the battery, and feeds
the DC power to the inverter. The inverter regenerates AC voltage, and supplies the attached load. See Figure 1-5.
Figure 1-5: Normal Operation, Power Flow Diagram.
1.4.2.2 On-Battery Operation
If the main AC input source (mains 1) fails or goes out of tolerance, the charger stops. Power flows from the battery
to the UPS inverter, which in turn supplies the attached load. When the main AC input source (mains 1) returns, the
charger restarts automatically and the UPS resumes its normal operation. See Figure 1-6.
If the battery becomes depleted before the main AC input source (mains 1) returns, the inverter stops and the
attached load is transferred to the bypass AC input source (mains 2) if it is available.
Figure 1-6: On-Battery Operation, Power Flow Diagram.
Bypass AC input
(mains 2)
Main AC input
(mains 1)
Rectifier/battery
charger Inverter
Battery
Static switch
Attached
load(s)
Bypass AC input
(mains 2)
Main AC input
(mains 1)
Rectifier/battery
charger Inverter
Battery
Static switch
Attached
load(s)

1.5 Single Module Indicators and Controls
Single Module indicators and controls are located in three places on the UPS cabinet: on the front panel, behind a
drop-down cover just below the front panel, and inside the cabinet doors, see Figure 1-7. In battery cabinets and
auxiliary cabinets, the controls are located behind the cabinet doors.
The following display descriptions:
◗Front Panel
◗Alphanumeric Display
◗Hidden Panel
Figure 1-7: EPS 8000 Front Panel Indicators and Controls..
Introduction
EPS 8000 UPS Single Module
page 1 — 6

Introduction page 1 — 7
Users Manual
1.5.1 Front Panel
The UPS front panel, includes the emergency power off (EPO) pushbutton, the audible alarm, four LEDs that serve
as system status indicators, the “inverter on” pushbutton, and the “inverter off” pushbutton. See Figure 1-8.
Figure 1-8: Front Panel Indicators and Control Display.
EPO On the left side of the front panel, an emergency power off (EPO) pushbutton is
provided, with a protective cover to guard against inadvertent operation. This
pushbutton, when activated, disconnects the main AC input (mains 1), bypass AC
input (mains 2), and battery power to the UPS, and disconnects output power to the
attached load.
Audible alarm (item 1) The audible alarm provides an audible warning to the operator by sounding
a pulsed “beep” when any of the following conditions occur:
◗Load transferred to bypass (mains 2)
◗Load supplied via battery
◗Operating problem
During minor alarm conditions, the alarm sounds at a slow rate and a low sound
level. When the battery approaches the low-voltage shutdown level, the alarm
sounds louder and at an increased rate. If the inverter shuts down, the alarm
sounds loudly and continuously.
An audible alarm reset is located on the hidden panel. See Figure 1-7. Pressing it
will silence the alarm. Should a higher-level alarm condition occur after the reset
has been activated, the audible alarm will sound the new alarm condition.
¡Load not protected (item 2 ) This red LED turns on when any of these conditions occur:
◗The load is no longer protected following an inverter shutdown,
or the opening of the isolation circuit breaker (Q5N).
◗The battery circuit breaker QF1 is open, making battery power
unavailable.
⁄Operating problem (item 3) This orange LED turns on when an operating problem exists, such as fan
failure; static switch power supply fault; battery temperature fault;
overload fault; or bypass AC input (mains 2) out of tolerance. The UPS
continues to protect the attached load.
ı Battery (item 4) This orange LED turns on to indicate that the attached load is
being partially or completely supplied by the battery. When the main AC
input (mains 1) fails or is outside tolerance, stored battery energy is
supplied to the inverter, which in turn supplies the load.
Í Load protected (item 5) This green LED indicates that the attached load is supplied by
the inverter and protected by the battery. During normal operation, this
LED is the only one that is on.
Inverter on (item 6) This green pushbutton is used to start the inverter. When it is pushed, the
green “load protected” LED flashes for three seconds, indicating that the start
command has been received. When the inverter has synchronized with the bypass

AC input (mains 2) source, the static switch transfers the load to the inverter output.
If the inverter cannot synchronize to the bypass AC input (mains 2) source, the load
must be forced to transfer using the hidden panel (see section 2.11, Forced
Transfers).
Inverter off (item 7) This gray pushbutton is used to stop the inverter. When it is pressed for 3
seconds, the inverter stops and the load is transferred to the bypass AC input (mains
2) source. If the uninterrupted transfer conditions are not met, this pushbutton has
no effect and the inverter can be stopped only from the hidden panel (see Section
2.12, Forced Transfers).
1.5.2 Alphanumeric Display and Controls
The alphanumeric display is located directly below the front panel display. See Figure 1-7. For complete instructions,
refer to section 2.0 Operation, Using the Alphanumeric Displays.
Abrief description of the display and controls follow.
Figure 1-9: Alphanumeric LCD Display , Settings , and Pushbutton Indicators and Controls.
Front Panel Alphanumeric Legend: (details on following page)
øSettings VVoltage ACurrent W.Hz Power/Frequency
ııBattery ⁄⁄Alarms ØØOn/Off *Confirm/Verify
1.5.2.1 Two-line Alphanumeric Display
This 40-character, two line LCD displays general status of the UPS continuously, and displays measurements of
UPS operating parameters as selected with the control pushbuttons.
Introduction
EPS 8000 UPS Single Module
page 1 — 8
LCD
display Settings
pushbutton
˘
pushbutton
87654321
+–
!
W.HzAV *
LOAD IS PROTECTED
UPS IS ON LINE

Introduction page 1 — 9
Users Manual
1.5.2.2 Alphanumeric Display Pushbuttons
Descriptions of the function of the alphanumeric display settings pushbuttons.
øSettings This pushbutton is used to select the display language and adjust the LCD screen
contrast for optimal viewing.
˘Selection Depending on the displayed message, the “˘” key may serve to indicate selection,
negative response, and other functions.
◊Voltage This pushbutton provides access to voltage measurements, including:
◗Main AC input (mains 1) phase-to-phase voltage
◗Bypass AC input (mains 2) phase-to-neutral and phase-to-phase voltage
◗Inverter output phase-to-neutral and phase-to-phase voltage
◗Load phase-to-neutral and phase-to-phase voltage
ÅCurrent This pushbutton provides access to current measurements, including:
◗Main AC input (mains 1) current
◗Bypass AC input (mains 2) current
◗Inverter output current
◗Load current
◗Percent current drawn by the load relative to UPS rating
◗Crest factor per phase
„Power/Freq. This pushbutton provides access to power and frequency measurements, including:
◗Main AC input (mains 1) frequency
◗Bypass AC input (mains 2) frequency
◗Inverter frequency
◗Power drawn by the load (in kW and kVA)
◗Load power factor
ıBattery This pushbutton provides access to battery measurements, including:
◗Battery voltage
◗Battery current
◗Battery ambient temperature
◗Battery time available
◗Battery time remaining
⁄Alarms This pushbutton is used to display current alarms, or to display stored alarms.
If the alarm key is pressed repeatedly, the display will scroll through the stored alarm
record, returning to the latest after the oldest is shown.
If a blinking character (!) appears in the display, the user may press the Alarm
pushbutton again to scroll through additional useful information.

ØOn/off This pushbutton is reserved for future use.
°Confirmation/Verify Depending on the displayed message, this pushbutton may serve to indicate confir-
mation, positive response, and other functions.
1.5.2.3 Numbered Lights
During normal operation, the green LED #1 will be on, indicating that the UPS core controller communicates with
the display. If there is an alarm condition, the red LED #1 will turn on.
1.5.3 Hidden Panel Indicators
The hidden panel is located behind the hinged cover, at the lowest pane of the front panel, refer to Figure 1-7.
The hidden panel includes the alphanumeric display and controls, and following controls and indicators, see Figure 1-
10.
Figure 1-10: Hidden Panel Alphanumeric LEDs and Pushbutton Indicators and Controls.
Hidden panel alphanumeric legend: (upper display, details on following page)
AEmergency Shutdown GBattery charging LOverload
BRectifier/Charger on HInverter fault MBypass outside tolerance
CRectifier/Charger fault ILow batt. shutdown NMaintenance position
DInput Outside Tolerance JInverter Desynchronized
FBattery temp. outside Tolerance KTransfer Fault
(lower display)
(port) Test connector fault Clear faults (audio) Alarm reset
1Battery charge cycle 2Return to float voltage (key) Security
3Inverter sync/desync 4Forced Transfer 5Forced Shutdown
Introduction
EPS 8000 UPS Single Module
page 1 — 10
NMLKJIHGFEDCBA
12 345
fault

Introduction page 1 — 11
Users Manual
1.5.3.1 LED Alphanumeric Indicators
Fourteen alphabetically labeled LEDs provide detailed information on UPS status as follows:
A:Emergency shutdown
This red LED indicates that the emergency power off (EPO) or remote emergency power off (REPO) has been
activated. See section 2.12.1, Emergency Shutdown.
B:Rectifier/charger on
This green LED indicates that the rectifier/battery charger is on.
C:Rectifier/charger fault
This red LED indicates an alarm condition within the rectifier/battery charger. it indicates the presence of one of the
following fault conditions:
◗Input circuit breaker Q1 open
◗Input power protection fuse blown
◗Rectifier/battery charger over-temperature
◗Battery charge overcurrent
◗Battery overvoltage
◗Rectifier/battery charger control board fault
◗Power supply board fault
D:Main AC input (mains 1) outside tolerance
This orange LED indicates that the main AC input (mains 1) source is outside tolerance (voltage and/or frequency
too high or too low).
E:Reserved for future use.
F:Battery temperature outside tolerance
This orange LED indicates that the ambient temperature of the battery is too high or too low.
G:Battery charging
This orange LED indicates that the battery is being recharged. This LED functions only when the connected battery
is of the vented lead-acid type (sealed lead-acid batteries will not activate this signal).
H:Inverter fault
This red LED indicates an alarm condition in the inverter, which may be one or more of the following conditions:
◗Inverter shutdown due to output voltage out of tolerance
◗Inverter output protection fuse blown
◗Inverter leg fault
◗Inverter output transformer over-temperature
◗Inverter leg over-temperature
◗Internal clock fault
◗Inverter control board fault
◗Power supply board fault

I:Battery discharged
This orange LED indicates that the battery has reached the end of its autonomy, shutting down the inverter.
J:Inverter desynchronized
This orange LED indicates that the inverter is not synchronized with the bypass AC input (mains 2).
K:Transfer fault
This red LED indicates a transfer fault, which may be one or more of the following conditions:
◗Inverter output contactor K3N fault
◗Static switch over-temperature
◗Static switch power supply fault
◗Transfer control board fault
◗Power supply board fault
L:Overload
This orange LED indicates an alarm condition resulting from one or more of the following conditions:
◗Inverter current above rating
◗Output current above rating
◗Inverter and/or static switch shutdown due to excessive load current
M:Bypass AC input (mains 2) outside tolerance
This orange LED indicates that the bypass AC input (mains 2) voltage and/or frequency are too high or too low.
N:Maintenance position
This orange LED indicates that circuit breakers QF1, Q4S, Q5N, or Q3BP are set to the maintenance position. The
UPS is not available for load protection.
1.5.3.2 Hidden Panel Lower Pushbuttons
Following are brief descriptions of the function of the hidden panel pushbuttons. See Figure 1-10.
Test connector (port) This 9-pin connector is reserved for service. It is used to connect the cabinet
to a computer, allowing system calibration, personalization, and computer-aided
diagnostics.
Clear fault log Pressing this pushbutton clears the alarms stored in memory, allowing the unit to
restart. Memorized alarms cannot be cleared until the condition causing the alarm
has been corrected.
Audible alarm reset Pressing this pushbutton stops the audible alarm. Should a new fault condition at a
higher alarm level occur, the alarm will sound again.
Battery charge cycle (pushbutton #1) Pressing this pushbutton begins a battery charging cycle. After the
cycle is complete, the rectifier/battery charger returns to float charge levels on the
battery. The battery charge cycle is not applicable to sealed lead-acid battery instal-
lations.
Introduction
EPS 8000 UPS Single Module
page 1 — 12

Introduction page 1 — 13
Users Manual
Return to float voltage (pushbutton #2) This pushbutton can be used during a battery charge cycle to force
the rectifier/battery charger back to the float voltage level.
Security pushbutton (key) This pushbutton must be pressed simultaneously with any of the following
three pushbuttons. This helps guard against inadvertent transfer of the load with
interruption.
Inverter desync/sync (pushbutton #3) Pressing and holding the “security key” while pressing this
pushbutton forces the inverter output to desynchronize or synchronize to the bypass
AC input (mains 2) source.
Forced bypass to inverter (pushbutton #4) Pressing and holding the “security key” while pressing this
pushbutton forces the transfer of the load to the inverter output when the bypass is
out of tolerance. The inverter must be on; press the “inverter on” pushbutton on the
UPS front panel if necessary. The load will experience a 0.8 second interruption.
Refer to section 2.12, Forced Transfers.
Forced inverter to bypass (pushbutton #5) Pressing and holding the “security key” while pressing this
pushbutton stops the inverter and transfers the load to the bypass AC input (mains
2) even if the bypass is out of tolerance. The load will experience a 0.8 second inter-
ruption. Refer to section 2.12, Forced Transfers.
CAUTION: Using the forced transfer functions will cause the load to
experience an interruption for a minimum of 0.8 seconds. Be
certain the load can tolerate this interruption; see section
2.12 Forced Transfers.

(This page left blank intentionally)
EPS 8000 UPS Single Module
page 1 — 14

Users Manual
Operation
page 2 —1
2.0 Scope
This section describes procedures for normal operation of EPS 8000 Single Module systems. Including interactive
front panel display, settings for language configuration, alarms message displays, voltage, current, battery measure-
ments, with before and after start-up checks, emergency shutdown using EPO disconnects, and normal conditions
for using forced transfers.
2.1 Status Screen Display
The alphanumeric interactive status screen display, (located in the top pane of the hidden panel, see Figure 1-7), is
the automatic default display for status setting configurations.
Figure 2-1: Default Status Screen Alphanumerical Display Configuration.
During normal operation, when there are no alarm conditions present and the load is supplied by the UPS inverter
output, the display will present the general status message:
LOAD IS PROTECTED
UPS IS ON LINE
When there are alarm conditions, the display will present a general alarm message, and the user can use the
“alarm” pushbutton (!) to determine the exact cause of the alarm condition, see section x.x.x, Alarms.
The following sections present detailed operating instructions for the alphanumeric display.
Operation
General status screen.
This is the default display. It automatically reappears
if the control panel has not been used for ten minutes.
Alarm display
Voltage measurements
Current measurements
Frequency and power measurements
Battery measurements
Reserved for future use (on/off controls)
Language and screen contrast settings
V
+–
!
A
W.Hz
°≥
to
set to
confirm
to
confirm
*

Operation
EPS 8000 UPS Single Module
page 2 —2
2.2 Settings Selection Screen
The settings selection screens allow the user to configure the display language and set the contrast of the LCD display.
To access the settings selection screen, press the settings pushbutton, and follow the steps. See Figure 2-2.
Figure 2-2: Settings Selection Display Screen.
IMPORTANT: Select ENGLISH U.S. as the display language to match the
displays as presented in this manual.
2.3 Alarms
In the event of an alarm condition, the general status screen shows an alarm message. To determine the specific
condition causing the alarm, press the alarm key on the front panel and follow the sequential steps.
If there is a flashing exclamation mark (!) in the displayed message, there is additional information to be viewed, follow
the steps as indicated in Figure 2-3.
Most alarm messages are self-explanatory. See section 3.5 LCD Messages for a listing of the most common alarm
messages.
LANGUAGE = ENGLISH U.S.
≥=SELECT *=CONFIRM.
general status screen
DISPLAY CONTRAST
≥=SELECT *=CONFIRM.
°
ø
°
Press the settings pushbutton to access the
language selection menu.
Select the display language: French, English
(U.K.), Spanish, Dutch, Italian, Swedish,
Portugese, English (U.S.), German, or Finnish
Press the ° pushbutton to confirm the language
selection and access the contrast selection menu.
Set the display contrast by pressing the ≥
pushbutton until the desired contrast is reached.
Press the ° pushbutton to confirm the contrast
selection and return to the general status screen.

page 2 —3
Users Manual
The most serious alarms are stored in the fault log, and may be viewed by following the steps shown in Figure 2-3.
To reset the alarms, press the “clear fault log” pushbutton. See section 1.5.2.2 Alphanumeric Display Pushbuttons.
Figure 2-3: Sequential Alarm Messages for Viewing the Fault Log.
2.4 Sensor Measurements
The LCD displays comprehensive information about UPS performance monitoring functions through sensor measure-
ments devices located within the EPS 8000 single module. See Figure 2-4.
Figure 2-4: Measurement Sensors Located throughout the EPS 8000 S-M UPS.
Operation
.
ALARM
. . . !
⁄
⁄
⁄
(ALARM MESSAGE NUMBER 1)
!
(LAST ALARM MESSAGE)
general status screen
This message on the general status screen
indicates an alarm condition. The flashing
exclamation mark ( ! ) indicates that there are
alarm messages to view. To view them, press the
"alarm" pushbutton.
The last alarm message is not followed by an
exclamation mark ( ! ). When the "alarm"
pushbutton is pressed again, the display will
return to the general status screen.
Q1
RECTIFIER/
CHARGER INVERTER
STATIC SWITCH
Q5N TO
ATTACHED
LOAD
QF1
BYPASS
AC INPUT/
MAINS 2
MAIN
AC INPUT/
MAINS 1
EPS 8000 UPS MODULE
EPS 8000
BATTERY
CABINET
Q4S or K4S
CHARGER
V, A, Hz BATTERY
V, A
INVERTER
V, Hz, A, W LOAD
V, A, Hz, W
BYPASS
V, Hz
Q3BP

EPS 8000 UPS Single Module
page 2 —4 Operation
2.5 Voltage Measurements
To display voltage measurements, press the “V” key on the keyboard. See Figure 2-5.
Figure 2-5: Voltage Measurement Displays.
Select voltage measurements by
pressing the ◊ pushbutton
INPUT VAB VBC VCA
V RMS
BYPASS VAN VBN VCN
V RMS
BYPASS VAB VBC VCA
V RMS
INV. VAN VBN VCN
V RMS
INV. VAB VBC VCA
V RMS
LOAD VAN VBN VCN
V RMS
LOAD VAB VBC VCA
V RMS
◊
◊
◊
◊
◊
◊
◊
◊
Main input (mains 1) phase-to-phase voltages
in VAC RMS.
Bypass input (mains 2) phase-to-neutral
voltages in VAC RMS.
Bypass input (mains 2) phase-to- phase
voltages in VAC RMS.
Inverter output phase-to-neutral voltages in
VAC RMS.
Inverter output phase-to-phase voltages in
VAC RMS.
Load phase-to-neutral voltages in VAC RMS.
Load phase-to-phase voltages in VAC RMS.
(Only in UPS modules)
(only in SSC)
(only in SSC)
(only in UPS modules)
(only in UPS modules)

page 2 —5
Users Manual
2.6 Current Measurements
To display current measurements, press the “A” key on the keyboard. See Figure 2-6.
Figure 2-6: Current Measurements Displays.
Operation
Select current measurements by
pressing the Å pushbutton
INPUT I1 I2 I3
A RMS
BYPASS I1 I2 I3
A RMS
I LOAD / IN
=
Å
Å
Å
Å
Å
Å
Å
INV. I1 I2 I3
A RMS
LOAD I1 I2 I3
A RMS
% (IN = A)
LOAD I1 I2 I3
CREST F.
Main input (mains 1) currents in AAC RMS.
Bypass input (mains 2) currents in AAC RMS.
Inverter output currents in AAC RMS.
Load currents in AAC RMS.
Highest current drawn by a load phase, relative to
the current rating of the UPS module or SSC (IN).
Load crest factor for each phase.
(Only in UPS modules)
(only in SSC)
(only in UPS modules)

2.7 Power Frequency Measurements
To display power or frequency measurements, press the “W.Hz” key on the keyboard. See Figure 2-7.
Figure 2-7: Power and Frequency Measurements Displays.
Operation
EPS 8000 UPS Single Module
page 2 —6
Select power and frequency measurements
by pressing the „ pushbutton.
FREQ. INP. BYP. INV.
HZ
LOAD P1 P2 P3
KW
P. TOTAL P.KW P.KVA
LOAD
POWER FACTOR
LOAD P.F. =
P LOAD / Pn
= %
LOAD P1 P2 P3
KVA
(PN= KW)
„
„
„
„
„
„
„
Frequency in Hertz for the main input (mains 1),
bypass input (mains 2), and inverter output.
Real power drawn by the load in kilowatts, for
each phase.
Percentage of real power drawn by the load,
relative to the rated output of the UPS module or
SSC.
Apparent power in kVA drawn by the load for
each phase.
Total real power (in kW) and apparent power (in
kVA) drawn by the load.
Load power factor (real power divided by
apparent power)

Operation page 2 —7
Users Manual
2.8 Battery Measurements
To display battery voltage, current, ambient temperature, and time available or remaining, press the battery key on the
keyboard. see Figure 2-8.
Figure 2-8: Battery Measurements Displays.
Select battery measurements by
pressing the "battery" pushbutton.
UBAT.
V
AVAILABLE BAT.TIME
MN %KV LOAD =
IBAT.
* A
T BAT.
°
C
OR
REMAINING BAT. TIME
MN %KV LOAD =
ı
ı
ı
ı
Baattery voltage (VDC), charge (+) or discharge
(–) current (ADC), and battery temperature
(degrees Celsius).
If the main input (main 1) source is available, this
indicates the amount of battery time (in minutes)
available in the event of a main input outage.
If the main input (mains 1) source is out of
tolerance or is unavailable, this indicates the
amount of battery time (in minutes) remaining for
on-battery operation.

Operation
EPS 8000 UPS Single Module
page 2 —8
2.9 LCD Messages
This section presents the most common alarm messages that appear on the LCD (the alphanumeric section of the
“hidden” panel), and explains their meaning.
LOAD IS PROTECTED
UPS IS ON LINE
This is the normal display message. There are no alarms or problems, and the load is being supplied by the UPS
inverter.
2.9.1 General Alarms
LOW LEVEL ALARM
UPS OK !
This message indicates that a problem requiring action has occurred. The load is still supplied by the
inverter. The problem is listed in the secondary alarm message (see below), as indicated by the
flashing
exclamation mark (!).
The alarm message may be viewed by pressing the “alarm” pushbutton (!)
UPS INPUT FAILURE
LOAD ON BATTERY !
This message indicates that the main AC input (mains 1) has failed or is outside of tolerance, and power to the
inverter is being supplied from the UPS battery system. The load is still supplied via the inverter.
REMAINING BAT. TIME
__ MN %KW LOAD = __
This message is automatically displayed every five seconds when the UPS is on battery. It alternates with the
previous message. The message provides an estimate of the available remaining time on battery, based on the
percentage of full rated load being supplied, the type of battery, the battery temperature, and the battery age.
UPS LOW BATTERY
SHUTDOWN IMMINENT !
This message indicates that the batteries have reached the “low battery shutdown” warning level. The user must
take steps to prepare the load for shutdown (load shedding, file saving and computer shutdown, etc.). This
message replaces the previous two messages when the batteries are nearly depleted. When this message
appears, there are only a few minutes of battery back-up time remaining.
UPS ALARM
CALL SERVICE !
This indicates that the battery disconnect circuit breaker QF1 has been open or the inverter has stopped and that
service is required. The problem is listed in the secondary alarm message (see below), as indicated by the flashing
exclamation mark (!). The secondary alarm message may be viewed by pressing the “alarm” pushbutton (!).

Operation page 2 —9
Users Manual
2.9.2 Secondary Alarms
The presence of these alarms is indicated by a flashing exclamation mark (!) on the general alarm message. Press
the “alarm” pushbutton to view these messages.
EMERGENCY SHUTDOWN
REPO ON !
This message indicates that the UPS has been shut down because a remote emergency power off (REPO)
pushbutton has been pressed and is still closed.
LOAD ON
BYPASS !
This message indicates that the load has been transferred to the bypass AC input (mains 2) source. The load is no
longer protected.
BYPASS PROBLEM
CHECK FREQUENCY !
This message indicates that the bypass AC input (mains 2) source is out of frequency tolerance. The inverter has
switched to free-running mode. Transfer of the load from the inverter output to the bypass AC input source requires
an interruption of power to the load.
BYPASS PROBLEM
CHECK VOLTAGE !
This message indicates that the bypass AC input (mains 2) source is out of voltage tolerance. The inverter has
switched to free-running mode. Transfer of the load from the inverter output to the bypass AC input source requires
an interruption of power to the load.
INDEPENDENT INVERTER
FREQ. COMMAND ON !
This message indicates that the inverter has been set to free-running mode. The inverter is not synchronized to the
bypass AC input (mains 2) power source. Transfer of the load from the inverter output to the bypass AC input source
requires an interruption of power to the load.
BYPASS TRANSFER
LOCKOUT COMMAND ON !
This message indicates that the UPS has been set not to transfer from the inverter to the bypass AC input (mains
2) source. In the event of an inverter shutdown, the load will be disconnected.
BATTERY CABINET
OVERTEMP. !
This message indicates that the ambient temperature of the battery is out of tolerance.

Operation
EPS 8000 UPS Single Module
page 2 —10
UPS INPUT PROBLEM
CHECK FREQUENCY !
This message indicates that the main AC input (mains 1) frequency is out of tolerance. The rectifier/battery charger
has shut down and the inverter is operating from its battery source.
UPS INPUT PROBLEM
CHECK VOLTAGE !
This message indicates that the main AC input (mains 1) voltage is out of tolerance. the rectifier/battery charger
has shut down and the inverter is operating from its battery source.
CHARGER SHUTDOWN
COMMAND ON !
This message indicates that the rectifier/battery charger has been instructed to shut down, for example during
progressive (stepped) transfer to a motor-generator set.
INPUT KVA LIMITED
COMMAND ON !
This message indicates that the rectifier/battery charger has been instructed to limit the power drawn from the main
AC input (mains 1) source. This condition occurs, for example, when the load is being supplied by an undersized
motor-generator set; the UPS battery source is called upon to make up the difference.
BATTERY CURRENT
LIMIT COMMAND ON !
This message indicates that the rectifier/battery charger has been instructed to limit the charge current to the
battery. Normal charge current to the battery will be supplied when the command is released. This condition occurs,
for example, when the load is being supplied by an undersized motor-generator set.
QF1 BATTERY BREAKER
OPEN !
This message indicates that the battery circuit breaker QF1 has been opened or has tripped. the load is no longer
protected, since battery power is unavailable.
LOW BATTERY
. . . !
This message indicates that the inverter has shut down, due to depletion of the batterys' stored energy.
CHARGER OFF
. . . !
This message indicates that the rectifier/battery charger has shut down.
CHARGER FAULT
CALL SERVICE !
This message indicates that a fault has occurred in the rectifier/battery charger, and that service is required.

Operation page 2 —11
Users Manual
Q1 UPS INPUT CB
OPEN !
This message indicates that the input isolation circuit breaker is open or has tripped. It must be closed for
rectifier/battery charger start-up.
INVERTER OVERLOAD
CHECK P.F. AND KW
This message indicates that the inverter is in an overload condition, usually due to excessive real power (kW) being
drawn by the load. The flashing “KW” indicates that the operator should check the load real power. The inverter
will keep supplying the load for a certain amount of time depending on the overload level.
INVERTER FAULT
CALL SERVICE !
This message indicates that a fault has occurred in the inverter, and that service is required.
INVERTER SHUTDOWN
OVERLOAD > I MAX!
This message indicates that an overload greater than 1.5 times the full power rating of the inverter has occurred,
and that the inverter has shut down.
INVERTER SHUTDOWN
THERMAL OVERLOAD A
This message indicates that an overload below 1.5 times the full power rating of the inverter has occurred and that
the inverter has shut down. The flashing “A” indicates that the operator should check the load current.
I LOAD > IN
CHECK LOAD A
This message indicates that the load power being drawn is greater than the UPS full load rating. The flashing “A”
indicates that the operator should check the load current. The inverter or static switch will keep supplying the load
for a certain amount of time depending on the overload level.
TRANSFER FAULT
CALL SERVICE !
This message indicates that a fault has occurred that affects the transfer of the load between the inverter and the
bypass source. Service is required.
PH OUT OF TOLERANCE !
This message indicates that there is an out of tolerance condition between the inverter and bypass AC input (mains
2) sources. Transfer of the load between the inverter and bypass AC input will result in an interruption of load power.
Q4S BYPASS SWITCH
OPEN !
This message indicates that the circuit breaker Q4S is open. Transfer of the load from the inverter to the bypass
source is not possible.

Q5N UPS OUTPUT ISOL.
SWITCH OPEN !
This message indicates that the optional UPS isolation circuit breaker Q5N is open. The load is not supplied unless
the maintenance bypass circuit breaker Q3BP is closed.
Q3BP MAINT. BYPASS
SWITCH CLOSED !
This message indicates that the optional maintenance bypass circuit breaker Q3BP is closed. The system is set to
maintenance bypass, and the load is supplied by the bypass AC input source (mains 2).
STATIC SWITCH O.L.
EMERGENCY OFF !
This message indicates that the static switch has shut down following an overload condition, disconnecting the load.
DISPLAY NUMBER 1
UNAVAILABLE
This message indicates that the alphanumeric display is not operating properly. The status of the UPS is still
correctly indicated by the LEDs of the visible panel and the hidden panel, see section 1.5 Single Module Indicators
and Controls.
HARMONIC FILTER
FUSE FAILED
This message indicates that the fuse(s) protecting the input harmonic filter has opened and that service is required.
The status of the UPS is still correctly indicated by the LEDs of the visible panel. Refer to section 1.5 Single Module
Indicators and Controls for front and hidden panel indicators and controls.
Operation
EPS 8000 UPS Single Module
page 2 —12

Operation page 2 —13
Users Manual
2.10 Preparations Before Start-up
Preparing before start-up uses a check list to powering up the EPS 8000 UPS. Reference the EPS 8000 Shared
Systems Users Manual 86-132216-00, and Installation Manual for Single module and Shared Systems 86-132215-
00, in conjunction with this start-up procedure, to utilize information of the controls and indicators during start-up.
2.10.1 Checks Before Start-up
Before starting the EPS 8000, thoroughly read this manual to be certain that you fully understand the operation of
the EPS 8000 Single Modules indicators, controls, and operational sequences.
Before starting the EPS 8000, make certain that these conditions exist (as applicable to your installation):
◗All power and control wires have been properly connected and securely tightened.
◗The upstream and downstream protective devices are not tripped, and have been sized properly for the
UPS and load requirements.
◗The input voltage is the same as indicated on the UPS nameplate, located inside the right door of the EPS
8000 module.
◗The air filters located inside each EPS 8000 module front door are properly installed and free of dust, dirt,
and debris. Make certain that no objects block the air intake around the front bottom of the enclosures, and
that the air exhaust at the top rear of the enclosures is free of obstructions.
◗The UPS module input isolation circuit breaker Q1 is in the OFF (open) position.
◗The bypass circuit breaker Q4S is in the OFF (open) position.
◗The optional maintenance bypass circuit breaker Q3BP (if present) is in the OFF (open) position.
◗The optional UPS isolation circuit breaker Q5N (if present) is in the OFF (open) position.
◗The battery disconnect circuit breaker QF1 is in the OFF (open) position.

2.10.2 Start-up
The following start-up procedure should be performed during the initial start-up following installation of the system, and
this sequence should be followed any time that the EPS 6000 UPS is being restarted from an off condition (i.e., after
the UPS has been powered down by removing the upstream AC input power and opening all the circuit breakers of
the UPS).
a. Apply power to Q4S by closing the upstream circuit breaker supplying Q4S.
b. Apply power to the UPS input by closing the upstream circuit breaker supplying the main AC input (mains 1).
c. Close the optional maintenance bypass circuit breaker Q3BP (if present). Power is now available at the UPS
output (the load is energized) via the bypass source.
d. Close the control or bypass circuit breaker Q4S. The static switch will come on-line; the fans will start.
e. Close the output isolation circuit breaker Q5N (if present).
f. Open the maintenance bypass circuit breaker Q3BP (if present). The load is now supplied via the bypass
source.
Note that if your UPS configuration does not include the maintenance bypass option, start-up requires only
closing Q4S to supply the bypass source to the attached load.
g. Close the input isolation circuit breaker Q1. Verify that the following conditions exist:
◗The red “load not protected” LED is on
◗The rectifier/battery charger automatically starts
If either condition is not present, there is a fault. Open Q1 and contact MGE Customer Support Services.
h. Close the battery disconnect circuit breaker QF1. The batteries are now connected to the rectifier/battery
charger, and have begun charging.
IMPORTANT: Because it is standard for the UPS module to be
programmed for automatic restart, the inverter will
automatically start after the battery disconnect circuit
breaker QF1 has been closed.
i. If the UPS is not programmed for automatic restart, press the “inverter on” pushbutton. The green “load
protected” LED will flash for about 3 seconds, indicating that the inverter is starting.
j. The UPS will automatically transfer the load to the UPS inverter output. The green “load protected” LED will
turn on and remain on.
Operation
EPS 8000 UPS Single Module
page 2 —14

Operation page 2 —15
Users Manual
NOTE: If the transfer conditions are not satisfied (bypass AC input
sources is out of tolerance) a forced transfer is required.
Refer to section 2.12 Forced Transfers.
2.10.3 Checks After Start-up
After initial start-up of the system, normal operation should be tested. At the minimum, the following tests should be
performed as applicable to your installation:
◗Emergency power off (EPO) test.
◗Remote emergency power off (REPO) test (if applicable).
◗Inverter start and stop.
◗Battery transfer test.
◗Maintenance bypass procedure.
2.11 Shutdown
Shutdown procedures in this section apply to the EPS 8000 UPS cabinet under normal, emergency, overload, and
maintenance conditions.
2.11.1 Emergency Shutdown Using EPO
CAUTION: Pressing the EPO disconnects the attached load. The
emergency power off (EPO) is to be used during emergency
situations only, where a hazard to personnel or equipment
exists, such as during a fire. DO NOT USE THE EPO TO
TURN THE UPS OFF; follow the procedures listed in
this section for turning the inverter on and off.
During an emergency situation, such as a fire in the computer or electrical room, the UPS and all downstream
devices can be instantly shut down by pressing the “emergency power off” (EPO) pushbutton on the front panel of
the UPS cabinet, or by pressing the “remote emergency power off” (REPO) optional pushbutton located within the
room.
The EPO or REPO pushbuttons should not be used for normal shutdown of the equipment; when activated, ground
paths may be broken (depending on installation) and sensitive loads attached to the UPS may lose safety ground
connection.

2.11.2 Normal Shutdown
To shut down the UPS, press the “inverter off” pushbutton on the module front panel for 3 seconds. To restart, press
the “inverter on” pushbutton. Note that the transfer will occur only if the inverter is synchronized to the bypass;
otherwise, a forced transfer is needed, see section 2.12 Forced Transfers.
To isolate the UPS for maintenance, or to transfer the load to the bypass AC input source (if present), follow
the procedure that applies to your configuration.
2.11.3 With Maintenance Bypass
This procedure assumes that the UPS is operating normally, with the attached load supplied via the UPS inverter:
1. Stop the inverter by pressing the “inverter off” pushbutton on the UPS front panel for 3 seconds. The audible
alarm will sound; silence the alarm by pressing the audible alarm reset pushbutton on the hidden panel. See
section 1.5 Single Module Indicators and Controls.
If the transfer conditions are not satisfied (bypass out of tolerance or another reason), a forced transfer will be
required., in this case refer to section 2.12 Forced Transfers for procedures.
2. Depress transfer initiate switch. Unlock and remove the key from key interlock. Unlock and close the mainte-
nance bypass circuit breaker Q3BP, see Figure 1-10.
3. Open the UPS isolation circuit breaker Q5N and lock open. The UPS is now isolated from the load which is
supplied by the bypass AC input source.
4. Open the circuit breaker Q4S.
5. Open the battery disconnect circuit breaker(s) QF1.
6. Open the input isolation circuit breaker Q1.
7. Remove the key from Q5N.
8. Insert the key into key interlock and turn to lock. The UPS system is ready for maintenance.
For complete protection, the upstream circuit breaker(s) supplying the UPS should be opened, locked, and tagged
while the UPS is being serviced. The UPS is now isolated for maintenance.
NOTE: This will dump any load being serviced even through the Bypass.
To restart the UPS after maintenance:
1. Close all the upstream circuit breakers supplying the UPS. Close the input isolation circuit breaker Q1.
2.
Close the circuit breaker Q4S. The UPS fans will start. Verify that the UPS is on bypass.
3. Depress transfer initiate switch. Unlock and remove the key from key interlock.
4. Insert the key into Q5N and unlock. Close the UPS isolation circuit breaker Q5N.
5. Open the maintenance bypass circuit breaker Q3BP and lock open. Remove the key.
6. Insert the key into the key interlock and turn to lock.
7. Wait for the green LED “B” on the hidden panel to turn on (indicating that the rectifier/battery charger has
started), then close the battery disconnect circuit breaker QF1. If there is more than one battery cabinet in your
Operation
EPS 8000 UPS Single Module
page 2 —16

Operation page 2 —17
Users Manual
configuration, close all the battery disconnect circuit breakers.
8. Automatic restart of the UPS is the normal configuration; the UPS inverter will start automatically and resume
normal operation. If your EPS 6000 has been programmed NOT to automatically restart, start the inverter by
pressing the “inverter on” pushbutton on the UPS front panel. The inverter will start and the UPS will resume
normal operation. If the transfer conditions are not satisfied (bypass out of tolerance or other reason), a forced
transfer will be required. Refer to section 2.12, Forced Transfers.
2.11.4 Without Maintenance Bypass
This procedure assumes that the UPS is operating normally, with the attached load supplied via the UPS inverter.
1. Stop the inverter by pressing the “inverter off” pushbutton on the UPS front panel for 3 seconds. The audible
alarm will sound; silence the alarm by pressing the audible alarm reset pushbutton on the hidden panel (see
Figure 1-7). If the transfer conditions are not satisfied (bypass out of tolerance or other reason), a forced
transfer is required; refer to Section 2.12, Forced Transfers.
2. Open the circuit breaker Q4S.
CAUTION: Opening Q4S with the inverter stopped in a UPS without
maintenance bypass will disconnect the attached load.
3. Open the battery disconnect circuit breaker(s) QF1.
4. Open the input isolation circuit breaker Q1.
For complete protection, the upstream circuit breaker(s) supplying the UPS should be opened, locked, and tagged
while the UPS is being serviced. The UPS is now isolated for maintenance.
To restart the UPS after maintenance:
1. Close all the upstream circuit breakers supplying the UPS. Close the input isolation circuit breaker Q1.
2. Close the circuit breaker Q4S. The UPS fans will start and the attached load will be supplied via the bypass
source.
3. Wait for the green LED “B” on the hidden panel to turn on (indicating that the rectifier/battery charger has
started), then close the battery disconnect circuit breaker QF1. If there is more than one battery cabinet in your
configuration, close all the battery disconnect circuit breakers.
4. Automatic restart of the UPS is the normal configuration; the UPS inverter will start automatically and resume
normal operation. If your EPS 6000 has been programmed NOT to automatically restart, start the inverter by
pressing the “inverter on” pushbutton on the UPS front panel. In a few moments, the inverter will start and the
UPS will resume normal operation. If the transfer conditions are not satisfied (bypass out of tolerance or other
reason), a forced transfer will be required. Refer to section 2.12, Forced Transfers.

2.12 Forced Transfers
This section describes the normal transfer conditions and the procedures to be followed when issuing forced transfers.
CAUTION: Opening Q4S with the inverter stopped in a UPS without
maintenance bypass will disconnect the attached load.
2.12.1 Uninterrupted Transfer Conditions
To transfer the load between the UPS module output and the bypass AC input (mains 2) source without interruption,
the following conditions must be satisfied:
◗inverter output and bypass AC input phases must be in sync
◗Bypass AC input voltage must be within 10% of nominal
◗Bypass AC input frequency must be within a certain programmable tolerance of nominal
Provided that both the UPS module output and bypass AC input sources meet these conditions, uninterrupted
transfers can take place. If these conditions are not met, transfers cannot take place without interruption. A forced
transfer is required.
Forced transfers require a power interruption to the load of 0.8 seconds. Before issuing a forced transfer command,
be certain that the attached load can tolerate the brief outage. The following paragraphs describe the forced transfer
procedures.
2.12.2 Forced Transfer from Bypass AC Input Source to Inverter
Start the inverter by pressing the “inverter on” button on the front panel.
On the hidden panel, press the “security” key and hold it while pressing the “forced bypass to inverter” key
(pushbutton #4). The load will be disconnected for 0.8 seconds, then connected to the inverter.
2.12.3 Forced Transfer from Inverter to Bypass AC Input
On the hidden panel, press the “security” key and hold it while pressing the “forced inverter to bypass” key (pushbutton
#5). The inverter will stop and the load will be disconnected for 0.8 seconds; then the load will be connected to the
bypass AC input source. See Figure 1-10.
Operation
EPS 8000 UPS Single Module
page 2 —18

Users Manual
Maintenance
Maintenance
page 3 —1
3.0 Scope
This section describes maintenance of the EPS 8000, including safety instructions, preventive maintenance,
isolation for maintenance, information about replacement parts, and troubleshooting LCD alarm messages.
3.1 Safety Instructions
WARNING: DC input power to the inverter is normally from a battery
bank with a very high short-circuit capacity. Accidental
welding and severe burns can be caused by mistakes while
connecting or disconnecting these conductors.
ATTENTION L'entrée DC de l'onduleur est normalement alimentée par une
batterie avee un courant de court-circuit élevé. Une erreur
lors de la connexion ou deconnexion de ces conducteurs
peut causer des soudures accidentelles et des brûlures
sérieuses.
WARNUNG! Gleichstrom zum Wechselrichter kommt gewoehnlich von der
Batteriebank mit einer sehr hohen Kurzschluss
Leistungsfaehigkeit. Unbeabsichtigtes Schweissen und
schwere Verbrennungen koennen die Folgevon fehlerhafter
Verbindung und Trennung sein.
3.2 IMPORTANT SAFETY INSTRUCTIONS FOR SERVICING BATTERIES
A. Servicing of batteries should be performed or supervised by personnel knowledgeable of batteries and the
required precautions. Keep unauthorized personnel away from batteries.
B. When replacing batteries, use the same model and manufacturer of batteries.
C. CAUTION — Do not dispose of battery or batteries in a fire. The battery may explode.
D. CAUTION — Do not open or mutilate the battery or batteries. Released electrolyte is harmful to the skin and
eyes. It may be toxic.
E. CAUTION — A battery can present a risk of electrical shock and high short-circuit current. The following precau-
tions should be observed when working with batteries:
1. Remove watches, rings, or other metal objects.
2. Use tools with insulated handles.
3. Wear rubber gloves and boots.
4. Do not lay tools or metal parts on top of batteries.
5. Disconnect charging source prior to connecting or disconnecting battery terminals.
6. Determine if the battery is inadvertently grounded. If inadvertently grounded, remove the source of ground.
Contact with any part of a grounded battery can result in electrical shock. The likelihood of such shock will
be reduced if such grounds are removed during installation and maintenance.

3.3 Preventive Maintenance
The following preventive maintenance routines should be considered the minimum requirements; your
installation and site may require additional preventive maintenance to assure optimal performance from
your installed EPS 8000 and associated equipment. These routines should be performed twice a year
(more often if required). We strongly recommend contracting MGE Customer Support Services for
preventive and remedial maintenance.
The technician or electrician performing preventive maintenance on the UPS must thoroughly read this manual, and
reference the EPS 8000 Installation Manual for Single Module and Shared systems (MGE part number 86-132215-
00) or the EPS 8000 Shared Systems Users Manual, (MGE part number 86-132216-00), to become familiar with
the indicators, controls, and operation of the EPS 8000 UPS systems.
a. Isolate and de-energize all EPS 8000 equipment for all maintenance operations.
b. Ensure that all equipment is clean and free of loose dust, dirt, and debris. The exterior of the enclosures
may be cleaned with a mild solution of soap and water, lightly applied with a lint-free cloth.
c. Inspect the air intake and exhaust plates and clean as required. Verify that air flows freely through the
equipment. Clean the air intake and exhaust plates, and the enclosure interior, with a vacuum cleaner.
d. The EPS 8000 module is equipped with air filters that should be changed at regular intervals. Inspect the
filters regularly to determine how long the filters will last in your installation.
e. Initiate the start-up procedure, as described in the User’s guide.
f. Test the main operating sequences as applicable to your equipment configuration and installation.
3.4 Replacement Parts
There are no user replaceable parts inside the EPS 8000.
Three levels of replacement parts are available for the EPS 8000 UPS. The three levels are designated A, B, and
C. The level that you should keep on hand for your installation will vary depending on the type of maintenance
planned on site, and the configuration of your UPS system. Having the replacement parts on hand will prevent any
unacceptable delays (due to time involved obtaining spare parts) during critical periods, such as system start-up.
Any items used during start-up will be replaced by MGE at no charge. Contact MGE Customer Support Services for
specific recommendations. A description of each level is provided below:
Level Description
AThis level of replacement parts consists of consumable items, specifically fuses and air filters. It
is recommended to have these items on hand during installation of the UPS systems, including
initial start-up.
BThis level of replacement parts is recommended when the user can tolerate short-duration UPS
down-time to obtain replacement parts in the event of a major UPS failure. This level of replace-
ment parts consists of consumable items, specifically fuses, air filters, an inverter leg, and the
most critical circuit board assemblies.
CThis level of replacement parts is recommended when the user can tolerate only a minimum of
down-time in the event of a major UPS failure. This level of replacement parts consists of consum-
able items, specifically fuses, air filters, an inverter leg, and a complete set of circuit board
assemblies.
Maintenance
EPS 8000 UPS Single Module
page 3 —2

Symbols Definition / Meaning
@At.
/And/or.
+/- Plus or Minus.
≤Equal to or less than.
#Number.
°C Degree Celsius.
°F Degree Fahrenheit.
ØPhase angle.
ΩOhm; unit of resistance.
®Trade Mark.
2nd Second.
A, B, C Normal sequence of phases (clockwise) in three-phase power.
AC or ac Alternating current, also implies root-mean-square (rms).
Alphanumeric display The LCD display above the hidden panel (behind the drop-down cover) on the UPS
module and the SSC.
Ambient Temp. Temperature of surrounding air.
Ambient noise Acoustical noise of surrounding environment.
Ambient noise The noise level of the environment.
Attached load The load attached to the UPS output, such as a computer system or manufacturing
system.
Audible alarm A buzzer, located behind the front panel on the UPS module and the SSC, that sounds
when alarm conditions occur.
ANSI American National Standard Institute.
AWG American Wire Gauge.
B or BAT. or BATT. Battery.
Breaker Electrical circuit interrupter.
BTU or Btu British thermal unit. Defined as the amount of heat required to raise the tempera-
ture of one pound of water by 1°F.
BYPASS See “Static Transfer switch”.
BYPASS mode See “off-line mode”.
Users Manual
Glossary
Glossary
page g — 1

Carrier The company or individual responsible for delivering goods from one location to another.
CCommon.
CB Circuit breaker.
cm Centimeter.
dB Decibels.
DC Direct current.
Conduit A flexible or rigid tube enclosing electrical conductors.
C.S.S. Customer Support Service.
Current rating The maximum current that a conductor or equipment can carry reliably without damage.
dBA Decibel Adjusted.
dBrnC Decibel above reference noise.
DC or dc Direct current, or voltage.
Digital Meter The LCD display on the front panel of inverter system.
Earth ground A ground circuit that has contact with the earth.
Electrician Refers to an installation electrician qualified to install heavy-duty electrical components in
accordance with local codes and regulations. Not necessarily qualified to maintain or repair
electrical or electronic equipment.
FET Field effect transistor.
Freq. Frequency.
Frequency slew rate The change in frequency per unit of time. Given in term of Hz per second (Hz/sec.).
GND Ground (safety).
Hz Hertz, frequency measurement unit, 1Hz is one cycle per second.
Input branch
circuit The input circuit from the building power panel to the equipment.
Inverter An electrical circuit that generates an AC sinewave output from a DC input.
Inverter mode See “on-line” mode.
ICurrent.
IEC International Electrotechnical Commission.
IEEE Institute of Electrical and Electronic Engineers.
Input branch circuit The input circuit from the building power panel to the equipment.
Inverter An electrical circuit that generates an AC voltage source from a DC voltage source.
IGBT Insulated gate bipolar transistors
Glossary
EPS 8000 UPS Single Module
page g — 2

kVA KiloVolt-Ampere; is equal to 1000 Volt-Ampere.
LLine.
LCD Liquid-Crystal Display unit.
LED Light Emitting Diode.
Load protected The attached load is being supplied by the UPS module inverter output, and the
battery is available in the event that incoming (utility) power is lost.
Load not protected The attached load is being supplied, but the battery system is unavailable.
Low battery
Shutdown The battery has reached the lowest permitted operating voltage, and the inverter has
shut down (disconnecting the load) to protect the battery from damage due to further
discharge.
Mains or Mains 1 Main AC input source.
Mains 2 Bypass AC input source.
mA Milliampere.
MAX. Maximum.
MCM Thousand circular mil; standard wire sizes for multiple stranded conductors over 4/0
AWG in diameter. M is from Roman numerical system indicating 1000.
Module Refers to individual power inverter module.
NNeutral.
NC Normally close.
NO Normally open.
NEC National Electrical Code.
NFPA National Fire Protection Association.
NO. or No. Part number.
On-battery operation The attached load is being supplied by the stored energy in the battery system.
On-line mode Inverter output power is the primary energy source to load.
Off-line mode Inverter output is off, and the load connected at the inverter output receives power
from utility line via a static transfer switch or maintenance bypass relay.
OSHA Occupational Safety and Health Agency.
PCB Printed circuit assembly.
PCB Printed circuit board.
PWM Pulse Width Modulation.
Q1 UPS input isolation circuit breaker.
Glossary page g — 3
Users Manual

Q3BP Optional maintenance bypass circuit breaker (in single-module UPS system); optional mainte-
nance bypass circuit breaker in MBC cabinet (in shared systems).
Q4S Control or bypass circuit breaker (in single-module UPS systems); user-supplied bypass AC
input circuit breaker supplying the SSC (in shared systems).
Q5N Optional UPS isolation circuit breaker (in single-module UPS systems); UPS module isolation
circuit breaker (in shared systems); optional SSC isolation circuit breaker (in MBC).
QF1 Battery disconnect circuit breaker.
Remote
emergency power off A switch used for shutting down electrical equipment from a location away from the equipment.
SCR Silicon controlled rectifier.
Security bypass (key) Pushbutton on the hidden panel (UPS modules and SSC) allowing forced transfers and other
commands to be issued. The security key pushbutton must be held down while the desired
function is executed.
Shipping damage Any damage done to an article while it is in transit.
SPDT Single Pole Double Throw.
SSC Static switch cabinet (in shared systems).
Static Transfer An solid state switching mechanism electronically controlled to pass AC power directly from the
utility to an output load.
Technician Refers to an electronic technician qualified to maintain and repair electronic equipment. Not
necessarily qualified to install electrical wiring.
Test connector DB-9 type connector on the LCD panel allowing MGE UPS SYSTEMS Customer Support
Service technician to access programmable and diagnostic features of the system.
UVoltage.
UF Under frequency.
UL Underwriters Laboratories, Inc.
UPS Uninterruptible power system.
UV Under voltage.
VACVolts of alternating current.
Vb Battery voltage (in volts DC).
VDC Volts of direct current.
Via By way of.
VPC Volts per cell, the measure of the electrical potential of a storage cell, such as a battery.
XFMR Transformer.
Glossary
EPS 8000 UPS Single Module
page g — 4

Glossary page g — 5
Users Manual
VVolts
VA Volt amperes
VA Volt-amps, unit for apparent power measurement, equal V x I.
VAC or Vac Voltage of AC type.
VDC or Vdc Voltage of DC type.
ve Battery voltage.
Via By way of.

(This page left blank intentionally)
EPS 8000 UPS Single Module
page g — 6

Reorder form
1660 Scenic Avenue
Costa Mesa, CA 92626
Use this form to order additional copies of this document, or to report any errors,
omissions, or other problems you have experienced.
NAME __________________________________________________________________________________
COMPANY ________________________________________________________________________________
STREET ADDRESS _________________________________________________________________________
CITY _____________________________________ STATE __________________ ZIP ___________________
I would like to order______ (quantity @ $50.00 each) additional copies of the:
EPS 8000 UPS
Single Module
Users Manual
86-132217-00 A02
I would like to report the following problems with this document:



1660 Scenic Avenue, Costa Mesa, California 92626 • (714) 557-1636
www.mgeups.com