MICROCHIP TECHNOLOGY MRF24J40MB Spread Spectrum Transmitter User Manual MRF24J40MA

Microchip Technology Inc Spread Spectrum Transmitter MRF24J40MA

Users Manual

© 2009 Microchip Technology Inc. Preliminary DS70599BMRF24J40MBData Sheet2.4 GHz IEEE Std. 802.15.4™20 dBm RF Transceiver Module
DS70599B-page ii Preliminary © 2009 Microchip Technology Inc.Information contained in this publication regarding deviceapplications and the like is provided only for your convenienceand may be superseded by updates. It is your responsibility toensure that your application meets with your specifications.MICROCHIP MAKES NO REPRESENTATIONS ORWARRANTIES OF ANY KIND WHETHER EXPRESS ORIMPLIED, WRITTEN OR ORAL, STATUTORY OROTHERWISE, RELATED TO THE INFORMATION,INCLUDING BUT NOT LIMITED TO ITS CONDITION,QUALITY, PERFORMANCE, MERCHANTABILITY ORFITNESS FOR PURPOSE.  Microchip disclaims all liabilityarising from this information and its use. Use of Microchipdevices in life support and/or safety applications is entirely atthe buyer’s risk, and the buyer agrees to defend, indemnify andhold harmless Microchip from any and all damages, claims,suits, or expenses resulting from such use. No licenses areconveyed, implicitly or otherwise, under any Microchipintellectual property rights.TrademarksThe Microchip name and logo, the Microchip logo, dsPIC, KEELOQ, KEELOQ logo, MPLAB, PIC, PICmicro, PICSTART, rfPIC and UNI/O are registered trademarks of Microchip Technology Incorporated in the U.S.A. and other countries.FilterLab, Hampshire, HI-TECH C, Linear Active Thermistor, MXDEV, MXLAB, SEEVAL and The Embedded Control Solutions Company are registered trademarks of Microchip Technology Incorporated in the U.S.A.Analog-for-the-Digital Age, Application Maestro, CodeGuard, dsPICDEM, dsPICDEM.net, dsPICworks, dsSPEAK, ECAN, ECONOMONITOR, FanSense, HI-TIDE, In-Circuit Serial Programming, ICSP, ICEPIC, Mindi, MiWi, MPASM, MPLAB Certified logo, MPLIB, MPLINK, mTouch, nanoWatt XLP, Omniscient Code Generation, PICC, PICC-18, PICkit, PICDEM, PICDEM.net, PICtail, PIC32 logo, REAL ICE, rfLAB, Select Mode, Total Endurance, TSHARC, WiperLock and ZENA are trademarks of Microchip Technology Incorporated in the U.S.A. and other countries.SQTP is a service mark of Microchip Technology Incorporated in the U.S.A.All other trademarks mentioned herein are property of their respective companies.© 2009, Microchip Technology Incorporated, Printed in the U.S.A., All Rights Reserved. Printed on recycled paper.Note the following details of the code protection feature on Microchip devices:• Microchip products meet the specification contained in their particular Microchip Data Sheet.• Microchip believes that its family of products is one of the most secure families of its kind on the market today, when used in the intended manner and under normal conditions.• There are dishonest and possibly illegal methods used to breach the code protection feature. All of these methods, to our knowledge, require using the Microchip products in a manner outside the operating specifications contained in Microchip’s Data Sheets. Most likely, the person doing so is engaged in theft of intellectual property.• Microchip is willing to work with the customer who is concerned about the integrity of their code.• Neither Microchip nor any other semiconductor manufacturer can guarantee the security of their code. Code protection does not mean that we are guaranteeing the product as “unbreakable.”Code protection is constantly evolving. We at Microchip are committed to continuously improving the code protection features of ourproducts. Attempts to break Microchip’s code protection feature may be a violation of the Digital Millennium Copyright Act. If such actsallow unauthorized access to your software or other copyrighted work, you may have a right to sue for relief under that Act.Microchip received ISO/TS-16949:2002 certification for its worldwide headquarters, design and wafer fabrication facilities in Chandler and Tempe, Arizona; Gresham, Oregon and design centers in California and India. The Company’s quality system processes and procedures are for its PIC® MCUs and dsPIC® DSCs, KEELOQ® code hopping devices, Serial EEPROMs, microperipherals, nonvolatile memory and analog products. In addition, Microchip’s quality system for the design and manufacture of development systems is ISO 9001:2000 certified.
© 2009 Microchip Technology Inc. Preliminary DS70599B-page 1MRF24J40MBFeatures:• IEEE Std. 802.15.4™ Compliant RF Transceiver• Supports ZigBee®, MiWi™, MiWi P2P and Proprietary Wireless Networking Protocols• Small Size: 0.9" x 1.3" (22.9 mm x 33.0 mm), Surface Mountable• Integrated Crystal, Internal Voltage Regulator, Matching Circuitry, Power Amplifier, Low Noise Amplifier and PCB Antenna• Easy Integration into Final Product – Minimize Product Development, Quicker Time to Market• Radio Regulation Certified for United States (FCC), Canada (IC) and Europe (ETSI)• Compatible with Microchip Microcontroller Families (PIC16F, PIC18F, PIC24F/H, dsPIC33 and PIC32)• Up to 4000 ft. RangeOperational:• Operating Voltage: 2.4-3.6V (3.3V typical)• Temperature Range: -40°C to +85°C Industrial• Simple, Four-Wire SPI Interface• Low-Current Consumption:- RX mode: 25 mA (typical)- TX mode: 130 mA (typical)- Sleep: 5 μA (typical)RF/Analog Features:• ISM Band 2.405-2.48 GHz Operation• Data Rate: 250 kbps• -102 dBm Typical Sensitivity with -23 dBm Maximum Input Level• +20 dBm Typical Output Power with 56 dB TX Power Control Range• Integrated Low Phase Noise VCO, Frequency Synthesizer and PLL Loop Filter• Digital VCO and Filter Calibration• Integrated RSSI ADC and I/Q DACs• Integrated LDO• High Receiver and RSSI Dynamic RangeMAC/Baseband Features:• Hardware CSMA-CA Mechanism, Automatic ACK Response and FCS Check• Independent Beacon, Transmit and GTS FIFO• Supports all CCA modes and RSS/LQI• Automatic Packet Retransmit Capable• Hardware Security Engine (AES-128) with CTR, CCM and CBC-MAC modes• Supports Encryption and Decryption for MAC Sublayer and Upper LayerFIGURE 1: PIN DIAGRAM2345617VINGND8910RESETWAKESDOSDISCK CSNCGNDINT1211 GND2.4 GHz IEEE Std. 802.15.4™ 20 dBm RF Transceiver Module
MRF24J40MBDS70599B-page 2 Preliminary © 2009 Microchip Technology Inc.Table of Contents 1.0 Device Overview .......................................................................................................................................................................... 32.0 Circuit Description ........................................................................................................................................................................ 73.0 Regulatory Approval................................................................................................................................................................... 174.0 Electrical Characteristics ........................................................................................................................................................... 21Appendix A: Revision History............................................................................................................................................................... 23Index ...................................................................................................................................................................................................  25The Microchip Web Site ....................................................................................................................................................................... 27Customer Change Notification Service ................................................................................................................................................ 27Customer Support ................................................................................................................................................................................ 27Reader Response ................................................................................................................................................................................ 28Product Identification System............................................................................................................................................................... 29TO OUR VALUED CUSTOMERSIt is our intention to provide our valued customers with the best documentation possible to ensure successful use of your Microchipproducts. To this end, we will continue to improve our publications to better suit your needs. Our publications will be refined andenhanced as new volumes and updates are introduced. If you have any questions or comments regarding this publication, please contact the Marketing Communications Department viaE-mail at docerrors@microchip.com or fax the Reader Response Form in the back of this data sheet to (480) 792-4150. Wewelcome your feedback.Most Current Data SheetTo obtain the most up-to-date version of this data sheet, please register at our Worldwide Web site at:http://www.microchip.comYou can determine the version of a data sheet by examining its literature number found on the bottom outside corner of any page.The last character of the literature number is the version number, (e.g., DS30000A is version A of document DS30000).ErrataAn errata sheet, describing minor operational differences from the data sheet and recommended workarounds, may exist for currentdevices. As device/documentation issues become known to us, we will publish an errata sheet. The errata will specify the revisionof silicon and revision of document to which it applies.To determine if an errata sheet exists for a particular device, please check with one of the following:• Microchip’s Worldwide Web site; http://www.microchip.com• Your local Microchip sales office (see last page)When contacting a sales office, please specify which device, revision of silicon and data sheet (include literature number) you areusing.Customer Notification SystemRegister on our web site at www.microchip.com to receive the most current information on all of our products.
© 2009 Microchip Technology Inc. Preliminary DS70599B-page 3MRF24J40MB1.0 DEVICE OVERVIEWThe MRF24J40MB is a 2.4 GHz IEEE Std. 802.15.4™compliant, surface mount module with integratedcrystal, internal voltage regulator, matching circuitry,Power Amplifier, Low Noise Amplifier and PCBantenna. The MRF24J40MB module operates in thenon-licensed 2.4 GHz frequency band. The integratedmodule design frees the integrator from extensive RFand antenna design, and regulatory compliancetesting, allowing quicker time to market.The MRF24J40MB module is compatible withMicrochip’s ZigBee®, MiWi™ and MiWi P2P softwarestacks. Each software stack is available as a freedownload, including source code, from the Microchipweb site: http://www.microchip.com/wireless.The MRF24J40MB module has received regulatoryapprovals for modular devices in the United States(FCC), Canada (IC) and Europe (ETSI). Modularapproval removes the need for expensive RF andantenna design, and allows the end user to place theMRF24J40MB module inside a finished product andnot require regulatory testing for an intentional radiator(RF transmitter).1.1 Interface DescriptionFigure 1-1 shows a simplified block diagram of theMRF24J40MB module. The module is based on theMicrochip Technology MRF24J40 IEEE 802.15.4™2.4 GHz RF Transceiver IC. The module interfaces tomany popular Microchip PIC® microcontrollers via a4-wire serial SPI interface, interrupt, wake, Reset,power and ground, as shown in Figure 1-2. Table 1-1provides the pin descriptions.Data communications with the MRF24J40MB moduleare documented in the “MRF24J40 IEEE 802.15.4™2.4 GHz RF Transceiver Data Sheet” (DS39776). Referto the MRF24J40 Data Sheet for specific serialinterface protocol and register definitions.FIGURE 1-1: MRF24J40MB BLOCK DIAGRAMNote: See Section 3.0 “Regulatory Approval”for specific requirements to be followed bythe integrator.PCBAntennaPAPhysical MACInterfacePowerManagementSPI20 MHzCrystalDigitalI/OPowerMRF24J40MB IEEE Std. 802.15.4™ ModuleMRF24J40LNA
MRF24J40MBDS70599B-page 4 Preliminary © 2009 Microchip Technology Inc.FIGURE 1-2: MICROCONTROLLER TO MRF24J40MB INTERFACETABLE 1-1: PIN DESCRIPTIONPin Symbol Type Description1 GND Power Ground2 RESET DI Global hardware Reset pin3 WAKE DI External wake-up trigger4 INT DO Interrupt pin to microcontroller5 SDI DI Serial interface data input 6 SCK DI Serial interface clock7 SDO DO Serial interface data output from MRF24J408CS DI Serial interface enable9 NC — No connection10 VIN Power Power supply11 GND Ground Ground12 GND Ground GroundLegend: Pin type abbreviation: D = Digital, I = Input, O = OutputSDOI/OSDISCKINTxMRF24J40MBCSSDISDOSCKINTI/O WAKEVINGNDPIC® MCUI/O RESET
© 2009 Microchip Technology Inc. Preliminary DS70599B-page 5MRF24J40MB1.2 Mounting DetailsThe MRF24J40MB is a surface mountable module.Module dimensions are shown in Figure 1-3. Themodule Printed Circuit Board (PCB) is 0.032" thick withcastellated mounting points on the edge. Figure 1-4 isa recommended host PCB footprint for theMRF24J40MB.The MRF24J40MB has an integrated PCB antenna.For the best performance, follow the mounting detailsshown in Figure 1-5. It is recommended that themodule be mounted on the edge of the host PCB, andan area around the antenna, approximately 1.2", bekept clear of metal objects. A host PCB ground planearound the MRF24J40MB acts as a counterpoise to thePCB antenna. It is recommended to extend the groundplane at least 0.4" around the module.FIGURE 1-3: MODULE DETAILSFIGURE 1-4: RECOMMENDED PCB FOOTPRINT
MRF24J40MBDS70599B-page 6 Preliminary © 2009 Microchip Technology Inc.FIGURE 1-5: MOUNTING DETAILS0.315”Edge of PCBKeep area around antenna(approximately 1.2 inches)clear of metallic structuresfor best performancePCB Ground Plane (Counterpoise)Underneath and extend as far as possibleto the sides and below the module(at least 0.4 inches on each side)for best performance0.4”0.4” 0.4”1.2”1.2”
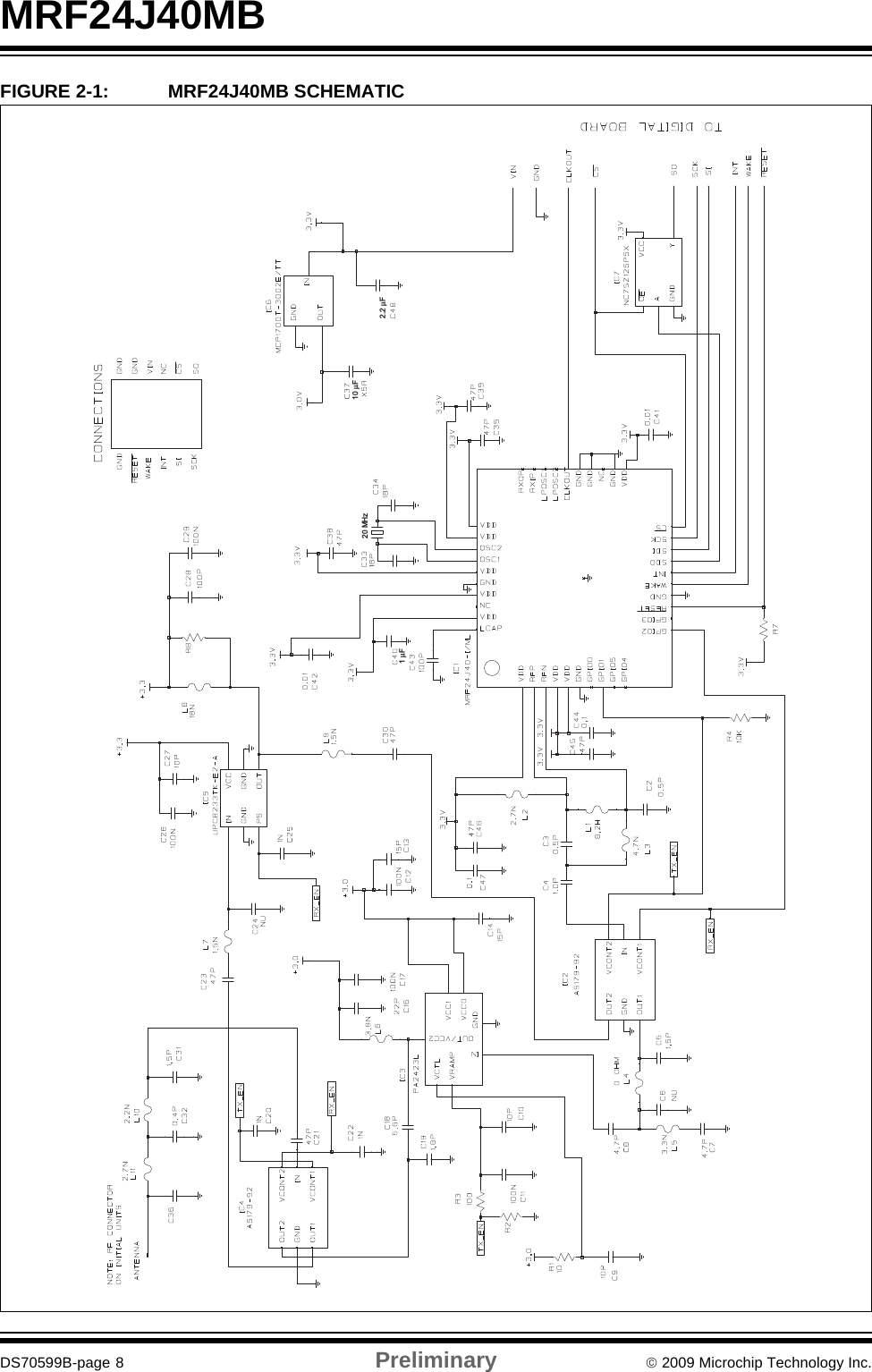
© 2009 Microchip Technology Inc. Preliminary DS70599B-page 7MRF24J40MB2.0 CIRCUIT DESCRIPTIONThe MRF24J40MB is a complete 2.4 GHz IEEEStd. 802.15.4™ compliant surface mount module withintegrated crystal, internal voltage regulator, matchingcircuitry, Power Amplifier, Low Noise Amplifier and PCBantenna. The MRF24J40MB module interfaces to manypopular Microchip PIC microcontrollers via a 4-wireserial SPI interface, interrupt, wake, Reset, power andground. Data communications with the MRF24J40MBmodule are documented in the “MRF24J40 IEEE802.15.4™ 2.4 GHz RF Transceiver Data Sheet”(DS39776). Refer to the MRF24J40 Data Sheet forspecific serial interface protocol and register definitions.2.1 SchematicA schematic diagram of the module is shown inFigure 2-1 and the Bill of Materials (BOM) is shown inTable 2-1.The MRF24J40MB module is based on the MicrochipTechnology MRF24J40 IEEE 802.15.4™ 2.4 GHz RFTransceiver IC (U1). The serial I/O (SCK, SDI, SDOand CS), RESET, WAKE and INT pins are brought outto the module pins. The SDO signal is tri-state bufferedby IC7 to solve a silicon errata, where the SDO signaldoes not release to a high-impedance state, after theCS pin returns to its inactive state. Crystal, X1, is a 20 MHz crystal with a frequencytolerance of ±10 ppm @ 25°C to meet the IEEE Std.802.15.4 symbol rate tolerance of ±40 ppm.A balun is formed by components: L1, L3, C2 and C3.L2 is an RF choke and pull-up for the RFP and RFNpins on the MRF24J40. C4 is a DC block capacitor. RFswitches, IC2 and IC4, switch between the poweramplifier, IC3, when transmitting and low noiseamplifier, IC5, when receiving. A low-pass filter isformed by components: L10, L11, C31, C32 and C36.The remaining passive components provide bias anddecoupling.
MRF24J40MBDS70599B-page 8 Preliminary © 2009 Microchip Technology Inc.FIGURE 2-1: MRF24J40MB SCHEMATIC10 MF2.2 MF1 MF20 MHz
© 2009 Microchip Technology Inc. Preliminary DS70599B-page 9MRF24J40MBTABLE 2-1: MRF24J40MB BILL OF MATERIALSDesignator Description Manufacturer Part NumberC2 Chip Capacitor 0402 COG 0.5P Johanson Technology 500R07S0R5AV4TC3 Chip Capacitor 0402 COG 0.5P Johanson Technology 500R07S0R5AV4TC4 Chip Capacitor 0402 COG 1.0P Johanson Technology 500R07S1R0BV4TC5 Chip Capacitor 0402 COG 1.5P Murata GRM1555C1H1R5CZ01DC6 Not UsedC7 Chip Capacitor 0402 COG 4.7P Murata GRM1555C1H4R7CZ01DC8 Chip Capacitor 0402 COG 4.7P Murata GRM1555C1H4R7CZ01DC9 Chip Capacitor 0402 COG 10P Murata GRM1555C1H100JZ01DC10 Chip Capacitor 0402 COG 10P Murata GRM1555C1H100JZ01DC11 Chip Capacitor 0402 X5R 100N Murata GRM155R61A104KA01DC12 Chip Capacitor 0402 X5R 100N Murata GRM155R61A104KA01DC13 Chip Capacitor 0402 COG 15P Murata GRM1555C1H150JZ01DC14 Chip Capacitor 0402 COG 15P Murata GRM1555C1H150JZ01DC16 Chip Capacitor 0402 COG 22P Murata GRM1555C1H220JZ01DC17 Chip Capacitor 0402 X5R 100N Murata GRM155R61A104KA01DC18 Chip Capacitor 0402 COG 5.6P Murata GRM1555C1H5R6CZ01DC19 Chip Capacitor 0402 COG 1.8P Murata GRM1555C1H1R8CZ01DC20 Chip Capacitor 0402 X7R 1N Murata GRM155R71H102KA01DC21 Chip Capacitor 0402 COG 47P Murata GRM1555C1H470JZ01DC22 Chip Capacitor 0402 X7R 1N Murata GRM155R71H102KA01DC23 Chip Capacitor 0402 COG 47P Murata GRM1555C1H470JZ01DC24 Not UsedC25 Chip Capacitor 0402 X7R 1N Murata GRM155R71H102KA01DC26 Chip Capacitor 0402 X5R 100N Murata GRM155R61A104KA01DC27 Chip Capacitor 0402 COG 10P Murata GRM1555C1H100JZ01DC28 Chip Capacitor 0402 COG 100P Murata GRM1555C1H101JZ01DC29 Chip Capacitor 0402 X5R 100N Murata GRM155R61A104KA01DC30 Chip Capacitor 0402 COG 47P Murata GRM1555C1H470JZ01DC31 Chip Capacitor 0402 COG 1.5P Johanson Technology 500R07S1R5BV4TC32 Chip Capacitor 0402 COG 0.4P Johanson Technology 500R07S0R4AV4TC33 Chip Capacitor 0402 COG 18P Murata GRM1555C1H180JZ01DC34 Chip Capacitor 0402 COG 18P Murata GRM1555C1H180JZ01DC35 Chip Capacitor 0402 COG 47P Murata GRM1555C1H470JZ01DC36 Not UsedC37 Chip Capacitor 0805 X5R 10U Murata GRM21BR60J106ME19LC38 Chip Capacitor 0402 COG 47P Murata GRM1555C1H470JZ01DC39 Chip Capacitor 0402 COG 47P Murata GRM1555C1H470JZ01DC40 Chip Capacitor 0402 X5R 1U Murata GRM155R60J105ME19DC41 Chip Capacitor 0402 X7R 10N Murata GRM155R71E103KA01DC42 Chip Capacitor 0402 X7R 10N Murata GRM155R71E103KA01DC43 Chip Capacitor 0402 COG 100P Murata GRM1555C1H101JZ01DC44 Chip Capacitor 0402 X5R 100N Murata GRM155R61A104KA01DC45 Chip Capacitor 0402 COG 47P Murata GRM1555C1H470JZ01DNote: Capacitors and inductors cannot be substituted.
MRF24J40MBDS70599B-page 10 Preliminary © 2009 Microchip Technology Inc.C46 Chip Capacitor 0402 X5R 100N Murata GRM155R61A104KA01DC47 Chip Capacitor 0402 COG 47P Murata GRM1555C1H470JZ01DC48 Chip Capacitor 0603 X5R 2.2U Murata GRM188R60J225ME01DIC1 802.15.4 Radio Microchip MRF24J40-I/MLIC2 Switch SPDT Skyworks AS179-92IC3 Power Amplifier SiGe PA2423L-RIC4 Switch SPDT Skyworks AS179-92IC5 Low Noise Amplifier NEC UPC8233TK-E2-AIC6 Voltage Regulator Microchip MCP1700T-3302E/TTIC7 Buffer-SC70 Package Fairchild NC7SZ125P5XL1 Chip Inductor 0402 8.2N Panasonic ELJ-RF8N2JFBL2 Chip Inductor 0402 2.7N Panasonic ELJ-RF2N7DFBL3 Chip Inductor 0402 4.7N Panasonic ELJ-RF4N7DFBL4 Chip Resistor 0402 0Ohms Dale CRCW04020000Z0EDL5 Chip Inductor 0402 3.3N Panasonic ELJ-RF3N3DFBL6 Chip Inductor 0402 3.9N Panasonic ELJ-RF3N9DFBL7 Chip Inductor 0402 1.5N Panasonic ELJ-RF1N5DFBL8 Chip Inductor 0402 18N Panasonic ELJ-RF18NJFBL9 Chip Inductor 0402 1.5N Panasonic ELJ-RF1N5DFBL10 Chip Inductor 0402 2.2N Panasonic ELJ-RF2N2DFBL11 Chip Inductor 0402 2.7N Panasonic ELJ-RF2N7DFBR1 Chip Resistor 0402 10Ohms 5% Dale CRCW040210R0JNEDR2 Not UsedR3 Chip Resistor 0402 2.2Ohms 5% Dale CRCW04022R20JNEDR4 Chip Resistor 0402 10K 5% Dale CRCW040210K0JNEDR7 Not UsedR8 Not UsedS Shield-Custom TBDX1 20 MHz Crystal Abracon ABM8-156-20.0000MHZ-TTABLE 2-1: MRF24J40MB BILL OF MATERIALS (CONTINUED)Designator Description Manufacturer Part NumberNote: Capacitors and inductors cannot be substituted.
© 2009 Microchip Technology Inc. Preliminary DS70599B-page 11MRF24J40MB2.2 Printed Circuit BoardThe MRF24J40MB module printed circuit board is con-structed with FR4 material, four layers and0.032 inches thick. The layers are shown in Figure 2-2through Figure 2-6. The stack up of the PCB is shownin Figure 2-7.FIGURE 2-2: TOP SILK SCREENFIGURE 2-3: TOP COPPER FIGURE 2-4: LAYER 2 – GROUND PLANENote: Top view positive Gerber.
MRF24J40MBDS70599B-page 12 Preliminary © 2009 Microchip Technology Inc.FIGURE 2-5: LAYER 3 – POWER PLANE FIGURE 2-6: BOTTOM COPPERFIGURE 2-7: PCB LAYER STACK UPNote: Top view positive Gerber.Note: Top view.Top CopperGround PlanePower PlaneBottom Copper1/2 oz. Copper1/2 oz. Copper1/2 oz. Copper1/2 oz. Copper8 mil FR412 mil FR48 mil FR40.032‚+/- 0.005‚
© 2009 Microchip Technology Inc. Preliminary DS70599B-page 13MRF24J40MB2.3 PCB AntennaThe PCB antenna is fabricated on the top copper trace.Figure 2-8 shows the trace dimensions. The layersbelow the antenna have no copper traces. The groundand power planes under the components serve as acounterpoise to the PCB antenna. Additional groundplane on the host PCB will substantially enhance theperformance of the module. For best performance,place the module on the host PCB following therecommendations in Section 1.2 “Mounting Details”.The Printed Circuit Board (PCB) antenna was designedand simulated using Ansoft Designer® and HFSS™ 3Dfull-wave solver software by Ansoft Corporation(www.ansoft.com). The design goal was to create acompact, low-cost antenna with the best radiationpattern. Figure 2-9 shows the simulation drawing andFigure 2-10 and Figure 2-11 show the 2D and 3Dradiation patterns, respectively. As shown by theradiation patterns, the performance of the antenna isdependant upon the orientation of the module.Figure 2-12 shows the impedance simulation andFigure 2-13 shows the SWR simulation. The discretematching circuitry matches the impedance of theantenna with the MRF24J40 transceiver IC.FIGURE 2-8: PCB ANTENNA DIMENSIONS1.01.01.0 1.0 1.00.723.370.85 0.53.824.26.64.31.21.32.03.85.38.622.01.26.01.540.59.62.0 6.6Note 1: Dimensions are in mm and tolerance is +/– 0.05 mm.
MRF24J40MBDS70599B-page 14 Preliminary © 2009 Microchip Technology Inc.FIGURE 2-9: PCB ANTENNA SIMULATION DRAWINGFIGURE 2-10: SIMULATED 2D RADIATION PATTERN
© 2009 Microchip Technology Inc. Preliminary DS70599B-page 15MRF24J40MBFIGURE 2-11: SIMULATED 3D RADIATION PATTERNFIGURE 2-12: SIMULATED PCB ANTENNA IMPEDANCE
MRF24J40MBDS70599B-page 16 Preliminary © 2009 Microchip Technology Inc.FIGURE 2-13: SIMULATED PCB ANTENNA SWR
© 2009 Microchip Technology Inc. Preliminary DS70599B-page 17MRF24J40MB3.0 REGULATORY APPROVALThe MRF24J40MB module has received regulatoryapprovals for modular devices in the United States,Canada and European countries. Modular approvalallows the end user to place the MRF24J40MB moduleinside a finished product and not require regulatorytesting for an intentional radiator (RF transmitter), pro-vided no changes or modifications are made to themodule circuitry. Changes or modifications could voidthe user’s authority to operate the equipment. The enduser must comply with all of the instructions providedby the Grantee, which indicate installation and/oroperating conditions necessary for compliance.The integrator may still be responsible for testing the endproduct for any additional compliance requirementsrequired with this module, installed (for example: digitaldevice emission, PC peripheral requirements, etc.) inthe specific country that the end device will be marketed.Annex F of the IEEE Std. 802.15.4 document has a goodsummary of regulatory requirements in various countriesconcerning IEEE Std. 802.15.4 devices. The standardcan be downloaded from the IEEE Standards web page:http://standards.ieee.org/getieee802/802.15.html.Refer to the specific country radio regulations fordetails on regulatory compliance. 3.1 United StatesThe MRF24J40MB has received FederalCommunications Commission (FCC) CFR47Telecommunications, Part 15 Subpart C “IntentionalRadiators” 15.247 and modular approval in accordancewith FCC Public Notice DA 00-1407 Released: June 26,2000, Part 15 Unlicensed Modular Transmitter Approval.The MRF24J40MB module can be integrated into afinished product without obtaining subsequent andseparate FCC approvals.The MRF24J40MB module has been labeled with itsown FCC ID number, and if the FCC ID is not visiblewhen the module is installed inside another device,then the outside of the finished product into which themodule is installed must also display a label referring tothe enclosed module. This exterior label can usewording such as the following:The user’s manual should include the followingstatement:3.1.1 MRF24J40MB SETTINGSTo meet the FCC requirements, the following settingsmust be observed by the integrator:• The MRF24J40MB transmit power setting (RFCON3 0x203) cannot exceed -1.9 dB.• Only channels 11 through 25 may be selected (RFCON0 0x200).3.1.2 RF EXPOSUREAll transmitters regulated by FCC must comply with RFexposure requirements. OET Bulletin 65 “EvaluatingCompliance with FCC Guidelines for Human Exposureto Radio Frequency Electromagnetic Fields” providesassistance in determining whether proposed or existingtransmitting facilities, operations or devices complywith limits for human exposure to Radio Frequency(RF) fields adopted by the Federal CommunicationsCommission (FCC). The bulletin offers guidelines andsuggestions for evaluating compliance.If appropriate, compliance with exposure guidelines formobile and unlicensed devices can be accomplishedby the use of warning labels and by providing userswith information concerning minimum separationdistances from transmitting structures and properinstallation of antennas.Contains Transmitter Module FCC ID: OA3MRF24J40MB-or-Contains FCC ID: OA3MRF24J40MBThis device complies with Part 15 of the FCC Rules.Operation is subject to the following two conditions:(1) this device may not cause harmful interference,and (2) this device must accept any interferencereceived, including interference that may causeundesired operation.This equipment has been tested and found to complywith the limits for a Class B digital device, pursuant topart 15 of the FCC Rules. These limits are designed toprovide reasonable protection against harmfulinterference in a residential installation. Thisequipment generates, uses and can radiate radiofrequency energy, and if not installed and used inaccordance with the instructions, may cause harmfulinterference to radio communications. However, thereis no guarantee that interference will not occur in aparticular installation. If this equipment does causeharmful interference to radio or television reception,which can be determined by turning the equipment offand on, the user is encouraged to try to correct theinterference by one or more of the following measures:• Reorient or relocate the receiving antenna.• Increase the separation between the equipment and receiver.• Connect the equipment into an outlet on a circuit different from that to which the receiver is connected.• Consult the dealer or an experienced radio/TV technician for help.
MRF24J40MBDS70599B-page 18 Preliminary © 2009 Microchip Technology Inc.The following statement must be included as aCAUTION statement in manuals and OEM products toalert users of FCC RF exposure compliance:If the MRF24J40MB module is used in a portableapplication (antenna is less than 20 cm from personsduring operation), the integrator is responsible forperforming Specific Absorption Rate (SAR) testing inaccordance with FCC rules 2.1091.3.1.3 HELPFUL WEB SITESFederal Communications Commission (FCC):http://www.fcc.gov3.2 CanadaThe MRF24J40MB module has been certified for use inCanada under Industry Canada (IC) Radio StandardsSpecification (RSS) RSS-210 and RSS-Gen.From Section 7.1.1, RSS-Gen, Issue 2, June 2007,Modular Transmitter Approval:Host devices which contain separately certifiedmodules do not need to be recertified, provided thatthey meet the following conditions:a) The host device, as a stand-alone unitwithout any separately certified modules,complies with all applicable Radio StandardsSpecifications.b) The host device and all the separatelycertified modules it contains jointly meet theRF exposure compliance requirements ofRSS-102, if applicable.c) The host device complies with thecertification labeling requirements of each ofthe modules it contains.From Section 5.2, RSS-Gen, Issue 2, June 2007,Equipment Labels:All Category I radio equipment intended for use inCanada shall permanently display on each transmitter,receiver or inseparable combination thereof, theapplicant’s name (i.e., manufacturer’s name, tradename or brand name), model number and certificationnumber. This information shall be affixed in such amanner as to not be removable except by destruction ordefacement. The size of the lettering shall be legiblewithout the aid of magnification, but is not required to belarger than an 8-point font size. If the device is too smallto meet this condition, the information can be included inthe user manual upon agreement with Industry Canada.Label:From Section 7.1.6, RSS-Gen, Issue 2, June 2007,Digital Circuits:If the device contains digital circuitry that is not directlyassociated with the radio transmitter, the device shallalso have to comply with ICES-003, Class A or B asappropriate, except for ICES-003 labelingrequirements. The test data obtained (for the ICES-003tests) shall be kept by the manufacturer or importerwhose name appears on the equipment label, andmade available to Industry Canada on request, for aslong as the model is being marketed in Canada.3.2.1 MRF24J40MB SETTINGSTo meet Industry Canada (IC) requirements, the followingsettings must be observed by the integrator:• The MRF24J40MB transmit power setting (RFCON3 0x203) cannot exceed -1.9 dB.• Only channels 11 through 25 may be selected (RFCON0 0x200).3.2.2 HELPFUL WEB SITESIndustry Canada: http://www.ic.gc.ca/Note: Compliance of a module in its finalconfiguration is the responsibility of theapplicant. A host device will not beconsidered certified if the instructionsregarding antenna configuration providedin the original description, of one or moreseparately certified modules it contains,were not followedTo satisfy FCC RF exposure requirements for mobileand base station transmission devices, a separationdistance of 20 cm or more should be maintainedbetween the antenna of this device and personsduring operation. To ensure compliance, operation atcloser than this distance is not recommended.The antenna(s) used for this transmitter must not beco-located or operating in conjunction with any otherantenna or transmitter.Contains IC: 7693A-24J40MB
© 2009 Microchip Technology Inc. Preliminary DS70599B-page 19MRF24J40MB3.3 EuropeThe MRF24J40MB module has been certified for use inEuropean countries. The following testing has beencompleted:Test standard ETSI EN 300 328 V1.7.1 (2006-10):• Maximum Transmit Power• Maximum EIRP Spectral Density• Frequency Range• Radiated EmissionsTest standards ETSI EN 301 489-1:2008 and ETSIEN 301 489-17:2008:• Radiated Emissions• Electrostatic Discharge• Radiated RF SusceptibilityA helpful document that can be used as a starting pointin understanding the use of Short Range Devices (SRD)in Europe is the European Radio CommunicationsCommittee (ERC) Recommendation 70-03 E,downloadable from the European RadioCommunications Office (ERO): http://www.ero.dk.The end user is responsible for ensuring compliancewith harmonized frequencies and labelingrequirements for each country the end device ismarketed and sold.3.3.1 MRF24J40MB SETTINGSTo meet ETSI requirements, the following settings mustbe observed by the integrator:• The MRF24J40MB transmit power setting (RFCON3 0x203) cannot exceed -14.9 dB. This is to meet the requirements of ETSI EN 300 328 v1.7.1 (2006-05), Maximum e.i.r.p. spectral density limit, Section 4.3.2.2, “For wideband modulations other then FHSS (e.g., DSSS, OFDM, etc.), the maximum e.i.r.p. spectral density is limited to 10 mW per MHz”. The output power of the MRF24J40MB module, at this setting with the PA enabled, is 9 dBm.• Only channels 11 through 25 may be selected (RFCON0 0x200).3.3.2 HELPFUL WEB SITES:Radio and Telecommunications Terminal Equipment(R&TTE):http://ec.europa.eu/enterprise/rtte/index_en.htmEuropean Conference of Postal and TelecommunicationsAdministrations (CEPT): http://www.cept.org/European Telecommunications Standards Institute(ETSI): http://www.etsi.org/European Radio Communications Office (ERO):http://www.ero.dk/
MRF24J40MBDS70599B-page 20 Preliminary © 2009 Microchip Technology Inc.NOTES:
© 2009 Microchip Technology Inc. Preliminary DS70599B-page 21MRF24J40MB4.0 ELECTRICAL CHARACTERISTICS TABLE 4-1: RECOMMENDED OPERATING CONDITIONSParameters Min Typ Max UnitsAmbient Operating Temperature -40 — +85 °CSupply Voltage for RF, Analog and Digital Circuits 2.4 — 3.6 VSupply Voltage for Digital I/O 2.4 3.3 3.6 VInput High Voltage (VIH) 0.5 x VDD —VDD + 0.3 VInput Low Voltage (VIL) -0.3 — 0.2 x VDD VTABLE 4-2: CURRENT CONSUMPTION(TA = 25°C, VDD = 3.3V)Chip Mode Condition Min Typ Max UnitsSleep Sleep Clock Disabled — 5 μA— μATX At Maximum Output Power — 130 mA — mARX — 25 mA — mATABLE 4-3: RECEIVER AC CHARACTERISTICSTypical values are at TA = 25°C, VDD = 3.3V, LO Frequency = 2.445 GHzParameters Condition Min Typ Max UnitsRF Input Frequency Compatible to IEEE Std. 802.15.4™, 2003 2.405 — 2.480 GHzRF Sensitivity — -102 — dBmMaximum RF Input -23 — — dBmLO Leakage Measured at Balun Matching Network Input at Frequency, 2.405-2.48 GHz—-60—dBmInput Return Loss -8 -12 — dBNoise Figure(including matching) —1.9—dBAdjacent Channel Rejection @ +/-5 MHz 30 — — dBAlternate Channel Rejection @ +/-10 MHz 40 — — dBRSSI Range — 50 — dBRSSI Error -5 — 5 dB
MRF24J40MBDS70599B-page 22 Preliminary © 2009 Microchip Technology Inc.TABLE 4-4: TRANSMITTER AC CHARACTERISTICSTypical values are at TA = 25°C, VDD = 3.3V, LO Frequency = 2.445 GHzParameters Condition Min Typ Max UnitsRF Carrier Frequency 2.405 — 2.480 GHzMaximum RF Output Power —20—dBmRF Output Power Control Range —56—dBTX Gain Control Resolution Programmed by Register — 1.25 — dBCarrier Suppression — -30 — dBcTX Spectrum Mask for O-QPSK Signal Offset Frequency > 3.5 MHz, at 0 dBm Output Power -33 — — dBmTX EVM — 15 — %
© 2009 Microchip Technology Inc. Preliminary DS70599B-page 23MRF24J40MBAPPENDIX A: REVISION HISTORYRevision A (June 2009)Original release of this document.Revision B (July 2009)Added Section 3.0 “Regulatory Approval”.
MRF24J40MBDS70599B-page 24 Preliminary © 2009 Microchip Technology Inc.NOTES:
DS70599B-page 25 Preliminary © 2009 Microchip Technology Inc.MRF24J40MBINDEXAAC CharacteristicsReceiver ......................................................................21Transmitter ..................................................................22Antenna ImpedanceSimulated PCB............................................................15BBill of Materials (BOM) ..........................................................9Block DiagramsMicrocontroller to MRF24J40MB Interface....................4MRF24J40MB ...............................................................3CCircuit Description .................................................................7Customer Change Notification Service ...............................26Customer Notification Service.............................................26Customer Support ...............................................................26DDetailsModule ..........................................................................5Mounting .......................................................................6Recommended PCB Footprint ......................................5EElectrical Characteristics.....................................................21Current Consumption..................................................21Recommended Operating Conditions .........................21Errata.....................................................................................2European Radio Communications (ERC)............................19FFCC ID Number...................................................................17FCC RF Exposure Compliance...........................................18HHelpful Web Sites..........................................................18, 19IInterface Description .............................................................3Internet Address..................................................................26MMAC/Baseband Features......................................................1Microchip Internet Web Site ................................................26MiWi P2P...............................................................................3MiWi Protocol ........................................................................3More Information ...................................................................2Customer Notification System.......................................2Errata ............................................................................2Mounting Details....................................................................5MRF24J40 Data Sheet......................................................3, 7OOverview ...............................................................................3PPCB Antenna ...................................................................... 13Dimensions ................................................................. 13Simulation Drawing..................................................... 14SWR ........................................................................... 16PCB LayersBottom Copper............................................................ 12Layer 2 – Ground Plane.............................................. 11Layer 3 – Power Plane ............................................... 12Stack Up ..................................................................... 12Top Copper................................................................. 11Top Silk Screen .......................................................... 11Pin Description...................................................................... 4Pin Diagram .......................................................................... 1Printed Circuit Board (PCB)................................................ 11RRadiation Pattern2D ............................................................................... 143D ............................................................................... 15Reader Response............................................................... 27Regulatory Approval ........................................................... 17Canada ....................................................................... 18Settings............................................................... 18Europe ........................................................................ 19Settings............................................................... 19United States .............................................................. 17Settings............................................................... 17Revision History .................................................................. 23RF Exposure....................................................................... 17RF/Analog Features.............................................................. 1SSchematicMRF24J40MB............................................................... 8Serial I/OSCK, SDI, SDO, CS...................................................... 7Short Range Devices (SRD) ............................................... 19Specific Absorption Rate (SAR).......................................... 18SPI ........................................................................................ 7WWWW Address.................................................................... 26WWW, On-Line Support ....................................................... 2ZZigBee Protocol .................................................................... 3
MRF24J40MBDS70599B-page 26 Preliminary © 2009 Microchip Technology Inc.NOTES:
© 2009 Microchip Technology Inc. Preliminary DS70599B-page 27MRF24J40MBTHE MICROCHIP WEB SITEMicrochip provides online support via our WWW site atwww.microchip.com. This web site is used as a meansto make files and information easily available tocustomers. Accessible by using your favorite Internetbrowser, the web site contains the followinginformation:•Product Support – Data sheets and errata, application notes and sample programs, design resources, user’s guides and hardware support documents, latest software releases and archived software•General Technical Support – Frequently Asked Questions (FAQ), technical support requests, online discussion groups, Microchip consultant program member listing•Business of Microchip – Product selector and ordering guides, latest Microchip press releases, listing of seminars and events, listings of Microchip sales offices, distributors and factory representativesCUSTOMER CHANGE NOTIFICATION SERVICEMicrochip’s customer notification service helps keepcustomers current on Microchip products. Subscriberswill receive e-mail notification whenever there arechanges, updates, revisions or errata related to aspecified product family or development tool of interest.To register, access the Microchip web site atwww.microchip.com, click on Customer ChangeNotification and follow the registration instructions.CUSTOMER SUPPORTUsers of Microchip products can receive assistancethrough several channels:• Distributor or Representative• Local Sales Office• Field Application Engineer (FAE)• Technical Support• Development Systems Information LineCustomers should contact their distributor,representative or field application engineer (FAE) forsupport. Local sales offices are also available to helpcustomers. A listing of sales offices and locations isincluded in the back of this document.Technical support is available through the web siteat: http://support.microchip.com
MRF24J40MBDS70599B-page 28 Preliminary © 2009 Microchip Technology Inc.READER RESPONSEIt is our intention to provide you with the best documentation possible to ensure successful use of your Microchipproduct. If you wish to provide your comments on organization, clarity, subject matter, and ways in which ourdocumentation can better serve you, please FAX your comments to the Technical Publications Manager at (480) 792-4150.Please list the following information, and use this outline to provide us with your comments about this document.To: Technical Publications ManagerRE: Reader ResponseTotal Pages Sent ________From: NameCompanyAddressCity / State / ZIP / CountryTelephone: (_______) _________ - _________Application (optional):Would you like a reply?       Y         NDevice: Literature Number: Questions:FAX: (______) _________ - _________DS70599BMRF24J40MB1. What are the best features of this document?2. How does this document meet your hardware and software development needs?3. Do you find the organization of this document easy to follow? If not, why?4. What additions to the document do you think would enhance the structure and subject?5. What deletions from the document could be made without affecting the overall usefulness?6. Is there any incorrect or misleading information (what and where)?7. How would you improve this document?
© 2009 Microchip Technology Inc. Preliminary DS70599B-page 29MRF24J40MBPRODUCT IDENTIFICATION SYSTEMTo order or obtain information, e.g., on pricing or delivery, refer to the factory or the listed sales office.PART NO. -XX TTape andModule TemperatureRangeDevice   Device MRF24J40MB;    VDD range 2.4V to 3.6VTemperature Range I =  -40°C to +85°C (Industrial)Examples:a) MRF24J40MB-I = Industrial temp. trayb) MRF24J40MBT-I = Industrial temp., tape and reel.MModule Type Reel
DS70599B-page 30 Preliminary © 2009 Microchip Technology Inc.AMERICASCorporate Office2355 West Chandler Blvd.Chandler, AZ  85224-6199Tel:  480-792-7200  Fax:  480-792-7277Technical Support: http://support.microchip.comWeb Address: www.microchip.comAtlantaDuluth, GA Tel: 678-957-9614 Fax: 678-957-1455BostonWestborough, MA  Tel: 774-760-0087 Fax: 774-760-0088ChicagoItasca, IL  Tel: 630-285-0071 Fax: 630-285-0075ClevelandIndependence, OH Tel: 216-447-0464 Fax: 216-447-0643DallasAddison, TX Tel: 972-818-7423  Fax: 972-818-2924DetroitFarmington Hills, MI Tel: 248-538-2250Fax: 248-538-2260KokomoKokomo, IN Tel: 765-864-8360Fax: 765-864-8387Los AngelesMission Viejo, CA Tel: 949-462-9523  Fax: 949-462-9608Santa ClaraSanta Clara, CA Tel: 408-961-6444Fax: 408-961-6445TorontoMississauga, Ontario, CanadaTel: 905-673-0699  Fax:  905-673-6509ASIA/PACIFICAsia Pacific OfficeSuites 3707-14, 37th FloorTower 6, The GatewayHarbour City, KowloonHong KongTel: 852-2401-1200Fax: 852-2401-3431Australia - SydneyTel: 61-2-9868-6733Fax: 61-2-9868-6755China - BeijingTel: 86-10-8528-2100 Fax: 86-10-8528-2104China - ChengduTel: 86-28-8665-5511Fax: 86-28-8665-7889China - Hong Kong SARTel: 852-2401-1200  Fax: 852-2401-3431China - NanjingTel: 86-25-8473-2460Fax: 86-25-8473-2470China - QingdaoTel: 86-532-8502-7355Fax: 86-532-8502-7205China - ShanghaiTel: 86-21-5407-5533  Fax: 86-21-5407-5066China - ShenyangTel: 86-24-2334-2829Fax: 86-24-2334-2393China - ShenzhenTel: 86-755-8203-2660 Fax: 86-755-8203-1760China - WuhanTel: 86-27-5980-5300Fax: 86-27-5980-5118China - XiamenTel: 86-592-2388138 Fax: 86-592-2388130China - XianTel: 86-29-8833-7252Fax: 86-29-8833-7256China - ZhuhaiTel: 86-756-3210040 Fax: 86-756-3210049ASIA/PACIFICIndia - BangaloreTel: 91-80-3090-4444 Fax: 91-80-3090-4080India - New DelhiTel: 91-11-4160-8631Fax: 91-11-4160-8632India - PuneTel: 91-20-2566-1512Fax: 91-20-2566-1513Japan - YokohamaTel: 81-45-471- 6166  Fax: 81-45-471-6122Korea - DaeguTel: 82-53-744-4301Fax: 82-53-744-4302Korea - SeoulTel: 82-2-554-7200Fax: 82-2-558-5932 or 82-2-558-5934Malaysia - Kuala LumpurTel: 60-3-6201-9857Fax: 60-3-6201-9859Malaysia - PenangTel: 60-4-227-8870Fax: 60-4-227-4068Philippines - ManilaTel: 63-2-634-9065Fax: 63-2-634-9069SingaporeTel:  65-6334-8870Fax: 65-6334-8850Taiwan - Hsin ChuTel: 886-3-6578-300Fax: 886-3-6578-370Taiwan - KaohsiungTel: 886-7-536-4818Fax: 886-7-536-4803Taiwan - TaipeiTel: 886-2-2500-6610  Fax: 886-2-2508-0102Thailand - BangkokTel: 66-2-694-1351Fax: 66-2-694-1350EUROPEAustria - WelsTel: 43-7242-2244-39Fax: 43-7242-2244-393Denmark - CopenhagenTel: 45-4450-2828 Fax: 45-4485-2829France - ParisTel: 33-1-69-53-63-20  Fax: 33-1-69-30-90-79Germany - MunichTel: 49-89-627-144-0 Fax: 49-89-627-144-44Italy - Milan Tel: 39-0331-742611  Fax: 39-0331-466781Netherlands - DrunenTel: 31-416-690399 Fax: 31-416-690340Spain - MadridTel: 34-91-708-08-90Fax: 34-91-708-08-91UK - WokinghamTel: 44-118-921-5869Fax: 44-118-921-5820WORLDWIDE SALES AND SERVICE03/26/09

Navigation menu