MICROCHIP TECHNOLOGY RN2903 RN2903 Module User Manual RN2903

Microchip Technology Inc. RN2903 Module RN2903

Contents

User Manual

 2015 Microchip Technology Inc. Advance Information DS00000A-page 1RN2903General Features• On-board LoRaWAN™  Class A protocol stack• ASCII command interface over UART• Compact form factor: 17.8 x 26.7 x 3 mm• Castellated SMT pads for easy and reliable PCB mounting• Environmentally friendly, RoHS compliant• Compliance:- Modular Certified for the United States (FCC) and Canada (IC)- Australia and New Zealand• Device Firmware Upgrade (DFU) over UART (see “RN2903 LoRa™ Technology Module Command Reference User’s Guide” DS40000000A)Operational• Single operating voltage: 2.1V to 3.6V (3.3V typical)• Temperature range: -40°C to +85°C• Low-power consumption• Programmable RF Communication Bit Rate up to 300 kbps with FSK modulation, 12500 bps with LoRa™ Technology modulation• Integrated MCU, Crystal, EUI-64 Node Identity Serial EEPROM, Radio Transceiver with Analog Front End, Matching Circuitry• 14 GPIOs for control and statusRF/Analog Features• Low-Power Long Range Transceiver operating in the 915 MHz frequency band• High Receiver Sensitivity: down to -148 dBm• TX Power: adjustable up to +20 dBm high efficiency PA• FSK, GFSK, and LoRa Technology modulation• IIP3 = -11 dBm• >15 km coverage at suburban and >5 km coverage at urban areaDescriptionMicrochip’s RN2903 Low-Power Long Range LoRaTechnology Transceiver module provides an easy touse, low-power solution for long range wireless datatransmission. The advanced command interface offersrapid time to market.The RN2903 module complies with the LoRaWANClass A protocol specifications. It integrates RF, abaseband controller, command ApplicationProgramming Interface (API) processor, making it acomplete long range solution. The RN2903 module is suitable for simple long rangesensor applications with external host MCU.Applications• Automated Meter Reading• Home and Building Automation• Wireless Alarm and Security Systems• Industrial Monitoring and Control• Machine to Machine• Internet of Things (IoT)Low-Power Long Range LoRa™ TechnologyTransceiver Module
RN2903DS00000A-page 2 Advance Information  2015 Microchip Technology Inc.Table of Contents1.0 Device Overview .......................................................................................................................................................................... 32.0 General Specifications.................................................................................................................................................................. 63.0 Typical Hardware Connections..................................................................................................................................................... 84.0 Physical Dimensions .................................................................................................................................................................... 95.0 Application Information............................................................................................................................................................... 106.0 Regulatory Approval................................................................................................................................................................... 12Appendix A: Revision History............................................................................................................................................................... 17The Microchip Web Site....................................................................................................................................................................... 19Customer Change Notification Service ................................................................................................................................................ 19Customer Support................................................................................................................................................................................ 19Product Identification System............................................................................................................................................................... 21TO OUR VALUED CUSTOMERSIt is our intention to provide our valued customers with the best documentation possible to ensure successful use of your Microchipproducts. To this end, we will continue to improve our publications to better suit your needs. Our publications will be refined andenhanced as new volumes and updates are introduced. If you have any questions or comments regarding this publication, please contact the Marketing Communications Department viaE-mail at docerrors@microchip.com. We welcome your feedback.Most Current Data SheetTo obtain the most up-to-date version of this data sheet, please register at our Worldwide Web site at:http://www.microchip.comYou can determine the version of a data sheet by examining its literature number found on the bottom outside corner of any page.The last character of the literature number is the version number, (e.g., DS30000000A is version A of document DS30000000).ErrataAn errata sheet, describing minor operational differences from the data sheet and recommended workarounds, may exist for currentdevices. As device/documentation issues become known to us, we will publish an errata sheet. The errata will specify the revisionof silicon and revision of document to which it applies.To determine if an errata sheet exists for a particular device, please check with one of the following:• Microchip’s Worldwide Web site; http://www.microchip.com• Your local Microchip sales office (see last page)When contacting a sales office, please specify which device, revision of silicon and data sheet (include literature number) you areusing.Customer Notification SystemRegister on our web site at www.microchip.com to receive the most current information on all of our products.
 2015 Microchip Technology Inc. Advance Information DS00000A-page 3RN29031.0 DEVICE OVERVIEWThe RN2903 transceiver module features LoRaTechnology RF modulation, which provides long rangespread spectrum communication with high interferenceimmunity. Using LoRa Technology modulation technique,RN2903 can achieve a receiver sensitivity of -148 dBm.The high sensitivity combined with the integrated+20 dBm power amplifier yields industry leading linkbudget, which makes it optimal for applicationsrequiring extended range and robustness. FIGURE 1-1: RN2903 TOP VIEWLoRa Technology modulation also provides significantadvantages in both blocking and selectivity comparedto the conventional modulation techniques, solving thetraditional design compromise between extendedrange, interference immunity, and low-powerconsumption. The RN2903 module delivers exceptional phase noise,selectivity, receiver linearity, and IIP3 for significantlylower power consumption. Figure 1-1, Figure 1-2, andFigure 1-3 show the module’s top view, the pinout, andthe block diagram. FIGURE 1-2: RN2903 PIN DIAGRAMFIGURE 1-3: RN2903 BLOCK DIAGRAM1GND2UART_RTS3UART_CTS4RESERVED5RESERVED6UART_TX7UART_RX8GNDGND9GPIO1310GPIO1211GND20GND12VDD13GPIO1114GPIO1015NC16NC17NC18NC19NC4039383736353433323130212928272625242322GNDGNDGNDGNDGNDGNDRFNCVDDGND47464544434241GNDNCTEST0TEST1RESETGPIO0GPIO1GPIO2GPIO3GPIO4GPIO5GPIO6GPIO7GPIO8GPIO9NCUser Hardware: Status LEDs, switches, logic IOs, etc.RN2903 ModuleMCULoRaTM Technology radioCommand Processor14 GPIO Pins Real Time ClockLoRaWANTM Protocol StackI2CTM SPIUART32768 Hz CrystalEUI-64 EEPROMHost MCUAntenna 915 MHz
RN2903DS00000A-page 4 Advance Information  2015 Microchip Technology Inc.Table 1-1 describes the module’s pins.TABLE 1-1: PIN DESCRIPTIONPin Name Type Description1 GND Power Ground supply terminal2 UART_RTS Output Communication UART RTS signal(1)3 UART_CTS Input Communication UART CTS signal(1)4 RESERVED — Do not connect5 RESERVED — Do not connect6 UART_TX Output Communication UART Transmit (TX)7 UART_RX Input Communication UART Receive (RX)8 GND Power Ground supply terminal9 GPIO13 Input/Output General purpose I/O pin10 GPIO12 Input/Output General purpose I/O pin11 GND Power Ground supply terminal12 VDD Power Positive supply terminal13 GPIO11 Input/Output General purpose I/O pin14 GPIO10 Input/Output General purpose I/O pin15 NC — Not connected16 NC — Not connected17 NC — Not connected18 NC — Not connected19 NC — Not connected20 GND Power Ground supply terminal21 GND Power Ground supply terminal22 GND Power Ground supply terminal23 RF RF analog RF signal pin24 GND Power Ground supply terminal25 NC — Not connected26 GND Power Ground supply terminal27 GND Power Ground supply terminal28 GND Power Ground supply terminal29 NC — Not connected30 TEST0 — Do not connect31 TEST1 — Do not connect32 RESET Input Active-low device Reset input33 GND Power Ground supply terminal34 VDD Power Positive supply terminal35 GPIO0 Input/Output General purpose I/O pin36 GPIO1 Input/Output General purpose I/O pin37 GPIO2 Input/Output General purpose I/O pin38 GPIO3 Input/Output General purpose I/O pin39 GPIO4 Input/Output General purpose I/O pin40 GPIO5 Input/Output General purpose I/O pin41 GND Power Ground supply terminal42 NC — Not connected43 GPIO6 Input/Output General purpose I/O pin
 2015 Microchip Technology Inc. Advance Information DS00000A-page 5RN290344 GPIO7 Input/Output General purpose I/O pin45 GPIO8 Input/Output General purpose I/O pin46 GPIO9 Input/Output General purpose I/O pin47 GND Power Ground supply terminalNote 1: Optional handshake lines are supported in future firmware releases.TABLE 1-1: PIN DESCRIPTION (CONTINUED)Pin Name Type Description
RN2903DS00000A-page 6 Advance Information  2015 Microchip Technology Inc.2.0 GENERAL SPECIFICATIONSTable 2-1 provides the general specifications for the module. Table 2-2 and Table 2-3 provide the module's electricalcharacteristics and current consumption. Table 2-4 and Table 2-5 show the module's dimensions and the RF outputpower calibration data.TABLE 2-1: GENERAL SPECIFICATIONSSpecification DescriptionFrequency Band 902.000 MHz to 928.000 MHzModulation Method FSK, GFSK and LoRa™ Technology modulationMaximum Over-the-Air Data Rate 300 kbps with FSK modulation; 12500 bps with LoRa Technology modulationRF connection Board edge connectionInterface UARTOperation Range >15 km coverage at suburban; >5 km coverage at urban areaSensitivity at 0.1% BER -148 dBm(1) RF TX Power Adjustable up to max. 20 dBm on 915 MHz band(2)Temperature (operating) -40°C to +85°CTemperature (storage) -40°C to +115°CHumidity 10% ~ 90% non-condensingNote 1: Depends on modulation. Expand Spreading Factor (SF).2: TX power is adjustable. For more information, refer to the “RN2903 LoRa™ Technology Module CommandReference User’s Guide” (DS40000000A).TABLE 2-2: ELECTRICAL CHARACTERISTICSParameter Min. Typ. Max. UnitsSupply Voltage 2.1 — 3.6 VVoltage on any pin with respect to VSS (except VDD) -0.3 — VDD + 0.3 VVoltage on VDD with respect to VSS -0.3 — 3.9 VInput Clamp Current (IIK) (VI < 0 or VI > VDD) — — +/-20 mAOutput Camp Current (IOK) (VO < 0 or VO > VDD)  — — +/-20 mAGPIO sink/source current each — — 25/25 mATotal GPIO sink/source current — — 200/185 mARAM Data Retention Voltage (in Sleep mode or Reset state) 1.5 — — VVDD Start Voltage to ensure internal Power-on Reset signal — — 0.7 VVDD Rise Rate to ensure internal Power-on Reset signal 0.05 — — V/msBrown-out Reset Voltage 1.75 1.9 2.05 VLogic Input Low Voltage — — 0.15 x VDD VLogic Input High Voltage 0.8 x VDD — — VInput Leakage at <25°C(VSS<VPIN<VDD, Pin at high-impedance)—0.150nAInput Leakage at +60°C(VSS<VPIN<VDD, Pin at high-impedance)—0.7100nAInput Leakage at +85°C(VSS<VPIN<VDD, Pin at high-impedance)—4200nARF Input Level — — +10 dBm
 2015 Microchip Technology Inc. Advance Information DS00000A-page 7RN2903TABLE 2-3: CURRENT CONSUMPTIONMode Typical Current at 3V (mA)Idle 2.7RX 13.5Deep Sleep 0.022TABLE 2-4: MODULE DIMENSIONSParameter ValueDimensions 17.8 x 26.7 x 3 mmWeight 2.05gTABLE 2-5: OUTPUT POWER OF TX POWER SETTINGTX Power Setting Output Power (dBm)Typical Supply Current at 3V (mA)23.042.634.044.845.047.356.049.667.052.078.055.089.057.7910.061.010 11.0 64.811 12.0 73.112 13.0 78.014 14.7 83.015 15.5 88.016 16.3 95.817 17.0 103.620 18.5 124.4
RN2903DS00000A-page 8 Advance Information  2015 Microchip Technology Inc.3.0 TYPICAL HARDWARE CONNECTIONSFigure 3-1 shows the typical hardware connections.FIGURE 3-1: HARDWARE CONNECTIONS3.1 INTERFACE TO HOST MCUThe RN2903 module has a dedicated UART interfaceto communicate with a host controller. Optionalhandshake lines are supported in future firmwarereleases. The “RN2903 LoRa™ Technology ModuleCommand Reference User’s Guide” (DS40000000A)provides a detailed UART command description.Table 3-1 shows the default settings for the UARTcommunication.3.2 GPIO PINS (GPIO1–GPIO14)The module has 14 GPIO pins. These lines can beconnected to switches, LEDs, and relay outputs. Thepins are either logic inputs or outputs that can beaccessed via the module firmware. These pins havelimited sink and source capabilities. The currentfirmware release only supports output function on allGPIOs. Electrical characteristics are described inTable 2-2.3.3 RF CONNECTIONWhen routing RF path, use proper strip lines with animpedance of 50 Ohm. 3.4 RESET PINThe module’s reset pin is an active-low logic input. 3.5 POWER PINSIt is recommended to connect power pins (Pin 12 and34) to a stable supply voltage with sufficient sourcecurrent. Table 2-2 shows the current consumption. Additional filtering capacitors are not required but canbe used to ensure stable supply voltage in noisyenvironment.RN2903GPIOsHost MCUTXTXRXRXCTS(1) RTSRTS(1) CTSRFH915 MHz bandUARTStatus LEDs, switches, logic IOs, etc.14Note 1: Optional handshake lines are supported in future firmware releases.TABLE 3-1:  DEFAULT UART SETTINGSSpecification DescriptionBaud Rate 57600 bpsPacket Length 8 bitParity Bit NoStop Bits 1 bitHardware Flow Control No
 2015 Microchip Technology Inc. Advance Information DS00000A-page 9RN29034.0 PHYSICAL DIMENSIONSFigure 4-1 and Figure 4-2 illustrate the physical dimensions and the recommended PCB layout for the RN2903 module.FIGURE 4-1: RN2903 PHYSICAL DIMENSIONSFIGURE 4-2: RECOMMENDED PCB FOOTPRINTNote: Host PCB top layer copper traces must have solder mask to avoid shorting test pins on the bottom of the module.
RN2903DS00000A-page 10 Advance Information  2015 Microchip Technology Inc.5.0 APPLICATION INFORMATION5.1 RF pins and strip lineThe RF signals must be routed with properly terminated 50 Ohm strip lines. Use curves instead of sharp corners. Keepthe routing path as short as possible. Figure 5.3 shows a routing example.FIGURE 5-1: RF ROUTING (EXAMPLE)5.2 Approved AntennasModular certification of the RN2903 module was per-formed with the external antenna type mentioned inTable 5-1. Refer to Section 6.0 "RegulatoryApproval" for specific regulatory requirements bycountry.TABLE 5-1: TESTED EXTERNAL ANTENNA TYPESType Gain (dBi)Dipole 6
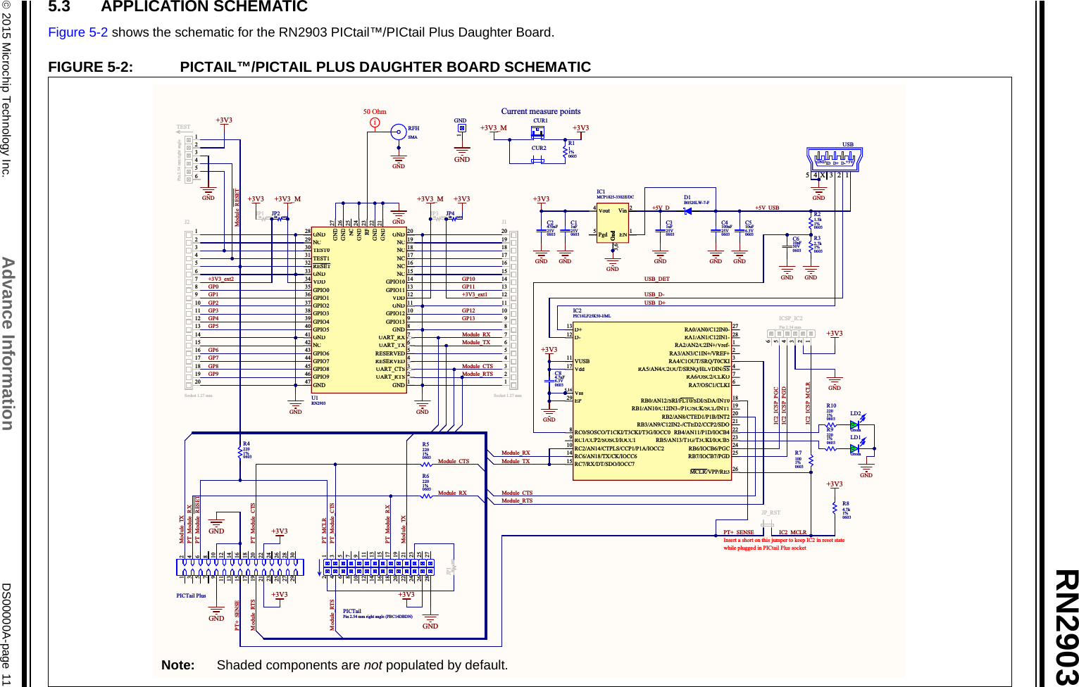
 2015 Microchip Technology Inc. Advance Information DS00000A-page 11RN29035.3 APPLICATION SCHEMATICFigure 5-2 shows the schematic for the RN2903 PICtail™/PICtail Plus Daughter Board.FIGURE 5-2: PICTAIL™/PICTAIL PLUS DAUGHTER BOARD SCHEMATIC+3V3Current measure points+3V3_MGNDGNDGNDGNDModule_RXModule_TXModule_CTSModule_RTS+3V3_M +3V3_MGND GND GND+3V3+3V3GNDGNDGNDGND+3V3+3V3PT_Module_RESET+3V3GNDGNDModule_RXModule_TXPT_Module_CTSModule_CTS+3V3GND+3V3Module_TXPT_Module_CTSPT_MCLRModule_RTSModule_RTSGNDCUR1CUR2123X45ID D+ D-+5VGNDUSBGLD1GreenGLD2GreenD1B0520LW-7-F06030RJP1 06030RJP2 06030RJP3 06030RJP406030RJPI1GND11121314151617181920212223242526272812345678910PICTailPin  2.54  mm  right  angle  (PBC14DBDN)i50 OhmGND1234567891011121314151617181920J1Socket  1.27  mm1234567891011121314151617181920J2Socket  1.27  mm+3V3_ext1+3V3_ext2106031%R1GndVout4Pgd5EN 1GndVoutPgdENVin 2Gnd3,6IC1MCP1825-3302E/DCGP0GP1GP2GP3GP4GP5GP6GP7GP8GP9GP10GP11GP12GP13PT_Module_RXPT_Module_RX1 23 45 67 89 1011 1213 1415 1617 1819 2021 2223 2425 2627 2829 30PICTail PlusRA2/AN2/C2IN+/Vref- 1RA3/AN3/C1IN+/VREF+ 2RA4/C1OUT/SRQ/T0CKI 3RA5/AN4/C2OUT/SRNQ/HLVDIN/SS 4RA7/OSC1/CLKI 6RA6/OSC2/CLKO 7RC0/SOSCO/T1CKI/T3CKI/T3G/IOCC08RC1/CCP2/SOSCI/IOCC19RC2/AN14/CTPLS/CCP1/P1A/IOCC210VUSB11D-12 D+13RC6/AN18/TX/CK/IOCC614RC7/RX/DT/SDO/IOCC715VssVdd17RB0/AN12/SRI/FLT0/SDI/SDA/INT0 18RB1/AN10/C12IN3-/P1C/SCK/SCL/INT1 19RB2/AN8/CTED1/P1B/INT2 20RB3/AN9/C12IN2-/CTED2/CCP2/SDO 21RB4/AN11/P1D/IOCB4 22RB5/AN13/T1G/T3CKI/IOCB5 23RB6/IOCB6/PGC 24RB7/IOCB7/PGD 25MCLR/VPP/RE3 26RA0/AN0/C12IN0- 27RA1/AN1/C12IN1- 28EP295,16RA2/AN2/C2IN+/Vref-RA3/AN3/C1IN+/VREF+RA4/C1OUT/SRQ/T0CKIRA5/AN4/C2OUT/SRNQ/HLVDIN/SSRA7/OSC1/CLKIRA6/OSC2/CLKORC0/SOSCO/T1CKI/T3CKI/T3G/IOCC0RC1/CCP2/SOSCI/IOCC1RC2/AN14/CTPLS/CCP1/P1A/IOCC2VUSBD-D+RC6/AN18/TX/CK/IOCC6RC7/RX/DT/SDO/IOCC7VssVddRB0/AN12/SRI/FLT0/SDI/SDA/INT0RB1/AN10/C12IN3-/P1C/SCK/SCL/INT1RB2/AN8/CTED1/P1B/INT2RB3/AN9/C12IN2-/CTED2/CCP2/SDORB4/AN11/P1D/IOCB4RB5/AN13/T1G/T3CKI/IOCB5RB6/IOCB6/PGCRB7/IOCB7/PGDMCLR/VPP/RE3RA0/AN0/C12IN0-RA1/AN1/C12IN1-EPIC2PIC18LF25K50-I/MLModule_RXModule_TXModule_CTSModule_RTSGND+3V3GNDIC2_ICSP_MCLRIC2_ICSP_PGDIC2_ICSP_PGCModule_RESETGNDJP_RSTPT+_SENSEPT+_SENSE IC2_MCLRInsert a short on this jumper to keep IC2 in reset stateGNDUSB_D+USB_D-25V0603100nFC425V0603470nFC225V06031uFC125V06031uFC36.3V060310uFC550V060310nFC66.3V06034.7uFC84.7k06031%R822006031%R922006031%R1022006031%R422006031%R522006031%R6+5V_USBUSB_DET+5V_D1.5k06031%R210006031%R72.7k06031%R3123456ICSP_IC2Pin 2.54 mm123456TESTPin  2.54  mm right angleGND+3V3+3V3while plugged in PICtail Plus socketRFHSMAGND 1UART_RTS 2UART_CTS 3RESERVED 4RESERVED 5UART_TX 6UART_RX 7GND 8GND 11VDD 12NC 15NC 16NC 17NC 18NC 19GND 20GND 21GND 22RF 23GND 24NC 25GND 26GND 27GND28NC29TEST030TEST131RESET32GND33VDD34GPIO035GND41NC42GND47GNDUART_RTSUART_CTSRESERVEDRESERVEDUART_TXUART_RXGNDGNDVDDNCNCNCNCNCGNDGNDGNDRFGNDNCGNDGNDGNDNCTEST0TEST1RESETGNDVDDGPIO0GNDNCGNDGPIO136GPIO237GPIO338GPIO439GPIO540GPIO643GPIO744GPIO845GPIO946GPIO11 13GPIO10 14GPIO12 10GPIO13 9U1RN2903Note: Shaded components are not populated by default.
RN2903DS00000A-page 12 Advance Information  2015 Microchip Technology Inc.6.0 REGULATORY APPROVALThis section outlines the regulatory information for theRN2903 module for the following countries:• United States• Canada• Australia• New Zealand6.1 United Stateshe RN2903 module has received FederalCommunications Commission (FCC) CFR47Telecommunications, Part 15 Subpart C “IntentionalRadiators” modular approval in accordance with Part15.212 Modular Transmitter approval. Modularapproval allows the end user to integrate the RN2903module into a finished product without obtainingsubsequent and separate FCC approvals forintentional radiation, provided no changes ormodifications are made to the module circuitry.Changes or modifications could void the user'sauthority to operate the equipment. The end user mustcomply with all of the instructions provided by theGrantee, which indicate installation and/or operatingconditions necessary for compliance.The finished product is required to comply with allapplicable FCC equipment authorizations regulations,requirements and equipment functions not associatedwith the transmitter module portion. For example,compliance must be demonstrated to regulations forother transmitter components within the host product;to requirements for unintentional radiators (Part 15Subpart B “Unintentional Radiators”), such as digitaldevices, computer peripherals, radio receivers, etc.;and to additional authorization requirements for thenon-transmitter functions on the transmitter module(i.e., Verification, or Declaration of Conformity) (e.g.,transmitter modules may also contain digital logicfunctions) as appropriate.6.1.1 LABELING AND USER INFORMATION REQUIREMENTSThe RN2903 module has been labeled with its ownFCC ID number, and if the FCC ID is not visible whenthe module is installed inside another device, then theoutside of the finished product into which the module isinstalled must also display a label referring to theenclosed module. This exterior label can use wordingas follows:A user's manual for the finished product should includethe following statement:Additional information on labeling and user informationrequirements for Part 15 devices can be found in KDBPublication 784748 available at the FCC Office ofEngineering and Technology (OET) LaboratoryDivision Knowledge Database (KDB) https://apps.fcc.gov/oetcf/kdb/index.cfmContains Transmitter Module FCC ID: T9JRN2903orContains FCC ID: T9JRN2903This device complies with Part 15 of the FCC Rules.Operation is subject to the following two conditions:(1) this device may not cause harmful interference,and (2) this device must accept any interferencereceived, including interference that may causeundesired operation.This equipment has been tested and found to complywith the limits for a Class B digital device, pursuant topart 15 of the FCC Rules. These limits are designedto provide reasonable protection against harmfulinterference in a residential installation. This equip-ment generates, uses and can radiate radio fre-quency energy, and if not installed and used inaccordance with the instructions, may cause harmfulinterference to radio communications. However,there is no guarantee that interference will not occurin a particular installation. If this equipment doescause harmful interference to radio or televisionreception, which can be determined by turning theequipment off and on, the user is encouraged to try tocorrect the interference by one or more of the follow-ing measures:• Reorient or relocate the receiving antenna.• Increase the separation between the equipment and receiver. • Connect the equipment into an outlet on a circuit different from that to which the receiver is connected.• Consult the dealer or an experienced radio/TV technician for help.
 2015 Microchip Technology Inc. Advance Information DS00000A-page 13RN29036.1.2 RF EXPOSUREAll transmitters regulated by FCC must comply with RFexposure requirements. KDB 447498 General RFExposure Guidance provides guidance in determiningwhether proposed or existing transmitting facilities,operations or devices comply with limits for humanexposure to Radio Frequency (RF) fields adopted bythe Federal Communications Commission (FCC).From the RN2903 FCC Grant: Output power listed isconducted. This grant is valid only when the module issold to OEM integrators and must be installed by theOEM or OEM integrators. This transmitter is restrictedfor use with the specific antenna(s) tested in thisapplication for Certification and must not be co-locatedor operating in conjunction with any other antenna ortransmitters within a host device, except in accordancewith FCC multi-transmitter product procedures.6.1.3 APPROVED EXTERNAL ANTENNA TYPESTo maintain modular approval in the United States, onlythe antenna types that have been tested shall be used.It is permissible to use different antenna manufacturerprovided the same antenna type and antenna gain(equal to or less than) is used.Testing of the RN2903 module was performed with theantenna types listed in Table 5-1 Tested ExternalAntenna Types.6.1.4 HELPFUL WEB SITESFederal Communications Commission (FCC): http://www.fcc.govFCC Office of Engineering and Technology (OET)Laboratory Division Knowledge Database (KDB):https://apps.fcc.gov/oetcf/kdb/index.cfm.6.2 CanadaThe RN2903 module has been certified for use inCanada under Industry Canada (IC) Radio StandardsSpecification (RSS) RSS-210 and RSS-Gen. Modularapproval permits the installation of a module in a hostdevice without the need to recertify the device.6.2.1 LABELING AND USER INFORMATION REQUIREMENTSLabeling Requirements for the Host Device (fromSection 3.2.1, RSS-Gen, Issue 3, December 2010):The host device shall be properly labeled to identify themodule within the host device.The Industry Canada certification label of a moduleshall be clearly visible at all times when installed in thehost device, otherwise the host device must be labeledto display the Industry Canada certification number ofthe module, preceded by the words “Containstransmitter module”, or the word “Contains”, or similarwording expressing the same meaning, as follows:User Manual Notice for License-Exempt RadioApparatus (from Section 7.1.3 RSS-Gen, Issue 3,December 2010): User manuals for license-exemptradio apparatus shall contain the following orequivalent notice in a conspicuous location in the usermanual or alternatively on the device or both:Transmitter Antenna (from Section 7.1.2 RSS-Gen,Issue 3, December 2010): User manuals fortransmitters shall display the following notice in aconspicuous location:The above notice may be affixed to the device insteadof displayed in the user manual.Contains transmitter module IC: 6514A-RN2903.This device complies with Industry Canada license-exempt RSS standard(s). Operation is subject to thefollowing two conditions: (1) this device may notcause interference, and (2) this device must acceptany interference, including interference that maycause undesired operation of the device.Le présent appareil est conforme aux CNR d'Indus-trie Canada applicables aux appareils radio exemptsde licence. L'exploitation est autorisée aux deux con-ditions suivantes: (1) l'appareil ne doit pas produirede brouillage, et (2) l'utilisateur de l'appareil doitaccepter tout brouillage radioélectrique subi, même sile brouillage est susceptible d'en compromettre lefonctionnement.Under Industry Canada regulations, this radio trans-mitter may only operate using an antenna of a typeand maximum (or lesser) gain approved for the trans-mitter by Industry Canada. To reduce potential radiointerference to other users, the antenna type and itsgain should be so chosen that the equivalent isotrop-ically radiated power (e.i.r.p.) is not more than thatnecessary for successful communication.Conformément à la réglementation d'Industrie Can-ada, le présent émetteur radio peut fonctionner avecune antenne d'un type et d'un gain maximal (ouinférieur) approuvé pour l'émetteur par Industrie Can-ada. Dans le but de réduire les risques de brouillageradioélectrique à l'intention des autres utilisateurs, ilfaut choisir le type d'antenne et son gain de sorte quela puissance isotrope rayonnée équivalente (p.i.r.e.)ne dépasse pas l'intensité nécessaire à l'établisse-ment d'une communication satisfaisante.
RN2903DS00000A-page 14 Advance Information  2015 Microchip Technology Inc.User manuals for transmitters equipped withdetachable antennas shall also contain the followingnotice in a conspicuous location:Immediately following the above notice, themanufacturer shall provide a list of all antenna typesapproved for use with the transmitter, indicating themaximum permissible antenna gain (in dBi) andrequired impedance for each. 6.2.2 APPROVED EXTERNAL ANTENNA TYPESTransmitter Antenna (from Section 7.1.2 RSS-Gen,Issue 3, December 2010):The RN2903 module can only be sold or operated withantennas with which it was approved. Transmitter maybe approved with multiple antenna types. An antennatype comprises antennas having similar in-band andout-of-band radiation patterns. Testing shall beperformed using the highest gain antenna of eachcombination of transmitter and antenna type for whichapproval is being sought, with the transmitter outputpower set at the maximum level. Any antenna of thesame type having equal or lesser gain as an antennathat had been successfully tested with the transmitter,will also be considered approved with the transmitter,and may be used and marketed with the transmitter. When a measurement at the antenna connector isused to determine RF output power, the effective gainof the device's antenna shall be stated, based onmeasurement or on data from the antennamanufacturer. For transmitters of output power greaterthan 10 milliwatts, the total antenna gain shall be addedto the measured RF output power to demonstratecompliance to the specified radiated power limits.Testing of the RN2903 module was performed with theantenna types listed in Table 5-1 Tested ExternalAntenna Types.6.2.3 HELPFUL WEB SITESIndustry Canada: http://www.ic.gc.ca/6.3 AustraliaRN2903 module RF transmitter test reports can beused in part to demonstrate compliance in accordancewith ACMA Radio communications "Short RangeDevices" Standard 2004 (The Short Range Devicesstandard calls up the AS/NZS 4268:2008 industrystandard). The MRF89XAM9A module test reports canbe used as part of the product certification andcompliance folder. For more information on the RFtransmitter test reports, contact Microchip TechnologyAustralia office.AS/NZS 4268:2008 refers to the USA FCC 15.247 RFstandards, the frequency limits of 915 - 928 MHz applyin Australia.To meet overall Australian end product compliance, theintegrator must construct a compliance foldercontaining all relevant compliance test reports e.g. RF,EMC, electrical safety and DoC (Declaration ofConformity) etc. It is the responsibility of the integratorto know what is required in the compliance folder forACMA compliance. For more information on Australiacompliance, refer to the Australian Communicationsand Media Authority web site http://www.acma.gov.au/. 6.3.1 HELPFUL WEB SITESThe Australian Communications and Media Authority:http://www.acma.gov.au/.This radio transmitter (identify the device by certifica-tion number, or model number if Category II) has beenapproved by Industry Canada to operate with theantenna types listed below with the maximum permis-sible gain and required antenna impedance for eachantenna type indicated. Antenna types not included inthis list, having a gain greater than the maximum gainindicated for that type, are strictly prohibited for usewith this device.Conformément à la réglementation d'Industrie Can-ada, le présent émetteur radio peut fonctionner avecune antenne d'un type et d'un gain maximal (ouinférieur) approuvé pour l'émetteur par Industrie Can-ada. Dans le but de réduire les risques de brouillageradioélectrique à l'intention des autres utilisateurs, ilfaut choisir le type d'antenne et son gain de sorte quela puissance isotrope rayonnée équivalente (p.i.r.e.)ne dépasse pas l'intensité nécessaire à l'établisse-ment d'une communication satisfaisante.
 2015 Microchip Technology Inc. Advance Information DS00000A-page 15RN29036.4 New ZealandRN2903 module RF transmitter test reports can beused in part to demonstrate compliance against theNew Zealand "General User Radio License for ShortRange Devices". New Zealand Radio communications(Radio Standards) Notice 2010 calls up the AS / NZS4268:2008 industry standard. The RN2903 module testreports can be used as part of the product certificationand compliance folder. For more information on the RFtransmitter test reports, contact Microchip Technology.Information on the New Zealand short range deviceslicense can be found in the following web links:http://www.rsm.govt.nz/cms/licensees/types-oflicence/general-user-licences/short-range-devices andhttp://www.rsm.govt.nz/about-rsm/spectrum-policyWhile the AS /NZS 4268:2008 refers to the USA FCC15.247 and EN 300 220-1 V2.3.1 RF standards, thefrequency limits of 921 MHz to 928 MHz apply in NewZealand.To meet overall New Zealand end product compliance,the developer must construct a compliance foldercontaining all relevant compliance test reports e.g. RF,EMC, electrical safety and DoC (Declaration ofConformity) etc. It is the responsibility of the developerto know what is required in the compliance folder forNew Zealand Radio communications. For moreinformation on New Zealand compliance, refer to theweb site http://www.rsm.govt.nz/. 6.4.1 HELPFUL WEB SITESRadio Spectrum Ministry of Economic Development:http://www.rsm.govt.nz/.
RN2903DS00000A-page 16 Advance Information  2015 Microchip Technology Inc.NOTES:
 2015 Microchip Technology Inc. Advance Information DS00000A-page 17RN2903APPENDIX A: REVISION HISTORYRevision A (June 2015)This is the initial release of this document.
RN2903DS00000A-page 18 Advance Information  2015 Microchip Technology Inc.NOTES:
 2015 Microchip Technology Inc. DS00000A-page 19RN2903THE MICROCHIP WEB SITEMicrochip provides online support via our WWW site atwww.microchip.com. This web site is used as a meansto make files and information easily available tocustomers. Accessible by using your favorite Internetbrowser, the web site contains the followinginformation:•Product Support – Data sheets and errata, application notes and sample programs, design resources, user’s guides and hardware support documents, latest software releases and archived software•General Technical Support – Frequently Asked Questions (FAQ), technical support requests, online discussion groups, Microchip consultant program member listing•Business of Microchip – Product selector and ordering guides, latest Microchip press releases, listing of seminars and events, listings of Microchip sales offices, distributors and factory representativesCUSTOMER CHANGE NOTIFICATION SERVICEMicrochip’s customer notification service helps keepcustomers current on Microchip products. Subscriberswill receive e-mail notification whenever there arechanges, updates, revisions or errata related to aspecified product family or development tool of interest.To register, access the Microchip web site atwww.microchip.com. Under “Support”, click on“Customer Change Notification” and follow theregistration instructions.CUSTOMER SUPPORTUsers of Microchip products can receive assistancethrough several channels:• Distributor or Representative• Local Sales Office• Field Application Engineer (FAE)• Technical SupportCustomers should contact their distributor,representative or Field Application Engineer (FAE) forsupport. Local sales offices are also available to helpcustomers. A listing of sales offices and locations isincluded in the back of this document.Technical support is available through the web siteat: http://microchip.com/support
RN2903DS00000A-page 20  2015 Microchip Technology Inc.NOTES:
 2015 Microchip Technology Inc. Advance Information DS00000A-page 21RN2903PRODUCT IDENTIFICATION SYSTEMTo order or obtain information, e.g., on pricing or delivery, refer to the factory or the listed sales office.PART NO. IRM XXXFirmwarePackageTemperatureRangeDevice   Device: RN2903: Low-Power Long Range LoRa™ Technology Transceiver moduleTemperature Range: I=-40C to +85C (Industrial)Package: RM = Radio ModuleExamples:RN2903-I/RM: Industrial temperatureRevisionNumber
RN2903DS00000A-page 22 Advance Information  2015 Microchip Technology Inc.NOTES:
 2015 Microchip Technology Inc. Advance Information DS00000A-page 23Information contained in this publication regarding deviceapplications and the like is provided only for your convenienceand may be superseded by updates. It is your responsibility toensure that your application meets with your specifications.MICROCHIP MAKES NO REPRESENTATIONS ORWARRANTIES OF ANY KIND WHETHER EXPRESS ORIMPLIED, WRITTEN OR ORAL, STATUTORY OROTHERWISE, RELATED TO THE INFORMATION,INCLUDING BUT NOT LIMITED TO ITS CONDITION,QUALITY, PERFORMANCE, MERCHANTABILITY ORFITNESS FOR PURPOSE.  Microchip disclaims all liabilityarising from this information and its use. Use of Microchipdevices in life support and/or safety applications is entirely atthe buyer’s risk, and the buyer agrees to defend, indemnify andhold harmless Microchip from any and all damages, claims,suits, or expenses resulting from such use. No licenses areconveyed, implicitly or otherwise, under any Microchipintellectual property rights.TrademarksThe Microchip name and logo, the Microchip logo, dsPIC, FlashFlex, flexPWR, JukeBlox, KEELOQ, KEELOQ logo, Kleer, LANCheck, MediaLB, MOST, MOST logo, MPLAB, OptoLyzer, PIC, PICSTART, PIC32 logo, RightTouch, SpyNIC, SST, SST Logo, SuperFlash and UNI/O are registered trademarks of Microchip Technology Incorporated in the U.S.A. and other countries.The Embedded Control Solutions Company and mTouch are registered trademarks of Microchip Technology Incorporated in the U.S.A.Analog-for-the-Digital Age, BodyCom, chipKIT, chipKIT logo, CodeGuard, dsPICDEM, dsPICDEM.net, ECAN, In-Circuit Serial Programming, ICSP, Inter-Chip Connectivity, KleerNet, KleerNet logo, MiWi, MPASM, MPF, MPLAB Certified logo, MPLIB, MPLINK, MultiTRAK, NetDetach, Omniscient Code Generation, PICDEM, PICDEM.net, PICkit, PICtail, RightTouch logo, REAL ICE, SQI, Serial Quad I/O, Total Endurance, TSHARC, USBCheck, VariSense, ViewSpan, WiperLock, Wireless DNA, and ZENA are trademarks of Microchip Technology Incorporated in the U.S.A. and other countries.SQTP is a service mark of Microchip Technology Incorporated in the U.S.A.Silicon Storage Technology is a registered trademark of Microchip Technology Inc. in other countries.GestIC is a registered trademarks of Microchip Technology Germany II GmbH & Co. KG, a subsidiary of Microchip Technology Inc., in other countries. All other trademarks mentioned herein are property of their respective companies.© 2015, Microchip Technology Incorporated, Printed in the U.S.A., All Rights Reserved. ISBN: Note the following details of the code protection feature on Microchip devices:• Microchip products meet the specification contained in their particular Microchip Data Sheet.• Microchip believes that its family of products is one of the most secure families of its kind on the market today, when used in the intended manner and under normal conditions.• There are dishonest and possibly illegal methods used to breach the code protection feature. All of these methods, to our knowledge, require using the Microchip products in a manner outside the operating specifications contained in Microchip’s Data Sheets. Most likely, the person doing so is engaged in theft of intellectual property.• Microchip is willing to work with the customer who is concerned about the integrity of their code.• Neither Microchip nor any other semiconductor manufacturer can guarantee the security of their code. Code protection does not mean that we are guaranteeing the product as “unbreakable.”Code protection is constantly evolving. We at Microchip are committed to continuously improving the code protection features of ourproducts. Attempts to break Microchip’s code protection feature may be a violation of the Digital Millennium Copyright Act. If such actsallow unauthorized access to your software or other copyrighted work, you may have a right to sue for relief under that Act.Microchip received ISO/TS-16949:2009 certification for its worldwide headquarters, design and wafer fabrication facilities in Chandler and Tempe, Arizona; Gresham, Oregon and design centers in California and India. The Company’s quality system processes and procedures are for its PIC® MCUs and dsPIC® DSCs, KEELOQ® code hopping devices, Serial EEPROMs, microperipherals, nonvolatile memory and analog products. In addition, Microchip’s quality system for the design and manufacture of development systems is ISO 9001:2000 certified.QUALITYMANAGEMENTSYSTEMCERTIFIEDBYDNV== ISO/TS16949==
DS00000A-page 24  2015 Microchip Technology Inc.AMERICASCorporate Office2355 West Chandler Blvd.Chandler, AZ 85224-6199Tel: 480-792-7200 Fax: 480-792-7277Technical Support: http://www.microchip.com/supportWeb Address: www.microchip.comAtlantaDuluth, GA Tel: 678-957-9614 Fax: 678-957-1455Austin, TXTel: 512-257-3370 BostonWestborough, MA Tel: 774-760-0087 Fax: 774-760-0088ChicagoItasca, IL Tel: 630-285-0071 Fax: 630-285-0075ClevelandIndependence, OH Tel: 216-447-0464 Fax: 216-447-0643DallasAddison, TX Tel: 972-818-7423 Fax: 972-818-2924DetroitNovi, MI Tel: 248-848-4000Houston, TX Tel: 281-894-5983IndianapolisNoblesville, IN Tel: 317-773-8323Fax: 317-773-5453Los AngelesMission Viejo, CA Tel: 949-462-9523 Fax: 949-462-9608New York, NY Tel: 631-435-6000San Jose, CA Tel: 408-735-9110Canada - TorontoTel: 905-673-0699 Fax: 905-673-6509ASIA/PACIFICAsia Pacific OfficeSuites 3707-14, 37th FloorTower 6, The GatewayHarbour City, KowloonHong KongTel: 852-2943-5100Fax: 852-2401-3431Australia - SydneyTel: 61-2-9868-6733Fax: 61-2-9868-6755China - BeijingTel: 86-10-8569-7000 Fax: 86-10-8528-2104China - ChengduTel: 86-28-8665-5511Fax: 86-28-8665-7889China - ChongqingTel: 86-23-8980-9588Fax: 86-23-8980-9500China - DongguanTel: 86-769-8702-9880 China - HangzhouTel: 86-571-8792-8115 Fax: 86-571-8792-8116China - Hong Kong SARTel: 852-2943-5100 Fax: 852-2401-3431China - NanjingTel: 86-25-8473-2460Fax: 86-25-8473-2470China - QingdaoTel: 86-532-8502-7355Fax: 86-532-8502-7205China - ShanghaiTel: 86-21-5407-5533 Fax: 86-21-5407-5066China - ShenyangTel: 86-24-2334-2829Fax: 86-24-2334-2393China - ShenzhenTel: 86-755-8864-2200 Fax: 86-755-8203-1760China - WuhanTel: 86-27-5980-5300Fax: 86-27-5980-5118China - XianTel: 86-29-8833-7252Fax: 86-29-8833-7256ASIA/PACIFICChina - XiamenTel: 86-592-2388138 Fax: 86-592-2388130China - ZhuhaiTel: 86-756-3210040 Fax: 86-756-3210049India - BangaloreTel: 91-80-3090-4444 Fax: 91-80-3090-4123India - New DelhiTel: 91-11-4160-8631Fax: 91-11-4160-8632India - PuneTel: 91-20-3019-1500Japan - OsakaTel: 81-6-6152-7160 Fax: 81-6-6152-9310Japan - TokyoTel: 81-3-6880- 3770 Fax: 81-3-6880-3771Korea - DaeguTel: 82-53-744-4301Fax: 82-53-744-4302Korea - SeoulTel: 82-2-554-7200Fax: 82-2-558-5932 or 82-2-558-5934Malaysia - Kuala LumpurTel: 60-3-6201-9857Fax: 60-3-6201-9859Malaysia - PenangTel: 60-4-227-8870Fax: 60-4-227-4068Philippines - ManilaTel: 63-2-634-9065Fax: 63-2-634-9069SingaporeTel: 65-6334-8870Fax: 65-6334-8850Taiwan - Hsin ChuTel: 886-3-5778-366Fax: 886-3-5770-955Taiwan - KaohsiungTel: 886-7-213-7828Taiwan - TaipeiTel: 886-2-2508-8600 Fax: 886-2-2508-0102Thailand - BangkokTel: 66-2-694-1351Fax: 66-2-694-1350EUROPEAustria - WelsTel: 43-7242-2244-39Fax: 43-7242-2244-393Denmark - CopenhagenTel: 45-4450-2828 Fax: 45-4485-2829France - ParisTel: 33-1-69-53-63-20 Fax: 33-1-69-30-90-79Germany - DusseldorfTel: 49-2129-3766400Germany - MunichTel: 49-89-627-144-0 Fax: 49-89-627-144-44Germany - PforzheimTel: 49-7231-424750Italy - Milan Tel: 39-0331-742611 Fax: 39-0331-466781Italy - VeniceTel: 39-049-7625286 Netherlands - DrunenTel: 31-416-690399 Fax: 31-416-690340Poland - WarsawTel: 48-22-3325737 Spain - MadridTel: 34-91-708-08-90Fax: 34-91-708-08-91Sweden - StockholmTel: 46-8-5090-4654UK - WokinghamTel: 44-118-921-5800Fax: 44-118-921-5820Worldwide Sales and Service01/27/15

Navigation menu