Microhard Systems 00P3 900 MHz Spread Spectrum Module User Manual CompactRFMAN
Microhard Systems Inc 900 MHz Spread Spectrum Module CompactRFMAN
Contents
- 1. manual
- 2. Updated Manual
- 3. COMPACTRF Manual
- 4. selling restriction
Updated Manual

Operating Manual
And Installation Guide
CompactRFTM
OEM Spread Spectrum Transceiver
Revision 1.01, January 3, 2001
Microhard Systems Inc.
#110, 1144 - 29th Ave. N.E.
Calgary, Alberta T2E 7P1
Phone: (403) 248-0028
Fax: (403) 248-2762
www.microhardcorp.com

ii CompactRFTM Operating Manual
CompactRFTM
900 MHz
OEM Spread Spectrum
Transceiver
This manual contains information of proprietary interest to
Microhard Systems Inc. It has been supplied in confidence to
purchasers and users of the CompactRF, and by accepting this
material the recipient agrees that the contents will not be copied
or reproduced, in whole or in part, without prior written consent
of Microhard Systems Inc.
Microhard Systems Inc. has made every effort to assure that this
document is accurate and complete. However, the company
reserves the right to make changes or enhancements to the
manual and/or the product described herein at any time and
without notice. Furthermore, Microhard Systems Inc. assumes
no liability resulting from any omissions in this document, or
out of the application or use of the device described herein.
Microhard Systems’ products are appropriate for home, office,
or industrial use, but are not authorized for utilization in
applications where failure could result in damage to property or
human injury or loss of life.
The electronic equipment described in this manual generates,
uses, and radiates radio frequency energy. Operation of this
equipment in a residential area may cause radio interference, in
which case the user, at his own expense, will be required to take
whatever measures necessary to correct the interference.
FCC Declaration of Conformity
This device complies with Part 15 of the FCC Rules.
Operation is subject to the following two conditions: (1) this
device may not cause harmful interference, and (2) this
device must accept any interference received including
interference that may caused undesired operation.
Microhard Systems Inc.’s products are warranted against all
failures which occur as a result of defective material or
workmanship within 12 months of purchase by the user. This
warranty does not extend to products that, in the opinion of
Microhard Systems Inc., have been subject to misuse, accidents,
lightning strikes, improper installation or application, nor shall
it extend to units which have, in Microhard Systems Inc.’s
opinion, been opened, tampered with or repaired by an
unauthorized facility.
Microhard Systems Inc.
Leaders in Wireless Telecom
#110, 1144 - 29th Ave. N.E.
Calgary, Alberta T2E 7P1
Phone: (403) 248-0028
Fax: (403) 248-2762
www.microhardcorp.com
© 2001 by Microhard Systems Inc., All Rights Reserved.
HyperTerminal is copyrighted by Hilgraeve Inc, and developed for Microsoft.
Microsoft and Windows are registered trademarks of Microsoft Corporation.
pcANYWHERE and Symantec are registered trademarks of Symantec Corp.
All other products mentioned in this document are trademarks or registered
trademarks of their respective holders.
Manual Revision 1.01, January 3, 2001.

iii CompactRFTM Operating Manual
Contents
1. Introduction
1.0 Product Overview .............................................................................................................................................................................. 1
1.1 Features.............................................................................................................................................................................................. 1
1.2 About this Manual ............................................................................................................................................................................. 2
1.3 Unpacking and Inspection ................................................................................................................................................................. 3
2. Electrical/Physical
2.0 Functional Block Diagram................................................................................................................................................................. 5
2.1 Pinout................................................................................................................................................................................................. 6
2.2 DC Characteristics............................................................................................................................................................................. 8
2.3 AC Characteristics.............................................................................................................................................................................. 9
3. Mode of Operation
3.1 Data Mode ....................................................................................................................................................................................... 11
3.2 Command Mode .............................................................................................................................................................................. 12
3.2.1 Menu Interface......................................................................................................................................................................... 13
3.2.2 AT Command Interface........................................................................................................................................................... 13
3.3 Switching Between Command and Data Modes.............................................................................................................................. 14
3.3.1 Switching Between AT Command Interface and Data Mode................................................................................................... 14
3.3.2 Switching Menu Interface and Data Mode.............................................................................................................................. 15
3.4 Sleep Mode...................................................................................................................................................................................... 15
4. Configuration
4.1 Quick Start Approach ...................................................................................................................................................................... 17
4.2 AT Commands................................................................................................................................................................................. 18
4.3 AT Registers .................................................................................................................................................................................... 21
4.4 Configuration Settings..................................................................................................................................................................... 22
S Register 101 - Operating Mode..................................................................................................................................................... 23
S Register 102 - Serial Baud Rate.................................................................................................................................................... 25
S Register 104 - Network Address................................................................................................................................................... 26
S Register 105 - Unit Address.......................................................................................................................................................... 26
S Registers 106 and 206 - Primary and Secondary Hopping Patterns.............................................................................................. 26
S Register 107 - Encryption Key...................................................................................................................................................... 28
S Register 108 - Output Power Level............................................................................................................................................... 28
S Register 109 - Hopping Interval.................................................................................................................................................... 29
S Register 110 - Data Format............................................................................................................................................................ 29
S Registers 111 and 112 - Packet Minimum and Maximum Size..................................................................................................... 30
S Register 116 - Packet Character Timeout ...................................................................................................................................... 30
S Registers 113 and 213 - Packet Retransmission/Packet Retry Limit ............................................................................................. 31
S Register 115 - Packet Repeat Interval........................................................................................................................................... 31
S Register 122 - Link Handshaking.................................................................................................................................................. 32
S Register 117 - Modbus Mode ........................................................................................................................................................ 32
S Register 120 and 121- RTS/DCD Framing/Timeout ..................................................................................................................... 33
S Register 123 - RSSI Reading......................................................................................................................................................... 33
5. Installation
5.1 Estimating the Gain Margin............................................................................................................................................................. 35
5.2 Antennas and Cabling...................................................................................................................................................................... 37
5.2.1 Internal Cabling ....................................................................................................................................................................... 37
5.2.2 Installing External Cables, Antennas and Lightning Arrestors................................................................................................ 38
A. Modem Command Summary...................................................................................................................................................................... 41
B. Serial Interface............................................................................................................................................................................................ 43
C. Factory Default Settings.............................................................................................................................................................................. 45
DPerformance Tables...................................................................................................................................................................................... 47
E. Hopping Tables............................................................................................................................................................................................ 49
F. Technical Specifications............................................................................................................................................................................. 51
G. Development Board Schematics ................................................................................................................................................................. 53
H. Mechanical Drawing................................................................................................................................................................................... 59
I. Glossary ...................................................................................................................................................................................................... 61

iv CompactRFTM Operating Manual

CompactRFTM Operating Manual: Chapter 1 Introduction. 1
1. Introduction
1.0 Product Overview
The CompactRFTM is a high-performance embedded wireless data
transceiver. Operating in the 902-928 MHz ISM band, this frequency-
hopping spread-spectrum module is capable of providing reliable wireless
data transfer between almost any type of equipment which uses an
asynchronous serial interface. The small-size and low operating current of
this module make it ideal for mobile and battery powered applications.
Typical uses for this module include:
n Automated Meter Reading (AMR);
n Vending Machines;
n Point of Sale Devices;
n Fleet Management;
n Telemetry;
n Remote Camera/Robot Control;
n Security Systems; and,
n Display Signs.
While a pair of CompactRFTM modules can link two terminal devices (“point-
to-point” operation), multiple modules can be used together to create a
network of various topologies, including “point-to-multipoint” and “repeater”
operation. Multiple independent networks can operate concurrently, so it is
possible for unrelated communications to take place in the same or a nearby
area without sacrificing privacy or reliability.
1.1 Features
Key features of the CompactRFTM include:
ntransmission within a public, license-exempt band of the radio
spectrum1 – this means that it can be used without access fees
(such as those incurred by cellular airtime);
na serial I/O data port with handshaking and hardware flow
control, allowing the CompactRFTM to interface directly to any
equipment with an asynchronous serial interface.
1902-928 MHz, which is license-free within North America; may need to be factory-configured
differently for some countries.

2CompactRFTM Operating Manual: Chapter 1 Introduction
n30 sets of user-selectable pseudo-random hopping patterns,
intelligently designed to offer the possibility of separately
operating multiple networks while providing security, reliability
and high tolerance to interference;
nencryption key with 65536 user-selectable values to maximize
security and privacy of communications;
nbuilt-in CRC-16 error detection and auto re-transmit to provide
100% accuracy and reliability of data;
nease of installation and use – the CompactRFTM gives the user
the choice of a menu interface, or a subset of standard AT style
commands, very similar to those used by traditional telephone
line modems.
While the typical application for the CompactRFTM is to provide a short- to
mid-range wireless communications link between DTEs, it can be adapted to
almost any situation where an asynchronous serial interface is used and data
intercommunication is required.
1.2 About this Manual
This manual has been provided as a guide and reference for installing and
using CompactRFTM wireless transceivers. The manual contains instructions,
suggestions, and information which will help you set up and achieve optimal
performance from your equipment using the CompactRFTM.
It is assumed that users of the CompactRFTM have either system integration or
system design experience. Chapter 2 details the physical/electrical
characteristics of the module. Chapter 3 gives an overview of the modes of
operation. Chapter 4 describes the AT command register/menu setup and
configuration. Chapter 5 is an installation/deployment guide. The
Appendices, including the Glossary of Terms, are provided as informational
references which you may find useful throughout the use of this manual as
well as during the operation of the product.
Throughout the manual, you will encounter not only illustrations that further
elaborate on the accompanying text, but also several symbols which you
should be attentive to:
Caution or Warning: Usually advises against some action which could
result in undesired or detrimental consequences.
Point to Remember: Highlights a key feature, point, or step which is worth
noting, Keeping these in mind will make using the CompactRF more
useful or easier to use.
Tip: An idea or suggestion is provided to improve efficiency or to make
something more useful.
With that in mind, enjoy extending the boundaries of your communications
with the CompactRFTM.

CompactRFTM Operating Manual: Chapter 1 Introduction. 3
1.3 Unpacking and Inspection
The following items should be found in the shipping carton. Inspect the
contents for any shipping damage. Report damages or shortages to the
distributor from which the unit was purchased. Keep all packing materials in
the event that transportation is required in the future.
Package contents for the CompactRF development kit (normal distribution):
1CompactRFTM Wireless Module 2
2Operating Manual (this document) 1
312V Wall Adapter 2
4DB9 Straight-through Serial Cable 2
5Rubber Duck Antenna 2
6CompactRFTM Development Board 2

4CompactRFTM Operating Manual: Chapter 1 Introduction

CompactRFTM Operating Manual: Chapter 2 Electrical/Physical 5
2. Electrical/Physical
2.0 Functional Block Diagram
Antenna
Switch
Mixer
LNAMixer
IF Demod
Frequency
Synthesizer
PA
Comparator
+
-
uC
8 bit data bus
UART
(DCE)
GAIN
A/D SRAM EEPROM
SRAM
CTS
DCD
DSR
RxD
DTR
TxD
RTS
ARSSI
\Sleep
\Config
\Reset
RSSI1-3
SYNC
RXMODE
TXMODE
DVcc
AVcc
GND

6CompactRFTM Operating Manual: Chapter 2 Electrical/Physical
2.1 Pinout
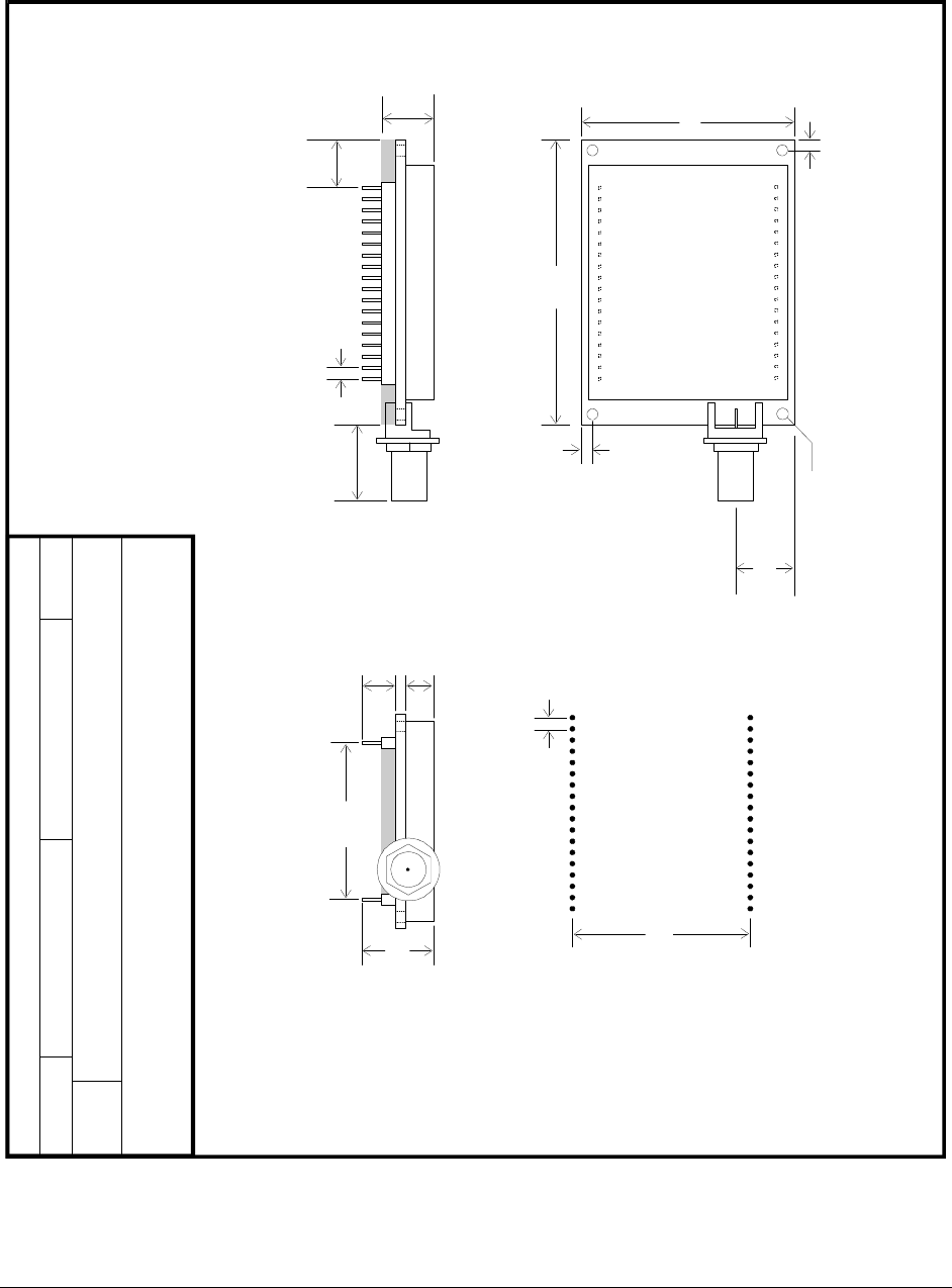
Figure 1 provides a top-view pinout drawing of the CompactRF module. The
corner pins (1,18,19,36) are labeled directly on the module.
1
2
3
4
5
6
7
8
9
10
11
12
13
14
15
16
17
18
36
35
34
33
32
31
30
29
28
27
26
25
24
23
22
21
20
19
NC
NC
NC
NC
\Config
SYNC
RSSI1
RSSI2
RSSI3
Rx Mode
Tx Mode
PGM
GND
GND
GND
GND
GND
AVcc
AVcc
GND
ARSSI
NC
NC
\Reset
DVcc
GND
TxD
RxD
GND
DSR
CTS
DCD
RTS
DTR
SCK
\Sleep
CompactRF
900MHz
TM
Figure 1 - Pinout (Top View)
Pin Name No. Description I/O
ARSSI 34 Provides an analog level of the received signal
strength. This is an uncalibrated signal, and will
provide only rough measurements of signal
strength.
O
AVcc 18,36 Positive Supply for Radio Circuitry. See Section
2.1 for DC Characteristics
\Config 5Momentarily assert low to enter configuration
mode. See Section 2.2 I
CTS 24 RS-232 Clear to Send. Active low (TTL level)
output. See Appendix B for a complete description
of all RS-232 signals.
O
DCD 23 RS-232 Data Carrier Detect. Active low (TTL
level) output. O
DSR 25 RS-232 Data Set Ready. Active low (TTL level)
output.
O

CompactRFTM Operating Manual: Chapter 2 Electrical/Physical 7
Pin Name No. Description I/O
DTR 21 RS-232 Data Terminal Ready. Active low
(TTL level) input.
I
DVcc 30 Positive Supply for Logic circuitry and I/O
pins. See Section 2.2 for DC Characteristics
GND 13-17
26,29,
35
Ground reference for logic, radio and I/O pins.
PGM 12 Programming Status indicator. This output is
for factory use only, and should normally be
left disconnected.
O
\Reset 31 Active low reset input to the module. See
Section 2.3 for timing information.
I
SYNC 6Active high output indicates the modem is
synchronized with at least one other modem
O
RSSI1 7Receive Signal Strength Indicator 1. This
output is the first of the three RSSI indicators
to become active high as the signal strength
increases. See Table 2 for details
O
RSSI2 8Receive Signal Strength Indicator 2. This
output is the second RSSI indicator to become
active high as the signal strength increases.
See Table 2 for details.
O
RSSI3 9Receive Signal Strength Indicator 3. This
output is the last RSSI indicator to become
active high as the signal strength increases.
See Table 3 for details.
O
RTS 22 RS-232 Request to Send. Active low (TTL
level) input.
I
RxD 27 RS-232 Receive Data. TTL level output. O
RXMODE 10 Active high output indicates module is
receiving data over the RF channel.
O
SCK 20 ISP Programming Clock. Used in conjunction
with RxD and TxD when upgrading the
FLASH-based firmware.
I
TxD 28 RS-232 Transmit Data. TTL level input. I
TXMODE 11 Active high output indicates module is
transmitting data over the RF channel.
O
\Sleep 19 Assert low to put the unit to sleep. See
Section 2.3 for timing information.
I
NC 1-4,
32,33 No Connect

8CompactRFTM Operating Manual: Chapter 2 Electrical/Physical
For detailed mechanical drawings, refer to Appendix H
2.2 DC Characteristics
Sym Characteristic Min Typ Max Units
AVCC Radio Supply Voltage 4.9 5.0 5.5 V
DVCC Logic Supply Voltage 4.75 5.0 5.5 V
VPOT Power On Reset Threshold Voltage 1.8 22.2 V
VRST Reset Pin Threshold Voltage DVCC/
2V
AICCR Radio Supply Current in Receive Mode 54 60 66 mA
AICCT
0
Radio Supply Current at 1mW Transmit 68 75 82 mA
AICCT
1
Radio Supply Current at 10mW Transmit 96 107 118 mA
AICCT
2
Radio Supply Current at 100mW Transmit 185 206 227 mA
AICCT
3
Radio Supply Current at 1W Transmit 517 575 633 mA
AISL Radio Sleep Current 500 uA
DICC Logic Supply Current 22 25 28 mA
DISL Logic Sleep Current 1.0 mA
VIL Input Low Voltage (Pins 5,19,21,22,28) -0.5 .3DVCC V
VIH Input High Voltage (Pins 5,19,21,22,28) 0.6VCC VCC+.5 V
VOL Output Low Voltage (Pins 6-11,23-25,27) 0.6 V
VOH Output High Voltage(Pins 6-11,23-25,27) 4.2 V
ISRCE Sourcing Current (Pins 6-11,23-25,27) Per
Pin 10 mA

CompactRFTM Operating Manual: Chapter 2 Electrical/Physical 9
2.3 AC Characteristics
Sym Characteristic Min Typ Max Units
TTOUT Reset Delay Time-Out Period 12.8 16.0 19.2 ms
TCFG \Config. pulse duration See Note ms
TS2SD \Sleep low to internal sleep delay 0See Note ms
TSN Snooze duration 10 ms
TSNIFF Sniff duration 100 us
TWDLY \Sleep high to internal wakeup 0TSN ms
Note: The minimum duration for TCFG is one hop interval. The hop interval is set by the user,
and is stored in register S109. The maximum delay for TS2SD is also one hop interval.
Figure 2 provides timing information for both power-up reset and the \Reset
line operation. A fixed internal reset delay timer of roughly 16ms is triggered
as the VPOT or VRST threshold is reached.
T
V
VDV
\Reset
Internal Reset
CC
TOUT
RST
POT
Figure 2. Reset Timing
Figure 3 illustrates the sleep operation for the CompactRF. When the \Sleep
line is asserted, the modem will internally go to sleep within one hop interval.
While sleeping, the modem will “sniff” every 10 ms to check if the \Sleep
line has again gone high. If the \Sleep line is low, the modem goes back to
sleep. If it is high, the modem wakes up and resumes normal operation.
\Sleep
\Internal Sleep T
SNIFF
T
S2SD
T
SN
T
WDLY
Figure 3. Sleep/Wakeup Timing

10 CompactRFTM Operating Manual: Chapter 2 Electrical/Physical

CompactRFTM Operating Manual: Chapter 3 Modes of Operation 11
3. Modes of Operation
The CompactRFTM modem can be easily configured to meet a wide range of
needs and applications. The module is designed such that all
communication is through one serial port (Pins 21 to 28 on the module).
This port has two functions:
1. It provides the asynchronous interface with the host equipment for data
that is sent/received on the RF channel. When operating in this fashion,
the module is said to be in data mode.
2. It is also used for configuring and programming the module. When
operating in this fashion, the module is said to be in command mode.
In addition to data mode and command mode, there is a third mode of
operation called sleep mode. The module will always be in one of these
three modes.
3.1 Data Mode
Data mode is the normal operating mode of the CompactRF. When in data
mode, the CompactRF is communicating with other CompactRF modules,
and facilitating wireless asynchronous serial communication amongst two or
more terminal devices. There are three basic elements to any CompactRF
communications network:
• One module configured as the Master
• Zero or more modules configured as Repeaters
• One or more modules configured as Slaves
The function of the Master is to provide synchronization for the entire
network, and to control the flow of data. There is always one Master per
network. The Master is the ultimate destination for all data collected at the
various Repeater’s and Slave’s serial ports. With the network set up for
Point-to-Multipoint communication, all data received at the Master’s serial
port is transmitted to every Repeater and Slave in the network. The
CompactRF is a frequency hopping transceiver, meaning that it “hops” to a
new frequency after a predetermined time interval. This time interval is a
fixed time set by the user, and can range from 14ms to 180ms. The
CompactRF hops according to a pseudorandom pattern of 50 different
channels.

12 CompactRFTM Operating Manual: Chapter 3 Modes of Operation
MS
Network 1
MSR
MSR
Network 2
M
S
S
S
Network 3
MR
S
S
S
Network 4
MR
SR
S
Network 5
Figure 4 - Sample Network
Topologies. Virtually any
Combination of Slaves and
Repeaters May be Used.
When configured as a Slave, the CompactRF searches for synchronization
with a Master. Network topologies consisting of a single Master and
virtually any combination of Slaves and Repeaters may be deployed. The
functionality of any particular CompactRFTM can be configured as follows:
nMaster Point-to-Point: The modem is configured to
communicate with a single Slave, either directly, or through one
or more Repeaters.
nMaster Point-to-Multipoint: The modem is configured to
communicate with one or more Slaves and/or Repeaters.
nSlave: The modem is configured to communicate with one
Master either directly or through one or more Repeaters..
nRepeater: The modem is configured to pass information from
either a Master or another Repeater onto subsequent Repeaters
and/or Slaves and vice versa. The Repeater also acts as a Slave
in the sense that, like a Slave, it passes information to/from its
serial port.
Examples of different network topologies are shown in Figure 4. Network
1 shows Point-to-Point communication between a Master and Slave.
Network 2 makes use of a Repeater to communicate with the Slave.
Network 3 illustrates a simple Point-to-Multipoint network with no
Repeaters. Networks 4 and 5 gives examples of Point-to-Multipoint
networks consisting of both Repeaters and Slaves. There is effectively no
restriction to the number of Repeaters and Slaves that can be added to a
network. As seen in Network 4, a Master can communicate directly with
both Slaves and Repeaters.
3.2 Command Mode
The CompactRF firmware has been designed to allow the user to select
between two different Command Mode interfaces: Menu Interface; or, AT
Command Interface. The menu interface is ideal for applications which
involve human configuration of the operating parameters of the modem.
The AT Command interface is more suited for direct interface with another
microcontroller or for higher level Windows-based software applications.
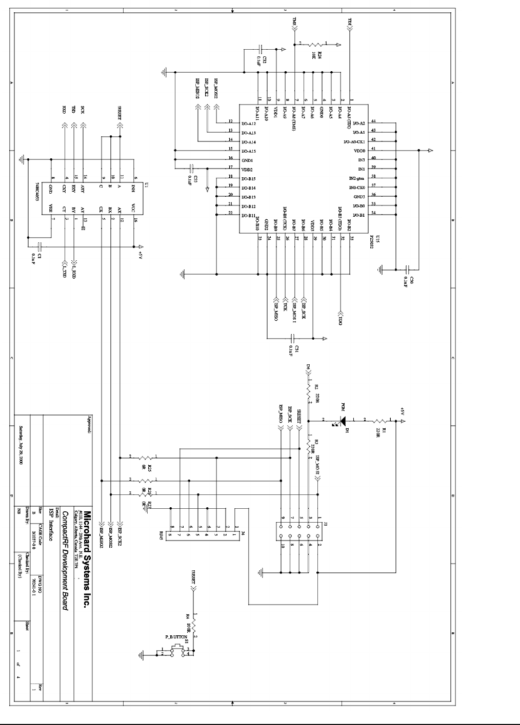
The CompactRF development board is a useful tool for familiarizing
yourself with the various operating parameters and user interface.
Reference schematics for the development board can be found in Appendix
G. To access the CompactRF’s command mode using the development
board:
1. Insert the module into the socket with the antenna connector towards
the edge of the board.
2. Attach the supplied antenna.
3. Connect a straight through serial cable between the DB9 connector and
the serial port on your PC
4. Apply power to the development board
5. Run any terminal application program such as Hyperterminal
6. Set the serial port to 9600 baud, 8N1
7. Momentarily press the configure (CFG) button

CompactRFTM Operating Manual: Chapter 3 Modes of Operation 13
Menu selections are
immediately stored to the
module’s non-volatile
memory.
3.2.1 Menu Interface
At this point, you should see a menu similar to the following appear:
Microhard Systems Inc
CompactRF Configuration
1) Operating Mode S101=1 MasterPP 2) Serial Baud Rate S102=4 9600
3) Network Address S104=255 4) Unit Address S105=65535
5) Hopping Pattern S106=0 6) Encryption Key S107=65535
7) Output Power Level S108=0 1 mW 8) Retry Limit S213=255
9) Hop Interval S109=20 x 0.74 ms = 14 ms
D) Autoanswer S0=1 E) Interface S6=0 AT style
A) Handshaking &K3 Enabled N) DTR &D0 Ignored
O) DSR &S0 ON in Data Mode M) DCD &C1 ON when sync'd
S2=43 S3=13 S4=10 S5=8
Type AT for AT interface or hit Enter for menu
You now have the option of choosing between the menu interface, or the AT
Command interface.
For menu operation, hit ENTER. You should see the following prompt:
Enter Command :
Now, the CompactRF will respond to your menu selection. For example, to
change the unit’s Operating Mode, press the 1 key. The following sub-menu
will appear:
Operating Mode
* 1) MasterPP
2) SlavePP
ESC to exit
Select Operating Mode :
The instant a selection is made, it is immediately stored into the module’s
non-volatile memory.
3.2.2 AT Command Interface
The CompactRF may also be controlled through an AT Command line
interface, using a command set which is very similar to a traditional Hayes
telephone modem command set.
For AT Command operation, instead of hitting ENTER at the prompt, type
AT <ENTER>. The characters ‘AT’ are known as the attention characters
and must be typed at the beginning of each command line. The modem
should respond with OK. Illustrating the same example as above to
configure the Operating Mode using AT Commands, type the following:
ATS101=2 <ENTER>
The modem should respond with ’OK.’ The above command will set the
operating mode to SlavePP (Slave Point to Point).

14 CompactRFTM Operating Manual: Chapter 3 Modes of Operation
When using AT Commands,
use the &W command to
store the most current
settings to memory.
With AT Commands, the settings are not immediately stored to non-volatile
memory, therefore if the modem is powered down at this point, the
Operating Mode would revert to its previous value. To store any recently
updated command registers, the following “write” command must be
entered.
AT&W <ENTER>
3.3 Switching Between Command and Data Modes
The method for switching between data and command modes depends on
which interface you are using (Menu or AT). There is a parameter called
“Interface” (Menu item E) which defines whether the modem is currently
operating in AT mode or Menu mode.
3.3.1 Switching Between AT Command Interface and Data
Mode
Your modem must be in Command Mode for it to execute a command. If
you send characters when the modem is in Data Mode, the modem transmits
the characters over the air.
Depending on its settings, the modem will either power up in Command
Mode or Data Mode. Normally, when first received from the factory, the
unit will power up in Command Mode. In this mode of operation, the
module “autobauds,” meaning that it will adapt to the baud rate of the DTE
equipment to which it is connected. Therefore, when in Command Mode,
you may change the baud rate of your equipment, and the CompactRF will
automatically adjust to this baud rate once an AT string is issued. The new
baud rate is stored in register S102. Several baud rates ranging from 2400
to 19200 may be selected.
You can place the modem into Data Mode either by:
• Issuing the answer command (ATA <ENTER>); or,
• Issuing the online command (ATO <ENTER>).

CompactRFTM Operating Manual: Chapter 3 Modes of Operation 15
The escape sequence will not
be accepted unless both the
CompactRFTM and the
terminal are set to the same
baud rate
DATA
MODE
SLEEP
MODE
COMMAND
MODE
ESC \SLEEP
\SLEEP
\SLEEP
\SLEEP
\SLEEP
ESC \SLEEP
\SLEEP \CONFIG
\SLEEP \CONFIG
Figure 5a - Menu
Interface State Diagram
DATA
MODE
SLEEP
MODE
COMMAND
MODE
\SLEEP
\SLEEP
\SLEEP
\SLEEP
\SLEEP
(ATA or ATO Command)
DTR or
Escape Sequence
\SLEEP
Figure 5b - AT Interface
State Diagram
The modem will now attempt to communicate with other CompactRF
modules. While in Data Mode, the modem will communicate through the
serial port at the same baud rate as was last used in Command Mode2.
To return to Command Mode, you can either:
• Send the escape sequence. (The escape sequence consists of 1 second
of inactivity, followed by the characters ‘+++’ followed by another
second of inactivity.); or,
• Toggle the DTR line (depending on the &D parameter see pg 11).
The escape sequence must be issued at the baud rate that the modem has
been set to. If the modem is set to 19200 baud, and the escape sequence is
issued at 9600 baud, for example, the modem will not recognize it, and will
not go into Command Mode.
3.3.2 Switching Between Menu Interface and Data Mode
When configured for Menu Interface operation, the CompactRF may be
placed into Command Mode from Data Mode by momentarily asserting the
\Config line. This line runs out to a pushbutton on the development board.
Press this button and wait for the menu interface to appear on the screen.
The terminal must be set to 9600 baud when using the menu interface.
To switch back to Data Mode, from the main menu, hit the ESC key. You
should see the response “Running...” The modem will run in Data Mode at
the baud rate setting defined by Menu Item 2) Serial Baud Rate.
3.4 Sleep Mode
As mentioned at the beginning of this chapter, the CompactRF has a sleep
mode of operation. Figure 5 is a state diagram representation of the three
modes of operation. Figure 5a is the menu interface state diagram, and
Figure 5b is the AT interface state diagram. The CompactRF enters into
Sleep Mode when \SLEEP is asserted (active low). The module remains in
Sleep Mode until this line is deasserted. See Chapter 2 for timing
information. When in Sleep Mode, the module drives all outputs pins (Pins
6-11,23-25,27) at their inactive levels.
2 It is possible to enter into Data Mode at a different baud rate from what is
currently being used in Command Mode by issuing the command
ATS102=x, where x is one of the valid baud rates. Care must be taken
when setting the baud rate in this manner. If you issue another AT string
after attempting to set the baud rate using ATS102 <ENTER>, the modem
will again autobaud and automatically revert to the baud rate of the host
equipment. For example, if your equipment is running at 9600 baud and
you wish to set up the modem to run at 19200 baud, the following command
line entry would achieve this:
ATS102=2&WA <ENTER>
The first part (S102=2) sets the baud rate to 19200. The next characters
(&W) write this baud rate to memory. The last character (A) puts the
modem into Data Mode. Once in Data Mode, the modem is unable to
autobaud, and is fixed at 19200 baud. By combining several commands into
one command line entry, and then immediately putting the modem online,
the modem is not given a chance to autobaud back to 9600.

16 CompactRFTM Operating Manual: Chapter 3 Modes of Operation

CompactRFTM Operating Manual: Chapter 4 Configuration 17
4. Configuration
MS
Network 1
MSR
MSR
Network 2
Figure 6. Basic Networks
This chapter provides a detailed description of the various operating
parameters of the CompactRF. Section 4.1 provides a quick-start approach
which outlines the minimum requirements for establishing communication
between two CompactRF modules. The settings will not necessarily provide
optimal performance for your application, but will verify that the modules are
functioning correctly.
Section 4.2 describes the AT Command interface. Section 4.3 describes the
set of registers which are unique to AT operation, and not used in menu
mode.
Section 4.4 covers all parameters that are common to both the AT Command
interface and the Menu interface.
4.1 Quick Start Approach
Whether you are using the AT Command interface or the Menu interface,
there are several parameters that must be set in order to establish
communication between a pair of CompactRF modules.
The CompactRFTM is equipped with four standard factory default settings.
Instead of manually configuring each individual operating parameter, a global
command may be used to quickly configure the modem for a particular type
of operation. For example, to quickly implement Network 1, Factory default
1 would be applied to the Master, and Factory default 2 would be applied to
the Slave. To quickly set up Network 2, apply Factory 1 to the Master,
Factory 3 to the Repeater, and Factory 4 to the Slave. These defaults will get
you started and only ensure that a link can be established, but do not
necessarily provide the best performance. Optimization of the
communications link is discussed in later sections.
To implement the basic network illustrated in Figure 6, Network 1,
Using AT Commands Using Menu Interface
Connect a straight-through serial cable between the development board and the
terminal
Connect an antenna to the module
Power up the development board
See Section 3.3 If you have problems
getting into Command Mode.
Configure the unit to Factory Setting 1
by typing AT&F1 <return>. This puts
the unit into Master Point-to-point
mode.
Store these settings to memory by typing
AT&W <return>.
Configure the unit to Factory Setting 1 by
selecting menu option F). You should
see the following:
Factory Settings
1) Factory Master
2) Factory Slave
3) Factory Slave Through Repeater
4) Factory Repeater
* 5) Manual
Select menu item 1)
Put the modem into Data Mode by
typing ATA (or ATO) <return> Put the modem into Data Mode by
pressing the ESC key.
Perform above steps for the second unit, using Factory Setting 2 instead of Factory
Setting 1. This will configure the second unit as a Slave.

18 CompactRFTM Operating Manual: Chapter4 Configuration
The units should now be communicating. Remember, the parameters defined
by Factory Settings 1 and 2 will likely not be the most ideal for your
application, but will quickly allow you to test the units. A complete summary
of the settings defined by all four factory settings can be found in Appendix
C. Factory Default Settings.
Settings are not immediately stored in non-volatile memory when using AT
Commands, therefore, the command &W is issued to store the current
configuration into non-volatile memory. Settings are retained even after
powering down. All user selectable parameters for the CompactRFTM are
described in detail in Section 4.4: Configuration Settings.
Checking the Link
To check if the units are communicating, observe the LED indicators on the
development board. If the link is good, up to three RSSI LED’s on the
Master and Slave modems should be active; and if the link is absent (due to a
fault at one end or another, such as misconfiguration), the LED’s will be in
either “scanning mode” or inactive.
Characters typed at the Master terminal should appear at the Slave’s terminal,
and vice versa. Also, verify that the RX LED blinks as packets of data are
received at the Master modem. As data is sent from Slave to Master, the RX
indicator should blink on as correct packets of data are received. It is
recommended that if the CompactRFTM will be deployed in the field where
large distances separate the units, the modems should be configured and
tested in close proximity (e.g., in the same room) first to ensure a good link
can be established and settings are correct. This will facilitate
troubleshooting, should problems arise.
4.2 AT Commands
Several AT Commands are supported by the CompactRFTM. The commands
discussed in this section do not have a menu interface equivalent. More
commands and S-Register settings are discussed in Sections 4.3 and 4.4.
To make the command line more readable, you can insert as many spaces as
desired. The command line holds up to 16 characters, not including the AT
prefix. If you want to send more than one command line, wait for a
response before entering the AT prefix at the start of the next command line.
To re-execute the previous command, enter A/. The modem will execute
the previous command line.
When in Command Mode, the modem “autobauds”, meaning that it will
automatically adjust to the baud rate of the terminal. You may change the
terminal baud rate while in Command Mode without losing communication
with the modem.
For the AT command protocol, an escape sequence consists of three
consecutive escape codes preceded and followed by at least 1 second of
inactivity. Typically, the ‘+’ character is used as the escape code.
+++ preceded and followed by 1 second of inactivity

CompactRFTM Operating Manual: Chapter 4 Configuration 19
Note that the terminal must be configured to the same baud rate as the
modem in order for the modem to recognize the escape sequence. The
modem is unable to “autobaud” while in Data Mode.
The following is a description of all available commands. ‘*’ denotes
standard factory settings. All of the following commands must be preceded
by “AT”.
AAnswer
The A command causes the modem to attempt to connect with another
remote modem (Type ATA <return>).
ECommand Echo
Your modem is preset to return (or echo) commands to the host
microprocessor when in Command Mode.
E0 No Command Echo
*E1 Command Echo
IIdentification
The I command returns various modem information settings.
I0 Product Code (CompactRF)
I2 Issue ROM Check (OK or ERROR)
I3 Product Identification (Firmware Version)
I4 Firmware Date
I5 Firmware Copyright
I6 Firmware Time
OOn-line Mode
The O command attempts to put the modem online and communicate with a
remote modem.
QQuiet Mode
Your modem is preset to send responses when it executes commands, and
there after to keep the host informed of its status.
*Q0 Enable modem responses
Q1 Disable modem responses
VResult Codes display
Your modem can either display result codes as words or numbers.
V0 Display Result Codes as numbers
*V1 Display Result Codes as words
WConnection Result
This parameter determines the modem response at the transition from Data
Mode to Command Mode
*W0 Reports computer (DTE) baud rate as CONNECT xxxx
W1 Reports wireless rate between modems as CARRIER
xxxx.
W2 Reports modem (DCE) baud rate as CONNECT xxxx
ZReset and load stored configuration
The Z command resets the modem and loads the stored configuration.

20 CompactRFTM Operating Manual: Chapter4 Configuration
&V View Configuration
The &V command displays all S registers and their current values.
&E Framing Error Check NOT YET IMPLEMENTED
This command enables or disables Framing Error Check. When enabled,
the modem looks for the stop bit. If the stop bit is absent, the byte is thrown
out. When enabled, the modem also does a parity check. Note that the data
format (number of data bits, parity type, and number of stop bits) is defined
by S register 110.
*&E0 Disable Framing Error Check
&E1 Enable Framing Error Check
&W Write Configuration to Memory
The &W command stores the active configuration into the modem’s non-
volatile memory.
Sxxx? Read S register value
This command causes the modem to display the current setting of S register
xxx.
Sxxx=yyy Set S register value (see section 3.3 S-Registers)
This command sets the specified S register to a value specified by yyy.
AT Command Result Codes
The CompactRFTM module can either display the results of a command as
either text strings or numerical data. The following chart shows resulting
text string and corresponding numeric result.
0OK
3NO CARRIER
4ERROR
7CONNECT 2400
8CONNECT 3600
9CONNECT 4800
10 CONNECT 7200
12 CONNECT 9600
13 CONNECT 14400
14 CONNECT 19200
15 CONNECT 28800
17 CONNECT 38400
18 CONNECT 57600
33 CONNECT 115200
62 CARRIER 45000
64 CARRIER 20000

CompactRFTM Operating Manual: Chapter 4 Configuration 21
S Registers 2 through 5
cannot be stored to non-
volatile memory.
4.3 AT Registers
The parameters described in this section apply to AT Command operation
only.
S Register 0 - Auto Answer
If this register is set to zero, the modem will power up in command mode. If
this register is non-zero, the modem will power up in data mode.
S Register 2 - Escape Code
This register contains the ASCII value of the escape character.
The default value (decimal 43) is equivalent to the ASCII character ‘+’.
Values greater than 127 disable the escape feature and prevent you from
returning to the Command Mode. This register cannot be stored to non-
volatile memory. If the modem is reset, or powered down, the default value
is restored.
Default is ‘+’ (decimal 43).
S Register 3 - CR Control Code
This register contains the ASCII value of the carriage return character.
This is the character that is used to end the command line and is also the
character that appears after the modem sends a response. This register
cannot be stored to non-volatile memory. If the modem is reset, or powered
down, the default value is restored.
Default is ‘CR’ (decimal 13).
S Register 4 - Linefeed Control Code
Register S4 sets the ASCII value of the linefeed character.
The modem sends the linefeed character after sending a carriage return
character when sending text responses. This register cannot be stored to
non-volatile memory. If the modem is reset, or powered down, the default
value is restored.
Default is ‘LF’ (decimal 10).
S Register 5 - Backspace Control Code
Register S5 sets the ASCII value of the backspace character.
This character is both the character created by entering BACKSPACE and
the character echoed to move the cursor to the left. This register cannot be
stored to non-volatile memory. If the modem is reset, or powered down, the
default value is restored.
Default is ‘BS’ (decimal 8).

22 CompactRFTM Operating Manual: Chapter4 Configuration
&F1 &F2
Master Slave
&F1 &F4
&F3
Master Repeater Slave
4.4 Configuration Settings
The parameters described in this section affect the operating characteristics
of the CompactRF module. All the settings described in this section can be
configured using either the AT Command interface or the menu interface.
AT Menu
DCD (Data Carrier Detect) &C M
The &C command controls the modem’s DCD output signal to the host
microprocessor. This command determines when the DCD is active.
&C0 DCD is always ON
*&C1 DCD on when modems are synchronized. DCD is always
on when unit is configured as Master.
&C2 DCD used for output data framing and Modbus mode.
See page 24 for details.
AT Menu
DTR (Data Terminal Ready) &D N
The &D command controls what action the modem performs when the DTR
input line is toggled. The DTR input is controlled by the host
microprocessor.
*&D0 DTR line is ignored
&D1 Not Supported
&D2 DTR disconnects and switches to Command Mode
&D3 DTR disconnects and resets modem. Modem will remain
in this state until DTR again goes active.
AT Menu
Load Factory Default Configuration &F F
The &F command resets the modem and loads the default factory
configuration.
&F1 Master Point-to-Multipoint. Designed to communicate
with modems configured as &F2 or &F3.
&F2 Slave. Designed to communicate with another modem
configured as &F1.
&F3 Repeater. Designed to communicate with modems
configured as &F1 and &F4.
&F4 Slave working with factory default Repeater and factory
default Master. Communicates directly with Repeater
configured as &F3.

CompactRFTM Operating Manual: Chapter 4 Configuration 23
Only one Master can exist
for each network.
AT Menu
Handshaking &K A
This command controls the handshaking between the modem and host
microprocessor.
&K0 Disable handshaking
&K2 RTS/CTS input data framing. See page 33 for details.
*&K3 Enable hardware handshaking (RTS/CTS)
AT Menu
DSR (Data Set Ready) &S O
This command controls the DSR line for the modem, and determines when
it is active
&S0 DSR is always ON
*&S1 DSR is ON in Data Mode, OFF in Command Mode
AT Menu
Operating Mode S101 1
The Operating Mode (register S101) partly defines the “personality” of the
CompactRFTM module. Allowable settings for this register are 1 through 4
as follows:.
• S101=1 Master Point to Multipoint
• S101=2 Master Point to Point
• S101=3 Slave
• S101=4 Repeater
The default for this register depends on which factory default is selected as
shown below:
• Default for Factory Setting &F1 is 1 (Master Point-to-Multipoint)
• Default for Factory Setting &F2 is 3 (Slave)
• Default for Factory Setting &F3 is 4 (Repeater)
• Default for Factory Setting &F4 is 3 (Slave)
1)Master - Point to Multipoint. In any given network, there
is always only one Master. All other units should be configured as either
Slaves or Repeaters. When defined as a Point-to-Multipoint Master, the
modem broadcasts data to all Slaves and Repeaters in the network, and is
also the ultimate destination for data transmitted by all Slaves and
Repeaters. In addition, the Master defines the following network parameters
to be utilized by all other modems in the network (See the appropriate
sections for a complete description of these parameters):
nMaximum Packet Size (S112)
nMinimum Packet Size (S111)
nLink Handshaking (S122)
nWireless Link Rate (S103)
nHop Interval (S109)

24 CompactRFTM Operating Manual: Chapter4 Configuration
PHP=1 PHP=2
PHP=1
SHP=2
Master
Repeater
Slave
Network 50
Hop Pattern 1
Hop Pattern 2
Figure 7 - Repeater
Operation
Master Repeater
Slave
Repeater
Slave
PHP=1 PHP=1
SHP=2
PHP=2
PHP=2
SHP=3 PHP=3
Hop-
Pattern 1
Hop Pattern 2
Hop Pattern 3
Figure 8 - A Network
Utilizing Three Hopping
Patterns
If there is no DTE connected
to the Repeater, turn off
handshaking (&K0) and set
the baud rate to 115K.
2)Master - Point to Point. This mode of operation is identical
to Master Point-to-Multipoint, with the exception that the Master only
broadcasts to one particular Slave or Repeater. The modem with which
communication occurs is defined by the Unit Address (S105). For example,
if a Slave has been assigned Unit Address 100, and the Master wishes to
communicate with that Slave, the Master must also be assigned a Unit
Address of 100. If there are Repeaters in the network, they will pass the
packet through to the Slave, and vice versa. Because Repeaters also have
Slave functionality (i.e., a Repeater can be connected to a terminal), the
Master can choose to communicate solely with a Repeater. This would be
accomplished by assigning the same Unit Address to both the Master and
the Repeater.
3)Slave. Up to 65534 Slaves may exist in a network, all of which
communicate with the common Master (either directly or via Repeater(s)).
Slaves cannot directly communicate with other Slaves, nor can they
acknowledge packets of data sent by the Master. Clearly this would cause
conflicts when there are multiple Slaves. The Master does, however, send
acknowledgements to all messages it receives from Slaves. The Master
initiates communications by sending a broadcast message to all Slaves. All
Slaves are free to respond in a “Slotted ALOHA” fashion, meaning that each
Slave can choose one of several windows in which to transmit. If there
happens to be two Slaves attempting to talk at the same time, the Master
may not receive the data, and the Slaves therefore would not get an
acknowledgement. At this point, the Slaves would attempt to get the
information through at random time intervals, thus attempting to avoid any
more conflicts. Special parameters which control the Slave’s response
characteristics can be modified with S Registers S115 and S213.
4) Repeater. A more precise title would be Repeater/Slave, because a
Repeater also has much of the same functionality as a Slave. A terminal can
be connected at the Repeater location and communicate with the Master
terminal. There is no restriction to the number of Repeaters in a network,
allowing for communication over virtually limitless distances. The presence
of one Repeater in a network automatically degrades system throughput by
half. Additional Repeaters, regardless of the quantity, do not diminish
system throughput any further. To understand Repeater operation, consider
the module as belonging to two hopping patterns at the same time: The
Primary Hopping Pattern and the Secondary Hopping Pattern. In Figure 7,
the Master belongs to Hopping Pattern 1, and communicates with the
Repeater on this hopping pattern. The Slave belongs to Hopping Pattern 2,
and communicates with the Repeater on this hopping pattern. The whole
system belongs to Network 50 (i.e., all units must be assigned the same
Network Address (S104), which in this case was selected to be 50. Note
that Slaves and Master only communicate on their respective Primary
Hopping Pattern. Repeaters communicate on the Primary Hopping Pattern
when communicating with the Master (or with another Repeater between
itself and the Master). Repeaters communicate on their Secondary Hopping
Pattern when communicating with Slaves (or with another Repeater between
itself and the Slaves). Figure 8 shows another example.
If the Repeater is not also being used as a Slave (there is no DTE connected
to the serial port), it is recommended that the Repeater’s baud rate be set to
115K, and that handshaking be disabled (&K0). This will help ensure a
smooth flow of data through the network.

CompactRFTM Operating Manual: Chapter 4 Configuration 25
The Master determines the
Wireless Link Rate. This
setting on all other modems
is ignored..
AT Menu
Serial Baud Rate S101 1
The Serial Baud Rate is the current speed that the modem is using to
communicate with the DTE. When the AT command prefix is issued, the
modem performs an ‘autobaud’ operation and determines what the current
DTE baud rate is set to. The S register value returns the current setting of
the DTE baud rate.
The possible values are:
* 1 115200
2 57600
3 38400
4 28800
5 19200
6 14400
7 9600
8 7200
9 4800
10 3600
11 2400
It is generally advisable to choose the highest rate that your terminal
equipment will handle to maximize performance, unless a limitation on the
available bandwidth is desired. If the DTE is a personal computer, the port
can usually be used reliably at 115200.

26 CompactRFTM Operating Manual: Chapter4 Configuration
Select a Network Address
and assign it to all units
which will be included in the
network.
Use the same Unit Address
on both units for point-to-
point mode. In multipoint
mode, set each Slave and
Repeater to a different Unit
Address.
Valid Unit Addresses are 1
to 65535.
AT Menu
Network Address S104 3
The Network Address defines the communications network to which
individual units can be a part of. By establishing a network under a
common Network Address, the network can be isolated from any other
concurrently operating network. As well, the Network Address provides a
measure of privacy and security. Only those units which are members of the
network will participate in the communications interchange. Valid values
for the Network Address range from 0 to 65535, inclusive.
To enhance privacy and reliability of communications where multiple
networks may operate concurrently in close proximity, it is suggested that an
atypical value be chosen – perhaps something meaningful yet not easily
selected by chance or coincidence.
Default is 1.
AT Menu
Unit Address S105 4
In point-to-point operation, the Unit Address on both the Master and Slave
(or Repeater) units must be the same. In a multipoint system, the Unit
Address uniquely identifies each Slave and Repeater from one another.
Each unit in a multipoint system must have a unique Unit Address ranging
from 1 to 65535. Do not use 0 as a Unit Address, and do not use a Unit
Address more than once within the same Network. This is required because
the Master must be able to acknowledge each unit individually, based on the
Unit Address.
AT Menu
Primary Hopping Pattern S106 5
Secondary Hopping Pattern S206 B
Since the CompactRFTM is a frequency-hopping modem, the carrier
frequency changes periodically according to one of 30 pseudo-random
patterns, defined by the Primary and Secondary Hopping Patterns. Valid
entries for each are 0 through 29.
The concept of Primary and Secondary Hopping Patterns was introduced in
the discussion of S Register 101 (Operating Mode).
Using the designations M[a,] Rx[a,b] and Sx[a] where:
- M indicates Master;
- R indicates Repeater;
- S indicates Slave;
- x is the Unit Address;
- a is the primary hopping pattern; and,
- b is the secondary hopping pattern;

CompactRFTM Operating Manual: Chapter 4 Configuration 27
Master Slave
Master Repeater Slave
Master Repeater1 Repeater2 Slave
Slaves and Masters do not
use Secondary Hopping
Patterns
Remember to assign a
unique Unit Address (1 to
65535) to each unit in the
system
the following diagrams illustrate the methodology for deploying simple to
complicated networks:
M[1] ←→ S1[1]
M[1] ←→ R1[1,2] ←→ S2[2]
M[1] ←→ R1[1,2] ←→ R2[2,3] ←→ S3[3]
M[1] ←→ R1[1,2] ←→ R2[2,3] ←→ R3[3,4] ←→ S4[4]
It is reasonable to consider a Repeater as being both a Slave and a Master,
alternating between Primary and Secondary Hopping Patterns as the unit
changes channel. Consider R1 in the illustration below. When
communicating with the Master, R1 is acting like a Slave on Primary
Hopping Pattern 1. When communicating with R2 and S4, R1 is acting like
a Master on Secondary Hopping Pattern 2. If multiple Repeaters are used,
they should have different Secondary Hopping Patterns:
←→ R1[1,2] ←→ R2[2,5] ←→ S3[5]
M[1] ←→ S4[2]
←→ R5[1,3] ←→ R6[3,6] ←→ S7[6]
←→ R8[1,4] ←→ S9[4]
Note that all units have a unique Unit Address.
Networks of any complexity can be created by linking multiple Repeaters
and Slaves:
←→ R1[1,2] ←→ S2[2]
←→ S3[2]
←→ ←→ R5[3,6] ←→ S6[6]
M[1] R4[1,3] ←→ S7[6]
←→ R8[3,7] ←→ R9[7,8] ←→ S10[8]
←→ S11[1]
←→ S12[1]
With a limitation of 62 hopping patterns, one might suspect that there is a
limitation to the number of repeaters in a system. However, if the units are
far enough away from one another, hopping patterns may be reused in
different sections of the network, without causing interference.

28 CompactRFTM Operating Manual: Chapter4 Configuration
All units within a network
must use the same
encryption key.
AT Menu
Encryption Key S107 6
The Encryption Key provides a measure of security and privacy of
communications by rendering the transmitted data useless without the
correct key on the receiver. Valid Encryption Keys range from 0 to 65535.
Keep in mind that all units within the network must use the same key for
communications to succeed.
AT Menu
Output Power Level S108 7
The Output Power Level determines at what power the CompactRFTM
transmits. The CompactRFTM can operate with very low power levels, so it
is recommended that the lowest power necessary is used; using excessive
power contributes to unnecessary “RF pollution”.
The allowable settings are:
01 mW
110 mW
*2 100 mW
31000 mW
Ideally, you should test the communications performance between units
starting from a low power level and working upward until the RSSI is
sufficiently high and a reliable link is established. Although the conditions
will vary widely between applications, typical uses for each setting are
described below:
Power Use
1 mW For in-building use, typically provides a link up to 300 feet on the
same floor or up/down a level. Outdoors, distances of 1 km can be
achieved if high-gain (directional) antennas are placed high above
ground level and are in direct line-of-sight.
10 mW 200-500 ft indoors, 2-5 km outdoors.
100 mW 400-800 ft indoors, 4-8 km outdoors.
1000 mW
(1 W)
Typically provides communications up to a distance of 1000 feet or
more in-building on the same floor or up/down a few levels,
depending on building construction (wood, concrete, steel, etc.). In
ideal line-of-sight conditions, up to 16 km or more can be achieved.
Note that only an antenna with a gain of no more 6 dBi may be used.
Any higher is a violation of FCC rules. See IMPORTANT warning
below.

CompactRFTM Operating Manual: Chapter 4 Configuration 29
FCC Regulations
The hopping interval is
controlled by the master.
The slave and repeater units
will use the hopping interval
setting from the master.
IMPORTANT:
FCC Regulations allow up to 36 dBi effective radiated power (ERP).
Therefore, the sum of the transmitted power (in dBm), the cabling loss
and the antenna gain cannot exceed 36 dBi.
1 mW = 0 dBm
10 mW = 10 dBm
100 mW = 20 dBm
1000 mW = 30 dBm
For example, when transmitting 1 Watt (30 dBm), with cabling losses of
2 dB, the antenna gain cannot exceed 36 - 30 + 2 = 8 dBi. If an antenna
with a gain higher than 8 dBi were to be used, the power setting must
be adjusted appropriately.
AT Menu
Hopping Interval S109 9
This option determines the frequency at which the modems change channel.
Note that the Master controls this parameter for the entire network. This
setting is ignored in units configured as Slaves or Repeaters.
The allowable settings are 20 to 255. There is a multiplying factor of
0.74ms. For example, if you set the Hopping Interval to 20, the actual
hopping interval will be 20 x 0.74ms = 14.8ms.
See Appendix D for optimal Hopping Interval settings in relation to packet
size and link rate.
AT Menu
Data Format S110 C
This register determines the format of the data on the serial port. Allowable
settings are:
*1 8 bits, No Parity, 1 Stop
28 bits, No Parity, 2 Stop
38 bits, Even Parity, 1 Stop
48 bits, Odd Parity, 1 Stop
57 bits, No Parity, 1 Stop
67 bits, No Parity, 2 Stop
77 bits, Even Parity, 1 Stop
87 bits, Odd Parity, 1 Stop
97 bits, Even Parity, 2 Stop
10 7 bits, Odd Parity, 2 Stop
11 9 bits, No Parity, 1 Stop

30 CompactRFTM Operating Manual: Chapter4 Configuration
The Minimum and
Maximum Packet Size is
controlled by the Master.
The Slave and Repeater units
will use the Minimum and
Maximum Packet Size
setting from the Master.
AT Menu
Packet Minimum Size S111 G
Packet Maximum Size S112 H
Packet Character Timeout S116 I
These settings determine the conditions under which the modem will
transmit accumulated data over the air.
S Register 111 - Minimum Size
Valid entries for this register are 1 to 255 bytes, which defines the minimum
number of bytes to receive from the DTE before encapsulating them in a
packet and transmitting over the air.
Note that the minimum packet size for all modems in the network is
determined by the Master only. This setting is ignored in all Slave and
Repeater modems. The default is 1 byte.
S Register 112 - Maximum Size
This setting has a range of 2 to 255, and defines the maximum number of
bytes from the DTE which should be encapsulated in a packet. This value
should be greater than the minimum packet size, but not smaller than is
necessary for reliable communications. If the wireless link is consistently
good and solid, a maximum size of 255 will yield the best throughput
(depending on the higher level protocols of the connected equipment).
However, if the link is poor (e.g., experiencing excessive interference) and
data is frequently retransmitted, the maximum packet size should be
reduced. This decreases the probability of errors within packets, and
reduces the amount of traffic in the event that retransmissions are required.
Note that the maximum packet size for all modems in the network is
determined by the Master only. This setting is ignored in all Slave and
Repeater modems. The default is 255 bytes.
S Register 116 - Packet Character Timeout
This register has valid entries of 0 to 254 milliseconds. The Packet
Character Timeout timer looks for gaps in the data being received from the
DTE. The timer is only activated after the Minimum Packet Size has been
accumulated in the modem. After which, if the timer detects a gap in the
data exceeding the Packet Character Timeout value, the modem will
transmit the data.
The CompactRFTM will accumulate data in its buffers from the DTE until
one of the following requirements is met (whichever occurs first):
• The Maximum Packet Size (in bytes) has been accumulated;
• The Minimum Packet Size has been accumulated AND the Packet
Character Timeout interval has elapsed.
The default for the Packet Character Timeout is 9 ms. If set to 0 ms, the
unit will buffer exactly the minimum packet size before transmitting.

CompactRFTM Operating Manual: Chapter 4 Configuration 31
AT Menu
Packet Retransmissions S113 J
This register applies to both Master and Repeater operation. It does not
apply to Slave operation. The Master will retransmit each data packet
exactly the number of times defined by the Packet Retransmissions
parameter. The Master retransmits once at the beginning of each hopping
interval until the limit is reached. This parameter is not necessary in Slave
units since all Slaves receive acknowledgement from the Master. As
discussed previously, the Repeater effectively behaves as both a Master and
a Slave. When the Repeater is tuned to its Secondary Hopping Pattern
(acting as a Master), the Packet Retransmissions Parameter comes into play.
The Repeater will re-send packets of data on to Slaves or other Repeaters
exactly the number of times defined by the Packet Retransmissions
parameter.
Recipients of the packet will discard any duplicates The valid settings for
this parameter are 0 to 255 retransmissions. The default is 2.
AT Menu
Packet Retry Limit S213 K
Packet Retry Limit is analogous to Packet Retransmissions, but specifically
applies to Slaves and Repeaters. This parameter is not used by the Master.
Because the Slave has the advantage of receiving acknowledgements from
the Master, it is not necessary to blindly retransmit each packet. If the Slave
does not get an acknowledgement on the next hop, it will retransmit its
packet. This will continue until the Packet Retry Limit is reached or an
acknowledgement is received. If the limit is reached, the modem will give
up and discard the data. Valid settings are 0 to 255 retries. The default
value is 2.
The Repeater makes use of this parameter when it is tuned to its Primary
Hopping Pattern and is acting like a Slave.

32 CompactRFTM Operating Manual: Chapter4 Configuration
AT Menu
Packet Repeat Interval S115 L
A parameter that is specific to Slaves and Repeaters is the Packet Repeat
Interval.
The allowable settings are 1 through 255. The default is 1.
This parameter defines a range of random numbers that the Slave will use as
the next slot in which it will attempt to send the packet. For example, if this
register is set to 7, the Slave will choose a number between one and seven as
the next slot in which to transmit. Suppose the random number generator
picks 5, then the Slave will transmit in the fifth time slot. A Slave will
transmit a maximum of once per hopping interval, however, depending on
the duration of the hopping interval and the maximum packet size, more
than one slot per hop is potentially available. The Slave will transmit more
frequently when a Repeat Interval with a smaller range is selected. Choose
1 to have the Slave transmit in the first available slot. Choose higher
intervals for less frequent transmission, or to avoid collisions between many
Slaves in the system.
AT Menu
Link Handshaking S122 P
Link Handshaking is controlled only by the Master unit. If the Master runs
out of free buffers, it will command all Slaves and Repeaters to hold their
data. Once the Master is ready to receive data it will allow the Slaves and
Repeaters to transmit. Possible values are ‘1’ - Enabled and ‘0’ - Disabled.
The default is 1. This register is ignored by all Slave and Repeater units.
AT Menu
Modbus Mode S117 Q
Modbus Mode allows for the CompactRFTM to be fully Modbus compatible.
Please contact Microhard Systems for assistance when configuring the unit
for Modbus operation. Optimal Modbus settings rely on several other S
Register parameters.
The allowable settings for this register are:
*0 Disabled
1Enabled

CompactRFTM Operating Manual: Chapter 4 Configuration 33
AT Menu
RTS/DCD Framing 120 R
DCD Timeout 121 S
The CompactRFTM supports two special types of data framing:
• Input (or RTS/CTS) Data Framing; and,
• Output (or DCD) Data Framing
Input Data Framing is enabled by configuring the Handshaking Parameter as
&K2. This type of framing makes use of the S120 parameter as illustrated
in Figure 9. Parameter S120 can be set to any value between 0 and 254 ms.
RTS
CTS
TXD
S120 (ms)
Data going into MHX-910
0 to 1 ms
Figure 9 - Input Data Framing
To enable output (DCD) data framing, set the Data Carrier Detect parameter
as &C2. This type of framing uses both S120 and S121 registers as shown
in Figure 10. Valid ranges for each parameter are 0 to 254 ms.
DCD
RXD Data leaving MHX-910
S120 (ms) S121 (ms)
Figure 10 - Output Data Framing
AT Menu
RSSI Reading S123 T
This register displays the average signal strength in dBm over the previous
four hop intervals. Valid RSSI readings apply only to units configured as
Slave or Repeater.

34 CompactRFTM Operating Manual: Chapter4 Configuration

CompactRFTM Operating Manual: Chapter 5 Installation 35
5. Installation
The installation, removal
or maintenance of all
antenna components must
be carried out by
qualified and experienced
professionals.
The installation, removal or maintenance of all antenna
components must be carried out by qualified and
experienced professionals.
The CompactRF complies with FCC part 15 at the modular level for
operation in the license-free 902-928 MHz ISM band. This chapter
provides guidelines for installing and deploying equipment which
incorporates the CompactRF module.
5.1 Estimating the Gain Margin
Successful communication between CompactRF modules is dependent on
three main factors:
• System Gain
• Path Loss
• Interference
System gain is a calculation in dB describing the performance to be
expected between a transmitter-receiver pair. The number can be calculated
based on knowledge of the equipment being deployed. The following four
factors make up a system gain calculation:
1. Transmitter power (user selectable 0, 10, 20 or 30 dBm)
2. Transmitter gain (transmitting antenna gain minus cabling loss between
the transmitting antenna and the CompactRF module)
3. Receiver gain (Receiving antenna gain minus cabling loss between the
receiving antenna and the module)
4. Receiver sensitivity (Specified as -103 dBm on the CompactRF
module)
In the following illustration, the transmitting antenna has a gain of 6 dB, and
the receiving antenna has a gain of 3 dB. The cable loss between the
module and the antenna is 2 dB on both the transmitting and receiving side.
Transmitter
30 dBm
Output Power
Receiver
Sensitivity =
-103 dBm
Cable Loss = 2 dB
Cable Loss = 2 dB
Antenna Gain = 6 dB Antenna Gain = 3 dB
The power level has been set to 30 dBm (1W) on the transmitter, and the
receiver sensitivity for the CompactRF is -103 dBm.
System gain would be calculated to be:
30 - 2 + 6 + 3 - 2 + 103 = 138 dB.

36 CompactRFTM Operating Manual: Chapter 5 Installation
Base Height (m)
Mobile
Height
(m)
Distance (km)
When deploying your system, care must be taken to ensure the path loss
(reduction of signal strength from transmitter to receiver in dB) between
equipment does not exceed the system gain (138 dB in the above example).
It is recommended to design for a gain margin of at least 10 dB to ensure
reliable communication. Gain margin is the difference between system gain
and path loss. Referring to the same example, if the path loss is 100 dB, the
gain margin would be 38 dB, which is more than adequate for reliable
communication.
Path loss is a very complicated calculation which mainly depends on the
terrain profile, and the height of the antennas off the ground.
The following table provides path loss numbers for varying antenna heights
and antenna separation: These numbers are real averages taken from rural
environments. They do not apply to urban, non-line-of-sight environments.
Distance
(km)
Base Height
(m)
Mobile Height
(m)
Path Loss
(dB)
5 15 2.5 116.5
5 30 2.5 110.9
8 15 2.5 124.1
8 15 5 117.7
8 15 10 105
16 15 2.5 135.3
16 15 5 128.9
16 15 10 116.2
16 30 10 109.6
16 30 5 122.4
16 30 2.5 128.8
Once the equipment is deployed, you can verify the signal strength by
entering into Command Mode and reading Register S123. This register
provides the average signal strength in dBm. The minimum strength for
communication is roughly -103 dBm. For consistent reliable
communication, you should try to deploy the equipment such that signal
strength exceeds -95 dBm.

CompactRFTM Operating Manual: Chapter 5 Installation 37
5.2 Antennas and Cabling
This section describes the recommended procedure for installing cabling
and antennas for use with the CompactRF module.
5.2.1 Internal Cabling
The most common method for installing the module is to run a cable from
the module’s SMA connector to an N-male bulkhead connector on the
chassis of the equipment as shown in Figure 11
LMR195 Cable
with SMA male
connector
and N-male
bulkhead
connector
N-male connector
SMA male connector
Figure 11. Suggested Internal Cabling
With losses of 10.7 dB/100ft, LMR195 is a high quality cable ideal for use
with the CompactRF’s SMA connector. Losses are negligible for the short
piece used within the chassis. Additional losses up to 0.5 dB may be present
in the SMA and N connections.

38 CompactRFTM Operating Manual: Chapter 5 Installation
The installation, removal or
maintenance of all antenna
components must be carried out
by qualified and experienced
professionals.
Never work on an antenna system
when there is lightning in the
area.
Direct human contact with the
antenna is potentially unhealthy
when the CompactRF is
generating RF energy. Always
ensure that the CompactRF
equipment is powered down
during installation.s
5.2.2 Installing External Cables, Antennas and Lightning
Arrestors
The installation, removal or maintenance of all antenna components must be
carried out by qualified and experienced professionals.
Never work on an antenna system when there is lightning in the area.
Direct human contact with the antenna is potentially unhealthy when the
CompactRF is generating RF energy. Always ensure that the CompactRF
equipment is powered down during installation.
Surge Arrestors
The most effective protection against lightning is to install two lightning
(surge) arrestors. One at the antenna, and the other at the interface with the
equipment. The surge arrestor grounding system should be fully
interconnected with the transmission tower and power grounding systems to
form a single, fully integrated ground circuit. Typically, both ports on surge
arrestors are N-female.
Cabling
The following coax cables are recommended:
Cable Loss (dB/100ft)
LMR 195 10.7
LMR 400 3.9
LMR 600 2.5
Factors to take into consideration when choosing a cable are:
• price;
• bend radius limitations (the lower performance cables generally can
bend more sharply)
• performance requirements; and,
• distance between the equipment and the antenna.
When installing the cable, always begin fastening at the top near the antenna
connector/surge arrestor. The cable must be supported at the top with a
hose clamp or wrap lock, and at 5 ft intervals down the length of the tower.
Over-tightening the fasteners will dent the cable and reduce performance. If
properly grounded surge arrestors are not installed at both the top and the
bottom of the cable, then the cable should be grounded to the tower at these
locations using a cable grounding kit. If the tower is non-conductive, then a
separate conductor, physically separate from the cable, should be run down
the tower.

CompactRFTM Operating Manual: Chapter 5 Installation 39
To comply with FCC regulations,
.you must limit ERP to 36 dBm or
less.
Antenna
Before choosing an antenna, you should have some knowledge of the path
loss and the topology of the equipment. If the equipment is in a fixed
location and is to communicate with only one other unit also in a fixed
location, then a Yagi antenna is suitable. Choose a Yagi with enough gain
to ensure adequate gain margin. When deploying the Yagi, point the
antenna towards the intended target, ensuring the antenna elements are
perpendicular to the ground.
If the equipment must communicate with multiple or mobile transceivers,
then select an Omni-directional antenna with appropriate gain.
The Effective Radiated Power (ERP) emitted from
the antenna cannot exceed +36 dBm ERP.
With the CompactRF set to full power, ERP is calculated as follows:
ERP = 30 - (Cabling and Connector Losses) + (Antenna Gain) < 36
Use the guidelines in the previous section for calculating cable and
connector losses. If cabling and connector losses are 2 dB, then the
maximum allowable gain of the antenna will be 8 dB.
External Filter
Although the CompactRF is capable of filtering out RF noise in most
environments, there are occasions that require external filtering. Paging
towers, and cellular base stations in close proximity to the CompactRF
antenna can desensitize the receiver. Microhard Systems’ external cavity
filter eliminates this problem. The filter has two N-female ports and should
be connected in line at the interface to the RF equipment.
Weatherproofing
Type N connectors are not weatherproof. All connectors should be taped
with rubber splicing tape (weatherproofing tape), and then coated with a
sealant.

40 CompactRFTM Operating Manual: Chapter 5 Installation

CompactRFTM Operating Manual: Appendix A Modem Command Summary 41
A. Modem Command Summary
The following provides a command summary for the CompactRFTM. Factory settings are denoted with a ‘*’.
AT Commands
AAnswer
ECommand Echo
E0 No Echo
* E1 Command Echo
IIdentification
I0 Product Code
I2 ROM Checksum test
I3 Firmware Version
I4 Firmware Date
I5 Copyright
I6 Firmware Time
OOn-line Mode
QQuiet Mode
* Q0 Enables Result Codes
Q1 Disables Result Codes
VResult Codes Display
V0 Display as Numbers
* V1 Display as Words
WConnection Result
* W0 Reports DTE as CONNECT xxxx
W1 Reports computer (DTE) rate and wireless rate
between modems as CARRIER xxxx.
W2 Reports DCE as CONNECT xxxx
ZReset and load stored configuration
&C DCD (Data Carrier Detect)
&C0 DCD is always on
* &C1 DCD is on when modems are synchronized
&C2 DCD used for output data framing
&D DTR (Data Terminal Ready)
&D0 DTR ignored
* &D2 DTR disconnects and switches to command
&D3 DTR disconnects and resets modem
&F Load Factory Default
&F1 Master
&F2 Slave
&F3 Repeater
&F4 Slave through Repeater
&K Handshaking
&K0 Disable Handshaking
&K2 RTS/CTS Input Framing
* &K3 Enable Handshaking
&S DSR (Data Set Ready)
&S0 DSR is always on
* &S1 DSR on in data, off in command mode
&V View Configuration
&W Write configuration to memory
Sxx? Read S register value
Sxx=yy Set S register value
Result Codes
0OK 12 CONNECT 9600
3NO CARRIER 13 CONNECT 14400
4ERROR 14 CONNECT 19200
7CONNECT 2400 15 CONNECT 28800
8CONNECT 3600 17 CONNECT 38400
9CONNECT 4800 18 CONNECT 57600
10 CONNECT 7200 33 CONNECT 115200
64 CARRIER 20000 62 CARRIER 45000
S Registers
S0 Auto Answer [0...255]
0 = power up in Command Mode,
non-zero = power up in Data Mode
S2 Escape code [0...255] default ‘+’
S3 CR character [0...255] default <cr>
S4 Line Feed [0...255] default <lf>
S5 Backspace [0...255] default <bs>
S101 Operating Mode
1 - Master Point to Multipoint
2 - Master Point to Point
3 - Slave
4 - Repeater
S102 Serial Baud Rate
*1 = 115200, 2 = 57600, 3 = 38400
4 = 28800, 5 = 19200, 6 = 14400
7 = 9600, 8 = 7200, 9 = 4800,
10 = 3600, 11 = 2400
S103 Wireless Link Rate
2 = Fast w/o FEC
*4 = Fast with FEC
S104 Network Address [0...65535]
S105 Unit Address [1...65535]
S106 Primary Hopping Pattern [0...61]
S206 Secondary Hopping Pattern [0...61]
S107 Encryption Key [0...65535]
S108 Output Power Level
0 = 1 mW, 1 = 10 mW, *2 = 100 mW
3 = 1000 mW
S109 Hopping Interval
1 = 8 msec, 2 = 12 msec, 3 = 16 msec,
4 = 20 msec, 5 = 30 msec, 6 = 45 msec,
7 = 80 msec, *8 = 120 msec
S110 Data Format
* 1 = 8N1, 2 = 8N2, 3 = 8E1, 4 = 8O1
5 = 7N1, 6 = 7N2, 7 = 7E1, 8 = 7O1
9 = 7E2, 10 = 7O2, 11 = 9N1
S111 Packet Minimum Size [1...Maximum Size]
S112 Packet Maximum Size [2...255]
S113 Packet Retransmissions [0...255]
S213 Packet Retry Limit [0...255]
S115 Packet Repeat Interval [1..255]
Default = 1
S116 Packet Character Timeout [0...254 ms]
S117 Modbus Mode
*0 = Disabled, 1 = Enabled
S120 RTS/DCD Framing Interval [0...254 ms]
S121 DCD Timeout [0...254 ms]
S122 Link Handshaking [0=Disabled, *1=Enabled]

42 CompactRFTM Operating Manual: Appendix A Modem Command Summary

CompactRFTM Operating Manual: Serial Interface 43
B. Serial Interface
Modem
(DCE)
Signal
Host
Microprocessor
(DTE)
1 DCD →IN
2 RX →IN
3← TX OUT
4← DTR OUT
5 SG →IN
6 DSR →IN
7← RTS OUT
8 CTS →IN
Arrows denote the direction that
signals are asserted (e.g., DCD
originates at the DCE and tells the
DTE that a carrier is present).
The CompactRFTM uses 8 pins on its 36 pin header for asynchronous serial
I/O. The interface conforms to standard RS-232.
The signals in the asynchronous serial interface are described below:
DCD Data Carrier Detect - Output from Module - When asserted (positive
voltage), DCD informs the DTE that a communications link has been
established with another CompactRFTM.
RXD Receive Data - Output from Module - Signals transferred from the
CompactRFTM are received by the DTE via RX.
TXD Transmit Data - Input to Module - Signals are transmitted from the DTE
via TX to the CompactRFTM.
DTR Data Terminal Ready - Input to Module - Asserted by the DTE to inform
the modem that it is alive and ready for communications.
SG Signal Ground - Provides a ground reference for all signals transmitted by
both DTE and DCE.
DSR Data Set Ready - Output from Module - Asserted by the DCE to inform
the DTE that it is alive and ready for communications. DSR is the modem’s
equivalent of the DTR signal.
RTS Request to Send - Input to Module - A “handshaking” signal which is
asserted by the DTE when it is ready. When hardware handshaking is used,
the RTS signal indicates to the DCE that the host can receive data.
CTS Clear to Send - Output from Module - A “handshaking” signal which is
asserted by the DCE when it has enabled communications and transmission
from the DTE can commence. When hardware handshaking is used, the
CTS signal indicates to the host that the DCE can receive data.
Notes: It is typical to refer to RXD and TXD from the perspective of the DTE. This should
be kept in mind when looking at signals relative to the modem (DCE); the modem
transmits data on the RXD line, and receives on TXD.
“DCE” and “modem” are often synonymous since a modem is typically a DCE device.
“DTE” is, in most applications, a device such as a host microprocessor.

44 CompactRFTM Operating Manual: Appendix B Serial Interface

CompactRFTM Operating Manual: Appendix C. Factory Default Settings 45
C. Factory Default Settings
AT&F1 - Master Default Settings
E1, Q0, V1, W0, S0=0, S2=43, S3=13, S4=10, S5=8
DCD &C1 (On)
DTR &D0 (DTR is ignored)
Framing &E0 (Disabled)
Handshaking &K3 (Enabled)
DSR &S1 (On in Data, Off in Command)
Operating Mode S101=1 (Master P-MP)
Serial Baud Rate S102=1 (115kbaud)
Wireless Link Rate S103=4 (Fast, FEC)
Network Address S104=1
Unit Address S105=1
Primary Hop Pattern S106=0
Encryption Key S107=1
Output Power S108=2 (100mW)
Hop Interval S109=8
Data Format S110=1 (8N1)
Packet Minimum Size S111=1
Packet Maximum Size S112=255
Packet Retransmissions S113=2
Link Handshaking S122=1 (Enabled)
Packet Repeat Interval S115=1 (Don’t Care)
Character Timeout (ms) S116=8
Modbus Mode S117=0
RTS/DCD Framing (ms) S120=0
DCD Timeout (ms) S121=0
Secondary Hop Pattern S206=2 (Don’t Care)
Packet Retry Limit S213=2 (Don’t Care)
AT&F2 - Slave Default Settings
E1, Q0, V1, W0, S0=1, S2=43, S3=13, S4=10, S5=8
DCD &C1 (On when modems are synced)
DTR &D0 (DTR is ignored)
Framing &E0 (Disabled)
Handshaking &K3 (Enabled)
DSR &S1 (On in Data, Off in Command)
Operating Mode S101=3 (Slave)
Serial Baud Rate S102=1 (115kbaud)
Wireless Link Rate S103=4 (Fast, FEC) (Set by Master)
Network Address S104=1
Unit Address S105=2
Primary Hop Pattern S106=0
Encryption Key S107=1
Output Power S108=2 (100mW)
Hop Interval S109=8 (Set by Master)
Data Format S110=1 (8N1)
Packet Minimum Size S111=1 (Set by Master)
Packet Maximum Size S112=255 (Set by Master)
Packet Retransmissions S113=2 (Don’t Care)
Link Handshaking S122=1 (Enabled) (Set by Master)
Packet Repeat Interval S115=1
Character Timeout (ms) S116=9
Modbus Mode S117=0
RTS/DCD Framing (ms) S120=0
DCD Timeout (ms) S121=0
Secondary Hop Pattern S206=2 (Don’t Care)
Packet Retry Limit S213=2
AT&F3 - Repeater Default Settings
E1, Q0, V1, W0, S0=1, S2=43, S3=13, S4=10, S5=8
DCD &C1 (On when modems are synced)
DTR &D0 (DTR is ignored)
Framing &E0 (Disabled)
Handshaking &K3 (Enabled)
DSR &S1 (On in Data, Off in Command)
Operating Mode S101=4 (Repeater)
Serial Baud Rate S102=1 (115kbaud)
Wireless Link Rate S103=4 (Fast, FEC) (Set by Master)
Network Address S104=1
Unit Address S105=3
Primary Hop Pattern S106=0
Encryption Key S107=1
Output Power S108=2 (100mW)
Hop Interval S109=8 (Set by Master)
Data Format S110=1 (8N1)
Packet Minimum Size S111=1 (Set by Master)
Packet Maximum Size S112=255 (Set by Master)
Packet Retransmissions S113=2
Link Handshaking S122=1 (Enabled) (Set by Master)
Packet Repeat Interval S115=1
Character Timeout (ms) S116=8
Modbus Mode S117=0
RTS/DCD Framing (ms) S120=0
DCD Timeout (ms) S121=0
Secondary Hop Pattern S206=2
Packet Retry Limit S213=2
AT&F4 -Slave Through Repeater Default Settings
E1, Q0, V1, W0, S0=1, S2=43, S3=13, S4=10, S5=8
DCD &C1 (On when modems are synced)
DTR &D0 (DTR is ignored)
Framing &E0 (Disabled)
Handshaking &K3 (Enabled)
DSR &S1 (On in Data, Off in Command)
Operating Mode S101=3 (Slave)
Serial Baud Rate S102=1 (115kbaud)
Wireless Link Rate S103=4 (Fast, FEC) (Set by Master)
Network Address S104=1
Unit Address S105=4
Primary Hop Pattern S106=2
Encryption Key S107=1
Output Power S108=2 (100mW)
Hop Interval S109=8 (Set by Master)
Data Format S110=1 (8N1)
Packet Minimum Size S111=1 (Set by Master)
Packet Maximum Size S112=255 (Set by Master)
Packet Retransmissions S113=2 (Don’t Care)
Link Handshaking S122=1 (Enabled) (Set by Master)
Packet Repeat Interval S115=1
Character Timeout (ms) S116=8
Modbus Mode S117=0
RTS/DCD Framing (ms) S120=0
DCD Timeout (ms) S121=0
Secondary Hop Pattern S206=2 (Don’t Care)
Packet Retry Limit S213=2

46 CompactRFTM Operating Manual: Appendix C Factory Default Settings

CompactRFTM Operating Manual: Appendix D. Performance Tables 47
D. Performance Tables
The scope of this appendix is to find the best possible performance and maximum packet size at different modes of
operation. The setup assumes a baud rate of 115k, no retries and no retransmissions..
Hop
Interval
Optimal Packet
Size (bytes)
Throughput
(kbps)*
1 (8 ms) 14 20
Master to Slave 2 (12 ms) 66 52
Communication. 3 (16 ms) 110 66
(No Repeater) 4 (20 ms) 154 74
5 (30 ms) 255 83
Link Rate = Fast 6 (45 ms) 255 56
NO FEC 7 (80 ms) 255 31
8 (120 ms) 255 21
1 (8 ms) 5 4
Master to Slave 2 (12 ms) 34 22
Communication. 3 (16 ms) 54 28
(No Repeater) 4 (20 ms) 76 32
5 (30 ms) 130 38
Link Rate = Fast 6 (45 ms) 210 43
WITH FEC 7 (80 ms) 255 30
8 (120 ms) 255 20
1 (8 ms) N/A N/A
Master to 2 (12 ms) 3 1
Repeater Direct 3 (16 ms) 22 13
Communication. 4 (20 ms) 44 21
5 (30 ms) 101 32
Link Rate = Fast 6 (45 ms) 178 39
NO FEC 7 (80 ms) 255 31
8 (120 ms) 255 21
1 (8 ms) N/A N/A
Master to 2 (12 ms) N/A N/A
Repeater Direct 3 (16 ms) 5 2
Communication. 4 (20 ms) 16 6
5 (30 ms) 43 12
Link Rate = Fast 6 (45 ms) 80 16
WITH FEC 7 (80 ms) 174 20
8 (120 ms) 255 20
1 (8 ms) N/A N/A
Master to Slave 2 (12 ms) 3 1
Through One or 3 (16 ms) 22 13
More Repeaters. 4 (20 ms) 43 21
5 (30 ms) 93 31
Link Rate = Fast 6 (45 ms) 174 38
NO FEC 7 (80 ms) 255 31
8 (120 ms) 255 21
1 (8 ms) N/A N/A
Master to Slave 2 (12 ms) N/A N/A
Through One or 3 (16 ms) N/A N/A
More Repeaters. 4 (20 ms) 14 6
5 (30 ms) 40 12
Link Rate = Fast 6 (45 ms) 80 16
WITH FEC 7 (80 ms) 174 19
8 (120 ms) 255 20

48 CompactRFTM Operating Manual: Appendix D. Performance Tables

CompactRFTM Operating Manual: Appendix E. Hopping Patterns 49
E. Hopping Patterns
This Appendix provides a guide for selecting appropriate hopping patterns (S106,S206). There
are 35 hopping patterns. Patterns have been designed to notch out certain segments of the ISM
band.
Pattern Number Spectrum Used
0 - 4 902.6 - 922.6 MHz
5 - 9 902.8 - 922.8 MHz
10 - 19 902.6 - 927.4 MHz
20 - 24 902.6 - 912.6 MHz
25 - 29 912.8 - 922.8 MHz
30 - 34 917.4 - 927.4 MHz

50 CompactRFTM Operating Manual: Appendix E. Hopping Patternss

CompactRFTM Operating Manual: Appendix F. Technical Specifications 51
F. Technical Specifications
Electrical/Physical
Data Interface Asynchronous Serial Port, TTL Levels
Signals Sig. Gnd, TX, RX, DCD, DSR, DTR, RTS, CTS
Baud rate 2,400 - 19200 bps, (user-selectable)
Up to 19200 full-duplex sustained throughput
Communications Range116 kilometres (10 miles)
Voltage Requirements 4.75 to 5.5 VDC, 1.0 Amp
Current Consumption Rx: 85mA;
Tx 1mW: 100mA;
Tx 10mW: 132mA;
Tx 100mW: 231mA;
Tx 1W: 600mA;
Sleep: <1.5mA
Operating Frequency 902 - 928 MHz
System Gain 133 dB
Sensitivity -103 dBm
Output Power 1mW, 10mW, 100mW, 1W (user-selectable)
Spreading Code Frequency Hopping
Hopping Patterns 35 pseudo-random, user-selectable
Error Detection CRC-16 with auto re-transmit
Memory Non-volatile configuration memory
Dimensions (LxWxH) Approx. 2.0” x 1.5” x 0.375”
Weight Approx. 20 grams
Operating Environment Temperature: -25 to +70°C
Humidity: 5 to 95%, non-condensing
Storage Temperature -40 to 90°C
1. Clear line-of-sight, elevated antennas.

52 CompactRFTM Operating Manual: Appendix F. Technical Specifications

CompactRFTM Operating Manual: Appendix G. Development Board Schematics 53
G. Development Board Schematics
Schematics begin on next page.

54 CompactRFTM Operating Manual: Appendix G. Development Board Schematics

CompactRFTM Operating Manual: Appendix G. Development Board Schematics 55

56 CompactRFTM Operating Manual: Appendix G. Development Board Schematics

CompactRFTM Operating Manual: Appendix G. Development Board Schematics 57

58 CompactRFTM Operating Manual: Appendix H. Mechanical Drawing

CompactRFTM Operating Manual: Appendix H. Mechanical Drawing 59
H. Mechanical Drawing
Dimensions in thousandths of an inch.
Shaded areas = keep clear. Microhard Systems Inc.
CompactRF Mechanical Drawing
110, 1144 - 29th Avenue N.E..
Calgary, Alberta, Canada
T2E 7P1
Rev.
2
Size A Document Number: D1043-02 Drawn By: NB Sheet 1 of 1
Wednesday, July 26, 2000
330
375
78.7 (2mm) 525 1245
225
200 500
1500
2000
dia. 64
80
75
410
Top View
Pin 1
18
19 36
Recommended Footprint
Drill Size = 32 mil
1
18
19 36
78.7 (2mm)
1245

60 CompactRFTM Operating Manual: Appendix H. Mechanical Drawing

CompactRFTM Operating Manual: Appendix I. Glossary 61
I. Glossary
Terminology Used in the CompactRFTM Operating Manual
Asynchronous communications A method of
telecommunications in which units of single bytes
of data are sent separately and at an arbitrary time
(not periodically or referenced to a clock). Bytes
are “padded” with start and stop bits to distinguish
each as a unit for the receiving end, which need
not be synchronized with the sending terminal.
Attenuation The loss of signal power through
equipment, lines/cables, or other transmission
devices. Measured in decibels (dB).
Bandwidth The information-carrying capacity of a
data transmission medium or device, usually
expressed in bits/second (bps).
Baud Unit of signaling speed equivalent to the
number of discrete conditions or events per
second. If each signal event represents only one
bit condition, then baud rate equals bits per
second (bps) – this is generally true of the serial
data port, so baud and bps have been used
interchangeably in this manual when referring to
the serial port; this is not always the case during
the DCE-to-DCE communications, where a
number of modulation techniques are used to
increase the bps rate over the baud rate.
Bit The smallest unit of information in a binary
system, represented by either a 1 or 0.
Abbreviated “b”.
Bits per second (b/s or bps) A measure of data
transmission rate in serial communications. Also
see baud.
Byte A group of bits, generally 8 bits in length. A
byte typically represents a character of data.
Abbreviated “B”.
Characters per second (cps) A measure of data
transmission rate for common exchanges of data.
A character is usually represented by 10 bits: an 8-
bit byte plus two additional bits for marking the
start and stop. Thus, in most cases (but not
always), cps is related to bits per second (bps) by
a 1:10 ratio.
CRC (Cyclic Redundancy Check) An error-detection
scheme for transmitted data. Performed by using
a polynomial algorithm on data, and appending a
checksum to the end of the packet. At the
receiving end, a similar algorithm is performed
and checked against the transmitted checksum.
Crossover cable (Also known as rollover, null-
modem, or modem-eliminator cable) A cable
which allows direct DTE-to-DTE connection
without intermediate DCEs typically used to
bridge the two communicating devices. Can also
be used to make cabled DCE-to-DCE connections.
The name is derived from “crossing” or “rolling”
several lines, including the TX and RX lines so
that transmitted data from one DTE is received on
the RX pin of the other DTE and vice-versa.
Data Communications Equipment (DCE, also
referred to as Data Circuit-Terminating
Equipment, Data Set) A device which facilitates a
communications connection between Data
Terminal Equipment (DTEs). Often, two or more
compatible DCE devices are used to “bridge”
DTEs which need to exchange data. A DCE
performs signal encoding, decoding, and
conversion of data sent/received by the DTE, and
transmits/receives data with another DCE.
Common example is a modem.
Data Terminal Equipment (DTE) An end-
device which sends/receives data to/from a DCE,
often providing a user-interface for information
exchange. Common examples are computers,
terminals, and printers.
dBm Stands for “Decibels referenced to one
milliwatt (1 mW)”. A standard unit of power
level commonly used in RF and communications
work. n dBm is equal to 10(n/10) milliwatt, so
0dBm = 1mW, -10dBm = 0.1mW, -20dBm =
0.01mW, etc.
DCE See Data Communications Equipment.
DTE See Data Terminal Equipment.
Flow Control A method of moderating the
transmission of data so that all devices within the
communications link (DTEs and DCEs) transmit
and receive only as much data as they can handle
at once. This prevents devices from sending data
which cannot be received at the other end due to
conditions such as a full buffer or hardware not in
a ready state. This is ideally handled by hardware
using flow-control and handshaking signals, but

62 CompactRFTM Operating Manual: Appendix I. Glossary
can be controlled also by software using X-ON/X-
OFF (transmitter on/off) commands.
Frequency-hopping A type of spread spectrum
communication whereby the carrier frequency
used between transmitter and receiver changes
repeatedly in a synchronized fashion according to
a specified algorithm or table. This minimizes
unauthorized jamming (interference) and
interception of telecommunications.
Full-duplex Where data can be transmitted,
simultaneously and independently, bi-
directionally.
Half duplex Exists when the communications
medium supports bi-directional transmission, but
data can only travel in one direction at the same
time.
Handshaking A flow-control procedure for
establishing data communications whereby
devices indicate that data is to be sent and await
appropriate signals that allow them to proceed.
Line-of-sight Condition in which a transmitted
signal can reach its destination by travelling a
straight path, without being absorbed and/or
bounced by objects in its path.
Master The station which controls and/or polls one
or more Slave stations in a point-to-point or point-
to-multipoint network. Often functions as a server
or hub for the network.
Non-volatile memory Memory which retains
information which is written to it.
Null modem cable See Crossover cable.
Point-to-point A simple communications network
in which only two DTEs are participants.
Point-to-multipoint A communications network
in which a Master DTE communicates with two or
more Slave DTEs.
Repeater A device which automatically amplifies
or restores signals to compensate for distortion
and/or attenuation prior to retransmission. A
repeater is typically used to extend the distance
for which data can be reliably transmitted using a
particular medium or communications device.
RS-232 (Recommended Standard 232; more
accurately, RS-232C or EIA/TIA-232E) Defined
by the EIA, a widely known standard electrical
and physical interface for linking DCEs and DTEs
for serial data communications. Traditionally
specifies a 25-pin D-sub connector, although
many newer devices use a compact 9-pin
connector with only the essential signaling lines
used in asynchronous serial communications.
Lines have two possible states: “high” (on, active,
asserted, carrying +3 to +25 V) or “low” (off,
inactive, disasserted, carrying -3 to -25 V).
RTU (Remote Terminal Unit) A common term
describing a DTE device which is part of a wide-
area network. Often a RTU performs data I/O and
transmits the data to a centralized station.
Serial communications A common mode of
data transmission whereby character bits are sent
sequentially, one at a time, using the same
signaling line. Contrast with parallel
communications where all bits of a byte are
transmitted at once, usually requiring a signal line
for each bit.
Shielded cable Interface medium which is
internally shrouded by a protective sheath to
minimize external electromagnetic interference
(“noise”).
Slave A station which is controlled and/or polled by
the Master station for communications. Typically
represents one end of a point-to-point connection,
or one of the terminal nodes in a point-to-
multipoint network. Often a RTU is linked by a
Slave DCE.
Spread spectrum A method of transmitting a
signal over a wider bandwidth (using several
frequencies) than the minimum necessary for the
originally narrowband signal. A number of
techniques are used to achieve spread spectrum
telecommunications, including frequency hopping.
Spread spectrum provides the possibility of
sharing the same band amongst many users while
increasing the tolerance to interference and noise,
and enhancing privacy of communications.
Throughput A measure of the rate of data trans-
mission passing through a data communication
system, often expressed as bits or characters per
second (bps or cps).