Middleby Marshall Ps200 Tandem Users Manual 42935 B1.p65
PS220 42935-b1
PS200 Tandem to the manual ff3bd962-096d-4cf3-bb0c-ad3ff7cc0f2d
2015-02-09
: Middleby-Marshall Middleby-Marshall-Ps200-Tandem-Users-Manual-556007 middleby-marshall-ps200-tandem-users-manual-556007 middleby-marshall pdf
Open the PDF directly: View PDF
.
Page Count: 20

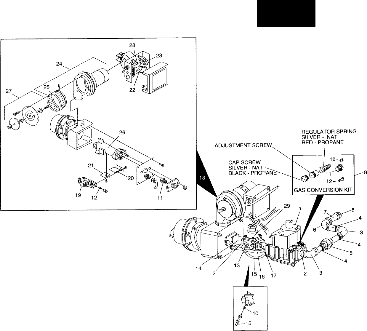
1
PS200, PS220,
& PS224
PS200/220/224 Parts
Gas & Electric (AGA[CSA]/UL)
P/N 42935
Rev. B V1 1/00
Middleby Cooking Systems Group 1400 Toastmaster Drive Elgin, IL 60120 (847)741-3300 FAX (847)741-4406
PARTS MANUAL
© 2000 Middleby Marshall, Inc.
is a registered trademark of Middleby Marshall, Inc. All rights reserved.
PS200/220/224 Gas and Electric
Ovens
Models:
PS200 (except PS200VL & PS200R68)
PS220 (except PS220VL & PS220R68)
PS224 (except PS224VL & PS224R68)
PS200 Tandem
for domestic and standard export ovens

2
PS200, PS220,
& PS224
page

3
PS200, PS220,
& PS224
page

4
PS200, PS220,
& PS224
page

5
PS200, PS220,
& PS224
page

6
PS200, PS220,
& PS224
page
MCSG 12/99

7
PS200, PS220,
& PS224
page

8
PS200, PS220,
& PS224
page
MCSG 12/99

9
PS200, PS220,
& PS224
page

10
PS200, PS220,
& PS224
page

11
PS200, PS220,
& PS224
page

12
PS200, PS220,
& PS224
page

13
PS200, PS220,
& PS224
page

14
PS200, PS220,
& PS224
page
MCSG 12/99

15
PS200, PS220,
& PS224
page

16
PS200, PS220,
& PS224
page
MCSG 12/99

17
PS200, PS220,
& PS224
page

18
PS200, PS220,
& PS224
page
MCSG 12/99

19
PS200, PS220,
& PS224
page

20
PS200, PS220,
& PS224
Middleby Cooking Systems Group 1400 Toastmaster Drive Elgin, IL 60120 USA (847)741-3300 FAX (847)741-4406
24-Hour Service Hotline: 1-(800)-238-8444
www.middleby.com
WARNING
Improper installation, adjustment, alteration, service or maintenance
can cause property damage, injury or death. Read the installation,
operating and maintenance instructions thoroughly before
installing or servicing this equipment.
NOTICE
During the warranty period, ALL parts replacement and servicing should be performed by
your Middleby Marshall Authorized Service Agent. Service that is performed by parties
other than your Middleby Marshall Authorized Service Agent may void your warranty.
NOTICE
Using any parts other than genuine Middleby Marshall factory manufactured parts relieves
the manufacturer of all warranty and liability.
NOTICE
Middleby Marshall reserves the right to change specifications at any time.