Midmark RTLS Solutions VER1830C Asset Tag/Badge User Manual Hardware Manual
Versus Technology, Inc. Asset Tag/Badge Hardware Manual
Exhibit D Users Manual per 2 1033 b3

Versus Information System
Hardware and Wiring
Installation Guide
VERSUS TECHNOLOGY, INC.
2600 MILLER CREEK ROAD
TRAVERSE CITY, MI 49684
(231) 946-5868
www.versustech.com
i
Copyright 1991, 1992, 1993, 1996, 1998, and 2000 Versus Technology, Inc., all rights reserved.
This document contains user’s information on technology that is proprietary to Versus Technology, Inc.
Permitted transmittal, receipt, or possession of this document does not express license or imply any
rights to use, sell, design, or manufacture this information. No reproduction, publication or disclosure of
this information, in whole or in part, shall be made without prior written authorization from an officer of
Versus Technology, Inc.
WARNING! This product is not designed, intended, authorized or warranted for use in any life
support or other application where product failure could cause or contribute to personal injury,
death, or severe property damage. This product or its systems are covered by one or more of the
following U.S. Patents: 4,906,853; 5,017,794; 5,027,314; 5,119,104; 5,276,496; 5,355,222;
5,387,993; 5,548,637; 5,572,195, 6,104,295, 6154139.
FCC STATEMENT: Components complying with part 15 of the FCC Rules. Operation is subject to
the following two conditions: 1) This device may not cause harmful interference, and 2) this device must
accept any interference received, including interference that may cause undesired operation.
Modifying or tampering with the transceiver’s or receiver’s internal components can cause a
malfunction, invalidate the warranty, and will void your FCC authorization to use these products.
Revision date: 8/10/01
iii
Contents
1. INTRODUCTION.....................................................................................................................................................1
1.1 Purpose of This Guide ...................................................................................................................................1
1.2 Computer System Requirements .................................................................................................................1
1.3 Terms and Definitions ....................................................................................................................................1
1.4 Parts List..........................................................................................................................................................2
2. SYSTEM DESCRIPTION.......................................................................................................................................3
2.1 Infrared (IR) Tracking.....................................................................................................................................3
2.2 Radio Frequency (RF) Signals .....................................................................................................................3
2.3 System Hardware Components ...................................................................................................................4
3. PLANNING THE INSTALLATION .......................................................................................................................7
3.1 General Steps for Installing a Versus System ...........................................................................................8
3.2 Collector and Concentrator Location Planning ..........................................................................................9
3.3 Sensor Location Planning...........................................................................................................................10
3.4 Use of Unauthorized Components.............................................................................................................14
3.5 List of Materials.............................................................................................................................................14
3.6 List of Tools ...................................................................................................................................................14
3.7 Safety and Code Considerations ...............................................................................................................15
4. SYSTEM HARDWARE INSTALLATION ..........................................................................................................17
4.1 Cable Installation..........................................................................................................................................17
4.2 Sensor Installation........................................................................................................................................17
4.3 Collector and Concentrator Installation.....................................................................................................18
4.4 Connecting Sensors to Collectors..............................................................................................................19
4.5 Communication Room Check.....................................................................................................................20
4.6 Testing RF Sensors......................................................................................................................................26
5. TROUBLESHOOTING GUIDE...........................................................................................................................27
5.1 Badge Battery Replacement.......................................................................................................................28
6. INSTALLATION FORMS.....................................................................................................................................31

Hardware and Wiring Installation Guide 1
1. Introduction
1.1 Purpose of This Guide
This document is intended to provide the information required to install the hardware and wiring
components of a VIS system. Read this entire document before proceeding with the installation. A
general understanding of wiring and telephone installation techniques is assumed.
1.2 Computer System Requirements
The software runs in the Microsoft Windows 95, 98 or Windows NT environment and requires a
computer system with reasonable capacity and speed. The minimum computer system requirements
are:
Microsoft Windows 95 or later
Pentium 500 MHz or better
128 MB RAM
2GB hard drive
Ethernet Card
1.3 Terms and Definitions
The following terms will be used throughout this hardware installation guide, to refer to system
components and modes of operation.
Bridging Clip - A small metal clip used in a punch-down block to short the left-hand columns to the
right hand columns of punch-down terminals.
Coaxial Cable - This type of cable is a special form of shielded wire in which there is a single inner
conductor held at a fixed distance from an outer braid or foil shield in a precise manner. Control of the
spacing and makeup of the cable dielectric allow it to handle very high frequencies in a predictable
fashion.
Collector - This device gathers the tracking data from as many as 24 sensors, processes it as required,
and sends it via the 2-pair collecting network to the concentrator. Each system must contain at least
one collector, and many systems will contain more than one.
Concentrator - This device provides an interface between the 2-pair network that connects collectors
together (the "Collector Network") and the computer system. It assembles the data from the various
collectors and bundles it for delivery to the host computer. Each system must contain at least one
concentrator, and many systems will contain only one.
Impedance - This is a measure of a characteristic of wire that is very important when digital data
signals are to be sent over the wires at high speeds. All wires have impedance determined by their
makeup and twisting called the "characteristic impedance" of the wire. Most solid twisted pair wire is
about 100 ohms impedance, and the coaxial cables used are 50, 75, or 93 ohms.
Sensor - A sensor is a device that gathers infrared light energy and converts it to an electrical signal,
which is then sent over a single pair of wires to a collector.
Sensor Connection - A sensor connection is a single pair cable that connects a sensor to a collector
port. All of the sensor connections in a system may be referred to as the "Sensory Network".

2 Versus Technology, Inc.
Plenum - This term refers to any area that serves as a duct or passage for breathable air. Many office
buildings use the space above the suspended ceiling as a return air "plenum" for the heating and air
conditioning systems. Most laws require that any cables, which run in an air plenum, be made of
materials which will not burn, or which will not release toxic gases when burned.
Punch-down Block - This device is used to connect sensor wires to the collector in an organized
fashion. A special tool is used to "punch" the wire onto the punch-down block terminals, which causes
the terminals to penetrate the wire insulation and cut off excess wire in one easy step. Punch-down
Blocks are the preferred method of connection for solid wire in telephone systems.
RJ - Acronym for Registered Jack - The system uses some modular style connectors that are identified
by their 'RJ' designations. RJ -11 is a generic term, which is often used to refer to a six-position jack,
though it specifically refers to a single pair connection in a six-position shell. RJ-12 refers to a two pair
connection in a six pair shell, and RJ -25 refers to a three pair connection in a six pair shell.
Shielded Wire - This type of wire is wrapped in a braided or foil shield that protects it from electrical
interference. Use of shielded wire may be the only solution in a very high noise environment. (See
Wiring Considerations.)
STP - Acronym for Shielded Twisted Pair - This is wiring usually used in audio system installations
where electrical interference is a prime concern. (See Shielded Wire.)
Twisted Pair - The wire used to interconnect sensors, collectors, and interfaces is twisted into pairs to
make the wire characteristics more uniform and to cancel out many types of interference to which the
wires might be subjected. (See UTP.)
USOC - Acronym for Universal Service Ordering Codes - The connectors and wiring adhere to the
USOC wiring practices standard wherever possible.
UTP - Acronym for Unshielded Twisted Pair - This is the typical solid, paired wire used in phone
system installations. It has no outer shield layer. (See Twisted Pair.)
1.4 Parts List
Part Number Description
VER-1830 Asset Tag IR/RF
VER-1700 Locator Badge
VER-1780 Personnel Alert Badge
VER-2402 Collector
VER-2015 Concentrator
VER-4422 IR Sensor
VER-4450 RF Sensor

Hardware and Wiring Installation Guide 3
2. System Description
The Versus Information System is a reliable, flexible platform for locating personnel and equipment.
The system badges, worn by staff or attached to assets, emit signals that contain information about the
badge. The information is sent through the sensory network to a host computer that retrieves the
information and translates the data into names of rooms, personnel, and equipment. Workstations
throughout the facility can access the location data with various client software programs, which
display current locations of personnel and equipment, display alarms on the monitor, send pager
messages, and store for later use in reports and archiving.
System Structure
2.1 Infrared (IR) Tracking
The use of IR signals for tracking has distinct advantages, since it allows accurate locating using
signals that will not penetrate walls or floors. A system of strategically placed sensors receives IR
signals as badges move between rooms of a building.
2.2 Radio Frequency (RF) Signals
In addition to the IR signal, a low-power RF signal is incorporated into some badges. RF signals
penetrate walls and ceilings, which allows the RF signal to act as a backup if the IR signal is blocked.
If the IR signal is blocked, and an RF sensor senses the RF signal, the last known location of the badge
is shown. In addition, RF badges and sensors can be used for security purposes in locations where
tracking assets is important.

4 Versus Technology, Inc.
2.3 System Hardware Components
The Versus Information System is made up of a network of badges, sensors, collectors and
concentrators.
2.3.1 Badges
Badges are worn by personnel or attached to equipment. Badges send IR or RF signals to the sensors
installed in each room. This signal contains encoded digital information that is used to identify and
obtain the status of the badge. Motion, timing, battery state, and auxiliary information are all included
in the signal.
All Versus badges that include IR technology have a unique feature that serves to extend battery life.
They contain a motion-sensing device that causes the badge to transmit most frequently when in
motion and gradually reduce this frequency when there is no motion.
There are several types of badges. Badges can include infrared (IR), radio frequency (RF), or IR and
RF technology, depending on the needs of the facility. Some badges also include a button for intercom
communication and alarm notification. The host computer handles alert conditions on equipment.
Consult the badge specification sheets for more information on battery and component functions.
2.3.1.1 IR Badges
Because IR badges use near-visible light to communicate with the sensors, the signal can be hidden
from the sensors by clothing or obstacles. It is important to be aware that IR badges should not be
covered or hidden from view.
The Locator Badge
The Locator Badge sends infrared signals from two emitters located at the
top left and right corners of the badge case. The signals are directed
upward and somewhat forward at a wide angle to be received by the
sensors. Better performance occurs by keeping the badge in an upright
position.
2.3.1.2 IR/RF Badges
In addition to sending IR signals, IR/RF badges send radio frequency signals that are received by RF
sensors.
RF signals are used for supervisory capacity, in the case where IR signals are hidden from view, and
for sending alarm or call signals triggered by pressing a button on badges that include buttons..
IR/RF Personnel Alert Badge
The Personnel Alert Badge is incorporated with IR and RF
technology. It is also equipped with a call button that, when pressed,
notifies the system to activate a customizable preprogrammed
response.
IR/RF Asset Tag
The Asset Tag contains IR and RF technology. It is used to identify
the current location of portable assets.

Hardware and Wiring Installation Guide 5
2.3.2 Sensors
Sensors receive signals from badges, convert the signals into electrical signals, and pass the data along
to collectors. Sensors are usually mounted in the ceiling tiles of a facility. There are two types of
sensors, infrared (IR), and radio frequency (RF).
2.3.2.1 Infrared (IR) Sensor
• Receives IR signals from badges.
• Converts IR signals into electrical signals.
• Sends electrical signals to system via a single unshielded
twisted pair wire.
• 360-degree horizontal coverage.
• 180-degree hemispherical vertical coverage.
• 15’ radius sensitivity.
2.3.2.2 Radio Frequency (RF) Sensor
• Receives RF signals from badges with RF technology.
• Operates at 433.92 MHz receive frequency.
• Converts RF signals into electrical signals.
• Sends electrical signals to system via a single unshielded
twisted pair wire.
• 50’ radius sensitivity.
2.3.3 Collector
After sensors receive signals from badges and convert them to
electrical signals, the data is passed to a Collector. Up to 24 sensors
can be connected to one Collector, although we recommend no
more than 20-22 at initial installation to allow for future expansion,
possibly without having to add additional Collectors. The Collector
accepts the inputs from the sensors and assembles the inputs into
larger, network-ready packets. The packets are then relayed to the
concentrators.
A punch-down connector block is included with the Collector. The connector block plugs directly into
the 50-pin connector on the side of the Collector. Collectors connect from one to the another in a daisy
chain configuration. The 24V power supply for the Collector is also included, as well as mounting
supplies.
2.3.4 Concentrator
Concentrators receive all data passed through collectors, format the
data, and send it to a computer as a data packet. Up to four collectors
can be connected to one concentrator.
6 Versus Technology, Inc.
2.3.4.1 Badge Tester
Badge Testers are available from Versus Technology. A Badge Tester tests the battery and auxiliary
information from the badge. It will indicate whether the badge is good or if the battery needs to be
replaced. The instructions for using the Badge Tester are as follows:
1. Turn the Badge Tester on.
2. Place the front of the badge you are testing a half inch or closer in front of the test window on the
Badge Tester.
3. The badge condition will be indicated as follows:
• If the badge is good, the tester will beep once, and the green light will illuminate.
• If the battery is low and needs replacing, the tester will beep twice, and the red light
will illuminate.

Hardware and Wiring Installation Guide 7
3. Planning the Installation
Planning the system design is crucial to the success of the installation. Thorough planning will make
the installation go smoother, and there will be less likelihood of mistakes or oversights. When planning
an installation, certain rules and limitations must be observed. The equipment has been designed to
provide trouble free operation in various environments, and adherence to the guidelines is critical for a
reliable installation. The following sections will detail items that must be included in a system plan to
ensure a successful installation.
The Installation Checklist, located in section 6, is intended to be a record of the installation steps.
Before starting the installation, fill in the checklist by referring to the contractual floor plan schematic
for the quantities and numbers of zones and other components for the specific installation. The Punch-
down Block Organization List in section 6 will also be used during the planning stages of the
installation.
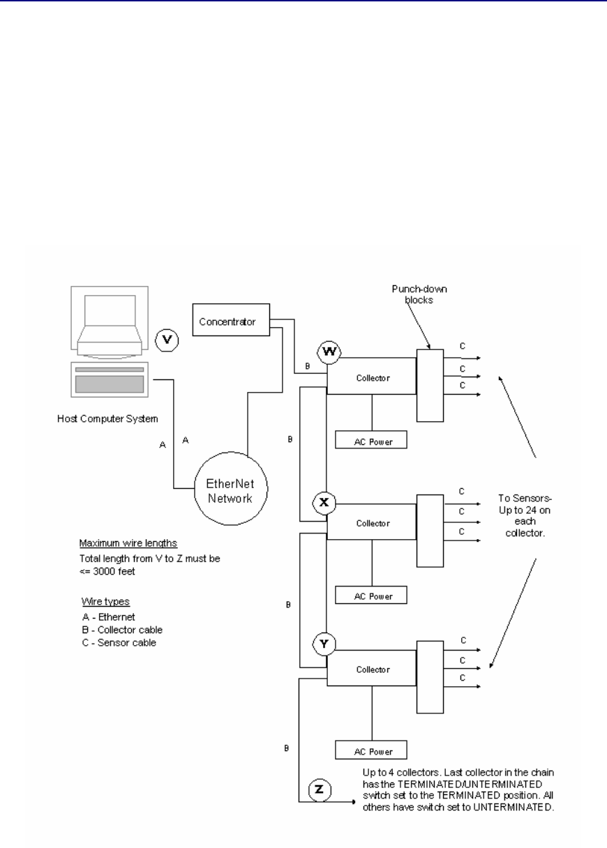
General System Hardware Configuration

8 Versus Technology, Inc.
3.1 General Steps for Installing a Versus System
Use this checklist as a guideline for the installation steps. Each step refers to the place in the
manual where there is detailed information on how to perform the step. When planning and
performing the installation, it is important to keep good documentation, especially by using the
Punch-down Block Organization List in section 6 of the Hardware Manual. Keeping good
documentation keeps the installation more organized, as well as assisting with configuring the
software.
General Hardware Installation Steps
Procedure Step Where to find additional information
1. Plan the installation.
a. Layout the floor plans, mapping the sensor
locations with an identification scheme.
b. Plan communication room or specified area for
collector and concentrator locations.
Hardware and Wiring Installation Guide,
section 3.
2. Pull sensor and collector cables, making sure to label
both wire ends.
Hardware and Wiring Installation Guide,
section 4.1
3. Install sensors.
Hardware and Wiring Installation Guide,
section 4.2
4. Install Concentrators, Collectors and Punch-down
Blocks.
Hardware and Wiring Installation Guide,
section 4.3
5. Connect sensor wires to collectors via the punch-down
blocks.
a. Fill in Punch-down Block Wire Organization List.
Hardware and Wiring Installation Guide,
section 4.4
6. Test the collectors, sensors and concentrators using
the Communication Room Checklist. Hardware and Wiring Installation Guide,
section 4.5
Software Installation and Configuration Steps
Procedure Step Where to find additional information
1. Pre-Installation Procedure:
a. Computer IP address
b. Note the server’s computer name
c. Share the C drive
Ethernet Concentrator and Database
Server Manual, section 1.2
2. Install the Concentrator Software Ethernet Concentrator and Database
Server Manual, section 1.3
3. Assign IP addresses to the Concentrators for the
network environment Ethernet Concentrator and Database
Server Manual, section 1.4
4. Change the IP address of the server back to the
original Ethernet Concentrator and Database
Server Manual, section 1.4
5. Connect the Concentrators to the Network Ethernet Concentrator and Database
Server Manual, section 1.5
6. Add the Concentrator Numbers to the Badge Server Ethernet Concentrator and Database
Server Manual, section 1.6
7. Install the Database Server Ethernet Concentrator and Database
Server Manual, section 2.1
8. Start the Database Server Ethernet Concentrator and Database
Server Manual, section 2.2.1

Hardware and Wiring Installation Guide 9
9. Configure the Database Server
a. On the Database tab in Preferences, check these
options:
1. Repair/Compact DB on Startup
2. But only if the server was improperly
shutdown
b. On the Options tab in Preferences, specify to
“Clear button presses if they haven’t been seen
for 5 seconds”.
Ethernet Concentrator and Database
Server Manual, section 2.2
10. Install Configuration Utilities on Server for database
configuration Configuration Utilities Manual, section 2
11. Configure sensors and collectors in the Sensors and
Receivers Utility
a. Add room names
b. Add Collectors
c. Map Rooms to Collectors and Sensors, making
sure to note RF sensors in the Type column.
d. Test locations using Walking Setup
Configuration Utilities Manual
Section 3.1
Section 3.2
Section 3.3
Section 3.4
12. Add badge types in the Badge Types Utility
• Add patient, caregivers, wall badges, and any other
badge types needed.
Configuration Utilities Manual,
Section 7.1
13. Set up other Configuration Utilities as needed. Configuration Utilities Manual
14. Install client software on workstations.
Individual client manuals
15. If the system includes RF sensors, test them using the
Frequencer (TCP/IP). Hardware and Wiring Installation Guide
section 4.6
16. Create Backup
• Most important file to back up is the pdcs.mdb file Configuration Utilities Manual, section
12.5
17. Verify system by checking off Punch-down Block
Organization List, Relay Light List, and
Communication Room checklist.
Hardware and Wiring Installation Guide
section 6
18. Final install checklist including training information. Hardware and Wiring Installation Guide
section 6
3.2 Collector and Concentrator Location Planning
When planning an installation, it is important to locate a proper place for the concentrators and
collectors. Collectors should be mounted in telephone or service areas that are near the sensory
networks they service. The sensor wires will run from the collectors to the various sensor locations
throughout the facility. The concentrator(s) should be mounted in a location central to the collector(s)
to minimize the length of collector network runs. In smaller installations, collectors and concentrators
may all be located in the same place in a telephone or utility closet. The location selected should have
easy access for servicing, but be secure against tampering by unauthorized personnel. Make sure the
locations selected are free from extremes of heat, cold, and moisture, as with any electronic equipment.
Caution: Collectors may be affected by high watt radio or paging antennas. Do not place a
collector in close proximity to one of these antennas.

10 Versus Technology, Inc.
3.2.1 Collector Network Length Limitations
There must be no more than four collectors on any one concentrator as shown in the RS-485 loop
display below. Collectors should not be placed more than 1000 feet apart. The total length of the
collector network (from the Concentrator to the last Collector in the chain) must not be more than 3000
feet.
3.3 Sensor Location Planning
One of the most important steps in an installation involves planning the sensor locations. A complete
understanding of sensors and badges is very helpful in designing an effective system. There are several
things to consider when planning the sensor locations.
IR Sensor RF Sensor
3.3.1 Sensor Connection Length Limitations
The sensor wire runs can be up to 1000 feet in length from the Collector to the sensor. If the
environment is known to be electrically "noisy,” consider shorter line lengths for stronger signals and
immunity to interference.
3.3.2 Infrared (IR) Sensor Location Planning
3.3.2.1 IR Sensor "field-of-view"
If an IR sensor is placed in a room with obstacles and reflections eliminated, the field of view of the
sensor appears in the shape of six overlapping lobes forming a 15-foot radius.
Top view of sensors in a hallway
Hardware and Wiring Installation Guide 11
An IR sensor “sees” the environment under it in a largely predictable pattern. However, there are
factors that can affect this field of view. The sensor is like an eye, which is sensitive only to a narrow
spectrum of light, and the ID badge appears as a bright splash in an otherwise dark world to the sensor.
Even if the badge is blocked from the view of a sensor, it can often be detected. The infrared light from
a badge does not penetrate solid objects or bend around corners, but it does reflect off surfaces. This
can sometimes be mistaken for “seeing around corners”. The effect of reflection can be used to
advantage by the system designer, but can also pose problems for the unwary. Sensors have a given
field of view when obstacles are not present, but the field of view of an installed sensor will vary due
to room configurations.
A sensor may have a field of view that extends out of the designated area through a doorway or
passage. This can cause badges to be detected incorrectly and reported to be in the room when only
passing by. Place sensors near the middle of rooms, but offset from doors or entryways to prevent false
detection. The position of a sensor can limit its view by placing it in a location where existing
obstacles will block the unwanted sensor view.
Due to the line-of-sight nature of the infrared light created by the ID badges, it is also possible to apply
masking to the sensor to limit or control the field of view by opening the sensor case and placing
electrical tape over the receiver “eye” whose field of view needs to be blocked. However, proper
placement is always the preferred method for controlling, rather than eliminating, sensor field of view.
3.3.2.2 Effective coverage of rooms
A single sensor placed near the middle of the ceiling can usually effectively cover an office or meeting
room. Offices or rooms as large as 30 feet square are generally covered by a single sensor. The sensor
should be located so that it has the best possible view of the room. If the room is very large or has a
complex shape and no single sensor position will provide adequate coverage, multiple sensors will be
needed.
3.3.2.3 Overlapping Sensors
Sensor overlap occurs when two (or more) sensors are placed so that their fields of view overlap. This
will cause some indecision in the system if both sensors see a badge at the same time. The software
will not change the location of a badge when it is in an overlap area unless the option to send duplicate
hits is selected in the Badge Server software. If the option is selected, a badge may appear to bounce
back and forth as long as it is in an overlap condition. This increases the traffic on the system and it is
not recommended that the option be selected.
3.3.2.4 Sunlight interference
If the room has windows that allow a large amount of sunlight to enter the room, place the sensor in a
position where the sunlight does not reflect directly into it from objects in the room. Sunlight can
decrease sensor range and field of view if allowed to enter the sensor. Window tint films that block
infrared (heat) energy greatly reduce this effect.
3.3.2.5 IR Sensor interference from nearby lighting or other electrical fixtures that
may emit EMI noise
System performance can be adversely affected by;
1. Light that is aimed directly into the sensor.
2. EMI noise emitted by nearby electrical fixtures.
Symptoms of sensor interference are:
1. A voltage drop below 15.5 volts.
2. Badges that are not picked up by the sensor or only picked up intermittently.

12 Versus Technology, Inc.
Do not mount sensors near lights or electrical fixtures unless absolutely necessary. If the performance
of an IR sensor is in question, move the sensor as far away from any nearby lights or electrical fixtures
as is practical.
To avoid problems with light interference:
If sensors must be mounted near lights;
1. Mount sensor as far from the light as possible
2. Mount sensor so that the light does not have a direct path into the sensor “eyes”.
3. As a last resort, mask the eyes of the sensor that are receiving the direct light, using electrical
tape. (Caution: this disables the sensor operation in that direction).
To avoid problems with EMI noise:
1. Do not mount IR sensors near suspect fixtures.
2. Do not run sensor connection cables near suspect fixtures.
3.3.3 RF Sensor Location Planning
Planning the location of RF sensors depends upon the facility. In most cases, for complete coverage,
they can be placed approximately 100’ apart, because they have a sensitivity range radius of 50’.
However, because concrete and steel structures absorb the RF signal, and other materials affect the
strength of RF signals, testing is necessary to determine the best placement of RF sensors. In multi-
floor facilities, it is desirable to stagger locations, i.e. do not place the one on the third floor directly
above the one on the second floor, for better coverage.
3.3.4 Mapping the Sensor Locations on the Floor Plan
The sensor locations should be mapped out on a floor plan diagram of the facility. These are the
locations where the sensor cable will be run. We suggest using a numbering scheme such as C1-1, C1-
2, C1-3, C2-1, C2-2, C2-3 etc., where “C1” represents Collector 1 and “C2” represents Collector 2. Up
to 24 sensors can be connected to one collector, although we recommend 20-22 to allow for future
expansion. The wires should be labeled at both ends with these numbers, as well.
The facility should provide you with the names of the rooms. The room names will be used for
configuring software. Once the sensors have been mapped with identification numbers, and the facility
has provided a list of names of the rooms, complete the Punch-down Block Organization Chart with

Hardware and Wiring Installation Guide 13
the number and the room name. You can also add the receiver numbers, which will be used for
configuring the software. Number the receivers with incrementing numbers (1, 2, 3…). If there is more
than one sensor in a particular area, they will have the same receiver number. See the following
example chart.
Punch-down Block Wire Organization List
Collector #: 3265458142
Collector alias __C1_________
There is a copy of this chart in section 6 that can be printed out for use. There will be one chart for
each collector on the system. The chart for the next collector would have receiver numbers starting
with the next incremental number from where this one left off. This chart will assist you with labeling
the cable wires appropriately.
Punch
-
down
block
pair Cable ID Wire
Color Zone description (room
name) Receiver # Relay # Verified
1 C1-1 John’s Office 1
2 C1-2 Bob’s Office 2
3 C1-3 Patient Room 120 3 0,1,2,3
4 C1-4 Patient Room 122 4 4,5,6,7
5 C1-5 Conference Room 5
6 C1-6 Conference Room 5
7 C1-7 Patient Room 121 6 8,9,10,11
8 C1-8 Patient Room 123 7 12,13,14,15
9 C1-9
10 C1-10
11 C1-11
12 C1-12
13 C1-13
14 C1-14
15 C1-15
16 C1-16
17 C1-17
18 C1-18
19 C1-19
20 C1-20
21 C1-21
22 C1-22
23 C1-23
24 C1-24
Building: ___
Main Facility
_______
Floor: __1st______________
Room #: ___Comm. Room 1_____
If there is
more than 1
sensor in a
room or area,
you can give
them the
same receiver
number.

14 Versus Technology, Inc.
3.4 Use of Unauthorized Components
The VIS system integrates hardware and software to create a safe, reliable and efficient system. Use of
components or connection to equipment not approved by the manufacturer is NOT recommended and
will invalidate any and all warranties.
Approved third-party components include wire and connectors, terminal blocks, and other
interconnection means only. Questions regarding the use of third-party equipment or components
should be directed to your dealer for clarification before being connected to your system.
3.5 List of Materials
Installation activities require a minimum amount of materials, some of which may be purchased by the
installer independent of Versus. For materials supplied by Versus, refer to the packing list and confirm
that all listed hardware and wire can be identified. For installer-purchased material, insure that the
remaining materials are available for the installation shown by the floor plan schematic diagram.
3.6 List of Tools
Some installation activities require special tools. Following is a list of recommended tools .
Cable stripper
Cordless Drill
Diagonal Clippers
Digital Multi-Meter
Electric Screw Driver
Ethernet Supplies
Fishtape
Hole Saw 2 3/8” Drill Attachment
Level
Mounting Screws
Nut Drivers
Paper/Pens
Punch
-
down Block Tool
-
Type 66 or
Bix,
whichever is appropriate
RJ-45 Testers
RJ Connector Terminator Tool Kit
Scissors
Screwdriver Assortment
Splice Crimp Tool
Small Hammer
Electrical Tape
Tape Measure
Twist Ties
Utility Knife
UY Connectors
Vise grip Pliers
Walkie Talkies (helpful for testing sensors)
Weidmeuller Patch Check Plus
Wire Strippers
Hardware and Wiring Installation Guide 15
3.7 Safety and Code Considerations
Safety procedures and adherence to local building codes are the responsibility of the system installer.
Versus products have been des igned to be safe and reliable under the conditions in which they are
intended to be used. The following sections detail those aspects of the system that might affect safety.
3.7.1 Equipment Handling
The components used in a typical installation contain internal circuits that are sensitive to static
electricity. Static electricity transported by the human body may be strong enough to damage internal
circuitry during installation. These components do not normally have exposed connector pins, but if
handling with exposed connectors or pins is required, the installer should use an anti-static wristband
connected to an electrical ground. This is especially important when temporarily disconnecting and
reconnecting cables. The badges are the only system components that people can come in direct
contact with. Therefore, cleaning the badges after each use is recommended. A badge should be
thoroughly cleaned after each use, and wiped down with a disinfectant. The disinfectant should be
alcohol-based, not water based.
WARNING!
Avoid touching bare contacts or connector pins when handling system
components in order to prevent the accidental transfer of static to internal
devices. Leave protective covers attached during installation.
3.7.2 Power Requirements
The components obtain low-voltage operating power from a local wall mounted “plug-in” transformer.
Transformers provided with the systems are Underwriter Laboratory (UL) approved. No components
use 120V AC line power directly, except the computer systems.
WARNING!
Do not attempt to connect or disconnect concentrators, collectors, sensors,
or any other system components with power applied. The hardware may be
damaged. Although damage will not occur in most cases, this practice is
not recommended and may void equipment warranties.
Use of powering schemes not approved by the manufacturer will void
equipment warranties.
As with any electrical equipment, safety is a prime concern. The system poses no safety hazard, since
it uses only low-voltage DC power. However, installers must take adequate precautions to ensure that
the low-voltage wires are not exposed to high-voltage electrical wires, and that wires run through
ceilings and walls do not encounter dangerous electrical potentials and carry them to points where they
might be exposed to human contact.
No powering device other than the plug-in units provided should be connected to the system without
prior authorization from the manufacturer.
3.7.3 Grounding of Equipment
All points in a system installation are connected to a common “ground” via their interconnect wires.
No attempt should be made to provide any additional earth ground or neutral connections to any sensor
or collector. Adding ground connections to multiple points in a networked system may introduce
electrical system noises that will interfere with normal system operation. Consult the manufacturer if
special grounding requirements must be met.
16 Versus Technology, Inc.
CAUTION: Allowing sensor or network conductors to encounter metal surfaces and structures,
or allowing wires to be routed in close proximity to high powered equipment or
devices will introduce electrical interference and may cause erratic operation
and/or equipment failure.
3.7.4 Codes and Ratings of Materials Used
The materials used in the construction of individual components meet or exceed UL fire retarding
requirements. However, not all these devices are rated for air plenum use. They are intended for utility
closet mounting and must not be placed in airways or plenum areas, unless they can be housed in
approved enclosures and sealed to meet local codes.
Installers must be aware of local fire and health codes in their selection of interconnect wiring.
Plenum-rated wire and cable must be used where it will pass through breathable air spaces. Wire and
cable rated for plenum use will be clearly marked. For information regarding plenum cabling, call
Versus Technology, Inc. Manufacturing Department.
3.7.5 Workmanship
The following standards of workmanship must be followed during installation:
• National and local building codes must be followed.
• Tools used must be as recommended by the manufacturer, or approved equivalents.
• Connections must be made with manufacturer’s recommended tools and procedures.
• Conductors must not be nicked nor wire strands cut during wire stripping.
• Wire bundles must be neatly dressed.
• Wire bundles must be spaced away from power cables and lighting.

Hardware and Wiring Installation Guide 17
4. System Hardware Installation
This section covers the installation of the system components. Before installing the hardware
components, all planning should be completed as described in section 3.
4.1 Cable Installation
When installing sensor and network wiring, use normal telephone installation techniques. Sensor wire
runs should allow sufficient length to move ceiling tiles and to move sensors if needed.
It is the responsibility of the installer to run all cables as indicated on the floor plan schematic diagram.
Each cable must be labeled at both ends with the identification of the end device to which it is
connected. Use the same numbering scheme for sensors as described in the previous section, referring
to the Punch-down Block Organization List (C1-1, C1-2, C1-3, etc.). Label collector cables with the
identification of the collector that it runs to down the collector chain, away from the Concentrator.
4.1.1 Cable Types
Versus Technology recommends the following cable types for installing hardware components:
Sensor Cable UTP CAT 3 is acceptable, Versus recommends CAT 5
Collector Cable CAT 5
Ethernet Cable CAT 5
Intercom Cable 7 cond. with drain, 26 AWG shielded cable
Approved equivalent cable types may be used.
4.2 Sensor Installation
Handle the sensors with care to not scratch or damage the casing.
WARNING!
Always disconnect power from the system before connecting or
disconnecting components. Failure to do so may damage the equipment.
The UTP wire runs from the punch-down/collector to a sensor mounted in ceiling tile. Only a single
pair of wire is required for each sensor. No grounding at the sensor is required.
Sensor installation calls for use of a splice connector at the sensor end of the cable run. Sensor wires
have no polarity and can be connected to sensor wire-pairs in either order. In the case of 2-pair UTP
cable, the same pair must be used at each end of the sensor run. It is suggested that the blue wire be
used for consistency. Up to four sensors may be used on each CAT 5 cable if preferred, although using
one cable per sensor makes troubleshooting easier.
To install and wire sensors:
1. Referring to the floor plan schematic diagram, identify sensor locations and verify
identification numbers.
2. Create a hole for the sensor in ceiling tile or ceiling surface using a 2-3/8" hole saw.
3. Pull the sensor cable wire -pair through the hole and connect to the sensor using UY splice
connectors.

18 Versus Technology, Inc.
4. Gently bend the spring steel clips upward and insert the sensor into the ceiling tile hole. The
steel clips and the sensor cover will “sandwich” the ceiling tile and hold securely.
5. Mark the sensor as installed on the Installation Checklist.
4.3 Collector and Concentrator Installation
An example of neatly installed punch-down blocks, collectors, and concentrators.
The punch-down blocks, collectors, and concentrators should be installed in a secure location, such as
a communication or server room. The installation should allow for wiring access, neat wire routing
and dress, and connection of any sensor wire -pair to any collector input. Neat and orderly punch-
down blocks are easier to troubleshoot and maintain.
To install the Collectors and Punch-down Blocks
Note: Make sure power is not supplied when connecting components.
1. Mount the punch-down block on the wall using appropriate wall-mount hardware.
Concentrators
Punch
-
down
Blocks Collectors
24V AC
Sensor wires

Hardware and Wiring Installation Guide 19
2. Mount the collector adjacent and connected to the associated punch-down block, using the
Velcro tape and clip provided with the unit. When using Velcro tape to secure a collector unit,
make sure the solid metal end clip is firmly secure to prevent sagging of the connection
between the collector and punch-down block.
4.4 Connecting Sensors to Collectors
Sensors are connected to the collectors through punch-down blocks. The punch-down block is
organized so that each two punch-down block rows, starting at the top left of the block, are one
collector port that is connected to by one sensor.
Bridge-clips are used to connect left-side pins to the right-side pins, which are wired to the collector
unit. If patching of sensor inputs is required, jumpers can be used from any sensor wire-pair on the left
to any collector wire-pair on the right.
Make sure power is not supplied when connecting components.
Punch-down Block
20 Versus Technology, Inc.
To connect the sensors to the punch-down block:
For connecting the sensor wires to the punch-down block, refer to the Punch-down Block Organization
Chart for the location each wire should be connected on the block.
1. Remove all bridge clips from the punch-down block.
2. Referring to the Punch-down Block Organization List to make sure each sensor wire is
connected to the correct position on the punch-down block, connect the sensor wire-pairs to
the appropriate punch-down block pin-pair positions using the punch-down block tool.
3. Check isolation.
This is necessary because in the course of interconnecting many sensors to a collector, it is not
uncommon to make contact with a sharp metal edge, ganged knockout box, or electrical
ground with one of the conductors. It is critical, however, that such accidental connections be
located and cleared before applying power to the system. The effect of these accidental
connections can range from mild to severe. In many cases, erratic behavior may be noted. In
some cases, equipment damage may occur. In any case, an electrical code violation has
occurred.
To verify that the system is "isolated" from building and electrical grounds:
Note: It may be helpful to disconnect the collector from the punch-down block
while this measurement is made. This will isolate the sensor wiring completely.
1. Use an ohmmeter or multimeter set to the 2K (2000)-ohm scale.
2. Clip one probe to the nearest electrical conduit, electrical ground, or metal water
pipe.
3. Touch the other probe to each punch-down block row in turn.
4. Every row MUST indicate an infinite (open) connection. If this is not the case, the
suspect line must be traced to find the accidental connection to the structure that has
been made.
4. Once isolation has been checked, replace the bridge clips on the punch-down block.
4.5 Communication Room Check
There are several items that need to be verified before applying power to the system. Use the
Communication Room Checklist in section 6 to check off each step as it is completed.
4.5.1 Checking the Collector Wiring
A visual check of the collector wiring should find the punch-down block secure and the collector unit
connector firmly seated against the punch-down block connector. See the Collector Voltage
Troubleshooting Flow Chart in section 5 Troubleshooting Guide, for checking the collector wiring.
WARNING!
Correct two-pair wiring is essential. Crossed or reversed pairs can cause
equipment damage in some cases. Always test all wiring before connection
of system power sources.

Hardware and Wiring Installation Guide 21
The collector network (2-pair) must be tested before the system power is applied to be sure that wires
are not misconnected. Failure to thoroughly test the collector network wiring may result in equipment
damage.
The concentrator and collector devices connect to the 2-pair wiring system using modular interfaces to
allow for easy testing of the wiring before power is applied. It is recommended that installers be
equipped with appropriate USOC cable testers as required to verify the polarity and validity of
installed wiring.
Note that 3-pair USOC interconnections may also be used. In this case, the third pair (outermost) is
used in parallel with the second pair to improve power distribution to the collectors.
4.5.2 Setting the "Last Unit" Switch on a Collector
When installing collectors, the collector network wires run from unit to unit in a daisy chain fashion.
Each collector has a small switch for identifying the last collector on a line. It is very important that the
collectors which are NOT at the end of the line have this switch set to the UNTERMINATED position,
and that the collector which is at the end of the line has this switch set to the TERMINATED position.
Terminated
Unterminated
The reason for this is that with high speed digital data, it is critical that the electrical energy that runs
down the wires is absorbed at the end and does not "bounce back" down the wire and cause
interference with other data coming down. To exactly absorb all the energy coming down a wire, the
wire must be ended at the last device in the chain with a resistor, which has value that equals the
characteristic impedance of the wire. Each collector unit is equipped with such a resistor that is
connected when the switch is in the TERMINATED position.
4.5.3 Power-up Test
Collectors are provided with a 24V power supply that must always be used for each collector,
providing local operating power. No other power supply is adequate to power collectors. To ensure
that the power supplies do not pull out by their own weight, either mount the power strip outlet side up
or use wire ties to hold the power supply in place.
When the collector wiring and isolation have been verified and the cable connection between the
concentrator and the collector has been tested and found correct, the next step is to apply power to the
collector and check the sensor connections for the correct voltages.
Power supply may
become
disconnected if
power strip is
mounted sideways.
Use wire ties to hold the
power supply in place.

22 Versus Technology, Inc.
? To test sensor voltage
Once power has been applied to the collector, a voltmeter check should be made of the sensors on
the punch-down block to verify that they are connected correctly.
1. Set the voltmeter or multimeter to a 20-volt range.
2. Apply the probes to each sensor connection on the punch-down block.
When voltmeter is applied to a sensor pair, a slight drop in voltage can be observed when the
sensor is receiving a transmitting ID badge. This can be used to identify sensors in lieu of
complete system operation.
3. Check RF interference by switching the meter to the AC scale and reading the voltage. With
no badge transmitting over the sensor there should be < 0.1 VAC on a sensor pair.
Caution!
A shorted sensor pair will not cause immediate damage to the collector. However, if allowed
to remain, some heating of collector components will occur, which is undesirable. If shorted
pairs are found in the sensor voltage test, remove the collector power and resolve the short
as soon as possible. If the system must be powered with the short unresolved, remove the
punch-down block bridging clips to disable the disruptive sensor until the wiring can be
repaired.
4.5.4 Collector Network Wiring Connections
4.5.4.1 Concentrator End Connections
The 2-pair collector network connects to the concentrator unit using a modular connection with an RJ-
12 modular jack (6 wire). This provides a means to easily disconnect the collector network for testing
of the 2-pair wires or for service of the collector unit.
4.5.4.2 Collector End Connections
The 2-pair collector network connects to the collector module via a modular connector with an RJ-12
modular jack (6 wire). A modular-to-modular jumper is then used from one collector unit to the next
collector unit. This provides a means to easily disconnect the collector unit for testing of the 2-pair
wires or for service of the collector unit.
If the reading is: For: (Sensor type) Then:
Approximately 16
volts IR The sensor is wired correctly.
Approximately 18
volts RF The sensor is wired correctly.
<14 volts IR and RF There is radio frequency or electromagnetic
interference.
Approximately 20
volts IR and RF There is no sensor connected to this pair or the
wiring to the sensor is open.
Very low or zero IR and RF The sensor pair is shorted. (The 25th pair on the
punch-down block is unused and will read zero
volts.)
Hardware and Wiring Installation Guide 23
4.5.4.3 Collector Wiring
The collector devices connect to the sensor network using modular interfaces to allow for testing of the
wiring before power is applied. It is recommended that installers are equipped with appropriate cable
testers to verify the polarity and validity of installed wiring.
There are two parallel RJ receptacles on each collector. This allows collectors to be chained together
from their assigned concentrator to the last collector in the chain. A key indication of connector
problems with the collector cable is the red indicator light on the collectors, which may indicate either
reverse polarity or a short circuit. The red light will flash every time it sees a badge fire. A constant
pattern of four or five flashes may indicate there is a problem with the connectors on the cable.
To wire collectors
Note: Do not make any connections to components unless indicated by a step in the
procedure. Ensure that all bridge clips have been removed from the selected
punch-down block/collector unit.
1. Refer to the contractual floor plan schematic diagram and identify the concentrator location.
2. Refer to the contractual floor plan schematic diagram and identify all collector locations.
3. Verify that each collector cable for each collector site and the concentrator site has been
installed as indicated on the contractual floor plan schematic diagram.
4. Attach an RJ connector to each end of the collector cable.
5. Using the Weidmeuller Patch Check Plus test set or an equivalent model, perform the
following steps to verify straight through continuity for each collector cable run:
a) Plug one end of the cable into the receiver unit of the test set.
b) Set the reset switch on the receiver unit to the “On” position.
c) Plug the other end of the cable into the Transmitter unit of the test set.
d) Set the reset switch on the transmitter unit to the “On” position. All the red LED’s will
light followed by an audible squawk tone.
e) Touch the TEST button on the transmitter. After a short delay, the transmit #1 LED will
light with the corresponding #1 LED on the receiver scale
f) Touch the TEST button again to light transmit #2 LED with its corresponding receiver
#2 LED.
g) Repeat this process until all conductors in the cable have been verified for continuity.
6. Mark the collector cable as checked on the Installation Checklist.
7. For each collector perform the following:
a) For the collectors identified on the contractual floor plan schematic diagram as
LAST, set the UNTERMINATED/TERMINATED switch to the TERMINATED
position. For all other collectors, set the switch to UNTERMINATED.

24 Versus Technology, Inc.
b) Insert the RJ plug(s) into the collector receptacle(s) (either collector receptacle is
acceptable.)
c) Mark the collector as installed on the Installation Checklist.
Collector RJ-12 Plug Wire Colors:
Plug Pin No. CAT 5 Wire Color Description Voltage
1
NOT USED
2
NOT USED
3
White/Blue
Data (+)
+
1 VDC
4
Blue
Data (
-
)
+
1 VDC
5
White/Orange
Ground
0 VDC
6
Or
ange
Ground
0 VDC
NOTE: With connector pins pointing toward you, cable away from you, pin 1 is to the left.
4.5.5 Concentrator Installation
The computer should be equipped with an appropriate network card for connecting to the Ethernet
Concentrator(s).
The Concentrator is a “table-top” box assembly, which can sit on a level surface or be mounted on any
flat surface with mounting clips. Mount all concentrators as indicated on the floor plan schematic
diagram.
4.5.5.1 Installing and Checking the Concentrator
The Concentrator power supply should be secured to the electrical outlet using a screw or other means
to ensure that it cannot fall out or is disconnected by others working in the same area.
Caution!
Do NOT plug in the power supply cable until the installation wiring
checks are completed. System damage could occur.
4.5.5.2 Network Wiring for Ethernet Concentrators
The Ethernet Concentrator requires CAT 5 four pair UTP cable runs between the network card in the
computer and the Ethernet Concentrator. For multiple concentrators, install a 10Base-T or
10x100Base-T network hub or connect it to an existing Ethernet network within a facility. The
Concentrator cannot be connected to a 100Base-T network hub. Like Collectors, Ethernet
Concentrators use a 24V power supply. For more information on the Ethernet Concentrator, refer to
the Ethernet Concentrator manual.

Hardware and Wiring Installation Guide 25
4.5.5.3 Power-up Test
When the wiring has been examined and the power supply voltage has been found to be in range, a
power up of the concentrator may be performed to verify its operation.
Caution!
Disconnect the modular cable from any down channel collector(s) and allow it to remain
unconnected during the test. Down channel collectors could be damaged if power is applied
before they have been checked.
Plug the power supply connector into the concentrator and observed the red LED indicator lights. If it
fails to light, recheck the power and connections.
There are four LED indicator lights on the Concentrator. The function of each is described in the
diagram below.
Concentrator
The LED indicator light on the Collector will blink every time it receives badge data from the sensors.
If the LED blinks in a four or 5-blink pattern, this indicates that it is not communicating with the
concentrator. If this is the case, there is a problem with either the network cable connection or the
connection to the concentrator. If the LED blinks in a 3-blink pattern, this indicates a problem with the
collector, and it should be sent to Versus Technology for repair.
4.5.5.4 Walking Setup Test
After the Database Server, Badge Server and Configuration Utilities have been installed, you should
perform a walking setup of the system to verify sensor locations. The Ethernet Concentrator and
Database Server Manual describes the installation and configuration of the Badge Server and Database
Server. The Configuration Utilities Manual includes adding collectors, adding room locations,
matching up the sensors with locations, and testing them with the walking setup.
26 Versus Technology, Inc.
4.6 Testing RF Sensors
The Frequencer is a utility that shows data being received by sensors. Data can be filtered to show only
information for a specific badge or sensor. The Frequencer is instrumental in testing that all areas of
the facility are covered by RF sensors.
To test RF sensor coverage:
1. Open the Frequencer, which is installed to the Versus\IRTools directory. The file is TCPFreq.exe.
2. On the Frequencer screen, type the IP address of the computer where the Badge Server is installed.
The badge hits will start appearing in the window.
3. To isolate and only test RF sensors, type the badge number of an RF badge in the Badge field.
4. Take an RF badge and “hide” the badge in a pocket or other place, so it is not seen by the IR
sensors.
5. One person will need to sit at the computer while another person walks to all areas within the
facility with the hidden badge. Both will need walkie -talkies to communicate.
6. Have the person with the badge walk around the facility and press the badge at different locations.
You will see the hits in the Total Time, Total Hits, and Avg. Time fields.
7. Verify that the badge is seen in all locations by the RF sensors, especially areas such as
bathrooms, where there may be no IR coverage.
8. Mark the area as covered on the Punch-down Block Organization List.

Hardware and Wiring Installation Guide 27
5. Troubleshooting Guide
These are possible hardware scenarios and solution issues that may affect the operation of the tracking
system. The Collector Voltage Troubleshooting Flow Chart and the Functionality Test Flow Chart are
included as troubleshooting strategies for correcting system hardware problems.
Problem: System will not start up.
Discussion: Most system failures on startup are caused by failure to properly crimp RJ Type connectors,
along with failure to test the completed connection.
Problem: Collector cannot be seen by the Concentrator on the Subnet.
Discussion: A collector works properly when unconnected to the subnet, on powering on, it blinks four to
five times every five or so seconds. Once connected to the concentrator’s subnet, upon power on, the
collector light should come on strong after the first few seconds and then blink only upon receipt of a badge
ID.
Problem: Incorrect voltages across sensor pair at the punch-down block.
Discussion: The voltage across the sensor pair at the collector punch-down block should be between 15
and 17 volts DC. A voltage above18 may indicate an open circuit, while a voltage below 15 may indicate
RF interference, or faulty sensor, or faulty wiring. RF interference may be verified by switching the meter
to the AC scale and reading voltage. With no badge id’s being sent down the sensor pair, any AC voltage
reading may indicate RF interference.
Problem: RF interference.
Discussion: RF interference may be checked as discussed above. Possible RF interference that effects the
sensor network includes, certain types of energy efficient lighting and associated electronic ballasts. The
most common offenders are classified as T8 lights and have and electronic ballast in the 40 kHz range.
Sensor wiring should not touch electrical conduit, or ceiling grates, as they are very good at picking up RF
frequencies.
Problem: Sensor not picking up id from badge (non-working sensor).
Discussion: Smoke detectors using IR detection interfere with Versus sensors. The sensor should not be
installed within two feet of smoke detectors to avoid any interference.
Problem: Collector mounting failures.
Discussion: Collector mounting failures can be avoided by using the mounting clip provided to hold the
end of the collector firmly against the wall.

28 Versus Technology, Inc.
5.1 Badge Battery Replacement
Warning! A low battery may affect system performance. Change low batteries at first indication.
Note: Static electricity can damage batteries. When changing badge batteries, it is critical to be
grounded, such as by using a static strap and an Electro-Static Device mat to protect from any
shock that would damage the battery or the badge.
The table below provides instructions on how to replace badge batteries. Remember to use an anti-static
strap and an Electro-Static tabletop mat when changing badge batteries.
Badge Battery Type Replacement Instructions
Locator Badge
VER-1700 Lithium, 3.5V
750 mAH 1. Place the Locator badge face down on an Electro-Static mat.
2. Locate the screw on the back of the badge. Using a small Phillips
head screwdriver (or security screw driver), remove the screw and
the back cover of the badge and flip it over to expose the battery.
3. Gently lift the battery from the board using your thumb and finger.
4. Insert the new battery into the lead holes. Replace the top cover and
gently tighten the badge screw.
Personnel
Badge
VER-1780
3V Lithium
CR2477
950 mAH
1. Locate the screw on the back of the badge. Using a small Phillips
head screwdriver (or security screwdriver), remove the screw and
battery cover.
2. Using a jumper wire, touch the ends of the
jumper wire to the contacts inside the
battery compartment to remove any
residual charge in the badge.
3. Place the battery in the battery compartment with the + facing up.
4. Replace the battery cover, making sure to insert the tabs first.
5. Replace the screw.
Tabs on battery
cover.

Hardware and Wiring Installation Guide 29
Replace Sensor
Collector
Voltage
Level Low
or High?
Replace collector
Voltage Level <15 Vol
ts Dc
No
Yes
No
No
Voltage Level >17 Volts Dc
Check
Sesnor for
EMI
Sensor Wire
too close to
ceiling tile
railing
Sensor too
close to
High freq.
light
Replace Collector
No
Goto
Voltage Test
Move Wire
Move Sensor
Yes
Yes
Check for
Open
Wires between
sensor &
punchdown
block
Check
Collector
Voltage
Levels
Replace Collector
Done
Fix or Replace
Wire
Yes
No
Good Votage Levels
Bad Voltage Levels
Collector Voltage Troubleshooting
Flow Chart
Voltage
Test
Check
Sesnor
for
wires
shorted
together
Fix wiring
Yes

30 Versus Technology, Inc.
Functionality Test Flow Chart
Functionality
Test
Choose a sensor Location
Start Frequency Program
Start in the middle of the sensor, walk
out at 6" intervals with a badge four
feet off the floor.
Record these readings
Repeat
reading around
sensor at 30 degree
intervals.
Next Sensor
Are there
any dead
spots
Goto Light Test Page
Check another Sensor
Done
Done

Hardware and Wiring Installation Guide 31
6. Installation Forms
This section includes forms for testing and installation purposes.
Forms
Installation Plan
Installation Checklist
Punch-down Block Wire Organization List
Communication Room Checklist
Preventative Maintenance Inspection Report
Final Verification

Installation Plan
Customer Name:____________________________
Customer PO #(s): _______________________________________________
Sensors: ____________ RF Sensors:___________
Collectors: ____________ Room & Location Names Required
Ethernet Concentrators: ____________ IP Address Required
Badges: __________ Qty: _______ ; __________ Qty: _______ ; __________ Qty: _______
Software:______________________________________________________________________
____________________________________________________________________________
Additional Information: (i.e. badge drawer, focused sensors, relays…these require additional
time)
Time Estimates:
1. # of installation days by contractor: ______
2. # of Verification days by Versus Technology ______ * crew size of ___ _______
3. # of Training Hours ______ * crew size of ___ _______
4. # of On-Site Configuration ______ * crew size of ___ _______
5. Total Versus Installation _______
Required: PO, Install Checklist, and Proposal/Quote
Floorplan(s): Sensor Placement Drawings
Installation: Begin Date___/___/____ End Date ___/___/___
Requirements for Installation:
Room Keys
ID Badges
Support Contacts/Personnel w/phone #s
1.
2.
3.
Installers: Versus or outside contracting familiar with regulations
Floorplan(s) to Installers with Wiring Specification and if needed site visit
Sensors, collectors, concentrators, wiring installed and mounted correctly
Required facility sign off of contractors work
Versus Verification of installation work if required
Communication Room Check List
Versus Computer Server Setup: # of Computers _______
Check Requirements
Jazz Drive
Additional Hardware components:
PC Anywhere Software
Versus Software:

Facility Software & Hardware Requirements:
Required Room/Location Names:
Computer Room Location(s) for server(s):
Phone line or TCP/IP routing services Password Required:
IP Addresses for all network devices
Software Client locations
Develop Badge/Tag Types:
Network Requirements:
Identification of Computers
Domain
IP Address
Subnet
Default Gateway
DNS Host Name
DNS Domain
DNS Services
WINS Address Primary
Secondary
Check: Enable DNS for Windows Resolution
Uncheck: Enable LMHosts Lookup
On-Site Configuration
System Hardware Testing completed see final installation Comm Room Checklist
Software Setup: Configuration of Sensors & Room Names and Collectors
Sensor Software Verification (Walk Around with Training)
Using the Software Training
Assigning Badges
How to wear a badge
How the system works training
Who is responsible for the system communication i.e. where do I ask my questions
How to change batteries option
How to send back RMAs
Additional Planning: (Additional configuration or time issues)
Installation Plan page 2

Training
1. General Usage by End User - Low Level Training # 1
- Different Views
- Badge Assignment
Date Who
2. Training for Supervisory trainers - Medium Level Training # 2
- How the System Works / Components
- Different View
- Badge Assignment
- Application Flows
Date Who
3. Overall Key Operations for overall system administrator - High Level Training # 3
- How the System Works / Components
- Location of Hardware Components
- Ethernet / Network Knowledge
- Different Views
- Configuration Utilities including Badge Assignment
- Application Flow
- Trouble Shooting
- Backup Procedures
- Clearing Out Logs
- Overall System Maintenance
Date Who
Final Customer Sign off:
Final Verification Check off required: see Final Verification sheet
Installation Plan page 3

Installation Checklist
The table and inspection report in this section will be used to indicate the completed installation and test of
hardware and wiring. The installation codes will be as follows:
C = Cable checked I = Installed hardware
Make copies of the table and enter the numbers of the hardware as they are installed. Indicate a cable check
completion with a “C” and a hardware installation completion with the “I” in each numbered cell of the
table. The installer will be directed by the steps of the installation to make these entries as the checks and
installation are made.
Copies of the entries should be kept with other installation documentation.
Item Versus P/N Quantity Hardware
Installation System
Installation
Sensor Cable 2 pair UTP plenum 24 AWG,
solid
Collector Cable 2 pair UTP plenum 24 AWG
solid
Intercom Module Cable 7 Conductor 26
gauge, stranded , shielded w/drain
UY connectors
UR connectors
Network Cable
Cable Labels
Cable ties
Sensors - High Frequency
Sensor Mounting Brackets Optional
Collector Kits
Concentrator
Intercom/ Speaker Units
Channel for wire between Speaker Units
RJ 12
RJ 45 (for shielded cable use shielded RJ 45
connectors)
Host Computer System
Pager Computer System
Audio Switch Matrix
Remote Monitor (Optional)
VGA Splitter (Optional)
Magnetic Doorlocks (Optional)
Doorlock Control Interface (Optional)
Personnel Badges
Equipment Badges
Equipment Badge Cables - Bear33
Equipment Badge Cables - PLV
Equipment Badge Cables - Monaghan
Equipment Badge Cables - Newport Breeze

Equipment Badge Cables - MDE Escort
P-Badge Labels
E-Badge ID Code Labels
Hardware Installation Manual & Drawings
Software Licenses
Software Backups
--Some Optional--
Sensor Splice Crimp Tool
Punch-down Tool - Type 66
RJ Connector Terminator Tool Kit
Ethernet Connector Terminator Tool Kit
Ethernet Supplies
Electric Screwdriver
Cable Stripper
Screwdriver Assortment - Incl’ Small
Nutdriver Assortment - Incl’ ASM Sizes
Diagonal Clippers - Small & Large
Digital Multi-Meter
Utility Knife
Flashlight
Visegrip Pliers
Small Hammer
Cordless Drill
2 3/8” Hole Saw
Fishtape
Center Punch
Step-Drill
Knock-Out Punch
Installation Checklist page 2

Punch-down Block Wire Organization List
Collector #
Collector Alias ____________________
Punch-
down
block
pair Cable ID Wire
Color Zone description (room name) Receiver/
Room # Relay #
Relay
Cable ID Verified
1
2
3
4
5
6
7
8
9
10
11
12
13
14
15
16
17
18
19
20
21
22
23
24
Building: ____________________
Floor: ________________
Room #: ________________

Communication Room Checklist
Floor: _________ Location/Room #: ______________________________
Check Installation Verification
Check Power Strip Mounting
Check 50 Pin Connector Status to Punch-down Block
Hub/Port Availability
Network Cable installed/Continuity Test
Ethernet Concentrator Administered
Collector Voltage Testing ~ 15.5 to 16.9
Collector Termination
Collector Cabling
Concentrator Room Label information
Optional
Collector Layout Sheet
Relay Unit Configuration
Computer Setup and Hardware Configuration
Number of Collectors: ____________
C# Identification # Termination
Number of Ethernet Concentrators: _________
Port/Hub # IP Address # ID #
Additional Comments: Fixed Date
_____________________________ ___________________
(Installation Person) (Date)
Powered up

Preventative Maintenance Inspection Report
Customer ____________________________ Customer Number______________________ Date___________
Call Number______________________________
Equipment Serial Number ________________ Software Revision _________
Configuration (ü)
___ Host Computer Setup ___ Collector Setup ___ Software Intellimotion 3-Pack
___ Pager Computer Setup
(Optional) ___ Punch-down Block
Configuration ___ Software Pager (Optional)
___ Work Station Computer
(Optional) ___ Concentrator Setup (Optional) ___ Software Misc. (Optional)
___ Network Wiring ___ Sensors ___ Sensor Wiring
___ ASM (Optional) ___ ASM Audio Wiring
(Optional)
Tools
1. Standard hand tools 3. RJ Tester 4, 6 & 8 Pins 5. ESD Mat and Wrist Strap
2. Multimeter 4. Hardware & Software Manuals
Visual Inspection (ü)
Inspect the following for excess wear and/or any visual signs of damage.
1. ___ General 4. ___ Reseat socketed
Components/connectors
7. ___ ASM Mounting
2. ___ Computers 5. ___ Connectors 8. ___ Cable insulation
3. ___ Concentrator Mounting 6. ___ Sensor Mounting 9. ___ Collector Mounting
Cleaning (ü)
1. ___ Clean all internals of dust 4. ___ Clean Sensor Work Area(s) 7. ___ Clean Infrared Tag
2. ___ Clean external surfaces 5. ___ Clean ASM Work Area(s)
3. ___ Clean ASM Area 6. ___ Clean All Computer Stations
Calibration (ü)
1. ___ N/A
Electrical Safety Checks (ü)
1. ___ Wall Receptacle Test
2. ___ Sensor Voltage Test
3. ___ Collector RJ Line Continuity Test

Checkout Procedure (ü)
System Computers Concentrator
___ Connections Sensor/ASM ___ Software Setup ___ Connection between Computers and
Network (Optional)
___ Display ___ Startup and Restart
___ Intercom Modules ___ PC Anywhere &
Modem
___ Network
Collectors Sensors ASM
___ Wiring Punch-down ___ Sensor Test Software ___ LED Power ON
___ Mounting ___ Voltage Check ___ Intercom Connections
___ Random flashing Red LED ___ Software Move Test ___ ASM Test Software
Battery Install Backups Training
___ Battery Installation ___ Backup Data from
Computer Install ___ Completed
___ Tracking on System
___ Activates Page (Optional)
Preventative Maintenance Report page 2

Final verification and sign off for: ______________________________
Primary responsible party: _____________________ ______________________
(Name) (Signature)
PO Verification Check
1. The hardware components: Collectors _______, Ethernet Concentrator
____, Sensors & Wiring ______ and computer(s) _______have been
installed and are acceptable
2. Training on backup procedures and preventive maintenance including
battery replacement has occurred to appropriate responsible party (see
below # 7)
3. Software CD has been issued and installed and clients are acceptable
4. Software & Hardware documentation have been issued and explained
5. Support & Trouble Shooting have been covered (see #6 below)
6. Training has occurred to appropriate personnel and everyone is aware of their current
responsibilities: ___________________________ ___________________________
(Primary Responsible Party) (Signature)
7. Customer’s Designated Support Contacts
a. System administrator:
_____________________________ ______________ ______________________
(Name & Title) (Phone #) (E-mail)
b. Support contact:
_____________________________ ______________ _______________________
(Name & Title) (Phone #) (Email)
8. The Versus System is working correctly according to contractual agreement
_____________________ ______________________________ ________________
(Primary Responsible Party) (Signature) (Date)
_____________________ ______________________________ ________________
(Versus Representative) (Signature) (Date)
Final Verification