Miller Electric 280 Nt Users Manual O4430r(ECO806)
280 NT to the manual b860b762-6ce5-4af0-8a92-75cde2fadb06
2015-02-02
: Miller-Electric Miller-Electric-280-Nt-Users-Manual-437348 miller-electric-280-nt-users-manual-437348 miller-electric pdf
Open the PDF directly: View PDF
.
Page Count: 60

Miller Legend 302
Processes
Description
TIG (GTAW) Welding
Stick (SMAW) Welding
MIG (GMAW) Welding &
Flux Cored (FCAW) Welding
With Voltage Sensing Feeder
Engine Driven Welding Generator
OM-4430 217 243R
2007−04
File: Engine Drive
Visit our website at
www.MillerWelds.com

Miller Electric manufactures a full line
of welders and welding related equipment.
For information on other quality Miller
products, contact your local Miller distributor to receive the latest full
line catalog or individual specification sheets. To locate your nearest
distributor or service agency call 1-800-4-A-Miller, or visit us at
www.MillerWelds.com on the web.
Thank you and congratulations on choosing Miller. Now you can get
the job done and get it done right. We know you don’t have time to do
it any other way.
That’s why when Niels Miller first started building arc welders in 1929,
he made sure his products offered long-lasting value and superior
quality. Like you, his customers couldn’t afford anything less. Miller
products had to be more than the best they could be. They had to be the
best you could buy.
Today, the people that build and sell Miller products continue the
tradition. They’re just as committed to providing equipment and service
that meets the high standards of quality and value established in 1929.
This Owner’s Manual is designed to help you get the most out of your
Miller products. Please take time to read the Safety precautions. They
will help you protect yourself against potential hazards on the worksite.
We’ve made installation and operation quick
and easy. With Miller you can count on years
of reliable service with proper maintenance.
And if for some reason the unit needs repair,
there’s a Troubleshooting section that will
help you figure out what the problem is. The
parts list will then help you to decide the
exact part you may need to fix the problem.
Warranty and service information for your
particular model are also provided.
Miller is the first welding
equipment manufacturer in
the U.S.A. to be registered to
the ISO 9001:2000 Quality
System Standard.
Working as hard as you do
− every power source from
Miller is backed by the most
hassle-free warranty in the
business.
From Miller to You
Mil_Thank 4/05

TABLE OF CONTENTS
SECTION 1 − SAFETY PRECAUTIONS − READ BEFORE USING 1 . . . . . . . . . . . . . . . . . . . . . . . . . . . . . . . .
1-1. Symbol Usage 1 . . . . . . . . . . . . . . . . . . . . . . . . . . . . . . . . . . . . . . . . . . . . . . . . . . . . . . . . . . . . . . . . . . . . . . .
1-2. Arc Welding Hazards 1 . . . . . . . . . . . . . . . . . . . . . . . . . . . . . . . . . . . . . . . . . . . . . . . . . . . . . . . . . . . . . . . . .
1-3. Engine Hazards 3 . . . . . . . . . . . . . . . . . . . . . . . . . . . . . . . . . . . . . . . . . . . . . . . . . . . . . . . . . . . . . . . . . . . . .
1-4. Compressed Air Hazards 3 . . . . . . . . . . . . . . . . . . . . . . . . . . . . . . . . . . . . . . . . . . . . . . . . . . . . . . . . . . . . . .
1-5. Additional Symbols For Installation, Operation, And Maintenance 4 . . . . . . . . . . . . . . . . . . . . . . . . . . . .
1-6. California Proposition 65 Warnings 5 . . . . . . . . . . . . . . . . . . . . . . . . . . . . . . . . . . . . . . . . . . . . . . . . . . . . . .
1-7. Principal Safety Standards 5 . . . . . . . . . . . . . . . . . . . . . . . . . . . . . . . . . . . . . . . . . . . . . . . . . . . . . . . . . . . .
1-8. EMF Information 5 . . . . . . . . . . . . . . . . . . . . . . . . . . . . . . . . . . . . . . . . . . . . . . . . . . . . . . . . . . . . . . . . . . . . .
SECTION 2 − CONSIGNES DE SÉCURITÉ − LIRE AVANT UTILISATION 6 . . . . . . . . . . . . . . . . . . . . . . . . . .
2-1. Signification des symboles 6 . . . . . . . . . . . . . . . . . . . . . . . . . . . . . . . . . . . . . . . . . . . . . . . . . . . . . . . . . . . .
2-2. Dangers relatifs au soudage à l’arc 6 . . . . . . . . . . . . . . . . . . . . . . . . . . . . . . . . . . . . . . . . . . . . . . . . . . . . .
2-3. Dangers existant en relation avec le moteur 8 . . . . . . . . . . . . . . . . . . . . . . . . . . . . . . . . . . . . . . . . . . . . . .
2-4. Dangers liés à l’air comprimé 9 . . . . . . . . . . . . . . . . . . . . . . . . . . . . . . . . . . . . . . . . . . . . . . . . . . . . . . . . . .
2-5. Dangers supplémentaires en relation avec l’installation, le fonctionnement et la maintenance 9 . . . . .
2-6. Proposition californienne 65 Avertissements 11 . . . . . . . . . . . . . . . . . . . . . . . . . . . . . . . . . . . . . . . . . . . . . .
2-7. Principales normes de sécurité 11 . . . . . . . . . . . . . . . . . . . . . . . . . . . . . . . . . . . . . . . . . . . . . . . . . . . . . . . . .
2-8. Information EMF 11 . . . . . . . . . . . . . . . . . . . . . . . . . . . . . . . . . . . . . . . . . . . . . . . . . . . . . . . . . . . . . . . . . . . . .
SECTION 3 − DEFINITIONS 12 . . . . . . . . . . . . . . . . . . . . . . . . . . . . . . . . . . . . . . . . . . . . . . . . . . . . . . . . . . . . . . . . .
3-1. Symbol Definitions 12 . . . . . . . . . . . . . . . . . . . . . . . . . . . . . . . . . . . . . . . . . . . . . . . . . . . . . . . . . . . . . . . . . . .
SECTION 4 − SPECIFICATIONS 13 . . . . . . . . . . . . . . . . . . . . . . . . . . . . . . . . . . . . . . . . . . . . . . . . . . . . . . . . . . . . . .
4-1. Description 13 . . . . . . . . . . . . . . . . . . . . . . . . . . . . . . . . . . . . . . . . . . . . . . . . . . . . . . . . . . . . . . . . . . . . . . . . .
4-2. Weld, Power, And Engine Specifications 13 . . . . . . . . . . . . . . . . . . . . . . . . . . . . . . . . . . . . . . . . . . . . . . . . .
4-3. Dimensions, Weights, and Operating Angles 13 . . . . . . . . . . . . . . . . . . . . . . . . . . . . . . . . . . . . . . . . . . . . . .
4-4. Dimensions For Units With Optional Running Gear 14 . . . . . . . . . . . . . . . . . . . . . . . . . . . . . . . . . . . . . . . .
4-5. Fuel Consumption While Welding And Using Generator Power 14 . . . . . . . . . . . . . . . . . . . . . . . . . . . . . .
4-6. Generator Power Curve 15 . . . . . . . . . . . . . . . . . . . . . . . . . . . . . . . . . . . . . . . . . . . . . . . . . . . . . . . . . . . . . . .
4-7. Duty Cycle 16 . . . . . . . . . . . . . . . . . . . . . . . . . . . . . . . . . . . . . . . . . . . . . . . . . . . . . . . . . . . . . . . . . . . . . . . . . .
4-8. TIG Mode Volt-Ampere Curves 16 . . . . . . . . . . . . . . . . . . . . . . . . . . . . . . . . . . . . . . . . . . . . . . . . . . . . . . . . .
4-9. Stick And MIG Mode Volt-Ampere Curves 17 . . . . . . . . . . . . . . . . . . . . . . . . . . . . . . . . . . . . . . . . . . . . . . . .
SECTION 5 − INSTALLATION 18 . . . . . . . . . . . . . . . . . . . . . . . . . . . . . . . . . . . . . . . . . . . . . . . . . . . . . . . . . . . . . . . .
5-1. Installing Welding Generator 18 . . . . . . . . . . . . . . . . . . . . . . . . . . . . . . . . . . . . . . . . . . . . . . . . . . . . . . . . . . .
5-2. Engine Prestart Checks 19 . . . . . . . . . . . . . . . . . . . . . . . . . . . . . . . . . . . . . . . . . . . . . . . . . . . . . . . . . . . . . . .
5-3. Connecting Or Replacing The Battery 20 . . . . . . . . . . . . . . . . . . . . . . . . . . . . . . . . . . . . . . . . . . . . . . . . . . .
5-4. Installing Exhaust Pipe 21 . . . . . . . . . . . . . . . . . . . . . . . . . . . . . . . . . . . . . . . . . . . . . . . . . . . . . . . . . . . . . . . .
5-5. Connecting To Weld Output Terminals 22 . . . . . . . . . . . . . . . . . . . . . . . . . . . . . . . . . . . . . . . . . . . . . . . . . . .
5-6. Selecting Weld Cable Sizes* 23 . . . . . . . . . . . . . . . . . . . . . . . . . . . . . . . . . . . . . . . . . . . . . . . . . . . . . . . . . . .
5-7. Remote Receptacle Information 23 . . . . . . . . . . . . . . . . . . . . . . . . . . . . . . . . . . . . . . . . . . . . . . . . . . . . . . . .
SECTION 6 − OPERATING WELDING GENERATOR 24 . . . . . . . . . . . . . . . . . . . . . . . . . . . . . . . . . . . . . . . . . . . .
6-1. Front Panel Controls 24 . . . . . . . . . . . . . . . . . . . . . . . . . . . . . . . . . . . . . . . . . . . . . . . . . . . . . . . . . . . . . . . . . .
6-2. Description Of Engine Controls (See Section 6-1) 25 . . . . . . . . . . . . . . . . . . . . . . . . . . . . . . . . . . . . . . . . .
6-3. Cold Weather Engine Operation 25 . . . . . . . . . . . . . . . . . . . . . . . . . . . . . . . . . . . . . . . . . . . . . . . . . . . . . . . .
6-4. Controlling Engine Speed And Weld/Generator Output 26 . . . . . . . . . . . . . . . . . . . . . . . . . . . . . . . . . . . . .
6-5. Process Switch 27 . . . . . . . . . . . . . . . . . . . . . . . . . . . . . . . . . . . . . . . . . . . . . . . . . . . . . . . . . . . . . . . . . . . . . .
6-6. Stick Start Procedure − Scratch Start Technique 28 . . . . . . . . . . . . . . . . . . . . . . . . . . . . . . . . . . . . . . . . . .
6-7. TIG Lift-Arc Start Procedure 28 . . . . . . . . . . . . . . . . . . . . . . . . . . . . . . . . . . . . . . . . . . . . . . . . . . . . . . . . . .
6-8. Remote Voltage/Amperage Control 29 . . . . . . . . . . . . . . . . . . . . . . . . . . . . . . . . . . . . . . . . . . . . . . . . . . . . .
SECTION 7 − OPERATING AUXILIARY EQUIPMENT 30 . . . . . . . . . . . . . . . . . . . . . . . . . . . . . . . . . . . . . . . . . . .
7-1. 60 Hz Generator Power Receptacles And Supplementary Protectors 30 . . . . . . . . . . . . . . . . . . . . . . . . .
7-2. Variable Frequency (Hz) Generator Power Receptacle RC3 31 . . . . . . . . . . . . . . . . . . . . . . . . . . . . . . . . .
7-3. Wiring Instructions For Optional 240 Volt, Single-Phase Plug (NEMA 14-50P) 32 . . . . . . . . . . . . . . . . . .

TABLE OF CONTENTS
SECTION 8 − MAINTENANCE & TROUBLESHOOTING 33 . . . . . . . . . . . . . . . . . . . . . . . . . . . . . . . . . . . . . . . . .
8-1. Routine Maintenance 33 . . . . . . . . . . . . . . . . . . . . . . . . . . . . . . . . . . . . . . . . . . . . . . . . . . . . . . . . . . . . . . . . .
8-2. Maintenance Label 34 . . . . . . . . . . . . . . . . . . . . . . . . . . . . . . . . . . . . . . . . . . . . . . . . . . . . . . . . . . . . . . . . . . .
8-3. Servicing Optional Spark Arrestor 35 . . . . . . . . . . . . . . . . . . . . . . . . . . . . . . . . . . . . . . . . . . . . . . . . . . . . . . .
8-4. Servicing Air Cleaner 35 . . . . . . . . . . . . . . . . . . . . . . . . . . . . . . . . . . . . . . . . . . . . . . . . . . . . . . . . . . . . . . . . .
8-5. Changing Engine Oil, Oil Filter, And Fuel Filter 36 . . . . . . . . . . . . . . . . . . . . . . . . . . . . . . . . . . . . . . . . . . . .
8-6. Overload Protection 37 . . . . . . . . . . . . . . . . . . . . . . . . . . . . . . . . . . . . . . . . . . . . . . . . . . . . . . . . . . . . . . . . . .
8-7. Troubleshooting 38 . . . . . . . . . . . . . . . . . . . . . . . . . . . . . . . . . . . . . . . . . . . . . . . . . . . . . . . . . . . . . . . . . . . . .
SECTION 9 − PARTS LIST 41 . . . . . . . . . . . . . . . . . . . . . . . . . . . . . . . . . . . . . . . . . . . . . . . . . . . . . . . . . . . . . . . . . . .
9-1. Recommended Spare Parts 41 . . . . . . . . . . . . . . . . . . . . . . . . . . . . . . . . . . . . . . . . . . . . . . . . . . . . . . . . . . .
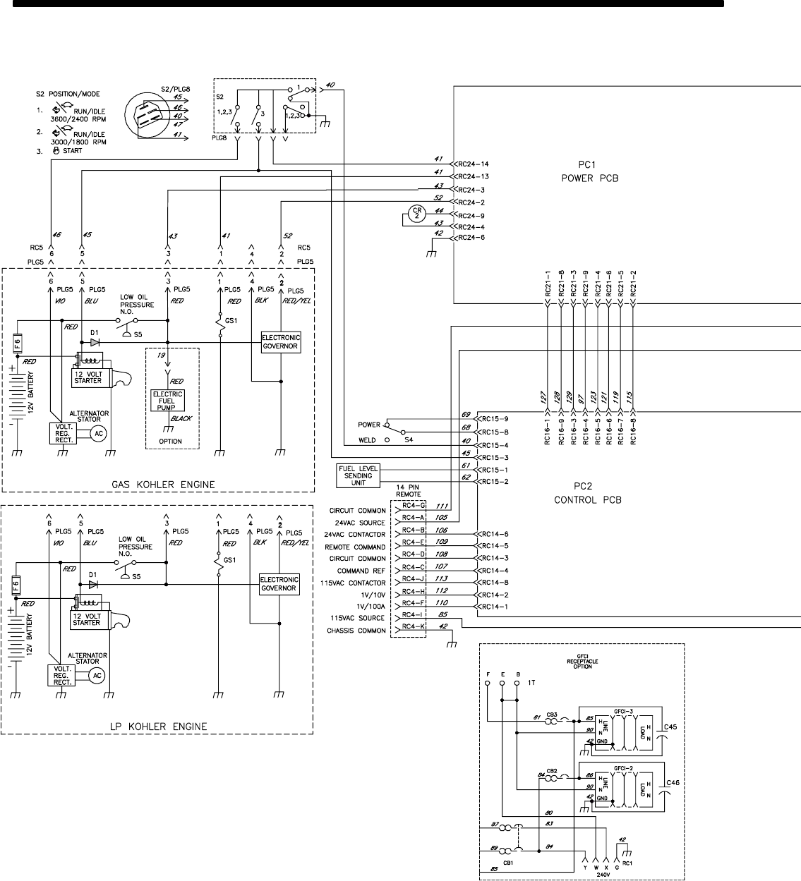
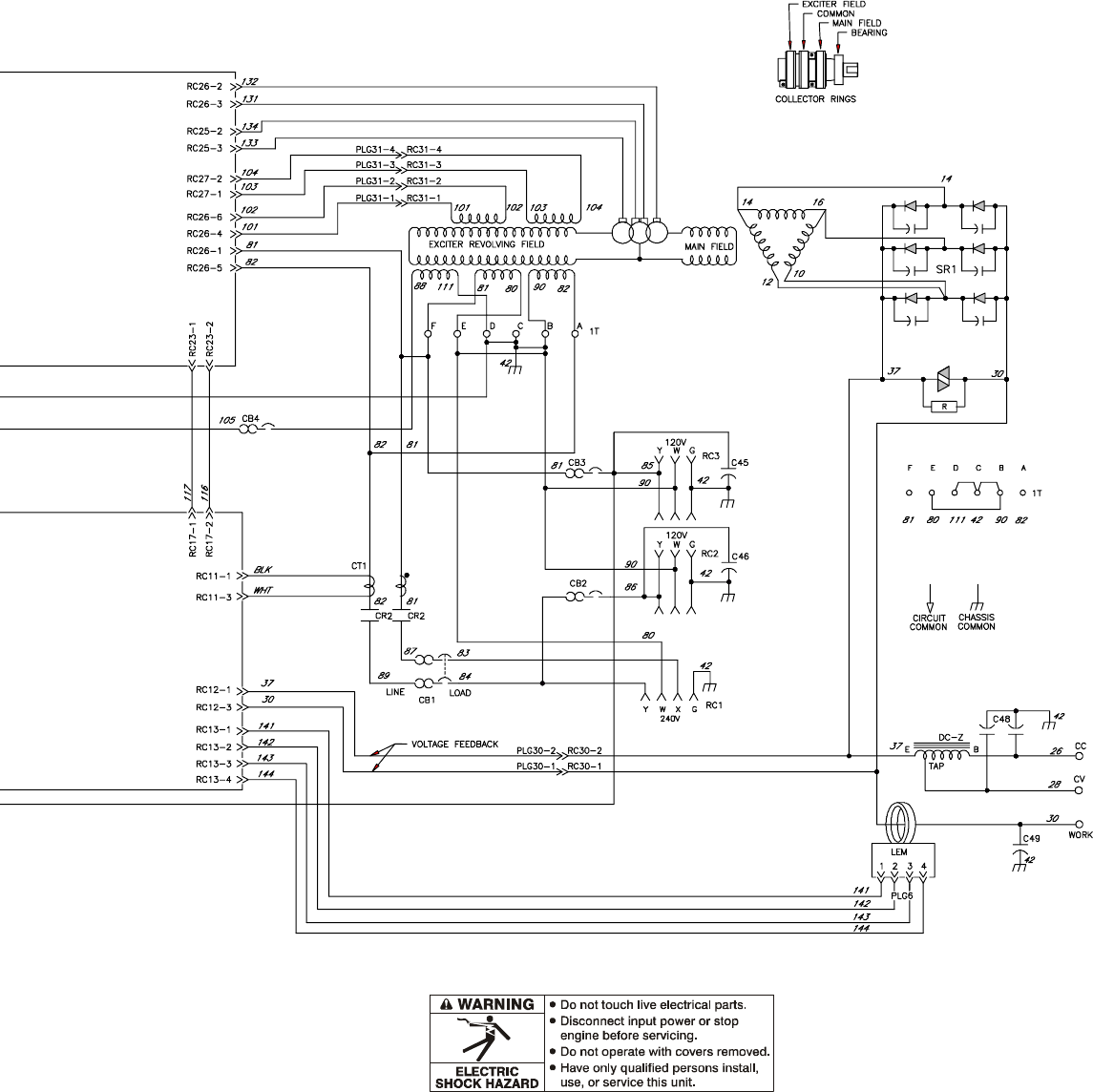
SECTION 10 − ELECTRICAL DIAGRAMS 42 . . . . . . . . . . . . . . . . . . . . . . . . . . . . . . . . . . . . . . . . . . . . . . . . . . . . .
SECTION 11 − GENERATOR POWER GUIDELINES 44 . . . . . . . . . . . . . . . . . . . . . . . . . . . . . . . . . . . . . . . . . . . .
COMPLETE PARTS LIST - www.MillerWelds.com
OPTIONS AND ACCESSORIES
WARRANTY

OM-4430 Page 1
SECTION 1 − SAFETY PRECAUTIONS − READ BEFORE USING
rom_2007−04
Protect yourself and others from injury — read and follow these precautions.
1-1. Symbol Usage
DANGER! − Indicates a hazardous situation which, if
not avoided, will result in death or serious injury. The
possible hazards are shown in the adjoining symbols
or explained in the text.
Indicates a hazardous situation which, if not avoided,
could result in death or serious injury. The possible
hazards are shown in the adjoining symbols or ex-
plained in the text.
NOTICE − Indicates statements not related to personal injury.
Indicates special instructions.
This group of symbols means Warning! Watch Out! ELECTRIC
SHOCK, MOVING PARTS, and HOT PARTS hazards. Consult sym-
bols and related instructions below for necessary actions to avoid the
hazards.
1-2. Arc Welding Hazards
The symbols shown below are used throughout this manual
to call attention to and identify possible hazards. When you
see the symbol, watch out, and follow the related instructions
to avoid the hazard. The safety information given below is
only a summary of the more complete safety information
found in the Safety Standards listed in Section 1-7. Read and
follow all Safety Standards.
Only qualified persons should install, operate, maintain, and
repair this unit.
During operation, keep everybody, especially children, away.
Touching live electrical parts can cause fatal shocks or
severe burns. The electrode and work circuit is
electrically live whenever the output is on. The input
power circuit and machine internal circuits are also live when power is
on. In semiautomatic or automatic wire welding, the wire, wire reel,
drive roll housing, and all metal parts touching the welding wire are
electrically live. Incorrectly installed or improperly grounded equip-
ment is a hazard.
ELECTRIC SHOCK can kill.
Do not touch live electrical parts.
Wear dry, hole-free insulating gloves and body protection.
Insulate yourself from work and ground using dry insulating mats
or covers big enough to prevent any physical contact with the work
or ground.
Do not use AC output in damp areas, if movement is confined, or if
there is a danger of falling.
Use AC output ONLY if required for the welding process.
If AC output is required, use remote output control if present on
unit.
Additional safety precautions are required when any of the follow-
ing electrically hazardous conditions are present: in damp
locations or while wearing wet clothing; on metal structures such
as floors, gratings, or scaffolds; when in cramped positions such
as sitting, kneeling, or lying; or when there is a high risk of unavoid-
able or accidental contact with the workpiece or ground. For these
conditions, use the following equipment in order presented: 1) a
semiautomatic DC constant voltage (wire) welder, 2) a DC manual
(stick) welder, or 3) an AC welder with reduced open-circuit volt-
age. In most situations, use of a DC, constant voltage wire welder
is recommended. And, do not work alone!
Disconnect input power or stop engine before installing or
servicing this equipment. Lockout/tagout input power according to
OSHA 29 CFR 1910.147 (see Safety Standards).
Properly install and ground this equipment according to its
Owner’s Manual and national, state, and local codes.
Always verify the supply ground — check and be sure that input
power cord ground wire is properly connected to ground terminal in
disconnect box or that cord plug is connected to a properly
grounded receptacle outlet.
When making input connections, attach proper grounding conduc-
tor first − double-check connections.
Keep cords dry, free of oil and grease, and protected from hot metal
and sparks.
Frequently inspect input power cord for damage or bare wiring —
replace cord immediately if damaged — bare wiring can kill.
Turn off all equipment when not in use.
Do not use worn, damaged, undersized, or poorly spliced cables.
Do not drape cables over your body.
If earth grounding of the workpiece is required, ground it directly
with a separate cable.
Do not touch electrode if you are in contact with the work, ground,
or another electrode from a different machine.
Use only well-maintained equipment. Repair or replace damaged
parts at once. Maintain unit according to manual.
Do not touch electrode holders connected to two welding ma-
chines at the same time since double open-circuit voltage will be
present.
Wear a safety harness if working above floor level.
Keep all panels and covers securely in place.
Clamp work cable with good metal-to-metal contact to workpiece
or worktable as near the weld as practical.
Insulate work clamp when not connected to workpiece to prevent
contact with any metal object.
Do not connect more than one electrode or work cable to any
single weld output terminal.
SIGNIFICANT DC VOLTAGE exists in inverters after stop-
ping engine.
Stop engine on inverter and discharge input capacitors according
to instructions in Maintenance Section before touching any parts.
HOT PARTS can cause severe burns.
Do not touch hot parts bare handed.
Allow cooling period before working on equip-
ment.
To handle hot parts, use proper tools and/or wear heavy, insu-
lated welding gloves and clothing to prevent burns.
FLYING METAL or DIRT can injure eyes.
Welding, chipping, wire brushing, and grinding
cause sparks and flying metal. As welds cool,
they can throw off slag.
Wear approved safety glasses with side shields even under your
welding helmet.

OM-4430 Page 2
Welding produces fumes and gases. Breathing these
fumes and gases can be hazardous to your health.
FUMES AND GASES can be hazardous.
Keep your head out of the fumes. Do not breathe the fumes.
If inside, ventilate the area and/or use local forced ventilation at the
arc to remove welding fumes and gases.
If ventilation is poor, wear an approved air-supplied respirator.
Read and understand the Material Safety Data Sheets (MSDSs)
and the manufacturer’s instructions for metals, consumables,
coatings, cleaners, and degreasers.
Work in a confined space only if it is well ventilated, or while
wearing an air-supplied respirator. Always have a trained watch-
person nearby. Welding fumes and gases can displace air and
lower the oxygen level causing injury or death. Be sure the breath-
ing air is safe.
Do not weld in locations near degreasing, cleaning, or spraying op-
erations. The heat and rays of the arc can react with vapors to form
highly toxic and irritating gases.
Do not weld on coated metals, such as galvanized, lead, or
cadmium plated steel, unless the coating is removed from the weld
area, the area is well ventilated, and while wearing an air-supplied
respirator. The coatings and any metals containing these elements
can give off toxic fumes if welded.
BUILDUP OF GAS can injure or kill.
Shut off shielding gas supply when not in use.
Always ventilate confined spaces or use ap-
proved air-supplied respirator.
Arc rays from the welding process produce intense
visible and invisible (ultraviolet and infrared) rays that
can burn eyes and skin. Sparks fly off from the weld.
ARC RAYS can burn eyes and skin.
Wear an approved welding helmet fitted with a proper shade of filter
lenses to protect your face and eyes from arc rays and sparks
when welding or watching (see ANSI Z49.1 and Z87.1 listed in
Safety Standards).
Wear approved safety glasses with side shields under your
helmet.
Use protective screens or barriers to protect others from flash,
glare, and sparks; warn others not to watch the arc.
Wear protective clothing made from durable, flame-resistant mate-
rial (leather, heavy cotton, or wool) and foot protection.
Welding on closed containers, such as tanks, drums,
or pipes, can cause them to blow up. Sparks can fly off
from the welding arc. The flying sparks, hot workpiece,
and hot equipment can cause fires and burns. Accidental contact of
electrode to metal objects can cause sparks, explosion, overheating,
or fire. Check and be sure the area is safe before doing any welding.
WELDING can cause fire or explosion.
Remove all flammables within 35 ft (10.7 m) of the welding arc. If
this is not possible, tightly cover them with approved covers.
Do not weld where flying sparks can strike flammable material.
Protect yourself and others from flying sparks and hot metal.
Be alert that welding sparks and hot materials from welding can
easily go through small cracks and openings to adjacent areas.
Watch for fire, and keep a fire extinguisher nearby.
Be aware that welding on a ceiling, floor, bulkhead, or partition can
cause fire on the hidden side.
Do not weld on closed containers such as tanks, drums, or pipes,
unless they are properly prepared according to AWS F4.1 (see
Safety Standards).
Do not weld where the atmosphere may contain flammable dust,
gas, or liquid vapors (such as gasoline).
Connect work cable to the work as close to the welding area as
practical to prevent welding current from traveling long, possibly
unknown paths and causing electric shock, sparks, and fire haz-
ards.
Do not use welder to thaw frozen pipes.
Remove stick electrode from holder or cut off welding wire at
contact tip when not in use.
Wear oil-free protective garments such as leather gloves, heavy
shirt, cuffless trousers, high shoes, and a cap.
Remove any combustibles, such as a butane lighter or matches,
from your person before doing any welding.
After completion of work, inspect area to ensure it is free of sparks,
glowing embers, and flames.
Use only correct fuses or circuit breakers. Do not oversize or by-
pass them.
Follow requirements in OSHA 1910.252 (a) (2) (iv) and NFPA 51B
for hot work and have a fire watcher and extinguisher nearby.
NOISE can damage hearing.
Noise from some processes or equipment can dam-
age hearing.
Wear approved ear protection if noise level is
high.
MAGNETIC FIELDS can affect Implanted
Medical Devices.
Wearers of Pacemakers and other Implanted
Medical Devices should keep away.
Implanted Medical Device wearers should consult their doctor
and the device manufacturer before going near arc welding, spot
welding, gouging, plasma arc cutting, or induction heating
operations.
Shielding gas cylinders contain gas under high pres-
sure. If damaged, a cylinder can explode. Since gas
cylinders are normally part of the welding process, be
sure to treat them carefully.
CYLINDERS can explode if damaged.
Protect compressed gas cylinders from excessive heat, mechani-
cal shocks, physical damage, slag, open flames, sparks, and arcs.
Install cylinders in an upright position by securing to a stationary
support or cylinder rack to prevent falling or tipping.
Keep cylinders away from any welding or other electrical circuits.
Never drape a welding torch over a gas cylinder.
Never allow a welding electrode to touch any cylinder.
Never weld on a pressurized cylinder — explosion will result.
Use only correct shielding gas cylinders, regulators, hoses, and fit-
tings designed for the specific application; maintain them and
associated parts in good condition.
Turn face away from valve outlet when opening cylinder valve.
Keep protective cap in place over valve except when cylinder is in
use or connected for use.
Use the right equipment, correct procedures, and sufficient num-
ber of persons to lift and move cylinders.
Read and follow instructions on compressed gas cylinders,
associated equipment, and Compressed Gas Association (CGA)
publication P-1 listed in Safety Standards.

OM-4430 Page 3
1-3. Engine Hazards
BATTERY EXPLOSION can BLIND.
Always wear a face shield, rubber gloves, and
protective clothing when working on a battery.
Stop engine before disconnecting or connect-
ing battery cables or servicing battery.
Do not allow tools to cause sparks when working on a battery.
Do not use welder to charge batteries or jump start vehicles.
Observe correct polarity (+ and −) on batteries.
Disconnect negative (−) cable first and connect it last.
FUEL can cause fire or explosion.
Stop engine and let it cool off before checking or
adding fuel.
Do not add fuel while smoking or if unit is near
any sparks or open flames.
Do not overfill tank — allow room for fuel to expand.
Do not spill fuel. If fuel is spilled, clean up before starting engine.
Dispose of rags in a fireproof container.
Always keep nozzle in contact with tank when fueling.
MOVING PARTS can cause injury.
Keep away from fans, belts, and rotors.
Keep all doors, panels, covers, and guards
closed and securely in place.
Stop engine before installing or connecting unit.
Have only qualified people remove doors, panels, covers, or
guards for maintenance and troubleshooting as necessary.
To prevent accidental starting during servicing, disconnect
negative (−) battery cable from battery.
Keep hands, hair, loose clothing, and tools away from moving
parts.
Reinstall doors, panels, covers, or guards when servicing is
finished and before starting engine.
Before working on generator, remove spark plugs or injectors to
keep engine from kicking back or starting.
Block flywheel so that it will not turn while working on generator
components.
HOT PARTS can cause severe burns.
Do not touch hot parts bare handed.
Allow cooling period before working on equip-
ment.
To handle hot parts, use proper tools and/or
wear heavy, insulated welding gloves and
clothing to prevent burns.
STEAM AND HOT COOLANT can burn.
If possible, check coolant level when engine is
cold to avoid scalding.
Always check coolant level at overflow tank, if
present on unit, instead of radiator (unless told
otherwise in maintenance section or engine
manual).
If the engine is warm, checking is needed, and there is no over-
flow tank, follow the next two statements.
Wear safety glasses and gloves and put a rag over radiator cap.
Turn cap slightly and let pressure escape slowly before
completely removing cap.
Using a generator indoors CAN KILL
YOU IN MINUTES.
Generator exhaust contains carbon monoxide.
This is a poison you cannot see or smell.
NEVER use inside a home or garage, EVEN IF
doors and windows are open.
Only use OUTSIDE and far away from windows, doors, and
vents.
BATTERY ACID can BURN SKIN and EYES.
Do not tip battery.
Replace damaged battery.
Flush eyes and skin immediately with water.
ENGINE HEAT can cause fire.
Do not locate unit on, over, or near combustible
surfaces or flammables.
Keep exhaust and exhaust pipes way from
flammables.
EXHAUST SPARKS can cause fire.
Do not let engine exhaust sparks cause fire.
Use approved engine exhaust spark arrestor in
required areas — see applicable codes.
1-4. Compressed Air Hazards
BREATHING COMPRESSED AIR can
cause serious injury or death.
Do not use compressed air for breathing.
Use only for cutting, gouging, and tools.
COMPRESSED AIR can cause injury.
Wear approved safety goggles.
Do not direct air stream toward self or others.
TRAPPED AIR PRESSURE AND WHIPPING
HOSES can cause injury.
Release air pressure from tools and system be-
fore servicing, adding or changing attach-
ments, or opening compressor oil drain or oil fill
cap.

OM-4430 Page 4
HOT METAL from air arc cutting and
gouging can cause fire or explosion.
Do not cut or gouge near flammables.
Watch for fire; keep extinguisher nearby.
HOT PARTS can cause burns and injury.
Do not touch hot compressor or air system
parts.
Let system cool down before touching or ser-
vicing.
READ INSTRUCTIONS.
Read Owner’s Manual before using or servic-
ing unit.
Stop engine and release air pressure before
servicing.
Use only genuine replacement parts from the
manufacturer.
1-5. Additional Symbols For Installation, Operation, And Maintenance
FIRE OR EXPLOSION hazard.
Do not install or place unit on, over, or near
combustible surfaces.
Do not install unit near flammables.
Do not overload building wiring − be sure power supply system is
properly sized, rated, and protected to handle this unit.
FALLING UNIT can cause injury.
Use lifting eye to lift unit and properly installed
accessories only, NOT gas cylinders. Do not
exceed maximum lift eye weight rating (see
Specifications).
Lift and support unit only with proper equipment
and correct procedures.
If using lift forks to move unit, be sure forks are long enough to
extend beyond opposite side of unit.
OVERHEATING can damage motors.
Turn off or unplug equipment before starting or
stopping engine.
Do not let low voltage and frequency caused by
low engine speed damage electric motors.
Do not connect 50 or 60 Hertz motors to the 100 Hertz receptacle
where applicable.
FLYING SPARKS can cause injury.
Wear a face shield to protect eyes and face.
Shape tungsten electrode only on grinder with
proper guards in a safe location wearing proper
face, hand, and body protection.
Sparks can cause fires — keep flammables away.
MOVING PARTS can cause injury.
Keep away from moving parts.
Keep away from pinch points such as drive
rolls.
WELDING WIRE can cause injury.
Do not press gun trigger until instructed to do
so.
Do not point gun toward any part of the body,
other people, or any metal when threading
welding wire.
OVERUSE can cause OVERHEATING.
Allow cooling period; follow rated duty cycle.
Reduce current or reduce duty cycle before
starting to weld again.
Do not block or filter airflow to unit.
STATIC (ESD) can damage PC boards.
Put on grounded wrist strap BEFORE handling
boards or parts.
Use proper static-proof bags and boxes to
store, move, or ship PC boards.
TILTING OF TRAILER can cause injury.
Use tongue jack or blocks to support weight.
Properly install welding generator onto trailer
according to instructions supplied with trailer.
READ INSTRUCTIONS.
Read Owner’s Manual before using or servic-
ing unit.
Use only genuine replacement parts from the
manufacturer.
Perform engine and air compressor mainte-
nance and service according to this manual
and the engine/air compressor (if applicable)
manuals.

OM-4430 Page 5
H.F. RADIATION can cause interference.
High-frequency (H.F.) can interfere with radio
navigation, safety services, computers, and
communications equipment.
Have only qualified persons familiar with
electronic equipment perform this installation.
The user is responsible for having a qualified electrician
promptly correct any interference problem resulting from the
installation.
If notified by the FCC about interference, stop using the
equipment at once.
Have the installation regularly checked and maintained.
Keep high-frequency source doors and panels tightly shut, keep
spark gaps at correct setting, and use grounding and shielding to
minimize the possibility of interference.
ARC WELDING can cause interference.
Electromagnetic energy can interfere with
sensitive electronic equipment such as micro-
processors, computers, and computer-driven
equipment such as robots.
Be sure all equipment in the welding area is
electromagnetically compatible.
To reduce possible interference, keep weld cables as short as
possible, close together, and down low, such as on the floor.
Locate welding operation 100 meters from any sensitive elec-
tronic equipment.
Be sure this welding machine is installed and grounded
according to this manual.
If interference still occurs, the user must take extra measures
such as moving the welding machine, using shielded cables,
using line filters, or shielding the work area.
1-6. California Proposition 65 Warnings
Welding or cutting equipment produces fumes or gases
which contain chemicals known to the State of California to
cause birth defects and, in some cases, cancer. (California
Health & Safety Code Section 25249.5 et seq.)
Battery posts, terminals and related accessories contain lead
and lead compounds, chemicals known to the State of
California to cause cancer and birth defects or other
reproductive harm. Wash hands after handling.
For Gasoline Engines:
Engine exhaust contains chemicals known to the State of
California to cause cancer, birth defects, or other reproduc-
tive harm.
For Diesel Engines:
Diesel engine exhaust and some of its constituents are
known to the State of California to cause cancer, birth
defects, and other reproductive harm.
1-7. Principal Safety Standards
Safety in Welding, Cutting, and Allied Processes, ANSI Standard Z49.1,
from Global Engineering Documents (phone: 1-877-413-5184, website:
www.global.ihs.com).
Recommended Safe Practices for the Preparation for Welding and Cut-
ting of Containers and Piping, American Welding Society Standard
AWS F4.1, from Global Engineering Documents (phone:
1-877-413-5184, website: www.global.ihs.com).
National Electrical Code, NFPA Standard 70, from National Fire Protec-
tion Association, P.O. Box 9101, Quincy, MA 02269-9101 (phone:
617-770-3000, website: www.nfpa.org and www. sparky.org).
Safe Handling of Compressed Gases in Cylinders, CGA Pamphlet P-1,
from Compressed Gas Association, 4221 Walney Road, 5th Floor,
Chantilly, VA 20151 (phone: 703-788-2700, website:www.cganet.com).
Code for Safety in Welding and Cutting, CSA Standard W117.2, from
Canadian Standards Association, Standards Sales, 5060 Mississauga,
Ontario, Canada L4W 5NS (phone: 800-463-6727 or in Toronto
416-747-4044, website: www.csa-international.org).
Safe Practice For Occupational And Educational Eye And Face Protec-
tion, ANSI Standard Z87.1, from American National Standards Institute,
25 West 43rd Street, New York, NY 10036–8002 (phone:
212-642-4900, website: www.ansi.org).
Standard for Fire Prevention During Welding, Cutting, and Other Hot
Work, NFPA Standard 51B, from National Fire Protection Association,
P.O. Box 9101, Quincy, MA 02269-9101 (phone: 617-770-3000, web-
site: www.nfpa.org.
OSHA, Occupational Safety and Health Standards for General Indus-
try, Title 29, Code of Federal Regulations (CFR), Part 1910, Subpart Q,
and Part 1926, Subpart J, from U.S. Government Printing Office, Super-
intendent of Documents, P.O. Box 371954, Pittsburgh, PA 15250-7954
(phone: 1-866-512-1800) (there are 10 Regional Offices—phone for
Region 5, Chicago, is 312-353-2220, website: www.osha.gov).
1-8. EMF Information
Considerations About Welding And The Effects Of Low Frequency
Electric And Magnetic Fields
Welding current, as it flows through welding cables, will cause electro-
magnetic fields. There has been and still is some concern about such
fields. However, after examining more than 500 studies spanning 17
years of research, a special blue ribbon committee of the National
Research Council concluded that: “The body of evidence, in the
committee’s judgment, has not demonstrated that exposure to power-
frequency electric and magnetic fields is a human-health hazard.”
However, studies are still going forth and evidence continues to be
examined. Until the final conclusions of the research are reached, you
may wish to minimize your exposure to electromagnetic fields when
welding or cutting.
To reduce magnetic fields in the workplace, use the following
procedures:
1. Keep cables close together by twisting or taping them, or using a
cable cover.
2. Arrange cables to one side and away from the operator.
3. Do not coil or drape cables around your body.
4. Keep welding power source and cables as far away from
operator as practical.
5. Connect work clamp to workpiece as close to the weld as
possible.
About Implanted Medical Devices:
Implanted Medical Device wearers should consult their doctor and the
device manufacturer before performing or going near arc welding, spot
welding, gouging, plasma arc cutting, or induction heating operations.
If cleared by your doctor, then following the above procedures is recom-
mended.

OM-4430 Page 6
SECTION 2 − CONSIGNES DE SÉCURITÉ − LIRE AVANT
UTILISATION
rom_2007−04fre
Se protéger, ainsi que toute autre personne travaillant sur les lieux, contre les étincelles et le métal chaud.
2-1. Signification des symboles
DANGER! − Indique une situation dangereuse qui si on
l’évite pas peut donner la mort ou des blessures graves.
Les dangers possibles sont montrés par les symboles
joints ou sont expliqués dans le texte.
Indique une situation dangereuse qui si on l’évite pas
peut donner la mort ou des blessures graves. Les dan-
gers possibles sont montrés par les symboles joints ou
sont expliqués dans le texte.
NOTE − Indique des déclarations pas en relation avec des blessures
personnelles.
Indique des instructions spécifiques.
Ce groupe de symboles veut dire Avertissement! Attention! DANGER
DE CHOC ELECTRIQUE, PIECES EN MOUVEMENT, et PIECES
CHAUDES. Consulter les symboles et les instructions ci-dessous y
afférant pour les actions nécessaires afin d’éviter le danger.
2-2. Dangers relatifs au soudage à l’arc
Les symboles présentés ci-après sont utilisés tout au long du
présent manuel pour attirer votre attention et identifier les ris-
ques de danger. Lorsque vous voyez un symbole, soyez
vigilant et suivez les directives mentionnées afin d’éviter tout
danger. Les consignes de sécurité présentées ci-après ne
font que résumer l’information contenue dans les normes de
sécurité énumérées à la section 2-7. Veuillez lire et respecter
toutes ces normes de sécurité.
L’installation, l’utilisation, l’entretien et les réparations ne
doivent être confiés qu’à des personnes qualifiées.
Au cours de l’utilisation, tenir toute personne à l’écart et plus
particulièrement les enfants.
Un simple contact avec des pièces électriques peut
provoquer une électrocution ou des blessures graves.
L’électrode et le circuit de soudage sont sous tension
dès que l’appareil est sur ON. Le circuit d’entrée et les circuits
internes de l’appareil sont également sous tension à ce moment-là.
En soudage semi-automatique ou automatique, le fil, le dévidoir, le
logement des galets d’entraînement et les pièces métalliques en
contact avec le fil de soudage sont sous tension. Des matériels mal
installés ou mal mis à la terre présentent un danger.
UN CHOC ÉLECTRIQUE peut tuer.
Ne jamais toucher les pièces électriques sous tension.
Porter des gants et des vêtements de protection secs ne compor-
tant pas de trous.
S’isoler de la pièce et de la terre au moyen de tapis ou d’autres
moyens isolants suffisamment grands pour empêcher le contact
physique éventuel avec la pièce ou la terre.
Ne pas se servir de source électrique à courant électrique dans les
zones humides, dans les endroits confinés ou là où on risque de
tomber.
Se servir d’une source électrique à courant électrique UNIQUE-
MENT si le procédé de soudage le demande.
Si l’utilisation d’une source électrique à courant électrique s’avère
nécessaire, se servir de la fonction de télécommande si l’appareil
en est équipé.
Des précautions de sécurité supplémentaires sont requises dans
des environnements à risque comme: les endroits humides ou
lorsque l’on porte des vêtements mouillés; sur des structures mé-
talliques au sol, grillages et échafaudages; dans des positions
assises, à genoux et allongées; ou quand il y a un risque important
de contact accidentel avec la pièce ou le sol. Dans ces cas utiliser
les appareils suivants dans l’ordre de préférence: 1) un poste à
souder DC semi−automatique de type CV (MIG/MAG), 2) un poste
à souder manuel (électrode enrobée) DC, 3) un poste à souder
manuel AC avec tension à vide réduite. Dans la plupart des cas, un
poste courant continu de type CV est recommandé. Et, ne pas tra-
vailler seul!
Couper l’alimentation ou arrêter le moteur avant de procéder à
l’installation, à la réparation ou à l’entretien de l’appareil.
Déverrouiller l’alimentation selon la norme OSHA 29 CFR
1910.147 (voir normes de sécurité).
Installer et mettre à la terre correctement cet appareil conformé-
ment à son manuel d’utilisation et aux codes nationaux,
provinciaux et municipaux.
Toujours vérifier la terre du cordon d’alimentation − Vérifier et
s’assurer que le fil de terre du cordon d’alimentation est bien
raccordé à la borne de terre du sectionneur ou que la fiche du
cordon est raccordée à une prise correctement mise à la terre.
En effectuant les raccordements d’entrée fixer d’abord le conduc-
teur de mise à la terre approprié et contre-vérifier les connexions.
Les câbles doivent être exempts d’humidité, d’huile et de graisse;
protégez−les contre les étincelles et les pièces métalliques chau-
des.
Vérifier fréquemment le cordon d’alimentation pour voir s’il n’est
pas endommagé ou dénudé − remplacer le cordon immédiatement
s’il est endommagé − un câble dénudé peut provoquer une électro-
cution.
Mettre l’appareil hors tension quand on ne l’utilise pas.
Ne pas utiliser des câbles usés, endommagés, de grosseur insuffi-
sante ou mal épissés.
Ne pas enrouler les câbles autour du corps.
Si la pièce soudée doit être mise à la terre, le faire directement
avec un câble distinct − ne pas utiliser le connecteur de pièce ou le
câble de retour.
Ne pas toucher l’électrode quand on est en contact avec la pièce,
la terre ou une électrode provenant d’une autre machine.
Ne pas toucher des porte électrodes connectés à deux machines
en même temps à cause de la présence d’une tension à vide dou-
blée.
N’utiliser qu’un matériel en bon état. Réparer ou remplacer
sur-le-champ les pièces endommagées. Entretenir l’appareil
conformément à ce manuel.
Porter un harnais de sécurité quand on travaille en hauteur.
Maintenir solidement en place tous les panneaux et capots.
Fixer le câble de retour de façon à obtenir un bon contact métal-
métal avec la pièce à souder ou la table de travail, le plus près
possible de la soudure.
Isoler la pince de masse quand pas mis à la pièce pour éviter le
contact avec tout objet métallique.

OM-4430 Page 7
Une tension DC importante subsiste à l’intérieur
des onduleurs après avoir coupé l’alimentation.
Couper l’alimentation du poste et décharger les condensateurs
d’entrée comme indiqué dans la Section Maintenance avant de
toucher des composants.
DES PIÈCES CHAUDES peuvent
provoquer des brûlures graves.
Ne pas toucher à mains nues les parties chau
-
des.
Prévoir une période de refroidissement avant d
e
travailler à l’équipement.
Ne pas toucher aux pièces chaudes, utiliser les outils recomman
-
dés et porter des gants de soudage et des vêtements épais pou
r
éviter les brûlures.
DES PIECES DE METAL ou DES SA-
LETES peuvent provoquer des bles-
sures dans les yeux.
Le soudage, l’écaillement, le passage de la pièce à la brosse en
fil de fer, et le meulage génèrent des étincelles et des particules
métalliques volantes. Pendant la période de refroidissement des
soudures, elles risquent de projeter du laitier.
Porter des lunettes de sécurité avec écrans latéraux ou un écran
facial.
LES FUMÉES ET LES GAZ peuvent êtr
e
dangereux.
Le soudage génère des fumées et des gaz. Leur
inhalation peut être dangereux pour votre santé.
Eloigner votre tête des fumées. Ne pas respirer les fumées.
À l’intérieur, ventiler la zone et/ou utiliser une ventilation forcée au
niveau de l’arc pour l’évacuation des fumées et des gaz de soudage.
Si la ventilation est médiocre, porter un respirateur anti-vapeurs
approuvé.
Lire et comprendre les spécifications de sécurité des matériaux
(MSDS) et les instructions du fabricant concernant les métaux, les
consommables, les revêtements, les nettoyants et les dégraisseurs.
Travailler dans un espace fermé seulement s’il est bien ventilé ou
en portant un respirateur à alimentation d’air. Demander toujours à
un surveillant dûment formé de se tenir à proximité. Des fumées et
des gaz de soudage peuvent déplacer l’air et abaisser le niveau
d’oxygène provoquant des blessures ou des accidents mortels.
S’assurer que l’air de respiration ne présente aucun danger.
Ne pas souder dans des endroits situés à proximité d’opérations
de dégraissage, de nettoyage ou de pulvérisation. La chaleur et
les rayons de l’arc peuvent réagir en présence de vapeurs et for-
mer des gaz hautement toxiques et irritants.
Ne pas souder des métaux munis d’un revêtement, tels que l’acier
galvanisé, plaqué en plomb ou au cadmium à moins que le revête-
ment n’ait été enlevé dans la zone de soudure, que l’endroit soit
bien ventilé, et en portant un respirateur à alimentation d’air. Les
revêtements et tous les métaux renfermant ces éléments peuvent
dégager des fumées toxiques en cas de soudage.
LES ACCUMULATIONS DE GAZ ri
s
quent de provoquer des blessures o
u
même la mort.
Fermer l’alimentation du gaz protecteur en cas d
e
non utilisation.
Veiller toujours à bien aérer les espaces confinés ou se servir d’u
n
respirateur d’adduction d’air homologué.
LES RAYONS DE L’ARC peuvent pr
o
voquer des brûlures dans les yeux
e
sur la peau.
Le rayonnement de l’arc du procédé de soudag
e
génère des rayons visibles et invisibles intense
(ultraviolets et infrarouges) susceptibles de provoquer des brûlure
dans les yeux et sur la peau. Des étincelles sont projetées pendant l
e
soudage.
Porter un casque de soudage approuvé muni de verres filtrants
approprié pour protéger visage et yeux pendant le soudage
(voir ANSI Z49.1 et Z87.1 énuméré dans les normes de sécurité).
Porter des lunettes de sécurité avec écrans latéraux même sous
votre casque.
Avoir recours à des écrans protecteurs ou à des rideaux pour
protéger les autres contre les rayonnements les éblouissements
et les étincelles ; prévenir toute personne sur les lieux de ne pas
regarder l’arc.
Porter des vêtements confectionnés avec des matières résistan-
tes et ignifuges (cuir, coton lourd ou laine) et des bottes de
protection.
Le soudage effectué sur des conteneurs fermés tel
que des réservoirs, tambours ou des conduites pe
u
provoquer leur éclatement. Des étincelles peuve
n
être projetées de l’arc de soudure. La projection d’étincelles, des pièce
chaudes et des équipements chauds peut provoquer des incendies
e
des brûlures. Le contact accidentel de l’électrode avec des objet
métalliques peut provoquer des étincelles, une explosion, un surchau
f
fement ou un incendie. Avant de commencer le soudage, vérifier
e
s’assurer que l’endroit ne présente pas de danger.
LE SOUDAGE peut provoquer un in
cendie ou une explosion.
Déplacer toutes les substances inflammables à une distance de
10,7 m de l’arc de soudage. En cas d’impossibilité les recouvrir
soigneusement avec des protections homologués.
Ne pas souder dans un endroit là où des étincelles peuvent tomber
sur des substances inflammables.
Se protéger et d’autres personnes de la projection d’étincelles et
de métal chaud.
Des étincelles et des matériaux chauds du soudage peuvent
facilement passer dans d’autres zones en traversant de petites
fissures et des ouvertures.
Surveiller tout déclenchement d’incendie et tenir un extincteur à
proximité.
Le soudage effectué sur un plafond, plancher, paroi ou séparation
peut déclencher un incendie de l’autre côté.
Ne pas effectuer le soudage sur des conteneurs fermés tels que
des réservoirs, tambours, ou conduites, à moins qu’ils n’aient été
préparés correctement conformément à AWS F4.1 (voir les nor-
mes de sécurité).
Ne soudez pas si l’air ambiant est chargé de particules, gaz, ou va-
peurs inflammables (vapeur d’essence, par exemple).
Brancher le câble de masse sur la pièce le plus près possible de la
zone de soudage pour éviter le transport du courant sur une
longue distance par des chemins inconnus éventuels en provo-
quant des risques d’électrocution, d’étincelles et d’incendie.
Ne pas utiliser le poste de soudage pour dégeler des conduites ge-
lées.
En cas de non utilisation, enlever la baguette d’électrode du porte-
électrode ou couper le fil à la pointe de contact.
Porter des vêtements de protection dépourvus d’huile tels que des
gants en cuir, une chemise en matériau lourd, des pantalons sans
revers, des chaussures hautes et un couvre chef.
Avant de souder, retirer toute substance combustible de vos po-
ches telles qu’un allumeur au butane ou des allumettes.
Une fois le travail achevé, assurez−vous qu’il ne reste aucune tra-
ce d’étincelles incandescentes ni de flammes.
Utiliser exclusivement des fusibles ou coupe−circuits appropriés.
Ne pas augmenter leur puissance; ne pas les ponter.

OM-4430 Page 8
Suivre les recommandations dans OSHA 1910.252(a)(2)(iv) et
NFPA 51B pour les travaux à chaud et avoir de la surveillance et un
extincteur à proximité.
LE BRUIT peut affecter l’ouïe.
Le bruit des processus et des équipements peut affe
c
l’ouïe.
Porter des protections approuvés pour les or
e
les si le niveau sonore est trop élevé.
LES CHAMPS MAGNETIQUES peuv-
ent affecter des implants médicaux.
Porteur de simulateur cardiaque ou autre im-
plants médicaux, rester à distance.
Les porteurs d’implants doivent d’abord consulter leur médecin
avant de s’approcher des opérations de soudage à l’arc, de sou-
dage par points, de gougeage, du coupage plasma ou de chauf-
fage par induction.
Si des BOUTEILLES sont endomm
a
gées, elles pourront exploser.
Des bouteilles de gaz protecteur contiennent du g
a
sous haute pression. Si une bouteille est endomm
a
gée, elle peut exploser. Du fait que les bouteilles de gaz fo
n
normalement partie du procédé de soudage, les manipuler av
e
précaution.
Protéger les bouteilles de gaz comprimé d’une chaleur excessive,
des chocs mécaniques, des dommages physiques, du laitier, des
flammes ouvertes, des étincelles et des arcs.
Placer les bouteilles debout en les fixant dans un support station-
naire ou dans un porte-bouteilles pour les empêcher de tomber ou
de se renverser.
Tenir les bouteilles éloignées des circuits de soudage ou autres
circuits électriques.
Ne jamais placer une torche de soudage sur une bouteille à gaz.
Une électrode de soudage ne doit jamais entrer en contact avec
une bouteille.
Ne jamais souder une bouteille pressurisée − risque d’explosion.
Utiliser seulement des bouteilles de gaz protecteur, régulateurs,
tuyaux et raccords convenables pour cette application spécifique;
les maintenir ainsi que les éléments associés en bon état.
Ne pas tenir la tête en face de la sortie en ouvrant la soupape de la
bouteille.
Maintenir le chapeau de protection sur la soupape, sauf en cas
d’utilisation ou de branchement de la bouteille.
Utiliser les équipements corrects, les bonnes procédures et suffi-
samment de personnes pour soulever et déplacer les bouteilles.
Lire et suivre les instructions sur les bouteilles de gaz comprimé,
l’équipement connexe et le dépliant P-1 de la CGA (Compressed Gas
Association) mentionné dans les principales normes de sécurité.
2-3. Dangers existant en relation avec le moteur
L’EXPLOSION DE LA BATTERIE peu
RENDRE AVEUGLE.
Toujours porter une protection faciale, des gant
s
en caoutchouc et vêtements de protection lor
s
d’une intervention sur la batterie.
Arrêter le moteur avant de débrancher ou de brancher les câbles
de batterie.
Eviter de provoquer des étincelles avec les outils en travaillant sur
la batterie.
Ne pas utiliser le poste de soudage pour charger les batteries ou
des véhicules de démarrage rapide.
Observer la polarité correcte (+ et −) sur les batteries.
Débrancher le câble négatif (–) en premier lieu. Le rebrancher en
dernier lieu.
LE CARBURANT MOTEUR peut prov
o
quer un incendie ou une explosion.
Arrêter le moteur avant de vérifier le niveau d
e
carburant ou de faire le plein.
Ne pas faire le plein en fumant ou proche d’une source d’étincelle
s
ou d’une flamme nue.
Ne pas faire le plein de carburant à ras bord; prévoir de l’espac
e
pour son expansion.
Faire attention de ne pas renverser de carburant. Nettoyer tou
t
carburant renversé avant de faire démarrer le moteur.
Jeter les chiffons dans un récipient ignifuge.
Toujours garder le pistolet en contact avec le réservoir lors du
remplissage.
DES ORGANES MOBILES peuvent pr
o
voquer des blessures.
Ne pas approcher les mains des ventilateurs
,
courroies et autres pièces en mouvement.
Maintenir fermés et fixement en place les portes, panneaux, re-
couvrements et dispositifs de protection.
Arrêter le moteur avant d’installer ou brancher l’appareil.
Seules des personnes qualifiées sont autorisées à enlever les por-
tes, panneaux, recouvrements ou dispositifs de protection pour
effectuer, s’il y a lieu, des travaux d’entretien et de dépannage.
Pour empêcher tout démarrage accidentel pendant les travaux
d’entretien, débrancher le câble négatif (−) de batterie de la borne.
Ne pas approcher les mains, cheveux, vêtements lâches et outils
des organes mobiles.
Remettre en place les panneaux ou les dispositifs de protection et
fermer les portes à la fin des travaux d’entretien et avant de faire
démarrer le moteur.
Avant d’intervenir, déposer les bougies ou injecteurs pour éviter la
mise en route accidentelle du moteur.
Bloquer le volant moteur pour éviter sa rotation lors d’une interven-
tion sur le générateur.
DES PIÈCES CHAUDES peuvent
provoquer des brûlures graves.
Ne pas toucher à mains nues les parties chau
-
des.
Prévoir une période de refroidissement avant d
e
travailler à l’équipement.
Ne pas toucher aux pièces chaudes, utiliser les outils recomman
-
dés et porter des gants de soudage et des vêtements épais pou
r
éviter les brûlures.
LA VAPEUR ET LE LIQUIDE DE
REFROIDISSEMENT CHAUD peuvent
provoquer des brûlures.
Il est préférable de vérifier le liquide de refroi-
dissement une fois le moteur refroidi pour éviter
de se brûler.
Toujours vérifier le niveau de liquide de refroidissement dans le
vase d’expansion (si présent), et non dans le radiateur (sauf si pré-
cisé autrement dans la section maintenance du manuel du
moteur).
Si le moteur est chaud et que le liquide doit être vérifié, opérer com-
me suivant.
Mettre des lunettes de sécurité et des gants, placer un torchon sur
le bouchon du radiateur.

OM-4430 Page 9
Dévisser le bouchon légèrement et laisser la vapeur s’échapper
avant d’enlever le bouchon.
L’utilisation d’un groupe autonome
à l’intérieur PEUT VOUS TUER EN
QUELQUES MINUTES.
Les fumées d’un groupe autonome contient du
monoxyde de carbone. C’est un poison invisi-
ble et inodore.
JAMAIS utiliser dans une maison ou garage,
même avec les portes et fenêtres ouvertes.
Uniquement utiliser à l’EXTERIEUR, loin des portes, fenêtres et
bouches aération.
L’ACIDE DE LA BATTERIE peut pro-
voquer des brûlures dans les YEUX et
sur la PEAU.
Ne pas renverser la batterie.
Remplacer une batterie endommagée.
Rincer immédiatement les yeux et la peau à l’eau.
LA CHALEUR DU MOTEUR peut pro-
voquer un incendie.
Ne pas placer l’appareil sur, au-dessus ou à
proximité de surfaces inflammables.
Tenir à distance les produits inflammables de l’échappement.
LES ÉTINCELLES À L’ÉCHAPPEMENT
peuvent provoquer un incendie.
Empêcher les étincelles d’échappement du
moteur de provoquer un incendie.
Utiliser uniquement un pare-étincelles
approuvé − voir codes en vigueur.
2-4. Dangers liés à l’air comprimé
RESPIRER L’AIR COMPRIMÉ peut pro-
voquer des blessures graves ou causer
la mort.
Ne pas utiliser l’air comprimé pour respirer.
Utiliser l’air comprimé seulement pour le cou-
page, gougeage et les outils pneumatiques.
L’AIR COMPRIMÉ peut provoquer
des blessures.
Porter des lunettes de sécurité approuvées.
Ne pas diriger le jet d’air vers d’autres ou
soi-même.
L’AIR COMPRIME EMMAGASINE ET DES
TUYAUX SOUS PRESSION peuvent provo-
quer des blessures.
Relâcher la pression d’air de l’outillage ou du
système avant d’effectuer la maintenance,
avant de changer ou de rajouter des éléments
ou avant d’ouvrir la purge ou le bouchon de
remplissage d’huile.
Le METAL CHAUD lors du coupage et
gougeage plasma peut provoquer un in-
cendie ou une explosion.
Ne pas couper ou gouger à proximité de pro-
duits inflammables.
Surveillez et garder un extincteur à proximité.
DES PIECES CHAUDES peuvent provo-
quer des brûlures et blessures.
Ne pas toucher le compresseur ou d’autres
éléments du circuit air comprimé chauds.
Laisser l’ensemble se refroidir avant de toucher ou d’effectuer la
maintenance.
LIRE LES INSTRUCTIONS.
Lisez le manuel d’instructions avant l’utilisation
ou la maintenance de l’appareil.
Arrêter le moteur et relâcher la pression avant
d’effectuer la maintenance.
N’utiliser que les pièces de rechange recommandées par le
constructeur.
2-5. Dangers supplémentaires en relation avec l’installation, le fonctionnement et la maintenance
Risque D’INCENDIE OU D’EXPLO-
SION.
Ne pas placer l’appareil sur, au-dessus ou
à proximité de surfaces inflammables.
Ne pas installer l’appareil à proximité de pro-
duits inflammables.
Ne pas surcharger l’installation électrique − s’assurer que l’ali-
mentation est correctement dimensionnée et protégée avant de
mettre l’appareil en service.
LA CHUTE DE L’APPAREIL peut blesser.
Utiliser l’anneau de levage pour lever l’appareil e
t
les accessoires correctement installées seuls
,
PAS les bouteilles de gaz. Ne pas dépasser l
e
poids nominal maximal de l’œilleton (voir les spé
-
cifications).
Ne lever et ne soutenir l’appareil qu’avec d
e
l’équipement approprié et en suivant le
s
procédures adéquates.
En utilisant des fourches de levage pour déplacer l’unité, s’assure
r
que les fourches sont suffisamment longues pour dépasser d
u
côté opposé de l’appareil.

OM-4430 Page 10
LE SURCHAUFFEMENT peut endom-
mager le moteur électrique.
Arrêter ou déconnecter l’équipement avant d
e
démarrer ou d’arrêter le moteur.
Ne pas laisser tourner le moteur trop lentement sous risque d’en
-
dommager le moteur électrique à cause d’une tension et d’une fré
-
quence trop faibles.
Ne pas brancher de moteur de 50 ou de 60 Hz à la prise de 100 Hz
,
s’il y a lieu.
LES ÉTINCELLES VOLANTES ris-
quent de provoquer des blessures.
Porter un écran facial pour protéger le visage e
t
les yeux.
Affûter l’électrode au tungstène uniquement à l
a
meuleuse dotée de protecteurs. Cette manœuv
-
re est à exécuter dans un endroit sûr lorsque l’o
n
porte l’équipement homologué de protection d
u
visage, des mains et du corps.
Les étincelles risquent de causer un incendie − éloigner toute sub
-
stance inflammable.
DES ORGANES MOBILES peuvent
provoquer des blessures.
Ne pas s’approcher des organes mobiles.
Ne pas s’approcher des points de coincement
tels que des rouleaux de commande.
LES FILS DE SOUDAGE peuvent
provoquer des blessures.
Ne pas appuyer sur la gâchette avant d’en
avoir reçu l’instruction.
Ne pas diriger le pistolet vers soi, d’autres per-
sonnes ou toute pièce mécanique en enga-
geant le fil de soudage.
L’EMPLOI EXCESSIF peut
SURCHAUFFER L’ÉQUIPEMENT.
Laisser l’équipement refroidir ; respecter le fac-
teur de marche nominal.
Réduire le courant ou le facteur de marche
avant de poursuivre le soudage.
Ne pas obstruer les passages d’air du poste.
LES CHARGES ÉLECTROSTATI-
QUES peuvent endommager les
circuits imprimés.
Établir la connexion avec la barrette de terre
avant de manipuler des cartes ou des pièces.
Utiliser des pochettes et des boîtes antistatiques pour stocker,
déplacer ou expédier des cartes de circuits imprimes.
UNE REMORQUE QUI BASCULE peut
entraîner des blessures.
Utiliser les supports de la remorque ou des
blocs pour soutenir le poids.
Installer convenablement le poste sur la remor-
que comme indiqué dans le manuel s’y rappor-
tant.
LIRE LES INSTRUCTIONS.
Lisez le manuel d’instructions avant l’utilisation
ou la maintenance de l’appareil.
N’utiliser que les pièces de rechange recom-
mandées par le constructeur.
Effectuer la maintenance et le service du moteur et du compres-
seur d’air suivant les instructions dans ce manuel ou le manuel
du moteur/compresseur (si applicable).
LE RAYONNEMENT HAUTE FRÉ-
QUENCE (H.F.) risque de provoquer
des interférences.
Le rayonnement haute fréquence (H.F.) peut
provoquer des interférences avec les équipe-
ments de radio−navigation et de communica-
tion, les services de sécurité et les ordinateurs.
Demander seulement à des personnes qualifiées familiarisées
avec des équipements électroniques de faire fonctionner l’instal-
lation.
L’utilisateur est tenu de faire corriger rapidement par un électri-
cien qualifié les interférences résultant de l’installation.
Si le FCC signale des interférences, arrêter immédiatement l’ap-
pareil.
Effectuer régulièrement le contrôle et l’entretien de l’installation.
Maintenir soigneusement fermés les portes et les panneaux des
sources de haute fréquence, maintenir les éclateurs à une dis-
tance correcte et utiliser une terre et un blindage pour réduire les
interférences éventuelles.
LE SOUDAGE À L’ARC risque de
provoquer des interférences.
L’énergie électromagnétique risque de provo-
quer des interférences pour l’équipement élec-
tronique sensible tel que les ordinateurs et
l’équipement commandé par ordinateur tel que
les robots.
Veiller à ce que tout l’équipement de la zone de soudage soit
compatible électromagnétiquement.
Pour réduire la possibilité d’interférence, maintenir les câbles de
soudage aussi courts que possible, les grouper, et les poser
aussi bas que possible (ex. par terre).
Veiller à souder à une distance de 100 mètres de tout équipe-
ment électronique sensible.
Veiller à ce que ce poste de soudage soit posé et mis à la terre
conformément à ce mode d’emploi.
En cas d’interférences après avoir pris les mesures précéden-
tes, il incombe à l’utilisateur de prendre des mesures supplé-
mentaires telles que le déplacement du poste, l’utilisation de câ-
bles blindés, l’utilisation de filtres de ligne ou la pose de protec-
teurs dans la zone de travail.

OM-4430 Page 11
2-6. Proposition californienne 65 Avertissements
Les équipements de soudage et de coupage produisent des
fumées et des gaz qui contiennent des produits chimiques
dont l’État de Californie reconnaît qu’ils provoquent des mal-
formations congénitales et, dans certains cas, des cancers.
(Code de santé et de sécurité de Californie, chapitre 25249.5
et suivants)
Les batteries, les bornes et autres accessoires contiennent
du plomb et des composés à base de plomb, produits chimi-
ques dont l’État de Californie reconnaît qu’ils provoquent des
cancers et des malformations congénitales ou autres
problèmes de procréation. Se laver les mains après manipu-
lation.
Pour les moteurs à essence :
Les gaz d’échappement des moteurs contiennent des pro-
duits chimiques dont l’État de Californie reconnaît qu’ils
provoquent des cancers et des malformations congénitales
ou autres problèmes de procréation.
Pour les moteurs diesel :
Les gaz d’échappement des moteurs diesel et certains de
leurs composants sont reconnus par l’État de Californie com-
me provoquant des cancers et des malformations
congénitales ou autres problèmes de procréation.
2-7. Principales normes de sécurité
Safety in Welding, Cutting, and Allied Processes, ANSI Standard Z49.1,
de Global Engineering Documents (téléphone : 1-877-413-5184, site
Internet : www.global.ihs.com).
Recommended Safe Practices for the Preparation for Welding and Cut-
ting of Containers and Piping, American Welding Society Standard
AWS F4.1 de Global Engineering Documents (téléphone :
1-877-413-5184, site Internet : www.global.ihs.com).
National Electrical Code, NFPA Standard 70, de National Fire Protec-
tion Association, P.O. Box 9101, Quincy, MA 02269-9101 (téléphone :
617-770-3000, site Internet : www.nfpa.org).
Safe Handling of Compressed Gases in Cylinders, CGA Pamphlet P-1,
de Compressed Gas Association, 4221 Walney Road, 5th Floor, Chan-
tilly, VA 20151 (téléphone : 703-788-2700, site Internet :
www.cganet.com).
Code for Safety in Welding and Cutting, CSA Standard W117.2, de
Canadian Standards Association, 5060 Mississauga, Ontario, Canada
L4W 5NS (téléphone : 800-463-6727 ou à Toronto 416-747-4044, site
Internet : www.csa-international.org).
Safe Practice For Occupational And Educational Eye And Face Protec-
tion, ANSI Standard Z87.1, de American National Standards Institute,
11 West 43rd Street, New York, NY 10036-8002 (téléphone :
212-642-4900, site Internet : www.ansi.org).
Standard for Fire Prevention During Welding, Cutting, and Other Hot
Work, NFPA Standard 51B, de National Fire Protection Association,
P.O. Box 9101, Quincy, MA 02269-9101 (téléphone : 617-770-3000,
site Internet : www.nfpa.org).
OSHA, Occupational Safety and Health Standards for General Indus-
try, Title 29, Code of Federal Regulations (CFR), Part 1910, Subpart Q,
and Part 1926, Subpart J, de U.S. Government Printing Office, Superin-
tendent of Documents, P.O. Box 371954, Pittsburgh, PA 15250-7954
(téléphone : 1-866-512-1800) (il y a 10 bureaux régionaux−−le télépho-
ne de la région 5, Chicago, est 312-353-2220, site Internet :
www.osha.gov).
2-8. Information EMF
Considérations sur le soudage et les effets de basse fréquence et des
champs magnétiques et électriques.
Le courant de soudage, pendant son passage dans les câbles de sou-
dage, causera des champs électromagnétiques. Il y a eu et il y a encore
un certain souci à propos de tels champs. Cependant, après avoir exa-
miné plus de 500 études qui ont été faites pendant une période de
recherche de 17 ans, un comité spécial ruban bleu du National
Research Council a conclu : « L’accumulation de preuves, suivant le
jugement du comité, n’a pas démontré que l’exposition aux champs
magnétiques et champs électriques à haute fréquence représente un
risque à la santé humaine ». Toutefois, des études sont toujours en
cours et les preuves continuent à être examinées. En attendant que les
conclusions finales de la recherche soient établies, il vous serait
souhaitable de réduire votre exposition aux champs électromagnéti-
ques pendant le soudage ou le coupage.
Pour réduire les champs magnétiques sur le poste de travail, appliquer
les procédures suivantes :
1. Garder les câbles ensemble, les torsader, les scotcher, ou les
recouvrir d’une housse.
2. Disposer les câbles d’un côté et à distance de l’opérateur.
3. Ne pas courber pas et ne pas entourer pas les câbles autour de
votre corps.
4. Garder le poste de soudage et les câbles le plus loin possible de
vous.
5. Connecter la pince sur la pièce aussi près que possible de la
soudure.
En ce qui concerne les implants médicaux :
Les porteurs d’implants doivent d’abord consulter leur médecin avant
de s’approcher des opérations de soudage à l’arc, de soudage par
points, de gougeage, du coupage plasma ou de chauffage par induc-
tion. Si le médecin approuve, il est recommandé de suivre les
procédures précédentes.

A complete Parts List is available at www.MillerWelds.com
OM-4430 Page 12
SECTION 3 − DEFINITIONS
3-1. Symbol Definitions
Stop Engine Fast
(Run, Weld/Power) Fast/Slow
(Run/Idle) Slow (Idle)
Start Engine Panel/Local Temperature Fuel
Engine Oil Engine Choke Check Valve
Clearance Battery (Engine)
Engine Read Operator’s
Manual AAmperes VVolts
MIG (GMAW),
Wire Stick (SMAW) TIG (GTAW) Circuit Protector
Positive Negative Alternating Current
(AC) Output
Time hHours sSeconds Protective Earth
(Ground)
Do not switch while
welding Remote
Receptacle Work Connection CC Constant
Current
Wire Feed Electrode
Positive Electrode Negative CV Constant
Voltage
Notes
Work like a Pro!
Pros weld and cut
safely. Read the
safety rules at
the beginning
of this manual.

A complete Parts List is available at www.MillerWelds.com
OM-4430 Page 13
SECTION 4 − SPECIFICATIONS
4-1. Description
This multiprocess engine-driven welder and AC generator provides low speed generator AC power and DC weld out-
put for quiet, fuel-efficient operation. At 1800 rpm, this unit produces 5 kW/kVA 60 Hz 120/240 Volt AC generator
power. Achieve high quality Stick and TIG welding results at either 3000 or 3600 rpm. A special variable frequency
(60-120 Hz) receptacle provides 2.4 kW/kVA 120 Volt AC generator power continuously.
4-2. Weld, Power, And Engine Specifications
Welding
Mode
Rated
Welding
Output
Maximum
Open-Circuit
Voltage
Amperage
Range In
CC Mode
Voltage
Range In
CV Mode
Generator
Power Rating Fuel
Capacity Engine
CC/DC 280 A, 25 V, 100%
Duty Cycle 50 20 − 300 A
13 − 35 V
5.5 kVA/kW (Peak)
5 kVA/kW (Continuous)
42/21 A,
120/240 V AC,
60 Hz,
Single-Phase at
1800 rpm 12 gal
(45 L)
Kohler CH-23
Air-Cooled,
Two-Cylinder,
Four-Cycle,
CV/DC 300 A, 25 V, 100%
Duty Cycle 35 − −
13
−
3
5
V
1800 rpm
And
2.4 kVA/kW, 20 A,
120 V AC,
60-120 Hz,
Single-Phase
At All Speeds
(45 L)
Tank
Four Cycle,
23 HP Gasoline or
25 HP LP Engine
w/Electronic
Governor
4-3. Dimensions, Weights, and Operating Angles
Dimensions
Height 34 in (864 mm) A
B
Width 20−1/2 in (521 mm)
B
C
!Do not exceed tilt angles or engine could
Depth 45-1/2 in (1156 mm)
D
!
Do not exceed tilt angles or engine could
be damaged or unit could tip.
!
A20 in (508 mm)
D
G
!Do not move or operate unit where it could
tip.
B16-1/2 in (419 mm) 4 Holes
Gp
C 1−3/4 in (44 mm) E
F
D5 in (127 mm) F
E32-3/4 in (832 mm)
2°
F44-1/4 in (1124 mm) 25°
G13/32 in (10 mm) Dia. 25°
°
25°
Weight
Engine End
25°
590 lb (267 kg) Engine End
Lifting Eye Weight Rating
800 426 803 983
1280 lb (580 kg)
800 426 803 983

A complete Parts List is available at www.MillerWelds.com
OM-4430 Page 14
4-4. Dimensions For Units With Optional Running Gear
Dimensions
Height
All Running Gear Options:
42-1/2 in (1079 mm)
(To Top Of Handle
Assembly)
C
AProtective Cage Width:
26 in (660 mm) D
C
BRunning Gear Width:
32 in (813 mm)
CProtective Cage Length:
48 in (1219 mm) B
A
DRunning Gear Length:
45−1/2 in (1156 mm)
B
4-5. Fuel Consumption While Welding And Using Generator Power
207 967
3000 RPM Weld
0.00
0.25
0.50
0.75
1.00
1.25
1.50
1.75
2.00
0 100 150 200 250 300
DC WELD AMPERES AT 100% DUTY CYCLE
U.S. GAL./HR.
1.98
0.95
2.84
3.78
5.67
4.73
6.62
7.57
LITERS/HR.
0.00
3600 RPM Weld
Generator
at 5 kW
Generator
at 2 kW
Generator
at 1 kW
Generator
at 3 kW
Idle (At
1800 RPM)
On a typical job using 1/8 in 7018
electrodes (125 amps, 20% duty
cycle), expect over 20 hours of op-
eration.
Welding at 150 amps at 40% duty
cycle uses approximately 3/4 gal-
lon per hour, or about 16 hours of
operation.
A 2kW generator load at 50% duty
cycle uses less than 1/2 gallon per
hour providing over 24 hours of op-
eration.
Generator
at 4 kW

A complete Parts List is available at www.MillerWelds.com
OM-4430 Page 15
222 553
The ac generator power curve
shows the generator power avail-
able in amperes at the receptacles.
4-6. Generator Power Curve
AC AMPERES
AC VOLTS
0 5 10 15 20 25 30
0
50
100
150
200
250
300
Notes
BUTT BUTT
BUTT BUTT
T−JOINT T−JOINT
T−JOINT T−JOINT
FILLET
GROOVE
FLAT VERTICALHORIZONTAL OVERHEADWELD POSITION:
WELD JOINT
TYPES
Ref. AWS/ANSI D1.1
1G
1F
2G
2F
3G
3F
4G
4F
Ref. 804 248-A

A complete Parts List is available at www.MillerWelds.com
OM-4430 Page 16
Duty cycle is the percentage of 10
minutes that unit can weld at rated
load without overheating.
NOTICE − Exceeding duty cycle
can damage unit and void warranty.
100% Duty Cycle at 280 Amperes DC/CC
Continuous Welding
4-7. Duty Cycle
Ref. 207 925
010
20 30 40 50 60 100
70 80 90
150
175
200
225
250
275
300
% DUTY CYCLE
WELD AMPERES
325
MIG/FCAW
STICK
222 558
The volt-ampere curves show the
minimum and maximum voltage
and amperage output capabilities of
the welding generator. Curves of
other settings fall between the
curves shown.
4-8. TIG Mode Volt-Ampere Curves
DC AMPERES
DC VOLTS
0 100 200 300 400
0
5
10
15
20
25
30
35
40
45
50
Min
3000RPM Max
3600RPM Max

A complete Parts List is available at www.MillerWelds.com
OM-4430 Page 17
222 555 / 222 556 / 222 557
The volt-ampere curves show the
minimum and maximum voltage
and amperage output capabilities of
the welding generator. Curves of
other settings fall between the
curves shown.
A. CC/DC Stick Mode
B. CV/DC MIG Mode
4-9. Stick And MIG Mode Volt-Ampere Curves
DC AMPERES
DC VOLTS
0 200 400 600
0
5
10
15
20
25
30
35
40
Min
20V Preset
3000RPM Max
3600RPM Max
DC AMPERES
DC VOLTS
0 200 400 600
0
20
40
60
80
100
Min
3000RPM Max
3600RPM Max

A complete Parts List is available at www.MillerWelds.com
OM-4430 Page 18
SECTION 5 − INSTALLATION
install2 12/06 − Ref. 800 652 / Ref. 800 477-A / 803 274-A / 804 712
!Do not weld on base. Welding
on base can cause fuel tank fire
or explosion. Bolt unit down
using holes provided in base.
!Always securely fasten weld-
ing generator onto transport
vehicle or trailer and comply
with all DOT and other applica-
ble codes.
!Do not mount unit by support-
ing the base only at the four
mounting holes. Use cross-
supports to adequately sup-
port unit and prevent damage
to base.
!Always ground generator
frame to vehicle frame to pre-
vent electric shock and static
electricity hazards.
!If unit does not have GFCI re-
ceptacles, use GFCI-protected
extension cord.
NOTICE − Do not install unit where air
flow is restricted or engine may over-
heat.
Mounting:
1 Cross-Supports
Mount unit on flat surface or use
cross-supports to support base.
Grounding:
2 Equipment Grounding Terminal
(On Front Panel)
3 Grounding Cable (Not Supplied)
4 Metal Vehicle Frame
Connect cable from equipment
ground terminal to metal vehicle
frame. Use #10 AWG or larger insu-
lated copper wire.
Electrically bond generator frame to
vehicle frame by metal-to-metal contact.
GND/PE
2
3
4
OR
18 in
(460 mm)
18 in
(460 mm)
18 in
(460 mm) 18 in
(460 mm)
18 in
(460 mm)
OR
Movement
Location / Airflow Clearance
Grounding
!Do not lift unit from end.
5
-1. Installing Welding Generator
Mounting
1
Inadequate support.
!Do not use flexible mounts.
OR
!Bed liners, shipping skids, and some running
gears insulate the welding generator from the
vehicle frame. Always connect a ground wire
from the generator equipment grounding termi-
nal to bare metal on the vehicle frame as shown.

A complete Parts List is available at www.MillerWelds.com
OM-4430 Page 19
5-2. Engine Prestart Checks
803 983−A / Ref 216 172-D
Full
Check all fluids daily. Engine must be
cold and on a level surface. Unit is
shipped with 10W30 engine oil.
Follow run-in procedure in engine
manual.
This unit has a low oil pressure
shutdown switch. However, some
conditions may cause engine
damage before the engine shuts
down. Check oil level often and do
not use the oil pressure shutdown
system to monitor oil level.
Fuel
Add fresh fuel before starting engine
the first time (see maintenance label for
specifications). Always leave filler
neck empty to allow room for expan-
sion. Check fuel level on a cold engine
before use each day.
To check fuel level, turn Engine Control
switch to either Run/Idle position.
LED’s indicate fuel level in tank.
Oil
Do not exceed the ”Full” mark on
the oil level dipstick. The fuel
pump may operate erratically if
crankcase is overfilled.
Check oil with unit on level surface. If
oil is not up to full mark on dipstick, add
oil (see maintenance label).
Use front panel meters to determine
hours until next recommended oil
change (see Section 6-1).
To improve cold weather starting:
Keep battery in good condition.
Store battery in warm area.
Use correct grade oil for cold
weather.
Full
Gasoline
Full
Empty

A complete Parts List is available at www.MillerWelds.com
OM-4430 Page 20
5-3. Connecting Or Replacing The Battery
+−
!Connect negative (−)
cable last.
803 847 / 803 849 / Ref. S-0756-D Ref 216 172-D / Ref 803 983−A
3/8, 1/2 in
Tools Needed:
Replacing The Battery
+−
+−
Remove end panel to replace battery.
!Connect negative (−)
cable last.

A complete Parts List is available at www.MillerWelds.com
OM-4430 Page 21
5-4. Installing Exhaust Pipe
Ref 216 172-D / 803 891
!Stop engine and let cool.
!Engine backfire can cause se-
vere burns or other injuries.
Do not point exhaust pipe to-
ward control panel. Keep away
from exhaust outlet.
!Point exhaust pipe in desired
direction but always away
from front panel and direction
of travel.
Tools Needed:
1/2 in
Notes
Work like a Pro!
Pros weld and cut
safely. Read the
safety rules at
the beginning
of this manual.

A complete Parts List is available at www.MillerWelds.com
OM-4430 Page 22
5-5. Connecting To Weld Output Terminals
!Stop engine.
!Do not connect to CC and CV
terminals at the same time.
1 Negative (−) Weld Output
Terminal
2 Stick/TIG (CC) Weld Output
Terminal
3 Wire /CV Weld Output Terminal
For MIG welding, connect work cable
to Negative (−) terminal and wire
feeder cable to Wire (CV) terminal.
For Stick welding, connect work
cable to Negative (−) terminal and
electrode holder cable to Stick/TIG
(CC) terminal.
For TIG welding, connect work cable
to Stick/TIG (CC) terminal and elec-
trode holder to Negative (−) terminal.
!Failure to properly connect
weld cables may cause exces-
sive heat and start a fire, or
damage your machine.
4 Weld Output Terminal
5 Supplied Weld Output Terminal
Nut
6 Weld Cable Terminal
7 Copper Bar
Remove supplied nut from weld out-
put terminal. Slide weld cable termi-
nal onto weld output terminal and se-
cure with nut so that weld cable termi-
nal is tight against copper bar. Do not
place anything between weld
cable terminal and copper bar.
Make sure that the surfaces of the
weld cable terminal and copper
bar are clean.
216 172-D / 803 984−A / 803 778-A
Tools Needed:
7
5
6
Do not place
anything between
Correct Installation Incorrect Installation
4
weld cable terminal
and copper bar.
3/4 in
32
1

A complete Parts List is available at www.MillerWelds.com
OM-4430 Page 23
5-6. Selecting Weld Cable Sizes*
Weld Output
Terminals
!
Weld Cable Size** and Total Cable (Copper) Length in Weld Circuit
Not Exceeding***
!Stop engine before
connecting to weld
output terminals.
!Do not use worn,
damaged, under-
sized, or poorly
spliced cables.
100 ft (30 m) or Less 150 ft
(45 m) 200 ft
(60 m) 250 ft
(70 m) 300 ft
(90 m) 350 ft
(105 m) 400 ft
(120 m)
Welding
Amperes
10 − 60%
Duty
Cycle
60 − 100%
Duty
Cycle 10 − 100% Duty Cycle
100 4 (20) 4 (20) 4 (20) 3 (30) 2 (35) 1 (50) 1/0 (60) 1/0 (60)
150 3 (30) 3 (30) 2 (35) 1 (50) 1/0 (60) 2/0 (70) 3/0 (95) 3/0 (95)
200 3 (30) 2 (35) 1 (50) 1/0 (60) 2/0 (70) 3/0 (95) 4/0 (120) 4/0 (120)
250 2 (35) 1 (50) 1/0 (60) 2/0 (70) 3/0 (95) 4/0 (120) 2 ea. 2/0
(2x70) 2 ea. 2/0
(2x70)
300 1 (50) 1/0 (60) 2/0 (70) 3/0 (95) 4/0 (120) 2 ea. 2/0
(2x70) 2 ea. 3/0
(2x95) 2 ea. 3/0
(2x95)
350 1/0 (60) 2/0 (70) 3/0 (95) 4/0 (120) 2 ea. 2/0
(2x70) 2 ea. 3/0
(2x95) 2 ea. 3/0
(2x95) 2 ea. 4/0
(2x120)
400 1/0 (60) 2/0 (70) 3/0 (95) 4/0 (120) 2 ea. 2/0
(2x70) 2 ea. 3/0
(2x95) 2 ea. 4/0
(2x120) 2 ea. 4/0
(2x120)
* This chart is a general guideline and may not suit all applications. If cable overheats, use next size larger cable.
**Weld cable size (AWG) is based on either a 4 volts or less drop or a current density of at least 300 circular mils per ampere.
( ) = mm2 for metric use S-0007-F
***For distances longer than those shown in this guide, call a factory applications representative at 920-735-4505.
5-7. Remote Receptacle Information
Engine runs at weld speed (3000 or 3600 rpm) whenever a device connected to the remote receptacle is running.
Socket* Socket Information
AJ
BKI
LNH
24 VOLTS AC A24 volts ac. Protected by supplementary protector
CB4.
CLNH
DMG
BNot used.
DMG
EF115 VOLTS AC I115 volts ac. Protected by supplementary protec-
tor CB3.
JNot used.
A/V
C+10 volts dc output to remote control.
A/V
AMPERAGE
DRemote control circuit common.
AMPERAGE
VOLTAGE E0 to +10 volts dc input command signal from
remote control.
GND
GCircuit common for 24 and 115 volts ac circuits.
GND KChassis common.
*The remaining sockets are not used.

A complete Parts List is available at www.MillerWelds.com
OM-4430 Page 24
SECTION 6 − OPERATING WELDING GENERATOR
6-1. Front Panel Controls
2
1
4
3
Ref 216 172-D
7
5
6
8
9
1 Process Switch
See Section 6-5 for Process switch informa-
tion.
2 Remote Receptacle
Use receptacle to connect remote control.
When a remote voltage/amperage control is
connected to the Remote receptacle, the
Auto Sense Remote feature automatically
switches voltage/amperage control to the re-
mote control (see Sections 5-7 and 6-8).
With remote voltage/amperage control con-
nected, weld output in CC mode is deter-
mined by a combination of front panel and re-
mote control voltage/amperage settings.
If no remote voltage/amperage control is
connected to the Remote receptacle, the
front panel Voltage/Amperage control ad-
justs voltage and amperage.
3 And 4 Displays
Displays can show weld process information
(voltage and amperage) or maintenance in-
formation (hourmeter or oil change count-
down).
Meter Weld Functions: In Wire mode, Volt-
meter displays preset weld voltage when not
welding. Meters display actual voltage and
amperage when welding and for five sec-
onds after welding has stopped.
In Stick and TIG modes, Voltmeter reads ON
and Ammeter displays preset amperage
when not welding. Meters display actual volt-
age and amperage when welding and for five
seconds after welding has stopped.
Meter Engine Maintenance Functions:
Meters display engine hours when Engine
Control switch is in the Run/Idle 3600/2400
position but engine is not running.
Meter Oil Change Countdown: With en-
gine off, place Engine Control switch in Run/
Idle 3000/1800 position to see hours before
next recommended oil change. Oil change
hours start at 100 (fresh oil) and count down
to 0 (oil change due). The meters display
negative (−) hours if 100 hours is exceeded.
After changing oil, reset counter by cycling
Engine Control switch between Run/Idle
positions three times.
Place Engine Control switch in Off position
after reading meters.
5 Fuel Level Indicator
With Engine running or Engine Control
switch in either Run/Idle position, LED’s indi-
cate fuel left in tank.
6 Voltage/Amperage Control
Use control to select weld voltage or
amperage. Control may be adjusted while
welding.
For maximum weld output (above 220
Amps), run unit at 3600 rpm. For weld
output below 220 Amps, operate unit at
3000 or 3600 rpm.
With Process switch in any Stick or TIG set-
ting, use control to adjust amperage. With
Process switch in Wire position, use control
to adjust voltage. When a remote voltage/
amperage control is connected to Remote
receptacle RC4, control sets the maximum
amperage in Stick and TIG modes, but has
no effect in MIG mode.
7 Engine Control Switch (see Section 6-2)
8 Engine Choke Control (see Section 6-2)
9 Engine Speed Control Switch (see Sec-
tion 6-2)

A complete Parts List is available at www.MillerWelds.com
OM-4430 Page 25
6-2. Description Of Engine Controls (See Section 6-1)
Engine Control Switch
Use switch to start engine, select speed, and
stop engine. Use switch in combination with
Engine Speed Control switch to select en-
gine speed.
In Run/Idle 3600/2400 RPM position, engine
runs at 2400 rpm no weld load and 3600 rpm
under weld load.
In Run/Idle 3000/1800 RPM position, engine
runs at 1800 rpm no weld load and 3000 rpm
under weld load.
In either position, engine speed is deter-
mined by weld load and position of Engine
Speed Control switch.
Generator power is available at recep-
tacles RC1 and RC2 only at 1800 rpm.
If generator is not locked at 1800 rpm,
engine speed increases in response to
weld load and generator power output
stops at receptacles RC1 and RC2.
Generator power load does not affect
engine speed.
Engine Choke Control
Use control to change engine air-fuel mix
when starting engine.
To Start: pull out choke and turn Engine
Control switch to Start position. Release
switch and slowly push choke in when
engine starts.
With Speed Control switch in Weld, the
engine starts at 3000 rpm and remains there
for two minutes. Engine speed then reduces
to 2000 rpm.
The engine speed reduces from 3000 rpm to
2000 rpm when the Speed Control switch is
toggled within the first two minutes of
operation and no load is applied.
When an auxiliary power load is applied to 60
Hz receptacle RC1 or RC2, engine speed
reduces to 1800 rpm.
If the engine does not start, let the
engine come to a complete stop before
attempting restart.
During cold weather some gasoline en-
gines encounter difficulties that are easi-
ly remedied. See Section 6-3 and 8-7.
To Stop: turn Engine Control switch to Off
position.
Engine Speed Control Switch
Use switch to control engine auto idle func-
tion. Place switch in Generator Lock position
when not welding to lock engine speed at
1800 rpm for generator power at 60 Hz ac re-
ceptacles RC1 and RC2 (generator power is
always available at 60−120 Hz receptacle
RC3. See Section 7-2.)
Place switch in Weld position to allow engine
speeds to be determined by position of En-
gine Control switch. The Speed Control
switch is not needed at start−up.
6-3. Cold Weather Engine Operation
Ref. 216 172
1 Engine Control Switch
Carburetor Icing
Carburetor icing causes the unit to drop below the normal idle speed and then stall.
This condition occurs when the temperature is near freezing and the relative humid-
ity is high. Ice forms on the throttle plate and inner bore of the carburetor. The engine
typically restarts without problems but soon stalls again.
Treat gasoline with a fuel de−icer product (isopropyl alcohol).
Place the Engine Control switch in the Run position.
Run engine only when expecting to frequently load it.
Breather Icing
Oil breather/pulse line icing occurs in severe cold (continuously below 0F). Mois-
ture accumulates in the oil from piston ring blow−by if the engine is extensively idled.
This may cause vacuum line freezing, oil breather tube freezing or ice in the carbure-
tor. All of these cause operating problems. Due to ice in the lines, the engine may
not restart until it is warmed to above freezing.
Load engine and reduce idle times to prevent engine shutdowns.
Use an electric fuel pump to avoid pulse line freezing.
Install engine cold−weather kit.
Kohler offers a kit for cold weather operation. Contact engine manufacturer for kit
information (1-800-544-2444). The user can install these kits. The kit pulls heated
air from the muffler surface into the carburetor and shuts the cold air off. This in-
creases engine temperature during operation in both idle and high speed.
When the ambient temperatures become warmer (above 45_F) the air flow will
have to be returned to normal.
1
Frequently
Loaded
Infrequently
Loaded

A complete Parts List is available at www.MillerWelds.com
OM-4430 Page 26
6-4. Controlling Engine Speed And Weld/Generator Output
Ref 216 172-D
Set engine controls as shown
to obtain the corresponding
weld and generator power out-
put.
NOTICE − Disconnect equipment
from auxiliary power receptacles
during start-up and shutdown.
Some equipment can be damaged
by changes in frequency as engine
rpms change during start-up and
shutdown.
1800 rpm
(Power Speed)
Continuous
No Load: 2400 rpm
(Idle Speed)
Load: 3600 rpm
(Weld Speed)
Either
Run/Idle
position.
Engine Controls
Engine Speed
Generator Power
Output Weld Output
5 kW/kVA Total From
All AC Receptacles
2.4 kW/kVA at 60-120
Hz From AC
Receptacle RC3 Only
No Load: 1800 rpm
(Idle Speed)
Load: 3000 rpm
(Weld Speed)
Welding Not
Recommended
3600 rpm:
20 − 300 A
3000 rpm:
20 − 220 A
5 kW/kVA Total From
All AC Receptacles
At 1800 rpm.
At 3000 rpm, Output
Available Only At 2.4
kW/kVA 60-120 Hz AC
Receptacle RC3

A complete Parts List is available at www.MillerWelds.com
OM-4430 Page 27
1 Process Switch
!Weld output terminals are energized
when Process switch is in an Elec-
trode Hot position and the engine is
running.
The unit will not return to idle speed
when Process switch is in a Wire or TIG
position and the remote contactor is on
(closure between pins A and B on re-
mote receptacle).
Use switch to select weld process (see
table below and Section 5-7).
Wire Position:
Use Wire position for MIG welding using a
voltage sensing wire feeder.
Stick Positions:
Use Stick positions for stick (SMAW) and
air carbon arc (CAC-A) cutting and
gouging.
When switch is in a Stick mode, select one
of four dig settings to provide additional am-
perage during short arc length conditions
and help prevent electrodes from “sticking”.
See Stick position descriptions following
(reading L to R):
Soft Arc (E 7018) (Position 1) - This setting
provides a low dig/arc force setting for
smooth weld performance. A stable weld
puddle with little arc “snap” gives excellent
weld bead appearance with minimal
spatter.
Medium Soft Arc (Position 2) - This setting
provides a low to medium dig/arc force that
gives a slightly more fluid weld puddle,
more arc “snap”, and reduces the potential
for electrode sticking at shorter arc lengths.
Medium Stiff Arc (Position 3) - This setting
provides medium dig/arc force for open root
vertical up joints or joints that do not require
additional current for fit up inconsistencies.
Stiff Arc (E6010) (Position 4) - This setting
provides a high dig/arc force for open root
vertical down joints where additional
current is needed to compensate for tight
joint fit up without the need to increase
overall welding current. This setting is rec-
ommended for those who prefer a very stiff
arc with 6010 electrodes.
The dig circuit is disabled when switch is in
Wire or TIG positions.
TIG Position:
Electrode Hot − Lift-Arc™/Scratch Start TIG
(Provides great DC starts with either start-
ing method) - With switch in this position,
normal open-circuit voltage is not present
between the electrode and workpiece. A
solid-state contactor energizes after the
electrode touches the workpiece,
preventing overheating, sticking, or con-
tamination of the electrode (see Sections
6-6 and 6-7).
6-5. Process Switch
1
Ref 216 172-D / 803 984
Process Switch Settings
Switch Setting
Process
Output On/Off Control
Switch Setting Process Output On/Off Control
Electrode Hot − Wire MIG (GMAW) Electrode Hot
Electrode Hot − Stick Stick (SMAW),
Air Carbon Arc (CAC-A) Cutting And Gouging Electrode Hot
Electrode Hot − Scratch
Start TIG Scratch Start TIG (GTAW) Electrode Hot

A complete Parts List is available at www.MillerWelds.com
OM-4430 Page 28
6-6. Stick Start Procedure − Scratch Start Technique
With Stick selected, start arc as
follows:
1 Electrode
2 Workpiece
3 Arc
Drag electrode across workpiece like
striking a match; lift electrode slightly
after touching work. If arc goes out
electrode was lifted to high. If
electrode sticks to workpiece, use a
quick twist to free it.
1
2
3
6-7. TIG Lift-Arc™ Start Procedure
Select Lift-Arc/Scratch Start TIG at
Process switch to achieve great arc
starts with either procedure. Perform
Lift-Arc starting method as follows:
Lift-Arc TIG
1 TIG Electrode
2 Workpiece
Turn gas on. Touch tungsten
electrode to workpiece at weld start
point. Hold electrode to workpiece
for 1 second, and slowly lift electrode.
Arc is started when electrode is lifted.
Normal open-circuit voltage is not
present before tungsten electrode
touches workpiece; only a low sensing
voltage is present between electrode
and workpiece. The solid-state output
contactor does not energize until after
electrode is touching workpiece. This
allows electrode to touch workpiece
without overheating, sticking, or
getting contaminated.
Application:
Lift-Arc is used for the DCEN GTAW
process when HF Start method is not
permitted.
1
1
Second
“Touch”
2
Lift-Arc Start Method
Do NOT Strike Like A Match!

A complete Parts List is available at www.MillerWelds.com
OM-4430 Page 29
6-8. Remote Voltage/Amperage Control
1 Remote Receptacle RC4
Connect optional remote voltage/
amperage (V/A) control to RC4 (see
Section 5-7).
With remote control connected, weld
output in a CC mode (Stick, TIG) is
determined by a combination of front
panel and remote control voltage/
amperage settings. In CV mode
(Wire), weld output is controlled
through remote control only.
2 Remote Hand Control
(Optional)
3 Remote Foot Control (Optional)
Engine runs at weld/power
speed in Wire and TIG mode
whenever a device connected to
the remote receptacle makes
closure between pins A and B.
This unit does not have remote
contactor control. Output is al-
ways on.
803 984−A / 216 172-D / S-0769 / S-0774
Process = Stick (Using Remote On/Off)
In Example:
2
Max = 160 A CC/DC
Min = 20 A CC/DC
Max (160 A DC)
Min (20 A DC)
Connect Remote
V/A Control To
Remote
Receptacle RC4
Set V/A Control
(Mid-Range: About 160 A) Adjust Remote V/A Control
(Stick Welding Only)
3
1
Set Process

A complete Parts List is available at www.MillerWelds.com
OM-4430 Page 30
SECTION 7 − OPERATING AUXILIARY EQUIPMENT
7-1. 60 Hz Generator Power Receptacles And Supplementary Protectors
Ref. 211 909
!If unit does not have GFCI re-
ceptacles, use GFCI-protected
extension cord.
NOTICE − Disconnect equipment
from auxiliary power receptacles dur-
ing start−up and shutdown. Some
equipment can be damaged by
changes in frequency as engine rpms
change during start-up and shut-
down.
Weld output and 60 Hz generator
power output at receptacles RC1
and RC2 are not always available
at the same time. When welding,
generator power is available from
AC receptacle RC3 only (see
Section 7-2).
Generator power is available at
receptacles RC1 and RC2 only at
1800 rpm. If generator is not
locked at 1800 rpm, engine
speed increases in response to
weld load and generator power
output stops at receptacles RC1
and RC2. Generator power load
does not affect engine speed.
1 240 V 50 A AC Receptacle RC1
RC1 supplies 60 Hz single-phase
power at 1800 rpm. Maximum output
is 5 kVA/kW (20 A at 240 volts ac). For
60 Hz generator power at RC1, set
controls as shown in table.
2 120 V 20 A AC Duplex
Receptacle RC2
RC2 supplies 60 Hz single-phase
power at 1800 rpm. Maximum output
from RC2 is 2.4 kVA/kW (20 A at 120
volts ac).
3 Supplementary Protector CB1
CB1 protects receptacles RC1 and
RC2 from overload. If CB1 opens, the
receptacles do not work. Place switch
in On position to reset.
4 Supplementary Protector CB2
CB2 protects RC2 from overload. If
CB2 opens, the receptacle does not
work. Press button to reset.
If supplementary protector con-
tinues to open, contact Factory
Authorized Service Agent.
Combined output of all receptacles
limited to 5 kVA/kW continuous rating
of the generator.
EXAMPLE: If 10 A is drawn from 120
V duplex receptacle RC2, only 16 A is
available at 240 V receptacle RC1.
(120 V x 10 A) + (240 V x 16 A) = 5
kVA/kW
Controlling Engine Speed And Weld/Generator Power Output
1800 rpm
(Power Speed)
Continuous
No Load: 2400 rpm
(Idle Speed)
Load: 3600 rpm
(Weld Speed)
Either
Run/Idle
position.
Engine Controls
Engine Speed
Generator Power
Output Weld Output
5 kW/kVA Total From
All AC Receptacles
2.4 kW/kVA at 60-120
Hz From AC
Receptacle RC3 Only
No Load: 1800 rpm
(Idle Speed)
Load: 3000 rpm
(Weld Speed)
Welding Not
Recommended
3600 rpm:
20 − 300 A
3000 rpm:
20 − 220 A
5 kW/kVA Total From
All AC Receptacles
At 1800 rpm.
At 3000 rpm, Output
Available Only At 2.4
kW/kVA 60-120 Hz AC
Receptacle RC3
See Section
7-2 for RC3
information.
1
3
2
4

A complete Parts List is available at www.MillerWelds.com
OM-4430 Page 31
Ref. 216 172-D
7-2. Variable Frequency (Hz) Generator Power Receptacle RC3
NOTICE − Do not operate equipment
requiring a constant frequency from
variable frequency receptacle RC3.
1 120 V 20 A Variable Frequency
AC Receptacle RC3
Receptacle supplies single-phase
power continuously. Frequency (Hz)
of generator power output changes
with engine speed. Total output avail-
able is 2.4 kVA/kW.
2 Supplementary Protector CB3
CB3 protects receptacle RC3 and
115 volt ac output to Remote Recep-
tacle RC4 from overload. If CB3
opens, the receptacle does not work
and 115 volt ac output at RC4 stops.
Press button to reset. If supple-
mentary protector continues to
open, contact a Factory Autho-
rized Service Agent.
1
2
Notes
Work like a Pro!
Pros weld and cut
safely. Read the
safety rules at
the beginning
of this manual.

A complete Parts List is available at www.MillerWelds.com
OM-4430 Page 32
7-3. Wiring Instructions For Optional 240 Volt, Single-Phase Plug (NEMA 14-50P)
plug1 11/03 − 120 813-D
The plug can be wired for a 240 V,
2-wire load or a 120/240V, 3-wire
load. See circuit diagram.
1 Plug Wired for 120/240 V,
3-Wire Load
When wired for 120 V loads, each
duplex receptacle shares a load
with one half of 240 V receptacle.
2 Plug Wired for 240 V, 2-Wire
Load
3 Neutral (Silver) Terminal
4 Load 1 (Brass)Terminal
5 Load 2 (Brass) Terminal
6 Ground (Green) Terminal
7 Amperes Available using
120/240 V Plug
1
2
3
4
56
3
4
5
6
240V
240V
120V
120V
Tools Needed:
240 V AC
120 V AC 120 V AC
7
*One 240 V load or two 120 V loads.
Current Available in Amperes
240 V
Receptacle* Each 120 V Duplex
Receptacle
V x A = Watts
20
15
10
5
0
0
5
10
15
20

A complete Parts List is available at www.MillerWelds.com
OM-4430 Page 33
SECTION 8 − MAINTENANCE & TROUBLESHOOTING
8-1. Routine Maintenance
Follow the storage procedure in the engine owner’s manual if the unit will not be used for an extended period.
!Stop engine before maintaining.
See Engine Manual and Maintenance Label
for important start-up, service, and storage
information. Service engine more often if
used in severe conditions.
Recycle engine
fluids.
= Check = Change = Clean = Replace
* To be done by Factory Authorized Service Agent Reference
Every
8
Hours
Section 5-2
Fuel Level Oil Level Oil, Fuel Spills
Every
25
Hours
Section 8-3,
8-4
Spark Arrestor Screen Air Cleaner Wrapper
Every
50
Hours
Weld Terminals
Every
100
Hours
Engine
Manual,
Section 8-4,
8-5
Battery Terminals Cooling System Oil Air Cleaner Element
Every
200
Hours
Engine
Manual,
Section 8-5
Unreadable Labels Spark Plug Gap Oil Filter Fuel Filter
Every
500
Hours
Weld Cables Slip Rings*
Brushes*

A complete Parts List is available at www.MillerWelds.com
OM-4430 Page 34
8-2. Maintenance Label
Follow the storage procedure in the engine owner’s manual if the unit will not be used for an extended period.

A complete Parts List is available at www.MillerWelds.com
OM-4430 Page 35
!Stop engine and let cool.
1 Spark Arrestor Screen
Clean and inspect screen. Replace
spark arrestor if screen wires are
broken or missing.
8-3. Servicing Optional Spark Arrestor
1/4 in
803 983−A / Ref 216 172-D
Tools Needed:
1
8-4. Servicing Air Cleaner
aircleaner3 11/04 − 802 772 / S-0759
!Stop engine.
NOTICE − Do not run engine with-
out air cleaner or with dirty element.
1 Precleaner
Wash precleaner with soap and wa-
ter solution. Allow precleaner to air
dry completely.
Spread 1 tablespoon SAE 30 oil
evenly into precleaner. Squeeze
out excess oil.
2 Element
Replace element if damaged, dirty,
or oily.
oil
1
2

A complete Parts List is available at www.MillerWelds.com
OM-4430 Page 36
8-5. Changing Engine Oil, Oil Filter, And Fuel Filter
803 983−A / Ref 216 172-D / S-0842
!Stop engine and let cool.
1 Oil Drain Valve
2 Oil Filter
Change engine oil and filter accord-
ing to engine manual.
NOTICE − Close valve and valve
cap before adding oil and running
engine.
Fill crankcase with new oil to full
mark on dipstick (see Section 8-2).
3 Fuel Filter
4 Fuel Line
Replace line if cracked or worn.
Install new filter. Wipe up any spilled
fuel.
Start engine, and check for fuel
leaks.
!Stop engine, tighten connec-
tions as necessary, and wipe
up fuel.
2
3
4
Full
Tools Needed:
1

A complete Parts List is available at www.MillerWelds.com
OM-4430 Page 37
!Stop engine.
Open left side door.
When a supplementary protec-
tor or fuse opens, it usually indi-
cates a more serious problem
exists. Contact a Factory Au-
thorized Service Agent.
1 Supplementary Protector CB4
CB4 protects the stator winding
supplying 24 volt ac output to Re-
mote receptacle RC4. If CB4
opens, 24 volt ac output to RC4
stops.
Supplementary Protector CB3
protect the stator winding sup-
plying 115 volt ac output to Re-
mote Receptacle RC4 (see
Section 7-1).
Press button to reset.
2 Fuse F6 (See Parts List)
F6 protects the engine wiring sys-
tem from overload. If F6 opens,
engine will not crank.
Replace fuse if open.
Close left side door.
803 773−A / Ref. 216 172-D
8-6. Overload Protection
2
1

A complete Parts List is available at www.MillerWelds.com
OM-4430 Page 38
8-7. Troubleshooting
A. Welding
Trouble Remedy
No weld output. Check weld control settings.
Check weld connections.
Disconnect equipment from generator power receptacles during start-up.
Increase front panel and/or remote control voltage/amperage control setting (see Sections 6-1 and
6-8).
Check and secure connections to Remote receptacle RC4 (see Sections 5-7).
Have Factory Authorized Service Agent check brushes, slip rings, and circuit boards PC1 and PC2.
Low weld output. Check weld control settings.
Change position of Engine Control switch and Speed Control switch to achieve desired engine speed.
Increase front panel and/or remote control voltage/amperage control setting (see Sections 6-1 and
6-8).
Check and clean air cleaner as necessary (see Section 8-4).
Have Factory Authorized Service Agent check brushes, slip rings, and circuit boards PC1 and PC2.
See engine manual.
High weld output. Check control settings.
Check for obstructed movement of solenoid linkage.
Have Factory Authorized Service Agent check circuit boards PC1 and PC2.
Weld output cannot be adjusted. Have Factory Authorized Service Agent check field current control board PC2.
Erratic weld output. Check control settings.
Clean and tighten connections both inside and outside unit.
Be sure connection to work piece is clean and tight.
Remove excessive coils from weld cables.
Use dry, properly stored electrodes.
Have Factory Authorized Service Agent check brushes, slip rings, and circuit boards PC1 and PC2.
No remote fine amperage control. Check and tighten connections to Remote receptacle RC4 (see Section 5-7).
No front panel voltage/amperage con-
trol. Disconnect remote control from Remote Receptacle RC4 if not needed for weld process (see Section
6-8).
No 24 volt ac output at Remote
receptacle RC4. Reset supplementary protector CB4 (see Section 8-6).
No 115 volt ac output at Remote
receptacle RC4. Reset supplementary protector CB3 (see Section 7-2).

A complete Parts List is available at www.MillerWelds.com
OM-4430 Page 39
Trouble Remedy
Lack of high frequency; difficulty in
establishing Gas Tungsten Arc Weld-
ing arc.
Use proper size tungsten for welding amperage.
Reduce leakage of high frequency from torch or work cable (check grounding, remove excessive
coils from weld cables, use shorter weld cables, etc.).
Check cables and torch for cracked or deteriorated insulation or bad connections. Repair or replace
necessary parts.
Wandering arc − poor control of arc
direction. Reduce gas flow rate.
Select proper size tungsten. Properly prepare tungsten.
Tungsten electrode oxidizing and not
remaining bright after conclusion of
weld.
Shield weld zone from drafts.
Increase postflow time.
Check and tighten all gas fittings.
Properly prepare tungsten.
B. 60 Hz Generator Power Receptacles RC1 And RC2
Trouble Remedy
No power output at 60 Hz ac recep-
tacles RC1 or RC2. Reset supplementary protectors CB1 and/or CB2 (see Section 7-1).
Stop welding, or place Speed Control switch in Generator Lock position to run engine at 1800 rpm. 60
Hz receptacles RC1 and RC2 work only at 1800 rpm.
Check receptacle wiring and connections.
Have Factory Authorized Service Agent check brushes, slip rings, and circuit boards PC1 and PC2.
Low power output at 60 Hz ac recep-
tacles RC1 or RC2. Check and clean air cleaner as necessary.
Check engine electronic governor system. See engine manual.
High power output at 60 Hz ac recep-
tacles RC1 or RC2. Check engine electronic governor system. See engine manual.
Erratic power output at 60 Hz ac
receptacles RC1 or RC2. Have Factory Authorized Service Agent check brushes, slip rings, and circuit boards PC1, PC2, and
PC7.
Check receptacle wiring and connections.
Check governor according to engine manual.
C. Variable Frequency Generator Power Receptacle RC3
Trouble Remedy
No generator power output at ac re-
ceptacle RC3. Reset supplementary protector CB4 (see Section 7-2).
Check receptacle RC3 for continuity and proper connections. Replace receptacle if necessary.
Have Factory Authorized Service Agent check brushes and slip rings, and circuit boards PC1, PC2, and
PC7.
Low generator power output at ac re-
ceptacle RC3. Turn Engine Control switch to Run/Idle 3600/2400 RPM position.

A complete Parts List is available at www.MillerWelds.com
OM-4430 Page 40
D. Engine
Trouble Remedy
Engine will not crank. Check fuse F6, and replace if open (see Section 8-6).
Check battery voltage.
Check battery connections and tighten if necessary.
Check plug PLG5 and plug PLG8 connections.
Have Factory Authorized Service Agent check Engine Control switch S2.
Engine does not start. Check fuel level (see Section 5-2).
Check battery and replace if necessary.
Have Factory Authorized Service Agent check fuel shutoff solenoid FS1 according to engine manual.
Check engine charging system according to engine manual.
See engine manual.
Engine starts but stops when Engine
Control switch returns to either Run/
Idle position.
Check oil level (see Section 5-2). Low oil pressure shutdown stops engine if oil pressure is too low.
Engine also stops if oil level is too high.
Use correct grade oil for operating temperature. (see Section 8-2).
Have Factory Authorized Service Agent check low oil pressure shutdown switch S5.
Battery discharges between uses. Place Engine Control switch in Off position when unit is not running.
Clean top of battery with baking soda and water solution; rinse with clear water.
Periodically recharge battery (approximately every 3 months).
Replace battery.
Check voltage regulator according to engine manual.
Engine stopped during normal
operation. Check fuel level (see Section 5-2).
Check oil level (see Section 5-2). Low oil pressure shutdown stops engine if oil pressure is too low.
Engine also stops if oil level is too high.
Have Factory Authorized Service Agent check low oil pressure shutdown switch S5.
Have Factory Authorized Service Agent check fuel shutoff solenoid FS1 according to engine manual.
Engine does not return to idle speed. Place Engine Control switch S2 in either Run/Idle position.
Remove all weld and generator power loads.
Turn off remote contactor. The unit will not return to idle speed when the remote contactor is on.
Turn off remote device connected to Remote receptacle RC4 (see Section 5-7).
Check for obstructed movement of solenoid linkage.
Have Factory Authorized Service Agent check circuit board PC2 and current transformer CT1.
Engine does not go to weld speed. Place Speed Control switch in Weld position.
Check for obstructed movement of solenoid linkage.
During operation in near freezing tem-
peratures, engine starts and goes to
idle but stalls after a few minutes.
Treat fuel with isopropyl alcohol de-icer product.
Place Engine Control switch in the Run position until unit has been in operation and loaded for a peri-
od of time.
During operation in severe cold weath-
er, engine starts and goes to idle but
stalls after a few minutes.
Install engine manufacturer’s kit for cold-weather operation.

A complete Parts List is available at www.MillerWelds.com
OM-4430 Page 41
SECTION 9 − PARTS LIST
9-1. Recommended Spare Parts
Description
Part
No.
Dia.
Mkgs.
Recommended Spare Parts
Quantity
F6 021718 Fuse, Mintr Gl 30. Amp 32 Volt 1. . . . . . . . . . . . . . . . . . . . . . . . . . . . . . . . . . . . . . . . . . . . . . . . . . . . .
215984 Filter, Fuel In−line .250 Kohler 1. . . . . . . . . . . . . . . . . . . . . . . . . . . . . . . . . . . . . . . . . . . . . . . . . . . . . . . . . .
230015 Tune−up & Filter Kit, Kohler (Includes) 1. . . . . . . . . . . . . . . . . . . . . . . . . . . . . . . . . . . . . . . . . . . . . . . . . . .
230016 Air Filter Element, Kohler 1. . . . . . . . . . . . . . . . . . . . . . . . . . . . . . . . . . . . . . . . . . . . . . . . . . . . . . . . . . . . . .
066698 Oil Filter, Kohler 1. . . . . . . . . . . . . . . . . . . . . . . . . . . . . . . . . . . . . . . . . . . . . . . . . . . . . . . . . . . . . . . . . . . . . .
215985 Filter, Fuel w/Clamps & 1/4 in Fuel Line 1. . . . . . . . . . . . . . . . . . . . . . . . . . . . . . . . . . . . . . . . . . . . . . . . . .
067007 Spark Plug 2. . . . . . . . . . . . . . . . . . . . . . . . . . . . . . . . . . . . . . . . . . . . . . . . . . . . . . . . . . . . . . . . . . . . . . . . . . .
230017 Air Filter Wrapper 1. . . . . . . . . . . . . . . . . . . . . . . . . . . . . . . . . . . . . . . . . . . . . . . . . . . . . . . . . . . . . . . . . . . . .
Notes
http://www.millerwelds.com/service/replacementparts.html
Choose Genuine Select to review spare parts requirements such
as filters, spark plugs, and fuses.
Choose Service Parts to download complete parts listing.

OM-4430 Page 42
SECTION 10 − ELECTRICAL DIAGRAMS
Figure 10-1. Circuit Diagram For Welding Generator Models

OM-4430 Page 43
232 961-A

OM-4430 Page 44
SECTION 11 − GENERATOR POWER GUIDELINES
The views in this section are intended to be representative of all engine-driven welding generators. Your unit may differ from those shown.
11-1. Selecting Equipment
gen_pwr 2007−04 − Ref. ST-159 730 / ST-800 577
1 Generator Power Receptacles
− Neutral Bonded To Frame
2 3-Prong Plug From Case
Grounded Equipment
3 2-Prong Plug From Double
Insulated Equipment
Be sure equipment has double
insulated symbol and/or word-
ing on it.
!Do not use 2-prong plug un-
less equipment is double in-
sulated.
OR
2
3
1
!Always ground generator
frame to vehicle frame to pre-
vent electric shock and static
electricity hazards.
!Also see AWS Safety &
Health Fact Sheet No. 29,
Grounding of Portable And
Vehicle Mounted Welding
Generators.
1 Equipment Grounding
Terminal (On Front Panel)
2 Grounding Cable (Not
Supplied)
3 Metal Vehicle Frame
Connect cable from equipment
ground terminal to metal vehicle
frame. Use #10 AWG or larger
insulated copper wire.
Electrically bond generator
frame to vehicle frame by met-
al-to-metal contact.
!Bed liners, shipping skids,
and some running gear insu-
late the welding generator
from the vehicle frame. Al-
ways connect a ground wire
from the generator equip-
ment grounding terminal to
bare metal on the vehicle
frame as shown.
!If unit does not have GFCI re-
ceptacles, use GFCI-pro-
tected extension cord.
11-2. Grounding Generator To Truck Or Trailer Frame
S-0854
GND/PE
3
1
2

OM-4430 Page 45
11-3. Grounding When Supplying Building Systems
ST-800 576-B
1 Equipment Grounding
Terminal
2 Grounding Cable
Use #10 AWG or larger insulated
copper wire.
3 Ground Device
Use ground device as stated in
electrical codes.
!Ground generator to system
earth ground if supplying
power to a premises (home,
shop, farm) wiring system.
!Also see AWS Safety &
Health Fact Sheet No. 29,
Grounding of Portable And
Vehicle Mounted Welding
Generators.
GND/PE
1 2
23
11-4. How Much Power Does Equipment Require?
S-0623
1 Resistive Load
A light bulb is a resistive load and
requires a constant amount of power.
2 Non-Resistive Load
Equipment with a motor is a non-re-
sistive load and requires approxi-
mately six times more power while
starting the motor than when running
(see Section 11-8).
3 Rating Data
Rating shows volts and amperes, or
watts required to run equipment.
Amperes x Volts = Watts
Example 1: If a drill uses 4.5 am-
peres at 115 volts, calculate its run-
ning power requirement in watts.
4.5 A x 115 V = 520 W
The load applied by the drill is 520
watts.
Example 2: If three 200 watt flood
lamps are used with the drill from Ex-
ample 1, add the individual loads to
calculate total load.
(3 x 200W) + 520 W = 1120 W
The total load applied by the three
flood lamps and drill is 1120 watts.
VOLTS 115
4.5
60
AMPS
Hz
1
2
3
3

OM-4430 Page 46
11-5. Approximate Power Requirements For Industrial Motors
Industrial Motors Rating Starting Watts Running Watts
Split Phase 1/8 HP 800 300
1/6 HP 1225 500
1/4 HP 1600 600
1/3 HP 2100 700
1/2 HP 3175 875
Capacitor Start-Induction Run 1/3 HP 2020 720
1/2 HP 3075 975
3/4 HP 4500 1400
1 HP 6100 1600
1-1/2 HP 8200 2200
2 HP 10550 2850
3 HP 15900 3900
5 HP 23300 6800
Capacitor Start-Capacitor Run 1-1/2 HP 8100 2000
5 HP 23300 6000
7-1/2 HP 35000 8000
10 HP 46700 10700
Fan Duty 1/8 HP 1000 400
1/6 HP 1400 550
1/4 HP 1850 650
1/3 HP 2400 800
1/2 HP 3500 1100
11-6. Approximate Power Requirements For Farm/Home Equipment
Farm/Home Equipment Rating Starting Watts Running Watts
Stock Tank De-Icer 1000 1000
Grain Cleaner 1/4 HP 1650 650
Portable Conveyor 1/2 HP 3400 1000
Grain Elevator 3/4 HP 4400 1400
Milk Cooler 2900 1100
Milker (Vacuum Pump) 2 HP 10500 2800
FARM DUTY MOTORS 1/3 HP 1720 720
Std. (e.g. Conveyors, 1/2 HP 2575 975
Feed Augers, Air 3/4 HP 4500 1400
Compressors) 1 HP 6100 1600
1-1/2 HP 8200 2200
2 HP 10550 2850
3 HP 15900 3900
5 HP 23300 6800
High Torque (e.g. Barn 1-1/2 HP 8100 2000
Cleaners, Silo Unloaders, 5 HP 23300 6000
Silo Hoists, Bunk Feeders) 7-1/2 HP 35000 8000
10 HP 46700 10700
3-1/2 cu. ft. Mixer 1/2 HP 3300 1000
High Pressure 1.8 Gal/Min 500 PSI 3150 950
Washer 2 gal/min 550 PSI 4500 1400
2 gal/min 700 PSI 6100 1600
Refrigerator or Freezer 3100 800
Shallow Well Pump 1/3 HP 2150 750
1/2 HP 3100 1000
Sump Pump 1/3 HP 2100 800
1/2 HP 3200 1050

OM-4430 Page 47
11-7. Approximate Power Requirements For Contractor Equipment
Contractor Rating Starting Watts Running Watts
Hand Drill 1/4 in 350 350
3/8 in 400 400
1/2 in 600 600
Circular Saw 6-1/2 in 500 500
7-1/4 in 900 900
8-1/4 in 1400 1400
Table Saw 9 in 4500 1500
10 in 6300 1800
Band Saw 14 in 2500 1100
Bench Grinder 6 in 1720 720
8 in 3900 1400
10 in 5200 1600
Air Compressor 1/2 HP 3000 1000
1 HP 6000 1500
1-1/2 HP 8200 2200
2 HP 10500 2800
Electric Chain Saw 1-1/2 HP, 12 in 1100 1100
2 HP, 14 in 1100 1100
Electric Trimmer Standard 9 in 350 350
Heavy Duty 12 in 500 500
Electric Cultivator 1/3 HP 2100 700
Elec. Hedge Trimmer 18 in 400 400
Flood Lights HID 125 100
Metal Halide 313 250
Mercury 1000
Sodium 1400
Vapor 1250 1000
Submersible Pump 400 gph 600 200
Centrifugal Pump 900 gph 900 500
Floor Polisher 3/4 HP, 16 in 4500 1400
1 HP, 20 in 6100 1600
High Pressure Washer 1/2 HP 3150 950
3/4 HP 4500 1400
1 HP 6100 1600
55 gal Drum Mixer 1/4 HP 1900 700
Wet & Dry Vac 1.7 HP 900 900
2-1/2 HP 1300 1300

OM-4430 Page 48
11-8. Power Required To Start Motor
Single-Phase Induction Motor Starting Requirements
Motor Start
Code G H J K L M N P
KVA/HP 6.3 7.1 8.0 9.0 10.0 11.2 12.5 14.0
S-0624
1 Motor Start Code
2 Running Amperage
3 Motor HP
4 Motor Voltage
To find starting amperage:
Step 1: Find code and use table to
find kVA/HP. If code is not listed,
multiply running amperage by six to
find starting amperage.
Step 2: Find Motor HP and Volts.
Step 3: Determine starting amper-
age (see example).
Welding generator amperage out-
put must be at least twice the
motor’s running amperage.
(kVA/HP x HP x 1000) / Volts =
Starting Amperage
Example: Calculate starting amper-
age required for a 230 V, 1/4 HP mo-
tor with a motor start code of M.
Volts = 230, HP = 1/4, kVA/HP =
11.2
(11.2 x 1/4 x 1000) / 230 = 12.2A
Starting the motor requires 12.2
amperes.
VOLTS AMPS
HP
230 2.5
1/4
Hz
PHASE
CODE 60
1
M
AC MOTOR
12
3
4
11-9. How Much Power Can Generator Supply?
Ref. ST-800 396-A / S-0625
1 Limit Load To 90% Of
Generator Output
Always start non-resistive (motor)
loads in order from largest to small-
est, and add resistive loads last.
2 5 Second Rule
If motor does not start within 5
seconds, turn off power to prevent
motor damage. Motor requires
more power than generator can
supply.
1
2

OM-4430 Page 49
11-10. Typical Connections To Supply Standby Power
Transfer Switch
Essential
Loads
Fused
Disconnect
Switch
(If Required)
Utility
Electrical
Service
1234
5
Welding
Generator
Output
!Have only qualified persons
perform these connections
according to all applicable
codes and safety practices.
!Properly install and ground
this equipment according to
its Owner’s Manual and na-
tional, state, and local codes.
Customer-supplied equipment
is required if generator will sup-
ply standby power during
emergencies or power out-
ages.
1 Utility Electrical Service
2 Transfer Switch (Double-Throw)
Switch transfers the electrical load
from electric utility service to the
generator. Transfer load back to
electric utility when service is re-
stored.
Install correct switch (customer-
supplied). Switch rating must be
same as or greater than the branch
overcurrent protection.
3 Fused Disconnect Switch
Install correct switch (customer-
supplied) if required by electrical
code.
4 Welding Generator Output
Generator output voltage and wir-
ing must be consistent with regular
(utility) system voltage and wiring.
Connect generator with temporary
or permanent wiring suitable for the
installation.
Turn off or unplug all equipment
connected to generator before
starting or stopping engine. When
starting or stopping, the engine has
low speed which causes low volt-
age and frequency.
5 Essential Loads
Generator output may not meet the
electrical requirements of the prem-
ises. If generator does not produce
enough output to meet all require-
ments, connect only essential
loads (pumps, freezers, heaters,
etc. − See Section 11-4).

OM-4430 Page 50
11-11. Selecting Extension Cord (Use Shortest Cord Possible)
Cord Lengths for 120 Volt Loads
If unit does not have GFCI receptacles, use GFCI-protected extension cord.
Maximum Allowable Cord Length in ft (m) for Conductor Size (AWG)*
Current
(Amperes) Load (Watts) 4 6 8 10 12 14
5 600 350 (106) 225 (68) 137 (42) 100 (30)
7 840 400 (122) 250 (76) 150 (46) 100 (30) 62 (19)
10 1200 400 (122) 275 (84) 175 (53) 112 (34) 62 (19) 50 (15)
15 1800 300 (91) 175 (53) 112 (34) 75 (23) 37 (11) 30 (9)
20 2400 225 (68) 137 (42) 87 (26) 50 (15) 30 (9)
25 3000 175 (53) 112 (34) 62 (19) 37 (11)
30 3600 150 (46) 87 (26) 50 (15) 37 (11)
35 4200 125 (38) 75 (23) 50 (15)
40 4800 112 (34) 62 (19) 37 (11)
45 5400 100 (30) 62 (19)
50 6000 87 (26) 50 (15)
*Conductor size is based on maximum 2% voltage drop
Cord Lengths for 240 Volt Loads
If unit does not have GFCI receptacles, use GFCI-protected extension cord.
Maximum Allowable Cord Length in ft (m) for Conductor Size (AWG)*
Current
(Amperes) Load (Watts) 4 6 8 10 12 14
5 1200 700 (213) 450 (137) 225 (84) 200 (61)
7 1680 800 (244) 500 (152) 300 (91) 200 (61) 125 (38)
10 2400 800 (244) 550 (168) 350 (107) 225 (69) 125 (38) 100 (31)
15 3600 600 (183) 350 (107) 225 (69) 150 (46) 75 (23) 60 (18)
20 4800 450 (137) 275 (84) 175 (53) 100 (31) 60 (18)
25 6000 350 (107) 225 (69) 125 (38) 75 (23)
30 7000 300 (91) 175 (53) 100 (31) 75 (23)
35 8400 250 (76) 150 (46) 100 (31)
40 9600 225 (69) 125 (38) 75 (23)
45 10,800 200 (61) 125 (38)
50 12,000 175 (53) 100 (31)
*Conductor size is based on maximum 2% voltage drop

OM-4430 Page 51
Notes
SOCKET/WRENCH SELECTION TABLE
(U.S. STANDARD) SOCKET/WRENCH SELECTION TABLE
(METRIC)
Specifications Socket or Wrench Size Specifications Socket or Wrench Size
Bolt
Diameter Decimal
Equivalent Bolt Nut Bolt
Diameter
U.S.
Decimal
Equivalent Bolt Nut
1/4 in .250 in 3/8 in 7/16 in 6 mm .2362 in 10 mm 10 mm
5/16 in .3125 in 1/2 in 9/16 in 8 mm .3150 in 14 mm 14 mm
3/8 in .375 in 9/16 in 5/8 in 10 mm .3937 in 17 mm 17 mm
7/16 in .4375 in 5/8 in 3/4 in 12 mm .4724 in 19 mm 19 mm
1/2 in .500 in 3/4 in 13/16 in 14 mm .5512 in 22 mm 22 mm
9/16 in .5625 in 7/8 in 7/8 in 16 mm .6299 in 24 mm 24 mm
5/8 in .625 in 15/16 in 1 in 18 mm .7087 in 27 mm 27 mm
3/4 in .750 in 1-1/8 in 1-1/8 in 22 mm .8661 in 32 mm 32 mm
7/8 in .875 in 1-5/16 in 1-5/16 in 24 mm .9449 in 36 mm 36 mm
1 in 1.000 in 1-1/2 in 1-1/2 in

OM-4430 Page 52
Notes
Welding Symbols
Ref. AWS/ANSI A2.4



Warranty Questions?
Call
1-800-4-A-MILLER
for your local
Miller distributor.
miller_warr 2007−01
Your distributor also gives
you ...
Service
You always get the fast,
reliable response you
need. Most replacement
parts can be in your
hands in 24 hours.
Support
Need fast answers to the
tough welding questions?
Contact your distributor.
The expertise of the
distributor and Miller is
there to help you, every
step of the way.
Effective January 1, 2007
(Equipment with a serial number preface of “LH” or newer)
This limited warranty supersedes all previous Miller warranties and is exclusive with no other
guarantees or warranties expressed or implied.
LIMITED WARRANTY − Subject to the terms and conditions
below, Miller Electric Mfg. Co., Appleton, Wisconsin, warrants to
its original retail purchaser that new Miller equipment sold after
the effective date of this limited warranty is free of defects in
material and workmanship at the time it is shipped by Miller. THIS
WARRANTY IS EXPRESSLY IN LIEU OF ALL OTHER
WARRANTIES, EXPRESS OR IMPLIED, INCLUDING THE
WARRANTIES OF MERCHANTABILITY AND FITNESS.
Within the warranty periods listed below, Miller will repair or
replace any warranted parts or components that fail due to such
defects in material or workmanship. Miller must be notified in
writing within thirty (30) days of such defect or failure, at which
time Miller will provide instructions on the warranty claim
procedures to be followed.
Miller shall honor warranty claims on warranted equipment listed
below in the event of such a failure within the warranty time
periods. All warranty time periods start on the delivery date of the
equipment to the original end-user purchaser, and not to exceed
one year after the equipment is shipped to a North American
distributor or eighteen months after the equipment is shipped to
an International distributor.
1. 5 Years Parts — 3 Years Labor
* Original main power rectifiers
2. 3 Years — Parts and Labor
* Transformer/Rectifier Power Sources
* Plasma Arc Cutting Power Sources
* Process Controllers
* Semi-Automatic and Automatic Wire Feeders
* Inverter Power Sources (Unless Otherwise Stated)
* Water Coolant Systems (Integrated)
* Intellitig
* Engine Driven Welding Generators
(NOTE: Engines are warranted separately by the
engine manufacturer.)
3. 1 Year — Parts and Labor Unless Specified
* Motor Driven Guns (w/exception of Spoolmate
Spoolguns)
* Positioners and Controllers
* Automatic Motion Devices
* RFCS Foot Controls
* Induction Heating Power Sources, Coolers, and
Electronic
Controls/Recorders
* Water Coolant Systems (Non-Integrated)
* Flowgauge and Flowmeter Regulators (No Labor)
* HF Units
* Grids
* Spot Welders
* Load Banks
* Arc Stud Power Sources & Arc Stud Guns
* Racks
* Running Gear/Trailers
* Plasma Cutting Torches (except APT & SAF
Models)
* Field Options
(NOTE: Field options are covered under True Blue®
for the remaining warranty period of the product they
are installed in, or for a minimum of one year —
whichever is greater.)
* Bernard-Branded Mig Guns (No Labor)
* Weldcraft-Branded TIG Torches (No Labor)
* Subarc Wire Drive Assemblies
4. 6 Months — Batteries
5. 90 Days — Parts
* MIG Guns/TIG Torches and Subarc (SAW) Guns
* Induction Heating Coils and Blankets, Cables, and
Non-Electronic Controls
* APT & SAF Model Plasma Cutting Torches
* Remote Controls
* Accessory (Kits)
* Replacement Parts (No labor)
* Spoolmate Spoolguns
* Canvas Covers
Miller’s True Blue® Limited Warranty shall not apply to:
1. Consumable components; such as contact tips,
cutting nozzles, contactors, brushes, slip rings, relays
or parts that fail due to normal wear. (Exception:
brushes, slip rings, and relays are covered on Bobcat,
Trailblazer, and Legend models.)
2. Items furnished by Miller, but manufactured by others, such
as engines or trade accessories. These items are covered
by the manufacturer’s warranty, if any.
3. Equipment that has been modified by any party other than
Miller, or equipment that has been improperly installed,
improperly operated or misused based upon industry
standards, or equipment which has not had reasonable and
necessary maintenance, or equipment which has been
used for operation outside of the specifications for the
equipment.
MILLER PRODUCTS ARE INTENDED FOR PURCHASE AND
USE BY COMMERCIAL/INDUSTRIAL USERS AND PERSONS
TRAINED AND EXPERIENCED IN THE USE AND
MAINTENANCE OF WELDING EQUIPMENT.
In the event of a warranty claim covered by this warranty, the
exclusive remedies shall be, at Miller’s option: (1) repair; or (2)
replacement; or, where authorized in writing by Miller in
appropriate cases, (3) the reasonable cost of repair or
replacement at an authorized Miller service station; or (4)
payment of or credit for the purchase price (less reasonable
depreciation based upon actual use) upon return of the goods at
customer’s risk and expense. Miller’s option of repair or
replacement will be F.O.B., Factory at Appleton, Wisconsin, or
F.O.B. at a Miller authorized service facility as determined by
Miller. Therefore no compensation or reimbursement for
transportation costs of any kind will be allowed.
TO THE EXTENT PERMITTED BY LAW, THE REMEDIES
PROVIDED HEREIN ARE THE SOLE AND EXCLUSIVE
REMEDIES. IN NO EVENT SHALL MILLER BE LIABLE FOR
DIRECT, INDIRECT, SPECIAL, INCIDENTAL OR
CONSEQUENTIAL DAMAGES (INCLUDING LOSS OF
PROFIT), WHETHER BASED ON CONTRACT, TORT OR ANY
OTHER LEGAL THEORY.
ANY EXPRESS WARRANTY NOT PROVIDED HEREIN AND
ANY IMPLIED WARRANTY, GUARANTY OR
REPRESENTATION AS TO PERFORMANCE, AND ANY
REMEDY FOR BREACH OF CONTRACT TORT OR ANY
OTHER LEGAL THEORY WHICH, BUT FOR THIS
PROVISION, MIGHT ARISE BY IMPLICATION, OPERATION
OF LAW, CUSTOM OF TRADE OR COURSE OF DEALING,
INCLUDING ANY IMPLIED WARRANTY OF
MERCHANTABILITY OR FITNESS FOR PARTICULAR
PURPOSE, WITH RESPECT TO ANY AND ALL EQUIPMENT
FURNISHED BY MILLER IS EXCLUDED AND DISCLAIMED
BY MILLER.
Some states in the U.S.A. do not allow limitations of how long an
implied warranty lasts, or the exclusion of incidental, indirect,
special or consequential damages, so the above limitation or
exclusion may not apply to you. This warranty provides specific
legal rights, and other rights may be available, but may vary from
state to state.
In Canada, legislation in some provinces provides for certain
additional warranties or remedies other than as stated herein,
and to the extent that they may not be waived, the limitations and
exclusions set out above may not apply. This Limited Warranty
provides specific legal rights, and other rights may be available,
but may vary from province to province.

PRINTED IN USA © 2007 Miller Electric Mfg. Co.2007−01
Miller Electric Mfg. Co.
An Illinois Tool Works Company
1635 West Spencer Street
Appleton, WI 54914 USA
International Headquarters−USA
USA Phone: 920-735-4505 Auto-Attended
USA & Canada FAX: 920-735-4134
International FAX: 920-735-4125
European Headquarters −
United Kingdom
Phone: 44 (0) 1204-593493
FAX: 44 (0) 1204-598066
www.MillerWelds.com
Model Name Serial/Style Number
Purchase Date (Date which equipment was delivered to original customer.)
Distributor
Address
City
State Zip
Please complete and retain with your personal records.
Always provide Model Name and Serial/Style Number.
Contact a DISTRIBUTOR or SERVICE AGENCY near you.
Welding Supplies and Consumables
Options and Accessories
Personal Safety Equipment
Service and Repair
Replacement Parts
Training (Schools, Videos, Books)
Technical Manuals (Servicing Information
and Parts)
Circuit Diagrams
Welding Process Handbooks
Contact the Delivering Carrier to:
For Service
Owner’s Record
File a claim for loss or damage during
shipment.
For assistance in filing or settling claims, contact
your distributor and/or equipment manufacturer’s
Transportation Department.
Contact your Distributor for:
To locate a Distributor or Service Agency visit
www.millerwelds.com or call 1-800-4-A-Miller