Miller Electric 500Dx R Users Manual Body
500DX R to the manual 6bb3c2fe-d355-43b3-8a79-2fbf2e6ae09b
2015-02-02
: Miller-Electric Miller-Electric-500Dx-R-Users-Manual-437355 miller-electric-500dx-r-users-manual-437355 miller-electric pdf
Open the PDF directly: View PDF
.
Page Count: 70

Big Blue 500DX
OM-129 647W
July 1999
Processes
Description
Air Carbon Arc (CAC-A) Cutting
and Gouging
Stick (SMAW) Welding
MIG (GMAW) Welding
Flux Cored (FCAW) Welding
Engine Driven Welding Generator
With Optional Equipment:
Visit our website at
www.MillerWelds.com

Miller Electric manufactures a full line
of welders and welding related equipment.
For information on other quality Miller
products, contact your local Miller distributor
to receive the latest full line catalog or
individual catalog sheets. To locate your nearest
distributor call 1-800-4-A-Miller.
Thank you and congratulations on choosing Miller. Now
you can get the job done and get it done right. We know
you don’t have time to do it any other way.
That’s why when Niels Miller first started building arc
welders in 1929, he made sure his products offered
long-lasting value and superior quality. Like you, his
customers couldn’t afford anything less. Miller products
had to be more than the best they could be. They had to
be the best you could buy.
Today, the people that build and sell Miller products continue the
tradition. They’re just as committed to providing equipment and service
that meets the high standards of quality and value established in 1929.
This Owner’s Manual is designed to help you get the most out of your
Miller products. Please take time to read the Safety precautions. They will
help you protect yourself against potential hazards on the worksite. We’ve
made installation and operation quick and easy.
With Miller you can count on years of reliable
service with proper maintenance. And if for
some reason the unit needs repair, there’s a
Troubleshooting section that will help you
figure out what the problem is. The parts list
will then help you to decide which exact part
you may need to fix the problem. Warranty and
service information for your particular model
are also provided.
Miller is the first welding equip-
ment manufacturer in the U.S.A.
to be registered to the ISO 9001
Quality System Standard.
Working as hard as you do −
every power source from
Miller is backed by the most
hassle-free warranty in the
business.
From Miller to You
Miller offers a Technical
Manual which provides
more detailed service and
parts information for your
unit. To obtain a Technical
Manual, contact your local
distributor. Your distributor
can also supply you with
Welding Process Manuals
such as SMAW, GTAW,
GMAW, and GMAW-P.

The following terms are
used interchangeably
throughout this manual:
Stick = SMAW
MIG = GMAW
CALIFORNIA
Proposition 65
Warning
Diesel engine exhaust and
some of its constituents
are known to the State of
California to cause
cancer, birth defects, and
other reproductive harm.
TABLE OF CONTENTS
SECTION 1 − SAFETY PRECAUTIONS - READ BEFORE USING 1. . . . . . . . . . . . . . . . . . . . . . . . . . .
1-1. Symbol Usage 1. . . . . . . . . . . . . . . . . . . . . . . . . . . . . . . . . . . . . . . . . . . . . . . . . . . . . . . . . . . . . . . .
1-2. Arc Welding Hazards 1. . . . . . . . . . . . . . . . . . . . . . . . . . . . . . . . . . . . . . . . . . . . . . . . . . . . . . . . . .
1-3. Engine Hazards 2. . . . . . . . . . . . . . . . . . . . . . . . . . . . . . . . . . . . . . . . . . . . . . . . . . . . . . . . . . . . . .
1-4. Additional Symbols For Installation, Operation, And Maintenance 3. . . . . . . . . . . . . . . . . . . . .
1-5. Principal Safety Standards 4. . . . . . . . . . . . . . . . . . . . . . . . . . . . . . . . . . . . . . . . . . . . . . . . . . . . .
1-6. EMF Information 4. . . . . . . . . . . . . . . . . . . . . . . . . . . . . . . . . . . . . . . . . . . . . . . . . . . . . . . . . . . . . .
SECTION 1 − CONSIGNES DE SÉCURITÉ − LIRE AVANT UTILISATION 5. . . . . . . . . . . . . . . . . . . . .
1-1. Signification des symboles 5. . . . . . . . . . . . . . . . . . . . . . . . . . . . . . . . . . . . . . . . . . . . . . . . . . . . .
1-2. Dangers relatifs au soudage à l’arc 5. . . . . . . . . . . . . . . . . . . . . . . . . . . . . . . . . . . . . . . . . . . . . .
1-3. Dangers existant en relation avec le moteur 6. . . . . . . . . . . . . . . . . . . . . . . . . . . . . . . . . . . . . . .
1-4. Dangers supplémentaires en relation avec l’installation, le fonctionnement
et la maintenance 7. . . . . . . . . . . . . . . . . . . . . . . . . . . . . . . . . . . . . . . . . . . . . . . . . . . . . . . . . . . . .
1-5. Principales normes de sécurité 8. . . . . . . . . . . . . . . . . . . . . . . . . . . . . . . . . . . . . . . . . . . . . . . . . .
1-6. Information sur les champs électromagnétiques 8. . . . . . . . . . . . . . . . . . . . . . . . . . . . . . . . . . . .
SECTION 2 − DEFINITIONS 9. . . . . . . . . . . . . . . . . . . . . . . . . . . . . . . . . . . . . . . . . . . . . . . . . . . . . . . . . . . .
2-1. Symbols And Definitions 9. . . . . . . . . . . . . . . . . . . . . . . . . . . . . . . . . . . . . . . . . . . . . . . . . . . . . . .
SECTION 3 − SPECIFICATIONS 9. . . . . . . . . . . . . . . . . . . . . . . . . . . . . . . . . . . . . . . . . . . . . . . . . . . . . . . . .
3-1. Specifications 9. . . . . . . . . . . . . . . . . . . . . . . . . . . . . . . . . . . . . . . . . . . . . . . . . . . . . . . . . . . . . . . .
3-2. Dimensions, Weights, And Operating Angles 10. . . . . . . . . . . . . . . . . . . . . . . . . . . . . . . . . . . . . .
3-3. Fuel Consumption 10. . . . . . . . . . . . . . . . . . . . . . . . . . . . . . . . . . . . . . . . . . . . . . . . . . . . . . . . . . . . .
3-4. Duty Cycle And Overheating 11. . . . . . . . . . . . . . . . . . . . . . . . . . . . . . . . . . . . . . . . . . . . . . . . . . . .
3-5. AC Auxiliary Power 11. . . . . . . . . . . . . . . . . . . . . . . . . . . . . . . . . . . . . . . . . . . . . . . . . . . . . . . . . . . .
3-6. Volt-Ampere Curves 12. . . . . . . . . . . . . . . . . . . . . . . . . . . . . . . . . . . . . . . . . . . . . . . . . . . . . . . . . . .
3-7. Optional AC Power Plant Curves 13. . . . . . . . . . . . . . . . . . . . . . . . . . . . . . . . . . . . . . . . . . . . . . . .
SECTION 4 − INSTALLATION 14. . . . . . . . . . . . . . . . . . . . . . . . . . . . . . . . . . . . . . . . . . . . . . . . . . . . . . . . . . .
4-1. Installing Welding Generator 14. . . . . . . . . . . . . . . . . . . . . . . . . . . . . . . . . . . . . . . . . . . . . . . . . . . .
4-2. Installing Exhaust Pipe 14. . . . . . . . . . . . . . . . . . . . . . . . . . . . . . . . . . . . . . . . . . . . . . . . . . . . . . . . .
4-3. Activating The Dry Charge Battery 15. . . . . . . . . . . . . . . . . . . . . . . . . . . . . . . . . . . . . . . . . . . . . . .
4-4. Connecting The Battery 16. . . . . . . . . . . . . . . . . . . . . . . . . . . . . . . . . . . . . . . . . . . . . . . . . . . . . . . .
4-5. Engine Prestart Checks 16. . . . . . . . . . . . . . . . . . . . . . . . . . . . . . . . . . . . . . . . . . . . . . . . . . . . . . . .
4-6. Connecting To Weld Output Terminals 17. . . . . . . . . . . . . . . . . . . . . . . . . . . . . . . . . . . . . . . . . . . .
4-7. Selecting Weld Cable Sizes 17. . . . . . . . . . . . . . . . . . . . . . . . . . . . . . . . . . . . . . . . . . . . . . . . . . . . .
4-8. Installing Ether Cylinder (Optional Ether Starting Aid) 18. . . . . . . . . . . . . . . . . . . . . . . . . . . . . . .
4-9. Remote A/V Control Receptacle RC3 18. . . . . . . . . . . . . . . . . . . . . . . . . . . . . . . . . . . . . . . . . . . .
4-10. Remote 14 Receptacle RC3 Information (Optional) 19. . . . . . . . . . . . . . . . . . . . . . . . . . . . . . . . .
4-11. Terminal Strip 2T Connections (Optional) 19. . . . . . . . . . . . . . . . . . . . . . . . . . . . . . . . . . . . . . . . . .
SECTION 5 − OPERATING THE WELDING GENERATOR 20. . . . . . . . . . . . . . . . . . . . . . . . . . . . . . . . . .
5-1. Standard Controls (See Section 5-2) 20. . . . . . . . . . . . . . . . . . . . . . . . . . . . . . . . . . . . . . . . . . . . .
5-2. Description Of Standard Controls (See Section 5-1) 21. . . . . . . . . . . . . . . . . . . . . . . . . . . . . . . .
5-3. Controls For Models With CV Option (See Section 5-4) 22. . . . . . . . . . . . . . . . . . . . . . . . . . . . . .
5-4. Description Of Controls For Models With CV Option (See Section 5-3) 23. . . . . . . . . . . . . . . . .
SECTION 6 − OPERATING AUXILIARY EQUIPMENT 24. . . . . . . . . . . . . . . . . . . . . . . . . . . . . . . . . . . . . .
6-1. 120 Volt And 240 Volt Duplex Receptacles 24. . . . . . . . . . . . . . . . . . . . . . . . . . . . . . . . . . . . . . . .
6-2. Optional Auxiliary Power Receptacles 25. . . . . . . . . . . . . . . . . . . . . . . . . . . . . . . . . . . . . . . . . . . .
6-3. Connecting Optional Auxiliary Power Plant 26. . . . . . . . . . . . . . . . . . . . . . . . . . . . . . . . . . . . . . . .
SECTION 7 − MAINTENANCE & TROUBLESHOOTING 27. . . . . . . . . . . . . . . . . . . . . . . . . . . . . . . . . . . .
7-1. Routine Maintenance 27. . . . . . . . . . . . . . . . . . . . . . . . . . . . . . . . . . . . . . . . . . . . . . . . . . . . . . . . . .
7-2. Maintenance Label 28. . . . . . . . . . . . . . . . . . . . . . . . . . . . . . . . . . . . . . . . . . . . . . . . . . . . . . . . . . . .
7-3. Servicing Air Cleaner 29. . . . . . . . . . . . . . . . . . . . . . . . . . . . . . . . . . . . . . . . . . . . . . . . . . . . . . . . . .
7-4. Servicing Fuel And Lubrication Systems 30. . . . . . . . . . . . . . . . . . . . . . . . . . . . . . . . . . . . . . . . . .
7-5. Adjusting Engine Speed 31. . . . . . . . . . . . . . . . . . . . . . . . . . . . . . . . . . . . . . . . . . . . . . . . . . . . . . . .
7-6. Servicing Optional Ether Starting Aid 31. . . . . . . . . . . . . . . . . . . . . . . . . . . . . . . . . . . . . . . . . . . . .
7-7. Checking And Replacing Alternator Belt 32. . . . . . . . . . . . . . . . . . . . . . . . . . . . . . . . . . . . . . . . . .
7-8. Resetting Fan Belt Safety Shutdown 33. . . . . . . . . . . . . . . . . . . . . . . . . . . . . . . . . . . . . . . . . . . . .
7-9. Inspecting And Cleaning Optional Spark Arrestor Muffler 34. . . . . . . . . . . . . . . . . . . . . . . . . . . .
7-10. Overload Protection For Models With CV Option 34. . . . . . . . . . . . . . . . . . . . . . . . . . . . . . . . . . .
7-11. Troubleshooting 35. . . . . . . . . . . . . . . . . . . . . . . . . . . . . . . . . . . . . . . . . . . . . . . . . . . . . . . . . . . . . .
SECTION 8 − ELECTRICAL DIAGRAMS 37. . . . . . . . . . . . . . . . . . . . . . . . . . . . . . . . . . . . . . . . . . . . . . . . .
SECTION 9 − RUN-IN PROCEDURE 40. . . . . . . . . . . . . . . . . . . . . . . . . . . . . . . . . . . . . . . . . . . . . . . . . . . . .
9-1. Wetstacking 40. . . . . . . . . . . . . . . . . . . . . . . . . . . . . . . . . . . . . . . . . . . . . . . . . . . . . . . . . . . . . . . . . .
9-2. Run-In Procedure Using Load Bank 41. . . . . . . . . . . . . . . . . . . . . . . . . . . . . . . . . . . . . . . . . . . . . .
9-3. Run-In Procedure Using Resistance Grid 42. . . . . . . . . . . . . . . . . . . . . . . . . . . . . . . . . . . . . . . . .
SECTION 10 − AUXILIARY POWER GUIDELINES 43. . . . . . . . . . . . . . . . . . . . . . . . . . . . . . . . . . . . . . . . . .
SECTION 10 − PARTS LIST 50. . . . . . . . . . . . . . . . . . . . . . . . . . . . . . . . . . . . . . . . . . . . . . . . . . . . . . . . . . . .
WARRANTY
WARNING
This product, when used
for welding or cutting,
produces fumes or
gases which contain
chemicals known to the
State of California to
cause birth defects and,
in some cases, cancer.
(California Health &
Safety Code Section
25249.5 et seq.)
WARNING
Battery posts, terminals
and related accessories
contain lead and lead
compounds, chemicals
known to the State of
California to cause
cancer and birth defects
or other reproductive
harm. Wash hands after
handling.


OM-129 647 Page 1
SECTION 1 − SAFETY PRECAUTIONS - READ BEFORE USING
rom _nd_11/98
1-1. Symbol Usage
Means Warning! Watch Out! There are possible
hazards with this procedure! The possible hazards are
shown in the adjoining symbols.
Marks a special safety message.
Means “Note”; not safety related.
This group of symbols means Warning! Watch Out! possible
ELECTRIC SHOCK, MOVING PARTS, and HOT PARTS hazards.
Consult symbols and related instructions below for necessary
actions to avoid the hazards.
1-2. Arc Welding Hazards
The symbols shown below are used throughout this manual
to call attention to and identify possible hazards. When you
see the symbol, watch out, and follow the related instructions
to avoid the hazard. The safety information given below is
only a summary of the more complete safety information
found in the Safety Standards listed in Section 1-5. Read and
follow all Safety Standards.
Only qualified persons should install, operate, maintain, and
repair this unit.
During operation, keep everybody, especially children, away.
ELECTRIC SHOCK can kill.
Touching live electrical parts can cause fatal
shocks or severe burns. The electrode and work
circuit is electrically live whenever the output is on.
The input power circuit and machine internal
circuits are also live when power is on. In semiautomatic or
automatic wire welding, the wire, wire reel, drive roll housing, and all
metal parts touching the welding wire are electrically live. Incorrectly
installed or improperly grounded equipment is a hazard.
Do not touch live electrical parts.
Wear dry, hole-free insulating gloves and body protection.
Insulate yourself from work and ground using dry insulating mats
or covers big enough to prevent any physical contact with the
work or ground.
Do not use AC output in damp areas, if movement is confined, or if
there is a danger of falling.
Use AC output ONLY if required for the welding process.
If AC output is required, use remote output control if present on
unit.
Disconnect input power or stop engine before installing or
servicing this equipment. Lockout/tagout input power according
to OSHA 29 CFR 1910.147 (see Safety Standards).
Properly install and ground this equipment according to its
Owner’s Manual and national, state, and local codes.
Always verify the supply ground − check and be sure that input
power cord ground wire is properly connected to ground terminal
in disconnect box or that cord plug is connected to a properly
grounded receptacle outlet.
When making input connections, attach proper grounding
conductor first − double-check connections.
Frequently inspect input power cord for damage or bare wiring −
replace cord immediately if damaged − bare wiring can kill.
Turn off all equipment when not in use.
Do not use worn, damaged, undersized, or poorly spliced cables.
Do not drape cables over your body.
If earth grounding of the workpiece is required, ground it directly
with a separate cable.
Do not touch electrode if you are in contact with the work, ground,
or another electrode from a different machine.
Use only well-maintained equipment. Repair or replace damaged
parts at once. Maintain unit according to manual.
Wear a safety harness if working above floor level.
Keep all panels and covers securely in place.
Clamp work cable with good metal-to-metal contact to workpiece
or worktable as near the weld as practical.
Insulate work clamp when not connected to workpiece to prevent
contact with any metal object.
Do not connect more than one electrode or work cable to any
single weld output terminal.
SIGNIFICANT DC VOLTAGE exists after stopping
engine on inverters.
Stop engine on inverter and discharge input capacitors according
to instructions in Maintenance Section before touching any parts.
Arc rays from the welding process produce intense
visible and invisible (ultraviolet and infrared) rays
that can burn eyes and skin. Sparks fly off from the
weld.
ARC RAYS can burn eyes and skin.
Wear a welding helmet fitted with a proper shade of filter to protect
your face and eyes from arc rays and sparks when welding or
watching (see ANSI Z49.1 and Z87.1 listed in Safety Standards).
Wear approved safety glasses with side shields under your
helmet.
Use protective screens or barriers to protect others from flash and
glare; warn others not to watch the arc.
Wear protective clothing made from durable, flame-resistant
material (wool and leather) and foot protection.
Welding produces fumes and gases. Breathing
these fumes and gases can be hazardous to your
health.
FUMES AND GASES can be hazardous.
Keep your head out of the fumes. Do not breathe the fumes.
If inside, ventilate the area and/or use exhaust at the arc to
remove welding fumes and gases.
If ventilation is poor, use an approved air-supplied respirator.
Read the Material Safety Data Sheets (MSDSs) and the
manufacturer’s instructions for metals, consumables, coatings,
cleaners, and degreasers.
Work in a confined space only if it is well ventilated, or while
wearing an air-supplied respirator. Always have a trained watch-
person nearby. Welding fumes and gases can displace air and
lower the oxygen level causing injury or death. Be sure the
breathing air is safe.
Do not weld in locations near degreasing, cleaning, or spraying
operations. The heat and rays of the arc can react with vapors to
form highly toxic and irritating gases.
Do not weld on coated metals, such as galvanized, lead, or
cadmium plated steel, unless the coating is removed from the
weld area, the area is well ventilated, and if necessary, while
wearing an air-supplied respirator. The coatings and any metals
containing these elements can give off toxic fumes if welded.

OM-129 647 Page 2
Welding on closed containers, such as tanks,
drums, or pipes, can cause them to blow up. Sparks
can fly off from the welding arc. The flying sparks,
hot workpiece, and hot equipment can cause fires
and burns. Accidental contact of electrode to metal objects can
cause sparks, explosion, overheating, or fire. Check and be sure the
area is safe before doing any welding.
WELDING can cause fire or explosion.
Protect yourself and others from flying sparks and hot metal.
Do not weld where flying sparks can strike flammable material.
Remove all flammables within 35 ft (10.7 m) of the welding arc. If
this is not possible, tightly cover them with approved covers.
Be alert that welding sparks and hot materials from welding can
easily go through small cracks and openings to adjacent areas.
Watch for fire, and keep a fire extinguisher nearby.
Be aware that welding on a ceiling, floor, bulkhead, or partition
can cause fire on the hidden side.
Do not weld on closed containers such as tanks, drums, or pipes,
unless they are properly prepared according to AWS F4.1 (see
Safety Standards).
Connect work cable to the work as close to the welding area as
practical to prevent welding current from traveling long, possibly
unknown paths and causing electric shock and fire hazards.
Do not use welder to thaw frozen pipes.
Remove stick electrode from holder or cut off welding wire at
contact tip when not in use.
Wear oil-free protective garments such as leather gloves, heavy
shirt, cuffless trousers, high shoes, and a cap.
Remove any combustibles, such as a butane lighter or matches,
from your person before doing any welding.
FLYING METAL can injure eyes.
Welding, chipping, wire brushing, and grinding
cause sparks and flying metal. As welds cool,
they can throw off slag.
Wear approved safety glasses with side
shields even under your welding helmet.
BUILDUP OF GAS can injure or kill.
Shut off shielding gas supply when not in use.
Always ventilate confined spaces or use ap-
proved air-supplied respirator.
HOT PARTS can cause severe burns.
Allow cooling period before maintaining.
Wear protective gloves and clothing when
working on a hot engine.
Do not touch hot engine parts or just-welded
parts bare-handed.
NOISE can damage hearing.
Noise from some processes or equipment can
damage hearing.
Wear approved ear protection if noise level is
high.
MAGNETIC FIELDS can affect pacemakers.
Pacemaker wearers keep away.
Wearers should consult their doctor before
going near arc welding, gouging, or spot
welding operations.
Shielding gas cylinders contain gas under high
pressure. If damaged, a cylinder can explode.
Since gas cylinders are normally part of the welding
process, be sure to treat them carefully.
CYLINDERS can explode if damaged.
Protect compressed gas cylinders from excessive heat,
mechanical shocks, slag, open flames, sparks, and arcs.
Install cylinders in an upright position by securing to a stationary
support or cylinder rack to prevent falling or tipping.
Keep cylinders away from any welding or other electrical circuits.
Never drape a welding torch over a gas cylinder.
Never allow a welding electrode to touch any cylinder.
Never weld on a pressurized cylinder − explosion will result.
Use only correct shielding gas cylinders, regulators, hoses, and
fittings designed for the specific application; maintain them and
associated parts in good condition.
Turn face away from valve outlet when opening cylinder valve.
Keep protective cap in place over valve except when cylinder is in
use or connected for use.
Read and follow instructions on compressed gas cylinders,
associated equipment, and CGA publication P-1 listed in Safety
Standards.
1-3. Engine Hazards
FUEL can cause fire or explosion.
Stop engine and let it cool off before checking
or adding fuel.
Do not add fuel while smoking or if unit is near
any sparks or open flames.
Do not overfill tank − allow room for fuel to expand.
Do not spill fuel. If fuel is spilled, clean up before starting engine.
Dispose of rags in a fireproof container.
STEAM AND HOT COOLANT can burn.
If possible, check coolant level when engine is
cold to avoid scalding.
Always check coolant level at overflow tank, if
present on unit, instead of radiator (unless told
otherwise in maintenance section or engine
manual).
If the engine is warm, checking is needed, and
there is no overflow tank, follow the next two
statements.
Wear safety glasses and gloves and put a rag over radiator cap.
Turn cap slightly and let pressure escape slowly before
completely removing cap.

OM-129 647 Page 3
MOVING PARTS can cause injury.
Keep away from fans, belts, and rotors.
Keep all doors, panels, covers, and guards
closed and securely in place.
Stop engine before installing or connecting unit.
Have only qualified people remove guards or covers for maint-
enance and troubleshooting as necessary.
To prevent accidental starting during servicing, disconnect
negative (−) battery cable from battery.
Keep hands, hair, loose clothing, and tools away from moving
parts.
Reinstall panels or guards and close doors when servicing is
finished and before starting engine.
Before working on generator, remove spark plugs or injectors to
keep engine from kicking back or starting.
Block flywheel so that it will not turn while working on generator
components.
BATTERY EXPLOSION can BLIND.
Always wear a face shield, rubber gloves, and
protective clothing when working on a battery.
Stop engine before disconnecting or connect-
ing battery cables or servicing battery.
Do not allow tools to cause sparks when working on a battery.
Do not use welder to charge batteries or jump start vehicles.
Observe correct polarity (+ and −) on batteries.
Disconnect negative (−) cable first and connect it last.
BATTERY ACID can BURN SKIN and EYES.
Do not tip battery.
Replace damaged battery.
Flush eyes and skin immediately with water.
ENGINE EXHAUST GASES can kill.
Use equipment outside in open, well-
ventilated areas.
If used in a closed area, vent engine exhaust
outside and away from any building air in-
takes.
ENGINE HEAT can cause fire.
Do not locate unit on, over, or near
combustible surfaces or flammables.
Keep exhaust and exhaust pipes way from
flammables.
EXHAUST SPARKS can cause fire.
Do not let engine exhaust sparks cause fire.
Use approved engine exhaust spark arrestor
in required areas − see applicable codes.
1-4. Additional Symbols For Installation, Operation, And Maintenance
FALLING UNIT can cause injury.
Use lifting eye to lift unit only, NOT running
gear, gas cylinders, trailer, or any other
accessories.
Use equipment of adequate capacity to lift and
support unit.
If using lift forks to move unit, be sure forks are long enough to
extend beyond opposite side of unit.
FLYING SPARKS can cause injury.
Wear a face shield to protect eyes and face.
Shape tungsten electrode only on grinder with
proper guards in a safe location wearing prop-
er face, hand, and body protection.
Sparks can cause fires — keep flammables away.
OVERHEATING can damage motors.
Turn off or unplug equipment before starting or
stopping engine.
Do not let low voltage and frequency caused
by low engine speed damage electric motors.
Do not connect 50 or 60 Hertz motors to the 100 Hertz recep-
tacle where applicable.
OVERUSE can cause OVERHEATING.
Allow cooling period; follow rated duty cycle.
Reduce current or reduce duty cycle before
starting to weld again.
Do not block or filter airflow to unit.
STATIC (ESD) can damage PC boards.
Put on grounded wrist strap BEFORE
handling boards or parts.
Use proper static-proof bags and boxes to
store, move, or ship PC boards.
TILTING OF TRAILER can cause injury.
Use tongue jack or blocks to support weight.
Properly install welding generator onto trailer
according to instructions supplied with trailer.
READ INSTRUCTIONS.
Use only genuine MILLER replacement parts.
Perform engine maintenance and service
according to this manual and the engine
manual.

OM-129 647 Page 4
H.F. RADIATION can cause interference.
High-frequency (H.F.) can interfere with radio
navigation, safety services, computers, and
communications equipment.
Have only qualified persons familiar with
electronic equipment perform this installation.
The user is responsible for having a qualified electrician
promptly correct any interference problem resulting from the
installation.
If notified by the FCC about interference, stop using the
equipment at once.
Have the installation regularly checked and maintained.
Keep high-frequency source doors and panels tightly shut,
keep spark gaps at correct setting, and use grounding and
shielding to minimize the possibility of interference.
ARC WELDING can cause interference.
Electromagnetic energy can interfere with
sensitive electronic equipment such as
computers and computer-driven equipment
such as robots.
Be sure all equipment in the welding area is
electromagnetically compatible.
To reduce possible interference, keep weld cables as short as
possible, close together, and down low, such as on the floor.
Locate welding operation 100 meters from any sensitive elec-
tronic equipment.
Be sure this welding machine is installed and grounded
according to this manual.
If interference still occurs, the user must take extra measures
such as moving the welding machine, using shielded cables,
using line filters, or shielding the work area.
1-5. Principal Safety Standards
Safety in Welding and Cutting, ANSI Standard Z49.1, from American
Welding Society, 550 N.W. LeJeune Rd, Miami FL 33126
Safety and Health Standards, OSHA 29 CFR 1910, from Superinten-
dent of Documents, U.S. Government Printing Office, Washington,
D.C. 20402.
Recommended Safe Practices for the Preparation for Welding and
Cutting of Containers That Have Held Hazardous Substances,
American Welding Society Standard AWS F4.1, from American
Welding Society, 550 N.W. LeJeune Rd, Miami, FL 33126
National Electrical Code, NFPA Standard 70, from National Fire
Protection Association, Batterymarch Park, Quincy, MA 02269.
Safe Handling of Compressed Gases in Cylinders, CGA Pamphlet
P-1, from Compressed Gas Association, 1235 Jefferson Davis
Highway, Suite 501, Arlington, VA 22202.
Code for Safety in Welding and Cutting, CSA Standard W117.2, from
Canadian Standards Association, Standards Sales, 178 Rexdale
Boulevard, Rexdale, Ontario, Canada M9W 1R3.
Safe Practices For Occupation And Educational Eye And Face
Protection, ANSI Standard Z87.1, from American National Standards
Institute, 1430 Broadway, New York, NY 10018.
Cutting And Welding Processes, NFPA Standard 51B, from National
Fire Protection Association, Batterymarch Park, Quincy, MA 02269.
1-6. EMF Information
Considerations About Welding And The Effects Of Low Frequency
Electric And Magnetic Fields
Welding current, as it flows through welding cables, will cause electro-
magnetic fields. There has been and still is some concern about such
fields. However, after examining more than 500 studies spanning 17
years of research, a special blue ribbon committee of the National
Research Council concluded that: “The body of evidence, in the
committee’s judgment, has not demonstrated that exposure to power-
frequency electric and magnetic fields is a human-health hazard.”
However, studies are still going forth and evidence continues to be
examined. Until the final conclusions of the research are reached, you
may wish to minimize your exposure to electromagnetic fields when
welding or cutting.
To reduce magnetic fields in the workplace, use the following
procedures:
1. Keep cables close together by twisting or taping them.
2. Arrange cables to one side and away from the operator.
3. Do not coil or drape cables around your body.
4. Keep welding power source and cables as far away from
operator as practical.
5. Connect work clamp to workpiece as close to the weld as
possible.
About Pacemakers:
Pacemaker wearers consult your doctor first. If cleared by your doctor,
then following the above procedures is recommended.

OM-129 647 Page 5
SECTION 1 − CONSIGNES DE SÉCURITÉ − LIRE AVANT
UTILISATION
rom _nd_fre 5/97
1-1. Signification des symboles
Signifie Mise en garde ! Soyez vigilant ! Cette procédure
présente des risques de danger ! Ceux-ci sont identifiés
par des symboles adjacents aux directives.
Identifie un message de sécurité particulier.
Signifie NOTA ; n’est pas relatif à la sécurité.
Ce groupe de symboles signifie Mise en garde ! Soyez vigilant ! Il y a des
risques de danger reliés aux CHOCS ÉLECTRIQUES, aux PIÈCES EN
MOUVEMENT et aux PIÈCES CHAUDES. Reportez-vous aux symboles
et aux directives ci-dessous afin de connaître les mesures à prendre pour
éviter tout danger.
1-2. Dangers relatifs au soudage à l’arc
Les symboles présentés ci-après sont utilisés tout au long du
présent manuel pour attirer votre attention et identifier les
risques de danger. Lorsque vous voyez un symbole, soyez
vigilant et suivez les directives mentionnées afin d’éviter tout
danger. Les consignes de sécurité présentées ci-après ne
font que résumer l’information contenue dans les normes de
sécurité énumérées à la section 1-5. Veuillez lire et respecter
toutes ces normes de sécurité.
L’installation, l’utilisation, l’entretien et les réparations ne
doivent être confiés qu’à des personnes qualifiées.
Au cours de l’utilisation, tenir toute personne à l’écart et plus
particulièrement les enfants.
UN CHOC ÉLECTRIQUE peut tuer.
Un simple contact avec des pièces électriques peut
provoquer une électrocution ou des blessures graves.
L’électrode et le circuit de soudage sont sous tension dès
que l’appareil est sur ON. Le circuit d’entrée et les circuits
internes de l’appareil sont également sous tension à ce
moment-là. En soudage semi-automatique ou automatique, le fil, le dévidoir, le
logement des galets d’entraînement et les pièces métalliques en contact avec
le fil de soudage sont sous tension. Des matériels mal installés ou mal mis à la
terre présentent un danger.
Ne jamais toucher les pièces électriques sous tension.
Porter des gants et des vêtements de protection secs ne comportant pas
de trous.
S’isoler de la pièce et de la terre au moyen de tapis ou d’autres moyens
isolants suffisamment grands pour empêcher le contact physique éventuel
avec la pièce ou la terre.
Ne pas se servir de source électrique àcourant électrique dans les zones
humides, dans les endroits confinés ou là où on risque de tomber.
Se servir d’une source électrique àcourant électrique UNIQUEMENT si le
procédé de soudage le demande.
Si l’utilisation d’une source électrique àcourant électrique s’avère néces-
saire, se servir de la fonction de télécommande si l’appareil en est équipé.
Couper l’alimentation ou arrêter le moteur avant de procéder à
l’installation, à la réparation ou à l’entretien de l’appareil. Déverrouiller
l’alimentation selon la norme OSHA 29 CFR 1910.147 (voir normes de
sécurité).
Installer et mettre à la terre correctement cet appareil conformément à son
manuel d’utilisation et aux codes nationaux, provinciaux et municipaux.
Toujours vérifier la terre du cordon d’alimentation − Vérifier et s’assurer que
le fil de terre du cordon d’alimentation est bien raccordé à la borne de terre
du sectionneur ou que la fiche du cordon est raccordée à une prise
correctement mise à la terre.
En effectuant les raccordements d’entrée fixer d’abord le conducteur de
mise à la terre approprié et contre-vérifier les connexions.
Vérifier fréquemment le cordon d’alimentation pour voir s’il n’est pas en-
dommagé ou dénudé − remplacer le cordon immédiatement s’il est
endommagé − un câble dénudé peut provoquer une électrocution.
Mettre l’appareil hors tension quand on ne l’utilise pas.
Ne pas utiliser des câbles usés, endommagés, de grosseur insuffisante ou
mal épissés.
Ne pas enrouler les câbles autour du corps.
Si la pièce soudée doit être mise à la terre, le faire directement avec un
câble distinct − ne pas utiliser le connecteur de pièce ou le câble de retour.
Ne pas toucher l’électrode quand on est en contact avec la pièce, la terre ou
une électrode provenant d’une autre machine.
N’utiliser qu’un matériel en bon état. Réparer ou remplacer sur-le-champ
les pièces endommagées. Entretenir l’appareil conformément à ce
manuel.
Porter un harnais de sécurité quand on travaille en hauteur.
Maintenir solidement en place tous les panneaux et capots.
Fixer le câble de retour de façon à obtenir un bon contact métal-métal avec
la pièce à souder ou la table de travail, le plus près possible de la soudure.
Isoler la pince de masse quand pas mis à la pièce pour éviter le contact
avec tout objet métallique.
Le rayonnement de l’arc du procédé de soudage génère
des rayons visibles et invisibles intenses (ultraviolets et
infrarouges) susceptibles de provoquer des brûlures dans les yeux et sur la
peau. Des étincelles sont projetées pendant le soudage.
LES RAYONS DE L’ARC peuvent pro-
voquer des brûlures dans les yeux et
sur la peau.
Porter un casque de soudage muni d’un écran de filtre approprié pour pro-
téger votre visage et vos yeux pendant le soudage ou pour regarder (voir
ANSI Z49.1 et Z87.1 énuméré dans les normes de sécurité).
Porter des protections approuvés pour les oreilles si le niveau sondre est
trop élevé.
Utiliser des écrans ou des barrières pour protéger des tiers de l’éclair et de
l’éblouissement; demander aux autres personnes de ne pas regarder l’arc.
Porter des vêtements de protection constitué dans une matière durable, ré-
sistant au feu (laine ou cuir) et une protection des pieds.
LES FUMÉES ET LES GAZ peuvent
être dangereux.
Le soudage génère des fumées et des gaz. Leur inhalation
peut être dangereux pour votre santé.
Eloigner votre tête des fumées. Ne pas respirer les fumées.
À l’interieur, ventiler la zone et/ou utiliser un échappement au niveau de
l’arc pour l’évacuation des fumées et des gaz de soudage.
Si la ventilation est insuffisante, utiliser un respirateur à alimentation d’air
homologué.
Lire les spécifications de sécurité des matériaux (MSDSs) et les instruc-
tions du fabricant concernant les métaux, les consommables, les
revêtements, les nettoyants et les dégraisseurs.
Travailler dans un espace fermé seulement s’il est bien ventilé ou en por-
tant un respirateur à alimentation d’air. Demander toujours à un surveillant
dûment formé de se tenir à proximité. Des fumées et des gaz de soudage
peuvent déplacer l’air et abaisser le niveau d’oxygène provoquant des
blessures ou des accidents mortels. S’assurer que l’air de respiration ne
présente aucun danger.
Ne pas souder dans des endroits situés à proximité d’opérations de dé-
graissage, de nettoyage ou de pulvérisation. La chaleur et les rayons de
l’arc peuvent réagir en présence de vapeurs et former des gaz hautement
toxiques et irritants.
Ne pas souder des métaux munis d’un revêtement, tels que l’acier galvani-
sé, plaqué en plomb ou au cadmium à moins que le revêtement n’ait été
enlevé dans la zone de soudure, que l’endroit soit bien ventilé, et si néces-
saire, en portant un respirateur à alimentation d’air. Les revêtements et
tous les métaux renfermant ces éléments peuvent dégager des fumées
toxiques en cas de soudage.

OM-129 647 Page 6
Le soudage effectué sur des conteneurs fermés tels que
des réservoirs, tambours ou des conduites peut provoquer
leur éclatement. Des étincelles peuvent être projetées de
l’arc de soudure. La projection d’étincelles, des pièces chaudes et des
équipements chauds peut provoquer des incendies et des brûlures. Le contact
accidentel de l’électrode avec des objets métalliques peut provoquer des
étincelles, une explosion, un surchauffement ou un incendie. Avant de
commencer le soudage, vérifier et s’assurer que l’endroit ne présente pas de
danger.
LE SOUDAGE peut provoquer un in-
cendie ou une explosion.
Se protéger et d’autres personnes de la projection d’étincelles et de métal
chaud.
Ne pas souder dans un endroit là où des étincelles peuvent tomber sur des
substances inflammables.
Déplacer toutes les substances inflammables à une distance de 10,7 m de
l’arc de soudage. En cas d’impossibilité les recouvrir soigneusement avec
des protections homologués.
Des étincelles et des matériaux chauds du soudage peuvent facilement
passer dans d’autres zones en traversant de petites fissures et des
ouvertures.
Surveiller tout déclenchement d’incendie et tenir un extincteur à proximité.
Le soudage effectué sur un plafond, plancher, paroi ou séparation peut dé-
clencher un incendie de l’autre côté.
Ne pas effectuer le soudage sur des conteneurs fermés tels que des réser-
voirs, tambours, ou conduites, à moins qu’ils n’aient été préparés
correctement conformément à AWS F4.1 (voir les normes de sécurité).
Brancher le câble sur la pièce le plus près possible de la zone de soudage
pour éviter le transport du courant sur une longue distance par des che-
mins inconnus éventuels en provoquant des risques d’électrocution et
d’incendie.
Ne pas utiliser le poste de soudage pour dégeler des conduites gelées.
En cas de non utilisation, enlever la baguette d’électrode du porte-électrode
ou couper le fil à la pointe de contact.
Porter des vêtements de protection dépourvus d’huile tels que des gants
en cuir, une chemise en matériau lourd, des pantalons sans revers, des
chaussures hautes et un couvre chef.
Avant de souder, retirer toute substance combustible de vos poches telles
qu’un allumeur au butane ou des allumettes.
DES PARTICULES VOLANTES
peuvent blesser les yeux.
Le soudage, l’écaillement, le passage de la pièce
à la brosse en fil de fer, et le meulage génèrent
des étincelles et des particules métalliques volan-
tes. Pendant la période de refroidissement des soudures, elles risquent
de projeter du laitier.
Porter des lunettes de sécurité avec écrans latéraux ou un écran facial.
LES ACCUMULATIONS DE GAZ ris-
quent de provoquer des blessures ou
même la mort.
Fermer l’alimentation du gaz protecteur en cas de
non utilisation.
Veiller toujours à bien aérer les espaces confinés ou se servir d’un respi-
rateur d’adduction d’air homologué.
DES PIÈCES CHAUDES peuvent
provoquer des brûlures graves.
Prévoir une période de refroidissement avant d’effec-
tuer des travaux d’entretien.
Porter des gants et des vêtements de protection pour
travailler sur un moteur chaud.
Ne pas toucher à mains nues les parties chaudes du moteur ni les pièces
récemment soudées.
LE BRUIT peut affecter l’ouïe.
Le bruit des processus et des équipements peut affecter
l’ouïe.
Porter des protections approuvés pour les oreilles si
le niveau sondre est trop élevé.
LES CHAMPS MAGNÉTIQUES peuvent
affecter les stimulateurs cardiaques.
Porteurs de stimulateur cardiaque, restez à distance.
Les porteurs d’un stimulateur cardiaque doivent
d’abord consulter leur médecin avant de s’approcher
des opérations de soudage à l’arc, de gougeage ou
de soudage par points.
Si des BOUTEILLES sont endomma-
gées, elles pourront exploser.
Des bouteilles de gaz protecteur contiennent du gaz sous
haute pression. Si une bouteille est endommagée, elle
peut exploser. Du fait que les bouteilles de gaz font
normalement partie du procédé de soudage, les manipuler
avec précaution.
Protéger les bouteilles de gaz comprimé d’une chaleur excessive, des
chocs mécaniques, du laitier, des flammes ouvertes, des étincelles et des
arcs.
Placer les bouteilles debout en les fixant dans un support stationnaire ou
dans un porte-bouteilles pour les empêcher de tomber ou de se renverser.
Tenir les bouteilles éloignées des circuits de soudage ou autres circuits
électriques.
Ne jamais placer une torche de soudage sur une bouteille à gaz.
Une électrode de soudage ne doit jamais entrer en contact avec une bou-
teille.
Ne jamais souder une bouteille pressurisée − risque d’explosion.
Utiliser seulement des bouteilles de gaz protecteur, régulateurs, tuyaux et
raccords convenables pour cette application spécifique; les maintenir ainsi
que les éléments associés en bon état.
Ne pas tenir la tête en face de la sortie en ouvrant la soupape de la bouteille.
Maintenir le chapeau de protection sur la soupape, sauf en cas d’utilisation
ou de branchement de la bouteille.
Lire et suivre les instructions concernant les bouteilles de gaz comprimé,
les équipements associés et les publication P-1 CGA énumérées dans les
normes de sécurité.
1-3. Dangers existant en relation avec le moteur
LE CARBURANT MOTEUR peut pro-
voquer un incendie ou une explosion.
Arrêter le moteur avant de vérifier le niveau de carbu-
rant ou de faire le plein.
Ne pas faire le plein en fumant ou proche d’une sour-
ce d’étincelles ou d’une flamme nue.
Ne pas faire le plein de carburant à ras bord; prévoir de l’espace pour son
expansion.
Faire attention de ne pas renverser de carburant. Nettoyer tout carbu-
rant renversé avant de faire démarrer le moteur.
Jeter les chiffons dans un récipient ignifuge.
LA VAPEUR ET LE LIQUIDE DE
REFROIDISSEMENT CHAUD peuvent
provoquer des brûlures.
Il est préférable de vérifier le liquide de
refroidissement une fois le moteur refroidi pour éviter
de se brûler.
Si le moteur est chaud et que le liquide doit être vérifié, opérer comme
suivant :
Mettre des lunettes de sécurité et des gants, placer un torchon sur le
bouchon du radiateur.
Dévisser le bouchon légèrement et laisser la vapeur s’échapper avant
d’enlever le bouchon.

OM-129 647 Page 7
DES ORGANES MOBILES peuvent
provoquer des blessures.
Ne pas approcher les mains des ventilateurs, cour-
roies et autres pièces en mouvement.
Maintenir fermés et fixement en place les portes,
panneaux, recouvrements et dispositifs de protection.
Arrêter le moteur avant d’installer ou brancher l’appareil.
Demander seulement à un personnel qualifié d’enlever les dispositifs de
sécurité ou les recouvrements pour effectuer, s’il y a lieu, des travaux
d’entretien et de dépannage.
Pour empêcher tout démarrage accidentel pendant les travaux d’entre-
tien, débrancher le câble négatif (−) de batterie de la borne.
Ne pas approcher les mains, cheveux, vêtements lâches et outils des or-
ganes mobiles.
Remettre en place les panneaux ou les dipositifs de protection et fermer
les portes à la fin des travaux d’entretien et avant de faire démarrer le
moteur.
Avant d’intervenir, déposer les bougies ou injecteurs pour éviter la mise
en route accidentelle du moteur.
Bloquer le volant moteur pour éviter sa rotation lors d’une intervention
sur le générateur.
L’EXPLOSION DE LA BATTERIE peut
RENDRE AVEUGLE.
Toujours porter une protection faciale, des gants en
caoutchouc et vêtements de protection lors d’une in-
tervention sur la batterie.
Arrêter le moteur avant de débrancher ou de brancher les câbles de
batterie.
Eviter de provoquer des étincelles avec les outils en travaillant sur la
batterie.
Ne pas utiliser le poste de soudage pour charger les batteries ou des vé-
hicules de démarrage rapide.
Observer la polarité correcte (+ et −) sur les batteries.
Débrancher le câble négatif (–) en premier lieu. Le rebrancher en dernier
lieu.
L’ACIDE DE LA BATTERIE peut pro-
voquer des brûlures dans les YEUX et
sur la PEAU.
Ne pas renverser la batterie.
Remplacer une batterie endommagée.
Rincer immédiatement les yeux et la peau à l’eau.
LES GAZ D’ÈCHAPPEMENT DU
MOTEUR peuvent provoquer des
accidents mortels.
Utiliser l’équipement à l’extérieur dans des zones ou-
vertes et bien ventilées.
En cas d’utilisation dans un endroit fermé évacuer les gaz d’échappe-
ment du moteur vers l’extérieur à distance des entrées d’air dans les bâti-
ments.
LA CHALEUR DU MOTEUR peut pro-
voquer un incendie.
Ne pas placer l’appareil sur, au-dessus ou à proximi-
té de surfaces inflammables.
Tenir à distance les produits inflammables de
l’échappement.
LES ÉTINCELLES À L’ÉCHAPPEMENT
peuvent provoquer un incendie.
Empêcher les étincelles d’échappement du moteur
de provoquer un incendie.
Utiliser uniquement un pare-étincelles approuvé −
voir codes en vigueur.
1-4. Dangers supplémentaires en relation avec l’installation, le fonctionnement
et la maintenance
LA CHUTE DE L’APPAREIL peut
blesser.
Utiliser l’anneau de levage uniquement pour
soulever l’appareil lui-même ; sans chariot, de
bouteilles de gaz, remorque, ou autres accessoires.
Utiliser un équipement de levage de capacité suffi-
sante pour lever l’appareil.
En utilisant des fourches de levage pour déplacer l’unité, s’assurer
que les fourches sont suffisamment longues pour dépasser du côté
opposé de l’appareil.
LES ÉTINCELLES VOLANTES ris-
quent de provoquer des blessures.
Porter un écran facial pour protéger le visage et les
yeux.
Affuterr l’électrode au tungstène uniquement à la meuleuse dotée de
protecteurs. Cette manoeuvre est à exécuter dans un endroit sûr lorsque
l’on porte l’équipement homologué de protection du visage, des mains et
du corps.
Les étincelles risquent de causer un incendie − éloigner toute substance
inflammable.
LE SURCHAUFFEMENT peut endom-
mager le moteur électrique.
Arrêter ou déconnecter l’équipement avant de dé-
marrer ou d’arrêter le moteur.
Ne pas laisser tourner le moteur trop lentement sous
risque d’endommager le moteur électrique à cause
d’une tension et d’une fréquence trop faibles.
Ne pas brancher de moteur de 50 ou de 60 Hz à la prise de 100 Hz, s’il y a
lieu.
L’EMPLOI EXCESSIF peut
SURCHAUFFER L’ÉQUIPEMENT.
Laisser l’équipement refroidir ; respecter le facteur de
marche nominal.
Réduire le courant ou le facteur de marche avant de
poursuivre le soudage.
Ne pas obstruer les passages d’air du poste.
LES CHARGES ÉLECTROSTATIQUES
peuvent endommager les circuits
imprimés.
Établir la connexion avec la barrette de terre avant de
manipuler des cartes ou des pièces.
Utiliser des pochettes et des boîtes antistatiques
pour stocker, déplacer ou expédier des cartes de
circuits imprimes.
UNE REMORQUE QUI BASCULE peut
entraîner des blessures.
Utiliser les supports de la remorque ou des blocs
pour soutenir le poids.
Installer convenablement le poste sur la remorque
comme indiqué dans le manuel s’y rapportant.
LIRE LES INSTRUCTIONS.
Utiliser uniquement des pièces de rechange
MILLER.
Effecteur la maintenance et la mise en service
d’après le manuel et celui du moteur.

OM-129 647 Page 8
LE RAYONNEMENT HAUTE FRÉ-
QUENCE (H.F.) risque de provoquer
des interférences.
Le rayonnement haute fréquence (H.F.) peut
provoquer des interférences avec les équipements
de radio−navigation et de communication, les
services de sécurité et les ordinateurs.
Demander seulement à des personnes qualifiées familiarisées avec des
équipements électroniques de faire fonctionner l’installation.
L’utilisateur est tenu de faire corriger rapidement par un électricien quali-
fié les interférences résultant de l’installation.
Si le FCC signale des interférences, arrêter immédiatement l’appareil.
Effectuer régulièrement le contrôle et l’entretien de l’installation.
Maintenir soigneusement fermés les portes et les panneaux des sources
de haute fréquence, maintenir les éclateurs à une distance correcte et
utiliser une terre et et un blindage pour réduire les interférences
éventuelles.
LE SOUDAGE À L’ARC risque de
provoquer des interférences.
L’énergie électromagnétique risque de provoquer
des interférences pour l’équipement électronique
sensible tel que les ordinateurs et l’équipement com-
mandé par ordinateur tel que les robots.
Veiller à ce que tout l’équipement de la zone de soudage soit compatible
électromagnétiquement.
Pour réduire la possibilité d’interférence, maintenir les câbles de souda-
ge aussi courts que possible, les grouper, et les poser aussi bas que pos-
sible (ex. par terre).
Veiller à souder à une distance de 100 mètres de tout équipement élec-
tronique sensible.
Veiller à ce que ce poste de soudage soit posé et mis à la terre conformé-
ment à ce mode d’emploi.
En cas d’interférences après avoir pris les mesures précédentes, il in-
combe à l’utilisateur de prendre des mesures supplémentaires telles que
le déplacement du poste, l’utilisation de câbles blindés, l’utilisation de fil-
tres de ligne ou la pose de protecteurs dans la zone de travail.
1-5. Principales normes de sécurité
Safety in Welding and Cutting, norme ANSI Z49.1, de l’American
Welding Society, 550 N.W. Lejeune Rd, Miami FL 33126
Safety and Health Sandards, OSHA 29 CFR 1910, du Superintendent
of Documents, U.S. Government Printing Office, Washington, D.C.
20402.
Recommended Safe Practice for the Preparation for Welding and Cut-
ting of Containers That Have Held Hazardous Substances, norme
AWS F4.1, de l’American Welding Society, 550 N.W. Lejeune Rd, Mi-
ami FL 33126
National Electrical Code, NFPA Standard 70, de la National Fire
Protection Association, Batterymarch Park, Quincy, MA 02269.
Safe Handling of Compressed Gases in Cylinders, CGA Pamphlet
P-1, de la Compressed Gas Association, 1235 Jefferson Davis High-
way, Suite 501, Arlington, VA 22202.
Règles de sécurité en soudage, coupage et procédés connexes,
norme CSA W117.2, de l’Association canadienne de normalisation,
vente de normes, 178 Rexdale Boulevard, Rexdale (Ontario) Canada
M9W 1R3.
Safe Practices For Occupation And Educational Eye And Face Protec-
tion, norme ANSI Z87.1, de l’American National Standards Institute,
1430 Broadway, New York, NY 10018.
Cutting and Welding Processes, norme NFPA 51B, de la National Fire
Protection Association, Batterymarch Park, Quincy, MA 02269.
1-6. Information sur les champs électromagnétiques
Données sur le soudage électrique et sur les effets, pour l’organisme,
des champs magnétiques basse fréquence
Le courant de soudage, pendant son passage dans les câbles de sou-
dage, causera des champs électromagnétiques. Il y a eu et il y a
encore un certain souci à propos de tels champs. Cependant, après
avoir examiné plus de 500 études qui ont été faites pendant une pé-
riode de recherche de 17 ans, un comité spécial ruban bleu du
National Research Council a conclu: “L’accumulation de preuves, sui-
vant le jugement du comité, n’a pas démontré que l’exposition aux
champs magnétiques et champs électriques à haute fréquence repré-
sente un risque à la santé humaine”. Toutefois, des études sont
toujours en cours et les preuves continuent à être examinées. En at-
tendant que les conclusions finales de la recherche soient établies, il
vous serait souhaitable de réduire votre exposition aux champs élec-
tromagnétiques pendant le soudage ou le coupage.
Afin de réduire les champs électromagnétiques dans l’environnement
de travail, respecter les consignes suivantes :
1 Garder les câbles ensembles en les torsadant ou en les
attachant avec du ruban adhésif.
2 Mettre tous les câbles du côté opposé de l’opérateur.
3 Ne pas courber pas et ne pas entourer pas les câbles autour de
votre corps.
4 Garder le poste de soudage et les câbles le plus loin possible
de vous.
5 Relier la pince de masse le plus près possible de la zone de
soudure.
Consignes relatives aux stimulateurs cardiaques :
Les personnes qui portent un stimulateur cardiaque doivent avant tout
consulter leur docteur. Si vous êtes déclaré apte par votre docteur, il
est alors recommandé de respecter les consignes ci−dessus.

OM-129 647 Page 9
SECTION 2 − DEFINITIONS
2-1. Symbols And Definitions
Stop Engine Start Engine Ether Starting Aid Engine
Do Not Switch
While Welding Battery (Engine) Circuit Breaker Engine Oil
Check Injectors/
Pump Check Valve
Clearance Fuel Protective Earth
(Ground)
Positive Negative Certified/Trained
Mechanic Welding Arc
AAmperes VVolts Panel/Local 14 Remote
On Temperature Output Alternating
Current
Stick (SMAW)
Welding Constant Current
(CC) MIG (GMAW)
Welding Constant Voltage
(CV)
Time hHours sSeconds 1Single Phase
3Three Phase Read Operator’s
Manual
SECTION 3 − SPECIFICATIONS
3-1. Weld, Power, And Engine Specifications
Welding
Mode
Weld
Output
Range
Rated Welding
Output
Maximum
Open-
Circuit
Voltage
Auxiliary Power
Rating Engine Fuel Capacity
CC/DC 45 − 600 A 500 A, 40 Volts DC,
60% Duty Cycle
95 (88 in CC
mode on
units with CV) Single-Phase,
3 kVA/kW, 25 A,
Deutz F3L-912
Air-Cooled,
Three-Cylinder, 23 gal (87 L)
CV/DC
(Optional) 14 − 38 V 400 A, 36 Volts DC,
100% Duty Cycle 48
3 kVA/kW
,
25 A
,
120 V AC, 60 Hz
Three Cylinder
,
41.5 HP Diesel
Engine
23 gal (87 L)

OM-129 647 Page 10
3-2. Dimensions, Weights, And Operating Angles
Dimensions
Height 47-5/8 in (1210 mm)
Width 31-1/4 in (794 mm) L
Depth 60-1/2 in (1537 mm) Engine End Do not exceed operating angles while
runnin
g
or en
g
ine dama
g
e will occur.
A59-1/8 in (1502 mm)
running or engine damage will occur
.
Do not move or operate unit where it
ld ti
B47-1/4 in (1200 mm)
p
could tip.
C43-1/4 in (1099 mm)
D32-3/4 in (832 mm)
E24-15/16 in (633 mm) A
C
F10-1/2 in (267 mm) B
C
D
G6-1/2 in (165 mm)
D
E
17 5°
H2-7/8 in (73 mm)
E
F
17.5°
J29-7/8 in (759 mm)
F
G
20°17.5°
K11/16 in (24 mm) G
H
J
K
20°
20
L21/32 in (17 mm) Dia.
16 Holes
H
J
K
angles_1 3/96
Weight ST-158 699
angles
_
1 3/96
1898 lb (861 kg)
3-3. Fuel Consumption
The curve shows typical fuel use
under weld or power loads.
Ref. ST-047 094-C

OM-129 647 Page 11
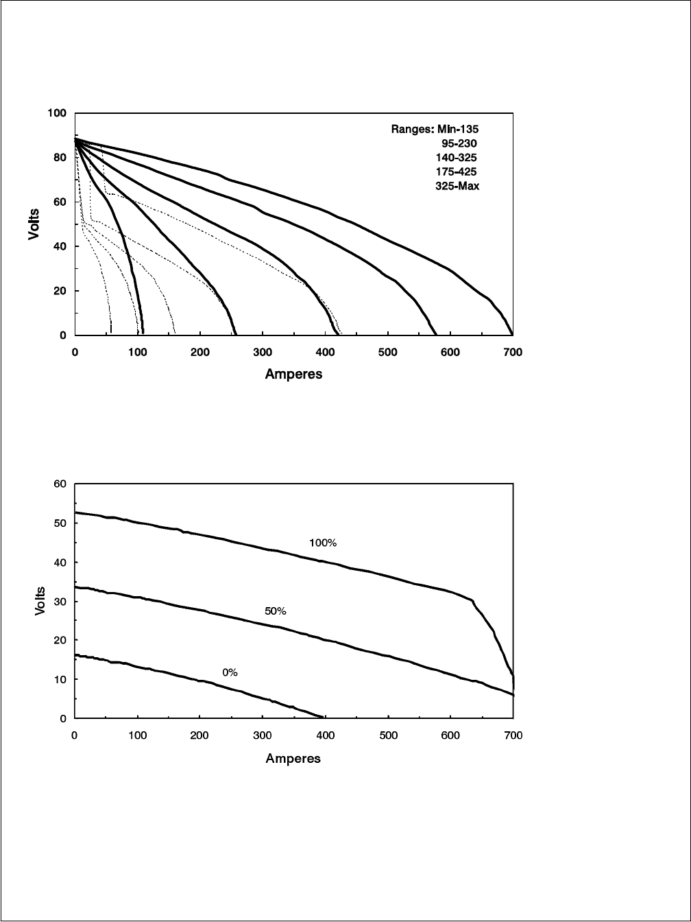
3-4. Duty Cycle And Overheating
rduty1 5/95 − SB-089 697-D
Duty Cycle is percentage of 10
minutes that unit can weld at rated
load without overheating.
Exceeding duty cycle can
damage unit and void
warranty.
60% Duty Cycle At 500 Amperes
6 Minutes Welding 4 Minutes Resting
3-5. AC Auxiliary Power
rsb3.1 2/92 − Ref. SB-005 192-C
The ac power curve shows the
auxiliary power in amperes avail-
able at the 120 and 240 volt recep-
tacles.

OM-129 647 Page 12
3-6. Volt-Ampere Curves
ST-183 880-A / ST-186 173-A
The volt-ampere curve shows the
minimum and maximum voltage
and amperage output capabilities
of the welding generator. Curves of
all other settings fall between the
curves shown.
A. CC/DC (Standard)
B. CV/DC (Models With CV Option)

OM-129 647 Page 13
3-7. Optional AC Power Plant Curves
rsb13.1 12/94 - SB-005 185-B / SB-159 101-A
The ac power curves show the
auxiliary power in amperes avail-
able at the single-phase 120/240
volt or three-phase 240 volt
terminals.
A. 7.5 KVA/KW Single-Phase Auxiliary Power Plant (No Weld Load)
B. 10 KVA/KW Three-Phase Auxiliary Power Plant (No Weld Load)

OM-129 647 Page 14
SECTION 4 − INSTALLATION
4-1. Installing Welding Generator
install1 3/96 − Ref. ST-800 652 / Ref. ST-800 477-A / ST-158 936-A / S-0854
1
2
Electrically bond generator frame to
vehicle frame by metal-to-metal
contact.
GND/PE
34
1 Generator Base
2 Metal Vehicle Frame
3 Equipment Grounding
Terminal
4 Grounding Cable
Use #10 AWG or larger insulated
copper wire.
If unit does not have GFCI
receptacles, use GFCI-
protected extension cord.
2
OR
18 in
(460 mm)
18 in
(460 mm)
18 in
(460 mm) 18 in
(460 mm)
18 in
(460 mm)
OR
Movement Airflow Clearance Location
Grounding
OR
Do Not Lift Unit From End
4-2. Installing Exhaust Pipe
Stop engine and let cool.
1/2 in
Tools Needed:
exh_pipe2 4/96 − ST-154 089-A / ST-154 611 / ST-180 933-B
Do not blow exhaust toward
air cleaner or air intake.
Top View

OM-129 647 Page 15
4-3. Activating The Dry Charge Battery
drybatt1 2/96 − S-0886
Remove battery from unit.
1 Eye Protection − Safety
Glasses Or Face Shield
2 Rubber Gloves
3 Vent Caps
4 Sulfuric Acid Electrolyte
(1.265 Specific Gravity)
5 Well
Fill each cell with electrolyte to
bottom of well (maximum).
Do not overfill battery cells.
Wait ten minutes and check elec-
trolyte level. If necessary, add elec-
trolyte to raise to proper level.
Reinstall vent caps.
6 Battery Charger
Read and follow all instruc-
tions supplied with battery
charger.
Charge battery for 12 minutes at 30
amperes or 30 minutes at 5 am-
peres. Disconnect charging cables
and install battery.
When electrolyte is low, add
only distilled water to cells to
maintain proper level.
3
Tools Needed:
1
2
4
6
30 A For 12 Minutes
5 A For 30 Minutes
OR
+
−
5

OM-129 647 Page 16
4-4. Connecting The Battery
1/2 in
−
+
Connect Negative (−)
Cable Last.
ST-153 654-B / ST-180 933-B / S-0756-C
Tools Needed:
4-5. Engine Prestart Checks
Full
1/2 in
(13 mm) Full
Ref. ST-158 633-C
Valve Open
Diesel
Check all fluids daily. Engine must
be cold and on a level surface.
Follow run-in procedure in engine
manual. If unburned fuel and oil
collect in exhaust pipe during run-
in, see Section 9.
1 Fuel
Do not use gasoline. Gaso-
line will damage engine.
Add fresh diesel fuel before start-
ing engine the first time (see main-
tenance label for specifications).
Fill fuel tank up to 1/2 in. (13 mm)
from top to allow room for expan-
sion. Open fuel shut-off valve.
Do not run out of fuel or air enters
fuel system and causes starting
problems. See engine manual to
bleed air from fuel system.
2 Oil
After fueling, check oil with unit on
level surface. If oil is not up to full
mark on dipstick, add oil (see
maintenance label).
To improve cold weather
starting:
Keep battery in good condi-
tion. Store battery in warm
area off concrete surface.
Use fuel formulated for cold
weather (diesel fuel can gel in
cold weather). Contact local
fuel supplier for fuel in-
formation.
Use correct grade oil for cold
weather.

OM-129 647 Page 17
4-6. Connecting To Weld Output Terminals
ST-158 700
Open left side door.
1 Bracket
Route cables through bracket.
2 Positive (+) Weld Output
Terminal
3 Negative (−) Weld Output
Terminal
For Stick welding Direct Current
Electrode Positive (DCEP), con-
nect work cable to − terminal and
electrode holder cable to +
terminal.
For Direct Current Electrode Neg-
ative (DCEN), reverse cable
connections.
If equipped with optional polarity
switch, connect electrode holder
cable to Electrode (−) terminal and
work cable to Work (+) terminal.
For MIG and FCAW welding with
CV option, connect work cable to
(−) terminal and wire feeder cable
to (+) terminal
Close door.
Tools Needed:
3
Left Side
2
1
3/4 in
4-7. Selecting Weld Cable Sizes
Total Cable (Copper) Length In Weld Circuit Not Exceeding
Welding
Amperes
100 ft (30 m) Or Less 150 ft
(45 m) 200 ft
(60 m) 250 ft
(70 m) 300 ft
(90 m) 350 ft
(105 m) 400 ft
(120 m)
Amperes
10 − 60%
Duty Cycle 60 − 100%
Duty Cycle 10 − 100% Duty Cycle
100 4 4 4 3 2 1 1/0 1/0
150 3 3 2 1 1/0 2/0 3/0 3/0
200 3 2 1 1/0 2/0 3/0 4/0 4/0
250 2 1 1/0 2/0 3/0 4/0 2-2/0 2-2/0
300 1 1/0 2/0 3/0 4/0 2-2/0 2-3/0 2-3/0
350 1/0 2/0 3/0 4/0 2-2/0 2-3/0 2-3/0 2-4/0
400 1/0 2/0 3/0 4/0 2-2/0 2-3/0 2-4/0 2-4/0
500 2/0 3/0 4/0 2-2/0 2-3/0 2-4/0 3-3/0 3-3/0
600 3/0 4/0 2-2/0 2-3/0 2-4/0 3-3/0 3-4/0 3-4/0
*Weld cable size (AWG) is based on either a 4 volts or less drop or a current density of at least 300 circular mils per ampere. Contact your
distributor for the mm2 equivalent weld cable sizes. S-0007-E

OM-129 647 Page 18
ether1 7/96 − ST-153 382-A / ST-180 933-B
Stop engine.
Improper handling or expo-
sure to ether can harm your
health. Follow manufactur-
er’s safety instructions on
cylinder.
Do not use Ether Starting
Aid while engine is running.
Open side door(s).
1 Ether Cylinder
2 Nozzle
Remove cover and clean cylinder
nozzle.
3 Clamp
4 Fitting
5 Cap
6 Valve
Remove cap and clean fitting.
Install cylinder on fitting. Tighten
clamp.
After installing cylinder, wait at
least 10 minutes before using
to let ether particles settle and
prevent atomizer plugging.
Put cap on fitting when cylinder is
removed.
1
2
3
4
6
5
4-8. Installing Ether Cylinder (Optional Ether Starting Aid)
4-9. Remote A/V Control Receptacle RC3
Ref. ST-154 862-A / ST-048 720-K
1 Remote A/V Receptacle RC3
Connect optional remote control to
RC3 (see Section 5-2).
OR
1

OM-129 647 Page 19
4-10. Remote 14 Receptacle RC3 Information (Optional)
Socket* Socket Information
AJ
B
KI
A24 volts ac. Protected by circuit
breaker CB4.
BI
CLNH
DMG
BContact closure to A completes 24
volts ac contactor control circuit.
DMG
EFI115 volts ac. Protected by circuit
breaker CB3.
JContact closure to I completes 115
volts ac contactor control circuit.
OR
GCircuit common for 24 and 115
volts ac circuits.
OR C 0 to +10 volts dc output to remote
control from min to max of Amper-
age/Voltage control R1.
A/V
DRemote control circuit common.
Ref. ST-800 862-B
A/V
E0 to +10 volts dc input command
signal from remote control.
Ref
.
ST 800 862 B
KChassis common.
*The remaining sockets are not used.
4-11. Terminal Strip 2T Connections (Optional)
Ref. ST-800 862-B / Ref. ST-185 316
Stop engine.
If remote control plug does not fit in
receptacle RC3, wire cord directly
to terminal strip 2T.
Do not connect to Remote
14 receptacle RC3 and ter-
minal strip 2T at the same
time. Use only one remote
control method.
Open right side door.
1 Cover
2 Terminal Strip 2T
Connect leads to 2T using terminal
information shown in Section 4-10.
Reinstall cover. Close door.
Tools Needed:
1
2

OM-129 647 Page 21
5-2. Description Of Standard Controls (See Section 5-1)
This unit has a max OCV control circuit
that resets the Amperage/Voltage Con-
trol to maximum when the arc breaks.
When an arc is struck, weld output con-
trol returns to the front panel or remote
control setting. The Amperage/voltage
Control adjusts amperage only when
welding and does not adjust open-circuit
voltage.
1 Ampere Range Switch
Use switch to select one of five ampere
ranges.
For most welding applications, use lowest
amperage range possible to help prevent arc
outages.
Do not switch under load.
2 Amperage/Voltage Control
Control adjusts amperage within range se-
lected by Ampere Range switch. Weld output
would be 223 A DC with controls set as
shown (50% of 125 to 320 A).
3 Remote A/V Control Receptacle And
Switch
Connect optional remote control to RC3 (See
Section 4-9). Use switch to select front panel
or remote amperage control (see example
below).
4 Manual Stop Control
5 Engine Start Button
6 Ether Starting Aid Switch (Optional)
Push switch up and release while cranking
engine to release ether.
Do not use Ether if engine is running.
To Start: Press button and use Ether switch
(if necessary). Release button when engine
starts.
Do not crank engine while engine is turning.
To Stop: Pull control out and hold. Release
control when engine stops.
7 DC Ammeter (Optional)
8 DC Voltmeter (Optional)
9 Oil Pressure Warning Light
Light goes off if oil pressure is too low.
If light goes off, stop engine and
check oil level.
10 Battery Charging Warning Light
Light goes on when battery is not charging.
If light goes on, stop engine and
check engine belt.
11 Engine Hour Meter
12 Polarity Switch (Optional)
S-0774 / Ref. ST-180 933-B
Example: Combination Remote Amperage Control
In Example:
Range = 125 to 320 A
Percentage Of Range = 50%
Max = 223 A DC (50% of 125 to 320)
Adjust Optional Remote ControlSet Switches Set Range Set Percentage
Max (223 A DC)
Min (100 A DC)

OM-129 647 Page 23
5-4. Description Of Controls For Models With CV Option (See Section 5-3)
This unit has a max OCV control circuit
that resets Amperage/Voltage Control
R1 to maximum when the arc breaks.
When an arc is struck, weld output con-
trol returns to the R1 front panel or com-
bination front panel/remote control
setting. The Amperage/Voltage control
adjusts amperage only when constant
current (CC) welding and does not ad-
just open-circuit voltage. The max OCV
control circuit does not function when
constant voltage (CV) welding.
1 Ampere Range Switch
Do not switch under load.
Use switch to select one of five ampere
ranges. Use the lower four ranges for CC
welding. Use the highest range for CV/DC
welding.
For most welding applications, use lowest
amperage range possible to help prevent arc
outages.
2 Amperage/Voltage Control
With CC/CV switch in CC position, use con-
trol to adjust amperage within range selected
by Ampere Ranges switch. With switch in CV
position, use control to adjust voltage.
Weld output would be 223 A DC with
amperage controls set as shown (50% of 125
to 320 A).
3 Manual Stop Control
4 Engine Start Button
5 Ether Starting Aid Switch (Optional)
Push switch up and release while cranking
engine to release ether.
Do not use Ether if engine is running.
To Start: Press button and use Ether switch
(if necessary). Release button when engine
starts.
Do not crank engine while engine is turning.
To Stop: Pull control out and hold. Release
control when engine stops.
6 DC Ammeter (Optional)
7 DC Voltmeter (Optional)
8 Oil Pressure Warning Light
Light goes off if oil pressure is too low.
If light goes off, stop engine and
check oil level.
9 Battery Charging Warning Light
Light goes on when battery is not charging.
If light goes on, stop engine and
check engine belt.
10 Engine Hour Meter
11 Polarity Switch (Optional)
12 Constant Current/Constant Voltage
(CC/CV) Switch
Use switch to select type of weld output. Use
CC for Stick (SMAW) welding. Use CV for
wire feed processes (MIG, FCAW). If using
CV, place Ampere Range switch in maxi-
mum position.
13 Output/Contactor Switch
Weld output terminals are energized
when Output/Contactor switch is On
and engine is running
Use switch to control remote contactor con-
nected to Remote 14 receptacle RC3 or ter-
minal strip 2T.
For weld output, place switch in the On posi-
tion. Open-circuit voltage is present at the
weld output terminals whenever engine is
running.
For remote output control, place switch in
Remote position. Open-circuit voltage is
present at the weld output terminals when
remote contactor switch is closed.
14 Amperage/Voltage Control Switch
Use switch to select front panel or remote
amperage and voltage adjustment.
For front panel control, place switch in Panel
position. For remote control, place switch in
Remote position and connect remote control
to Remote 14 receptacle RC3 or terminal
strip 2T.
S-185 440 / Ref. ST-185 762-B / S-0774
Min
Max
Set Switches Adjust Remote ControlSet Range Set Percentage
Example: Combination Remote Amperage Control In Example:
Mode = CC
Range = 125 to 320 A DC
Percentage Of Range = 50%
Min = 125 A DC
Max = 223 A DC
(50% of 125 to 320)
(223 A DC)
(125 A DC)

OM-129 647 Page 24
SECTION 6 − OPERATING AUXILIARY EQUIPMENT
6-1. 120 Volt And 240 Volt Duplex Receptacles
Ref. ST-180 933-B
3
2
If unit does not have GFCI
receptacles, use GFCI-pro-
tected extension cord.
1 120 V 15 A AC Receptacle
RC2
2 240 V 15 A AC Receptacle
RC1
Receptacles supply 60 Hz single-
phase power at weld/power speed.
3 Circuit Breakers CB1 And
CB2
CB1 and CB2 protect RC1 and
RC2 from overload. If CB1 or CB2
opens, RC1 and one half of RC2
does not work. 120 volts may still
be present at RC1. Press button to
reset breaker.
If a circuit breaker continues to
open, contact Factory Autho-
rized Service Agent.
Maximum output from each duplex
receptacle is 1.8 kVA/kW, and 3
kVA/kW from all receptacles.
Auxiliary power is not affected
by weld output.
EXAMPLE: If 10 A is drawn from
RC1, only 5 A is available at RC2:
(240 V x 10 A) + (120 V x 5 A) = 3.0
kVA/kW
1

OM-129 647 Page 25
6-2. Optional Auxiliary Power Receptacles
Ref. ST-180 933-B / Ref. ST-182 266
Auxiliary power is not affected
by weld output.
If a circuit breaker continues to
open, contact Factory Autho-
rized Service Agent.
GFCI Receptacle Option
1 120 V 15 A AC GFCI
Receptacle GFCI1
Auxiliary power output and circuit
breaker protection is the same as
standard receptacles (see Section
6-1).
If a ground fault is detected, GFCI
Reset button pops out and
receptacle does not work. Check
for faulty tools plugged in
receptacle. Press button to reset.
At least once a month, run en-
gine at weld/power speed and
press test button to verify
GFCI is working properly.
Australian And South African
Receptacle Options
2 240 V 10 A AC Australian
Receptacle RC1
3 240 Volt 13 A AC South
African Receptacle RC1
RC1 supplies 60 Hz single-phase
power at weld/power speed. Maxi-
mum output from receptacle is 3
kVA/kW.
4 Circuit Breaker CB1
CB1 protects RC1 from overload. If
CB1 opens, RC1 does not work.
Press button to reset breaker.
British Receptacle Option
5 240 Volt 13 A AC British
Receptacles RC1 And RC2
RC1 and RC2 supply 60 Hz single-
phase power at weld/power speed.
Maximum combined output from
both receptacles is 3 kVA/kW.
6 Circuit Breaker CB1
CB1 protects RC1 and RC2 from
overload. If CB1 opens, the recep-
tacles do not work. Press button to
reset breaker.
2
4
5
1
43
6

OM-129 647 Page 26
6-3. Connecting Optional Auxiliary Power Plant
Ref. S-180 187-A
Stop engine.
Power and weld outputs are
live at the same time. Discon-
nect or insulate unused
cables.
Have qualified person install
according to circuit diagram and
Auxiliary Power Guidelines Booklet
(M176 712).
Remove junction box cover.
1 Lead 93
2 Lead 92
3 Lead 91
4 Lead 90 (Neutral)
5 Lead 42 (Circuit Grounding
Lead)
Lead 42 connects to front panel
Ground stud.
6 Grounding Terminal
7 Jumper Lead 42
8 Isolated Neutral Terminal
Jumper 42 is connected to lead 90
at factory. Jumper 42 may be dis-
connected from neutral to meet
applicable electrical codes.
9 User-Supplied Leads
10 Load Terminals
Connect leads to terminals.
11 Fuses F1, F2, And F3
F1, F2, and F3 protect each load
line from overload.
Set Engine Control switch to
Run when using auxiliary
power.
4
5
78
9
6
10 11
Tools Needed:
93
91
90
92
240V
120V
120V
240V
240V
240V
1 3
Volts
Amps
KVA/KW
Single
120/240
31
7.5
Three
240
24
10
60 HzFrequency
Engine Speed
Max. Fuse Size 35 Amperes
1850 RPM
AC Phase
1 Phase
3
Output
Lead 42 connects to GROUND stud on front of
unit.
Jumper 42 is connected to 90 at factory.
F3
F2
F1
1
2
3
78

OM-129 647 Page 27
SECTION 7 − MAINTENANCE & TROUBLESHOOTING
7-1. Routine Maintenance
Follow the storage procedure in the engine owner’s manual if the unit will not be
used for an extended period.
NOTE
Recycle
engine
fluids.
Stop engine before maintaining.
See also Engine Manual and Maintenance Label.
Service engine more often if used in severe
conditions.
* To be done by Factory Authorized Service Agent.
8 h
Check Fluid
Levels. See
Section 4-5.
Wipe
Up
Spills.
Drain Water
From Fuel
System.
OIL
Full
FUEL
WATER
50 h
Clean Air Filter.
See Section 7-3.
Clean And
Tighten
Weld
Terminals.
100 h
Clean And
Tighten
Battery
Connections.
Change Oil. See
Section 7-4.
Change Oil
Filter. See
Section 7-4.
250 h200 h
Check And
Clean Spark
Arrestor. See
Section 7-9.
Replace
Unreadable
Labels.
500 h
Repair
Or
Replace
Cracked
Cables.
1000 h
Blow Out Or
Vacuum Inside.
During Heavy
Service,
Clean Monthly.
OR Drain Sludge
From Fuel
Tank. See
Section 7-4.
FUEL
SLUDGE
Service Welding
Generator Brushes
And Slip Rings.
Service More Often
In Dirty Conditions.*
Change Fuel
Filters. See
Section 7-4.
Check
Valve
Clearance.*
1/2 in.
(13 mm) Check Belt
Tension. See
Section 7-7.

OM-129 647 Page 28
7-2. Maintenance Label
DEUTZ F3L912 DIESEL ENGINE
Check
Recommended Oil API Service Classification CD/CE (or better). . .
Oil Change & Filter dirty conditions 100 hours or less. . . . . . . . . . . .
normal conditions 125-150 hours. . . . . . .
Oil Filter MILLER 064 677, Deutz 117-4418, Fram PH6923. . . . . . . . . . . .
Oil Capacity 8.5 qt (8 L) or 9 qt (8.5 L) with filter change. . . . . . . .
+
S-181 642-B
Spark Arrestor Inspection And Service 250 operating hours −. . . . . . . . . . see Owner’s Manual
Fuel Capacity 23 gal (87 L). . . . . . .
Fuel Grade 1-D or 2-D Cetane No. 45 min.. . . . . . . . .
Secondary
Fuel Filter MILLER 064 686, Deutz 117-4423, Fram P4102. . . . . . . . . .
Primary Fuel Filter/
Water Separator MILLER 062 342, Fram P1107. . . . .
Fill filter with clean fuel before installing − read instructions on filter.
Engine RPM − No Load
Weld 1850. . . . . . . . . . . .
Air Filter Service 50 hours or less − see Owner’s Manual. . . . .
Air Filter Element MILLER 020 319, Donaldson P181052,. . . . Fram CAK 253
Alternator Belt Gates 7425, Deutz 0223−5179. . . . . . .
Blower Belt MILLER 064 690, Deutz 223-5531, Gates N7500. . . . . . . . .
Avoid recirculation of air from hot air exit to blower intake.
Have only trained technician maintain injection pump and injectors. AIR,
WATER, or GASOLINE will harm the injection system. If engine has run
out of fuel or fuel filter is changed, bleeding of air may be required.
Check engine manual for proper procedure.
Diesel
See Engine Manual for complete engine care.
Give Engine Specification and Serial Number when ordering parts.
daily.
Battery BCI Group 31. . . . . . . . . . . . .
Cranking Performance at 0°F (-18°C) 800 Amps. . . . .
Valve Clearance − Cold
Intake 0.006 in (0.15 mm). . .
Exhaust 0.006 in (0.15 mm).
Injectors should be checked annually.
30 °C
20
10
0
−10
−20
−30
−40
°F 86
77
68
59
50
41
32
23
14
5
−4
−13
−22
−31
−40
5W/30 (Synthetic)
10W/30
40
10W/40
15W/30
15W/40
30
20W/20
10W
**
*Only with engine
oil preheating

OM-129 647 Page 29
7-3. Servicing Air Cleaner
aircleaner1 4/96 − ST-153 929-B / ST-153 585 / Ref. ST-180 933-B / Ref. S-0698-B
Stop engine.
Do not run engine without air
cleaner or with dirty element.
Clean or replace element if dirty or
damaged. Replace element yearly
or after six cleanings.
1 Dust Cap
2 Baffle
3 Element
4 Plastic Fins
5 Housing
To clean air filter:
Wipe off cap and housing. Remove
cap and dump out dust. Wipe dust
from inside cap and housing with
damp cloth. Remove element and
reinstall cap.
Do not clean housing with air
hose.
Clean element with compressed air
only. Keep nozzle at least 1 in (25
mm) from inside of element. Max.
air pressure: 100 psi (690 kPa). Do
not remove plastic fins. Replace
element if it has holes or damaged
gaskets.
Reinstall element and cap (cap
arrows pointing up).
1235 4
Blow Inspect

OM-129 647 Page 30
7-4. Servicing Fuel And Lubrication Systems
Ref. ST-158 633-C / Ref. ST-180 933-B
Stop engine and let cool.
1 Oil Filter
2 Oil Drain Plug
3 Oil Drain Hose (Optional)
4 Oil Fill Cap
5 Primary Fuel Filter (Fuel/
Water Separator)
6 Petcock
7 Secondary Fuel Filter
8 Fuel Shutoff Valve
9 Fuel Line
10 Sludge Drain Plug
To change oil and filter:
See engine manual.
To drain water from fuel system:
Open primary fuel filter petcock
and drain water into metal contain-
er. Close petcock when water-free
fuel flows.
To replace primary fuel filter:
Close shutoff valve and turn filter
counterclockwise. Remove filter.
Apply thin coat of fuel to gasket on
new filter. Install new filter and turn
clockwise. Open shutoff valve.
Bleed air from fuel system accord-
ing to engine manual.
Inspect fuel line, and replace if
cracked or worn.
To replace secondary fuel filter:
See engine manual.
To drain sludge from fuel tank:
Put metal container under drain,
and remove sludge drain plug. Re-
install plug when done.
After servicing, start engine
and check for fuel leaks.
Stop engine, tighten con-
nections as necessary, and
wipe up spilled fuel.
Close doors.
3/8, 7/16, 3/4 in
5
10
6
8
7
9
2
1
4
Under Left Side
Of Fuel Tank
Valve Open
Tools Needed:
2
3

OM-129 647 Page 31
7-5. Adjusting Engine Speed
ST-045 768-B
Engine speed is factory set and
should not require adjustment. Af-
ter tuning engine, check engine
speed with tachometer. See table
for proper no load speed. If neces-
sary, adjust speed as follows:
1 Plastic Cap
2 High Speed Stop Screw
3 Lock Nut
Remove plastic cap from screw.
Loosen nut. Turn screw out (to-
ward front of engine) several turns.
4 Linkage
5 Lock Nuts
Loosen nuts. Start engine and
move linkage until engine runs at
weld/power speed. Tighten nuts.
Stop engine.
6 Speed Control Lever
Turn screw in until screw touches
lever. Tighten lock nut on screw
and reinstall plastic cap.
Close side door.
1
3/8 in
243
5
Right Side
6
RPM
1850
Tools Needed:
Engine Speed
(No Load)
Weld/Power
7-6. Servicing Optional Ether Starting Aid
ether2 7/96 − ST-153 382-A / Ref. ST-180 933-B / S-0692
Stop engine.
Improper handling or expo-
sure to ether can harm your
health. Follow manufactur-
er’s safety instructions on
cylinder.
If engine does not start in cold
weather, check ether cylinder as
follows:
Remove cylinder from valve.
1 Ether Cylinder
2 Valve
3 Scale
Weigh cylinder to see if it is empty.
Be sure atomizer is not plugged
and valve fitting is clean.
Replace cylinder according to
Section 4-8.
1
2
15 oz33 oz
(935 g) (425 g)
3
Full Empty

OM-129 647 Page 32
7-7. Checking And Replacing Alternator Belt
ST-158 632 / Ref. ST-180 933-B
Stop engine.
To check belt tension:
Remove rear panel.
1 Alternator V-Belt
2 Crank Pulley
3 Alternator Pulley
Place straight edge along top of
pulleys. Pull down belt as far as it
will go, then measure distance
from belt to straight edge.
If measurement is less than 1/2 in
(13 mm), belt is okay. If not okay,
adjust belt tension.
To adjust belt tension:
4 Hex Nuts (2)
5 Alternator Bracket
Loosen nuts. Pivot alternator until
belt is tight. Tighten nuts. Recheck
tightness of belt. Readjust if
necessary.
Replace belt if damaged or
cracked.
To replace belt:
Loosen hex nuts and pivot alterna-
tor clockwise. Remove belt.
Install new belt, pivot alternator un-
til belt is tight, and tighten nuts. Re-
check tightness of belt after run-
ning engine 15 minutes.
Reinstall rear panel.
1
1/2, 11/16 in
1/2 in
(13 mm)
Max
4
3
5
2
Tools Needed:

OM-129 647 Page 33
7-8. Resetting Fan Belt Safety Shutdown
ST-158 715 / Ref. ST-158 632 / Ref. ST-180 933-B
Stop engine.
1 Cooling Fan V-Belt
See engine manual to replace or
tighten belt.
If belt breaks or becomes loose,
safety shutdown stops engine.
Correct problem, then reset safety
shutdown as follows:
2 Rod
3 Stop
4 Bracket
5 Handle
Pull handle towards front of unit un-
til stop snaps in position behind
bracket.
Close door.
1
3/8 in
Right Side
5
2
3
4
Tools Needed:
Pull Handle To
Reset Shutdown

OM-129 647 Page 34
7-9. Inspecting And Cleaning Optional Spark Arrestor Muffler
ST-800 633-B / Ref. ST-180 933-B
Stop engine and let cool.
1 Spark Arrestor Muffler
2 Cleanout Plug
Remove plug and remove any dirt
covering cleanout hole.
3 Exhaust Pipe
Start engine and run at idle speed
to blow out cleanout hole. If nothing
blows out of hole, briefly cover end
of exhaust pipe with fireproof
material.
Stop engine and let cool.
Reinstall cleanout plug.
Tools Needed:
3
21
3/8 in
7-10. Overload Protection For Models With CV Option
1 Circuit Breaker CB3
CB3 protects the 115 volt ac output
to Remote receptacle RC3 and ter-
minal strip 2T.
If CB3 opens, the 115 volt ac output
stops.
2 Circuit Breaker CB4
CB4 protects the 24 volts ac output
to Remote receptacle RC3 and ter-
minal strip 2T.
If CB3 opens, the 24 volt ac output
stops.
Press button to reset circuit
breaker. If a breaker continues
to open, contact Factory Au-
thorized Service Agent.
1
ST-800 862-A / ST-148 404
2

OM-129 647 Page 35
7-11. Troubleshooting
A. Welding
Trouble Remedy
No weld output. Check position of Ampere Range switch.
Check position of optional polarity switch.
Disconnect equipment from auxiliary power receptacles during start-up.
Place A/V Control switch in Panel position, or place switch in Remote position and connect remote con-
trol to Remote A/V Control receptacle RC3 (see Sections 4-9 and 5-1).
Check and secure connections to Remote A/V Control receptacle RC3 (see Section 4-9).
Place optional Output/Contactor Control switch in On position, or place switch in Remote position and
connect remote contactor to optional Remote 14 receptacle RC3 or terminal strip 2T (see Sections 4-10
and 4-11).
Have Factory Authorized Service Agent check brushes and slip rings, field excitation circuit, and
optional field current regulator board PC1.
Erratic weld output. Check and tighten connections inside and outside unit.
Be sure connection to work piece is clean and tight.
Use dry, properly stored electrodes.
Remove excessive coils from weld cables.
Check Ampere Range switch connections and contacts.
High or low weld output. Check engine speed, and adjust if necessary (see Section 7-5).
Check optional CC/CV switch position.
Low open-circuit voltage. Check engine speed, and adjust if necessary (see Section 7-5).
Check optional CC/CV switch position.
Have Factory Authorized Service Agent check optional field current regulator board PC1 and CV
regulator board PC2.
Maximum weld output only in each
ampere range. Have Factory Authorized Service Agent check Amperage/Voltage control R1, capacitor C8, diode D8,
integrated rectifier SR4, control relay CR2, and optional CV regulator board PC2.
Wire feeder does not work (models with
CV option). Reset circuit breaker CB3 and/or CB4 (see Section 7-10).
Check connections to optional Remote 14 receptacle RC3 and terminal strip 2T (see Sections 4-10 and
4-11).
Repair or replace wire feeder.
No amperage control (or voltage control
on models with CV option). Place A/V Control switch in correct position.
Check connections to optional Remote 14 receptacle RC3 and terminal strip 2T (see Sections 4-10 and
4-11).
Repair or replace remote control device.
Have Factory Authorized Service Agent check optional CV regulator board PC2.
Low CV weld output (models with CV
option). Set Ampere Range switch to highest range.
Min or max CV weld output only (models
with CV option). Check position of Amperage/voltage control and Amperage/Voltage Control switch.

OM-129 647 Page 36
Trouble Remedy
Repair or replace remote control device.
Have Factory Authorized Service Agent check optional CV regulator board PC2.
B. Auxiliary Power
Trouble Remedy
No output at auxiliary power
receptacles. Reset receptacle circuit breakers.
Have Factory Authorized Service Agent check brushes and slip rings, and optional field current regula-
tor board PC1.
High or low output at auxiliary power
receptacles. Check engine speed, and adjust if necessary (see Section 7-5).
No or low output at optional auxiliary
power plant. Check connections to auxiliary power plant (see Section 6-3).
Check engine speed, and adjust if necessary (see Section 7-5).
Place A/V Control switch in Panel position, or place switch in Remote position and connect remote con-
trol to Remote A/V Control receptacle RC3 (see Sections 4-9 and 5-1).
Check fuses F1, F2, and F3 and replace as necessary (see Section 6-3).
Set optional remote control at maximum (see Section 4-9 or 4-10).
Place optional Output/Contactor Control switch in On position, or place switch in Remote position and
connect remote contactor to optional Remote 14 receptacle RC3 or terminal strip 2T (see Sections 4-10
and 4-11).
Place optional CC/CV switch in CC position (see Section 5-3).
Have Factory Authorized Service Agent check brushes and slip rings, and optional field current regula-
tor board PC1.
High output at optional auxiliary power
plant. Check engine speed, and adjust if necessary (see Section 7-5).
Have Factory Authorized Service Agent check optional field current regulator board PC1.
C. Engine
Trouble Remedy
Engine does not start. Check fuel level (see Section 4-5).
Open fuel valve (see Section 4-5).
Check battery and replace if necessary.
Check blower fan V-belt according to engine manual. Safety shutdown stops engine if belt is broken
or loose (see Section 7-8).
Check engine Start button and replace if necessary.
Check engine charging system according to engine manual.
See engine manual.
Engine suddenly stops. Check blower fan V-belt according to engine manual. Safety shutdown stops engine if belt is broken
or loose (see Section 7-8).
See engine manual.
Battery discharges between uses. Clean top of battery with baking soda and water solution; rinse with clear water.
Recharge or replace battery if necessary.

OM-129 647 Page 38
Notes

OM-129 647 Page 39
SECTION 8 − ELECTRICAL DIAGRAMS
180 941-A
Figure 8-1. Circuit Diagram For Welding Generator (Standard Models)

OM-129 647 Page 40
Figure 8-2. Circuit Diagram For Welding Generator (Models With CV Option)

OM-129 647 Page 41
184 954-C

OM-129 647 Page 42
SECTION 9 − RUN-IN PROCEDURE
run_in1 6/96
9-1. Wetstacking
1 Welding Generator
Run diesel engines near rated
output during run-in period to prop-
erly seat piston rings and prevent
wetstacking. See nameplate or
rating label to find rated output.
Do not idle engine longer than
necessary. Piston rings seat
faster if engine runs at weld/
power rpm, and the welding
generator is kept loaded dur-
ing run-in.
2 Engine Exhaust Pipe
Wetstacking is unburned fuel and
oil in the exhaust pipe and occurs
during run-in if the engine is run too
long at light load or idle rpm.
If exhaust pipe is coated with a
wet, black, tar-like substance, dry
the engine using one of the follow-
ing run-in procedures.
See the engine manual for addi-
tional engine run-in information.
1
2

OM-129 647 Page 43
9-2. Run-In Procedure Using Load Bank
S-0683
Stop engine.
Do not touch hot exhaust
pipe, engine parts, or load
bank/grid.
Keep exhaust and pipe away
from flammables.
1 Load Bank
Turn all load bank switches Off. If
needed, connect load bank to 115
volts ac wall receptacle or genera-
tor auxiliary power receptacle.
2 Welding Generator
Place A/V range switch in maxi-
mum position, A/V control in mini-
mum position, and Output Selector
switch (if present) in either DC
position.
3 Weld Cables
Connect load bank to generator
weld output terminals using proper
size weld cables with correct
connectors. Observe correct
polarity.
Start engine and run for several
minutes.
Set load bank switches and then
adjust generator A/V control so
load equals rated generator output
(see nameplate).
Check generator and load bank
meters after first five minutes then
every fifteen minutes to be sure
generator is loaded properly.
Check oil level frequently dur-
ing run-in; add oil if needed.
After one hour (minimum) place
A/V control in minimum position,
then turn off load bank to remove
load. Run engine several minutes
at no load.
Stop engine and let cool.
4 Engine Exhaust Pipe
Repeat procedure if wetstacking is
present.
2
3
4
1

OM-129 647 Page 44
9-3. Run-In Procedure Using Resistance Grid
S-0684
Stop engine.
Do not touch hot exhaust
pipe, engine parts, or load
bank/grid.
Keep exhaust and pipe away
from flammables.
1 Resistance Grid
Use grid sized for generator rated
output.
Turn Off grid.
2 Welding Generator
Place A/V range switch in maxi-
mum position, A/V control in mini-
mum position, and Output Selector
switch (if present) in either DC
position.
3 Weld Cables
Connect grid to generator weld
output terminals using proper size
weld cables with correct connec-
tors (polarity is not important).
4 Voltmeter
5 Clamp-On Ammeter
Connect voltmeter and ammeter
as shown, if not provided on
generator.
Start engine and run for several
minutes.
Set grid switches and then adjust
generator A/V control so load
equals rated generator output (see
nameplate).
Check generator and meters after
first five minutes then every fifteen
minutes to be sure generator is
loaded properly.
Check oil level frequently dur-
ing run-in; add oil if needed.
After one hour (minimum), place
A/V control in minimum position,
then shut down grid to remove
load. Run engine several minutes
at no load.
Stop engine and let cool.
6 Engine Exhaust Pipe
Repeat procedure if wetstacking is
present.
1
3
2
5
6
+
4

OM-129 647 Page 45
SECTION 10 − AUXILIARY POWER GUIDELINES
10-1. Selecting Equipment
aux_pwr 2/99 − Ref. ST-159 730 / ST-800 577
1 Auxiliary Power Receptacles
− Neutral Bonded To Frame
2 3-Prong Plug From Case
Grounded Equipment
3 2-Prong Plug From Double
Insulated Equipment
OR
2
Be sure equipment
has this symbol
and/or wording.
3
1
10-2. Grounding Generator To Truck Or Trailer Frame
S-0854
1 Generator Base
2 Metal Vehicle Frame
3 Equipment Grounding
Terminal
4 Grounding Cable
Use #10 AWG or larger insulated
copper wire.
If unit does not have GFCI
receptacles, use GFCI-pro-
tected extension cord.
OR
1
2
Electrically bond generator
frame to vehicle frame by
metal-to-metal contact.
GND/PE
2
3 4

OM-129 647 Page 46
10-3. Grounding When Supplying Building Systems
ST-800 576-B
1 Equipment Grounding
Terminal
2 Grounding Cable
Use #10 AWG or larger insulated
copper wire.
3 Ground Device
Ground generator to system
earth ground if supplying
power to a premises (home,
shop, farm) wiring system.
GND/PE
1 2
Use ground device as stated
in electrical codes.
23
10-4. How Much Power Does Equipment Require?
S-0623
1 Resistive Load
A light bulb is a resistive load and
requires a constant amount of
power.
2 Non-Resistive Load
Equipment with a motor is a non-
resistive load and requires approx-
imately six times more power while
starting the motor than when run-
ning (see Section 10-8).
3 Rating Data
Rating shows volts and amperes,
or watts required to run equipment.
VOLTS 115
4.5
60
AMPS
Hz
1
2
3
3
EXAMPLE 1: If a drill uses 4.5 amperes at 115 volts, calculate its running power
requirement in watts.
4.5 A x 115 V = 520 W
The load applied by the drill is 520 watts.
EXAMPLE 2: If three 200 watt flood lamps are used with the drill from Example 1,
add the individual loads to calculate total load.
The total load applied by the three flood lamps and drill is 1120 watts.
(200 W + 200 W + 200 W) + 520 W = 1120 W
AMPERES x VOLTS = WATTS

OM-129 647 Page 47
10-5. Approximate Power Requirements For Industrial Motors
Industrial Motors Rating Starting Watts Running Watts
Split Phase 1/8 HP 800 300
1/6 HP 1225 500
1/4 HP 1600 600
1/3 HP 2100 700
1/2 HP 3175 875
Capacitor Start-Induction Run 1/3 HP 2020 720
1/2 HP 3075 975
3/4 HP 4500 1400
1 HP 6100 1600
1-1/2 HP 8200 2200
2 HP 10550 2850
3 HP 15900 3900
5 HP 23300 6800
Capacitor Start-Capacitor Run 1-1/2 HP 8100 2000
5 HP 23300 6000
7-1/2 HP 35000 8000
10 HP 46700 10700
Fan Duty 1/8 HP 1000 400
1/6 HP 1400 550
1/4 HP 1850 650
1/3 HP 2400 800
1/2 HP 3500 1100
10-6. Approximate Power Requirements For Farm/Home Equipment
Farm/Home Equipment Rating Starting Watts Running Watts
Stock Tank De-Icer 1000 1000
Grain Cleaner 1/4 HP 1650 650
Portable Conveyor 1/2 HP 3400 1000
Grain Elevator 3/4 HP 4400 1400
Milk Cooler 2900 1100
Milker (Vacuum Pump) 2 HP 10500 2800
FARM DUTY MOTORS 1/3 HP 1720 720
Std. (e.g. Conveyors, 1/2 HP 2575 975
Feed Augers, Air 3/4 HP 4500 1400
Compressors) 1 HP 6100 1600
1-1/2 HP 8200 2200
2 HP 10550 2850
3 HP 15900 3900
5 HP 23300 6800
High Torque (e.g. Barn 1-1/2 HP 8100 2000
Cleaners, Silo Unloaders, 5 HP 23300 6000
Silo Hoists, Bunk Feeders) 7-1/2 HP 35000 8000
10 HP 46700 10700
3-1/2 cu. ft. Mixer 1/2 HP 3300 1000
High Pressure 1.8 Gal/Min 500 PSI 3150 950
Washer 2 gal/min 550 PSI 4500 1400
2 gal/min 700 PSI 6100 1600
Refrigerator or Freezer 3100 800
Shallow Well Pump 1/3 HP 2150 750
1/2 HP 3100 1000
Sump Pump 1/3 HP 2100 800
1/2 HP 3200 1050

OM-129 647 Page 48
10-7. Approximate Power Requirements For Contractor Equipment
Contractor Rating Starting Watts Running Watts
Hand Drill 1/4 in 350 350
3/8 in 400 400
1/2 in 600 600
Circular Saw 6-1/2 in 500 500
7-1/4 in 900 900
8-1/4 in 1400 1400
Table Saw 9 in 4500 1500
10 in 6300 1800
Band Saw 14 in 2500 1100
Bench Grinder 6 in 1720 720
8 in 3900 1400
10 in 5200 1600
Air Compressor 1/2 HP 3000 1000
1 HP 6000 1500
1-1/2 HP 8200 2200
2 HP 10500 2800
Electric Chain Saw 1-1/2 HP, 12 in 1100 1100
2 HP, 14 in 1100 1100
Electric Trimmer Standard 9 in 350 350
Heavy Duty 12 in 500 500
Electric Cultivator 1/3 HP 2100 700
Elec. Hedge Trimmer 18 in 400 400
Flood Lights HID 125 100
Metal Halide 313 250
Mercury 1000
Sodium 1400
Vapor 1250 1000
Submersible Pump 400 gph 600 200
Centrifugal Pump 900 gph 900 500
Floor Polisher 3/4 HP, 16 in 4500 1400
1 HP, 20 in 6100 1600
High Pressure Washer 1/2 HP 3150 950
3/4 HP 4500 1400
1 HP 6100 1600
55 gal Drum Mixer 1/4 HP 1900 700
Wet & Dry Vac 1.7 HP 900 900
2-1/2 HP 1300 1300

OM-129 647 Page 49
10-8. Power Required To Start Motor
S-0624
1 Motor Start Code
2 Running Amperage
3 Motor HP
4 Motor Voltage
To find starting amperage:
Step 1: Find code and use table to
find kVA/HP. If code is not listed,
multiply running amperage by six
to find starting amperage.
Step 2: Find Motor HP and Volts.
Step 3: Determine starting amper-
age (see example).
Welding generator amperage out-
put must be at least twice the
motor’s running amperage.
VOLTS AMPS
HP
230 2.5
1/4
Hz
PHASE
CODE 60
1
M
AC MOTOR
12
3
4
Single-Phase Induction Motor Starting Requirements
Motor Start
Code GHJ K LMNP
KVA/HP 6.3 7.1 8.0 9.0 10.0 11.2 12.5 14.0
EXAMPLE: Calculate the starting amperage required for a 230 V, 1/4
HP motor with a motor start code of M.
Starting the motor requires 12.2 amperes.
11.2 x 1/4 x 1000
230 = 12.2 A
kVA/HP x HP x 1000
VOLTS = STARTING AMPERAGE
Volts = 230 HP = 1/4 Using Table, Code M results in kVA/HP = 11.2
10-9. How Much Power Can Generator Supply?
Ref. ST-800 396-A / S-0625
1 Limit Load To 90% Of
Generator Output
Always start non-resistive (motor)
loads in order from largest to
smallest, and add resistive loads
last.
2 5 Second Rule
If motor does not start within 5
seconds, turn off power to prevent
motor damage. Motor requires
more power than generator can
supply.
1
2

OM-129 647 Page 50
10-10. Typical Connections To Supply Standby Power
S-0405-A
1 Power Company Service
Meter
2 Main and Branch Overcurrent
Protection
3 Double-Pole, Double-Throw
Transfer Switch
Obtain and install correct switch.
Switch rating must be same as or
greater than the branch overcur-
rent protection.
4 Circuit Breakers or Fused
Disconnect Switch
Obtain and install correct circuit
breakers or switch.
5 Extension Cord
Select as shown in Section 10-11.
6 Generator Connections
Connect terminals or plug of ade-
quate amperage capacity to cord.
Follow all applicable codes and
safety practices.
Turn off or unplug all equipment
connected to generator before
starting or stopping engine. When
starting or stopping, the engine has
low speed which causes low volt-
age and frequency.
7 Load Connections
Customer-supplied equipment is required if
generator is to supply standby power during
emergencies or power outages.
120/240 Volt
60 Hz
Three-Wire
Service
240 V
120 V
120 V
Neutral
240 V
120 V
120 V
120/240 Volt
Single-Phase
Three-Wire
Generator Output
Connection Ground
F1
or
CB
240 V
120 V
120 V
Load
1
23
6
74
5
Item 4 is not necessary if circuit
protection is already present in
welding generator auxiliary
power output circuit.

OM-129 647 Page 51
10-11. Selecting Extension Cord (Use Shortest Cord Possible)
Cord Lengths for 120 Volt Loads
If unit does not have GFCI receptacles, use GFCI-protected extension cord.
Maximum Allowable Cord Length in ft (m) for Conductor Size (AWG)*
Current
(Amperes) Load (Watts) 4 6 8 10 12 14
5 600 350 (106) 225 (68) 137 (42) 100 (30)
7 840 400 (122) 250 (76) 150 (46) 100 (30) 62 (19)
10 1200 400 (122) 275 (84) 175 (53) 112 (34) 62 (19) 50 (15)
15 1800 300 (91) 175 (53) 112 (34) 75 (23) 37 (11) 30 (9)
20 2400 225 (68) 137 (42) 87 (26) 50 (15) 30 (9)
25 3000 175 (53) 112 (34) 62 (19) 37 (11)
30 3600 150 (46) 87 (26) 50 (15) 37 (11)
35 4200 125 (38) 75 (23) 50 (15)
40 4800 112 (34) 62 (19) 37 (11)
45 5400 100 (30) 62 (19)
50 6000 87 (26) 50 (15)
*Conductor size is based on maximum 2% voltage drop
Cord Lengths for 240 Volt Loads
If unit does not have GFCI receptacles, use GFCI-protected extension cord.
Maximum Allowable Cord Length in ft (m) for Conductor Size (AWG)*
Current
(Amperes) Load (Watts) 4 6 8 10 12 14
5 1200 700 (213) 450 (137) 225 (84) 200 (61)
7 1680 800 (244) 500 (152) 300 (91) 200 (61) 125 (38)
10 2400 800 (244) 550 (168) 350 (107) 225 (69) 125 (38) 100 (31)
15 3600 600 (183) 350 (107) 225 (69) 150 (46) 75 (23) 60 (18)
20 4800 450 (137) 275 (84) 175 (53) 100 (31) 60 (18)
25 6000 350 (107) 225 (69) 125 (38) 75 (23)
30 7000 300 (91) 175 (53) 100 (31) 75 (23)
35 8400 250 (76) 150 (46) 100 (31)
40 9600 225 (69) 125 (38) 75 (23)
45 10,800 200 (61) 125 (38)
50 12,000 175 (53) 100 (31)
*Conductor size is based on maximum 2% voltage drop

OM-129 647 Page 52
SECTION 11 − PARTS LIST
1
3
2
45
6
7
6
8
9
10
6
711
12
13
14
15
16
17
18
19
20
21
22
23
676710
24
25 26
70
69
66
65
64
74
75
76
77
78
79
80
81
82
83
84
85
86
Fig 11-5
87
Fig 11−6
&Fig 11-7
88
89
90
91
92
93
Fig 11-2
96
97
98
99
100
101
94 95
Hardware is common and
not available unless listed.
Figure 11-1. Main Assembly

OM-129 647 Page 53
ST-048 455-AA
27
28
29
30
31
32
33
34
35
36
37
38
39
40
41
42
43
44
46
47
48
49
50
45
51
52
53
55 54
56
57
59
60
61
62
63
64
65
66
67
68
Fig 11-3
69
70
71
72
73
58
102

OM-129 647 Page 54
Figure 11-1. Main Assembly
Description Quantity
Part
No.
Dia.
Mkgs.
Item
No.
1 134 771 PLUG, protective .640sq 4. . . . . . . . . . . . . . . . . . . . . . . . . . . . . . . . . . . . . . . . . . . . . . . . . . . . . . . . . . .
2 184 675 TANK, fuel 23gal (consisting of) 1. . . . . . . . . . . . . . . . . . . . . . . . . . . . . . . . . . . . . . . . . . . . . . . . . . . . .
3 182 022 CAP, fuel large 1. . . . . . . . . . . . . . . . . . . . . . . . . . . . . . . . . . . . . . . . . . . . . . . . . . . . . . . . . . . . . . . . . . . .
4 020 185 FITTING, pipe brs elb st 1/8NPT 1. . . . . . . . . . . . . . . . . . . . . . . . . . . . . . . . . . . . . . . . . . . . . . . . . . . . .
5 053 525 FITTING, brs barbed M 5/16tbg x 1/8NPT 1. . . . . . . . . . . . . . . . . . . . . . . . . . . . . . . . . . . . . . . . . . . . .
6 172 071 CLAMP, hose .520-.605clp dia slfttng 6. . . . . . . . . . . . . . . . . . . . . . . . . . . . . . . . . . . . . . . . . . . . . . . . .
7 134 835 HOSE, SAE .312 ID x .560 OD (order by ft) 6ft. . . . . . . . . . . . . . . . . . . . . . . . . . . . . . . . . . . . . . . . . . .
8 097 507 STRIP, rbr adh back .125 x 1.000 x 20.500 2. . . . . . . . . . . . . . . . . . . . . . . . . . . . . . . . . . . . . . . . . . . .
9 010 314 VALVE, shut-off fuel 1. . . . . . . . . . . . . . . . . . . . . . . . . . . . . . . . . . . . . . . . . . . . . . . . . . . . . . . . . . . . . . . .
10 039 599 FITTING, brs barbed M 5/16tbg x 1/4NPT 2. . . . . . . . . . . . . . . . . . . . . . . . . . . . . . . . . . . . . . . . . . . .
11 +048 227 UPRIGHT, base front 1. . . . . . . . . . . . . . . . . . . . . . . . . . . . . . . . . . . . . . . . . . . . . . . . . . . . . . . . . . . .
12 ♦134 903 FUSE BOX 1. . . . . . . . . . . . . . . . . . . . . . . . . . . . . . . . . . . . . . . . . . . . . . . . . . . . . . . . . . . . . . . . . . . . .
+♦134 902 COVER, fuse box 1. . . . . . . . . . . . . . . . . . . . . . . . . . . . . . . . . . . . . . . . . . . . . . . . . . . . . . . . . . . . . . . . . .
♦179 637 LABEL, warning auxiliary power 1. . . . . . . . . . . . . . . . . . . . . . . . . . . . . . . . . . . . . . . . . . . . . . . . . . . . . . .
♦026 947 STAND-OFF, insulator 1. . . . . . . . . . . . . . . . . . . . . . . . . . . . . . . . . . . . . . . . . . . . . . . . . . . . . . . . . . . . . . .
♦149 541 HOLDER, fuse crtg 60A 250V 1. . . . . . . . . . . . . . . . . . . . . . . . . . . . . . . . . . . . . . . . . . . . . . . . . . . . . . . . .
*♦089 585 FUSE, crtg 35A 250V 3. . . . . . . . . . . . . . . . . . . . . . . . . . . . . . . . . . . . . . . . . . . . . . . . . . . . . . . . . . . . . . .
♦604 102 CONNECTOR, clamp cable 1.000 2. . . . . . . . . . . . . . . . . . . . . . . . . . . . . . . . . . . . . . . . . . . . . . . . . . . . .
♦048 489 CLAMP, nyl 1.000dia 1. . . . . . . . . . . . . . . . . . . . . . . . . . . . . . . . . . . . . . . . . . . . . . . . . . . . . . . . . . . . . . . . .
13 170 689 FRAME, mtg reactor 1. . . . . . . . . . . . . . . . . . . . . . . . . . . . . . . . . . . . . . . . . . . . . . . . . . . . . . . . . . . . . .
14 170 617 UPRIGHT, base center 1. . . . . . . . . . . . . . . . . . . . . . . . . . . . . . . . . . . . . . . . . . . . . . . . . . . . . . . . . . . .
15 017 479 SEAL, weather lift eye 1. . . . . . . . . . . . . . . . . . . . . . . . . . . . . . . . . . . . . . . . . . . . . . . . . . . . . . . . . . . . .
16 108 081 TERMINAL PROTECTOR, battery post mtg 2. . . . . . . . . . . . . . . . . . . . . . . . . . . . . . . . . . . . . . . . . .
17 182 276 CABLE, bat pos 1. . . . . . . . . . . . . . . . . . . . . . . . . . . . . . . . . . . . . . . . . . . . . . . . . . . . . . . . . . . . . . . . . .
18 118 644 HOLD DOWN, battery 1. . . . . . . . . . . . . . . . . . . . . . . . . . . . . . . . . . . . . . . . . . . . . . . . . . . . . . . . . . . . . .
19 032 453 CABLE, bat neg 1. . . . . . . . . . . . . . . . . . . . . . . . . . . . . . . . . . . . . . . . . . . . . . . . . . . . . . . . . . . . . . . . . .
20 BAT 012 724 BATTERY, 12V 95A 1. . . . . . . . . . . . . . . . . . . . . . . . . . . . . . . . . . . . . . . . . . . . . . . . . . . . . . . . . .
21 010 460 STUD, stl .312-18 x 10.000 1. . . . . . . . . . . . . . . . . . . . . . . . . . . . . . . . . . . . . . . . . . . . . . . . . . . . . . . .
22 083 859 BRACKET, mtg fuel filter 1. . . . . . . . . . . . . . . . . . . . . . . . . . . . . . . . . . . . . . . . . . . . . . . . . . . . . . . . . . .
23 083 553 BASE, filter fuel w/adapter 1. . . . . . . . . . . . . . . . . . . . . . . . . . . . . . . . . . . . . . . . . . . . . . . . . . . . . . . . .
24 145 282 FITTING, hose brs barbed elb M 5/16tbg x 1/4NPT 1. . . . . . . . . . . . . . . . . . . . . . . . . . . . . . . . . . . .
25 062 342 SEPARATOR, fuel filter & water 1. . . . . . . . . . . . . . . . . . . . . . . . . . . . . . . . . . . . . . . . . . . . . . . . . . . .
26 116 707 SUPPORT, front engine 1. . . . . . . . . . . . . . . . . . . . . . . . . . . . . . . . . . . . . . . . . . . . . . . . . . . . . . . . . . . .
27 010 875 CLAMP, muffler 2.000dia U 1. . . . . . . . . . . . . . . . . . . . . . . . . . . . . . . . . . . . . . . . . . . . . . . . . . . . . . . .
28 105 734 PIPE, muffler ext elb 1. . . . . . . . . . . . . . . . . . . . . . . . . . . . . . . . . . . . . . . . . . . . . . . . . . . . . . . . . . . . . .
29 176 232 BAFFLE, air muffler exhaust 1. . . . . . . . . . . . . . . . . . . . . . . . . . . . . . . . . . . . . . . . . . . . . . . . . . . . . . .
30 048 216 BRACKET, mtg breather 1. . . . . . . . . . . . . . . . . . . . . . . . . . . . . . . . . . . . . . . . . . . . . . . . . . . . . . . . . . .
31 087 341 BUMPER, door 1.000 OD x .750 high 4. . . . . . . . . . . . . . . . . . . . . . . . . . . . . . . . . . . . . . . . . . . . . . .
32 004 130 BRACKET, support door 2. . . . . . . . . . . . . . . . . . . . . . . . . . . . . . . . . . . . . . . . . . . . . . . . . . . . . . . . . . .
33 +091 160 DOOR, LH side 1. . . . . . . . . . . . . . . . . . . . . . . . . . . . . . . . . . . . . . . . . . . . . . . . . . . . . . . . . . . . . . . . .
168 385 LABEL, warning battery explosion can blind 1. . . . . . . . . . . . . . . . . . . . . . . . . . . . . . . . . . . . . . . . . . . . . .
34 181 642 LABEL, diesel engine maintenance 1. . . . . . . . . . . . . . . . . . . . . . . . . . . . . . . . . . . . . . . . . . . . . . . . .
35 +105 909 COVER, top 1. . . . . . . . . . . . . . . . . . . . . . . . . . . . . . . . . . . . . . . . . . . . . . . . . . . . . . . . . . . . . . . . . . . .
36 035 968 WASHER, flat rbr 3.625 ID x 5.875 OD x .062thk 1. . . . . . . . . . . . . . . . . . . . . . . . . . . . . . . . . . . . . .
195 869 CABLE TIE, 0-17.500 weather resistant 1. . . . . . . . . . . . . . . . . . . . . . . . . . . . . . . . . . . . . . . . . . . . . . . . .
37 108 487 LABEL, warning falling equipment etc 2. . . . . . . . . . . . . . . . . . . . . . . . . . . . . . . . . . . . . . . . . . . . . . .
38 048 206 PANEL, end engine 1. . . . . . . . . . . . . . . . . . . . . . . . . . . . . . . . . . . . . . . . . . . . . . . . . . . . . . . . . . . . . . .
39 +106 411 DOOR, RH side 1. . . . . . . . . . . . . . . . . . . . . . . . . . . . . . . . . . . . . . . . . . . . . . . . . . . . . . . . . . . . . . . . .
089 343 RIVET, nyl .250dia x 1.000 lg 6. . . . . . . . . . . . . . . . . . . . . . . . . . . . . . . . . . . . . . . . . . . . . . . . . . . . . . . . . . .
40 158 610 LABEL, warning electric shock and moving parts 2. . . . . . . . . . . . . . . . . . . . . . . . . . . . . . . . . . . . . .
41 087 336 LATCH, door 2. . . . . . . . . . . . . . . . . . . . . . . . . . . . . . . . . . . . . . . . . . . . . . . . . . . . . . . . . . . . . . . . . . . . .
42 023 313 CLAMP, hose 3.250-3.000clp dia slfttng 1. . . . . . . . . . . . . . . . . . . . . . . . . . . . . . . . . . . . . . . . . . . . . .
43 177 323 HOSE, air cleaner 1. . . . . . . . . . . . . . . . . . . . . . . . . . . . . . . . . . . . . . . . . . . . . . . . . . . . . . . . . . . . . . . .
44 010 863 CLAMP, hose 2.062−3.000clp dia slfttng 1. . . . . . . . . . . . . . . . . . . . . . . . . . . . . . . . . . . . . . . . . . . . .
165 785 HOSE, air cleaner 2.500 ID 1. . . . . . . . . . . . . . . . . . . . . . . . . . . . . . . . . . . . . . . . . . . . . . . . . . . . . . . . . . . .
45 045 657 AIR CLEANER, intake (consisting of) 1. . . . . . . . . . . . . . . . . . . . . . . . . . . . . . . . . . . . . . . . . . . . . . . .
46 021 115 BAND, mtg air cleaner 2. . . . . . . . . . . . . . . . . . . . . . . . . . . . . . . . . . . . . . . . . . . . . . . . . . . . . . . . . . . . . .
47 *020 319 ELEMENT 1. . . . . . . . . . . . . . . . . . . . . . . . . . . . . . . . . . . . . . . . . . . . . . . . . . . . . . . . . . . . . . . . . . . . . . .
48 021 117 WING NUT ASSEMBLY 1. . . . . . . . . . . . . . . . . . . . . . . . . . . . . . . . . . . . . . . . . . . . . . . . . . . . . . . . . . . .
49 021 114 CLAMP ASSEMBLY 1. . . . . . . . . . . . . . . . . . . . . . . . . . . . . . . . . . . . . . . . . . . . . . . . . . . . . . . . . . . . . . . .
50 021 116 CAP, dust 1. . . . . . . . . . . . . . . . . . . . . . . . . . . . . . . . . . . . . . . . . . . . . . . . . . . . . . . . . . . . . . . . . . . . . . . . .
004 115 BAFFLE, dust cap 1. . . . . . . . . . . . . . . . . . . . . . . . . . . . . . . . . . . . . . . . . . . . . . . . . . . . . . . . . . . . . . . . . . . . .
51 048 213 BAFFLE, air intake 1. . . . . . . . . . . . . . . . . . . . . . . . . . . . . . . . . . . . . . . . . . . . . . . . . . . . . . . . . . . . . . .
52 LEVER, trip shutdown (included w/engine − see engine parts list) 1. . . . . . . . . . . . . . . . . . . . . . . . . . . . . . . .

OM-129 647 Page 55
Figure 11-1. Main Assembly (Continued)
Description Quantity
Part
No.
Dia.
Mkgs.
Item
No.
53 SPRING, (included w/engine − see engine parts list) 1. . . . . . . . . . . . . . . . . . . . . . . . . . . . . . . . . . . . . . . . . . . .
54 181 634 ENGINE, diesel electric (consisting of) 1. . . . . . . . . . . . . . . . . . . . . . . . . . . . . . . . . . . . . . . . . . . . . . .
55 087 371 ROD, shutdown 1. . . . . . . . . . . . . . . . . . . . . . . . . . . . . . . . . . . . . . . . . . . . . . . . . . . . . . . . . . . . . . . . . .
56 070 661 ROD, speed control 1. . . . . . . . . . . . . . . . . . . . . . . . . . . . . . . . . . . . . . . . . . . . . . . . . . . . . . . . . . . . . . .
604 393 NUT, speed push-on type .187 1. . . . . . . . . . . . . . . . . . . . . . . . . . . . . . . . . . . . . . . . . . . . . . . . . . . . . . . . .
57 S5 151 969 SWITCH, pressure oil 4psi NO 1. . . . . . . . . . . . . . . . . . . . . . . . . . . . . . . . . . . . . . . . . . . . . . . . .
58 ♦047 361 FITTING, banjo 1. . . . . . . . . . . . . . . . . . . . . . . . . . . . . . . . . . . . . . . . . . . . . . . . . . . . . . . . . . . . . . . . .
59 ♦089 351 FITTING, pipe brs plug hexhd 1/2NPT 1. . . . . . . . . . . . . . . . . . . . . . . . . . . . . . . . . . . . . . . . . . . . . .
60 ♦008 114 HOSE, oil w/fittings 17.500 lg 1. . . . . . . . . . . . . . . . . . . . . . . . . . . . . . . . . . . . . . . . . . . . . . . . . . . . . .
61 ♦047 234 BOLT, banjo 1. . . . . . . . . . . . . . . . . . . . . . . . . . . . . . . . . . . . . . . . . . . . . . . . . . . . . . . . . . . . . . . . . . . .
♦047 235 WASHER, oil seal copper 2. . . . . . . . . . . . . . . . . . . . . . . . . . . . . . . . . . . . . . . . . . . . . . . . . . . . . . . . . . . . .
62 127 994 BALL JOINT, .250-28 1. . . . . . . . . . . . . . . . . . . . . . . . . . . . . . . . . . . . . . . . . . . . . . . . . . . . . . . . . . . . .
63 162 740 STUD, stl .250-28 x 45.000 1. . . . . . . . . . . . . . . . . . . . . . . . . . . . . . . . . . . . . . . . . . . . . . . . . . . . . . . .
032 878 CLAMP, stl cush .500dia x .406mtg hole (used on wiring harness) 1. . . . . . . . . . . . . . . . . . . . . . . . . . .
64 083 476 TUBING, nprn .875 ID x 2.500 OD x 2.000 2. . . . . . . . . . . . . . . . . . . . . . . . . . . . . . . . . . . . . . . . . . .
65 071 730 TUBING, stl .875 OD x 12ga wall x 2.375 4. . . . . . . . . . . . . . . . . . . . . . . . . . . . . . . . . . . . . . . . . . . .
66 071 890 RETAINER, mount engine/generator 4. . . . . . . . . . . . . . . . . . . . . . . . . . . . . . . . . . . . . . . . . . . . . . . .
67 SHUNT 030 084 SHUNT, meter 500MV 600A 1. . . . . . . . . . . . . . . . . . . . . . . . . . . . . . . . . . . . . . . . . . . . . .
68 Fig 11-3 GENERATOR 1. . . . . . . . . . . . . . . . . . . . . . . . . . . . . . . . . . . . . . . . . . . . . . . . . . . . . . . . . . . . . . . . . . . . .
69 071 731 WASHER, flat stl .656 ID x 2.250 OD x .187thk 4. . . . . . . . . . . . . . . . . . . . . . . . . . . . . . . . . . . . . . .
70 601 945 SCREW, cap stl hexhd .625-18 x 4.000 4. . . . . . . . . . . . . . . . . . . . . . . . . . . . . . . . . . . . . . . . . . . . . .
71 176 236 BAFFLE, air outlet 1. . . . . . . . . . . . . . . . . . . . . . . . . . . . . . . . . . . . . . . . . . . . . . . . . . . . . . . . . . . . . . . .
72 CLAMP, muffler (included w/engine − see engine parts list) 1. . . . . . . . . . . . . . . . . . . . . . . . . . . . . . . . . . . . . .
73 105 733 PIPE, muffler extension elb 1. . . . . . . . . . . . . . . . . . . . . . . . . . . . . . . . . . . . . . . . . . . . . . . . . . . . . . . .
74 165 739 BASE 1. . . . . . . . . . . . . . . . . . . . . . . . . . . . . . . . . . . . . . . . . . . . . . . . . . . . . . . . . . . . . . . . . . . . . . . . . . .
75 R2 030 060 RESISTOR, WW adj 375W 20 ohm (CC model) 1. . . . . . . . . . . . . . . . . . . . . . . . . . . . . . . . . . .
76 170 681 STRIP, mtg resistor 1. . . . . . . . . . . . . . . . . . . . . . . . . . . . . . . . . . . . . . . . . . . . . . . . . . . . . . . . . . . . . . .
77 R3 128 862 RESISTOR, WW adj 375W 50 ohm (CC model) 1. . . . . . . . . . . . . . . . . . . . . . . . . . . . . . . . . . .
78 ♦186 008 INSULATION, terminal strip 1. . . . . . . . . . . . . . . . . . . . . . . . . . . . . . . . . . . . . . . . . . . . . . . . . . . . . . .
79 2T ♦038 601 BLOCK, term 30A 9P 1. . . . . . . . . . . . . . . . . . . . . . . . . . . . . . . . . . . . . . . . . . . . . . . . . . . . . . . .
80 ♦184 499 BRACKET, mtg terminal strip 1. . . . . . . . . . . . . . . . . . . . . . . . . . . . . . . . . . . . . . . . . . . . . . . . . . . . . .
PLG21 ♦168 071 CONNECTOR & SOCKETS 1. . . . . . . . . . . . . . . . . . . . . . . . . . . . . . . . . . . . . . . . . . . . . . . . . . .
81 603 107 HOSE, nprn slit bk .156 ID x .343 OD (order by ft) 1ft. . . . . . . . . . . . . . . . . . . . . . . . . . . . . . . . . . . . .
82 053 967 INSULATION, rectifier 1. . . . . . . . . . . . . . . . . . . . . . . . . . . . . . . . . . . . . . . . . . . . . . . . . . . . . . . . . . . . .
83 TE1/TE4 038 621 BLOCK, term 30A 4P 1. . . . . . . . . . . . . . . . . . . . . . . . . . . . . . . . . . . . . . . . . . . . . . . . . . . .
038 620 LINK, jumper 2. . . . . . . . . . . . . . . . . . . . . . . . . . . . . . . . . . . . . . . . . . . . . . . . . . . . . . . . . . . . . . . . . . . . . . . . .
84 081 499 BRACKET, mtg 1. . . . . . . . . . . . . . . . . . . . . . . . . . . . . . . . . . . . . . . . . . . . . . . . . . . . . . . . . . . . . . . . . . .
85 010 146 CLAMP, nyl .625clp dia 1. . . . . . . . . . . . . . . . . . . . . . . . . . . . . . . . . . . . . . . . . . . . . . . . . . . . . . . . . . . .
86 Fig 11-5 CV-3 CONTROL BOX 1. . . . . . . . . . . . . . . . . . . . . . . . . . . . . . . . . . . . . . . . . . . . . . . . . . . . . . . . . . . . . .
87 Fig 11-6 PANEL, mtg components (CC/CV model) 1. . . . . . . . . . . . . . . . . . . . . . . . . . . . . . . . . . . . . . . . . . . . .
87 Fig 11-7 PANEL, mtg components (CC model) 1. . . . . . . . . . . . . . . . . . . . . . . . . . . . . . . . . . . . . . . . . . . . . . . .
88 +182 171 PANEL, front lower (CC model) 1. . . . . . . . . . . . . . . . . . . . . . . . . . . . . . . . . . . . . . . . . . . . . . . . . . . .
88 +♦185 826 PANEL, front lower (CC/CV model) 1. . . . . . . . . . . . . . . . . . . . . . . . . . . . . . . . . . . . . . . . . . . . . . .
89 Z1 169 424 REACTOR 1. . . . . . . . . . . . . . . . . . . . . . . . . . . . . . . . . . . . . . . . . . . . . . . . . . . . . . . . . . . . . . . . . .
90 134 792 LABEL, warning general precautionary 1. . . . . . . . . . . . . . . . . . . . . . . . . . . . . . . . . . . . . . . . . . . . . .
91 083 030 STUD, brs .250-20 x 1.750 grounding 1. . . . . . . . . . . . . . . . . . . . . . . . . . . . . . . . . . . . . . . . . . . . . . .
92 601 836 NUT, brs hex .250-20 jam hvy grounding 3. . . . . . . . . . . . . . . . . . . . . . . . . . . . . . . . . . . . . . . . . . . . .
93 019 603 KNOB, ball 1. . . . . . . . . . . . . . . . . . . . . . . . . . . . . . . . . . . . . . . . . . . . . . . . . . . . . . . . . . . . . . . . . . . . . .
94 Fig 11-2 PANEL, front w/components 1. . . . . . . . . . . . . . . . . . . . . . . . . . . . . . . . . . . . . . . . . . . . . . . . . . . . . . . .
95 108 127 BRACKET, mtg terminal pwr output 1. . . . . . . . . . . . . . . . . . . . . . . . . . . . . . . . . . . . . . . . . . . . . . . . .
95 ♦088 951 BRACKET, mtg components 1. . . . . . . . . . . . . . . . . . . . . . . . . . . . . . . . . . . . . . . . . . . . . . . . . . . . . .
96 Pos 039 047 TERMINAL, pwr output red 1. . . . . . . . . . . . . . . . . . . . . . . . . . . . . . . . . . . . . . . . . . . . . . . . . . .
97 Neg 039 046 TERMINAL, pwr output black 1. . . . . . . . . . . . . . . . . . . . . . . . . . . . . . . . . . . . . . . . . . . . . . . . . .
98 ♦091 067 SWITCH, polarity 1. . . . . . . . . . . . . . . . . . . . . . . . . . . . . . . . . . . . . . . . . . . . . . . . . . . . . . . . . . . . . . . .
♦059 773 HANDLE, switch 1. . . . . . . . . . . . . . . . . . . . . . . . . . . . . . . . . . . . . . . . . . . . . . . . . . . . . . . . . . . . . . . . . . . .
99 605 288 FITTING, pipe galv plug sq hd .250NPT 1. . . . . . . . . . . . . . . . . . . . . . . . . . . . . . . . . . . . . . . . . . . . .
100 070 010 BOLT, J stl .250-20 x 2.750 2. . . . . . . . . . . . . . . . . . . . . . . . . . . . . . . . . . . . . . . . . . . . . . . . . . . . . . .
101 088 696 STRAP, hold down fuel tank 2. . . . . . . . . . . . . . . . . . . . . . . . . . . . . . . . . . . . . . . . . . . . . . . . . . . . . . .
045 161 KIT, label 1. . . . . . . . . . . . . . . . . . . . . . . . . . . . . . . . . . . . . . . . . . . . . . . . . . . . . . . . . . . . . . . . . . . . . . . . . . . .
102 ♦192 197 BRACKET, mounting 1. . . . . . . . . . . . . . . . . . . . . . . . . . . . . . . . . . . . . . . . . . . . . . . . . . . . . . . . . . . .
+When ordering a component originally displaying a precautionary label, the label should also be ordered.
*Recommended Spare Parts. ♦OPTIONAL
To maintain the factory original performance of your equipment, use only Manufacturer’s Suggested
Replacement Parts. Model and serial number required when ordering parts from your local distributor.

OM-129 647 Page 56
1
3
4
7
9
10
11
9
14
16
17
18
19
20
21
22
ST-048 457-N
2Fig 11-4
5
6
8
12
13
15
Hardware is common and
not available unless listed.
Figure 11-2. Panel, Front w/Components (CC Model Illustrated)

OM-129 647 Page 57
Figure 11-2. Panel, Front w/Components (Fig 11-1 Item 94)
Description Quantity
Part
No.
Dia.
Mkgs.
Item
No.
1 154 292 PANEL, front upper 1. . . . . . . . . . . . . . . . . . . . . . . . . . . . . . . . . . . . . . . . . . . . . . . . . . . . . . . . . . . . . . . .
2 S3 171 878 SWITCH, range (Fig 11-4) 1. . . . . . . . . . . . . . . . . . . . . . . . . . . . . . . . . . . . . . . . . . . . . . . . . . . . . .
3 R1 605 960 RHEOSTAT, WW 300W 34 ohm (CC model) 1. . . . . . . . . . . . . . . . . . . . . . . . . . . . . . . . . . . . . .
3R1♦072 462 POTENTIOMETER, C std sft 1/T 2W 1000 ohm (CV/CC model) 1. . . . . . . . . . . . . . . . . . . .
4 011 609 SWITCH, tgl SPDT 15A 125VAC (CC model) 1. . . . . . . . . . . . . . . . . . . . . . . . . . . . . . . . . . . . . . . . . . .
5 032 897 RECEPTACLE, twlk grd 2P3W 15A 125V (CC model) 1. . . . . . . . . . . . . . . . . . . . . . . . . . . . . . . . . .
073 690 PLUG, str grd armd 2P3W 15A Arrow Hart 5965V. . . . . . . . . . . . . . . . . . . .
6 CB1,2 139 266 CIRCUIT BREAKER, man reset 1P 15A 250VAC 2. . . . . . . . . . . . . . . . . . . . . . . . . . . . . . .
7 GFCI 1 ♦168 068 RECEPTACLE, str dx grd 2P3W 15A 125V 1. . . . . . . . . . . . . . . . . . . . . . . . . . . . . . . . . .
7 RC2 170 901 RECEPTACLE, str dx grd 2P3W 125V (top) (CC model) 1. . . . . . . . . . . . . . . . . . . . . . . . . . .
8 RC1 604 103 RECEPTACLE, str dx grd 2P3W 15A 250V (bottom) 1. . . . . . . . . . . . . . . . . . . . . . . . . . . . . . .
170 493 PLATE, ident receptacle 1. . . . . . . . . . . . . . . . . . . . . . . . . . . . . . . . . . . . . . . . . . . . . . . . . . . . . . . . . . . . . . .
025 234 PLUG, str grd 2P3W 15A 250V Arrow Hart 5666V. . . . . . . . . . . . . . . . . . . .
9 PB1 046 433 SWITCH, PB MC NO w/black cap 1. . . . . . . . . . . . . . . . . . . . . . . . . . . . . . . . . . . . . . . . . . . . . .
10 180 904 PLATE, ident control rating (CC model) 1. . . . . . . . . . . . . . . . . . . . . . . . . . . . . . . . . . . . . . . . . . . . . .
10 ♦185 763 PLATE, ident control rating (CC/CV model) 1. . . . . . . . . . . . . . . . . . . . . . . . . . . . . . . . . . . . . . . . . .
11 088 731 BUSHING, snap-in nyl .375 ID x .500mtg hole 1. . . . . . . . . . . . . . . . . . . . . . . . . . . . . . . . . . . . . . . .
12 021 385 BOOT, toggle switch lever 1. . . . . . . . . . . . . . . . . . . . . . . . . . . . . . . . . . . . . . . . . . . . . . . . . . . . . . . . .
13 148 723 KNOB, pointer 1. . . . . . . . . . . . . . . . . . . . . . . . . . . . . . . . . . . . . . . . . . . . . . . . . . . . . . . . . . . . . . . . . . .
14 ♦046 652 METER, amp DC 50MV 0-600 1. . . . . . . . . . . . . . . . . . . . . . . . . . . . . . . . . . . . . . . . . . . . . . . . . . . .
15 ♦046 654 METER, volt DC 0-100 1. . . . . . . . . . . . . . . . . . . . . . . . . . . . . . . . . . . . . . . . . . . . . . . . . . . . . . . . . . .
♦003 645 BUS BAR, shunt/sec 2. . . . . . . . . . . . . . . . . . . . . . . . . . . . . . . . . . . . . . . . . . . . . . . . . . . . . . . . . . . . . . . . .
♦145 626 BRACKET, mtg shunt 1. . . . . . . . . . . . . . . . . . . . . . . . . . . . . . . . . . . . . . . . . . . . . . . . . . . . . . . . . . . . . . . .
16 HM 145 247 METER, hour 10-24VDC 1. . . . . . . . . . . . . . . . . . . . . . . . . . . . . . . . . . . . . . . . . . . . . . . . . . . . .
17 082 790 LENS, light green 1. . . . . . . . . . . . . . . . . . . . . . . . . . . . . . . . . . . . . . . . . . . . . . . . . . . . . . . . . . . . . . . . .
18 082 789 LENS, light red 1. . . . . . . . . . . . . . . . . . . . . . . . . . . . . . . . . . . . . . . . . . . . . . . . . . . . . . . . . . . . . . . . . . .
19 PL1,2 *048 155 BULB, incand flg base 12V 2. . . . . . . . . . . . . . . . . . . . . . . . . . . . . . . . . . . . . . . . . . . . . . . . .
20 082 788 HOLDER, indicator light 2. . . . . . . . . . . . . . . . . . . . . . . . . . . . . . . . . . . . . . . . . . . . . . . . . . . . . . . . . . .
21 019 754 HANDLE, switch range 1. . . . . . . . . . . . . . . . . . . . . . . . . . . . . . . . . . . . . . . . . . . . . . . . . . . . . . . . . . . .
22 NAMEPLATE, (order by model and serial number) 1. . . . . . . . . . . . . . . . . . . . . . . . . . . . . . . . . . . . . . . . . . . . .
♦OPTIONAL
*Recommended Spare Parts.
To maintain the factory original performance of your equipment, use only Manufacturer’s Suggested
Replacement Parts. Model and serial number required when ordering parts from your local distributor.

OM-129 647 Page 58
Figure 11-3. Generator
SD-048 456-E
Hardware is common and
not available unless listed.
1
2
45
64
3
7
8
9
11
12 13
10
14
16
15
18 19
20
17
14
21
23
22
24
26
27
28
29 25

OM-129 647 Page 59
FIgure 11-3. Generator (Fig 11-1 Item 68)
Description Quantity
Part
No.
Dia.
Mkgs.
Item
No.
1 106 426 INSULATOR 4. . . . . . . . . . . . . . . . . . . . . . . . . . . . . . . . . . . . . . . . . . . . . . . . . . . . . . . . . . . . . . . . . . . . . .
2 106 440 BUS BAR, rectifier 2. . . . . . . . . . . . . . . . . . . . . . . . . . . . . . . . . . . . . . . . . . . . . . . . . . . . . . . . . . . . . . . . .
3 SR3 106 427 DIODE ASSEMBLY, reverse polarity (consisting of) 1. . . . . . . . . . . . . . . . . . . . . . . . . . . . . . . .
4 C4,6 048 420 CAPACITOR, rectifier 2. . . . . . . . . . . . . . . . . . . . . . . . . . . . . . . . . . . . . . . . . . . . . . . . . . . . . . . .
C2 106 641 CAPACITOR 1. . . . . . . . . . . . . . . . . . . . . . . . . . . . . . . . . . . . . . . . . . . . . . . . . . . . . . . . . . . . . . . . . . . . .
5 D2,4,6 037 957 DIODE, rect 275A 300V RP 3. . . . . . . . . . . . . . . . . . . . . . . . . . . . . . . . . . . . . . . . . . . . . . . . . .
6 106 425 INSULATOR 2. . . . . . . . . . . . . . . . . . . . . . . . . . . . . . . . . . . . . . . . . . . . . . . . . . . . . . . . . . . . . . . . . . . . . .
7 182 170 BAFFLE, air rectifier 1. . . . . . . . . . . . . . . . . . . . . . . . . . . . . . . . . . . . . . . . . . . . . . . . . . . . . . . . . . . . . . .
8 173 066 BRACKET, mtg brushholder 1. . . . . . . . . . . . . . . . . . . . . . . . . . . . . . . . . . . . . . . . . . . . . . . . . . . . . . . . .
9 048 202 BAFFLE, air diodes 1. . . . . . . . . . . . . . . . . . . . . . . . . . . . . . . . . . . . . . . . . . . . . . . . . . . . . . . . . . . . . . . .
10 018 614 BRUSH SET, (consisting of) 3. . . . . . . . . . . . . . . . . . . . . . . . . . . . . . . . . . . . . . . . . . . . . . . . . . . . . . . .
11 *151 299 BRUSH, contact 1. . . . . . . . . . . . . . . . . . . . . . . . . . . . . . . . . . . . . . . . . . . . . . . . . . . . . . . . . . . . . . . . . .
12 600 270 HOLDER, brush 1. . . . . . . . . . . . . . . . . . . . . . . . . . . . . . . . . . . . . . . . . . . . . . . . . . . . . . . . . . . . . . . . . .
13 152 044 CAP, brushholder 1. . . . . . . . . . . . . . . . . . . . . . . . . . . . . . . . . . . . . . . . . . . . . . . . . . . . . . . . . . . . . . . . .
14 013 367 LABEL, warning moving parts can cause serious injury 2. . . . . . . . . . . . . . . . . . . . . . . . . . . . . . . .
15 +169 423 STATOR, gen (consisting of) 1. . . . . . . . . . . . . . . . . . . . . . . . . . . . . . . . . . . . . . . . . . . . . . . . . . . . . .
15 +♦170 496 STATOR, gen (consisting of) 1. . . . . . . . . . . . . . . . . . . . . . . . . . . . . . . . . . . . . . . . . . . . . . . . . . . . .
16 039 207 BAFFLE, air gen 1. . . . . . . . . . . . . . . . . . . . . . . . . . . . . . . . . . . . . . . . . . . . . . . . . . . . . . . . . . . . . . . . . .
17 083 751 ROTOR, gen (consisting of) 1. . . . . . . . . . . . . . . . . . . . . . . . . . . . . . . . . . . . . . . . . . . . . . . . . . . . . . . .
18 024 617 RING, retaining external 1. . . . . . . . . . . . . . . . . . . . . . . . . . . . . . . . . . . . . . . . . . . . . . . . . . . . . . . . . . .
19 053 390 BEARING, ball 1. . . . . . . . . . . . . . . . . . . . . . . . . . . . . . . . . . . . . . . . . . . . . . . . . . . . . . . . . . . . . . . . . . .
20 083 748 FAN, rotor 1. . . . . . . . . . . . . . . . . . . . . . . . . . . . . . . . . . . . . . . . . . . . . . . . . . . . . . . . . . . . . . . . . . . . . . .
21 044 374 STATOR, excitor (CC model) 1. . . . . . . . . . . . . . . . . . . . . . . . . . . . . . . . . . . . . . . . . . . . . . . . . . . . . . .
21 ♦180 684 STATOR, excitor (CC/CV model) 1. . . . . . . . . . . . . . . . . . . . . . . . . . . . . . . . . . . . . . . . . . . . . . . . . .
22 173 068 ENDBELL, gen (consisting of) 1. . . . . . . . . . . . . . . . . . . . . . . . . . . . . . . . . . . . . . . . . . . . . . . . . . . . . .
23 143 220 O-RING, 2.859 ID x .139CS 1. . . . . . . . . . . . . . . . . . . . . . . . . . . . . . . . . . . . . . . . . . . . . . . . . . . . . . . .
24 106 424 BARREL, rectifier 1. . . . . . . . . . . . . . . . . . . . . . . . . . . . . . . . . . . . . . . . . . . . . . . . . . . . . . . . . . . . . . . . .
25 SR3 106 430 DIODE ASSEMBLY, (consisting of) 1. . . . . . . . . . . . . . . . . . . . . . . . . . . . . . . . . . . . . . . . . . . . .
26 C5,7 048 420 CAPACITOR, rectifier 2. . . . . . . . . . . . . . . . . . . . . . . . . . . . . . . . . . . . . . . . . . . . . . . . . . . . . . .
C3 106 641 CAPACITOR 1. . . . . . . . . . . . . . . . . . . . . . . . . . . . . . . . . . . . . . . . . . . . . . . . . . . . . . . . . . . . . . . . . . . . .
27 106 425 INSULATOR 1. . . . . . . . . . . . . . . . . . . . . . . . . . . . . . . . . . . . . . . . . . . . . . . . . . . . . . . . . . . . . . . . . . . . .
28 D1,3,5 037 956 DIODE, rect 275A 300V SP 3. . . . . . . . . . . . . . . . . . . . . . . . . . . . . . . . . . . . . . . . . . . . . . . . .
29 VR1,R4 046 819 SUPPRESSOR 1. . . . . . . . . . . . . . . . . . . . . . . . . . . . . . . . . . . . . . . . . . . . . . . . . . . . . . . . . .
*Recommended Spare Parts.
+When ordering a component originally displaying a precautionary label, the label should also be ordered.
♦Part of 042 890 Optional 10/7.5kVA 240/120V Auxiliary Power.
To maintain the factory original performance of your equipment, use only Manufacturer’s Suggested
Replacement Parts. Model and serial number required when ordering parts from your local distributor.

OM-129 647 Page 60
Figure 11-4. Switch, Range (Fig 11-2 Item 2)
Description Quantity
Part
No.
171 878
Item
No. Dia.
Mkgs.
1 114 235 BRACKET, mtg switch range (consisting of) 1. . . . . . . . . . . . . . . . . . . . . . . . . . . . . . . . . . . . . . . . . . .
2 010 671 SPRING, ext .312 OD x .042 wire x 1.875 1. . . . . . . . . . . . . . . . . . . . . . . . . . . . . . . . . . . . . . . . . . . . .
3 017 428 LOCATOR, quadrant switch 1. . . . . . . . . . . . . . . . . . . . . . . . . . . . . . . . . . . . . . . . . . . . . . . . . . . . . . . . .
4 S10 172 245 SWITCH, micro 1. . . . . . . . . . . . . . . . . . . . . . . . . . . . . . . . . . . . . . . . . . . . . . . . . . . . . . . . . . . . . . .
5 170 677 BOOT, switch lim plunger seal 1. . . . . . . . . . . . . . . . . . . . . . . . . . . . . . . . . . . . . . . . . . . . . . . . . . . . . . .
6 171 854 CONTACT BOARD, (consisting of) 1. . . . . . . . . . . . . . . . . . . . . . . . . . . . . . . . . . . . . . . . . . . . . . . . . . .
7 172 701 CONTACT, movable switch (consisting of) 3. . . . . . . . . . . . . . . . . . . . . . . . . . . . . . . . . . . . . . . . . . . . .
8 011 025 SPRING, pressure 1. . . . . . . . . . . . . . . . . . . . . . . . . . . . . . . . . . . . . . . . . . . . . . . . . . . . . . . . . . . . . . . . .
9 011 010 CONTACT, switch copper 2. . . . . . . . . . . . . . . . . . . . . . . . . . . . . . . . . . . . . . . . . . . . . . . . . . . . . . . . . . .
10 011 009 CONTACT, switch bronze 2. . . . . . . . . . . . . . . . . . . . . . . . . . . . . . . . . . . . . . . . . . . . . . . . . . . . . . . . . .
11 171 856 SPACER, contact .250thk 1. . . . . . . . . . . . . . . . . . . . . . . . . . . . . . . . . . . . . . . . . . . . . . . . . . . . . . . . . .
12 011 007 SPRING, pressure 1. . . . . . . . . . . . . . . . . . . . . . . . . . . . . . . . . . . . . . . . . . . . . . . . . . . . . . . . . . . . . . . .
13 011 018 CONTACT, stationary 9. . . . . . . . . . . . . . . . . . . . . . . . . . . . . . . . . . . . . . . . . . . . . . . . . . . . . . . . . . . . . .
14 172 702 CONTACT, stationary switch (consisting of) 6. . . . . . . . . . . . . . . . . . . . . . . . . . . . . . . . . . . . . . . . . . .
15 011 018 CONTACT, stationary 2. . . . . . . . . . . . . . . . . . . . . . . . . . . . . . . . . . . . . . . . . . . . . . . . . . . . . . . . . . . . . .
16 171 856 SPACER, contact .250thk 1. . . . . . . . . . . . . . . . . . . . . . . . . . . . . . . . . . . . . . . . . . . . . . . . . . . . . . . . . .
17 011 095 CONTACT BOARD, stationary switch 2. . . . . . . . . . . . . . . . . . . . . . . . . . . . . . . . . . . . . . . . . . . . . . . .
18 011 019 CONTACT BOARD, movable switch 2. . . . . . . . . . . . . . . . . . . . . . . . . . . . . . . . . . . . . . . . . . . . . . . . .
19 011 012 SHIM, guide contact board 6. . . . . . . . . . . . . . . . . . . . . . . . . . . . . . . . . . . . . . . . . . . . . . . . . . . . . . . . .
20 011 013 GUIDE, contact board movable switch 3. . . . . . . . . . . . . . . . . . . . . . . . . . . . . . . . . . . . . . . . . . . . . . .
910 11
12
13
14
15
16
17181920
8
15
10 9
ST-145 879-B
1
23
6
ST-145 878-A
Includes
Item 8
7
4
5
Hardware is common and
not available unless listed.
Figure 11-4. Switch, Range
To maintain the factory original performance of your equipment, use only Manufacturer’s Suggested
Replacement Parts. Model and serial number required when ordering parts from your local distributor.

OM-129 647 Page 61
Figure 11-5. Control Box CC/CV (Figure 11-1 Item 86) (Optional)
Description Quantity
Part
No.
Item
No. Dia.
Mkgs.
1 605 321 NUT, .468-32 brs blk 3. . . . . . . . . . . . . . . . . . . . . . . . . . . . . . . . . . . . . . . . . . . . . . . . . . . . . . . . . . . . . . .
2 S6 011 611 SWITCH, tgl DPDT 15A 125V 1. . . . . . . . . . . . . . . . . . . . . . . . . . . . . . . . . . . . . . . . . . . . . . . . . . .
3 S8,9 011 609 SWITCH, tgl SPDT 15A 125V 2. . . . . . . . . . . . . . . . . . . . . . . . . . . . . . . . . . . . . . . . . . . . . . . . .
4 601 836 NUT, .250-20 3. . . . . . . . . . . . . . . . . . . . . . . . . . . . . . . . . . . . . . . . . . . . . . . . . . . . . . . . . . . . . . . . . . . . . .
5 010 915 WASHER, flat 3. . . . . . . . . . . . . . . . . . . . . . . . . . . . . . . . . . . . . . . . . . . . . . . . . . . . . . . . . . . . . . . . . . . . .
6 083 030 STUD, brs .250-20 x 1.750 1. . . . . . . . . . . . . . . . . . . . . . . . . . . . . . . . . . . . . . . . . . . . . . . . . . . . . . . . . .
7 185 778 CV CONTROL BOX 1. . . . . . . . . . . . . . . . . . . . . . . . . . . . . . . . . . . . . . . . . . . . . . . . . . . . . . . . . . . . . . . .
8 RC20 147 663 CONNECTOR & SOCKETS 1. . . . . . . . . . . . . . . . . . . . . . . . . . . . . . . . . . . . . . . . . . . . . . . . . .
9 RC21 168 071 CONNECTOR & SOCKETS 1. . . . . . . . . . . . . . . . . . . . . . . . . . . . . . . . . . . . . . . . . . . . . . . . . .
10 RC22 158 466 CONNECTOR & SOCKETS 1. . . . . . . . . . . . . . . . . . . . . . . . . . . . . . . . . . . . . . . . . . . . . . . . .
11 SR2 097 353 DIODE/SCR BRIDGE 1. . . . . . . . . . . . . . . . . . . . . . . . . . . . . . . . . . . . . . . . . . . . . . . . . . . . . . . .
12 PC1 185 746 CIRCUIT CARD ASSEMBLY, field 1. . . . . . . . . . . . . . . . . . . . . . . . . . . . . . . . . . . . . . . . . . . . . .
13 RC1 114 064 CONNECTOR, rect univ 84 15 pin 1. . . . . . . . . . . . . . . . . . . . . . . . . . . . . . . . . . . . . . . . . . . .
14 PLG1 135 275 CONNECTOR & PINS 1. . . . . . . . . . . . . . . . . . . . . . . . . . . . . . . . . . . . . . . . . . . . . . . . . . . . . .
15 134 201 STAND-OFF, support PC card 11. . . . . . . . . . . . . . . . . . . . . . . . . . . . . . . . . . . . . . . . . . . . . . . . . . . . . .
16 PC2 185 747 CIRCUIT CARD ASSEMBLY, voltage 1. . . . . . . . . . . . . . . . . . . . . . . . . . . . . . . . . . . . . . . . . . .
17 RC1 115 092 CONNECTOR & SOCKETS 1. . . . . . . . . . . . . . . . . . . . . . . . . . . . . . . . . . . . . . . . . . . . . . . . . .
18 PC3 150 415 CIRCUIT CARD ASSEMBLY, CONNECTOR 1. . . . . . . . . . . . . . . . . . . . . . . . . . . . . . . . . . . . .
19 185 761 COVER, CV control box 1. . . . . . . . . . . . . . . . . . . . . . . . . . . . . . . . . . . . . . . . . . . . . . . . . . . . . . . . . . .
20 PLG3-5 165 668 CONNECTOR & PINS 3. . . . . . . . . . . . . . . . . . . . . . . . . . . . . . . . . . . . . . . . . . . . . . . . . . . . .
21 CB3,4 083 432 CIRCUIT BREAKER, man reset 1P 10A 250VAC 2. . . . . . . . . . . . . . . . . . . . . . . . . . . . . . .
22 RC3 143 976 CONNECTOR & SOCKETS 1. . . . . . . . . . . . . . . . . . . . . . . . . . . . . . . . . . . . . . . . . . . . . . . . . .
23 039 885 CONNECTOR, circ MS protective 1. . . . . . . . . . . . . . . . . . . . . . . . . . . . . . . . . . . . . . . . . . . . . . . . . . .
24 147 195 NUT, .375-27 nyl 2. . . . . . . . . . . . . . . . . . . . . . . . . . . . . . . . . . . . . . . . . . . . . . . . . . . . . . . . . . . . . . . . . .
25 021 385 BOOT, tgl switch 3. . . . . . . . . . . . . . . . . . . . . . . . . . . . . . . . . . . . . . . . . . . . . . . . . . . . . . . . . . . . . . . . . .
ST-801 850
1
2
3
45
6
7
8
9
10
11 12
13
14
15
16
17
18
20
4
5
4
5
21
22
23
24
25
19
Hardware is common and
not available unless listed.
Figure 11-5. Control Box CC/CV (Optional)
To maintain the factory original performance of your equipment, use only Manufacturer’s Suggested
Replacement Parts. Model and serial number required when ordering parts from your local distributor.

OM-129 647 Page 62
Figure 11-6. Panel, Mtg Components (CC/CV Model)
(Figure 11-1 Item 87)
Description Quantity
Part
No.
Item
No. Dia.
Mkgs.
1 R2 185 748 RESISTOR BOARD 1. . . . . . . . . . . . . . . . . . . . . . . . . . . . . . . . . . . . . . . . . . . . . . . . . . . . . . . . . . . .
2 SR1,4 035 704 RECTIFIER, integ 40A 800V 2. . . . . . . . . . . . . . . . . . . . . . . . . . . . . . . . . . . . . . . . . . . . . . . . .
3 D8 192 307 KIT, diode w/washers 1. . . . . . . . . . . . . . . . . . . . . . . . . . . . . . . . . . . . . . . . . . . . . . . . . . . . . . . . . . .
4 R3 128 862 RESISTOR, WW adj 375W 50 ohm w/mtg bkt 1. . . . . . . . . . . . . . . . . . . . . . . . . . . . . . . . . . . . .
5 601 836 NUT, brs 250-20 2. . . . . . . . . . . . . . . . . . . . . . . . . . . . . . . . . . . . . . . . . . . . . . . . . . . . . . . . . . . . . . . . . . .
6 134 201 STAND-OFF SUPPORT, PC card 3. . . . . . . . . . . . . . . . . . . . . . . . . . . . . . . . . . . . . . . . . . . . . . . . . . . .
7 185 187 PANEL, mtg components 1. . . . . . . . . . . . . . . . . . . . . . . . . . . . . . . . . . . . . . . . . . . . . . . . . . . . . . . . . . .
8 3T 185 189 BLOCK, terminal 15A 3P 1. . . . . . . . . . . . . . . . . . . . . . . . . . . . . . . . . . . . . . . . . . . . . . . . . . . . . . . .
9 083 030 STUD, brs .250-20 x 1.750 hex collar 1. . . . . . . . . . . . . . . . . . . . . . . . . . . . . . . . . . . . . . . . . . . . . . . . .
10 010 913 WASHER, flat brs 1. . . . . . . . . . . . . . . . . . . . . . . . . . . . . . . . . . . . . . . . . . . . . . . . . . . . . . . . . . . . . . . . .
11 1T 038 639 BLOCK, terminal 30A 6P 1. . . . . . . . . . . . . . . . . . . . . . . . . . . . . . . . . . . . . . . . . . . . . . . . . . . . . . .
12 164 617 CLIP, wiring 2. . . . . . . . . . . . . . . . . . . . . . . . . . . . . . . . . . . . . . . . . . . . . . . . . . . . . . . . . . . . . . . . . . . . . .
13 D1 189 701 DIODE/CAPACITOR BOARD 1. . . . . . . . . . . . . . . . . . . . . . . . . . . . . . . . . . . . . . . . . . . . . . . . . . .
14 C8 170 674 CAPACITOR BOARD 1. . . . . . . . . . . . . . . . . . . . . . . . . . . . . . . . . . . . . . . . . . . . . . . . . . . . . . . . .
15 R6 030 844 RESISTOR, WW fxd 25W 25 ohm 1. . . . . . . . . . . . . . . . . . . . . . . . . . . . . . . . . . . . . . . . . . . . . . .
16 605 741 CLIP, mtg resistor 2. . . . . . . . . . . . . . . . . . . . . . . . . . . . . . . . . . . . . . . . . . . . . . . . . . . . . . . . . . . . . . . . .
17 CR1,2 044 588 RELAY, encl 12VDC 3PDT 2. . . . . . . . . . . . . . . . . . . . . . . . . . . . . . . . . . . . . . . . . . . . . . . . . .
1
ST-801 851
2
34
2
5
6
789
10
511
14
13 12
12
15
16
17
Hardware is common and
not available unless listed.
Figure 11-6. Panel, Mtg Components (CC/CV Model)
To maintain the factory original performance of your equipment, use only Manufacturer’s Suggested
Replacement Parts. Model and serial number required when ordering parts from your local distributor.

OM-129 647 Page 63
Figure 11-7. Panel, Mtg Components (CC Model)
(Figure 11-1 Item 87)
Description Quantity
Part
No.
Item
No. Dia.
Mkgs.
1 170 672 PANEL, mtg components 1. . . . . . . . . . . . . . . . . . . . . . . . . . . . . . . . . . . . . . . . . . . . . . . . . . . . . . . . . . .
2 R6 030 844 RESISTOR, WW fxd 25W 250 ohm 1. . . . . . . . . . . . . . . . . . . . . . . . . . . . . . . . . . . . . . . . . . . . . .
3 605 741 CLIP, mtg resistor 2. . . . . . . . . . . . . . . . . . . . . . . . . . . . . . . . . . . . . . . . . . . . . . . . . . . . . . . . . . . . . . . . . .
4 R5 128 862 RESISTOR, WW adj 375W 1. . . . . . . . . . . . . . . . . . . . . . . . . . . . . . . . . . . . . . . . . . . . . . . . . . . . . .
5 SR1,2,4 035 704 RECTIFIER, integ 40A 800V 3. . . . . . . . . . . . . . . . . . . . . . . . . . . . . . . . . . . . . . . . . . . . . . .
6 2T 038 621 TERMINAL BLOCK, 30A 4P 1. . . . . . . . . . . . . . . . . . . . . . . . . . . . . . . . . . . . . . . . . . . . . . . . . . . . .
7 CR2 044 588 RELAY, encl 12VDC 3PDT 1. . . . . . . . . . . . . . . . . . . . . . . . . . . . . . . . . . . . . . . . . . . . . . . . . . . .
8 D1 189 701 DIODE/CAPACITOR BOARD 1. . . . . . . . . . . . . . . . . . . . . . . . . . . . . . . . . . . . . . . . . . . . . . . . . . . .
9 D8 192 307 KIT, diode w/washers 1. . . . . . . . . . . . . . . . . . . . . . . . . . . . . . . . . . . . . . . . . . . . . . . . . . . . . . . . . . .
10 C8 170 674 CAPACITOR BOARD 1. . . . . . . . . . . . . . . . . . . . . . . . . . . . . . . . . . . . . . . . . . . . . . . . . . . . . . . . .
ST-801 852
1
2
34
5
6
7
8
9
10
Hardware is common and
not available unless listed.
Figure 11-7. Panel, Mtg Components (CC Model)
To maintain the factory original performance of your equipment, use only Manufacturer’s Suggested
Replacement Parts. Model and serial number required when ordering parts from your local distributor.


Warranty Questions?
Call
1-800-4-A-MILLER
for your local
Miller distributor.
miller_warr 7/99
Your distributor also gives
you ...
Service
You always get the fast,
reliable response you
need. Most replacement
parts can be in your
hands in 24 hours.
Support
Need fast answers to the
tough welding questions?
Contact your distributor.
The expertise of the
distributor and Miller is
there to help you, every
step of the way.
Effective January 1, 1999
(Equipment with a serial number preface of KK" or newer)
This limited warranty supersedes all previous Miller warranties and is exclusive with no other
guarantees or warranties expressed or implied.
LIMITED WARRANTY − Subject to the terms and conditions
below, Miller Electric Mfg. Co., Appleton, Wisconsin, warrants
to its original retail purchaser that new Miller equipment sold
after the effective date of this limited warranty is free of defects
in material and workmanship at the time it is shipped by Miller.
THIS WARRANTY IS EXPRESSLY IN LIEU OF ALL OTHER
WARRANTIES, EXPRESS OR IMPLIED, INCLUDING THE
WARRANTIES OF MERCHANTABILITY AND FITNESS.
Within the warranty periods listed below, Miller will repair or
replace any warranted parts or components that fail due to
such defects in material or workmanship. Miller must be
notified in writing within thirty (30) days of such defect or
failure, at which time Miller will provide instructions on the
warranty claim procedures to be followed.
Miller shall honor warranty claims on warranted equipment
listed below in the event of such a failure within the warranty
time periods. All warranty time periods start on the date that
the equipment was delivered to the original retail purchaser, or
one year after the equipment is sent to a North American
distributor or eighteen months after the equipment is sent to an
International distributor.
1. 5 Years Parts − 3 Years Labor
* Original main power rectifiers
* Inverters (input and output rectifiers only)
2. 3 Years — Parts and Labor
* Transformer/Rectifier Power Sources
* Plasma Arc Cutting Power Sources
* Semi-Automatic and Automatic Wire Feeders
* Inverter Power Supplies
* Intellitig
* Engine Driven Welding Generators
(NOTE: Engines are warranted separately by
the engine manufacturer.)
3. 1 Year — Parts and Labor
* Motor Driven Guns (w/exception of Spoolmate
185)
* Process Controllers
* Positioners and Controllers
* Automatic Motion Devices
* Robots
* RFCS Foot Controls
* IHPS Power Sources
* Water Coolant Systems
* HF Units
* Grids
* Maxstar 140
* Spot Welders
* Load Banks
* SDX Transformers
* Miller Cyclomatic Equipment
* Running Gear/Trailers
* Plasma Cutting Torches (except APT, ZIPCUT &
PLAZCUT Models)
* Field Options
(NOTE: Field options are covered under True
Blue® for the remaining warranty period of the
product they are installed in, or for a minimum of
one year — whichever is greater.)
4. 6 Months — Batteries
5. 90 Days — Parts
* MIG Guns/TIG Torches
* APT, ZIPCUT & PLAZCUT Model Plasma Cutting
Torches
* Remote Controls
* Accessory Kits
* Replacement Parts (No labor)
* Spoolmate 185
Miller’s True Blue® Limited Warranty shall not apply to:
1. Items furnished by Miller, but manufactured by others,
such as engines or trade accessories. These items are
covered by the manufacturer’s warranty, if any.
2. Consumable components; such as contact tips, cutting
nozzles, contactors, brushes, slip rings, relays or parts
that fail due to normal wear.
3. Equipment that has been modified by any party other
than Miller, or equipment that has been improperly
installed, improperly operated or misused based upon
industry standards, or equipment which has not had
reasonable and necessary maintenance, or equipment
which has been used for operation outside of the
specifications for the equipment.
MILLER PRODUCTS ARE INTENDED FOR PURCHASE
AND USE BY COMMERCIAL/INDUSTRIAL USERS AND
PERSONS TRAINED AND EXPERIENCED IN THE USE
AND MAINTENANCE OF WELDING EQUIPMENT.
In the event of a warranty claim covered by this warranty, the
exclusive remedies shall be, at Miller’s option: (1) repair; or (2)
replacement; or, where authorized in writing by Miller in
appropriate cases, (3) the reasonable cost of repair or
replacement at an authorized Miller service station; or (4)
payment of or credit for the purchase price (less reasonable
depreciation based upon actual use) upon return of the goods
at customer’s risk and expense. Miller’s option of repair or
replacement will be F.O.B., Factory at Appleton, Wisconsin, or
F.O.B. at a Miller authorized service facility as determined by
Miller. Therefore no compensation or reimbursement for
transportation costs of any kind will be allowed.
TO THE EXTENT PERMITTED BY LAW, THE REMEDIES
PROVIDED HEREIN ARE THE SOLE AND EXCLUSIVE
REMEDIES. IN NO EVENT SHALL MILLER BE LIABLE FOR
DIRECT, INDIRECT, SPECIAL, INCIDENTAL OR
CONSEQUENTIAL DAMAGES (INCLUDING LOSS OF
PROFIT), WHETHER BASED ON CONTRACT, TORT OR
ANY OTHER LEGAL THEORY.
ANY EXPRESS WARRANTY NOT PROVIDED HEREIN
AND ANY IMPLIED WARRANTY, GUARANTY OR
REPRESENTATION AS TO PERFORMANCE, AND ANY
REMEDY FOR BREACH OF CONTRACT TORT OR ANY
OTHER LEGAL THEORY WHICH, BUT FOR THIS
PROVISION, MIGHT ARISE BY IMPLICATION,
OPERATION OF LAW, CUSTOM OF TRADE OR COURSE
OF DEALING, INCLUDING ANY IMPLIED WARRANTY OF
MERCHANTABILITY OR FITNESS FOR PARTICULAR
PURPOSE, WITH RESPECT TO ANY AND ALL
EQUIPMENT FURNISHED BY MILLER IS EXCLUDED AND
DISCLAIMED BY MILLER.
Some states in the U.S.A. do not allow limitations of how long
an implied warranty lasts, or the exclusion of incidental,
indirect, special or consequential damages, so the above
limitation or exclusion may not apply to you. This warranty
provides specific legal rights, and other rights may be
available, but may vary from state to state.
In Canada, legislation in some provinces provides for certain
additional warranties or remedies other than as stated herein,
and to the extent that they may not be waived, the limitations
and exclusions set out above may not apply. This Limited
Warranty provides specific legal rights, and other rights may
be available, but may vary from province to province.

PRINTED IN USA © 1999 Miller Electric Mfg. Co. 7/99
Miller Electric Mfg. Co.
An Illinois Tool Works Company
1635 West Spencer Street
Appleton, WI 54914 USA
International Headquarters−USA
USA Phone: 920-735-4505 Auto-Attended
USA & Canada FAX: 920-735-4134
International FAX: 920-735-4125
European Headquarters −
United Kingdom
Phone: 44 (0) 1204-593493
FAX: 44 (0) 1204-598066
www.MillerWelds.com
Model Name Serial/Style Number
Purchase Date (Date which equipment was delivered to original customer.)
Distributor
Address
City
State Zip
Please complete and retain with your personal records.
Always provide Model Name and Serial/Style Number.
Contact your Distributor for:
To locate distributor nearest you call
1-800-4-A-Miller.
Welding Supplies and Consumables
Options and Accessories
Personal Safety Equipment
Service and Repair
Replacement Parts
Training (Schools, Videos, Books)
Technical Manuals (Servicing Information
and Parts)
Circuit Diagrams
Welding Process Handbooks
Contact the Delivering Carrier for:
For assistance in filing or settling claims,
contact your distributor and/or equipment
manufacturer’s Transportation Department.
Resources Available
Owner’s Record
File a claim for loss or damage during
shipment.


