Miller Electric Bobcat 225G Users Manual CD1
Bobcat 225G to the manual d3bdac77-e713-43b4-a88f-6532334b38fe
2015-02-02
: Miller-Electric Miller-Electric-Bobcat-225G-Users-Manual-437390 miller-electric-bobcat-225g-users-manual-437390 miller-electric pdf
Open the PDF directly: View PDF
.
Page Count: 26

OWNER’S
MANUAL
January 1997 Form: OM-175 104B
Effective With Serial No. KG191348
cover_om 4/95 – Ref. ST-801 188-A PRINTED IN USA
1997 MILLER Electric Mfg. Co.
Bobcat 225G
(Kohler-Powered)
CC/CV AC/DC Welding Generator For SMAW, FCAW, GMAW, GTAW Welding
Welding
Mode
Weld
Output
Range
Rated
Welding
Output
Maximum
Open-Circu
it Voltage
Auxiliary Power
Rating Fuel Capacity Engine
CC/AC 50
– 225 A
225 A, 25 V
,
100% Duty
Cycle 80
Kohler CH18
CC/DC
50 – 210 A
210 A, 25 V
,
100% Duty
Cycle 72 Single-Phase,
8 kVA/kW
, 70/35 A,
120/240 V AC, 60 Hz
8.5 gal (32 L) T
ank
Kohler CH18
Air-Cooled, T
wo-Cylinder,
Four-Cycle, 18 HP
Gasoline Engine
CV/DC
17 – 28 V
200 A, 20 V
,
100% Duty
Cycle 33
Gasoline
Engine

OM-175 104B – 1/97
TABLE OF CONTENTS
SECTION 1 – SAFETY PRECAUTIONS FOR ARC WELDING 1.
. . . . . . . . . . . . . . . . . . . . . . . . . . . . . . . .
1-1. Symbol Usage 1.
. . . . . . . . . . . . . . . . . . . . . . . . . . . . . . . . . . . . . . . . . . . . . . . . . . . . . . . . . . . . . . . .
1-2. Arc
W
elding Hazards 1.
. . . . . . . . . . . . . . . . . . . . . . . . . . . . . . . . . . . . . . . . . . . . . . . . . . . . . . . . . . .
1-3. Engine Hazards 2.
. . . . . . . . . . . . . . . . . . . . . . . . . . . . . . . . . . . . . . . . . . . . . . . . . . . . . . . . . . . . . . .
1-4. Additional Installation, Operation, And Maintenance Hazards 3.
. . . . . . . . . . . . . . . . . . . . . . . .
1-5. Principal Safety Standards 3.
. . . . . . . . . . . . . . . . . . . . . . . . . . . . . . . . . . . . . . . . . . . . . . . . . . . . . .
1-6. EMF Information 3.
. . . . . . . . . . . . . . . . . . . . . . . . . . . . . . . . . . . . . . . . . . . . . . . . . . . . . . . . . . . . . .
SECTION 2 – DEFINITIONS 4.
. . . . . . . . . . . . . . . . . . . . . . . . . . . . . . . . . . . . . . . . . . . . . . . . . . . . . . . . . . . . . .
2-1. Symbol Definitions 4.
. . . . . . . . . . . . . . . . . . . . . . . . . . . . . . . . . . . . . . . . . . . . . . . . . . . . . . . . . . . . .
SECTION 3 – INSTALLATION 5.
. . . . . . . . . . . . . . . . . . . . . . . . . . . . . . . . . . . . . . . . . . . . . . . . . . . . . . . . . . . .
3-1. Installing
W
elding Generator 5.
. . . . . . . . . . . . . . . . . . . . . . . . . . . . . . . . . . . . . . . . . . . . . . . . . . . .
3-2. Dimensions,
W
eights, And Operating Angles 5.
. . . . . . . . . . . . . . . . . . . . . . . . . . . . . . . . . . . . . .
3-3. Fuel Consumption 6.
. . . . . . . . . . . . . . . . . . . . . . . . . . . . . . . . . . . . . . . . . . . . . . . . . . . . . . . . . . . . .
3-4. Engine Prestart Checks 6.
. . . . . . . . . . . . . . . . . . . . . . . . . . . . . . . . . . . . . . . . . . . . . . . . . . . . . . . .
3-5. Connecting The Battery 7.
. . . . . . . . . . . . . . . . . . . . . . . . . . . . . . . . . . . . . . . . . . . . . . . . . . . . . . . .
3-6. Weld Output Terminals And Selecting Cable Sizes 7.
. . . . . . . . . . . . . . . . . . . . . . . . . . . . . . . . .
SECTION
4 – OPERA
TING WELDING GENERATOR 8.
. . . . . . . . . . . . . . . . . . . . . . . . . . . . . . . . . . . . . . . .
4-1. Front Panel Controls 8.
. . . . . . . . . . . . . . . . . . . . . . . . . . . . . . . . . . . . . . . . . . . . . . . . . . . . . . . . . . .
4-2. Duty Cycle 9.
. . . . . . . . . . . . . . . . . . . . . . . . . . . . . . . . . . . . . . . . . . . . . . . . . . . . . . . . . . . . . . . . . . . .
SECTION
5 – OPERA
TING AUXILIAR
Y EQUIPMENT
10.
. . . . . . . . . . . . . . . . . . . . . . . . . . . . . . . . . . . . . . .
5-1. Standard Receptacles 10.
. . . . . . . . . . . . . . . . . . . . . . . . . . . . . . . . . . . . . . . . . . . . . . . . . . . . . . . . . .
5-2. Optional Auxiliary Power Receptacles 11.
. . . . . . . . . . . . . . . . . . . . . . . . . . . . . . . . . . . . . . . . . . . .
5-3. Wiring Optional 240 Volt Plug 12.
. . . . . . . . . . . . . . . . . . . . . . . . . . . . . . . . . . . . . . . . . . . . . . . . . . .
SECTION 6 – MAINTENANCE AND TROUBLESHOOTING 13.
. . . . . . . . . . . . . . . . . . . . . . . . . . . . . . . . . .
6-1. Routine Maintenance 13.
. . . . . . . . . . . . . . . . . . . . . . . . . . . . . . . . . . . . . . . . . . . . . . . . . . . . . . . . . .
6-2. Maintenance Label 14.
. . . . . . . . . . . . . . . . . . . . . . . . . . . . . . . . . . . . . . . . . . . . . . . . . . . . . . . . . . . .
6-3. Servicing Air Cleaner 14.
. . . . . . . . . . . . . . . . . . . . . . . . . . . . . . . . . . . . . . . . . . . . . . . . . . . . . . . . . .
6-4. Changing Engine Oil, Oil Filter, And Fuel Filter 15.
. . . . . . . . . . . . . . . . . . . . . . . . . . . . . . . . . . . .
6-5. Adjusting Engine Speed 16.
. . . . . . . . . . . . . . . . . . . . . . . . . . . . . . . . . . . . . . . . . . . . . . . . . . . . . . . .
6-6. Overload Protection 17.
. . . . . . . . . . . . . . . . . . . . . . . . . . . . . . . . . . . . . . . . . . . . . . . . . . . . . . . . . . . .
6-7. Inspecting And Cleaning Optional Spark Arrestor 17.
. . . . . . . . . . . . . . . . . . . . . . . . . . . . . . . . . .
6-8. Troubleshooting 18
. . . . . . . . . . . . . . . . . . . . . . . . . . . . . . . . . . . . . . . . . . . . . . . . . . . . . . . . . . . . . . . .
SECTION 7 – ELECTRICAL DIAGRAM 20.
. . . . . . . . . . . . . . . . . . . . . . . . . . . . . . . . . . . . . . . . . . . . . . . . . . . .
SECTION 8 – PARTS LIST 21.
. . . . . . . . . . . . . . . . . . . . . . . . . . . . . . . . . . . . . . . . . . . . . . . . . . . . . . . . . . . . . . .

OM-175 104 Page 1
SECTION 1 – SAFETY PRECAUTIONS FOR ARC WELDING
safety_rom1 4/95
1-1. Symbol Usage
Means Warning! Watch Out! There are possible hazards with this
procedure!
The possible hazards are shown in the adjoining symbols.
This group of symbols means Warning! Watch Out! possible ELECTRIC SHOCK, MOVING
PARTS,
and HOT P
AR
TS hazards. Consult symbols and related instructions below for necessary
actions
to avoid the hazards.
Y
Marks a special safety message.
.
Means NOTE; not safety related.
1-2. Arc Welding Hazards
WARNING
The symbols shown below are used throughout this manual to call attention to and identify possible hazards.
When you see the symbol, watch out, and follow the related instructions to avoid the hazard. The safety
information given below is only a summary of the more complete safety information found in the Safety
Standards listed in Section 1-5. Read and follow all Safety Standards.
Only qualified persons should install, operate, maintain, and repair this unit.
During operation, keep everybody, especially children, away.
ELECTRIC SHOCK can kill.
Touching live electrical parts can cause fatal
shocks or severe burns. The electrode and work
circuit
is electrically live whenever the
output is on.
The input power circuit and machine internal
circuits are also live when power is on. In
semiautomatic
or automatic wire welding, the wire,
wire reel, drive roll housing, and all metal parts
touching the welding wire are electrically live.
Incorrectly installed or improperly grounded
equipment
is a hazard.
1.
Do not touch live electrical parts.
2. W
ear dry
, hole-free insulating gloves and body protection.
3. Insulate yourself from work and ground using dry insulating
mats
or covers big enough to prevent any
physical contact with
the
work or ground.
4. Disconnect input power or stop engine before installing or
servicing
this equipment. Lockout/tagout input power
according
to
OSHA 29 CFR 1910.147 (see Safety Standards).
5. Properly install and ground this equipment according to its
Owner’s
Manual and national, state, and local codes.
6. Always
verify the supply ground – check and be
sure that input
power cord ground wire is properly connected to ground
terminal in disconnect box or that cord plug is connected to a
properly
grounded receptacle outlet.
7. When making input connections, attach proper grounding
conductor
first – double-check connections.
8. Frequently
inspect input power cord for damage or bare wiring –
replace
cord immediately if damaged – bare wiring can kill.
9. T
urn of
f all equipment when not in use.
10. Do not use worn, damaged, undersized, or poorly spliced
cables.
11. Do
not drape cables over your body
.
12. If
earth grounding of the workpiece is required,
ground it directly
with
a separate cable – do not use work clamp or work cable.
13. Do not touch electrode if you are in contact with the work,
ground,
or another electrode from a dif
ferent machine.
14. Use only well-maintained equipment. Repair or replace
damaged
parts at once. Maintain unit according to manual.
15. W
ear a safety harness if working above floor level.
16.
Keep all panels and covers securely in place.
17. Clamp work cable with good metal-to-metal contact to
workpiece
or worktable as near the weld as practical.
ARC RAYS can burn eyes and skin;
NOISE can damage hearing; FLYING
SLAG OR SPARKS can injure eyes.
Arc
rays from the welding process produce intense
visible and invisible (ultraviolet and infrared) rays
that can burn eyes and skin. Noise from some
processes can damage hearing. Chipping,
grinding, and welds cooling throw off pieces of
metal
or slag.
NOISE
1.
Use approved ear plugs or ear muf
fs if noise level is high.
ARC RAYS
2. Wear a welding helmet fitted with a proper shade of filter to
protect
your face and eyes when welding or
watching (see ANSI
Z49.1
and Z87.1 listed in Safety Standards).
3. W
ear approved safety glasses with side shields.
4. Use protective screens or barriers to protect others from flash
and
glare; warn others not to watch the arc.
5. Wear protective clothing made from durable, flame-resistant
material
(wool and leather) and foot protection.
FUMES AND GASES can be hazardous
to your health.
Welding produces fumes and gases. Breathing
these fumes and gases can be hazardous to your
health.
1. Keep
your head out of the fumes. Do not breathe the fumes.
2. If inside, ventilate the area and/or use exhaust at the arc to
remove
welding fumes and gases.
3.
If ventilation is poor
, use an approved air-supplied respirator
.
4. Read the Material Safety Data Sheets (MSDSs) and the
manufacturer’s instruction for metals, consumables, coatings,
cleaners,
and degreasers.
5. Work in a confined space only if it is well ventilated, or while
wearing an air-supplied respirator. Always have a trained
watchperson
nearby
. W
elding fumes and gases can displace air
and
lower the oxygen level
causing injury or death. Be sure the
breathing
air is safe.
6. Do
not weld
in locations near degreasing, cleaning, or spraying
operations.
The
heat and rays of the arc can react with vapors to
form
highly toxic and irritating gases.
7. Do not weld on coated metals, such as galvanized, lead, or
cadmium plated steel, unless the coating is removed from the
weld area, the area is well ventilated, and if necessary, while
wearing
an air-supplied respirator
. The coatings and any
metals
containing
these elements can give of
f toxic fumes if welded.

OM-175 104 Page 2
CYLINDERS can explode if damaged.
Shielding gas cylinders contain gas under high
pressure. If damaged, a cylinder can explode.
Since
gas cylinders are normally part of the welding
process,
be sure to treat them carefully
.
1. Protect compressed gas cylinders from excessive heat,
mechanical shocks, slag, open flames, sparks, and arcs.
2. Install
cylinders in an upright position by securing
to a stationary
support
or cylinder rack to prevent falling or tipping.
3. Keep cylinders away from any welding or other electrical
circuits.
4. Never
drape a welding torch over a gas cylinder
.
5.
Never allow a welding electrode to touch any cylinder
.
6.
Never weld on a pressurized cylinder – explosion will result.
7. Use
only correct shielding gas cylinders, regulators, hoses, and
fittings
designed for the specific application; maintain them and
associated
parts in good condition.
8. Turn
face away from valve outlet when opening cylinder valve.
9. Keep
protective cap in place over valve except when cylinder is
in
use or connected for use.
10. Read and follow instructions on compressed gas cylinders,
associated
equipment, and CGA publication P-1
listed in Safety
Standards.
WELDING can cause fire or explosion.
Welding on closed containers, such as tanks,
drums,
or pipes, can cause them to blow up. Sparks
can fly off from the welding arc. The flying sparks,
hot workpiece, and hot equipment
can cause fires
and
burns. Accidental contact of electrode to
metal
objects
can cause sparks, explosion, overheating,
or fire. Check and be sure the area is safe before
doing
any welding.
1.
Protect yourself and others from flying sparks and hot metal.
2. Do
not weld where flying sparks can strike flammable material.
3. Remove
all flammables within
35 ft (10.7 m) of the welding arc. If
this
is not possible, tightly cover them with approved covers.
4. Be
alert that welding sparks and hot materials from welding can
easily go
through
small cracks and openings to adjacent areas.
5. Watch
for fire, and keep a fire extinguisher nearby
.
6. Be
aware that welding on a ceiling, floor
, bulkhead, or partition
can cause fire on the hidden side.
7. Do not weld on closed containers such as tanks, drums, or
pipes,
unless they are properly prepared according to A
WS F4.1
(see
Safety Standards).
8. Connect
work cable to
the work as close to the welding area as
practical
to prevent welding current from
traveling long, possibly
unknown
paths and causing electric shock and fire hazards.
9.
Do not use welder to thaw frozen pipes.
10. Remove stick electrode from holder or cut off welding wire at
contact
tip when not in use.
11. Wear
oil-free protective garments such as leather gloves,
heavy
shirt, cuf
fless trousers, high shoes, and a cap.
12. Remove
any combustibles,
such as a butane lighter or matches,
from
your person before doing any welding.
1-3. Engine Hazards
ENGINE EXHAUST GASES can kill.
Engines
produce harmful exhaust gases.
1.
Use equipment outside in open, well-ventilated areas.
2. If used in a closed area, vent engine exhaust outside and
away
from any building air intakes.
WARNING
ENGINE FUEL can cause fire or
explosion.
Engine
fuel is highly flammable.
1. Stop
engine and let it cool of
f before checking or adding fuel.
2. Do
not add fuel while smoking or
if unit is near any sparks or
open
flames.
3.
Do not overfill tank – allow room for fuel to expand.
4. Do not spill fuel. If fuel is spilled, clean up before starting
engine.
MOVING PARTS can cause injury.
Moving
parts, such as fans, rotors, and belts can
cut
fingers and hands and catch loose clothing.
1. Keep all doors, panels, covers, and guards closed and
securely
in place.
2.
Stop engine before installing or connecting unit.
3. Have only qualified people remove guards or covers for
maintenance
and troubleshooting as necessary
.
4. To prevent accidental starting during servicing, disconnect
negative
(–) battery cable from battery
.
5. Keep
hands, hair
, loose clothing, and tools away from
moving
parts.
6. Reinstall
panels or
guards and close doors when servicing is
finished
and before starting engine.
SPARKS
can cause BA
TTERY
GASES
TO EXPLODE; BATTERY ACID can
burn eyes and skin.
Batteries contain acid and generate explosive
gases.
1. Always
wear a face shield when working on a battery
.
2. Stop engine before disconnecting or connecting battery
cables.
3. Do
not allow tools to cause sparks when working on a battery
.
4. Do
not
use welder to charge batteries or jump start vehicles.
5. Observe
correct polarity (+ and –) on batteries.
STEAM AND PRESSURIZED HOT
COOLANT can burn face, eyes, and
skin.
It is best to check coolant level when engine is
cold
to avoid scalding.
1. If
the engine is warm and checking
is needed, follow steps 2
and
3.
2. W
ear safety glasses and gloves and put a rag over cap.
3. Turn cap slightly and let pressure escape slowly before
completely
removing cap.

OM-175 104 Page 3
1-4. Additional Installation, Operation, And Maintenance Hazards
MOVING PARTS can cause injury.
1. Before
working
of generator
, remove spark plugs
or injectors to keep engine from kicking back or
starting.
2. Block
flywheel so that it will not
turn while working
on
generator components.
FLYING PIECES OF METAL or DIRT can
injure eyes.
1. Wear safety glasses with side shields or face
shield.
STATIC ELECTRICITY can damage parts
on circuit boards.
1. Put on grounded wrist strap BEFORE handling
boards
or parts.
2. Use proper static-proof bags and boxes to store,
move,
or ship PC boards.
MAGNETIC FIELDS FROM HIGH
CURRENTS can affect pacemaker
operation.
1. Pacemaker wearers keep away.
2. W
earers should consult their doctor before going
near arc welding, gouging, or spot welding
operations.
HOT PARTS can cause severe burns.
1. .Allow
cooling period before maintaining.
2. Wear
protective gloves and clothing when working
on
a hot engine.
FALLING EQUIPMENT can cause serious
personal injury and equipment damage.
1. Use lifting eye to lift unit only, NOT running gear,
gas cylinders, or any other accessories.
2.
Use equipment of adequate capacity to lift unit.
READ INSTRUCTIONS.
1. Use
only genuine MILLER replacement parts.
2. Reinstall injectors and bleed air from fuel system
according to engine manual.
DO NOT LET ENGINE EXHAUST SPARKS
CAUSE FIRE.
1. Use approved engine exhaust spark arrestor in
required
areas – see applicable codes.
LOW VOLTAGE AND FREQUENCY CAN
DAMAGE electrical equipment such as
MOTORS.
1. Turn off or unplug equipment before starting or
stopping
engine.
OVERUSE can cause OVERHEATED
EQUIPMENT.
1. Allow
cooling period.
2. Reduce current or reduce duty cycle before
starting
to weld again.
3.
Follow rated duty cycle.
TILTING OF TRAILER can cause injury.
1. Use
tongue jack or blocks to support weight.
2. Properly install welding generator onto trailer
according
to instructions supplied with trailer
.
BATTERY ACID can BURN SKIN AND
EYES.
1. Do
not tip.
2.
Replace damaged battery
.
3.
Flush eyes and skin immediately with water
.
WARNING
1-5. Principal Safety Standards
Safety
in W
elding and Cutting
, ANSI Standard
Z49.1, from American
Welding Society, 550 N.W. LeJeune Rd, Miami FL 33126
Safety and Health Standards
, OSHA 29 CFR 1910, from
Superintendent of Documents, U.S. Government Printing Office,
Washington, D.C. 20402.
Recommended Safe Practices for the Preparation for Welding and
Cutting of Containers That Have Held Hazardous Substances
,
American Welding Society Standard AWS F4.1, from American
Welding Society, 550 N.W. LeJeune Rd, Miami, FL 33126
National Electrical Code
, NFPA Standard 70, from National Fire
Protection Association, Batterymarch Park, Quincy, MA 02269.
Safe Handling of Compressed Gases in Cylinders
, CGA Pamphlet
P-1, from Compressed Gas Association, 1235 Jefferson Davis
Highway, Suite 501, Arlington, VA 22202.
Code
for Safety in W
elding and
Cutting
, CSA Standard W1
17.2, from
Canadian Standards Association, Standards Sales, 178 Rexdale
Boulevard, Rexdale, Ontario, Canada M9W 1R3.
S
afe Practices For Occupation And Educational Eye And Face
Protection
,
ANSI Standard Z87.1, from American National Standards
Institute, 1430 Broadway, New York, NY 10018.
Cutting
And
W
elding Processes
, NFP
A Standard 51B, from National
Fire Protection Association, Batterymarch Park, Quincy, MA 02269.
1-6. EMF Information
Considerations About Welding And The Effects Of Low Frequency
Electric And Magnetic Fields
The
following
is a quotation from the General Conclusions Section of
the U.S. Congress, Office of Technology Assessment,
Biological
Effects
of Power Frequency Electric & Magnetic Fields – Background
Paper
, OTA-BP-E-53 (Washington, DC: U.S. Government Printing
Office,
May 1989): “. . . there is now a
very large volume of scientific
findings
based on experiments at the cellular level and from studies
with animals and people which clearly establish that low frequency
magnetic
fields can
interact with, and produce changes in, biological
systems.
While most of this work is of very high quality
, the results are
complex. Current scientific understanding does not yet allow us to
interpret the evidence in a single coherent framework. Even more
frustrating,
it does not yet allow us to draw definite conclusions about
questions of possible risk or to offer clear science-based advice on
strategies to minimize or avoid potential risks.”
To reduce magnetic fields in the workplace, use the following
procedures:
1. Keep cables close together by twisting or taping them.
2. Arrange cables to one side and away from the operator.
3. Do not coil or drape cables around the body.
4. Keep welding power source and cables as far away as
practical.
5. Connect work clamp to workpiece as close to the weld as
possible.
About Pacemakers:
The above procedures are also recommended for pacemaker
wearers. Consult your doctor for complete information.

OM-175 104 Page 4
SECTION 2 – DEFINITIONS
2-1. Symbol Definitions
Stop
Engine
Fast
(Run, W
eld/Power) Fast/Slow
(Run/Idle)
Slow (Idle)
Start Engine
Read Operator
’s
Manual AAmperes VVolts
Engine Oil
Fuel
Battery (Engine)
Engine
Engine Choke
Check Valve
Clearance Do not switch
while welding
W
ork Connection
Positive Negative
Alternating Current
(AC) Output
W
elding Arc
(Electrode)
Gas Metal Arc
W
elding (GMA
W),
Wire
Shielded Metal Arc
W
elding (SMA
W),
Stick
Gas T
ungsten Arc
W
elding (TIG)
hHours sSeconds Time
Protective Earth
(Ground)
Temperature Circuit Breaker

OM-175 104 Page 5
SECTION 3 – INSTALLATION
3-1. Installing Welding Generator
install1* 3/96 – Ref. ST-800 652 / Ref. ST-800 477-A / ST-158 936-A / S-0854
1
2
Electrically
bond
generator frame to
vehicle frame by metal-to-metal
contact.
GND/PE
3
4
1 Generator Base
2
Metal V
ehicle Frame
3
Equipment Grounding
Terminal
4
Grounding Cable
Use #10 AWG or larger insulated
copper
wire.
2
OR
18 in
(460 mm)
18 in
(460 mm)
18 in
(460 mm)
18 in
(460 mm)
18 in
(460 mm)
OR
Movement Airflow Clearance Location
Grounding
OR
3-2. Dimensions, Weights, And Operating Angles
A
B
Dimensions
B
CHeight
31 in (787 mm)
Do not exceed operating angles while
i
i d ill
DWidth
18-3/4 in (476 mm)
Do
not
exceed
operating
angles
while
running
or engine damage will occur
.
Do
not move or operate unit where it could
tip
4 Holes
GDepth
46 in (1
164 mm)
tip.
E
F
A
18 in (457 mm)
25°
E
FB
16-1/2 in (419 mm)
25°
25
°
°
C
3/4 in (19 mm)
25°
25°
25°
D
3-1/8 in (79 mm)
angles_1 3/96
E
32-3/4 in (832 mm)
Weight
Engine End
F
45-1/2 in (1
156 mm)
Net: 567 lb (258 kg)
ST-800 426 G
13/32 in (10 mm) Dia.
Ship: 608 lb (276 kg)

OM-175 104 Page 6
3-3. Fuel Consumption
Ref. SB-179 939
0.0
0.3
0.5
0.8
1.0
1.3
1.5
1.8
2.0
0 25 50 75 100 125 150 175 200 225 250 275
7.57
6.62
5.67
4.73
3.78
2.84
1.89
0.95
1.67
1.46
1.25
1.04
0.84
0.63
0.42
0.21
LITERS/HR.
IMP. GAS/HR.
U.S. GAL/HR.
WELD AMPERES AT 100% DUTY CYCLE
POWER KVA AT 100% DUTY CYCLE
0 1.0 2.0 3.0 4.0 5.0 6.0 7.0 8.0 9.0 10.0 11.0
CV WELD
3750 RPM
AC WELD
3750 RPM
AUX POWER
3750 RPM
IDLE
2200 RPM
DC WELD
3750 RPM
3-4. Engine Prestart Checks
Ref. ST-801 188-A / Ref. ST-801 221
Check
all fluids daily
. Engine must
be
cold and on a level surface. Unit
is
shipped with 10W30 engine oil.
1
Low Oil Pressure Shutdown
Switch
Engine stops if oil pressure gets
too
low
.
2
Anti-Icing Control
Use control to prevent carburetor
icing
in cold weather
.
Full
1/2 in
(13 mm)
Full
Below Above
45°F
(7°C)
2
1
Gasoline

OM-175 104 Page 7
3-5. Connecting The Battery
Ref. ST-800 394-B / Ref. ST-178 079-A / Ref. S-0756-D
+–
3/8,
1/2 in
Connect (–) cable last.
T
ools Needed:
3-6. Weld Output Terminals And Selecting Cable Sizes
ARC
WELDING can cause Electromagnetic Interference.
To
reduce possible interference, keep weld cables as short as possible, close together
, and down low
, such as on the
floor. Locate welding operation 100 meters from any sensitive electronic equipment. Be sure this welding machine is
installed and grounded according to this manual. If interference still occurs, the user must take extra measures such
as
moving the welding machine, using shielded cables, using line filters, or shielding the work area.
Total Cable (Copper) Length In Weld Circuit Not Exceeding
100 ft (30 m) Or Less 150 ft
(45 m) 200 ft
(60 m) 250 ft
(70 m) 300 ft
(90 m) 350 ft
(105 m) 400 ft
(120 m)
Weld Output Terminals Welding
Amperes
10 – 60%
Duty
Cycle
60 – 100%
Duty
Cycle 10 – 100% Duty Cycle
100 4 4 4 3 2 1 1/0 1/0
150 3 3 2 1 1/0 2/0 3/0 3/0
200 3 2 1 1/0 2/0 3/0 4/0 4/0
250 2 1 1/0 2/0 3/0 4/0 2-2/0 2-2/0
300 1 1/0 2/0 3/0 4/0 2-2/0 2-3/0 2-3/0
ST-800 396-A
WORK ELECTRODE 350 1/0 2/0 3/0 4/0 2-2/0 2-3/0 2-3/0 2-4/0
Weld cable size (A
WG) is based on either a 4 volts or less drop or a current density of at least 300 circular mils per ampere.
S-0007-D

OM-175 104 Page 8
SECTION 4 – OPERATING WELDING GENERATOR
4-1. Front Panel Controls
Ref. ST-178 079-A
1 Engine
Control Switch
Use switch to start engine, select speed,
and stop engine. In Run/Idle position, en-
gine
runs at idle speed at no
load, and weld/
power speed under load. In Run position,
engine
runs at weld/power speed.
Place
switch in Run position to operate
most GMA
W equipment.
2
Engine Choke Control
Use control to change engine air-fuel mix.
To Start: pull out choke and turn Engine
Control switch to Start position. Release
switch and slowly push choke in when en-
gine
starts. Do not crank engine if engine
is
still
turning. Set anti-icing control (see Sec
-
tion
3-4).
To Stop: turn Engine Control switch to Off
position.
3 Weld Process Selector Switch
Use switch to select type of weld output.
Use
a positive
(+) position for Direct Current
Electrode Positive (DCEP) and a negative
(–) position for Direct Current Electrode
Negative
(DCEN). Use AC position for
alter
-
nating
current.
4 Coarse Adjust Switch
Use switch to select weld amperage range
when Weld Process Selector switch is in
Stick/Tig position, or voltage range when
switch
is in Wire position.
For best arc starts, use lowest amper-
age
range possible.
5
Fine Adjust Control
Use
control to select weld amperage (Stick/
Tig) or voltage (Wire) within the range se-
lected
by the Coarse Adjust switch. Control
may
be adjusted while welding. W
eld output
would be 110 A DC based on control set-
tings
shown (50% of 70 to 150 A).
6
Engine Hour Meter
5 2
3
1 64

OM-175 104 Page 9
4-2. Duty Cycle
SB-119 454-A
Duty
cycle is the percentage of 10
minutes
that unit can weld at
rated
load
without overheating.
Exceeding duty cycle can
damage unit and void war-
ranty.
Continuous
W
elding
100%
Duty Cycle at 225 Amperes AC, 210 Amperes CC/DC, 200 Amperes CV/DC

OM-175 104 Page 10
SECTION 5 – OPERATING AUXILIARY EQUIPMENT
5-1. Standard Receptacles
Ref. ST-178 079-A
Auxiliary power decreases as
weld current increases.
Set Fine Adjust control R1 at
10
for full auxiliary power
.
1
120 V 15 A AC Receptacles
GFCI-2 And GFCI-3
GFCI-2 and GFCI-3 supply 60 Hz
single-phase
power at
weld/power
speed.
Maximum
output from each
receptacle is 2.4 kVA/kW (CSA:
1.8 kVA/kW).
If
a ground fault is detected,
Reset
button pops out and the circuit
opens to disconnect the faulty
equipment. Check for faulty tools,
cords,
etc. connected
to the recep
-
tacle.
Press reset
button to resume
operation.
At
least
once a month, run en
-
gine
at weld/power speed and
press Test button to verify
GFCI
is working properly
.
2
240 V 50 A AC Receptacle
RC1
RC1 supplies 60 Hz single-phase
power
at weld/power speed. Maxi
-
mum
output is 8 kV
A/kW.
3 Circuit Breakers CB1 And
CB2
CB1 and CB2 protect RC1 from
overload. If CB1 or CB2 opens,
RC1
and one of the 120 volt
recep
-
tacles does not work. 120 volts
may
still be present at RC1.
4 Circuit Breakers CB3 And
CB4
CB3 and CB4 protect GFCI-2 and
GFCI-3 from overload. If CB3 or
CB4 opens, the receptacle does
not work.
If
a circuit breaker continues to
open, contact a Factory Au-
thorized
Service Agent.
Total output of receptacles limited
to 8 kVA/kW. Example: If 20 A is
drawn from GFCI-2 and GFCI-3,
only
13 A is available at RC1:
2
x (120 V x 20
A) + (240 V x 13 A)
=
7.9 kV
A/kW
34
1
2

OM-175 104 Page 1
1
5-2. Optional Auxiliary Power Receptacles
YIf unit does not have GFCI
receptacles, use GFCI-pro-
tected
extension cord.
.
Auxiliary power decreases as
weld current increases.
Set Fine Adjust control R1 at
10
for full auxiliary power
.
Combined
output of all
receptacles
limited to 8 kVA/kW rating of the
generator.
120
V
olt Receptacle Option
1
120 V 15 A AC Receptacles
RC2 And RC3
RC2
and RC3 supply
60 Hz single-
phase
power
at weld/power speed.
Maximum
output from RC2 or RC3
is
2.4 kV
A/kW (CSA: 1.8 kV
A/kW).
Circuit breaker protection is the
same
as standard receptacles.
South African And Australian
Receptacle Options
2
240 V 16 A AC South African
Receptacles RC1, RC2, And
RC3
3
240 V 15 A AC Australian
Receptacles RC1, RC2, And
RC3
Receptacles supply 60 Hz single-
phase
power
at weld/power speed.
Maximum
output
from each recep
-
tacle is 3.6 kVA/kW.
4 Circuit Breakers CB1, CB2,
CB3
CB1, CB2, and CB3 protect RC1,
RC2, and RC3 from overload. If a
circuit breaker opens, the recep-
tacle does not work. Press button
to
reset breaker
.
5 Circuit Breaker CB4
CB4 protects all the receptacles
from
overload. If CB4 opens,
none
of
the receptacles work.
.
If
a circuit breaker continues to
open, contact a Factory Au-
thorized
Service Agent.
1
2
4
5
3
4
5
Ref. ST-172 786-B / Ref. ST-181 714

OM-175 104 Page 12
5-3. Wiring Optional 240 Volt Plug
ST-120 813-D
The
plug
can be wired for a 240 V
,
2-wire load or a 120/240V, 3-wire
load.
See circuit diagram.
1
Plug Wired For 120/240 V
,
3-Wire Load
When wired for 120 V loads, each
duplex receptacle shares a load
with
one half of 240 V receptacle.
2
Plug Wired For 240 V
, 2-Wire
Load
3
Neutral (Silver) T
erminal
4
Load 1 (Brass)T
erminal
5
Load 2 (Brass) T
erminal
6
Ground (Green) T
erminal
7
Amperes A
vailable Using
120/240 V Plug
1
2
3
4
56
3
4
5
6
240V
240V
120V
120V
*One 240 V load or two 120 V loads.
7
Current A
vailable In Amperes
240 V
Receptacle*
Each 120 V Duplex
Receptacle
V x A = Watts
35
30
25
20
15
0
5
10
15
20
T
ools Needed:

OM-175 104 Page 13
SECTION 6 – MAINTENANCE AND TROUBLESHOOTING
6-1. Routine Maintenance
Recycle
engine
fluids.
Y
Stop engine before maintaining.
.
See also Engine Manual and mainte-
nance
label. Service engine more
often
if
used in severe conditions.
8 h
Wipe
Up
Spills.
Check Fluid
Levels.
See Section 3-4.
20 h
Check
And
Clean Optional
Spark Arrestor
Screen. See
Section 6-7.
Service Air
Cleaner Foam
Element. See
Section 6-3.
50 h
Clean
And
T
ighten W
eld
Terminals.
100 h
Change
Oil. See
Section 6-4 And
Maintenance
Label.
Check
Spark
Plugs.
Check Air
Cleaner
Paper
Element. See
Section 6-3.
Clean And
Tighten
Battery
Connections.
Clean Cooling
System.
See Engine
Manual.
200 h
Replace
Fuel
Filter
.
See Section
6-4.
Replace
Unreadable
Labels.
Change Oil
Filter
. See Section
6-4 And
Maintenance
Label.
500 h
Repair Or Replace
Cracked Cables.
1000 h
Blow Out Or V
acuum Inside.
During Heavy Service,
Clean Monthly
.
OR

OM-175 104 Page 14
6-2. Maintenance Label
S-173 088
°C
+30
+20
+10
0
-10
-20
-30
°F
KOHLER CH18 GAS ENGINE
Check
5W-20, 5W-30
0
+32
10W-30, 10W-40
+100
Recommended
Oil
API Service Classification SF-SG/CC-CD.
. .
Oil
Change
100 hours
.
. . . . . . . .
Oil
Filter Change
200 hours
.
. . .
Oil
Filter MILLER 066 698, Kohler 1205001
.
. . . . . . . . . . .
Oil Capacity
1.75 qt (1.7 L) or 2 qt (1.9 L) with filter
.
. . . . . . .
change
daily.
See
Engine Manual for complete engine care. Give
engine Specification and Serial Number when ordering
parts.
Push And
T
o Drain Oil:
Pull
1/2 in. ID Hose
Turn CCW
Fuel Capacity
8.5 gal (32.2 L)
.
. . . . . .
Fuel
Grade
Unleaded, 87 Octane min.
.
. . . . . . . .
Fuel
Filter
MILLER 066 1
13,.
. . . . . . . . .
Kohler
2505003
Gasoline
Air Filter Service
100 hours or less – see
.
. . .
Owner’s
Manual
Air Filter Element MILLER 067 272,
.
. . .
Kohler
4708303
Air Filter W
rapper
MILLER 067 273,
.
. . .
Kohler
2408302
+
Spark Arrestor Inspection And Service .
. . . . . . . . . .
20
operating hours - see Owner
’
s Manual
12 V
olt Battery
BCI Group 58
.
. . . . .
Cranking
Performance at 0
°
F (-18
°C)
430 Amps
.
. . .
min.
Engine
RPM – No Load
Weld/Power 3700.
Idle 2200
. . . . . . . . .
Spark
Plug Gap
0.040 in. (1.02 mm)
.
. . . .
Spark
Plug
Champion RC-12YC
.
. . . . . . . .
Use
only resistor spark plugs and wires.
6-3. Servicing Air Cleaner
aircleaner3 6/96 – ST-156 852 / Ref. ST-178 079-A / S-0759
Stop
engine.
Do not run engine without
air cleaner or with dirty ele-
ment.
1 Precleaner
Wash precleaner with soap and
water
solution.
Allow precleaner to
air
dry completely
.
Spread 1 tablespoon SAE 30 oil
evenly into precleaner. Squeeze
out excess oil.
2 Element
Replace element if dirty or oily
.
oil
1
2

OM-175 104 Page 15
6-4. Changing Engine Oil, Oil Filter, And Fuel Filter
Ref. ST-801 188-A / Ref. ST-801 221 / Ref. ST-178 079-A / ST-800 395 / S-0842
Stop
engine and let cool.
1
Oil Drain V
alve
2
1/2 ID x 12 in Hose
3
Oil Filter
4
Oil Fill Cap
5 Oil Dipstick
Change engine oil and filter ac-
cording
to engine owner
’
s manual.
Close valve and valve cap
before adding oil and run-
ning
engine.
Fill crankcase with new oil to full
mark
on dipstick
(see Section 6-2).
6 Fuel
Filter
7
Fuel Line
Replace line if cracked or worn.
Install new filter. Wipe up any
spilled
fuel.
Start engine, and check for fuel
leaks.
Stop engine, tighten con-
nections as necessary, and
wipe
up fuel.
1
2
4
3
5
6
7
T
ools Needed:

OM-175 104 Page 16
6-5. Adjusting Engine Speed
Ref. ST-801 188-A / ST-801 209-A
After tuning engine, check engine
speeds with a tachometer (see
table).
If necessary
, adjust speeds
as
follows:
Start engine and run until warm.
Turn
Fine Adjust control to 10.
Idle Speed Adjustment
Move Engine Control switch to
Run/Idle
position.
1
Throttle Solenoid
2
Mounting Screws
3
Idle Speed Screw
Loosen mounting screws. Adjust
solenoid
position so engine runs at
idle speed. If necessary, back out
idle speed screw so solenoid can
be moved to correct position.
Tighten
mounting screws. Be sure
solenoid
linkage works smoothly
.
Turn idle speed screw for fine ad-
justments.
Weld/Power
Speed Adjustment
Move
Engine Control
switch to Run
position.
4 Weld/Power
Speed Adjust
-
ment Nut
5 Lock Nut
Loosen lock nut. Turn adjustment
nut
until engine runs at
weld/power
speed.
T
ighten lock nut.
Stop engine.
2200
±50
rpm
3700
±50
rpm
1/4, 3/8 in
T
ools Needed:
3
5
4
1
2
T
op V
iew

OM-175 104 Page 17
6-6. Overload Protection
ST-801 226-A / Ref. ST-801 221
YStop
engine.
1
Fuse F1 (See Parts List)
F1 protects the generator excita-
tion circuit. If F1 opens, there will
be
no/low weld and auxiliary power
output.
2 Fuse
F6 (See Parts List)
F6 protects the engine wiring har-
ness.
If F6 opens, the engine does
not crank.
Replace
any open fuses. Reinstall
panel
before operating unit.
.
If any fuse continues to open,
contact Factory Authorized
Service
Agent.
3/8 in
2
1
T
ools Needed:
6-7. Inspecting And Cleaning Optional Spark Arrestor
ST-801 206 / Ref. ST-801 221 / Ref. ST-172 782-A
YStop
engine and let cool.
1 Spark Arrestor Screen
Clean and inspect screen. Re-
place
spark arrestor if screen wires
are
broken or missing.
1/4 in
1
T
ools Needed:

OM-175 104 Page 18
6-8. Troubleshooting
A. Welding
Trouble Remedy
No weld output.
Check control settings.
Check weld connections.
Check fuse F1 and replace if open (see Section 6-6).
Be sure all equipment is disconnected from receptacles when starting unit.
Have Factory Authorized Service Agent check brushes, slip rings, and integrated rectifier SR2.
Check plug PLG6 connection.
Low weld output.
Check fuse F1 and replace if open (see Section 6-6).
Check control settings.
Check and adjust engine speed (see Section 6-5).
Service air cleaner according to engine manual.
Have Factory Authorized Service Agent check brushes and slip rings.
High weld output.
Check control settings.
Check and adjust engine speed (see Section 6-5).
Erratic weld output.
Check control settings.
T
ighten and clean connections to electrode and workpiece.
Use dry
, properly-stored electrodes for SMA
W and GT
AW.
Remove excessive coils from weld cables.
T
ighten and clean connections both inside and outside welding generator
.
Check and adjust engine speed (see Section 6-5).
Have Factory Authorized Service Agent check brushes and slip rings.
B. Auxiliary Power
Trouble Remedy
No
output at auxiliary power recep
-
tacles.
Reset circuit breakers (see Sections 5-1 and 5-2).
Press receptacle Reset button (see Section 5-1).
Check fuse F1 and replace if open (see Section 6-6).
Check plug PLG6 connection.
Have Factory Authorized Service Agent check brushes, slip rings, and integrated rectifier SR2.
High power output.
Check and adjust engine speed (see Section 6-5).
Low power output.
Check fuse F1 and replace if open (see Section 6-6).
Increase Fine Adjust control R1 setting.
Erratic power output.
Check fuel level.
Check and adjust engine speed (see Section 6-5).
Check receptacle wiring and connections.
Have Factory Authorized Service Agent check brushes and slip rings.

OM-175 104 Page 19
C. Engine
Trouble Remedy
Engine will not crank.
Check fuse F6, and replace if open (see Section 6-6).
Check battery voltage.
Check battery connections and tighten if necessary
.
Check plug PLG4 and plug PLG8 connections.
Have Factory Authorized Service Agent check Engine Control switch S2.
Engine will not start.
Check fuel level.
Check battery voltage.
Check battery connections and tighten if necessary
.
Check oil level. Check low oil pressure shutdown switch (see Section 3-4).
Have Factory Authorized Service Agent check fuel shutof
f solenoid FS1.
Engine starts but stops when Engine
Control switch returns to Run position.
Check oil level. Check low oil pressure shutdown switch (see parts list for location).
Check and refill crankcase with proper viscosity oil for operating temperature, if necessary
.
Engine stopped during normal opera
-
tion.
Check fuel level.
Check oil level. Check low oil pressure shutdown switch (see Section 3-4).
Periodically recharge battery (approximately every 3 months).
Replace battery
.
Check voltage regulator and connections according to engine manual.
Have Factory Authorized Service Agent check fuel shutof
f solenoid FS1.
Battery Discharges between uses.
Clean battery
, terminals, and posts with baking soda and water solution; rinse with clear water
.
Periodically recharge battery (approximately every 3 months).
Replace battery
.
Check voltage regulator and connections according to engine manual.
Engine idles but does not come up to
weld speed.
Have Factory Authorized Service Agent check auto idle module PC1, and current transformer CT1.
Unstable or sluggish engine speeds.
Readjust throttle linkage if necessary
. Check throttle solenoid TS1 for smooth operation.
T
une-up engine according to engine manual.
Engine does not return to idle speed.
Remove weld and auxiliary power loads.
Check throttle linkage for smooth, non-binding operation.
Have
Factory Authorized Service Agent
check idle module PC1, current transformer CT1, Engine Con
-
trol
switch S2, and throttle solenoid TS1.

OM-175 104 Page 20
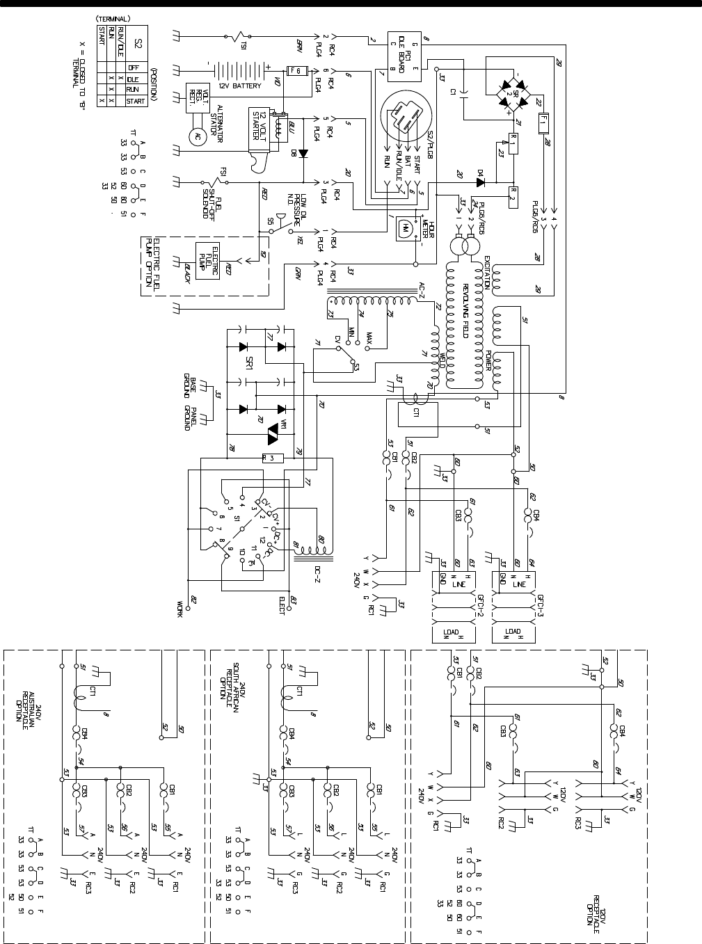
SECTION 7 – ELECTRICAL DIAGRAM
SB-180 690-B
Figure 7-1. Circuit Diagram For Welding Generator

OM-175 104 Page 22
SECTION 8 – PARTS LIST
1
2
3
456
7
8
9
10
14
11
13
15
23
21
34
36
41
42
Fig 8-2
Fig 8-3
Figure 8-1. Main Assembly ST-801 432-B
22
16
17
18
19
20
24
25
26
27
28
29
30
31
32
33
35
37
38
39
40
12
43

OM-175 104 Page 23
Description
Part
No.
Dia.
Mkgs.
Item
No.
Figure 8-1. Main Assembly
Quantity
1 +159 907
COVER, top
1.
. .
. . . . . . . . . . . . . . . . . . . . . . . . . . . . . . . . . . . . . . . . . . . . . . . . . . . . . . . . . . . . . . . . . . . .
1♦+169 441
COVER, top
1.
. .
. . . . . . . . . . . . . . . . . . . . . . . . . . . . . . . . . . . . . . . . . . . . . . . . . . . . . . . . . . . . . . . . . . .
2 108 487 LABEL, warning: falling equipment can cause serious injury 1.
. .
. . . . . . . . . . . . . . . . . . . . . . . . . . . .
3 169 329 P
ANEL, side
2.
. .
. . . . . . . . . . . . . . . . . . . . . . . . . . . . . . . . . . . . . . . . . . . . . . . . . . . . . . . . . . . . . . . . . . . . .
3♦169 442 P
ANEL, side
2.
. .
. . . . . . . . . . . . . . . . . . . . . . . . . . . . . . . . . . . . . . . . . . . . . . . . . . . . . . . . . . . . . . . . . . .
4 159 914 UPRIGHT, base 1.
. .
. . . . . . . . . . . . . . . . . . . . . . . . . . . . . . . . . . . . . . . . . . . . . . . . . . . . . . . . . . . . . . . . . .
5 168 640 SEAL, tank fuel filler neck 1.
. .
. . . . . . . . . . . . . . . . . . . . . . . . . . . . . . . . . . . . . . . . . . . . . . . . . . . . . . . . . .
6 164 928 SEAL, barrel 11.78 ID x .378thk 1.
. .
. . . . . . . . . . . . . . . . . . . . . . . . . . . . . . . . . . . . . . . . . . . . . . . . . . . . .
7 178 497 PANEL, rear lower 1.
. .
. . . . . . . . . . . . . . . . . . . . . . . . . . . . . . . . . . . . . . . . . . . . . . . . . . . . . . . . . . . . . . . .
8 147 601 CAP, tank screw-on w/vent 1.
. .
. . . . . . . . . . . . . . . . . . . . . . . . . . . . . . . . . . . . . . . . . . . . . . . . . . . . . . . . .
9 178 498 TANK, fuel 8.5gal (consisting of) 1.
. .
. . . . . . . . . . . . . . . . . . . . . . . . . . . . . . . . . . . . . . . . . . . . . . . . . . . .
10 178 632 FITTING, stand pipe hose .250 x 7.325 lg 1.
. .
. . . . . . . . . . . . . . . . . . . . . . . . . . . . . . . . . . . . . . . . . . . .
11 121 652 FILTER KIT, fuel w/clamps 1.
. .
. . . . . . . . . . . . . . . . . . . . . . . . . . . . . . . . . . . . . . . . . . . . . . . . . . . . . . . . .
12 173 088 LABEL, engine maintenance 1.
. .
. . . . . . . . . . . . . . . . . . . . . . . . . . . . . . . . . . . . . . . . . . . . . . . . . . . . . . .
13 173 065 MUFFLER, exhaust engine w/heat shield (Included w/engine) 1.
. .
. . . . . . . . . . . . . . . . . . . . . . . . . .
14 +173 042 ENGINE, gas elec start (consisting of) 1.
. .
. . . . . . . . . . . . . . . . . . . . . . . . . . . . . . . . . . . . . . . . . . . . .
15 165 271 VALVE, oil drain 3/8-18NPTF 1.
. .
. . . . . . . . . . . . . . . . . . . . . . . . . . . . . . . . . . . . . . . . . . . . . . . . . . . . . . .
TS1 SOLENOID, 14VDC .53A (see engine parts list) 1.
. . . . . . . . .
. . . . . . . . . . . . . . . . . . . . . . . . . . . . . . . . . . . . . .
BRACKET, mtg solenoid (see engine parts list) 1.
. . . . . . . . . . . . . . . . . . . . . . . . . . . . . . . .
. . . . . . . . . . . . . . . . . . . .
180 096 TUNE-UP & FILTER KIT, (consisting of) 1.
. . . . . . . . . . . . . . . . . . .
. . . . . . . . . . . . . . . . . . . . . . . . . . . . . . . .
066 698 OIL FILTER 1.
. . . . . . . . . . . . . . . . . . .
. . . . . . . . . . . . . . . . . . . . . . . . . . . . . . . . . . . . . . . . . . . . . . . . . . . . . . . .
121 652 FILTER/CLAMPS, fuel 1.
. . . . . . . . . . . . . . . . . . .
. . . . . . . . . . . . . . . . . . . . . . . . . . . . . . . . . . . . . . . . . . . . . . .
067 272 ELEMENT, air cleaner 1.
. . . . . . . . . . . . . . . . . . .
. . . . . . . . . . . . . . . . . . . . . . . . . . . . . . . . . . . . . . . . . . . . . . .
067 273 AIR FILTER, wrapper 1.
. . . . . . . . . . . . . . . . . . .
. . . . . . . . . . . . . . . . . . . . . . . . . . . . . . . . . . . . . . . . . . . . . . . .
067 007 SP
ARK PLUG
2.
. . . . . . . . . . . . . . . . . . .
. . . . . . . . . . . . . . . . . . . . . . . . . . . . . . . . . . . . . . . . . . . . . . . . . . . . . .
16 Fig 8-3 GENERATOR 1.
. .
. . . . . . . . . . . . . . . . . . . . . . . . . . . . . . . . . . . . . . . . . . . . . . . . . . . . . . . . . . . . . . . . . . . . .
24 182 361 KIT, holddown battery 1.
. .
. . . . . . . . . . . . . . . . . . . . . . . . . . . . . . . . . . . . . . . . . . . . . . . . . . . . . . . . . . . . .
18 168 385 LABEL, warning battery explosion can blind 1.
. .
. . . . . . . . . . . . . . . . . . . . . . . . . . . . . . . . . . . . . . . . . .
19 +159 917 DOOR, access battery 1.
. .
. . . . . . . . . . . . . . . . . . . . . . . . . . . . . . . . . . . . . . . . . . . . . . . . . . . . . . . . . . .
20 173 921 CABLE, bat pos (included w/engine) 1.
. .
. . . . . . . . . . . . . . . . . . . . . . . . . . . . . . . . . . . . . . . . . . . . . . . . .
21 168 037 BATTERY, stor 12V 430crk 75rsv GP58 dry 1.
. .
. . . . . . . . . . . . . . . . . . . . . . . . . . . . . . . . . . . . . . . . . .
22 082 319 CABLE, bat neg 1.
. .
. . . . . . . . . . . . . . . . . . . . . . . . . . . . . . . . . . . . . . . . . . . . . . . . . . . . . . . . . . . . . . . . . .
172 669 CABLE, bat neg 1.
. . . . . . . . . . . . . . . . . . .
. . . . . . . . . . . . . . . . . . . . . . . . . . . . . . . . . . . . . . . . . . . . . . . . . . . .
23 173 043 BRACKET, mtg engine 1.
. .
. . . . . . . . . . . . . . . . . . . . . . . . . . . . . . . . . . . . . . . . . . . . . . . . . . . . . . . . . . . .
24 165 660 BRACKET, mtg generator 1.
. .
. . . . . . . . . . . . . . . . . . . . . . . . . . . . . . . . . . . . . . . . . . . . . . . . . . . . . . . . . .
25 DC-Z 165 578 STABILIZER 1.
. .
. . . . . . . . . . . . . . . . . . . . . . . . . . . . . . . . . . . . . . . . . . . . . . . . . . . . . . . . . . . . . . .
26 AC-Z 176 301 REACTOR 1.
. .
. . . . . . . . . . . . . . . . . . . . . . . . . . . . . . . . . . . . . . . . . . . . . . . . . . . . . . . . . . . . . . . . .
27 164 920 BRACKET, mtg stab/reactor 2.
. .
. . . . . . . . . . . . . . . . . . . . . . . . . . . . . . . . . . . . . . . . . . . . . . . . . . . . . . . .
28 159 906 PAN, base 1.
. .
. . . . . . . . . . . . . . . . . . . . . . . . . . . . . . . . . . . . . . . . . . . . . . . . . . . . . . . . . . . . . . . . . . . . . . .
29 160 844 COVER, base 4.
. .
. . . . . . . . . . . . . . . . . . . . . . . . . . . . . . . . . . . . . . . . . . . . . . . . . . . . . . . . . . . . . . . . . . . .
30 +180 628 PANEL, front lower 1.
. .
. . . . . . . . . . . . . . . . . . . . . . . . . . . . . . . . . . . . . . . . . . . . . . . . . . . . . . . . . . . . . .
31 Fig 8-2 PANEL, front w/components 1.
. .
. . . . . . . . . . . . . . . . . . . . . . . . . . . . . . . . . . . . . . . . . . . . . . . . . . . . . . . . .
32 SR1 142 503 RECTIFIER, si 1 ph 300A 400PIV 1.
. .
. . . . . . . . . . . . . . . . . . . . . . . . . . . . . . . . . . . . . . . . . . . . .
33 173 734 LINK, jumper 2.
. .
. . . . . . . . . . . . . . . . . . . . . . . . . . . . . . . . . . . . . . . . . . . . . . . . . . . . . . . . . . . . . . . . . . . . .
34 1T 172 661 BLOCK, stud connection 6 position 1.
. .
. . . . . . . . . . . . . . . . . . . . . . . . . . . . . . . . . . . . . . . . . . . . . .
35 D4 135 184
DIODE BOARD
1.
. .
. . . . . . . . . . . . . . . . . . . . . . . . . . . . . . . . . . . . . . . . . . . . . . . . . . . . . . . . . . . . . . .
36 SR2 035 704 RECTIFIER, integ 40A 800V 1.
. .
. . . . . . . . . . . . . . . . . . . . . . . . . . . . . . . . . . . . . . . . . . . . . . . . .
37 172 731 HOLDER, fuse mintr 1.
. .
. . . . . . . . . . . . . . . . . . . . . . . . . . . . . . . . . . . . . . . . . . . . . . . . . . . . . . . . . . . . . .
38 F1 *169 296 FUSE, mintr gl 25A 125V 1.
. .
. . . . . . . . . . . . . . . . . . . . . . . . . . . . . . . . . . . . . . . . . . . . . . . . . . . . .
39 C1 176 719 CAPACITOR, elctlt 1000uf 75VDC 1.
. .
. . . . . . . . . . . . . . . . . . . . . . . . . . . . . . . . . . . . . . . . . . . . . .
40 177 136 CLAMP, capacitor 2.500dia clip 1.
. .
. . . . . . . . . . . . . . . . . . . . . . . . . . . . . . . . . . . . . . . . . . . . . . . . . . . . .
41 CT1 179 494 TRANSFORMER, current sensing 1.
. .
. . . . . . . . . . . . . . . . . . . . . . . . . . . . . . . . . . . . . . . . . . . . .
42 R2 165 599 RESISTOR, WW adj 225W 0-6 ohm 1.
. .
. . . . . . . . . . . . . . . . . . . . . . . . . . . . . . . . . . . . . . . . . . . . .
RC4 116 045 CONNECT
OR & PINS
1.
. . . . . . . . .
. . . . . . . . . . . . . . . . . . . . . . . . . . . . . . . . . . . . . . . . . . . . . . . . . . .
PLG6 136 810 CONNECT
OR & PINS
1.
. . . . . . . .
. . . . . . . . . . . . . . . . . . . . . . . . . . . . . . . . . . . . . . . . . . . . . . . . . . .
PLG4 CONNECTOR, (see engine parts list) 1.
. . . . . . . .
. . . . . . . . . . . . . . . . . . . . . . . . . . . . . . . . . . . . . . . . . . . . . .
RC6 168 844 CONNECTOR, rect 4 pin/skt rcpt 1.
. . . . . . . . .
. . . . . . . . . . . . . . . . . . . . . . . . . . . . . . . . . . . . . . . . .
43 134 792 LABEL, warning general precautionary 1.
. .
. . . . . . . . . . . . . . . . . . . . . . . . . . . . . . . . . . . . . . . . . . . . . .
+When ordering a component originally displaying a precautionary label, the label should also be ordered.
♦Part of Optional 043 051 Stainless Steel kit.
*Recommended Spare Parts.
BE SURE T
O PROVIDE MODEL AND SERIAL NUMBER WHEN ORDERING REPLACEMENT P
ARTS.

OM-175 104 Page 24
Description
Part
No.
Dia.
Mkgs.
Item
No.
Figure 8-2. Panel, Front w/Components (Fig 8-1 Item 44)
Quantity
1 S1 162 671 SWITCH, polarity 5 position 1.
. .
. . . . . . . . . . . . . . . . . . . . . . . . . . . . . . . . . . . . . . . . . . . . . . . . . . . .
2 NAMEPLATE, (order by model and serial number) 1.
. .
. . . . . . . . . . . . . . . . . . . . . . . . . . . . . . . . . . . . . . . . . . . .
3 165 602 PANEL, front 1.
. .
. . . . . . . . . . . . . . . . . . . . . . . . . . . . . . . . . . . . . . . . . . . . . . . . . . . . . . . . . . . . . . . . . . . . .
4 S3 165 487 SWITCH, selector 4 position 1.
. .
. . . . . . . . . . . . . . . . . . . . . . . . . . . . . . . . . . . . . . . . . . . . . . . . . . . .
5 R1 117 243 RHEOSTAT, WW 100W 10 ohm 1.
. .
. . . . . . . . . . . . . . . . . . . . . . . . . . . . . . . . . . . . . . . . . . . . . . . .
6 PC1 142 724 MODULE, pull to idle 5 pin 1.
. .
. . . . . . . . . . . . . . . . . . . . . . . . . . . . . . . . . . . . . . . . . . . . . . . . . . . .
7 S2 176 606 SWITCH, ignition 4 position w/out handle 1.
. .
. . . . . . . . . . . . . . . . . . . . . . . . . . . . . . . . . . . . . . . .
8 GFCI2,3 147 939 RECEPTACLE, str dx grd 2P3W 15A 125V 2.
. .
. . . . . . . . . . . . . . . . . . . . . . . . . . . . . . . . . .
9 CB1,2 117 501 CIRCUIT BREAKER, man reset 1P 40A 250VAC 2.
. .
. . . . . . . . . . . . . . . . . . . . . . . . . . . . . . .
10 CB3,4 093 996 CIRCUIT BREAKER, man reset 1P 20A 250VAC 2.
. .
. . . . . . . . . . . . . . . . . . . . . . . . . . . . . . .
11 HM 145 247 METER, hour 12-24VDC 1.
. .
. . . . . . . . . . . . . . . . . . . . . . . . . . . . . . . . . . . . . . . . . . . . . . . . . . . . . .
12 175 010 CONTROL, push/pull 1.
. .
. . . . . . . . . . . . . . . . . . . . . . . . . . . . . . . . . . . . . . . . . . . . . . . . . . . . . . . . . . . . . .
13 119 014
LEVER, switch
1.
. .
. . . . . . . . . . . . . . . . . . . . . . . . . . . . . . . . . . . . . . . . . . . . . . . . . . . . . . . . . . . . . . . . . . . .
14 R3,VR1 046 819 SUPPRESSOR 1.
. .
. . . . . . . . . . . . . . . . . . . . . . . . . . . . . . . . . . . . . . . . . . . . . . . . . . . . . . . . . .
15 Work,
Elect
099 255 TERMINAL, pwr output neutral 2.
. .
. . . . . . . . . . . . . . . . . . . . . . . . . . . . . . . . . . . . . . . . . .
16 RC1 164 704 RECEPTACLE, str 3P4W 50A 125/250V 1.
. .
. . . . . . . . . . . . . . . . . . . . . . . . . . . . . . . . . . . . . . . .
17 083 030 STUD, brs .250-20 x 1.750 1.
. .
. . . . . . . . . . . . . . . . . . . . . . . . . . . . . . . . . . . . . . . . . . . . . . . . . . . . . . . . .
18 010 915 WASHER, flat .250 ID brs 3.
. .
. . . . . . . . . . . . . . . . . . . . . . . . . . . . . . . . . . . . . . . . . . . . . . . . . . . . . . . . . .
19 601 836 NUT, .250-20 brs 3.
. .
. . . . . . . . . . . . . . . . . . . . . . . . . . . . . . . . . . . . . . . . . . . . . . . . . . . . . . . . . . . . . . . . . .
20 159 921 BEZEL 1.
. .
. . . . . . . . . . . . . . . . . . . . . . . . . . . . . . . . . . . . . . . . . . . . . . . . . . . . . . . . . . . . . . . . . . . . . . . . . .
21 147 195 NUT, .375-27 nyl 4.
. .
. . . . . . . . . . . . . . . . . . . . . . . . . . . . . . . . . . . . . . . . . . . . . . . . . . . . . . . . . . . . . . . . . .
22 148 956
HANDLE, switch
2.
. .
. . . . . . . . . . . . . . . . . . . . . . . . . . . . . . . . . . . . . . . . . . . . . . . . . . . . . . . . . . . . . . . . . .
23 097 924 KNOB, pointer 1.
. .
. . . . . . . . . . . . . . . . . . . . . . . . . . . . . . . . . . . . . . . . . . . . . . . . . . . . . . . . . . . . . . . . . . . .
123 45
6
7
8
9
10
11121314
15
17
18
19
20
21
22
23
24
ST-800 816-A
16
Figure 8-2. Panel, Front w/Components
BE SURE T
O PROVIDE MODEL AND SERIAL NUMBER WHEN ORDERING REPLACEMENT P
ARTS.

OM-175 104 Page 25
Description
Part
No.
Item
No.
Figure 8-3. Generator (Fig 8-1 Item 21)
Quantity
1 013 367 LABEL, warning moving parts can cause serious injury 1.
. .
. . . . . . . . . . . . . . . . . . . . . . . . . . . . . . .
2 165 818 LABEL, warning engine fuel can cause fire 1.
. .
. . . . . . . . . . . . . . . . . . . . . . . . . . . . . . . . . . . . . . . . .
3 +179 500 STATOR, generator 1.
. .
. . . . . . . . . . . . . . . . . . . . . . . . . . . . . . . . . . . . . . . . . . . . . . . . . . . . . . . . . . . . .
4 159 909 ROTOR, generator (consisting of) 1.
. .
. . . . . . . . . . . . . . . . . . . . . . . . . . . . . . . . . . . . . . . . . . . . . . . . .
5 053 390 BEARING, ball rdl sgl row 1.370 x 2.830 x .6 1.
. .
. . . . . . . . . . . . . . . . . . . . . . . . . . . . . . . . . . . . . . . .
6 160 566 FAN, rotor 1.
. .
. . . . . . . . . . . . . . . . . . . . . . . . . . . . . . . . . . . . . . . . . . . . . . . . . . . . . . . . . . . . . . . . . . . . . .
7 172 683
ADAPTER, engine
1.
. .
. . . . . . . . . . . . . . . . . . . . . . . . . . . . . . . . . . . . . . . . . . . . . . . . . . . . . . . . . . . . . .
8 142 156 SCREW, .375-16 x 1.750hexhd 4.
. .
. . . . . . . . . . . . . . . . . . . . . . . . . . . . . . . . . . . . . . . . . . . . . . . . . . .
9 160 573 STUD, stl .375-16 x 17.125 4.
. .
. . . . . . . . . . . . . . . . . . . . . . . . . . . . . . . . . . . . . . . . . . . . . . . . . . . . . . .
10 125 548 HOLDER, brush elect 1.
. .
. . . . . . . . . . . . . . . . . . . . . . . . . . . . . . . . . . . . . . . . . . . . . . . . . . . . . . . . . . . .
11 005 614 HOLDER, brush 2.
. .
. . . . . . . . . . . . . . . . . . . . . . . . . . . . . . . . . . . . . . . . . . . . . . . . . . . . . . . . . . . . . . . . .
12 *126 984
BRUSH w/SPRING
2.
. .
. . . . . . . . . . . . . . . . . . . . . . . . . . . . . . . . . . . . . . . . . . . . . . . . . . . . . . . . . . . . .
13 161 306 CAP, brushholder 2.
. .
. . . . . . . . . . . . . . . . . . . . . . . . . . . . . . . . . . . . . . . . . . . . . . . . . . . . . . . . . . . . . . . .
14 047 879 BAR, retaining brushholder 1.
. .
. . . . . . . . . . . . . . . . . . . . . . . . . . . . . . . . . . . . . . . . . . . . . . . . . . . . . . .
15 010 910 WASHER, flat .406 ID stl 4.
. .
. . . . . . . . . . . . . . . . . . . . . . . . . . . . . . . . . . . . . . . . . . . . . . . . . . . . . . . . .
16 010 909 NUT, .375-16 stl 4.
. .
. . . . . . . . . . . . . . . . . . . . . . . . . . . . . . . . . . . . . . . . . . . . . . . . . . . . . . . . . . . . . . . . .
17 160 943 ENDBELL, (consisting of) 1.
. .
. . . . . . . . . . . . . . . . . . . . . . . . . . . . . . . . . . . . . . . . . . . . . . . . . . . . . . . .
18 143 220 O-RING, 2.859 ID x .139CS 1.
. .
. . . . . . . . . . . . . . . . . . . . . . . . . . . . . . . . . . . . . . . . . . . . . . . . . . . . . . .
23
4
5
6
7
8
910 11 12 13
15
16
17
18
ST-800 798
1
14
Figure 8-3. Generator
+When ordering a component originally displaying a precautionary label, the label should also be ordered.
*Recommended Spare Parts.
BE SURE T
O PROVIDE MODEL AND SERIAL NUMBER WHEN ORDERING REPLACEMENT P
ARTS.