Miller Electric D 64 Users Manual
D-64 to the manual f4b5751f-58f1-45c6-b167-216b80cfa518
2015-02-02
: Miller-Electric Miller-Electric-D-64-Users-Manual-437188 miller-electric-d-64-users-manual-437188 miller-electric pdf
Open the PDF directly: View PDF
.
Page Count: 40

Visit our website at
www.MillerWelds.com
Processes
Description
MIG (GMAW)
Flux Cored (FCAW)
(Gas- and Self-Shielded)
Submerged (SAW)
Wire Feeder
(Use with CV Power Sources)
OM-1582 138 593X
September 2001
D-64

Miller Electric manufactures a full line
of welders and welding related equipment.
For information on other quality Miller
products, contact your local Miller distributor
to receive the latest full line catalog or
individual catalog sheets. To locate your nearest
distributor or service agency call 1-800-4-A-Miller,
or visit us at www.MillerWelds.com on the web.
Thank you and congratulations on choosing Miller. Now
you can get the job done and get it done right. We know
you don’t have time to do it any other way.
That’s why when Niels Miller first started building arc
welders in 1929, he made sure his products offered
long-lasting value and superior quality. Like you, his
customers couldn’t afford anything less. Miller products
had to be more than the best they could be. They had to
be the best you could buy.
Today, the people that build and sell Miller products continue the
tradition. They’re just as committed to providing equipment and service
that meets the high standards of quality and value established in 1929.
This Owner’s Manual is designed to help you get the most out of your
Miller products. Please take time to read the Safety precautions. They will
help you protect yourself against potential hazards on the worksite. We’ve
made installation and operation quick and easy.
With Miller you can count on years of reliable
service with proper maintenance. And if for
some reason the unit needs repair, there’s a
Troubleshooting section that will help you
figure out what the problem is. The parts list
will then help you to decide which exact part
you may need to fix the problem. Warranty and
service information for your particular model
are also provided.
Miller is the first welding
equipment manufacturer in
the U.S.A. to be registered to
the ISO 9001 Quality System
Standard.
Working as hard as you do
– every power source from
Miller is backed by the most
hassle-free warranty in the
business.
From Miller to You
Miller offers a Technical
Manual which provides
more detailed service and
parts information for your
unit. To obtain a Technical
Manual, contact your local
distributor. Your distributor
can also supply you with
Welding Process Manuals
such as SMAW, GTAW,
GMAW, and GMAW-P.

TABLE OF CONTENTS
SECTION 1 – SAFETY PRECAUTIONS - READ BEFORE USING 1. . . . . . . . . . . . . . . . . . . . . . . . . . . .
1-1. Symbol Usage 1. . . . . . . . . . . . . . . . . . . . . . . . . . . . . . . . . . . . . . . . . . . . . . . . . . . . . . . . . . . . . . . .
1-2. Arc Welding Hazards 1. . . . . . . . . . . . . . . . . . . . . . . . . . . . . . . . . . . . . . . . . . . . . . . . . . . . . . . . . .
1-3. Additional Symbols for Installation, Operation, and Maintenance 3. . . . . . . . . . . . . . . . . . . . . .
1-4. Principal Safety Standards 3. . . . . . . . . . . . . . . . . . . . . . . . . . . . . . . . . . . . . . . . . . . . . . . . . . . . .
1-5. EMF Information 4. . . . . . . . . . . . . . . . . . . . . . . . . . . . . . . . . . . . . . . . . . . . . . . . . . . . . . . . . . . . . .
SECTION 1 – CONSIGNES DE SECURITE – LIRE AVANT UTILISATION 5. . . . . . . . . . . . . . . . . . . . .
1-1. Signification des symboles 5. . . . . . . . . . . . . . . . . . . . . . . . . . . . . . . . . . . . . . . . . . . . . . . . . . . . .
1-2. Dangers relatifs au soudage à l’arc 5. . . . . . . . . . . . . . . . . . . . . . . . . . . . . . . . . . . . . . . . . . . . . .
1-3. Dangers supplémentaires en relation avec l’installation, le fonctionnement
et la maintenance 7. . . . . . . . . . . . . . . . . . . . . . . . . . . . . . . . . . . . . . . . . . . . . . . . . . . . . . . . . . . . .
1-4. Principales normes de sécurité8. . . . . . . . . . . . . . . . . . . . . . . . . . . . . . . . . . . . . . . . . . . . . . . . . .
1-5. Information sur les champs électromagnétiques 8. . . . . . . . . . . . . . . . . . . . . . . . . . . . . . . . . . . .
SECTION 2 – DEFINITIONS 9. . . . . . . . . . . . . . . . . . . . . . . . . . . . . . . . . . . . . . . . . . . . . . . . . . . . . . . . . . . .
2-1. Warning Label Definitions 9. . . . . . . . . . . . . . . . . . . . . . . . . . . . . . . . . . . . . . . . . . . . . . . . . . . . . .
2-2. Rating Label For CE Products 10. . . . . . . . . . . . . . . . . . . . . . . . . . . . . . . . . . . . . . . . . . . . . . . . . . .
2-3. Symbols And Definitions 10. . . . . . . . . . . . . . . . . . . . . . . . . . . . . . . . . . . . . . . . . . . . . . . . . . . . . . .
SECTION 3 – INTRODUCTION 11. . . . . . . . . . . . . . . . . . . . . . . . . . . . . . . . . . . . . . . . . . . . . . . . . . . . . . . . . .
3-1. Specifications 11. . . . . . . . . . . . . . . . . . . . . . . . . . . . . . . . . . . . . . . . . . . . . . . . . . . . . . . . . . . . . . . .
SECTION 4 – INSTALLATION 11. . . . . . . . . . . . . . . . . . . . . . . . . . . . . . . . . . . . . . . . . . . . . . . . . . . . . . . . . . .
4-1. Site Selection 11. . . . . . . . . . . . . . . . . . . . . . . . . . . . . . . . . . . . . . . . . . . . . . . . . . . . . . . . . . . . . . . .
4-2. Gun Recommendation Table 12. . . . . . . . . . . . . . . . . . . . . . . . . . . . . . . . . . . . . . . . . . . . . . . . . . . .
4-3. Equipment Connection Diagrams 12. . . . . . . . . . . . . . . . . . . . . . . . . . . . . . . . . . . . . . . . . . . . . . . .
4-4. Rear Panel Connections 13. . . . . . . . . . . . . . . . . . . . . . . . . . . . . . . . . . . . . . . . . . . . . . . . . . . . . . .
4-5. 14-Pin Plug Information 13. . . . . . . . . . . . . . . . . . . . . . . . . . . . . . . . . . . . . . . . . . . . . . . . . . . . . . . .
4-6. Wire Type, Size, And Feed Speed Capability Table 14. . . . . . . . . . . . . . . . . . . . . . . . . . . . . . . . .
4-7. Motor Start Control 14. . . . . . . . . . . . . . . . . . . . . . . . . . . . . . . . . . . . . . . . . . . . . . . . . . . . . . . . . . . .
4-8. Rotating The Drive Assembly 15. . . . . . . . . . . . . . . . . . . . . . . . . . . . . . . . . . . . . . . . . . . . . . . . . . .
4-9. Installing And Threading Welding Wire 16. . . . . . . . . . . . . . . . . . . . . . . . . . . . . . . . . . . . . . . . . . . .
4-10. Optional Equipment DIP Switch Settings 17. . . . . . . . . . . . . . . . . . . . . . . . . . . . . . . . . . . . . . . . . .
SECTION 5 – OPERATION 18. . . . . . . . . . . . . . . . . . . . . . . . . . . . . . . . . . . . . . . . . . . . . . . . . . . . . . . . . . . . .
5-1. Front Panel Controls 18. . . . . . . . . . . . . . . . . . . . . . . . . . . . . . . . . . . . . . . . . . . . . . . . . . . . . . . . . . .
5-2. Overload Protection And Optional Side Panel Controls 19. . . . . . . . . . . . . . . . . . . . . . . . . . . . . .
SECTION 6 – MAINTENANCE AND TROUBLESHOOTING 19. . . . . . . . . . . . . . . . . . . . . . . . . . . . . . . . .
6-1. Routine Maintenance 19. . . . . . . . . . . . . . . . . . . . . . . . . . . . . . . . . . . . . . . . . . . . . . . . . . . . . . . . . .
6-2. Troubleshooting 20. . . . . . . . . . . . . . . . . . . . . . . . . . . . . . . . . . . . . . . . . . . . . . . . . . . . . . . . . . . . . .
SECTION 7 – ELECTRICAL DIAGRAM 22. . . . . . . . . . . . . . . . . . . . . . . . . . . . . . . . . . . . . . . . . . . . . . . . . . .
SECTION 8 – PARTS LIST 24. . . . . . . . . . . . . . . . . . . . . . . . . . . . . . . . . . . . . . . . . . . . . . . . . . . . . . . . . . . . . .
WARRANTY
OM-1582
WARNING
This product, when used
for welding or cutting,
produces fumes or
gases which contain
chemicals known to the
State of California to
cause birth defects and,
in some cases, cancer.
(California Health &
Safety Code Section
25249.5 et seq.)

dec_con 11/96
Declaration of Conformity for
European Community (CE) Products
This information is provided for units with CE certification (see rating label on unit).
Note
Manufacturer’s Name: Miller Electric Mfg. Co.
Manufacturer’s Address: 1635 W. Spencer Street
Appleton, WI 54914 USA
Declares that the product: D-64
conforms to the following Directives and Standards:
Directives
Low Voltage Directive: 73/23/EEC
Electromagnetic Compatibility (EMC) Directive: 89/336/EEC
Machinery Directives: 89/392/EEC, 91/368/EEC, 93/C 133/04, 93/68/EEC
Standards
Arc Welding Equipment Part I: Welding Power Sources: IEC 60974-1
(September 1998 – Second Edition)
Arc Welding Equipment: Wirefeed Systems: IEC 974-5
(September 1997 – Draft Revision)
Degrees of Protection Provided By Enclosures (IP Code): IEC 529
(November 1989 – First Edition)
Insulation Coordination For Equipment With Low-Voltage Systems:
Part I: Principles, Requirements and Tests: IEC 664-1
(October 1992 – First Edition)
Electromagnetic Compatibility, (EMC): EN 50199
(August 1995)
European Contact: Mr. Danilo Fedolfi, Managing Director
MILLER Europe S.r.l.
Via Privata Iseo
20098 San Giuliano
Milanese, Italy
Telephone: 39(02)98290-1
Fax: 39(02)98281-552

OM-1582 Page 1
SECTION 1 – SAFETY PRECAUTIONS - READ BEFORE USING
som _nd_4/98
1-1. Symbol Usage
Means Warning! Watch Out! There are possible hazards
with this procedure! The possible hazards are shown in
the adjoining symbols.
YMarks a special safety message.
.Means “Note”; not safety related.
This group of symbols means Warning! Watch Out! possible
ELECTRIC SHOCK, MOVING PARTS, and HOT PARTS hazards.
Consult symbols and related instructions below for necessary actions
to avoid the hazards.
1-2. Arc Welding Hazards
YThe symbols shown below are used throughout this manual to
call attention to and identify possible hazards. When you see
the symbol, watch out, and follow the related instructions to
avoid the hazard. The safety information given below is only
a summary of the more complete safety information found in
the Safety Standards listed in Section 1-4. Read and follow all
Safety Standards.
YOnly qualified persons should install, operate, maintain, and
repair this unit.
YDuring operation, keep everybody, especially children, away.
ELECTRIC SHOCK can kill.
Touching live electrical parts can cause fatal shocks
or severe burns. The electrode and work circuit is
electrically live whenever the output is on. The input
power circuit and machine internal circuits are also
live when power is on. In semiautomatic or automatic wire welding, the
wire, wire reel, drive roll housing, and all metal parts touching the
welding wire are electrically live. Incorrectly installed or improperly
grounded equipment is a hazard.
DDo not touch live electrical parts.
DWear dry, hole-free insulating gloves and body protection.
DInsulate yourself from work and ground using dry insulating mats
or covers big enough to prevent any physical contact with the work
or ground.
DDo not use AC output in damp areas, if movement is confined, or if
there is a danger of falling.
DUse AC output ONLY if required for the welding process.
DIf AC output is required, use remote output control if present on
unit.
DDisconnect input power or stop engine before installing or
servicing this equipment. Lockout/tagout input power according to
OSHA 29 CFR 1910.147 (see Safety Standards).
DProperly install and ground this equipment according to its
Owner’s Manual and national, state, and local codes.
DAlways verify the supply ground – check and be sure that input
power cord ground wire is properly connected to ground terminal in
disconnect box or that cord plug is connected to a properly
grounded receptacle outlet.
DWhen making input connections, attach proper grounding conduc-
tor first – double-check connections.
DFrequently inspect input power cord for damage or bare wiring –
replace cord immediately if damaged – bare wiring can kill.
DTurn off all equipment when not in use.
DDo not use worn, damaged, undersized, or poorly spliced cables.
DDo not drape cables over your body.
DIf earth grounding of the workpiece is required, ground it directly
with a separate cable.
DDo not touch electrode if you are in contact with the work, ground,
or another electrode from a different machine.
DUse only well-maintained equipment. Repair or replace damaged
parts at once. Maintain unit according to manual.
DWear a safety harness if working above floor level.
DKeep all panels and covers securely in place.
DClamp work cable with good metal-to-metal contact to workpiece
or worktable as near the weld as practical.
DInsulate work clamp when not connected to workpiece to prevent
contact with any metal object.
DDo not connect more than one electrode or work cable to any
single weld output terminal.
SIGNIFICANT DC VOLTAGE exists after removal of
input power on inverters.
DTurn Off inverter, disconnect input power, and discharge input
capacitors according to instructions in Maintenance Section
before touching any parts.
Welding produces fumes and gases. Breathing
these fumes and gases can be hazardous to your
health.
FUMES AND GASES can be hazardous.
DKeep your head out of the fumes. Do not breathe the fumes.
DIf inside, ventilate the area and/or use exhaust at the arc to remove
welding fumes and gases.
DIf ventilation is poor, use an approved air-supplied respirator.
DRead the Material Safety Data Sheets (MSDSs) and the
manufacturer’s instructions for metals, consumables, coatings,
cleaners, and degreasers.
DWork in a confined space only if it is well ventilated, or while
wearing an air-supplied respirator. Always have a trained watch-
person nearby. Welding fumes and gases can displace air and
lower the oxygen level causing injury or death. Be sure the breath-
ing air is safe.
DDo not weld in locations near degreasing, cleaning, or spraying op-
erations. The heat and rays of the arc can react with vapors to form
highly toxic and irritating gases.
DDo not weld on coated metals, such as galvanized, lead, or
cadmium plated steel, unless the coating is removed from the weld
area, the area is well ventilated, and if necessary, while wearing an
air-supplied respirator. The coatings and any metals containing
these elements can give off toxic fumes if welded.

OM-1582 Page 2
Arc rays from the welding process produce intense
visible and invisible (ultraviolet and infrared) rays
that can burn eyes and skin. Sparks fly off from the
weld.
ARC RAYS can burn eyes and skin.
DWear a welding helmet fitted with a proper shade of filter to protect
your face and eyes when welding or watching (see ANSI Z49.1
and Z87.1 listed in Safety Standards).
DWear approved safety glasses with side shields under your
helmet.
DUse protective screens or barriers to protect others from flash and
glare; warn others not to watch the arc.
DWear protective clothing made from durable, flame-resistant mate-
rial (leather and wool) and foot protection.
Welding on closed containers, such as tanks,
drums, or pipes, can cause them to blow up. Sparks
can fly off from the welding arc. The flying sparks, hot
workpiece, and hot equipment can cause fires and
burns. Accidental contact of electrode to metal objects can cause
sparks, explosion, overheating, or fire. Check and be sure the area is
safe before doing any welding.
WELDING can cause fire or explosion.
DProtect yourself and others from flying sparks and hot metal.
DDo not weld where flying sparks can strike flammable material.
DRemove all flammables within 35 ft (10.7 m) of the welding arc. If
this is not possible, tightly cover them with approved covers.
DBe alert that welding sparks and hot materials from welding can
easily go through small cracks and openings to adjacent areas.
DWatch for fire, and keep a fire extinguisher nearby.
DBe aware that welding on a ceiling, floor, bulkhead, or partition can
cause fire on the hidden side.
DDo not weld on closed containers such as tanks, drums, or pipes,
unless they are properly prepared according to AWS F4.1 (see
Safety Standards).
DConnect work cable to the work as close to the welding area as
practical to prevent welding current from traveling long, possibly
unknown paths and causing electric shock and fire hazards.
DDo not use welder to thaw frozen pipes.
DRemove stick electrode from holder or cut off welding wire at
contact tip when not in use.
DWear oil-free protective garments such as leather gloves, heavy
shirt, cuffless trousers, high shoes, and a cap.
DRemove any combustibles, such as a butane lighter or matches,
from your person before doing any welding.
FLYING METAL can injure eyes.
DWelding, chipping, wire brushing, and grinding
cause sparks and flying metal. As welds cool,
they can throw off slag.
DWear approved safety glasses with side
shields even under your welding helmet.
BUILDUP OF GAS can injure or kill.
DShut off shielding gas supply when not in use.
DAlways ventilate confined spaces or use
approved air-supplied respirator.
HOT PARTS can cause severe burns.
DDo not touch hot parts bare handed.
DAllow cooling period before working on gun or
torch.
MAGNETIC FIELDS can affect pacemakers.
DPacemaker wearers keep away.
DWearers should consult their doctor before
going near arc welding, gouging, or spot
welding operations.
NOISE can damage hearing.
Noise from some processes or equipment can
damage hearing.
DWear approved ear protection if noise level is
high.
Shielding gas cylinders contain gas under high
pressure. If damaged, a cylinder can explode. Since
gas cylinders are normally part of the welding
process, be sure to treat them carefully.
CYLINDERS can explode if damaged.
DProtect compressed gas cylinders from excessive heat, mechani-
cal shocks, slag, open flames, sparks, and arcs.
DInstall cylinders in an upright position by securing to a stationary
support or cylinder rack to prevent falling or tipping.
DKeep cylinders away from any welding or other electrical circuits.
DNever drape a welding torch over a gas cylinder.
DNever allow a welding electrode to touch any cylinder.
DNever weld on a pressurized cylinder – explosion will result.
DUse only correct shielding gas cylinders, regulators, hoses, and fit-
tings designed for the specific application; maintain them and
associated parts in good condition.
DTurn face away from valve outlet when opening cylinder valve.
DKeep protective cap in place over valve except when cylinder is in
use or connected for use.
DRead and follow instructions on compressed gas cylinders,
associated equipment, and CGA publication P-1 listed in Safety
Standards.

OM-1582 Page 3
1-3. Additional Symbols For Installation, Operation, And Maintenance
FIRE OR EXPLOSION hazard.
DDo not install or place unit on, over, or near
combustible surfaces.
DDo not install unit near flammables.
DDo not overload building wiring – be sure power supply system is
properly sized, rated, and protected to handle this unit.
FALLING UNIT can cause injury.
DUse lifting eye to lift unit only, NOT running
gear, gas cylinders, or any other accessories.
DUse equipment of adequate capacity to lift and
support unit.
DIf using lift forks to move unit, be sure forks are
long enough to extend beyond opposite side of
unit.
OVERUSE can cause OVERHEATING
DAllow cooling period; follow rated duty cycle.
DReduce current or reduce duty cycle before
starting to weld again.
DDo not block or filter airflow to unit.
STATIC (ESD) can damage PC boards.
DPut on grounded wrist strap BEFORE handling
boards or parts.
DUse proper static-proof bags and boxes to
store, move, or ship PC boards.
MOVING PARTS can cause injury.
DKeep away from moving parts.
DKeep away from pinch points such as drive
rolls.
WELDING WIRE can cause injury.
DDo not press gun trigger until instructed to do
so.
DDo not point gun toward any part of the body,
other people, or any metal when threading
welding wire.
MOVING PARTS can cause injury.
DKeep away from moving parts such as fans.
DKeep all doors, panels, covers, and guards
closed and securely in place.
H.F. RADIATION can cause interference.
DHigh-frequency (H.F.) can interfere with radio
navigation, safety services, computers, and
communications equipment.
DHave only qualified persons familiar with
electronic equipment perform this installation.
DThe user is responsible for having a qualified electrician prompt-
ly correct any interference problem resulting from the installa-
tion.
DIf notified by the FCC about interference, stop using the
equipment at once.
DHave the installation regularly checked and maintained.
DKeep high-frequency source doors and panels tightly shut, keep
spark gaps at correct setting, and use grounding and shielding to
minimize the possibility of interference.
ARC WELDING can cause interference.
DElectromagnetic energy can interfere with
sensitive electronic equipment such as
computers and computer-driven equipment
such as robots.
DBe sure all equipment in the welding area is
electromagnetically compatible.
DTo reduce possible interference, keep weld cables as short as
possible, close together, and down low, such as on the floor.
DLocate welding operation 100 meters from any sensitive elec-
tronic equipment.
DBe sure this welding machine is installed and grounded
according to this manual.
DIf interference still occurs, the user must take extra measures
such as moving the welding machine, using shielded cables,
using line filters, or shielding the work area.
1-4. Principal Safety Standards
Safety in Welding and Cutting, ANSI Standard Z49.1, from American
Welding Society, 550 N.W. LeJeune Rd, Miami FL 33126
Safety and Health Standards, OSHA 29 CFR 1910, from Superinten-
dent of Documents, U.S. Government Printing Office, Washington, D.C.
20402.
Recommended Safe Practices for the Preparation for Welding and Cut-
ting of Containers That Have Held Hazardous Substances, American
Welding Society Standard AWS F4.1, from American Welding Society,
550 N.W. LeJeune Rd, Miami, FL 33126
National Electrical Code, NFPA Standard 70, from National Fire Protec-
tion Association, Batterymarch Park, Quincy, MA 02269.
Safe Handling of Compressed Gases in Cylinders, CGA Pamphlet P-1,
from Compressed Gas Association, 1235 Jefferson Davis Highway,
Suite 501, Arlington, VA 22202.
Code for Safety in Welding and Cutting, CSA Standard W117.2, from
Canadian Standards Association, Standards Sales, 178 Rexdale
Boulevard, Rexdale, Ontario, Canada M9W 1R3.
Safe Practices For Occupation And Educational Eye And Face
Protection, ANSI Standard Z87.1, from American National Standards
Institute, 1430 Broadway, New York, NY 10018.
Cutting And Welding Processes, NFPA Standard 51B, from National
Fire Protection Association, Batterymarch Park, Quincy, MA 02269.

OM-1582 Page 4
1-5. EMF Information
Considerations About Welding And The Effects Of Low Frequency
Electric And Magnetic Fields
Welding current, as it flows through welding cables, will cause electro-
magnetic fields. There has been and still is some concern about such
fields. However, after examining more than 500 studies spanning 17
years of research, a special blue ribbon committee of the National
Research Council concluded that: “The body of evidence, in the
committee’s judgment, has not demonstrated that exposure to power-
frequency electric and magnetic fields is a human-health hazard.”
However, studies are still going forth and evidence continues to be
examined. Until the final conclusions of the research are reached, you
may wish to minimize your exposure to electromagnetic fields when
welding or cutting.
To reduce magnetic fields in the workplace, use the following
procedures:
1. Keep cables close together by twisting or taping them.
2. Arrange cables to one side and away from the operator.
3. Do not coil or drape cables around your body.
4. Keep welding power source and cables as far away from opera-
tor as practical.
5. Connect work clamp to workpiece as close to the weld as possi-
ble.
About Pacemakers:
Pacemaker wearers consult your doctor first. If cleared by your doctor,
then following the above procedures is recommended.

OM-1582 Page 5
SECTION 1 – CONSIGNES DE SECURITE – LIRE AVANT
UTILISATION
som _nd_fre 4/98
1-1. Signification des symboles
Signifie Mise en garde ! Soyez vigilant ! Cette procédure
présente des risques de danger ! Ceux-ci sont identifiés
par des symboles adjacents aux directives.
YIdentifie un message de sécurité particulier.
.Signifie NOTA ; n’est pas relatif à la sécurité.
Ce groupe de symboles signifie Mise en garde ! Soyez vigilant ! Il y a des
risques de danger reliés aux CHOCS ÉLECTRIQUES, aux PIÈCES EN
MOUVEMENT et aux PIÈCES CHAUDES. Reportez-vous aux symboles
et aux directives ci-dessous afin de connaître les mesures à prendre pour
éviter tout danger.
1-2. Dangers relatifs au soudage à l’arc
YLes symboles présentés ci-après sont utilisés tout au long du
présent manuel pour attirer votre attention et identifier les risques
de danger. Lorsque vous voyez un symbole, soyez vigilant et
suivez les directives mentionnées afin d’éviter tout danger. Les
consignes de sécurité présentées ci-après ne font que résumer
l’information contenue dans les normes de sécurité énumérées
à la section 1-4. Veuillez lire et respecter toutes ces normes de
sécurité.
YL’installation, l’utilisation, l’entretien et les réparations ne doi-
vent être confiés qu’à des personnes qualifiées.
YAu cours de l’utilisation, tenir toute personne à l’écart et plus par-
ticulièrement les enfants.
UN CHOC ÉLECTRIQUE peut tuer.
Un simple contact avec des pièces électriques peut
provoquer une électrocution ou des blessures graves.
L’électrode et le circuit de soudage sont sous tension
dès que l’appareil est sur ON. Le circuit d’entrée et les
circuits internes de l’appareil sont également sous
tension à ce moment-là. En soudage semi-automatique ou automatique,
le fil, le dévidoir, le logement des galets d’entraînement et les pièces
métalliques en contact avec le fil de soudage sont sous tension. Des
matériels mal installés ou mal mis à la terre présentent un danger.
DNe jamais toucher les pièces électriques sous tension.
DPorter des gants et des vêtements de protection secs ne comportant
pas de trous.
DS’isoler de la pièce et de la terre au moyen de tapis ou d’autres
moyens isolants suffisamment grands pour empêcher le contact phy-
sique éventuel avec la pièce ou la terre.
DNe pas se servir de source électrique àcourant électrique dans les zones
humides, dans les endroits confinés ou là où on risque de tomber.
DSe servir d’une source électrique àcourant électrique UNIQUEMENT si le
procédé de soudage le demande.
DSi l’utilisation d’une source électrique àcourant électrique s’avère néces-
saire, se servir de la fonction de télécommande si l’appareil en est équipé.
DCouper l’alimentation ou arrêter le moteur avant de procéder à l’instal-
lation, à la réparation ou à l’entretien de l’appareil. Déverrouiller
l’alimentation selon la norme OSHA 29 CFR 1910.147 (voir normes de
sécurité).
DInstaller et mettre à la terre correctement cet appareil conformément à
son manuel d’utilisation et aux codes nationaux, provinciaux et
municipaux.
DToujours vérifier la terre du cordon d’alimentation – Vérifier et s’assu-
rer que le fil de terre du cordon d’alimentation est bien raccordé à la
borne de terre du sectionneur ou que la fiche du cordon est raccordée
à une prise correctement mise à la terre.
DEn effectuant les raccordements d’entrée fixer d’abord le conducteur
de mise à la terre approprié et contre-vérifier les connexions.
DVérifier fréquemment le cordon d’alimentation pour voir s’il n’est pas
endommagé ou dénudé – remplacer le cordon immédiatement s’il est
endommagé – un câble dénudé peut provoquer une électrocution.
DMettre l’appareil hors tension quand on ne l’utilise pas.
DNe pas utiliser des câbles usés, endommagés, de grosseur insuffi-
sante ou mal épissés.
DNe pas enrouler les câbles autour du corps.
DSi la pièce soudée doit être mise à la terre, le faire directement avec un
câble distinct.
DNe pas toucher l’électrode quand on est en contact avec la pièce, la
terre ou une électrode provenant d’une autre machine.
DN’utiliser qu’un matériel en bon état. Réparer ou remplacer sur-le-
champ les pièces endommagées. Entretenir l’appareil conformément
à ce manuel.
DPorter un harnais de sécurité quand on travaille en hauteur.
DMaintenir solidement en place tous les panneaux et capots.
DFixer le câble de retour de façon à obtenir un bon contact métal-métal
avec la pièce à souder ou la table de travail, le plus près possible de la
soudure.
DIsoler la pince de masse quand pas mis à la pièce pour éviter le contact
avec tout objet métallique.
Il y a DU COURANT CONTINU IMPORTANT dans les
convertisseurs après la suppression de l’alimenta-
tion électrique.
DArrêter les convertisseurs, débrancher le courant électrique, et dé-
charger les condensateurs d’alimentation selon les instructions
indiquées dans la partie entretien avant de toucher les pièces.
Le soudage génère des fumées et des gaz. Leur
inhalation peut être dangereux pour votre santé.
DEloigner votre tête des fumées. Ne pas respirer
les fumées.
DA l’intérieur, ventiler la zone et/ou utiliser un échappement au niveau
de l’arc pour l’évacuation des fumées et des gaz de soudage.
DSi la ventilation est insuffisante, utiliser un respirateur à alimenta-
tion d’air homologué.
DLire les spécifications de sécurité des matériaux (MSDSs) et les
instructions du fabricant concernant les métaux, les consomma-
bles, les revêtements, les nettoyants et les dégraisseurs.
DTravailler dans un espace fermé seulement s’il est bien ventilé ou en
portant un respirateur à alimentation d’air. Demander toujours à un
surveillant dûment formé de se tenir à proximité. Des fumées et des
gaz de soudage peuvent déplacer l’air et abaisser le niveau d’oxy-
gène provoquant des blessures ou des accidents mortels. S’assu-
rer que l’air de respiration ne présente aucun danger.
DNe pas souder dans des endroits situés à proximité d’opérations de
dégraissage, de nettoyage ou de pulvérisation. La chaleur et les
rayons de l’arc peuvent réagir en présence de vapeurs et former des
gaz hautement toxiques et irritants.
DNe pas souder des métaux munis d’un revêtement, tels que l’acier
galvanisé, plaqué en plomb ou au cadmium à moins que le revête-
ment n’ait été enlevé dans la zone de soudure, que l’endroit soit bien
ventilé, et si nécessaire, en portant un respirateur à alimentation
d’air. Les revêtements et tous les métaux renfermant ces éléments
peuvent dégager des fumées toxiques en cas de soudage.
LES FUMÉES ET LES GAZ peuvent
être dangereux.

OM-1582 Page 6
Le rayonnement de l’arc du procédé de soudage
génère des rayons visibles et invisibles intenses
(ultraviolets et infrarouges) susceptibles de provoquer
des brûlures dans les yeux et sur la peau. Des étincelles sont projetées
pendant le soudage.
LES RAYONS DE L’ARC peuvent pro-
voquer des brûlures dans les yeux et
sur la peau.
DPorter un casque de soudage muni d’un écran de filtre approprié pour
protéger votre visage et vos yeux pendant le soudage ou pour regar-
der (voir ANSI Z49.1 et Z87.1 énuméré dans les normes de sécurité).
DPorter des protections approuvés pour les oreilles si le niveau sondre est
trop élevé.
DUtiliser des écrans ou des barrières pour protéger des tiers de l’éclair
et de l’éblouissement; demander aux autres personnes de ne pas re-
garder l’arc.
DPorter des vêtements de protection constitué dans une matière dura-
ble, résistant au feu (cuir ou laine) et une protection des pieds.
Le soudage effectué sur des conteneurs fermés tels
que des réservoirs, tambours ou des conduites peut
provoquer leur éclatement. Des étincelles peuvent être
projetées de l’arc de soudure. La projection d’étincel-
les, des pièces chaudes et des équipements chauds peut provoquer des
incendies et des brûlures. Le contact accidentel de l’électrode avec des
objets métalliques peut provoquer des étincelles, une explosion, un
surchauffement ou un incendie. Avant de commencer le soudage, vérifier
et s’assurer que l’endroit ne présente pas de danger.
LE SOUDAGE peut provoquer un
incendie ou une explosion.
DSe protéger et d’autres personnes de la projection d’étincelles et de
métal chaud.
DNe pas souder dans un endroit là où des étincelles peuvent tomber sur
des substances inflammables.
DDéplacer toutes les substances inflammables à une distance de 10,7
m de l’arc de soudage. En cas d’impossibilité les recouvrir soigneuse-
ment avec des protections homologués.
DDes étincelles et des matériaux chauds du soudage peuvent facile-
ment passer dans d’autres zones en traversant de petites fissures et
des ouvertures.
DSurveiller tout déclenchement d’incendie et tenir un extincteur à proxi-
mité.
DLe soudage effectué sur un plafond, plancher, paroi ou séparation
peut déclencher un incendie de l’autre côté.
DNe pas effectuer le soudage sur des conteneurs fermés tels que des
réservoirs, tambours, ou conduites, à moins qu’ils n’aient été prépa-
rés correctement conformément à AWS F4.1 (voir les normes de
sécurité).
DBrancher le câble sur la pièce le plus près possible de la zone de sou-
dage pour éviter le transport du courant sur une longue distance par
des chemins inconnus éventuels en provoquant des risques d’élec-
trocution et d’incendie.
DNe pas utiliser le poste de soudage pour dégeler des conduites ge-
lées.
DEn cas de non utilisation, enlever la baguette d’électrode du porte-
électrode ou couper le fil à la pointe de contact.
DPorter des vêtements de protection dépourvus d’huile tels que des
gants en cuir, une chemise en matériau lourd, des pantalons sans re-
vers, des chaussures hautes et un couvre chef.
DAvant de souder, retirer toute substance combustible de vos poches
telles qu’un allumeur au butane ou des allumettes.
DES PARTICULES VOLANTES
peuvent blesser les yeux.
DLe soudage, l’écaillement, le passage de la pièce
à la brosse en fil de fer, et le meulage génèrent
des étincelles et des particules métalliques vo-
lantes. Pendant la période de refroidissement des soudures, elles ris-
quent de projeter du laitier.
DPorter des lunettes de sécurité avec écrans latéraux ou un écran facial.
LES ACCUMULATIONS DE GAZ ris-
quent de provoquer des blessures ou
même la mort.
DFermer l’alimentation du gaz protecteur en cas de
non utilisation.
DVeiller toujours à bien aérer les espaces confinés ou se servir d’un respi-
rateur d’adduction d’air homologué.
DES PIÈCES CHAUDES peuvent pro-
voquer des brûlures graves.
DNe pas toucher des parties chaudes à mains nues
DPrévoir une période de refroidissement avant
d’utiliser le pistolet ou la torche.
LES CHAMPS MAGNÉTIQUES peuvent
affecter les stimulateurs cardiaques.
DPorteurs de stimulateur cardiaque, restez à distance.
DLes porteurs d’un stimulateur cardiaque doivent
d’abord consulter leur médecin avant de s’approcher
des opérations de soudage à l’arc, de gougeage ou
de soudage par points.
LE BRUIT peut affecter l’ouïe.
Le bruit des processus et des équipements peut affecter
l’ouïe.
DPorter des protections approuvés pour les oreilles si
le niveau sondre est trop élevé.
Des bouteilles de gaz protecteur contiennent du gaz
sous haute pression. Si une bouteille est endomma-
gée, elle peut exploser. Du fait que les bouteilles de gaz
font normalement partie du procédé de soudage, les
manipuler avec précaution.
DProtéger les bouteilles de gaz comprimé d’une chaleur excessive,
des chocs mécaniques, du laitier, des flammes ouvertes, des étin-
celles et des arcs.
DPlacer les bouteilles debout en les fixant dans un support stationnai-
re ou dans un porte-bouteilles pour les empêcher de tomber ou de
se renverser.
DTenir les bouteilles éloignées des circuits de soudage ou autres cir-
cuits électriques.
DNe jamais placer une torche de soudage sur une bouteille à gaz.
DUne électrode de soudage ne doit jamais entrer en contact avec une
bouteille.
DNe jamais souder une bouteille pressurisée – risque d’explosion.
DUtiliser seulement des bouteilles de gaz protecteur, régulateurs,
tuyaux et raccords convenables pour cette application spécifique;
les maintenir ainsi que les éléments associés en bon état.
DNe pas tenir la tête en face de la sortie en ouvrant la soupape de la
bouteille.
DMaintenir le chapeau de protection sur la soupape, sauf en cas d’uti-
lisation ou de branchement de la bouteille.
DLire et suivre les instructions concernant les bouteilles de gaz com-
primé, les équipements associés et les publications P-1 CGA énu-
mérées dans les normes de sécurité.
Si des BOUTEILLES sont endomma-
gées, elles pourront exploser.

OM-1582 Page 7
1-3. Dangers supplémentaires en relation avec l’installation, le fonctionnement
et la maintenance
Risque D’INCENDIE OU
D’EXPLOSION.
DNe pas placer l’appareil sur, au-dessus ou à proxi-
mité de surfaces infllammables.
DNe pas installer l’appareil à proximité de produits inflammables
DNe pas surcharger l’installation électrique – s”assurer que l’alimen-
tation est correctement dimensionné et protégé avant de mettre
l’appareil en service.
LA CHUTE DE L’APPAREIL peut
blesser.
DUtiliser l’anneau de levage uniquement pour sou-
lever l’appareil, NON PAS les chariot, les bouteil-
les de gaz ou tout autre accessoire.
DUtiliser un engin d’une capacité appropriée pour
soulever l’appareil.
DEn utilisant des fourches de levage pour déplacer l’unité, s’assurer
que les fourches sont suffisamment longues pour dépasser du côté
opposé de l’appareil.
L’EMPLOI EXCESSIF peut
SURCHAUFFER L’ÉQUIPEMENT.
DPrévoir une période de refroidissement, respec-
ter le cycle opératoire nominal.
DRéduire le courant ou le cycle opératoire avant de
recommancer le soudage.
DNe pas obstruer les passages d’air du poste.
LES CHARGES ÉLECTROSTATI-
QUES peuvent endommager les cir-
cuits imprimés.
DÉtablir la connexion avec la barrette de terre
avant de manipuler des cartes ou des pièces.
DUtiliser des pochettes et des boîtes antistatiques
pour stocker, déplacer ou expédier des cartes de
circuits imprimes.
DES ORGANES MOBILES peuvent
provoquer des blessures.
DNe pas s’approcher des organes mobiles.
DNe pas s’approcher des points de coincement
tels que des rouleaux de commande.
LES FILS DE SOUDAGE peuvent pro-
voquer des blessures.
DNe pas appuyer sur la gachette avant d’en avoir
reçu l’instruction.
DNe pas diriger le pistolet vers soi, d’autres person-
nes ou toute pièce mécanique en engageant le fil
de soudage.
DES ORGANES MOBILES peuvent
provoquer des blessures.
DRester à l’écart des organes mobiles comme le
ventilateur.
DMaintenir fermés et fixement en place les portes,
panneaux, recouvrements et dispositifs de
protection.
LE RAYONNEMENT HAUTE FRÉ-
QUENCE (H.F.) risque de provoquer
des interférences.
DLe rayonnement haute frequence peut provoquer
des interférences avec les équipements de ra-
dio–navigation et de communication, les services
de sécurité et les ordinateurs.
DDemander seulement à des personnes qualifiées familiarisées
avec des équipements électroniques de faire fonctionner l’installa-
tion.
DL’utilisateur est tenu de faire corriger rapidement par un électricien
qualifié les interférences résultant de l’installation.
DSi le FCC signale des interférences, arrêter immédiatement l’appa-
reil.
DEffectuer régulièrement le contrôle et l’entretien de l’installation.
DMaintenir soigneusement fermés les portes et les panneaux des
sources de haute fréquence, maintenir les éclateurs à une distance
correcte et utiliser une terre et et un blindage pour réduire les interfé-
rences éventuelles.
LE SOUDAGE À L’ARC risque de
provoquer des interférences.
DL’énergie électromagnétique risque de provoquer
des interférences pour l’équipement électronique
sensible tel que les ordinateurs et l’équipement
commandé par ordinateur tel que les robots.
DVeiller à ce que tout l’équipement de la zone de soudage soit com-
patible électromagnétiquement.
DPour réduire la possibilité d’interférence, maintenir les câbles de
soudage aussi courts que possible, les grouper, et les poser aussi
bas que possible (ex. par terre).
DVeiller à souder à une distance de 100 mètres de tout équipement
électronique sensible.
DVeiller à ce que ce poste de soudage soit posé et mis à la terre
conformément à ce mode d’emploi.
DEn cas d’interférences après avoir pris les mesures précédentes, il
incombe à l’utilisateur de prendre des mesures supplémentaires tel-
les que le déplacement du poste, l’utilisation de câbles blindés, l’uti-
lisation de filtres de ligne ou la pose de protecteurs dans la zone de
travail.
LES CHAMPS MAGNÉTIQUES peuvent
affecter les stimulateurs cardiaques.
DPorteurs de stimulateur cardiaque, restez à dis-
tance.
DLes porteurs d’un stimulateur cardiaque doivent
d’abord consulter leur médecin avant de s’appro-
cher des opérations de soudage à l’arc, de gou-
geage ou de soudage par points.

OM-1582 Page 8
1-4. Principales normes de sécurité
Safety in Welding and Cutting, norme ANSI Z49.1, de l’American Wel-
ding Society, 550 N.W. Lejeune Rd, Miami FL 33126
Safety and Health Sandards, OSHA 29 CFR 1910, du Superintendent
of Documents, U.S. Government Printing Office, Washington, D.C.
20402.
Recommended Safe Practice for the Preparation for Welding and Cut-
ting of Containers That Have Held Hazardous Substances, norme AWS
F4.1, de l’American Welding Society, 550 N.W. Lejeune Rd, Miami FL
33126
National Electrical Code, NFPA Standard 70, de la National Fire Protec-
tion Association, Batterymarch Park, Quincy, MA 02269.
Safe Handling of Compressed Gases in Cylinders, CGA Pamphlet P-1,
de la Compressed Gas Association, 1235 Jefferson Davis Highway,
Suite 501, Arlington, VA 22202.
Règles de sécurité en soudage, coupage et procédés connexes, norme
CSA W117.2, de l’Association canadienne de normalisation, vente de
normes, 178 Rexdale Boulevard, Rexdale (Ontario) Canada M9W 1R3.
Safe Practices For Occupation And Educational Eye And Face Protec-
tion, norme ANSI Z87.1, de l’American National Standards Institute,
1430 Broadway, New York, NY 10018.
Cutting and Welding Processes, norme NFPA 51B, de la National Fire
Protection Association, Batterymarch Park, Quincy, MA 02269.
1-5. Information sur les champs électromagnétiques
Données sur le soudage électrique et sur les effets, pour l’organisme,
des champs magnétiques basse fréquence
Le courant de soudage, pendant son passage dans les câbles de sou-
dage, causera des champs électromagnétiques. Il y a eu et il y a encore
un certain souci à propos de tels champs. Cependant, après avoir ex-
aminé plus de 500 études qui ont été faites pendant une période de
recherche de 17 ans, un comité spécial ruban bleu du National Re-
search Council a conclu: “L’accumulation de preuves, suivant le
jugement du comité, n’a pas démontré que l’exposition aux champs
magnétiques et champs électriques à haute fréquence représente un
risque à la santé humaine”. Toutefois, des études sont toujours en cours
et les preuves continuent à être examinées. En attendant que les con-
clusions finales de la recherche soient établies, il vous serait
souhaitable de réduire votre exposition aux champs électromagnéti-
ques pendant le soudage ou le coupage.
Afin de réduire les champs électromagnétiques dans l’environnement
de travail, respecter les consignes suivantes :
1 Garder les câbles ensembles en les torsadant ou en les
attachant avec du ruban adhésif.
2 Mettre tous les câbles du côté opposé de l’opérateur.
3 Ne pas courber pas et ne pas entourer pas les câbles autour de
votre corps.
4 Garder le poste de soudage et les câbles le plus loin possible de
vous.
5 Relier la pince de masse le plus près possible de la zone de
soudure.
Consignes relatives aux stimulateurs cardiaques :
Les personnes qui portent un stimulateur cardiaque doivent avant tout
consulter leur docteur. Si vous êtes déclaré apte par votre docteur, il est
alors recommandé de respecter les consignes ci–dessus.

OM-1582 Page 9
SECTION 2 – DEFINITIONS
1 1.1 1.2 1.3
3 3.1 3.2 3.3
4 4.1 +
22.1 2.2
+
+
56
+
2.3
S-178 936
A. Warning! Watch Out! There
are possible hazards as
shown by the symbols.
B. Drive rolls can injure fingers.
C. Welding wire and drive parts
are at welding voltage during
operation – keep hands and
metal objects clear.
1 Electric shock can kill.
1.1 Wear dry insulating gloves.
Do not touch electrode with
bare hand. Do not wear wet or
damaged gloves.
1.2 Protect yourself from electric
shock by insulating yourself
from work and ground.
1.3 Disconnect input plug or
power before working on
machine.
2 Breathing welding fumes can
be hazardous to your health.
2.1 Keep your head out of the
fumes.
2.2 Use forced ventilation or local
exhaust to remove the fumes.
2.3 Use ventilating fan to remove
fumes.
3 Welding sparks can cause
explosion or fire.
3.1 Keep flammables away from
welding. Don’t weld near
flammables.
3.2 Welding sparks can cause
fires. Have a fire extinguisher
nearby and have a watch
person ready to use it.
3.3 Do not weld on drums or any
closed containers.
4 Arc rays can burn eyes and
injure skin.
4.1 Wear hat and safety glasses.
Use ear protection and button
shirt collar. Use welding
helmet with correct shade of
filter. Wear complete body
protection.
5 Become trained and read the
instructions before working on
the machine or welding.
6 Do not remove or paint over
(cover) the label.
2-1. Warning Label Definitions
ABC

OM-1582 Page 10
ST-178 794-A
50/60
S/N:
24
10.0
Hz50/60
IP 21
V100 A750 X 100 %
V
U1
=A
I1=1
U2
=I2=
2-2. Rating Label For CE Products
For label location
see Section 4-4.
2-3. Symbols And Definitions
Some symbols are found only on CE products.
Note
AAmperes VVolts Alternating Current XDuty Cycle
IP Degree Of
Protection Hz Hertz U1Primary Voltage Wire Feed
Jog Output Trigger Line Connection
Press To Set U2Load Voltage Trigger Hold On Trigger Hold Off
Purge Spot Weld Time Spot Weld Continuous Weld
Burnback Time Preflow Time Postflow Time Read Instructions
Increase I1Primary Current I2Rated Current

OM-1582 Page 11
SECTION 3 – INTRODUCTION
3-1. Specifications
Type of Input
Power Welding Power
Source Type Wire Feed
Speed Range Wire Diameter
Range
Welding
Circuit
Rating
IP
Rating Overall
Dimensions Weight
24 Volts AC
Single-Phase
10 Amperes
50/60 Hertz
Constant Voltage (CV)
DC With 14-Pin And
Contactor Control
Standard: 50 To
780 ipm (1.3 To
19.8 mpm)
Optional High
Speed: 90 To
1400 ipm (2.3 To
35.6 mpm)
.023 To 1/8 in
(0.6 To 3.2 mm)
Max Spool
Weight: 60 lb
(27 kg)
100 Volts,
750
Amperes,
100% Duty
Cycle
IP 23
Length: 32 in
(812 mm)
Width: 18 in
(457 mm)
Height: 14 in
(356 mm)
78 lb
(35 kg)
SECTION 4 – INSTALLATION
4-1. Site Selection
1 Wire Feeder
2 Lifting Eye
3 Rubber Feet
4 Slot
Choose slot that allows all rubber
feet to sit securely on top of welding
power source.
5 Wire Spool/Reel
6 Gas Cylinder (Customer
Supplied)
7 Welding Power Source
YDo not put feeder where
welding wire hits cylinder.
YDo not move or operate
equipment when it could tip.
Ref. ST-152 468-A / ST-152 566-B
1
5
2
4
7
6
3

OM-1582 Page 12
4-2. Gun Recommendation Table
Process Gun
GMAW – Hard or Cored Wires Roughneck C-Series Guns: 300, 400, 500,
And 600 Amp.
FCAW – Self-Shielding Wires FC-1260 Or FC-1150
4-3. Equipment Connection Diagrams
1 Welding Power Source
2 Contactor Control/Power Cord
3 Positive (+) Weld Cable
4 Negative (–) Weld Cable
5 Workpiece
6 Gun
7 Wire Feeder
8 PSA-2 Control (Optional)
Use with welding power sources
supplying 115 volts ac power.
9 Gas Hose
10 Gas Cylinder
152 616-C / 152 615-C
1
2
3
4
5
67
9
10
1
2
3
4
5
8
9
10
6
7

OM-1582 Page 13
Ref. 800 353-B
Tools Needed:
4-4. Rear Panel Connections
1”Y” Adapter Gas Hose
(Supplied)
2 Shielding Gas Valve Fitting
Requires fitting with 5/8-18 right-
hand threads.
3 Weld Cable Terminal
4 Jumper Weld Cable
5 Weld Cable
6 Optional Current Sensor
Connections
7 14-Pin Cord
8 Power Switch
9 Rating Label Location
9/16, 5/8 in
3/16 in
1
2
3
4
5
4
5
6789
6
4-5. 14-Pin Plug Information
Pin* Pin Information
A24 volts ac with respect to socket G.
BContact closure to A completes 24 volts ac contactor control circuit.
AJ GCircuit common for 24 volts AC circuit.
AJ
B
K
IC+10 volts dc output to remote control with respect to socket D.
C
L
NH
D
M
G
DRemote control circuit common.
D
M
G
E
FE0 to +10 volts dc input command signal from remote control with respect to socket D.
HVoltage feedback; 0 to +10 volts dc, 1 volt per 10 arc volts.
FCurrent feedback; 0 to +10 volts dc, 1 volt per 100 amperes.
*The remaining pins are not used.

OM-1582 Page 14
4-6. Wire Type, Size, And Feed Speed Capability Table
Motor Speed Wire Type Wire Size Feed Speed Capability
Standard All .023 To 5/64 in (0.6 To 2 mm) 50 To 780 ipm (1.3 To 19.8 mpm)
Standard All 3/32 To 7/64 in (2.4 To 2.8 mm) 50 To 700 ipm (1.3 To 17.8 mpm)
Standard All 1/8 in (3.2 mm) 50 To 300 ipm (1.3 To 7.6 mpm)
Optional High
Speed All .023 To 5/64 in (0.6 To 2 mm) 92 To 1440 ipm (2.3 To 35.6 mpm)
4-7. Motor Start Control
Ref. 143 259-G / Ref. SB-183 121-C
Tools Needed:
1/4 in
Non-Conductive
To change wire feed starting speed,
proceed as follows:
Turn Off wire feeder and welding
power source.
Remove wrapper.
1 Front Panel
Front panel shown open for illustra-
tion purposes.
2 Left Side Inner Control Panel
It may be necessary to remove pan-
el to access Motor Start Control.
Remove panel only as far as re-
quired if options are attached to
panel.
3 Motor Board PC1
4 Motor Start Control Poten-
tiometer R70
Turn potentiometer clockwise to in-
crease time it takes the motor to
ramp up to speed. Remove protec-
tive white rubber cap before making
adjustment. Adjust potentiometer
R70 using a small nonconductive
screwdriver.
Reinstall left side inner control pan-
el if it was removed.
Reinstall wrapper.
3
2
1

OM-1582 Page 15
3
Ref. 143 259-G / Ref. ST-153 093-A
Tools Needed:
4-8. Rotating The Drive Assembly
Remove screws (6) from front edge
of wrapper, and loosen screws on
back edge of wrapper.
1 Front Panel
2 Drive Assembly Rotation
Adjustment Opening
3 Drive Assembly
3/16 in
1/4 in
1
2

OM-1582 Page 16
4-9. Installing And Threading Welding Wire
.Be sure that outlet cable has proper size
liner for the welding wire size. When
installing gun, position liner extending
from outlet wire guide as close as pos-
sible to drive rolls without touching.
Install gun. Lay gun cable out straight. Cut off
end of wire. Push wire through guides up to
drive rolls; continue to hold wire. Press Jog
button to feed wire out gun.
.For soft wire or small diameter stainless
steel wire, use 2 drive rolls and set drive
roll pressure from 0 to a maximum of 4
on the pressure indicator scale (so that
only the inner spring is compressed).
This setting will generally give the best
performance for these types of wires.
To adjust drive roll pressure, hold nozzle
about 2 in (51 mm) from nonconductive
surface and press gun trigger to feed wire
against surface. Tighten knob so wire does
not slip. Do not overtighten. If contact tip is
completely blocked, wire should slip at the
feeder (see pressure adjustment above).
Cut wire off. Close cover.
Tools Needed:
Ref. ST-156 929-A / Ref. SC-150 922 / Ref. ST-156 930 / S-0627-A
3/16, 5/64 in
15/16, 3/8 in
NONCONDUCTIVE
SURFACE NONCONDUCTIVE
SURFACE
No Wire Slip Wire Slips
If necessary, move hub and spool
support so wire runs straight from
the spool through the drive rolls.
Install wire spool. Adjust tension
nut so wire is taut when wire feed
stops.
Install wire guides and
anti-wear guide.
Install drive rolls.
Pressure
Indicator
Scale
Pressure
Adjust

OM-1582 Page 17
Ref. 143 259-G / Ref. SA-146 866-B / Ref. SA-148 666-E / Ref. SA-150 588-D
Tools Needed:
.If wire feeder is equipped with a voltage sensing lead, set DIP switch S3
to the OFF position (up). If wire feeder is NOT equipped with a voltage
sensing lead, set DIP switch S3 to the ON position (down).
12
OFF
12
OFF
12
OFF
12
Or
Long Spot
Time
0-5 Seconds
Short Spot
Time
0-2.5 Seconds
X Means switch can be in either position.
. Means switch must be in this position.
Spot Time
Range Selection Option Interface
Standard Settings
1/4 in
4-10. Optional Equipment DIP Switch Settings
123 45
Or Or
High Speed
Motor
Meters/Minute
High Speed
Motor
Inches/Minute
Standard
Motor
Meters/Minute
Standard
Motor
Inches/Minute
Digital Meter Functions
12
Or
Arc Voltage Sensing Using
Voltage Sensing Lead
Voltage Sensing Function
Arc Voltage Sensing Using
Feedback From Welding
Power Source
12
DIP Switch S3
Set To OFF DIP Switch S3
Set To ON
123 45
123 45
123 45

OM-1582 Page 18
SECTION 5 – OPERATION
5-1. Front Panel Controls
1 Voltmeter (Optional) (See Section
4-10)
2 Wire Speed Meter (Optional)
Factory set to display inches per minute. If
display of meters per minute is desired, see
Section 4-10.
3 Schedule A Wire Speed Control
The scale is calibrated in inches per minute
x 100 and meter per minute.
4 Schedule A Voltage Control
(Optional)
.For dual schedule applications, a dual
schedule switch is required for the gun.
Obtain a proper dual schedule switch
and install according to its instructions.
5 Schedule B Indicator Light (Optional)
6 Schedule B Wire Speed Control
(Optional)
7 Schedule B Voltage Control
(Optional)
8 Press To Set Button (Optional)
Press and hold button to preset Schedule B
wire feed speed and/or voltage.
9 Left And Right Indicator Lights
10 Jog/Purge Switch
Push up to momentarily feed welding wire at
speed set on Wire Speed control without en-
ergizing welding circuit or shielding gas
valve.
Push down to momentarily energize gas
valve to purge air from gun or adjust gas reg-
ulator.
Center position is off.
ST-152 647
Schedule B
Schedule A
1
2
3
4
5
6
7
8
9
10
4
3
5
7
6
8
9
10

OM-1582 Page 19
802 433-A
5-2. Overload Protection And Optional Side Panel Controls
1 Circuit Breaker CB1
CB1 protects wire feed motor from overload.
Press to reset.
2 Preflow Control
Control sets time gas flows before welding
wire is energized.
3 Spot Time Control
Factory set for 0 to 5 seconds of spot time.
If 0 to 2.5 seconds is desired, see Section
4-10.
4 Spot Continuous Switch
Switch selects an untimed continuous weld
or a timed spot weld.
5 Trigger Hold Switch (Optional)
Push up to weld without holding gun trigger
throughout the weld cycle.
To start weld, press and release gun trigger
within three seconds after an arc has been
struck. To end weld, press and release gun
trigger.
6 Burnback Control
Control adjusts time welding wire is ener-
gized after wire feed stops.
7 Run-In Control
Control sets run-in wire speed before arc ini-
tiation.
8 Postflow Control
Control sets time gas flows after completion
of burnback.
Close side door.
1
3
268
457
SECTION 6 – MAINTENANCE AND TROUBLESHOOTING
6-1. Routine Maintenance
YDisconnect power before maintaining.
3 Months
Replace
unreadable
labels.
Clean and
tighten
weld
terminals.
Repair or
replace
cracked
weld
cable.
Check
14-pin
cord.
Check gas
hose and
fittings.
Check
gun
cable.
Replace
cracked
parts.
6 Months
Blow out or vacuum
inside. During heavy
service, clean
monthly.
OR Clean
drive
rolls.

OM-1582 Page 20
6-2. Troubleshooting
YDisconnect power before troubleshooting
Trouble Remedy
Wire feeds, shielding gas flows, but elec-
trode wire is not energized. Check interconnecting cord connections. If secure, check cord for continuity and repair or replace (see
Sections 4-3 and 4-4).
Wire feeder is on, meter(s) do not light
up, motor does not run, gas valve and
welding power source contactor do not
pull in.
Check and reset CB1 (see Section 5-2).
Electrode wire feeding stops or feeds er-
ratically during welding. Check gun trigger connection. See gun Owner’s Manual.
Check gun trigger. See gun Owner’s Manual.
Readjust hub tension and drive roll pressure (see Section 4-9).
Change to correct size drive roll (see Table 8-1).
Clean or replace dirty or worn drive roll.
Incorrect size or worn wire guides.
Replace contact tip or liner. See gun Owner’s Manual.
Remove weld spatter or foreign matter from around nozzle opening.
Have Factory Authorized Service Agency check drive motor or motor control board PC1.
Motor runs slowly. Check for correct input voltage.
Wire does not feed until trigger is pulled,
but continues to feed after trigger is re-
leased, and trigger hold is not on.
Check for a short between welding gun trigger leads and weld cable. Repair short or replace welding gun.
Gas valve in feeder is rattling loudly
along with possible erratic or slow wire
feed speed.
Check for a short between welding gun trigger leads and weld cable. Repair short or replace welding gun.
Unit does not switch out of Run-In
Speed. When using this unit with certain older style Miller CV power sources, a weld current sensor
(Part No. 160 963) must be used. Power sources include the Deltaweld prior to Serial No. KG141349
and the Dimension prior to Serial No. KC253517.
Wire feeder power is on, displays light
up, but unit is inoperative. Check welding gun trigger leads for continuity, and repair leads or replace gun.
Schedule A Wire Feed Speed works, but
Schedule B Wire Feed Speed does not
work or is erratic.
DIP Switch S1(1) on Option Interface Board PC70 must be in the On position (see Section 4-10).
Wire Feed Speed Meter display does not
match actual wire feed speed. Set DIP Switch S2 on Meter Board PC60 in Inches/Minute mode (see Section 4-10).
Actual arc voltage display on meter is
held after trigger is released, or arc volt-
age does not change while welding.
Set DIP Switch S2 on Meter Board PC60 in Voltage Monitor mode (see Section 4-10).

OM-1582 Page 21
Notes

OM-1582 Page 22
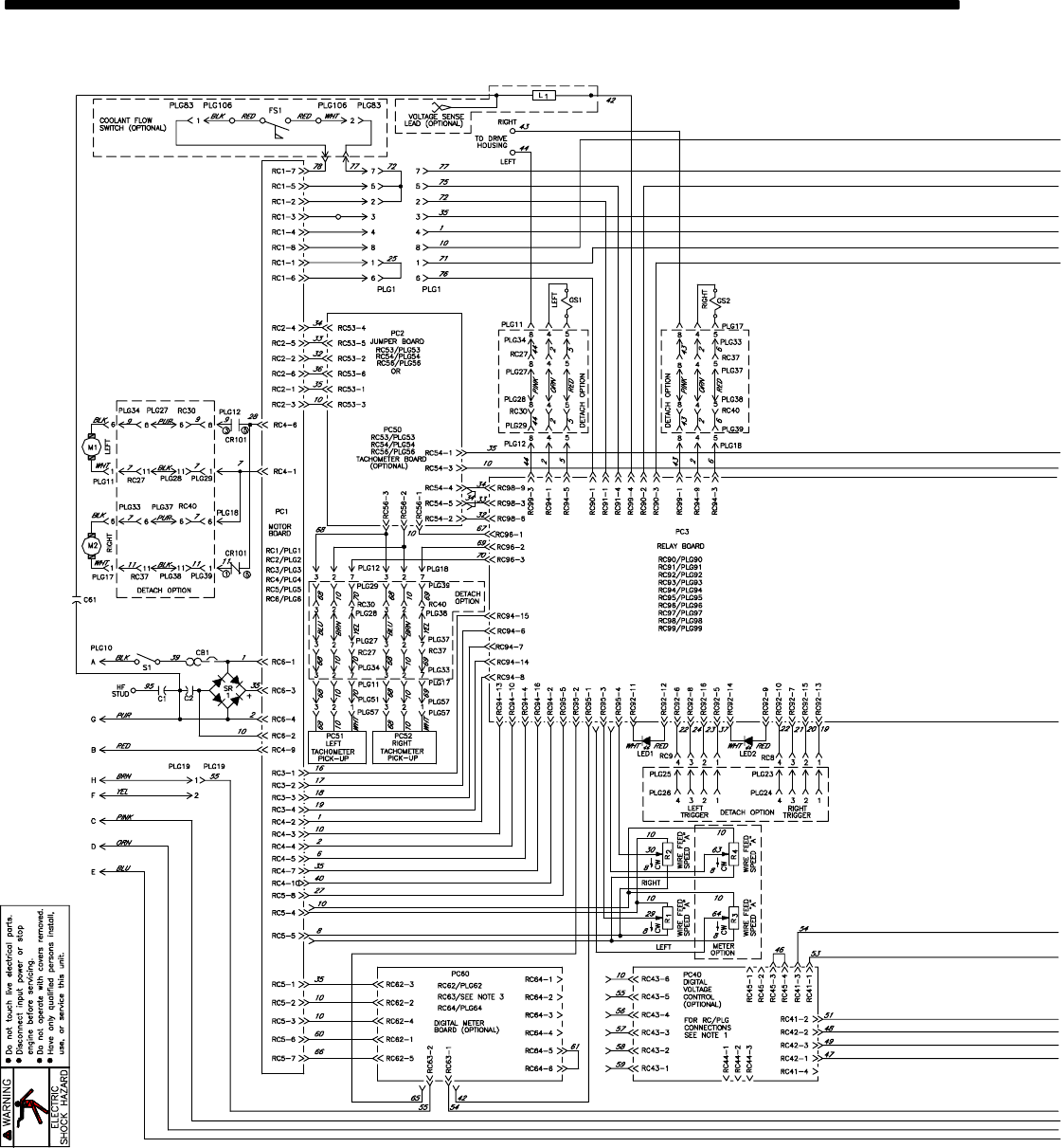
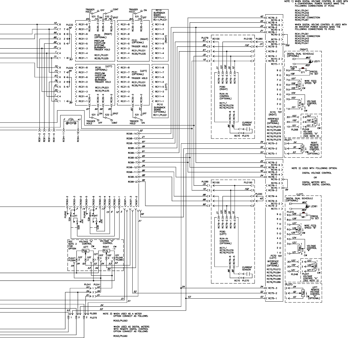
SECTION 7 – ELECTRICAL DIAGRAM
Figure 7-1. Circuit Diagram

OM-1582 Page 23
197 518–A

OM-1582 Page 24
SECTION 8 – PARTS LIST
1
2
345678765910
11
12
30
29
28
27
.Hardware is common and
not available unless listed.
143 225-K
13
15
16
17
18
19
20
21
22
23 24
25
26
Fig 8-2
14
Fig 8-5
Fig 8-5
Figure 8-1. Main Assembly

OM-1582 Page 25
Description
Part
No.
Item
No. Quantity
Figure 8-1. Main Assembly
1 143 160 HUB & SPINDLE ASSEMBLY, (consisting of) 2. . . . . . . . . . . . . . . . . . . . . . . . . . . . . . . . . . . . . . . . . .
2 058 427 RING, retaining spool 1. . . . . . . . . . . . . . . . . . . . . . . . . . . . . . . . . . . . . . . . . . . . . . . . . . . . . . . . . . . . . . .
3 180 573 SHAFT, support spool 1. . . . . . . . . . . . . . . . . . . . . . . . . . . . . . . . . . . . . . . . . . . . . . . . . . . . . . . . . . . . . . .
4 010 233 SPRING, cprsn .970 OD x .120 wire x 1.250pld 1. . . . . . . . . . . . . . . . . . . . . . . . . . . . . . . . . . . . . . . . .
5 057 971 WASHER, flat stl keyed 1.500dia x .125thk 2. . . . . . . . . . . . . . . . . . . . . . . . . . . . . . . . . . . . . . . . . . . . .
6 010 191 WASHER, fbr .656 ID x 1.500 OD x .125thk 2. . . . . . . . . . . . . . . . . . . . . . . . . . . . . . . . . . . . . . . . . . . .
7 058 628 WASHER, brake stl 2. . . . . . . . . . . . . . . . . . . . . . . . . . . . . . . . . . . . . . . . . . . . . . . . . . . . . . . . . . . . . . . . .
8 058 428 HUB, spool 1. . . . . . . . . . . . . . . . . . . . . . . . . . . . . . . . . . . . . . . . . . . . . . . . . . . . . . . . . . . . . . . . . . . . . . . .
9 071 730 TUBING, stl .875 OD x 12ga wall x 2.375 1. . . . . . . . . . . . . . . . . . . . . . . . . . . . . . . . . . . . . . . . . . . . . .
10 135 205 NUT, stl slflkg hex reg .625-11 w/nylon insert 1. . . . . . . . . . . . . . . . . . . . . . . . . . . . . . . . . . . . . . . . . .
11 141 411 SUPPORT, spool 1. . . . . . . . . . . . . . . . . . . . . . . . . . . . . . . . . . . . . . . . . . . . . . . . . . . . . . . . . . . . . . . . . . .
12 142 838 BRACKET, mtg spool RH 1. . . . . . . . . . . . . . . . . . . . . . . . . . . . . . . . . . . . . . . . . . . . . . . . . . . . . . . . . . .
13 134 306 FOOT, rubber 1.250dia x 1.375 high 4. . . . . . . . . . . . . . . . . . . . . . . . . . . . . . . . . . . . . . . . . . . . . . . . .
14 139 226 BASE 1. . . . . . . . . . . . . . . . . . . . . . . . . . . . . . . . . . . . . . . . . . . . . . . . . . . . . . . . . . . . . . . . . . . . . . . . . . . .
15 Fig 8-5 WIRE DRIVE ASSEMBLY, RH 1. . . . . . . . . . . . . . . . . . . . . . . . . . . . . . . . . . . . . . . . . . . . . . . . . . . . . . .
16 159 647 INSULATOR, motor clamp 2. . . . . . . . . . . . . . . . . . . . . . . . . . . . . . . . . . . . . . . . . . . . . . . . . . . . . . . . . .
17 159 360 INSULATOR, screw machine 8. . . . . . . . . . . . . . . . . . . . . . . . . . . . . . . . . . . . . . . . . . . . . . . . . . . . . . .
18 602 009 SCREW, cap stl sch .250-20 x 1.250 2. . . . . . . . . . . . . . . . . . . . . . . . . . . . . . . . . . . . . . . . . . . . . . . . .
19 156 243 CLAMP, motor top 2. . . . . . . . . . . . . . . . . . . . . . . . . . . . . . . . . . . . . . . . . . . . . . . . . . . . . . . . . . . . . . . . .
20 083 639 WEATHERSTRIPPING, adh .125 x 1.500 (order by ft) 1ft. . . . . . . . . . . . . . . . . . . . . . . . . . . . . . . .
21 159 646 CLAMP, motor base 2. . . . . . . . . . . . . . . . . . . . . . . . . . . . . . . . . . . . . . . . . . . . . . . . . . . . . . . . . . . . . . .
22 145 639 STRIP, buna N compressed sheet .062 x 4.000 x 4.000 2. . . . . . . . . . . . . . . . . . . . . . . . . . . . . . . .
23 143 152 SCREW, cap stl sch .250-20 x 5.000 (LH only) 2. . . . . . . . . . . . . . . . . . . . . . . . . . . . . . . . . . . . . . . .
24 139 752 SPACER, stl .500 OD x 12ga wall x 3.750 (LH only) 2. . . . . . . . . . . . . . . . . . . . . . . . . . . . . . . . . . . .
25 Fig 8-5 WIRE DRIVE ASSEMBLY, LH 1. . . . . . . . . . . . . . . . . . . . . . . . . . . . . . . . . . . . . . . . . . . . . . . . . . . . . . .
26 Fig 8-2 CONTROL BOX 1. . . . . . . . . . . . . . . . . . . . . . . . . . . . . . . . . . . . . . . . . . . . . . . . . . . . . . . . . . . . . . . . . . .
27 ♦108 008 REEL, wire 60 lb (consisting of) 1. . . . . . . . . . . . . . . . . . . . . . . . . . . . . . . . . . . . . . . . . . . . . . . . . . . .
28 124 900 SUPPORT, reel spool 1. . . . . . . . . . . . . . . . . . . . . . . . . . . . . . . . . . . . . . . . . . . . . . . . . . . . . . . . . . . . . .
29 +168 104 RETAINER, spool support (consisting of) 1. . . . . . . . . . . . . . . . . . . . . . . . . . . . . . . . . . . . . . . . . . . .
166 594 LABEL, caution falling wire reel can cause damage 1. . . . . . . . . . . . . . . . . . . . . . . . . . . . . . . . . . . . . . . . .
30 168 103 NUT, spanner retaining 1. . . . . . . . . . . . . . . . . . . . . . . . . . . . . . . . . . . . . . . . . . . . . . . . . . . . . . . . . . . . .
143 838 CABLE, weld 26 in 1. . . . . . . . . . . . . . . . . . . . . . . . . . . . . . . . . . . . . . . . . . . . . . . . . . . . . . . . . . . . . . . . . . . .
164 059 HOSE, gas 1. . . . . . . . . . . . . . . . . . . . . . . . . . . . . . . . . . . . . . . . . . . . . . . . . . . . . . . . . . . . . . . . . . . . . . . . . . .
♦OPTIONAL
+When ordering a component originally displaying a precautionary label, the label should also be ordered.
To maintain the factory original performance of your equipment, use only Manufacturer’s Suggested
Replacement Parts. Model and serial number required when ordering parts from your local distributor.

OM-1582 Page 26
143 226-G
1
2
3
5
6
7
1011
12
13
14
15
16
17
18
1920
21
22
Fig 8-3
10
Fig 8-4
89
.Hardware is common and
not available unless listed.
4
Figure 8-2. Control Box

OM-1582 Page 27
Description
Part
No.
Dia.
Mkgs.
Item
No. Quantity
Figure 8-2. Control Box (Fig 8-1 Item 26)
1 139 235 PANEL, side lower LH 1. . . . . . . . . . . . . . . . . . . . . . . . . . . . . . . . . . . . . . . . . . . . . . . . . . . . . . . . . . . . . . .
2 Fig 8-4 CONTROL PANEL 2. . . . . . . . . . . . . . . . . . . . . . . . . . . . . . . . . . . . . . . . . . . . . . . . . . . . . . . . . . . . . . . . . . .
3 PC2 134 994 CIRCUIT CARD, tach jumper 1. . . . . . . . . . . . . . . . . . . . . . . . . . . . . . . . . . . . . . . . . . . . . . . . . . .
♦180 314 DIGITAL DISPLAY, (consisting of) 1. . . . . . . . . . . . . . . . . . . . . . . . . . . . . . . . . . . . . . . . . . . . . . . . . . . . . .
132 611 OPTICAL ENCODER DISC 1. . . . . . . . . . . . . . . . . . . . . . . . . . . . . . . . . . . . . . . . . . . . . . . . . . . . . . . . . . . . .
3 PC50 132 370 CIRCUIT CARD, tachometer 1. . . . . . . . . . . . . . . . . . . . . . . . . . . . . . . . . . . . . . . . . . . . . . . . . . .
097 132 STAND-OFF, 6-32 x .375 lg 4. . . . . . . . . . . . . . . . . . . . . . . . . . . . . . . . . . . . . . . . . . . . . . . . . . . . . . . . . . . . .
R3,4 603 856 POTENTIOMETER, WW sltd sft 10/T 2W 10K ohm. . . . . . . . . . . . . . . . . . . . (Wire Feed Speed A) 2. . . . . . . . . . . . . . . . . . . . . . . . . . . . . . . . . . . . . . . .
PLG5 130 203 CONNECTOR & SOCKETS 1. . . . . . . . . . . . . . . . . . . . . . . . . . . . . . . . . . . . . . . . . . . . . . . . . . . . . .
PLG62 131 055 CONNECTOR & SOCKETS 1. . . . . . . . . . . . . . . . . . . . . . . . . . . . . . . . . . . . . . . . . . . . . . . . . . . .
PLG64 167 361 CONNECTOR & SOCKETS 1. . . . . . . . . . . . . . . . . . . . . . . . . . . . . . . . . . . . . . . . . . . . . . . . . . . .
PLG95 115 092 CONNECTOR & SOCKETS 1. . . . . . . . . . . . . . . . . . . . . . . . . . . . . . . . . . . . . . . . . . . . . . . . . . . .
138 045 CONNECTOR & SOCKETS 1. . . . . . . . . . . . . . . . . . . . . . . . . . . . . . . . . . . . . . . . . . . . . . . . . . . . . . . . . . . .
R75,85 603 856 POTENTIOMETER, WW sltd sft 10/T 2W 10K ohm. . . . . . . . . . . . . . . . . . (Voltage Control A) 2. . . . . . . . . . . . . . . . . . . . . . . . . . . . . . . . . . . . . . . . . .
PLG84,86,97 131 204 CONNECTOR & SOCKETS 3. . . . . . . . . . . . . . . . . . . . . . . . . . . . . . . . . . . . . . . . . . . . . .
PLG41,47,49,85 131 203 CONNECTOR & SOCKETS 4. . . . . . . . . . . . . . . . . . . . . . . . . . . . . . . . . . . . . . . . . . . .
PLG41 115 090 CONNECTOR & SOCKETS 1. . . . . . . . . . . . . . . . . . . . . . . . . . . . . . . . . . . . . . . . . . . . . . . . . . . .
PLG19 151 490 CONNECTOR, rect 21P 1. . . . . . . . . . . . . . . . . . . . . . . . . . . . . . . . . . . . . . . . . . . . . . . . . . . . . . . .
PLG60,63 138 045 CONNECTOR & SOCKETS 2. . . . . . . . . . . . . . . . . . . . . . . . . . . . . . . . . . . . . . . . . . . . . . . . . .
097 922 KNOB 2. . . . . . . . . . . . . . . . . . . . . . . . . . . . . . . . . . . . . . . . . . . . . . . . . . . . . . . . . . . . . . . . . . . . . . . . . . . . . . .
see Figure 8-3 & Figure 8-5 for additional parts
4 PC60 157 719 CIRCUIT CARD, meter dual 1. . . . . . . . . . . . . . . . . . . . . . . . . . . . . . . . . . . . . . . . . . . . . . . . . . .
PC51 198 004 CIRCUIT CARD, digital tach 1. . . . . . . . . . . . . . . . . . . . . . . . . . . . . . . . . . . . . . . . . . . . . . . . . . . . . .
5 139 231 CASE SECTION, bottom/rear 1. . . . . . . . . . . . . . . . . . . . . . . . . . . . . . . . . . . . . . . . . . . . . . . . . . . . . . . . .
6 PC1 198 037 CIRCUIT CARD, motor control 1. . . . . . . . . . . . . . . . . . . . . . . . . . . . . . . . . . . . . . . . . . . . . . . . . .
PLG1 115 092 CONNECTOR & SOCKETS 1. . . . . . . . . . . . . . . . . . . . . . . . . . . . . . . . . . . . . . . . . . . . . . . . . . . . . . .
PLG2 115 093 CONNECTOR & SOCKETS 1. . . . . . . . . . . . . . . . . . . . . . . . . . . . . . . . . . . . . . . . . . . . . . . . . . . . . . .
PLG3 115 094 CONNECTOR & SOCKETS 1. . . . . . . . . . . . . . . . . . . . . . . . . . . . . . . . . . . . . . . . . . . . . . . . . . . . . . .
PLG4 115 091 CONNECTOR & SOCKETS 1. . . . . . . . . . . . . . . . . . . . . . . . . . . . . . . . . . . . . . . . . . . . . . . . . . . . . . .
PLG5 130 203 CONNECTOR & SOCKETS 1. . . . . . . . . . . . . . . . . . . . . . . . . . . . . . . . . . . . . . . . . . . . . . . . . . . . . . .
PLG6 136 810 CONNECTOR & SOCKETS 1. . . . . . . . . . . . . . . . . . . . . . . . . . . . . . . . . . . . . . . . . . . . . . . . . . . . . . .
7 151 187 LATCH, slide flush 1. . . . . . . . . . . . . . . . . . . . . . . . . . . . . . . . . . . . . . . . . . . . . . . . . . . . . . . . . . . . . . . . . . .
8 CB1 083 432 CIRCUIT BREAKER, man reset 1P 10A 250V 1. . . . . . . . . . . . . . . . . . . . . . . . . . . . . . . . . . . .
9 S1 111 997 SWITCH, rocker SPST 10A 250VAC (Power Switch) 1. . . . . . . . . . . . . . . . . . . . . . . . . . . . . . . . .
10 134 201 STAND-OFF SUPPORT, PC card .312/.375 12. . . . . . . . . . . . . . . . . . . . . . . . . . . . . . . . . . . . . . . . . . .
11 010 325 BUSHING, strain relief .840 ID x .875mtg hole 1. . . . . . . . . . . . . . . . . . . . . . . . . . . . . . . . . . . . . . . . .
12 +139 229 WRAPPER 1. . . . . . . . . . . . . . . . . . . . . . . . . . . . . . . . . . . . . . . . . . . . . . . . . . . . . . . . . . . . . . . . . . . . . .
13 178 936 LABEL, warning general precautionary 1. . . . . . . . . . . . . . . . . . . . . . . . . . . . . . . . . . . . . . . . . . . . . . . .
13 134 464 LABEL, warning CE 1. . . . . . . . . . . . . . . . . . . . . . . . . . . . . . . . . . . . . . . . . . . . . . . . . . . . . . . . . . . . . . . .
14 164 368 CABLE, pwr 1. . . . . . . . . . . . . . . . . . . . . . . . . . . . . . . . . . . . . . . . . . . . . . . . . . . . . . . . . . . . . . . . . . . . . . .
15 605 227 NUT, nylon hex jam .750NPST 2. . . . . . . . . . . . . . . . . . . . . . . . . . . . . . . . . . . . . . . . . . . . . . . . . . . . . . .
16 GS1,2 125 785 VALVE, 24VAC 2 way custom port 1/8 orf 2. . . . . . . . . . . . . . . . . . . . . . . . . . . . . . . . . . . . .
17 C1,2 147 856 CAPACITOR 1. . . . . . . . . . . . . . . . . . . . . . . . . . . . . . . . . . . . . . . . . . . . . . . . . . . . . . . . . . . . . . . .
18 CR101 072 817 RELAY, encl 24VAC DPDT 1. . . . . . . . . . . . . . . . . . . . . . . . . . . . . . . . . . . . . . . . . . . . . . . . . .
19 SR1 035 704 RECTIFIER, integ 40A 800V 1. . . . . . . . . . . . . . . . . . . . . . . . . . . . . . . . . . . . . . . . . . . . . . . . . . .
20 030 170 BUSHING, snap-in nyl .750 ID x 1.000mtg hole 3. . . . . . . . . . . . . . . . . . . . . . . . . . . . . . . . . . . . . . . .
21 Fig 8-3 PANEL, front w/components 1. . . . . . . . . . . . . . . . . . . . . . . . . . . . . . . . . . . . . . . . . . . . . . . . . . . . . . . . . .
22 PC3 183 151 CIRCUIT CARD, relay control 1. . . . . . . . . . . . . . . . . . . . . . . . . . . . . . . . . . . . . . . . . . . . . . . . . .
PLG92,94 131 052 CONNECTOR & SOCKETS 2. . . . . . . . . . . . . . . . . . . . . . . . . . . . . . . . . . . . . . . . . . . . . . . . . . .
PLG93 115 093 CONNECTOR & SOCKETS 1. . . . . . . . . . . . . . . . . . . . . . . . . . . . . . . . . . . . . . . . . . . . . . . . . . . . .
PLG95 135 409 CONNECTOR & PINS 1. . . . . . . . . . . . . . . . . . . . . . . . . . . . . . . . . . . . . . . . . . . . . . . . . . . . . . . . . .
PLG96 131 204 CONNECTOR & SOCKETS 1. . . . . . . . . . . . . . . . . . . . . . . . . . . . . . . . . . . . . . . . . . . . . . . . . . . . .
PLG98 115 094 CONNECTOR & SOCKETS 1. . . . . . . . . . . . . . . . . . . . . . . . . . . . . . . . . . . . . . . . . . . . . . . . . . . . .
PLG11,17 115 092 CONNECTOR & SOCKETS 2. . . . . . . . . . . . . . . . . . . . . . . . . . . . . . . . . . . . . . . . . . . . . . . . . . .
PLG12,18 135 409 CONNECTOR & PINS 2. . . . . . . . . . . . . . . . . . . . . . . . . . . . . . . . . . . . . . . . . . . . . . . . . . . . . . . .
120 304 BLANK, snap-in nyl .250mtg hole 4. . . . . . . . . . . . . . . . . . . . . . . . . . . . . . . . . . . . . . . . . . . . . . . . . . . . . . . . .

OM-1582 Page 28
Description
Part
No.
Dia.
Mkgs.
Item
No. Quantity
Figure 8-2. Control Box (Fig 8-1 Item 26) (Continued)
119 951 BLANK, snap-in nyl .437mtg hole 6. . . . . . . . . . . . . . . . . . . . . . . . . . . . . . . . . . . . . . . . . . . . . . . . . . . . . . . . .
107 983 BLANK, snap-in nyl .500mtg hole 2. . . . . . . . . . . . . . . . . . . . . . . . . . . . . . . . . . . . . . . . . . . . . . . . . . . . . . . . .
024 103 BLANK, snap-in nyl .750mtg hole 1. . . . . . . . . . . . . . . . . . . . . . . . . . . . . . . . . . . . . . . . . . . . . . . . . . . . . . . . .
000 527 BLANK, snap-in nyl .875mtg hole 4. . . . . . . . . . . . . . . . . . . . . . . . . . . . . . . . . . . . . . . . . . . . . . . . . . . . . . . . .
♦OPTIONAL
+When ordering a component originally displaying a precautionary label, the label should also be ordered.
To maintain the factory original performance of your equipment, use only Manufacturer’s Suggested
Replacement Parts. Model and serial number required when ordering parts from your local distributor.
143 227-D
*See Option that is applicable
.Hardware is common and
not available unless listed.
1*
1
*
2
3
4
6
5
7
8
9
10
*
*
*
11
*
11
12
See Figure 8-2
Figure 8-3. Panel, Front w/Components

OM-1582 Page 29
Description
Part
No.
Dia.
Mkgs.
Item
No. Quantity
Figure 8-3. Panel, Front w/Components (Fig 8-2 Item 21)
1 R1,2 073 562 POTENTIOMETER, C sltd sft 1/T 2W 10K ohm. . . . . . . . . . . . . . . . . . (Wire Feed Speed A) 2. . . . . . . . . . . . . . . . . . . . . . . . . . . . . . . . . . . . . . . .
2 149 654 PANEL, front 1. . . . . . . . . . . . . . . . . . . . . . . . . . . . . . . . . . . . . . . . . . . . . . . . . . . . . . . . . . . . . . . . . . . . . . .
3 136 339 COVER, opening meter (not used with digital display option) 2. . . . . . . . . . . . . . . . . . . . . . . . . . . . . .
4 134 209 NUT, speed push-on-type .250 2. . . . . . . . . . . . . . . . . . . . . . . . . . . . . . . . . . . . . . . . . . . . . . . . . . . . . . . .
5 LED1,2 179 203 LED, 5100 2.0V 20mA green 2. . . . . . . . . . . . . . . . . . . . . . . . . . . . . . . . . . . . . . . . . . . . . . . . .
♦172 825 DIGITAL DUAL SCHEDULE, RH (consisting of) 1. . . . . . . . . . . . . . . . . . . . . . . . . . . . . . . . . . . . . . . . . .
♦173 748 DIGITAL DUAL SCHEDULE, LH (consisting of) 1. . . . . . . . . . . . . . . . . . . . . . . . . . . . . . . . . . . . . . . . . .
4 134 209 NUT, speed push-on-type .250 1. . . . . . . . . . . . . . . . . . . . . . . . . . . . . . . . . . . . . . . . . . . . . . . . . . . . . . .
5 LED71/81 179 203 LED, 5100 2.0V 20mA green 1. . . . . . . . . . . . . . . . . . . . . . . . . . . . . . . . . . . . . . . . . . . . . . .
PLG68/48 131 204 CONNECTOR & SOCKETS 1. . . . . . . . . . . . . . . . . . . . . . . . . . . . . . . . . . . . . . . . . . . . . . . . . .
PLG72 131 054 CONNECTOR & SOCKETS 1. . . . . . . . . . . . . . . . . . . . . . . . . . . . . . . . . . . . . . . . . . . . . . . . . . . .
R76,77/86,87 603 856 POTENTIOMETER, WW sltd sft 10/T 2W 10K ohm. . . . . . . . . . . . . . (Wire Feed Speed B/Voltage Control B) 2. . . . . . . . . . . . . . . . . . . . . .
6 S71/81 150 982 SWITCH, PB MC SPDT 6A 125VAC (Press to Set) 1. . . . . . . . . . . . . . . . . . . . . . . . . . . . .
7 153 195 NUT, face 1. . . . . . . . . . . . . . . . . . . . . . . . . . . . . . . . . . . . . . . . . . . . . . . . . . . . . . . . . . . . . . . . . . . . . . . . .
8 150 981 BUTTON, switch black 1. . . . . . . . . . . . . . . . . . . . . . . . . . . . . . . . . . . . . . . . . . . . . . . . . . . . . . . . . . . . . .
097 922 KNOB, pointer 2. . . . . . . . . . . . . . . . . . . . . . . . . . . . . . . . . . . . . . . . . . . . . . . . . . . . . . . . . . . . . . . . . . . . . . . .
see Figure 8-4 For Additional Parts
9 RC8,9 048 282 CONNECTOR w/SOCKETS 1. . . . . . . . . . . . . . . . . . . . . . . . . . . . . . . . . . . . . . . . . . . . . . . . . .
10 S2,3 134 846 SWITCH, tgl SPTT 15A 125VAC (Jog/Purge) 2. . . . . . . . . . . . . . . . . . . . . . . . . . . . . . . . . . . .
11 097 922 KNOB, pointer 2. . . . . . . . . . . . . . . . . . . . . . . . . . . . . . . . . . . . . . . . . . . . . . . . . . . . . . . . . . . . . . . . . . . . .
12 NAMEPLATE, (order by model and serial number) 1. . . . . . . . . . . . . . . . . . . . . . . . . . . . . . . . . . . . . . . . . . . . . .
♦OPTIONAL
To maintain the factory original performance of your equipment, use only Manufacturer’s Suggested
Replacement Parts. Model and serial number required when ordering parts from your local distributor.

OM-1582 Page 30
146 340-B
12
3
10
6
7
8
5
.Hardware is common and
not available unless listed.
9
4
11
Figure 8-4. Control Panel
Description
Part
No.
Dia.
Mkgs.
Item
No. Quantity
Figure 8-4. Control Panel (Fig 8-2 Item 2)
1 S31,32 ♦011 770 SWITCH, tgl SPDT 6A 125VAC (Trigger Hold/Spot) 2. . . . . . . . . . . . . . . . . . . . . . . . . . .
2 PC70 ♦♦150 591 CIRCUIT CARD, option interface 1. . . . . . . . . . . . . . . . . . . . . . . . . . . . . . . . . . . . . . . . . . . .
PLG16,54,76 ♦♦115 093 CONNECTOR & SOCKETS 3. . . . . . . . . . . . . . . . . . . . . . . . . . . . . . . . . . . . . . . . . . .
PLG78,88 ♦♦115 094 CONNECTOR & SOCKETS 2. . . . . . . . . . . . . . . . . . . . . . . . . . . . . . . . . . . . . . . . . . . . . . .
PLG79,89 ♦♦115 091 CONNECTOR & SOCKETS 1. . . . . . . . . . . . . . . . . . . . . . . . . . . . . . . . . . . . . . . . . . . . . . .
PLG80,90 ♦♦135 531 CONNECTOR & PINS 1. . . . . . . . . . . . . . . . . . . . . . . . . . . . . . . . . . . . . . . . . . . . . . . . . . . .
PLG98 ♦♦131 056 CONNECTOR & SOCKETS 1. . . . . . . . . . . . . . . . . . . . . . . . . . . . . . . . . . . . . . . . . . . . . . . . .
3♦♦115 443 STAND-OFF, 6-32 x .750 lg 4. . . . . . . . . . . . . . . . . . . . . . . . . . . . . . . . . . . . . . . . . . . . . . . . . . . . . . .
♦♦♦138 542 SPOT/BURNBACK PREFLOW/POSTFLOW, RH 1. . . . . . . . . . . . . . . . . . . . . . . . . . . . . . . . . . . . .
♦♦♦138 547 SPOT/BURNBACK PREFLOW/POSTFLOW, LH (consisting of) 1. . . . . . . . . . . . . . . . . . . . . . . . .
4 126 689 STAND-OFF, 6-32 x 1.500 lg 2. . . . . . . . . . . . . . . . . . . . . . . . . . . . . . . . . . . . . . . . . . . . . . . . . . . . . . . . .
5 PC30 188 834 CIRCUIT CARD, 4 in 1 timer 1. . . . . . . . . . . . . . . . . . . . . . . . . . . . . . . . . . . . . . . . . . . . . . . . . . .
PLG1,21,31 115 092 CONNECTOR & SOCKETS 3. . . . . . . . . . . . . . . . . . . . . . . . . . . . . . . . . . . . . . . . . . . . . . . .
PLG22,32 135 409 CONNECTOR & PINS 2. . . . . . . . . . . . . . . . . . . . . . . . . . . . . . . . . . . . . . . . . . . . . . . . . . . . . . .
PLG35 115 094 CONNECTOR & SOCKETS 1. . . . . . . . . . . . . . . . . . . . . . . . . . . . . . . . . . . . . . . . . . . . . . . . . . . .
PLG90 131 204 CONNECTOR & SOCKETS 1. . . . . . . . . . . . . . . . . . . . . . . . . . . . . . . . . . . . . . . . . . . . . . . . . . . .
PLG91 115 093 CONNECTOR & SOCKETS 1. . . . . . . . . . . . . . . . . . . . . . . . . . . . . . . . . . . . . . . . . . . . . . . . . . . .
6 093 551 KNOB, pointer 4. . . . . . . . . . . . . . . . . . . . . . . . . . . . . . . . . . . . . . . . . . . . . . . . . . . . . . . . . . . . . . . . . . . . .
7 180 636 PLATE, control 1. . . . . . . . . . . . . . . . . . . . . . . . . . . . . . . . . . . . . . . . . . . . . . . . . . . . . . . . . . . . . . . . . . . . .
8 133 344 PANEL, option 1. . . . . . . . . . . . . . . . . . . . . . . . . . . . . . . . . . . . . . . . . . . . . . . . . . . . . . . . . . . . . . . . . . . . .
120 304 BLANK, snap-in nyl .250mtg hole 2. . . . . . . . . . . . . . . . . . . . . . . . . . . . . . . . . . . . . . . . . . . . . . . . . . . . . . . .
♦♦♦194 679 RUN-IN CONTROL (consisting of) 1. . . . . . . . . . . . . . . . . . . . . . . . . . . . . . . . . . . . . . . . . . . . . . . . . .
153 037 SWITCH, reed 1. . . . . . . . . . . . . . . . . . . . . . . . . . . . . . . . . . . . . . . . . . . . . . . . . . . . . . . . . . . . . . . . . . . . . . . .
079 878 HOUSING 1. . . . . . . . . . . . . . . . . . . . . . . . . . . . . . . . . . . . . . . . . . . . . . . . . . . . . . . . . . . . . . . . . . . . . . . . . . . .
079 535 TERMINAL 1. . . . . . . . . . . . . . . . . . . . . . . . . . . . . . . . . . . . . . . . . . . . . . . . . . . . . . . . . . . . . . . . . . . . . . . . . . .
079 531 CLAMP 1. . . . . . . . . . . . . . . . . . . . . . . . . . . . . . . . . . . . . . . . . . . . . . . . . . . . . . . . . . . . . . . . . . . . . . . . . . . . . .
048 834 CLAMP 1. . . . . . . . . . . . . . . . . . . . . . . . . . . . . . . . . . . . . . . . . . . . . . . . . . . . . . . . . . . . . . . . . . . . . . . . . . . . . .
7 180 636 PLATE, control 1. . . . . . . . . . . . . . . . . . . . . . . . . . . . . . . . . . . . . . . . . . . . . . . . . . . . . . . . . . . . . . . . . . . . .
8 133 344 PANEL, option 1. . . . . . . . . . . . . . . . . . . . . . . . . . . . . . . . . . . . . . . . . . . . . . . . . . . . . . . . . . . . . . . . . . . . .
9 197 153 SPACER, mtg pc board 1. . . . . . . . . . . . . . . . . . . . . . . . . . . . . . . . . . . . . . . . . . . . . . . . . . . . . . . . . . . . .

OM-1582 Page 31
Description
Part
No.
Dia.
Mkgs.
Item
No. Quantity
Figure 8-4. Control Panel (Fig 8-2 Item 2) (Continued)
10 PC80 196 746 CIRCUIT CARD, run-in control 1. . . . . . . . . . . . . . . . . . . . . . . . . . . . . . . . . . . . . . . . . . . . . . . .
11 093 551 KNOB, .125dia shaft w/.125 set screw 1. . . . . . . . . . . . . . . . . . . . . . . . . . . . . . . . . . . . . . . . . . . . . . .
PLG16,54,76,76 115 093 CONNECTOR & SOCKETS 4. . . . . . . . . . . . . . . . . . . . . . . . . . . . . . . . . . . . . . . . . . . .
PLG71,78,88 115 094 CONNECTOR & SOCKETS 3. . . . . . . . . . . . . . . . . . . . . . . . . . . . . . . . . . . . . . . . . . . . . .
PLG79,79,89,100 115 091 CONNECTOR & SOCKETS 4. . . . . . . . . . . . . . . . . . . . . . . . . . . . . . . . . . . . . . . . . . .
PLG80,90,RC100 135 531 CONNECTOR & PINS 3. . . . . . . . . . . . . . . . . . . . . . . . . . . . . . . . . . . . . . . . . . . . . . .
PLG98 131 056 CONNECTOR & SOCKETS 1. . . . . . . . . . . . . . . . . . . . . . . . . . . . . . . . . . . . . . . . . . . . . . . . . . . .
RC70 048 282 RECEPTACLE & SOCKETS 1. . . . . . . . . . . . . . . . . . . . . . . . . . . . . . . . . . . . . . . . . . . . . . . . . . . . . .
120 304 BLANK, snap-in nyl .250mtg hole 6. . . . . . . . . . . . . . . . . . . . . . . . . . . . . . . . . . . . . . . . . . . . . . . . . . . . . . . .
7 180 635 PLATE, control 2. . . . . . . . . . . . . . . . . . . . . . . . . . . . . . . . . . . . . . . . . . . . . . . . . . . . . . . . . . . . . . . . . . . . .
♦Part of Optional 138 542 RH and 138 547 LH Spot/Burnback, Preflow/Postflow
♦♦Part of Optional 172 825 RH and 173 748 LH Digital Dual Schedule
♦♦♦OPTIONAL
To maintain the factory original performance of your equipment, use only Manufacturer’s Suggested
Replacement Parts. Model and serial number required when ordering parts from your local distributor.
See Table 8-1 For
Drive Roll & Wire Guide Kits
.Hardware is common and
not available unless listed.
137 222-P
Figure 8-5. Drive Assembly, Wire

OM-1582 Page 32
Description
Part
No.
Dia.
Mkgs.
Item
No.
Figure 8-5. Drive Assembly, Wire (Fig 8-1 Items 15 & 25)
Quantity
2
Drive
Roll
4
Drive
Roll
1 010 668 SCREW, cap stl sch .250-20 x 1.500 2 4. . . . . . . . . . . . . . . . . . . . . . . . . . . . . . . . . . . . . . . . . . . . . . . .
2 172 075 CARRIER, drive roll w/components 2 4. . . . . . . . . . . . . . . . . . . . . . . . . . . . . . . . . . . . . . . . . . . . . . . . . .
3 149 962 SPACER, carrier drive roll 2 4. . . . . . . . . . . . . . . . . . . . . . . . . . . . . . . . . . . . . . . . . . . . . . . . . . . . . . . . . .
4 149 486 PIN, rotation arm rocker 1 2. . . . . . . . . . . . . . . . . . . . . . . . . . . . . . . . . . . . . . . . . . . . . . . . . . . . . . . . . . .
5 132 750 ARM, pressure 1 2. . . . . . . . . . . . . . . . . . . . . . . . . . . . . . . . . . . . . . . . . . . . . . . . . . . . . . . . . . . . . . . . . . .
6 150 520 SPACER, flat stl .257 ID x .619 OD x .105 1 2. . . . . . . . . . . . . . . . . . . . . . . . . . . . . . . . . . . . . . . . . . . .
7 133 493 RING, retaining ext .250 shaft x .025thk 2 2. . . . . . . . . . . . . . . . . . . . . . . . . . . . . . . . . . . . . . . . . . . . . .
8 133 350 PIN, hinge 1 1. . . . . . . . . . . . . . . . . . . . . . . . . . . . . . . . . . . . . . . . . . . . . . . . . . . . . . . . . . . . . . . . . . . . . . .
9 M1 156 354 MOTOR, gear 1/8hp 24VDC 272RPM (consisting of) 1 1. . . . . . . . . . . . . . . . . . . . . . . . . . . . .
9M1 ♦156 353 MOTOR, gear 1/8hp 24VDC 500RPM (consisting of) 1 1. . . . . . . . . . . . . . . . . . . . . . . . . . .
153 491 KIT, brush replacement (consisting of) 1 1. . . . . . . . . . . . . . . . . . . . . . . . . . . . . . . . . . . . . . . . . . . . . . . . . .
153 492 CAP, brush 2 2. . . . . . . . . . . . . . . . . . . . . . . . . . . . . . . . . . . . . . . . . . . . . . . . . . . . . . . . . . . . . . . . . . . . . . . . .
*153 493 BRUSH, carbon 2 2. . . . . . . . . . . . . . . . . . . . . . . . . . . . . . . . . . . . . . . . . . . . . . . . . . . . . . . . . . . . . . . . . . . .
184 136 KIT, brush holder replacement 1 1. . . . . . . . . . . . . . . . . . . . . . . . . . . . . . . . . . . . . . . . . . . . . . . . . . . . . . . . .
10 155 098 KIT, cover motor gearbox (consisting of) 1 1. . . . . . . . . . . . . . . . . . . . . . . . . . . . . . . . . . . . . . . . . . . . .
153 550 COVER, motor gearbox (consisting of) 1 1. . . . . . . . . . . . . . . . . . . . . . . . . . . . . . . . . . . . . . . . . . . . . . . . . .
155 099 GASKET, cover 1 1. . . . . . . . . . . . . . . . . . . . . . . . . . . . . . . . . . . . . . . . . . . . . . . . . . . . . . . . . . . . . . . . . . . . .
155 100 SCREW, cover 5 5. . . . . . . . . . . . . . . . . . . . . . . . . . . . . . . . . . . . . . . . . . . . . . . . . . . . . . . . . . . . . . . . . . . . . .
154 031 SPACER, locating 2 2. . . . . . . . . . . . . . . . . . . . . . . . . . . . . . . . . . . . . . . . . . . . . . . . . . . . . . . . . . . . . . . . . . . .
133 493 RING, rtng ext .250 shaft grv x .025thk 1 1. . . . . . . . . . . . . . . . . . . . . . . . . . . . . . . . . . . . . . . . . . . . . . . . . .
11 182 414 WASHER, flat 1 1. . . . . . . . . . . . . . . . . . . . . . . . . . . . . . . . . . . . . . . . . . . . . . . . . . . . . . . . . . . . . . . . . . . .
12 182 415 PIN, cotter hair 1 1. . . . . . . . . . . . . . . . . . . . . . . . . . . . . . . . . . . . . . . . . . . . . . . . . . . . . . . . . . . . . . . . . . .
13 137 248 SPRING, indicator 1 1. . . . . . . . . . . . . . . . . . . . . . . . . . . . . . . . . . . . . . . . . . . . . . . . . . . . . . . . . . . . . . . .
14 602 082 SCREW, mach stl rdh 8-32 x .500 1 1. . . . . . . . . . . . . . . . . . . . . . . . . . . . . . . . . . . . . . . . . . . . . . . . . . .
15 602 200 WASHER, lock stl split No. 8 1 1. . . . . . . . . . . . . . . . . . . . . . . . . . . . . . . . . . . . . . . . . . . . . . . . . . . . . . .
16 604 772 WASHER, flat stl SAE No. 8 1 1. . . . . . . . . . . . . . . . . . . . . . . . . . . . . . . . . . . . . . . . . . . . . . . . . . . . . . . .
17 182 156 SPRING, cprsn 2 4. . . . . . . . . . . . . . . . . . . . . . . . . . . . . . . . . . . . . . . . . . . . . . . . . . . . . . . . . . . . . . . . . . .
18 182 155 SPRING 1 2. . . . . . . . . . . . . . . . . . . . . . . . . . . . . . . . . . . . . . . . . . . . . . . . . . . . . . . . . . . . . . . . . . . . . . . . .
19 132 746 BUSHING, spring 1 2. . . . . . . . . . . . . . . . . . . . . . . . . . . . . . . . . . . . . . . . . . . . . . . . . . . . . . . . . . . . . . . . .
20 181 522 SHAFT, spring 1 1. . . . . . . . . . . . . . . . . . . . . . . . . . . . . . . . . . . . . . . . . . . . . . . . . . . . . . . . . . . . . . . . . . . .
21 132 747 CARRIER, shaft 1 1. . . . . . . . . . . . . . . . . . . . . . . . . . . . . . . . . . . . . . . . . . . . . . . . . . . . . . . . . . . . . . . . . .
22 133 739 WASHER, flat buna .375 ID x .625 OD x .062thk 1 1. . . . . . . . . . . . . . . . . . . . . . . . . . . . . . . . . . . . . .
23 183 330 KNOB, w/extension 1 1. . . . . . . . . . . . . . . . . . . . . . . . . . . . . . . . . . . . . . . . . . . . . . . . . . . . . . . . . . . . . . .
24 PC51 ♦♦198 004 CIRCUIT CARD, digital tach (consisting of) 1 1. . . . . . . . . . . . . . . . . . . . . . . . . . . . . . . . .
PLG57 131 204 CONNECTOR & SOCKETS 1 1. . . . . . . . . . . . . . . . . . . . . . . . . . . . . . . . . . . . . . . . . . . . . . . . . . .
604 311 GROMMET, rbr .250 ID x .375mtg hole .062 groove 1 1. . . . . . . . . . . . . . . . . . . . . . . . . . . . . . . . . . . . . .
PLG58 131 203 CONNECTOR & PINS 1 1. . . . . . . . . . . . . . . . . . . . . . . . . . . . . . . . . . . . . . . . . . . . . . . . . . . . . . . .
25 ♦♦132 611 OPTICAL ENCODER DISC 1 1. . . . . . . . . . . . . . . . . . . . . . . . . . . . . . . . . . . . . . . . . . . . . . . . . . . . .
26 167 387 SPACER, locating 2 2. . . . . . . . . . . . . . . . . . . . . . . . . . . . . . . . . . . . . . . . . . . . . . . . . . . . . . . . . . . . . . . . .
27 168 825 DRIVE, pinion 1 1. . . . . . . . . . . . . . . . . . . . . . . . . . . . . . . . . . . . . . . . . . . . . . . . . . . . . . . . . . . . . . . . . . . .
28 133 308 RING, retaining ext .375 shaft x .025thk 1 1. . . . . . . . . . . . . . . . . . . . . . . . . . . . . . . . . . . . . . . . . . . . . .
29 134 834 HOSE, SAE .187 ID x .410 OD (order by ft) 2ft 2ft. . . . . . . . . . . . . . . . . . . . . . . . . . . . . . . . . . . . . . .
30 149 959 FITTING, brs barbed M 3/16tbg x .312-24 1 1. . . . . . . . . . . . . . . . . . . . . . . . . . . . . . . . . . . . . . . . . . . .
31 179 265 ADAPTER, gun/feeder LH 1 1. . . . . . . . . . . . . . . . . . . . . . . . . . . . . . . . . . . . . . . . . . . . . . . . . . . . . . . . .
31 179 264 ADAPTER, gun/feeder RH 1 1. . . . . . . . . . . . . . . . . . . . . . . . . . . . . . . . . . . . . . . . . . . . . . . . . . . . . . . . .
32 108 940 SCREW, cap stl hexhd .250-20 x .750 4 4. . . . . . . . . . . . . . . . . . . . . . . . . . . . . . . . . . . . . . . . . . . . . . .
33 604 538 WASHER, flat stl SAE .312 1 1. . . . . . . . . . . . . . . . . . . . . . . . . . . . . . . . . . . . . . . . . . . . . . . . . . . . . . . . .
34 151 437 KNOB, plstc T 1.125 lg x .312-18 x 1.500 1 1. . . . . . . . . . . . . . . . . . . . . . . . . . . . . . . . . . . . . . . . . . . .
35 151 290 SCREW, mach stl hexwhd 10-32 x .500 2 2. . . . . . . . . . . . . . . . . . . . . . . . . . . . . . . . . . . . . . . . . . . . . .
36 179 277 COVER, drive roll (consisting of) 1 1. . . . . . . . . . . . . . . . . . . . . . . . . . . . . . . . . . . . . . . . . . . . . . . . . . . .
178 937 LABEL, warning electric shock 1 1. . . . . . . . . . . . . . . . . . . . . . . . . . . . . . . . . . . . . . . . . . . . . . . . . . . . . . . . .
37 601 872 NUT, stl hex full fnsh .375-16 1 1. . . . . . . . . . . . . . . . . . . . . . . . . . . . . . . . . . . . . . . . . . . . . . . . . . . . . . .
38 602 213 WASHER, lock stl split .375 1 1. . . . . . . . . . . . . . . . . . . . . . . . . . . . . . . . . . . . . . . . . . . . . . . . . . . . . . . .
39 602 243 WASHER, flat stl std .375 1 1. . . . . . . . . . . . . . . . . . . . . . . . . . . . . . . . . . . . . . . . . . . . . . . . . . . . . . . . . .
40 601 966 SCREW, cap stl hexhd .375-16 x 1.250 1 1. . . . . . . . . . . . . . . . . . . . . . . . . . . . . . . . . . . . . . . . . . . . . .
♦Optional High Speed Motor
*Recommended Spare Parts.
♦♦Part of Optional Tach
To maintain the factory original performance of your equipment, use only Manufacturer’s Suggested
Replacement Parts. Model and serial number required when ordering parts from your local distributor.

OM-1582 Page 33
.023-.025 in. 0.6 mm 151 030 151 024 087 130
.030 in. 0.8 mm 151 031 151 025 053 695
.035 in. 0.9 mm 151 032 151 026 053 700 151 044 151 036 072 000 151 061 151 052 132 958
.045 in. 1.1/1.2 mm 151 033 151 027 053 697 151 045 151 037 053 701 151 062 151 053 132 957 151 077 151 070 083 489
.052 in. 1.3/1.4 mm 151 034 151 028 053 698 151 046 151 038 053 702 151 063 151 054 132 956 151 078 151 071 083 490
1/16 in. 1.6 mm 151 035 151 029 053 699 151 047 151 039 053 706 151 064 151 055 132 955 151 079 151 072 053 708
(.062 in.)
.068-.072 in. 1.8 mm 151 065 151 056 132 959
5/64 in. 2.0 mm 151 048 151 040 053 704 151 066 151 057 132 960 151 080 151 073 053 710
(.079 in.)
3/32 in.
(.094 in.) 2.4 mm 151 049 151 041 053 703 151 067 151 058 132 961 151 081 151 074 053 709
7/64 in.
(.110 in.) 2.8 mm 151 050 151 042 053 705 151 068 132 962 151 082 151 075 053 711151 059
1/8 in.
(.125 in.) 3.2 mm 151 051 151 043 053 707 151 069 151 060 132 963 151 083 151 076 053 712
Fraction Metric
Wire Size V-GROOVE
2 Roll 4 Roll
U-GROOVE VK-GROOVE UC-GROOVE
Drive
Roll 2 Roll 4 Roll Drive
Roll 2 Roll 4 Roll Drive
Roll 2 Roll 4 Roll Drive
Roll
Each Kit Contains An Inlet Guide, Intermediate Guide, And 045 233 Antiwear Guide w/604 612 Setscrew 8-32 x .125, along with 2 Or 4 Drive Rolls
Table 8-1. Drive Roll And Wire Guide Kits
Inlet
Guide
150 993
150 993
150 993
150 994
150 994
150 995
150 995
150 995
150 996
150 996
150 997
Intermediate
Guide
149 518
149 518
149 518
149 519
149 519
149 520
149 520
149 520
149 521
149 521
149 522
2 Kits Required for D-62 & D-64
S-0527-C
Kit Kit Kit Kit Kit Kit Kit Kit
.040 in. 1.0 mm 161 189 161 190150 993 149 518

OM-1582 Page 34
Notes

Warranty Questions?
Call
1-800-4-A-MILLER
for your local
Miller distributor.
miller_warr 7/00
Your distributor also gives
you ...
Service
You always get the fast,
reliable response you
need. Most replacement
parts can be in your
hands in 24 hours.
Support
Need fast answers to the
tough welding questions?
Contact your distributor.
The expertise of the
distributor and Miller is
there to help you, every
step of the way.
Effective January 1, 2000
(Equipment with a serial number preface of “LA” or newer)
This limited warranty supersedes all previous Miller warranties and is exclusive with no other
guarantees or warranties expressed or implied.
LIMITED WARRANTY – Subject to the terms and conditions
below, Miller Electric Mfg. Co., Appleton, Wisconsin, warrants
to its original retail purchaser that new Miller equipment sold
after the effective date of this limited warranty is free of defects
in material and workmanship at the time it is shipped by Miller.
THIS WARRANTY IS EXPRESSLY IN LIEU OF ALL OTHER
WARRANTIES, EXPRESS OR IMPLIED, INCLUDING THE
WARRANTIES OF MERCHANTABILITY AND FITNESS.
Within the warranty periods listed below, Miller will repair or
replace any warranted parts or components that fail due to
such defects in material or workmanship. Miller must be
notified in writing within thirty (30) days of such defect or
failure, at which time Miller will provide instructions on the
warranty claim procedures to be followed.
Miller shall honor warranty claims on warranted equipment
listed below in the event of such a failure within the warranty
time periods. All warranty time periods start on the date that
the equipment was delivered to the original retail purchaser, or
one year after the equipment is sent to a North American
distributor or eighteen months after the equipment is sent to an
International distributor.
1. 5 Years Parts – 3 Years Labor
* Original main power rectifiers
* Inverters (input and output rectifiers only)
2. 3 Years — Parts and Labor
* Transformer/Rectifier Power Sources
* Plasma Arc Cutting Power Sources
* Semi-Automatic and Automatic Wire Feeders
* Inverter Power Supplies
* Intellitig
* Engine Driven Welding Generators
(NOTE: Engines are warranted separately by
the engine manufacturer.)
3. 1 Year — Parts and Labor
* DS-2 Wire Feeder
* Motor Driven Guns (w/exception of Spoolmate
185 & Spoolmate 250)
* Process Controllers
* Positioners and Controllers
* Automatic Motion Devices
* RFCS Foot Controls
* Induction Heating Power Sources
* Water Coolant Systems
* HF Units
* Grids
* Maxstar 140
* Spot Welders
* Load Banks
* Miller Cyclomatic Equipment
* Running Gear/Trailers
* Plasma Cutting Torches (except APT & SAF
Models)
* Field Options
(NOTE: Field options are covered under True
Blue for the remaining warranty period of the
product they are installed in, or for a minimum of
one year — whichever is greater.)
4. 6 Months — Batteries
5. 90 Days — Parts
* MIG Guns/TIG Torches
* Induction Heating Coils and Blankets
* APT, ZIPCUT & PLAZCUT Model Plasma Cutting
Torches
* Remote Controls
* Accessory Kits
* Replacement Parts (No labor)
* Spoolmate 185 & Spoolmate 250
* Canvas Covers
Miller’s True Blue Limited Warranty shall not apply to:
1. Consumable components; such as contact tips,
cutting nozzles, contactors, brushes, slip rings,
relays or parts that fail due to normal wear.
2. Items furnished by Miller, but manufactured by others,
such as engines or trade accessories. These items are
covered by the manufacturer’s warranty, if any.
3. Equipment that has been modified by any party other
than Miller, or equipment that has been improperly
installed, improperly operated or misused based upon
industry standards, or equipment which has not had
reasonable and necessary maintenance, or equipment
which has been used for operation outside of the
specifications for the equipment.
MILLER PRODUCTS ARE INTENDED FOR PURCHASE
AND USE BY COMMERCIAL/INDUSTRIAL USERS AND
PERSONS TRAINED AND EXPERIENCED IN THE USE
AND MAINTENANCE OF WELDING EQUIPMENT.
In the event of a warranty claim covered by this warranty, the
exclusive remedies shall be, at Miller’s option: (1) repair; or (2)
replacement; or, where authorized in writing by Miller in
appropriate cases, (3) the reasonable cost of repair or
replacement at an authorized Miller service station; or (4)
payment of or credit for the purchase price (less reasonable
depreciation based upon actual use) upon return of the goods
at customer’s risk and expense. Miller’s option of repair or
replacement will be F.O.B., Factory at Appleton, Wisconsin, or
F.O.B. at a Miller authorized service facility as determined by
Miller. Therefore no compensation or reimbursement for
transportation costs of any kind will be allowed.
TO THE EXTENT PERMITTED BY LAW, THE REMEDIES
PROVIDED HEREIN ARE THE SOLE AND EXCLUSIVE
REMEDIES. IN NO EVENT SHALL MILLER BE LIABLE FOR
DIRECT, INDIRECT, SPECIAL, INCIDENTAL OR
CONSEQUENTIAL DAMAGES (INCLUDING LOSS OF
PROFIT), WHETHER BASED ON CONTRACT, TORT OR
ANY OTHER LEGAL THEORY.
ANY EXPRESS WARRANTY NOT PROVIDED HEREIN
AND ANY IMPLIED WARRANTY, GUARANTY OR
REPRESENTATION AS TO PERFORMANCE, AND ANY
REMEDY FOR BREACH OF CONTRACT TORT OR ANY
OTHER LEGAL THEORY WHICH, BUT FOR THIS
PROVISION, MIGHT ARISE BY IMPLICATION,
OPERATION OF LAW, CUSTOM OF TRADE OR COURSE
OF DEALING, INCLUDING ANY IMPLIED WARRANTY OF
MERCHANTABILITY OR FITNESS FOR PARTICULAR
PURPOSE, WITH RESPECT TO ANY AND ALL
EQUIPMENT FURNISHED BY MILLER IS EXCLUDED AND
DISCLAIMED BY MILLER.
Some states in the U.S.A. do not allow limitations of how long
an implied warranty lasts, or the exclusion of incidental,
indirect, special or consequential damages, so the above
limitation or exclusion may not apply to you. This warranty
provides specific legal rights, and other rights may be
available, but may vary from state to state.
In Canada, legislation in some provinces provides for certain
additional warranties or remedies other than as stated herein,
and to the extent that they may not be waived, the limitations
and exclusions set out above may not apply. This Limited
Warranty provides specific legal rights, and other rights may
be available, but may vary from province to province.

PRINTED IN USA 2000 Miller Electric Mfg. Co. 6/00
Miller Electric Mfg. Co.
An Illinois Tool Works Company
1635 West Spencer Street
Appleton, WI 54914 USA
International Headquarters–USA
USA Phone: 920-735-4505 Auto-Attended
USA & Canada FAX: 920-735-4134
International FAX: 920-735-4125
European Headquarters –
United Kingdom
Phone: 44 (0) 1204-593493
FAX: 44 (0) 1204-598066
www.MillerWelds.com
Model Name Serial/Style Number
Purchase Date (Date which equipment was delivered to original customer.)
Distributor
Address
City
State Zip
Please complete and retain with your personal records.
Always provide Model Name and Serial/Style Number.
Call 1-800-4-A-Miller or see our website at www.MillerWelds.com
to locate a DISTRIBUTOR or SERVICE AGENCY near you.
Welding Supplies and Consumables
Options and Accessories
Personal Safety Equipment
Service and Repair
Replacement Parts
Training (Schools, Videos, Books)
Technical Manuals (Servicing Information
and Parts)
Circuit Diagrams
Welding Process Handbooks
Contact the Delivering Carrier for:
For assistance in filing or settling claims,
contact your distributor and/or equipment
manufacturer’s Transportation Department.
For Service
Owner’s Record
File a claim for loss or damage during
shipment.
Contact your Distributor for: