Miller Electric Hf 251 2 Users Manual O611u_mil
HF-251D-1 to the manual cef90486-c5af-4d5d-b9a4-0ee513639633
2015-02-02
: Miller-Electric Miller-Electric-Hf-251-2-Users-Manual-437396 miller-electric-hf-251-2-users-manual-437396 miller-electric pdf
Open the PDF directly: View PDF
.
Page Count: 40

HF-251D-1 And HF-251-2
Processes
Description
TIG (GTAW) Welding
OM-611 096 556U
January 2004
High Frequency Arc Starter
Visit our website at
www.MillerWelds.com

Miller Electric manufactures a full line
of welders and welding related equipment.
For information on other quality Miller
products, contact your local Miller distributor to receive the latest full
line catalog or individual catalog sheets. To locate your nearest
distributor or service agency call 1-800-4-A-Miller, or visit us at
www.MillerWelds.com on the web.
Thank you and congratulations on choosing Miller. Now you can get
the job done and get it done right. We know you don’t have time to do
it any other way.
That’s why when Niels Miller first started building arc welders in 1929,
he made sure his products offered long-lasting value and superior
quality. Like you, his customers couldn’t afford anything less. Miller
products had to be more than the best they could be. They had to be the
best you could buy.
Today, the people that build and sell Miller products continue the
tradition. They’re just as committed to providing equipment and service
that meets the high standards of quality and value established in 1929.
This Owner’s Manual is designed to help you get the most out of your
Miller products. Please take time to read the Safety precautions. They
will help you protect yourself against potential hazards on the worksite.
We’ve made installation and operation quick
and easy. With Miller you can count on years
of reliable service with proper maintenance.
And if for some reason the unit needs repair,
there’s a Troubleshooting section that will
help you figure out what the problem is. The
parts list will then help you to decide the
exact part you may need to fix the problem.
Warranty and service information for your
particular model are also provided.
Miller is the first welding
equipment manufacturer in
the U.S.A. to be registered to
the ISO 9001:2000 Quality
System Standard.
Working as hard as you do
− every power source from
Miller is backed by the most
hassle-free warranty in the
business.
From Miller to You
Mil_Thank 7/03

TABLE OF CONTENTS
SECTION 1 − SAFETY PRECAUTIONS - READ BEFORE USING 1 . . . . . . . . . . . . . . . . . . . . . . . . . . . . . . . . . . .
1-1. Symbol Usage 1 . . . . . . . . . . . . . . . . . . . . . . . . . . . . . . . . . . . . . . . . . . . . . . . . . . . . . . . . . . . . . . . . . . . . . . . .
1-2. Arc Welding Hazards 1 . . . . . . . . . . . . . . . . . . . . . . . . . . . . . . . . . . . . . . . . . . . . . . . . . . . . . . . . . . . . . . . . . .
1-3. Additional Symbols For Installation, Operation, And Maintenance 3 . . . . . . . . . . . . . . . . . . . . . . . . . . . . .
1-4. California Proposition 65 Warnings 3 . . . . . . . . . . . . . . . . . . . . . . . . . . . . . . . . . . . . . . . . . . . . . . . . . . . . . . .
1-5. Principal Safety Standards 4 . . . . . . . . . . . . . . . . . . . . . . . . . . . . . . . . . . . . . . . . . . . . . . . . . . . . . . . . . . . . .
1-6. EMF Information 4 . . . . . . . . . . . . . . . . . . . . . . . . . . . . . . . . . . . . . . . . . . . . . . . . . . . . . . . . . . . . . . . . . . . . . .
SECTION 2 − CONSIGNES DE SÉCURITÉ − À LIRE AVANT UTILISATION 5 . . . . . . . . . . . . . . . . . . . . . . . . . .
2-1. Signification des symboles 5 . . . . . . . . . . . . . . . . . . . . . . . . . . . . . . . . . . . . . . . . . . . . . . . . . . . . . . . . . . . . .
2-2. Dangers relatifs au soudage à l’arc 5 . . . . . . . . . . . . . . . . . . . . . . . . . . . . . . . . . . . . . . . . . . . . . . . . . . . . . .
2-3. Autres symboles relatifs à l’installation, au fonctionnement et à l’entretien de l’appareil. 7 . . . . . . . . . . .
2-4. Principales normes de sécurité 8 . . . . . . . . . . . . . . . . . . . . . . . . . . . . . . . . . . . . . . . . . . . . . . . . . . . . . . . . . .
2-5. Information sur les champs électromagnétiques 8 . . . . . . . . . . . . . . . . . . . . . . . . . . . . . . . . . . . . . . . . . . . .
SECTION 3 − INSTALLATION 9 . . . . . . . . . . . . . . . . . . . . . . . . . . . . . . . . . . . . . . . . . . . . . . . . . . . . . . . . . . . . . . . . . .
3-1. Specifications 9 . . . . . . . . . . . . . . . . . . . . . . . . . . . . . . . . . . . . . . . . . . . . . . . . . . . . . . . . . . . . . . . . . . . . . . . .
3-2. Typical Process Connections 9 . . . . . . . . . . . . . . . . . . . . . . . . . . . . . . . . . . . . . . . . . . . . . . . . . . . . . . . . . . .
3-3. Installing Gas Supply 10 . . . . . . . . . . . . . . . . . . . . . . . . . . . . . . . . . . . . . . . . . . . . . . . . . . . . . . . . . . . . . . . . . .
3-4. Power Source Plug Information And Connections 11 . . . . . . . . . . . . . . . . . . . . . . . . . . . . . . . . . . . . . . . . . .
3-5. Operator Control Receptacle Information And Connections 12 . . . . . . . . . . . . . . . . . . . . . . . . . . . . . . . . . .
3-6. Operator Control Receptacle Socket Information 12 . . . . . . . . . . . . . . . . . . . . . . . . . . . . . . . . . . . . . . . . . . .
3-7. Connecting To Weld Output Terminals 13 . . . . . . . . . . . . . . . . . . . . . . . . . . . . . . . . . . . . . . . . . . . . . . . . . . . .
3-8. Connecting Input Power 14 . . . . . . . . . . . . . . . . . . . . . . . . . . . . . . . . . . . . . . . . . . . . . . . . . . . . . . . . . . . . . . . .
SECTION 4 − OPERATION 15 . . . . . . . . . . . . . . . . . . . . . . . . . . . . . . . . . . . . . . . . . . . . . . . . . . . . . . . . . . . . . . . . . . . .
4-1. Controls 15 . . . . . . . . . . . . . . . . . . . . . . . . . . . . . . . . . . . . . . . . . . . . . . . . . . . . . . . . . . . . . . . . . . . . . . . . . . . . .
4-2. High Frequency Switch 15 . . . . . . . . . . . . . . . . . . . . . . . . . . . . . . . . . . . . . . . . . . . . . . . . . . . . . . . . . . . . . . . .
4-3. High Frequency Selector Switch 15 . . . . . . . . . . . . . . . . . . . . . . . . . . . . . . . . . . . . . . . . . . . . . . . . . . . . . . . . .
4-4. High Frequency Intensity Control 16 . . . . . . . . . . . . . . . . . . . . . . . . . . . . . . . . . . . . . . . . . . . . . . . . . . . . . . . .
4-5. Power Switch And Pilot Light 16 . . . . . . . . . . . . . . . . . . . . . . . . . . . . . . . . . . . . . . . . . . . . . . . . . . . . . . . . . . . .
4-6. Postflow Timer 16 . . . . . . . . . . . . . . . . . . . . . . . . . . . . . . . . . . . . . . . . . . . . . . . . . . . . . . . . . . . . . . . . . . . . . . .
4-7. Shielding Gas 16 . . . . . . . . . . . . . . . . . . . . . . . . . . . . . . . . . . . . . . . . . . . . . . . . . . . . . . . . . . . . . . . . . . . . . . . .
SECTION 5 − MAINTENANCE & TROUBLESHOOTING 17 . . . . . . . . . . . . . . . . . . . . . . . . . . . . . . . . . . . . . . . . . . .
5-1. Routine Maintenance 17 . . . . . . . . . . . . . . . . . . . . . . . . . . . . . . . . . . . . . . . . . . . . . . . . . . . . . . . . . . . . . . . . . .
5-2. Adjusting Spark Gaps 18 . . . . . . . . . . . . . . . . . . . . . . . . . . . . . . . . . . . . . . . . . . . . . . . . . . . . . . . . . . . . . . . . .
5-3. Troubleshooting 19 . . . . . . . . . . . . . . . . . . . . . . . . . . . . . . . . . . . . . . . . . . . . . . . . . . . . . . . . . . . . . . . . . . . . . .
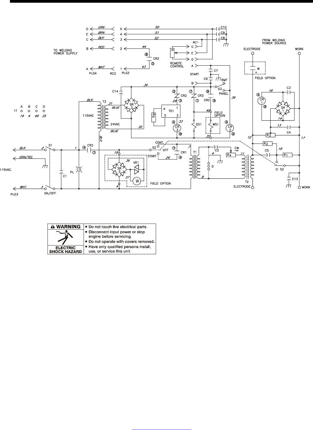
SECTION 6 − ELECTRICAL DIAGRAMS 20 . . . . . . . . . . . . . . . . . . . . . . . . . . . . . . . . . . . . . . . . . . . . . . . . . . . . . . . .
SECTION 7 − HIGH FREQUENCY 22 . . . . . . . . . . . . . . . . . . . . . . . . . . . . . . . . . . . . . . . . . . . . . . . . . . . . . . . . . . . . . .
7-1. Welding Processes Requiring High Frequency 22 . . . . . . . . . . . . . . . . . . . . . . . . . . . . . . . . . . . . . . . . . . . . .
7-2. Incorrect Installation 22 . . . . . . . . . . . . . . . . . . . . . . . . . . . . . . . . . . . . . . . . . . . . . . . . . . . . . . . . . . . . . . . . . . .
7-3. Correct Installation 23 . . . . . . . . . . . . . . . . . . . . . . . . . . . . . . . . . . . . . . . . . . . . . . . . . . . . . . . . . . . . . . . . . . . .
SECTION 8 − SELECTING AND PREPARING TUNGSTEN ELECTRODE FOR DC OR AC WELDING 24 . . . .
8-1. Selecting Tungsten Electrode (Wear Clean gloves To Prevent Contamination Of Tungsten) 24 . . . . . . . .
8-2. Preparing Tungsten Electrode For Welding 25 . . . . . . . . . . . . . . . . . . . . . . . . . . . . . . . . . . . . . . . . . . . . . . . .
SECTION 9 − GUIDELINES FOR TIG WELDING (GTAW) 25 . . . . . . . . . . . . . . . . . . . . . . . . . . . . . . . . . . . . . . . . . .
9-1. Positioning The Torch 25 . . . . . . . . . . . . . . . . . . . . . . . . . . . . . . . . . . . . . . . . . . . . . . . . . . . . . . . . . . . . . . . . . .
9-2. Torch Movement During Welding 26 . . . . . . . . . . . . . . . . . . . . . . . . . . . . . . . . . . . . . . . . . . . . . . . . . . . . . . . .
9-3. Positioning Torch Tungsten For Various Weld Joints 26 . . . . . . . . . . . . . . . . . . . . . . . . . . . . . . . . . . . . . . . .
SECTION 10 − PARTS LIST 28 . . . . . . . . . . . . . . . . . . . . . . . . . . . . . . . . . . . . . . . . . . . . . . . . . . . . . . . . . . . . . . . . . . .
OPTIONS AND ACCESSORIES
WARRANTY


OM-611 Page 1
Return To Table Of Contents
SECTION 1 − SAFETY PRECAUTIONS - READ BEFORE USING
som _8/03
1-1. Symbol Usage
Means Warning! Watch Out! There are possible hazards
with this procedure! The possible hazards are shown in
the adjoining symbols.
YMarks a special safety message.
.Means “Note”; not safety related.
This group of symbols means Warning! Watch Out! possible
ELECTRIC SHOCK, MOVING PARTS, and HOT PARTS hazards.
Consult symbols and related instructions below for necessary actions
to avoid the hazards.
1-2. Arc Welding Hazards
YThe symbols shown below are used throughout this manual to
call attention to and identify possible hazards. When you see
the symbol, watch out, and follow the related instructions to
avoid the hazard. The safety information given below is only
a summary of the more complete safety information found in
the Safety Standards listed in Section 1-5. Read and follow all
Safety Standards.
YOnly qualified persons should install, operate, maintain, and
repair this unit.
YDuring operation, keep everybody, especially children, away.
ELECTRIC SHOCK can kill.
Touching live electrical parts can cause fatal shocks
or severe burns. The electrode and work circuit is
electrically live whenever the output is on. The input
power circuit and machine internal circuits are also
live when power is on. In semiautomatic or automatic wire welding, the
wire, wire reel, drive roll housing, and all metal parts touching the
welding wire are electrically live. Incorrectly installed or improperly
grounded equipment is a hazard.
DDo not touch live electrical parts.
DWear dry, hole-free insulating gloves and body protection.
DInsulate yourself from work and ground using dry insulating mats
or covers big enough to prevent any physical contact with the work
or ground.
DDo not use AC output in damp areas, if movement is confined, or if
there is a danger of falling.
DUse AC output ONLY if required for the welding process.
DIf AC output is required, use remote output control if present on
unit.
DDisconnect input power or stop engine before installing or
servicing this equipment. Lockout/tagout input power according to
OSHA 29 CFR 1910.147 (see Safety Standards).
DProperly install and ground this equipment according to its
Owner’s Manual and national, state, and local codes.
DAlways verify the supply ground − check and be sure that input
power cord ground wire is properly connected to ground terminal in
disconnect box or that cord plug is connected to a properly
grounded receptacle outlet.
DWhen making input connections, attach proper grounding conduc-
tor first − double-check connections.
DFrequently inspect input power cord for damage or bare wiring −
replace cord immediately if damaged − bare wiring can kill.
DTurn off all equipment when not in use.
DDo not use worn, damaged, undersized, or poorly spliced cables.
DDo not drape cables over your body.
DIf earth grounding of the workpiece is required, ground it directly
with a separate cable.
DDo not touch electrode if you are in contact with the work, ground,
or another electrode from a different machine.
DUse only well-maintained equipment. Repair or replace damaged
parts at once. Maintain unit according to manual.
DWear a safety harness if working above floor level.
DKeep all panels and covers securely in place.
DClamp work cable with good metal-to-metal contact to workpiece
or worktable as near the weld as practical.
DInsulate work clamp when not connected to workpiece to prevent
contact with any metal object.
DDo not connect more than one electrode or work cable to any
single weld output terminal.
SIGNIFICANT DC VOLTAGE exists after removal of
input power on inverters.
DTurn Off inverter, disconnect input power, and discharge input
capacitors according to instructions in Maintenance Section
before touching any parts.
Welding produces fumes and gases. Breathing
these fumes and gases can be hazardous to your
health.
FUMES AND GASES can be hazardous.
DKeep your head out of the fumes. Do not breathe the fumes.
DIf inside, ventilate the area and/or use exhaust at the arc to remove
welding fumes and gases.
DIf ventilation is poor, use an approved air-supplied respirator.
DRead the Material Safety Data Sheets (MSDSs) and the
manufacturer’s instructions for metals, consumables, coatings,
cleaners, and degreasers.
DWork in a confined space only if it is well ventilated, or while
wearing an air-supplied respirator. Always have a trained watch-
person nearby. Welding fumes and gases can displace air and
lower the oxygen level causing injury or death. Be sure the breath-
ing air is safe.
DDo not weld in locations near degreasing, cleaning, or spraying op-
erations. The heat and rays of the arc can react with vapors to form
highly toxic and irritating gases.
DDo not weld on coated metals, such as galvanized, lead, or
cadmium plated steel, unless the coating is removed from the weld
area, the area is well ventilated, and if necessary, while wearing an
air-supplied respirator. The coatings and any metals containing
these elements can give off toxic fumes if welded.

OM-611 Page 2 Return To Table Of Contents
Arc rays from the welding process produce intense
visible and invisible (ultraviolet and infrared) rays
that can burn eyes and skin. Sparks fly off from the
weld.
ARC RAYS can burn eyes and skin.
DWear a welding helmet fitted with a proper shade of filter to protect
your face and eyes when welding or watching (see ANSI Z49.1
and Z87.1 listed in Safety Standards).
DWear approved safety glasses with side shields under your
helmet.
DUse protective screens or barriers to protect others from flash and
glare; warn others not to watch the arc.
DWear protective clothing made from durable, flame-resistant mate-
rial (leather and wool) and foot protection.
Welding on closed containers, such as tanks,
drums, or pipes, can cause them to blow up. Sparks
can fly off from the welding arc. The flying sparks, hot
workpiece, and hot equipment can cause fires and
burns. Accidental contact of electrode to metal objects can cause
sparks, explosion, overheating, or fire. Check and be sure the area is
safe before doing any welding.
WELDING can cause fire or explosion.
DProtect yourself and others from flying sparks and hot metal.
DDo not weld where flying sparks can strike flammable material.
DRemove all flammables within 35 ft (10.7 m) of the welding arc. If
this is not possible, tightly cover them with approved covers.
DBe alert that welding sparks and hot materials from welding can
easily go through small cracks and openings to adjacent areas.
DWatch for fire, and keep a fire extinguisher nearby.
DBe aware that welding on a ceiling, floor, bulkhead, or partition can
cause fire on the hidden side.
DDo not weld on closed containers such as tanks, drums, or pipes,
unless they are properly prepared according to AWS F4.1 (see
Safety Standards).
DConnect work cable to the work as close to the welding area as
practical to prevent welding current from traveling long, possibly
unknown paths and causing electric shock and fire hazards.
DDo not use welder to thaw frozen pipes.
DRemove stick electrode from holder or cut off welding wire at
contact tip when not in use.
DWear oil-free protective garments such as leather gloves, heavy
shirt, cuffless trousers, high shoes, and a cap.
DRemove any combustibles, such as a butane lighter or matches,
from your person before doing any welding.
FLYING METAL can injure eyes.
DWelding, chipping, wire brushing, and grinding
cause sparks and flying metal. As welds cool,
they can throw off slag.
DWear approved safety glasses with side
shields even under your welding helmet.
BUILDUP OF GAS can injure or kill.
DShut off shielding gas supply when not in use.
DAlways ventilate confined spaces or use
approved air-supplied respirator.
HOT PARTS can cause severe burns.
DDo not touch hot parts bare handed.
DAllow cooling period before working on gun or
torch.
MAGNETIC FIELDS can affect pacemakers.
DPacemaker wearers keep away.
DWearers should consult their doctor before
going near arc welding, gouging, or spot
welding operations.
NOISE can damage hearing.
Noise from some processes or equipment can
damage hearing.
DWear approved ear protection if noise level is
high.
Shielding gas cylinders contain gas under high
pressure. If damaged, a cylinder can explode. Since
gas cylinders are normally part of the welding
process, be sure to treat them carefully.
CYLINDERS can explode if damaged.
DProtect compressed gas cylinders from excessive heat, mechani-
cal shocks, slag, open flames, sparks, and arcs.
DInstall cylinders in an upright position by securing to a stationary
support or cylinder rack to prevent falling or tipping.
DKeep cylinders away from any welding or other electrical circuits.
DNever drape a welding torch over a gas cylinder.
DNever allow a welding electrode to touch any cylinder.
DNever weld on a pressurized cylinder − explosion will result.
DUse only correct shielding gas cylinders, regulators, hoses, and fit-
tings designed for the specific application; maintain them and
associated parts in good condition.
DTurn face away from valve outlet when opening cylinder valve.
DKeep protective cap in place over valve except when cylinder is in
use or connected for use.
DRead and follow instructions on compressed gas cylinders,
associated equipment, and CGA publication P-1 listed in Safety
Standards.

OM-611 Page 3
Return To Table Of Contents
1-3. Additional Symbols For Installation, Operation, And Maintenance
FIRE OR EXPLOSION hazard.
DDo not install or place unit on, over, or near
combustible surfaces.
DDo not install unit near flammables.
DDo not overload building wiring − be sure power supply system is
properly sized, rated, and protected to handle this unit.
FALLING UNIT can cause injury.
DUse lifting eye to lift unit only, NOT running
gear, gas cylinders, or any other accessories.
DUse equipment of adequate capacity to lift and
support unit.
DIf using lift forks to move unit, be sure forks are
long enough to extend beyond opposite side of
unit.
OVERUSE can cause OVERHEATING
DAllow cooling period; follow rated duty cycle.
DReduce current or reduce duty cycle before
starting to weld again.
DDo not block or filter airflow to unit.
STATIC (ESD) can damage PC boards.
DPut on grounded wrist strap BEFORE handling
boards or parts.
DUse proper static-proof bags and boxes to
store, move, or ship PC boards.
MOVING PARTS can cause injury.
DKeep away from moving parts.
DKeep away from pinch points such as drive
rolls.
WELDING WIRE can cause injury.
DDo not press gun trigger until instructed to do
so.
DDo not point gun toward any part of the body,
other people, or any metal when threading
welding wire.
MOVING PARTS can cause injury.
DKeep away from moving parts such as fans.
DKeep all doors, panels, covers, and guards
closed and securely in place.
H.F. RADIATION can cause interference.
DHigh-frequency (H.F.) can interfere with radio
navigation, safety services, computers, and
communications equipment.
DHave only qualified persons familiar with
electronic equipment perform this installation.
DThe user is responsible for having a qualified electrician prompt-
ly correct any interference problem resulting from the installa-
tion.
DIf notified by the FCC about interference, stop using the
equipment at once.
DHave the installation regularly checked and maintained.
DKeep high-frequency source doors and panels tightly shut, keep
spark gaps at correct setting, and use grounding and shielding to
minimize the possibility of interference.
ARC WELDING can cause interference.
DElectromagnetic energy can interfere with
sensitive electronic equipment such as
computers and computer-driven equipment
such as robots.
DBe sure all equipment in the welding area is
electromagnetically compatible.
DTo reduce possible interference, keep weld cables as short as
possible, close together, and down low, such as on the floor.
DLocate welding operation 100 meters from any sensitive elec-
tronic equipment.
DBe sure this welding machine is installed and grounded
according to this manual.
DIf interference still occurs, the user must take extra measures
such as moving the welding machine, using shielded cables,
using line filters, or shielding the work area.
1-4. California Proposition 65 Warnings
YWelding or cutting equipment produces fumes or gases which
contain chemicals known to the State of California to cause
birth defects and, in some cases, cancer. (California Health &
Safety Code Section 25249.5 et seq.)
YBattery posts, terminals and related accessories contain lead
and lead compounds, chemicals known to the State of
California to cause cancer and birth defects or other
reproductive harm. Wash hands after handling.
For Gasoline Engines:
YEngine exhaust contains chemicals known to the State of
California to cause cancer, birth defects, or other reproductive
harm.
For Diesel Engines:
YDiesel engine exhaust and some of its constituents are known
to the State of California to cause cancer, birth defects, and
other reproductive harm.

OM-611 Page 4 Return To Table Of Contents
1-5. Principal Safety Standards
Safety in Welding, Cutting, and Allied Processes, ANSI Standard Z49.1,
from American Welding Society, 550 N.W. LeJeune Rd, Miami FL 33126
(phone: 305-443-9353, website: www.aws.org).
Recommended Safe Practices for the Preparation for Welding and Cut-
ting of Containers and Piping, American Welding Society Standard
AWS F4.1, from American Welding Society, 550 N.W. LeJeune Rd, Mi-
ami, FL 33126 (phone: 305-443-9353, website: www.aws.org).
National Electrical Code, NFPA Standard 70, from National Fire Protec-
tion Association, P.O. Box 9101, 1 Battery March Park, Quincy, MA
02269−9101 (phone: 617−770−3000, website: www.nfpa.org and www.
sparky.org).
Safe Handling of Compressed Gases in Cylinders, CGA Pamphlet P-1,
from Compressed Gas Association, 1735 Jefferson Davis Highway,
Suite 1004, Arlington, VA 22202−4102 (phone: 703−412−0900, web-
site: www.cganet.com).
Code for Safety in Welding and Cutting, CSA Standard W117.2, from
Canadian Standards Association, Standards Sales, 178 Rexdale
Boulevard, Rexdale, Ontario, Canada M9W 1R3 (phone:
800−463−6727 or in Toronto 416−747−4044, website: www.csa−in-
ternational.org).
Practice For Occupational And Educational Eye And Face Protection,
ANSI Standard Z87.1, from American National Standards Institute, 11
West 42nd Street, New York, NY 10036−8002 (phone: 212−642−4900,
website: www.ansi.org).
Standard for Fire Prevention During Welding, Cutting, and Other Hot
Work, NFPA Standard 51B, from National Fire Protection Association,
P.O. Box 9101, 1 Battery March Park, Quincy, MA 02269−9101 (phone:
617−770−3000, website: www.nfpa.org and www. sparky.org).
OSHA, Occupational Safety and Health Standards for General Indus-
try, Title 29, Code of Federal Regulations (CFR), Part 1910, Subpart Q,
and Part 1926, Subpart J, from U.S. Government Printing Office, Super-
intendent of Documents, P.O. Box 371954, Pittsburgh, PA 15250 (there
are 10 Regional Offices−−phone for Region 5, Chicago, is
312−353−2220, website: www.osha.gov).
1-6. EMF Information
Considerations About Welding And The Effects Of Low Frequency
Electric And Magnetic Fields
Welding current, as it flows through welding cables, will cause electro-
magnetic fields. There has been and still is some concern about such
fields. However, after examining more than 500 studies spanning 17
years of research, a special blue ribbon committee of the National
Research Council concluded that: “The body of evidence, in the
committee’s judgment, has not demonstrated that exposure to power-
frequency electric and magnetic fields is a human-health hazard.”
However, studies are still going forth and evidence continues to be
examined. Until the final conclusions of the research are reached, you
may wish to minimize your exposure to electromagnetic fields when
welding or cutting.
To reduce magnetic fields in the workplace, use the following
procedures:
1. Keep cables close together by twisting or taping them.
2. Arrange cables to one side and away from the operator.
3. Do not coil or drape cables around your body.
4. Keep welding power source and cables as far away from opera-
tor as practical.
5. Connect work clamp to workpiece as close to the weld as possi-
ble.
About Pacemakers:
Pacemaker wearers consult your doctor first. If cleared by your doctor,
then following the above procedures is recommended.

OM-611 Page 5
Revenez à la table des matières
SECTION 2 − CONSIGNES DE SÉCURITÉ − À LIRE AVANT
UTILISATION
som_fre 8/03
2-1. Signification des symboles
Signifie « Mise en garde. Faire preuve de vigilance. »
Cette procédure présente des risques identifiés par les
symboles adjacents aux directives.
YIdentifie un message de sécurité particulier.
.Signifie « NOTA » ; n’est pas relatif à la sécurité.
Ce groupe de symboles signifie « Mise en garde. Faire preuve de vigi-
lance. » Il y a des dangers liés aux CHOCS ÉLECTRIQUES, aux
PIÈCES EN MOUVEMENT et aux PIÈCES CHAUDES. Se reporter
aux symboles et aux directives ci-dessous afin de connaître les me-
sures à prendre pour éviter tout danger.
2-2. Dangers relatifs au soudage à l’arc
YLes symboles ci-après sont utilisés tout au long du présent
manuel pour attirer l’attention sur les dangers potentiels et les
identifier. Lorsqu’on voit un symbole, faire preuve de vigilance et
suivre les directives mentionnées afin d’éviter tout danger. Les
consignes de sécurité énoncées ci-après ne font que résumer le
contenu des normes de sécurité mentionnées à la section 2-4.
Lire et respecter toutes ces normes.
YL’installation, l’utilisation, l’entretien et les réparations ne doi-
vent être confiés qu’à des personnes qualifiées.
YPendant l’utilisation de l’appareil, tenir à l’écart toute personne,
en particulier les enfants.
LES DÉCHARGES ÉLECTRIQUES
peuvent être mortelles.
Un simple contact avec des pièces sous tension peut
causer une électrocution ou des blessures graves.
L’électrode et le circuit de soudage sont sous tension
dès que l’appareil est en fonctionnement. Le circuit
d’entrée et les circuits internes de l’appareil sont également sous tension.
En soudage semi−automatique ou automatique, le fil, le dévidoir, le
logement des galets d’entraînement et les pièces métalliques en contact
avec le fil de soudage sont sous tension. Tout matériel mal installé ou mal
mis à la terre présente un danger.
DNe jamais toucher aux pièces électriques sous tension.
DPorter des gants et des vêtements de protection secs et exempts de
trous.
DS’isoler de la pièce et de la terre au moyen de tapis ou autres disposi-
tifs isolants suffisamment grands pour empêcher tout contact
physique avec la pièce ou la terre.
DNe pas se servir d’une source de courant alternatif dans les zones humi-
des, les endroits confinés ou là où on risque de tomber.
DNe se servir d’une source de courant alternatif QUE si le procédé de souda-
ge l’exige.
DSi l’utilisation d’une source de courant alternatif s’avère nécessaire, se ser-
vir de la fonction de télécommande si l’appareil en est équipé.
DCouper l’alimentation ou arrêter le moteur avant de procéder à l’instal-
lation, à la réparation ou à l’entretien de l’appareil. Couper/étiqueter
l’alimentation selon la norme OSHA 29 CFR 1910.147 (voir les nor-
mes de sécurité).
DInstaller et mettre à la terre correctement l’appareil conformément à
son manuel d’utilisation et aux codes nationaux, provinciaux et
municipaux.
DToujours vérifier la terre du cordon d’alimentation − Vérifier et s’assu-
rer que le fil de terre du cordon d’alimentation est bien raccordé à la
borne de terre du sectionneur ou que la fiche du cordon est raccordée
à une prise correctement mise à la terre.
DPour exécuter les branchements d’entrée, fixer d’abord le conducteur
de mise à la terre adéquat et contre−vérifier les connexions.
DVérifier fréquemment le cordon d’alimentation et s’assurer qu’il n’est
ni endommagé ni dénudé ; le remplacer immédiatement s’il est en-
dommagé − tout câble dénudé peut causer une électrocution.
DMettre l’appareil hors tension quand on ne l’utilise pas.
DNe pas utiliser de câbles usés, endommagés, de calibre insuffisant ou
mal épissés.
DNe pas s’enrouler les câbles autour du corps.
DSi la pièce soudée doit être mise à la terre, le faire directement avec un
câble distinct.
DNe pas toucher l’électrode quand on est en contact avec la pièce, la
terre ou une électrode d’une autre machine.
DN’utiliser que du matériel en bon état. Réparer ou remplacer sur−le−
champ les pièces endommagées. Entretenir l’appareil conformément
au présent manuel.
DPorter un harnais de sécurité quand on travaille en hauteur.
DMaintenir solidement en place tous les panneaux et capots.
DFixer le câble de retour de façon à obtenir un bon contact métal sur
métal avec la pièce à souder ou la table de travail, le plus près possible
de la soudure.
DNe pas connecter plus d’une électrode ou plus d’un câble de masse à un
même terminal de sortie.
Il subsiste un COURANT CONTINU IMPORTANT
dans les convertisseurs après la suppression de
l’alimentation électrique.
DArrêter les convertisseurs, débrancher le courant électrique et dé-
charger les condensateurs d’alimentation selon les instructions
énoncées à la section Entretien avant de toucher les pièces.
Le soudage génère des fumées et des gaz dont
l’inhalation peut être dangereuse pour la santé.
LES FUMÉES ET LES GAZ peuvent
être dangereux.
DSe tenir à distance des fumées et ne pas les inhaler.
DÀ l’intérieur, ventiler la zone et/ou utiliser un dispositif d’aspiration au
niveau de l’arc pour l’évacuation des fumées et des gaz de soudage.
DSi la ventilation est insuffisante, utiliser un respirateur à adduction
d’air agréé.
DLire les fiches techniques de santé−sécurité (FTSS) et les instruc-
tions du fabricant concernant les métaux, les consommables, les
revêtements, les nettoyants et les dégraisseurs.
DNe travailler dans un espace clos que s’il est bien ventilé ou porter un
respirateur à adduction d’air. Demander toujours à un surveillant dû-
ment formé de se tenir à proximité. Des fumées et des gaz de soudage
peuvent se substituer à l’air, abaisser la teneur en oxygène et causer
des lésions ou des accidents mortels. S’assurer que l’air est respira-
ble.
DNe pas souder à proximité d’opérations de dégraissage, de nettoyage
ou de pulvérisation. La chaleur et les rayons de l’arc peuvent réagir en
présence de vapeurs et former des gaz hautement toxiques et irri-
tants.
DNe pas souder de métaux munis d’un revêtement, tels que la tôle
d’acier galvanisée, plombée ou cadmiée, à moins que le revêtement
n’ait été enlevé dans la zone de soudage, que l’endroit soit bien venti-
lé, et si nécessaire, porter un respirateur à adduction d’air. Les
revêtements et tous les métaux renfermant ces éléments peuvent dé-
gager des fumées toxiques lorsqu’on les soude.

OM-611 Page 6 Revenez à la table des matières
Le rayonnement de l’arc génère des rayons visibles et
invisibles intenses (ultraviolets et infrarouges) suscep-
tibles de causer des brûlures oculaires et cutanées.
Des étincelles sont projetées pendant le soudage.
LES RAYONS DE L’ARC peuvent cau-
ser des brûlures oculaires et cuta-
nées.
DPorter un masque de soudage muni d’un filtre de la nuance adéquate
pour se protéger le visage et les yeux pendant le soudage ou pour re-
garder (voir les normes de sécurité ANSI Z49.1 et Z87.1).
DPorter des lunettes de sécurité à écrans latéraux sous le masque.
DUtiliser des écrans ou des barrières pour protéger les tiers de l’éclat
éblouissant ou aveuglant de l’arc ; leur demander de ne pas regarder
l’arc.
DPorter des vêtements de protection en matière durable et ignifuge
(cuir ou laine) et des chaussures de sécurité.
Le soudage effectué sur des récipients fermés tels que
des réservoirs, des fûts ou des conduites peut causer
leur éclatement. Des étincelles peuvent être projetées
de l’arc de soudure. La projection d’étincelles, les
pièces chaudes et les équipements chauds peuvent causer des
incendies et des brûlures. Le contact accidentel de l’électrode avec tout
objet métallique peut causer des étincelles, une explosion, un surchauf-
fement ou un incendie. Avant de commencer le soudage, vérifier et
s’assurer que l’endroit ne présente pas de danger.
LE SOUDAGE peut causer un incen-
die ou une explosion.
DSe protéger et protéger les tiers de la projection d’étincelles et de mé-
tal chaud.
DNe pas souder à un endroit où des étincelles peuvent tomber sur des
substances inflammables.
DPlacer toutes les substances inflammables à une distance de 10,7 m
de l’arc de soudage. En cas d’impossibilité, les recouvrir soigneuse-
ment avec des protections agréées.
DDes étincelles et des matières en fusion peuvent facilement passer
même par des fissures et des ouvertures de petites dimensions.
DSurveiller tout déclenchement d’incendie et tenir un extincteur à proxi-
mité.
DLe soudage effectué sur un plafond, un plancher, une paroi ou une
cloison peut déclencher un incendie de l’autre côté.
DNe pas souder des récipients fermés tels que des réservoirs, des fûts
ou des conduites, à moins qu’ils n’aient été préparés conformément à
l’AWS F4.1 (voir les normes de sécurité).
DBrancher le câble sur la pièce le plus près possible de la zone de sou-
dage pour éviter que le courant ne circule sur une longue distance, par
des chemins inconnus, et ne cause des risques d’électrocution et d’in-
cendie.
DNe pas utiliser le poste de soudage pour dégeler des conduites ge-
lées.
DEn cas de non utilisation, enlever la baguette d’électrode du porte−
électrode ou couper le fil au raz du tube−contact.
DPorter des vêtements de protection exempts d’huile tels que des
gants en cuir, une chemise en tissu épais, des pantalons sans revers,
des chaussures montantes et un masque.
DAvant de souder, retirer tout produit combustible de ses poches, tel
qu’un briquet au butane ou des allumettes.
LES PARTICULES PROJETÉES peu-
vent blesser les yeux.
DLe soudage, le burinage, le passage de la pièce à
la brosse métallique et le meulage provoquent
l’émission d’étincelles et de particules métalli-
ques. Pendant leur refroidissement, les soudures risquent de projeter du
laitier.
DPorter des lunettes de sécurité à écrans latéraux agréés, même sous le
masque de soudage.
LES ACCUMULATIONS DE GAZ peu-
vent causer des blessures ou même
la mort.
DCouper l’alimentation en gaz protecteur en cas de
non utilisation.
DVeiller toujours à bien ventiler les espaces confinés ou porter un respira-
teur à adduction d’air agréé.
LES PIÈCES CHAUDES peuvent cau-
ser des brûlures graves.
DNe pas toucher les pièces chaudes à main nue.
DPrévoir une période de refroidissement avant
d’utiliser le pistolet ou la torche.
LES CHAMPS MAGNÉTIQUES peuvent
perturber le fonctionnement des stimu-
lateurs cardiaques.
DLes personnes qui portent un stimulateur cardiaque
doivent se tenir à distance.
DIls doivent consulter leur médecin avant de s’appro-
cher d’un lieu où on exécute des opérations de sou-
dage à l’arc, de gougeage ou de soudage par points.
LE BRUIT peut affecter l’ouïe.
Le bruit de certains processus et équipements peut
affecter l’ouïe.
DPorter des protecteurs d’oreille agréés si le niveau
sonore est trop élevé.
Les bouteilles de gaz protecteur contiennent du gaz
sous haute pression. Toute bouteille endommagée
peut exploser. Comme les bouteilles de gaz font
normalement partie du procédé de soudage, les
manipuler avec précaution.
Les BOUTEILLES endommagées
peuvent exploser.
DProtéger les bouteilles de gaz comprimé de la chaleur excessive, des
chocs mécaniques, du laitier, des flammes nues, des étincelles et des
arcs.
DPlacer les bouteilles debout en les fixant dans un support stationnaire
ou dans un porte−bouteilles pour les empêcher de tomber ou de se
renverser.
DTenir les bouteilles éloignées des circuits de soudage ou autres cir-
cuits électriques.
DNe jamais poser une torche de soudage sur une bouteille de gaz.
DNe jamais mettre une électrode de soudage en contact avec une bou-
teille de gaz.
DNe jamais souder une bouteille contenant du gaz sous pression − elle
risquerait d’exploser.
DN’utiliser que les bouteilles de gaz protecteur, régulateurs, tuyaux et
raccords adéquats pour l’application envisagée ; les maintenir en bon
état, ainsi que les pièces connexes.
DDétourner la tête lorsqu’on ouvre la soupape d’une bouteille.
DLaisser le capuchon protecteur sur la soupape, sauf en cas d’utilisa-
tion ou de branchement de la bouteille
DLire et suivre les instructions concernant les bouteilles de gaz compri-
mé, les équipements associés et les publications P−1 de la CGA,
mentionnées dans les normes de sécurité.

OM-611 Page 7
Revenez à la table des matières
2-3. Autres symboles relatifs à l’installation, au fonctionnement et à l’entretien de
l’appareil.
Risque D’INCENDIE OU D’EXPLO-
SION
DNe pas placer l’appareil sur une surface inflam-
mable, ni au−dessus ou à proximité d’elle.
DNe pas installer l’appareil à proximité de produits inflammables.
DNe pas surcharger l’installation électrique − s’assurer que l’alimen-
tation est correctement dimensionnée et protégée avant de mettre
l’appareil en service.
LA CHUTE DE L’APPAREIL peut
blesser.
DN’utiliser que l’anneau de levage pour lever l’ap-
pareil. NE PAS utiliser le chariot, les bouteilles de
gaz ou tout autre accessoire.
DUtiliser un engin de capacité adéquate pour lever
l’appareil.
DSi on utilise un chariot élévateur pour déplacer l’unité, s’assurer que
les fourches sont suffisamment longues pour dépasser du côté op-
posé de l’appareil.
L’EMPLOI EXCESSIF peut FAIRE
SURCHAUFFER L’ÉQUIPEMENT.
DPrévoir une période de refroidissement ; respec-
ter le cycle opératoire nominal.
DRéduire le courant ou le cycle opératoire avant de
reprendre le soudage.
DNe pas obstruer les orifices ou filtrer l’alimentation en air du poste.
LES CHARGES ÉLECTROSTATI-
QUES peuvent endommager les cir-
cuits imprimés.
DMettre un bracelet antistatique AVANT de mani-
puler des cartes ou des pièces.
DUtiliser des pochettes et des boîtes antistatiques
pour stocker, déplacer ou expédier des cartes de
circuits imprimés.
LES PIÈCES MOBILES peuvent cau-
ser des blessures.
DSe tenir à l’écart des pièces mobiles.
DSe tenir à l’écart des points de coincement tels
que les dévidoirs.
LES FILS DE SOUDAGE peuvent cau-
ser des blessures.
DNe pas appuyer sur la gâchette avant d’en avoir
reçu l’instruction.
DNe pas diriger le pistolet vers soi, vers d’autres
personnes ou vers toute pièce mécanique en en-
gageant le fil de soudage.
LES ORGANES MOBILES peuvent
causer des blessures.
DSe tenir à l’écart des organes mobiles comme les
ventilateurs.
DMaintenir fermés et bien fixés les portes,
panneaux, recouvrements et dispositifs de
protection.
LE RAYONNEMENT HAUTE FRÉ-
QUENCE (H. F.) risque de causer des
interférences.
DLe rayonnement haute fréquence peut causer
des interférences avec les équipements de radio-
navigation et de communication, les services de
sécurité et les ordinateurs.
DNe demander qu’à des personnes qualifiées familiarisées avec les
équipements électroniques de faire fonctionner l’installation.
DL’utilisateur est tenu de faire corriger rapidement par un électricien
qualifié les interférences causées par l’installation.
DSi la Federal Communications Commission signale des interféren-
ces, arrêter immédiatement l’appareil.
DFaire régulièrement contrôler et entretenir l’installation.
DMaintenir soigneusement fermés les panneaux et les portes des sour-
ces de haute fréquence, maintenir le jeu d’éclatement au réglage
adéquat et utiliser une terre et un blindage pour réduire les interféren-
ces éventuelles.
LE SOUDAGE À L’ARC peut causer
des interférences.
DL’énergie électromagnétique peut causer des
interférences avec l’équipement électronique
sensible tel que les ordinateurs et l’équipement
commandé par ordinateur tel que les robots.
DVeiller à ce que tout l’équipement de la zone de soudage soit compati-
ble au point de vue électromagnétique.
DPour réduire la possibilité d’interférence, maintenir les câbles de sou-
dage aussi courts que possible, les grouper, et les poser aussi bas
que possible (par ex. : à terre).
DVeiller à souder à une distance de 100 mètres de tout équipement
électronique sensible.
DVeiller à ce que le poste de soudage soit posé et mis à la terre confor-
mément au présent manuel.
DEn cas d’interférences après exécution des directives précédentes, il
incombe à l’utilisateur de prendre des mesures supplémentaires tel-
les que le déplacement du poste, l’utilisation de câbles blindés,
l’utilisation de filtres de ligne ou la pose de protecteurs dans la zone de
travail.
LES CHAMPS MAGNÉTIQUES peuvent
affecter les stimulateurs cardiaques.
DPorteurs de stimulateur cardiaque, restez à dis-
tance.
DLes porteurs d’un stimulateur cardiaque doivent
d’abord consulter leur médecin avant de s’appro-
cher des opérations de soudage à l’arc, de gou-
geage ou de soudage par points.

OM-611 Page 8 Revenez à la table des matières
2-4. Principales normes de sécurité
Safety in Welding, Cutting, and Allied Processes, norme ANSI Z49.1,
de l’American Welding Society, 550 N.W. LeJeune Rd, Miami FL 33126
(téléphone : (305) 443−9353, site Web : www.aws.org).
Recommended Safe Practices for the Preparation for Welding and Cut-
ting of Containers and Piping, norme American Welding Society AWS
F4.1, de l’American Welding Society, 550 N.W. LeJeune Rd, Miami, FL
33126 (téléphone : (305) 443−9353, site Web : www.aws.org).
National Electrical Code, norme NFPA 70, de la National Fire Protection
Association, P.O. Box 9101, 1 Battery March Park, Quincy, MA
02269−9101 (téléphone : (617) 770−3000, sites Web : www.nfpa.org et
www.sparky.org).
Safe Handling of Compressed Gases in Cylinders, brochure CGA P−1,
de la Compressed Gas Association, 1735 Jefferson Davis Highway,
Suite 1004, Arlington, VA 22202−4102 (téléphone : (703) 412−0900,
site Web : www.cganet.com).
Code for Safety in Welding and Cutting, norme CSA W117.2, de la Ca-
nadian Standards Association, Standards Sales, 178 boulevard
Rexdale, Rexdale (Ontario) Canada M9W 1R3 (téléphone : (800)
463−6727 ou à Toronto : (416) 747−4044, site Web : www.csa−interna-
tional.org).
Practice For Occupational And Educational Eye And Face Protection,
norme ANSI Z87.1, de l’American National Standards Institute, 11 West
42nd Street, New York, NY 10036−8002 (téléphone : (212) 642−4900,
site Web : www.ansi.org).
Standard for Fire Prevention During Welding, Cutting, and Other Hot
Work, norme NFPA 51B, de la National Fire Protection Association,
P.O. Box 9101, 1 Battery March Park, Quincy, MA 02269−9101 (télé-
phone : (617) 770−3000, site Web : www.nfpa.org et www.sparky.org).
OSHA, Occupational Safety and Health Standards for General Indus-
try, Title 29, Code of Federal Regulations (CFR), Part 1910, Subpart Q,
and Part 1926, Subpart J, de l’U.S. Government Printing Office, Super-
intendent of Documents, P.O. Box 371954, Pittsburgh, PA 15250 (il y a
10 bureaux régionaux − Téléphone pour la Région 5, Chicago : (312)
353−2220, site Web : www.osha.gov).
2-5. Information sur les champs électromagnétiques
Données sur le soudage électrique et les effets des champs magnéti-
ques basse fréquence sur l’organisme
En parcourant les câbles de soudage, le courant crée des champs élec-
tromagnétiques. Les effets potentiels de tels champs restent
préoccupants. Cependant, après avoir examiné plus de 500 études qui
ont été faites pendant une période de recherche de 17 ans, un comité
de spécialistes du National Research Council a conclu : « L’accumula-
tion de preuves n’a pas démontré que l’exposition aux champs
magnétiques et aux champs électriques à haute fréquence constitue un
risque pour la santé humaine ». Toutefois, les études et l’examen des
preuves se poursuivent. En attendant les conclusions finales de la re-
cherche, il serait souhaitable de réduire l’exposition aux champs
électromagnétiques pendant le soudage ou le coupage.
Afin de réduire les champs électromagnétiques en milieu de travail, res-
pecter les consignes suivantes :
1. Garder les câbles ensemble en les torsadant ou en les fixant avec du
ruban adhésif.
2. Mettre tous les câbles du côté opposé à l’opérateur.
3. Ne pas s’enrouler les câbles autour du corps.
4. Garder le poste de soudage et les câbles le plus loin possible de soi.
5. Placer la pince de masse le plus près possible de la zone de soudage.
Consignes relatives aux stimulateurs cardiaques :
Les personnes qui portent un stimulateur cardiaque doivent avant tout
consulter leur médecin. Si ce dernier les déclare aptes, il leur est recom-
mandé de respecter les consignes ci-dessus.

OM-611 Page 9
Return To Table Of Contents
SECTION 3 − INSTALLATION
3-1. Specifications
Welding
Circuit Rat-
Input Powe
r
Cord With
Type Of Input Power Dimensions Weight
Circuit Rat-
ing
Cord With
Plug 115 Volts 230 Volts Height Width Length 115 Volts 230 Volts
250 Amperes
At 60% Duty
Cycle 10 ft (3 m)
115 Volts AC
Single-Phase
50/60/100 Hz,
1.5 Amperes
230 Volts AC
Single-Phase
50/60 Hz,
0.75 Amperes
15 in
(381 mm) 9-1/4 in
(235 mm) 16 in
(406 mm)
Net:
34 lb (15 kg)
Ship:
37 lb (17 kg)
Net:
36 lb (16 kg);
Ship:
39 lb (18 kg)
Ref. 159 606-B / 159 607-A
YRead and follow entire Sec-
tion 8 for proper location and
installation requirements for
high-frequency equipment
before installing unit.
1 Welding Power Source
2 Gas Cylinder
3 HF Unit
4 Torch
5 Work Clamp
6 Foot Control
7 Welding Generator
1
2
3
4
5
6
2
3
4
5
7
3-2. Typical Process Connections
Typical Welding Power
Source Installation
Typical Welding
Generator Installation

OM-611 Page 10 Return To Table Of Contents
Obtain gas cylinder and chain to
running gear, wall, or other station-
ary support so cylinder cannot fall
and break off valve.
1 Cap
2 Cylinder Valve
Remove cap, stand to side of valve,
and open valve slightly. Gas flow
blows dust and dirt from valve.
Close valve.
3 Cylinder
4 Regulator/Flowmeter
Install so face is vertical.
5 Gas Hose Connection
Fitting has 5/8-18 right-hand
threads.
6 Flow Adjust
Typical flow rate is 15 cfh (cubic feet
per hour).
Make sure flow adjust is closed
when opening cylinder to avoid
damage to the flowmeter.
7 Gas In Fitting
8 Gas Out Fitting
Open left side panel.
The Gas In and Gas Out fittings
have 5/8-18 right-hand threads.
Obtain proper size, type, and length
hose and make connections as fol-
lows:
Connect hose from shielding gas
supply regulator/flowmeter to Gas
In fitting.
Connect shielding gas hose from
torch to Gas Out fitting.
Close left side panel.
ssb3.3* 5/94 − Ref. 158 697-A / Ref. 098 956-B
Tools Needed:
1-1/8, 5/8 in
1
2
3
4
5
6
7
8
To Torch
Argon Gas
IN-GAS-OUT
3-3. Installing Gas Supply

OM-611 Page 11
Return To Table Of Contents
The supplied cord with plugs is for use with CC or CC/CV welding power sources
having the proper, matching 14-pin receptacle. Do not use cordset on machines
without the 14-pin receptacle.
NOTE
159 645-A / Ref. S-0004-A / S-0283-A
YTurn Off HF Unit and welding
power source, and discon-
nect input power before
making connections. Stop
engine on welding genera-
tors.
1 Six-Pin Power Source Block
Plug PLG2
2 Supplied Six-Pin Receptacle
RC2
3 Strain Relief Clamp
4 Remote 14 Plug PLG4
5 Keyway
To Connect PLG4 to Remote 14 re-
ceptacle on the welding power
source, align keyway, insert plug
and tighten threaded collar.
Connect Remote 14 Plug PLG4 if remote
contactor and/or remote amperage control
from the HF unit are desired.
AJ
B
K
I
C
L
NH
D
M
G
E
F
5
4
3
2
1
21
654
3The following pin information is included
in case the supplied cord is not suitable,
and it is necessary to wire a receptacle
to interface with plug PLG2.
Front View
Of PLG2
Pin* Pin Informaton
Remote
Contactor Control
Remote
Amperage Control
1, 2
*The remaining pin is not used.
3
4
5
Provides contact closure for Output (Contactor) operation.
Amperage control connection − maximum side.
Amperage control connection − wiper contact.
Amperage control connection − minimum side.
3-4. Power Source Plug Information And Connections

OM-611 Page 12 Return To Table Of Contents
sb7.1 5/94 − Ref. 098 957-D / Ref. S-0004-A / S-0750 / Ref. 141 127-B
1 Operator Control Receptacle
RC1 (See Section 3-6)
2 Keyway
3 Plug
4 Threaded Collar
To connect to receptacle, align
keyway, insert plug, and tighten
threaded collar.
3
4
OR
AJ
BKI
CLNH
DMG
EF
12
The 14-socket Operator Control receptacle RC1 on the front of the high-
frequency unit is used to connect an optional Amperage Control and/or a
remote start switch to the control circuitry of the high-frequency unit. If this
unit is used with the High-Frequency Selector switch in the Remote 14
position, an optional remote start switch must be connected to the Opera-
tor Control receptacle in order to operate the unit (see Section 4-3).
3-5. Operator Control Receptacle Information And Connections
3-6. Operator Control Receptacle Socket Information
A, B Contact closure to A completes control circuit for High Frequency and Remote Start switch.
C +10 volts dc output to remote control.
D Remote control circuit common.
E 0 to +10 volts dc input command signal from remote control.
Socket Information
*The remaining sockets are not used.
Socket*

OM-611 Page 13
Return To Table Of Contents
YTurn Off HF Unit and welding
power source, and discon-
nect input power before
making connections. Stop
engine on welding genera-
tors.
YNot connecting work cables
to HF Unit will damage power
source. Always connect
work cables to Work Input/
Output terminal.
1 Electrode In Terminal
Open left side panel. Connect elec-
trode cable from welding power
source to Electrode-In Terminal.
2 Electrode Out Terminal
Connect torch cable to Electrode-
Out Terminal.
3 Work Input/Output Terminal
Connect the work cables from the
welding power source and the work
clamp to the Work Input/Output ter-
minal. Close and secure left side
panel.
ssb2.2 11/92 − Ref. S-0752 / Ref. 098 956-D
Tools Needed:
3/4 in
ELECTRODE IN ELECTRODE OUT
WORK
INPUT/OUTPUT
12
3
S-168 309
CAUTION NOT CONNECTING WORK
CABLES TO HF unit will damage
welding power source or welding
generator.
Welding Power
Source Or
Generator
Work
ALWAYS connect WORK cables to
this terminal for HF protection.
HF Unit
Work
WORK ELECTRODE
3-7. Connecting To Weld Output Terminals

OM-611 Page 14 Return To Table Of Contents
Ref. 159 606-B / Ref. 149 354-A
YRead and follow entire Sec-
tion 8 about HF equipment be-
fore installing unit.
YDirect Current (DC) will dam-
age HF Unit. Connect unit
only to Alternating Current
(AC) supply. Do not cut
grounding terminal off plug.
1 Grounded Receptacle
See Section 3-1 for type of input
power required.
2 Plug From Unit
Insert plug into receptacle.
3-8. Connecting Input Power
1
2

OM-611 Page 15
Return To Table Of Contents
SECTION 4 − OPERATION
Ref. 098 956-D
1 Power Switch
2 Pilot Light
3 High Frequency Selector
Switch
4 High Frequency Switch
5 High Frequency Intensity
Control
4
5
12 3
4-1. Controls
Ref. 139 573
1 High Frequency Switch
Start − provides HF for arc starting
only.
Off − provides no HF. Use Off for
SMAW welding.
Continuous − provides HF continu-
ously.
1
4-2. High Frequency Switch
1 High Frequency Selector
Switch
Panel − provides HF without the
need for a remote start switch
Remote 14 − provides HF when the
remote start switch connected to
the Operator Control receptacle is
turned on (see Section 3-5).
1
4-3. High Frequency Selector Switch

OM-611 Page 16 Return To Table Of Contents
1 High Frequency Intensity
Control
Use control to change amount of
HF energy used to start and/or
maintain the arc. Set as low as
practical to prevent interfering with
electronic equipment.
1
4-4. High Frequency Intensity Control
1 Power Switch
Use switch to turn unit On and Off.
2 Pilot Light
12
4-5. Power Switch And Pilot Light
Postflow Timer
A fixed 15 second Postflow Timer
controls the period of time shielding
gas flows after the arc is extin-
guished.
t2
4-6. Postflow Timer
1 Shielding Gas Cylinder
2 Valve
3 Hand Control
4 Foot Control
Open valve on cylinder just before
welding.
Control turns weld output and gas
flow on and off.
Close valve on cylinder when fin-
ished welding.
sb5.2* 5/94 − S-0621-C / S-0769 / Ref. 159 059
2
1
4
OR
3
4-7. Shielding Gas

OM-611 Page 17
Return To Table Of Contents
SECTION 5 − MAINTENANCE & TROUBLESHOOTING
Disconnect all power before maintaining.
3 Months
OR Blow Out
Or
Vacuum
Inside
Clean
And
Tighten
Weld
Terminals
Replace
Unreadable
Labels
6 Months
14-Pin Cord
Gas Hose Torch Cable
Replace
Cracked
Parts
Adjust
Spark
Gaps
3 Months
Tape Or
Replace
Cracked
Cables
During Heavy Service,
Clean Monthly
5-1. Routine Maintenance
155 457

OM-611 Page 18 Return To Table Of Contents
Ref. 098 956-G
Turn Off unit and welding power
source and disconnect input power.
Loosen screw on spark gap access
door and open.
1 Tungsten End Of Point
Do not clean or dress tungsten.
Replace point if tungsten end
disappears.
2 Spark Gap
Normal spark gap is 0.008 in (0.203
mm).
If spark gaps are okay, reinstall
door. If adjustment is needed, con-
tinue as follows:
3 Adjustment Screws
Loosen screws. Place gauge of
proper thickness in spark gap.
4 Pressure Point
Apply slight pressure at point until
gauge is held firmly in gap. Tighten
adjustment screws to 12 in/lbs
torque (overtightening will deform
plastic base). Repeat gauge adjust-
ment with other gap.
Close access door.
5/32 in
Tools Needed:
Rear Of Unit
0.008 in
(0.203 mm)
5-2. Adjusting Spark Gaps
1
4
3
2

OM-611 Page 19
Return To Table Of Contents
5-3. Troubleshooting
Trouble Remedy
Unit completely inoperative; Pilot light
Off. Secure input power cord plug in receptacle (see Section 3-8).
Place Power switch in the On position (see Section 4-5).
Lack of high-frequency; difficulty in es-
tablishing an arc. Place High Frequency Selector Switch in the correct position (see Section 4-3).
Be sure torch cable is not close to any grounded metal.
Check cables and torch for cracked insulation or bad connections. Repair or replace necessary parts.
Increase setting of High Frequency Intensity Control (see Section 4-4).
Select proper size tungsten (see Section 8-1).
Check spark gaps and adjust if necessary (see Section 5-2).
Wandering arc − poor control of direction
of arc. Reduce gas flow rate (see Section 3-3).
Select proper size tungsten (see Section 8-1).
Properly prepare tungsten (see Section 8-2).
Increase setting of High Frequency Intensity Control (see Section 4-4).
Tungsten electrode oxidizing and not re-
maining bright after conclusion of weld. Shield weld zone of drafts.
Check and tighten all gas fittings (see Section 3-3).
Properly prepare tungsten (see Section 8-2).
Replace torch parts if water has leaked into torch.

OM-611 Page 22 Return To Table Of Contents
SECTION 7 − HIGH FREQUENCY
7-1. Welding Processes Requiring High Frequency
high_freq 12/96 − S-0693
1 High-Frequency Voltage
TIG − helps arc jump air gap
between torch and workpiece and/
or stabilize the arc.
1
TIG
Work
7-2. Incorrect Installation
50 ft
(15 m)
S-0694
Sources of Direct High-Frequency
Radiation
1 High-Frequency Source (welding
power source with built-in HF or
separate HF unit)
2 Weld Cables
3 Torch
4 Work Clamp
5 Workpiece
6 Work Table
Sources of Conduction of High
Frequency
7 Input Power Cable
8 Line Disconnect Device
9 Input Supply Wiring
Sources of Reradiation of High
Frequency
10 Ungrounded Metal Objects
11 Lighting
12 Wiring
13 Water Pipes and Fixtures
14 External Phone and Power Lines
Weld Zone
13
9
8
7
1
2
4 5 6
3
10
11, 12
14

OM-611 Page 23
Return To Table Of Contents
7-3. Correct Installation
1 High-Frequency Source (welding
power source with built-in HF or
separate HF unit)
Ground metal machine case, work output
terminal, line disconnect device, input
supply, and worktable.
2 Center Point of Welding Zone
Midpoint between high-frequency source
and welding torch.
3 Welding Zone
A circle 50 ft (15 m) from center point in all
directions.
4 Weld Output Cables
Keep cables short and close together.
5 Conduit Joint Bonding and Grounding
Electrically join (bond) all conduit sections
using copper straps or braided wire.
Ground conduit every 50 ft (15 m).
6 Water Pipes and Fixtures
Ground water pipes every 50 ft (15 m).
7 External Power or Telephone Lines
Locate high-frequency source at least 50 ft
(15 m) away from power and phone lines.
8 Grounding Rod
Consult the National Electrical Code for
specifications.
Metal Building Requirements
9 Metal Building Panel Bonding
Methods
Bolt or weld building panels together, install
copper straps or braided wire across
seams, and ground frame.
10 Windows and Doorways
Cover all windows and doorways with
grounded copper screen of not more than
1/4 in (6.4 mm) mesh.
11 Overhead Door Track
Ground the track.
Ref. S-0695 / Ref. S-0695
1
2
350 ft
(15 m)
Weld Zone
4
7
50 ft
(15 m)
8
5
8
6
Ground
workpiece
if required
by codes.
Ground all metal ob-
jects and all wiring in
welding zone using
#12 AWG wire.
Nonmetal
Building
9
11
10
Metal Building
88

OM-611 Page 24 Return To Table Of Contents
SECTION 8 − SELECTING AND PREPARING TUNGSTEN
ELECTRODE FOR DC OR AC WELDING
ac/dc_gtaw 2/2004
YWhenever possible and practical, use DC weld output instead of AC weld output.
8-1. Selecting Tungsten Electrode (Wear Clean gloves To Prevent Contamination Of Tungsten)
Amperage Range - Gas Type♦ - Polarity
Electrode Diameter DC − Argon − Electrode
Negative/Straight Po-
larity
DC − Argon − Elec-
trode Positive/Rev-
erse Polarity
AC − Argon AC − Argon −
Balanced Wave
2% Ceria (Orange Band), 1.5% Lan-
thanum (Gray Band), Or 2% Thorium
(Red Band) Alloy Tungstens
.010” Up to 25 *Up to 20 Up to 15
.020” 15-40 * 15-35 5-20
.040” 25-85 * 20-80 20-60
1/16” 50-160 10-20 50-150 60-120
3/32” 135-235 15-30 130-250 100-180
1/8” 250-400 25-40 225-360 160-250
5/32” 400-500 40-55 300-450 200-320
3/16” 500-750 55-80 400-500 290-390
1/4” 750-1000 80-125 600-800 340-525
Pure Tungsten
(Green Band)
.010” Up to 15 *Up to 15 Up to 10
.020” 5-20 * 5-20 10-20
.040” 15-80 * 10-60 20-30
1/16” 70-150 10-20 50-100 30-80
3/32” 125-225 15-30 100-160 60-130
1/8” 225-360 25-40 150-210 100-180
5/32” 360-450 40-55 200-275 160-240
3/16” 450-720 55-80 250-350 190-300
1/4” 720-950 80-125 325-450 250-400
Zirconium Alloyed Tungsten (Brown
Band)
.010” * * Up to 20 Up to 15
.020” * * 15-35 5-20
.040” * * 20-80 20-60
1/16” * * 50-150 60-120
3/32” * * 130-250 100-180
1/8” * * 225-360 160-250
5/32” * * 300-450 200-320
3/16” * * 400-550 290-390
1/4” * * 600-800 340-525
♦Typical argon shielding gas flow rates are 15 to 35 cfh (cubic feet per hour). *Not Recommended.
Figures listed are a guide and are a composite of recommendations from American Welding Society (AWS) and electrode manufacturers.

OM-611 Page 25
Return To Table Of Contents
8-2. Preparing Tungsten Electrode For Welding
YGrinding the tungsten electrode produces dust and flying sparks which can cause injury and start fires. Use
local exhaust (forced ventilation) at the grinder or wear an approved respirator. Read MSDS for safety infor-
mation. Consider using tungsten containing ceria, lanthana, or yttria instead of thoria. Grinding dust from
thoriated electrodes contains low-level radioactive material. Properly dispose of grinder dust in an environ-
mentally safe way. Wear proper face, hand, and body protection. Keep flammables away.
A. Preparing Tungsten For DC Electrode Negative (DCEN) Welding Or AC Welding With Inverter Machines
Ideal Tungsten Preparation − Stable Arc
2-1/2 Times
Electrode Diameter 1 Grinding Wheel
Grind end of tungsten on fine grit, hard
abrasive wheel before welding. Do not use
wheel for other jobs or tungsten can become
contaminated causing lower weld quality.
2 Tungsten Electrode
3 Flat
Diameter of this flat determines amperage
capacity.
4 Straight Ground
Grind lengthwise, not radial.
1
3
4
1 Tungsten Electrode
2 Balled End
Ball end of tungsten by applying AC amper-
age recommended for a given electrode
diameter (see Section 8-1). Let ball on end of
the tungsten take its own shape.
B. Preparing Tungsten For Conventional AC Welding
1 − 1-1/2 Times
2
Electrode Diameter
Causes Wandering Arc 2
1
Wrong Tungsten Preparation
Radial Grinding
SECTION 9 − GUIDELINES FOR TIG WELDING (GTAW)
9-1. Positioning The Torch
YWeld current can damage electronic parts in vehicles. Discon-
nect both battery cables before welding on a vehicle. Place work
clamp as close to the weld as possible.
.For additional information, see your distributor for a handbook on the
Gas Tungsten Arc Welding (GTAW) process.
1 Workpiece
Make sure workpiece is clean before welding.
2 Work Clamp
Place as close to the weld as possible.
3 Torch
4 Filler Rod (If Applicable)
5 Gas Cup
6 Tungsten Electrode
Select and prepare tungsten according to Sections 8-1 and 8-2.
Guidelines:
The inside diameter of the gas cup should be at least three times the
tungsten diameter to provide adequate shielding gas coverage. (For
example, if tungsten is 1/16 in diameter, gas cup should be a minimum of
3/16 in diameter.
Tungsten extension is the distance the tungsten extends out gas cup of
torch.
The tungsten extension should be no greater than the inside diameter of
the gas cup.
Arc length is the distance from the tungsten to the workpiece.
1
10−25°
10−15°
6
2
3
4
90°
4
5
3/16 in
1/16 in
6
5
Bottom View Of Gas Cup Ref. 161 892

OM-611 Page 26 Return To Table Of Contents
9
-2. Torch Movement During Welding
162 002-B
Tungsten Without Filler Rod
Tungsten With Filler Rod
Form pool Tilt torch Move torch to front
of pool. Repeat process.
75°
75°
Welding direction
Form pool Tilt torch Add filler metal
Move torch to front
of pool. Repeat process.
Remove rod
Welding direction 15°
9-3. Positioning Torch Tungsten For Various Weld Joints
162 003 / S-0792
75°
70°
90°
20°
20°
10°15°
75°
20-40°
30°
15°
75°
90°
15°
Butt Weld And Stringer Bead “T” Joint
Lap Joint Corner Joint

OM-611 Page 29
Return To Table Of Contents
115VDescription
Part
No.
Dia.
Mkgs.
Item
No.
Figure 10-1. Complete Assembly (Part 1 of 2)
Model
Quantity
230V
2 206 108 SADDLE CLAMP ASSY 1 1. . . . . . . . . . . . . . . . . . . . . . . . . . . . . . . . . . . . . . . . . . . . . . . . . . . . . . . . .
3 +129 366 WRAPPER 1 1. . . . . . . . . . . . . . . . . . . . . . . . . . . . . . . . . . . . . . . . . . . . . . . . . . . . . . . . . . . . . . . . . . .
4 121 316 LABEL, warning general precautionary 1 1. . . . . . . . . . . . . . . . . . . . . . . . . . . . . . . . . . . . . . . . . . . .
5 S1 028 111 SWITCH, tgl DPST 20A 250V 1 1. . . . . . . . . . . . . . . . . . . . . . . . . . . . . . . . . . . . . . . . . . . . . . . . .
6 C1 106 601 CAPACITOR, cer disc .01 uf 500V 1 1. . . . . . . . . . . . . . . . . . . . . . . . . . . . . . . . . . . . . . . . . . . .
7 S2 088 409 SWITCH, tgl DPDT 15A 125VAC 1 1. . . . . . . . . . . . . . . . . . . . . . . . . . . . . . . . . . . . . . . . . . . . .
8 S3 089 085 SWITCH, tgl SPST 20A 125VAC 1 1. . . . . . . . . . . . . . . . . . . . . . . . . . . . . . . . . . . . . . . . . . . . .
9 R4 198 547 RHEOSTAT, WW 25W 1.5 ohm 1 1. . . . . . . . . . . . . . . . . . . . . . . . . . . . . . . . . . . . . . . . . . . . . .
10 128 230 LABEL, warning electric shock 1 1. . . . . . . . . . . . . . . . . . . . . . . . . . . . . . . . . . . . . . . . . . . . . . . . . . .
11 +131 097 CASE 1 1. . . . . . . . . . . . . . . . . . . . . . . . . . . . . . . . . . . . . . . . . . . . . . . . . . . . . . . . . . . . . . . . . . . . . . . .
168 309 LABEL, caution (located on LH side of case bottom) 1 1. . . . . . . . . . . . . . . . . . . . . . . . . . . . . . . . . . .
12 010 357 NUT, speed No. 2 clip on 3 3. . . . . . . . . . . . . . . . . . . . . . . . . . . . . . . . . . . . . . . . . . . . . . . . . . . . . . . .
13 078 034 FASTENER, screw sltd hd .736 lg 1 1. . . . . . . . . . . . . . . . . . . . . . . . . . . . . . . . . . . . . . . . . . . . . . . .
14 010 855 RETAINER, screw No. 2 3 3. . . . . . . . . . . . . . . . . . . . . . . . . . . . . . . . . . . . . . . . . . . . . . . . . . . . . . . .
16 000 527 BLANK, snap-in nyl .875mtg hole 1 1. . . . . . . . . . . . . . . . . . . . . . . . . . . . . . . . . . . . . . . . . . . . . . . . .
17 PLG3 136 080 CABLE, pwr 10ft 16ga 3/c 1. . . . . . . . . . . . . . . . . . . . . . . . . . . . . . . . . . . . . . . . . . . .
17 PLG3 023 625 CORD SET, 250V 16 ga 3/c 10ft 1. . . . . . . . . . . . . . . . . . . . . . . . . . . . . . . . . . . . . . . . . . . . .
18 130 336 CABLE, interconnecting (consisting of) 1 1. . . . . . . . . . . . . . . . . . . . . . . . . . . . . . . . . . . . . . . . . . . .
19 PLG4 144 310 CONNECTOR PLUG & PINS, (consisting of) 1 1. . . . . . . . . . . . . . . . . . . . . . . . . . . . . . . .
20 143 992 CONNECTOR, circ clamp str rlf 1 1. . . . . . . . . . . . . . . . . . . . . . . . . . . . . . . . . . . . . . . . . . . . . . . . . . .
134 731 CONNECTOR, circ pin push-in 18-14ga 2 2. . . . . . . . . . . . . . . . . . . . . . . . . . . . . . . . . . . . . . . . . . . . . .
21 175 284 CABLE, pwr No. 20ga 5/c (order by ft) 6ft 6ft. . . . . . . . . . . . . . . . . . . . . . . . . . . . . . . . . . . . . . . . . . . . .
22 115 104 CONNECTOR, clamp cable .500 1 1. . . . . . . . . . . . . . . . . . . . . . . . . . . . . . . . . . . . . . . . . . . . . . . . . .
23 RC2 115 093 CONNECTOR PLUG & SOCKETS 1 1. . . . . . . . . . . . . . . . . . . . . . . . . . . . . . . . . . . . . . . . . . .
24 SR1 035 704 RECTIFIER, integ 40A 800V 1 1. . . . . . . . . . . . . . . . . . . . . . . . . . . . . . . . . . . . . . . . . . . . . . . .
25 R3 030 601 RESISTOR, WW adj 25W 1K ohm 1 1. . . . . . . . . . . . . . . . . . . . . . . . . . . . . . . . . . . . . . . . . . . .
26 C4 112 161 CAPACITOR 1 1. . . . . . . . . . . . . . . . . . . . . . . . . . . . . . . . . . . . . . . . . . . . . . . . . . . . . . . . . . . . . . . .
27 C3 031 630 CAPACITOR, elctlt 22uf 50VDC 1 1. . . . . . . . . . . . . . . . . . . . . . . . . . . . . . . . . . . . . . . . . . . . . .
28 CR1 059 267 RELAY, encl 12VDC DPDT w/flange 1 1. . . . . . . . . . . . . . . . . . . . . . . . . . . . . . . . . . . . . . . . .
29 R1 083 784 RESISTOR, WW fxd 100W 10 ohm 1 1. . . . . . . . . . . . . . . . . . . . . . . . . . . . . . . . . . . . . . . . . . .
30 C6 143 919 LEAD ASSEMBLY, elect 1. . . . . . . . . . . . . . . . . . . . . . . . . . . . . . . . . . . . . . . . . . . . . . . . .
30 C6 143 921 LEAD ASSEMBLY, elect 1. . . . . . . . . . . . . . . . . . . . . . . . . . . . . . . . . . . . . . . . . . . . . . . . . . . . . . . .
30 C7 143 918 LEAD ASSEMBLY, elect 1 1. . . . . . . . . . . . . . . . . . . . . . . . . . . . . . . . . . . . . . . . . . . . . . . . . . . . .
30 C8 143 917 LEAD ASSEMBLY, elect 1 1. . . . . . . . . . . . . . . . . . . . . . . . . . . . . . . . . . . . . . . . . . . . . . . . . . . . .
30 C9 143 920 LEAD ASSEMBLY, elect 1 1. . . . . . . . . . . . . . . . . . . . . . . . . . . . . . . . . . . . . . . . . . . . . . . . . . . . .
30 C10 143 916 LEAD ASSEMBLY, elect 1 1. . . . . . . . . . . . . . . . . . . . . . . . . . . . . . . . . . . . . . . . . . . . . . . . . . . .
31 C13 098 566 CAPACITOR 1 1. . . . . . . . . . . . . . . . . . . . . . . . . . . . . . . . . . . . . . . . . . . . . . . . . . . . . . . . . . . . . .
32 RC1 143 976 CONNECTOR w/TERMINALS 1 1. . . . . . . . . . . . . . . . . . . . . . . . . . . . . . . . . . . . . . . . . . . . . .
33 NAMEPLATE, (order by model and serial number) 1 1. . . . . . . . . . . . . . . . . . . . . . . . . . . . . . . . . . . . . . . . . . .
34 097 922 KNOB, pointer 1 1. . . . . . . . . . . . . . . . . . . . . . . . . . . . . . . . . . . . . . . . . . . . . . . . . . . . . . . . . . . . . . . . .
35 PL1 027 645 LIGHT, ind red lens 125VAC 1. . . . . . . . . . . . . . . . . . . . . . . . . . . . . . . . . . . . . . . . . . . .
35 PL1 099 001 LIGHT, ind red lens 250VAC 1. . . . . . . . . . . . . . . . . . . . . . . . . . . . . . . . . . . . . . . . . . . . . . . . . . .
36 010 853 FASTENER, screw sltd hd No. 2 2 2. . . . . . . . . . . . . . . . . . . . . . . . . . . . . . . . . . . . . . . . . . . . . . . . .
+When ordering a component originally displaying a precautionary label, the label should also be ordered.
To maintain the factory original performance of your equipment, use only Manufacturer’s Suggested
Replacement Parts. Model and serial number required when ordering parts from your local distributor.

OM-611 Page 31
Return To Table Of Contents
115VDescription
Part
No.
Dia.
Mkgs.
Item
No.
Figure 10-2. Complete Assembly (Part 2 of 2)
Model
Quantity
230V
1 SR3 035 704 RECTIFIER, integ 40A 800V 1. . . . . . . . . . . . . . . . . . . . . . . . . . . . . . . . . . . . . . . . . . . .
C14 031 630 CAPACITOR, elctlt 22uf 50VDC 1. . . . . . . . . . . . . . . . . . . . . . . . . . . . . . . . . . . . . . . . . . . .
2 107 983 BLANK, snap-in nyl .500mtg hole 2 2. . . . . . . . . . . . . . . . . . . . . . . . . . . . . . . . . . . . . . . . . . . . . . . . .
3 C2 096 761 CAPACITOR, mica .002uf 10,000 V panel mtg 1 1. . . . . . . . . . . . . . . . . . . . . . . . . . . . . . . . .
4 CR3 052 964 RELAY, encl 24VDC DPDT 1. . . . . . . . . . . . . . . . . . . . . . . . . . . . . . . . . . . . . . . . . . . . .
4 CR3 006 393 RELAY, encl 24VAC DPDT 1. . . . . . . . . . . . . . . . . . . . . . . . . . . . . . . . . . . . . . . . . . . . . . . . . . . .
5 TD1 114 494 TIMER, delay 1 1. . . . . . . . . . . . . . . . . . . . . . . . . . . . . . . . . . . . . . . . . . . . . . . . . . . . . . . . . . . . . .
6 R5 072 561 RESISTOR, MF .25W 267K ohm 1 1. . . . . . . . . . . . . . . . . . . . . . . . . . . . . . . . . . . . . . . . . . . . .
7 010 604 FITTING, hose brs bushing 1/4 NPT x .625 -18RH 2 2. . . . . . . . . . . . . . . . . . . . . . . . . . . . . . . . . .
8 GS1 109 293 VALVE, 24VDC 2 way 1/4 IPS port 1/8 orf 1. . . . . . . . . . . . . . . . . . . . . . . . . . . . . . . .
8 GS1 035 630 VALVE, 24VAC/6VDC 2 way 1/4 IPS port 1/8 orf 1. . . . . . . . . . . . . . . . . . . . . . . . . . . . . . . . . .
9 088 731 BUSHING, snap-in nyl .375 ID x .500mtg hole 2 2. . . . . . . . . . . . . . . . . . . . . . . . . . . . . . . . . . . . . .
10 1T 038 081 BLOCK, term 20A 4P 1. . . . . . . . . . . . . . . . . . . . . . . . . . . . . . . . . . . . . . . . . . . . . . . . . . .
10 1T 038 861 BLOCK, term 20A 3P 1. . . . . . . . . . . . . . . . . . . . . . . . . . . . . . . . . . . . . . . . . . . . . . . . . . . . . . . . . .
035 131 CONNECTOR, block 30A 4 3. . . . . . . . . . . . . . . . . . . . . . . . . . . . . . . . . . . . . . . . . . . . . . . . . . . . . . . . . .
12 204 480 SPARK GAP, (consisting of) 1 1. . . . . . . . . . . . . . . . . . . . . . . . . . . . . . . . . . . . . . . . . . . . . . . . . . . . .
13 G *196 455 HOLDER, point 4 4. . . . . . . . . . . . . . . . . . . . . . . . . . . . . . . . . . . . . . . . . . . . . . . . . . . . . . . . . . . . . .
14 199 856 POINT 4 4. . . . . . . . . . . . . . . . . . . . . . . . . . . . . . . . . . . . . . . . . . . . . . . . . . . . . . . . . . . . . . . . . . . . . . . .
15 199 855 BASE 1 1. . . . . . . . . . . . . . . . . . . . . . . . . . . . . . . . . . . . . . . . . . . . . . . . . . . . . . . . . . . . . . . . . . . . . . . . .
16 097 612 BRACKET, mtg spark gap 1 1. . . . . . . . . . . . . . . . . . . . . . . . . . . . . . . . . . . . . . . . . . . . . . . . . . . . . . .
17 133 845 STRIP, mtg HF coil 1 1. . . . . . . . . . . . . . . . . . . . . . . . . . . . . . . . . . . . . . . . . . . . . . . . . . . . . . . . . . . . .
18 059 873 TUBING, stl .375 OD x .256 ID 2 2. . . . . . . . . . . . . . . . . . . . . . . . . . . . . . . . . . . . . . . . . . . . . . . . . . .
19 T2 186 357 COIL, HF coupling 1 1. . . . . . . . . . . . . . . . . . . . . . . . . . . . . . . . . . . . . . . . . . . . . . . . . . . . . . . . . .
20 T3 036 135 TRANSFORMER, control 115-24VAC 1. . . . . . . . . . . . . . . . . . . . . . . . . . . . . . . . . . . . .
20 T3 099 002 TRANSFORMER, control 75VA 230V 1. . . . . . . . . . . . . . . . . . . . . . . . . . . . . . . . . . . . . . . . . . . .
21 R2 030 603 RESISTOR, WW fxd 10W 10K ohm 1 1. . . . . . . . . . . . . . . . . . . . . . . . . . . . . . . . . . . . . . . . . .
22 C5 191 944 CAPACITOR, polyp film 10uf 250VAC 1 1. . . . . . . . . . . . . . . . . . . . . . . . . . . . . . . . . . . . . . . . .
23 PLG2 131 059 CONNECTOR PLUG & SOCKETS 1 1. . . . . . . . . . . . . . . . . . . . . . . . . . . . . . . . . . . . . . . .
24 T1 208 045 TRANSFORMER, high voltage 115V pri. . . . . . . . . . . . . . 3600V sec 30mA w/term 1. . . . . . . . . . . . . . . . . . . . . . . . . . . . . . . . . . . . . . . . . . . . . . . . . . . . . . . . . . . . . . . .
24 T1 098 966 TRANSFORMER, high voltage 230V pri 3600V sec 1. . . . . . . . . . . . . . . . . . . . . . . . . . . . . . . .
25 ELEC 099 255 TERMINAL, power output neutral 2 2. . . . . . . . . . . . . . . . . . . . . . . . . . . . . . . . . . . . . . . . . .
26 WORK 039 047 TERMINAL, power output red 1 1. . . . . . . . . . . . . . . . . . . . . . . . . . . . . . . . . . . . . . . . . . . .
27 CR2 116 592 RELAY, encl 24VDC 3PDT 1. . . . . . . . . . . . . . . . . . . . . . . . . . . . . . . . . . . . . . . . . . . . . .
27 CR2 211 207 RELAY, encl 24VAC 4PDT 1. . . . . . . . . . . . . . . . . . . . . . . . . . . . . . . . . . . . . . . . . . . . . . . . . . . . . .
*206 502 SERVICE KIT, spark gap assembly 1 1. . . . . . . . . . . . . . . . . . . . . . . . . . . . . . . . . . . . . . . . . . . . . . . . . .
*Recommended Spare Parts.
To maintain the factory original performance of your equipment, use only Manufacturer’s Suggested
Replacement Parts. Model and serial number required when ordering parts from your local distributor.




Warranty Questions?
Call
1-800-4-A-MILLER
for your local
Miller distributor.
miller_warr 8/03
Your distributor also gives
you ...
Service
You always get the fast,
reliable response you
need. Most replacement
parts can be in your
hands in 24 hours.
Support
Need fast answers to the
tough welding questions?
Contact your distributor.
The expertise of the
distributor and Miller is
there to help you, every
step of the way.
Effective January 1, 2003
(Equipment with a serial number preface of “LC” or newer)
This limited warranty supersedes all previous Miller warranties and is exclusive with no other
guarantees or warranties expressed or implied.
LIMITED WARRANTY − Subject to the terms and conditions
below, Miller Electric Mfg. Co., Appleton, Wisconsin, warrants
to its original retail purchaser that new Miller equipment sold
after the effective date of this limited warranty is free of defects
in material and workmanship at the time it is shipped by Miller.
THIS WARRANTY IS EXPRESSLY IN LIEU OF ALL OTHER
WARRANTIES, EXPRESS OR IMPLIED, INCLUDING THE
WARRANTIES OF MERCHANTABILITY AND FITNESS.
Within the warranty periods listed below, Miller will repair or
replace any warranted parts or components that fail due to
such defects in material or workmanship. Miller must be
notified in writing within thirty (30) days of such defect or
failure, at which time Miller will provide instructions on the
warranty claim procedures to be followed.
Miller shall honor warranty claims on warranted equipment
listed below in the event of such a failure within the warranty
time periods. All warranty time periods start on the date that
the equipment was delivered to the original retail purchaser, or
one year after the equipment is sent to a North American
distributor or eighteen months after the equipment is sent to an
International distributor.
1. 5 Years Parts — 3 Years Labor
* Original main power rectifiers
* Inverters (input and output rectifiers only)
2. 3 Years — Parts and Labor
* Transformer/Rectifier Power Sources
* Plasma Arc Cutting Power Sources
* Semi-Automatic and Automatic Wire Feeders
* Inverter Power Supplies
* Intellitig
* Maxstar 150
* Engine Driven Welding Generators
(NOTE: Engines are warranted separately by
the engine manufacturer.)
3. 1 Year — Parts and Labor Unless Specified
* DS-2 Wire Feeder
* Motor Driven Guns (w/exception of Spoolmate
Spoolguns)
* Process Controllers
* Positioners and Controllers
* Automatic Motion Devices
* RFCS Foot Controls
* Induction Heating Power Sources
* Water Coolant Systems
* Flowgauge and Flowmeter Regulators (No Labor)
* HF Units
* Grids
* Maxstar 85, 140
* Spot Welders
* Load Banks
* Racks
* Running Gear/Trailers
* Plasma Cutting Torches (except APT & SAF
Models)
* Field Options
(NOTE: Field options are covered under True
Blue for the remaining warranty period of the
product they are installed in, or for a minimum of
one year — whichever is greater.)
4. 6 Months — Batteries
5. 90 Days — Parts
* MIG Guns/TIG Torches
* Induction Heating Coils and Blankets
* APT & SAF Model Plasma Cutting Torches
* Remote Controls
* Accessory Kits
* Replacement Parts (No labor)
* Spoolmate Spoolguns
* Canvas Covers
Miller’s True Blue Limited Warranty shall not apply to:
1. Consumable components; such as contact tips,
cutting nozzles, contactors, brushes, slip rings,
relays or parts that fail due to normal wear.
(Exception: brushes, slip rings, and relays are
covered on Bobcat, Trailblazer, and Legend models.)
2. Items furnished by Miller, but manufactured by others,
such as engines or trade accessories. These items are
covered by the manufacturer’s warranty, if any.
3. Equipment that has been modified by any party other
than Miller, or equipment that has been improperly
installed, improperly operated or misused based upon
industry standards, or equipment which has not had
reasonable and necessary maintenance, or equipment
which has been used for operation outside of the
specifications for the equipment.
MILLER PRODUCTS ARE INTENDED FOR PURCHASE
AND USE BY COMMERCIAL/INDUSTRIAL USERS AND
PERSONS TRAINED AND EXPERIENCED IN THE USE
AND MAINTENANCE OF WELDING EQUIPMENT.
In the event of a warranty claim covered by this warranty, the
exclusive remedies shall be, at Miller’s option: (1) repair; or (2)
replacement; or, where authorized in writing by Miller in
appropriate cases, (3) the reasonable cost of repair or
replacement at an authorized Miller service station; or (4)
payment of or credit for the purchase price (less reasonable
depreciation based upon actual use) upon return of the goods
at customer’s risk and expense. Miller’s option of repair or
replacement will be F.O.B., Factory at Appleton, Wisconsin, or
F.O.B. at a Miller authorized service facility as determined by
Miller. Therefore no compensation or reimbursement for
transportation costs of any kind will be allowed.
TO THE EXTENT PERMITTED BY LAW, THE REMEDIES
PROVIDED HEREIN ARE THE SOLE AND EXCLUSIVE
REMEDIES. IN NO EVENT SHALL MILLER BE LIABLE FOR
DIRECT, INDIRECT, SPECIAL, INCIDENTAL OR
CONSEQUENTIAL DAMAGES (INCLUDING LOSS OF
PROFIT), WHETHER BASED ON CONTRACT, TORT OR
ANY OTHER LEGAL THEORY.
ANY EXPRESS WARRANTY NOT PROVIDED HEREIN
AND ANY IMPLIED WARRANTY, GUARANTY OR
REPRESENTATION AS TO PERFORMANCE, AND ANY
REMEDY FOR BREACH OF CONTRACT TORT OR ANY
OTHER LEGAL THEORY WHICH, BUT FOR THIS
PROVISION, MIGHT ARISE BY IMPLICATION,
OPERATION OF LAW, CUSTOM OF TRADE OR COURSE
OF DEALING, INCLUDING ANY IMPLIED WARRANTY OF
MERCHANTABILITY OR FITNESS FOR PARTICULAR
PURPOSE, WITH RESPECT TO ANY AND ALL
EQUIPMENT FURNISHED BY MILLER IS EXCLUDED AND
DISCLAIMED BY MILLER.
Some states in the U.S.A. do not allow limitations of how long
an implied warranty lasts, or the exclusion of incidental,
indirect, special or consequential damages, so the above
limitation or exclusion may not apply to you. This warranty
provides specific legal rights, and other rights may be
available, but may vary from state to state.
In Canada, legislation in some provinces provides for certain
additional warranties or remedies other than as stated herein,
and to the extent that they may not be waived, the limitations
and exclusions set out above may not apply. This Limited
Warranty provides specific legal rights, and other rights may
be available, but may vary from province to province.

PRINTED IN USA 2004 Miller Electric Mfg. Co. 1/04
Miller Electric Mfg. Co.
An Illinois Tool Works Company
1635 West Spencer Street
Appleton, WI 54914 USA
International Headquarters−USA
USA Phone: 920-735-4505 Auto-Attended
USA & Canada FAX: 920-735-4134
International FAX: 920-735-4125
European Headquarters −
United Kingdom
Phone: 44 (0) 1204-593493
FAX: 44 (0) 1204-598066
www.MillerWelds.com
Model Name Serial/Style Number
Purchase Date (Date which equipment was delivered to original customer.)
Distributor
Address
City
State Zip
Please complete and retain with your personal records.
Always provide Model Name and Serial/Style Number.
Call 1-800-4-A-Miller or see our website at www.MillerWelds.com
to locate a DISTRIBUTOR or SERVICE AGENCY near you.
Welding Supplies and Consumables
Options and Accessories
Personal Safety Equipment
Service and Repair
Replacement Parts
Training (Schools, Videos, Books)
Technical Manuals (Servicing Information
and Parts)
Circuit Diagrams
Welding Process Handbooks
Contact the Delivering Carrier to:
For Service
Owner’s Record
File a claim for loss or damage during
shipment.
For assistance in filing or settling claims, contact
your distributor and/or equipment manufacturer’s
Transportation Department.
Contact your Distributor for:




