Miller Electric Om 234 016D Users Manual O234016d_mil
OM-234 016D to the manual 36fce1a1-f293-4f65-877b-e5c9fca7a8a3
2015-02-02
: Miller-Electric Miller-Electric-Om-234-016D-Users-Manual-437274 miller-electric-om-234-016d-users-manual-437274 miller-electric pdf
Open the PDF directly: View PDF
.
Page Count: 48

OM-234 016D 2007−11
Spoolmate 100 Series
Visit our website at
www.MillerWelds.com
Processes
Description
MIG (GMAW) Welding
Wire Feeder Spool Gun
File: Wire Feeder

Miller Electric manufactures a full line
of welders and welding related equipment.
For information on other quality Miller
products, contact your local Miller distributor to receive the latest full
line catalog or individual specification sheets. To locate your nearest
distributor or service agency call 1-800-4-A-Miller, or visit us at
www.MillerWelds.com on the web.
Thank you and congratulations on choosing Miller. Now you can get
the job done and get it done right. We know you don’t have time to do
it any other way.
That’s why when Niels Miller first started building arc welders in 1929,
he made sure his products offered long-lasting value and superior
quality. Like you, his customers couldn’t afford anything less. Miller
products had to be more than the best they could be. They had to be the
best you could buy.
Today, the people that build and sell Miller products continue the
tradition. They’re just as committed to providing equipment and service
that meets the high standards of quality and value established in 1929.
This Owner’s Manual is designed to help you get the most out of your
Miller products. Please take time to read the Safety precautions. They
will help you protect yourself against potential hazards on the worksite.
We’ve made installation and operation quick
and easy. With Miller you can count on years
of reliable service with proper maintenance.
And if for some reason the unit needs repair,
there’s a Troubleshooting section that will
help you figure out what the problem is. The
parts list will then help you to decide the
exact part you may need to fix the problem.
Warranty and service information for your
particular model are also provided.
Miller is the first welding
equipment manufacturer in
the U.S.A. to be registered to
the ISO 9001:2000 Quality
System Standard.
Working as hard as you do
− every power source from
Miller is backed by the most
hassle-free warranty in the
business.
From Miller to You
Mil_Thank 2005−04

TABLE OF CONTENTS
SECTION 1 − SAFETY PRECAUTIONS - READ BEFORE USING 1 . . . . . . . . . . . . . . . . . . . . . . . . . . . . . . . . .
1-1. Symbol Usage 1 . . . . . . . . . . . . . . . . . . . . . . . . . . . . . . . . . . . . . . . . . . . . . . . . . . . . . . . . . . . . . . . . . . . . . . .
1-2. Arc Welding Hazards 1 . . . . . . . . . . . . . . . . . . . . . . . . . . . . . . . . . . . . . . . . . . . . . . . . . . . . . . . . . . . . . . . . .
1-3. Additional Symbols For Installation, Operation, And Maintenance 3 . . . . . . . . . . . . . . . . . . . . . . . . . . . .
1-4. California Proposition 65 Warnings 4 . . . . . . . . . . . . . . . . . . . . . . . . . . . . . . . . . . . . . . . . . . . . . . . . . . . . . .
1-5. Principal Safety Standards 4 . . . . . . . . . . . . . . . . . . . . . . . . . . . . . . . . . . . . . . . . . . . . . . . . . . . . . . . . . . . .
1-6. EMF Information 4 . . . . . . . . . . . . . . . . . . . . . . . . . . . . . . . . . . . . . . . . . . . . . . . . . . . . . . . . . . . . . . . . . . . . .
SECTION 2 − CONSIGNES DE SÉCURITÉ − LIRE AVANT UTILISATION 5 . . . . . . . . . . . . . . . . . . . . . . . . . .
2-1. Symboles utilisés 5 . . . . . . . . . . . . . . . . . . . . . . . . . . . . . . . . . . . . . . . . . . . . . . . . . . . . . . . . . . . . . . . . . . . .
2-2. Dangers relatifs au soudage à l’arc 5 . . . . . . . . . . . . . . . . . . . . . . . . . . . . . . . . . . . . . . . . . . . . . . . . . . . . .
2-3. Dangers supplémentaires en relation avec l’installation, le fonctionnement et la maintenance 7 . . . . .
2-4. Proposition californienne 65 Avertissements 8 . . . . . . . . . . . . . . . . . . . . . . . . . . . . . . . . . . . . . . . . . . . . . .
2-5. Principales normes de sécurité 9 . . . . . . . . . . . . . . . . . . . . . . . . . . . . . . . . . . . . . . . . . . . . . . . . . . . . . . . . .
2-6. Information EMF 9 . . . . . . . . . . . . . . . . . . . . . . . . . . . . . . . . . . . . . . . . . . . . . . . . . . . . . . . . . . . . . . . . . . . . .
SECTION 3 − INSTALLATION 11 . . . . . . . . . . . . . . . . . . . . . . . . . . . . . . . . . . . . . . . . . . . . . . . . . . . . . . . . . . . . . . . .
3-1. Specifications 11 . . . . . . . . . . . . . . . . . . . . . . . . . . . . . . . . . . . . . . . . . . . . . . . . . . . . . . . . . . . . . . . . . . . . . . .
3-2. Removing MIG Gun From Welding Power Source 11 . . . . . . . . . . . . . . . . . . . . . . . . . . . . . . . . . . . . . . . . .
3-3. Connecting Spool Gun To Millermatic 140/180 Models 12 . . . . . . . . . . . . . . . . . . . . . . . . . . . . . . . . . . . . . .
3-4. Connecting Spool Gun To Millermatic Passport Plus 14 . . . . . . . . . . . . . . . . . . . . . . . . . . . . . . . . . . . . . . .
3-5. Connecting Spool Gun To Renegade 180 15 . . . . . . . . . . . . . . . . . . . . . . . . . . . . . . . . . . . . . . . . . . . . . . . .
3-6. Installing Wire Spool And Threading Welding Wire 16 . . . . . . . . . . . . . . . . . . . . . . . . . . . . . . . . . . . . . . . . .
SECTION 4 − OPERATION 17 . . . . . . . . . . . . . . . . . . . . . . . . . . . . . . . . . . . . . . . . . . . . . . . . . . . . . . . . . . . . . . . . . .
4-1. Controls For Millermatic 140/180 Models 17 . . . . . . . . . . . . . . . . . . . . . . . . . . . . . . . . . . . . . . . . . . . . . . . . .
4-2. Controls For Millermatic Passport Plus Model 25 . . . . . . . . . . . . . . . . . . . . . . . . . . . . . . . . . . . . . . . . . . . . .
4-3. Controls For Renegade 180 Model 28 . . . . . . . . . . . . . . . . . . . . . . . . . . . . . . . . . . . . . . . . . . . . . . . . . . . . . .
SECTION 5 − MAINTENANCE & TROUBLESHOOTING 30 . . . . . . . . . . . . . . . . . . . . . . . . . . . . . . . . . . . . . . . . .
5-1. Routine Maintenance 30 . . . . . . . . . . . . . . . . . . . . . . . . . . . . . . . . . . . . . . . . . . . . . . . . . . . . . . . . . . . . . . . . .
5-2. Changing Drive Rolls 31 . . . . . . . . . . . . . . . . . . . . . . . . . . . . . . . . . . . . . . . . . . . . . . . . . . . . . . . . . . . . . . . . .
5-3. Changing Liner 32 . . . . . . . . . . . . . . . . . . . . . . . . . . . . . . . . . . . . . . . . . . . . . . . . . . . . . . . . . . . . . . . . . . . . . .
5-4. Troubleshooting 32 . . . . . . . . . . . . . . . . . . . . . . . . . . . . . . . . . . . . . . . . . . . . . . . . . . . . . . . . . . . . . . . . . . . . .
5-5. GMAW (MIG) Aluminum Welding Hints 33 . . . . . . . . . . . . . . . . . . . . . . . . . . . . . . . . . . . . . . . . . . . . . . . . . .
SECTION 6 − ELECTRICAL DIAGRAMS 35 . . . . . . . . . . . . . . . . . . . . . . . . . . . . . . . . . . . . . . . . . . . . . . . . . . . . . .
SECTION 7 − PARTS LIST 38 . . . . . . . . . . . . . . . . . . . . . . . . . . . . . . . . . . . . . . . . . . . . . . . . . . . . . . . . . . . . . . . . . . .
WARRANTY


OM-234 016 Page 1
SECTION 1 − SAFETY PRECAUTIONS - READ BEFORE USING
som _2007−04
7
Protect yourself and others from injury — read and follow these precautions.
1-1. Symbol Usage
DANGER! − Indicates a hazardous situation which, if
not avoided, will result in death or serious injury. The
possible hazards are shown in the adjoining symbols
or explained in the text.
Indicates a hazardous situation which, if not avoided,
could result in death or serious injury. The possible
hazards are shown in the adjoining symbols or ex-
plained in the text.
NOTICE − Indicates statements not related to personal injury.
.Indicates special instructions.
This group of symbols means Warning! Watch Out! ELECTRIC
SHOCK, MOVING PARTS, and HOT PARTS hazards. Consult sym-
bols and related instructions below for necessary actions to avoid the
hazards.
1-2. Arc Welding Hazards
The symbols shown below are used throughout this manual
to call attention to and identify possible hazards. When you
see the symbol, watch out, and follow the related instructions
to avoid the hazard. The safety information given below is
only a summary of the more complete safety information
found in the Safety Standards listed in Section 1-5. Read and
follow all Safety Standards.
Only qualified persons should install, operate, maintain, and
repair this unit.
During operation, keep everybody, especially children, away.
ELECTRIC SHOCK can kill.
Touching live electrical parts can cause fatal shocks
or severe burns. The electrode and work circuit is
electrically live whenever the output is on. The input
power circuit and machine internal circuits are also
live when power is on. In semiautomatic or automatic wire welding, the
wire, wire reel, drive roll housing, and all metal parts touching the
welding wire are electrically live. Incorrectly installed or improperly
grounded equipment is a hazard.
DDo not touch live electrical parts.
DWear dry, hole-free insulating gloves and body protection.
DInsulate yourself from work and ground using dry insulating mats
or covers big enough to prevent any physical contact with the work
or ground.
DDo not use AC output in damp areas, if movement is confined, or if
there is a danger of falling.
DUse AC output ONLY if required for the welding process.
DIf AC output is required, use remote output control if present on
unit.
DAdditional safety precautions are required when any of the follow-
ing electrically hazardous conditions are present: in damp
locations or while wearing wet clothing; on metal structures such
as floors, gratings, or scaffolds; when in cramped positions such
as sitting, kneeling, or lying; or when there is a high risk of unavoid-
able or accidental contact with the workpiece or ground. For these
conditions, use the following equipment in order presented: 1) a
semiautomatic DC constant voltage (wire) welder, 2) a DC manual
(stick) welder, or 3) an AC welder with reduced open-circuit volt-
age. In most situations, use of a DC, constant voltage wire welder
is recommended. And, do not work alone!
DDisconnect input power or stop engine before installing or
servicing this equipment. Lockout/tagout input power according to
OSHA 29 CFR 1910.147 (see Safety Standards).
DProperly install and ground this equipment according to its
Owner’s Manual and national, state, and local codes.
DAlways verify the supply ground − check and be sure that input
power cord ground wire is properly connected to ground terminal in
disconnect box or that cord plug is connected to a properly
grounded receptacle outlet.
DWhen making input connections, attach proper grounding conduc-
tor first − double-check connections.
DKeep cords dry, free of oil and grease, and protected from hot metal
and sparks.
DFrequently inspect input power cord for damage or bare wiring −
replace cord immediately if damaged − bare wiring can kill.
DTurn off all equipment when not in use.
DDo not use worn, damaged, undersized, or poorly spliced cables.
DDo not drape cables over your body.
DIf earth grounding of the workpiece is required, ground it directly
with a separate cable.
DDo not touch electrode if you are in contact with the work, ground,
or another electrode from a different machine.
DDo not touch electrode holders connected to two welding ma-
chines at the same time since double open-circuit voltage will be
present.
DUse only well-maintained equipment. Repair or replace damaged
parts at once. Maintain unit according to manual.
DWear a safety harness if working above floor level.
DKeep all panels and covers securely in place.
DClamp work cable with good metal-to-metal contact to workpiece
or worktable as near the weld as practical.
DInsulate work clamp when not connected to workpiece to prevent
contact with any metal object.
DDo not connect more than one electrode or work cable to any
single weld output terminal.
SIGNIFICANT DC VOLTAGE exists in inverter-type
welding power sources after removal of input
power.
DTurn Off inverter, disconnect input power, and discharge input
capacitors according to instructions in Maintenance Section
before touching any parts.
HOT PARTS can cause severe burns.
DDo not touch hot parts bare handed.
DAllow cooling period before working on gun or
torch.
DTo handle hot parts, use proper tools and/or
wear heavy, insulated welding gloves and
clothing to prevent burns.

OM-234 016 Page 2
Welding produces fumes and gases. Breathing
these fumes and gases can be hazardous to your
health.
FUMES AND GASES can be hazardous.
DKeep your head out of the fumes. Do not breathe the fumes.
DIf inside, ventilate the area and/or use local forced ventilation at the
arc to remove welding fumes and gases.
DIf ventilation is poor, wear an approved air-supplied respirator.
DRead and understand the Material Safety Data Sheets (MSDSs)
and the manufacturer’s instructions for metals, consumables,
coatings, cleaners, and degreasers.
DWork in a confined space only if it is well ventilated, or while
wearing an air-supplied respirator. Always have a trained watch-
person nearby. Welding fumes and gases can displace air and
lower the oxygen level causing injury or death. Be sure the breath-
ing air is safe.
DDo not weld in locations near degreasing, cleaning, or spraying op-
erations. The heat and rays of the arc can react with vapors to form
highly toxic and irritating gases.
DDo not weld on coated metals, such as galvanized, lead, or
cadmium plated steel, unless the coating is removed from the weld
area, the area is well ventilated, and while wearing an air-supplied
respirator. The coatings and any metals containing these elements
can give off toxic fumes if welded.
Arc rays from the welding process produce intense
visible and invisible (ultraviolet and infrared) rays
that can burn eyes and skin. Sparks fly off from the
weld.
ARC RAYS can burn eyes and skin.
DWear an approved welding helmet fitted with a proper shade of fil-
ter lenses to protect your face and eyes when welding or watching
(see ANSI Z49.1 and Z87.1 listed in Safety Standards).
DWear approved safety glasses with side shields under your
helmet.
DUse protective screens or barriers to protect others from flash,
glare and sparks; warn others not to watch the arc.
DWear protective clothing made from durable, flame-resistant mate-
rial (leather, heavy cotton, or wool) and foot protection.
Welding on closed containers, such as tanks,
drums, or pipes, can cause them to blow up. Sparks
can fly off from the welding arc. The flying sparks, hot
workpiece, and hot equipment can cause fires and
burns. Accidental contact of electrode to metal objects can cause
sparks, explosion, overheating, or fire. Check and be sure the area is
safe before doing any welding.
WELDING can cause fire or explosion.
DRemove all flammables within 35 ft (10.7 m) of the welding arc. If
this is not possible, tightly cover them with approved covers.
DDo not weld where flying sparks can strike flammable material.
DProtect yourself and others from flying sparks and hot metal.
DBe alert that welding sparks and hot materials from welding can
easily go through small cracks and openings to adjacent areas.
DWatch for fire, and keep a fire extinguisher nearby.
DBe aware that welding on a ceiling, floor, bulkhead, or partition can
cause fire on the hidden side.
DDo not weld on closed containers such as tanks, drums, or pipes,
unless they are properly prepared according to AWS F4.1 (see
Safety Standards).
DDo not weld where the atmosphere may contain flammable dust,
gas, or liquid vapors (such as gasoline).
DConnect work cable to the work as close to the welding area as
practical to prevent welding current from traveling long, possibly
unknown paths and causing electric shock, sparks, and fire
hazards.
DDo not use welder to thaw frozen pipes.
DRemove stick electrode from holder or cut off welding wire at
contact tip when not in use.
DWear oil-free protective garments such as leather gloves, heavy
shirt, cuffless trousers, high shoes, and a cap.
DRemove any combustibles, such as a butane lighter or matches,
from your person before doing any welding.
DAfter completion of work, inspect area to ensure it is free of sparks,
glowing embers, and flames.
DUse only correct fuses or circuit breakers. Do not oversize or by-
pass them.
DFollow requirements in OSHA 1910.252 (a) (2) (iv) and NFPA 51B
for hot work and have a fire watcher and extinguisher nearby.
FLYING METAL or DIRT can injure eyes.
DWelding, chipping, wire brushing, and grinding
cause sparks and flying metal. As welds cool,
they can throw off slag.
DWear approved safety glasses with side
shields even under your welding helmet.
BUILDUP OF GAS can injure or kill.
DShut off shielding gas supply when not in use.
DAlways ventilate confined spaces or use
approved air-supplied respirator.
MAGNETIC FIELDS can affect Implanted
Medical Devices.
DWearers of Pacemakers and other Implante
d
Medical Devices should keep away.
DImplanted Medical Device wearers should consult their docto
r
and the device manufacturer before going near arc welding, spo
t
welding, gouging, plasma arc cutting, or induction heating
operations.
NOISE can damage hearing.
Noise from some processes or equipment can
damage hearing.
DWear approved ear protection if noise level is
high.
Shielding gas cylinders contain gas under high
pressure. If damaged, a cylinder can explode. Since
gas cylinders are normally part of the welding
process, be sure to treat them carefully.
CYLINDERS can explode if damaged.
DProtect compressed gas cylinders from excessive heat, mechani-
cal shocks, physical damage, slag, open flames, sparks, and arcs.
DInstall cylinders in an upright position by securing to a stationary
support or cylinder rack to prevent falling or tipping.
DKeep cylinders away from any welding or other electrical circuits.
DNever drape a welding torch over a gas cylinder.
DNever allow a welding electrode to touch any cylinder.
DNever weld on a pressurized cylinder − explosion will result.
DUse only correct shielding gas cylinders, regulators, hoses, and fit-
tings designed for the specific application; maintain them and
associated parts in good condition.
DTurn face away from valve outlet when opening cylinder valve.
DKeep protective cap in place over valve except when cylinder is in
use or connected for use.
DUse the right equipment, correct procedures, and sufficient num-
ber of persons to lift and move cylinders.
DRead and follow instructions on compressed gas cylinders,
associated equipment, and Compressed Gas Association (CGA)
publication P-1 listed in Safety Standards.

OM-234 016 Page 3
1-3. Additional Symbols For Installation, Operation, And Maintenance
FIRE OR EXPLOSION hazard.
DDo not install or place unit on, over, or near
combustible surfaces.
DDo not install unit near flammables.
DDo not overload building wiring − be sure power supply system is
properly sized, rated, and protected to handle this unit.
FALLING UNIT can cause injury.
DUse lifting eye to lift unit only, NOT running
gear, gas cylinders, or any other accessories.
DUse equipment of adequate capacity to lift and
support unit.
DIf using lift forks to move unit, be sure forks are
long enough to extend beyond opposite side of
unit.
OVERUSE can cause OVERHEATING
DAllow cooling period; follow rated duty cycle.
DReduce current or reduce duty cycle before
starting to weld again.
DDo not block or filter airflow to unit.
FLYING SPARKS can cause injury.
DWear a face shield to protect eyes and face.
DShape tungsten electrode only on grinder with
proper guards in a safe location wearing proper
face, hand, and body protection.
DSparks can cause fires — keep flammables away.
STATIC (ESD) can damage PC boards.
DPut on grounded wrist strap BEFORE handling
boards or parts.
DUse proper static-proof bags and boxes to
store, move, or ship PC boards.
MOVING PARTS can cause injury.
DKeep away from moving parts.
DKeep away from pinch points such as drive
rolls.
WELDING WIRE can cause injury.
DDo not press gun trigger until instructed to do
so.
DDo not point gun toward any part of the body,
other people, or any metal when threading
welding wire.
MOVING PARTS can cause injury.
DKeep away from moving parts such as fans.
DKeep all doors, panels, covers, and guards
closed and securely in place.
DHave only qualified persons remove doors, panels, covers, or
guards for maintenance as necessary.
DReinstall doors, panels, covers, or guards when maintenance is
finished and before reconnecting input power.
READ INSTRUCTIONS.
DRead Owner’s Manual before using or servic-
ing unit.
DUse only genuine replacement parts from the
manufacturer.
H.F. RADIATION can cause interference.
DHigh-frequency (H.F.) can interfere with radio
navigation, safety services, computers, and
communications equipment.
DHave only qualified persons familiar with
electronic equipment perform this installation.
DThe user is responsible for having a qualified electrician prompt-
ly correct any interference problem resulting from the installa-
tion.
DIf notified by the FCC about interference, stop using the
equipment at once.
DHave the installation regularly checked and maintained.
DKeep high-frequency source doors and panels tightly shut, keep
spark gaps at correct setting, and use grounding and shielding to
minimize the possibility of interference.
ARC WELDING can cause interference.
DElectromagnetic energy can interfere with
sensitive electronic equipment such as
computers and computer-driven equipment
such as robots.
DBe sure all equipment in the welding area is
electromagnetically compatible.
DTo reduce possible interference, keep weld cables as short as
possible, close together, and down low, such as on the floor.
DLocate welding operation 100 meters from any sensitive elec-
tronic equipment.
DBe sure this welding machine is installed and grounded
according to this manual.
DIf interference still occurs, the user must take extra measures
such as moving the welding machine, using shielded cables,
using line filters, or shielding the work area.

OM-234 016 Page 4
1-4. California Proposition 65 Warnings
Welding or cutting equipment produces fumes or gases
which contain chemicals known to the State of California to
cause birth defects and, in some cases, cancer. (California
Health & Safety Code Section 25249.5 et seq.)
Battery posts, terminals and related accessories contain lead
and lead compounds, chemicals known to the State of
California to cause cancer and birth defects or other
reproductive harm. Wash hands after handling.
For Gasoline Engines:
Engine exhaust contains chemicals known to the State of
California to cause cancer, birth defects, or other reproduc-
tive harm.
For Diesel Engines:
Diesel engine exhaust and some of its constituents are
known to the State of California to cause cancer, birth
defects, and other reproductive harm.
1-5. Principal Safety Standards
Safety in Welding, Cutting, and Allied Processes, ANSI Standard Z49.1,
from Global Engineering Documents (phone: 1-877-413-5184, website:
www.global.ihs.com).
Recommended Safe Practices for the Preparation for Welding and Cut-
ting of Containers and Piping, American Welding Society Standard
AWS F4.1, from Global Engineering Documents (phone:
1-877-413-5184, website: www.global.ihs.com).
National Electrical Code, NFPA Standard 70, from National Fire Protec-
tion Association, P.O. Box 9101, Quincy, MA 02269-9101 (phone:
617-770-3000, website: www.nfpa.org and www. sparky.org).
Safe Handling of Compressed Gases in Cylinders, CGA Pamphlet P-1,
from Compressed Gas Association, 4221 Walney Road, 5th Floor,
Chantilly, VA 20151 (phone: 703-788-2700, website:www.cganet.com).
Code for Safety in Welding and Cutting, CSA Standard W117.2, from
Canadian Standards Association, Standards Sales, 5060 Mississauga,
Ontario, Canada L4W 5NS (phone: 800-463-6727 or in Toronto
416-747-4044, website: www.csa-international.org).
Safe Practice For Occupational And Educational Eye And Face Protec-
tion, ANSI Standard Z87.1, from American National Standards Institute,
25 West 43rd Street, New York, NY 10036–8002 (phone:
212-642-4900, website: www.ansi.org).
Standard for Fire Prevention During Welding, Cutting, and Other Hot
Work, NFPA Standard 51B, from National Fire Protection Association,
P.O. Box 9101, Quincy, MA 02269-9101 (phone: 617-770-3000, web-
site: www.nfpa.org.
OSHA, Occupational Safety and Health Standards for General Indus-
try, Title 29, Code of Federal Regulations (CFR), Part 1910, Subpart Q,
and Part 1926, Subpart J, from U.S. Government Printing Office, Super-
intendent of Documents, P.O. Box 371954, Pittsburgh, PA 15250-7954
(phone: 1-866-512-1800) (there are 10 Regional Offices—phone for
Region 5, Chicago, is 312-353-2220, website: www.osha.gov).
1-6. EMF Information
Considerations About Welding And The Effects Of Low Frequency
Electric And Magnetic Fields
Welding current, as it flows through welding cables, will cause electro-
magnetic fields. There has been and still is some concern about such
fields. However, after examining more than 500 studies spanning 17
years of research, a special blue ribbon committee of the National
Research Council concluded that: “The body of evidence, in the
committee’s judgment, has not demonstrated that exposure to power-
frequency electric and magnetic fields is a human-health hazard.”
However, studies are still going forth and evidence continues to be
examined. Until the final conclusions of the research are reached, you
may wish to minimize your exposure to electromagnetic fields when
welding or cutting.
To reduce magnetic fields in the workplace, use the following
procedures:
1. Keep cables close together by twisting or taping them, or using a
cable cover.
2. Arrange cables to one side and away from the operator.
3. Do not coil or drape cables around your body.
4. Keep welding power source and cables as far away from opera-
tor as practical.
5. Connect work clamp to workpiece as close to the weld as possi-
ble.
About Implanted Medical Devices:
Implanted Medical Device wearers should consult their doctor and the
device manufacturer before performing or going near arc welding, spot
welding, gouging, plasma arc cutting, or induction heating operations.
If cleared by your doctor, then following the above procedures is recom-
mended.

OM-234 016 Page 5
SECTION 2 − CONSIGNES DE SÉCURITÉ − LIRE AVANT UTILISATION
fre_som_2007−04
7
Se protéger et protéger les autres contre le risque de blessure — lire et respecter ces consignes.
2-1. Symboles utilisés
DANGER! − Indique une situation dangereuse qui si on
l’évite pas peut donner la mort ou des blessures graves.
Les dangers possibles sont montrés par les symboles
joints ou sont expliqués dans le texte.
Indique une situation dangereuse qui si on l’évite pas
peut donner la mort ou des blessures graves. Les dan-
gers possibles sont montrés par les symboles joints ou
sont expliqués dans le texte.
NOTE − Indique des déclarations pas en relation avec des blessures
personnelles.
.Indique des instructions spécifiques.
Ce groupe de symboles veut dire Avertissement! Attention! DANGER
DE CHOC ELECTRIQUE, PIECES EN MOUVEMENT, et PIECES
CHAUDES. Consulter les symboles et les instructions ci-dessous y
afférant pour les actions nécessaires afin d’éviter le danger.
2-2. Dangers relatifs au soudage à l’arc
Les symboles représentés ci-dessous sont utilisés dans ce ma-
nuel pour attirer l’attention et identifier les dangers possibles. En
présence de l’un de ces symboles, prendre garde et suivre les
instructions afférentes pour éviter tout risque. Les instructions
en matière de sécurité indiquées ci-dessous ne constituent
qu’un sommaire des instructions de sécurité plus complètes
fournies dans les normes de sécurité énumérées dans la Sec-
tion 2-5. Lire et observer toutes les normes de sécurité.
Seul un personnel qualifié est autorisé à installer, faire fonc-
tionner, entretenir et réparer cet appareil.
Pendant le fonctionnement, maintenir à distance toutes les
personnes, notamment les enfants de l’appareil.
UNE DÉCHARGE ÉLECTRIQUE peut
entraîner la mort.
Le contact d’organes électriques sous tension peut
provoquer des accidents mortels ou des brûlures
graves. Le circuit de l’électrode et de la pièce est
sous tension lorsque le courant est délivré à la
sortie. Le circuit d’alimentation et les circuits internes de la machine
sont également sous tension lorsque l’alimentation est sur Marche.
Dans le mode de soudage avec du fil, le fil, le dérouleur, le bloc de
commande du rouleau et toutes les parties métalliques en contact
avec le fil sont sous tension électrique. Un équipement installé ou mis
à la terre de manière incorrecte ou impropre constitue un danger.
DNe pas toucher aux pièces électriques sous tension.
DPorter des gants isolants et des vêtements de protection secs et
sans trous.
DS’isoler de la pièce à couper et du sol en utilisant des housses ou
des tapis assez grands afin d’éviter tout contact physique avec la
pièce à couper ou le sol.
DNe pas se servir de source électrique à courant électrique dans les
zones humides, dans les endroits confinés ou là où on risque de
tomber.
DSe servir d’une source électrique à courant électrique UNIQUE-
MENT si le procédé de soudage le demande.
DSi l’utilisation d’une source électrique à courant électrique s’avère
nécessaire, se servir de la fonction de télécommande si l’appareil
en est équipé.
DD’autres consignes de sécurité sont nécessaires dans les condi-
tions suivantes : risques électriques dans un environnement
humide ou si l’on porte des vêtements mouillés ; sur des structures
métalliques telles que sols, grilles ou échafaudages ; en position
coincée comme assise, à genoux ou couchée ; ou s’il y a un risque
élevé de contact inévitable ou accidentel avec la pièce à souder ou
le sol. Dans ces conditions, utiliser les équipements suivants,
dans l’ordre indiqué : 1) un poste à souder DC à tension constante
(à fil), 2) un poste à souder DC manuel (électrode) ou 3) un poste à
souder AC à tension à vide réduite. Dans la plupart des situations,
l’utilisation d’un poste à souder DC à fil à tension constante est re-
commandée. En outre, ne pas travailler seul !
DCouper l’alimentation ou arrêter le moteur avant de procéder à l’in-
stallation, à la réparation ou à l’entretien de l’appareil. Déverrouiller
l’alimentation selon la norme OSHA 29 CFR 1910.147 (voir nor-
mes de sécurité).
DInstaller le poste correctement et le mettre à la terre convenable-
ment selon les consignes du manuel de l’opérateur et les normes
nationales, provinciales et locales.
DToujours vérifier la terre du cordon d’alimentation. Vérifier et
s’assurer que le fil de terre du cordon d’alimentation est bien
raccordé à la borne de terre du sectionneur ou que la fiche du
cordon est raccordée à une prise correctement mise à la terre.
DEn effectuant les raccordements d’entrée, fixer d’abord le conduc-
teur de mise à la terre approprié et contre-vérifier les connexions.
DLes câbles doivent être exempts d’humidité, d’huile et de graisse;
protégez−les contre les étincelles et les pièces métalliques
chaudes.
DVérifier fréquemment le cordon d’alimentation afin de s’assurer
qu’il n’est pas altéré ou à nu, le remplacer immédiatement s’il l’est.
Un fil à nu peut entraîner la mort.
DL’équipement doit être hors tension lorsqu’il n’est pas utilisé.
DNe pas utiliser des câbles usés, endommagés, de grosseur insuffi-
sante ou mal épissés.
DNe pas enrouler les câbles autour du corps.
DSi la pièce soudée doit être mise à la terre, le faire directement
avec un câble distinct.
DNe pas toucher l’électrode quand on est en contact avec la pièce,
la terre ou une électrode provenant d’une autre machine.
DNe pas toucher des porte électrodes connectés à deux machines
en même temps à cause de la présence d’une tension à vide dou-
blée.
DN’utiliser qu’un matériel en bon état. Réparer ou remplacer sur-le-
champ les pièces endommagées. Entretenir l’appareil
conformément à ce manuel.
DPorter un harnais de sécurité si l’on doit travailler au-dessus du sol.
DS’assurer que tous les panneaux et couvercles sont correctement
en place.
DFixer le câble de retour de façon à obtenir un bon contact métal-
métal avec la pièce à souder ou la table de travail, le plus près
possible de la soudure.
DIsoler la pince de masse quand pas mis à la pièce pour éviter le
contact avec tout objet métallique.
DNe pas raccorder plus d’une électrode ou plus d’un câble de
masse à une même borne de sortie de soudage.

OM-234 016 Page 6
Il reste une TENSION DC NON NÉGLIGEABLE dans
les sources de soudage onduleur quand on a
coupé l’alimentation.
DArrêter les convertisseurs, débrancher le courant électrique et
décharger les condensateurs d’alimentation selon les instructions
indiquées dans la partie Entretien avant de toucher les pièces.
DES PIÈCES CHAUDES peuvent
provoquer des brûlures graves.
DNe pas toucher à mains nues les parti
es
chaudes.
DPrévoir une période de refroidissement avant
de
travailler à l’équipement.
DNe pas toucher aux pièces chaudes, utiliser les outils recomma
n-
dés et porter des gants de soudage et des vêtements épais po
ur
éviter les brûlures.
LES FUMÉES ET LES GAZ peuvent ê
tre
dangereux.
Le soudage génère des fumées et des gaz. Leu
r
inhalation peut être dangereux pour votre santé.
DEloigner votre tête des fumées. Ne pas respirer les fumées.
DÀ l’intérieur, ventiler la zone et/ou utiliser une ventilation forcée au
niveau de l’arc pour l’évacuation des fumées et des gaz de soudage.
DSi la ventilation est médiocre, porter un respirateur anti-vapeurs
approuvé.
DLire et comprendre les spécifications de sécurité des matériaux
(MSDS) et les instructions du fabricant concernant les métaux, les
consommables, les revêtements, les nettoyants et les dégrais-
seurs.
DTravailler dans un espace fermé seulement s’il est bien ventilé ou
en portant un respirateur à alimentation d’air. Demander toujours à
un surveillant dûment formé de se tenir à proximité. Des fumées et
des gaz de soudage peuvent déplacer l’air et abaisser le niveau
d’oxygène provoquant des blessures ou des accidents mortels.
S’assurer que l’air de respiration ne présente aucun danger.
DNe pas souder dans des endroits situés à proximité d’opérations
de dégraissage, de nettoyage ou de pulvérisation. La chaleur et
les rayons de l’arc peuvent réagir en présence de vapeurs et for-
mer des gaz hautement toxiques et irritants.
DNe pas souder des métaux munis d’un revêtement, tels que l’acier
galvanisé, plaqué en plomb ou au cadmium à moins que le revête-
ment n’ait été enlevé dans la zone de soudure, que l’endroit soit
bien ventilé, et en portant un respirateur à alimentation d’air. Les
revêtements et tous les métaux renfermant ces éléments peuvent
dégager des fumées toxiques en cas de soudage.
LES RAYONS DE L’ARC peuvent p
ro-
voquer des brûlures dans les yeux
et
sur la peau.
Le rayonnement de l’arc du procédé de souda
ge
génère des rayons visibles et invisibles intens
es
(ultraviolets et infrarouges) susceptibles de provoquer des brûlu
res
dans les yeux et sur la peau. Des étincelles sont projetées pendan
t le
soudage.
DPorter un casque de soudage approuvé muni de verres filtrants
approprié pour protéger visage et yeux pendant le soudage
(voir ANSI Z49.1 et Z87.1 énuméré dans les normes de sécurité).
DPorter des lunettes de sécurité avec écrans latéraux même sous
votre casque.
DAvoir recours à des écrans protecteurs ou à des rideaux pour
protéger les autres contre les rayonnements les éblouissements
et les étincelles ; prévenir toute personne sur les lieux de ne pas
regarder l’arc.
DPorter des vêtements confectionnés avec des matières résistan-
tes et ignifuges (cuir, coton lourd ou laine) et des bottes de
protection.
Le soudage effectué sur des conteneurs fermés t
els
que des réservoirs, tambours ou des conduites p
eu
provoquer leur éclatement. Des étincelles peuv
en
être projetées de l’arc de soudure. La projection d’étincelles, des pièc
es
chaudes et des équipements chauds peut provoquer des incendies
e
des brûlures. Le contact accidentel de l’électrode avec des obj
ets
métalliques peut provoquer des étincelles, une explosion, un surcha
uf-
fement ou un incendie. Avant de commencer le soudage, vérifier
e
s’assurer que l’endroit ne présente pas de danger.
LE SOUDAGE peut provoquer un
in-
cendie ou une explosion.
DDéplacer toutes les substances inflammables à une distance de
10,7 m de l’arc de soudage. En cas d’impossibilité les recouvrir
soigneusement avec des protections homologués.
DNe pas souder dans un endroit là où des étincelles peuvent tomber
sur des substances inflammables.
DSe protéger et d’autres personnes de la projection d’étincelles et
de métal chaud.
DDes étincelles et des matériaux chauds du soudage peuvent
facilement passer dans d’autres zones en traversant de petites
fissures et des ouvertures.
DSurveiller tout déclenchement d’incendie et tenir un extincteur à
proximité.
DLe soudage effectué sur un plafond, plancher, paroi ou séparation
peut déclencher un incendie de l’autre côté.
DNe pas effectuer le soudage sur des conteneurs fermés tels que
des réservoirs, tambours, ou conduites, à moins qu’ils n’aient été
préparés correctement conformément à AWS F4.1 (voir les nor-
mes de sécurité).
DNe soudez pas si l’air ambiant est chargé de particules, gaz, ou va-
peurs inflammables (vapeur d’essence, par exemple).
DBrancher le câble de masse sur la pièce le plus près possible de la
zone de soudage pour éviter le transport du courant sur une
longue distance par des chemins inconnus éventuels en provo-
quant des risques d’électrocution, d’étincelles et d’incendie.
DNe pas utiliser le poste de soudage pour dégeler des conduites ge-
lées.
DEn cas de non utilisation, enlever la baguette d’électrode du porte-
électrode ou couper le fil à la pointe de contact.
DPorter des vêtements de protection dépourvus d’huile tels que des
gants en cuir, une chemise en matériau lourd, des pantalons sans
revers, des chaussures hautes et un couvre chef.
DAvant de souder, retirer toute substance combustible de vos po-
ches telles qu’un allumeur au butane ou des allumettes.
DUne fois le travail achevé, assurez−vous qu’il ne reste aucune
trace d’étincelles incandescentes ni de flammes.
DUtiliser exclusivement des fusibles ou coupe−circuits appropriés.
Ne pas augmenter leur puissance; ne pas les ponter.
DUne fois le travail achevé, assurez−vous qu’il ne reste aucune
trace d’étincelles incandescentes ni de flammes.
DUtiliser exclusivement des fusibles ou coupe−circuits appropriés.
Ne pas augmenter leur puissance; ne pas les ponter.
DSuivre les recommandations dans OSHA 1910.252(a)(2)(iv) et
NFPA 51B pour les travaux à chaud et avoir de la surveillance et un
extincteur à proximité.
DES PIECES DE METAL ou DES SA-
LETES peuvent provoquer des bles-
sures dans les yeux.
DLe soudage, l’écaillement, le passage de la pièce à la brosse en
fil de fer, et le meulage génèrent des étincelles et des particules
métalliques volantes. Pendant la période de refroidissement des
soudures, elles risquent de projeter du laitier.
DPorter des lunettes de sécurité avec écrans latéraux ou un écran
facial.

OM-234 016 Page 7
LES ACCUMULATIONS DE GAZ
risquent de provoquer des blessures
ou même la mort.
DFermer l’alimentation du gaz protecteur en cas
de non-utilisation.
DVeiller toujours à bien aérer les espaces confi-
nés ou se servir d’un respirateur d’adduction
d’air homologué.
LES CHAMPS MAGNETIQUES peuv-
ent affecter des implants médicaux.
DPorteur de simulateur cardiaque ou autre im-
plants médicaux, rester à distance.
DLes porteurs d’implants doivent d’abord consulter leur médecin
avant de s’approcher des opérations de soudage à l’arc, de sou-
dage par points, de gougeage, du coupage plasma ou de chauf-
fage par induction.
LE BRUIT peut endommager l’ouïe.
Le bruit des processus et des équipements peut
affecter l’ouïe.
DPorter des protections approuvées pour les
oreilles si le niveau sonore est trop élevé.
Des bouteilles de gaz protecteur contiennent du gaz
sous haute pression. Si une bouteille est endomma-
gée, elle peut exploser. Du fait que les bouteilles de
gaz font normalement partie du procédé de sou-
dage, les manipuler avec précaution.
LES BOUTEILLES peuvent exploser
si elles sont endommagées.
DProtéger les bouteilles de gaz comprimé d’une chaleur excessive,
des chocs mécaniques, des dommages physiques, du laitier, des
flammes ouvertes, des étincelles et des arcs.
DPlacer les bouteilles debout en les fixant dans un support station-
naire ou dans un porte-bouteilles pour les empêcher de tomber ou
de se renverser.
DTenir les bouteilles éloignées des circuits de soudage ou autres
circuits électriques.
DNe jamais placer une torche de soudage sur une bouteille à gaz.
DUne électrode de soudage ne doit jamais entrer en contact avec
une bouteille.
DNe jamais souder une bouteille pressurisée − risque d’explosion.
DUtiliser seulement des bouteilles de gaz protecteur, régulateurs,
tuyaux et raccords convenables pour cette application spécifique ;
les maintenir ainsi que les éléments associés en bon état.
DDétourner votre visage du détendeur-régulateur lorsque vous
ouvrez la soupape de la bouteille.
DLe couvercle du détendeur doit toujours être en place, sauf lorsque
la bouteille est utilisée ou qu’elle est reliée pour usage ultérieur.
DUtiliser les équipements corrects, les bonnes procédures et suffi-
samment de personnes pour soulever et déplacer les bouteilles.
DLire et suivre les instructions sur les bouteilles de gaz comprimé,
l’équipement connexe et le dépliant P-1 de la CGA (Compressed
Gas Association) mentionné dans les principales normes de sécu-
rité.
2-3. Dangers supplémentaires en relation avec l’installation, le fonctionnement et la maintenanc
e
Risque D’INCENDIE OU D’EXPLO-
SION.
DNe pas placer l’appareil sur, au-dessus ou
à proximité de surfaces inflammables.
DNe pas installer l’appareil à proximité de pro-
duits inflammables.
DNe pas surcharger l’installation électrique − s’assurer que
l’alimentation est correctement dimensionnée et protégée avant
de mettre l’appareil en service.
LA CHUTE DE L’APPAREIL peut
blesser.
DUtiliser l’anneau de levage uniquement pour
soulever l’appareil, NON PAS les chariots, les
bouteilles de gaz ou tout autre accessoire.
DUtiliser un équipement de levage de capacité
suffisante pour lever l’appareil.
DEn utilisant des fourches de levage pour déplacer l’unité, s’assu-
rer que les fourches sont suffisamment longues pour dépasser
du côté opposé de l’appareil.
L’EMPLOI EXCESSIF peut SUR-
CHAUFFER L’ÉQUIPEMENT.
DPrévoir une période de refroidissement ; re-
specter le cycle opératoire nominal.
DRéduire le courant ou le facteur de marche
avant de poursuivre le soudage.
DNe pas obstruer les passages d’air du poste.
LES ÉTINCELLES VOLANTES ris-
quent de provoquer des blessures.
DPorter un écran facial pour protéger le visage
et
les yeux.
DAffûter l’électrode au tungstène uniquement à
la
meuleuse dotée de protecteurs. Cette manœu
v-
re est à exécuter dans un endroit sûr lorsque l’
on
porte l’équipement homologué de protection
du
visage, des mains et du corps.
DLes étincelles risquent de causer un incendie − éloigner toute su
b-
stance inflammable.
LES CHARGES ÉLECTROSTATI-
QUES peuvent endommager les
circuits imprimés.
DÉtablir la connexion avec la barrette de terre
avant de manipuler des cartes ou des pièces.
DUtiliser des pochettes et des boîtes antistati-
ques pour stocker, déplacer ou expédier des
cartes de circuits imprimes.
DES ORGANES MOBILES peuvent
provoquer des blessures.
DNe pas s’approcher des organes mobiles.
DNe pas s’approcher des points de coincement
tels que des rouleaux de commande.

OM-234 016 Page 8
LES FILS DE SOUDAGE peuvent
provoquer des blessures.
DNe pas appuyer sur la gâchette avant d’en
avoir reçu l’instruction.
DNe pas diriger le pistolet vers soi, d’autres per-
sonnes ou toute pièce mécanique en enga-
geant le fil de soudage.
DES ORGANES MOBILES peuvent
provoquer des blessures.
DS’abstenir de toucher des organes mobiles tels
que des ventilateurs.
DMaintenir fermés et verrouillés les portes, pan-
neaux, recouvrements et dispositifs de protec-
tion.
DSeules des personnes qualifiées sont autorisées à enlever les
portes, panneaux, recouvrements ou dispositifs de protection
pour l’entretien.
DRemettre les portes, panneaux, recouvrements ou dispositifs de
protection quand l’entretien est terminé et avant de rebrancher
l’alimentation électrique.
LIRE LES INSTRUCTIONS.
DLisez le manuel d’instructions avant l’utilisation
ou la maintenance de l’appareil.
DN’utiliser que les pièces de rechange recom-
mandées par le constructeur.
DEffectuer régulièrement le contrôle et l’entretien de l’installation.
DMaintenir soigneusement fermés les portes et les panneaux des
sources de haute fréquence, maintenir les éclateurs à une distan-
ce correcte et utiliser une terre et un blindage pour réduire les
interférences éventuelles.
LE RAYONNEMENT HAUTE FRÉ-
QUENCE (H.F.) risque de provoquer
des interférences.
DLe rayonnement haute fréquence (H.F.) peut
provoquer des interférences avec les équipe-
ments de radio−navigation et de communica-
tion, les services de sécurité et les ordinateurs.
DDemander seulement à des personnes qualifiées familiarisées
avec des équipements électroniques de faire fonctionner l’installa-
tion.
DL’utilisateur est tenu de faire corriger rapidement par un électricien
qualifié les interférences résultant de l’installation.
DSi le FCC signale des interférences, arrêter immédiatement l’ap-
pareil.
LE SOUDAGE À L’ARC risque de
provoquer des interférences.
DL’énergie électromagnétique risque de provo-
quer des interférences pour l’équipement élec-
tronique sensible tel que les ordinateurs et l’é-
quipement commandé par ordinateur tel que
les robots.
DVeiller à ce que tout l’équipement de la zone de soudage soit
compatible électromagnétiquement.
DPour réduire la possibilité d’interférence, maintenir les câbles de
soudage aussi courts que possible, les grouper, et les poser
aussi bas que possible (ex. par terre).
DVeiller à souder à une distance de 100 mètres de tout équipe-
ment électronique sensible.
DVeiller à ce que ce poste de soudage soit posé et mis à la terre
conformément à ce mode d’emploi.
DEn cas d’interférences après avoir pris les mesures précéden-
tes, il incombe à l’utilisateur de prendre des mesures supplé-
mentaires telles que le déplacement du poste, l’utilisation de câ-
bles blindés, l’utilisation de filtres de ligne ou la pose de protec-
teurs dans la zone de travail.
2-4. Proposition californienne 65 Avertissements
Les équipements de soudage et de coupage produisent des
fumées et des gaz qui contiennent des produits chimiques
dont l’État de Californie reconnaît qu’ils provoquent des mal-
formations congénitales et, dans certains cas, des cancers.
(Code de santé et de sécurité de Californie, chapitre 25249.5
et suivants)
Les batteries, les bornes et autres accessoires contiennent
du plomb et des composés à base de plomb, produits chimi-
ques dont l’État de Californie reconnaît qu’ils provoquent des
cancers et des malformations congénitales ou autres
problèmes de procréation. Se laver les mains après manipu-
lation.
Pour les moteurs à essence :
Les gaz d’échappement des moteurs contiennent des pro-
duits chimiques dont l’État de Californie reconnaît qu’ils
provoquent des cancers et des malformations congénitales
ou autres problèmes de procréation.
Pour les moteurs diesel :
Les gaz d’échappement des moteurs diesel et certains de
leurs composants sont reconnus par l’État de Californie com-
me provoquant des cancers et des malformations
congénitales ou autres problèmes de procréation.

OM-234 016 Page 9
2-5. Principales normes de sécurité
Safety in Welding, Cutting, and Allied Processes, ANSI Standard Z49.1,
de Global Engineering Documents (téléphone : 1-877-413-5184, site
Internet : www.global.ihs.com).
Recommended Safe Practices for the Preparation for Welding and Cut-
ting of Containers and Piping, American Welding Society Standard
AWS F4.1 de Global Engineering Documents (téléphone :
1-877-413-5184, site Internet : www.global.ihs.com).
National Electrical Code, NFPA Standard 70, de National Fire Protec-
tion Association, P.O. Box 9101, Quincy, MA 02269-9101 (téléphone :
617-770-3000, site Internet : www.nfpa.org).
Safe Handling of Compressed Gases in Cylinders, CGA Pamphlet P-1,
de Compressed Gas Association, 4221 Walney Road, 5th Floor, Chan-
tilly, VA 20151 (téléphone : 703-788-2700, site Internet :
www.cganet.com).
Code for Safety in Welding and Cutting, CSA Standard W117.2, de
Canadian Standards Association, 5060 Mississauga, Ontario, Canada
L4W 5NS (téléphone : 800-463-6727 ou à Toronto 416-747-4044, site
Internet : www.csa-international.org).
Safe Practice For Occupational And Educational Eye And Face Protec-
tion, ANSI Standard Z87.1, de American National Standards Institute,
11 West 43rd Street, New York, NY 10036-8002 (téléphone :
212-642-4900, site Internet : www.ansi.org).
Standard for Fire Prevention During Welding, Cutting, and Other Hot
Work, NFPA Standard 51B, de National Fire Protection Association,
P.O. Box 9101, Quincy, MA 02269-9101 (téléphone : 617-770-3000,
site Internet : www.nfpa.org).
OSHA, Occupational Safety and Health Standards for General Indus-
try, Title 29, Code of Federal Regulations (CFR), Part 1910, Subpart Q,
and Part 1926, Subpart J, de U.S. Government Printing Office, Superin-
tendent of Documents, P.O. Box 371954, Pittsburgh, PA 15250-7954
(téléphone : 1-866-512-1800) (il y a 10 bureaux régionaux−−le télépho-
ne de la région 5, Chicago, est 312-353-2220, site Internet :
www.osha.gov).
2-6. Information EMF
Considérations sur le soudage et les effets de basse fréquence et des
champs magnétiques et électriques.
Le courant de soudage, pendant son passage dans les câbles de sou-
dage, causera des champs électromagnétiques. Il y a eu et il y a encore
un certain souci à propos de tels champs. Cependant, après avoir exa-
miné plus de 500 études qui ont été faites pendant une période de
recherche de 17 ans, un comité spécial ruban bleu du National
Research Council a conclu : « L’accumulation de preuves, suivant le
jugement du comité, n’a pas démontré que l’exposition aux champs
magnétiques et champs électriques à haute fréquence représente un
risque à la santé humaine ». Toutefois, des études sont toujours en
cours et les preuves continuent à être examinées. En attendant que les
conclusions finales de la recherche soient établies, il vous serait
souhaitable de réduire votre exposition aux champs électromagnéti-
ques pendant le soudage ou le coupage.
Pour réduire les champs magnétiques sur le poste de travail, appliquer
les procédures suivantes :
1. Garder les câbles ensemble, les torsader, les scotcher, ou les
recouvrir d’une housse.
2. Disposer les câbles d’un côté et à distance de l’opérateur.
3. Ne pas courber pas et ne pas entourer pas les câbles autour de
votre corps.
4. Garder le poste de soudage et les câbles le plus loin possible de
vous.
5. Connecter la pince sur la pièce aussi près que possible de la
soudure.
En ce qui concerne les implants médicaux :
Les porteurs d’implants doivent d’abord consulter leur médecin avant
de s’approcher des opérations de soudage à l’arc, de soudage par
points, de gougeage, du coupage plasma ou de chauffage par induc-
tion. Si le médecin approuve, il est recommandé de suivre les
procédures précédentes.

OM-234 016 Page 10

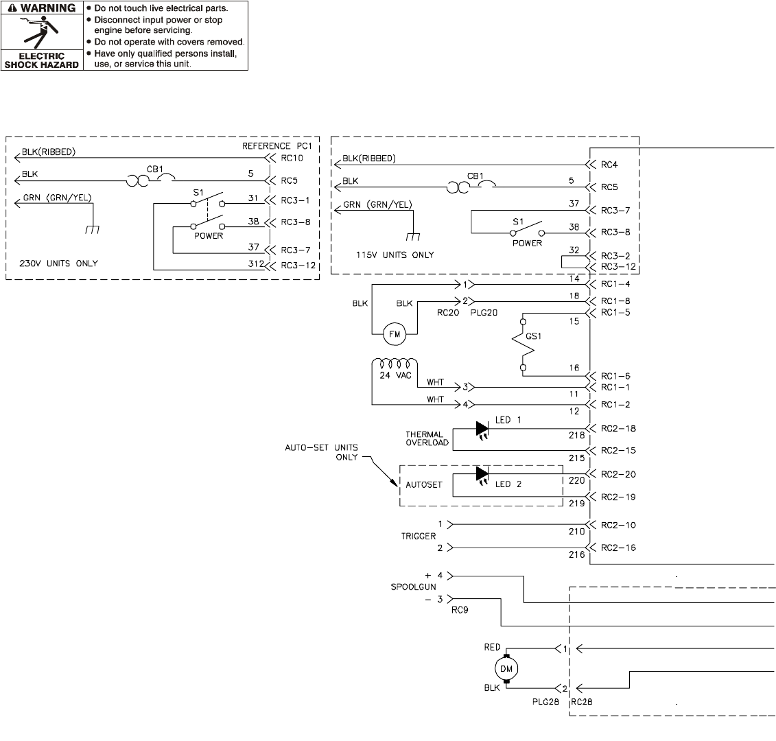
OM-234 016 Page 11
SECTION 3 − INSTALLATION
3-1. Specifications
Wire Diameter Range Approximate Wire
Feed Range Cooling
Method Maximum
Spool Size Weld Circuit
Rating Overall Dimensions Weight
.030 Thru .035 in
(0.8 Thru 0.9 mm)
Aluminum Wire
Or Flux Cored Wire
.023 Thru 035 in
(0.6 Thru 0.9 mm) Solid
Wire
Millermatic 140
AutoSet: 5 To 365 ipm
(0.13 To 9.27 mpm)
Millermatic 140:
5 To 435 ipm
(0.13 To 11.05 mpm)
Millermatic 180 And
Renegade 180:
65 To 625 ipm
(1.65 To 15.88 mpm)
Air Cooled 4 in (102 mm)
Diameter
22.5 Volts, 135
Amperes, 30%
Duty Cycle
Using Argon
Shielding Gas
Length:
13 in (330 mm)
Width:
2-1/4 in (57 mm)
Height:
8 in (203 mm)
5.6 lb (2.54 kg)
Gun With Cable
3-2. Removing MIG Gun From Welding Power Source
Open Pressure Assembly
.Hold wire tightly to keep it
from unraveling.
Rewind Wire Onto Spool, Fasten
End Of Wire To Spool
Cut Off End Of Wire
Loosen Knob, Disconnect Gun Trigger
Plug, And Pull Gun From Unit
Ref. 802 982-A
Knob

OM-234 016 Page 12
3-3. Connecting Spool Gun To Millermatic 140/180 Models
A. Installing Optional Spool Gun Switch In Millermatic 140/180 Models
Ref. 804 984-A / 804 982-A
Tools Needed:
1/4, 5/16 in
9/16 in
.For Renegade 180 And
Passport Plus Models: Discard
switch assembly; unit is
pre−wired for spool gun option.
Go to Section 3-4 or 3-5.
!Turn Off unit, and disconnect
input power.
.For units prior to Serial No.
LH210051N, use retrokit part
no. 300409 for installing spool
gun switch.
Remove wrapper from welding
power source.
1 Welding Power Source Center
Baffle
2 Snap-in Blank
Remove and discard snap-in blank
from hole in center baffle.
3 Switch Assembly
4 Star Washer
5 Jam Nut
Remove top jam nut and star
washer from switch (switch is
equipped with two nuts, a jam nut
and a backing nut).
Insert switch assembly into center
baffle so that keyway in switch shaft
is facing up.
Secure switch to center baffle with
star washer and jam nut. Tighten
jam nut enough to keep switch from
rotating.
6 Wiring Harness Connectors
7 Switch Connectors
8 Label
Locate and separate connectors in
wiring harness near label.
Connect switch connectors to
matching connectors in wiring
harness.
Install wrapper on unit.
Operation:
Place switch in the position with the
spool gun symbol on the label for
spool gun operation. Place switch in
the position with the MIG gun symbol
on the label for wire feeder/MIG
(GMAW) gun operation.
When the switch is in the spool gun
position, spool gun wire feed speed
and voltage are controlled by
welding power source controls.
2
1
7
6
4
3
1
5
8

OM-234 016 Page 13
B. Connecting Spool Gun To Millermatic 140/180
804 984-A / Ref. 801 987
1 Drive Assembly
2 Spool Gun
3 Gun Securing Knob
4 Gun End
Loosen thumbscrew. Insert end
through opening until it bottoms
against drive assembly. Tighten
gun securing knob.
Spool gun must be inserted
completely to prevent leakage of
shielding gas.
5 Gun Trigger Plug
Insert plug into receptacle, and
tighten threaded collar.
6 Spool Gun/MIG Gun Switch
Place switch in Spool Gun position.
7 Polarity Changeover Terminal
Block
To make proper polarity connection,
see welding power source Owner’s
Manual.
Close door.
Incorrect
Gun Fully Seated
Gun Not Seated
6
Correct
.Be sure that gun end is tight against drive assembly.
4
4
Exposed O-rings
will cause shielding
gas leakage.
5
7
132
4

OM-234 016 Page 14
3-4. Connecting Spool Gun To Millermatic Passport Plus
805 095-A / Ref. 801 987
1 Drive Assembly
2 Spool Gun
3 Gun Securing Knob
4 Gun End
Loosen thumbscrew. Insert end
through opening until it bottoms
against drive assembly. Tighten
gun securing knob.
Spool gun must be inserted
completely to prevent leakage of
shielding gas.
5 Gun Trigger Plug
Insert plug into receptacle, and
tighten threaded collar.
6 Internal/External Transfer
Switch
Place switch in the External Gas
Supply position.
7 Polarity Changeover Terminal
Block
To make proper polarity connection,
see welding power source Owner’s
Manual.
Close door.
Incorrect
Gun Fully Seated
Gun Not Seated
Correct
.Be sure that gun end is tight against drive assembly.
Exposed O-rings
will cause shielding
gas leakage.
44
6
5
731
2
4

OM-234 016 Page 15
3-5. Connecting Spool Gun To Renegade 180
804 755-B
1 Drive Assembly
2 Spool Gun
3 Gun Securing Knob
4 Gun End
Loosen gun securing knob. Insert
end through opening until it bottoms
against drive assembly. Tighten
gun securing knob.
.Be sure that gun end is tight
against drive assembly. Ex-
posed O−rings will cause
shielding gas leakage.
Spool gun must be inserted
completely to prevent leakage of
shielding gas.
5 Gun Trigger Plug
Insert plug into receptacle, and
tighten threaded collar.
6 Spool Gun/MIG Gun Switch
Place switch in Spool Gun position.
7 Polarity Changeover Terminal
Block
To make proper polarity connection,
see welding power source Owner’s
Manual. Typically, DCEP is used for
solid and aluminum wire.
Close door.
6
5
7
132
4

OM-234 016 Page 16
3-6. Installing Wire Spool And Threading Welding Wire
804 985-A
Tools Needed:
1 Thumb Screw
2 Spool Cover
Remove thumb screw and spool
cover.
3 Hub Tension Nut
4 Wire Spool
Install spool so wire feeds from top.
Turn hub tension nut just so a slight
drag is felt on the wire spool.
5 Push Roll/Lower Drive Roll
6 Drive Roll Pressure
Adjustment Opening
7 Drive Roll Release Lever
(Red)
8 Wire Inlet Guide
9 Contact Tip
10 Nozzle
Remove nozzle and contact tip. Push
and hold red lever. Thread wire through
inlet guide, past push roll/drive roll, and
out end of gun 2 inches (50 mm).
Release red lever.
Turn On welding
power source power.
Install contact tip and nozzle. Reinstall
spool cover and thumb screw.
Wood
Cut off wire.
Press gun trigger to feed wire to check drive roll
pressure. Turn screw enough to prevent slipping.
.Drive roll pressure is preset for .030/.035
aluminum wire. Rotating screw clock-
wise decreases drive roll pressure and
counterclockwise increases pressure.
4
1
5
678
10
9
3
2

OM-234 016 Page 17
SECTION 4 − OPERATION
4-1. Controls For Millermatic 140/180 Models
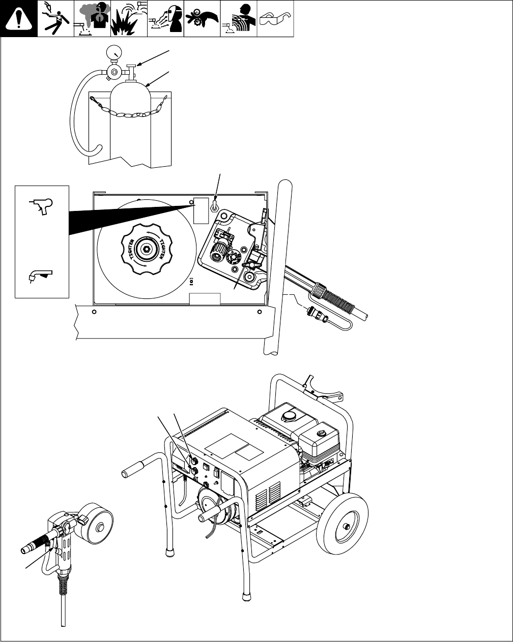
A. Spool Gun Operation On Millermatic 140/180 Models
sb5.1* 6/92 − S-0621-C / Ref. 802 982-A / 804 986-A
.Spool Gun/MIG Gun switch on
Millermatic 140/180 must be in
Spool Gun position for spool
gun to operate.
1 Shielding Gas Cylinder
For shielding gas connections, see
welding power source Owner’s
Manual.
2 Valve
Open valve on cylinder just before
welding.
Close valve on cylinder when
finished welding.
3 Spool Gun/MIG Gun Switch
Switch must be set in Spool Gun
position for spool gun to operate.
4 Trigger
Press trigger to energize welding
power source contactor, start
shielding gas flow, and begin wire
feed.
5 Wire Feed Speed Control
Wire feed speed is controlled by
welding power source Wire Speed
control (see welding power source
Owner’s Manual or door chart for
appropriate setting).
6 Voltage Control
Arc voltage is controlled by welding
power source Voltage control (see
welding power source Owner’s
Manual or door chart for
appropriate setting).
.To purge shielding gas line, set
gun selection switch (item 3) to
the MIG Gun position. Press
spool gun trigger to energize
gas valve. Shielding gas will
flow, but spool gun will not feed
wire. Hold trigger in for several
seconds to purge gas line.
Return gun selection switch to
the Spool Gun position before
welding.
1
2
3
4
5
6

OM-234 016 Page 18
B. Weld Parameter Chart For Millermatic 140 Model w/Auto−SetE
IMPORTANT: Match drive roll groove to diameter of wire being used.
Set Tension knob setting to 3 at start. Adjust tension
per instructions in the manual.
NOTE: Settings are approximate. Adjust as required.
“−−−” Means not recommended.
“*” Thicker materials can be welded using proper technique,
joint preparation and multiple passes.
Activate Auto−Sett by selecting
the diameter of the welding wire
with the WIRE SPEED knob.
Auto−Set light comes on.
Example: .030” diameter wire, welding 18 ga. material.
Select thickness of the mild steel
being welded with the VOLTAGE
knob.
Setup complete.
Auto−Sett − SIMPLE SETUP FOR WELDING MILD STEEL
(DCEP)
(DCEP)
(DCEN)
(DCEP)
A
u
to
−
S
ettM
ATERIALTHIC
K
N
E
S
S
.024”
.030” WELD WIRE
DIAMETER
Auto−Set*
.030” (0.8 mm)
.035” (0.9 mm)
Aluminum w/
Opt. Spool Gun Aluminum
4043ER 100% Argon
Selecting Wire, Gas and Control Settings for Aluminum with optional Spool Gun. Order part no. 300371
.Color parameter charts can be downloaded from www. MillerWelds.com or
by ordering from a Miller distributor.

OM-234 016 Page 19
227 931-H
H
Manual Setup
Refer to chart below to select Voltage and Wire Speed based
on thickness of metal being welded.
2. Number on left of
slash is Voltage
Knob Setting.
(Example: 4 / 65)
1. Number on right
of slash is Wire
Speed Knob Setting.
(Example: 4 / 65)
10/90
10/65
10/80
10/60
10/65
10/50 10/50
10/75
5.5/60
5.5/80
7/80
5.5/60
4.5/45
5/554/45
3/50
3/40
6/75
6/60
6.5/50
4.5/70
5.5/65
5.5/45
3/40
3/35
4/65
4/45
4/35 5/40
2.5/32
3/40
3/502/40
2/32
10/957/95
7/70
5/50
4.5/50
4/40
4.5/50
2/35
5/60
A
uto
−
S
et
10/1003/90
3/90 10/903/75
3/70
THIC
KN
E
S
S
tMATERI A
L

OM-234 016 Page 20
C. Weld Parameter Chart For Millermatic 140 Model w/Factory Set Non-Wire Speed Tracking Mode
.Color parameter charts can be downloaded from www. MillerWelds.com or
by ordering from a Miller distributor.
1. Number on left of
slash is Voltage
Knob Setting.
(Example: 4.5/55)
2. Number on right
of slash is Wire
Speed Knob Setting.
(Example: 4.5 / 55 )
Refer to chart below to select Voltage and Wire Speed based on
thickness of material being welded.
Solid Wire
ER70S−6
(DCEP)
Solid Wire
ER70S−6
(DCEP)
Flux Core
E71T−11
(DCEN)
Stainless
Steel
(DCEP)
Selecting Wire, Gas and Control Settings for Aluminum
.030" (0.8 mm)
.035" (0.9 mm)
Aluminum w/
Opt. Spool Gun
Aluminum
4043ER 100% Argon

OM-234 016 Page 21
224 940-E
3/40
3.5/45
2.5/30
2.5/35
3.5/40
3.5/50
4.5/35
4.5/32
5/50
5/40
5/45
5/35
4/55
4/55
2/30
2.5/25
5.5/60
8/70
8/60
5.5/85
6.5/70
5.5/55
6/40
7/90
7/75
10/95
10/70
10/80
10/65
10/60
8/50 10/55
10/95
10/805.5/50
3.5/45
6/45
6/55
4.5/55
4.5/70
4/35
6.5/80
6.5/70
NOTE: Settings are approximate. Adjust as required.
−−−" Means not recommended.
*" Thicker materials can be welded using proper technique,
joint preparation and multiple passes.
IMPORTANT: Match drive roll groove to diameter of wire being used.
Set Tension knob setting to 3 at start. Adjust tension
per instructions in the manual.
224 940−E
10/753/702/60
10/703.5/65
3/60
with optional Spool Gun. Order part no. 300371

OM-234 016 Page 22
D. Weld Parameter Chart For Millermatic 180 Model w/Factory Set Non-Wire Speed Tracking Mode
.030” (0.8 mm)
.035” (0.9 mm)
1. Number on left of
slash is Voltage
Knob Setting.
(Example: 4.5 / 55)
2. Number on right
of slash is Wire
Speed Knob Setting.
(Example: 4.5 / 55)
.045” (1.2 mm) #000069 .035 − .045” (0.9 − 1.2 mm) #194012
.030 − .035” (0.8 − 0.9 mm) #194011
.024” (0.6 mm) #194010
.035” (0.9 mm) #000068
.030” (0.8 mm) #000067
.024” (0.6 mm) #087299
(DCEP)
(DCEP)
(DCEN)
Refer to chart below to select Voltage and Wire Speed based on
thickness of material being welded.
Aluminum
Spool Gun
Aluminum
4043ER 100% Argon
(DCEP)
Stainless
Steel
Stain−
less
Steel
Selecting Wire, Gas and Control Settings for Aluminum
.Color parameter charts can be downloaded from www. MillerWelds.com or
by ordering from a Miller distributor.

OM-234 016 Page 23
225 229-E
225 229−E
1.5/20 2/25
3.5/25
3/15
1/15
2.5/30
3.5/25
3.5/20
3/12
3.5/60
5/60
5.5/35
4/45
4/70 6/100
6/40
7/85
6/55
6/65
6.5/65
6.5/50
6.5/75
10/75
10/55
5.5/45
4.5/50
3.5/35
4.5/30
4.5/35
1.5/15 2/20 2/20 2.5/30 3.5/40 4.5/55 6/75 6/80 10/95
3/35
3.5/453.5/30 6/95
5/804.5/704/50
2/70 10/1008/955/704/702/70 10/908/905/654/602.5/65
3.5/283.5/25 7.5/956/855/705/604/45
2.5/20 7.5/806/654.5/50
4/40
3.5/25
2/12 2/15 2.5/20 4.5/45 6/55 6.5/60 10/703.5/303/25
4/40
4/25
4/20
2/20
1/10 4/35 6/55 7/60 10/653/25
2/15
3/452/25
NOTE: Settings are approximate. Adjust as required.
“−−−” Means not recommended.
IMPORTANT: Match drive roll groove to diameter of wire being used. Set Tension
knob setting to 3 at start. Adjust tension per instructions in the manual.
.045” (1.2 mm) #202926
.024” (0.6 mm) #220179
.030” (0.8 mm) #220179 #202926
.035” (0.9 mm) #220179 #202926
4/25 6/35 7/40 10/453/152.5/10
Thicker materials can be welded using proper technique,
joint preparation and multiple passes.
with optional Spool Gun, Order part no. 300371

OM-234 016 Page 24
Notes

OM-234 016 Page 25
4-2. Controls For Millermatic Passport Plus Model
A. Spool Gun Operation On Millermatic Passport Plus Model
sb5.1* 6/92 − S-0621-C / Ref. 235 125-B / Ref. 804 986-A
1 Shielding Gas Cylinder
For shielding gas connections, see
welding power source Owner’s
Manual.
2 Valve
Open valve on cylinder just before
welding.
Close valve on cylinder when
finished welding.
3 Process Switch
4 Aluminum (Spool Gun)
Indicator Light
Press process switch until Aluminum
(Spool Gun) indicator light turns on.
5 Trigger
Press trigger to energize welding
power source contactor, start
shielding gas flow, and begin wire
feed.
6 Wire Feed Speed Control
Wire feed speed is controlled by
welding power source Wire Speed
control (see welding power source
Owner’s Manual or door chart for
appropriate setting).
7 Voltage Control
Arc voltage is controlled by welding
power source Voltage control (see
welding power source Owner’s
Manual or door chart for
appropriate setting).
1
2
5
7
6
V
V
10
60
MATERIAL
SELECT
115
V
RANG
E
MildSteel
StainlessSteel
Aluminum
(SpoolGun)
4
3
115V
RANGE

OM-234 016 Page 26
B. Weld Parameter Chart For Millermatic Passport Plus Model
.030”(0.8 mm)
.030”(0.8 mm) Min/10 1.5/20
.035”(0.9 mm) .5/10 1.5/15
.030”(0.8 mm) Min/10 2/20
.035”(0.9 mm) Min/5 2/15
.035”(0.9 mm)
Aluminum
Spool Gun
Aluminum
4043ER
100% Argon
Steel
Stainless
Steel Stainless
Steel
(DCEP)
Flux Core
E71T−11
(DCEN)
Solid Wire
ER70S−6
(DCEP)
No gas required
CO2
100%
C25
75% Ar / 25% CO2
Tri−Mix
90% He / 7.5%
Ar / 2.5% CO2
.024”(0.6 mm) Min/40
.024”(0.6 mm) Min/20 1.5/25
.030”(0.8 mm) Min/25
.035”(0.9 mm) Min/15
.024”(0.6 mm) Min/20 2/30
.030”(0.8 mm)
.035”(0.9 mm)
Selecting Wire, Gas and Control Settings for Aluminum with
24 ga.
115/230V 20/22 ga.
115/230V
1. Number on left of
slash is Voltage
Knob Setting.
(Example: 4.5 / 55)
2. Number on right
of slash is Wire
Speed Knob Setting.
(Example: 4.5 / 55)
Refer to chart below to select Voltage and Wire Speed
based on thickness of material being welded.
Reference Key
* 230 Volt Only
** For Flux Core or
Stainless Wire

OM-234 016 Page 27
Ref. 235 557-A
3/30 4/40 4.5/45 5.5/50 6.5/50 7/50 8/70 9/65 10/80
3/25 4/30 5/35 6/40 6.5/45 7/45 8.5/55 9/55 10/60
3/35 3.5/40 4/50 5/60 5.5/70 7/60 7.5/80 8/90 9.5/100
3/30 3.5/35 4/40 5/50 5.5/60 7/50 7.5/65 8/75 10/90
2.5/50 3.5/65 4.5/100
3/35 4/50 4.5/55 5.5/65 7/100
2.5/40 3.5/55 4.5/80 5/80 5.5/85 5.5/100
2.5/30 3.5/50 4.5/60 5/70 6/70 6/70 7/80
3/40 3.5/50 4/65 4.5/75 5.5/100
2.5/20 4/30 5/35 5.5/45 7.5/60
1.5/10 4/25 5/30 5.5/35 7.5/50
235557−A
7.5/100*
8.5/90* 9/100
2/75
18 ga.
115/230V 16 ga.
115/230V 14 ga.
115/230V 1/8”
115/230V 3/16”
115/230V 1/4”
115V 1/4”
230V 5/16”
230V 3/8”
230V
2/65 2.5/80
2.5/65 6/75
6/70 7/100
6.5/75
NOTE: Settings are approximate. Adjust as required.
−−−" Means not recommended.
Thicker materials can be welded using proper technique,
joint preparation and multiple passes.
IMPORTANT: Match drive roll groove to diameter of wire being used.
Set Tension knob setting to 3 at start. Adjust tension
per instructions in the manual.
optional Spool Gun. Order part no. 300371
5.5/100

OM-234 016 Page 28
4-3. Controls For Renegade 180 Model
A. Spool Gun Operation On Renegade 180 Model
sb5.1* 6/92 − S-0621-C / Ref. 804 755-B / Ref. 804 986-A / 804 476-C
.Spool Gun/MIG Gun switch on
Renegade 180 must be in
Spool Gun position for spool
gun to operate.
1 Shielding Gas Cylinder
For shielding gas connections, see
welding power source Owner’s
Manual.
2 Valve
Open valve on cylinder just before
welding.
Close valve on cylinder when
finished welding.
3 Spool Gun/MIG Gun Switch
Place switch in Spool Gun position.
4 Trigger
Press trigger to energize welding
power source contactor, start
shielding gas flow, and begin wire
feed.
5 Wire Feed Speed Control
Wire feed speed is controlled by
welding power source Wire Speed
control (see welding power source
Owner’s Manual for appropriate
setting).
6 Voltage Control
Arc voltage is controlled by welding
power source Voltage control (see
welding power source Owner’s
Manual for appropriate setting).
.To purge shielding gas line, set
gun selection switch (item 3) to
the MIG Gun position. Press
spool gun trigger to energize
gas valve. Shielding gas will
flow, but spool gun will not feed
wire. Hold trigger in for several
seconds to purge gas line.
Return gun selection switch to
the Spool Gun position before
welding.
1
2
4
3
65

OM-234 016 Page 29
B. Weld Parameters For Renegade 180 Model
Select Wire Type, Polarity, and Shielding
Gas
Wire Size
Material Thickness
Select Wire Type, Polarity, and Shielding
Gas
Wire Size
20 ga 18 ga 16 ga 14 ga 1/8 in. 3/16 in. 1/4 in. 5/16 in.
Shop Settings (Wall or Premise Power, 230 V 1 Ph)
Aluminum 4043 (DCEP)
100% Argon Shielding Gas
0.030 2.0/70 2.0/70 4.0/70 5.0/70 8.0/95 10/100
100% Argon Shielding Gas
0.035 2.5/65 4.0/60 5.0/65 8.0/90 10/90
Field Setting (Generator Power)
Aluminum 4043 (DCEP)
100% Argon Shielding Gas
0.030 4.0/70 4.0/70 6.0/70 10/75
100% Argon Shielding Gas
0.035 4.5/60 6.0/60 10/65
Notes
16 Gauge (.063 in)
22 Gauge (.031 in)
24 Gauge (.025 in)
20 Gauge (.037 in)
18 Gauge (.050 in)
14 Gauge (.078 in)
1/8 in (.125 in)
3/16 in (.188 in)
1/4 in (.25 in)
5/16 in (.313 in)
3/8 in (.375 in)
1/2 in (.5 in)
MATERIAL THICKNESS REFERENCE CHART

OM-234 016 Page 30
SECTION 5 − MAINTENANCE & TROUBLESHOOTING
5-1. Routine Maintenance
!Disconnect power
before maintaining.
.Maintain more often
during severe conditions.
n = Check Z = Change ~ = Clean l = Replace
* To be done by Factory Authorized Service Agent Reference
Every
3
l Unreadable Labels ~ Weld Terminals l Damaged Gas Hose nl Weld Cables
Every
3
Months
nl Cords nl Gun Cables
Every
6
Months OR
~ Drive Rolls ~ Inside Unit

OM-234 016 Page 31
5-2. Changing Drive Rolls
804 987-A
Tools Needed:
!Turn Off power at welding
power source first.
1 Drive Roll Cover
Remove cover.
Changing Push Roll:
To remove push roll:
2 Push Roll Screw
3 Washer
4 Push Roll
Remove screw and washer, and lift
out drive roll.
To install drive roll:
Slide drive roll onto shaft and se-
cure with washer and screw.
Changing Lower Drive Roll:
To remove drive roll:
5 Lower Drive Roll Screw
6 Washer
7 Lower Drive Roll
8 Drive Roll Key
9 Drive Roll Shaft
Remove screw and washer, and lift
out drive roll. Note: drive roll key will
come out with drive roll.
To install drive roll:
Place drive roll key in slot in drive
roll shaft.
Line slot in drive roll up with drive
roll key, and slide drive roll onto
shaft.
Secure drive roll with washer and
screw.
Reinstall gun case, if applicable.
Reinstall drive roll cover.
5
6
7
8
9
1
2
3
4
It may be necessary to remove
drive roll side of gun case to
change lower drive roll.

OM-234 016 Page 32
5-3. Changing Liner
Ref. 804 985-A
Tools Needed:
!Turn Off power at welding
power source first.
1 Nozzle
2 Contact Tip
3 Liner
Remove and replace liner.
Reinstall parts as shown.
1
2
3
5-4. Troubleshooting
Trouble Remedy
No weld output; gun/feeder does not
work.
Place Power switch on welding power source in the On position (see welding power source Owner’s
Manual). Check Spool Gun/MIG Gun switch for correct position.
Erratic weld output. Tighten and clean all connections.
Check for proper weld output polarity connections (see Section 4-1A, 3-4 or 3-5).
Pressing gun/feeder trigger does no
t
energize welding power source; welding
wire is not energized; shielding gas does
Secure plug from gun/feeder trigger cord into 4-socket receptacle on welding power source (see Section
3-3B, 3-4 or 3-5).
wire is not energized; shielding gas does
not flow. Place Spool Gun/MIG Gun switch in Spool Gun position (see Section 3-3B or 3-5).
Wire feeds, shielding gas flows, bu
t
welding wire is not energized.
Secure spool gun cable connector to wire drive assembly inside welding power source (see Section 3-3B,
3-4 or 3-5).
See Troubleshooting section in welding power source Owner’s Manual.
Wire feeds erratically. Check and correct drive roll pressure (see Section 3-6).
Clean or replace drive roll; clean or replace liner (see Sections 5-2 and 5-3).

OM-234 016 Page 33
5-5. GMAW (MIG) Aluminum Welding Hints
Here are several hints to help you be more successful with your new aluminum feed system.
MIG welding aluminum requires different techniques than MIG welding mild steel.
A. Before You Start Welding
SThe removal of lubricants from the aluminum base material may be necessary. Consult with your local welding
distributor for their recommendation on aluminum cleaners.
SOxide removal should be done after degreasing. This should be done with a stainless steel wire brush. This can be
done with a hand wire brush or with a cup wire brush. If a power wire brush is used, keep the RPM’s and pressures
low to reduce smearing the surface of the material, which could entrap oxides and impurities under the surface.
Always use a wire brush that is used only on aluminum to keep from contaminating the base material.
SContact you local welding distributor or aluminum filler metal representative for recommendations on wire alloys
that fit your application. Know the alloy of your base aluminum and what conditions the finished part will be
subjected to. The two most readily available aluminum filler wires are ER4043 and ER5356.
B. Welding Techniques
SMake sure the welding power source is set up to weld DCEP (DC Electrode Positive).
SFor MIG welding aluminum you need to use a 10 to 15 degree push travel angle (tip and nozzle pointing in the
direction of travel). See Figure 5-1.
10°-15°
Side View Of Gun Tip Angle
10°-15°
Direction Of Welding
Forehand (Push)
Technique Backhand (Drag)
Technique
Figure 5-1. Gun Tip Angle
SPulling or using a drag angle will produce porous, dirty welds due to a lack of gas coverage.
SThe reflective heat and weld puddle that is present when MIG welding aluminum is very hot. Holding the tip closer
than 3/4 in. could lead to the wire burning back to the contact tip and other feeding problems.
SThe most common shielding gas for MIG welding aluminum is 100% argon. Flow rates of 20 to 30 CFH [cubic feet
per hour (0.57 to 0.85 m3/hr)] are acceptable. C25 or argon CO2 shielding gases are not acceptable.

OM-234 016 Page 34
SMaintain a 3/4 in. (19 mm) tip-to-work distance, and have the contact tip recessed approximately 1/8 in. inside the
nozzle if possible. See Figure 5-2.
Gas Nozzle
Contact Tube Recessed 1/8
in. (3.2 mm) Inside The Nozzle
Contact Tip To Work
Distance 3/4 in. (19 mm)
Figure 5-2. Contact Tube Position And Tip-To-Work Distance
SAvoid large weave beads on aluminum. If larger fillet welds are needed, multiple pass stringer beads will provide
better appearance and have less chance of cold lapping, melt through, and other weld defects.
SIt will be necessary to increase torch travel speed as the base material becomes heated during the welding
process.
SThe skill level of the operator, joint types, fit up, and positions, as well as the welding power supply will all have a
great influence on the weldability of the aluminum and your success.
C. Common Problems/Troubleshooting
SMelt through caused by over heating the base material.
1. Increase travel speed. Use sequencing to make shorter welds.
2. Sequence welds.
3. Use thicker material, change joint design or welding process to AC TIG.
4. Eliminate or reduce gaps.
SDirty welds.
1. Use push angle instead of drag technique.
2. Increase voltage to get into spray transfer, if unit output is capable of this process.
3. Use proper base metal cleaning techniques (stainless steel brush).
4. Check for proper shielding gas and wire alloy type.
SWire burns back to contact tip during or at the end of the weld.
1. Maintain a 3/4 in. (19 mm) tip-to-work distance.
2. Check to make sure the contact tip size, drive rolls and gun liner match the wire diameter that you are using.
(Sometimes an oversized tip can be used. The ID should only be one size larger than the wire diameter.)
SWire “bird nests” (piles up) in front of inlet guide on gun.
1. Check and adjust drive roll tension.
2. Check to make sure drive rolls match wire diameter.
3. Replace contact tip if fouled or plugged.(Sometimes an oversized tip can be used. The ID should only be one
size larger than the wire diameter.)

OM-234 016 Page 35
SECTION 6 − ELECTRICAL DIAGRAMS
Figure 6-1. Circuit Diagram For Spoolmate
186 451

OM-234 016 Page 36
Figure 6-2. Circuit Diagram For Millermatic 140/180

OM-234 016 Page 37
234 419-B

OM-234 016 Page 38
SECTION 7 − PARTS LIST
.Hardware is common and not
available unless listed.
804 988-A
3
2
26
29 27
15
28
25
24
23
18
17
16
13
11
10
4
9
8
7
6
5
4
2
1
39
36
37
38
35
34
32 31
30
19
22
21
20
12
14
33
40
41
42
Figure 7-1. Complete Assembly

OM-234 016 Page 39
Quantity
Description
Part
No.
Dia.
Mkgs.
Item
No.
Figure 7-1. Complete Assembly
1 PB1 186 416 TRIGGER SWITCH 1. . . . . . . . . . . . . . . . . . . . . . . . . . . . . . . . . . . . . . . . . . . . . . . . . . . . . . . . . .
2 186 418 PLASTIC HANDLE 1. . . . . . . . . . . . . . . . . . . . . . . . . . . . . . . . . . . . . . . . . . . . . . . . . . . . . . . . . . . . . . . .
209 177 HARDWARE KIT, Spoolmate case 1. . . . . . . . . . . . . . . . . . . . . . . . . . . . . . . . . . . . . . . . . . . . . . . . . . . . . .
3 196 966 SPOOL COVER ASSY (including) 1. . . . . . . . . . . . . . . . . . . . . . . . . . . . . . . . . . . . . . . . . . . . . . . . . . .
4 194 622 SPOOL DEFENCE SHELL 1. . . . . . . . . . . . . . . . . . . . . . . . . . . . . . . . . . . . . . . . . . . . . . . . . . . . . . . . .
5 194 623 SPOOL SHAFT 1. . . . . . . . . . . . . . . . . . . . . . . . . . . . . . . . . . . . . . . . . . . . . . . . . . . . . . . . . . . . . . . . . . .
6 194 624 BUSHING RESISTANCE RUBBER 1. . . . . . . . . . . . . . . . . . . . . . . . . . . . . . . . . . . . . . . . . . . . . . . . . .
7 194 625 LOCATION BUSHING 1. . . . . . . . . . . . . . . . . . . . . . . . . . . . . . . . . . . . . . . . . . . . . . . . . . . . . . . . . . . . . .
8 194 626 ADJUSTING NUT 1. . . . . . . . . . . . . . . . . . . . . . . . . . . . . . . . . . . . . . . . . . . . . . . . . . . . . . . . . . . . . . . . .
9 RING, rtng C-clip .140 shaft x .015 thick 1. . . . . . . . . . . . . . . . . . . . . . . . . . . . . . . . . . . . . . . . . . . . . . . . . . . . . . .
10 194 627 LOCKING SCREW 1. . . . . . . . . . . . . . . . . . . . . . . . . . . . . . . . . . . . . . . . . . . . . . . . . . . . . . . . . . . . . . . .
11 187 239 COVER, drive roll 1. . . . . . . . . . . . . . . . . . . . . . . . . . . . . . . . . . . . . . . . . . . . . . . . . . . . . . . . . . . . . . . . .
12 231 107 STRAIN RELIEF, cable 1. . . . . . . . . . . . . . . . . . . . . . . . . . . . . . . . . . . . . . . . . . . . . . . . . . . . . . . . . . . .
13 231 108 SPRING, cable 1. . . . . . . . . . . . . . . . . . . . . . . . . . . . . . . . . . . . . . . . . . . . . . . . . . . . . . . . . . . . . . . . . . .
14 226 615 NUT, handle plastic 1. . . . . . . . . . . . . . . . . . . . . . . . . . . . . . . . . . . . . . . . . . . . . . . . . . . . . . . . . . . . . . . .
15 193 999 SPRING, CPRSN .310 OD x .040 wire x 1.380 1. . . . . . . . . . . . . . . . . . . . . . . . . . . . . . . . . . . . . . . .
16 186 415 PRESS ARM W/SHAFT, C-clip washer 1. . . . . . . . . . . . . . . . . . . . . . . . . . . . . . . . . . . . . . . . . . . . . . .
17 187 238 BEARING 1. . . . . . . . . . . . . . . . . . . . . . . . . . . . . . . . . . . . . . . . . . . . . . . . . . . . . . . . . . . . . . . . . . . . . . . .
18 186 414 PUSH ROLL .030/.035 (0.8/0.9 MM) 1. . . . . . . . . . . . . . . . . . . . . . . . . . . . . . . . . . . . . . . . . . . . . . . . .
19 209 079 SCREW M4 x 0.7 x 16 1. . . . . . . . . . . . . . . . . . . . . . . . . . . . . . . . . . . . . . . . . . . . . . . . . . . . . . . . . . . . .
20 209 080 SCREW M4 x 0.7 x 6 1. . . . . . . . . . . . . . . . . . . . . . . . . . . . . . . . . . . . . . . . . . . . . . . . . . . . . . . . . . . . . .
21 186 413 DRIVE ROLL .030/.035 (0.8/0.9 MM) 1. . . . . . . . . . . . . . . . . . . . . . . . . . . . . . . . . . . . . . . . . . . . . . . .
18 ♦199 732 PUSH ROLL UK .023 1. . . . . . . . . . . . . . . . . . . . . . . . . . . . . . . . . . . . . . . . . . . . . . . . . . . . . . . . . . . . .
21 ♦199 731 DRIVE ROLL UK .023 1. . . . . . . . . . . . . . . . . . . . . . . . . . . . . . . . . . . . . . . . . . . . . . . . . . . . . . . . . . . .
22 186 488 KEY, drive roll 2 mm x 7 mm 1. . . . . . . . . . . . . . . . . . . . . . . . . . . . . . . . . . . . . . . . . . . . . . . . . . . . . . . .
23 186 410 INLET GUIDE 1. . . . . . . . . . . . . . . . . . . . . . . . . . . . . . . . . . . . . . . . . . . . . . . . . . . . . . . . . . . . . . . . . . . .
24 048 834 CLAMP, circ 1. . . . . . . . . . . . . . . . . . . . . . . . . . . . . . . . . . . . . . . . . . . . . . . . . . . . . . . . . . . . . . . . . . . . . .
25 079 878 CONNECTOR W/SOCKETS 1. . . . . . . . . . . . . . . . . . . . . . . . . . . . . . . . . . . . . . . . . . . . . . . . . . . . . . . .
26 194 631 NUT, brass 1. . . . . . . . . . . . . . . . . . . . . . . . . . . . . . . . . . . . . . . . . . . . . . . . . . . . . . . . . . . . . . . . . . . . . . .
27 234 233 GEARBOX ASSEMBLY 1. . . . . . . . . . . . . . . . . . . . . . . . . . . . . . . . . . . . . . . . . . . . . . . . . . . . . . . . . . . .
28 B2 234 234 MOTOR 1. . . . . . . . . . . . . . . . . . . . . . . . . . . . . . . . . . . . . . . . . . . . . . . . . . . . . . . . . . . . . . . . . . . . . .
29 196 398 BUSS BAR, interconnecting 1. . . . . . . . . . . . . . . . . . . . . . . . . . . . . . . . . . . . . . . . . . . . . . . . . . . . . . . .
30 186 404 GUN TUBE ASSEMBLY (including) 1. . . . . . . . . . . . . . . . . . . . . . . . . . . . . . . . . . . . . . . . . . . . . . . . . .
31 234 348 HEAD TUBE ASSY 1. . . . . . . . . . . . . . . . . . . . . . . . . . . . . . . . . . . . . . . . . . . . . . . . . . . . . . . . . . . . . . . .
32 206 363 LINER KIT 1. . . . . . . . . . . . . . . . . . . . . . . . . . . . . . . . . . . . . . . . . . . . . . . . . . . . . . . . . . . . . . . . . . . . . . . .
33 194 633 BARREL 1. . . . . . . . . . . . . . . . . . . . . . . . . . . . . . . . . . . . . . . . . . . . . . . . . . . . . . . . . . . . . . . . . . . . . . . . .
34 209 080 SCREW, M4 x 0.7 x 6 mm 1. . . . . . . . . . . . . . . . . . . . . . . . . . . . . . . . . . . . . . . . . . . . . . . . . . . . . . . . . .
35 186 408 GAS NIPPLE 1. . . . . . . . . . . . . . . . . . . . . . . . . . . . . . . . . . . . . . . . . . . . . . . . . . . . . . . . . . . . . . . . . . . . .
36 186 409 GAS DIFFUSER 1. . . . . . . . . . . . . . . . . . . . . . . . . . . . . . . . . . . . . . . . . . . . . . . . . . . . . . . . . . . . . . . . . .
37 186 419 CONTACT TIP .030 1. . . . . . . . . . . . . . . . . . . . . . . . . . . . . . . . . . . . . . . . . . . . . . . . . . . . . . . . . . . . . . . .
37 ♦186 406 CONTACT TIP .035 1. . . . . . . . . . . . . . . . . . . . . . . . . . . . . . . . . . . . . . . . . . . . . . . . . . . . . . . . . . . . . . .
37 ♦199 730 CONTACT TIP .023 1. . . . . . . . . . . . . . . . . . . . . . . . . . . . . . . . . . . . . . . . . . . . . . . . . . . . . . . . . . . . . . .
38 186 405 NOZZLE 1. . . . . . . . . . . . . . . . . . . . . . . . . . . . . . . . . . . . . . . . . . . . . . . . . . . . . . . . . . . . . . . . . . . . . . . . .
39 111 400 HOSE, SAE .187 ID X .410 OD X 8.000 1. . . . . . . . . . . . . . . . . . . . . . . . . . . . . . . . . . . . . . . . . . . . . .
40 079 974 O−RING, .500 ID X .103 cs rbr 2. . . . . . . . . . . . . . . . . . . . . . . . . . . . . . . . . . . . . . . . . . . . . . . . . . . . .
41 234 236 CONNECTOR, plug 1. . . . . . . . . . . . . . . . . . . . . . . . . . . . . . . . . . . . . . . . . . . . . . . . . . . . . . . . . . . . . . .
42 234 237 CABLE ASSEMBLY, 12 FT w/connector plug 1. . . . . . . . . . . . . . . . . . . . . . . . . . . . . . . . . . . . . . . . . .
♦OPTIONAL
To maintain the factory original performance of your equipment, use only Manufacturer’s Suggested
Replacement Parts. Model and serial number required when ordering parts from your local distributor.

Notes

Notes

Notes

Warranty Questions?
Call
1-800-4-A-MILLER
for your local
Miller distributor.
miller_warr 2007−01
Your distributor also gives
you ...
Service
You always get the fast,
reliable response you
need. Most replacement
parts can be in your
hands in 24 hours.
Support
Need fast answers to the
tough welding questions?
Contact your distributor.
The expertise of the
distributor and Miller is
there to help you, every
step of the way.
Effective January 1, 2007
(Equipment with a serial number preface of “LH” or newer)
This limited warranty supersedes all previous Miller warranties and is exclusive with no other
guarantees or warranties expressed or implied.
LIMITED WARRANTY − Subject to the terms and conditions
below, Miller Electric Mfg. Co., Appleton, Wisconsin, warrants to
its original retail purchaser that new Miller equipment sold after
the effective date of this limited warranty is free of defects in
material and workmanship at the time it is shipped by Miller. THIS
WARRANTY IS EXPRESSLY IN LIEU OF ALL OTHER
WARRANTIES, EXPRESS OR IMPLIED, INCLUDING THE
WARRANTIES OF MERCHANTABILITY AND FITNESS.
Within the warranty periods listed below, Miller will repair or
replace any warranted parts or components that fail due to such
defects in material or workmanship. Miller must be notified in
writing within thirty (30) days of such defect or failure, at which
time Miller will provide instructions on the warranty claim
procedures to be followed.
Miller shall honor warranty claims on warranted equipment listed
below in the event of such a failure within the warranty time
periods. All warranty time periods start on the delivery date of the
equipment to the original end-user purchaser, and not to exceed
one year after the equipment is shipped to a North American
distributor or eighteen months after the equipment is shipped to
an International distributor.
1. 5 Years Parts — 3 Years Labor
* Original main power rectifiers
2. 3 Years — Parts and Labor
* Transformer/Rectifier Power Sources
* Plasma Arc Cutting Power Sources
* Process Controllers
* Semi-Automatic and Automatic Wire Feeders
* Inverter Power Sources (Unless Otherwise Stated)
* Water Coolant Systems (Integrated)
* Intellitig
* Engine Driven Welding Generators
(NOTE: Engines are warranted separately by the
engine manufacturer.)
3. 1 Year — Parts and Labor Unless Specified
* Motor Driven Guns (w/exception of Spoolmate
Spoolguns)
* Positioners and Controllers
* Automatic Motion Devices
* RFCS Foot Controls
* Induction Heating Power Sources, Coolers, and
Electronic
Controls/Recorders
* Water Coolant Systems (Non-Integrated)
* Flowgauge and Flowmeter Regulators (No Labor)
* HF Units
* Grids
* Spot Welders
* Load Banks
* Arc Stud Power Sources & Arc Stud Guns
* Racks
* Running Gear/Trailers
* Plasma Cutting Torches (except APT & SAF
Models)
* Field Options
(NOTE: Field options are covered under True Blue®
for the remaining warranty period of the product they
are installed in, or for a minimum of one year —
whichever is greater.)
* Bernard-Branded Mig Guns (No Labor)
* Weldcraft-Branded TIG Torches (No Labor)
* Subarc Wire Drive Assemblies
4. 6 Months — Batteries
5. 90 Days — Parts
* MIG Guns/TIG Torches and Subarc (SAW) Guns
* Induction Heating Coils and Blankets, Cables, and
Non-Electronic Controls
* APT & SAF Model Plasma Cutting Torches
* Remote Controls
* Accessory (Kits)
* Replacement Parts (No labor)
* Spoolmate Spoolguns
* Canvas Covers
Miller’s True Blue® Limited Warranty shall not apply to:
1. Consumable components; such as contact tips,
cutting nozzles, contactors, brushes, slip rings, relays
or parts that fail due to normal wear. (Exception:
brushes, slip rings, and relays are covered on Bobcat,
Trailblazer, and Legend models.)
2. Items furnished by Miller, but manufactured by others, such
as engines or trade accessories. These items are covered
by the manufacturer’s warranty, if any.
3. Equipment that has been modified by any party other than
Miller, or equipment that has been improperly installed,
improperly operated or misused based upon industry
standards, or equipment which has not had reasonable and
necessary maintenance, or equipment which has been
used for operation outside of the specifications for the
equipment.
MILLER PRODUCTS ARE INTENDED FOR PURCHASE AND
USE BY COMMERCIAL/INDUSTRIAL USERS AND PERSONS
TRAINED AND EXPERIENCED IN THE USE AND
MAINTENANCE OF WELDING EQUIPMENT.
In the event of a warranty claim covered by this warranty, the
exclusive remedies shall be, at Miller’s option: (1) repair; or (2)
replacement; or, where authorized in writing by Miller in
appropriate cases, (3) the reasonable cost of repair or
replacement at an authorized Miller service station; or (4)
payment of or credit for the purchase price (less reasonable
depreciation based upon actual use) upon return of the goods at
customer’s risk and expense. Miller’s option of repair or
replacement will be F.O.B., Factory at Appleton, Wisconsin, or
F.O.B. at a Miller authorized service facility as determined by
Miller. Therefore no compensation or reimbursement for
transportation costs of any kind will be allowed.
TO THE EXTENT PERMITTED BY LAW, THE REMEDIES
PROVIDED HEREIN ARE THE SOLE AND EXCLUSIVE
REMEDIES. IN NO EVENT SHALL MILLER BE LIABLE FOR
DIRECT, INDIRECT, SPECIAL, INCIDENTAL OR
CONSEQUENTIAL DAMAGES (INCLUDING LOSS OF
PROFIT), WHETHER BASED ON CONTRACT, TORT OR ANY
OTHER LEGAL THEORY.
ANY EXPRESS WARRANTY NOT PROVIDED HEREIN AND
ANY IMPLIED WARRANTY, GUARANTY OR
REPRESENTATION AS TO PERFORMANCE, AND ANY
REMEDY FOR BREACH OF CONTRACT TORT OR ANY
OTHER LEGAL THEORY WHICH, BUT FOR THIS
PROVISION, MIGHT ARISE BY IMPLICATION, OPERATION
OF LAW, CUSTOM OF TRADE OR COURSE OF DEALING,
INCLUDING ANY IMPLIED WARRANTY OF
MERCHANTABILITY OR FITNESS FOR PARTICULAR
PURPOSE, WITH RESPECT TO ANY AND ALL EQUIPMENT
FURNISHED BY MILLER IS EXCLUDED AND DISCLAIMED
BY MILLER.
Some states in the U.S.A. do not allow limitations of how long an
implied warranty lasts, or the exclusion of incidental, indirect,
special or consequential damages, so the above limitation or
exclusion may not apply to you. This warranty provides specific
legal rights, and other rights may be available, but may vary from
state to state.
In Canada, legislation in some provinces provides for certain
additional warranties or remedies other than as stated herein,
and to the extent that they may not be waived, the limitations and
exclusions set out above may not apply. This Limited Warranty
provides specific legal rights, and other rights may be available,
but may vary from province to province.

PRINTED IN USA © 2007 Miller Electric Mfg. Co. 2007−01
Miller Electric Mfg. Co.
An Illinois Tool Works Company
1635 West Spencer Street
Appleton, WI 54914 USA
International Headquarters−USA
USA Phone: 920-735-4505 Auto-Attended
USA & Canada FAX: 920-735-4134
International FAX: 920-735-4125
European Headquarters −
United Kingdom
Phone: 44 (0) 1204-593493
FAX: 44 (0) 1204-598066
www.MillerWelds.com
Model Name Serial/Style Number
Purchase Date (Date which equipment was delivered to original customer.)
Distributor
Address
City
State Zip
Please complete and retain with your personal records.
Always provide Model Name and Serial/Style Number.
Contact a DISTRIBUTOR or SERVICE AGENCY near you.
Welding Supplies and Consumables
Options and Accessories
Personal Safety Equipment
Service and Repair
Replacement Parts
Training (Schools, Videos, Books)
Technical Manuals (Servicing Information
and Parts)
Circuit Diagrams
Welding Process Handbooks
Contact the Delivering Carrier to:
For Service
Owner’s Record
File a claim for loss or damage during
shipment.
For assistance in filing or settling claims, contact
your distributor and/or equipment manufacturer’s
Transportation Department.
Contact your Distributor for:
To locate a Distributor or Service Agency visit
www.millerwelds.com or call 1-800-4-A-Miller