Miller Electric Wc 24 Users Manual O181712c_mil
WC-24 to the manual d90f7a7f-f4e5-4bd8-a241-5fd39eedb64d
2015-02-02
: Miller-Electric Miller-Electric-Wc-24-Users-Manual-437323 miller-electric-wc-24-users-manual-437323 miller-electric pdf
Open the PDF directly: View PDF
.
Page Count: 20

WC-24
Processes
Description
MIG (GMAW) Welding
Weld Control For Spoolmatic Gun
OM-181 712C
January 2005
Visit our website at
www.MillerWelds.com

Miller Electric manufactures a full line
of welders and welding related equipment.
For information on other quality Miller
products, contact your local Miller distributor to receive the latest full
line catalog or individual catalog sheets. To locate your nearest
distributor or service agency call 1-800-4-A-Miller, or visit us at
www.MillerWelds.com on the web.
Thank you and congratulations on choosing Miller. Now you can get
the job done and get it done right. We know you don’t have time to do
it any other way.
That’s why when Niels Miller first started building arc welders in 1929,
he made sure his products offered long-lasting value and superior
quality. Like you, his customers couldn’t afford anything less. Miller
products had to be more than the best they could be. They had to be the
best you could buy.
Today, the people that build and sell Miller products continue the
tradition. They’re just as committed to providing equipment and service
that meets the high standards of quality and value established in 1929.
This Owner’s Manual is designed to help you get the most out of your
Miller products. Please take time to read the Safety precautions. They
will help you protect yourself against potential hazards on the worksite.
We’ve made installation and operation quick
and easy. With Miller you can count on years
of reliable service with proper maintenance.
And if for some reason the unit needs repair,
there’s a Troubleshooting section that will
help you figure out what the problem is. The
parts list will then help you to decide the
exact part you may need to fix the problem.
Warranty and service information for your
particular model are also provided.
Miller is the first welding
equipment manufacturer in
the U.S.A. to be registered to
the ISO 9001:2000 Quality
System Standard.
Working as hard as you do
− every power source from
Miller is backed by the most
hassle-free warranty in the
business.
From Miller to You
Mil_Thank 7/03

TABLE OF CONTENTS
SECTION 1 − SAFETY PRECAUTIONS - READ BEFORE USING 1 . . . . . . . . . . . . . . . . . . . . . . . . . . . . . . . . . . .
1-1. Symbol Usage 1 . . . . . . . . . . . . . . . . . . . . . . . . . . . . . . . . . . . . . . . . . . . . . . . . . . . . . . . . . . . . . . . . . . . . . . . .
1-2. Arc Welding Hazards 1 . . . . . . . . . . . . . . . . . . . . . . . . . . . . . . . . . . . . . . . . . . . . . . . . . . . . . . . . . . . . . . . . . .
1-3. Additional Symbols For Installation, Operation, And Maintenance 3 . . . . . . . . . . . . . . . . . . . . . . . . . . . . .
1-4. California Proposition 65 Warnings 3 . . . . . . . . . . . . . . . . . . . . . . . . . . . . . . . . . . . . . . . . . . . . . . . . . . . . . . .
1-5. Principal Safety Standards 4 . . . . . . . . . . . . . . . . . . . . . . . . . . . . . . . . . . . . . . . . . . . . . . . . . . . . . . . . . . . . .
1-6. EMF Information 4 . . . . . . . . . . . . . . . . . . . . . . . . . . . . . . . . . . . . . . . . . . . . . . . . . . . . . . . . . . . . . . . . . . . . . .
SECTION 2 − CONSIGNES DE SÉCURITÉ − À LIRE AVANT UTILISATION 5 . . . . . . . . . . . . . . . . . . . . . . . . . .
2-1. Signification des symboles 5 . . . . . . . . . . . . . . . . . . . . . . . . . . . . . . . . . . . . . . . . . . . . . . . . . . . . . . . . . . . . .
2-2. Dangers relatifs au soudage à l’arc 5 . . . . . . . . . . . . . . . . . . . . . . . . . . . . . . . . . . . . . . . . . . . . . . . . . . . . . .
2-3. Autres symboles relatifs à l’installation, au fonctionnement et à l’entretien de l’appareil. 7 . . . . . . . . . . .
2-4. Principales normes de sécurité 8 . . . . . . . . . . . . . . . . . . . . . . . . . . . . . . . . . . . . . . . . . . . . . . . . . . . . . . . . . .
2-5. Information sur les champs électromagnétiques 8 . . . . . . . . . . . . . . . . . . . . . . . . . . . . . . . . . . . . . . . . . . . .
SECTION 2 − DEFINITIONS 9 . . . . . . . . . . . . . . . . . . . . . . . . . . . . . . . . . . . . . . . . . . . . . . . . . . . . . . . . . . . . . . . . . . .
2-1. Manufacturer’s Rating Label For CE Products 9 . . . . . . . . . . . . . . . . . . . . . . . . . . . . . . . . . . . . . . . . . . . . .
2-2. Symbols And Definitions 9 . . . . . . . . . . . . . . . . . . . . . . . . . . . . . . . . . . . . . . . . . . . . . . . . . . . . . . . . . . . . . . .
SECTION 4 − INSTALLATION 10 . . . . . . . . . . . . . . . . . . . . . . . . . . . . . . . . . . . . . . . . . . . . . . . . . . . . . . . . . . . . . . . . . .
4-1. Specifications 10 . . . . . . . . . . . . . . . . . . . . . . . . . . . . . . . . . . . . . . . . . . . . . . . . . . . . . . . . . . . . . . . . . . . . . . . .
4-2. Typical Process Connections 10 . . . . . . . . . . . . . . . . . . . . . . . . . . . . . . . . . . . . . . . . . . . . . . . . . . . . . . . . . . .
4-3. 14-Pin Plug Information 10 . . . . . . . . . . . . . . . . . . . . . . . . . . . . . . . . . . . . . . . . . . . . . . . . . . . . . . . . . . . . . . . .
4-4. Connecting WC24 To A Millermatic 200 Or Spoolmate 200 11 . . . . . . . . . . . . . . . . . . . . . . . . . . . . . . . . . . .
4-5. Weld Control Connections 11 . . . . . . . . . . . . . . . . . . . . . . . . . . . . . . . . . . . . . . . . . . . . . . . . . . . . . . . . . . . . . .
SECTION 5 − MAINTENANCE & TROUBLESHOOTING 12 . . . . . . . . . . . . . . . . . . . . . . . . . . . . . . . . . . . . . . . . . . .
5-1. Routine Maintenance 12 . . . . . . . . . . . . . . . . . . . . . . . . . . . . . . . . . . . . . . . . . . . . . . . . . . . . . . . . . . . . . . . . . .
5-2. Troubleshooting 12 . . . . . . . . . . . . . . . . . . . . . . . . . . . . . . . . . . . . . . . . . . . . . . . . . . . . . . . . . . . . . . . . . . . . . .
SECTION 6 − ELECTRICAL DIAGRAMS 13 . . . . . . . . . . . . . . . . . . . . . . . . . . . . . . . . . . . . . . . . . . . . . . . . . . . . . . . .
SECTION 7 − PARTS LIST 14 . . . . . . . . . . . . . . . . . . . . . . . . . . . . . . . . . . . . . . . . . . . . . . . . . . . . . . . . . . . . . . . . . . . . .
WARRANTY

dec_con1_11/02
Declaration of Conformity for
European Community (CE) Products
This information is provided for units with CE certification (see rating label on unit).
NOTE
Manufacturer’s Name: Miller Electric Mfg. Co.
Manufacturer’s Address: 1635 W. Spencer Street
Appleton, WI 54914 USA
Declares that the product: WC-24
conforms to the following Directives and Standards:
Directives
Low Voltage Directive: 73/23/EEC
Electromagnetic Compatibility (EMC) Directive: 89/336/EEC
Machinery Directives: 89/392/EEC, 91/368/EEC, 93/C 133/04, 93/68/EEC
Standards
Arc Welding Equipment Part I: Welding Power Sources: IEC 974-1
(April 1995 − Draft Revision)
Arc Welding Equipment: Wirefeed Systems: IEC 974-4
(May 1995 − Draft Revision)
Degrees of Protection Provided By Enclosures (IP Code): IEC 529:1989
Insulation Coordination For Equipment With Low-Voltage Systems:
Part I: Principles, Requirements and Tests: IEC 664-1: 1992
Electromagnetic Compatibility, (EMC): EN 50199
European Contact: Mr. Danilo Fedolfi, Managing Director
ITW WELDING PRODUCTS ITALY S.r.l.
Via Privata Iseo 6/E
20098 San Giuliano
Milanese, Italy
Telephone: 39(02)98290-1
Fax: 39(02)98290-203

OM-181 712 Page 1
SECTION 1 − SAFETY PRECAUTIONS - READ BEFORE USING
som _8/03
1-1. Symbol Usage
Means Warning! Watch Out! There are possible hazards
with this procedure! The possible hazards are shown in
the adjoining symbols.
YMarks a special safety message.
.Means “Note”; not safety related.
This group of symbols means Warning! Watch Out! possible
ELECTRIC SHOCK, MOVING PARTS, and HOT PARTS hazards.
Consult symbols and related instructions below for necessary actions
to avoid the hazards.
1-2. Arc Welding Hazards
YThe symbols shown below are used throughout this manual to
call attention to and identify possible hazards. When you see
the symbol, watch out, and follow the related instructions to
avoid the hazard. The safety information given below is only
a summary of the more complete safety information found in
the Safety Standards listed in Section NO TAG. Read and fol-
low all Safety Standards.
YOnly qualified persons should install, operate, maintain, and
repair this unit.
YDuring operation, keep everybody, especially children, away.
ELECTRIC SHOCK can kill.
Touching live electrical parts can cause fatal shocks
or severe burns. The electrode and work circuit is
electrically live whenever the output is on. The input
power circuit and machine internal circuits are also
live when power is on. In semiautomatic or automatic wire welding, the
wire, wire reel, drive roll housing, and all metal parts touching the
welding wire are electrically live. Incorrectly installed or improperly
grounded equipment is a hazard.
DDo not touch live electrical parts.
DWear dry, hole-free insulating gloves and body protection.
DInsulate yourself from work and ground using dry insulating mats
or covers big enough to prevent any physical contact with the work
or ground.
DDo not use AC output in damp areas, if movement is confined, or if
there is a danger of falling.
DUse AC output ONLY if required for the welding process.
DIf AC output is required, use remote output control if present on
unit.
DDisconnect input power or stop engine before installing or
servicing this equipment. Lockout/tagout input power according to
OSHA 29 CFR 1910.147 (see Safety Standards).
DProperly install and ground this equipment according to its
Owner’s Manual and national, state, and local codes.
DAlways verify the supply ground − check and be sure that input
power cord ground wire is properly connected to ground terminal in
disconnect box or that cord plug is connected to a properly
grounded receptacle outlet.
DWhen making input connections, attach proper grounding conduc-
tor first − double-check connections.
DFrequently inspect input power cord for damage or bare wiring −
replace cord immediately if damaged − bare wiring can kill.
DTurn off all equipment when not in use.
DDo not use worn, damaged, undersized, or poorly spliced cables.
DDo not drape cables over your body.
DIf earth grounding of the workpiece is required, ground it directly
with a separate cable.
DDo not touch electrode if you are in contact with the work, ground,
or another electrode from a different machine.
DUse only well-maintained equipment. Repair or replace damaged
parts at once. Maintain unit according to manual.
DWear a safety harness if working above floor level.
DKeep all panels and covers securely in place.
DClamp work cable with good metal-to-metal contact to workpiece
or worktable as near the weld as practical.
DInsulate work clamp when not connected to workpiece to prevent
contact with any metal object.
DDo not connect more than one electrode or work cable to any
single weld output terminal.
SIGNIFICANT DC VOLTAGE exists after removal of
input power on inverters.
DTurn Off inverter, disconnect input power, and discharge input
capacitors according to instructions in Maintenance Section
before touching any parts.
Welding produces fumes and gases. Breathing
these fumes and gases can be hazardous to your
health.
FUMES AND GASES can be hazardous.
DKeep your head out of the fumes. Do not breathe the fumes.
DIf inside, ventilate the area and/or use exhaust at the arc to remove
welding fumes and gases.
DIf ventilation is poor, use an approved air-supplied respirator.
DRead the Material Safety Data Sheets (MSDSs) and the
manufacturer’s instructions for metals, consumables, coatings,
cleaners, and degreasers.
DWork in a confined space only if it is well ventilated, or while
wearing an air-supplied respirator. Always have a trained watch-
person nearby. Welding fumes and gases can displace air and
lower the oxygen level causing injury or death. Be sure the breath-
ing air is safe.
DDo not weld in locations near degreasing, cleaning, or spraying op-
erations. The heat and rays of the arc can react with vapors to form
highly toxic and irritating gases.
DDo not weld on coated metals, such as galvanized, lead, or
cadmium plated steel, unless the coating is removed from the weld
area, the area is well ventilated, and if necessary, while wearing an
air-supplied respirator. The coatings and any metals containing
these elements can give off toxic fumes if welded.

OM-181 712 Page 2
Arc rays from the welding process produce intense
visible and invisible (ultraviolet and infrared) rays
that can burn eyes and skin. Sparks fly off from the
weld.
ARC RAYS can burn eyes and skin.
DWear a welding helmet fitted with a proper shade of filter to protect
your face and eyes when welding or watching (see ANSI Z49.1
and Z87.1 listed in Safety Standards).
DWear approved safety glasses with side shields under your
helmet.
DUse protective screens or barriers to protect others from flash and
glare; warn others not to watch the arc.
DWear protective clothing made from durable, flame-resistant mate-
rial (leather and wool) and foot protection.
Welding on closed containers, such as tanks,
drums, or pipes, can cause them to blow up. Sparks
can fly off from the welding arc. The flying sparks, hot
workpiece, and hot equipment can cause fires and
burns. Accidental contact of electrode to metal objects can cause
sparks, explosion, overheating, or fire. Check and be sure the area is
safe before doing any welding.
WELDING can cause fire or explosion.
DProtect yourself and others from flying sparks and hot metal.
DDo not weld where flying sparks can strike flammable material.
DRemove all flammables within 35 ft (10.7 m) of the welding arc. If
this is not possible, tightly cover them with approved covers.
DBe alert that welding sparks and hot materials from welding can
easily go through small cracks and openings to adjacent areas.
DWatch for fire, and keep a fire extinguisher nearby.
DBe aware that welding on a ceiling, floor, bulkhead, or partition can
cause fire on the hidden side.
DDo not weld on closed containers such as tanks, drums, or pipes,
unless they are properly prepared according to AWS F4.1 (see
Safety Standards).
DConnect work cable to the work as close to the welding area as
practical to prevent welding current from traveling long, possibly
unknown paths and causing electric shock and fire hazards.
DDo not use welder to thaw frozen pipes.
DRemove stick electrode from holder or cut off welding wire at
contact tip when not in use.
DWear oil-free protective garments such as leather gloves, heavy
shirt, cuffless trousers, high shoes, and a cap.
DRemove any combustibles, such as a butane lighter or matches,
from your person before doing any welding.
FLYING METAL can injure eyes.
DWelding, chipping, wire brushing, and grinding
cause sparks and flying metal. As welds cool,
they can throw off slag.
DWear approved safety glasses with side
shields even under your welding helmet.
BUILDUP OF GAS can injure or kill.
DShut off shielding gas supply when not in use.
DAlways ventilate confined spaces or use
approved air-supplied respirator.
HOT PARTS can cause severe burns.
DDo not touch hot parts bare handed.
DAllow cooling period before working on gun or
torch.
MAGNETIC FIELDS can affect pacemakers.
DPacemaker wearers keep away.
DWearers should consult their doctor before
going near arc welding, gouging, or spot
welding operations.
NOISE can damage hearing.
Noise from some processes or equipment can
damage hearing.
DWear approved ear protection if noise level is
high.
Shielding gas cylinders contain gas under high
pressure. If damaged, a cylinder can explode. Since
gas cylinders are normally part of the welding
process, be sure to treat them carefully.
CYLINDERS can explode if damaged.
DProtect compressed gas cylinders from excessive heat, mechani-
cal shocks, slag, open flames, sparks, and arcs.
DInstall cylinders in an upright position by securing to a stationary
support or cylinder rack to prevent falling or tipping.
DKeep cylinders away from any welding or other electrical circuits.
DNever drape a welding torch over a gas cylinder.
DNever allow a welding electrode to touch any cylinder.
DNever weld on a pressurized cylinder − explosion will result.
DUse only correct shielding gas cylinders, regulators, hoses, and fit-
tings designed for the specific application; maintain them and
associated parts in good condition.
DTurn face away from valve outlet when opening cylinder valve.
DKeep protective cap in place over valve except when cylinder is in
use or connected for use.
DRead and follow instructions on compressed gas cylinders,
associated equipment, and CGA publication P-1 listed in Safety
Standards.

OM-181 712 Page 3
1-3. Additional Symbols For Installation, Operation, And Maintenance
FIRE OR EXPLOSION hazard.
DDo not install or place unit on, over, or near
combustible surfaces.
DDo not install unit near flammables.
DDo not overload building wiring − be sure power supply system is
properly sized, rated, and protected to handle this unit.
FALLING UNIT can cause injury.
DUse lifting eye to lift unit only, NOT running
gear, gas cylinders, or any other accessories.
DUse equipment of adequate capacity to lift and
support unit.
DIf using lift forks to move unit, be sure forks are
long enough to extend beyond opposite side of
unit.
OVERUSE can cause OVERHEATING
DAllow cooling period; follow rated duty cycle.
DReduce current or reduce duty cycle before
starting to weld again.
DDo not block or filter airflow to unit.
STATIC (ESD) can damage PC boards.
DPut on grounded wrist strap BEFORE handling
boards or parts.
DUse proper static-proof bags and boxes to
store, move, or ship PC boards.
MOVING PARTS can cause injury.
DKeep away from moving parts.
DKeep away from pinch points such as drive
rolls.
WELDING WIRE can cause injury.
DDo not press gun trigger until instructed to do
so.
DDo not point gun toward any part of the body,
other people, or any metal when threading
welding wire.
MOVING PARTS can cause injury.
DKeep away from moving parts such as fans.
DKeep all doors, panels, covers, and guards
closed and securely in place.
H.F. RADIATION can cause interference.
DHigh-frequency (H.F.) can interfere with radio
navigation, safety services, computers, and
communications equipment.
DHave only qualified persons familiar with
electronic equipment perform this installation.
DThe user is responsible for having a qualified electrician prompt-
ly correct any interference problem resulting from the installa-
tion.
DIf notified by the FCC about interference, stop using the
equipment at once.
DHave the installation regularly checked and maintained.
DKeep high-frequency source doors and panels tightly shut, keep
spark gaps at correct setting, and use grounding and shielding to
minimize the possibility of interference.
ARC WELDING can cause interference.
DElectromagnetic energy can interfere with
sensitive electronic equipment such as
computers and computer-driven equipment
such as robots.
DBe sure all equipment in the welding area is
electromagnetically compatible.
DTo reduce possible interference, keep weld cables as short as
possible, close together, and down low, such as on the floor.
DLocate welding operation 100 meters from any sensitive elec-
tronic equipment.
DBe sure this welding machine is installed and grounded
according to this manual.
DIf interference still occurs, the user must take extra measures
such as moving the welding machine, using shielded cables,
using line filters, or shielding the work area.
1-4. California Proposition 65 Warnings
YWelding or cutting equipment produces fumes or gases which
contain chemicals known to the State of California to cause
birth defects and, in some cases, cancer. (California Health &
Safety Code Section 25249.5 et seq.)
YBattery posts, terminals and related accessories contain lead
and lead compounds, chemicals known to the State of
California to cause cancer and birth defects or other
reproductive harm. Wash hands after handling.
For Gasoline Engines:
YEngine exhaust contains chemicals known to the State of
California to cause cancer, birth defects, or other reproductive
harm.
For Diesel Engines:
YDiesel engine exhaust and some of its constituents are known
to the State of California to cause cancer, birth defects, and
other reproductive harm.

OM-181 712 Page 4
1-5. Principal Safety Standards
Safety in Welding, Cutting, and Allied Processes, ANSI Standard Z49.1,
from American Welding Society, 550 N.W. LeJeune Rd, Miami FL 33126
(phone: 305-443-9353, website: www.aws.org).
Recommended Safe Practices for the Preparation for Welding and Cut-
ting of Containers and Piping, American Welding Society Standard
AWS F4.1, from American Welding Society, 550 N.W. LeJeune Rd, Mi-
ami, FL 33126 (phone: 305-443-9353, website: www.aws.org).
National Electrical Code, NFPA Standard 70, from National Fire Protec-
tion Association, P.O. Box 9101, 1 Battery March Park, Quincy, MA
02269−9101 (phone: 617−770−3000, website: www.nfpa.org and www.
sparky.org).
Safe Handling of Compressed Gases in Cylinders, CGA Pamphlet P-1,
from Compressed Gas Association, 1735 Jefferson Davis Highway,
Suite 1004, Arlington, VA 22202−4102 (phone: 703−412−0900, web-
site: www.cganet.com).
Code for Safety in Welding and Cutting, CSA Standard W117.2, from
Canadian Standards Association, Standards Sales, 178 Rexdale
Boulevard, Rexdale, Ontario, Canada M9W 1R3 (phone:
800−463−6727 or in Toronto 416−747−4044, website: www.csa−in-
ternational.org).
Practice For Occupational And Educational Eye And Face Protection,
ANSI Standard Z87.1, from American National Standards Institute, 11
West 42nd Street, New York, NY 10036−8002 (phone: 212−642−4900,
website: www.ansi.org).
Standard for Fire Prevention During Welding, Cutting, and Other Hot
Work, NFPA Standard 51B, from National Fire Protection Association,
P.O. Box 9101, 1 Battery March Park, Quincy, MA 02269−9101 (phone:
617−770−3000, website: www.nfpa.org and www. sparky.org).
OSHA, Occupational Safety and Health Standards for General Indus-
try, Title 29, Code of Federal Regulations (CFR), Part 1910, Subpart Q,
and Part 1926, Subpart J, from U.S. Government Printing Office, Super-
intendent of Documents, P.O. Box 371954, Pittsburgh, PA 15250 (there
are 10 Regional Offices−−phone for Region 5, Chicago, is
312−353−2220, website: www.osha.gov).
1-6. EMF Information
Considerations About Welding And The Effects Of Low Frequency
Electric And Magnetic Fields
Welding current, as it flows through welding cables, will cause electro-
magnetic fields. There has been and still is some concern about such
fields. However, after examining more than 500 studies spanning 17
years of research, a special blue ribbon committee of the National
Research Council concluded that: “The body of evidence, in the
committee’s judgment, has not demonstrated that exposure to power-
frequency electric and magnetic fields is a human-health hazard.”
However, studies are still going forth and evidence continues to be
examined. Until the final conclusions of the research are reached, you
may wish to minimize your exposure to electromagnetic fields when
welding or cutting.
To reduce magnetic fields in the workplace, use the following
procedures:
1. Keep cables close together by twisting or taping them.
2. Arrange cables to one side and away from the operator.
3. Do not coil or drape cables around your body.
4. Keep welding power source and cables as far away from opera-
tor as practical.
5. Connect work clamp to workpiece as close to the weld as possi-
ble.
About Pacemakers:
Pacemaker wearers consult your doctor first. If cleared by your doctor,
then following the above procedures is recommended.
1. Keep cables close together by twisting or taping them.
2. Arrange cables to one side and away from the operator.
3. Do not coil or drape cables around your body.
4. Keep welding power source and cables as far away from opera-
tor as practical.
5. Connect work clamp to workpiece as close to the weld as possi-
ble.
About Pacemakers:
Pacemaker wearers consult your doctor first. If cleared by your doctor,
then following the above procedures is recommended.

OM-181 712 Page 5
SECTION 2 − CONSIGNES DE SÉCURITÉ − À LIRE AVANT
UTILISATION
som_fre 8/03
2-1. Signification des symboles
Signifie « Mise en garde. Faire preuve de vigilance. »
Cette procédure présente des risques identifiés par les
symboles adjacents aux directives.
YIdentifie un message de sécurité particulier.
.Signifie « NOTA » ; n’est pas relatif à la sécurité.
Ce groupe de symboles signifie « Mise en garde. Faire preuve de vigi-
lance. » Il y a des dangers liés aux CHOCS ÉLECTRIQUES, aux
PIÈCES EN MOUVEMENT et aux PIÈCES CHAUDES. Se reporter
aux symboles et aux directives ci-dessous afin de connaître les me-
sures à prendre pour éviter tout danger.
2-2. Dangers relatifs au soudage à l’arc
YLes symboles ci-après sont utilisés tout au long du présent
manuel pour attirer l’attention sur les dangers potentiels et les
identifier. Lorsqu’on voit un symbole, faire preuve de vigilance et
suivre les directives mentionnées afin d’éviter tout danger. Les
consignes de sécurité énoncées ci-après ne font que résumer le
contenu des normes de sécurité mentionnées à la section
NO TAG Lire et respecter toutes ces normes.
YL’installation, l’utilisation, l’entretien et les réparations ne doi-
vent être confiés qu’à des personnes qualifiées.
YPendant l’utilisation de l’appareil, tenir à l’écart toute personne,
en particulier les enfants.
LES DÉCHARGES ÉLECTRIQUES
peuvent être mortelles.
Un simple contact avec des pièces sous tension peut
causer une électrocution ou des blessures graves.
L’électrode et le circuit de soudage sont sous tension
dès que l’appareil est en fonctionnement. Le circuit
d’entrée et les circuits internes de l’appareil sont également sous tension.
En soudage semi−automatique ou automatique, le fil, le dévidoir, le
logement des galets d’entraînement et les pièces métalliques en contact
avec le fil de soudage sont sous tension. Tout matériel mal installé ou mal
mis à la terre présente un danger.
DNe jamais toucher aux pièces électriques sous tension.
DPorter des gants et des vêtements de protection secs et exempts de
trous.
DS’isoler de la pièce et de la terre au moyen de tapis ou autres disposi-
tifs isolants suffisamment grands pour empêcher tout contact
physique avec la pièce ou la terre.
DNe pas se servir d’une source de courant alternatif dans les zones humi-
des, les endroits confinés ou là où on risque de tomber.
DNe se servir d’une source de courant alternatif QUE si le procédé de souda-
ge l’exige.
DSi l’utilisation d’une source de courant alternatif s’avère nécessaire, se ser-
vir de la fonction de télécommande si l’appareil en est équipé.
DCouper l’alimentation ou arrêter le moteur avant de procéder à l’instal-
lation, à la réparation ou à l’entretien de l’appareil. Couper/étiqueter
l’alimentation selon la norme OSHA 29 CFR 1910.147 (voir les nor-
mes de sécurité).
DInstaller et mettre à la terre correctement l’appareil conformément à
son manuel d’utilisation et aux codes nationaux, provinciaux et
municipaux.
DToujours vérifier la terre du cordon d’alimentation − Vérifier et s’assu-
rer que le fil de terre du cordon d’alimentation est bien raccordé à la
borne de terre du sectionneur ou que la fiche du cordon est raccordée
à une prise correctement mise à la terre.
DPour exécuter les branchements d’entrée, fixer d’abord le conducteur
de mise à la terre adéquat et contre−vérifier les connexions.
DVérifier fréquemment le cordon d’alimentation et s’assurer qu’il n’est
ni endommagé ni dénudé ; le remplacer immédiatement s’il est en-
dommagé − tout câble dénudé peut causer une électrocution.
DMettre l’appareil hors tension quand on ne l’utilise pas.
DNe pas utiliser de câbles usés, endommagés, de calibre insuffisant ou
mal épissés.
DNe pas s’enrouler les câbles autour du corps.
DSi la pièce soudée doit être mise à la terre, le faire directement avec un
câble distinct.
DNe pas toucher l’électrode quand on est en contact avec la pièce, la
terre ou une électrode d’une autre machine.
DN’utiliser que du matériel en bon état. Réparer ou remplacer sur−le−
champ les pièces endommagées. Entretenir l’appareil conformément
au présent manuel.
DPorter un harnais de sécurité quand on travaille en hauteur.
DMaintenir solidement en place tous les panneaux et capots.
DFixer le câble de retour de façon à obtenir un bon contact métal sur
métal avec la pièce à souder ou la table de travail, le plus près possible
de la soudure.
DNe pas connecter plus d’une électrode ou plus d’un câble de masse à un
même terminal de sortie.
Il subsiste un COURANT CONTINU IMPORTANT
dans les convertisseurs après la suppression de
l’alimentation électrique.
DArrêter les convertisseurs, débrancher le courant électrique et dé-
charger les condensateurs d’alimentation selon les instructions
énoncées à la section Entretien avant de toucher les pièces.
Le soudage génère des fumées et des gaz dont
l’inhalation peut être dangereuse pour la santé.
LES FUMÉES ET LES GAZ peuvent
être dangereux.
DSe tenir à distance des fumées et ne pas les inhaler.
DÀ l’intérieur, ventiler la zone et/ou utiliser un dispositif d’aspiration au
niveau de l’arc pour l’évacuation des fumées et des gaz de soudage.
DSi la ventilation est insuffisante, utiliser un respirateur à adduction
d’air agréé.
DLire les fiches techniques de santé−sécurité (FTSS) et les instruc-
tions du fabricant concernant les métaux, les consommables, les
revêtements, les nettoyants et les dégraisseurs.
DNe travailler dans un espace clos que s’il est bien ventilé ou porter un
respirateur à adduction d’air. Demander toujours à un surveillant dû-
ment formé de se tenir à proximité. Des fumées et des gaz de soudage
peuvent se substituer à l’air, abaisser la teneur en oxygène et causer
des lésions ou des accidents mortels. S’assurer que l’air est respira-
ble.
DNe pas souder à proximité d’opérations de dégraissage, de nettoyage
ou de pulvérisation. La chaleur et les rayons de l’arc peuvent réagir en
présence de vapeurs et former des gaz hautement toxiques et irri-
tants.
DNe pas souder de métaux munis d’un revêtement, tels que la tôle
d’acier galvanisée, plombée ou cadmiée, à moins que le revêtement
n’ait été enlevé dans la zone de soudage, que l’endroit soit bien venti-
lé, et si nécessaire, porter un respirateur à adduction d’air. Les
revêtements et tous les métaux renfermant ces éléments peuvent dé-
gager des fumées toxiques lorsqu’on les soude.

OM-181 712 Page 6
Le rayonnement de l’arc génère des rayons visibles et
invisibles intenses (ultraviolets et infrarouges) suscep-
tibles de causer des brûlures oculaires et cutanées.
Des étincelles sont projetées pendant le soudage.
LES RAYONS DE L’ARC peuvent cau-
ser des brûlures oculaires et cuta-
nées.
DPorter un masque de soudage muni d’un filtre de la nuance adéquate
pour se protéger le visage et les yeux pendant le soudage ou pour re-
garder (voir les normes de sécurité ANSI Z49.1 et Z87.1).
DPorter des lunettes de sécurité à écrans latéraux sous le masque.
DUtiliser des écrans ou des barrières pour protéger les tiers de l’éclat
éblouissant ou aveuglant de l’arc ; leur demander de ne pas regarder
l’arc.
DPorter des vêtements de protection en matière durable et ignifuge
(cuir ou laine) et des chaussures de sécurité.
Le soudage effectué sur des récipients fermés tels que
des réservoirs, des fûts ou des conduites peut causer
leur éclatement. Des étincelles peuvent être projetées
de l’arc de soudure. La projection d’étincelles, les
pièces chaudes et les équipements chauds peuvent causer des
incendies et des brûlures. Le contact accidentel de l’électrode avec tout
objet métallique peut causer des étincelles, une explosion, un surchauf-
fement ou un incendie. Avant de commencer le soudage, vérifier et
s’assurer que l’endroit ne présente pas de danger.
LE SOUDAGE peut causer un incen-
die ou une explosion.
DSe protéger et protéger les tiers de la projection d’étincelles et de mé-
tal chaud.
DNe pas souder à un endroit où des étincelles peuvent tomber sur des
substances inflammables.
DPlacer toutes les substances inflammables à une distance de 10,7 m
de l’arc de soudage. En cas d’impossibilité, les recouvrir soigneuse-
ment avec des protections agréées.
DDes étincelles et des matières en fusion peuvent facilement passer
même par des fissures et des ouvertures de petites dimensions.
DSurveiller tout déclenchement d’incendie et tenir un extincteur à proxi-
mité.
DLe soudage effectué sur un plafond, un plancher, une paroi ou une
cloison peut déclencher un incendie de l’autre côté.
DNe pas souder des récipients fermés tels que des réservoirs, des fûts
ou des conduites, à moins qu’ils n’aient été préparés conformément à
l’AWS F4.1 (voir les normes de sécurité).
DBrancher le câble sur la pièce le plus près possible de la zone de sou-
dage pour éviter que le courant ne circule sur une longue distance, par
des chemins inconnus, et ne cause des risques d’électrocution et d’in-
cendie.
DNe pas utiliser le poste de soudage pour dégeler des conduites ge-
lées.
DEn cas de non utilisation, enlever la baguette d’électrode du porte−
électrode ou couper le fil au raz du tube−contact.
DPorter des vêtements de protection exempts d’huile tels que des
gants en cuir, une chemise en tissu épais, des pantalons sans revers,
des chaussures montantes et un masque.
DAvant de souder, retirer tout produit combustible de ses poches, tel
qu’un briquet au butane ou des allumettes.
LES PARTICULES PROJETÉES peu-
vent blesser les yeux.
DLe soudage, le burinage, le passage de la pièce à
la brosse métallique et le meulage provoquent
l’émission d’étincelles et de particules métalli-
ques. Pendant leur refroidissement, les soudures risquent de projeter du
laitier.
DPorter des lunettes de sécurité à écrans latéraux agréés, même sous le
masque de soudage.
LES ACCUMULATIONS DE GAZ peu-
vent causer des blessures ou même
la mort.
DCouper l’alimentation en gaz protecteur en cas de
non utilisation.
DVeiller toujours à bien ventiler les espaces confinés ou porter un respira-
teur à adduction d’air agréé.
LES PIÈCES CHAUDES peuvent cau-
ser des brûlures graves.
DNe pas toucher les pièces chaudes à main nue.
DPrévoir une période de refroidissement avant
d’utiliser le pistolet ou la torche.
LES CHAMPS MAGNÉTIQUES peuvent
perturber le fonctionnement des stimu-
lateurs cardiaques.
DLes personnes qui portent un stimulateur cardiaque
doivent se tenir à distance.
DIls doivent consulter leur médecin avant de s’appro-
cher d’un lieu où on exécute des opérations de sou-
dage à l’arc, de gougeage ou de soudage par points.
LE BRUIT peut affecter l’ouïe.
Le bruit de certains processus et équipements peut
affecter l’ouïe.
DPorter des protecteurs d’oreille agréés si le niveau
sonore est trop élevé.
Les bouteilles de gaz protecteur contiennent du gaz
sous haute pression. Toute bouteille endommagée
peut exploser. Comme les bouteilles de gaz font
normalement partie du procédé de soudage, les
manipuler avec précaution.
Les BOUTEILLES endommagées
peuvent exploser.
DProtéger les bouteilles de gaz comprimé de la chaleur excessive, des
chocs mécaniques, du laitier, des flammes nues, des étincelles et des
arcs.
DPlacer les bouteilles debout en les fixant dans un support stationnaire
ou dans un porte−bouteilles pour les empêcher de tomber ou de se
renverser.
DTenir les bouteilles éloignées des circuits de soudage ou autres cir-
cuits électriques.
DNe jamais poser une torche de soudage sur une bouteille de gaz.
DNe jamais mettre une électrode de soudage en contact avec une bou-
teille de gaz.
DNe jamais souder une bouteille contenant du gaz sous pression − elle
risquerait d’exploser.
DN’utiliser que les bouteilles de gaz protecteur, régulateurs, tuyaux et
raccords adéquats pour l’application envisagée ; les maintenir en bon
état, ainsi que les pièces connexes.
DDétourner la tête lorsqu’on ouvre la soupape d’une bouteille.
DLaisser le capuchon protecteur sur la soupape, sauf en cas d’utilisa-
tion ou de branchement de la bouteille
DLire et suivre les instructions concernant les bouteilles de gaz compri-
mé, les équipements associés et les publications P−1 de la CGA,
mentionnées dans les normes de sécurité.

OM-181 712 Page 7
2-3. Autres symboles relatifs à l’installation, au fonctionnement et à l’entretien de
l’appareil.
Risque D’INCENDIE OU D’EXPLO-
SION
DNe pas placer l’appareil sur une surface inflam-
mable, ni au−dessus ou à proximité d’elle.
DNe pas installer l’appareil à proximité de produits inflammables.
DNe pas surcharger l’installation électrique − s’assurer que l’alimen-
tation est correctement dimensionnée et protégée avant de mettre
l’appareil en service.
LA CHUTE DE L’APPAREIL peut
blesser.
DN’utiliser que l’anneau de levage pour lever l’ap-
pareil. NE PAS utiliser le chariot, les bouteilles de
gaz ou tout autre accessoire.
DUtiliser un engin de capacité adéquate pour lever
l’appareil.
DSi on utilise un chariot élévateur pour déplacer l’unité, s’assurer que
les fourches sont suffisamment longues pour dépasser du côté op-
posé de l’appareil.
L’EMPLOI EXCESSIF peut FAIRE
SURCHAUFFER L’ÉQUIPEMENT.
DPrévoir une période de refroidissement ; respec-
ter le cycle opératoire nominal.
DRéduire le courant ou le cycle opératoire avant de
reprendre le soudage.
DNe pas obstruer les orifices ou filtrer l’alimentation en air du poste.
LES CHARGES ÉLECTROSTATI-
QUES peuvent endommager les cir-
cuits imprimés.
DMettre un bracelet antistatique AVANT de mani-
puler des cartes ou des pièces.
DUtiliser des pochettes et des boîtes antistatiques
pour stocker, déplacer ou expédier des cartes de
circuits imprimés.
LES PIÈCES MOBILES peuvent cau-
ser des blessures.
DSe tenir à l’écart des pièces mobiles.
DSe tenir à l’écart des points de coincement tels
que les dévidoirs.
LES FILS DE SOUDAGE peuvent cau-
ser des blessures.
DNe pas appuyer sur la gâchette avant d’en avoir
reçu l’instruction.
DNe pas diriger le pistolet vers soi, vers d’autres
personnes ou vers toute pièce mécanique en en-
gageant le fil de soudage.
LES ORGANES MOBILES peuvent
causer des blessures.
DSe tenir à l’écart des organes mobiles comme les
ventilateurs.
DMaintenir fermés et bien fixés les portes,
panneaux, recouvrements et dispositifs de
protection.
LE RAYONNEMENT HAUTE FRÉ-
QUENCE (H. F.) risque de causer des
interférences.
DLe rayonnement haute fréquence peut causer
des interférences avec les équipements de radio-
navigation et de communication, les services de
sécurité et les ordinateurs.
DNe demander qu’à des personnes qualifiées familiarisées avec les
équipements électroniques de faire fonctionner l’installation.
DL’utilisateur est tenu de faire corriger rapidement par un électricien
qualifié les interférences causées par l’installation.
DSi la Federal Communications Commission signale des interféren-
ces, arrêter immédiatement l’appareil.
DFaire régulièrement contrôler et entretenir l’installation.
DMaintenir soigneusement fermés les panneaux et les portes des sour-
ces de haute fréquence, maintenir le jeu d’éclatement au réglage
adéquat et utiliser une terre et un blindage pour réduire les interféren-
ces éventuelles.
LE SOUDAGE À L’ARC peut causer
des interférences.
DL’énergie électromagnétique peut causer des
interférences avec l’équipement électronique
sensible tel que les ordinateurs et l’équipement
commandé par ordinateur tel que les robots.
DVeiller à ce que tout l’équipement de la zone de soudage soit compati-
ble au point de vue électromagnétique.
DPour réduire la possibilité d’interférence, maintenir les câbles de sou-
dage aussi courts que possible, les grouper, et les poser aussi bas
que possible (par ex. : à terre).
DVeiller à souder à une distance de 100 mètres de tout équipement
électronique sensible.
DVeiller à ce que le poste de soudage soit posé et mis à la terre confor-
mément au présent manuel.
DEn cas d’interférences après exécution des directives précédentes, il
incombe à l’utilisateur de prendre des mesures supplémentaires tel-
les que le déplacement du poste, l’utilisation de câbles blindés,
l’utilisation de filtres de ligne ou la pose de protecteurs dans la zone de
travail.
LES CHAMPS MAGNÉTIQUES peuvent
affecter les stimulateurs cardiaques.
DPorteurs de stimulateur cardiaque, restez à dis-
tance.
DLes porteurs d’un stimulateur cardiaque doivent
d’abord consulter leur médecin avant de s’appro-
cher des opérations de soudage à l’arc, de gou-
geage ou de soudage par points.

OM-181 712 Page 8
2-4. Principales normes de sécurité
Safety in Welding, Cutting, and Allied Processes, norme ANSI Z49.1,
de l’American Welding Society, 550 N.W. LeJeune Rd, Miami FL 33126
(téléphone : (305) 443−9353, site Web : www.aws.org).
Recommended Safe Practices for the Preparation for Welding and Cut-
ting of Containers and Piping, norme American Welding Society AWS
F4.1, de l’American Welding Society, 550 N.W. LeJeune Rd, Miami, FL
33126 (téléphone : (305) 443−9353, site Web : www.aws.org).
National Electrical Code, norme NFPA 70, de la National Fire Protection
Association, P.O. Box 9101, 1 Battery March Park, Quincy, MA
02269−9101 (téléphone : (617) 770−3000, sites Web : www.nfpa.org et
www.sparky.org).
Safe Handling of Compressed Gases in Cylinders, brochure CGA P−1,
de la Compressed Gas Association, 1735 Jefferson Davis Highway,
Suite 1004, Arlington, VA 22202−4102 (téléphone : (703) 412−0900,
site Web : www.cganet.com).
Code for Safety in Welding and Cutting, norme CSA W117.2, de la Ca-
nadian Standards Association, Standards Sales, 178 boulevard
Rexdale, Rexdale (Ontario) Canada M9W 1R3 (téléphone : (800)
463−6727 ou à Toronto : (416) 747−4044, site Web : www.csa−interna-
tional.org).
Practice For Occupational And Educational Eye And Face Protection,
norme ANSI Z87.1, de l’American National Standards Institute, 11 West
42nd Street, New York, NY 10036−8002 (téléphone : (212) 642−4900,
site Web : www.ansi.org).
Standard for Fire Prevention During Welding, Cutting, and Other Hot
Work, norme NFPA 51B, de la National Fire Protection Association,
P.O. Box 9101, 1 Battery March Park, Quincy, MA 02269−9101 (télé-
phone : (617) 770−3000, site Web : www.nfpa.org et www.sparky.org).
OSHA, Occupational Safety and Health Standards for General Indus-
try, Title 29, Code of Federal Regulations (CFR), Part 1910, Subpart Q,
and Part 1926, Subpart J, de l’U.S. Government Printing Office, Super-
intendent of Documents, P.O. Box 371954, Pittsburgh, PA 15250 (il y a
10 bureaux régionaux − Téléphone pour la Région 5, Chicago : (312)
353−2220, site Web : www.osha.gov).
2-5. Information sur les champs électromagnétiques
Données sur le soudage électrique et les effets des champs magnéti-
ques basse fréquence sur l’organisme
En parcourant les câbles de soudage, le courant crée des champs élec-
tromagnétiques. Les effets potentiels de tels champs restent
préoccupants. Cependant, après avoir examiné plus de 500 études qui
ont été faites pendant une période de recherche de 17 ans, un comité
de spécialistes du National Research Council a conclu : « L’accumula-
tion de preuves n’a pas démontré que l’exposition aux champs
magnétiques et aux champs électriques à haute fréquence constitue un
risque pour la santé humaine ». Toutefois, les études et l’examen des
preuves se poursuivent. En attendant les conclusions finales de la re-
cherche, il serait souhaitable de réduire l’exposition aux champs
électromagnétiques pendant le soudage ou le coupage.
Afin de réduire les champs électromagnétiques en milieu de travail, res-
pecter les consignes suivantes :
1. Garder les câbles ensemble en les torsadant ou en les fixant avec du
ruban adhésif.
2. Mettre tous les câbles du côté opposé à l’opérateur.
3. Ne pas s’enrouler les câbles autour du corps.
4. Garder le poste de soudage et les câbles le plus loin possible de soi.
5. Placer la pince de masse le plus près possible de la zone de soudage.
Consignes relatives aux stimulateurs cardiaques :
Les personnes qui portent un stimulateur cardiaque doivent avant tout
consulter leur médecin. Si ce dernier les déclare aptes, il leur est recom-
mandé de respecter les consignes ci-dessus.
Afin de réduire les champs électromagnétiques dans l’environnement
de travail, respecter les consignes suivantes :
1 Garder les câbles ensembles en les torsadant ou en les
attachant avec du ruban adhésif.
2 Mettre tous les câbles du côté opposé de l’opérateur.
3 Ne pas courber pas et ne pas entourer pas les câbles autour de
votre corps.
4 Garder le poste de soudage et les câbles le plus loin possible de
vous.
5 Relier la pince de masse le plus près possible de la zone de
soudure.
Consignes relatives aux stimulateurs cardiaques :
Les personnes qui portent un stimulateur cardiaque doivent avant tout
consulter leur docteur. Si vous êtes déclaré apte par votre docteur, il est
alors recommandé de respecter les consignes ci−dessus.

OM-181 712 Page 9
SECTION 3 − DEFINITIONS
3-1. Manufacturer’s Rating Label For CE Products
178 794-A
For label location
see Section 4-5.
S/N:
24
1.0
Hz50/60
IP 23
V100 A200 X 100 %
MILLER ELECTRIC MFG. CO., APPLETON, WI USA
V
U1
=A
I1=1
U2
=I2=
3-2. Symbols And Definitions
Some symbols are found only on CE products.
NOTE
Output Alternating Current AAmperes VVolts
Single Phase
X
Duty Cycle
Hz
Hertz
IP
Degree Of Protec-
tion
Read Instructions Percent U1Primary Voltage U2Conventional Load
Voltage
Line Connection I1Primary Current I2Rated Welding
Current

OM-181 712 Page 10
SECTION 4 − INSTALLATION
4-1. Specifications
Weld Control Connects Spoolmatic Gun To Constant Voltage (CV) DC Welding Power
Source With Contactor For DC Gas Metal Arc Welding (GMAW)
Provides 30 VDC Control Circuit Voltage to Gun/Feeder
IP Rating: 23
147 743
Receptacle For Connecting Gun/Feeder Control Cord Plug
147 743
Dimensions: 1-3/4 in (44 mm) Long, 5-1/2 in (140 mm) Wide, 7-3/8 in (187 mm) High
Center To Center Mounting Hole Spacing: 6 in (153 mm)
Center To Center Mounting Hole Spacing: 6 in (153 mm)
Weight: 2 lb (0.9 kg)
24 VAC, 1A, 50/60 Hertz, Single-Phase Input Power; 5 ft (1.5 m) Long Input Power Cord And
14-Pin Plug
4-2. Typical Process Connections
24 Volt
Control
Constant voltage
DC power source
with a 14-pin
receptacle and 24
VAC supply. 30 ft (9 m) Control Cord
30 ft (9 m) Weld Power Cable
40 ft (12 m) Gas Hose
4-3. 14-Pin Plug Information
Pin* Pin Information
AJ
K
I
A Contact output signal.
AJ
B
K
I
C
L
NH
D
M
G
BInput control to energize weld contactor. Contact closure to A completes 24 volts ac contactor
control circuit.
D
M
G
E
FGCircuit common for 24 volts ac circuit.
*The remaining pins are not used.

OM-181 712 Page 11
4-4. Connecting WC24 To A Millermatic 200 Or Spoolmate 200
To connect WC24 to a MIllermatic 200 or Spoolmate 200 use Adapter Cord
Kit 042 236.
NOTE
4-5. Weld Control Connections
Ref. 151 355
1 14-Pin Plug PLG4 And
Interconnecting Cord
Insert plug into 14-socket recep-
tacle on welding power source, and
tighten threaded collar.
2 Welding Power Source Top Or
Side Panel Screw
Install unit onto welding power
source.
3 Gun Control Receptacle
4 Gun/Feeder Control Cord And
10-Pin Plug
Insert 10-pin plug from gun/feeder
into receptacle, and tighten
threaded collar. (See gun/feeder
Owner’s Manual).
5 Rating Label Location
Tools Needed:
1/4 in
2
1
3
4
5
Notes

OM-181 712 Page 12
SECTION 5 − MAINTENANCE & TROUBLESHOOTING
5-1. Routine Maintenance
YDisconnect power
before maintaining.
3 Months
Repair Or Replace
Cracked Cord
Replace
Damaged Or
Unreadable
Labels
5-2. Troubleshooting
Trouble Remedy
Pressing gun trigger does not energize
or feed wire. Secure plug PLG4 in 14 pin receptacle on welding power source (see Section 4-5).
Secure gun plug in Gun Control receptacle RC3 on weld control (see Section 4-5).
See Troubleshooting Section of gun and/or welding power source Owner’s Manual.
Pressing gun trigger energizes wire,
but wire does not feed. See Troubleshooting Section of gun Owner’s Manual.
Pressing gun trigger feeds wire, but
wire is not energized.
Secure plug PLG4 in 14 pin receptacle on welding power source (see Section 4-5).
wire is not energized.
See Troubleshooting Section of welding power source Owner’s Manual.
Wire feeds erratically. See Troubleshooting Section of gun Owner’s Manual.
Wire burns back. Secure plug PLG4 in 14 pin receptacle on welding power source (see Section 4-5).
Secure gun plug in Gun Control receptacle RC3 on weld control (see Section 4-5).
See Troubleshooting Section of gun and/or welding power source Owner’s Manual.

OM-181 712 Page 13
SECTION 6 − ELECTRICAL DIAGRAMS
141 989
Figure 6-1. Circuit Diagram

OM-181 712 Page 14
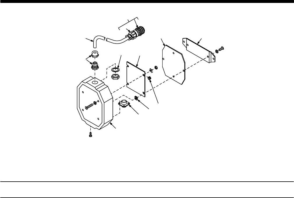
SECTION 7 − PARTS LIST
.Hardware is common and
not available unless listed.
143 224-A
1
2
3
5 6
7
9
10
11
12
8
4
Figure 7-1. Complete Assembly
Description Quantit
y
Part
No.
Dia.
Mkgs.
Item
No.
Figure 7-1. WC-24 Control
1 139 042 BUSHING, strain relief .270/.480 ID x .804mtg hole 1. . . . . . . . . . . . . . . . . . . . . . . . . . . . . . . . . . . . .
2 600 341 CABLE, port No. 16 3/c (order by ft) 6ft. . . . . . . . . . . . . . . . . . . . . . . . . . . . . . . . . . . . . . . . . . . . . . . . . .
3 PLG4 141 162 CONNECTOR & PINS, (consisting of) 1. . . . . . . . . . . . . . . . . . . . . . . . . . . . . . . . . . . . . . . . .
4 143 922 CONNECTOR, clamp str rlf sz 17-20 Amp 206070-3 1. . . . . . . . . . . . . . . . . . . . . . . . . . . . . . . . . . .
5 135 736 WASHER, flat rbr .812 ID x 1.125 ID x .031thk 1. . . . . . . . . . . . . . . . . . . . . . . . . . . . . . . . . . . . . . . . .
6 PC1 154 068 CIRCUIT CARD, SC motor 1. . . . . . . . . . . . . . . . . . . . . . . . . . . . . . . . . . . . . . . . . . . . . . . . . . . . .
PLG1 115 094 CONNECTOR & SOCKETS 1. . . . . . . . . . . . . . . . . . . . . . . . . . . . . . . . . . . . . . . . . . . . . . . . . . . . .
PLG2 115 092 CONNECTOR & SOCKETS 1. . . . . . . . . . . . . . . . . . . . . . . . . . . . . . . . . . . . . . . . . . . . . . . . . . . . .
7 138 384 COVER, control 1. . . . . . . . . . . . . . . . . . . . . . . . . . . . . . . . . . . . . . . . . . . . . . . . . . . . . . . . . . . . . . . . . . . .
148 550 GASKET, cover 1. . . . . . . . . . . . . . . . . . . . . . . . . . . . . . . . . . . . . . . . . . . . . . . . . . . . . . . . . . . . . . . . . . . . . . .
8 136 840 BRACKET, mtg control 1. . . . . . . . . . . . . . . . . . . . . . . . . . . . . . . . . . . . . . . . . . . . . . . . . . . . . . . . . . . . . .
9 601 242 INSULATOR, washer heat sink 4. . . . . . . . . . . . . . . . . . . . . . . . . . . . . . . . . . . . . . . . . . . . . . . . . . . . . .
10 135 363 NUT, speed push-on-type 6-32 U type 4. . . . . . . . . . . . . . . . . . . . . . . . . . . . . . . . . . . . . . . . . . . . . . . .
11 RC3 190 363 RCPT w/SKTS 1. . . . . . . . . . . . . . . . . . . . . . . . . . . . . . . . . . . . . . . . . . . . . . . . . . . . . . . . . . . . . . .
12 135 370 HOUSING, circuit control 1. . . . . . . . . . . . . . . . . . . . . . . . . . . . . . . . . . . . . . . . . . . . . . . . . . . . . . . . . . . .
To maintain the factory original performance of your equipment, use only Manufacturer’s Suggested
Replacement Parts. Model and serial number required when ordering parts from your local distributor.

Warranty Questions?
Call
1-800-4-A-MILLER
for your local
Miller distributor.
miller_warr 1/05
Your distributor also gives
you ...
Service
You always get the fast,
reliable response you
need. Most replacement
parts can be in your
hands in 24 hours.
Support
Need fast answers to the
tough welding questions?
Contact your distributor.
The expertise of the
distributor and Miller is
there to help you, every
step of the way.
Effective January 1, 2005
(Equipment with a serial number preface of “LF” or newer)
This limited warranty supersedes all previous Miller warranties and is exclusive with no other
guarantees or warranties expressed or implied.
LIMITED WARRANTY − Subject to the terms and conditions
below, Miller Electric Mfg. Co., Appleton, Wisconsin, warrants to
its original retail purchaser that new Miller equipment sold after
the effective date of this limited warranty is free of defects in
material and workmanship at the time it is shipped by Miller.
THIS WARRANTY IS EXPRESSLY IN LIEU OF ALL OTHER
WARRANTIES, EXPRESS OR IMPLIED, INCLUDING THE
WARRANTIES OF MERCHANTABILITY AND FITNESS.
Within the warranty periods listed below, Miller will repair or
replace any warranted parts or components that fail due to such
defects in material or workmanship. Miller must be notified in
writing within thirty (30) days of such defect or failure, at which
time Miller will provide instructions on the warranty claim
procedures to be followed.
Miller shall honor warranty claims on warranted equipment
listed below in the event of such a failure within the warranty
time periods. All warranty time periods start on the date that the
equipment was delivered to the original retail purchaser, or one
year after the equipment is sent to a North American distributor
or eighteen months after the equipment is sent to an
International distributor.
1. 5 Years Parts — 3 Years Labor
* Original main power rectifiers
* Inverters (input and output rectifiers only)
2. 3 Years — Parts and Labor
* Transformer/Rectifier Power Sources
* Plasma Arc Cutting Power Sources
* Semi-Automatic and Automatic Wire Feeders
* Inverter Power Sources (Unless Otherwise Stated)
* Water Coolant Systems (Integrated)
* Intellitig
* Maxstar 150
* Engine Driven Welding Generators
(NOTE: Engines are warranted separately by
the engine manufacturer.)
3. 1 Year — Parts and Labor Unless Specified
* DS-2 Wire Feeder
* Motor Driven Guns (w/exception of Spoolmate
Spoolguns)
* Process Controllers
* Positioners and Controllers
* Automatic Motion Devices
* RFCS Foot Controls
* Induction Heating Power Sources and Coolers
* Water Coolant Systems (Non-Integrated)
* Flowgauge and Flowmeter Regulators (No Labor)
* HF Units
* Grids
* Maxstar 85, 140
* Spot Welders
* Load Banks
* Arc Stud Power Sources & Arc Stud Guns
* Racks
* Running Gear/Trailers
* Plasma Cutting Torches (except APT & SAF
Models)
* Field Options
(NOTE: Field options are covered under True
Blue for the remaining warranty period of the
product they are installed in, or for a minimum of
one year — whichever is greater.)
4. 6 Months — Batteries
5. 90 Days — Parts
* MIG Guns/TIG Torches
* Induction Heating Coils and Blankets
* APT & SAF Model Plasma Cutting Torches
* Remote Controls
* Accessory Kits
* Replacement Parts (No labor)
* Spoolmate Spoolguns
* Canvas Covers
Miller’s True Blue Limited Warranty shall not apply to:
1. Consumable components; such as contact tips,
cutting nozzles, contactors, brushes, slip rings,
relays or parts that fail due to normal wear. (Exception:
brushes, slip rings, and relays are covered on Bobcat,
Trailblazer, and Legend models.)
2. Items furnished by Miller, but manufactured by others,
such as engines or trade accessories. These items are
covered by the manufacturer’s warranty, if any.
3. Equipment that has been modified by any party other than
Miller, or equipment that has been improperly installed,
improperly operated or misused based upon industry
standards, or equipment which has not had reasonable
and necessary maintenance, or equipment which has
been used for operation outside of the specifications for the
equipment.
MILLER PRODUCTS ARE INTENDED FOR PURCHASE AND
USE BY COMMERCIAL/INDUSTRIAL USERS AND
PERSONS TRAINED AND EXPERIENCED IN THE USE AND
MAINTENANCE OF WELDING EQUIPMENT.
In the event of a warranty claim covered by this warranty, the
exclusive remedies shall be, at Miller’s option: (1) repair; or (2)
replacement; or, where authorized in writing by Miller in
appropriate cases, (3) the reasonable cost of repair or
replacement at an authorized Miller service station; or (4)
payment of or credit for the purchase price (less reasonable
depreciation based upon actual use) upon return of the goods at
customer’s risk and expense. Miller’s option of repair or
replacement will be F.O.B., Factory at Appleton, Wisconsin, or
F.O.B. at a Miller authorized service facility as determined by
Miller. Therefore no compensation or reimbursement for
transportation costs of any kind will be allowed.
TO THE EXTENT PERMITTED BY LAW, THE REMEDIES
PROVIDED HEREIN ARE THE SOLE AND EXCLUSIVE
REMEDIES. IN NO EVENT SHALL MILLER BE LIABLE FOR
DIRECT, INDIRECT, SPECIAL, INCIDENTAL OR
CONSEQUENTIAL DAMAGES (INCLUDING LOSS OF
PROFIT), WHETHER BASED ON CONTRACT, TORT OR
ANY OTHER LEGAL THEORY.
ANY EXPRESS WARRANTY NOT PROVIDED HEREIN AND
ANY IMPLIED WARRANTY, GUARANTY OR
REPRESENTATION AS TO PERFORMANCE, AND ANY
REMEDY FOR BREACH OF CONTRACT TORT OR ANY
OTHER LEGAL THEORY WHICH, BUT FOR THIS
PROVISION, MIGHT ARISE BY IMPLICATION, OPERATION
OF LAW, CUSTOM OF TRADE OR COURSE OF DEALING,
INCLUDING ANY IMPLIED WARRANTY OF
MERCHANTABILITY OR FITNESS FOR PARTICULAR
PURPOSE, WITH RESPECT TO ANY AND ALL EQUIPMENT
FURNISHED BY MILLER IS EXCLUDED AND DISCLAIMED
BY MILLER.
Some states in the U.S.A. do not allow limitations of how long an
implied warranty lasts, or the exclusion of incidental, indirect,
special or consequential damages, so the above limitation or
exclusion may not apply to you. This warranty provides specific
legal rights, and other rights may be available, but may vary
from state to state.
In Canada, legislation in some provinces provides for certain
additional warranties or remedies other than as stated herein,
and to the extent that they may not be waived, the limitations
and exclusions set out above may not apply. This Limited
Warranty provides specific legal rights, and other rights may be
available, but may vary from province to province.

PRINTED IN USA 2005 Miller Electric Mfg. Co. 1/05
Miller Electric Mfg. Co.
An Illinois Tool Works Company
1635 West Spencer Street
Appleton, WI 54914 USA
International Headquarters−USA
USA Phone: 920-735-4505 Auto-Attended
USA & Canada FAX: 920-735-4134
International FAX: 920-735-4125
European Headquarters −
United Kingdom
Phone: 44 (0) 1204-593493
FAX: 44 (0) 1204-598066
www.MillerWelds.com
Model Name Serial/Style Number
Purchase Date (Date which equipment was delivered to original customer.)
Distributor
Address
City
State Zip
Please complete and retain with your personal records.
Always provide Model Name and Serial/Style Number.
Contact a DISTRIBUTOR or SERVICE AGENCY near you.
Welding Supplies and Consumables
Options and Accessories
Personal Safety Equipment
Service and Repair
Replacement Parts
Training (Schools, Videos, Books)
Technical Manuals (Servicing Information
and Parts)
Circuit Diagrams
Welding Process Handbooks
Contact the Delivering Carrier to:
For Service
Owner’s Record
File a claim for loss or damage during
shipment.
For assistance in filing or settling claims, contact
your distributor and/or equipment manufacturer’s
Transportation Department.
Contact your Distributor for:
To locate a Distributor or Service Agency visit
www.millerwelds.com or call 1-800-4-A-Miller